Craftsman 917 271061 Users Manual
917271061 917271061 CRAFTSMAN TRACTOR - Manuals and Guides L0060063 View the owners manual for your CRAFTSMAN TRACTOR #917271061. Home:Lawn & Garden Parts:Craftsman Parts:Craftsman TRACTOR Manual
CRAFTSMAN Lawn, Tractor Manual L0060063 CRAFTSMAN Lawn, Tractor Owner's Manual, CRAFTSMAN Lawn, Tractor installation guides
2015-01-05
: Craftsman Craftsman-917-271061-Users-Manual-160800 craftsman-917-271061-users-manual-160800 craftsman pdf
Open the PDF directly: View PDF
.
Page Count: 60

Owner's Manual
£RI:IFTSMFIN°
15.5 HP
ELECTRIC START
42" MOWER
AUTOMATIC
LAWN TRACTOR
Model No
917.271061
• Safety
• Assembly
•Operation
• Maintenance
•Repair Parts
CAUTION:
Read and follow all Safety
Rules and Instructions before
operating this equipment.
For answers to your questions
about this product, Call:
1-800-659-5917
Sears Craftsman Help Line
5 am - 5 pm, Mon- Sat
Sears, Roebuck and Co., Hoffman Estates, II 60179
Visit our Craftsman website:www.sears.com/craftsman

,Warranty...............................................2
Safety Rules .........................................3
Product Specifications ..........................5
Assembly ..............................................7
Operation ............................................10
Maintenance Schedule ......................17
Service and Adjustments .................... 21
Storage ............................................... 27
Troubleshooting ................................. 28
Repair Parts ........................................ 34
Parts Ordering ..................... Back Cover
LIMITED TWO YEAR WARRANTY ON CRAFTSMAN RIDING EQUIPMENT PARTS
For two (2) years from the date of purchase, if this Craftsman Riding Equipment is
maintained, lubricated and tuned up according to the instructions in the owner's
manual, Sears Will repair or replace, free of charge, any parts found to be defective in
material or workmanship. Warranty service is available free of charge by taking your
Craftsman riding equipment to your nearest Sears Service Center. In-home warranty
service is available but a trip charge will apply. This warranty applies only while this
product is in the United States.
This Warranty does not cover:
• Expendable items which become worn during normal use, such as blades, spark
plugs, air cleaners, belts and oil filters.
• Tire replacement or repair caused by punctures from outside objects, such as nails,
thorns, stumps, or glass.
• Repairs necessary because of operator abuse, including but not limited to, damage
caused by towing objects beyond the capability of the riding equipment, impacting
objects that bend the frame or crankshaft, or over speeding the engine.
• Repairs necessary because of operator negligence, including but not limited to,
electrical and mechanical damage caused by improper storage, failure to use the
proper grade and amount of engine oil, failure to keep the deck clear of flammable
debris, or the failure to maintain the equipment according to the instructions con-
tained in the owner's manual.
• Engine (fuel system) cleaning or repairs caused by fuel determined to be contami-
nated or oxidized (stale). In general, fuel should be used within thirty (30) days of its
purchase date.
• Riding equipment used for commercial or rental purposes.
LIMITED 90 DAY WARRANTY ON BATTERY
For ninety (90) days from date of purchase, if any battery included with this riding
equipment proves defective in material or workmanship and our testing determines the
battery will not hold a charge, Sears will replace the battery at no charge. Warranty
service is available free of charge by taking your Craftsman riding equipment to your
nearest Sears Service Center. In-home warranty service is available but a trip charge
will apply. This warranty applies only while this product is in the United States.
TO LOCATE THE NEAREST SEARS SERVICE CENTER OR TO SCHEDULE IN-HOME
WARRANTY SERVICE, SIMPLY CONTACT SEARS AT 1-800-4-MY-HOME
This Warranty gives you specific legal rights, and you may also have other rights which
may vary from state to state.
Sears, Roebuck and Co., D/817 WA, Hoffman Estates, IL 60179
2

IMPORTANT: This cutting machine is
capable of amputating hands and feet
and throwing objects. Failure to observe
the following safety instructions could
result in serious injury or death.
GENERAL OPERATION
•Read, understand, and follow all
instructions in the manual and on the
machine before starting.
•Only allow responsible adults, who are
familiar with the instructions, to
operate the machine.
•Clear the area of objects such as
rocks, toys, wire, etc., which could be
picked up and thrown by the blade.
•Be sure the area is clear of other
people before mowing. Stop machine
if anyone enters the area.
•Never carry passengers.
• Do not mow in reverse unless abso-
lutely necessary. Always look down
and behind before and while backing.
•Be aware of the mower discharge
direction and do not point it at anyone.
Do not operate the mower without
either the entire grass catcher or the
guard in place.
•Slow down before turning.
•Never leave a running machine
unattended. Always turn off blades, set
parking brake, stop engine, and
remove keys before dismounting.
•Turn off blades when not mowing.
•Stop engine before removing grass
catcher or unclogging chute.
•Mow only in daylight or good artificial
light.
• Do not operate the machine while
under the influence of alcohol or
drugs.
•Watch for traffic when operating near
or crossing roadways.
•Use extra care when loading or
unloading the machine into a trailer or
truck.
• Data indicates that operators, age 60
years and above, are involved in a
large percentage of riding mower-
related injuries. These operators
should evaluate their ability to operate
the riding mower safely enough to
protect themselves and others from
serious injury.
SLOPE OPERATION
Slopes are a major factor related to loss-
of-control and tipover accidents, which
can result in severe injury or death. All
slopes require extra caution. If you
cannot back up the slope or if you feel
uneasy on it, do not mow it.
DO:
• Mow up and down slopes, not across.
• Remove obstacles such as rocks, tree
limbs, etc.
• Watch for holes, ruts, or bumps.
Uneven terrain could overturn the
machine. Tall grass can hide ob-
stacles.
•Use slow speed. Choose a low gear
so that you will not have to stop or shift
while on the slope.
• Follow the manufacturer's recommen-
dations for wheel weights or counter-
weights to improve stability.
• Use extra care with grass catchers or
other attachments. These can change
the stability of the machine.
• Keep all movement on the slopes slow
and gradual. Do not make sudden
changes in speed or direction.
• Avoid starting or stopping on a slope. If
tires lose traction, disengage the
blades and proceed slowly straight
down the slope.
DO NOT:
•Do not turn on slopes unless neces-
sary, and then, turn slowly and
gradually downhill, if possible.
•Do not mow near drop-offs, ditches, or
embankments. The mower could
suddenly turn over if a wheel is over
the edge of a cliff or ditch, or if an edge
caves in.
•Do not mow on wet grass. Reduced
traction could cause sliding.
•Do not try to stabilize the machine by
putting your foot on the ground.
•Do not use grass catcher on steep
slopes.
CHILDREN
Tragic accidents can occur if the operator
is not alert to the presence of children.
Children are often attracted to the
machine and the mowing activity. Never
assume that children will remain where
you last saw them.
3

• Keep children out of the mowing area •
and under the watchful care of
another responsible adult. •
•Be alert and turn machine off if
children enter the area.
• Before and when backing, look •
behind and down for small children.
° Never carry children. They may fall off •
and be seriously injured or interfere
with safe machine operation.
• Never allow children to operate the
machine. •
•Use extra care when approaching
blind corners, shrubs, trees, or other
objects that may obscure vision. •
SERVICE
•Use extra care in handling gasoline •
and other fuels. They are flammable
and vapors are explosive.
Use only an approved container.
Never remove gas cap or add fuel
with the engine running. Allow
engine to cool before refueling. Do
not smoke. •
Never refuel the machine indoors.
Never store the machine or fuel
container inside where there is an •
open flame, such as a water
heater.
Never run a machine inside a closed
area.
Keep nuts and bolts, especially blade
attachment bolts, tight and keep
equipment in good condition.
Never tamper with safety devices.
Check their proper operation regularly.
Keep machine free of grass, leaves, or
other debris build-up. Clean oil or fuel
spillage. Allow machine to cool before
storing.
Stop and inspect the equipment if you
strike an object. Repair, if necessary,
before restarting.
Never make adjustments or repairs
with the engine running.
Grass catcher components are subject
to wear, damage, and deterioration,
which could expose moving parts or
allow objects to be thrown. Frequently
check components and replace with
manufacturer's recommended parts,
when necessary.
Mower blades are sharp and can cut.
Wrap the blade(s) or wear gloves, and
use extra caution when servicing them.
Check brake operation frequently. Ad-
just and service as required.
• Be sure the area is clear of other •Remove obstacles such as rocks, tree
people before mowing. Stop machine
if anyone enters the area.
•Never carry passengers or children
even with the blades off.
•Do not mow in reverse unless abso-
lutely necessary. Always look down
and behind before and while backing.
•Never carry children. They may fall off
and be seriously injured or interfere
with safe machine operation.
•Keep children out of the mowing area
and under the watchful care of another
responsible adult.
•Be alert and turn machine off if
children enter the area.
•Before and when backing, look behind
and down for small children.
•Mow up and down slopes (15 ° Max),
not across. 4
limbs, etc.
Watch for holes, ruts, or bumps.
Uneven terrain could overturn the
machine. Tall grass can hide obsta-
cles.
Use slow speed. Choose a low gear
so that you will not have to stop or shift
while on the slope.
Avoid starting or stopping on a slope. If
tires lose traction, disengage the
blades and proceed slowly straight
down the slope.
If machine stops while going uphill,
disengage blades, shift into reverse
and back down slowly.
Do not turn on slopes unless neces-
sary, and then, turn slowly and
gradually downhill, if possible.

tAaLOOk"for this symbol to point o_ .impor-
sare[y precautions. I[ means u,=,u-
TION!H BECOME AWARE!!! YOUR
SAFETY IS INVOLVED.
dAeC.A,UTION:In order to prevent.acci-
mat starting wnen setlmg up, trans-
porting, adjusting or making repairs al-
ways disconnect spark plug wire and
place wire where it cannot contact spaJ:k
plug.
ACAUTION: Do not coast down a hill in
neutral, you may lose control of the trac-
tor.
_aCAUTION: Tow only,the attachments
t are recommenoea oy ano compty
with specifications of the manufacturer of
your tractor. Use common sense when
towing. Operate only at the lowest pos-
sible speed when on a slope. Too heavy
of a load, while on a slope, is dangerous.
Tires can lose traction with the ground
and cause you to lose control of your trac-
tor.
tAhWARN.ING: The engine exhaust from
is proauct comains cnemicats Known
to the State of California to cause cancer,
birth defects, or other reproductive harm.
PRODUCT SPECIFICATIONS
GASOLINE 1.25 GALLONS
CAPACITY UNLEADED
ANDTYPE: REGULAR
OILTYPE SAE 10W30 (ABOVE
32°F)
API-SF/SG/SH): SAE 5W-30 (BELOW
32°F)
31L CAPACITY: W/FILTER: 4.0 PINTS
W/OFILTER: 3.5 PINTS
SPARK PLUG: CHAMPION RC12YC
GAP: .030")
3ROUND SPEED FORWARD:5.5
CMPH): REVERSE: 2.4
]'IRE PRESSURE: FRONT: 14 PSI
REAR: 10 PSI
CHARGING 3 AMPS BATTERY
SYSTEM: 5 AMPS HEADLIGHTS
BA'I-I'ERY: AMP/HR: 30
MIN. CCA: 240
CASE SIZE: U1R
BLADE BOLT 27-35 FT. LBS.
TORQUE:
CONGRATULATIONS on your pur-
chase of a Craftsman Tractor. It has
been designed, engineered and
manufactured to give you the best
possible dependability and perfor-
mance.
Should you experience any problem you
cannot easily remedy, please contact
your nearest authorized service center.
We have competent, well-trained
technicians and the proper tools to
service or repair this tractor.
Please read and retain this manual. The
instructions will enable you to assemble
and maintain your tractor properly.
Always observe the "SAFETY RULES".
REPAIR AGREEMENT
A Sears Repair Agreement is available
on this product. Contact your nearest
Sears store for details.
CUSTOMER RESPONSIBILITIES
•Read and observe the safety rules.
•Follow a regular schedule in maintain-
ing, caring for and using your tractor.
•Follow the instructions under =Mainte-
nance" and =Storage" sections of this
owner's manual.
AWARNING: This tractor is equipped
with an internal combustion engine and
should not be used on or near any
unimproved forest-covered, brush-
covered or grass-covered land unless
the engine's exhaust system is equipped
with a spark arrester meeting applicable
local or state laws (if any). If a spark
arrester is used, it should be maintained
in effective working order by the opera-
tor.
In the state of California the above is
required by law (Section 4442 of the
California Public Resources Code).
Other states may have similar laws.
Federal laws apply on federal lands. A
spark arrester for the muffler is available
through your nearest authorized service
center/department (See REPAIR PARTS
section of this manual).
5

Steering
Wheel Insert
C?
I_(1) Hex Bolt
3/8-16 x 1
Steerin_
Boot
Steering Wheel
(1) Lock
washer 3/8
(1) Large Flat Washer
(1) Hex Bolt
5/16-18 x 1-1/4
(1) Locknut
5/16-18
J_ Steering
Wheel Adapter
I Steering
Extension
Shaft
Seat
(_Washer
(_ 17/32 x 1-3/16 x 12
Gauge
_(1) Knob
_) Shoulder
olt 5/16-18
Slope Sheet
Keys
"--t
Video Cassette
6

Your new tractor has been assembled at the factory with exception of those parts left
unassembled for shipping purposes. To ensure safe and proper operation of your
tractor all parts and hardware you assemble must be tightened securely. Use the
correct tools as necessary to insure proper tightness. Review the video cassette before
you begin.
TOOLS REQUIRED FOR
ASSEMBLY
A socket wrench set will make assembly
easier. Standard wrench sizes you need
are listed below.
(1) 9/16" wrench (1) Pliers
(2) 1/2" wrench (1) Utility knife
(1) 3/4" socket with
drive ratchet
(1) Tire pressure gauge
When right or left hand is mentioned in
this manual, it means, from your point of
view, when you are in the operating
position (seated behind the steering
wheel).
_Insert
_---------3/8 Hex Bolt
,_,-_-----3/8 Lock Washer
__} arge Flat
Washer
J " Boot
Steering Wheel
.Tabs
TO REMOVE TRACTOR FROM
CARTON
UNPACK CARTON
•Remove all accessible loose parts
and parts boxes from shipping carton.
•Cut, from top to bottom, along lines on
all four corners of shipping carton, and
lay panels flat,
• Remove mower and packing materi-
als.
•Check for any additional loose parts or
boxes and remove.
BEFORE ROLLING TRACTOR OFF
SKID
ATTACH STEERING WHEEL
ASSEMBLE EXTENSION SHAFT AND
BOOT
• Slide extension shaft onto lower
steering shaft. Align mounting holes
in extension and lower shafts and
install 5/16 hex bolt and Iocknut.
Tighten securely.
• Place tabs of steering boot over tab
slots in dash and push down to
secure.
INSTALL STEERING WHEEL
•Position front wheels of the tractor so
they are pointing straight forward.
•Remove steerng wheel adapter from
steering wheel and slide adapter onto
steering shaft extension.
• Position steering wheel so cross bars
are horizontal (left to right) and slide
inside boot and onto adapter.
• Assemble large flat washer, 3/8 lock
washer, 3/8 hex bolt and tighten
securely.
•Snap steering wheel insert into center
of steering wheel.
•Remove protective materials from
tractor hood and grill.
IMPORTANT: Check for and remove any
staples in skid that may puncture tires
where tractor is to roll off skid.
HOW TO SET UP YOUR TRACTOR
CHECK BATTERY
•Lift seat pan to raised postion and
open battery box door.
• If this battery is put into service after
month and year indicated on label (la-
bel located between terminals) charge
battery for minimum of one hour at 6-
10 amps. (See "BATTERY" in MAINTE-
NANCE section of this manual for
charging structions.)
7

Label
Seat
Terminal
Battery
Door
INSTALL SEAT
Adjust seat before tightening adjustment
knob,
• Remove adjustment knob and flat
washer securing seat to cardboard
packing and set aside for assembly of
seat to tractor.
• Pivot seat upward and remove from
the cardboard packing. Remove the
cardboard packing and discard.
•Place seat on seat pan and assemble
shoulder bolt. Tighten shoulder bolt
securely.
• Assemble adjustment knob and flat
washer loosely. Do not tighten.
• Lower seat into operating position and
sit on seat.
• Slide seat until a comfortable position
is reached which allows you to press
clutch/brake pedal all the way down.
• Get off seat without moving its adjusted
position.
•Raise seat and tighten adjustment
knob securely.
Seat
Shoulder Seat Pan
Bolt
Flat Washer
Adjustment
Knob
NOTE: You may now roll or drive your
tractor off the skid. Follow the appropriate
instruction below to remove the tractor from
the skid.
TO ROLLTRACTOR OFF SKID (See
Operation section for location and
function of controls)
•Press lift lever plunger and raise
attachment lift lever to its highest
position.
• Release parking brake by depressing
clutch/brake pedal.
• Place freewheel control in freewheel-
ing .position to disengage transmission
(See "TO TRANSPORT" in the Opera-
tion section of this manual),
• Roll tractor forward off skid.
• Remove banding holding discharge
guard up against tractor,
TO DRIVE TRACTOR OFF SKID
_I,WARNING: Before starting, read,
understand and follow all instructions in
the Operation section of this manual. Be
sure tractor is in a well-ventilated area.
Be sure the area in front of tractor is
clear of other people and objects.
• Be sure all the above assembly steps
have been completed.
• Check engine oil level and fill fuel tank
with gasoline.
•Place freewheel control in "transmis-
sion engaged" position.
•Sit on seat in operating position,
depress clutch/brake pedal and set the
parking brake.
•Place motion control lever in neutral
(N) position.
•Press lift lever plunger and raise
attachment lift lever to its highest
position.
•Start the engine. After engine has
started, move throttle control to idle
position.
•Release parking brake.
•Slowly move the motion control lever
forward and slowly drive tractor off
skid.
•Apply brake to stop tractor, set parking
brake and place motion control lever in
neutral position.
•Tum ignition key to "OFF" position.
Continue with the instructions that follow.
8

•INSTALL MULCHER PLATE
(If previously removed)
• Raise and hold deflector shield in
upright position.
• Place front of mulcher plate over front
of mower deck opening and slide into
place, as shown.
•Hook front latch into hole on front of
mower deck.
•Hook rear latch into hole on back of
mower deck.
ACAUTION: Do not remove deflector
shield from mower. Raise and hold
shield when attaching mulcher plate and
allow it to rest on plate while in opera-
tion. Mulcher
Plate
Shield
Latch
Hooks
TO CONVERT TO BAGGING OR
DISCHARGING
Simply remove mulcher plate and store
in a safe place. Your mower is now ready
for discharging or installation of optional
grass catcher accessory.
NOTE: It is not necessary to change
blades. The mulcher blades are de-
signed for discharging and bagging also.
CHECK TIRE PRESSURE
The tires on your tractor were overin-
flated at the factory for shipping pur-
poses. Correct tire pressure is important
for best cutting performance.
•Reduce tire pressure to PSI shown in
"PRODUCT SPECIFICATIONS"
section of this manual.
CHECK DECK LEVELNESS
For best cutting results, mower housing
should be propedy leveled. See =TO
LEVEL MOWER HOUSING" in the
Service and Adjustments section of this
manual.
CHECK FOR PROPER POSITION
OF ALL BELTS
See the figures that are shown for
replacing motion and mower blade drive
belts in the Service and Adjustments
section of this manual. Verify that the
belts are routed correctly.
CHECK BRAKE SYSTEM
After you learn how to operate your
tractor, check to see that the brake is
properly adjusted. See =TO ADJUST
BRAKE" in the Service and Adjustments
section of this manual.
I/CHECKLIST
9
Before you operate and enjoy your new
tractor, we wish to assure that you re-
ceive the best performance and satisfac-
tion from this quality product.
Please review the following checklist:
,/ All assembly instructions have been
completed.
,/No remaining loose parts in carton.
,/Battery is properly prepared and
charged. (Minimum 1hour at 6
amps).
/Seat is adjusted comfortably and tight-
ened securely.
•/All tires are properly inflated. (For
shipping purposes, the tires were
overinflated at the factory).
,/Be sure mower deck is properly lev-
eled side-to-side/front-to-rear for best
cutting results. (Tires must be properly
inflated for leveling).
,/Check mower and drive belts. Be sure
they are routed properly around pul-
leys and inside all belt keepers.
,/Check wiring. See that all connections
are still secure and wires are properly
clamped.
,/Before driving tractor, be sure free-
wheel control is in drive position.
While learning how to use your tractor,
pay extra attention to the following im-
portant items:
,/Engine oil is at proper level.
,/Fuel tank is filled with fresh, clean,
regular unleaded gasoline.
,/Become familiar with all controls -their
location and function. Operate them
before you start the engine.
,/Be sure brake system is in safe oper-
ating condition.
/It is important to purge the transmis-
sion before operating your tractor for
the first time. Follow proper starting
and transmission purging instructions
(See =TO START ENGINE" and
"PURGE TRANSMISSION" in the Op-
eration section of this manual).

These symbols may appear on your tractor or in literature supplied with the 3roduct.
Learn and understand their meaning.
BATTERY CAUTION OR
WARNING
ENGINE ON ENGINE OFF
REVERSE FORWARD FAST SLOW
OIL PRESSURE LIGHTS ON
FUEL CHOKE MOWER HEIGHT
0
PARKING BRAKE
LOCKED
UNLOCKED MOWERLIFT
r 'I R N H L
ATTACHMENT REVERSE
CLUTCH ENGAGED NEUTRAL HIGH LOW PARKING BRAKE
KEEP AREA CLEAR SLOPE HAZARDS
ATTACHMENT
IGNITION CLUTCH DISENGAGED (SEE SAFETY RULES SECTION)
DANGER, KEEP HANDS AND FEET AWAY
10
FREE WHEEL
(Automatic Models only)

KNOWYOUR TRACTOR
READ THIS OWNER'S MANUAL AND SAFETY RULES BEFORE OPERATING
YOUR TRACTOR
Compare the illustrations with your tractor to familiarize yourself with the locations of
various controls and adjustments. Save this manual for future reference.
Attachment
Clutch
Lever
Ignition Switch Switch
Lift
Ammeter ..... .. _ Lever
.... -- "- _ Plunger
Throttle Control Attachment
Lift Lever
Clutch/Brake Height
Pedal -. Adjustment
Indicator
Freewheel
Control Brake Lever
Motion Control
Lever
Our tractors conform to the safety standards of the American
National Standards Institute.
AMMETER - Indicates charging (+) or
discharging (-) of battery.
ATTACHMENT CLUTCH LEVER - Used
to engage the mower blades, or other
attachments mounted to your tractor.
ATTACHMENT LIFT LEVER - Used to
raise, lower, and adjust the mower deck
or other attachments mounted to your
tractor.
CLUTCH/BRAKE PEDAL - Used for
declutching and braking the tractor and
starting the engine.
MOTION CONTROL LEVER - Selects the
speed and direction of tractor.
11
IGNITION SWITCH - Used for starting
and stopping the engine.
LIFT LEVER PLUNGER - Used to
release attachment lift lever when
changing its position.
LIGHT SWITCH - Turns the headlights on
and off.
PARKING BRAKE LEVER - Locks
clutch/brake pedal into the brake
position.
THROTTLE/CHOKE CONTROL- Used
for starting and controlling engine speed.
FREEWHEEL CONTROL -
Disengagages transmission for pushing
or slowly towing the tractor with the
engine off.

The operation of any tractor can result in foreign objects thrown into
the eyes, which can result in severe eye damage. Always wear safety
glasses or eye shields while operating your tractor or performing any
adjustments or repairs. We recommend a wide vision safety mask
over spectacles or standard safety glasses.
HOW TO USE YOUR TRACTOR
TO SET PARKING BRAKE
Your tractor is equipped with an operator
presence sensing switch. When engine
is running, any attempt by the operator to
leave the seat without first setting the
parking brake will shut off the engine.
•Depress clutch/brake pedal into full
"BRAKE" position and hold.
• Place parking brake lever in "EN-
GAGED" position and release pres-
sure from clutch/brake pedal. Pedal
should remain in "BRAKE" position.
Make sure parking brake will hold
tractor secure. Attachment Clutch Lever
"Engaged" Position
gaged"
Position
Thr Parking
Brake ed"
Clutch/ Position
Brake_
Position
STOPPING
Lever
"Br
Position
MOWER BLADES -
• To stop mower blades,move attach-
ment clutch lever to "DISENGAGED"
position.
GROUND DRIVE -
•To stop ground drive, depress clutch/
brake pedal into full "BRAKE" position.
•Move motion control lever to neutral
(N) position.
IMPORTANT: The motion control lever
does not return to neutral (N) position
when the clutch/brake pedal is de-
pressed.
ENGINE -
• Move throttle control to slow position.
NOTE: Failure to move throttle control to
slow position and allowing engine to idle
before stopping may cause engine to
"backfire".
• Turn ignition key to "OFF" position and
remove key. Always remove key when
leaving tractor to prevent unauthorized
use.
• Never use choke to stop engine.
IMPORTANT: Leaving the ignition
switch in any position other than "OFF"
will cause the battery to be discharged,
(dead).
NOTE: Under certain conditions when
tractor is standing idle with the engine
running, hot engine exhaust gases may
cause "browning" of grass. To eliminate
this possibility, always stop engine when
stopping tractor on grass areas.
_,CAUTION: Always.stop !ractor .
completely, as aescrioea aoove, before
leaving the operator's position; to empty
grass catcher, etc.
TO USE THRO'rrLE CONTROL
12
Always operate engine at full throttle.
•Operating engine at less than full
throttle reduces the battery charging
rate.
• Full throttle offers the best bagging
and mower performance.
TO MOVE FORWARD AND
BACKWARD
The direction and speed of movement is
controlled by the motion control lever.
• Start tractor with motion control lever in
neutral (N) position.
• Release parking brake and clutch/
brake pedal.
•Slowly move motion control lever to
desired position.
TO ADJUST MOWER CUTTING
HEIGHT
The position of the attachment lift lever
determines the cutting height.
• Grasp lift lever.
•Press plunger with thumb and move
lever to desired position.
The cutting height range is approxi-
mately 1-1/2 to 4". The heights are
measured from the ground to the blade
tip with the engine not running. These
heights are approximate and may vary
depending upon soil conditions, height
of grass and types of grass being
mowed.

•The average lawn should be cut to
approximately 2-1/2 inches during the
cool season and to over 3 inches
during hot months. For healthier and
better looking lawns, mow often and
after moderate growth.
• For best cutting performance, grass
over 6 inches in height should be
mowed twice. Make the first cut
relatively high; the second to desired
height.
TO ADJUST GAUGE WHEELS
Gauge wheels are properly adjusted
when they are slightly off the ground
when mower is at the desired cutting
height in operating position. Gauge
wheels then keep the deck in proper
position to help prevent scalping in most
terrain conditions.
•Adjust gauge wheels with tractor on a
flat level surface.
•Adjust mower to desired cutting height
(See "TO ADJUST MOWER CUTTING
HEIGHT" in the Operation section of
this manual).
•With mower in desired height of cut
position, gauge wheels should be
assembled so they are slightly off the
ground. Install gauge wheel in
appropriate hole with shoulder bolt, 3/
8 washer, and 3/8-16 Iocknut and
tighten securely.
•Repeat for opposite side installing
gauge wheel in same adjustment hole.
Gauge
Wheel
Bracket
3/8-16
Locknut Shoulder Bolt
3/8
Gauge Wheel
TO OPERATE MOWER
Your tractor is equipped with an operator
presence sensing switch. Any attempt by
the operator to leave the seat with the
engine running and the attachment
clutch engaged will shut off the engine.
•Select desired height of cut.
•Start mower blades by engaging
attachment clutch control.
•TO STOP MOWER BLADES - disen-
gage attachment clutch control.
ACAUTION: Do not operate the mower
without either the entire grass catcher, on
mowers so equipped, or the deflector
shield in place.
Attachment
Clutch Lever Attachemnt
Lever High
Position Position
Position
Low
Position
Deflector
Shield
13
TO OPERATE ON HILLS
A, CAUTION: Do not drive up or down
hills with slopes greater than 15° and do
not drive across any slope.
•Choose the slowest speed before
starting up or down hills.
•Avoid stopping or changing speed on
hills.
•If slowing is necessary, move throttle
control lever to slower position.
• If stopping is absolutely necessary,
push clutch/brake pedal quickly to
brake position and engage parking
brake.
•Move motion control lever to neutral
(N) position.
IMPORTANT: The motion control lever
does not return to neutral (N) position
when the clutch/brake pedal is de-
pressed.
•To restart movement, slowly release
parking brake and clutch/brake pedal.
•Slowly move motion control lever to
slowest setting.
•Make all turns slowly.
TO TRANSPORT
When pushing or towing your tractor, be
sure to disengage transmission by
placing freewheel control in freewheel-
ing position. Free wheel control is
located at the rear drawbar of tractor.
•Raise attachment lift to highest
position with attachment lift control.
•Pull freewheel control knob out and
hold in position by inserting retainer
spring into forward hole of control rod.
•Do not push or tow tractor at more
than two (2) MPH.
•To reengage transmission, reverse
above procedure.

NOTE: To protect hood from damage
when transporting your tractor on a truck
or a trailer, be sure hood is closed and
secured to tractor. Use an appropriate
means of tying hood to tractor (rope,
cord, etc.).
TOWING CARTS AND OTHER
A'I-rACHMENTS
Tow only the attachments that are
recommended by and comply with
specifications of the manufacturer of your
tractor. Use common sense when towing.
Too heavy of a load, while on a slope, is
dangerous. Tires can lose traction with
the ground and cause you to lose control
of your tractor.
BEFORE STARTING THE ENGINE
CHECK ENGINE OIL LEVEL
• The engine in your tractor has been
shipped, from the factory, already filled
with summer weight oil.
• Check engine oil with tractor on level
ground.
•Unthread and remove oil fill cap/
dipstick; wipe oil off. Reinsert the
dipstick into the tube and rest oil fill
cap on the tube. Do not thread the cap
onto the tube. Remove and read oil
level. If necessary, add oil until
"FULL" mark on dipstick is reached.
Do not overfill.
• For cold weather operation you should
change oil for easier starting (See "OIL
VISCOSITY CHART" in the Mainte-
nance section of this manual).
• To change engine oil, see the Mainte-
nance section in this manual.
ADD GASOLINE
• Fill fuel tank. Use fresh, clean, regular
unleaded gasoline with a minimum of
87 octane. (Use of leaded gasoline
will increase carbon and lead oxide
deposits and reduce valve life). Do
not mix oil with gasoline. Purchase
fuel in quantities that can be used
within 30 days to assure fuel fresh-
ness.
IMPORTANT: When operating in
temperatures below 32°F(0oc), use
fresh, clean winter grade gasoline to
help insure good cold weather starting.
,AWARNING: Experience indicates that
alcohol blended fuels (called gasohol or
using ethanol or methanol) can attract
moisture which leads to separation and
formation of acids during storage. Acidic
gas can damage the fuel system of an
engine while in storage. To avoid engine
prob!ems, the fuel system should be
emptied before storage of 30 days or
longer. Drain the gas tank, start the
engine and let it run until the fuel lines
and carburetor are empty. Use fresh fuel
next season. See Storage Instructions
for additional information. Never use
engine or carburetor cleaner products in
the fuel tank or permanent damage may
occur.
_,CAUTION: Fill to bottom of gas tank
filler neck. Do not overfill. Wipe off any
spilled oil or fuel. Do not store, spill or
use gasoline near an open flame.
TO START ENGINE
When starting the engine for the first time
or if the engine has run out of fuel, it will
take extra cranking time to move fuel
from the tank to the engine.
• Be sure freewheel control is in the
transmission engaged position.
• Sit on seat in operating position,
depress clutch/brake pedal and set
parking brake.
•Place motion control lever in neutral
(N) position.
• Move attachment clutch to "DISEN-
GAGED" position.
• Move throttle control to choke position.
NOTE: Before starting, read the warm
and cold starting procedures below.
• Insert key into ignition and turn key
clockwise to "START" position and
release key as soon as engine starts.
Do not run starter continuously for
more than fifteen seconds per minute.
If the engine does not start after
several attempts, move throttle control
to fast position, wait afew minutes and
try again. If engine still does not start,
move the throttle control back to the
choke position and retry.
14

WARM WEATHER STARTING (50 ° F and
above)
•When engine starts, move the throttle
control to the fast position.
•The attachments and ground drive can
now be used. If the engine does not
accept the load, restart the engine and
allow it to warm up for one minute
using the choke as described above.
COLD WEATHER STARTING ( 50 °F and
below)
• When engine starts, allow engine to
run with the throttle control in the
choke position until the engine runs
roughly, then move throttle control to
fast position. This may require an
engine warm-up period from several
seconds to several minutes, depend-
ing on the temperature.
AUTOMATIC TRANSMISSION WARM UP
•Before driving the unit in cold weather,
the transmission should be warmed up
as follows:
•Be sure the tractor is on level ground.
•Place the motion control lever in
neutral. Release the parking brake
and let the clutch/brake slowly return
to operating position.
•Allow one minute for transmission to
warm up. This can be done during the
engine warm up period.
• The attachments can also be used
during the engine warm-up period
after the transmission has been
warmed up.
NOTE: If at ahigh altitude (above 3000
feet) or in cold temperatures (below 32
F) the carburetor fuel mixture may need
to be adjusted for best engine perfor-
mance. See "TO ADJUST CARBURE-
TOR" in the Service and Adjustments
section of this manual.
PURGE TRANSMISSION
_kCAUTION" Never engage or disen-
gage Treewneel lever wn.e the engine
is running,
To ensure proper operation and
performance, it is recommended that the
transmission be purged before operat-
ing tractor for the first time. This proce-
dure will remove any trapped air inside
the transmission which may have
developed during shipping of your
tractor.
IMPORTANT: Should your transmission
require removal for service or replace-
ment, it should be purged after reinstalla-
tion before operating the tractor.
• Place tractor safely on level surface
with engine off and parking brake set.
• Disengage transmission by placing
freewheel control in freewheeling
position (See "TO TRANSPORT" in
this section of manual).
• Sitting in the tractor seat, start engine.
After the engine is running, move
throttle control to slow position. With
motion control lever in neutral (N)
position, slowly disengage clutch/
brake pedal.
• Move motion control lever to full
forward position and hold for five (5)
seconds. Move lever to full reverse
position and hold for five (5) seconds.
Repeat this procedure three (3) times.
NOTE= During this procedure there will
be no movement of drive wheels. The air
is being removed from hydraulic drive
system.
• Move motion control lever to neutral
(N) position. Shut- off engine and set
parking brake.
• Engage transmission by placing
freewheel control in driving position
(See 'qO TRANSPORT" in this section
of manual).
• Sitting in the tractor seat, start engine.
After the engine is running, move
throttle control to half (1/2) speed. With
motion control lever in neutral (N)
position, slowly disengage clutch/
brake pedal.
• Slowly move motion control lever
forward, after the tractor moves
approximately five (5) feet, slowly
move motion control lever to reverse
position. After the tractor moves
approximately five (5) feet return the
motion control lever to the neutral (N)
position. Repeat this procedure with
the motion control lever three (3)
times.
• Your tractor is now purged and now
ready for normal operation.
15

MOWING TIPS
• Tire chains cannot be used when the
mower housing is attached to tractor.
•Mower should be properly leveled for
best mowing performance. See "TO
LEVEL MOWER HOUSING" in the
Service and Adjustments section of
this manual.
•The left hand side of mower should be
used for trimming.
•Drive so that clippings are discharged
onto the area that has been cut. Have
the cut area to the right of the tractor.
This will result in a more even distribu-
tion of clippings and more uniform
cutting.
• When mowing large areas, start by
turning to the right so that clippings will
discharge away from shrubs, fences,
driveways, etc. After one or two
rounds, mow in the opposite direction
making left hand turns until finished.
• If grass is extremely tall, it should be
mowed twice to reduce load and
possible fire hazard from dried
clippings. Make first cut relatively
high; the second to the desired height.
• Do not mow grass when it is wet. Wet
grass will plug mower and leave
undesirable clumps. Allow grass to
dry before mowing.
• Always operate engine at full throttle
when mowing to assure better mowing
performance and proper discharge of
material. Regulate ground speed by
selecting a low enough gear to give
the mower cutting performance as well
as the quality of cut desired.
•When operating attachments, select a
ground speed that will suit the terrain
and give best performance of the
attachment being used.
f
1
t
MULCHING MOWING TIPS
IMPORTANT: For best performance,
keep mower housing free of built-up
grass and trash. Clean after each use.
•The special mulching blade will recut
the grass clippings many times and
reduce them in size so that as they fall
onto the lawn they will disperse into
the grass and not be noticed. Also, the
mulched grass will biodegrade quickly
to provide nutrients for the lawn.
Always mulch with your highest
engine (blade) speed as this will
provide the best recutting action of the
blades.
•Avoid cutting your lawn when it is wet.
Wet grass tends to form clumps and
interferes with the mulching action.
The best time to mow your lawn is the
early afternoon. At this time the grass
has dried and the newly cut area will
not be exposed to the direct sun.
• For best results, adjust the mower
cutting height so that the mower cuts
off only the top one-third of the grass
blades. For extremely heavy mulching,
reduce your width of cut on each pass
and mow slowly.
• Certain types of grass and grass
conditions may require that an area be
mulched a second time to completely
hide the clippings. When doing a
second cut, mow across or perpen-
dicular to the first cut path.
• Change your cutting pattern from week
to week. Mow north to south one week
then change to east to west the next
week. This will help prevent matting
and graining of the lawn.
16

MAINTENANCE SCHEDULE _ _ _ _,_ _'_ _ _'_"
,s,ooOOM ,OEO
REGULAR SERVICE ATES
Check Brake Operation _
Check Tire Pressure _I_
Check Operator Presence and
TInterlockSyStems, I_
RCheck for Loose Fasteners _ll_7 Ik_
Sharpen/Replace Mower Blades _4
TLubricationChart
0 Check Battery Level
RClean Battery and Terminals
Check Transexle Costing I_ Ks
Adjust Blade Belt(s) Tension
Adjust Motion Drive BalKs) Tension _s
Check Engine OffLevel ll_
Change Engine Oil I_t2,_ V'
E Clean Air Filter _=
Clean Air Sorasn li_=
Inspect Muffler/Spark ArreSter i
Replace Oil Rlter (If equipped) I1_1.2
Clean Engine Cooling Fins
Replace Spark Plug
Replace Air Filter Paper Cartridge I_=
Replace Fuel Filter I1_
I -Ch_mgemoceoftenwhen_oeratingucKlerlheawIoador_highamb_ntte_rature#. 5-ffequ_pedwlthad_ustab_esyttsm,
2 - Servicerno_ often whenoperatingIn dirtyor dustycondition=. 6 - Not r_loired Hequippedwith maintenanc_fmebstlerv.
3 - ff _loipptd with oilf_er, ch=ngeoll e'_P/50 hour=. 7 - "rlghlenfrontaxle pivotbolt to35 ft.-Ib=,maximum,
4 - Replacehi=des rnocmoftenwhenmoving insandy loll 0o no_over_tln.
GENERAL RECOMMENDATIONS LUBRICATION CHART
The warranty on this tractor does not
cover items that have been subjected to Zerk
operator abuse or negligence. To
receive full value from the warranty,
operator must maintain tractor as
instructed in this manual. _)Front Wheel
Some adjustments will need to be made Bearing
periodically to propedy maintain your Zerk
tractor.
All adjustments in the Service and
Adjustments section of this manual
should be checked at least once each :
season, i
•Once a year you should replace the i
spark plug, clean or replace air filter, : :
and check blades and belts for wear. ,...... ,
A new spark plug and clean air filter (DSAE30or10w30MOTORO)L
assure proper air-fuel mixture and
help your engine run better and last
longer.
BEFORE EACH USE
•Check engine oil level.
•Check brake operation.
•Check tire pressure.
•Check operator presence and
interlock systems for proper op,,,_ration.
•Check for loose fasteners. 17
Zerk
(_)REFERTO Maintenance"ENGINE"SECTION
Wheel
Zerk
IMPORTANT: Do not oil or grease the
pivot points which have spec=al nylon
bearings. Viscous lubricants will attract
dust and dirt that will shorten the life of
the self-lubricatin_ bearings. If you feel
they must be lubncated, use only a dry,
powdered graphite type lubricant
sparingly.

TRACTOR
Always observe safety rules when
performing any maintenance.
BRAKE OPERATION
If tractor requires more than six (6) feet
stopping distance at high speed in
highest gear, then brake must be
adjusted. (See "TO ADJUST BRAKE" in
the Service and Adjustments section of
this manual).
TIRES
•Maintain proper air pressure in all tires
(See "PRODUCT SPECIFICATIONS"
section of this manual).
•Keep tires free of gasoline, oil, or
insect control chemicals which can
harm rubber.
• Avoid stumps, stones, deep ruts, sharp
objects and other hazards that may
cause tire damage.
NOTE: To seal tire punctures and
prevent flat tires due to slow leaks, tire
sealant may be purchased from your
local parts dealer. Tire sealant also
prevents tire dry rot and corrosion.
OPERATOR PRESENCE SYSTEM
Be sure operator presence and interlock
systems are working properly. If your
tractor does not function as described,
repair the problem immediately.
•The engine should not start unless the
clutch/brake pedal is fully depressed
and attachement clutch control is in
the disengaged position.
• When the engine is running, any
attempt by the operator to leave the
seat without first setting the parking
brake should shut off the engine.
• When the engine is running and the
attachment clutch is engaged, any
attempt by the operator to leave the
seat should shut off the engine.
• The attachment clutch should never
operate unless the operator is in the
seat.
BLADE CARE
For best results mower blades must be
kept sharp, Replace bent or damaged
blades.
BLADE REMOVAL
•Raise mower to highest position to
allow access to blades.
•Remove hex bolt, lock washer and flat
washer securing blade.
•Install new or resharpened blade with
trailing edge up towards deck as
shown.
IMPORTANT: To ensure proper assem-
bly, center hole in blade must align with
star on mandrel assembly.
•Reassemble hex bolt, lock washer and
flat washer in exact order as shown.
•Tighten bolt securely (27-35 Ft. Lbs.
torque).
IMPORTANT: Blade bolt is Grade 8 heat
treated. Mandrel Assembly
TrailingEdge Up
Blade Center
Hole
18
Flat Washer\
Lock Washer
_---Hex Bolt (Grade
*A Grade 8 heat treated bolt can be identified
by six lines on the bolt head.
TO SHARPEN BLADE
NOTE: We do not recommend sharpen-
ing blade - but if you do, be sure the
blade is balanced.
Care should be taken to keep the blade
balanced. An unbalanced blade will
cause excessive vibration and eventual
damage to mower and engine.
• The blade can be sharpened with a
file or on a grinding wheel. Do not
attempt to sharpen while on the
mower.
• To check blade balance, you will need
a 5/8" diameter steel bolt, pin, or a
cone balancer. (When using a cone
balancer, follow the instructions
supplied with balancer.)
NOTE: Do not use anail for balancing
blade. The lobes of the center hole may
appear to be centered, but are not.
• Slide blade on to an unthreaded
portion of the steel bolt or pin and hold
the bolt or pin parallel with the ground.
If blade is balanced, it should remain
in a horizontal position. If either end of
the blade moves downward, sharpen
the heavy end until the blade is
balanced.
5/8" B_d e
Center Hole

BATTERY
Your tractor has a battery charging
system which is sufficient for normal use.
However, periodic charging of the battery
with an automotive charger will extend
its life.
•Keep battery and terminals clean.
•Keep battery bolts tight.
•Keep small vent holes open,
• Recharge at 6-10 amperes for 1 hour,
NOTE: The original equipment battery on
your tractor is maintenance free. Do not
attempt to open or remove caps or
covers. Adding or checking level of
electrolyte is not necessary.
TO CLEAN BATTERY AND TERMINALS
Corrosion and dirt on the battery and
terminals can cause the battery to "leak"
power.
•Open battery box door.
• Disconnect BLACK battery cable first
then RED battery cable and remove
battery from tractor.
• Rinse the battery with plain water and
dry.
• Clean terminals and battery cable
ends with wire brush until bright.
• Coat terminals with grease or petro-
leum jelly.
•Reinstall battery (See "REPLACING
BATTERY" in the SERVICE AND
ADJUSTMENTS section of this
manual).
V-BELTS
Check V-belts for deterioration and wear
after 100 hours of operation and replace
if necessary. The belts are not adjustable.
Replace belts if they begin to slip from
wear.
TRANSAXLE COOLING
The transmission fan and cooling fins
should be kept clean to assure proper
cooling.
Do not attempt to clean fan or transmis-
sion while engine is running or while the
transmission is hot. To prevent possible
damage to seals, do not use high
pressure water or steam to clean
transaxle.
• Inspect cooling fan to be sure fan
blades are intact and clean.
• Inspect cooling fins for dirt, grass
clippings and other materials. To
prevent damage to seals, do not use
compressed air or high pressure
sprayer to clean cooling fins.
TRANSAXLE PUMP FLUID
The transaxle was sealed at the factory
and fluid maintenance is not required for
the life of the transaxle. Should the
transaxle ever leak or require servicing,
contact your nearest authorized service
center/department.
ENGINE
LUBRICATION
Only use high quality detergent oil rated
with API service classification SF, SG, or
SH. Select the oil's SAE viscosity grade
according to your expected operating
temperature.
SAE VISCOSITY GRADES
19
-_O" 30" 32" 40" 80*
-30" -20" -Io" 0" IO" 20" 30"
TEMPERATURE RANGE ANTICIPATED BEFORE NEXT OIL CHANGE
Change the oil after every 50 hours of
operation or at least once a year if the
tractor is not used for 50 hours in one
year.
Check the crankcase oil level before
starting the engine and after each eight
(8) hours of operation. Tighten oil fill cap/
dipstick securely each time you check
the oil level.
TO CHANGE ENGINE OIL
Determine temperature range expected
before oil change. All oil must meet API
service classification SF, SG or SH.
•Be sure tractor is on level surface.
•Oil will drain more freely when warm.
•Catch oil in a suitable container,
•Remove oil fill cap/dipstick. Be careful
not to allow dirt to enter the engine
when changing oil.
•Remove drain plug.
• After oil has drained completely,
replace oil drain plug and tighten
securely.
• Refill engine with oil through oil fill
dipstick tube. Pour slowly. Do not
overfill. For approximate capacity see
"PRODUCT SPECIFICATIONS"
section of this manual.
•Use gauge on oil fill cap/dipstick for
checking level. Insert dipstick into the
tube and rest the oil fill cap on the
tube. Do not thread the cap onto the
tube when taking reading. Keep oil
at "FULL" line on dipstick. Tighten cap
onto the tube securely when finished.

F._ver Knob
Air Cle_ _,_g Nut
Cover (_,_------_Rubber
Foam_ _ )Grommet
Pre- _ /_-r_\ /
Cleaner• X.. [_, _J_<Air Cleaner
• _ Paper Cartridge
.. _,_--_\Air Cleaner
_tr_._-- ._ _9_k'Base
_screen _ .... _J_ .....
__--] Oil Fil Cap/
._- _Dipstick
('_ _jOil Drain
fPlug
CLEAN AIR SCREEN
Air screen must be kept free of dirt and
chaff to prevent engine damage from
overheating. Clean with a wire brush or
compressed air to remove dirt and
stubborn dried gum fibers.
CLEAN AIR INTAKE/COOLING
AREAS
To insure proper cooling, make sure the
grass screen, cooling fins, and other
external surfaces of the engine are kept
clean at all times.
Every 100 hours of operation (more often
under extremely dusty, dirty conditions),
remove the blower housing and other
cooling shrouds. Clean the cooling fins
and external surfaces as necessary.
Make sure the cooling shrouds are
reinstalled.
NOTE: Operating the engine with a
blocked grass screen, dirty or plugged
cooling fins, and/or cooling shrouds
removed will cause engine damage due
to overheating.
AIR FILTER
Your engine will not run properly using a
dirty airfilter. Clean the foam pre-
cleaner after every 25 hours of operation
or every season. Service paper car-
tridge every 100 hours of operation or
every season, whichever occurs first.
Service air cleaner more often under
dusty conditions.
•Remove knob and cover.
•Remove wing nut and air cleaner from
base.
TO SERVICE PRE-CLEANER
•Slide foam pre-cleaner off cartridge.
•Wash it in liquid detergent and water.
•Squeeze it dry in a clean cloth. Allow
it to dry,
•Saturate it in engine oil. Wrap it in
clean, absorbent cloth and squeeze to
remove excess oil.
TO SERVICE CARTRIDGE
• Replace a dirty, bent, or damaged
cartridge.
NOTE: Do not wash the paper cartridge
or use pressurized air, as this will
damage the cartridge.
• Reinstall the pre-cleaner (cleaned and
oiled) over the paper cartridge.
•Reassemble air cleaner, wing nut,
cover and tighten knob securely.
ENGINE OIL FILTER
Replace the engine oil filter every
season or every other oil change if the
tractor is used more than 100 hours in
one year.
• Drain oil from engine crankcase (See
"TO CHANGE ENGINE OIL" in this
section of this manual, through step
remove drain plug).
• Remove oil filter and wipe off filter
adapter.
• Apply a thin coating of new engine oil
to the rubber gasket on replacement
oil filter.
• Install replacement oil filter on filter
adapter. Turn oil filter clockwise until
rubber gasket contacts the filter
adapter, then tighten filter an addi-
tional 1/2 turn.
• Fill crankcase with new oil (See "TO
CHANGE ENGINE OIL" in this section
of this manual). For approximate
capacity see "PRODUCT SPECIFICA-
TIONS"section of this manual.
• Start the engine and check for oil
leaks. Correct any leaks before
placing engine into full operation.
Oil Filterf
2O
MUFFLER
Inspect and replace corroded muffler
and spark arrester (if equipped) as it
could create a fire hazard and/or
damage.
SPARK PLUGS
Replace spark plugs at the beginning of
each mowing season or after every 100
hours of operation, whichever occurs
first. Spark plug type and gap setting are
shown in =PRODUCT SPECIFICATIONS"
section of this manual,

IN-LINE FUEL FILTER
The fuel filter should be replaced once
each season. If fuel filter becomes
clogged, obstructing fuel flow to carbure-
tor, replacement is required.
•With engine cool, remove filter and
plug fuel line sections.
•Place new fuel filter in position in fuel
line with arrow pointing towards
carburetor.
•Be sure there are no fuel line leaks
and clamps are properly positioned.
•Immediately wipe up any spilled
gasoline.
Claii_amp
CLEANING
•Clean engine, battery, seat, finish, etc.
of all foreign matter.
•Keep finished surfaces and wheels
free of all gasoline, oil, etc.
•Protect painted surfaces with automo-
tive type wax.
We do not recommend using a garden
hose to clean your tractor unless the
electrical system, muffler, air filter and
carburetor are covered to keep water out.
Water in engine can result in a short-
ened engine life.
_CAUTION: Before performinq any service or adjustments:
•Depress clutch/brake pedal fu71yand set parking brake.
•Place motion control lever in neutral (N) position•
•Place attachment clutch in "DISENGAGED" position,
•Turn ignition key "OFF" and remove key.
•Make sure the blades and all moving parts have completely stopped•
•Disconnect spark plug wire from spark plug and place wire where it cannot
come in contact with plug.
TRACTOR
TO REMOVE MOWER
Mower will be easier to remove from the
right side of tractor.
•Place attachment clutch in "DISEN-
GAGED" position.
• Move attachment lift lever forward to
lower mower to its lowest position.
Roll belt off engine pulley.
Remove small retainer spring, and lift
clutch spdng off pulley bolt.
Small Retainer Spring
Clutch Sp
•Remove large retainer spring, slide
collar off and push housing guide out
of bracket.
•Disconnect anti-swaybar from chassis
bracket by removing retainer spring.
•Disconnect suspension arms from rear
deck brackets by removing retainer
spnngs. .- ..._.
--Square Hole
Suspension Arms ,-' Engine Pulley
Retainer
Anti-Sway
Collar
Link
Springs
(Both Sides)
Housing Guide
Large 21

•Disconnect front links from deck by
removing retainer springs.
•Raise lift lever to raise suspension
arms. Slide mower out from under
tractor.
IMPORTANT" If an attachment other than
the mower deck is to be mounted on the
tractor, remove the front links and hook
the clutch spring onto square hole in
frame.
TO INSTALL MOWER
•Raise attachment lift lever to its
highest position.
°Slide mower under tractor with
discharge guard to right side of tractor.
•Lower lift lever to its lowest position.
• Install mower in reverse order of
removal instructions.
TO LEVEL MOWER HOUSING
Adjust the mower while tractor is parked
on level ground or driveway. Make sure
tires are properly inflated (See "PROD-
UCT SPECIFICATIONS section of this
manual). If tires are over or
underinflated, you will not properly
adjust your mower.
SIDE-TO-SIDE ADJUSTMENT
•Raise mower to its highest position.
• At the midpoint of both sides of mower,
measure height from bottom edge of
mower to ground. Distance "A" on
both sides of mower should be the
same or within 1/4" of each other.
•If adjustment is necessary, make
adjustment on one side of mower only.
•To raise one side of mower, tighten lift
link adjustment nut on that side.
•To lower one side of mower, loosen lift
link adjustment nut on that side.
NOTE: Each full turn of adjustment nut
will change mower height about 1/8".
• Recheck measurements after adjust-
ing.
Bottomedge of Bottomedge of
mower to mower to
ground _ground
A_-"_ Ground Line V"I-_A
n Arm
Lift Link _
Adjustment Nut _
FRONT-TO-BACK ADJUSTMENT
IMPORTANT: Deck must be level side-to
side. If the following front-to-back
adjustment is necessary, be sure to
adjust both front links equally so mower
will stay level side-to-side.
To obtain the best cutting results, the
mower housing should be adjusted so
that the front is approximately 1/8" to 1/2"
lower than the rear when the mower is in
its highest position.
Check adjustment on right side of tractor.
Measure distance "D" directly in front
and behind the mandrel at bottom edge
of mower housing as shown.
• Before making any necessary adjust-
ments, check that both front links are
equal in length. Both links should be
approximately 10-3/8".
• If links are not equal in length, adjust
one link to same length as other link.
• To lower front of mower loosen nut "E"
on both front links an equal number of
turns.
• When distance "D" is 1/8" to 1/2" lower
at front than rear, tighten nuts "F"
against trunnion on both front links.
• To raise front of mower, loosen nut "F"
from trunnion on both front links.
Tighten nut "E" on both front links an
equal number of turns.
• When distance "D" is 1/8" to 1/2" lower
at front than rear, tighten nut "F"
against trunnion on both front links.
• Recheck side-to-side adjustment.
'D" "D"
Both Front Links Should be Equal in Length
=E"
22 Front Links

TO REPLACE MOWER BLADE
DRIVE BELT
The mower blade drive belt may be
replaced without tools. Park the tractor
on level surface. Engage parking brake.
BELT REMOVAL -
•Remove mower from tractor (See "TO
REMOVE MOWER" in this section of
this manual).
• Work belt off both mandrel pulleys
and idler pulleys.
• Pull belt away from mower.
BELT INSTALLATION -
• Install new belt in reverse order of
removal.
• Make sure belt is in all pulley grooves
and inside all belt guides.
•Install mower in reverse order of
removal instructions.
Mandrel
Pulley
TO ADJUST BRAKE
Your tractor is equipped with an adjust-
able brake system which is mounted on
the side of the transaxle.
If tractor requires more than six (6) feet
stopping distance at high speed in
highest gear, then brake must be
adjusted.
•Depress clutch/brake pedal and
engage parking brake.
•Measure distance between brake
operating arm and nut "A" on brake
rod.
•If distance is other than 1-9/16", loosen
jam nut and turn nut "A" until distance
becomes 1-9/16". Retighten jam nut
against nut "A".
•Road test tractor for proper stopping
distance as stated above. Readjust if
necessary. If stopping distance is still
greater than six (6) feet in highest
gear, further maintenance is neces-
sary. Contact your nearest authorized
service center/department.
With Parking Brake "Engaged"
Nut =A"
Nut
Arm
23
Do Not touch this nut. If further brake
adjustment is necessary contact your
nearest authorized service center/department
TO REPLACE MOTION DRIVE BELT
Park the tractor on level surface. En-
gage parking brake. For assistance,
there is a belt installation guide decal on
bottom side of left footrest.
• Remove mower (See "TO REMOVE
MOWER" in this section of this
manual.)
• Remove belt from stationary idler and
clutching idler.
• Pull belt slack toward rear of tractor.
Carefully remove belt upwards from
transmission input pulley and over
cooling fan blades.
• Pull belt toward front of tractor and
remove downward from around
engine pulley.
• Install new belt by reversing above
procedure.
Engine Pulley ------_.._
Clutching ,dler_ _-_1
Stationary Idler--s-- -_1
Transmission J__
Input Pulley _-_
TRANSAXLE MOTION CONTROL
LEVER NEUTRAL ADJUSTMENT
The motion control lever has been preset
at the factory and adjustment should not
be necessary.

•Loosen adjustment bolt in front of the
right rear wheel, and lightly tighten.
•Start engine and move motion control
lever until tractor does not move
forward or backward.
•Hold motion control lever in that
position and turn engine off.
•While holding motion control lever in
place, loosen the adjustment bolt.
•Move motion control lever to the
neutral (N) (lock gate) position.
•Tighten adjustment bolt securely.
NOTE: If additional clearance is needed
to get to adjustment bolt, move mower
deck height to the lowest position.
After above adjustment is made, if the
tractor still creeps forward or backward
while motion control lever is in neutral
position, follow these steps:
• Loosen the adjustment bolt.
• Move the motion control lever 1/4 to 1/
2 inch in the direction it is trying to
creep.
• Tighten adjustment bolt securely.
• Start engine and test.
• If tractor still creeps, repeat above
steps until satisfied.
Motion Control Lever Neutral Lock Gate
.J
TO ADJUST STEERING WHEEL
ALIGNMENT
If steering wheel crossbars are not
horizontal (left to right) when wheels are
positioned straight forward, remove
steering wheel and reassemble per
instructions in the Assembly section of
this manual.
FRONT WHEEL TOE-IN/CAMBER
The front wheel toe-in and camber are
not adjustable on your tractor. If damage
has occurred to affect the front wheel toe-
in or camber, contact your nearest
authorized service center/department.
TO REMOVE WHEEL FOR REPAIRS
• Block up axle securely.
• Remove axle cover, retaining ring and
washers to allow wheel removal (rear
wheel contains a square key - Do not
lose).
• Repair tire and reassemble.
•On rear wheels only: align grooves in
rear wheel hub and axle. Insert
square key.
•Replace washers and snap retaining
ring securely in axle groove.
• Replace axle cover.
NOTE: To seal tire punctures and
prevent flat tires due to slow leaks, tire
sealant may be purchased from your
local parts dealer. "13resealant also
prevents tire dry rot and corrosion.
Washer
Retaining _ _"_L
Cover
Square _ ,
(Rear Wheel Only)
TO START ENGINE WITH A WEAK
BA'II"ERY
_,CAUTION: Lead-acid batteries
generate explosive gases. Keep sparks,
flame and smoking materials away from
batteries. Always wear eye protection
when around batteries.
If your battery is too weak to start the
engine, it should be recharged. (See
"BA-I-rERY" in the MAINTENANCE
section of this manual).
If "jumper cables" are used for emer-
gency starting, follow this procedure:
IMPORTANT: Your tractor is equipped
with a 12 volt negative grounded system.
The other vehicle must also be a 12 volt
negative grounded system. Do not use
your tractor battery to start other vehicles.
TO ATTACH JUMPER CABLES -
• Connect each end of the RED cable to
the POSITIVE (+) terminal of each
battery, taking care not to short against
chassis.
• Connect one end of the BLACK cable
to the NEGATIVE (-) terminal of fully
charged battery.
• Connect the other end of the BLACK
cable to good CHASSIS GROUND,
away from fuel tank and battery.
TO REMOVE CABLES, REVERSE
ORDER -
• BLACK cable first from chassis and
then from the fully charged battery.
•RED cable last from both batteries.
24

Positive Terminal
\Negative Terminal
ged
Battery
PosiUve Terminal Negative Terminal
REPLACING BATTERY
_1,CAUTION: Do not short battery
terminals by allowing a wrench or any
other object to contact both terminals at
the same time. Before connecting battery,
remove metal bracelets, wristwatch
bands,rings,etc.
Positive terminal must be connected first
to prevent sparking from accidental
grounding.
• Lift seat pan to raised position and
open battery box door.
• Disconnect BLACK battery cable first
then RED battery cable and carefully
remove battery from tractor.
•Install new battery with terminals in
same position as old battery.
• First connect RED battery cable to
positive (+) terminal with hex bolt and
nut as shown. Tighten securely.
• Connect BLACK grounding cable to
negative (-) terminal with remaining
hex bolt and nut. Tighten securely.
• Close battery box door.
Seat
Battery
Box
Positive (Red) Cable Negative
Cable
TO REPLACE HEADLIGHT BULB
•Raise hood.
•Pull bulb holder out of the hole in the
backside of the grill.
•Replace bulb in holder and push bulb
holder securely back into the hole in
the backside of the grill.
• Close hood.
INTERLOCKS AND RELAYS
Loose or damaged wiring may cause
your tractor to run poorly, stop running, or
prevent it from starting.
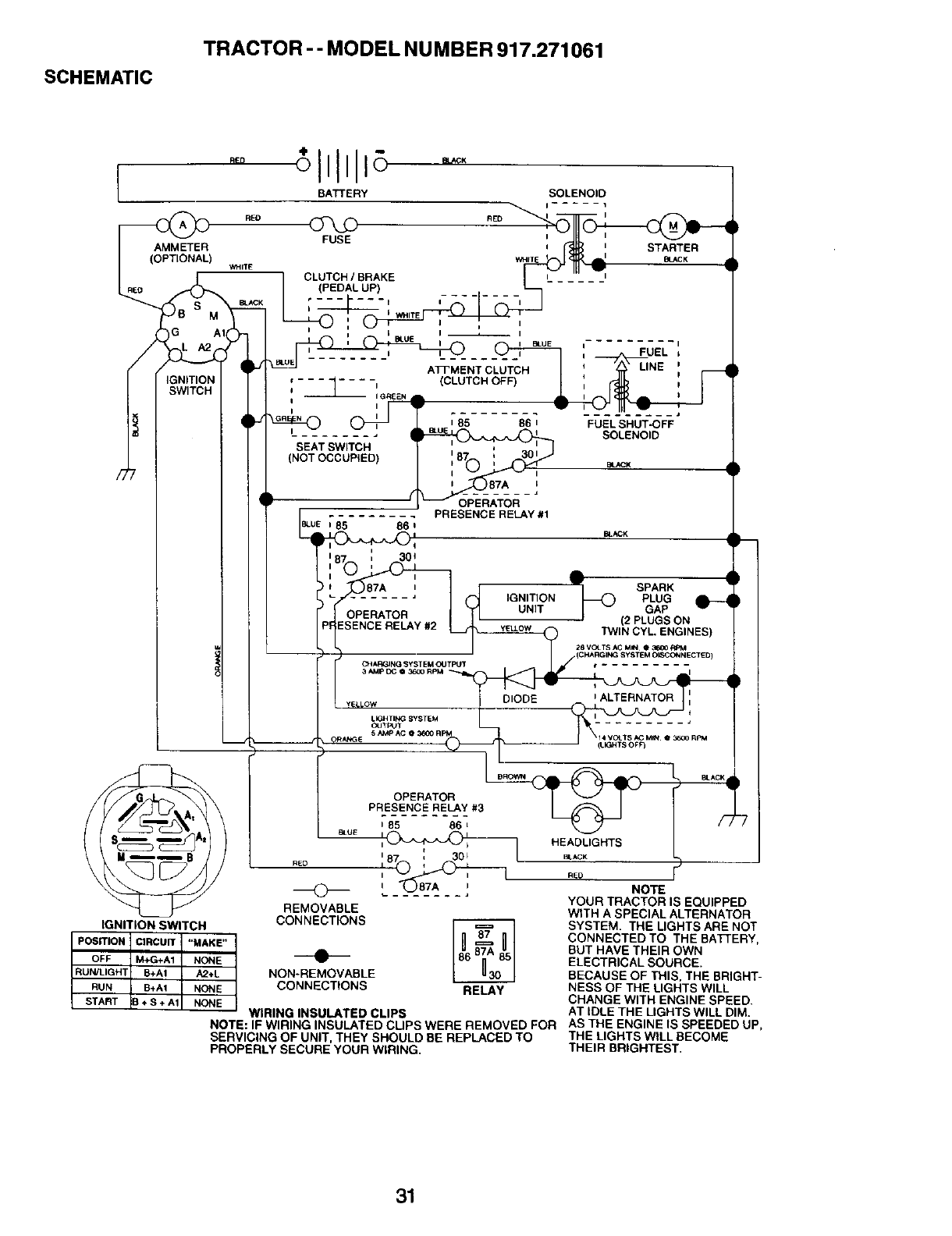
•Check wiring. See electrical wiring
diagram in the Repair Parts section.
TO REPLACE FUSE
Replace with 15 amp automotive-type
plug-in fuse. The fuse holder is located
behind the dash.
TO REMOVE HOOD AND GRILL
ASSEMBLY
• Raise hood.
•Unsnap headlight wire connector.
•Stand in front of tractor. Grasp hood at
sides, tilt toward engine and lift off of
tractor.
• To replace, reverse above procedure.
\\\
Headlight Wire
Connector
25
ENGINE
Maintenance, repair, or replacement of
the emission control devices and
systems, which are being done at the
customers expense, may be .performed
by any non-road engine repaur estab-
lishment or individual. Warranty repairs
must be performed by an authorized
engine manufacturer's service outlet.
TO ADJUST THROTTLE CONTROL
CABLE
The throttle control has been preset at
the factory and adjustment should not
be necessary. Check adjustment as
described below before loosening
cable, If adjustment is necessary,
proceed as follows:

o With engine not running, move throttle
control lever from slow to choke
position. Slowly move lever from
choke to fast position.
•Check to see if hole in throttle lever
and hole in speed control bracket are
aligned.
•If holes are not aligned, loosen cable
clamp screw and align the holes by
inserting apencil or a 1/4" drill bit
through both holes.
• Pull throttle cable up to remove slack
and tighten cable clamp screw.
Remove alignment pencil or drill bit.
Cable
Screw
Speed Control
Bracket
Throttle
Lever
TO ADJUST CARBURETOR
The carburetor has been preset at the
factory and adjustment should not be
necessary. However, minor adjustment
may be required to compensate for
differences in fuel, temperature, altitude
or load. If the carburetor does need
adjustment, proceed as follows:
In general, turning the adjusting needles
in (clockwise) decreases the supply of
fuel to the engine giving a leaner fuel/air
mixture. Turning the adjusting needles
out (counterclockwise) increases the
supply of fuel to the engine giving a
richer fuel/air mixture.
IMPORTANT: Damage to the needles
and the seats in carburetor may result if
needle is turned in too tight.
NOTE: The carburetor on this engine is
low emission. It is equipped with an idle
fuel adjusting needle with a limiter cap,
which allows some adjustment within the
limits allowed by the cap. Do not attempt
to remove the limiter cap. The limiter cap
cannot be removed without breaking the
adjusting needle.
•Be sure you have a clean air filter and
the throttle control cable is adjusted
propedy (see above).
• Start engine and allow to warm for five
minutes. Make adjustments with
engine running and shift/motion
control lever in neutral (N) position.
• Idle speed setting - With throttle control
lever in slow position, engine should
idle at 1750 RPM. If engine idles too
slow or fast, turn idle speed adjusting
screw in or out until correct idle is
attained.
•Idle fuel needle setting -With throttle
control lever in slow position, turn idle
fuel adjustment needle in (clockwise)
until engine begins to die and then
turn out (counterclockwise) until
engine runs rough. Turn needle to a
point midway between those two
positions.
• Recheck idle speed. Readjust if
necessary.
ACCELERATION TEST -
• Move throttle control lever from slow to
fast position. If engine hesitates or
dies, turn idle fuel adjusting needle
out (counterclockwise) 1/8 turn.
Repeat test and continue to adjust, if
necessary, until engine accelerates
smoothly.
High speed stop is factory adjusted. Do
not adjust - damage may result.
IMPORTANT: Never tamper with the
engine governor, which is factory set for
proper engine speed. Overspeeding the
engine above the factory high speed
setting can be dangerous, if you think the
engine-governed high speed needs
adjusting, contact your nearest AUTHO-
RIZED service center/department, which
has proper equipment and experience to
make any necessary adjustments.
Idle Speed
Adjusting
Screw
Idle Fuel
Adjusting
Needle
26

Immediately prepare your tractor for
storage at the end of the season or if the
tractor will not be used for 30 days or
more.
_u CAUTION- Neverstore the tractor
hdign_S°wl_er/nf tuheta I_i; Siedec_ an
open flame or spark. Allow the engine to
cool before storing in any enclosure.
TRACTOR
Remove mower from tractor for winter
storage. When mower is to be stored for
aperiod of time, clean it thoroughly,
remove all dirt, grease, leaves, etc. Store
in a clean, dry area.
•Clean entire tractor (See "CLEANING"
in the Maintenance section of this
manual).
• Inspect and replace belts, if necessary
(See belt replacement instructions in
the Service and Adjustments section of
this manual).
•Lubricate as shown in the Mainte-
nance section of this manual.
• Be sure that all nuts, bolts and screws
are securely fastened. Inspect moving
parts for damage, breakage and wear.
Replace if necessary.
• Touch up all rusted or chipped paint
surfaces; sand lightly before painting.
BATTERY
• Fully charge the battery for storage.
• After a period of time in storage,
battery may require recharging.
•To help prevent corrosion and power
leakage during long periods of
storage, battery cables should be
disconnected and battery cleaned
thoroughly (see "TO CLEAN BATTERY
AND TERMINALS" in the Maintenance
section of this manual).
• After cleaning, leave cables discon-
nected and place cables where they
cannot come in contact with battery
terminals.
•If battery is removed from tractor for
storage, do not store battery directly on
concrete or damp surfaces.
ENGINE
FUEL SYSTEM
IMPORTANT: It is important to prevent
_luUmdeposits from forming in essential
el system parts such as carburetor, fuel
filter, fuel hose, or tank during storage.
Also, experience indicates that alcohol
blended fuels 9called gasohol or using
ethanol or methanol) can attract moisture
which leads to separation and formation
of acids during storage. Acidic gas can
damage the fuel system of an engine
while in storage.
• Drain the fuel tank.
• Start the engine and let it run until the
fuel lines and carburetor are empty.
•Never use engine or carburetor
cleaner products in the fuel tank or
permanent damage may occur.
• Use fresh fuel next season.
NOTE: Fuel stabilizer is an acceptable
alternative in minimizing the formation of
fuel gum deposits during storage. Add
stabilizer to gasoline in fuel tank or
storage container. Always follow the mix
ratio found on stabilizer container. Run
engine at least 10 minutes after adding
stabilizer to allow the stabilizer to reach
the carburetor. Do not drain the gas tank
and carburetor if using fuel stabilizer.
ENGINE OIL
Drain oil (with engine warm) and replace
with clean engine oil. (See "ENGINE" in
the Maintenance section of this manual).
CYLINDER(S)
•Remove spark plug(s).
•Pour one ounce of oil through spark
plug hole(s) into cylinder(s).
•Turn ignition key to =START" position
for a few seconds to distribute oil,
•Replace with new spark plug(s).
OTHER
•Do not store gasoline from one season
to another.
• Replace your gasoline can if your can
starts to rust. Rust and/or dirt in your
gasoline will cause problems.
• If possible, store your tractor indoors
and cover it to give protection from
dust an ,4 flirt.
• Cove; _ , :ractor with a suitable
protective cover that does not retain
moisture. Do not use plastic. Plastic
cannot breathe which allows conden-
sation to form and will cause your
tractor to rust.
IMPORTANT: Never cover tractor while
engine and exhaust areas are still
warm.
27

TROUBLESHOOTING CHART
PROBLEM
Will not start
Hard to start
Enginewill not
turn over
Engine clicks but
will not start
CAUSE
*Out of fuel.
I, Engine not "CHOKED"
properly.
,Engine flooded.
•Bad spark plug.
• Dirty air filter.
•Dirty fuel filter.
• Waterin fuel.
•Loose or damaged wiring.
• Carburetor out of adjustment.
Service Adjustments
•Engine valves out of
adjustment.
• Dirty air filter.
• Bad spark plug.
•Weak or dead battery.
• Dirty fuel filter.
• Stale or dirty fuel.
• Loose or damaged wiring.
• Carburetor out of adjustment
Engine valves out of
adjustment.
• Clutch/brake pedal not
depressed
•Attachment clutch is
engaged.
I• Weak or dead battery.
•Blown fuse.
•Corroded battery terminals.
•Loose or damaged wiring.
•Faulty ignition switch.
•Faulty solenoid or starter.
Faulty operator presence
switch(es).
•Weak or dead battery.
• Corroded battery terminals.
•Loose or damaged wiring.
•Faulty solenoid or starter.
CORRECTION
• Fill fuel tank.
• See"TO START ENGINE"
in Operation section.
• Wait several minutes before
attempting to start.
• Replace spark plug.
• Clean/replace air filter.
• Replace fuel filter.
• Drain fuel tank and carbure
tor, refill tank with fresh
gasoline and replace fuel
filter.
• Check all wiring.
• See "To Adjust Carburetor" in
section.
• Contact an authorized
service center/department.
• Clean/replace air filter.
• Replace spark plug.
'• Recharge or replace battery.
•Replace fuel filter.
•Drain fuel tank and refill with
fresh gasoline.
•Check all wiring.
•See "To Adjust Carburetor" in
Service Adjustments
section.
•Contact an authorized service
center/department.
Depress clutch/brake pedal.
Disengage attachment clutch.
• Recharge or replace battery.
• Replace fuse.
•Clean battery terminals.
•Check all wiring.
•Check/replace ignition switch.
•Check/replace solenoid or
starter.
•Contact an authorized service
center/department.
• Recharge or replace battery.
•Clean battery terminals.
!• Check all wiring.
•Check/replace solenoid or
starter.
28

TROUBLESHOOTING CHART
PROBLEM CAUSE
Loss of power •Cutting too much grass/too
fast.
•Throttle in =CHOKE"
position.
•Build-up of grass, leaves
and trash under mower.
•Dirty air filter.
•Low oil level/dirty oil.
•Faulty spark plug.
•Dirty fuel filter.
• Stale or dirty fuel.
• Water in fuel.
Excessive
vibration
Engine continues
to run when
operator leaves
seat with
attachment
clutch engaged
Poor cut -uneven
•Spark plug wire loose.
• Dirty engine air screen/fins.
•Dirty/clogged muffler.
•Loose or damaged wiring.
•Carburetor out of
adjustment.
•Engine valves out of
adjustment.
•Worn, bent or loose blade.
•Bent blade mandrel.
= Loose/damaged part(s).
•Faulty operator-safety
presence control system.
•Worn, bent or loose blade.
•Mower deck not level.
•Buildup of grass, leaves,
and trash under mower.
•Bent blade mandrel.
•Clogged mower deck vent
from build-up of grass,
leaves, and trash around
mandrels.
CORRECTION
•Set in "Higher Cut" position/
reduce speed.
•Adjust throttle control.
• Clean underside of mower
housing.
• Clean/replace air filter.
•Check oil level/change oil.
• Clean and regap or change
spark plug.
•Replace fuel filter.
•Drain fuel tank and refill with
fresh gasoline.
•Drain fuel tank and carbure-
tor, refill tank with fresh
gasoline and replace fuel
filter.
•Connect and tighten spark
plug wire.
•Clean engine air screen/
fins.
•Clean/replace muffler.
•Check all wiring.
•See "To Adjust Carburetor"
in Service Adjustments
section.
•Contact an authorized
service center/department.
•Replace blade.
Tighten blade bolt.
•Replace blade mandrel.
•Tighten loose part(s).
Replace damaged parts.
Check wiring, switches and
connections. If not corrected,
contact an authorized
service center/department.
•Replace blade. Tighten
blade bolt.
•Level mower deck.
•Clean underside of mower
housing.
°Replace blade mandrel.
•Clean around mandrels to
open vent holes.
29

Mower blades will
not rotate
TROUBLESHOOTING CHART
PROBLEM CAUSE
•Obstructionin clutch
mechanism.
Poor grass
discharge
Headlight(s) not I:
working
(if so equipped) •
Battery will not •
charge •
Loss of drive •
Engine "backfires" •
whenturning
engine
"OFF"
•Worn/damaged mower
drive belt.
• Frozen idler pulley.
• Frozen blade mandrel.
•Engine speed too slow.
• Travel speed too fast.
• Wet grass.
• Mower deck not level.
• Low/uneven tire air pressure.
• Worn, bent or loose blade.
• Buildup of grass, leaves and
trash under mower.
•Mower drive belt worn.
• Blades improperly installed.
• Improper blades used.
Clogged mower deck vent
holes from buildup of
grass, leaves, and trash
around mandrels.
Switch is "OFF".
Bulb(s) burned out.
Faulty light switch.
Loose or damaged wiring.
Blown fuse.
Bad battery cell(s).
Poor cable connections.
Faulty regulator
(if so equipped).
Faulty alternator.
CORRECTION
• Remove obstruction.
•Replace mower drive belt.
• Replace idler pulley.
• Replace blade mandrel.
• Place throttle control in
"FAST" position.
• Shift to slower speed.
• Allow grass to dry before
mowing.
• Level mower deck.
• Check tires for proper air
pressure.
• Replace/sharpen blade.
Tighten blade bolt.
• Clean underside of mower
housing.
•Replace mower drive belt.
•Reinstall blades sharp edge
down.
Replace with blades listed in
this manual.
• Clean around mandrels to
open vent holes.
• Turn switch"ON".
• Replace bulb(s).
• Check/replace light switch.
• Check wiring and connec
tions.
• Replace fuse.
• Replace battery.
• Check/clean all connections.
• Replace regulator.
•Replace alternator.
Freewheel control in •
"disengaged" position.
Motion drive belt worn, •
damaged, or broken.
Air trapped in transmission I•
during shipment or
servicing.
Engine throttle control not
set at "SLOW"
position for 30 seconds
stopping engine.
Place freewheel control in
"engaged" position.
Replace motion drive belt.
Purge transmission.
Move throttle control to
"SLOW" position and allow
to idle for 30 seconds before
stopping engine.
30

SCHEMATIC
TRACTOR --MODEL NUMBER 917.271061
lBATTERY
AMMETER
(OPTIONAL)
FUSE
WHITE CLUTCH/BRAKE
CP_DALUP) ,
8_¢K
SOLENOID
i..... 1
RED
IGNITION
SWITCH
L
ATFMENT CLUTCH
r .......
I GREEN (CLUTCH OFF)
185 861
GLU I
'B? ,
PRESENCE RELAY#1
86 _
SEAT SWITCH
{NOT OCCUPIED)
I
REO
-FUEL SHUT-OF-F '
SOLENOID
IGNITION SWITCH
POSITION CIRCUIT "MAKE"
OFF M+G+A1 NONE
RUN/LIGHT E+AI A2+L
RUN B*A_ NONE
START iB+S+A NONE
REMOVABLE
CONNECTIONS_
NON-REMOVABLE
CONNECTIONS RELAY
WIRING INSULATED CLIPS
NOTE: IF WIRING INSULATED CLIPS WERE REMOVED FOR
SERVICING OF UNIT. THEY SHOULD BE REPLACED TO
PROPERLY SECURE YOUR WIRING,
WSTH A SPECIAL ALTERNATOR
SYSTEM. THE LIGHTS ARE NOT
CONNECTED TO THE BAT[ERY,
BUT HAVE THEIR OWN
ELECTRICAL SOURCE.
BECAUSE OF THIS. THE BRIGHT-
NESS OF THE LIGHTS WILL
CHANGE WITH ENGINE SPEED.
AT IDLE THE LIGHTS WILL DIM.
AS THE ENGINE IS SPEEDED UP,
THE LIGHTS W_LL BECOME
THEIR BRIGHTEST,
31

ELECTRICAL
TRACTOR --MODE L NUMBER 917.271061

ELECTRICAL
TRACTOR -- MODEL NUMBER 917.271061
KEY PART
NO. NO.
1 163465
2 7476O412
8 156417
16 161343
21 166182
22 4152J
24 4799J
25 146147
26 166180
27 73510400
26 4207J
29 160784
30 163968
33 140403
40 170219
41 71110408
42 131563
43 145673
45 121433X
52 141940
81 109748X
DESCRIPTION
Battery12 Volt28 Amp
Bolt,Hex Head 1/4-20 uncx 3/4
Case, BatteryMech Hinge
Switch,InterlockN Opn/N Opn
Harness,LightSocket (Includes4152J)
Bulb,Light
Cable, Battery,6 Gauge, Red, 11'
Cable, Battery,6 Gauge, Red, W/16 Wire
Fuse, 15Amp
NutKepsHexl/4-20 Unc
Cable, Ground,6 Gauge, Black, 12"
Switch,PlungerNormalOp Olive
Switch,ignition
Key, ignition
Harness,Ignition
Bolt,Hex Head, Fin. 1/4-20 x 1/2
Cover,Terminal,Red
Solenoid
AmmeterRectangular
ProtectionWire Loop
RelayAsm.
NOTE: Allcomponent dimensions given inU.S. inches
1 inch= 25.4 mm
33

TRACTOR - - MODEL NUMBER 917.271061
CHASSIS AND ENCLOSURES
28
58 t2
31
55 57
F
74 2O8

TRACTOR-- MODEL NUMBER 917.271061
CHASSIS AND ENCLOSURES
KEY PART
NO. NO. DESCRIPTION
1 16983O
2 169061
3 17060612
5 155272
9168337)(013
10 STD53,3710
11 155927
12 145660
13 172107X010
17 144983)(558
18 126938X
25 19131312
26 STD541437
28 156725X558
29 155217X599
30 164918X558
31 139976
37 17490508
38 169834
51 73800400
52 19091416
53 145201
54 161464
55 145202
57 STD522507
58 150127
60 72140606
64 154798
74 73680600
142 165867
143 154966
144 154207
145 156524
206 170165
207 17670508
208 17670608
212 165919
- - 5479J
Chassis Stamping
Drawbar
Screw 3/8-16 x 3/4
Bumper Hood/Dash
Dash
Bolt, Carriage 3/8-16 x 1
Panel, Dash, LH.
Ciip Tinnerman Grille P/L
Panel, Dash, R.H.
HoodAssembly
BumperHood
Washer 13/32 x 13/16 x 12 Gauge
Nut
Grille Lens Asm
Lens, Grille
Fend/Ftrest Pnt STLT
Bracket, Fender Support
Screw Thdrol 5/16-18 x 1/2 Tyt
Bracket Asm. Pivot Mower Rear
Nut Lock w/Insed 1/4-20 UNC
Washer 9/32 x 7/8 x !6 Ga.
Bracket Grille Pickoff LH
Screw Hex Wshd 8-18 x 7/8
Bracket Gdlle Pickoff RH
Bolt, Fin Hex 1/4-20 UNC x .75
Duct Air Engine P/L LT
Bolt Rdhd Sqnk 3/8-16 UNC x 3/4
Dash Lower STLT
Nut Crownlock 3/8-16 UNC
Plate Reinforcement STLT
Bracket Swaybar Chassis
Bracket Pnt Footrest STLT
RJod Pivot Chassis/Hood
Bolt Shoulder 5/16 -18 TT
Screw Thdrol 5/16-18 x 1/2 TYTT
ScrewThdrol 3/8-16 x 1/2
Insert Lens Reflective
Plug, Button
NOTE: All component dimensions given in U.S. inches
1 inch = 25.4 mm
35

TRACTOR - - MODEL NUMBER 917.271061
GROUND DRIVE
3O
36

TRACTOR -- MODEL NUMBER 917.271061
GROUND DRIVE
KEY PART KEY PART
NO. NO. DESCRIPTION NO. NO.
1...... Transaxle(SeeBreakdown) 65 STD551143
Hydro Gr 314-0510 66 154778
8 165866 Rod Shift Fender Adjust 70 134683
10 STD561210 PinCotter 1/8xlCAD 71 169183
14 10040400 Washer Lock Hvy Helical 72 19132012
15 74490544 BoltHexFLGHD5/16-18xGr5 73 169182
16 STD541431 Nut Lock Hex W/Ins. 5/16-18 Unc 74 169496
19 STD541437 Nut Lock Hex W/Wsh 3/8-16 Uric 75 121749X
21 130564 Knob, Deluxe 1/2-13 76 STD581075
22 169498 Rod, Brake Hydro 77 123583X
24 73350600 Nut, Hex Jam 3/8-16 Unc 78 121748X
25 106888X Spring, Brake Rod 81 165596
26 STD551037 Washer 82 165711
27 STD561210 Pin Cotter 1/8 x 3/4 CAD. 83 19171216
28 145204 Rod, Parking Brake 84 169594
29 71673 Cap, Parking Brake 89 164890X428
30 169592 Bracket, Transaxle 90 124346X
32 74760512 BoltHexHd 5/16-18Uncx3/4 95 170201
34 155071 Shaft, Foot Pedal 96 4497H
35 120183X Bearing, Nylon 116 72110610
36 19211616 Washer 150 165850
37 1572H Pin, Roll 151 19133210
38 131494 Pulley, Idler, Flat 156 166002
39 72110622 Bolt 158 165589
40 4470J Spacer, Split 159 165494
41 165838 Keeper, Belt Idler 161 72140406
42 19131312 Washer 13/32 x 13/16 x 12 Ga 162 73680400
47 127783 Pulley, Idler, V-Groove 163 74780416
48 154407 Bellcrank, Clutch 164 19091010
49 123205X Retainer, Belt 165 165623
50 STD523715 Bolt 166 166880
51 STD541437 NutCrownlock 3/8-16UNC 168 165492
52 STD541431 Nut, Crownlock 5/16-18 Unc 169 165580
53 105710X Link, Clutch 197 169613
55 105709X Spring, Return, Clutch 198 169593
56 STD523712 Bolt Hex 3/8-16 x 1-1/4 199 169612
57 140294 V-Belt 200 72140508
59 169691 Keeper, CenterSpan 202 72110612
61 17060612 Screw. 3/8-16 x 3/4
62 8883R Cover, Pedal
63 140186 Pulley, Engine
64 71170764 BoltHex 7/16-20x4Gr. 5
DESCRIPTION
Washer
Keeper Belt Engine Hydro
Keeper Belt Engine
Strap Torque Lh Hydro
Washer 13/32 x 1-1/4 x 12 Ga
Strap Torque Rh Hydro
Spacer, Split
Washer 25/32 x 1-1/4 x 16 Ga
E-Ring
Key, Square
Washer 25/32 x 1-5/8 x 16 Ga
Shaft Asm Cross Tapered
Spring Torsion
Washer 17/32 x 3/4 x 16 Ga.
Link Transaxle
Console, Shift
Nut Self-Thd Wsh-hd 1/4 Zinc
Control Bypass Hydro 20" Tires
Retainer Spring 1" Zinc/Cad
Bolt Rdhd Sqneck 3/8-16 x 1.25
Bushing Bellcrank Grd Drive
Washer 13/32 x 2 x 10 Ga.
Washer Srrted 5/161D x 1.125
Bracket Shift Mount
Hub Tapered Flange Shift Lt
Bolt Rdhd Sqnk 1/4-20 x 3/4 Gr 5
Nut Crownlock 1/4-20 Unc
Bolt Hex Fin 1/4-20 Unc x 1 Gr 5
Washer 5/8 x .281 x 10 Ga
Bracket Pivot Lever
Screw 5/16-18 x 5/8
Bolt Shoulder 5/16-18 x .561
Plate Fastening
Nyliner Snap-In 5/8"1D
Washer Nyl 7/8 ID x. 105" Hyd
Bolt Shoulder 5/16-18UNC
Bolt Rdhd Sgnk 5/16-18UNC x 1
Bolt Carr Sh 3/8-16 x 1-1/2 Gr.5
NOTE: All component dimensions given in U.S. inches
! inch = 25.4 mm
37

TRACTOR - - MODEL NUMBER 917.271061
STEERING ASSEMBLY
I I "--'_-'_.- 1
p i ...... ...... Ii
_41
I
62 44
68
IS 15
4O
,
/
/
47
68 67 6'7
67
13
43
38

TRACTOR - -MODE L NUMBER 917.271061
STEERING ASSEMBLY
KEY PART
NO. NO. DESCRIPTION
1139768
2154427
3169840
4169839
5 6266H
6 121748X
7 19272016
8 12000029
9 3366R
10 169832
11 STD551137
13 136518
15 145212
17 156546
18 57079
19 160395
22 165857
23 165851
25 154406
26 126847X
27 136874
28 19131416
29 17060612
30 STD561210
32 130465
36 155099
37 152927
38 139769
39 19133812
40 STD541537
41 100711L
42 145054x428
43 121749X
44 153720
46 121232X
47 6855M
51 STD541431
54 74780520
62 167902
63 STD523710
65 160367
66 154404
67 72140618
68 169827
79 19132012
80 74950612
82 169836
85 133835
Steering Wheel
Axle Assembly STMP Dropped STL
Spindle Assembly, L.H.
Spindle Assembly, R.H.
Beadng, Race, Thrust, Hardened
Washer 25/32 x 1-5/8 x 16 Gauge
Washer 27/32 x 1-1/4 x 16 Gauge
Ring, Klip
Bearing, Steedng Column
Draglink
Washer, Lock
Spacer Brg Axle Front
Nut, Hexflange Lock
Shaft Assembly, Steering
Washer, Thrust .515 x .750 x .033
Supped, Shaft
Screw Hex Wshhd Torx
Pittman Shaft Assembly
Bracket, Steedng
Bushing, Link, Drag
Gear, Sector
Washer 13/32 x 7/8 x 16 Gauge
Screw 3/8-16 x 3/4
Pin
Rod, Tie
Bushing, Steedng
Screw
Insert, Steering Wheel
Washer 13/32 x 2-3/8 x 12 Gauge
Nut Lock Center 3/8-24 UNF
Adaptor, Steering Wheel
Boot, Steering Shaft
Washer 25/32 x 1-1/4 x 16 Gauge
Extension Shaft Steering LR.LT
Cap, Spindle
Fitting, Grease
Nut Lock Hex w/Ins. 5/16-18 UNC
Bolt Fin Hex 5/16-18 UNC x 1-1/4
Kit Steedng Asm Service
Bolt, Fin Hex 3/8-16 UNC x 1 Gr 5
Spacer Brace Axle
Bearing Arm Pittman
Bolt Rdhd Sqnk 3/8-16 x 2-1/4
Axle, Brace
Washer 13/32 x 1-1/4 x 12 Ga
Bolt Hex Nylon 3/8-16 x 3/4
Bracket Susp Chassis Front
Fastner Christmas Tree
NOTE: All component dimensions given in U.S. inches
1 inch = 25.4 mm
39

ENGINE
TRACTOR - - MODEL NUMBER 917.271061
80
31
OPTIONAL EQUIPMENT
Spark Arrester 23
.s i:,
JI _ ¢
40

ENGINE
TRACTOR --MODEL NUMBER 917.271061
KEY PART
NO. NO.
1 162156
2 17720410
3 ......
4 159420
13 12-041-03
14 13280328
15 13200300
16 STD551237
23 169837
29 137180
31 109202X
32 158990
33 123487X
37 137040
38 .......
40 124028X
44 17490412
45 17000612
46 19091416
77 19101216
80 74760508
81 73510400
101 M73030800
105 17120616
DESCRIPTION
Control, Throttle
Screw, Hex Head, Thread Cutting 1/4-20 x 5/ 8
Engine, (See Breakdown) Kohler Model No. CV15.5S-41596
Muffler
Gasket Kohler
Nipple, Pipe 3/8 NPT x 3-1/2
Elbow, Standard 90 °, 3/8-18 NPT
Washer
Shield Brn/Dbr Guard
Arrestor, Spark
Tank, Fuel
Cap Assembly, Fuel Sears, Vented
Clamp, Hose
Line, Fuel
Plug, Oil Drain (See Engine Breakdown)
Bushing, Snap, Fuel Line
Screw, Hex Washer Head, Thd., Roll. 1/4-20 x 3/4
Screw Hex Wsh Thdr 3/8-16 x 3/4
Washer 9/32 x 7/8 x 16 Gauge
Washer 5/16 x 3/4 x 16 Ga.
Bolt Hex Hd 5/16-18 Unc x 1/2
Nut Keps Hex 1/4-20Unc
Nut Flan-ge M8-1.25 Non-Lk Zinc
Screw 3/8-16 x 1
NOTE: All component dimensions given in U.S. inches
1 inch = 25.4 mm
41

TRACTOR --MODEL NUMBER 917.271061
SEAT ASSEMBLY
8
i 21
KEY PART
NO. NO.
1140123
2 140551
371110616
419131610
5 145006
6 STD541437
7 124181X
8 17000616
9 19131614
10 155925
11 166369
12 121246X
KEY PART
DESCRIPTION NO. NO,
Seat 13 121248X
Bracket, Pivot, Seat 14 72050412
Bolt 15 134300
Washer 13/32 x 1 x 10 Gauge 16 121250X
Clip, Push-In Hinged 17 123976X
Nut 21 171852
Spring, Seat 22 STD541431
Screw 3/8-16 x 1-1/2 24 19171912
Washer 13/32 x1 x 14 Gauge 25 127018X
Pan, Seat Emboss QCK Conn.
Knob Seat
Bracket, Switch Mounting
DESCRIPTION
Bushing, Snap
Bolt, Carriage 1/4-20 x 1-1/2
Spacer, Split .28 x .88
Spdng
Locknut, Flange 1/4 Grade 5
Bolt, Shoulder 5/16-18 UNC
Nut
Washer 17/32 x 1-3/16 x 12 Ga.
Bolt, Shoulder 5/16-18 x .62
NOTE: All component dimensions given in U.S. inches
1 inch = 25.4 mm
42

DECALS
TRACTOR -- MODEL NUMBER 917.271061
21 4 13 10 16 20
KEY PART
NO. NO.
1 156811
3 171698
4 171699
5 171763
6 133644
8 166887
9 163204
10 156439
12 146046
13 163261
DESCRIPTION
Decal, Oper. Instr.
Decal, Hood, R.H.
Decal, Hood, L.H.
Decal Hood Replacement
Decal, Customer Maintenance
Decal, Deck EZ3
Decal, Fender, Craftsman
Decal, Fender Danger
Decal, V-Belt Drive Schematic
Decal, Dash Phi
KEY PART
NO. NO.
14 160396
16 138047
20 149516
21 163205
138311
165800X428
165799X428
169210
173649
173650
DESCRIPTION
Decal, V-Belt Schematic
Decal, Battery Diehard
Decal, Battery Dngr/Psn Eng
Decal, Fender Auto Sears
Decal, Lift Handle
Pad Footrest LH STLT
Pad Footrest RH STLT
Decal By Pass LT Hydro
Owner's Manual, English
Owner's Manual, Spanish
WHEELS & TIRES
4,10
!,S
KEY PART
NO. NO.
1 59192
265139
3 106222X
4 59904
5 106732X427
6 278t-I
79040H
8 106108X427
9 122082X
10 7152J
11
11 lo4757X
- - 144334
DESCRIPTION
Valve Cap, Tire
Stem, Valve
Tire, Front
Tube, Front Tire
(Not Provided, Service Item Only)
Rim, Front
Fitting, Grease (Front Wheel Only)
Beadng, Flange (Front Wheel Only)
Rim, Rear
"Tire, Rear
Tube, RearTire
(Not Provided, Service Item Only)
Cap, Axle
Sealant, Tire 10 oz.
NOTE: All component dimensions given in U.S. inches
1 inch = 25.4 mm
43

TRACTOR - - MODEL NUMBER 917.271061
LIFT ASSEMBLY
7
13
5
46
3
8
,1 I"
I
/"
/ /
65
19
13
32
32
13
19
2O 20
15
44

TRACTOR --MODEL NUMBER 917.271061
LIFT ASSEMBLY
KEY PART
NO. NO. DESCRIPTION
1 159460 Lift Lever Inner Wire Assembly
2 159471 Shaft Assembly, Lift
3 105767X Pin, Groove
4 12000002 E-Ring
5 19211621 Washer 21/32x 1 x21 Gauge
6 120183X Bearing, Nylon
7 125631X Grip, Handle, Fluted
8 122365X Button, Plunger, Red
11 139865 Link, Lift, L.H.
12 139866 Link, Lift, R.H.
13 STD624008 Retainer Spdng
15 173288 Link, Front
16 73350800 Nut, Hex, Jam 1/2-13UNC
17 130171 Trunnion
18 73800800 Locknut, Hex, with Washer Insert 1/2-13 UNC
19 139868 Arm, Suspension, Rear
20 163552 Retainer Spring
31 140302 Bearing, Pvt, Lift Spherical
32 73540600 Nut, Crownlock 3/8-24
NOTE: All component dimensions given in U.S. inches
1 inch = 25.4 mm
45

MOWER DECK
TRACTOR --MODEL NUMBER 917.271061
157 _Cp167
_156 _''_ 40 _ _r'_Y
i,
_147142
34 _21
_.116
119 118
19F 21 "
21 22
/23
,f 24
16 "
1
18
28 27
46

MOWER DECK
TRACTOR -- MODEL NUMBER 917.271061
KEY PART
NO. NO.
1 165892
2 S'rD533107
3 138017
4 165460
5 STD624008
6 130832
8 850857
9 STD551137
10 140296
11 134149
12 129895
13 137645
14 128774
15 110485X
16 140329
18 72140505
19 132827
20 159770
21 STD541431
22 134753
23 131267
24 105304X
25 123713X
26 110452X
27 130968X428
28 19111016
29 131491
30 157722
31 129963
32 153535
33 137266
34 STD533717
35 133835
36 131494
37 STD551037
40 STD541437
44 140068
45 STD6249O3
46 137729
48 133944
49 155066
50 131340
51 STD541410
52 139888
53 131845
54 133943
55 155046
56 165723
59 141043
DESCRIPTION
Mower Deck Assembly, 42"
Bolt
Bracket Assembly,Sway Bar, Fr
Bracket Sway Bar 38/42" Deck
Retainer Spring
Arm, Suspension, Rear
Bolt, Hex 3/8-24 x 1.25 Gr. 8
Washer, Lock
Washer, Hardened
Blade,Mulching
Bearing, Ball
Shaft Assembly, Mandrel,
Vented (includes Key Number 12)
Housing, Mandrel, Vented
Beadng, Ball, Mandrel
Stripper, Vented Mower Deck
Bolt, Carriage 5/16-18 x 5/8
Bolt, Shoulder
Baffle, Vortex
Nut Crownlock 5/16-18 UNC
Stiffener Bracket
Bracket, Deflector
Cap, Sleeve
Spring, Torsion, Deflector
Nut, Push
Shield, Deflector
Washer 11/32 x 5/8 x 16 Ga.
Rod, Hinge
Screw Thdrol Washer Head
Washer, Spacer
Pulley, Mandrel
Nut, Toplock, Flanged
Bolt
Fastner, Christmas Tree
Pulley, idler, Flat
Washer 13/32 x 13/16 x 16 Ga
Nut Crownlock 3/8-16 UNC
Guard, Mandrel, L.H.
Retainer
Screw, Thd. Roll 1/4-20 x 5/8
Washer, Hardened
RollerAssembly, Cam Follower
Bolt, Shoulder #10-24 Gr. 5
Locknut
Bolt, Shoulder 5/16-18 UNC
Arm Assembly, Pad, Brake
Washer, Hardened
Arm, Idler
Spacer, Retainer
Guard, TUV Idler
KEY PART
NO. NO.
67 149846
68 144959
101 136420
102 71161010
103 19061216
104 STD551110
105 160793
106 2029J
111 155197
112 155198
113 17060512
114 STD541431
115 72110504
116 4898H
117 165746
118 73930600
119 STD551037
121 143723
128 153390
129 19131312
130 STD523710
131 STD533710
142 16589O
143 157109
144 158634
145 165888
146 165891
147 131336
148 169022
149 165898
160 19O91216
151 169670
152 169676
153 169674
154 169675
155 169671
156 169672
157 169669
158 17720410
159 72140614
-- 130794
-- 169583
DESCRIPTION
Knob Custom Oval
V-Belt
Mutcher Cover
Screw
Washer #10
Washer, Lock
Latch Assembly, Bagger
Nut, Weld
Bracket, Gauge, Wheel L.H.
Bracket, Gauge, Wheel R.H.
Screw 5/16-18 x 3/4
Nut, Hex, Keps 5/16-18 UNC
Bolt, Carriage 5/16 UNC x 1/2
Bolt, Shoulder
Wheel, Gauge
Nul, Centeriock 3/8-16
Washer 3/8 x 7/8 x 14 Gauge
Bracket
Washer Felt
Washer 13/32 x 13/16 x12 Ga.
Bolt, Fin Hex 3/8-16 UNC xl Gr. 5
Bolt, Rdhd Sqnk 3/8-16UNCx 1
Arm Spdng Brake Mower
Bracket Arm Idler 42"
Keeper Belt 42" Clutch Cable
Pulley Idler Flat
Bolt Carriage Idler
Spring Extension
Spring Return Idler
Retainer Spring Yellow Zinc
Washer 9/32 x 3/4 x 16 Ga.
Bracket Clutch
Cable Clutch 42 In
Washer Fiat 3/6" Type B
Spring Retainer
Spring Retention Lever
Spacer
RodClutch
Screw Hex Thd Cut 1/4-20 x5/8
Bolt Rdhd Sqn
3/8-16 UNC x 1- 3/4
Mandrel Assembly (Includes Key
Numbers 8-10, 12-15, 31and 32)
Mower Deck, Complete (Standard
Deck, Order Separately Mulcher
Plate and Gauge Wheel
Components, Key Nos. 101-106
and 111- t21)
NOTE: All component dimensions given in U.S.inches
1 inch = 25.4 mm
47

77
79
73
16
93
81
17
12
124
107
19
_127
88
<=
o
x
r-4
mO
' =0
! |
o_
oO
m 0
r m
Zr
c Z
c
0
,_ 6O
69 58

TRACTOR --MODEL NUMBER 917.271061
HYDRO GEAR TRANSAXLE - - MODEL NUMBER 314-0510
KEY PART KEY PART
NO. NO. DESCRIPTION NO. NO. DESCRIPTION
1 170351 Main Housing, Assembly 59 170408
2170352 Side Housing, Assembly 60 142883
3 170353 Center Section, Assembly 61 142881
4 170354 Swashplate, TrunioeMachined 62 142887
5 169898 Block- Assembly 63 170410
6 170355 Sealant 10.50z
7 170356 Hex Flange Screw 1/4-20X 1.25 64 142892
8 170357 Stud, 5/16-24 Hex Double End 65 170411
9170358 Shaft, Input 66 170412
10 170359 Ring-Retaining 67 170413
11 170360 Spacer 68 170414
12 169870 Ring-Retaining 69 170415
13 170361 Seal, Lip .67 X 1.58 X .276 70 170416
14 169869 Ball Brg 17ram Id X 40mm Od 71 170417
Xl 2ram
16 170362 Hex Flange Head Screw 72 170418
5/16- 24X0.75
17 170363 Lip Seat 18 X 32 X 773 142884
18 170364 Arm,Control
19 150771 Beadng, 3Ox52x13Thrust 74 170419
23 170365 Check Plug Assembly, Washer 75 170420
24 170366 Shaft, Motor
27 170367 Gear oPinion, 13t 76 170421
28 170368 10V48t Gear 77 170422
29 170369 Gear, 10t Jackshaft 78 142969
30 170370 60t BulIGear 79 142980
31 170371 Sleeve Beadng .75 X1.575 X 80 150778
.625
32 170389 SleeveBearing(Outboard) 81 170423
.75xl .750x.625 82 170424
33 142991 Washer, 3/4 Id X 1-1/20d X
.13 Thk 83 161162
34 170390 Lip Seal Axle Seal 84 170425
35 170391 Shaft, Axle .75 X 11.39 (Key, 85 170426
R.H.) 86 170427
36 170392 Shaft, Axle .75 X 16.99 (Key, 87 170424
L.H.) 88 170429
37 150792 MiterGear(Splined) 90 170430
38 150793 Miter Gear 15t (0.5 Id) 93 170431
39 150809 Shaft 107 170432
40 170393 Ring, SpiraIRetaining 108 170433
41 170394 Pin, Jaekshaft
42 170395 Magnet, Ring 109 170434
43 170396 Spring, Bypass 111 170435
44 150797 Hydro Mtg Screw 3/8-24 X 2.5 112 170436
Long 113 170437
45 170397 Filter
46 170398 Base, Filter 116 170438
47 170999 Actuator, Bypass 119 170439
48 170400 Rod, Bypass Actuator 120 170440
49 170401 Arm, Bypass 121 170441
50 170202 Retaining Ring .250 External
51 170403 Seal, Lip .741 X .250 X .250 122 170442
Tc 123 170443
52 170404 Flat Washer, 5/8 Id X 1.00d 124 170444
X.05 Thk
53 170405 Retaining Ring
54 170406 Beadng, Center Block
55 142977 Spdng - Helical Compression
56 142978 Washer
57 150798 20w-50 Oil
58 170407 Brake Yoke
Rotor, Brake
Brake Puck
Puck Plate
Brake Actuating Pin
Hfhcs 1/4-20x2 W/Patch,
SpecialFlange
Bolt, 1/4-20 X 1 W/Patch
Spacer
Spring, Brake Arm Bias
Sq. Hd. Bolt 5/16-24-Ribbed
Arm, Brake
Slotted Hex Nut 5/16-24
Cotter Pin 3/32 X 3/4
Compression Spring Brake Anti-
Drag
Washer, Ht .5 I.D. X 10.D. X
.032
Flat - Washer 11/32 I.D. X 7/8
O.D
Oil Seal .628 X 1.0 X .25
Check Plug Assembly, .027,
Washer
Stud, 5/16-24 Friction Pack
Puck, .330 X 1.50 X .0975
Spring, Helical Comp
Spacer
Hex Lock Nut 5/16-24Unjf
(Nylon Insert)
Wedge, Fdction Pack
Clip, Washer. 316xl .50x. 1046
(Plated)
Pin, Standard Headless
Fitting, 5/16 Sae 5/32 Tube
Hose, Expansion Tank
Expansion Tank
Cap - Poppet Valve
Bolt, Self Tapping 10-32 X 1/2
Puck, Inner Wedge
Spring Clip - Housing Thrust
Deflector
Washer, Motor Shaft .71 idx
1.15odx.030thk
Plug, Sae #6
O-Ring .07 X .301 I.D.
Shield, Vent
Bracket, Support Expansion
Tank
Silicon Sponge
Fan, 7 In.
Pulley
Hex Lock Nut 1/2-20 (Nylon
Insert)
Washer, Belleville
Belt Keeper
Center Section-Filter-Bypass
Assembly
125 170445 Filter Assembly
126 170446 Fan - Pulley Service Assembly
127 170447 Seal - O-Ring Kit
128 173165 Kit, Expansion Tank
900 166768 Transaxle Complete
NOTE: All component dimensions given in U.S. inches
1 inch = 25.4 mm
49

TRACTOR - - MODEL NU MBER 917.271061
KOHLER ENGINE-MODEL NUMBER CV15.5S, TYPE NUMBER 41596
AIR INTAKE I
@-+
6--e
CRANKSHAFT I
-1
BLOWER HOUSING AND BAFFLES I
1_3
15
_4
14
ENGINE CONTROLS I
14_) I_
I/tL _0 r
"-'+ '_%'I
EXHAUST I
_--1 _4
8
//
-S
5O

TRACTOR-- MODEL NUMBER 917.271061
KOHLER ENGINE-MODEL NUMBER CV15.5S, TYPE NUMBER 41596
AIR INTAKE
KEY PART
NO. NO. DESCRIPTION
1 12-743-05-S Kit, Air Cleaner (includes
Key Numbers 2 thru 12)
225-341-02-S Knob, Air Cleaner Cover
312-096-24-S Cover, Air Cleaner
412-083-08-S Precleaner Element
512-100-01-S Wing Nut
6 X-25-63-S Washer, Plain 1/4
712-083-05-S Element, Air Cleaner
(tnctudes #7)
8 12-313-04-S Grommet
912-094-12-S Base, Air Cleaner
(Includes Key Numbers 9
and 10)
10 12-072-05-S Stud, Mounting Plate M6 x
1.0 x 66
11 12-086-01-S Screw, #10 Hi-Lo Thread
Forming (2)
12 12-041-02-S Gasket, Air Cleaner
NOT ILLUSTRATED
-- 12-113-53-S Decal, Air Cleaner
CRANKSHAFT
ENGINE CONTROLS
KEY PART
NO. NO. DESCRIPTION
1 12-079-07-S Linkage, Choke
2 12-237-01 -S Clamp, Cable
3 M-0664020-S Screw, Locked Socket
M6 x 1.0 x 20 (2)
4 M-0545016-S Screw, Hex Flange
M5 x .8 x 16
5 12-536-09-S Control, Speed Assembly
(Includes Key Numbers 6
through 9)
6 M-0443020-S Screw, Pan Head
M4 x 0.7 x 20
7 SM-0443025-SScrew, Pan Head
M4 x 0.7 x 25
8 12-089-11-S Spring, Choke Adjust (2)
9 12-089-23-S Spring, Choke Return
10 12-089-24-S Spring, Governor
11 M-0641060-S Nut, Hex Flange M6 x 1.0
12 SM-0642025-SScrew, Hex Flange
M6 x 1.0 x 25
13 12-090-05-S Lever, Governor
14 25-158-11-S Bushing, Throttle Linkage
15 12-079-01-S Linkage, Throttle
16 25-158-08-S Bushing, Linkage
Retaining
KEY PART
NO. NO. DESCRIPTION
1 12-014-37-S Crankshaft
2 12-139-01-S Plug, Cup
BLOWER HOUSING AND BAFFLES
KEY PART
NO. NO. DESCRIPTION
1 M-0545010-S Screw, Hex Flange
M5 x 0.8 x 10 (8)
2 24-468-10-SWasher, Plain 1/4
3 12-146-07-S Plate, Blower Housing
4 M-0645020-S Screw, Hex Flange
M6 x 1.0 x 20
6 24-096-05-S Cover, Pinion
7 12-027-32-S Housing, Blower
9 12-141-01-S Ring, Retainer (2)
8 12-096-28-S Cover
10 25-154-02-S Clip, Mounting (3)
11 M-0545020-S Screw, Hex Flange
M5 x .8 x 20 (3)
12 12-063-05-S Baffle, Intake Side
13 M-0645016-S Screw, Hex Flange
M6 x 1.0 x 18 (2)
14 12,063-08-SBaffie, Cylinder Head
15 12-063-01 -S Baffle, Cylinder
NOT ILLUSTRATED
--12.113-64-S Decal, Horsepower
EXHAUST
KEY PART
NO. NO. DESCRIPTION
1 M-0829033-S Stud, M8 x 1.25 x 33 (2)
212-041-03-S Gasket, Exhaust Manifold
3 M-0841080-S Nut, Hex Flange
MSx 1.25(2)
4 12-126-11-S Bracket, Muffler
5 12-445-06-S Strap, Lifting
6 M-0645025-S Screw, Hex Flange
M6 x !.0 x 25 (2)
NOT ILLUSTRATED
KEY PART
NO. NO. DESCRIPTION
-- 12-522-18 Short Block
- - 12-755-59-S Gasket Set
RPM Settings:
RPM Settings: Low Speed: 1500-2000
High Speed: 3200-3400
NOTE: All component dimensions given in U,S.
inches 1inch = 25.4 mm
51

TRACTOR - -MODEL NUMBER 917.271061
KOHLER ENGINE-MODEL NUMBER CV15.5S, TYPE NUMBER 41596
FUEL SYSTEM I
7
/8
/
11
J
5
/
3
2/
1
_--15 t
CYLINDER HEAD, VALVE AND BREATHER I
2S_
17
5
52

TRACTOR --MODEL NUMBER 917.271061
KOHLER ENGINE-MODEL NUMBER CV15.5S, TYPE NUMBER 41596
FUEL SYSTEM
KEY PART
NO. NO. DESCRIPTION
1 M-641060-S Nut, Hex. Flange
M6x1.0 (2)
2 X-22-11-S Washer, Lock
3 M-629116-S Stud (NRP) (2)
4 12-853-94-S Kit, carburetor (Includes 5-
7 Qty. 1 & 25 452 20
Terminal)
5 12-041-02-SGasket, air cleaner
6 12-053-94-S Carburetor assembly (For
information only not available
separately) (Includes 13-15, &
12 75703-3 kit, carburetor
repair
7 12-041-01 -S Gasket, Carburetor
8 12-265-04-S Deflector, heat
9 X-426-9-S Clamp, hose (2)
10 25-353-10-S Line, fuel 9"
11 25-050-02-S Filter, Fuel
12 47-154-01 -S Clip, Cable
13 12-757-02-S Kit, Float
14 12-757-33-S Kit, solenoid repair (Includes
15, 12 454 03-S Tie wire, &
25-452 20-S Terminal
15 12-041-06-S Gasket, bowl retainer screw
NOT ILLUSTRATED
- - 12-041-01 -S Gasket, Carburetor
--12-757-03-S Kit, Carburetor,,Repair
-- 12-518-37-S Lead, Red( 37, 20 Gauge,
Uninsulated Socket and
Insulated Socket Terminal)
- - M-561010-S Screw, Thread Forming
M5 X -.8 x10
- - 24-452-20-S Terminal
- - 12-454-03-S Tie, Cable
CYLINDER HEAD, VALVE AND BREATHER
KEY PART
NO. NO. DESCRIPTION
112-351-01-S Lifter, Valve (2)
212-755-60-S Kit, Cylinder Head
3 12-411-01 -S Rod, Push (2)
4 12-041-10-S Gasket, Cylinder Head
5 12-017-01-S Valve, Intake, Standard Size
12-017-02-S Valve, Intake, .25" Oversize
6 12-016-01-S Valve, Exhaust, Standard
12-016-02-SValve, Exhaust, .25" Oversize
7 12-146-13-S Plate, Guide
8 12-468-05-SWasher, Plain 13/32
9 12-112-13-S Spacer, Head Bolt Exhaust
Port
10 12-086-15-S Screw, Hex Flange
M10 x 1.5 x 81 (5)
11 12-089-01-S Spring, Valve (2)
12 12-173-01-S Cap, Valve Spring (2)
13 12-755-03-S Kit, Retainer (2)
14 X-426-9-S Clamp, Hose (2)
15 12-326-03-S Hose, Breather
16 M-0645020-S Screw, Hex Flange
M6 x 1.0 x 20 (5)
17 12-096-07-S Cover, Valve with Nipple
18 235011 -S Retainer, Spring
19 24-032-05-S Seal, Valve Stem
20 M-0640034-S Screw, Hex Flange
M6xl x34(2)
21 24-194-01-S Pivot, Rocker Arm (2)
22 24-186-03-S Arm, Rocker (2)
23 M-0545010-S Screw, Hex Flange
M5 x 0.8 x 10
24 12-018-01-S Retainer, Breather Reed
25 12-402-02-S Reed, Breather
26 12-318-09-S Head, Cylinder
27 Xo75-23-S Plug, Pipe, Allen Head 1/8
NOTE: All component dimensions given in U.S.
inches 1 inch = 25.4 mm
53

TRACTOR --MODEL NUMBER 917.271061
KOHLER ENGINE-MODEL NUMBER CV15.5S, TYPE NUMBER 41596
IGNITION IELECTRICAL I
_-, OIL PAN /LUBRICATION I
_3
c>_-4
6_ /
ICRANKCASE J
10
2
3
13
STARTING SYSTEM J
0
&
m21
54

TRACTOR --MODEL NUMBER 917.271061
KOHLER ENGINE-MODEL NUMBER CV15.5S, TYPE NUMBER 41596
IGNITION /ELECTRICAL CRANKCASE
KEY PART
KEY PART NO. NO. DESCRIPTION
NO. NO. DESCRIPTION
1 12-086-14-SScrew, Hex Flange
M10x 1.5x46
2 12-468-03-SWasher, Plain 3/8
3 24-162-03-S Screen, Grass
4 25-684-47-S Bolt, shoulder (4)
5 12-157-03-S Spacer, Fan (4)
6 X-42-15-S Key
7 12-025-37-S Flywheel Assembly
8 12-155-09-S Connector
9 M-0548025-S Screw, Hex Cap
M5 x 0.8 x 25 (2)
10 M-0545010-S Screw, Hex Flange
M5 x 0.8 x 10 (2)
11 12-085-10-S Stator
12 12-132-02-S Spark Plug
13 X-728-1-S Clip, Cable
14 12-584-04-S Module ignition
15 M-0545020-S Screw, Hex Flange
M5 x 0.8 x 20 (2)
3
4
5
6
7
8
9
10
NOT ILLUSTRATED
-- 12-518-35-S Lead, White, Ground To Kill
(36", 18 Gauge, Fully
Insulated Push-on Tab and
Uninsulated Push-on Tab
Terminals)
--12-454-03-S Tie wire
OIL PAN /LUBRICATION
KEY PART
NO. NO. DESCRIPTION
1 12-038-01 -S Dipstick Assembly
(Includes Key Numbers 2
and 3)
2 25-755-13-S Kit, Oil Fill Cap (Includes
Key #3)
3 12-153-03-S O-Ring, Dipstick
4 12-153-02-S O-Ring, Upper Oil Fill Tube
5 12-123-04-S Tube, Oil Fill
6 M-645025-S Screw, Hex Flange
M6 x 1.0 x 25
712-153-01-S O-Ring, Lower Oil Fill Tube
8 25-162-07-S Screen, Oil Pick-up
9 12-096-03-S Cover, Oil Pick-up Screen
10 M-545016-S Screw, Hex Flange
M5x0.8 x 16
11 12-050-01-S Oil, Filter
12 25-462-09-S Valve Oil Pressure Relief
13 X-75-10-S Plug, square hd solid 3/8"
14 12-393-01-S Oil Pump Assembly
15 12-153-06-S O-Ring, Oil pump Cover
16 12-096-34-S Cover, Oil Pump
17 M-545016-S Screw, Hex Flange
M5 x 0.8 x 16 (3)
18 12-032-03-S (P.T.O. End)
t 9 24-086-16-S Screw, Hex. Flange
M6 X 1.25 X 45 (11)
20 24-086-17-S Screw, Hex. Flange
M8X 1.25X45
21 12-199-56-S Pan, Oil Assembly
(Includes 12, 14-17)
12-032-03-S Seal, Crankshaft
12-522-18-S Block, Cylinder (Use Short
Block)
12-445-02-S Strap, Lifting
M-0839025-S Screw, Hex Flange
M8x 1.25x25
12-380-03-S Dowel, Locatin ](4)
12-755-49-S Kit, Camshaft, Includes
Key #7 & 8)
12-089-18-S Sprin 3, Actuating
12-422-08-S Shim Camshaft Blue
12-422-09-S Shim
12-422-10-S Shim
12-422-11-S Shim
12-422-12-S Shim
12-422-13-S Shim
12-422-07-S Shim
12-144-27-S Shaft
Camshaft Red (A.R.)
Camshaft Yellow (A.R.)
Camshaft Green (A.R.)
Camshaft Grey (A.R.)
Camshaft Black (A.R.)
Camshaft White (A.R.)
Balance
12-874-07-S Piston w/Ring Set Standard
12-874-68-S Piston wiRing Set .25"
Oversize
12-874-09-S Piston w/Ring Set .50"
Oversize
11 12-018-02-S Retainer, Piston Pin (2)
12 t2-108-07-S Ring Set, Standard
12-108-08-S Ring Set .25" Oversize
12-108-09-S Ring Set .50" Oversize
13 12-067-05-S Connecting Rod, Standard
12-067-06-S Connecting Rod .25" Oversize
14 12-380-01 -S Pin, Governor Regulating
15 12-043-05-S Gear, Governor Assembly
16 M-0631005-S Washer, Plain, 6mm
17 12-144-02-SShaft, Governor Gear
18 52-139-09-S Plug, Cup
19 12-755-64-S Kit, Shaft, Governor Cross,
with Clip (Includes Key #20
and 24)
20 12-144-24-S Shaft, Governor Cross
21 X-25-102-S Washer, Plain 1/4
22 12-032-01-S Seal, Governor Cross Shaft
23 SM-0631015-SWasher, Plain, 6ram
24 12-154-05-S Clip, Hitch Pin
STARTING SYSTEM
KEY PART
NO. NO. DESCRIPTION
1 M-0839070-S Screw, Hex Flange
M8 x1.25 x 70 (2)
2 25-098-03-S Starter Assembly
(Includes Key Numbers 3
thru 8)
3 12-755-54-S Kit, Drive End
4 12-227-06-S Cap, Drive End
5 45-170-03-S Armature
7 12-227-11 -S End Cap, Commutator
8 12-086-25-S Screw, Hex Flange
1/4-20 x 4-5/8 (2)
NOTE: All component dimensions given in U.S.
inches 1 inch = 25.4 mm
55

56

57


SUGGESTED GUIDE FOR SIGHTING SLOPES FOR SAFE OPERATION
"_ ".....
SIGHTING _. .CUT '
IUIDE TH-Fs
ONLY RIDE UP AND DOWN HILL,
NOT ACROSS HILL
ii
d/_ Operate your Tractor up and down the face of slopes (not I
I
_1 _ greater than 15°), never across the face. Make turns gradu- J
_ally to prevent tipping or loss of control. Exercise extreme |
caution when changing direction on slopes. |
I

©Sears, Roebuck and Co. ® Registered Trademark/TMTrademarkof Seam, Roebuckand Co.
®Marca Registrada/XMMama de Fabdca de Seam, Roebuckand Co,
173649 Rev. 22.17.00 TR Printed in U.S.A.