Craftsman 917 27268 Users Manual
917272680 917272680 CRAFTSMAN LAWN TRACTOR - Manuals and Guides L0305003 View the owners manual for your CRAFTSMAN LAWN TRACTOR #917272680. Home:Lawn & Garden Parts:Craftsman Parts:Craftsman LAWN TRACTOR Manual
CRAFTSMAN Lawn, Tractor Manual L0305003 CRAFTSMAN Lawn, Tractor Owner's Manual, CRAFTSMAN Lawn, Tractor installation guides
2015-01-05
: Craftsman Craftsman-917-27268-Users-Manual-160774 craftsman-917-27268-users-manual-160774 craftsman pdf
Open the PDF directly: View PDF
.
Page Count: 60

Owner's Manual
IC..FTSMeWl
LAWN TRACTOR
17.5 HI:',42" Mower
Electric Start
Automatic Transmission
Model No.
917.272680
i_ This product has a low emission engine which operates
differently from previously built engines. Before you start the
engine, read and understand this Owner's Manual.
IMPORTANT:
Read and follow all Safety
Rules and Instructions before
operating this equipment.
For answers to your questions
about this product, Call:
1-800-659-5917
Sears Craftsman Help Line
5am - 5 pm, Mon- Sat
Sears, Roebuck and Co., Hoffman Estates, IL 60179 U.S.A
Visit our Craftsman website:www.sears.com/craftsman

Warranty ................................................ 2
Safety Rules .......................................... 3
Product Specifications ........................... 6
AssemblyP re-Operation ........................ 8
Operation ............................................. 11
Maintenance ....................................... 18
Maintenance Schedule ........................ 18
Service and Adjustments ..................... 22
Storage ................................................ 29
Troubleshooting ................................... 30
Repair Parts ......................................... 34
Sears Service ........................ Back Cover
LIMITED WARRANTY ON CRAFTSMAN RIDING EQUIPMENT
For two (2) years from the date of purchase, if this Craftsman Riding Equipment is
maintained, lubricated and tuned up according to the instructions in the owner's manual,
Sears will repair or replace free of charge any parts that are found to be defective in
material or workmanship according to the guidelines of coverage listed below. Sears will
also provide free labor for these applicable warranted parts for the two full years. During
the first 30 days of purchase, there will be no charges to service the product at your
home for issues covered by this warranty. (See exclusions below). For your conve-
nience, IN HOME warranty service will still be available after the first 30 days of pur-
chase, but a trip charge will apply. This charge will be waived if the Craftsman product is
dropped off at an authorized Sears location. For the nearest authorized Sears location,
please call 1-800-4-MY-HOME®. This warranty applies only while this product is within
the United States.
This Warranty does not cover:
• Expendable items which become worn during normal use, including but not limited to
blades, spark plugs, air cleaners, belts, and oil filters.
• Standard Maintenance Servicing, oil changes, or tune-ups
• Tire replacement or repair caused by punctures from outside objects, such as nails,
thorns, stumps, or glass.
• Repairs necessary because of operator abuse, including but not limited to, damage
caused by towing objects beyond the capability of the riding equipment, impacting
objects that bend the frame or crankshaft, or over-speeding the engine.
• Repairs necessary because of operator negligence, including but not limited to, elec-
trical and mechanical damage caused by improper storage, failure to use the proper
grade and amount of engine oil, failure to keep the deck clear of flammable debris,
or failure to maintain the equipment according to the instructions contained in the
owner's manual.
• Engine (fuel system) cleaning or repairs caused by fuel determined to be contami-
nated or oxidized (stale). In general, fuel should be used within 30 days of its pur-
chase date.
• Normal deterioration and wear of the exterior finishes, or product label replacement.
• Riding equipment used for commercial or rental purposes.
LIMITED WARRANTY ON BATTERY
For ninety (90) days from date of purchase, if any battery included with this riding equip-
ment proves defective in material or workmanship and our testing determines the battery
will not hold a charge, Sears will replace the battery at no charge. During the first 30
days of purchase, there will be no charges to replace the battery at your HOME. After
the first 30 days, for your convenience, IN-HOME warranty service will still be avail-
able but a trip charge will apply. This charge will be waived if the Craftsman product is
dropped off at an authorized Sears location. For the nearest authorized Sears location,
please call 1-800-4-MY-HOME®.
This battery warranty applies only while this product is within the United States.
This warranty gives you specific legal rights, and you may also have other rights, which
vary, from state to state.
Sears, Roebuck and Co.,Dept.817WA, Hoffman Estates, IL 60179
2

IMPORTANT: This cutting machine is capable of amputating hands and feet and throw-
ing objects. Failure to observe the following safety instructions could result in serious
injury or death.
_WARNING: In order to prevent
accidental starting when setting up,
transporting, adjusting or making repairs,
always disconnect spark plug wire and
place wire where it cannot contact spark
plug.
_WARNING: Do not coast down a
hill in neutral, you may lose control of the
tractor.
_WARNING: Tow only the attach-
ments that are recommended by and
comply with specifications of the man-
ufacturer of your tractor. Use common
sense when towing. Operate only at the
lowest possible speed when on a slope.
Too heavy of a load, while on a slope, is
dangerous. Tires can lose traction with
the ground and cause you to lose control
of your tractor.
_WARNING: Engine exhaust, some
of its constituents, and certain vehicle
components contain or emit chemicals
known to the State of California to cause
cancer and birth defects or other repro-
ductive harm.
_,WARNING: Battery posts, terminals
and related accessories contain lead and
lead compounds, chemicals known to the
State of California to cause cancer and
birth defects or other reproductive harm.
Wash hands after handling.
I. GENERAL OPERATION
• Read, understand, and follow all instruc-
tions in the manual and on the machine
before starting.
• Only allow responsible adults, who are
familiar with the instructions, to operate
the machine.
• Clear the area of objects such as rocks,
toys, wire, etc., which could be picked
up and thrown by the blade.
• Be sure the area is clear of other people
before mowing. Stop machine if anyone
enters the area.
• Never carry passengers.
• Do not mow in reverse unless abso-
lutely necessary. Always look down and
behind before and while backing.
• Be aware of the mower discharge direc-
tion and do not point it at anyone. Do
not operate the mower without either
the entire grass catcher or the guard in
place.
• Slow down before turning.
• Never leave a running machine unat-
tended. Always turn off blades, set
parking brake, stop engine, and remove
keys before dismounting.
• Turn off blades when not mowing.
• Stop engine before removing grass
catcher or unclogging chute.
• Mow only in daylight or good artificial
light.
• Do not operate the machine while under
the influence of alcohol or drugs.
• Watch for traffic when operating near or
crossing roadways.
• Use extra care when loading or un-
loading the machine into a trailer or
truck.
• Data indicates that operators, age 60
years and above, are involved in a large
percentage of riding mower-related in-
juries. These operators should evaluate
their ability to operate the riding mower
safely enough to protect themselves and
others from serious injury.
• Keep machine free of grass, leaves or
other debris build-up which can touch
hot exhaust /engine parts and burn. Do
not allow the mower deck to plow leaves
or other debris which can cause build-
up to occur. Clean any oil or fuel
spillage before operating or storing the
machine. Allow machine to cool before
storage.
II. SLOPE OPERATION
Slopes are a major factor related to loss-
of-control and tipover accidents, which can
result in severe injury or death. All slopes
require extra caution. If you cannot back
up the slope or if you feel uneasy on it, do
not mow it.
3

DO:
• Mow up and down slopes, not across.
• Remove obstacles such as rocks, tree
limbs, etc.
• Watch for holes, ruts, or bumps. Un-
even terrain could overturn the machine.
Tall grass can hide obstacles.
• Use slow speed. Choose a low gear
so that you will not have to stop or shift
while on the slope.
• Follow the manufacturer's recommend-
ations for wheel weights or counter-
weights to improve stability.
• Use extra care with grass catchers or
other attachments. These can change
the stability of the machine.
• Keep all movement on the slopes slow
and gradual Do not make sudden
changes in speed or direction.
• Avoid starting or stopping on a slope. If
tires lose traction, disengage the blades
and proceed slowly straight down the
slope.
DO NOT:
•Do not turn on slopes unless neces-
sary, and then, turn slowly and gradually
downhill, if possible.
•Do notmow near drop-offs, ditches,
or embankments. The mower could
suddenly turn over if a wheel is over
the edge of a cliff or ditch, or if an edge
caves in.
•Do not mow on wet grass. Reduced
traction could cause sliding.
•Do not try to stabilize the machine by
putting your foot on the ground.
•Do notuse grass catcher on steep
slopes.
III. CHILDREN
Tragic accidents can occur if the operator
is not alert to the presence of children.
Children are often attracted to the ma-
chine and the mowing activity. Neveras-
sume that children will remain where you
last saw them.
• Keep children out of the mowing area
and under the watchful care of another
responsible adult.
• Be alert and turn machine off if children
enter the area.
• Before and when backing, look behind
and down for small children.
• Never carry children. They may fall off
and be seriously injured or interfere with
safe machine operation.
• Never allow children to operate the
machine.
• Use extra care when approaching blind
corners, shrubs, trees, or other objects
that may obscure vision.
IV. SERVICE
• Use extra care in handling gasoline and
other fuels. They are flammable and
vapors are explosive.
- Use only an approved container.
- Never remove gas cap or add fuel
with the engine running. Allow
engine to cool before refueling. Do
not smoke.
- Never refuel the machine indoors.
- Never store the machine or fuel
container inside where there is an
open flame, such as a water heater.
• Never run a machine inside a closed
area.
• Keep nuts and bolts, especially blade
attachment bolts, tight and keep equip-
ment in good condition.
• Never tamper with safety devices.
Check their proper operation regularly.
• Keep machine free of grass, leaves, or
other debris build-up. Clean oil or fuel
spillage. Allow machine to cool before
storing.
• Stop and inspect the equipment if you
strike an object. Repair, if necessary,
before restarting.
• Never make adjustments or repairs with
the engine running.
• Grass catcher components are subject
to wear, damage, and deterioration,
which could expose moving parts or
allow objects to be thrown. Frequently
check components and replace with
manufacturer's recommended parts,
when necessary.
• Mower blades are sharp and can cut.
Wrap the blade(s) or wear gloves, and
use extra caution when servicing them.
• Check brake operation frequently. Ad-
just and service as required.
4

• Be sure the area is clear of other people
before mowing. Stop machine if anyone
enters the area.
• Never carry passengers or children
even with the blades off.
• Do not mow in reverse unless abso-
lutely necessary. Always look down and
behind before and while backing.
• Never carry children. They may fall off
and be seriously injured or interfere with
safe machine operation.
• Keep children out of the mowing area
and under the watchful care of another
responsible adult.
• Be alert and turn machine off if children
enter the area.
• Before and when backing, look behind
and down for small children.
• Mow up and down slopes (15 ° Max), not
across.
• Remove obstacles such as rocks, tree
limbs, etc.
• Watch for holes, ruts, or bumps. Uneven
terrain could overturn the machine. Tall
grass can hide obstacles.
• Use slow speed. Choose a low gear
so that you will not have to stop or shift
while on the slope.
• Avoid starting or stopping on a slope. If
tires lose traction, disengage the blades
and proceed slowly straight down the
slope.
• If machine stops while going uphill,
disengage blades, shift into reverse and
back down slowly.
• Do not turn on slopes unless necessary,
and then, turn slowly and gradually
downhill, if possible.
5

PRODUCT SPECIFICATIONS
Gasoline 1.25 Gallons
Capacity Unleaded
and Type: Regular
Oil Type SAE 30 (Above 32°F)
API-SF-SJ): SAE 5W-30
(Below 32°F)
Oil Capacity: 3.0 Pints
Spark Plug: Champion RC12YC
GAP: .030")
Ground Speed Forward: 5.2
(MPH): Reverse: 2.7
Tire Pressure: Front: 14 PSI
Rear: 12 PSI
Charging 3 Amps Battery
System: 5 Amps Headlights
Battery: Amp/Hr: 28
Min. CCA: 230
Case Size: U1R
Blade Bolt 27-35 Ft. Lbs.
Torque:
CONGRATULATIONS on your purchase
of a new tractor. It has been designed,
engineered and manufactured to give
you the best possible dependability and
performance.
Should you experience any problem you
cannot easily remedy, please contact a
Sears or other qualified service center.
We have competent, well-trained techni-
cians and the proper tools to service or
repair this tractor.
Please read and retain this manual. The
instructions will enable you to assemble
and maintain your tractor properly. Always
observe the "SAFETY RULES".
CUSTOMER RESPONSIBILITIES
• Read and observe the safety rules.
• Follow a regular schedule in main-
taining, caring for and using your tractor.
• Follow the instructions under"Mainte-
nance" and "Storage" sections of this
owner's manual.
Ai'_WARNING: This tractor is equipped
with an internal combustion engine and
should not be used on or near any unim-
proved forest-covered, brush-covered or
grass-covered land unless the engine's
exhaust system is equipped with a spark
arrester meeting applicable local or state
laws (if any). If a spark arrester is used, it
should be maintained in effective working
order by the operator.
In the state of California the above is re-
quired by law (Section 4442 of the Califor-
nia Public Resources Code). Other states
may have similar laws. Federal laws apply
on federal lands. A spark arrester for the
muffler is available through your nearest
Sears service center (See REPAIR PARTS
section of this manual).
REPAIR PROTECTION
AGREEMENTS
Congratulations on making a smart pur-
chase. Your new Craftsman® product is
designed and manufactured for years of
dependable operation. But like all prod-
ucts, it may require repair from time to
time. That's when having a Repair Protec-
tion Agreement can save you money and
aggravation.
Purchase a Repair Protection Agreement
now and protect yourself from unexpected
hassle and expense.
Here's what's included in the Agreement:
•Expert service by our 12,000 profe-
sional repair specialists.
• Unlimited service and no charge for
parts and labor on all covered repairs.
• Product replacement if your covered
product can't be fixed.
• Discount of 10% from regular price of
service and service-related parts not
covered by the agreement; also, 10%
off regular price of preventive mainte-
nance check.
• Fast help by phone - phone support
from a Sears technician on products
requiring in-home repair, plus conve-
nient repair scheduling.
Once you purchase the Agreement, a
simple phone call is all that it takes for you
to schedule service. You can call anytime
day or night, or schedule a service ap-
pointment online.
Sears has over 12,000 professional repair
specialists, who have access to over 4.5
million quality parts and accessories.
That's the kind of professionalism you can
count on to help prolong the life of your
new purchase for years to come. Purchase
your Repair Protection Agreement today!
Some limitations and exclusions apply.
For prices and additional information
call 1-800-827-6655.
SEARS INSTALLATION SERVICE
For Sears professional installation of home
appliances, garage door openers, water
heaters, and other major home items, in
the U.S.A. call 1-800-4-MY-HOME®
6

Steering
Wheel Insert
(1) Locknut
1/2-20
Steering Wheel
(1) Locknut
1/4-28
=_ Steering
Wheel Adapter
(1) Large Flat Washer
(1) Hex Bolt
1/4-28 x 1-1/4
ii
v
Steering
Extension
Shaft
(_Washer
17/32 x 1-3/16 x 12
Gauge
_(1) Knob
For Future Use
Slope Sheet
Keys
Video Cassette
7

Your new tractor has been assembled at the factory with the exception of those parts left
unassembled for shipping purposes. To ensure safe and proper operation of your tractor
all parts and hardware you assemble must be tightened securely. Use the correct tools
as necessary to insure proper tightness. Review the video cassette before you begin.
TOOLS REQUIRED FOR
ASSEMBLY
A socket wrench set will make assembly
easier. Standard wrench sizes you need
are listed below.
(1) 3/4"wrench (1) Pliers
(2) 7/16" wrench (1) Utility knife
(1) Tire pressure gauge
When right or left hand is mentioned in
this manual, it means, from your point of
view, when you are in the operating posi-
tion (seated behind the steering wheel).
TO REMOVE TRACTOR FROM
CARTON
UNPACK CARTON
1. Remove all accessible loose parts
and parts boxes from carton.
2. Cut along dotted lines on all four pan-
els of carton. Remove end panels and
lay side panels flat.
3. Check for any additional loose parts
or cartons and remove.
7. Snap steering wheel insert into center
of steering wheel.
8. Remove protective materials from trac-
tor hood and grill.
IMPORTANT: Check for and remove any
staples in skid that may puncture tires
where tractor is to roll off skid.
BEFORE REMOVING TRACTOR
FROM SKID
ATTACH STEERING WHEEL
ASSEMBLE EXTENSION SHAFT AND
BOOT
1. Slide extension shaft onto lower steer-
ing shaft. Align mounting holes in ex-
tension and lower shafts and install 1/4
hex bolt and Iocknut. Tighten securely.
IMPORTANT: Tighten bolt and nut se-
curely to 10-12 ft. Ibs torque.
2. Place tabs of steering boot over tab
slots in dash and push down to secure.
INSTALL STEERING WHEEL
3. Position front wheels of the tractor so
they are pointing straight forward.
4. Remove steering wheel adapter from
steering wheel and slide adapter onto
steering shaft extension.
5. Position steering wheel so cross bars
are horizontal (left to right) and slide
inside boot and onto adapter.
6. Assemble large flat washer, 1/2 hex nut
and tighten securely.
Steering
Shaft
HOWTO SET UP YOUR TRACTOR
INSTALL SEAT
Adjust seat before tightening adjustment
knob.
1. Remove adjustment knob and flat
washer securing seat to cardboard
packing and set aside for assembly of
seat to tractor.
2. Pivot seat upward and remove from
the cardboard packing. Remove the
cardboard packing and discard.
3. Place seat on seat pan so head of
shoulder bolt is positioned over large
slotted hole in pan.
8

4. Pushdownon seatto engageshoulder
bolt in slot and pull seattowards rear
of tractor.
5. Pivotseat and panforwardand as-
sembleadjustmentknob and flat
washerloosely.Do not tighten.
6. Lowerseat intooperatingpositionand
sit in seat.
7. Slide seat untila comfortableposition
is reachedwhichallowsyouto press
clutch/brakepedalall the waydown.
8. Get offseat without movingits ad-
justed position.
9. Raiseseat and tighten adjustment
knobsecurely.
Seat
Shoulder
Bolt
Adji Knob
CHECK BATTERY
1. Lift seat pan to raised position.
NOTE: If this battery is put into service
after month and year indicated on label
(label located between terminals) charge
battery for minimum of one hour at 6-10
amps. (See "BATTERY" in Maintenance
section of this manual for charging instruc-
tions).
Seat
_rminat
NOTE: You may now roll or drive your
tractor off the skid. Follow the appropriate
instruction below to remove the tractor
from the skid.
TO ROLLTRACTOR OFF SKID (See
Operation section for location and
function of controls)
1. Press lift lever plunger and raise
attachment lift lever to its highest po-
sition.
2. Release parking brake by depressing
clutch/brake pedal.
3. Place freewheel control in "trans-
mission disengaged" position (See "TO
TRANSPORT' in the Operation section
of this manual).
4. Roll tractor forward off skid.
5. Remove banding holding deflector
shield up against tractor.
TO DRIVE TRACTOR OFF SKID (See
Operation section for location and
function of controls)
,_IIWARNING: Before starting, read, un-
derstand and follow all instructions in the
Operation section of this manual. Be sure
tractor is in a well-ventilated area. Be sure
the area in front of tractor is clear of other
people and objects.
1. Be sure all the above assembly steps
have been completed.
2. Check engine oil level and fill fuel tank
with gasoline.
3. Place freewheel control in "trans-
mission engaged" position. (See "TO
TRANSPORT' in the Operation section
of this manual).
4. Sit on seat in operating position,
depress clutch/brake pedal and set the
parking brake.
5. Place motion control lever in neutral
(N) position.
6. Press lift lever plunger and raise
attachment lift lever to its highest posi-
tion.
7. Start the engine. After engine has
started, move throttle control to idle
position.
8. Release parking brake.
9. Slowly move the motion control lever
forward and slowly drive tractor off
skid.
10. Apply brake to stop tractor, set parking
brake and place motion control lever in
neutral position.
11. Turn ignition key to "STOP" position.
Continue with the instructions that follow.
9

INSTALL MULCHER PLATE
(If previously removed)
1. Raise and hold deflector shield in
upright position.
2. Place front of mulcher plate over front
of mower deck opening and slide into
place, as shown.
3. Hook front latch into hole on front of
mower deck.
4. Hook rear latch into hole on back of
mower deck.
Deflector
Shield
Mulcher
Plate
Latch
Hooks
CAUTION: Do not remove deflector
shield from mower.
TO CONVERTTO BAGGING OR
DISCHARGING
Simply remove mulcher plate and store in
a safe place. Your mower is now ready for
discharging or installation of optional grass
catcher accessory.
NOTE: It is not necessary to change
blades. The mulching blades are designed
for discharging and bagging also.
CHECKTIRE PRESSURE
The tires on your tractor were overinflated
at the factory for shipping purposes. Cor-
rect tire pressure is important for best
cutting performance.
• Reduce tire pressure to PSI shown in
"PRODUCT SPECIFICATIONS" section
of this manual.
CHECK DECK LEVELNESS
For best cutting results, mower hous-
ing should be properly leveled. See "TO
LEVEL MOWER HOUSING" in the Service
and Adjustments section of this manual.
CHECK FOR PROPER POSITION
OF ALL BELTS
See the figures that are shown for replac-
ing motion and mower blade drive belts
in the Service and Adjustments section
of this manual. Verify that the belts are
routed correctly.
CHECK BRAKE SYSTEM
After you learn how to operate your trac-
tor, check to see that the brake is properly
adjusted. See "TO ADJUST BRAKE" in
the Service and Adjustments section of
this manual.
v"CHECKLIST
Before you operate your new tractor, we
wish to assure that you receive the best
performance and satisfaction from this
quality product.
Please review the following checklist:
,/ All assembly instructions have been
completed.
,/No remaining loose parts in carton.
,/Battery is properly prepared and
charged. (Minimum 1 hour at 6 amps).
,/Seat is adjusted comfortably and tight-
ened securely.
,/All tires are properly inflated. (For ship-
ping purposes, the tires were overin-
flated at the factory).
,/Be sure mower deck is properly leveled
side-to-side/front-to-rear for best cutting
results. (Tires must be properly inflated
for leveling).
,/Check mower and drive belts. Be sure
they are routed properly around pulleys
and inside all belt keepers.
,/Check wiring. See that all connections
are still secure and wires are properly
clamped.
,/Before driving tractor, be sure freewheel
control is in '"transmission engaged"
position (see "TO TRANSPORT" in the
Operation section of this manual).
While learning how to use your tractor, pay
extra attention to the following important
items:
,/Engine oil is at proper level.
,/Fuel tank is filled with fresh, clean,
regular unleaded gasoline.
,/Become familiar with all controls - their
location and function. Operate them
before you start the engine.
,/Be sure brake system is in safe oper-
ating condition.
,/It is important to purge the transmission
before operating your tractor for the first
time. Follow proper starting and trans-
mission purging instructions (See "TO
START ENGINE" and "PURGE TRANS-
MISSION" in the Operation section of
this manual).
10

These symbols may appear on your tractor or in literature supplied with the product.
Learn and understand their meaning.
R N H L I'.,I
REVERSE NEUTRAL NIGH LOW CHOKE FAST SLOW IGNITION
ENGINE OFF LIGHTS ON ENGINE ON ENGINE START PARKING BRAKE PARKING BRAKE PARKING BRAKE
LOCKED UNLOCKED
OVER TEMP FUEL OIL PRESSURE BATTERY REVERSE FORWARD MOWER HEIGHT MOWER LIFT
LIGHT
ATTACHMENT ATTACHMENT
CLUTCH ENGAGED CLUTCH DISENGAGED
FREE WHEEL
(Automatic Models only)
DANGER, KEEP HANDS
AND FEET AWAY
KEEP AREA CLEAR SLOPE HAZARDS
(SEE SAFETY RULES SECTION)
&
Failure to follow instructions
could result in serious injury or
death. The safety alert symbol
is used to identify safety inform-
ation about hazards which can
result in death, serious injury
and/or property damage.
&
&
&
DANGER indicates a hazard which, if not avoided,
will result in death or serious injury.
WARNING indicates a hazard which, if not avoided,
could result in death or serious injury.
CAUTION indicates a hazard which, if not avoided,
might result in minor or moderate injury.
CAUTION when used without the alert symbol,
indicates a situation that could result in damage
to the tractor and/or engine.
HOT SURFACES indicates a hazard which,
if not avoided, could result in death, serious injury
and/or property damage.
FIRE indicates a hazard which, if not avoided,
could result in death, serious injury and/or
property damage.
11

KNOW YOUR TRACTOR
READ THIS OWNER'S MANUAL AND SAFETY RULES BEFORE OPERATING YOUR
TRACTOR
Compare the illustrations with your tractor to familiarize yourself with the locations of
various controls and adjustments. Save this manual for future reference.
Attachment
Clutch Lever
Ignition Switch Light Switch
Lift Lever
Ammeter .... ~-.. Plunger
Throttle/Choke
Control Attachment
Lift Lever
Clutch/Brake
Pedal
Height
astment
Indicator
Freewheel
Control Parking Brake Lever
Motion Control
Lever
Our tractors conform to the safety standards of the
American National Standards Institute.
AMMETER - Indicates charging (+) or
discharging (-) of battery.
ATTACHMENT CLUTCH LEVER - Used
to engage the mower blades, or other at-
tachments mounted to your tractor.
ATTACHMENT LIFT LEVER - Used to
raise, lower, and adjust the mower deck or
other attachments mounted to your tractor.
CLUTCH/BRAKE PEDAL -Used for
declutching and braking the tractor and
starting the engine.
MOTION CONTROL LEVER -Selects the
speed and direction of tractor.
IGNITION SWITCH - Used for starting and
stopping the engine.
LIFT LEVER PLUNGER - Used to release
attachment lift lever when changing its
position.
LIGHT SWITCH POSITION -Turns the
headlights on and off.
PARKING BRAKE LEVER - Locks clutch/
brake pedal into the brake position.
THROTTLE/CHOKE CONTROL - Used
for starting and controlling engine speed.
FREEWHEEL CONTROL - Disengagages
transmission for pushing or slowly towing
the tractor with the engine off.
12

1
The operation of any tractor can result in foreign objects thrown into the
eyes, which can result in severe eye damage. Always wear safety glasses
or eye shields while operating your tractor or performing any adjustments J
or repairs. We recommend standard safety glasses or a wide vision safety_
mask worn over spectacles. J
HOWTO USE YOUR TRACTOR
TO SET PARKING BRAKE
Your tractor is equipped with an operator
presence sensing switch. When engine
is running, any attempt by the operator
to leave the seat without first setting the
parking brake will shut off the engine.
1. Depress clutch/brake pedal all the way
down and hold.
2. Pull parking brake lever up and release
pressure from clutch/brake pedal.
Pedal should remain in brake position.
Make sure parking brake will hold trac-
tor secure.Attachment Clutch Lever
"Engaged" Position
Throttle/ Ignition Key
Choke "Disengaged"
Position
Clutch/
Brake g Brake
Pedal
"Disengaged' "Brake"
Position Position
STOPPING
Control
• Never use choke to stop engine.
IMPORTANT: Leaving the ignition switch
in any position other than "STOP" will
cause the battery to discharge and go
dead.
NOTE: Under certain conditions when
tractor is standing idle with the engine run-
ning, hot engine exhaust gases may cause
"browning" of grass. To eliminate this pos-
sibility, always stop engine when stopping
tractor on grass areas.
• i, CAUTION: Always stop tractor com-
pletely, as described above, before leaving
the operator's position.
TO USE THROTTLE CONTROL
Always operate engine at full throttle.
• Operating engine at less than full
throttle reduces the battery charging
rate.
• Full throttle offers the best bagging and
mower performance.
TO MOVE FORWARD AND BACKWARD
The direction and speed of movement is
controlled by the motion control lever.
1. Start tractor with motion control lever
in neutral (N) position.
2. Release parking brake.
3. Slowly move motion control lever to
desired position.
TO ADJUST MOWER CUTTING HEIGHT
MOWER BLADES -
• To stop mower blades, move attachment
clutch lever to "DISENGAGED" position.
GROUND DRIVE -
• To stop ground drive, depress clutch/
brake pedal all the way down.
• Move motion control lever to neutral (N)
position.
IMPORTANT: The motion control lever
does not return to neutral (N) position
when the clutch/brake pedal is depressed.
ENGINE -
• Move throttle control to slow position.
NOTE: Failure to move throttle control
to slow position and allowing engine to
idle before stopping may cause engine to
"backfire".
• Turn ignition key to "STOP" position and
remove key. Always remove key when
leaving tractor to prevent unauthorized
use.
The position of the attachment lift lever
determines the cutting height.
• Grasp lift lever.
• Press plunger with thumb and move
lever to desired position.
The cutting height range is approxi-
mately 1-1/2 to 4". The heights are mea-
sured from the ground to the blade tip with
the engine not running. These heights
are approximate and may vary depending
upon soil conditions, height of grass and
types of grass being mowed.
• The average lawn should be cut to ap-
proximately 2-1/2 inches during the cool
season and to over 3 inches during hot
months. For healthier and better look-
ing lawns, mow often and after moder-
ate growth.
• For best cutting performance, grass
over 6 inches in height should be
mowed twice. Make the first cut rela-
tively high; the second to desired height.
13

TO OPERATE MOWER
Your tractor is equipped with an operator
presence sensing switch. Any attempt
by the operator to leave the seat with the
engine running and the attachment clutch
engaged will shut off the engine.
1. Select desired height of cut.
2. Start mower blades by engaging at-
tachment clutch control.
TO STOP MOWER BLADES -
disengage attachment clutch control.
_CAUTION: Do not operate the mower
without either the entire grass catcher,
on mowers so equipped, or the deflector
shield in place.
Attachment Attachemnt
Lever
"Engaged" High
Position Position
Position
"Disengaged'__
Position Deflector
2. Pull freewheel control out and down
into the slot and release so it is held in
the disengaged position.
• Do not push or tow tractor at more than
two (2) MPH.
• To re-engage transmission, reverse
above procedure.
Transmission Engaged
Transmission Disengaged
NOTE: To protect hood from damage
when transporting your tractor on a truck
or a trailer, be sure hood is closed and
secured to tractor. Use an appropriate
means of tying hood to tractor (rope, cord,
etc.).
TO OPERATE ON HILLS
_.WARNING: Do not drive up or down
hills with slopes greater than 15° and do
not drive across any slope. Use the slope
guide at the back of this manual.
• Choose the slowest speed before start-
ing up or down hills.
• Avoid stopping or changing speed on
hills.
• If slowing is necessary, move throttle
control lever to slower position.
• If stopping is absolutely necessary, push
clutch/brake pedal quickly to brake posi-
tion and engage parking brake.
• Move motion control lever to neutral (N)
position.
IMPORTANT: The motion control lever
does not return to neutral (N) position
when the clutch/brake pedal is depressed.
• To restart movement, slowly release
parking brake and clutch/brake pedal.
• Slowly move motion control lever to
slowest setting.
• Make all turns slowly.
TO TRANSPORT
When pushing or towing your tractor, be
sure to disengage transmission by placing
freewheel control in freewheeling position.
Freewheel control is located at the rear
drawbar of tractor.
1. Raise attachment lift to highest position
with attachment lift control. 14
TOWING CARTS AND OTHER ATTACH-
MENTS
Tow only the attachments that are recom-
mended by and comply with specifications
of the manufacturer of your tractor. Use
common sense when towing. Too heavy
of a load, while on a slope, is dangerous.
Tires can lose traction with the ground and
cause you to lose control of your tractor.
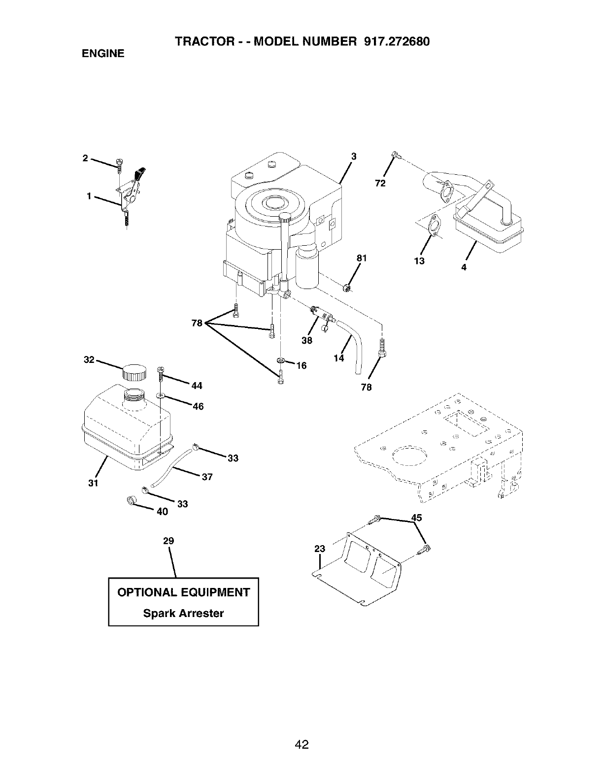
BEFORE STARTING THE ENGINE
CHECK ENGINE OIL LEVEL
The engine in your tractor has been
shipped, from the factory, already filled
with summer weight oil.
1. Check engine oil with tractor on level
ground.
2. Remove oil fill cap/dipstick and wipe
clean, reinsert the dipstick and screw
cap tight, wait for a few seconds, re-
move and read oil level. If necessary,
add oil until "FULl" mark on dipstick is
reached. Do not overfill.
• For cold weather operation you should
change oil for easier starting ((See the
oil viscosity chart in the Maintenance
section of this manual).
• To change engine oil, see the Mainte-
nance section in this manual.

ADD GASOLINE
•Fill fuel tank to bottom of tank filler neck.
Do not overfill. Use fresh, clean, regular
unleaded gasoline with a minimum of
87 octane. (Use of leaded gasoline will
increase carbon and lead oxide deposits
and reduce valve life). Do not mix oil
with gasoline. Purchase fuel in quanti-
ties that can be used within 30 days to
assure fuel freshness.
_CAUTION: Wipe off any spilled oil or
fuel. Do not store, spill or use gasoline
near an open flame.
IMPORTANT: When operating in tempera-
tures below 32°F(0°C), use fresh, clean
winter grade gasoline to help insure good
cold weather starting.
CAUTION: Alcohol blended fuels (called
gasohol or using ethanol or methanol) can
attract moisture which leads to separa-
tion and formation of acids during storage.
Acidic gas can damage the fuel system of
an engine while in storage.
To avoid engine problems, the fuel system
should be emptied before storage of 30
days or longer. Drain the gas tank, start
the engine and let it run until the fuel lines
and carburetor are empty. Use fresh fuel
next season. See Storage Instructions for
additional information.
Never use engine or carburetor cleaner
products in the fuel tank or permanent
damage may occur.
TO START ENGINE
When starting the engine for the first time
or if the engine has run out of fuel, it will
take extra cranking time to move fuel from
the tank to the engine.
1. Be sure freewheel control is in the
transmission engaged position.
2. Sit on seat in operating position,
depress clutch/brake pedal and set
parking brake.
3. Place motion control lever in neutral
(N) position.
4. Move attachment clutch to disengaged
position.
5. Move throttle control to choke position.
NOTE: Before starting, read the warm
and cold starting procedures below.
6. Insert key into ignition and turn key
clockwise to start position and release
key as soon as engine starts. Do
not run starter continuously for more
than fifteen seconds per minute. If the
engine does not start after several
attempts, move throttle control to fast
position, wait a few minutes and try
again. If engine still does not start,
move the throttle control back to the
choke position and retry.
WARM WEATHER STARTING (50 ° F and
above)
7. When engine starts, move the throttle
control to the fast position.
• The attachments and ground drive can
now be used. If the engine does not
accept the load, restart the engine and
allow it to warm up for one minute using
the choke as described above.
COLD WEATHER STARTING ( 50 ° F and
below)
7. When engine starts, allow engine
to run with the throttle control in the
choke position until the engine runs
roughly, then move throttle control
to fast position. This may require an
engine warm-up period from several
seconds to several minutes, depending
on the temperature.
AUTOMATIC TRANSMISSION WARM UP
Before driving the unit in cold weather,
the transmission should be warmed up as
follows:
1. Be sure the tractor is on level ground.
2. Place the motion control lever in
neutral. Release the parking brake
and let the clutch/brake slowly return
to operating position.
3. Allow one minute for transmission to
warm up. This can be done during
the engine warm up period.
• The attachments can also be used dur-
ing the engine warm-up period after the
transmission has been warmed up.
NOTE: If at a high altitude (above 3000
feet) or in cold temperatures (below 32 F)
the carburetor fuel mixture may need to
be adjusted for best engine performance.
(See "TO ADJUST CARBURETOR" in the
Service and Adjustments section of this
manual.)
15

PURGE TRANSMISSION
_i, CAUTION: Never engage or disengage
freewheel lever while the engine is run-
ning.
To ensure proper operation and per-
formance, it is recommended that the
transmission be purged before operating
tractor for the first time. This procedure will
remove any trapped air inside the trans-
mission which may have developed during
shipping of your tractor.
IMPORTANT: Should your transmission
require removal for service or replace-
ment, it should be purged after reinstall-
ation before operating the tractor.
1. Place tractor safely on level surface
with engine off and parking brake set.
2. Disengage transmission by placing
freewheel control in "transmission dis-
engaged" position (See "TO TRANS-
PORT" in this section of manual).
3. Sitting in the tractor seat, start engine.
After the engine is running, move
throttle control to slow position. With
motion control lever in neutral (N)
position, slowly disengage clutch/brake
pedal.
4. Move motion control lever to full
forward position and hold for five (5)
seconds. Move lever to full reverse
position and hold for five (5) seconds.
Repeat this procedure three (3) times.
NOTE: During this step there will be no
movement of drive wheels. The air is being
removed from hydraulic drive system.
5. Move motion control lever to neutral
(N) position. Shutoff engine and set
parking brake.
6. Engage transmission by placing
freewheel control in "transmission
engaged" position (See "TO TRANS-
PORT" in this section of manual).
7. Sitting in the tractor seat, start engine.
After the engine is running, move
throttle control to half (1/2) speed.
With motion control lever in neutral (N)
position, slowly disengage clutch/brake
pedal.
8. Slowly move motion control lever for-
ward, after the tractor moves approxi-
mately five (5) feet, slowly move motion
control lever to reverse position. After
the tractor moves approximately five
(5) feet return the motion control lever
to the neutral (N) position. Repeat this
procedure with the motion control lever
three (3) times.
Your transmission is now purged and
ready for normal operation. 16
MOWING TIPS
• Mower should be properly leveled for
best mowing performance. See "TO
LEVEL MOWER HOUSING" in the
Service and Adjustments section of this
manual.
• The left hand side of mower should be
used for trimming.
• Drive so that clippings are discharged
onto the area that has already been
cut. Have the cut area to the right of
the tractor. This will result in a more
even distribution of clippings and more
uniform cutting.
• When mowing large areas, start by
turning to the right so that clippings will
discharge away from shrubs, fences,
driveways, etc. After one or two rounds,
mow in the opposite direction making
left hand turns until finished.
• If grass is extremely tall, it should be
mowed twice to reduce load and pos-
sible fire hazard from dried clippings.
Make first cut relatively high; the second
to the desired height.
• Do not mow grass when it is wet.
Wet grass will plug mower and leave
undesirable clumps. Allow grass to dry
before mowing.
•Always operate engine at full throttle
when mowing to assure better mow-
ing performance and proper discharge
of material. Regulate ground speed by
selecting a low enough gear to give the
mower cutting performance as well as
the quality of cut desired.
• When operating attachments, select a
ground speed that will suit the terrain
and give best performance of the at-
tachment being used.

MULCHING MOWING TIPS
IMPORTANT: For best performance, keep
mower housing free of built-up grass and
trash. Clean after each use.
• The special mulching blade will recut
the grass clippings many times and
reduce them in size so that as they fall
onto the lawn they will disperse into
the grass and not be noticed. Also, the
mulched grass will biodegrade quickly
to provide nutrients for the lawn. Always
mulch with your highest engine (blade)
speed as this will provide the best recut-
ting action of the blades.
• Avoid cutting your lawn when it is wet.
Wet grass tends to form clumps and
interferes with the mulching action. The
best time to mow your lawn is the early
afternoon. At this time the grass has
dried and the newly cut area will not be
exposed to the direct sun.
• For best results, adjust the mower
cutting height so that the mower cuts
off only the top one-third of the grass
blades. For extremely heavy grass, re-
duce your width of cut on each pass and
mow slowly.
Maxl_
• Certain types of grass and grass
conditions may require that an area be
mulched a second time to completely
hide the clippings. When doing a sec-
ond cut, mow across or perpendicular to
the first cut path.
• Change your cutting pattern from week
to week. Mow north to south one week
then change to east to west the next
week. This will help prevent matting and
graining of the lawn.
17

MAINTENANCE SCHEDULE _,_ ,_-_ ,_,_ _ d_. ,_
AS YOU COMPLETE
REGULAR SERVICE _'__'_" S E R VlCe DATES
/
Check Brake Operation _
Check Tire Pressure
Check Operator Presence and
TInterlock Systems
a Check for Loose Fasteners
Sharpen/Replace Mower Blades
T Lubrication Chart
0Check Battery Level
a Clean Battery and Terminals
Check Transaxle Cooling
Check V-Belts
Check Engine Oil Level
Change Engine Oil (with oil filter)
E Change Engine Oil (without oil filter)
N Clean Air Filter
G Clean Air Screen
N_ Inspect Muffler/Spark Arrester
EReplace Oil Filter (If equipped)
Clean Engine Cooling Fins
Replace Spark Plug
Replace Air Filter Paper Cartridge
Replace Fuel Filter
v'
1 - Change more often when operating under a heavy load or
in high ambient temperatures.
2 - Ee_dce more often when operating in dirty or dusty conditions.
3 - Replace blades more often when mowing in sandy soil
4 - Not required if equipped with maintenancertree battery.
5 - Tighten front axle pivot belt to 35 ft.qbs, maximum.
DO not overtighten.
GENERAL RECOMMENDATIONS
The warranty on this tractor does not
cover items that have been subjected to
operator abuse or negligence. To receive
full value from the warranty, operator
must maintain tractor as instructed in this
manual.
Some adjustments will need to be made
periodically to properly maintain your
tractor.
All adjustments in the Service and Adjust-
ments section of this manual should be
checked at least once each season.
• Once a year you should replace the
spark plug, clean or replace air filter,
and check blades and belts for wear.
A new spark plug and clean air filter
assure proper air-fuel mixture and help
your engine run better and last longer.
BEFORE EACH USE
1. Check engine oil level.
2. Check brake operation.
3. Check tire pressure.
4. Check operator presence and
interlock systems for proper operation.
5. Check for loose fasteners.
LUBRICATION CHART
(# (# Spindle
Zerk Zerk
(#Front Wheel
Bearing
Zerk
q (#Front Wheel
, Zerk
(#General Purpose Grease
_)Refer to Maintenance "ENGINE" Section
IMPORTANT: Do not oil or grease the
pivot points which have special nylon
bearings. Viscous lubricants will attract
dust and dirt that will shorten the life of
the self-lubricating bearings. If you feel
they must be lubricated, use only a dry,
powdered graphite type lubricant spar-
ingly.
18

TRACTOR
Alwaysobservesafety ruleswhen per-
forming anymaintenance.
BRAKE OPERATION
Iftractor requiresmore thansix (6)feet
stoppingdistanceat highspeed in high-
est gear,thenbrake mustbe adjusted.
(See"TO ADJUSTBRAKE"in the Service
and Adjustmentssectionof this manual).
TIRES
4. Reassemblebladebolt, lockwasher
and flat washerinexactorder as
shown.
5. Tightenbladebolt securely(27-35Ft.
Lbs.torque).
IMPORTANT: Bladebolt is heattreated.
Trailing Edge Up Mandrel Assembly
Blade Center
Hole
•Maintain proper air pressure in all tires
(See "PRODUCT SPECIFICATIONS"
section of this manual).
• Keep tires free of gasoline, oil, or insect
control chemicals which can harm rub-
ber.
• Avoid stumps, stones, deep ruts, sharp
objects and other hazards that may
cause tire damage.
NOTE: To seal tire punctures and prevent
flat tires due to slow leaks, tire sealant
may be purchased from your local parts
dealer. Tire sealant also prevents tire dry
rot and corrosion.
OPERATOR PRESENCE SYSTEM
Be sure operator presence and interlock
systems are working properly. If your
tractor does not function as described,
repair the problem immediately.
• The engine should not start unless
the brake pedal is fully depressed and
attachement clutch control is in the
disengaged position.
• When the engine is running, any at-
tempt by the operator to leave the seat
without first setting the parking brake
should shut off the engine.
• When the engine is running and the
attachment clutch is engaged, any at-
tempt by the operator to leave the seat
should shut off the engine.
• The attachment clutch should never op-
erate unless the operator is in the seat.
BLADE CARE
Flat Washer,
Lock Washer
L-'_--Blade Bolt (Grade)*
*A Grade 8 heat treated bolt can be identified
by six lines on the bolt head.
TO SHARPEN BLADE
NOTE: We do not recommend sharp-
ening blade - but if you do, be sure the
blade is balanced.
Care should be taken to keep the blade
balanced. An unbalanced blade will cause
excessive vibration and eventual damage
to mower and engine.
• The blade can be sharpened with a file
or on a grinding wheel. Do not attempt
to sharpen while on the mower.
• To check blade balance, you will need a
5/8" diameter steel bolt, pin, or a cone
balancer. (When using a cone balancer,
follow the instructions supplied with
balancer.)
NOTE: Do not use a nail for balancing
blade. The lobes of the center hole may
appear to be centered, but are not.
• Slide blade on to an unthreaded portion
of the steel bolt or pin and hold the
bolt or pin parallel with the ground. If
blade is balanced, it should remain in a
horizontal position. If either end of the
blade moves downward, sharpen the
heavy end until the blade is balanced.
For best results mower blades must be
kept sharp. Replace bent or damaged
blades.
BLADE REMOVAL
1. Raise mower to highest position to al-
low access to blades.
2. Remove blade bolt, lock washer and
flat washer securing blade.
3. Install new or resharpened blade
with trailing edge up towards deck as
shown.
IMPORTANT: To ensure proper assembly,
center hole in blade must align with star on
mandrel assembly.
Blade
5/8" Bolt or J
Center i
BATTERY
Your tractor has a battery charging system
which is sufficient for normal use. How-
ever, periodic charging of the battery with
an automotive charger will extend its life.
•Keep battery and terminals clean.
•Keep battery bolts tight.
•Keep small vent holes open.
19

• Recharge at 6-10 amperes for 1 hour.
NOTE: The original equipment battery on
your tractor is maintenance free. Do not
attempt to open or remove caps or covers.
Adding or checking level of electrolyte is
not necessary.
TO CLEAN BATTERY AND TERMINALS
Corrosion and dirt on the battery and
terminals can cause the battery to "leak"
power.
1. Disconnect BLACK battery cable first
then RED battery cable and remove
battery from tractor.
2. Rinse the battery with plain water and
dry.
3. Clean terminals and battery cable ends
with wire brush until bright.
4. Coat terminals with grease or petro-
leum jelly.
5. Reinstall battery (See "REPLACING
BATTERY" in the Service and Adjust-
ments section of this manual).
TRANSAXLE COOLING
The transmission fan and cooling fins
should be kept clean to assure proper
cooling.
Do not attempt to clean fan or transmis-
sion while engine is running or while the
transmission is hot. To prevent possible
damage to seals, do not use high pressure
water or steam to clean transaxle.
• Inspect cooling fan to be sure fan blades
are intact and clean.
• Inspect cooling fins for dirt, grass clip-
pings and other materials. To prevent
damage to seals, do not use com-
pressed air or high pressure sprayer to
clean cooling fins.
TRANSAXLE PUMP FLUID
The transaxle was sealed at the factory
and fluid maintenance is not required for
the life of the transaxle. Should the trans-
axle ever leak or require servicing, contact
a Sears or other qualified service center.
V-BELTS
Check V-belts for deterioration and wear
after 100 hours of operation and replace
if necessary. The belts are not adjustable.
Replace belts if they begin to slip from
wear.
ENGINE
LUBRICATION
Only use high quality detergent oil rated
with API service classification SF-SJ.
Select the oil's SAE viscosity grade
according to your expected operating
temperature.
3. Unlock drain valve by pushing inward
slightly and turning counterclockwise.
4. To open, pull out on the drain valve.
5. After oil has drained completely, close
and lock the drain valve by pushing
inward and turning clockwise until the
pin is in the locked position as shown.
6. Remove the drain tube and replace the
cap onto to the end of the drain valve.
7. Refill engine with oil through oil fill dip-
stick tube. Pour slowly. Do not overfill.
For approximate capacity see "PROD-
UCT SPECIFICATIONS" section of this
manual.
8. Use gauge on oil fill cap/dipstick for
checking level. Be sure dipstick cap is
tightened securely for accurate read-
ing. Keep oil at "FULU' line on dipstick.
NOTE: Although multi-viscosity oils
(5W30, 10W30 etc.) improve starting in
cold weather, these multi-viscosity oils will
result in increased oil consumption when
used above 32°F. Check your engine oil
level more frequently to avoid possible
engine damage from running low on oil.
Change the oil after every 25 hours of op-
eration or at least once a year if the tractor
is not used for 25 hours in one year.
Check the crankcase oil level before start-
ing the engine and after each eight (8)
hours of operation. Tighten oil fill cap/
dipstick securely each time you check the
oil level.
TO CHANGE ENGINE OIL
Determine temperature range expected
before oil change. All oil must meet API
service classification SF-SJ.
• Be sure tractor is on level surface.
• Oil will drain more freely when warm.
• Catch oil in a suitable container.
1. Remove oil fill cap/dipstick. Be careful
not to allow dirt to enter the engine
when changing oil.
2. Remove yellow cap from end of drain
valve and install the drain tube onto the
fitting. Oil Drain Valve
Closed
and
Locked
Position t
Yellow
Cap --------
Drain Tube
¢
20

AIR FILTER
Your engine will not run properly using a
dirty air filter. Replace pre-cleaner after
every 25 hours of operation or every
season. Service paper cartridge every
100 hours of operation or every season,
whichever occurs first.
Service air cleaner more often under
dusty conditions.
1. Pull up on air filter cover handle and
rotate towards engine.
2. Remove cover.
3. Carefully remove air filter cartridge and
pre-cleaner from base.
4. Clean base carefully to prevent debris
from falling into carburetor.
NOTE: If very dirty or damaged, replace
cartridge.
5. Place new pre-cleaner and cartridge
firmly in base.
6. Align tabs on cover with slots in blower
housing and replace cover.
7. Hook handle on cover and push down
on handle to close.
IMPORTANT: Petroleum solvents,
such as kerosene, are not to be used
to clean the cartridge. They may cause
deterioration of the cartridge. Do not oil
cartridge. Do not use pressurized air to
clean cartridge.
Handle
Cover
Cartridge
Slots
CLEAN AIR SCREEN
Air screen must be kept free of dirt and
chaff to prevent engine damage from
overheating. Clean with a wire brush or
compressed air to remove dirt and stub-
born dried gum fibers.
ENGINE COOLING FINS
Remove any dust, dirt or oil from engine
cooling fins to prevent engine damage
from overheating.
1. Remove screws from blower housing
and lift housing and dipstick tube as-
sembly off engine.
2. Cover oil fill opening to prevent entry of
dirt.
3. Use compressed air or stiff bristle
brush to thoroughly clean engine cool-
ing fins.
4. Replace blower housing and dipstick
tube assembly
Blower Housing
Screws _-__, Screws
Dipstick Tube_ -_ '_
Assembly _,_._=_
Oil Fill __
Engine Cooling Fins
MUFFLER
Inspect and replace corroded muffler and
spark arrester (if equipped) as it could cre-
ate a fire hazard and/or damage.
SPARK PLUG(S)
Replace spark plug(s) at the beginning of
each mowing season or after every 100
hours of operation, whichever occurs first.
Spark plug type and gap setting are shown
in "PRODUCT SPECIFICATIONS" section
of this manual.
IN-LINE FUEL FILTER
The fuel filter should be replaced once
each season. If fuel filter becomes
clogged, obstructing fuel flow to carbu-
retor, replacement is required.
1. With engine cool, remove filter and
plug fuel line sections.
2. Place new fuel filter in position in fuel
line with arrow pointing towards carbu-
retor.
3. Be sure there are no fuel line leaks and
clamps are properly positioned.
4. Immediately wipe up any spilled gaso-
line.
21

Fuel Filter
CLEANING
• Clean engine, battery, seat, finish, etc.
of all foreign matter.
• Keep finished surfaces and wheels free
of all gasoline, oil, etc.
• Protect painted surfaces with auto-
motive type wax.
We do not recommend using a garden
hose or pressure washer to clean your
tractor unless the engine and transmis-
sion are covered to keep water out. Water
in engine or transmission will shorten the
useful life of your tractor. Use compressed
air or a leaf blower to remove grass,
leaves and trash from tractor and mower.
,_ WARNING: TO AVOID SERIOUS INJURY, BEFORE PERFORMING ANY
SERVICE OR ADJUSTMENTS:
1. Depress clutch/brake pedal fully and set parking brake.
2. Place motion control lever in neutral (N) position.
3. Place attachment clutch in "DISENGAGED" position.
4. Turn ignition key to "STOP" and remove key.
5. Make sure the blades and all moving parts have completely stopped.
6. Disconnect spark plug wire from spark plug and place wire where it cannot
come in contact with plug.
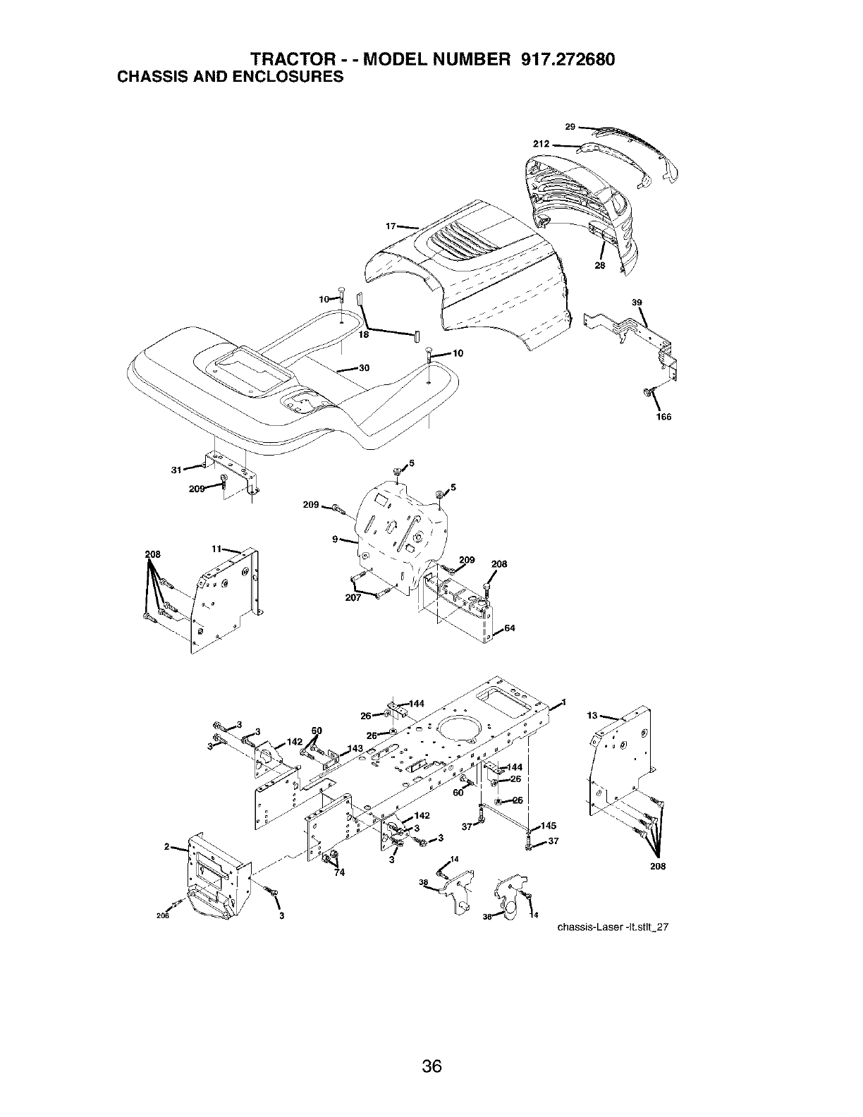
TRACTOR
TO REMOVE MOWER
Mower will be easier to remove from the
right side of tractor.
1. Place attachment clutch in "DISEN-
GAGED" position.
2. Move attachment lift lever forward to
lower mower to its lowest position.
3. Roll belt off engine pulley.
4. Remove small retainer spring, and
remove clutch spring off pulley bolt.
5. Remove large retainer spring, slide
collar off and push housing guide out of
bracket.
6. Disconnect anti-sway bar from chassis
bracket by removing retainer spring.
7. Disconnect suspension arms from rear
deck brackets by removing retainer
springs.
8. Disconnect front links from deck by
removing retainer springs.
9. Raise lift lever to raise suspension
arms. Slide mower out from under trac-
tor.
IMPORTANT: If an attachment other than
the mower deck is to be mounted on the
tractor, remove the front links and hook
the clutch spring Into square hole in frame.
Small Retainer Spring
Clutch Spring
Small Retainer Spring
Clutch Engine Pulley
Retainer Spring
Anti-Swa_
Housing
Large
Retainer
Spring
Collar
Bracket
22
\ (Both Sides)
Deflector
Shield

TO INSTALL MOWER
1. Raise attachment lift lever to its highest
position.
2. Slide mower under tractor with deflec-
tor shield to right side of tractor.
3. Lower lift lever to its lowest position.
4. Connect front links to mower deck and
secure with retainer springs.
5. Connect suspension arms to rear
deck brackets and secure with retainer
springs.
6. Connect anti-sway bar to chassis
bracket and secure with retainer spring.
7. Push clutch cable housing guide into
bracket, slide collar onto guide and
secure with large retainer spring.
8. Place flat washer and clutch spring on
idler pulley bolt and secure with small
retainer spring.
9. Install belt onto engine pulley.
TO LEVEL MOWER HOUSING
Adjust the mower while tractor is parked
on level ground or driveway. Make sure
tires are properly inflated (See "PROD-
UCT SPECIFICATIONS" section of this
manual). If tires are over or underinflated,
you will not properly adjust your mower.
SIDE-TO-SIDE ADJUSTMENT
• Raise mower to its highest position.
• At the midpoint of both sides of mower,
measure height from bottom edge of
mower to ground. Distance "A" on
both sides of mower should be the
same or within 1/4" of each other.
• If adjustment is necessary, make ad-
justment on one side of mower only.
• To raise one side of mower, tighten lift
link adjustment nut on that side.
• To lower one side of mower, loosen lift
link adjustment nut on that side.
NOTE: Each full turn of adjustment nut
will change mower height about 1/8".
• Recheck measurements after adjusting.
Bottom edge Bottom edge
of mower to of mower to
FRONT-TO-BACK ADJUSTMENT
IMPORTANT: Deck must be level side-to
side. If the following front-to-back adjust-
ment is necessary, be sure to adjust both
front links equally so mower will stay level
side-to-side.
To obtain the best cutting results, the
mower housing should be adjusted so
that the front is approximately 1/8" to 1/2"
lower than the rear when the mower is in
its highest position.
Check adjustment on right side of trac-
tor. Measure distance "D" directly in front
and behind the mandrel at bottom edge of
mower housing as shown.
• Before making any necessary adjust-
ments, check that both front links are
equal in length.
• If links are not equal in length, adjust
one link to same length as other link.
• To lower front of mower loosen nut "E"
on both front links an equal number of
turns.
• When distance "D" is 1/8" to 1/2"
lower at front than rear, tighten nuts "F"
against trunnion on both front links.
• To raise front of mower, loosen nut "F"
from trunnion on both front links. Tighten
nut "E" on both front links an equal num-
ber of turns. The two front links must
remain equal in length.
• When distance "D" is 1/8" to 1/2" lower
at front than rear, tighten nut "F" against
trunnion on both front links.
• Recheck side-to-side adjustment.
Both Front Links Should be Equal in Length
Arm
Lift Link N_
Adjustment
23 Front Links
Jt"E"

TO REPLACE MOWER BLADE DRIVE
BELT
The mower blade drive belt may be re-
placed without tools. Park the tractor on
level surface. Engage parking brake.
BELT REMOVAL -
1. Remove mower from tractor (See "TO
REMOVE MOWER" in this section of
manual).
2. Work belt off both mandrel pulleys and
idler pulleys.
3. Pull belt away from mower.
BELT INSTALLATION -
1. Work belt around both mandrel pulleys
and idler pulleys
2. Make sure belt is in all pulley grooves
and inside all belt guides.
3. Install mower (See "To Install Mower" in
this section of this manual).
Mandrel
Pulley
TO CHECK AND ADJUST BRAKE
Your tractor is equipped with an adjustable
brake system which is mounted on the
right side of the transaxle.
If tractor requires more than five (5) feet to
stop at highest speed in highest gear on a
level, dry concrete or paved surface, then
brake must be checked and adjusted.
TO CHECK BRAKE
1. Park tractor on a level, dry concrete or
paved surface, depress clutch/brake
pedal all the way down and engage
parking brake.
2. Disengage transmission by placing
freewheel control in '"transmission dis-
engaged" position. Pull freewheel con-
trol out and into the slot and release so
it is held in the disengaged position.
The rear wheels must lock and skid when
you try to manually push the tractor for-
ward. If the rear wheels rotate, the brake
needs to be adjusted or the pads need to
be replaced.
TO ADJUST BRAKE
1. Depress clutch/brake pedal all the way
down and engage parking brake.
2. Measure distance between brake oper-
ating arm and nut "A" on brake rod.
3. If distance is other than 1-9/16", loosen
jam nut and turn nut "A" until distance
becomes 1-9/16". Retighten jam nut
against nut "A".
4. Engage transmission by placing
freewheel control in "transmission
engaged" position.
5. Road test tractor for proper stopping
distance as stated above. Readjust
if necessary. If stopping distance is
still greater than five (5) feet in highest
gear, further maintenance is neces-
sary. Replace brake pads or contact a
Sears or other qualified service center.
With parking brake "Engaged"
Nut
Arm
Do not touch this nut. If further brake
adjustment is necessary contact a Sears or
other qualified service center.
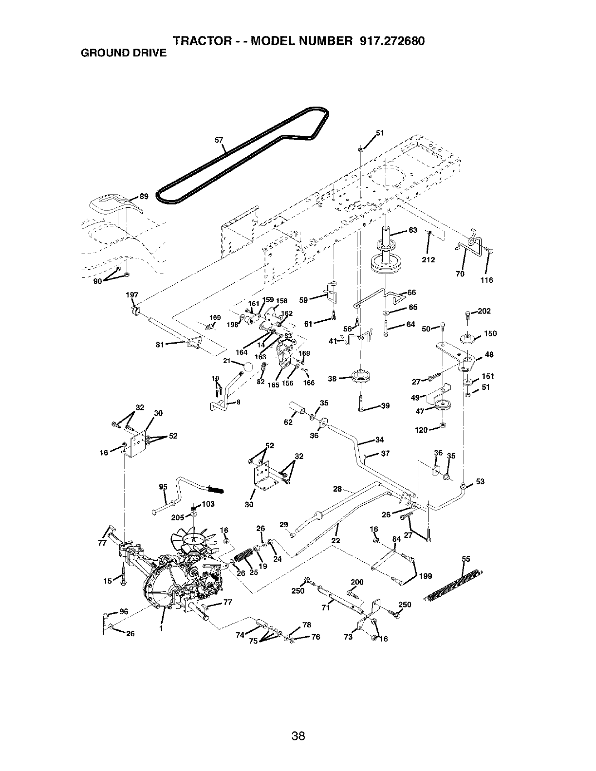
TO REPLACE MOTION DRIVE BELT
Park the tractor on level surface. Engage
parking brake. For assistance, there is a
belt installation guide decal on bottom side
of left footrest.
BELT REMOVAL -
1. Remove mower (See "TO REMOVE
MOWER" in this section of manual).
NOTE: Observe entire motion drive belt
and position of all belt guides and keepers.
2. Remove belt from stationary idler and
clutching idler.
3. Remove belt downward from around
engine pulley.
4. Pull belt slack toward rear of tractor.
Carefully remove belt upwards from
transmission input pulley and over
cooling fan blades.
5. Remove belt from center span keeper
and pull belt away from tractor.
BELT INSTALLATION -
1. Carefully work new belt down around
transmission cooling fan and onto the
24 input pulley.

2. Slidebelt into the center span keeper.
3. Pull belt towardfront of tractorand roll
aroundthe top grooveof enginepulley.
4. Install belt throughstationaryidler and
clutchingidler.
5. Makesure beltis in all pulley grooves
and insideall beltguidesand keepers.
6. Install mower(See"TO INSTALL
MOWER"in this sectionof manual).
Engine Pulley-------_
Clutchingldler_ _1
Staci_niilYsl_ilr_ _t
Keeper
Transmission _ ......."::_:_,i,_'_
Input Pulley /_ .... _
TRANSAXLE MOTION CONTROL
LEVER NEUTRAL ADJUSTMENT
The motion control lever has been preset
at the factory and adjustment should not
be necessary.
1. Loosen adjustment bolt in front of the
right rear wheel, and lightly tighten.
2. Start engine and move motion con-
trol lever until tractor does not move
forward or backward.
3. Hold motion control lever in that posi-
tion and turn engine off.
4. While holding motion control lever in
place, loosen the adjustment bolt.
5. Move motion control lever to the neu-
tral (N) (lock gate) position.
6. Tighten adjustment bolt securely.
NOTE: If additional clearance is needed
to get to adjustment bolt, move mower
deck height to the lowest position.
After above adjustment is made, if the
tractor still creeps forward or backward
while motion control lever is in neutral
position, follow these steps:
1. Loosen the adjustment bolt.
2. Move the motion control lever 1/4 to
1/2 inch in the direction it is trying to
creep.
3. Tighten adjustment bolt securely.
4. Start engine and test.
5. If tractor still creeps, repeat above
steps until satisfied.
Motion Control Lever Neutral
Lock Gate
_, Adjustment Bolt
TRANSMISSION REMOVAL/
REPLACEMENT
Should your transmission require removal
for service or replacement, it should be
purged after reinstallation and before op-
erating the tractor. See "PURGE TRANS-
MISSION" in the Operation section of this
manual.
TO ADJUST STEERING WHEEL
ALIGNMENT
If steering wheel crossbars are not
horizontal (left to right) when wheels are
positioned straight forward, remove steer-
ing wheel and reassemble with crossbars
horizontal. Tighten securely.
FRONT WHEEL TOE-IN/CAMBER
The front wheel toe-in and camber are not
adjustable on your tractor. If damage has
occurred to affect the front wheel toe-in or
camber, contact a Sears or other qualified
service center.
TO REMOVE WHEEL FOR REPAIRS
1. Block up axle securely.
2. Remove axle cover, retaining ring and
washers to allow wheel removal (rear
wheels have a square key - Do not
lose).
3. Repair tire and reassemble.
NOTE: On rear wheels only: align grooves
in rear wheel hub and axle. Insert square
key.
4. Replace washers and snap retaining
ring securely in axle groove.
5. Replace axle cover.
NOTE: To seal tire punctures and prevent
flat tires due to slow leaks, purchase and
use tire sealant from Sears. Tire sealant
also prevents tire dry rot and corrosion.
Washers
Retaining
Ring
Axle
Cover
I
Square Key --_
(Rear Wheel Only)
25

TO START ENGINE WITH A WEAK
BATTERY
,_WARNING: Lead-acid batteries gen-
erate explosive gases. Keep sparks, flame
and smoking materials away from bat-
teries. Always wear eye protection when
around batteries.
If your battery is too weak to start the
engine, it should be recharged. (See "BAT-
TERY" in the MAINTENANCE section of
this manual).
If "jumper cables" are used for emergency
starting, follow this procedure:
IMPORTANT: Your tractor is equipped
with a 12 volt system. The other vehicle
must also be a 12 volt system. Do not use
your tractor battery to start other vehicles.
TO ATTACH JUMPER CABLES -
1. Connect one end of the RED cable
to the POSITIVE (+) terminal of each
battery(A-B), taking care not to short
against tractor chassis.
2. Connect one end of the BLACK cable
to the NEGATIVE (-) terminal (C) of
fully charged battery.
3. Connect the other end of the BLACK
cable (D) to good chassis ground,
away from fuel tank and battery.
TO REMOVE CABLES, REVERSE ORDER
1. BLACK cable first from chassis and
then from the fully charged battery.
2. RED cable last from both batteries.
I
Weak or Dead Fully Charged
Battery Battery
_wPLACING BATTERY
ARNING: Do not short battery
terminals by allowing a wrench or any
other object to contact both terminals at
the same time. Before connecting battery,
remove metal bracelets, wristwatch bands,
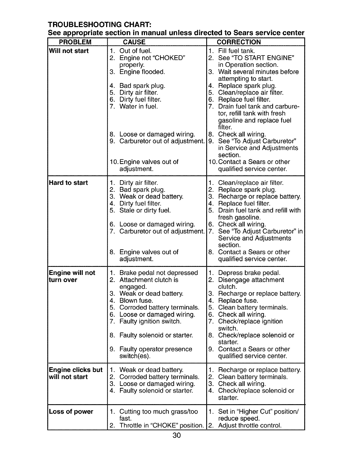
rings, etc.
Positive terminal must be connected
first to prevent sparking from accidental
grounding.
1. Lift seat pan to raised position.
2. Disconnect BLACK battery cable first
then RED battery cable and carefully
remove battery from tractor.
3. Install new battery with terminals in
same position as old battery.
4. First connect RED battery cable to
positive (+) terminal with hex bolt and
keps nut as shown. Tighten securely.
Slide terminal cover over terminal
5. Connect BLACK grounding cable to
negative (-) terminal with remaining
hex bolt and keps nut. Tighten securely.
Terminal _//Keps
Nut_-_ Hex
Bolt
Positive Negative (Black)
(Red) Cable Cable
TO REPLACE HEADLIGHT BULB
1. Raise hood.
2. Pull bulb holder out of the hole in the
backside of the grill.
3. Replace bulb in holder and push bulb
holder securely back into the hole in
the backside of the grill.
4. Close hood.
INTERLOCKS AND RELAYS
Loose or damaged wiring may cause
your tractor to run poorly, stop running, or
prevent it from starting.
•Check wiring. See electrical wiring
diagram in the Repair Parts section.
TO REPLACE FUSE
Replace with 20 amp automotive-type
plug-in fuse. The fuse holder is located
behind the dash.
TO REMOVE HOOD AND GRILL
ASSEMBLY
1. Raise hood.
2. Unsnap headlight wire connector.
3. Stand in front of tractor. Grasp hood at
sides, tilt toward engine and lift off of
tractor.
4. When replacing hood, be sure to re-
connect the headlight wire connector.
26

_°e_ddlightWire
Connector
ENGINE
Maintenance, repair, or replacement of
the emission control devices and systems,
which are being done at the customers ex-
pense, may be performed by any non-road
engine repair establishment or individual.
Warranty repairs must be performed by an
authorized engine manufacturer's service
outlet.
TO ADJUST THROTTLE CONTROL
CABLE
The throttle control has been preset at the
factory and adjustment should not be nec-
essary. Check adjustment as described
below before loosening cable. If adjust-
ment is necessary, proceed as follows:
1. With engine not running, move throttle
control lever from slow to choke posi-
tion. Slowly move lever from choke to
fast position.
2. Check that holes "A" in governor
control lever and hole in governor plate
line-up. If holes "A" are not aligned,
loosen clamp screw and move throttle
cable until holes are aligned. Tighten
clamp screw securely.
Governor Control Lever
Governor Control Plate
in fuel, temperature, altitude or load. If the
carburetor does need adjustment, proceed
as follows:
In general, turning idle mixture valve in
(clockwise) decreases the supply of fuel to
the engine giving a leaner fuel/air mix-
ture. Turning the idle mixture valve out
(counterclockwise) increases the supply
of fuel to the engine giving a richer fuel/air
mixture.
IMPORTANT: Damage to the needle
valve and the seat in carburetor may result
if screw is turned in too tight.
PRELIMINARY SETTING -
1. Air cleaner assembly must be assem-
bled to the carburetor when making
carburetor adjustments.
2. Be sure the throttle control cable is
adjusted properly (see above).
FINAL SETTING -(See "TO ADJUST
THROTTLE CONTROL CABLE" in this
section of the manual.)
1. Start engine and allow to warm for five
minutes. Make final adjustments with
engine running and shift/motion control
lever in neutral (N) position.
2. Move throttle control lever to slow posi-
tion. With finger, rotate and hold throttle
lever against idle speed screw. Turn
idle speed screw to attain 1750 RPM.
3. While still holding throttle lever against
idle speed screw, turn idle mixture
valve full travel clockwise then coun-
terclockwise until engine runs rough.
Turn valve to a point midway between
those two positions. Release throttle
lever.
\\\\
)ttle Cable
Holes "A" Clamp Screw
TO ADJUST CARBURETOR
NOTE: The carburetor on this engine is
low emission. It is equipped with an idle
fuel adjusting needle with a limiter cap,
which allows some adjustment within the
limits allowed by the cap. Do not attempt
to remove the limiter cap. The limiter cap
cannot be removed without breaking the
adjusting needle.
The carburetor has been preset at the
factory and adjustment should not be nec-
essary. However, minor adjustment may
be required to compensate for differences 27

ACCELERATION TEST -
4. Move throttle control lever from slow
to fast position. If engine hesitates or
dies, turn idle mixture valve out (coun-
terclockwise) 1/8 turn. Repeat test and
continue to adjust, if necessary, until
engine accelerates smoothly.
High speed stop is factory adjusted. Do
not adjust or damage may result.
IMPORTANT: Never tamper with the
engine governor, which is factory set
for proper engine speed. Overspeed-
ing the engine above the factory high
speed setting can be dangerous. If you
think the engine-governed high speed
needs adjusting, contact a Sears or other
qualified service center, which has proper
equipment and experience to make any
necessary adjustments.
Idle Speed
,,rew
Lever
Idle Mixture Valve
with Limiter
28

Immediately prepare your tractor for stor-
age at the end of the season or if the trac-
tor will not be used for 30 days or more.
_,WARNING: Never store the tractor
with gasoline in the tank inside a building
where fumes may reach an open flame
or spark. Allow the engine to cool before
storing in any enclosure.
TRACTOR
Remove mower from tractor for winter
storage. When mower is to be stored for a
period of time, clean it thoroughly, remove
all dirt, grease, leaves, etc. Store in a
clean, dry area.
1. Clean entire tractor (See"CLEANING"
in the Maintenance section of this
manual).
2. Inspect and replace belts, if necessary
(See belt replacement instructions in
the Service and Adjustments section of
this manual).
3. Lubricate as shown in the Maintenance
section of this manual.
4. Be sure that all nuts, bolts and screws
are securely fastened. Inspect moving
parts for damage, breakage and wear.
Replace if necessary.
5. Touch up all rusted or chipped paint
surfaces; sand lightly before painting.
BATTERY
•Fully charge the battery for storage.
• After a period of time in storage, battery
may require recharging.
• To help prevent corrosion and power
leakage during long periods of storage,
battery cables should be disconnected
and battery cleaned thoroughly (see "TO
CLEAN BATTERY AND TERMINALS" in
the Maintenance section of this manual).
• After cleaning, leave cables discon-
nected and place cables where they
cannot come in contact with battery
terminals.
• If battery is removed from tractor for
storage, do not store battery directly on
concrete or damp surfaces.
ENGINE
FUEL SYSTEM
IMPORTANT: It is important to prevent
gum deposits from forming in essential
fuel system parts such as carburetor, fuel
hose, or tank during storage.
Also, alcohol blended fuels (called gasohol
or using ethanol or methanol) can attract
moisture which leads to separation and
formation of acids during storage. Acidic
gas can damage the fuel system of an
engine while in storage.
1. Drain the fuel tank.
2. Start the engine and let it run until the
fuel lines and carburetor are empty.
• Never use engine or carburetor cleaner
products in the fuel tank or permanent
damage may occur.
• Use fresh fuel next season.
NOTE: Fuel stabilizer is an acceptable
alternative in minimizing the formation of
fuel gum deposits during storage. Add
stabilizer to gasoline in fuel tank or stor-
age container. Always follow the mix ratio
found on stabilizer container. Run engine
at least 10 minutes after adding stabilizer
to allow the stabilizer to reach the car-
buretor. Do not drain the gas tank and
carburetor if using fuel stabilizer.
ENGINE OIL
Drain oil (with engine warm) and replace
with clean engine oil. (See "ENGINE" in
the Maintenance section of this manual).
CYLINDER(S)
1. Remove spark plug(s).
2. Pour one ounce of oil through spark
plug hole(s) into cylinder(s).
3. Turn ignition key to start position for a
few seconds to distribute oil.
4. Replace with new spark plug(s).
OTHER
• Do not store gasoline from one season
to another.
• Replace your gasoline can if your can
starts to rust. Rust and/or dirt in your
gasoline will cause problems.
• If possible, store your tractor indoors
and cover it to give protection from dust
and dirt.
• Cover your tractor with a suitable pro-
tective cover that does not retain mois-
ture. Do not use plastic. Plastic cannot
breathe which allows condensation to
form and will cause your tractor to rust.
IMPORTANT: Never cover tractor while
engine and exhaust areas are still warm.
29

TROUBLESHOOTING CHART:
See appropriate section in manual unless directed to Sears service center
PROBLEM
Will not start 1.
2.
3.
4.
5.
6.
7.
Hard to start 2.
3.
4.
5.
6.
7.
8.
Engine will not 1.
turn over 2.
3.
4.
5.
6.
7.
8.
9.
Engine clicks but 1.
will not start 2.
3.
4.
Loss of power 1.
2.
CAUSE
Out of fuel. 1.
Engine not "CHOKED" 2.
properly.
Engine flooded. 3.
Bad spark plug. 4.
Dirty air filter. 5.
Dirty fuel filter. 6.
Water in fuel. 7.
8. Loose or damaged wiring. 8.
9. Carburetor out of adjustment. 9.
10. Engine valves out of
adjustment.
1. Dirty air filter. 1.
Bad spark plug. 2.
Weak or dead battery. 3.
Dirty fuel filter. 4.
Stale or dirty fuel. 5.
Loose or damaged wiring. 6.
Carburetor out of adjustment. 7.
Engine valves out of 8.
adjustment.
Brake pedal not depressed 1.
Attachment clutch is 2.
engaged.
Weak or dead battery. 3.
Blown fuse. 4.
Corroded battery terminals. 5.
Loose or damaged wiring. 6.
Faulty ignition switch. 7.
Faulty solenoid or starter. 8.
Faulty operator presence 9.
switch(es).
Weak or dead battery. 1.
Corroded battery terminals. 2.
Loose or damaged wiring. 3.
Faulty solenoid or starter. 4.
Cutting too much grass/too 1.
fast.
Throttle in "CHOKE" position. 2.
CORRECTION
Fill fuel tank.
See "TO START ENGINE"
in Operation section.
Wait several minutes before
attempting to start.
Replace spark plug.
Clean/replace air filter.
Replace fuel filter.
Drain fuel tank and carbure-
tor, refill tank with fresh
gasoline and replace fuel
filter.
Check all wiring.
See "To Adjust Carburetor"
in Service and Adjustments
section.
10. Contact a Sears or other
qualified service center.
Clean/replace air filter.
Replace spark plug.
Recharge or replace battery.
Replace fuel filter.
Drain fuel tank and refill with
fresh gasoline.
Check all wiring.
See "To Adjust Carburetor" in
Service and Adjustments
section.
Contact a Sears or other
qualified service center.
Depress brake pedal.
Disengage attachment
clutch.
Recharge or replace battery.
Replace fuse.
Clean battery terminals.
Check all wiring.
Check/replace ignition
switch.
Check/replace solenoid or
starter.
Contact a Sears or other
qualified service center.
Recharge or replace battery.
Clean battery terminals.
Check all wiring.
Check/replace solenoid or
starter.
Set in "Higher Cut" position/
reduce speed.
Adjust throttle control.
30

TROUBLESHOOTING CHART:
See appropriate section in manual unless directed to Sears service center
PROBLEM
Loss of power
(continued)
Excessive
vibration
Engine continues
to run when
operator leaves
seat with
attachment
clutch engaged
Poor cut - uneven
Mower blades will
not rotate
CAUSE CORRECTION
3. Build-up of grass, leaves
and trash under mower.
4. Dirty air filter.
5. Low oil level/dirty oil.
6. Faulty spark plug.
7. Dirty fuel filter.
8. Stale or dirty fuel.
9. Water in fuel.
10. Spark plug wire loose.
11. Dirty engine air screen/fins.
12. Dirty/clogged muffler.
13. Loose or damaged wiring.
14. Carburetor out of adjustment.
15. Engine valves out of
adjustment.
1. Worn, bent or loose blade.
2. Bent blade mandrel.
3. Loose/damaged part(s).
1. Faulty operator-safety
presence control system.
1. Worn, bent or loose blade.
2. Mower deck not level.
3. Buildup of grass, leaves,
and trash under mower.
4. Bent blade mandrel.
5_ Clogged mower deck vent
from build-up of grass,
leaves, and trash around
mandrels.
1. Obstruction in clutch
mechanism.
2. Worn/damaged mower
drive belt.
3. Clean underside of mower
housing.
4. Clean/replace air filter.
5. Check oil level/change oil.
6. Clean and regap or change
spark plug.
7. Replace fuel filter.
8. Drain fuel tank and refill with
fresh gasoline.
9. Drain fuel tank and carbure-
tor, refill tank with fresh gas-
oline and replace fuel filter.
10. Connect and tighten spark
plug wire.
11 .Clean engine air screen/fins.
12. Clean/replace muffler.
13.Check all wiring.
14. See "To Adjust Carburetor"
in Service and Adjustments
section.
15.Contact a Sears or other
qualified service center.
1. Replace blade.
Tighten blade bolt.
2. Contact a Sears or other
qualified service center.
3. Tighten loose part(s).
Replace damaged parts.
Check wiring, switches and
connections. If not corrected,
contact a Sears or other
qualified service center.
1. Replace blade. Tighten
blade bolt.
2. Level mower deck.
3. Clean underside of mower
housing.
4. Contact a Sears or other
qualified service center.
5. Clean around mandrels to
open vent holes.
1. Remove obstruction.
2. Replace mower drive belt.
31

TROUBLESHOOTING CHART:
See appropriate section in manual unless directed to Sears service center
PROBLEM CAUSE CORRECTION
Mower blades will 3. Frozen idler pulley. 3. Replace idler pulley.
not rotate (con't) 4. Frozen blade mandrel. 4. Contact aSears or other
qualified service center.
1. Engine speed too slow.Poor grass
discharge
Headlight(s) not
working
(if so equipped)
Battery will not
charge
Loss of drive
Engine "backfires"
when turning
engine "OFF"
2. Travel speed too fast.
3. Wet grass.
4. Mower deck not level.
5. Low/uneven tire air pressure.
6. Worn, bent or loose blade.
7. Buildup of grass, leaves and
trash under mower.
8. Mower drive belt worn.
9. Blades improperly installed.
10. Improper blades used.
11. Clogged mower deck vent
holes from buildup of grass,
leaves, and trash around
mandrels.
1. Switch is "OFF".
2. Bulb(s) or lamp(s) burned out
3. Faulty light switch.
4. Loose or damaged wiring.
5. Blown fuse.
.
2.
3.
.
1. Place throttle control in
"FAST" position.
2. Shift to slower speed.
3. Allow grass to dry before
mowing.
4. Level mower deck.
5. Check tires for proper air
pressure.
6. Replace/sharpen blade.
Tighten blade bolt.
7. Clean underside of mower
housing.
8. Replace mower drive belt.
9. Reinstall blades sharp edge
down.
10. Replace with blades listed
in this manual.
11. Clean around mandrels to
open vent holes.
1. Turn switch "ON".
2. Replace bulb(s) or lamp(s).
3. Check/replace light switch.
4. Check wiring and connections.
5. Replace fuse.
Bad battery cell(s). 1.
Poor cable connections. 2.
Faulty regulator 3.
(if so equipped).
Faulty alternator.
1. Freewheel control in
"disengaged" position.
2. Motion drive belt worn,
damaged, or broken.
3. Air trapped in transmission
during shipment or
servicing.
Engine throttle control not
set at "SLOW" position for 30
seconds before stopping
engine.
.
Replace battery.
Check/clean all connections.
Replace regulator.
4. Replace alternator.
1. Place freewheel control in
"engaged" position.
2. Replace motion drive belt.
3. Purge transmission.
1. Move throttle control to
"SLOW" position and allow
to idle for 30 seconds before
stopping engine.
32

TRACTOR - - MODEL NUMBER 917.272680
SCHEMATIC
÷
oEo IIIG oLAoK
BATTERY
RED
AMMETER
(OPTIONAL)
WHITE
jJ
IGNITION
SWITCH
IF
FUSE
I
i@,
i I
CLUTCH/BRAKE
(PEDAL UP)
°LACK
°LACK
SOLENOID
RED
STARTER
BLACK
WHITE
SEAT SWITCH
(NOT OCCUPIED)
i I
i ' i I
i I BLACK
OL,OK(CLUTC";_'i'"] GROUNDING
CONNECTOR
(OPTIONAL) ___ SPARK •
°LACK IGNITION _ PLUG H
UNIT _ GAP
(2 PLUGS ON
TWIN CYL. ENGINES)
LINE
CHARGING SYSTEM OUTPUT 28 VOLTS AC MEN @ 3300 RpM
3 AMP DC @ 3600 RpM {CHARGING SYSTEM D]_CON NECTED)
RED I i
\ 14 VOLTS AC M_N @ 3600 I_pM (LEGHTS OFF)
HEADLIGHTS
//
NON-REMOVABLE
CONNECTIONS
I
FUEL SHUT-OFF SOLENOID
(
ORANGE
NOTE
YOUR TRACTOR IS
EQUIPPED WITH A SPECIAL
ALTERNATOR SYSTEM.
THE LIGHTS ARE NOT
CONNECTED TO THE
BATTERY, BUT HAVE THEIR
OWN ELECTRICAL SOURCE.
BECAUSE OF THIS, THE
BRIGHTNESS OF THE LIGHTS
WILL CHANGE WITH ENGINE
SPEED. AT IDLE THE LIGHTS
WILL DIM. AS THE ENGINE IS
SPEEDED UP, THE LIGHTS
WILL BECOME THEIR BRIGHTEST.
BROWN
IGNITION SWITCH
POSITION CIRCUIT "MAKE"
OFF M+G+A1 NONE
RUN/LIGHT B+A1 A2+L
RUN B+A1 NONE
START 3 + S + AI NONE
REMOVABLE
CONNECTIONS
WIRING INSULATED CLIPS
NOTE: IF WIRING INSULATED CLIPS WERE REMOVED FOR
SERVICING OF UNIT, THEY SHOULD BE REPLACED TO
PROPERLY SECURE YOUR WIRING.
33

TRACTOR - - MODEL NUMBER 917.272680
ELECTRICAL
22
42
41
I
I
I
I
I
I.I
I
{
26
25
_45
I
t
27
\
16
52
29
28
I
I
I
I
l
I
\\
[i
11
\I !
34

TRACTOR - - MODEL NUMBER 917.272680
ELECTRICAL
KEY PART
NO. NO. DESCRIPTION
1 163465 Battery
2 74760412 Bolt Hex Hd 1/4-20unc x 3/4
8 176689 Box Battery Fender
16 176138 Switch, Interlock
21 175688 Harness Asm Light W/4152j
22 4152J Bulb Light #1156
24 4799J Cable Battery 6 Ga 11" red
25 146147 Cable Battery 6 Ga w/16 wire red
26 175158 Fuse 20 AMP
27 73510400 Nut Keps Hex 1/4-20 Unc
28 4207J Cable Ground 6 Ga 12" black
29 121305X Switch Plunger Nc Gray
30 175566 Switch Ign
33 140403 Key lgn
40 179720 Harness Ign
41 71110408 Bolt BIk. Fin Hex 1/4-20 Unc x 1/2
42 131563 Cover Terminal Red
43 178861 Solenoid
45 121433X Ammeter Rectangular 6 Amp
52 141940 Protection Wire Loop
90 180449 Cover Battery Fender
NOTE: All component dimensions given in U.S. inches
1inch =25.4 mm
35

TRACTOR -- MODEL NUMBER 917.272680
CHASSIS AND ENCLOSURES
39
166
208
2O
208
chassis-Laser -It.stlt 27
36

TRACTOR -- MODEL NUMBER 917.272680
CHASSIS AND ENCLOSURES
KEY PART
NO. NO.
1174619
2 176554
3 17060612
5 155272
9 168337X013
10 STD533710
11 174996
13 172105X010
14 17490608
17 185682X558
18 184921
26 STD541437
28 175049
29 174332X599
30 174738X558
31 139976
37 17490508
38 175710
39 174714
60 72140606
64 154798
74 73680600
142 175702
143 154966
144 175582
145 156524
166 171875
206 170165
207 17670508
208 17670608
209 17000612
212 175143
-- 5479J
DESCRIPTION
Chassis Stamping
Drawbar
Screw 3/8-16 x 3/4
Bumper Hood/Dash
Dash
Bolt, Carriage 3/8-16 x 1
Panel, Dash, L.H.
Panel, Dash, R.H.
Screw Thdrol 3/8-16 x 1/2
Hood Assembly Laser
Bumper Extrusion
Nut
Grille Lens Asm
Lens, Laser
Fend/Ftrest Pnt STLT
Bracket, Fender Support
Screw Thdrol 5/16-18 x 1/2 Tyt
Bracket Asm. Pivot Mower Rear
Bracket Pivot Laser
Bolt Rdhd Sqnk 3/8-16 UNC x 3/4
Dash Lower STLT
Nut Crownlock 3/8-16 UNC
Plate Reinforcement STLT
Bracket Swaybar Chassis
Bracket Pnt Footrest STLT
Jod Pivot Chassis/Hood
Screw 13-16 x 3/4
Bolt Shoulder 5/16 -18 TT
Screw Thdrol 5/16-18 x 1/2 TYTT
Screw Thdrol 3/8-16 x 1/2
Screw Hexwsh Thdr. 3/8-16 x 3/4 BL
Insert Lens Reflective
Plug, Button
NOTE: All component dimensions given in U.S. inches
1inch = 25.4 mm
37

TRACTOR - - MODEL NUMBER 917.272680
GROUND DRIVE
16 3_ 52
.103
36
36
• 53
38

TRACTOR - - MODEL NUMBER 917.272680
GROUND DRIVE
KEY PART KEY PART
NO. NO. DESCRIPTION NO. NO. DESCRIPTION
1 Transmission (See Breakdown) 73 169182
Hydro Gear Model 322-0510 74 137057
8 165866 Rod, Shift 75 121749X
10 STD561210 Pin, Cotter 1/8 x 1 76 12000001
14 STD551125 Washer Lock 1/4 77 123583X
15 74490544 Bolt Hex PIghd 5/16-18 Gr. 5 78 121748X
16 73800500 Nut, Lock Hex w/Ins 81 165596
5/16-18 UNC 82 165711
19 73800600 Nut Lock Hex w/Ins 3/8-16 83 19171216
21 130564 Knob 84 169843
22 169498 Rod, Brake 89 164890X428
24 73350600 Nut 90 124346X
25 106888X Spring, Rod, Brake 95 170201
26 19131316 Washer 13/32 x 13/16 x 16 Ga. 96 STD624003
27 STD561210 Pin, Cotter 1/8 x 3/4 103 73940800
28 175765 Rod, Parking Brake
29 71673 Cap, Parking Brake 116 72140608
30 174973 Bracket, Transmission 120 73900600
32 74760512 Bolt Hex 5/16-18 UNC x 3/4 150 175456
34 175578 Shaft, Foot Pedal 151 19133210
35 120183X Bearing, Nylon 156 166002
36 19211616 Washer 158 165589
37 1572H Pin, Roll 159 183900
38 179114 Pulley, Composite 161 72140406
39 74760648 Bolt
41 175556 Keeper, Belt, Idler 162 73680400
47 127783 Pulley, Idler, V-Belt 163 74780416
48 154407 Bellcrank Clutch Grnd Drustl 164 19091010
49 123205X Retainer, Belt 165 165623
50 72110612 Bolt 166 166880
51 STD541437 Nut 168 165492
52 STD541431 NutCrownlock 5/16-18 169 165580
53 105710X Link, Clutch 197 169613
55 105709X Spring, Return, Clutch 198 169593
56 17060620 Screw 3/8-16 x 1 1/4 199 169612
57 140294 V-Belt, Drive 200 72140508
59 169691 Keeper, Belt, Center
61 17120614 Screw 3/8-16 x .875 202 72110614
62 8883R Cover, Pedal
63 175410 Pulley, Engine 205 19171616
64 71170764 Bolt Hex 7/16 x 4 Gr. 5 212 145212
65 10040700 Washer 250 17060612
66 154778 Keeper, Belt Engine Hydro
70 134683 Guide, Be_t, Mower Drive RH
71 169183 Strap, Torque, Lh
Strap, Torque, Rh
Spacer, Axle
Washer 25/32 x 1-1/4 x 16 Ga.
Ring, E
Key, Square
Washer 25/32 x 1-5/8 x 16 Ga.
Shaft Asm Cross
Spring, Torsion
Washer 17/32 x 3/4 x 16 Ga.
Link Transaxle
Console, Shift
Nut Self-Thd Wshd 1/4
Control Asm Bypass Hydro
Spring, Retainer 1"
Nut, Hex Jam Toplock
1/2-20 UNF
Bolt Rdhd Sq Neck 3/8-16 x 1
Nut Lock Fig 3/8-16
Spacer Retainer
Washer 13/32 x 2x 10
Washer 5/16 x 1.0 x 1.25
Bracket Shift Mount
Hub Shift
Bolt Rdhd Sqnk
1/4-20 x 3/4 Gr. 5
Nut Crownlock 1/4-20 Uric
Bolt Hex Fin 1/4-20 x 1
Washer 5/8 x .281 x 10 Ga.
Bracket Pivot Lever
Screw 5/16 x 1.0 x .125
Bolt Shoulder 5/16-18 x .561
Plate Fastener Cross Shaft
Nyliner Snap-tn
Washer Nyliner
Bolt Shoulder 5/16-18 Uric
Bolt RdHd Sqnk
5/16-18 Unc x 1
Bolt Carr. Sh
3/8-16 x 1-3/4 Gr. 5
Washer 17/32 x 1 x 16 Ga.
Nut Hex Flange Lock
Screw 3/8-16 x 3/4
NOTE: All component dimensions given in U.S. inches
1 inch = 25.4 mm
39

TRACTOR - - MODEL NUMBER 917.272680
STEERING ASSEMBLY
-_39
J47
43
J
/8
4O

TRACTOR - - MODEL NUMBER 917.272680
STEERING ASSEMBLY
KEY PART
NO. NO. DESCRIPTION
1 139768 Steering Wheel
2 175131 Axle Assembly
3 169840 Spindle Assembly, L.H.
4 169839 Spindle Assembly, R.H.
5 6266H Bearing, Race, Thrust, Hardened
6 121748X Washer 25/32 x 1-5/8 x 16 Gauge
7 19272016 Washer 27/32 x 1-1/4 x 16 Gauge
8 12000029 Ring, Klip
9 3366R Bearing, Steering Column
10 175121 Draglink
11 STD551137 Washer, Lock
12 73940800 Nut Hex Jam Toplock 1/2-20 Unf
13 136518 Spacer Bearing Axle Front
15 145212 Nut, Hex Flange Lock
17 180641 Shaft Assembly, Steering
26 126847X Bushing, Link, Drag
28 19131416 Washer 13/32 x 7/8 x 16 Gauge
29 17060612 Screw 3/8-16 x 3/4
30 STD561210 Pin Cotter
32 130465 Rod, Tie
36 155099 Bushing, Steering
37 152927 Screw
38 139769 Insert, Steering Wheel
39 19183812 Washer 9/16 x 2-3/8
40 STD541537 Nut Lock Center 3/8-24 Unf
41 100711L Adaptor, Steering Wheel
42 145054X428 Boot, Steering Shaft
43 121749X Washer 25/32 x 1-1/4 x 16 Gauge
44 180640 Extension Shaft Steering
46 121232X Cap, Spindle
47 183226 Fitting, Grease
51 73540400 Nut Crownlock 1/4-28
54 71130420 Bolt Hex 1/4-28unf x 1-1/4 Gr. 8
65 160367 Spacer Brace Axle
67 72140618 Bolt RDHD Sqnk 3/8-16 x 2-1/4
68 169827 Axle, Brace
71 175146 Steering Asm.
82 169835 Bracket Susp. Chassis Front
85 133835 Fastener Christmas Tree
88 175118 Bolt Shoulder 7/16-20
91 175553 Clip Steering
NOTE: All component dimensions given in U.S. inches
1 inch = 25.4 mm
41

TRACTOR - - MODEL NUMBER 917.272680
ENGINE
!' _3
72
31
"33
37
14
13 4
29
\
OPTIONAL EQUIPMENT
Spark Arrester
23
J
J
42

TRACTOR - - MODEL NUMBER 917.272680
ENGINE
KEY PART
NO. NO. DESCRIPTION
1
2
3
170545
17720408
4 137352
13 165291
14 148456
16 STD551237
23 169837
29 137180
31 184900
32 140527
33 123487X
37 137040
38 181654
40 124028X
44 17670412
45 17000612
46 19091416
72 183906
78 17060620
81 73510400
Control Throt/Ch
Screw Hex Thd Cut 1/4-20 xl/2
Engine (See Breakdown)
Briggs Model 31C707-0230-E1
Muffler Exhaust B&S Lt
Gasket 1 313 IdTin Plated
Tube Drain oil easy
Washer Lock Ext Tooth 3/8
Shield Browning/Debris Guard
Arrestor Spark
Tank Fuel 1 25 Fr
Cap Asm Fuel
Clamp Hose BIk
Line Fuel 20"
Plug drain oil easy
Bushing Snap Nyl BIk Fuel Line
Screw Hexwsh Thdrol 1/4-20x3/4
Screw 3/8-16 x 3/4
Washer 9/32 X 7/8 X 16ga
Screw Socket Head 5/16-18 x 1
Screw 3/8-16x1-1/4
Nut Flange 1/4-20 Starter Nut
NOTE: All component dimensions given in U.S. inches
1inch =25.4 mm
43

TRACTOR - - MODEL NUMBER 917.272680
SEAT ASSEMBLY
\
_6 22
21
\
KEY PART
NO. NO.
1 140122
2 140551
3 71110616
4 19131610
5 145006
6 STD541437
7 124181X
8 17000616
9 19131614
10 182493
11 166369
12 121246X
KEY PART
DESCRIPTION NO. NO. DESCRIPTION
Seat 3350 BIk/blk Craftsman 13 121248X
Bracket Pnt Pivot Seat (blk) 14 72050412
Bolt Fin Hex 3/8-16unc X 1 15 134300
Washer 13/32 X 3/4 X 10 Ga 16 121250X
Clip Push In Hinged 17 123976X
Nut Hex Lock w/Ins 3/8-16 Unc 21 171852
Spring Seat Cprsn 2 250 BIk Zi 22 STD541431
Screw 3/8-16 X 1 24 19171912
Washer 13/32 X 1 X 14 Ga 25 127018X
Pan Pnt Seat
Knob Seat Adj Wingnut
Bracket Pnt Mounting Switch
Bushing Snap BIk Nyl 50 td
Bolt Rdhd Sht Nk 1/4-20x1-1/2
Spacer Split 28 X 96 Zinc
Spring Cprsn 1 27 BIk Pnt
Nut Lock 1/4 Lge Fig Gr 5 Zinc
Bolt Shoulder 5/16-18 Unc-2A
Nut Hex Lock w/ins 5/16-18
Washer 17/32 X 1-3/16 X 12 Ga.
Bolt Shoulder 5/16-18 X 62
NOTE: All component dimensions given in U.S. inches
1inch =25.4 mm
44

TRACTOR - - MODEL NUMBER 917.272680
DECALS
13 6 37 7
X
2 13 10
4
20
11
15
14
12
16
KEY PART
NO. NO.
1 156811
2 186801
3 184728
4 184729
5 179128
6 133644
7 184730
9 184899
10 156439
11 138047
12 146046
KEY PART
DESCRIPTION NO. NO. DESCRIPTION
Decal Oper. Instr.
Decal Hood Replacement
Decal Hood, R.H+
Decal Hood, L.H+
Decal Deck "B" 42"
Decal Customer Maintenance
Decal Hood Side LT1000
Decal Fender, Craftsman
Decal Fender Danger
Decal Battery
Decal V-Belt Drive Schematic
13 186787
14 160396
15 186377
16 172331
20 149516
-- 169210
-- 138311
-- 165800X428
-- 165799X428
-- 186959
-- 186960
Decal, Dash Panel
Decal, V-Belt Schematic
Decal, Engine
Decal, Mower Hvy. Duty 12 Ga.
Decal Battery Dngr/Psn Eng
Decal, Bypass
Decal, Lift Handle
Pad Footrest LH STLT
Pad Footrest RH STLT
Owner's Manual, English
Owner's Manual, Spanish
7
4,10
11
KEY PART
NO. NO. DESCRIPTION
1 59192
2 65139
3 106222X
4 59904
5 106732X624
6 278H
7 9040H
8 106108X624
9 106268X
10 7152J
11 104757X428
-- 144334
Cap Value Tire
Stem Value
Tire FTs 15 X 6 0 - 6 Service
Tube Inner Front #35060
Rim Asm 6"front White Service
Fitting Grease
Bearing Flange
Rim Asm 8"rear White Service
Tire R Ts 18x9 5-8 Service
Tube Rear 9 5 X 8 Service
Cap Axle BIk 1 50 X 1 00
Sealant, Tire (10 oz. tube)
NOTE: All component dimensions given in U+S.inches
1 inch = 25.4 mm
45

TRACTOR - - MODEL NUMBER 917.272680
LIFT ASSEMBLY
7
5
13
2
3
65
19
13
31
32
13
19
15
20
46

TRACTOR - - MODEL NUMBER 917.272680
LIFT ASSEMBLY
KEY PART
NO. NO. DESCRIPTION
1 159460 Washer Asm Inner Spring W/Plunger
2 159471 Shaft Asm. Lift
3 105767X Pin Groove
4 12000002 E Ring #5133-62
5 19211621 Washer21/32x1 x21 Ga.
6 120183X Bearing Nylong
7 125631X Grip Handle Fluted
8 122365X Button Plunger Read
11 139865 Link Asm Lift L.H.
12 139866 Link Asm Lift R.H.
13 STD624008 Retainer Spring
15 173288 Link Front
16 73350800 Nut Jam Hex 1/2-13 Unc
17 175689 Trunnion
18 73800800 Nut Lock w/VVsh 1/2-13 Unc
19 139868 Arm Suspension Mower
20 163552 Retainer Spring
31 169865 Bearing, Pvt. Lift
32 73540600 Nut Crownlock 3/8-24
NOTE: All component dimensions given in U.S. inches
1 inch = 25.4 mm
47

TRACTOR - - MODEL NUMBER 917.272680
MOWER DECK
68
34
106/_ 102 103 105
103_ \/F J //
1011_ "104 106
102/'_'
_130
16
21
23 24
\.\ I
28 \
29 _27
56
42 D man4-Dath stir 3.
21
13_
10_
9_
18
, 11
48

TRACTOR - - MODEL NUMBER 917.272680
MOWER DECK
KEY PART KEY PART
NO. NO. DESCRIPTION NO. NO.
1 165892 Mower Deck Assembly, 42" 52 139888
2STD533107 Bolt 53 184907
3 138017 Bracket Assembly, Sway Bar, 54 178515
Front 55 155046
4 165460 Bracket Sway Bar 38/42" Deck 56 165723
5 STD624008 Retainer Spring 59 141043
6 178024 Bar Sway Deck 67 149846
8 850857 Bolt, Hex 3/8-24 x 1.25 Gr. 8 68 144959
9 STD551137 Washer, Lock 92 STD541437
10 140296 Washer, Hardened 101 136420
102 71081010
(The following blades are 103 19061216
available) 104 STD551110
11 134149 Blade, 42" Mulching STD (For 105 160793
mulching mowers only) 106 2029J
-- 139775 Blade, 42" Mulching Premium 129 19131312
(For better wear when mulching) 130 STD523710
- - 138971 Blade, 42" Hi-Lift (For bagging
or discharging)
13 137645 Shaft Assembly, Mandrel, 131 STD533710
Vented 142 165890
14 128774 Housing, Mandrel, Vented 143 157109
15 110485X Bearing, Ball, Mandrel 144 158634
16 174493 Stripper, Vented Mower Deck 145 165888
18 72140505 Bolt, Carriage 5/16-18x 5/8 146 171977
19 132827 Bolt, Shoulder 147 131335
20 159770 Baffle, Vortex 148 169022
21 STD541431 Nut Crownlock 5/16-18 UNC 149 165898
23 177563 Bracket, Deflector 150 19091216
24 105304X Cap, Sleeve 151 169670
25 123713X Spring, Torsion, Deflector 152 169676
26 110452X Nut, Push 153 169674
27 130968X428 Shield, Deflector 154 169675
28 19111016 Washer 11/32x5/8x16Ga. 155 169671
29 131491 Rod, Hinge 156 169672
30 173984 Screw Thdrol Washer Head 157 169669
31 129963 Washer, Spacer 158 17720408
32 153535 Pulley, Mandrel 159 72140614
33 178342 Nut, Toplock, Flanged 184 19131410
34 STD533717 Bolt Carriage 3/8-16 x 1 3/4 - - 130794
36 131494 Pulley, Idler, Flat
37 STD551037 Washer 13/32 x 13/16 x 16 Ga.
40 STD541437 Nut Crownlock 3/8-16 UNC
44 140088 Guard, Mandrel, LH. - - 169583
45 STD624003 Retainer
46 137729 Screw, Thd. Roll 1/4-20 x 5/8
48 133944 Washer, Hardened
DESCRIPTION
Bolt, Shoulder 5/16-18 UNC
Arm Assembly, Pad, Brake
Washer, Hardened
Arm, Idler
Spacer, Retainer
Guard, TUV Idler
Knob Custom Oval
V-Belt
Nut
Mulcher Cover
Screw
Washer #10
Washer, Lock
Latch Assembly, Bagger
Nut, Weld
Washer 13/32 x 13/16 x 12 Ga.
Bolt, Fin Hex
3/8-16 UNC x 1 Gr. 5
Bolt, Rdhd Sqnk 3/8-16UNC x 1
Arm Spring Brake Mower
Bracket Arm Idler 42"
Keeper Belt 42" Clutch Cable
Pulley Idler Flat
Bolt Carriage Idler
Spring Extension
Spring Return Idler
Retainer Spring Yellow Zinc
Washer 9/32 x 3/4 x 16 Ga.
Bracket Clutch
Cable Clutch 42 In
Washer Flat 3/8"Type B
Spring Retainer
Spring Retention Lever
Spacer
Rod Clutch
Screw Hex Thd Cut 1/4-20 x 1/2
Bolt Rdhd Sqn 3/8-16 Unc x 3/4
Washer 13/32 x 7/8 x 10 Ga.
Mandrel Assembly (Includes
Housing, Shaft and Shaft
Hardware Only-Pulley Not
Included
Replacement Mower, Complete
NOTE: All component dimensions given in U.S.inches
1 inch = 25.4 mm
49

O9O
\ 76
18
82
78
16 73
32
12
64
93
7
59
63
3O
48
125
•83
19
20W50 OIL/57
SEAL AND O-RING KIT/'.127
128
88
gO0
=o
m_
ml
r- =
z_
:Dr-
_z
_c
fO
=o=
-'rn
Q_
_0
io
o')
Oo
(:)

TRACTOR - - MODEL NUMBER 917.272680
HYDRO TRANSAXLE - - MODEL NUMBER 322-0510
KEY PART KEY PART
NO. NO. DESCRIPTION NO. NO. DESCRIPTION
1 170351 Main Housing, Assembly 60 142883 Brake Puck
2170352 Side Housing, Assembly 61 142882 Puck Plate
3 170353 Center Section, Assembly 62 142887 Brake Actuating Pin
4 170354 Swashplate, Trunion Machined 63 170410 HPHCS 1/4-20X2 W/Patch,
5 169898 Block- Assembly Special Flange
6 170355 Sealant 64 142892 Bolt, 1/4-20 X 1 W/Patch
7 170356 Hex Flange Screw 1/4-20 X 1.25 65 170411 Spacer
8 170357 Stud, 5/16-24 Hex Double End 66 170412 Spring, Brake Arm Bias
9 170358 Shaft, Input 67 170413 SQ. HD. BOLT 5/16-24-Ribbed
10 170359 Ring - Retaining 68 170414 Arm, Brake
11 170360 Spacer 69 170415 Slotted Hex Nut 5/16-24
12 169870 Ring - Retaining 70 170416 Cotter Pin 3/32 X 3/4
13 170361 Seal, Lip .67 X 1.58 X .276 71 170417 Compression Spring Brake Anti-
14 173158 Ball Brg 17MM ID X 40MM OD X Drag
12MM 72 170418 Washer, HT .5 I.D. X 10.D. X
16 170362 Hex FLlange Head Screw 5/16-24 .032
X 0.75 73 142884 Plat - Washer 11/32 I.D. X 7/8
17 170363 Lip Seal 18 X 32 X 7 O.D.
18 170364 Arm, Control 74 170419 Oil Seal .625 X 1.0 X .25
19 173159 Bearing, 30X52X13 Thrust 75 170420 Check Plug Assembly, .027,
23 170365 Check Plug Assembly, Washer Washer
24 170366 Shaft, Motor1 76 170421 Stud, 5/16-24 Friction Pack
27 170367 Gear- Pinion, 13T 77 170422 Puck, .330 X 1.50 X .0975
28 170368 10T/48T GEAR 78 142969 Spring, Helicl Comp
29 170369 Gear, 10T Jackshaft 79 142980 Spacer
30 170370 60T Bull Gear 80 150778 Hex Lock Nut 5/16-24
31 170371 Sleeve Bearing .75 X 1.575 X UNJF(Nylon Insert)
.625 81 170423 Wedge, Friction Pack
32 170389 Sleeve Bearing 82 170424 Clip, Washer .316X1.50X.1046
(Outboard).75X1.750X.625 (Plated)
33 142991 Washer, 3/4 ID X 1-1/20D X .13 83 161168 Pin, Standard Headless
THK 84 170425 Fitting, 5/16 Sae 5/32 Tube
34 170390 Lip Seal Axle Seal 85 170426 Hose, Expansion Tank
35 170391 Shaft, Axle .75 X 11.39 (Key, 87 173160 Cap, Vent
R.H.) 88 170429 Bolt, Self Tapping 10-32 X 1/2
36 170392 Shaft, Axle .75 X 16.99 (Key, 90 170430 Puck, Inner Wedge
L.H.) 93 170431 Spring Clip - Housing Thrust
37 150792 Miter Gear (SPLINED) 107 170432 Deflector
38 150793 Miter Gear 15T (0.5 ID) 108 170433 Washer, Motershaft
39 150809 Shaft .711DX1.15ODX.030THK
40 170393 Ring, Spiral Retaining 109 170434 Plug, Sae #6
41 170394 Pin, Jackshaft 111 170435 O-ring .07 x.301 I.D.
42 170395 Magnet, Rting 113 170437 Bracket, Support Expansion
43 170396 Spring, Bypass Tank
44 150797 Hydro mtg Screw 3/8-24 X 2.5 116 170438 Slilicon Sponge
Long 119 173161 Pan
45 170397 Flilter 120 170440 Pulley
46 170398 Base, Filter 122 173162 #12T.E Screw-lindented Hex
47 170399 Actuator, Bypass Washer Head
48 170400 Rod, Bypass Actuator 123 173163 Bracket Belt Keeper
49 170401 Arm, Bypass 124 170444 Center Section-Filter-Bypass
50 170402 Retaining Ring .250 External Assembly
51 170403 Seal, Lip .741 X .250 X .250 TC 125 170445 Filter Assembly
52 170404 Flat Washer, 5/8 ID X 1.00D X 126 173164 Pan - Pulley Service Aassembly
.05 THK 127 170447 Seal - O-ring Kit
53 170405 Retaining Ring 128 173165 Kit, ExpansionTank
54 170406 Bearing, Center Block 900 171613 Transaxle, complete
55 142977 Spring - Helical Compression
56 142978 Washer NOTE: All component dimensions given in
57 150798 20W-50 OIL72.8 oz U.S. inches 1 inch = 25.4 mm
58 170407 Brake Yoke
59 170408 Rotor, Brake
51

TRACTOR - - MODEL NUMBER 917.272680
BRIGGS & STRATTON ENGINE-MODEL NUMBER 31C707,TYPE NUMBER 0230-E1
2_ 27
434
3o7_
358 ENGINE GASKET SET
868_
12 943 o
20@ 8170 1022
51 691 (_
524_ 8420
24
741@
127o
8_6_1_
584_
9_
1264_
1019 LABEL KIT
1058 OWNER'S MANUAL
[ 1036 EMISSION LABEL I
150
24
31 C707-0230-E 1
52

TRACTOR - - MODEL NUMBER 917.272680
BRIGGS & STRATTON ENGINE-MODEL NUMBER 31C707,TYPE NUMBER 0230-E1
238 <3
35
1022
914
1022
1095 VALVE GASKET SET
617 {_ 1022
868
5240
616
4°4_14R
[_5o5_
5_ _ 1_8_
216_ 202///_ 222d_>_,/
_ 2090W_65#
267 _
334
o51_'_1 7o9_
31C707J0230-E 1
53

TRACTOR - - MODEL NUMBER 917.272680
BRIGGS & STRATTON ENGINE-MODEL NUMBER 31C707,TYPE NUMBER 0230-E1
231
127G
137
276_D
95e_
1091 ]
947_
634A_ )
_L118
601
240
1266A
93_
95 _'
121 CARBURE_R OVERHA_ET
104 _ 1270 231'_
105 [_ 137_, 276@
634 _._
106_ 142 617_'U
117_
987(_
1266A_
977CARBUREK_RGASKETSET
137(_ 276@
54

TRACTOR - - MODEL NUMBER 917.272680
BRIGGS & STRATTON ENGINE-MODEL NUMBER 31C707,TYPE NUMBER 0230-E1
305A
643
968
801
803_ 310_
311
579 _ _ 503_
462
802 @
8o_A
544A513_ _o3,, 3,oi
10__ 1A
31
NOTE: For Replacement Starter Motor,
See Reference 309.
3o_
729
697 _
74_
75@
1070
1005 _ 1044_
1051_
363#_ _ 783_ j
55

TRACTOR - - MODEL NUMBER 917.272680
BRIGGS & STRATTON ENGINE-MODEL NUMBER 31C707,TYPE NUMBER 0230-E1
KEY PART KEY PART
NO. NO. DESCRIPTION NO. NO. DESCRIPTION
1 697174 Cylinder Assembly 118 697492 Jet-Main (High Altitude)
2 399265 Kit-Bushing/Seal (Magneto 121 697241 Kit-Carburetor Overhaul
Side) _ . 125 697190 Carburetor
3 391086 • Seal-Oil (Magneto bide) 127 695005 Plug-Welch
4 697106 Sump-Engine 130 691750 Valve-Throttle
5 698147 Head-Cylinder 131 494379 Kit-Throttle Shaft
7 692410 .+ Gasket-Cylinder Head 133 494381 Float-Carburetor
9 697109 • Gasket-Breather 137 281165 {3:1:Gasket-Float Bowl
10 697157 Screw (Breather Assembly) 141 495097 Kit-Choke Shaft (Manual
11 697113 Tube-Breather Choke)
12 697110 • Gasket-Crankcase 141A 495931 Kit-Choke Shaft (Choke A
13 690360 Screw (Cylinder Head) Matic)
15 690946 Plug-Oil Drain 142 697140 {3 Nozzle-Carburetor
16 697127 Crankshaft 146 691639 Key-Timing
20 690947 • Seal-Oil (PTO Side) 186 692317 Connector-Hose
22 692125 Screw (Crankcase Cover/ 187 691050 Line-Fuel (Cut to Required
Sump) Length)
23 693557 Flywheel 188 691693 Screw (Control Bracket)
24 222698 Key-Flywheel 192 691986 Adjuster-RockerArm
25 697159 Piston Assembly (Standard) 202 691841 Link-MechanicalGovernor
697160 Piston Assembly (.010" Over- 209 692208 Spring-Governor
size) 216 691840 Link-Choke
697162 Piston Assembly (.020" Over- 222 694042 Bracket-Control
size) 227 691374 Lever-Governor Control
697163 Piston Assembly (.030" Over- 231 691636 Screw (Choke Valve)
size) 232 691842 Spring-Governor
26 697164 Ring Set (Standard) 238 691843 Cap-Valve
697165 Ring Set (.010 Oversize) 240 394358 Filter-Fuel
697171 Ring Set (.020','Oversize) 265 691024 Clamp-Casing
697172 Ring Set (.030 Oversize) 267 695134 Screw (Casing Clamp)
27 697100 Lock-PistonPin 276 692255 {3:1:Washer-Sealing
28 697099 Pin-Piston 304 698402 Housing-Blower
29 697126 Rod-Connecting (Standard) 305 697102 Screw (Blower Housing)
32 692852 Screw (Connecting Rod) 305A 697103 Screw (Blower Housing)
33 495856 Valve-Exhaust 306 697107 Shield-Cylinder
34 495857 Valve-Intake 307 691003 Screw {Cylinder Shield)
35 691279 Spring-Valve (Intake) 309 693551 Motor-Starter
36 691279 Spring-Valve (Exhaust) 309A ........ Motor-Starter (For Replace-
37 697352 Guard-Flywheel ment
40 691752 Retainer-Valve Starter Motor, See Reference
43 691968 Slinger-Governor/Oil 309)
45 690564 Tappet-Valve 310 690323 Bolt (Starter Motor)
46 697687 Camshaft 311 497608 Brush Set
48 697761 Short Block (31C707-0230-E2 311A 395538 Brush Set
Replacement 333 492341 Armature-Magneto
Engine-art not available) 334 691061 Screw (Magneto Armature)
50 690193 Manifold-Intake 337 491055 Plug-Spark
51 692137,,{3:[:+ Gasket-Intake 358 697191 Gasket Set-Engine
53 690227 Stud (Carburetor) 363 19203 Flywheel Puller
54 691148 Screw (Intake Manifold)
73 697384 Screen-Rotating RPM Settings: Low Speed: 1900-2100
74 697987 Screw (Rotating Screen) High Speed: 3000-3200
75 690582 Washer (Flywheel)
78 691003 Screw (Flywheel Guard) - Included in Engine Gasket Set, Key.No. 358
93 690602 {3 Bushing-Throttle Shaft {3 Included in Carburetor Overhaul Kit, Key.No.
94 498030 Kit-Idle Mixture 121
95 691636 Screw (Throttle Valve) :I: Included in Carburetor Gasket Set, Key. No.
98 495800 Kit-Idle Speed 977
104 690525 {3 Pin-Float Hinge + Included in Valve Gasket Set, Key.No. 1095
105 231855 {3 Valve-Float Needle
106 690577 {3 Seat-Inlet NOTE: All component dimensions given in
108 690464 Valve-Choke (Manual Choke) U.S. inches 1 inch = 25.4 mm
108A 692344 Valve-Choke (Choke A Matic)
117 694352 {3 Jet-Main (Standard)
56

TRACTOR - - MODEL NUMBER 917.272680
BRIGGS & STRATTON ENGINE-MODEL NUMBER 31C707,TYPE NUMBER 0230-E1
KEY PART KEY PART
NO. NO. DESCRIPTION NO. NO. DESCRIPTION
383 89838 Wrench-Spark Plug 851 692424 Terminal-Spark Plug
404 691691 Washer (Governor Crank) 868 690968 °+ Seal-Valve
431 697122 Elbow-Intake 876 495877 Kit-Pinion Spring
445 698083 Filter-Air Cleaner Cartridge 877 393456 Wire-Connector/Alternator
462 691261 Washer (Starter Cable) 896 691641 Pin-Drive Retainer
474 696459 Alternator 914 690960 Screw (Rocker Cover)
503 691532 Strap-Starter 947 694393 Solenoid-Fuel
505 691251 Nut (Governor Control Lever) 950 691657 Screw (Float Bowl)
510 693699 Drive-Starter 967 697015 Filter-Pre Cleaner
510A 497606 Drive-Starter 968 698403 Cover-AirCleaner
513 692024 Clutch-Drive 975 495933 Bowl-Float
523 697086 Dipstick 977 690192 Gasket Set-Carburetor
524 691032 ,SeaI-DipstickTube 987 691326 {3 Seal-Throttle Shaft
525 697184 Tube-Dipstick 1005 697853 Fan-Flywheel
544 692034 Starter-Armature 1019 697143 Kit-Label
544A 390837 Starter-Armature 1022 272475 ,+ Gasket-Rocker Cover
552 697144 Bushing-Governor Crank 1023 692492 Cover-RockerArm
562 691119 Bolt (Governor Control Lever) 1026 692003 Rod-Push (Intake)
579 691029 Nut (Starter Cable) .... 692011 Rod-Push (Exhaust)
584 697112 Cover-BreatherPassage 1029 691751 Arm-Rocker
601 95162 Clamp-Hose 1034 690822 Guide-Push Rod
614 691620 Pin-Cotter 1036 695700 Label-Emission
616 692012 Crank-Governor 1040 698368 Plate-Trim
617 692138 {3° SeaI-O Ring (Intake Manifold) 1044 691658 Screw (Flywheel)
634 690801 {3 Spring/Seal Assembly (Manual 1051 691265 Ring-Retaining
Choke) 1058 275038 Owner's Manual
634A 690802 {3 Spring/Seal Assembly (Choke 1070 690372 Screw (Flywheel Fan)
A Matic) 1083 691626 Nut (StarterTerminal)
635 691909 Boot-Spark Plug 1083A690958 Nut (StarterTerminal)
643 698401 Retainer-AirFilter 1090 691293 Retainer-Brush
654 690958 Nut(Carburetor) 1091 691333 Cap-Limiter
691 692407 • Seal-Governor Shaft 1095 690190 Gasket Set-Valve
697 690372 Screw (Drive Cap) 1119 691183 Screw (Alternator)
718 690959 Pin-Locating 1263 697124 Reed-Breather
729 691224 Clip-Wire 1264 697104 Screw (Breather Reed)
741 697128 Gear-Timing 1265 697125 Support-Blower Housing
757 697607 Link-Counterweight 1266 691917 ,{3 SeaI-O Ring (Intake Elbow)
758 697134 Counterweight 1266A697123 {3 SeaI-O Ring (Intake Elbow)
759 697392 Pin-Counterweight 1267 697575 Latch-BIowerHousing
783 693713 Gear-Pinion 1270 697156 Plug-AVS Counterweight
783A 693059 Gear-Pinion 1279 690960 Screw (Blower Housing Sup-
789 698329 Harness-Wiring port)
797 693167 Nut (Brush Retainer)
801 691283 Cap-Drive RPM Settings: Low Speed: 1900-2100
801A 394856 Cap-Drive High Speed: 3000-3200
802 691286 Cap-End
802A 395537 Cap-End -- Included in Engine Gasket Set, Key.No. 358
803 693757 Housing-Starter {3 Included in Carburetor Overhaul Kit, Key.
803A 398159 Housing-Starter No. 121
830 691095 Stud (Rocker Arm) :I: Included in Carburetor Gasket Set, Key. No.
842 691031 • SeaI-O Ring (DipstickTube) 977
847 697611 Dipstick/Tube Assembly + Included in Valve Gasket Set, Key.No. 1095
NOTE: All component dimensions given
in U.S. inches 1 inch = 25.4 mm
57

58

SUGGESTED GUIDE FOR SIGHTING SLOPES FOR SAFE OPERATION
¢.o
_IL ARNING: To avoid serious injury, operate your tractor up and
down the face of slopes, never across the face, Do not mow
slopes greater than 15 degrees, Make turns gradually to prevent
tipping or loss of control, Exercise extreme caution when
changing direction on slopes,
1. Fold this page along dotted line indicated above.
2. Hold page before you so that its left edge is vertically parallel to atree
trunk or other upright structure.
3. Sight across the fold in the direction of hill slope you want to measure.
4. Compare the angle of the fold with the slope of the hill.

Your Home
For repair - in your home - of all major brand appliances,
lawn and garden equipment, or heating and cooling systems,
no matter who made it, no matter who sold it!
For the replacement parts, accessories and
owner's manuals that you need to do-it-yourself.
For Sears professional installation of home appliances
and items like garage door openers and water heaters.
1-800-4-MY-HOME ® Anytime, day or night
(1-800-469-4663) (U.S.A. and Canada)
www.sears.com www.sears.ca
Our Home
For repair of carry-in products like vacuums, lawn equipment,
and electronics, call or go on-line for the nearest
Sears Parts and Repair Center.
1-800-488-1222 Anytime, day or night (U.S.A. only)
www.sears.com
To purchase a protection agreement (U.S.A.)
or maintenance agreement (Canada) on a product serviced by Sears:
1-800-827-6655 (U.S.A.) 1-800-361-6665 (Canada)
Para pedir servicio de reparaciSn
a domicUio, y para ordenar piezas:
1-888-SU-HOGAR _
(1-888-784-6427)
Au Canada pour service en fran£ais:
1-800-LE-FOYER Mc
(1-800-533-6937)
www.sears.ca
SE/AR
@Sears R0ebuck andCo.
® Registered Trademark /TMTrademark /SMService Mark of Sears Roebuck and Co.
® Mama Registrada /TMMarca de Fabrica /sM Marca de Servicio de Sears. Roebuck and Co.
MCMarque de commerce /MDMarque d6posee de Sears Roebuck and Co.
186959 Rev. 1 4.24.03 RD/MH Printed in U.S.A.