Craftsman 917 2933 Users Manual
917293300 917293300 CRAFTSMAN TILLERS - Manuals and Guides L0909325 View the owners manual for your CRAFTSMAN TILLERS #917293300. Home:Lawn & Garden Parts:Craftsman Parts:Craftsman TILLERS Manual
CRAFTSMAN Rear Tine, Gas Tiller Manual L0909325 CRAFTSMAN Rear Tine, Gas Tiller Owner's Manual, CRAFTSMAN Rear Tine, Gas Tiller installation guides
9172933 85084c04-7181-4697-8986-79c12dc45d60 Craftsman Tiller 917.2933 User Guide |
2015-01-05
: Craftsman Craftsman-917-2933-Users-Manual-161211 craftsman-917-2933-users-manual-161211 craftsman pdf
Open the PDF directly: View PDF
.
Page Count: 36

Owner's Manual
P
®
5.5
17 iNCH TI WIDTH
TI WroTH
COUNTER ROTATI
TmLLE
Model No.
917.293300
TINES
oSafety
Assembly
Operation
o Maintenance
Repair Parts
CAUTION:
Read and follow all
Safety Rules and Instructions
before operating this equipment
Sears, Roebuck and Co., Hoffman Estates, IL 60179

Warranty ................................................. 2
Safety Rules .............................................. 2
Product Specifications .......................... 4
Assembly ................................................ 5
Operation ......................................... 3 & 8
Maintenance ......................................... I3
Service and Adjustments ....................... 15
Storage .......................................... 3 & 19
Troubleshooting .................................... 20
Illustrated Parts List .............................. 22
Parts Ordering ....................... Back Cover
LIMITED TWO YEAR WARRANTY ON CRAFTSMAN TILLER
For two (2) years from date of purchase, when this Craftsman Tiller is maintained, lubri-
cated, and tuned up according to the operating and maintenance instructions in the
owner's manual, Sears will repair free of charge any defect in material or workmanship.
This Warranty does not cover:
o Expendable items which become worn during normal use, such as tines, spark plugs,
air cleaners and belts.
,, Repairs necessary because of operator abuse or negligence, including bent crank-
shafts and the failure to maintain the equipment according to the instructions con-
tained in the owner's manual.
o If this Craftsman Tiller is used for commercial or rental purposes, this Warrant.v,
applies for only thirty (30) days from the date of purchase.
Warranty service is available by returning the craftsman power mower to the nearest
sears service center/department in the united states. This warranty applies only while
this product is in use in the united states.
This Warranty gives you specific legal rights, and you may also have other rights which
vary from state to state.
SEARS, ROEBUCK AND COo, D/817WA, HOFFMAN ESTATES, IL 60179
TRAINING
• Read the Owner's Manual carefully. Be
thoroughly familiar with the controls and
the proper use of the equipment. Know
how to stop the unit and disengage the
controls quickly.
o Never allow children to operate the
equipment. Never allow adults to oper-
ate the equipment without proper
instruction°
= Keep the area of operation clear of all
persons, particularly small children, and
pets.
PREPARATION
° Thoroughly inspect the area where the
equipment is to be used and remove all
foreign objects.
° Disengage al! clutches and shift into
neutral before starting the engine (mo-
tor).
° Do not operate the equipment without
wearing adequate outer garments. Wear
footwear that will improve footing on
slippery surfaces.
° Handle fuel wi[h care; it is highly flam-
mable.
° Use an approved fuel container.
° Never add fuel to a running engine or
hot engine.
o Fill fuel tank outdoors with extreme care.
Never fill fuel tank indoors.
° Replace gasoline cap securely and
clean up spilled fuel before restarting.
•Use extension cords and receptacles as
specified by the manufacturer for all
units with electric drive motors or electric
starting motors.
° Never attempt to make any adjustments
while the engine (motor) is running
(except where specifically recommend-
ed by manufacturer).
2

OPERATION
oDo not put hands or feet near or under
rotating parts.
,, Exercise extreme caution when operat-
ing on or crossing gravet drives, walks,
or roads. Stay alert for hidden hazards
or traffic. Do not carry passengers.
oAfter striking a foreign object, stop the
engine (motor), remove the wire from
the spark plug, thoroughly inspect the
tiller for any damage, and repair the
damage before restarting and operating
the tiller.
oExercise caution to avoid slipping or
falling.
°If the unit should start to vibrate abnor-
mally, stop the engine (motor) and check
immediately for the cause. Vibration is
generally a warning of trouble.
°Stop the engine (motor) when leaving
the operating position.
•Take all possible precautions when leav-
ing the machine unattended. Disengage
the tines, shift into neutral, and stop the
engine.
,, Before cleaning, repairing, or inspecting,
shut off the engine and make certain all
moving parts have stopped.. Disconnect
the spark plug wire, and keep the wire
away from the plug to prevent accidental
starting. Disconnect the cord on electric
motors.
o Do not run the engine indoors; exhaust
fumes are dangerous.
oNever operate the tiller without proper
guards, plates, or other safety protective
devices in place.
, Keep children and pets away.
•Do not overload the machine capacity
by attempting to till too deep at too fast a
rate.
°Never operate the machine at high
speeds on slippery surfaces. Look
behind and use care when backing.
• Never allow bystanders near the unit.
° Use only attachments and accessories
approved by the manufacturer of the
tiller.
•Never operate the tiller without good vis-
ibility or light.
° Be careful when tilling in hard ground.
The tines may catch in the ground and
propel the tiller forward. If this occurs,
let go of the handlebars and do not
restrain the machine.
MAINTENANCE AND STORAGE
o Keep machine, attachments, and
accessories in safe working condition.
oCheck shear pins, engine mounting
bolts, and other bolts at frequent inter-
vals for proper tightness to be sure the
equipment is in safe working condition.
°Never store the machine with fuel in the
fuel tank inside a building where ignition
sources are present, such as hot water
and space heaters, clothes dryers, and
the like. Allow the engine to cool before
storing in any enclosure.
o Always refer to the operator's guide
instructionsfor important details if the
tiller is to be stored for an extended peri-
d.
CAUTION: Always disconnect spark
plug wire and place wire where it cannot
contact spark plug in order to prevent acci-
dental starting when setting up, transport-
ing, adjusting or making repairs.
WARNING
The engine exhuast from this product con-
tains chemicals known to the State of
California to cause cancer, birth defectd, or
other reproductive harm.
3

PRODUCTSPECIFICATIONS
--IORSEPOWER:5,5HP
DISPLACEMEr-fT: t3 CU. IN.
GASOLINE CAPACITY: 4 Quarts
Unleaded Regular
OIL (API-SF/SG!SH):
(CAPACITY: 20 oz.)
SAE 30
(Above 32°F)
SAE 5W-30
(Below 32°F)
SPARK PLUG : Champion RJ19LM
(GAP: .030")
Congratulations on your purchase of a
Craftsman Tiller. It has been designed, en-
gineered and manufactured to giveyou the
best possible dependability and perform-
ance.
Should you experience any problems you
cannot easily remedy, please contact your
nearest authorized Sears Service
Center/Department. We have competent,
well-trained technicians and the proper
tools to service or repair this unit.
Please read and retain this manual. The
instructions will enable you to assemble
and maintain your tiller properlyoAlways
observe the "SAFETY RULES".
Your new tiller has been assembled at the
factory with exception of those parts left
unassembled for shipping purposes. To
ensure safe and proper operation of your
tiller all parts and hardware you assemble
must be tightened securely. Use the cor-
rect tools as necessary to insure proper
tightness.
MAINTENANCE AGREEMENT
ASears Maintenance Agreement is avail-
able on this product. Contact your nearest
Sears store for details.
CUSTOMER RESPONSIBiLiTIES
oRead and observe the safety rules.
,, Follow a regular schedule in maintain-
ing, caring for and using your tiller.
oFollow the instructions under the
"Customer Responsibilities" and "Stor-
age" sections of this Owner's Manual°
WARNING= This unit is equipped with an
internal combustion engine and should not
be used on or near any unimproved forest-
covered, brush-covered or grass covered
land unless the engine's exhaust system is
equipped with a spark attester meeting
applicable local or state laws (if any). if a
spark arrester is used, it should be main-
tained in effective working order by the
operator.
In the state of California the above is
required by law (Section 4442 of the
California Public Resources Code). Other
states may have similar laws. Federal
laws apply on federal lands° See your
Sears Authorized Service Center for spark
arrester. Refer to the Repair Parts section
of this manual for part number.
These accessories were available when the tiller was purchased. They are also avail-
able at most Sears Retail outlets and Service Centers. Most Sears Stores can order
repair parts for you when you provide the model number of your tiller.
ENGINE
SPARK PLUG AfR FI_LTER |GAS CAN ENGINE OIL
TILLER PERFORMANCE
'" FU__ENER
TILLER MAINTENANCE
.........ELT ............................._,Es HAIRPIN CUP
4

Yournew tiller has been assembled at the factory with exception of those parts left
unassembled for shipping purposes. To ensure safe and proper operation of your tiller
all parts and hardware you assemble must be tightened securely. Use the correct tools
as necessary to insure proper tightness.
TOOLS REQUIRED FOR ASSEMBLY
A socket wrench set will make assembly
easier. Standard wrench sizes are listed.
(t) Utilityknife
(1) Wire cutter
(1) Tire pressure gauge
(1) Screwdriver
(1) Pair of pliers
(1) 9/16" wrench
OPERATOR'S POSITION
When right or left hand is mentioned in
this manual, it means when you are in
the operating position (standing behind
tiller handles).
LEFT
FRONT
L1
OPERATOR'S
POSITION
RIGHT
CONTENTS OF HARDWARE PACK
(2) Handle Locks
I
(2) Hairpin Clips
(1) Carriage Bolt
3/8-'16 UNC x I Gr. 5
(1) Center Locknut
3/8-16 UNC
(1) Cable Clip
(1) Pivot Bolt
3/8-16 UNC Grade 5
Extra Shear Pins & Clips
(1) Flat Washer
13/32 x I x 11 Ga.
(1) Handle Lock Lever
r

UNPACKBNG CARTON
,_CAUTION: Be careful of exposed sta-
ples when handling or disposing of carton-
ing material.
IMPORTANT:When unpacking and
assembling tiller, be careful not to stretch
or kink cables.
,, While holding handle assembly, cut
cable ties securing handle assembly to
top frame. Let handle assembly rest on
tiller,
oRemove top frame of carton.
Slowly ease handle assembly up and
place on top of carton_
oCut down right hand front and right hand
rear comers of carton, lay side carton
wall down.
oRemove packing material from handle
assembly.
oSeparate shift rod from handle assem-
bly.
HNSTALL HANDLE
°Insert one handle lock (with teeth facing
outward) in gearcase notch. (Apply
grease on smooth side of handle lock to
aid in keeping lock in place until handle
assembly is lowered into position.)
Viewed from r.h. side of tilter
,_,,_,__G eHandleAssembly
arcase Notch
_,:._ /Hand,eLock
° Grasp handle assembly, Hold in "up"
position. Be sure handle lock remains in
gearcase notch, Slide handle assembly
into position,
• Rotate handle assembly down. Insert
rear carriage bolt first, with head of bolt
on L,H. side of tiller and loosely assem-
ble Iocknut.
_;_,_, Handle Assembly
zf ":".:..:. _._ ,,, .UP PosllJon
'._ _"::_ Tighten handle lock
'_i_,,, lever to hold
Leverto Move /__
°Insert pivot bolt in front part of plate and
tighten,
= Cut down remaining corners of carton
and lay panels flat.
° Lower the handle assembly. Tighten nut
on carriage bolt so handle moves with
some resistance, This will allow for eas-
ier adjustment,
o Place flat washer on threaded end of
handle lock lever.
• Insert handle lock lever through handle
base and gearcase. Screw in handle
lock lever just enough to hold lever in
place.
°Insert second handle lock (with teeth
inward) in the slot of the handle base
(just inside of washer),
o Raise handle assembly to highest posi-
tion and securely tighten handle lock
lever by rotating clockwise. Leaving
handle assembly in highest position will
make it easier to connect shift rod.
Slot
Handle Lock Flat Washer
Gearcase \ Handle Lock
\
Rear Cartridge
Bolt
Pivot Bolt
Handle Base
6

INSERTCABLE CLIP
•Insert plastic cable clip into hole on the
back of handle column, Push cables
into clipo
Handle Column
Cables
Cable Clip
CONNECT SHIFT ROD
= Insert end of shift rod farthest from bend
into hole of shift lever indicator°
oInsert hairpin clip through hole of shift
rod to secure.
° Insert other end of shift rod into hole in
shift lever,
°Insert second hairpin clip through hole of
shift rod.
REMOVE TILLER FROM CRATE
- Adjust handle assemby to lowest posi-
tion_Be sure lock lever is tightened
securely.
,, Make sure shift lever indicator is in "N"
(neutral) position,
°Tilt tiller forward by lifting handle.
Separate cardboard cover from leveling
shield°
o Rotate tiller handle to the right and pull
tiller out of carton.
CHECK TIRE PRESSURE
The tires on your unit were overinflated at
the factory for shipping purposes, Correct
and equal tire pressure is important for
best tillingperformance.
o Reduce tire pressure to 20 PSI.
HANDLE HEIGHT
oHandle height may be adjusted to better
suit operator, (See 'q'O ADJUST HAN-
DLE HEIGHT" in the Service and
Adjustments section of this manual),
Attach this end to shift lever
0_-_...Attach this End To shift k
Lever Indicator Shift Rod
Shift Rod Hairpin Clip Shift Lever
Indicator
Shift Lever
,, i "_ '
Ha_rpLnClip
Shift _, _

These symbols may appear on your Tiller or in literature supplied with the product,
Learn and understand their meaning,
NEtrtRAL REVERSE CAUI'_GN
OR WARNI_'_G
_ STOp _O
ENGINE ENGINE FAST SLOW CHGKE FUEL OIL
ON OFF
KNOW YOUR TILLER
READ THIS OWNER'S MANUALAND SAFETY RULES BEFORE OPERATING YOUR
TILLER°
Compare the illustrations with your tiller to familiarize yourself with the location of vari-
ous controls and adjustments, Save this manual for future reference,
Drive Control Bar Throttle Control
Shift Lever Fuel Shut-Off
valve
Choke Control
\
Shift Lever Indicator
Depth
Leveling
Outer Side Shield Recoil
Starter
Handle
MEETS ANSI SAFETY REQUIREMENTS
Our tillers conform to the safety standards of the American National Standards Institute.
DRIVE CONTROL BAR - Used to engage
tines.,
DEPTH STAKE -Controls depth at which
tiller will dig,
LEVELING SHIELD o Levels tilled soil.
OUTER SIDE SHIELD - Adjustable to pro-
tect small plants from being buried
THROTTLE CONTROL - Used to control
engine speed..
SHIFT LEVER - Used to shift transmission
gears,
SHIFT LEVER INDICATOR _ Shows which
gear the transmission is in,
RECOIL STARTER HANDLE - Used to
start the engine.
CHOKE CONTROL- Used when starting
a cold engine.,
8

The operation of any tiller can result in foreign objects thrown into the eyes,
which can result in severe eye damage. Always wear safety glasses or eye
shields before starting your tiller and while tilling. We recommend a wide
vision safety mask over the spectacles or standard safety glasses.
HOW TO USE YOUR TALLER
Know how to operate all controlsbefore
adding fuel and oil or attempting to start
engine.
STOPPING
TINES AND DRIVE
o Release drive control bar to stop move-
ment.
o Move shift lever to "N" (neutral) position.
STOPPING ENGINE
,, Move throttle control to "STOP" position.
if equipped with stop switch, move
switch to "STOP" position.
o Never use choke to stop engine.
Drive Control Bar
"ENGAGED" Position Shift Lever
Drive Bar
"DISENGAGED"
Position
Throffie
TINE OPERATION -WITH WHEEL
DRIVE
°Always release drive control bar before
moving shift lever into another position.
= Tine movement is achieved by moving
shift lever to ( _) till position and
engaging drive control bar,
FORWARD - WHEELS ONLY/TINES
STOPPED
° Release drive control bar and move shift
lever indicator to "F" (,forward)position.
Engage drive control bar and tiller will
move forward.
REVERSE -WHEELS ONLY/TINES
STOPPED
° DO NOT STAND DIRECTLY BEHIND
° Release the drive control bar.
° Move throttle control to "SLOW" posi-
tion.
,Move shift lever indicator to "R"
(reverse) position.
°Hold drive control bar against the handle
to start tiller movement.
DEPTH STAKE
The depth stake can be raised or lowered
to allow you more versatile tilling and culti-
vating, or to more easily transport your
tiller.
Shallowest Tilling
(Cultivating)
Deepest Tilling
"" Transport Position
Depth Stake ,i_
TILLING
° Release depth stake_pin. Pull the depth
stake up for increased tilling depth.
Place depth stake Pin in hole of depth
stake to lock in position.
o Place shift lever indicator in till position.
,, Hold the drive control bar against the
handle to start tilling movement. Tines
and wheels will both turn.
° Move throttle control to "FAST" position
for deep tilling. To cultivate, throttle con _
trol can be set at any desired speed,
depending on how fast or slow you wish
to cultivate.
IMPORTANT: Always release drive control
bar before moving shift lever into another
position.
Depth Stake Pin
Position
Nut "B"
Nut "A"
Outer Side Shield
"Locked"
Position
9

TURNING
oRelease the drive control bar.
oMove throttle control to "SLOW" posi-
tion.
o Place shift lever indicator in "F" (forward)
position. Tines will not turn.
Lift handle to raise tines out of ground.
oSwing the handle in the opposite direc-
tion you wish to turn, being careful to
keep feet and legs away from tines.
oWhen you have completed your turn-
around, release the drive control bar and
lower handle. Place shift lever in till
position and move throttle control to de-
sired speed. To begin tilling, hold drive
control bar against the handle.
OUTER SIDE SHIELDS
The back edges of the outer side shields
are slotted so that the shields can be
raised for deep tillingand lowered for shal-
low tilling to protect smaU plants from
bei.n,_buried, Loosen nut "A" in slot and
nut "B", Move shield to desired position
(both sides). Retighten nuts.
TO TRANSPORT
,_kCAUTION: Before lifting or transport-
ing, allow tiller engine and muffler to cool.
Disconnect spark plug wire. Drain gaso-
line from fuel tank.
AROUND THE YARD
°Release the depth stake pin. Move the
depth stake down to the top hole for
transporting the tiller. Place depth stake
pin in hole of depth stake to lock in posi-
tion. This prevents tines from scuffing
the ground.
° Place shift lever indicator in "F" (forward)
position for transpodingo
°Hold the drive control bar against the
handle to start tiller movement. Tines
wilt not turn.
o Move throttle control to desired speed.
AROUND TOWN
•Disconnect spark plug wire.
-Drain fuel tank.
• Transport in upright position to prevent
oil leakage.
BEFORE STARTING ENGINE
IMPORTANT: Be very careful not to allow
dirt to enter the engine when checking or
adding oil or fuel. Use clean oil and fuel
and store in approved, clean, covered con-
tainers, use clean fill funnels.
CHECK ENGINE OULLEVEL
o The engine in your unit has been
shipped, from the factory, already filled
with SAE 30 summer weight oil.
•With engine level, clean area around oil
filler plug and remove plug.
o Engine oil should be to point of overflow-
ing when engine is level. For approxi-
mate capacity see "PRODUCT SPECI-
FICATIONS" on page 4 of this manual.
All oil must meet A.P.I. Service
Classification SF, SG or SH.
oFor cold weather operation you should
change oil for easier starting (See oil
viscosity chart in the Customer
Responsibilities section of this manual).
o To change engine oil, see the Customer
Responsibilities section in this manual°
OiF
Filler
Oil Level Plug
Oil Drain Plug
ADD GASOLINE
•Fillfuel tank. Use fresh, clean, regular
unleaded gasoline. (Use of leaded
. gasoline will increase carbon and lead
oxide deposits and reduce valve life.
IMPORTANT: When operating in tempera-
tures below 32°F (0°C), use fresh, clean,
winter grade gasoline to help insure good
cold weather starting.
WARNING: Experience indicates that alco-
hol blended fuels (called gasohol or using
ethanol or methanol) can attract moisture
which leads to separation and formation of
acids during storage. Acidic gas can dam-
age the fuel system of an engine while in
storage. To avoid engine problems, the
fuel system should be emptied before
storage of 30 days or longer. Drain the
gas tank, start the engine and let it run
until the fuel lines and carburetor are
empty. Use fresh fuel next season. See
Storage section of this manual for addition-
al information. Never use engine or carbu-
retor cleaner products in the fuel tank or
permanent damage may occur.
10

,_kCAUTION; Fill to within 1/2 inch of top
of fuel tank to prevent spills and to allow
for fuel expansion. If gasoline is acciden-
tally spilled, move machine away from
area of spill. Avoid creating any source of
ignition until gasoline vapors have disap-
peared.
Do not overfill. Wipe off any spilled oil or
fuel. Do not store, spill or use gasoline
near an open flame.
TO START ENGINE
,_CAUTION: Keep tine control in "OFF"
position when starting engine.
When starting engine for the first time or if
engine has run out of fuel, it will take extra
pulls of the recoil starter to move fuel from
the tank to the engine.
=Make sure spark plug wire is properly
connected and access cover is com-
pletely closed to create proper seal.
oMove shift lever indicator to "N" (neutral)
position.
o Place throttle control in "FAST" position.
o Turn fuel shut-off valve to "ON" position.
o Push stop switch to "ON" position.
o Move choke control to full "CHOKE"
position. Grasp recoil starter handle with
one hand and grasp tiller handle with
other hand. Pull rope out slowly until
engine reaches start of compression
cycle (rope will pull slightly harder at this
point).
• Pull recoil starter handle quickly. Do not
let starter handle snap back against
starter. Repeat if necessary.
Choke Control
Starter
Handle
1/4Turn {_ I t_ }), Switch
Counter- _{L_.J,JJ),/-_
Ctockwise'.---_-"
Fuel shut-off Valve
° If engine fires but does not start, move
choke control to half choke position. Pull
recoil starter handle until engine starts.
•When engine starts, slowly move choke
control to "RUN" position as engine
warms up.
NOTE: Awarm engine requires less chok-
ing to start.
°Move throttle control to desired running
position°
o Allow engine to warm up for a few min-
utes before engaging tines.
NOTE: If at a high altitude (3000 feet) or
in cold temperatures (below 32°F), the car-
buretor fuel mixture may need to be
adjusted for best engine performance.
See "TO ADJUST CARBURETOR" in the
Service and Adjustments section of this
manual.
NOTE: If engine does not start, see trou-
bleshooting points.
TILLING HINTS
_IkCAUTION: Until you are accustomed to
handling your tiller, start actual field use
with throttle in slow position (mid-way
between "FAST" and "iDLE").
° Tilling is digging into, turning over, and
breaking up packed soil before planting.
Loose, unpacked soil helps root growth.
Best tilling depth is 4" to 6". A tiller will
also clear the soil of unwanted vegeta-
tion. The decomposition of this veg-
etable matter enriches the soil.
Depending on the climate (rainfall and
wind), it may be advisable to till the soil
at the end of the growing season to fur-
ther condition the soil.
o Soil conditions are important for proper
tilling. Tines will not readily penetrate
dry, hard soil which may contribute to
excessive bounce and difficult handling
of your tiller. Hard soil should be mois-
tened before tilling; however, extremely
wet soil will "bali-up" or clump during till-
ing. Wait until the soil is less wet in order
to achieve the best results. When tilling
in the fall, remove vines and long grass
to prevent them from wrapping around
the tine shaft and slowing your tilling
operation.
° You will find tilling much easier if you
leave a row untilled between passes.
Then go back between tilled row& There
are two reasons for doing this. First,
wide turns are much easier to negotiate
than about-faces. Second, the tiller
won't be pulling itself, and you, toward
the row next to it.
=Do not lean on handle. This takes
weight off the wheels and reduces trac-
tion.
11

Toget throughareally tough section of
sod or hard ground, apply upward pres-
sure on handle or lower the depth stake.
CULTIVATING
Cultivating is destroying the weeds
between rows to prevent them from rob-
bing nourishment and moisture from the
plants. At the same time, breaking up the
upper layer of soil crust will help retain
moisture in the soil. Best digging depth is
1" to 3" (2.5-7.5 cm). Lower the outer side
shields to protect small plants from being
buried.
. Cultivate up and down the rows at a
speed which will allow tines to uproot
weeds and leave the ground in rough
condition, promoting no further growth of
weeds and grass.
0
0
0
0
O0
O0
O0
O0
0
0
0
0
_0
0
_0
0
T_NI= SHEAR PiNS
The tine assemblies on your tiller are
secured to the tine shaft with shear pins
(See "TINE REPLACEMENT" in the
Service and Adjustments section of this
manual).
If the tiller is unusually overloaded or
jammed, the shear pins are designed to
break before internal damage occurs to
the transmission,
o If shear pin(s) break, replace only with
those shown in the Repair Parts section
of this manual
12

...............SCHEDULEMAINTENANCE /1/_/_ _ _/ .......
AS YOUCOMPLETE /_Z_'Z_'_"/._-¢i SERVtCE DATES
RE U RSERVIOE
,,,,,,,,,,,,,,,,,,, ,,i,,,,i,,u
Check Engine Oil Leve! _' _/ I
ChangeEngineOil _t,2
Oil Pivot Points V _'
........................................... ::::: .; ; ,,: ...... ; ,,,,.,,,_,_- .
Inspect Spark Arrester IMufffer . _'
.................................. L,
inspect Air Screen I/'
............................. i t t. ,_- == ......... :
Clean or Replace AirCleaner Cartridge 6/2
Clean Engine Cylinder Fins _ ...... I
.epla=Spa P,!,"g...... V' i
1- Ch_,ngamore oftenwhenoperatingunderaheavyloador inhighambienttemperatures,
2- Servicemore oftenwhenoperatingIn dirtyordust'tcortdtUons,
GENERAL RECOMMENDATIONS
The warranty on this tiller does not cover
items that have been subjected to opera-
tor abuse or negligence. To receive full
value from the warranty, the operator must
maintain tiller as instructed in this manual
Some adjustments will need to be made
periodically to properly maintain your tiller.
All adjustments in the Service and
Adjustments section of this manual should
be checked at least once each season.
•Once a year you should replace the
spark plug, clean or replace air filter, and
check tines and belts for wear. A new
spark plug and clean air filter assure
proper air-fuel mixture and help your
engine run better and last longer.
BEFORE EACH USE
•Check engine oil level.
•Check tine operation.
° Check for loose fasteners.
LUBRICATION
Keep unit well lubricated (See =LUBRICA-
TION CHART").
LUBRICATION CHART
*Throttle Control
* Depth Stake Pin
Leveling
Shield
Hinges
* Idler Bracket Wheel Hub
*SAE 30 OR 10W-30 MOTOR OIL
** REFER TO CUSTOMER
RESPONSIBILITIES "ENGINE" SECTION
13

Disconnect spark plug wire before per-
forming any maintenance (except carbure-
tor adjustment) to prevent accidental start-
ing of engine°
Prevent fires! Keep the engine free of
grass, leaves, spilled oil, or fuel. Remove
fuel from tank before tipping unit for main-
tenance. Clean muffler area of all grass,
dirt, and debris.
Do not touch hot muffler or cylinder fins as
contact may cause burns.
ENGINE
LUBRICATION
Use only high quality detergent oil rated
with API service classification SF, SG or
SFI, Select the oil's SAE viscosity grade
according to your expected temperature°
.... I
IF "L'O= _ _ _ 4r_ 60* 80, lo0"
oc._ ._- ._. _ ..............;_.............._. _. _.
TEMPE,A_RE_NaEA,TICI_ATEDBE_RENEXTOILC,_OE
NOTE: Although multi-viscosity' oils (5W-
30, 10W-30, etc.) improve starting in cold
weather, these multi-viscosity oils will
result in increased oil consumption when
used above 32°F (0°C). Check your
engine oil level more frequently to avoid
possible engine damage from running low
on oil.
Change the oil after ever,./50 hours of
operation or at least once a year if the tiller
is not used for 50 hours in one year.
Check the crankcase oil level before start-
ing the engine and after each five (5)
hours of continuous use. Add SAE 30
motor oil or equivalent. Tighten oil filler
plug securely each time you check the oil
level.
TO CHANGE ENGINE OIL
Determine temperature range expected
before oil change. All oil must meet API
service classification SF, SG or SH.
• Be sure tiller is on level surface.
=Oil will drain more freely when warm.
° Use a funnel to prevent oil spill on tiller,
and catch oil in a suitable container,
° Remove drain plug.
° Tip tiller forward to drain oil.
•After oil has drained completely, replace
oil drain plug and tighten securely.
°Remove oilfiller plug. Be careful not to
allow dirt to enter the engine.
,, Refill engine with oil. See "CHECK
ENGINE OIL LEVEL" in the Operation
section of this manual.
O1tDrain Plug_
\\ Oil Level
Oil Filler Plug
AIR FILTER
Your engine will not run properly using a
dirty air filter. Clean the foam pre-cleaner
after ever,./50 hours of operation or every
season, Service paper cartridge every
100 hours of operation or every season,
whichever occurs first,
Service air cleaner more often under dusty
conditions.
•Loosen air cleaner cover screws.
Remove cover and air cleaner assembly
from base.
•Remove air cleaner asssembly from
inside cover and disassemble.
TO SERVICE PRE-CLEANER
oWash it in liquid detergent and water.
oSqueeze it dry in a clean cloth.
°Saturate it in engine oil. Wrap it in
clean, absorbent cloth and squeeze to
remove excess oil.
Pre-Cleaner Cover T_ Slot Base
Retair
Oover Screws
TO SERVICE CARTRIDGE
° Gently tap the flat side of the paper car-
tridge to dislodge dirt. Do not wash the
paper cartridge or use pressurized air,
as this will damage the cartridge.
Replace a dirty, bent, or damaged car-
tridge.
o Re-assemble retainer on pre-cleaner
and cartridge (screen side of pre-cleaner
toward cartridge pleats). Place assem.
bly into cover.
14

o Inserttabson cover !nto slots in base
,_cnd screws securely.
tighten cover
AUTION. Petroleum solvents, such
as kerosene, are not to be used to clean
cartridge. They may cause deterioration of
the cartridge° Do not oil cartridge° Do not
use pressurized air to clean or dry car -_
tridgeo
COOLING SYSTEM
Your engine is air cooled. For proper
engineperformanceand longlifekeep
your engine clean.
,, Clean air screen frequently using a stiff-
bristled brush.
oRemove blower housing and clean as
necessary,
• Keep cylinderfinsfreeofdirtand chaff.
Blower
Housing
Air Screen
MUFFLER
Do not operate tiller without muffler. Do not
tamper with exhaust system_ Damaged
mufflers or spark arresters could create a
fire hazard. Inspect periodically and re-
place if necessary. If your engine is
equipped with a spark arrester screen
assembly, remove every 50 hours for
cleaning and inspection. Replace if dam-
aged.
SPARK PLUG
Replace spark plugs at the beginning of
each tilling season or after every 50 hours
of use, whichever comes first° Spark plug
type and gap setting is shown in "PROD-
UCT SPECIFICATIONS" on page 4 of this
manual.
TRANSMISSION
Your transmission is sealed and will only
require lubricationif se_iced. __
CLEANING
° Clean engine, wheels, finish, etc. of all
foreign matter.
oKeep finished surfaces and wheels free
of all gasoline, oil, etc.
=Protect painted surfaces with automotive
type wax. '
We do not recommend using a garden
hose to clean your unit unless the muffler,
air filter and carburetor are covered to
keep water out. Water in engine can result
in a shortened engine life.
,_CAUTION: Disconnect spark plug wire
from spark plug and place wire where it
cannot come into contact with plug.
TILLER
TO ADJUST HANDLE HEIGHT
Select handle height best suited for your
tilling conditions. Handle height will be dif-
ferent when tiller digs into soil
°First loosen handle lock lever.
° Handle can be positioned at different
settings between =HIGH" and "LOW"
positions.
° Retighten handle lock lever securely
after adjusting.
Handle (High) Position
__ :: '_-:__ Handle Lock Lever
Hand__
15

TiRE CARE
CAUTION: When mountingtires, unless
beads are seated, overinflation can cause
an explosion.
o Maintain 20 pounds of tire pressure. If
tire pressures are not equal, tiller will
pull to one side;
o Keep tires free of gasoline or oil which
can damage rubber.
TO REMOVE WHEEL
oPlace blocks under transmission to keep
tiller from tipping.
o Remove outer side shield by removing
nuts "A" and "B".
o Remove inner side shield by removing
nuts "C" and "D".
o Remove hairpin clip and clevis pin from
wheel.
o Remove wheel and tire.° Repair tire and
reassemble.
Clevis
Pin
Hairpin
Clip
Nut "B" Inner Side Shield
Outer Side Shield
TO REMOVE BELT GUARD
NOTE: For ease of removal, remove hair-
pin clip and clevis pin from left wheel. Pull
wheel out from tiller about 1 inch.
, Remove two (2) cap nuts and washers
from side of belt guard.
oRemove hex nut and washer from bot-
tom of belt guard (located behind
wheel).
°Pull belt guard out and away from uniL
° Replace belt guard by reversing above
procedure.
Belt Guard Hex Nut and
•Washer
(Located
Behind Tire)
Cap Nut
and
Washer Hah p and Clevis Pin
TO REPLACE GROUND DRIVE
BELT
= Remove belt guard as described in "TO
REMOVE BELT GUARD".
•Loosen belt guides "A" and "B" and -
also remove stud "C"°
-Remove old belt by slipping off engine
pulley first then remove from the pulley.
°Place new belt in groove of transmis-
sion pulley and into engine pulley. BELT
MUST BE IN GROOVE ON TOP OF
IDLER PULLEY. NOTE POSITION OF
BELT TO GUIDES.
= Tighten belt guides "A" and "B" and stud
_'C 't"
=Check belt adjustment as described
below.
Q Replace bett guard.
=Reposition wheel and replace clevis pin
and hairpin clip.
GROUND DRIVE BELT ADJUST-
MENT
For proper belt tension, the extension
sloringshould have about 5/8 inch stretch
when drive control bar is in "ENGAGED"
position° This tension can be attained as
follows:
oLoosen cable clip screw securing the
drive control cable.
oSlide cable forward for less tension and
rearward for more tension until about 5/8
inch stretch is obtained while the drive
control bar is engaged°
= Tighten cable clip screw securely.
16

Engine Putley ip Screw
Drive Control Cable
Stud
Idler Pulley
Transr _Extension Spring"
Pulley
TINE REPLACEMENT °
,_CAUTION: Tines are sharp. Wear
gloves or other protection when handling
tines.
A badly wom tine causes your tiller to work
harder and dig more shallow. Most impor-
tant, worn tines cannot chop and shred
organic matter as effectively nor bury it as
deeply as good tines. A fine this worn e
needs to be replaced,
New Tine
_ne
To maintain the superb tilling perfor-
mance of this machine the tines should
be checked for sharpness, wear, and
bending, particularly the tines which are
next to the transmission. If the gap
between the tines exceeds 3-1/2 inches
they should be replaced or straightened
as necessary.
New tines should be assembled. Sharp-
ened tine edges will rotate rearward
from above.
t t
I I
3-1/2' Max _ }-----
Counter"line _ ,_
Rotation
Sharp Ed
Shear Pin
Hairpin Clip
Sharp Egde
Shear Pin
_7

ENGINE
Maintenance, repair, or replaceent of the
emission control devices and systems,
which are being done at the customers
expense, may be performed by any non-
road engine repair establishment or indi-
vidual. Warranty repairs must be per-
formed by an authorized engine manufac-
turer's sercie outlet.
Cable
Clamp Screw
TO ADJUST THROTTL_ CONTROL
CABLE
,Loosen cable clamp screw to allow
cable to move.
o Move throttle control lever on upper han-
dle to "FAST" position.
o Pull throttle cable out to end of travel
oHold cable in this position and tighten
clamp screw securely.
TO ADJUST CARBURETOR
The carburetor has a high speed jet and
has been preset at the factory and adjust-
ment should not be necessary. However,
minor adjustments may be required to
compensate for differences in fuel, temper-
ature, altitude or toad. If the carburetor
does need adjustment, proceed as follows.
IDLE RPM ADJUSTMENT
°To adjust idle RPM, rotate throttle link-.
age counterclockwise and hotd against
stop while adjusting idle speed adjusting
screw to obtain 1750 RPM. Release
throttle linkage.
ACCELERATION TEST
°Move throttle control lever from "SLOW"
to "FAST_'position. If engine hesitates
or dies, turn needle valve out (counter-
clockwise) 1/8 turn_ Repeat test and
continue to adjust, if necessary, until
engine accelerates smoothly.
High speed stop is factory adjusted. Do
not adjust or damage may result.
IMPORTANT: Never tamper with the en-
gine governor, which is factory set for
proper engine speed, overspeeding the
engine above the factory high speed set-
ting can be dangerous, if you think the
engine-governed high speed needs adjust-
ing, contact your nearest authorized ser-
vice center/department, which has the
proper equipment and experience to make
any necessary adjustments.
Idte Speed
Ad
Screw Linkage
Valve
!8

Immediatelyprepare your tiller for storage
at the end of the season or if the unit will
not be used for 30 days or more.
_kCAUTION: Never store the tiller with
gasoline in the tank inside a building
where fumes may reach an open flame or
spark. Allow the engine to cool before
storing in any enclosure,
TILLER
o Clean entire tiller (See "CLEANING" in
the Customer Responsibilities section of
this manual).
o Inspect and replace belts, if necessary
(See belt replacement instructions in the
Service and Adjustments section of this
manual).
• Lubricate as shown in the Customer
Responsibilities section of this manual°
oBe sure that all nuts, bolts and screws
are securely fastened. Inspect moving
parts for damage, breakage and wear.
Replace if necessary.
• Touch up all rusted or chipped paint sur-
faces; sand lightly before painting.
ENGINE
FUEL SYSTEM
IMPORTANT: It is important to prevent
gum deposits from forming in essential fuel
system parts such as the carburetor, fuel
filter, fuel hose, or tank during storage.
also, experience indicates that alcohol
blended fuels (called gasohol or using
ethanol or methanol) can attract moisture
which leads to separation and formation of
acids during storage. Acidic gas can dam-
age the fuel system of an engine while in
storage.
°Drain the fuel tank.
•Start the engine and let it run until the
fuel lines and carburetor are empty.
o Never use engine or carburetor cleaner
products in the fuel tank or permanent
damage may occur.
oUse fresh fuel next season.
NOTE: Fuel stabilizer is an acceptable
alternative in minimizing the formation of
fuel gum deposits during storage, Add sta-
bilizer to gasoline in fuel tank or storage
container. Always follow the mix ratio
found on stabilizer container. Run engine
at least 10 minutes after adding stabilizer
to allow the stabilizer to reach the carbure-
tor. Do not drain the gas tank and carbu-
retor if using fuel stabilizer.
ENGINE OIL
Drain oil (with engine warm) and replace
with clean oil. (See "ENGINE" in the
Customer Responsibilities section of this
manual).
CYLINDER
°Remove spark plug,
,, Pour 1 ounce (29 ml) of oil through
spark plug hole into cylinder.
° Pull starter handle slowly several times
to distribute oil.
o Replace with new spark plug.
OTHER
° Do not store gasoline from one season
to another.
° Replace your gasoline can if your can
starts to rust. Rust and/or dirt in your
gasolinewill cause problems.
o If possible, store your unit indoors and
cover it to give protection from dust and
dirt.
oCover your unit with a suitable protective
cover that does not retain moisture, Do
not use plastic. Plastic cannot breathe
which allows condensation to form and
will cause your unit to rust,
IMPORTANT: Never cover tiller while
engine and exhaust areas are still warm,
19

PROBLEM
Will not start
Hard to start
Loss of power
CAUSE
1, Out of fuelo
2. Engine not "CHOKED"
properly,
3, Engine flooded.
4. Dirty air cleaner.
5. Water in fuel.
6, Clogged fuel tank,
7. Loose spark plug wire.
8, Bad spark plug or
improper gap,
9. Carburetor out of adjust-
ment,
1. Throttle control not set
properly.
2, Dirty air cleaner.
3. Bad spark plug or
improper gap.
4. Stale or dirty fuel.
5. Loose spark plug wire.
6, Carburetor out of,
adjustment,
t. Engine is overloaded.
2. Dirty air cleaner°
3, Low oil level!dirty oil.
4. Faulty spark plug.
5. Oil in fuel.
6. Stale or dirty fuel,,
7, Water in fi_el.
8. Clogged fuel tank,
9, Spark plug wire loose°
wire.
10. Dirty engine air screen,
11_ Dirtylclogged muffler,
12. Carburetor out of
adjustment.
13. Poor compression.
2O
CORRECTION
1. Fill fuel tank.
2. See "TO START ENGINE" in.the
Operation section.
3_ Wait several minutes before
attempting to start,
4. Clean or replace air cleaner car
tridge_
5. Drain fuel tank and carburetor,
and refill tank with fresh gasoline.
6. Remove fuel tank and clean.
7. Make sure spark plug wire is seat
ed propedy on plug.
8. Replace spark plug or adjust gap.
9. Make necessary adjustments.
1, Place throttle control in "FAST"
position.
2. Clean or replace air cleaner car
tridge,
3. Replace spark plug or adjust gap°
4, Drain fuel tank and refill with fresh
gasoline,
5._ Make sure spark plug wire is seat
ed propedy on plug.
6. Make necessary adjustments,
1. Set depth stake and wheels for
shallower tilling_
2, Clean or replace air cleaner car
tddge,
3, Check oil levellchange oil,
4. Clean and regap or change spark
plug,
5, Drain and clean fuel tank and
refill, and clean carburetor°
6. Drain fuel tank and refill with fresh
gasoline,
7, Drain fuel tank and carburetor,
and refill tank with fresh gasoline,
8, Remove fuel tank and clean,
9, Connect and tighten spark plug
10. Clean engine air screen°
tl. Clean/replace muffler,
12. Make necessary' adjustments°
13. Contact an authorized Sears
Service Center/Department.

PROBLEM
Engine overheats
Excessive bounce/
difficult handling
Soil bails up or
clumps
Engine runs but
tiller won't move
Engine runs but
labors when tilling
CAUSE
1, Low oil level/dirty oil.,
2. Dirt/engine air screen.
3. Dirty engine.
4. Partially plugged muffler.
5, Improper carburetor
adjustment.,
1. Ground too dry and hard.
2, Wheels and depth stake
incorrectly adjusted°
t. Ground too wet.
1,, "line control is not engaged°
2. V-belt not correctly adjusted.
3. V-belt is off pulley(s).
1_ Tilling too deep,,
2. Throttle control not properly
adjusted_
3. Carburetor out of adjustment.
CORRECTION
1_ Check oil level/change oil.
2_ Clean engine air screen.
3. Clean cylinder fins, air screen, muf
tier area.
4. Remove and clean muffler_
5. Adjust carburetor to richer posi
tJono
1, Moisten ground or wait for more
favorable soil conditions.
2. Adjust wheels and depth stake.
1. Wait for more favorable soil condi
tions.
1, Engage tine control
2. Inspect/adjust V-belL
3o Inspect V-belt,
1, Set depth stake for shallower till
ing,
2. Check throttle control setting,
3, Make necessary adjustments,
21

HANDLES
TILLER -- MODEL NUMBER 917.293300
%,
1\
29
15
3O
\
31 \\
\
11
KEY
NO.
1
2
3
4
5
6
7
8
9
!0
12
13
14
15
16
t7
PART
NO.
148583
141406
110673X
127254X
6712J
137119
110641X
711910D8
72010520
110646X
STD624003
81328
110741X
109313X
1!0702X
STD533710
t09229X
DESCRIPTION
Throttle, Control
Gdp, Handle
Grommet, Handle
Bar, Drive Conirol Assembly
Cap, Vinyl
Panel, Control
Bushing, Split
*Screw, Pan Head #t0-24
*Boll, 5116-18 x 2-1t2
Handle, Gdp
"Clip, Hairpin
Bolt, Shoulder
Handle, Shift
Grommet, Rubber
Rod, Shill
"Bolt, Carriage 3t8-!6 x 1 Gr. 5
Lock, Handle
KEY PART DESCRIPTION
NO. NO.
18 STD54t437 *Nut, Centedock 3/8-16
19 19131611 Washer 13]32xl xll Ga
20 109228X Lever,Lock, Handle
21 150258 Handle, Assemble
22 121145X Clip, Plastic,Cable
23 86777 Screw, Hex, Washer Hd, Slotted
#t0-24 x 1t2
24 9484R Clip
25 73970500 Loci,nut, Hex, Flange
26 110675X Clutch, Cable
27 STD541025 *Nut, Hex 1/4-20
28 STD55!125 "Washer, Lock 1/4
29 STD541462 *Nut, Keps #10-24
30 104164X Tie, Cable
31 150696 Bolt, Pivot
'STANDARD HARDWARE- - PURCHASE LOCALLY
NOTE: All component dimensions given in tJ.S inches
1 inch =254 mm
22

TILLER --MODEL HUMBER 917.293300
MAINFRAME, LEFT SIDE
38
\
31
\,
21
24
25
KEY
NO.
1
2
3
4
5
6
7
8
9
10
11
12
I3
14
15
16
17
19
20
21
23
PART
NO.
STD541431
STD551137
STD541037
74930568
154734
110111X
STD532505
8700J
86777
9484R
STD551125
STD541025
23230506
120938X
STD551031
145102
STD541031
12O00028
110653X
145216
104214X
5015J
128952
795R
DESCRIPTION
Nut, Keps 5/t6-18
*Washer, Lock 3/8
*Nut, Hex 3/8-16
Bolt,Hex 5/16-18 x 4-!!4
Screw ShiftLever
Lever, Shift
*Bolt, Carriage 1/'4-20 x 112Gr.
5
Plate, Shfft Indicator
Screw, Hex, Washer Heed,
Slotted #10-24 x 1/2
Clip
*Washer, Lock 114
*Nut, Hex 1/4-20
"Screw, Set, 5/16-18 x 3/8
Spacer, Split 0.327 x 0.42 x
2°68
*Washer 11132x 1!116 x 16 Ga.
Sheave, Transmission
*Nut, Hex 5116-18
Ring, Retainer
Guard, Pinch Point
Spacer, Split 0_327 x 0.42 x
1.688
Nut, Cap 5/16-18
Ttre
Rim
Tire Valve
KEY PART DESCRIPTION
NO. NO.
24 126875)( Rhtet'Drilled
25 STD624003 *Clip, Hairpin
26 131159)(574 Guard, Belt
27 132801 Belt, V
28 104679X Pulley, Idler
29 12000032 Ring, Klip
30 159229 Bracket, Idler
31 I02384X Bolt,Hex 5/16.16 x 12
32 I02141X Shaft, ldlerArm
33 STD523710 *Bolt, Hex 3/8-16 x 1
34 102383X Counterweight,L.Ho
35 74760524 Bolt,Hex 5/16-18 x 11/2
36 102331X Bracket, Reinforcement,LH.
37 130812 Sheave, Engine
38 145822 Stud, Guard Belt
39 140062 Cap, Plunger
41 19111610 Washer 11132x 1 x 10 Ga.
42 151004 Spacer
43 69180 Nut Lock #10-24
44 164173 Bait Keeper
"STANDARDHARDWARE-- PURCHASELOCALLY
NOllE: All componentdimensionsgiveninU.S. Inches.
1inch= 25A mm
23

TILLER ..-MODEL NUMBER 917.293300
MAINFRAME, RIGHT SIDE
9
3
6
4
5
KEY
NO.
1
2
3
4
5
6
7
8
9
PART
NO.
STD54143t
102332X
7476O524
102t73X
STD551137
STD541037
STD624003
126875){
5015,t
128952
795R
DESCRIPTION
*Nut,Keps5/16-18
Bracket,Reinforcement
Bolt,Hex 5116o18x 1-1/2
CounterWeight,RH°
*Washer,Lock3/8
*Nut,Hex 3/8-16
"Clip,Hairpin
Rivet,Drilled
_re
Rim
TireValve
KEY PART
NO. NO. DESCRIPTION
lO
11 _1535
12 94906
Engine,(SeeBreakdown)
Briggs& Stratton(iP)ModefNo.
134402,
TypeNo,,1113-E1
Clamp
Screw
* STANDARDHARDWARE-. PURCHASELOCALLY
NOTE: AllcomponentdimensionsgiveninU.SJnches.
1 inch= 25°4mm
24

T6LLER --MODEL NUMBER 917.293300
TRANSMISSION
12 13
5t
9
KEY
NO.
1
2
3
4
5
6
7
8
9
10
11
12
13
14
15
16
t8
19
20
21
22
23
24
25
27
PART
NO.
154354
150698
106211X
5020J
1370H
137335
145101
4895H
154467
7392M
100371K
106160X
142145
8353J
12000039
154466
4358J
12000040
102114X
102115X
6BO3J
102111X
STD551143
STD541143
143009
DESCRIPTION
TransmissionAssembly
(Includes Key Nos.. 2-52)
Gearcase, LH. w/Bearing
(Includes Key No. 4)
Gasket, Gearcase
Beadng, Needle
Washer, Thrust 5/8 x 1.10 x
1/32
Pinion, Input
Shaft, Input
Bearing, Needle
"Washer,Seal
Ball, Steel
Spring, Shift, Fork
O-Ring
Arm, Shift
Fork, Shift
Ring, Klip
Shaft, Shift
Washer
Ring, Kltp
Gear, AssembLy,Reverse idler
(IncludesKey Nos. 21 and 22)
Gear, Reverse Idler
Bearing, Needle
Shaft, Reverse Idler
*Washer, Lock 7/t6
*Nut, Hex 7!16-20
Bearing, Shaft, Ground Drive
L.H.
28 106390X Spacer 0.765 x1.125 x 1.23
29 102134X Chain #35-50 Pitch
30 150737 Ground Shaft Assembly
31 143008 Bearing, Shaft, Ground Ddve
R.Ho
32 106388X Spacer 0.70 x1,00 x 1.150
33 102121X Sprocket and Gear Assembly
34 102112X Shaft, Reduction (2nd)
35 102t01X Screw, Whiz, Lock 5/16-18 x 3-
!/2
36 154355 Sprocket Assembly w!Bearing
(Includes Key Nos, 37 and 38)
37 4422J Bearing, Needle
38 154356 Sprocket, Tine
39 105345X Gear, Cluster, Red 1st & 2nd
40 t05346X Gear, Reverse
41 8358J Shaft, Reduction (1st)
42 4220R Washer,Thrust
43 106146X Spacer t.01 x 1.75 x 0.760
44 155236 SealAsm. OII
48 150700 Gearcase, R.H_w/Bearing
(Includes Key No, 8)
49 !32688 Shaft, "_ne
50 106147X Chain, Roller #50-50 Pitch
51 17720408 Screw 1/4_20 x !/2
52 73220500 *Nut, Hex 5/16-18
53 t22204X Bearing Kit,'itne Shaft
--6066J Grease, Piasttlube #1
* STANDARD HARDWARE --PURCHASE LOCALLY
NOTE: All component dimensions given tn U.S°lncheso
1inch= 25.4 mm
25

TINE SHIELD
TILLER ==MODEL NUMBER 917.293300
14
24
24
18 11
KEY PART
NO. NO.
1 98000129
2 t61415x574
3 8393J
412000036
5 STD533107
6 8394J
7 8392J
8 109230)(
9 124289X574
10 STD533110
11 STD541031
t2 STD551t3t
13 72110510
14 124311X
15 161414X574
16 73510400
DESCRIPTION
Nut,Range 5/16_18
Shield,Side,OuterL. H.
Pin,Stake,Depth
Ring,Klfp
*Bolt,Carriage5/16-18x 3/4 Gr
5
Spring
Bracket,Latch
Spring,DepthStake
Shield,_ne
*Bolt,Carriage5/16-t8 xI Gro5
*Nut,Hex 5/t6-18
*Washer,Lock5/16
Bolt,Carriage5/16-18x t.1/4
Bracket,Shield"Tine
Shield,S_de,OuterR.H.
Nut,Hex 1/4-20
KEY PART DESCRIPTION
NO. NO.
17 162175 Nut,VYingForged5116-18
18 STD532512 *Bolt,Cardage1/4-20x 1-1/4
Gr. 5
19 t02701X Grip
20 STD541037 *Nut,Hex 3/8-16
21 !02156X Stake,Depth
74930632 Bolt,Hex 3/8-16x2 -
23 4440J Hinge
24 72140404 *Bolt,CarriageI/4-20 x 1/4
25 6712J Cap,Vinyl
26 109227X Pad,Idler
27 102695X574 Shield,Levering
28 120588X Pin,Hinge
29 t24309X574 Shield,Side
30 73970500 Locknut0Hex,Range
*STANDARDHARDWARE-- PURCHASELOCALLY
NOTE: Allcomponentdimensionsgivenin U.S. inches
I inch= 25A mm
26

TILLER --MODEL NUMBER 917o293300
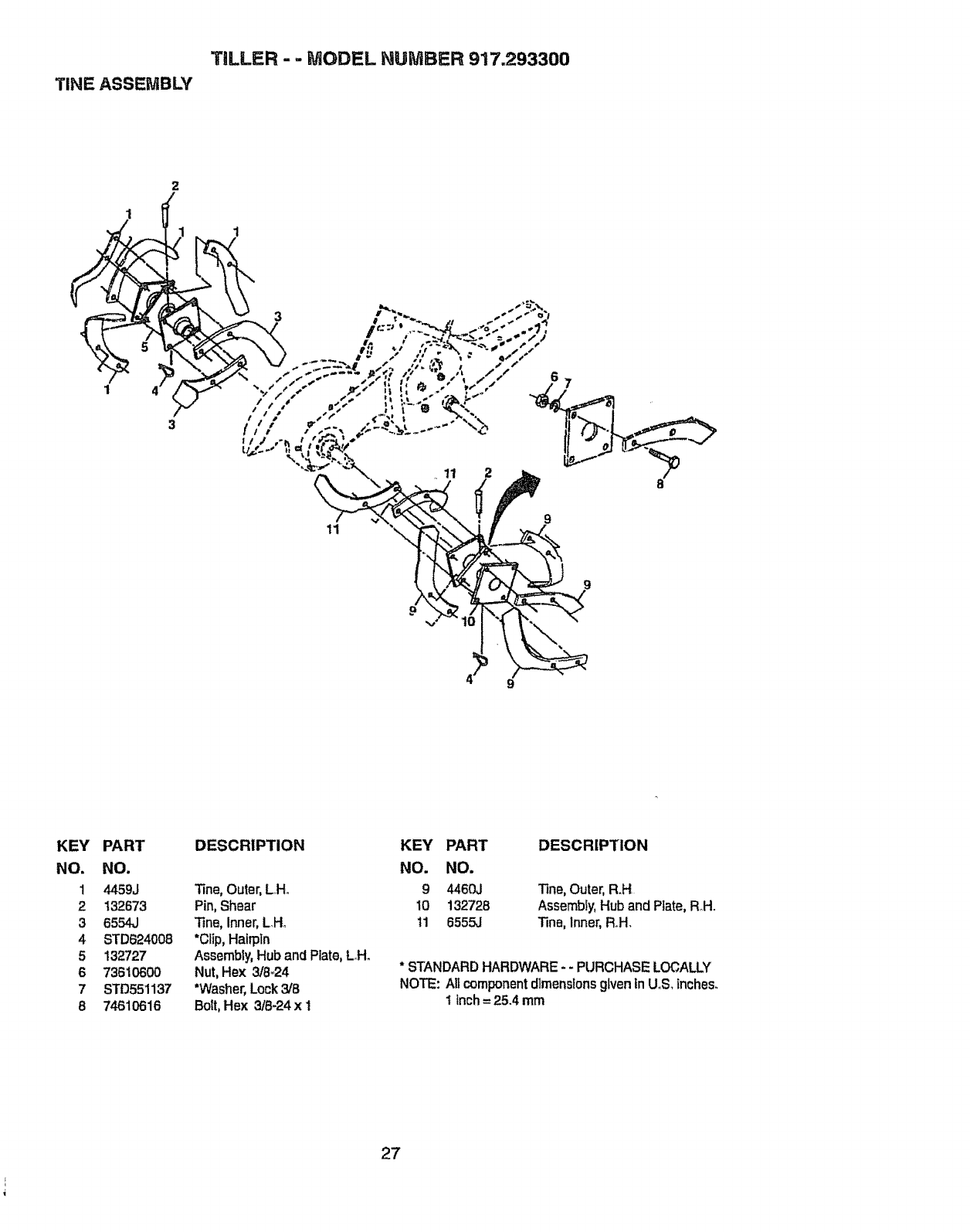
TINE ASSEMBLY
2
1
1
tl
\
9
KEY
NO.
1
2
3
4
5
6
7
6
PART
NO.
44593
132673
6554j
STD624008
132727
73610600
STD551137
74610616
DESCRIPTION
Tine, Outer, LH.
Pin, Shear
Tine, Inner, LHo
*Clip, Halrptn
Assembly, Hub and Plate, Loll.
Nut, Hex 316-24
*Washer, Lock 3/8
Bolt, Hex 3/8-24 x 1
KEY PART DESCRIPTION
NO. NO.
9 4460J Tins,Outer,R.H
10 132728 Assembly,Huband Plate,Roll.
tl 6555J "line,Inner,Roll.
*STANDARD HARDWARE - - PURCHASE LOCALLY
NOTE: All component dimensions given In U.S. inches.
I inch = 25.4 turn
27

DECALS
TILLER -=MODEL NUMBER 917.293300
3
8
KEY PART DESCRIPTION
NO. NO.
1 158096 Decat, Logo
2157991 Decal, Logo
3 157990 Decal, Logo
4 157984 Decal, Description
5137539 Decal, Caution, DriveControl
6 12043tX Decal, Hand Placement
7 102180X Decal, Shift Indicator
8 147592 Decal, Operation and Lubrication
9 163094 Decal, Depth Stake
10 120075X Decal, Warning, Rotating Tines
11 162215 Decal, Tine Shield Wing Dom
- - 163158 Manual, Owner's (English)
- - 163159 Manual, Owner's (Spanish)
28

w= _I v i=w_n_w_v_ww
ENGINE, BRIGGS & ST_ATTON - - MODEL NUMBER 134402, TYPE NO. 1113-E1
_" REQUIRES SPECIAL TOOLS e
TO INSTALL, SEE REPAIR
INSTRUCTION MANUAL 337_
_562 ............
2_
13A
957 429
601
182
_184
29

TILLER --MODEL NUMBER 917.293300
ENGINE, BRIGGS & STRATTON- .. MODEL NUMBER 134402, TYPE NO. 1113-E1
30
32
,, ,L
24
,35
36
220
219 _
12
20 524
22
l_r REQUIRES SPECLAL TOOLS
TO INSTALL SEE REPAIR
INSTRUCTION MANUAL,
456 623
30

TRLLER --MODEL NUMBER 917.293300
ENGINE, BRIGGS &STRATTON - -MODEL NUMBER 134402, TYPE NO. 1"113-E1
6
634A
_) 634
111_:_
137
116
r_
163
883
................................ lo9_ ....
VALVE OVERHAUL
GASKET SET
@oo,®
.......... ,llllu,,_..2
634 634A
977 CARBURETOR
GASKET SET
124
%
0
i ill _
358 GASKET SET
104 127 t16
634A 634
121 CARBURETOR KIT
31

TILLER .,- MODEL NUMBER 917.293300
ENGINE, BRIGGS & STRATTON-- MODEL NUMBER 134402, TYPE NO. 1113-E1
159
163
11
284 284
%
335
3O4 _305
73
23
843A
455
32

TILLER --MODEL NUMBER 917.293300
ENGINE, BRIGGS & STRATTON --MODEL NUMBER 134402, TYPE NO. 1113-E1
KEY PART KEY PART
NO. NO. DESCRIPTION NO. NO. DESCRIPTION
1 495133
2399268
3299819
5 214040
7 272157
8 495774
927549
10 94621
1i 66578
t2 270080
13
13A
14
15
I6
18
19
20
21
21A
22A
23
24
25
26
27
28
29
3O
32
34
270125
270126
94221
94915
94679
94916
492088
94388
494044
495660
294606
281658
399195
94980
94917
399673
_698
393819
393820
393821
393822
399067
399014
399015
399016
26026
298909
298908
299430
390459
225183
94699
211119
261044
_t
CylinderAssembSy 35 260552 Spring, Intake Valve
Bushing 36 26478 Spring, Exhaust Valve
Seal, Oil 37 222443 Guard, Flywheel
Head, Cylinder 40 225257 Retainer,Spring
Gasket, CylinderHead 45 260642 Tappet, Valve
BreathsrAssembly 46 214726 Gear, Cam
Gasket, Breather 51 272295 "Gasket, Carburetor
Screw, BreatherMounting 52 272585 *Gasket, Intake Port
Grommet 53 94923 Screw,Torx",Hex
Gasket, Crankcase, .O15"Thick 54 94706 Screw,Hex Head
(Standard) 55 497442 Housing, Rewind Starter
Gasket, Crankcase, .005" Thick 56 498144 Pulley, Starter
Gasket, Crankcase, o009"Thick (includes Rewind Spring)
Screw, CyiinderHead 2_5/16 58 280399 Rope, Starter
Stud, Cylinder Head (Cut to Required Length)
Screw, Cylinder Head 2-15/32 59 396892 Insert, Starter Handre
Plug, Oil Drain, 114"Standard, 60 393152 Handle, Rewind Starter
Square Head 65 94686 Screw, Starter Mounting
Crankshaft 73 225176 Screen, Rotating
Crankshaft Gear Key 75 495659 Washer Kit
Cover, Crankcase 95 94098 Screw,Round Head
Bushing 98 398185 Screw, Idle Adjusting
Seal, Oil 98A 493280 ScrewAssembly,
Plug, OII Rll Speed Adjustment
Plug, Otl Fill (For High Oil Fill 104 _-_* Pin, Hinge (Sold in Kit Only)
Hole) 108 224783 Valve, Choke
Screw, Crankcase Cover 111 262820 Spring, Lever
Mounting 116 - - - * Gasket, Sealing (Sold in Kil
Stud, Hex Head, Only)
Crankcase Cover Mounting 121 498260 Carburetor Kit
Rywheel 124 94920 Screw, Torx_, Hex
Key,Rywheel 125 498599 Carburetor
PistonAssembly, Standard Size 127 - - - * Plug, Welch
PistonAssembly, .010" Oversize 130 223470 Valve,Throttle
Piston Assembly, °020" Oversize 131 493556 Shaft, Throttle
Piston Assembly, ,030" Oversize 133 398187 Float, Carburetor
Rtng Set, Standard Size 134 398188 * Valve, inlet (Includes Seat)
RingSet, ,010" Oversize 137 - - - * Gasket, Bowl {Sold in Kit Onty)
RingSet, .020" Oversize
RingSet, ,030'6Oversize * Includedin Gasket Set (495661)
Lock, Piston Pin
Pin, Piston, Standard Size "Includedin CarburetorKit (498260)
Pin, Piston, .005" Oversize
Rod, Connecting * Includedin CarburetorGasket Set (498261)
Rod, Connecting,.02(7
Undersize Crankpin Bore "Includedin Valve Overhaul Gasket Set (498531)
Dipper, ConnectingRod
Screw, ConnectingRod NOTE: All componentdimensionsgiven in U,,S.inches
Valve, Exhaust tinch= 25.4 mm
Valve, Intake
33

TRLLER --MODEL NUMBER 917.293300
ENGINE, BRIGGS & STRATTON --MODEL NUMBER 134402, TYPE NO. 1113-E1
KEY PART KEY PART
NO. NO, DESCRIPTION NO. Nee DESCRIPTION
141 498593
159 280871
163 272537
164 281247
t65 94692
182 224669
184 94905
185 94010
187 298049
187A 495218
188 94895
200 223886
201 262865
209 262283
2!9 494845
220 221551
222 494899
227 496082
230 94927
232 260585
265 221535
267 94906
284 94929
300 494562
304 497018
305 94786
306 224820
307 94680
308 224740
332 94877
333 397358
335 93414
337 802592
346
347
356
356A
358
363
373
383
429
445
455
456
459
515
524
528
535
552
562
592
94896
493521
495135
495118
495661
19069
94908
89838
281190
494511
225121
281503
281505
263073
271485
231818
492889
231079
94907
231978
Shaft, Choke 601 93053 Clamp, Hose, Green
Support, Air Cleaner 93807 Clamp, Hose, Black
Gasket,Air Cleaner 608 497830 Starter,Rewind
Manifold, Intake 611 494451 Connector,Fuel Line
Nut, Wing 6t4 93306 Pin, Cotter
Bracket, Fue! Tank 616 495243 Crank, Governor
Screw, Hex Head 623 94943 Screw, Shoulder
Nut, Hex 634 - - - Seat, Shaft(Sold in Kit Only)
Line, Fuel (tl" Long, Cut to Suit) 634A ... Seal, Choke Shaft (Sold In Kit
Line, Fuel, Molded Only)
Screw, Shoulder 635 66539 Elbow,Spark Plug
Guide, Air 642 281188 Cover, Air Cleaner
Unk 663 93343 Screw,Sems
Spring, Governor 676 495074 DetlectorAssembly
Gear, Governor 741 262992 Gear, Timing
Washer, Thrust Uses: 94388 Key, Woodruff
Bracket, Control 832 494903 Guard, Muffler
LeverAssembty, Governor 843 280149 Sleeve, Lever
Washer, Governor Lever 843A 280643 Sleeve, Lever
Spdng, Link 851 493880 Terminal,Cable
Clamp, Casing 864 494904 Flange,Muffler
Screw, SlottedHex 869 211787 Seat, tntakeValve
Screw, Hex Head 870 263094 Seat, ExhaustValve, Cobalfte"
Muffler, Exhaust 871 262001 Guide, ExhaustValve
Housing, Blower 63709 Gulde, IntakeValve
Screw, Hex 883 272309 " Gasket, Exhaust
Shfeld, Cylinder 955 497610 Screw, Fuel Bowl, Standard
Screw, Hex Head, Cylinder 493869 Screw, Fuel Bowl, High Altitude
Shield 957 493988 Cap, FuelTank
Cover, Cylinder Head 958 494769 Valve, Shut-Off
Nut, Ry'whael 966 494902 Base, AirCleaner
Armature, Magneto 969 94872 Screw,Hex Head
Screw,Armature 971 94727 Screw,Hax Head
Plug, Spark 972 495345 Tank,Fuel
(1-7/8" High,48ram, Resistor 975 493640 Bowl,Float
Type) 977 498261 Gasket Set, Carburetor
Screw, Hex Head, Seres 978 273326 * Gasket Cover
Switch,Stop 979 494807 Cover,Oil Gard'
Wire, Stop (Armatureto Switch) 982 94658 Screw, Oil Gard"Cover
Wire, Stop (Stop Switch to 984 224746 Bracket, Inri[catorLight
Ground) 1036 499348 Label Kit,Emfss_on
Gasket Set 1095 498531 Gasket Set, Valve Overhaul
Puller, Flywheel 2500 134402-0113 Replacement Engine
Nut, Hex ---- 495952 Replacement Shortblock
Wrench, Spark Plug
Cover, Spark Plug * includedin Gasket Set (495661)
Filter,Air
Cup, Flywheel * Includedin Carburetor Kit (498261)
Retainer, Spring
Pawl, Ratchet " Inctuded in Carburetor Gasket Set (490937)
Spring, Frictton
Seal, Oil Fill *Included inValve Overhaul Gasket Set (498531)
Tube, Breather
Filter,Air NOTE: All component dimensions given in U,.S. inches
Bushing, Governor Crank 1 Inch = 25,,4mm
Bolt, Governor Lever
Nut, Hex
34

35

For the repair or replacement parts you need
delivered directly to your home
Call 7 am - 7 pro, 7 days a week
1-800=306-PART
(1-800-366-7278)
Para ordenar piezas con entrega a
domicilio - 1-800-659-7084
For in-house major brand repair service
Call 24 hours a day, 7 days a week
1-800-4oREPAHR
(1-800-473-7274)
Para pedir servicio de reparaci6n a
domicilio - 1-800-676-5811
For the location of a Sears Parts and
Repair Center in your area
Call 24 hours a day, 7 days a week
1-800=488-1222
For information on purchasing a Sears
Maintenance Agreement or to inquire
about an existing Agreement
Call 9 am - 5 pm, Monday-Saturday
1=800=827-6655
MIIN
When requesting service or ordering
parts, always provide the following
information:
• Product Type =Part Number
• Model Number ,Part Description
Americas Repair Speciat_sts
163158 Rev. 7 2.17.98 TR Printed in U.S.A,