Craftsman 917 37841 Users Manual
917378410 917378410 CRAFTSMAN Gas, Walk Behind Lawnmower - Manuals and Guides L0102263 View the owners manual for your CRAFTSMAN Gas, Walk Behind Lawnmower #917378410. Home:Lawn & Garden Parts:Craftsman Parts:Craftsman Gas, Walk Behind Lawnmower Manual
CRAFTSMAN Walk Behind Lawnmower, Gas Manual L0102263 CRAFTSMAN Walk Behind Lawnmower, Gas Owner's Manual, CRAFTSMAN Walk Behind Lawnmower, Gas installation guides
2015-01-05
: Craftsman Craftsman-917-37841-Users-Manual-160574 craftsman-917-37841-users-manual-160574 craftsman pdf
Open the PDF directly: View PDF
.
Page Count: 27

Owner's Manual
ICRAFT.TMAWI
6.75 HORSEPOWER
21" REAR DISCHARGE
POWER PROPELLED
ROTARY LAWN MOWER
Model No.
917.378410
• Safety
•Assembly
•Operation
•Maintenance
•Espa_ol
•Repair Parts
CAUTION:
Read and follow all
Safety Rules and Instructions
before operating this equipment
Sears, Roebuck and Co., Hoffman Estates, IL 60179
Visit our Craftsman website: www.sears.condcraftsman

Warranty ............................................... 2
Safety Rules ......................................... 2
Assembly .............................................. 5
Operation .............................................. 6
Maintenance Schedule ...................... "t0
Maintenance ....................................... 10
Product Specifications........................ 11
Service and Adjustments .................... 13
Storage ............................................... 14
Troubleshooting ................................. 16
Repair Parts........................................ 35
Parts Ordering ..................... Back Cover
LIMITED TWO YEAR WARRANTY ON CRAFTSMAN POWER MOWER
For two years from date of purchase, when this Craftsman Lawn Mower is maintained,
lubricated, and tuned up according to the operating and maintenance instructions in
the owner's manual, Sears will repair free of charge any defect in material or workman-
ship.
If this Craftsman Lawn Mower is used for commercial or rental purposes, this warranty
applies for only 90 days from the date of purchase.
This Warranty does not cover:
•Expendable items which become worn during normal use, such as rotary mower
blades, blade adapters, belts, air cleaners and spark plug.
• Repairs necessary because of operator abuse or negligence, including bent
crankshafts and the failure to maintain the equipment according to the instructions
contained in the owner's manual.
Warranty service is available by returning the Craftsman power mower to the nearest
Sears Service Center/Department in the United States. This warranty applies only
while this product is in use in the United States.
This Warranty gives you specific legal dghts, and you may also have other rights which
vary from state to state.
Sears, Roebuck and Co., D/617 WA, Hoffman Estates, Illinois 60179
IMPORTANT: This cutting machine is capable of amputating hands and feet and
throwing objects. Failure to observe the following safety instructions could result in
serious injuryor death.
I.GENERAL OPERATION
•Read, understand, and follow all
instructions on the machine and in the
manual(s) before starting. Be thor- °
oughly familiar with the controls and
the proper use of the machine before
starting.
• Do not put hands or feet near or under
rotating parts. Keep clear of the
discharge opening at all times.
•Only allow responsible individuals,
who are familiar with the instructions,to
operate the machine.
•Clear the area of objects such as
rocks, toys, wire, bones, sticks, etc.,
which could be picked up and thrown
by the blade. 2
Be sure the area is clear of other
people before mowing. Stop machine if
anyone enters the area.
Do not operate the mower when
barefoot or wearing open sandals.
Always wear substantial foot wear.
Do not pull mower backwards unless
absolutely necessary. Always look
down and behind before and while
moving backwards.
Do not operate the mower without
proper guards, plates, grass catcher or
other safety protective devices in place.
See manufacturer's instructions for
proper operation and installation of
accessories. Only use accessories
approved by the manufacturer.

• Stopthe blade(s) when crossing gravel
drives, walks, or roads.
•Stop the engine (motor) whenever you
leave the equipment, before cleaning
the mower or uncloggingthe chute.
•Shut the engine (motor) off and wait
until the blade comes to complete stop
before removing grass catcher.
• Mow only in daylight or good artificial
light.
• Do not operate the machine while
under the influence of alcohol or drugs.
•Never operate machine in wet grass.
Always be sure of your footing: keep a
firm hold on the handle and walk; never
run.
•Disengage the self-propelled mecha-
nism or drive clutch on mowers so
equipped before starting the engine
(motor).
•If the equipment should start to vibrate
abnormally, stop the engine (motor)
and check immediately for the cause.
Vibration is generally a warning of
trouble.
•Always wear safety goggles or safety
glasses with side shields when
operating mower.
II. SLOPE OPERATION
Slopes are a major factor related to slip
and fall accidents which can result in
severe injury.AII slopes require extra
caution. If you feel uneasy on a slope, do
not mow it.
DO:
•Mow across the face of slopes: never
up and down. Exercise extreme caution
when changing direction on slopes.
•Remove obstacles such as rocks, tree
limbs, etc.
•Watch for holes, ruts, or bumps. Tall
grass can hide obstacles.
DO NOT:
•Do not trim near drop-offs, ditches or
embankments. The operator could lose
footing or balance.
• Do not trim excessively steep slopes.
• Do not mow on wet grass. Reduced
footing could cause slipping,
II1.CHILDREN
Tragicaccidents can occur if the operator
is not alert to the presence of children.
Children are often attracted to the
machine and the mowing activity. Never
assume that children will remain where
you last saw them.
•Keep children out of the trimming area
and under the watchful care of another
responsible adult.
•Be alert and turn machine off if children
enter the area.
• Before and while walking backwards,
look behind and down for small
children.
• Never allow children to operate the
machine.
• Use extra care when approaching blind
corners, shrubs, trees, or other objects
that may obscure vision.
IV. SERVICE
•Use extra care in handling gasoline
and other fuers. They are flammable
and vapors are explosive.
-Use only an approved container.
-Never remove gas cap or add fuel
with the engine running. Allow
engine to cool before refueling, Do
not smoke.
-Never refuel the machine indoors.
-Never store the machine or fuel
container inside where there is an
open flame, such as a water heater.
•Never run amachine inside a closed
area.
•Never make adjustments or repairs with
the engine (motor) running. Disconnect
the spark plug wire, and keep the wire
away from the plug to prevent acciden-
tal starting.
•Keep nuts and bolts, especially blade
attachment bolts, tight and keep
equipment in good condition.
•Never tamper with safety devices.
Check their proper operation regularly.
•Keep machine free of grass, leaves, or
other debris build-up. Clean oil or fuel
spillage. Allow machine to cool before
storing.
• Stop and inspect the equipment if you
strike an object. Repair, if necessary,
before restarting.
• Never attempt to make wheel height
adjustments while the engine (motor) is
running.
• Grass catcher components are subject
to wear, damage, and deterioration,
which could expose moving parts or
allow objects to be thrown. Frequently
check components and replace with
manufacturer's recommended parts,
when necessary.
•Mower blades are sharp and can cut.
Wrap the blade(s) or wear gloves, and
use extra caution when servicing them.
•Do not change the engine governor
setting or overspeed the engine.
3

_ILook for this symbolto point out
important safety precautions. It means
CAUTION!!! BECOMEALERT!H YOUR
SAFETY IS INVOLVED.
_. CAUTION: In order to prevent
accidental starting when setting up,
transporting, adjusting or making repairs,
always disconnect spark plug wire and
place wire where it cannot contact spark
plug.
A CAUTION: Muffler and other engine
parts become extremely hot during
operation and remain hot after engine
has stopped. To avoid severe burns on
contact, stay away from these areas.
AWARNING: Engine exhaust, some of its
constituents, and certain vehicle
components contain or emit chemicals
known to the State of California to cause
cancer and birth defects or other
reproductive harm.
_,WARNING: Battery posts, terminals and
related accessories contain lead and lead
compounds, chemicals known to the State
of California to cause cancer and birth
defects or other reproductive harm. Wash
hands after handling.
These accessories were available when this lawn mower was produced. They are not
shipped with your mower. They are also available at most Sears retail outlets and
service centers. Most Sears stores can also order repair parts for you, when you
providethe model number of your lawn mower. Some of these accessories may not
apply to your lawn mower.
LAWN MOWER PERFORMANCE
CLIPPING DEFLECTOR
FOR REAR DISCHARGE LAWN MOWERS
_GRASS CATCHERS
\FOR
REAR DISCHARGE
LAWN MOWERS
MULCHER KITS
GRASS CATCHERS
FOR
SIDE DISCHARGE
LAWNMOWERS
LAWN MOWER MAINTENANCE
MUFFLERS
BELTS BLADES
AIR FILTERS
BLADE ADAPTERS WHEELS
STABILIZER
I_IllI
II_
GAS CANS
SPARK PLUGS
t_,
_1 I
ENGINE OIL
4

Read these instructionsand this manual
in its entirety before you attempt to
assemble or operate your new lawn
mower.
IMPORTANT: This lawn mower is
shipped WITHOUT OIL OR GASOLINE in
the engine.
Your new lawn mower has been as-
sembled at the factory with the exception
of those parts left unassembled for
shipping purposes. All parts such as nuts,
washers, bolts, etc., necessary to com-
plete the assembly have been placed in
the parts bag. Toensure safe and proper
operation of your lawn mower, all parts
and hardware you assemble must be
tightened securely. Use the correct tools
as necessary to ensure proper tightness.
TO REMOVE LAWN MOWER FROM
CARTON
1. Remove loose parts included with
mower.
2. Cut down two end corners of carton
and lay end panel down flat,
3. Remove all packing materials except
padding between upper and lower
handle and padding holding operator
presence control bar to upper handle.
4. Roll lawn mower out of carton and
check carton thorougly for additional
loose parts,
HOWTO SET UPYOUR LAWN
MOWER
TO UNFOLD HANDLE
IMPORTANT: Unfold handle carefully so
as not to pinch or damage controlcables.
1. Raise handles until lower handle
section rocks into place in mowing
position.
2. Remove protective padding, raise
upper handle section into place on
lower handle and tighten both handle
knobs.
3. Remove handle padding holding
operator presence control bar to
upper handle.
Your lawn mower handle can be adjusted
for your mowing comfort. Refer to "Adjust
Handle" in the Service and Adjustments
section of this manual.
OP_r'a;°braPresence_'_Lift u[_)
Upperhandle-_ _" /#"
•.o0
Lower handle
5

KNOWYOUR LAWN MOWER
READ THIS OWNER'S MANUAL AND SAFETY RULES BEFORE OPERATING YOUR
LAWN MOWER. Compare the illustrationswith your lawn mower to familiarize yourself
with the location of various controlsand adjustments. Save this manual for future
reference.
These symbols may appear on your lawn mower or in literature supplied with the
product, Learn and understand their meaning.
CAUTION ENGINE ENGINE FAST SLOW CHOKE FUEL OIL DANGER, KEEP HANDS
OR WANNING ON OFF AND FEET AWAY
Starter handle
_perator presence control bar
Ddve control lever
knob
Gasoline cap
Grass
Housing
Engine oil ca[ Drive cover
IMPORTANT: This lawn mower is
shipped WITHOUT OIL OR GASOLINE
in the engine. Wheeladjuster(on eachwheel)
MEETS CPSC SAFETY REQUIREMENTS
Sears rotary walk-behind power lawn mowers conform to the safety standards of the
Amedcan National Standards Institute and the U.S. Consumer Product Safety Commis-
sion. The blade turns when the engine is running.
Operator presence control bar -must Starter handle -used for starting the
be held down to the handle to start the engine.
engine. Release to stop the engine. Drive control lever -used to engage
Primer -pumps additional fuel from the power-propelled forward motion of lawn
carburetor to the cylinder for use when mower.
starting a cold engine, 6

The operation of any lawn
mower can result in
foreign objects thrown into
the eyes, which can result
in severe eye damage.
Always wear safety glasses or eye
shields while operating your lawn mower
or performing any adjustments or repairs.
We recommend a wide visionsafety
mask over spectacles or standard safety
glasses,
HOWTO USEYOUR LAWN MOWER
ENGINE SPEED
The engine speed was set at the factory
for optimumperformance. Speed is not
adjustable.
ENGINE ZONE CONTROL
A_.CAUTION: Federal regulations require
an engine control to be installed on this
lawn mower in order to minimize the risk
of blade contact injury.Do not under any
circumstances attempt to defeat the
function of the operator control.The blade
turns when the engine is running.
• Your lawn mower is equipped with an
operator presence control bar which
requires the operator to be positioned
behind the lawn mower handle to start
and operate the lawn mower.
TO ADJUST CUTTING HEIGHT
Raise wheels for low cut and lower
wheels for highcut, adjust cutting height
to suit your requirements. Medium
positionis best for most lawns.
To change cutting height, squeeze
adjuster lever toward wheel. Move
wheel up or down to suit your require-
ments. Be sure all wheels are in the
same setting.
NOTE: Adjuster is properly positioned
when plate tab inserts into hole in lever.
Also, 9-position adjusters (if so equipped)
allow lever to be positioned between the
plate tabs. PlateTab
LowerWheelsfor High Cut /,,rib.
_ Lever
RaiseWheelsfor Low Cut
TO CONVERT MOWER
Yourlawn mower was shippedreadyto be
usedas a mulcher. To convertto bagging:
REAR BAGGING
•Liftrear door ofthe lawnmower and place
the grasscatcherframe hooks ontothe
doorpivotpins.
•To convertto mulchingoperation,remove
grasscatcher and closerear door.
_,CAUTION: Do not run your lawn mower
without clipping deflector or approved
grass catcher in place, Never attempt to
operate the lawn mower with the rear
door removed or propped open.
Pivot Grass catcher
handle
Catcher frame hool
TO EMPTY GRASS CATCHER
1. Open door and lift up on grass catcher
using the frame handle.
2. Remove grass catcher with clippings
from under lawn mower handle.
3. Empty clippingsfrom bag using both
frame handle and bag handle.
NOTE: Do not drag the bag when
emptying; it will cause unnecessary wear.
Bag catcher frame
handle handle
7

DRIVE CONTROL
•Self-propelling is controlled by holding
the operator presence control bar down
to the handle and pushing the drive
controllever forward until it clicks;then
releasing the lever.
• Forward motion will stop when the
operator presence control bar is
released. To stop forward motion
without stopping engine, release the
operator presence control bar slightly
untilthe ddve control disengages. Hold
operator presence control bar down
against handle to continue mowing
without self-propelling.
• To keep drive control engaged when
turning comers, push down on handle
and lift front wheels off ground while
turning lawn mower.
Operatorpresencecontrolbar Drive
t control
_k_TOengage _._ Drivecontrol
"" dn_/econtrol"" disengaged
BEFORE STARTING ENGINE
ADD OIL
Your lawnmower is shipped without oil in
the engine. Engine holds 20 oz. of oil.
For type and grade of oil to use, see
"ENGINE" in Maintenance section of this
manual.
1. Be sure lawnmower is level and area
around oil fill is clean.
2. Remove engine oil cap and fillto the
full line on the dipstick. Pour oil slowly.
Do not over fill.
NOTE: Allow oil to settle down into engine
for accurate reading. To read proper level,
tighten engine oil cap, then remove it to
read the dipstick.
3. Reinstall engine oil cap and tighten.
• Check oil level before each use. Add
oil if needed. Fill to full line on dipstick.
• Change the oil after every 25 hours of
operation or each season. You may
need to change the oil more often
under dusty, dirty conditions.
ADD GASOLINE
•Fill fuel tank. Use fresh, clean, regular
unleaded gasoline with a minimum of
87 octane. Do not mix oil with gaso*
line. Purchase fuel in quantities that
can be used within 30 days to assure
fuel freshness.
AWARNING: Experience indicates that
alcohol blended fuels (called gasohol or
using ethanol or methanol) can attract
moisture which leads to separation and
formation of acids during storage. Acidic
gas can damage the fuel system of an
engine while in storage. To avoid engine
problems, the fuel system should be
emptied before storage of 30 days or
longer. Drain the gas tank, start the
engine and let it run until the fuel lines
and carburetor are empty. Use fresh fuel
next season. See Storage Instructions for
additional information. Never use engine
or carburetor cleaner products in the fuel
tank or permanent damage may occur.
_, CAUTION: Fill to bottom of gas tank
filler neck. Do not oven311.Wipe off any
spilled oil or fuel Do not store, spill or
use gasoline near an open flame.
Engine oil cap Gasoline filler cap
TO START ENGINE
NOTE: Due to protective coatings on the
engine, a small amount of smoke may be
present dunng the initial use of the
product and should be considered
normal.
1. To start a cold engine, push primer
three (3) times before trying to start.
Use a firm push. This step is not
usually necessary when starting an
engine which has alraady run for a
few minutes.
2. Hold operator presence control bar
down to the handle and pull starter
handle quickly. Do not allow starter
rope to snap back.
TO STOP ENGINE
•To stop engine, release operator
presence control bar.
NOTE: In coolerweather it may be
necessary to repeat priming steps. In
warmer weather over priming may cause
flooding and engine will not start. If you
do flood engine, wait a few minutes
before attemptingto start and do not
repeat priming steps.

MOWlNGTIPS
• Undercertainconditions,suchasvery
tallgrass,itmay be necessary to raise
the height of cut to reduce pushing
effort and to keep from overloading the
engine and leaving clumps of grass
clLppings. It may also be necessary to
reduce ground speed and/or run the
lawn mower over the area asecond
time.
• For extremely heavy cutting, reduce the
width of cut by overlapping previously
cut path and mow slowly.
• For better grass bagging and most
cutting conditions, the engine speed
should be set in the fast position.
• When using a rear discharge lawn
mower in moist, heavy grass, clumps of
cut grass may not enter the grass
catcher. Reduce ground speed
(pushing speed) and/or run the lawn
mower over the area a second time.
• If a trail of clippings is left on the right
side of arear discharge mower, mow in
a clockwise direction with a small
overlap to collect the clippings on the
next pass.
•Pores in clothgrass catchers can
become filled with dirt and dust with use
and catchers will collect less grass. To
prevent this, regularly hose catcher off
with water and let dry before using.
• Keep top of engine around starter clear
and clean of grass clippings and chaff.
This will help engine air flow and
extend engine life.
MULCHING MOWINGTIPS
IMPORTANT: For best performance,
keep mower housing free of built-up
grass and trash. See "Cleaning" Ln
Maintenance section of this manual.
• The special mulching blade will recut
the grass clippings many times and
reduce them in size so that as they fall
onto the lawn they will disperse into the
grass end not be noticed. Also, the
mulched grass wilt biodegrade quickly
to provide nutrients for the lawn.
Always mulch with your highest engine
(blade) speed as this will provide the
best recutting action of the blades.
• Avoid cutting your lawn when it is wet.
Wet grass tends to form clumps and
interferes with the mulching action.
The best time to mow your lawn is the
early afternoon. At this time the grass
has dried and the newly cut area will
not be exposed to the direct sun.
• For best results, adjust the lawn mower
cutting height so that the lawn mower
cuts off only the top one-third of the
grass blades. If the lawn is overgrown
it will be necessary to raise the height
of cut to reduoe pushing effort and to
keep from overloading the engine and
leaving clumps of mulched grass. For
extremely heavy mulching, reduce your
width of cut by overlapping previously
cut path and mow slowly.
•Certain types of grass and grass
conditions may require that an area be
mulched a second time to completely
hide the clippings. When doinga
second cut, mow across or perpendicu-
lar to the firstcut path.
•Change your cutting pattern from week
to week. Mow north to south one week
then change to east to west the next
week. This will help prevent matting
and graining of the lawn.
Max 1/3
9

MAINTENANCE SCHEDULE
FILL IN DATES
AS YOU COMPLETE
REGULAR SERVICE SERVICE DATES
Check for Loose Fasteners I/ _11/
Cleatvlnspect Grass Catcher
(If Equipped) t/ ll/ 11/
M Clean Lawn Mower _J_
O Clean Under Drive Cover
(Power*Propelled Mowers)
Check drive belt/ ulleys
E (Power_Propell_jPMowers) IJ
Check/Sharpe n/Re place Blade _3
Lubrication Chart I/ t/
Clean BatterylRecharge
IElectric Start Mowers !II/' _4
E 3heckEngineOilLevel ¥1
NChan_e Engine Oil t/l,z
GClean Air Filter It/ 2
I ! Inspect Muffler _'
NClean or ReplaCe Spark Plug
EReplaceAirFilterPaperCarb'idge b/2
1 o _mo_e often when operating IJnde_r aheavy load or In high ambient temperatu_'es
2 o Seph_ morn_when op_'a_ng indi,_yot dusty cond_tioP_
3 o Repts_ blades morn of_n when n_wk_l in sandyscll
4 - _48 boutsal end o#season.
GENERAL RECOMMENDATIONS
The warranty on this lawn mower does
not cover items that have been subjected
to operator abuse or negligence. To
receive full value from the warranty,
operator must maintain mower as
instructed in this manual.
Some adjustments will need to be made
periodically to properly maintain your
unit.
Alt adjustments in the Service and
Adjustments section of this manual
should be checked at least once each
season.
• Once a year, replace the spark plug,
clean or replace air filter element and
check blade for wear. A new spark
plug and clean/new air filter element
assures proper air-fuel mixture and
helps your engine run better and last
longer.
•Follow the maintenance schedule in
this manual.
BEFORE EACH USE
1. Check engine oil level.
2. Check for loose fasteners.
LUBRICATION
Keep unit well lubricated (See "LUBRI-
CATION CHART").
LUBRICATION CHART
_) Wheel adjuster
Handle bracket mounting pin
(_) Refer to maintenance "Engine" section.
_) Spray lubricant
IMPORTANT: Do not oil or grease
plastic wheel bearings, viscous lubri-
cants willattract dust and dirt that will
shorten the life of the self-lubricating
bearings, if you feel they must be
lubricated, use only a dry, powdered
graphite type lubricant sparingly.
10

PRODUCT SPECIFICATIONS
ERIALNUMBER
DATEOF PURCHASE
_ASOLINE CAPACITY/TYPE: 1.5 QUARTS
UNLEADED REGULAR
DILTYPE (API-SF-SJ): SAE 30 (ABOVE 32°F)
SAE 5W-30 (BELOW 32°F)
)IL CAPACITY: 20 OZS.
SPARK PLUG (GAP: .045") CHAMPION RESISTOR TYPE RJ19LM4
BLADE BOLTTORQUE: 35-40 FT. LBS.
The model and serial numbem will be found on a decal attached to the rear of the
lawn mower housing.Record both serial number and date of purchase in space
provided above.
LAWN MOWER
Always observe safety rules when
performing any maintenance.
TIRES
• Keep tires free of gasoline, oil, or insect
control chemicals which can harm
rubber.
• Avoid stumps, stones, deep ruts, sharp
objects and other hazards that may
cause tire damage.
BLADE CARE
For best results, mower blade must be
kept sharp. Replace bent or damaged
blades.
TO REMOVE BLADE
1. Disconnect spark plug wire from spark
plug and place wire where it cannot
come in contact with spark plug.
2. Turn lawn mower on its side. Make
sure air filter and carburetor are up.
3. Use a wood block between blade and
mower housing to prevent blade from
turning when removing blade bolt.
NOTE: Protect your hands with gloves
and/or wrap blade with heavy cloth.
4. Remove blade bolt by turning counter-
clockwise.
5. Remove blade and attaching hard-
ware (bolt, lock washer and hardened
washer).
NOTE: Remove the blade adapter and
check the key inside hub of blade
adapter. The key must be in good condi-
tion to work properly. Replace adapter if
damaged.
TO REPLACE BLADE
1. Position the blade adapter on the
engine crankshaft. Be sure key in
adapter and crankshaft keyway are
aligned.
2. Position blade on the blade adapter
aligning the two (2) holes in the blade
with the raised lugs on the adapter.
3. Be sure the trailing edge of blade
(opposite sharp edge) is up toward
the engine.
4. Install the blade bolt with the lock
washer and hardened washer into
blade adapter and crankshaft.
5. Use block of wood between blade and
lawn mower housing and tighten the
blade bolt, turning clockwise.
•The recommended tightening torque is
35-40 ft. Ibs.
IMPORTANT: Blade bolt is grade 8 heat
treated.
TO SHARPEN BLADE
NOTE: We do not recommend sharpen-
ing blade - but if you do, be sure the
blade is balanced.
Care should be taken to keep the blade
balanced. An unbalanced blade will
cause eventual damage to lawn mower
or engine.
•The blade can be sharpened with a file
or on a grinding wheel. Do not attempt
to sharpen while on the mower.
• To check blade balance, drive a nail
into a beam or wall. Leave about one
inch of the straight nail exposed. Place
center hole of blade over the head of
the nail. If blade is balanced, it should
remain in a horizontal position. If either
end of the blade moves downward,
sharpen the heavy end until the blade
is balanced.
11

Bladeadapter
"Crankshaft
Key._ _keyway
Lockwasher_ __ ! _11
Blade crank
_--- shaft
bolt Hardened _-Blade
washer Trailingedge adapter
GRASS CATCHER
•The grass catcher may be hosed with
water, but must be dry when used.
• Check your grass catcher often for
damage or deterioration. Through
normal use it will wear. If catcher
needs replacing, replace only with a
manufacturer approved replacement
catcher. Give the lawn mower model
number when ordering.
DRIVE WHEELS
Check front drive wheels each time
before you mow to be sure they move
freely.
The wheels not turning freely means
trash, grass cuttings, etc. are in the drive
wheel area and must be cleaned to free
drive wheels.
If necessary to clean the drive wheels,
check both front wheels.
1. Remove hubcaps, hairpin cotters and
washers.
2. Remove wheels from wheel adjusters.
3. Remove any trash or grass cuttings
from inside the dust cover, pinion and/
or drive wheel gear teeth.
4. Put wheels back in place.
NOTE: If after cleaning, the drive wheels
do not turn freely, contact a Sears or other
qualified service center.
GEAR CASE
•To keep your drive system working
properly, the gear case and area
around the drive should be kept clean
and free of trash build-up. Clean under
the drive cover twice a season.
•The gear case is filled with lubricant to
the proper level at the factory. The only
time the lubricantneeds attention is if
service has been performed on the
gear case.
• If lubricant is required, use only Texaco
Starplex Premium 1 Grease, Part No.
750369. Do not substitute.
ENGINE
LUBRICATION
Use only high quality detergent oil rated
with API service classificationSF-SJ,
Select the oil's SAE viscositygrade
according to your expected operating
temperature.
12
NOTE: Although multi-viscosity oils
(5W30, 10W30 etc.) improve starting in
cold weather, these multi-viscosityoils
will result in increased oil consumption
when used above 32°1:. Check your
engine oil level more frequently to avoid
possible engine damage from running
low on oil.
Change the oil after every 25 hours of
operation or at least once a year if the
lawn mower is not used for 25 hours in
one year.
Check the crankcase oil level before
starting the engine and after each five (5)
hours of continuous use. Tighten oil plug
securely each time you check the oil
level.
TO CHANGE ENGINE OIL
NOTE: Before tipping lawn mower to
drain oil, drain fuel tank by running
engine until fuel tank is empty.
1. Disconnect spark plug wire from spark
plug and place wire where it cannot
come in contact with spark plug.
2. Remove engine oil cap; lay aside on a
clean surface.
3. Tip lawn mower on its side as shown
and drain oil into a suitable container.
Rock lawn mower back and forth to
remove any oil trapped inside of
engine.
4. Wipe off any spilled oil on lawn mower
and on side of engine.
5. Fill engine with oil. (See "Add Oil" in
the Operacion sectionof this manual.)
6. Reconnect spark plug wire to spark
plug.
Contamer

AIR FILTER
Your engine will not run properly and may
be damaged by using a dirty air filter.
Replace the air filter every year, more
often if you mow in very dusty, dirty
conditions. Do not wash air filter.
TO CHANGE AIR FILTER
1. Remove the air filter by turning
clockwise to the stop and pull away
from collar.
2. Remove filter from inside of cover.
3. Clean the inside of the cover and the
collar to remove any dirt accumula-
tion.
4. Insert new filter into cover.
5. Put air filter cover and filter into collar
aligning the tab with the slot.
6. Push in on cover and turn counter-
clockwise to tighten.
Collar
Turn
_lockwise
remove
Slot
Airfilter
Air filter cover
Turn
counter-
clockwise
to tighten
MUFFLER
Inspect and replace corroded muffler as it
could create a fire hazard and/or dam-
age.
SPARK PLUG
Change your spark plug each year to
make your engine start easier and run
better. Set spark plug gap at .030 inch.
CLEANING
IMPORTANT: For best performance,
keep mower housingfree of buiLt-up
grass and trash. Clean the underside of
your mower after each use.
_b.CAUTION: Disconnect spark plugwire
from spark plug and place wire where it
cannot come in contact with the spark
plug.
• Clean the underside of your lawn
mower by scraping to remove build-up
of grass and trash.
• Clean engine often to keep trashfrom
accumulating. Aclogged engine runs
hotter and shortens engine life.
•Keep finished surfaces and wheels free
of all gasoline, oil,etc.
• We do not recommend using a garden
hose to clean lawn mower unless the
electrical system, muffler, air filter and
carburetor are covered to keep water
out. Water in engine can result in
shortened engine life.
CLEAN UNDER DRIVE COVER
Clean under drive cover at least twice a
season. Scrape underside of cover with
putty knife or similar tool to remove any
build-up of trash or grass on underside of
drive cover.
ACAUTION: Before performing any
service or adjustments:
1. Release control bar and stop engine.
2. Make sure the blade and all moving
parts have completely stopped.
3. Disconnect spark plug wire from spark
plug and place where it cannot come
in contact with plug.
LAWN MOWER
TO ADJUST CUTTING HEIGHT
See "TO ADJUST CUTTING HEIGHT" in
the Operation section of this manual
REAR DEFLECTOR
The rear deflector, attached between the
rear wheels of your mower, is provided to
minimize the possibilitythat objects will
be thrown out of the rear of the mower
into the operator mowing position, If the
deflector becomes damaged, it should be
replaced, 13
TO REMOVE/REPLACE DRIVE BELT
1. Remove drive cover. Remove belt
from gearcase pulley by pushing
down on pulley and rolling belt off it.
2. Turn lawn mower on its side with air
filter and carburetor up.
3. Remove blade.
4. Remove debds shield.
5. Remove belt from engine pulley on
crankshaft.
6. InstaU new belt by reversing above
steps.
7. Always use factory approved belt to
assure fit and long life.
Drive
Belt
Push
down

TO ADJUST HANDLE
The upper handle may be adjusted to
four (4) different height positions.
1. Loosen both handle knobs only
enough to allow the upper handle to
pivot to the desired adjustment
position.
2. Tighten both handle knobs securely.
Handle Knob
Handle Knob
TO ASSEMBLE GRASS CATCHER
1. Put grass catcher frame into grass bag
with rigid part of bag on the bottom.
Make sure the frame handle is outside
of the bag top.
2. Slip vinyl bindings over frame.
NOTE: If vinylbindings are too stiff,hold
them in warm water for afew minutes. If
bag gets wet, let itdry before using.
ACAUTION: Do not run your lawn mower
without clipping deflector or approved
grass catcher in place. Never attempt to
operate the lawn mower with the rear
door removed or propped open.
CatmC;eha_d_
oF'; o
ENGINE
ENGINE SPEED
Your engine speed has been factory set.
Do not attempt to increase engine speed
or it may result in personal injury. If you
believe that the engine is running too fast
or too slow, take your lawn mower to a
Sears or other qualified service center for
repair and adjustment.
CARBURETOR
Your carburetor has anon-adjustable
fixed main jet for mixturecontrol. Ifyour
engine does not operate propedy due to
suspected carburetor problems, take your
lawn mower to a Sears or other qualified
service center for repair and/or adjust-
ment.
IMPORTANT: Never tamper with the
engine governor, which is factory set for
proper engine speed. Overspeeding the
engine above the factory high speed
setting can be dangerous. If you think the
engine-governed high speed needs
adjusting, contact a Sears or other
qualified service center, which has
proper equipment and experience to
make any necessary adjustments.
Immediately prepare your lawn mower for
storage at the end of the season or ifthe
unit willnot be used for 30 days or more.
LAWN MOWER
When lawn mower is to be stored for a
period of time, clean it thoroughly,remove
all dirt, grease, leaves, etc. Store in a
clean, dry area.
1. Clean entire lawn mower (See
"CLEANING" in the Maintenance
section of this manual).
2. Lubricate as shown in the Mainte-
nance section of this manual.
3. Be sure that all nuts, bolts, screws,
and pins are securely fastened.
Inspect moving parts for damage,
breakage and wear. Replace if
necessary.
4. Touch up all rusted or chipped paint
surfaces; sand lightly before painting.
HANDLE
You can fold your lawn mower handle for
storage.
1. Squeeze the bottom ends of the lower
handle toward each other until the
lower handle clears the handle
bracket, then move handle forward.
2. Loosen upper handle mounting bolts
enough to allow upper handle to be
folded back.
IMPORTANT: When folding the handle
for storage or transportation, be sure to
fold the handle as shown or you may
damage the control cables.
14

• When setting upyour handle from the
storage position, the lower handle will
automatically lock into the mowing
position.
Squeezeto fold
,,F bracket
Operator presence
contrOlupperhandlbar_ ,_'_P_'¢)//_
Fold forward for _ _ ,.it /_L
stroage __.._ 2,f_,,' _3,,/"Fo,d
i_Tf::._"-2 - Mowing
position
Lowerhandle
ENGINE
FUEL SYSTEM
IMPORTANT: It is important to prevent
gum deposits from forming in essential
fuel system parts such as carburetor,fuel
filter,fuel hose, or tank during storage.
Also, experience indicates that alcohol
blended fuels (called gasohol or using
ethanol or methanol) can attract moisture
which leads to separation and formation
of acids during storage. Acidic gas can
damage the fuel system of an engine
while in storage.
1. Drain the fuel tank.
2. Start the engine and let it run untilthe
fuel lines and carburetor are empty.
• Never use engine or carburetor cleaner
productsin the fuel tank or permanent
damage may occur.
• Use fresh fuel next season,
NOTE: Fuel stabilizer is an acceptable
alternative in minimizing the formation of
fuel gum deposits during storage. Add
stabilizer to gasoline in fuel tank or
storage container. Always follow the mix
ratio found on stabilizer container. Run
engine at least 10 minutes after adding
stabilizer to allow the stabilizer to reach
the carburetor. Do not drainthe gas tank
and carburetor if using fuel stabilizer.
ENGINE OIL
Drain oil (with engine warm) and replace
with clean engine oil. (See "ENGINE" in
the Maintenance section of this manual).
CYLINDER
1, Remove spark plug.
2. Pour one ounce (29 ml) of oil through
spark plug hole into cylinder.
3. Pull starter handle slowly a few times
to distribute oil,
4. Replace with new spark plug.
OTHER
• Do not store gasoline from one season
to another.
• Replace your gasoline can ifyour can
starts to rust. Rust and/or dirt inyour
gasoline will cause problems.
•If possible, store your unit indoors and
cover it to give protectionfrom dust and
dirt.
•Cover your unit with a suitable protec-
tive cover that does not retain mois-
ture. Do not use plastic. Plastic cannot
breathe which allows condensation to
form and will cause your unit to rust.
IMPORTANT: Never cover mower while
engone and exhaust areas are still warm.
ACAUTION:Never store the lawn mower
with gasoline in the tank inside a building
where fumes may reach an open flame or
spark. Allow the engine to cool before
storing in any enclosure.
15

TROUBLESHOOTING CHART
PROBLEM CAUSE
Does not start 211StaleOutDirtyofairfuel.fuel.filter.
Loss of power
Poor cut - 1.
uneven 2,
3.
Excessive 1.
vibration 2.
Starter rope hard 1.
topull
2.
3,
4.
Loss of drive 1.
2.
4. Water in fuel.
5. Spark plug wire is
disconnected.
6. Bad spark plug.
7. Loose blade or broken
blade adapter.
8. Control bar in released
position.
9. Control bar defective.
1. Rear of lawn mower
housing or cutting blade
dragging in heavy grass.
2. Cutting too much grass.
3. Dirty air filter.
4. Buildup of grass, leaves,
and trash under mower.
5. Too much oil in engine.
6. Walking speed too fast.
Worn, bent or loose blade.
Wheel heights uneven.
Buildup of grass, leaves
and trash under mower.
Worn, bent or loose blade.
Bent engine crankshaft.
Engine flywheel brake is on
when control bar is released
Bent engine crankshaft.
Blade adapter broken.
Blade dragging in grass.
Drive wheels not turning
with drive control engaged.
Belt not driving
CORRECTION
1. Clean/replace air filter.
2. Fill fuel tank.
3. Drain tank and refill with
fresh clean fuel.
4. Drain fuel tank and
carburetor and refill tank
with fresh gasoline.
5. Connect wire to plug.
6. Replace spark plug.
7. Tighten blade bolt or
replace blade adapter.
8. Depress control bar to
handle.
9. Replace control bar.
1. Set to "Higher Cut"
position.
2. Set to "Higher Cut"
position.
3. Clean/replace air filter.
4. Clean underside of mower
housing.
5. Check oil level.
6. Cut at slower walking
speed.
1. Replace blade. Tighten
blade bolt.
2. Set all wheels at same
height
3. Clean underside of
mower housing.
1. Replace blade. Tighten
blade bolt.
2. Contact aSears or other
qualified service center.
1. Depress control bar to
upper handle before
pulling starter rope.
2. Contact a Sears or other
qualified service center.
3. Replace blade adapter.
4. Move lawn mower to cut
grass or to hard surface.
1. Adjust or replace drive
control cable.
2. Put belt on pulleys or
replace belts if broken.
16

TROUBLESHOOTING CHART
PROBLEM CAUSE CORRECTION
Grass catcher 1. Cutting height too low. 1. Raise cutting height.
notfilling (ifso 2. Lift on blade worn off. 2, Replace blade.
equipped) 3. Catcher not venting air. 3, Clean grass catcher.
Hard to push 1. Grass is too high or wheel 1. Raise cutting height.
height is toe low.
2. Rear of lawn mower 2. Raise rear of lawn mower
housing or blade dragging housing one (1) setting
in grass, higher.
3. Grass catcher too full, 3. Empty grass catcher.
4. Handle height position not 4. Adjust handle height to
rightfor you. suit.
17

I
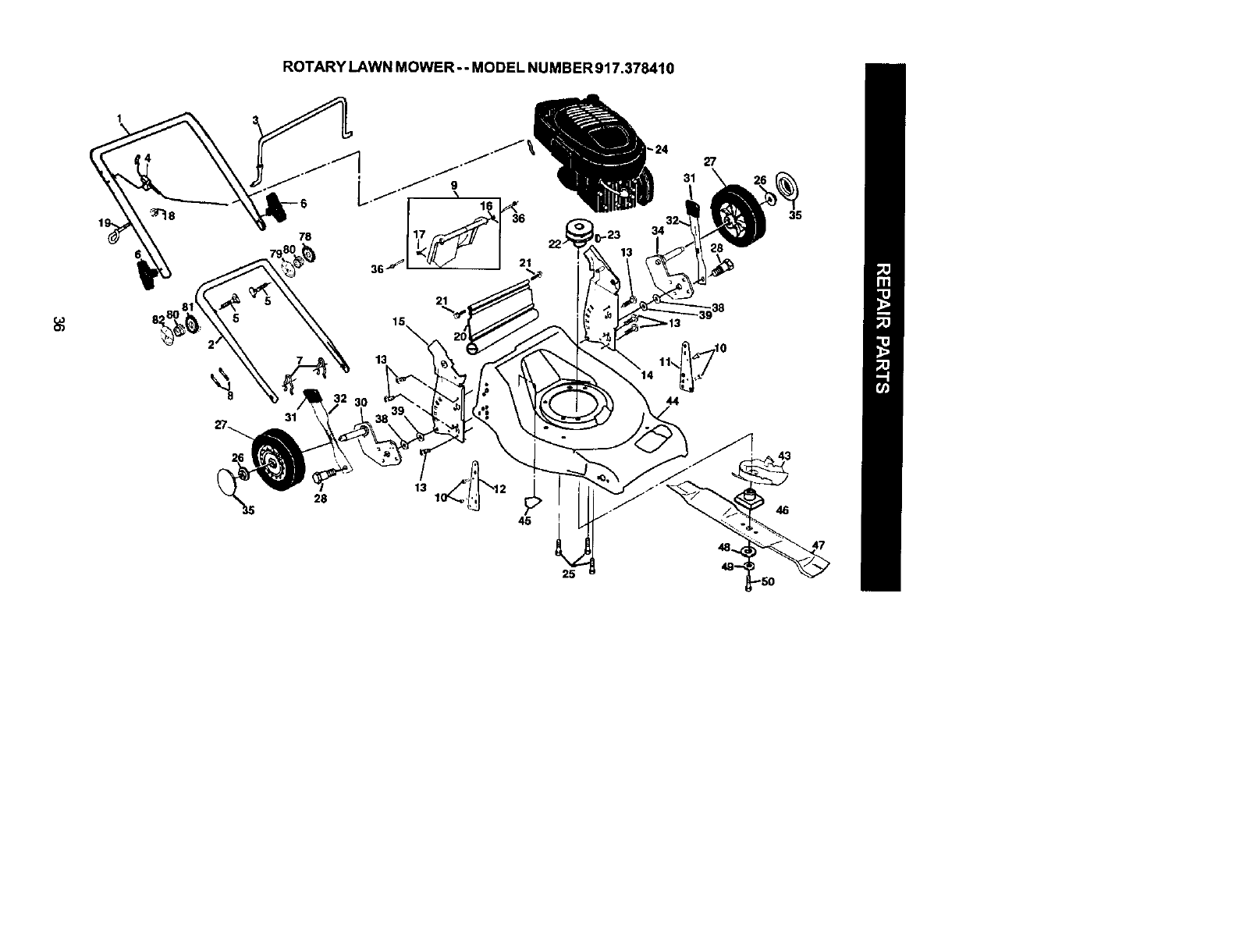
ROTARY LAWN MOWER- -MODEL NO. 917.378410
GEAR CASE ASSEMBLY PART NUMBER 175258
7
KEY PART
NO. NO. DESCRIPTION
1 17490416 Tapping Screw 1/4-20 x 1-1/4
2 175248)(004 Engagement Bracket
3137053 Shifter
4 57072 Seal
6 48373 Gear Case Halves Kit (Includes
Key Nos. 4, and 7)
7 77881 Beanng
5 137051 WormShaft
9 175257 Drive Shaft
10 57079 HardenedWasher
11 131484 Clutch Yoke
KEY PART
NO. NO. DESCRIPTION
12 700343 Bushing
13 86447 Plug
14 137050 HelicalGear
15 750436X Clutch Jaw
16 750369 Grease
17 12000003 E-Ring
18 850848 Hi-pro Key
19 81585X004 Spring Bracket
NOTE: All component dimensions given in U.S. inches.
1inch = 25.4 mm
35

ROTARYLAWNMOWER--MODEL NUMBER 917.378410
31
13
28
45
_24 27
31
44
35
43
46
25

ROTARY LAWN MOWER- -MODEL NUMBER 917.378410
KEY PART
NO. NO. DESCRIPTION
1 175391X479 Upper Handle
2 175245)(479 Lower Handle
3 169780 Control Bar
4 156577 Engine Zone Contm_Cable
5 171407 Handle Bolt
6 136376 Handle Knob
7 51793 HairpinCotter
666426 Wire Tie
9 175794 Rear Door Kit (Incl. Kay #16 & 17)
10 128415 Pop Rivet
11 175069X479 Support Bracket LH
12 175070)(479 Support Bracket RH
13 17060410 Screw 14-20 x 5/8
14 175082X479 Handle Bracket Assembly (Left)
15 175081X479 Handle Bracket Assembly (Right)
16 175243 Spdng LH
17 175244 Spring RH
18 63601 Keps Locknut 1/4-20
19 153638 RopeGuide
20 175573 Rear Skift
21 88652 Hinge Screw 1/4-20 x 1-1/4
22 85543 Engine Pulley
23 87677 Hi-Pro Key #505
24 ..... Engine_3raftsman-Medel NO.143.016708
25 150406 Hex Head Thread RollingStew 316-16 x 1-1/8
26 83923 Hex Flange Nut
27 150341 W%e_
28 175231 Shoulder Bolt 5/16-18 x .33
30 165761X004 Axts Arm Assembly RR
31 701037 Selector Knob
32 175060X004 Selector Spring
KEY PART
NO. NO. DESCRIPTION
34 165762X004 Axle Arm Assembly LR
35 175012 Hubcap
36 165912 Bolt
38 176185 Washer
39 176235 Pushnut
43 175083 Bottom Belt Cover
44 176289 Lawn Mower Housing (Incl, Key #10, 11, 12& 45)
45 85463 Danger Deal
46 851514 Blade Adapter
47 175064 Blade21"
48 851074 Hardened Washer
49 850263 Helical Washer 3/8-24 x 1-3/8 Gr. 8
50 851084 Hex Head Machine Screw 3/8-24 x 1-3/8 Gr. 8
78 170954 Handle Adjuster, Outside, LH
79 170953 Handle Adjuster, Inside. LH
80 170554 Handts Adjuster Spdng
51 170955 Handts Adjuster. thside, RH
82 170956 Handts Adjustsr. Outside, RH
- - 161658 Warning Decal (Not Shown)
-- 176301 Owner's Manual (English/Spanish)
Available accessories not included with lawn mower:
-- D/98 33314 CJippingDeflector
- - 7t 33623 Gas Can
-- 71 33500 Fuel Stabilzer
--71 33068 SAE 30W Oil (20 oz.)
NOTE: All component dimensions given in U.S. inches.
1 inch = 25.4 mm

ROTARY LAWN MOWER --MODEL NUMBER 917.378410
•_ \ ,\__, __
14
11
/
18
14 16
13
18
li6
g
8 13
12
4O

ROTARY LAWN MOWER --MODEL NUMBER 917.378410
KEY PART
NO. NO.
1 145755
3 751152
4 158755
5 175436
6 150495
8 175012
9 145212
11 150340
12 1201XX)58
13 137054
14 88080
15 88118
16 67725
18 701037
26 175262
KEY PART
DESCRIPTION NO. NO. DtESCRIP'nON
ControlCable Assembly 28 175065
Locknut #10-24 31 132010
Hex Washer Head Screw 1/4-20 x 2.12 32 137G52
V-Belt 35 151521
Spchg Retainer 36 175258
Hubcap 37 137090
Locknut 38 63601
Wheel & Tire Assembly 40 75192
E-Ring 41 151520
Pinion 54 175084
Dust Cover 55 175739
Felt Washer 57 175058
Washer 112x 1-1/2 x ,134
Selector Knob
Pan Head Tapping Screw #10-24 x 2-3/4
Drive Cover
Hex Flange Nut
Drive Pulley
Wheel Adjuster Assembly (Left)
Gear Case Assembly
Spring
Locknut 1/4-20
Spring
Wheel Adjust_rAssembly (Right)
Grassbag Assembly
Driveshaft Cover
Frame
NOTE: All component dimensions given in U.S. inches.
1 inch = 25.4 mrn

CRAFTSMAN 4-CYCLE ENGINE MODEL NO. 143.016708
9OO
110_
135
130
120
416
€17e._
119
125
275,
104
306
195
4O

CRAFTSMAN 4-CYCLE ENGINE MODEL NO. 143,016708
KEY PART KEY PART
NO. NO. DESCRIPTION NO. NO. DESCRIPTION
1 37465 Cylinder IncL 2 & 20) 172 36784 Valve Cover
2 26727 Dowe Pin 174 30200 Screw, 10-24 x 9/16"
6 33734 Breather Element 178 29752 Nut & Lock Washer, 1/4-28
7 36557 Breather Ass'y. (Incl. 6 & 12A) 182 6201 Screw, 1/4-28 x 7/8"
12 36775 Breather Tube 184 26756 * Carburetor To Intake Pipe
12A 36558 Breather Cover & Tube (Incl. Gasket
12B 185 37466 Intake Pipe
12B 36694 Brea her Tube Elbow 186 32653 Governor Link
14 28277 Washer 189 650839 Screw, 1/4-20 x 3/8"
15 30589 Governor Rod (Ind. 14) 191 36559A S.E. Brake Bracket (Ind. 195)
16 34839A Governor Lever 195 610973 Terminal
17 31335 Governor Lever Clamp 207 34336 ThrOttle Link
18 651018 Screw, Tor-x T-15, 8-32 x 19/ 216 33086 R.RM. Ad'usUng]! Lever
64" 223 650451 Screw, 1/4-20 x I"
19 36281 Extension Spring 224 36786 * intake Pip_e Gasket
20 32600 Oil Seal 238 650932 Screw, 10-32 x 49/64"
30 37464 Crankshaft 239 34338 * Air Cleaner Gasket
40 40027 Piston, Pin & Ring Set (Std.) 241 36919 Air Cleaner Collar
41 40042 Piston & Pin Ass'y. (Std.) 245 36905 Air Cleaner Filter
(Incl. 43) 250 37122 Air Cleaner Cover
42 40006 Ring Set (Std.) 260 36980 Blower Housing
43 20381 Piston Pin Retaining Ring 261 30200 Screw, 10-24 x 9/16"
45 36777 Connecting Rod Ass'y. (Incl. 262 650831 Screw, 1/4-20 x 1/2"
46) 263A 37184 Starter Gdll
46 32610A Connecting Rod Bolt 275 37462 Muffler
48 27241 Valve Lifter 277 650988 Screw, 1/4-20 x 2-5/16"
50 37460 Camshaft Exhaust(MCR)(Inc. 285 35000A Starter Cup
ref 104) 287 650926 Screw, 8-32 x 21/64"
52 29914 Oil Pump Ass'y. 290 29774 Fuel Line
69 37609 * Mounting Flange Gasket 292 26460 Fuel Line Clamp
70 37608 Mounting Flange (Incl. 72 298 28763 Screw, 10-32 x 35164"
thru 83) 300 36916 Fuel Tank (Incl. 292 & 301
72 37615 Oil Dram Rug (Incl. 73) 301 36246 Fuel Cap (Black)
73 28833 Drain Plug Gasket 305 35647 Oil Fill Tube
75 27897 Oil Seal 306 37610 * "O'-Ring
80 30574A Governor Shaft 307 35499 "O'-RJng
81 30590A Washer 309 650562 Screw, 10-32 x 1/2"
82 30591 Governor Gear Ass'y. (Incl. 309A 650783 Screw, 10-24 x 3/4" 590568
81) 310 35648 Dipstick
83 30588A Governor S_p(oct 311A 7611 Hold Down Bracket
66 650488 Screw, 114-_0 x 1-1/4" 313 34080 Spacer
89 611004 Flywheel Key 347 651038 Screw, 10-32 x 51/64"
90 611112 Flywheel 355 590701 Starter Handle
92 650815 Belleville Washer 370A 36261 Lubrication Decal
93 650816 Flywheel Nut 370C 37318 primer Decal (3 X)
100 34443C Solid State Ignition 370R 37317 Warning Decal
101 610118 Spark Plug Cover 380 640271 Carburetor IncL 184)
103 651007 Screw, Torx T-15, 10-24 x 15/ 390 590739 Rewnd Starter
16" 400 36792B Gasket Set (Incl. Items
104 37480 Cam Bushing Marked*
110 37047 Ground Wire 416 36085 Spark Arrestor Kit (tac.
119 36787 * Cylinder Head Gasket 417)(Optional)
120 36825 Cylinder Head 417 650760 Screw, 8-32 x 3/8" Optional)
125 36780 Exhaust Valve (1132" GS) 900 ------ Replacement Engine NONE
(IncL 151 900 750865 Replacement S/B Order from
125 37288 Exhaust Valve Std.) (Ind. 7%999
161 l
126 37289 Inta e Valve (Std.) (In_l. 151) RPM High 2900 to 3200
130 6021A Sc_=w, 5/16-t6 x 1-112"
135 37598 Resistor Spark Plug NOTE; This engine could have been built with
(RJ19LM4 590702 starter.
150 31672 Valve Spnng
151 31673 Valve Spdn 9 Cap NOTE; All component dimensions given in U.S.
151A 40017 Intake Valve Seal inches 1 inch = 25.4 mm
169 36783 * Valve Cover Gasket
41

CRAFTSMAN 4-CYCLE ENGINE MODEL NO. 143.016708
KEY PART
NO. NO. DESCRIPTION
---- 640271
1 31615
2 31767
4 631184
5 631183
6 640070
7 650506
16 631807
17 651026
18 630766
20 640027
20A 640200
25 631867
27 631024
28 632019
29 631028
30 631021
31 631022
35 640259
36 640080
36A 632766
37 632547
40 640030
44 27110A
47 630748
48 631027
60 632760B
Carburetor Incl. 184 of Engine Parts List)
Throttle Shaft & Lever Assemb y
Throttle Return Spring
•Dust Seal Washer
• Dust Seal (Throttle)
Throttle Shutter
* Shutter Screw
Fuel Fitting
Throttle Crack Screwlldle Speed Screw
Tension Spring
Idle Restrictor Screw
Idle Restrictor Scrwe Cap (Black)
Float Bowl
• Float Shaft
Float
•Float Bowl "O" Ring
•Inlet Needle, Seat, & Clip (Incl. 31)
Bpdng Clip
Primer Bulb/Retainer Ring
Main Nozzle Tube
Carburetor Tube
*=O" Ring, Main Nozzle Tube
High Speed Bowl Nut
• Bowl Nut Washer
"Welch Plug, Idle Mixture Well
Welch Plug, Atmospheric Vent
Repair kit (Incl. Items Marked "in Notes)
42

CRAFTSMAN 4-CYCLE ENGINE MODEL NO, 143,016708
_m5
Oq2
KEY PART
NO. NO.
590702
1 590599A
2 590600
3 590696
4 590601
5 590697
6 590698
7 590699
8 590700
11 590703
12 590535
13 590701
DESCRIPTION
Recoil Starter
Spring Pin (IncL 4)
Washer
Retainer
Washer
Brake S ring
Starter _org
Deg Spdng
Pulley & Rewind Spring Ass'y
Starter Housing Ass'y. 40
degree grommet)
Starter Rope ( 98" X 9/64"
dia.)
Starter Handle
/
KEY PART
NO. NO.
_2 ---- 590739
3 590740
6 590616
7 590617
8 590618A
11 590638
--= 12 590535
13 590701
14 590760
DESCRIPTION
Rewind Starter
Retainer
Starter Dog
Deg Spring
Pulley & Rewind Spring Ass'y
Starter Housing Ass'y (40
degree grommet)
Starter Rope(Length 98" x 9/
64" dia.)
Starter Handle
Spring Clip

For repair of major brand appliances in your own home...
no matter who made it, no matter who sold it!
1-8OO-4-MY-HOME sM^nytime,dayo,night
(1-800-469-4663)
www.sears,com
To bring in products such as vacuums,
lawn equipment and electronics for repair, call for
the location of your nearest Sears Parts & Repair Center.
1-800-488-1222 Anytime. day or night
www.sears.com
For the replacement parts, accessories and owner's manuals
that you need to do-it-yourself, call Sears PartsDirectSM!
1-800-366-PART 6a.r..-11p.m. CST,
(1 "800"366-7278) 7 days a week
www.sears.condpart sdlrect
To purchase or inquireabout aSears Service Agreement:
1-800-827-8655
7 a.m. -5 p.m. CST, Mon. - Sat.
Para pedir servicio de reparacibn adomidlio, Au Canada pour service en franc.,ais:
y para ordenar piezas con entrega a domicilio: 1-877-LE-FOYER"
(1-877-533-6937)
1-888-SUoHOGAR _"
(1-888-784-6427)
HomeCentral
© Sears, Roebuck and Co.
® Registered Trademark /TmTrademark of Sears, Roebuck and Co.
TM
®Marca Regisbada /Marca de F_brica de Sears, Roebuck and CO,
176301 01.26.01 BY Printed in U.S.A.