Craftsman 921 16639 Owners Manual
921166390 921166390 CRAFTSMAN AIR COMPRESSOR - Manuals and Guides L0520344 View the owners manual for your CRAFTSMAN AIR COMPRESSOR #921166390. Home:Tool Parts:Craftsman Parts:Craftsman AIR COMPRESSOR Manual
CRAFTSMAN Air compressor Manual L0520344 CRAFTSMAN Air compressor Owner's Manual, CRAFTSMAN Air compressor installation guides
921.166390 L0520344
2015-01-05
: Craftsman Craftsman-921-16639-Owners-Manual-160163 craftsman-921-16639-owners-manual-160163 craftsman pdf
Open the PDF directly: View PDF
.
Page Count: 20

Owner's Manual
AIR COMPRESSOR
7-gallon
1 HP
Oil Lubricated
Model No. 921.1
CAUTION:
Before using this product,
read this manual and follow
all its Safety Rules and
Operating Instructions.
•Safety Instructions
• Installation & Operation
• Maintenance & Storage
• Troubleshooting Guide
• Parts List
• EspaSol, p. 10
Sears, Roebuck and Co., Hoffman Estates, IL 60179 U.S.A.
www sears corn
5/2C_2005
Pam NO E101434

TABLE OF CONTENTS
Page
Warranty ............................................................. See Below
Safety Symbols ........................................................... 1
Important Safety Instructions & Guidelines ..................................... 1
Specifications ............................................................ 2
Glossary ................................................................ 2
Duty Cycle .............................................................. 2
Parts & Features ......................................................... 3
Installation & Assembly .................................................... 4
Operating Procedures ..................................................... 5
Maintenance ............................................................. 6
Storage ................................................................ 6
Troubleshooting Guide ..................................................... 7
Exploded View ........................................................... 8
Parts List ............................................................... 9
Espafiol ................................................................ 10
ONE YEAR FULL WARRANTY ON CRAFTSMAN AIR COMPRESSOR
tf this Craftsman Air Compressor fails due to a defect in materiel or workmanship within one
year from the date of purchase, RETURN ITTO ANY SEARS STORE OR PARTS AND REPAIR
CENTER OR OTHER CRAFTSMAN OUTLET IN THE UNITED STATES FOR FREE REPAIR.
If this Craftsman Air Compressor is used for commercial or rental purposes, this warranty
applies for only g0 days from the date of purchase. This warranty gives you specific legal rights
and you may also have other rights which vary from state to state.
Sears, Roebuck and Co., Dept. 817WA,
Hoffman Estates, IL 60179

Safety Symbols
The information listed below should be read and understood by the operator. This information is given to protect the
u_er while operating and storing the air compressor.We util_e the symbols below to allow the reader to recognize
imeortant infermation about their safety
Indicates an imminentty hazardous situation which, if
net avoided, will result in death or serious injury.
Indicates a potentially hazardous situation which, if net
avoided, could result in death or serious injury,
Indicates a potentially hazardous situation which, if not
avoided, may result in minor or moderate injury.
When used without the safety alert symbol indicates
a potentialiy hazardous s[tu_L_enwinch, if not avoided,
may result in property damage,
Important Safety Instructions and Guidelines
•Save all instructions
Improper operation or maintenance of this product could result in serious injury and/or property damage. Read and
understand all of the warnings and safety instructions provided before using this equipment.
Risk of Moving Parts
Risk of Burns
Risk of Falling
i
Risk from Flying Objects
The air compressor should be operated on a dedicated 15 amp circuit. If the circuit
does not have 15 free amps available, a larger circuit must be used. Always use
more air hose beiore utilizing extension cords. A!l extension cords used must be 12
gauge with a maximum length ol 25 ft. The circuit fuse type must be a time delay Low
voltage could cause damage to the motor.
If the air compressor is in operation, all guards and covers should be attached or
installed correctly. If any guard or cover has been damaged, do not operate the
equipment until the proper personnel has correctly repaired the equipment. The power
cord should be free ef any moving parts, twisting and!or crimping while in use and
while in storage.
There are sudaces on your air compressor that while in operation and thereafter can
cause serious burns if touched. The equipment should be allowed time to cool before
any maintenance is attempted Items such as the compressor pump and the outlet
tube ere normally hot during and after operation.
Operation ot the air compressor should always be in a position that is stable. Never
use the air compressor on a rooftop or elevated position that could allow the unit to fal!
or be tipped over. Use additional air hose for elevated jobs.
Always wear ANSI Z87.1 approved safety glasses with side shields when the air
compressor is in use. Turn off the air compressor and drain the air tank before
performing any type of maintenance or disassembly of the hoses or fittings. Never
point any nozzle or sprayer toward any part of the body or at other people or animals.

L"np_ant Safely Instructions & Guidelines
Risk of Breathing
Risk of
Electrical Shock
Risk of
Explosion or Fire
Risk of Bursting
Avoid using the air compressor in confined areas. Always have adequate space
(12 inches) on all sides of the air compressor. Also keep children, pets, and others out
of the area of operation. This air compressor does not provide breathable air for anyone
or any auxiliary breathing device. Spraying matedaTwill always need to be in another
area away from the air compressor to net allow intake air to damage the air compressor
fitter,
Never utilize the air compressor in the rain or wet conditions. Any electrical issues
or repairs should be performed by authorized personnel such as an electrician and
should comply with all national and local electrical codes. The air compressor should
also have the proper three prong groundirig plug, correct voltage, and adequate fuse
protection.
Never operate the compressor near combustible materials, gasoline or solvent vapors.
If spraying flammable materials, locate the air compressor at least 20 feet away from
the spray area. Never operate the air compressor indoors or in a confined area.
Always drain the air compressor tank daily or after each use. If the tank develops a leak,
then reptace the air compressor. Never use the air compressor after a leak has been
found or try to make any modifications to the tank. Never modify the air compressor's
factory settings which control the tank pressure or any other function.
Specifications
Pump .......................... Oil-lube direct drive
Motor ........................... 1.0 HP (Induction)
Bore ....................................... 1.65_
Stroke ...................................... 126"
Voltage Single Phase ....................... 120 VAC
Minimum Circuit Requirement ................ 15 Amps
Air Tank Capacity ......................... 7 Gallons
Cut-in Pressure ............................. 95 PSI
Cut-out Pressure ........................... 125 PSI
SCFM @ 90 PSI................................ 24
Oil Capacity ......................... 90 mL or 3 oz.
Oil Type......................... SAE 30 Non-detergent
Glossary
CFM: Cubic feet per minute.
SCFM: Standard cubic feet per minute; a unit of measure
for air delivery.
PSIG: Pounds per square inch gauge; a unit of measure
for pressure.
ASME: American Society of Mechanical Engineers.
California Code: Unit may comply with California Code
462 (I) (2)/(U) (2).
Cut-In Pressure: The air compressor will automatically
start to refill the tank when the pressure drops
below the prescribed minimum.
Cut-Out Pressure: The point at which the motor stops
when the tank has reached maximum air
pressure,
Code Certification: Products that bear one or more sf
the following marks: UL, ULc, ETL, CSA, have
been evaluated by OSHA-certified independent
safety laboratories and meet the applicable
Underwriters Laboratories Standards for Safety.
Duty Cycle
This is a 50% duty cycle air compressor. Do not run the air compressor more than 30 minutes of one hour. Doing so
could damage the air compressor.
2

Parts & Features
See figures below for reference.
Air Intake Filter
Provides clean air to the pump and must always
be kept free of debris. Check on a da!ly basis or
before each use.
_!
-- Oil Fill Cap
0 _-- Oil Sight Gauge
Regulator Gauge
J | Indicates the outgoing air pressure to the toot and is
kcontrolled by the regulator.
Pressure Relief Tube
Tank Pressure Gauge "_
Indicates the reserve air pressure in the tank.
II
_ressure Switch
This controls the power to the motor and also
the cut-in/cut-cut pressure settings. This switch
serves as the Auto-OnfOff positions for the unit,J
Pressure Relief Valve
The pressure relief valve, located on
the side of the pressure switch, is
designed to automatically release
compressed air when the air
compressor reaches cut-out
pressure. The released air should
on}y escape momentarily and the
valve should then close.
J
Outlet
Tube
!
I Tank Drain Valve
Used to drain condensation from the
air tanK. Located at bottom of tank.
Tank Safety Valve
Used to allow excess tank pressure
to escape into the.atmosphere. This
valve should only open when the
tank pressure is above the
maximum rated pressure.
Regulator
The air pressure coming from the air
tank is controlled by the regulator.
To increase the pressure, turn the
knob clockwise and to decrease the
pressure turn the knob
counterclockwise. J
Quick Connect 1
Offers a quick release feature Ior attaching and removing the
air hose.
Check Valve nl
When the pump is not in operation, the valve closes to retai
air pressure inside the tank. An internal component.
3

Installation & Assembly
The air compressor shouid be turned off, unplugged from
the power source, the air bled from the tank and the unit
allowed time to cool before any maintenance is performed.
Personal injuries could occur from moving parts, electrical
sources, compressed air or hot surfaces. The quick
connect assembly must be attached before use. Failure
to assemble correctly could result in leaks and possible
injury. If unsure of assembly instructions or you experience
difficulty in the assembly please call our toll free number
for assistance.
Installing Wheels
The wheels and handle do not provide adeguate clearance,
stability or support for pulling the unit up and down stairs
or steps. The unit must be lifted or pushed up a ramp.
It may be necessary to brace or support one end of the
air compressor when attaching the wheels, because it will
have a tendency to tip.
Items Needed For Assembly
1gram or adjustable wrench for shoulder bolt
• 17mm er adiustable wrench for nylon lock nut
Install one shoulder bolt, washer, and one nut for each
wheel using bolt hales provided in the wheel bracket. The
shoulder bolt will install from the outside of the wheel
through the top hole in the wheel bracket. Tighten securely
with the washer and nut positioned on the inside of the wheel
bracket.
Assembly
1. Remove air compressor, manual, air filter assembly,
and accessories from packaging.
2. Remove the plastic plug from the compressor intake
port. (seediagrambelow)
3. Install the filter in the compressor intake port.
(see diagram below)
4. Remove the oil fill cap from the crankcase and fill until
the oil reaches the top of the red dot in the sight glass.
Oil capacity is 3 oz. (seebelow)Use SAE-30 non-detergent
(API CG/CD heavy duty motor oil). Under extreme cold
weather conditions use SAE-t 0 weight oil.
5. Replace the oil cap.
\ [
Estimated AssembtyTime: Approximately5 minutes
4
Getting Started-Location of the Air Compressor
The air compressor should always be located in a clean,
dry, and well ventilated environment. The unit should have
at minimum, 12 inches of space on each side.The air intake
filter should be free of any debris or obstructions. Check
the air filter on a daily basis to be sure it is clean and in
working order.
Grounding Instructions
This product must be grounded. In the event of an electrical
short circuit, grounding reduces the dsk of electric shock
by providing an escape route for the electric current.
This product is equipped with a cord having a grounding
wire with an appropriate grounding plug. (See the figure
below.) The piug must be plugged into an outlet that is
property installed and grounded in accordance with all
local codes and ordinances. Check with a qualified
electrician or service personnel if these instructions are
not completely understood or if in doubt as to whether the
toot is properly grounded.
.. r_.-_FS:> " Grounded
,I
. /// ]*_l-_._I ,f.Outlet
Grounding Pin c ... ,
"%
Improper installation of the grounding plug wil! result in a
risk of electric shock. If repair or replacement of the cord
or plug is necessary, do not connect the grounding wire to
either fiat blade terminals. Check with a qualified electrician
or serviceman if the grounding instructions are not
completely understood, or if in doubt as to whether the
product is properly grounded Do not modify the plug
provided; if it will not fit the outlet, have the proper outlet
installed by a qualified electrician.
This product is for use on a circuit having a nominal rating
of 120 volts and is factory-equipped with a specific electric
cord and plug to permit connection to a proper electric
circuit. Make sure that the product is connected to an
outlet having the same configuration as the plug. No
adapter should be used with this product If the product
must be reconnected for use on a different type of electric
circuit, qualified service personnel should make the
reconnection.
Extension Cords
Use only s 3-wire extension cord that has a 3-blade
grounding plug, end a 3-slot receptacle that will accept
the plug on the product. Make sure your extension cord
is in good condition. When using an extension cord, be
sure to use one heavy enough to carry the current your
product will draw. Cords must not exceed 25 feet and
No. 12 AWG size must be used. An undersized cord will
cause a drop in line voltage resulting in toss of power and
overheating.
Break In Procedures
No break in procedure is required by the user. This
product is factory tested to ensure proper operation and
pedormance.

Operating Procedures
Daih/Start-Up Procedures
t. Set the Auto-OnlOff lever to the Off position,
2. Inspect the air compressor, air hose, and any
accessories/toots being used for damage or obstruction.
If any at these mentioned items ere in need of repair/
replacement, contact your local authorized service dealer
before use,
3. Close the drain valve.
4. Check the oil level of the pump.
5, Connect the air hose to the quick connect socket on
the regulator assembly by inserting the quick connect
plug on the air hose into the quick connect socket. The
quick connect socket collar will snap forward and lock
the plug into place providing an air tight sea! between
the socket and plug, To release the air hose push the
collar beck on the quick connect socket.
6. Plug the power cord into the proper receptacle.
7. Turn the Auto-OnfOfl lever to the On-Auto position and
the compressor will start and build air pressure in the
tank to cut-out pressure and then shut off automatically.
8. Adjust the regulator to a PSi setting that is needed for
your application and be sure it is within the safety
standards required to perform the task. If using a
pneumatic tool, the manufacturer should have
recommendations in the manual for that particular
tool on operating PSI settings.
9. The air compressor is now ready for use. The following
inflation and cleaning accessories packaged with this
unit should only be operated at maximum pressure
of 90PSI: blow gun, rubber-tapered nozzle, inflation
needles, adapter, and blow gun adapter.
®
Daily Shut-Down Procedures
1. Set the Auto-On/Off lever to the Off position.
2, Unplug the power cord from the receptacle.
3. Set the outlet pressure to zero on the regulator.
4. Remove any air tools or accessories, When draining
the tank, always use ear and eye protection, Drain the
tank in a suitable location; condensation will be present
in most cases of draining.
5. Open the drain valve allowing air to bleed from the
tank After all of the air has bled from the tank, close
the drain valve to prevent debris buildup in the valve,
When draining the tank, always use ear and eye protection.
Drain the tank in a suitable location; condensation will be
present in most cases of draining.
Water that remains in the tank during storage will corrode
and weaken the air tank which could cause the tank to
rupture. To avoid serious injury, be sure to drain the tank
after each use or daily.

Maintenance
NOTE: Any service procedure not covered in the
maintenance schedule should be performed by
qualified service personnel.
The air compressor should be turned off, unplugged
from the power source, air bted from the tank and
allowed time to cool before any maintenance is
performed.
To ensure efficient operation and longer life of the
air compressor unit, a routine maintenance schedule
shoutd be followed. The following schedule is geared
toward a consumer whose compressor is used iRa
normal working environment on a daily basis.
Items to Check./Ohanga
Chock Tank Safety Valve
Overall Unit Visual Check
Check Air Filter
Drain Tank
Check Power Cord for Damage
Change Oil
Check Oil Level
Before each use
or daity
X
X
X
X
X
after first 50 hours
after every i00 hours
X
Storage
For storing the air compressor, be sure to do the following:
1. Turn the unit off and unplug the power cord from the
receptacle.
2. Remove all air hoses, accessories, and sir tools from
the air compressor.
3. Perform the daily maintenance schedule.
4 Open the drain valve to bleed all air from the tank.
5. Close the drain valve.
6. Store the air compressor in a clean and dry location.
Notes

Troubleshooting Guide
_The air compressor should be turned off and unplugged from the power source before any maintenance
is performed as welt as the air bled from the tank and the unit allowed time to cool Personal injuries
could occur from moving parts, electrical sources, compressed air, or hot surfaces.
PROBLEM
Air leaks at the check valve
or at the pressure relief vaive,
POSSIBLE CORRECTION
A defective check valve results in a constant air leak at the pressure relief valve
when there is pressure in the tank and the compressor is shut off. Drain the tank,
then remove and clean or replace the check valve.
Air leaks between head and Be sure of proper torque on head bolts, if leak remains, contact a service technician.
cylinder.
Air leak from safety valve. Operate the safety valve manually by pulling on the ring. If the valve continues to
leak when in the closed position, it should be replaced.
If there is an excessive amount of pressure drop when the accessory is used,
replace the regulator.
Pressure reading on the
regulated pressure gauge
drops when an accessory is
used. NOTE:
Adjust the regulated pressure under flow conditions (while accessory is being used),
It is normal for the gauge to show minimal pressure loss during initial use of the
tool.
Excessive tank pressure. Move the Auto-On/Off lever to the Off position. It the unit doesn't shut off, unplug it
from the power source and contact a service technician.
Motor will not start. Make sure power cord is plugged in and the switch is on. Inspect for the proper size
fuse in your circuit box. If the fuse was tripped, reset it and restart the unit. If
repeated tripping occurs, replace the check valve or contact a service technician
Excessive moisture in the
discharge air.
Air leaks from the tank body
or tank welds.
Remove the water in the tank by draining after each use. High humidity
environments will cause excessive condensation. Utilize water filters on your air
line.
NOTE:
Water condensation is not caused by compressor malfunction. Be sure the
compressor's air output is greater than your tool'e air consumption rate.
Never ddfl into, weld or otherwise modify the air tank or it will weaken. The tank can
rupture or explode. Compressor cannot be repaired. Discontinue use of the air
compressor.

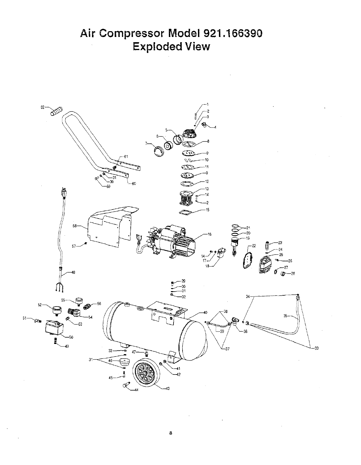
Air Compressor Model 921,166390
Exploded View
2
22

Air Compressor Model 921.166390
Parts List
1
2
3
4
5
6
7
B
9
10
11
12
13
14
15
!6
17
!8
Ig
20
21
22
23
24
25
26
27
25
2g
I
E1002271
!E100809
1
EID0435! 1
E101178 1
2
2
2
5101113
3
3
3
3
2,6
E139357 6
6
6
4,6
4,6
3O
31
32
33 8
34 5
35 8
36 E100898
37 7
38 7
39 7
PARTDSSCRIP_I_ QT"
Screw, socket head, M6 x 1.0 x 34)ram
Wash_r,Lock,6rnm 8
O_ndar head 1
F'_r',9,90 De_,3/8' NPT X 3/8" Compression I
Housinq.Air intakeRltar,Die Cast I
Elek'_Br_AirFiitar I
Om,erTAJrFilter I
Gasket, head 1
Valve plate 2
Valve,Reed 2
GaskeL,Vatve platte 1
Gasket_CylindehUpper 1
OyUndorJD 42ram X H 85rnm 1
Screw,SHOS,M6 X 1.0 X 20 mm 5
Gasket,Cylinder ,Lower I
Motor I
Nut, M6 X 1.0 1
E_nt_c I 1
PistonAssemb_ I
Pang,Scraper I
Pang,Compression 2
E_affle,Rubber 1
Oil Fill Cap t
O-rtn_ 2ram X13.5 mm ID 1
Cover,CranP.case 1
:_crew,Hex F-3angeHead,M5 X 0.8 X 15 mm 8
iSea_,Oi!Si.qht Gauge 1
Gau_e,Oil Sight 1
SCr_w,SNOSrM8X 1_25X 16ram 4
Washer.Lock 8mm B
=WashorrFletrSrrlm 10
iNuLHox,MB X 1.25 5
\lut,Compression,3/8" 2
:errul_,Comp,-_s_)st3_" 2
tube,Outlet 1
ICh_k Valve I
IF_rrule,Comprgssion, 1/4" 2
NutiCompresslon, ll4" 2
Pressure Re of Tube 1
/ I
PA_T_/K_ I PARTDESCRIPTION QTY,
I
43 ITank I
41 I Nut,Max,M10 X 1.25 2
42 IWa$her,Fl_ 1Dram 2
43 E101353 _Whe_l,P..edHub 2
44 E10149 IBolt,Shoulder,M10X125X 45ram 2
45 I IBOK.He_,M8X 1.25 X 3_ram I
45 E1002401 Ilsolator,Rubber 1
47 E10_81 Drain Valve , 1
45 E1013401 PowerCord,le23 X6,ST 1
49 INipple, 114"NPT X13" I
50 E1009571 pressure switch 1
51 E1003941 ',Valve,Safety 1
52 E100Z0S ! IPr_sur_Gau_te,2",200PSI 1
5453 E100059 IReduletorlNippie'1!4" NPT X 1= 11
55 E!00Dg3 IPTessure Gauge,1 _'_O0 PS I
56 IIOouplarrQuiok-connoct I
57 I Isc_,,,4Hex Rondo Hsad.M5 X 0 5 X 10ram I 8
58 E1011371 IShroud,Plas_c 1
5£ I ]BolLH=..z_M8X 1.25 X 25ram 4
80 I 5 IHandle 1
61 I IRivet Nut, SerratedpM8 X1.25 I 4
62 E1014g0 5 IHandgdp 1
k_ oh=w,E!01433 IManual 1
INot=:Only :omponcttswithalistsd paW_ numberare available.Desoffptb_sare
Ipr°vided forre_renc_ only. The _t # columndenotes_qecompons,-_beingoffered
as partofa kit.
I_d No. Par_ No. IDescription; Referen_ Numbers
1 E101179 Ilntake fi_r Id_ 5,6,7 I
2 EI0Og59 3_sket kit; B, 11, 12, 15, 22
3Et03251 P_ton kit;,15, 1g,20,21
4E10D055 S_ht _auoe k_, 27, 28
5E!01492 NandieKit;BO,62
6 E101332 Crank_-"asecover k3_ 22, 23, 24, 25, 27, 28
7E101430 Pressure re ett_be Idt; 37,38,39
8 E101429 IOuffet tube kit: 33, 34, 35

Contenido
Garant_a
P_gina
estapagina
Sfmbolos de seguridad .................................................... 11
Instrucciones y pautas de seguridad importantes ................................ 11
Especificaciones .......................................................... 12
Glosario ................................................................ 12
Cicio de trabajo .......................................................... 12
Partes y caracter[sticas .................................................... 13
Instalaci6n y ensamblaje ................................................... 14
Procedimientos de operaci6n ................................................ 15
Manter_imiento ........................................................... 16
Almacenamiento .......................................................... 16
DiagnSstico y oorrecci6n de fallas ............................................ 17
Lista de partes ....................................................... 9
GARANTIA DE UN AI_O PARA EL COMPRESOR DE AIRE CRAFTSMAN
Si este compresor de aire Craftsman !lega a fallar debido a un defecto de manufactura o de
materiales en un plaza de un aSo, desde la fecha de compra, DEVUELVALQ A LATIENDA
U A OTRO CENTRO CRAFTSMAN O CENTRO DE SERViCIOY PARTES SEARS EN LOS
ESTADOS UNIDOS MAS CERCANO para que sea reparado sin ningdn cargo.
Si este compresor de aire Craftsman se usa con fines comerciales o de renta, esta garantra
Onicamente se apliea por 90 dfas a partir de la fecha de compra, Esta garant[a le da derechos
legaies aspec[ficos; adem&s, es posible que usted tenga otros derechos, los cuales var[an
seg6n el estado.
Sears, Roebuck and Co., Dept. 817WA,
Hoffman Estates, IL 60179
10

Sfmbolos comunes de seguridad
E! operador debe leer y entander la informaciPn descrita a continuaeiPn. Esta informaciPn se ofrese pars proteger al
usuario al oparar y almacenar el eompresor de aire. Los s[mbolos siguientes son los que se utilizan para indicar sl lector
informaciPn que es importante pars su seguridad
Ir_dica una situaciPn de riesgo inminente que, al no
protegerse, proveoara tesiones graves oia muerte.
Indies una situaciPn potenclalmeme p_hgrosa qua, al no
protegerse, podria provocar lesiones graves o la muerte.
IndiesunasituaoiPnpotencialmentepeligrosaqua, de no
evitarse,podria provocarlesiones menoreso moderadas.
Cuandono aparezcasin ei simbolode alerts de saguridad,
estoquiere decir que hay una situaci6n potenciatrnente
peiigrosaqua, al no protegerse,podria causerdefies
materiales.
lnstrucciones y pautas de seguridad importantes
•Guarcle redes las instru¢ciones •
La operaeiPn y el mantenimiento inadeeuados de este products pueden provecar }esionas graves y da_es materiales.
Antes de utilizer este equips, lea y entienda los advertencias e instrucciones de segurided aqu[ eontenidas.
Riesgo per partes en
movimiento
Riesgo de quernaduras
Riesgo de cafda
N
Riesgo de lanzamiento
de objetos
El compresorde aJrese debe operardesde un circuits especial de 15 amperios.
Si el circuits no disDenede unacapacidadde 15 amperios,sa debe user un circuitsde mayor
capacidad.Si as neceeario,antesde amplest una e×tensiPnelPctrica,afiada uhamanguerede
aire m&slarge. Las extensioneselectricasdebenset de calibre 12 y tenor unaIongitudm_<ima
de 7,6 metros.El fusibledel circuits debeset de accion
retardada:Un voltajedemesiadobajopuede daParel motor.
AI operar el compresor, redes los protectores y cubiertas deben ester fijades e
instslados correctsmente. Si alguno de los protectores o cubiertas est_ daPado,
no spare el equips haste qua personal eafificado repare el problems. El cable de
eorriente debe mantenerse elejado de Iss partes mPviles de1equips y no debe
torcerse ni prensarse durente su empleo, ni al slmacenarse.
En su compresor hay superficies que, a! ser tocadas durante y despuPs de su
operaciPn, puederl causer quemaduras graves. Antes de darle mantenimiento al
equips, se debe dejar enfriar. Per Io normal, dursnte y despu_s de su operaciPn,
sierras partes come la bombs del compresor y el tubs de salida estar&n calientes.
El compresor siempre debeser operado en una posiciPn estable Nunca utflice el
compresor sobre un tachs oen una posiciPn eleveda ya qua podrfa caero
volcarse. A! trabajar en posioiones elevadas, utilice una manguera de dire m_s large
A! emplear el compresor, siempre utilice anteojos de seguridad con protectores
laterales qua cumplan con la norma ANSI Z87.1. Antes de Ilevar a cabs cuelquier
clase de mantenimierlto y antes de desoonectar las mangueras y }os acepladores,
apague el eompresor y drene el tanque de sire. Nunca apunte la boquil[a o el rociador
hacia ninguna parte de eu cuerpo, ni 61 de otros seres
I11

_nstrucciones y pautas de seguridad importantes
Riesg9 pa.raLa
resplraclon
Riesgo de
descargas e|4ctricas
Riesgo de
explosi6n y fuego
Riesgo de estallido
Evite utilizer e! compreeor de aire en Areas enoerredas. Siempre tangs un espacio
libra adecuado (30 am.) en redes los Iados del compresor. Tambi6n mantenga fuera
dei Area de eperaci6n a iae mascotas, nifios y otras personas. Este oompresor de aire
no proves aire que pueda ser respirado ni empleade con un dispositivo reapiratorio
auxiliar. El material de rociade siempre deberA estar en otra zone, alejado de!
compreeor de sire, pare evitar que el airs aepirado dafie al filtro det oompreser.
Nunca L_tilice el compresor de airs bajo Iluvia oen lugares mojados. Los problemas
ei6ctricos deben ser reparados per personal autorizado, tel come saris un electrioista,
y deben oumplir con las hermes elActrioas nacionales y locales. El oompresor tambi_n
debe lener la eiavija apropiada de tree terminales para haoer tierra y center con
un suministro electrico que sea del voltaje corrects y con un fusible de proteaoi6n
adecuado.
Nunoa opera el compresor ceroa de materiales combustibles, gasoline ni vapores de
solventes. SiestA rociando matariales infiamables, oe!eque el oompresor a una
distancia de cuando manes 6 metros del Area de rooiado. Nunca spare el oompresor
de airs en interiores o en lugares oerrados.
Drene e! compresor diariamente o despu6s de cads utiiizaoi6n. $i el tanque tiene una
fuga, reemplace el compresor. Nunoa utilice el oompresor si se ha detectado una fuga,
ni trate de modificar el tenque. Nunoa modifique los ajustes de fabrics del eempreser
que oontrolan [a presi6n de[ tanque y demAs funeiones.
Especificaciones
Bombs ............................ De impulsi6n
directs, lubrioada con aceite
Motor ........................... 1.0 HP (InducoiSn)
Di&metro ................................... 42 mm
Carrera ................................... t32 mm
Volteie monof_sico ......................... 120 VAC
Capacidad minima de! circuits ................... 15 A
Capacidad del tanque de airs ............... 26.5 Iitros
Presi6n de arranque ............... 655.0 KPa /95 PSI
Presibn de parada ................ 861.8 KPa /125 PSI
PiesctJbicosperminute(SCRvl)a 90LPPC..................... 2.4
Oapecidad det aceite ................ 90 mlo 3 enzes.
Tips de aceite .................. SAE30 -no detergents
Glosario
CFM: Pies cObioos per minute.
SCFM: Pies cL]bicos est_.ndar per minute; unidad de
medici6n de suministro del sire.
PSIG: Libras per pulgada ouadrada sobre Is presi6n
etmosf6rica; unidad de medioi6n de presi6n.
ASME: Sociedad estadounidense de ingenieros mec&nicos.
CSdigo de California: La unidad puede cumplir con el
c6digo de California 462 ([) (2)/(M) (2).
Preai6n de arranque: El compresor arranoa
autom_.tioamente cuando la presi6n baja a manes
de! minimo prescfito
Preai6n de parada: El motor se pare cuando el tanque
alcance la presi6n m_.xima de ape.
Certificacibn de c6digo: Los productos qua tienen
alguna overiaa de lea siguJentes marcas han side
evaluados per laboratories de seguridad
independientes certificados per OSHA, y cumplen
con las normas de seguridad de Underwriters
Laboratories: UL, , ETL, CSA.
Ciclo de trabajo
Este compresor tiene un oiclo de trabajo de 50%. Nunoa opera el oompresor per m_s de 30 minutes cads hera.
Ya que al haserlo, podn'a daRario.
12

Partes y caracterfsticas
Come referencia, yea tas figuras abajo.
fFiltro del aire
I Suministra aire iimpio a la bomba. Siempre
debe consen_arlo limpio Revfeelo diari_mente
antes de oada use.
_Tap6n de Itenado
de aceite
Visor de aceite
Tube de _lrvio de presiSn
Tube de
satida ©
r
V_lvula de drenaje
Sirve para drenar {a condensaci6n
acumulada en el fondo de! tanque.
$e encuentra en ta parte inferior de[
tanque.
IMan6rnetro de presi6n de salida
Indies la presi6n de salida del aire que entra en ia
herramienta, la oual qua es controlada per el regulador.
J
ManSmetro de prest&n del tanque "]
Indic_ la presiSn de la reserva de aire del tanque, J
Interrupter de presi6n
Controla el Suministro eiectrico en el motor y
tambi6n los _justes de presiSn de arranque y
preeiSn de parada. Este interrupter sirve come
posiciSn de autoencendido y apagade (Auto-Or',!
Of_ de }a unidad.
r
V4tvula de alivio de presiSn
Esta v&lvula, que se encuentra en el
oostado deL interrupter de presiSn,
esta diseRada para liberar aire
comprimido de m_nera autom_tica
cuaedo el compresor Ilegue a ia
presi6n de pareda, El aire s6}o
deber_ esoapar durante un instante,
cerrandose la v_lvula se cerrara, en
seguida.
'_lvuia de seguridad ciel tanque
Permite que el exceso de presi6n en
el tanque escape hacia el medic
ambiente. Esta v_lvula s61o se
abrir_ cuando la presiSn en el
tanque este per encima de la
presiSn m_xima nominal del modelo. J
ulador
La presi6n del aire que sale de1
tanque es controlade per el
regulader. Para aumentar ia presi6r
gire ia perilla en direceiSn de las
manecillas; para disminuifla, gire la
perilla en direcci6n contraria alas
manecillas. ..
Conector de acoplamiento r_pido "_
Permite conectar y desconectar r#,pidamente }a manguer
del aire.
V_,lvula de retenci6n "_
Cuando la bomba no est& en operaeiSn, esta v&lvuia se cierra para
retener la presibn de aire dentro del Lanque, Es un componente interne _
13

lnstalaci6n y ensamblaje
Antes de reaiizar cuaiquier inetaleci6n y ensamblaje a] com.presor
de sire, se to debe apagar y desoonecta.r del generador, adem._.e
de purger eTairs del tanque y darle suficiente tlem.po pare
enfriarse. E×iste el riesgo de qua las partes m6vile& la fuente
et6ctrica, el airs com.primido y las superficies saiientes provoquen
tssiones. El ensemble del regulador dabs ester instalado antes
de user el compresor, Un ensamblaje inedesuado puede ser
ca,usa de fugas y posiblemente de leeiones, Si no est& seguro
de entender les instrucciones de ensam.biajs o tiene difisultad
pare Ilevar a cabs el armada, per favor Ilarne a su departam`ento
toss1 de sere'isis
Instalaci6n de les ruedae
Les ruedas y el aaa no proveen eufieiente espacio libre,
estabilidad ni soporte pare subir y bajar ta unidad per escaleras
o sessions& La unidad debe ser levantada o ernpujada per una
ram.pa.
ATco!scar lee ruedas, puede ear necesado que tenga que epuntaJar
o soporter uno de tos extrernos del compresor de airs, ya qua
tencler_ a volcerse.
' ' ' aqui
Herrarnientas neceeariae pare at eneamblaje
• Uave de 19m.m. o liave ajustabte pare el pemo con tope
• Llave de 17ram o Ilave ajustable pare [a tuerca de
seguridad de nylon
Instale un pemo con tope, una arandela y una tuerca en cada
rueda, vali6ndese de los orificios pare pemos que est#,n en los
soportes de las ruedes. El pemo con tope ee instala deeds el
exterior de Is rued& a traves del erificio superior del soporte de
la ruede. Coloque la arendela y la tuerca an el lads interior del
soporte de la rueda y apri_tela con firm.eza.
Eneamblaje
!. Rem.ueva el corn.preset de sire, m.anual, ensamblaje del filtro
de airs y eccesones de ta em.paquetadurs.
2. Remueva el tapSn de plastics de ta salida de sire del
cornpreser. (vet abajo)
3. Instalar el fiitro dentro de la entrada de airs del compreson
(ver abejo)
4. Remueva la tapa de} tanque de eceite del c_rter del motor y
II_,ne!o haste Begat el punts rojo maraado en el viddo
transparente. La aapecidad de aceite es 3oz (ver abajo).
Utiliee SAE-30 sin detergente (API CG/CD aceite pare
motoree de gran capacidad). En case de fries extremes utiliee
aeeite pesado SAE-10.
5. Coteque nuevamente la tape del tanque de aceite.
Tiempo estimado de enaamblaje: Aproximadarnente
minutes
Primer paso: Ubieaci6n del compreeor de ai_
El corn.preset de sire siempre dsbe ester en un medic am.biante
tirnpio, seco y bien ventilado. La unidad debe tenar per Is manes
30 cm de espacio libre en cads lade. La tom.a de! fiitro de sire
debe ester limpia y sin ningQn tips de obstrucciones. Per favor
revise diarlem.ente el filtrn de sire pare comprobar que est_
limpie yen corrects eetado de funeionam.ier_to.
lnstrucaiohee de conezi6n a tierra
Este products se debe conectar a tisrre. En case de
cortoeireuito, la oonexi6n a tierra reduce e! riesgo de
deeoargae electricas al ofrecer una ruts de escape pare la
corriente el_,ctrica. Este products cuenta con
un cable qua tiene un alem.bre de tierra y una clavija
con terminal de tierra (ver [a figure, a oontinuaci6n). La clavije
debe enchufarse en un tomaoorriente instalado y puesto a
tierra seg_n les norm, as locales. Hable con un electficista o
agents de servlcio eeiificado si no entiende oornpletamente
estae inetruccionee, o s[ tiene dudes eobre Is corrects pueste
a tierra de le herram.ienta.
C'levija Tornacorrientes
GOR _oJ3exi613 a
tierra
/
/
Terminal de
tletTa _'-
14
Una cone×i6n a tierra inadecuada puede provocar una de_carga
el_ctrica. Si neceeita reperar o cam.bier el cable o la alavija, no
conecte el atambre de tierra a ninguna de las term.inaLes planes•
El alambre de tierra es el de color verde, con o sin franjas
em.erillas. Si no entiende eom.pletamente las inetrueoiones de
eonexiSn a tierra, o si tiene dudes sobre la corrects puesta
a tierra de la herr'am.ienta, hable cor_ un electricista o agente
de servicio calificadc. No modifique la clavija que viens con el
equips; si no puede enchufarie en el tom.acorriente, Ilarne a
un eieetricista calfficado pare que le instale el tornacorfiente
adecuado.
Eete products eeta diseSado pare trabajar an un eircuito con
un voltaje nomine; de 120 voltiee y esta equipado con ur7
cable y clavija que permften su oone×i6n eun circuits el_ctrioo
apropiado. AsegLirese de qua el products eet_ conectado aun
tornacorfiente con le miema cenfiguraci6n que la clavija. No se
debe user un adaptador con este equips Si se debe conectar el
equips aun circuits el_ctdco de diferente tips, cor_siga la eyuda
de personal calificado pare realizer le reoonexibn.
Gables de ex'tensi6,n
S61o utilice un cable de extensi6n de tres atam.bres con una
clavija con extensi6n a tierra de tres terminales qua pueda
enchufarse en un tornacordente de tres orificios Asegt3rese de
qua su cable de extenei6n est_ an buenas condicienes. Si utilize
un cable de extensi6n, cornpruebe que sea de la capacidad de
corriente qua requiere su equips. Las extensiones no deben
ser de m&s de 25 pies (7.6 m) de largo y deben tenet cable de
calibre 12 AWG. Un cable m_s delgado provocara una cards en
el veltaje de lines, Io que provocar[a una p_rdida de poteneia y
sobrecalentamiento.
Proceclirniento initial de preparaei6n
No se requiere un procedimiento initial de preperaci6n
Este products ha side probado en lafe, brica para
asegurer su operaei6n y dasempeSo adecuades

Procedimientos de operaci6n
Procedimiento diario de arranque
1. Penga el interrupter Auto-On/Often la posici6n de
apagado (On.
2. Ver_ique qua el compresor del aire, ia manguera de
airey todos bs accesorios/harramientas utilizados, no
tengan daSos ni ebstrucci6n. Si algunas de las piezas
descritas requieren raparaci6n/reampiazo, liarr_e a su
tienda autorizada local de servicio, antes de user el
oompresor.
3. Cierre }a v_lvula de drenaje.
4. Revise el nivel de aeeite de ;a bomba.
5. Enchufe la manguera del aire dentro de! conector
de aeoplamiento r_.pido de la unidad del reguladar,
insertando la clavija de aonexi6n rApida en
la manguera de1 aire, dentro del coneetor de
aeeptamienta r_.pida. El eollarfn del conecter de
acoplamiento r_.pido saltar_ haeia adelante, aujetando
la clavija y har_. una junta entre el conector y la clavija.
Para deseoneotar la manguera del aire, empuje hacia
atr#,s el collarfn del eonecter de aooplamiento r_.pido.
6, Enahufe el cable de corriente en un tomacorriente
aprepiada.
7. Mueva ei interrupter Auto-OniOffa la posiei6n de
eneendido (Auto-On); e! sempresor deber_ arranaar,
acumulando ta presi6n del aire an el tanque hasta
Ilegar a la preai6n de apagado, memento en el cual se
apagar_ de manera autom_.tiaa.
8. Ajuste el regutador a la presi6n de sire recomendada
(PSI) pars su aplicaci6n, oeraier&ndose de qua est_
dentro de tas normas de seguridad para Ilevar a cabo
la tarea. Para las herramientas neuma.tiaas, el manual
del fabrieante debe tenet recomendacienes sabre su
presi6n de operaei6n (PSI).
g. Ahora el eompresor del aire asta listo para ser usado.
Los siguientes accesorios de infiado y de limpiaza, los
cuales vienen con esta unidad, s6io se deben operar a
una presi6n m&xima de 90 PSI: sopiete, bequilla c6nica
de caucho, agujas para infiar, adaptador y adaptador de
sopiete.
®
/
¶'_]r
Procedimiento diario de apagedo
1. Pangs el interrupter en la pasiei6n de apagado (Off).
2. Desconecte el cable del temacorriente.
3. Pangs en aero el reguiader de presi6n de salida.
4, Desconecte las herramientas y los accesorics,
Siempre use pretecci6n para les aides y los ojos
al drenar el tarlque. Drene el tanque en un lugar
adecuado; en casi redes los cases habr_, presencia de
condensaci6n en el drenaje.
5. Abra }a v_.tvula de drenaje permftiendo qua escape et
aire del tanque. Cuando hays salido del tanque todo el
aire, cierre la v_.lvula de drenaje pars evitar qua entre
suciedad.
AI drenar el tanque utilice proteoci6n para aides y ojos
Drene el tanque en un lugar apropiado; en la mayer[a de
las ocasiones al drenar saldr& condensaci6n
Si no drena el tanque al almacenarlo, en su interior
quedar& agua que Io corroer_ y debilitar&, Io eual puede
provocar su ruptura. Pars evitar lesiones graves, drene el
tanque diariamente a despu_s de eada use.
15

Mantenimiento
NOTA: Cualquier precedimiento de servicio que no est_
cubierto en el programa de mantenimiento que sigue
debera ser efectuado el persona! de servicio cs.lificado.
Antes de dar mantenimiento al equipo, se debe apagar
y desconectar del tomacorriente, as[ come .purger el eire
del tanque y permitir que la unidad se enfr[e.
A fin de esegurar una operaci6n eficiente y usa large
vida del compresor, debe seguir un programa de
mentenimiento de rutina. El siguiente programa de
mantenimiento est'. enfecado ai oor_sumidor cuyo
compresor es usado en un medio ambiente normal y
diariemente.
Asuntos pare verificsrl Antes de cads use
cambiar o diariamente
Reviser lav_vula de seguridad del X
tanque
Reviser visuatmehte el aspecto X
general de la unidad
Reviser el filtro de sire X
Drenar el tenque X
Verificar que el cable eleetrico X
no est_ daSado
Cambier e! aceite Despuesde l_s primeras
50horas
Vefificar el nivel del aceite Deepu&sde cada 100
hores
Almacenamiento
Pare atmacenar el eompresor, asegQrese de hacer io siguiente:
1, Apague la unidad y deseonecte el cable el_ctrico de[
tomacorriente.
2. Quite del oompreeor ias mangueras, accesorios y
herremientas de &ire
3, Lleve a cabo el programa de mantenimiento de rutina.
4. Abra la v&lvuia de drenaje pare drenar el eire del
tanque,
5. Cierre la v_lvula de drenaje.
6. Guarde el compresor en un lugar limpio y seco.
NOTA
16

Diagn6stico y correcci6n de fallas
_Antes de Itevare cabo cJalquier correcciSnde problemaso tares, e! compresorde aJrese debeapagar
y desconeotardel tomacorriente.Purgueel aire del tanque y permiteque la unidadse enfffe.Las
partes en movimiente,las fuentes el$ctricas,el sire comprimido y tas superficies calientes pueden
provocarlesiones.
PROBLEMA POSlBLE CORRECCION
Fuga de sire en le v#Jvuta de Una v_.tvula de retenciSn defectuoea provoca una fuga de sire constante en la
retenei6n o en la v_.lvula de vbJvula de alivio cuando est& apagedo el compresor teniendo presi6n de aire.
alivie. Drene el tanque y quite y limpie o cambie la v_.lvula de retenci6n.
Fugas de aire entre la oabeza Compruebe el apriete de los pernoe de ta cabeza. Si contin'3a la fuga, llame aun
y el oilindro, t@cnicode servicio.
Fuga de sire an ia v_lvula Opere manualmente la v_lvule de segurided tirando del anillo. Si el tanque eentinL_a
de seguridad, teniendo una fuga estando la v&ivula en posici6n oerrada, @stadeber_ eer cambiada.
Sial user un accesorio hay una ca[de excesiva de presi6n, cambie el regulador.
La presi6n indioada en el
man6metro de presi6n
regulade aae al user un
aoeesorio.
Presi6n exoesiva
en el tanque.
El motor no arranca.
Humedad exceeiva en el
aire de salida.
Fugas de aire an el euerpo
o la soldadura del tanque.
Ajuste la presi6n regulada bejo eondieiones de flujo (mientras se utilize un
accesorio). Es normal que el man6metro indique una cards de presi6n
mfnima al comenzar e utilizer la herramienta.
Apague el interrupter de encendido. Sila unidad no se apaga, descon_ctela del
tomacorriente y eomunfquese con un t_cnice de servieio.
Oompruebe que el cable de corriente est8 enehufado y que el interrupter este
encendido. Compruebe qua el fusible de la ca)a de circuitos sea de la capacidad
adecuada. Si se ha disparado, restabl6zcato y vuelva a arranoar la unided. Si el
fusible ee dispera con frecuencia llame aun t_cnico de servicio.
Saque el ague del tanque dren_ndoto despu6s de cada vez que se use. En los
medios ambientes de site humedad habr_ un exceso de condensaei6n; instale
filtros de ague en su lines de sire
La conderlsaci6n no es provocade per una falls en el compresor. Oompruebe que le
salide de sire del oompresor sea mayor que el consume de sire de su herramienta.
Nunca taladre, suelde o modifique de ninguna manera el tanque, pues se debilitara.
El tanque podr[a romperse o explotar El tanque no puede ser reparado. Ye no
utilice el compresor de eire.
17

Your Home
For repair -in your home - of all major brand appfiances,
lawn and garden equipment, or heating and cooling systems,
no matter who made it, no matter who sold it!
For the replacement parts, accessories and
owner's manuals that you need to do-it-yourself.
For Sears professional installation of home appliances
and items like garage door openers and water heaters.
1-800-4-MY-HOME® (1-800-469-4663)
Cal! anytime, day or night (U.S.A. and Canada)
www.sears.com www.sears .ca _;,_
Our Home __
For repair of carry-in items like vacuums, lawn equipment,
and electronics, call or go on-line for the location of your nearest
Sears Parts & Repair Center.
1-800-488-1222
Call anytime, day or night (U.S.A. only)
WWW.saars._om
To purchase a protection agreement (U.S.A.)
or maintenance agreement (Canada) on a product serviced by Sears:
1-800-827-6655 (U.S.A.) 1-800-361-6665 (Canada)
Para pedir servicio de reparaciSn Au Canada pour service en fran_ai_: }
a domicilio, y para ordenar piezas: 1-800-LE-FOYER '_c
1-888-SU-HOGAR _ (1-800-553-6937)
(1-888-784-6427) www,searm ca
....... Sears ....
_' : dt<. ] !_: i ; i 2
@Registered Trad_marW TM TrademarW _S_'vice Mark of gears, Roebuck and Co
Marca _÷gislradaJ _ Marca de F_brica! _M_r_a d_ Sg_vi_io _e Sea.r$, F_OebLJckand C,0
M_,Marqu_ d_ _rnmera_'_Mar_u_ d=-'pos_ de Sea_ R_ebuck and Co
Sear_ Brar_ds, LLC