Craftsman Ac Generator 5600 Watt 580 32561 Operators Manual
580325610 580325610 CRAFTSMAN AC GENERATOR - Manuals and Guides L0704366 View the owners manual for your CRAFTSMAN AC GENERATOR #580325610. Home:Tool Parts:Craftsman Parts:Craftsman AC GENERATOR Manual
CRAFTSMAN Generator Manual L0704366 CRAFTSMAN Generator Owner's Manual, CRAFTSMAN Generator installation guides
58032561 c6085afa-2cd3-458e-a2ab-abe6c7c0d053 Craftsman Portable Generator 580.32561 User Guide |
2015-01-05
: Craftsman Craftsman-Ac-Generator-5600-Watt-580-32561-Operators-Manual-160974 craftsman-ac-generator-5600-watt-580-32561-operators-manual-160974 craftsman pdf
Open the PDF directly: View PDF
.
Page Count: 60

Operator'sManual
®
HOURS: Man. =Fri. 8 a.m. to 5 p.m. (CT)
WARNING
Before using this product, readthis
manual and foiiow ali Safety Rules
and Operating instructions.
ADVERTENCIA
Antes de utiiizar et producto, iea este
manual y siga todas las Reglasde
Seguridade Instrucciones de Uso.
Sears, Roebuck and Co., Hoffman Estates, JL 68179 U.S.A.
Visit our Craftsman website: www.craftsman.cem
Part No. 198451GS Draft F (04/09/2007)
® Safety
,, Assembly
,, Operation
,, Maintenance
® Parts
®Espa_oi, p. 36

WARRANTY.................................... 2
SAFETYRULES ............................... 3-5
FEATURESAND CONTROLS....................... 6
ASSEMBLY................................... /-9
OPERATION................................ 1O-f3
SPECIFICATIONS............................... 14
MAINTENANCE.............................. 15-18
STORAGE .................................... 19
TROUBLESHOOTING............................ 20
NOTES .................................. 21 & 33
SCHEMATIC/WIRiNGDIAGRAM ................ 22-23
REPLACEMENTPARTS ....................... 24°32
EMISSIONSSYSTEMWARRANTY............... 34-35
ESPANOL.................................. 36°59
HOWTO ORDERPARTS ................. BACKPAGE
One-Year FuMMWarranty on Craftsman Generator
If this generator fails dueto a defect in materiai or workmanship within oneyear from the date of purchase,return it to any
Sears store, other Craftsman outlet, or Sears Parts & Repair Center in the United States for free repair (or replacement if
repair proves impossible).
Additional One-YearLimitedWarranty on Craftsman Generator
For the second year from the date of purchase, if any part of this generator faiis dueto a defect in material or workmanship, a
new part wiii be supplied free of charge. You must pay the labor cost if you wish to have it installed.
Ati warranty coverageappiies for only 90 days from date of purchase if this generator is used for commercial or rental
purposes. Oncea generator has experiencedcommercial or rental use, it shall thereafter be considered a commercial or rental
generator for the purpose of this warranty.
This warranty gives you specific legal rights, and you may atso have other rights which vary from state to state.
Sears, Roebuck and Ca., D/817WA, Haffman Estates, _L60179 U.S.A.
© Sears Brands, LLC

This is the safety alert symbol, tt is used to alert youto potential personalinjuryhazards.
Obey all safety messages that fallow this symbamto avoid passibleinjury or death.
ii_!-j_j Read this manual carefui(y and become familiar
with your generator. }(now its applications, its
(imitations, and any hazardsinvolved.
The safety alert symbol (_) is used with a signal word
(DANGER,CAUTIOr/,WARNIr/G), a pictorial and/or a safety
messageto alert you to hazards. BANGERindicates a hazard
which, if not avoided, wi/f result in death or serious injury.
WARNINGindicates a hazardwhich, if not avoided, could
result in death or serious injury. CAUTIONindicates a hazard
which, if not avoided, might resuIt in minor or moderate
injury. CAUTION,when used without the alert symbol,
indicates a situation that could result in equipment damage.
Foiiowsafety messagesto avoid or reduce the risk of injury
or death.
WARNING
The engine exhaust from this productcontains chemicals
known to the State of California to cause cancer, birth
defects, or other reproductive harm.
Hazard Symheis and Nteanings
®
DANGFR
Contentsare HARMFULOR FATALiF
SWALLOWED.Avoid contact to eyes, skin or
clothing. DOriOT take internaIiy. Avoid breathing
the mist or vapor. Overexposureto eyes or skin
can cause irritation. Keepstabiiizer out of the
reach of children.
Fuelstabilizer is a hazardouschemical/*
FreshStartTM fuel capis designedto holdacartridgewhich
containsfuelstabilizer.
• IfSWALLOWEDcallphysicianimmediately.DONOTinduce
vomiting.If inhaledremoveto freshair. Incaseof eyeor skin
contacLflushwithwaterfor 15minutes.
o Storeunopenedcartridgesina cool,d% wellventilatedarea.
Keepopenca!tridgeinfuel cap,andfuel capclosedonfueltank
whennotin use.
o Inthe caseof anemergency,contacta physicianimmediately
andcall 1-800-424-9300for rnateria!safetyinformation.
• * Fuel stabilizer contains: 2,6-di-tret-butylphenol (128=39-2) and aliphatic petroleum
distillate (64742-47-8).
A=Explosion
B=Fire
C=Electric Shock
D=Toxic Fumes
E=Kickback
F=Hot Surface
G=Flying Objects
H=Moving Parts
J=HazardousChemical
K=ReadManual
Using a generator indoors CAN KiLL YOU iN MINUTES,
Generator exhaust contains carbon monoxide, This is
a poison you cannot see or smemmo
NEVER use inside ahome
or garage, EVEN mF doors
and wiedows are open,
Only use OUTSIDE and
far away from windows,
doors, and vents,
WARNSNG
Running enginegives off carbon monoxide, an
odorless, colorless, poison gas.
Breathing carbon monoxide can cause headache,
fatigue, dizziness,vomiting, confusion, seizures,
nausea,fainting or death.
o OperategeneratorONLYoutdoors.
• Installabatteryoperatedcarbonrnonoxideahrrn nearthe
bedroorns.
• Keepexhaustgasfromenteringa confinedareathrough
windows_doors,ventilationintakes,or otheropenings.
• DONOTstartor runengineindoorsor in anenclosedarea,
(evenif windowsanddoorsareopen) includingthe generator
compa!tmentof arecreationalvehicle(RV).

WARNING
3enerator produces hazardous voltage.
Faiiure to isoiate generator from power utiiity can
result in death or injury to etectric utiiity workers
due to backfeed of electrical energy.
• Wben using generator for backuppower_notify utility company.
Use approvedtransfer equipment to isolate generator frorn
electric utility.
• Use a ground fault circuit interrupter (GFCI)in any damp or
bigbly conductive area, such as metal decking or steel work.
• DO NOTtouch barewires or receptacles.
o DO NOTuse generator with ebctrical cords which are worn,
frayed, bareor otherwise damaged.
• DO NOToperate generator in the rain or wet weather.
• DO NOTbandle generator or ebctrica! cords while standing in
water, while barefoot, or wbile hands or feet are wet.
• DO NOTallow unqualified persons or children to operate or
service generator.
WARNING
Contactwith muffler areacan result in serious
burns.
Exhaust heat/gases can ignite combustibles,
structures or damagefuel tank causing a fire.
DONOTtouch hot parts and AVOIDbot exhaustgases.
• Allow equipment to cool before touching.
• Keep at least5 feet (1.5 m) of clearance on all sides of
generator including overhead.
• Codeof FederalRegulation (CFR) Title 36 Parks, Forests, and
Public Property require equipment powered by an internal
combustion engineto have a spark arrester, rnaintainedin
effective working order, complying to USDAForest seP,dce
standard 5100-10 or later revision. In the State of California a
spark arrester is required under section 4442 of the California
Public resourcescode. Otherstates may havesimilar laws.
WARNING
Starter and other rotating parts can entangie
hands, hair, ciothing, or accessories.
• NEVERoperate generator without protective housing or covers.
o DO NOTwear loose c!othing, jewelry'or anything that may'be
caught in the starter or other rotating parts.
o Tie up long hair and remove jewelry'.
WARNING
Starter cord kickback (rapid retraction) can result
in bodiiy injury. Kickback wiii puff hand and arm
_< toward engine faster than you can bt go.
Broken bones, fractures, bruises, or sprains
could result.
• When starting engine, pull cord slowly until resistanceis felt and
then pull rapidly'to avoid kickback.
• NEVERstart or stop enginewith electrica!devices plugged in
and turned on.
WARNING
Fuel and its vapors are extremely flammable and
explosive.
Fire or explosion can cause severe burns ordeath.
WNENADDING ORDRA_NINGFUEL
o Turn generator OFFand let it cool at least2 rninutes before
removing fuel cap. Loosen cap slowly to re%ve pressure in
tank.
• Fill or drain fuel tank outdoors.
o DONOToverfill tank. Allow space for fuel expansion.
• If fue! spills, wait until it evaporates before starting engine.
o Keep rue! away from sparks_open flames, pilot lights, beat, and
other ignition sources.
o DONOTlight a cigarette or smoke.
WHENSTARTBNGEQUIPMENT
• Ensure spark plug_muffler, fue! cap, and air charier are in place.
o DONOTcrank enginewith spark plug removed.
WNEN OPERATmNGEQUmPLNIENT
• DONOTtip engine or equipment at angle wbich causesfuel to
spill.
o This generator is not for usein rnobileequipment or rnarine
applications.
WNENTRANSPORTINGORREPAIRmNGEQUmPI_IENT
• Transport/repair witb fuel tank EMPTYor with fuel shutoff valve
OFF.
• Disconnect spark plug wire.
WNEN STORmNGFUELOR EQUmPIVlENTWITH FUEL iN TANK
o Store away'from furnaces, stoves,water heaters,clothes dryers,
or other appliances that bavepilot light or other ignition source
becausethey can ignite fuel vapors.
WARNING
This generator does not rneetU. S. CoastGuard Regulation
33CFR-183and should not beused on rnarine applications.
Failure to usethe appropriate U. S. Coast Guard approved
generator could result in death or serious iniury and/or
property damage.

WARNING
Unintentionai sparking can result in fire or
electric shock.
WHENADJUSTINGOR[VIAKINOREPAIRSTOYOURGENERATOR
, Disconnectthe sparkplugwirefromthe sparkplugandplace
thewirewhereit camot contactsparkplug.
WHEN TESTINGFOR ENGINESPARK
• Useapprovedsparkplugtester.
o DONOTcheckfor sparkwithsparkplugremoved.
CAUTION
Excessively high operating speeds increase risk of injury
and damage to generator.
Excessively low speeds impose a heavy load.
DO NOTtamper with governed speed.Generatorsupplies
correct rated frequency and voltage when running at governed
speed.
DO NOTmodify generator in anyway.
NOTICE
Exceeding generators wattage/amperage capacity can
damage generator and/or eiectricai devices connected to it.
DONOTexceedthe generator's wattage/amperage capacity, See
Don't OverloadGeneratorin the Operationsection.
Stat generator and let engine stabilize before connecting
ebctrical loads,
Connectebctrical loads in OFFposition, then turn ONfor
operation.
Turn electrical loads OFFand disconnect from generator before
stopping generator.
NOTICE
Improper treatment of generator can damage it and
shorten its iife.
Use generator only for intended uses,
If you havequestions about intended use,ask dealeror contact
local service center.
Operategenerator only on level surfaces.
DONOTexpose generator to excessivemoisture, dust, dirt, or
conosive vapors.
DONOTinsert any obiects through cooling slots.
If connected devices overheat_turn them off and disconnect
them from generator.
Shut off generator if:
-electrical output is lost;
-equipment sparks, smokes, or emits flames;
-unit vibrates excessively.

KNOWYOURGENERATOR
_Read the operator's manaamand safety rules before operatingyour generator,
Comparethe illustrations with your generator to familiarize yourself with the locations of various controls and
adjustments. Savethis manual for future reference.
A =120 VoltAC,20 Amp, DuplexReceptacles-- May be
used to supply electricaI power for the operation of
120 Voit AC, 20 Amp, single phase,60 Hzeiectricat,
lighting, appliance,tooi, and motor loads.
B =120/240VoltAC, 30Amp LockingReceptacle-- May be
used to supply electricai power for the operation of
120 and/or 240 Voit AC, 30 Amp, single phase, 60 Hz
electrical, lighting, appliance,toot and motor ioads=
C - Air Cleaner -- Protects engine by filtering dust and
debris out of intake air.
D - Choke Lever -- Usedwhen starting a cold engine.
E - Data Tag -- Provides model, revision, and serial number
of generator. Pleasehavethese readily available when
calling for assistance.
F= DoablePoleCircuit Breaker(AC)-- A doublepole
circuit breaker is provided to protect ali the receptacies
and generator against electrical overload.
G - Engine Identification -- Provides model, type and code
of engine. Pleasehave these readily availableif calling for
assistance.
H =Fuel Tank -- Capacityof five (5) U.S. gallons (18.9 L).
J - Fael VaNe -- Usedto turn fuel supply on and off to
engine.
K =Groanding Fastener -- Consuit your iocai agency having
jurisdiction for grounding requirements in your area.
L - Oil Drain Plag -- Drain engine oii here.
Ni - Oil Fill Cap -- Checkand fiii engine with oii here. See
Offin Maintenancefor oil recommendations and filling
instructions.
N =ReooiJStarter -- Usedto start the engine.
P - Rocker Switch -- Set this switch to "On" before using
recoii starter. Set switch to "Off" to stop engine.
R =Spark Arrestor I_]affier -- Exhaust muffler lowers engine
noise and is equippedwith a spark arrestor screen,
S - StatBtationTM -- Dispiaysthe nominat load on generator
based on output frequency. It also has a built in
maintenance reminder.

YourCraftsmangeneratorrequiressomeassemblyandis
readyforuseonlyafterit hasbeenproperlyservbedwiththe
recommendedoilandfuel.
tfyouhaveanyprobbmswiththeassemMyofyour
generator,please call the generater heb]ine at
1-80e-222-3136.
Unpacking the Generater
1. Set the carton on a rigid fiat surface.
2. Removeeverything from carton except generator.
3. Opencarton completely by cutting each corner from top
to bottom.
4. Leavegenerator on carton to install wheel kit.
Carten Centents
Check alI contents against those listed below:
o Main unit
oEngineoii
o Operator's manuai
Wheel kit
o Adapter cord set
If any parts are missing or damaged,call the generator
helpline at 1=800=222=3136.
nstall Wheel Kit
NOTE:Wheel kit is not intended for over-the-road use. DO
NOTtow this unit with a motorized vehicte.
You wiii needthe following tools to install these
components:
o 13ram wrench
o Socket wrench with a 13ram socket
o Pliers
o Safety gtasses
Install the Wheel }(it as Folbws:
1. Tip generator so that engine end is up.
2. Slide axle (A) through both mounting brackets.
3. Placea wheel (B) on each side as shown.
4. Macea washer (C)on axie and then place an e-ring (g)
in axle groove.
5. InstalI e-ring with pliers, squeezingfrom top of e-ring to
bottom of axle.
CAUTION
E-rings can cause eye injury.
E-rings can spring back and become airborne
when installing or removing.
• Alwaysweareyeprotectionwheninstalling/removinge-rings
6. Repeatsteps 4 and 5 to secure second wheei.
7. Tip generator so that engine side is down.
8. Line up holes in support leg (E) with holes in generator
frame.
9. Attach support ieg using two short capscrews (MS x
16 ram) (F) and two iocking hex nuts (G). Tighten with
a 13 mm socket and wrench.
10. Returngenerator to normat operating position (resting
on wheels and support leg).

BEFORESTARTINGTHE GENERATOR
Add Engine Oil
1. Place generator on a levelsurface.
2. Cleanareaaround oii fiii and removeyellow oii fiii cap.
NOTE:Seethe section Oi/to review oii recommendations.
Verify provided oii bottie is correct viscosity for current
ambient temperature.
3. Using oil funne! (optional), slowly pour entire contents
of provided oil bottle (26 oz.) into oil fill opening.
NOTICE
improper treatment of generator can damage it and
shorten its iife.
DONOTattemptto crankor startthe enginebeforeit hasbeen
properlyservicedwiththe recommendedoil.Thismayresultin
anenginefailure.
4. Replaceoil fill cap and fuIly tighten.
AddFuel
Fuel must meet these requirements:
o Clean,fresh, unleadedgasoline.
°A minimum of 87 octane/87 AKi (91 RON). High altitude
use, see High-A/titude.
°Gasoiine with up to 10% ethanol (gasohoi) or up to
15% MTBE(methyl tertiary butyl ether) is acceptable.
NOTICE
Avoid generator damage.
Faiiureto foilow Operator's Manuai for fuel
recommendations voids warranty.
DONOTuseunapprovedgasolinesuchasE85.
DONOTmixoil in gasoline.
DONOTrnodifyengineto runonalternatefuels.
WARNING
Fueland its vapors are extremely flammable and
explosive.
Fireor explosion can cause severe burns or
death.
WHENADDINGFUEL
o TurngeneratorOFFandlet it cool at least2 rninutesbefore
removingfuel cap.Loosencapslowlyto relievepressurein
tank.
* Fillfue!tankoutdoors.
o DONOToverfilltank.Allowspacefor fuel expansion.
* Iffue!spills,waituntil it evaporatesbeforestartingengine.
o Keepfuelawayfrom sparks_openflames,pilot lights,heat,and
otherignitionsources.
o DONOTlight acigaretteor smoke.
To protect the fuei system from gum formation, mix in a fuel
stabiiizer when adding fuel. See Storage.AJifuel is not the
same. if you experiencestarting or performance probiems
after using fuel, switch to a different fuei provider or change
brands. This engine is certified to operate on gasoline. The
emission controi system for this engine is EM (Engine
Modifications).
1. Cleanareaaround fuei fiii cap, removecap.
2. Slowly add unieadedgasoline (A) to fuei tank (B). Be
careful not to overfill. Allow about 1.5"(4 cm) of tank
space (C) for fuel expansion.
3. Instali fuei cap and let any spifled fuel evaporate before
starting engine.

CAUTISN! Alcohol-blended fuels (called gasohoI, ethanol or
methanol) can attract moisture, which ieads to separation and
formation of acids during storage, Acidic gas can damagethe
fuei system of an enginewhiie in storage,
To avoid engineproblems, the fuel system should betreated
with a fuel preserver or emptied beforestorageof 30 daysor
longer, if adding a fuel preserver, fiii the fuel tank with fresh
fuel. if only partialiy tiffed, air in thetank wiii promote fuel
deterioration during storage, if fuei preserver is not used,
drainthe fuel tank, start the engineand let it run untii the fuel
lines and carburetorareempty. Usefresh fuel next season.See
Storagefor additionai information.
NEVERuse engine or carburetor cleaner products in the fuel
tank as permanent damage may occur.
Fresh StarlTM Fuel Cap
Adding fuel preserver helps keepfuei fresh and carburetors
ciean for easier starting, ali season iong. This new fuel cap
automatically drips concentrated fuel preserver into your fuel
tank.
_/////i_V/b; contact to eyes, skin or c!othing. DONOTtake
internaiiy. Avoid breathing the mist or vapor.
Overexposureto eyesor skin can causeirritation.
Keepstabilizer out of the reach of chiidren.
Fuei stabiiizer is a hazardouschemical.**
If SWALLOWED,callphysicianimmediately.
h_the caseof anemergency,contacta physicianimmediately
andcall1-800-424-9300for materialsafetyinformation.
*Fuel stabilizer contains: 2.6-di-tret-butylphenol (128-39-2) and aliphatic petroleum
distillate (64742-47-8),
1. Place cartridge into fuel cap.
3. Removetab to expose membrane.
)
IMPORTANT:DONOTremove the silver foil seal on the
opposite side.
4. Reinstall fuei cap on fuel tank.
5. Periodicaliy check the cartridge to ensure there is stiil
fuel preserver inside. If it is empty, removecartridge
and replace.
At altitudes over 5,000 feet (1524 meters), a minimum
85 octane /85 AKI (89 RON)gasoline is acceptable.To
remain emissions compiiant, high aititude adjustment is
required. Operationwithout this adjustment wiii cause
decreasedperformance, increasedfuel consumption, and
increasedemissions. Seea qualified Sears dealerfor high
altitude adjustment information. Operation of the engine at
altitudes below 2,500 feet (762 meters) with the high altitude
kit is not recommended.
2. Push to "snap" cartridge into place.

HOWTO USEYOURGENERATOR
If you haveany problems operating your generator after
readingthe manual, please call the generator helpiine at
1o800o222o3136.
System Ground
The generator has a system ground that connects the
generator frame components to the ground terminals on the
AC output receptacbs. The system ground is connected to
the AC neutral wire (the neutral is bonded to the generator
frame),
Special Requirements
There may be Federator StateOccupational Safety and
HealthAdministration (OSHA)regulations, local codes, or
ordinancesthat appiy to the intended use of the generator.
Pieaseconsult a quaiifbd eiectrician, electrical inspector, or
the local agency having jurisdiction.
,In some areas,generators are requiredto be registered
with iocai utiiity companies.
o If the generator is usedat a construction site, there may
be additional regulations which must be observed.
Cennecting te a Building's Electrical System
Connectionsfor standby power to a buiiding's electrical
system must be made by a quaiified electrician. The
connection must isoiate the generator power from utiiity
power, and must comply with alI appficabb laws and
electrbaI codes.
WARNING
3enerator produces hazardous voltage.
_¢ aiiure to isoiate generator from power utiiity can
result in death or injury to electric utility workers
due to backfeed of electricai energy.
•Wher_using generator for backup power, notify utility company
Use approvedtralssfer equipment to isolate generator frorn
electric utility
•Use a ground fault circuit interrLipter(GFCI)in any damp or
highly conductive area, such as metal decking or steel work.
•DO NOTtouch barewires or receptacles
o DO NOTuse generator with ebetrical cords which are worn,
frayed bareor otherwise damaged.
•DO NOToperate generator in the rain or wet weather
•DO NOThandle generator or ebctrica! cords while standing in
water, while barefoot, or while hands or feet are wet
•DO NOTallow Lmqualifiedpersons or children to operate or
service generator.
Generater Lecatien
Generater Clearance
WARNING
_,_5 Exhaustheat/gases can ignite combustibles,
structures or damage fuel tank causing a fire.
Keepat least5 ft. (1.5 rn)clearanceonall sidesof generator
includingoverhead.
Macegenerator outdoors in an areattsatwiii not accumuiate
deadiy exhaust gas. DO NOTpiace generator where exhaust
gas (A) couid accumulate and enter inside or be drawn into a
potentialiy occupied buiiding. Ensure exhaust gas is kept
away from any windows, doors, ventiiation intakes, or other
openings that can ailow exhaust gas to coiiect in a confined
area. Prevaiiing winds and air currents shouid be taken into
consideration when positioning generator.
Using a generator indoors CAN KiLL YOU mNMINUTES,
Generator exhaust contains carbon monoxide, This is
apoison you cannot see or smell,
Only use OUTSIDE and
far away from windows,
doors, and vents,
10

To Start The Engine
DisconnectatI ebctricai loads from the generator. NEVER
start or stop engine with electricai devices piugged in and
turned ON. Foilow start instruction steps in numerical order:
1. Make sure unit is on a ievei surface.
iMPORTANT:Failureto start and operate unit on a level
surface wiii cause the unit not to start or shut down during
operation.
2. Turn redfuei vaiveto "On" position.
3. Place choke lever in "Choke" position.
4. Set rocker switch to "Off' position.
5. Grasp recoil handleand pulI slowly until slight
resistance is felt. Then pull rapidty to start engine.
WARNING
Startercord kickback (rapid retraction) can result
n bodiiy injury. Kickbackwiii puli handand arm
toward engine faster than you can bt go.
Broken bones, fractures, bruises, or sprains
sould result.
• Whenstartingengine,pul!cordslowlyuntil resistanceisfelt and
then pullrapidlyto avoidkickback.
o NEVERstart orstopenginewith ebctricaldevicespluggedin
andturnedon.
t_IPORTANT:If enginefloods, place choke lever in "Rue"
position and crank untii engine starts.
6. Move choke iever to "Rue" position a short distance at
a time over severaiseconds in warm weather or
minutes in cold weather. Let engine run smoothly
before each change.Operatewith choke in "Rue"
position.
NOTE:if engine starts after 3 pulls but faiis to run, or if unit
shuts down during operation, makesure unit is on a level
surface and check for proper oii ieveI in crankcase. This unit
may beequipped with a iow oii protection device. If so, oil
must be at proper level for engineto start.
WARNING
Contactwith muffler areacan result in serious
burns.
_ Exhaust heat/gases can ignite combustibies,
structures or damage fue! tank causing a fire.
o
®
o
DONOTtouch hotpartsandAVOIDhot exhaustgases.
Allowequipmentto coolbeforetouching.
Keepat least5 feet(1.5m) of clearanceonall sidesof
generatorincludingoverhead.
Codeof FederalRegulation(CFR)Title36 Parks,Forests,and
PublicPropertyrequireequipmentpoweredby aninternal
combustionengineto haveasparkanester,maintainedin
effectiveworkingorder,complyingto USDAForestservice
standard5100-1Cor laterrevision.Inthe Stateof Californiaa
sparkarresteris requiredundersection4442ofthe CaBornia
Publicresourcescode.Otherstatesrnayhavesimilarlaws.
Connecting Electrical Loads
* Let the engine stabiiize and warm up for a few minutes
after starting.
o DONOTconnect240Volt loadsto 120Voit receptacbs.
* DO NOTconnect 3-phase ioads to the generator.
o DO NOTconnect 50 Hzioads to the generator.
o Mug in and turn on the desired 120 Volt AC, singie
phase,60 Hertz eiectricai ioads.
o DO NOTOVERLOADTHEGENERATOR.SeeDon't
Overload Generator.
NOTICE
Exceedinggeneratorswattage/amperagecapacity can
damagegenerator and/or ebctricaI devicesconnected to it.
DONOTexceedthe generator'swattage/amperagecapacity.See
Don?OverloadGeneratorinthe Operationsection.
Startgeneratorandletenginestabilizebeforeconnecting
electricalloads.
ConnectebctricalloadsinOFFposition,thenturn ONfor
operation.
TurnelectricalloadsOFFanddisconnectfromgeneratorbefore
stoppinggenerator.
Stopping the Engine
1. Turn off and unpiug ati eiectricai ioads from unit.
NEVERstart or stop enginewith ebctricat devices
ptugged in andturned on.
2. Let engine run at nooioadfor two minutes to stabilize
unit's internal temperatures.
3. Move rocker switch to "Off" position.
i wAR. .G
Backf re, fire or engine damagecould occur.
Io DONOTstopenginebymovingchokeleverto "Choke"position.
4. Move fuel valveto "Off" position.
11

CSBDSETSANDRECEPTACLES
Useonty high quality, welPinsulated, grounded extension
cords with the generator's 120 Volt electrical receptacles.
Inspectextension cords before each use.
Checkthe ratings of aii extension cords before you use them.
Extensioncord sets used should be rated for 125Voit AC
loads at 20 Amps or greater for most electrical devices.
Some devices,however, may not require this type of
extension cord. Checkthe operator's manuals of those
devices for the manufacturer's recommendations.
Keepextension cords as short as possible, preferably Iess
than 15 feet iong, to prevent voltage drop and possible
overheating of wires.
WARNING
Overloadedelectrical cords can overheat, arc,
and burn resulting in death, bodily injury, and/or
property damage.
* ONLYusecordsratedfor your loads.
oFollowallsafetiesonebctricalcords.
128/248 VeJt AC, 38 Amp, Locking Receptacle
Usea NEMAL14-30 piug with this receptacle.Connecta
4-wire cord set rated for 250 Voit AC ioads at 30 Amps (or
greater). You can usethe same4-wire cord if you plan to
run a 120 Volt load.
4-WheCordSet
J
128 Volt AC, 28 Amp, #uplex Receptacles
Eachduplex receptacle is protected against overload by a
double pole rocker switch circuit breaker.
Useeach receptacieto operate 120 Volt AC,singb-phase, 60
Hzelectrical loads requiring upto 2,400 watts (2.4 kW) at 20
Amps of current. Use cord sets that are ratedfor 125 Volt AC
loads at 20 Amps (or greater).
BENERAT{)RADAPTER CORD SET
The generator comes with a 25' generator adapter cord set
designedto provide two sets of 120 Voit, 20 Amp outiets
from one 120 Volt, 20 Amp dupiex receptacle.
(Neutral)
Y (Hot) | X (Hot)
NEMAL14-30 /-7L7 Ground(Green)
This receptaclepowers 120/240 Volt AC, 60 Hz, single phase
loads requiring up to 5,600 watts of power (5.6 kW) at
23.3 Amps for 240 Volts or two independent 120 Voit ioads
at 23.3 Amps each. The outbt is protected by a double pole
rocker switch circuit breaker.
NOTICE
Receptaclesmay be marked with rating vaiue greater than
generator output capacity.
NEVERattemptto poweradevicerequiringrnoreamperage
than generatoror receptaclecansupply,
DONOToverloadthe generator,SeeDon'tOverloadGenerato,_
The maximum load on each outtet is 20 Amps. The maximum
totai ioad on both biack wire outiets or white stripe wire
outiets is 20 Amps.
NOTE:Foliowaii safety precautions when connecting any
extension cord or deviceto the generator.
12

DON'TOVERLOADGENERATOR
Capacity
You must make sure your generator can supply enough rated
(running) and surge (starting) watts for the items you will
power at the sametime. Foliowthese simple steps:
1. Selectthe items you wiii power at the same time.
2. Total the rated (running) watts of these items. This is
the amount of power your generator must produce to
keep your items running.
3. Estimate how many surge (starting) watts you wiii need.
Surge wattage is the short burst of power neededto
start electric motor-driven toois or appliancessuch as a
circular saw or refrigerator. Becausenot aii motors start
at the sametime, totai surge watts can be estimated by
adding only the item(s) with the higilest additional
surge watts to the total rated watts from step 2.
Example:
Tool or Appliance
Window Air
Conditioner
Refrigerator
Deep Freezer
Television
U,ht _75 Watts'
Rated
(Running) Watts
1200
8OO
5O0
50O
75
3075 Total
Running Watts
Total Rated(Running) Watts
HighestAdditional Surge Watts
Total Generator Output Required
Additional Surge
(Starting) Watts
1800
1600
5OO
1800 Highest
Surge Watts
= 3075
= 1800
= 4875
NOTE:The rated (running) watts cannot exceed5600. Also,
given the 5600 watt rated iimit, additional surge (starting)
watts cannot exceed8600.
Pewer Management
To prolong the iife of your generator and attached devices, it
is important to take care when adding electrical loads to your
generator. There shouid be nothing connected to the
generator outlets before starting it's engine. The correct and
safe way to managegenerator power is to sequentially add
loads as follows:
1. With nothing connected to the generator, start the
engine as describedin this manual.
2. Hug in and turn on the first ioad, preferably the largest
load you have.
3. Permit the generator output to stabiiize (engine runs
smoothly and attached deviceoperates properly).
4. Hug in and turn on the next ioad.
5. Again, permit the generator to stabiiize.
6. Repeatsteps 4 and 5 for each additional load.
NEVERadd more loads than the generator capacity. Take
speciai care to consider surge loads in generator capacity, as
describedabove.
Tool or Appliance
Essentials
L_ht Bulb -75 watt
Deep Freezer
Sump Pump
Refrigerator/Freezer- 18 Cu. Ft.
Water Well Pump- 1/3 HP
Heating/Cooling
Window AC -10,000 BTU
Window Fan
Furnace Fan Blower- 1/2 HP
Kitchen
Microwave Oven -1000Watt
Coffee Maker
Electric Stove -Sinqle Element
Hot Plate
Family Room
DVD/CD Player
VCR
Stereo Receiver
Color Television -27"
Personal Computer w/17"
monitor
Other
Security Svstem
AM/FM Clock Radio
Garage Door Opener -1/2 HP
Electric Water Heater -40
Gallon
DIY/Job Site
Quartz Haloqen Work Light
Airless Sprayer- 1/3 HP
Reciprocating Saw
Electric Drill- 1/2 HP
Circular Saw -7 1/4"
Miter Saw -10"
Table Planer-6"
Table Saw/RadialArm Saw -10"
Air Compressor -1-1/2 HP
*Wattages listed are approximate 0nly,
appliance for actual wattage.
Additional
Rated*
(Running) Surge
Watts (Starting)
Watts
75
500 500
800 1200
800 1600
1000 2000
1200 1800
300 600
800 1300
1000
1500
1500
2500
100
100
45O
50O
8O0
180
30O
480 520
4000
1000
600 1200
960 960
1000 1000
1500 1500
1800 1800
1800 1800
2000 2000
2500 2500
Checktool or
13

ENGINETECHNICALiNFORMATiON
This is a single cylinder, overhead valve(OH\/), air cooled
engine, it is a iow emissions engine.
In the Stateof Caiifornia, Model 200000 engines are certified
by the California Air Resources Boardto meet emissions
standards for 250 hours. Such certification does not grant
the purchaser, owner or operator of this engine any
additiona] warranties with respectto the performance or
operational iife of this engine. The engine is warranted solety
according to the product and emissions warranties stated
elsewherein this manual.
Power Ratings
The gross power rating for individuai gas engine models is
labeledin accordance with SAE (Society of Automotive
Engineers)code J1940 (Small Engine Power & Torque
Rating Procedure),and rating performance has been
obtained andcorrected in accordancewith SAEJ1995
(Revision 2002=05).Torque values are derived at 3060 RPM;
horsepower values are derived at 3600 RPM. Actuai gross
engine power wiii be lower and is affected by, among other
things, ambient operating conditions and engine-to-engine
variability. Given both the wide array of products on which
engines are piaced and the variety of environmentai issues
appiicabteto operating the equipment, the gas engine wiii not
develop the rated gross power when used in a given pieceof
power equipment (actual "on-site" or net power). This
difference is due to a variety of factors including, but not
limited to, accessories (air cleaner, exhaust,charging,
cooling, carburetor, fuel pump, etc.), appiication iimitations,
ambient operating conditions (temperature,humidity,
altitude), and engine-to-engine variabiiity. Due to
manufacturing and capacity iimitations, Briggs & Stratton
maysubstitute an engine of higher rated power for this
Series engine.
PRODUCTSPECiFiCATiONS
Generator $pe¢ificatiens
Starting Wattage ................. 8600 Watts (8.6 kW)
Wattage ........................ 5600 Watts (5.6 kW)
AC Voltage ........................... 120/240 Volts
AC Current
at 240 Volts ........................... 23.3 Amps
at 120 Volts ........................... 46.6 Amps
Frequency ........................ 60 Hzat 3600 rpm
Phase ................................ Single Phase
FuelCapacity ......................... 5 U.S. gailons
Unit Weight ............................... 170 Ibs.
EngineSpecifications
Sore .............................. 3.12 in. (79mm)
Stroke ............................. 2.44 in. (62mm)
Displacement ...................... 18.64 in. (305 cc)
SparkPlug
ResistorType: ............. Briggs & Stratton 491055S
Long Life Piatinum: .......... Briggs & Stratton 5066D
Set GapTo: ................... O.030inch(0.76ram)
Armature Air Gap: ........ 0.008-0.012 in. (O.20-O.30mm)
Valve clearancewith valvesprings installed and piston 1/4 in.
(6 ram) past top dead center (check when engine is cold).
Intake ................. 0.004-0.006 in. (0.10=0.15mm)
Exhaust ............... 0.004-0.006 in. (0.10=0.15mm)
OiI Capacity .................... 28 Ounces(0.8 Liters)
NOTE:For practical operation, the generator load should not
exceed 85% of rated wattage. Enginegross horsepower wiii
decrease3-I/2% for each 1,000 feet (300 meters) above sea
level and 1% for each 10° F (5.6° C) above 77° F (25° C). It
shouid operate satisfactorily at an angie up to 15°,
14

MAINTENANCESCHEDULE
Foiiowthe hourly or calendar intervals, whichever occurs first=
More frequent service is required when operating in adverseconditions noted beiow.
MAINTENANCESgNEDULE
FILL IN DATESAS YOU COMPLETE
REGULARSERVICE
MAINTENANCETASK
SERVICEDATES
Before jEvery 25 Hours Every 50 Hours Every 100 Hours
EachUse Jor Yearly or Yearly or Yearly
SERVICEDATES
Check oil level
Cleandebris
Change engine oil
Service air cleaner
Service spark plug
Service spark arrester
Cleancooling system
Prepare for storage
×
X
X 1
X2
If unit is to remain idle for longer than 30 days.
X
X
X2
1 Change oil after the first (5) operating hours and every 50 hours or every year, whichever occurs first, thereafter,
Change sooner when operating under dirty or dusty conditions,
2 Replace more often under dirty or dusty conditions,
GENERALBECOMMENDATIONS
Regular maintenancewill improve the performance and
extendthe iife of the generator. Seeany Sears or other
qualified dealerfor service.
The generator's warranty does not cover items that have
been subjected to operator abuse or negligence.To receive
fuiI vaiue from the warranty, the operator must maintain
generator as instructed in this manual
Some adjustments wili needto be made periodically to
properly maintain your generator.
AtI service and adjustments should be made at least once
each season. Follow the requirements in the Maintenance
Schedulechart above.
NOTE:Oncea year you should clean or replace the spark
ptug and repiace the air filter. A new spark plug and clean air
fiiter assure proper fuel-air mixture and help your engine run
better and last longer.
EMISSIONSCONTBOL
Maintenance,replacementor repair of the emissions control
devices and systems may be performed by any non-road
engine repair establishment or individual.
BENEBATOBMAINTENANCE
Generatormaintenanceconsists of keepingthe unit cteanand
dry. Operateand store the unit in a clean dry environment
where it wiii not be exposedto excessive dust, dirt, moisture
or any corrosive vapors. Cooiing air slots in the generator
must not becomeclogged with snow, leaves,or any other
foreign material.
Checkthe cleanliness of the generator frequently and ctean
when dust, dirt, oii, moisture or other foreign substances are
visible on its exterior surface.
NOTE:DO NOTuse a garden hose to clean generator. Water
can enter the engine fuel system and causeproblems, in
addition, if water enters the generator through cooiing air
slots, some of the water wiii be retainedin voids and cracks
of the rotor and stator winding insulation. Water and dirt
buiidup on the generator internai windings wiii eventually
decreasethe insuiation resistance of these windings.
Generater Cleaning
Daiiy or before use,ctean accumuiated debris from
generator. Keepiinkage,spring and controts clean. Keeparea
around and behind muffler free from any combustibie debris=
Inspect cooiing air siots and openings on the generator=
Theseopenings must be kept ctean and unobstructed.
Generator parts shouid be kept clean to reducethe risk of
overheating and ignition of accumulated debris.
o Usea damp cloth to wipe exterior surfaces clean.
NOTICE
Improper treatment of generator can damage it and
shorten its iife.
DONOTexposegeneratorto excessivemoisture,dust,dirt, or
corrosivevapors.
DONOTinsertanyobjectsthroughcoolingslots.
, Usea soft bristle brush to loosen caked on dirt, oil, etc.
, Usea vacuumcleanerto pick uploose dirt and debris.
15

TheStatStationTM displays the nominai ioad on generator
based on output frequency. It also has a built in maintenance
reminder.
Wattage Monitor Operatian
The dispiay is two seven-segment LEDsthat provide an easy-
to-read indication of the amount of power being suppiied by
the generator. Theioad monitor displays the generator's
output as a percentage.
As generator ioad increases,the dispiay vaiues wiii increase.
When the dispiayedvalues begin flashing, the user should
stop adding electricaI ioads to the generator.
If the power usage becomestoo hi@l,the ietters "OL" (for
Over Load)will flash on the display. The user should reduce
the amount of load attachedto the generator.
_laintenanee Reminder
The LEDwill display certain codes to aiert you to check oii,
change off, check or replaceair fiiter and check or replace
spark piug. The foliowing codes wiii display:
"C1" Check oii at 8 hour increments
"C2" Changeoil at 50 hour increments
"C3" Check or repiace air fiiter at 25 hour increments
"C4" Check or repiace spark piug at 100 hour increments
To take advantage of the StatStation "maintenance reminder"
capabilities, tile user must press tile resetbutton after
compieting the maintenancecatied for in the dispiayedcode
(Cl, C2, C3, or C4). This results in a display of "Co" or "CA",
depending on how iong the button is pressed:
1) "Co" = Pressingthe reset button once quickiy wiii
display "Co"(clearing to zero). This wilI clear any
maintenancecodes that haveelapsed up to that point
and they wiii begin timing againfrom zero.
2) "CA" - Pressing and hoiding the resetbutton for
2 seconds wilI display "CA"(clearing all). This clearsalI
maintenancecodes, even if they have not yet reached
their service point, and they will begin timing again
from zero.
If nominal Ioad and maintenancecodes appear
simuItaneously, the LEDshall display, alternately, the
nominal Ioad and code as follows:
The code wilI display for 3 seconds, then 1/2 second off. The
load will display for 6 seconds and then 1/2 second off.
ENGINEMAINTENANCE
WARNING
Unintentionai sparking can result in fire or
electric shock.
WHEN ADJUSTINGOR _IAKBNOREPAIRSTO YOUR GENERATOR
,', Disconnectthe sparkplugwhefromthe sparkplugandplace
thewirewhereit cannotcontactsparkplug.
WHENTESTINGFORENGINESPARK
, Useapprovedsparkplugtester.
• DONOTcheckfor sparkwithsparkplugremoved.
8il
oimBecemmendatiens
NOTE:When adding oiI to the engine crankcase, use only
high quality detergent oii classified "For Service SF,SG, SH,
SJ" or higiler. DO NOTuse speciai additives.
1. Choosea viscosity according to the foiiowing table:
104 F_
86
68
50
32
14
4
-22
40 C
30
10
0
-10
-20
-30
NOTE:Synthetic oii meeting iLSAC GF=2,API certification
mark and APi service symboi with "SJ/CFENERGY
CONSERVING"or higiler, is an acceptabieoii at aii
temperatures. Use of synthetic oil does not alter required oil
change intervals.
$AE30:40 °Fand h@her(5 °Cand h,{qher)is good for ati
purpose use above 40°F, use below 40°F will causehard
starting.
10W-30:0 to 100 °F(=18 to 38 °C)is better for varying
temperature conditions. This grade of oii improves coid
weather starting, but may increaseoil consumption at 80°F
(27°C) or higher.
*Check oii ievei frequently at higher temperatures.
Synthetic 5W-30:=20 to 120 °F(=30to 40 °5')provides the
best protection atall temperatures as weii as improved
starting with iess oii consumption.
5W-31}: 40 °Fand be_;ow(5 °Cand be/ow) is recommended
for winter use, and works best in cold conditions.
16

Checking Oil Level
Oii level should be checked prior to each use or at least every
5 hours of operation=Keepoii ievetmaintained.
1. Make sure generator is on a ieve!surface=
2. Cleanareaaround oii fiii and remove oii fiii cap=
3. Verify oii is at the point of overflowing at oil fill opening.
4. Replaceand tighten oil fill cap=
Adding Engine Oil
1. Make sure generator is on a level surface.
2. Check oii ievei as described in Checking OffLevel
3. If needed, siowiy pour oii into oil fill opening to the
point of overflowing at oil %.
4. Replaceand tighten oil fill cap.
Changing Engine Oil
Changethe oil after the first 5 hours of operation. Changeoil
every 50 hours thereafter, if you are using your generator
underextremely dirty or dusty conditions, or in extremely hot
weather, change the oil more often.
CAUTION
or rep_
oil.
Usedmotoroil hasbeenshownto causeskincancelin certain
laboratoryanimaB
Thoroughlywashexposedareaswithsoapandwater
KEEPOUTOFREACHOFCHILDREN.DON'T
POLLUTE.CONSERVERESOURCES.RETURN
USEDOiL TO COLLECTIONCENTERS.
4. Remove oil drain plug and drain oil completely into a
suitabie container.
5. Reinstail oil drain plug and tighten securely. Removeoil
fill cap.
6. Slowiy pour oil (about 28 oz.) into oil fill opening (B) to
the point of overflowing (C) at oil fill cap. DO NOT
overfill.
7. Reinstatioii fiii cap. Fingertigilten cap securely.
8. Wipe up any spiiied oil.
Service Air Cleaner
Your engine wiil not run properiy and may be damaged if you
run it with a dirty air cleaner.
Repiacethe air cieaner every 25 hours of operation or once
each year, whichever comes first. Repiacemore often if
operating under dirty or dusty conditions.
To service the air cteaner, foiiow these steps:
1. Loosen screws (A) and remove air cleaner cover (B).
Changethe oil while the engine is still warm from running, as
foflows:
1. Make sure unit is on a level surface.
2. Disconnect the spark piug wire from the spark piug and
place the wire where it cannot contact spark plug.
3. Cban areaaround oil drain ptug (A). The oii drain plug
is located at base of engine, opposite carburetor.
2. Carefully remove cartridge (C) from base (O),
3. Instaii ctean (or new) air cieaner assembly inside cover.
Dispose of old fiiter properly.
4. Assembteair cleaner cover onto base and tighten
screws.
NOTE:You can purchase new air cleaner elements by calling
l=800=4=MY=NOME(46go4663),
17

CJean_epJace Spark PJu9
Changethe spark piug every 100 hours of operation or once
each year, whichever comes first. This wifl help your engine
to start easier and run better.
1. Cleanarea around spark piug.
2. Remove and inspect spark piug.
3. Checkelectrode gap with wire feeler gaugeand set
spark plug gap to 0.030 inch (0.76ram) if necessary.
2. Removefour screwsthat attachspark arrestorscreen(C).
4. Replacespark plug if electrodes are pitted, burned or
porcelain is cracked. Use a recommended replacement
plug.
5. Install spark plug and tighten firmly.
NOTE:You can purchasea new spark plug by calling
l=800-4=MY=NONiE(469=4663),
Ctean Spark Attester Screen
The engine exhaust muffler has a spark arrestor screen.
Inspectand clean the screen every 100 hours of operation or
once eachyear, whichever comes first.
NOTE:You can purchasea new spark arrester screen by
calling 1-800-4-MY-HOME (469-4663).
If you useyour generator on any forest-covered, brush-
covered, or grass-coveredunimproved iand, it must have a
spark arrestor. The spark arrestor must be maintainedin good
condition by the owner/operator.
WARNING
_,_ Contactwith muffler areacan result in serious
burns.
Exhaust heat/gases can ignite combustibles,
structures or damagefuel tank causing a fire.
* DONOTtouchhot partsandAVODhot exhaustgases.
, Allowequipmentto coolbeforetouching.
o Keepat least5 feet(1.5m) of clearanceonall sidesof
generatorincludingoverhead.
o Codeof Federa!Regulation(CFR)Title36 Parks,Forests,and
PublicPropertyrequireequipmentpoweredbyan internal
combustionengineto haveasparkattester,maintainedin
effectiveworkingorder,complyingto USDAForestservice
standard5100-1Cor laterrevision.Inthe Stateof Californiaa
sparkarresteris requiredundersection4442of theCalifornia
Publicresourcescode.Otherstatesmayhavesimilarlaws.
Clean and inspect the spark arrestor as fellows:
1. To removemuffler heat shield (A) from muffler (B),
removefour screwsthat connectguardto muffler bracket.
3. Inspect screen and obtain a repiacement if torn,
perforated or otherwise damaged. DO NOTuse a
defectivescreen, if screen is not damaged,clean it with
commercial soivent.
4. Reattachscreenand muffler guard.
Air Cooling System
Overtime debris may accumulate in cyiinder cooiing fins and
cannot be observed without partial engine disassembly. For
this reason,we recommend you have a Sears or other
quaiified service deaierclean the cooiing system (A) per
recommended intervais (see Maintenance Schedub). Equally
important is to keeptop of engine free from debris=See
Generator C/eaning.
CarburetorAdjustment
The carburetor on this engine is iow emission, it is equipped
with a non-adjustable idle mixture valve and governed idJe,if
equipped. Governedidie and top speed have beenset at the
factory, if adjustment is required,see any Sears or other
ualified dealer.
CAUTION
Excessivelyhigh operating speeds increase risk of injury
and damageto generator.
Excessivelyiow speeds impose a heavyioad.
DONOTtamperwithgovernedspeed.Generatorsupplies
correctratedfrequency'andvoltagewhenrunningat governed
speed.
DONOTmodify'generatorinanyway'.
18

The generator should be started at least once every seven
days and aliowed to run at ieast30 minutes, if this cannot be
done and you must store the unit for more than 30 days, use
the following information as a guide to prepare it for storage.
Leng Term Sterage [nstructiens
It is important to prevent gum deposits from forming in
essential fuel system parts, such as the carburetor, fuei fiiter,
fueI hose or tank during storage. Also, aicohoi-blended fueis
(called gasohoI, ethanol or methanol) can attract moisture,
which ieads to separation and formation of acids during
storage. Acidic fuel can damagethe fuel system of an engine
while in storage.
WARNING
Fue!and its vapors are extremely flammable and
explosive.
Fire or explosion can causesevere burns or
death.
WHEN STORING FUEL OR EQUIP_IENTWiTH FUEL mNTANK
. Store away from furnaces, stoves water heaters,clothes dryers
or other appliancesthat have pilot light or other ignition source
becausethey can ignite fuel vapors.
WHEN DRAmNINGFUEL
o Turn generator OFFand let it cool at least2 minutes before
rernoving fuel cap. Loosen cap slowly to relieve pressure in
tank.
•Drain fuel tank outdoors.
o Keepfuel awayfrom sparks, open flarnes, pilot lights, heat, and
other ignition sources.
o DONOTlight a cigarette or smoke.
Pretect Fuel System
FuemPreserver:
FilIthe fuettank with fresh fuet allowing at ieast 1.5"of tank
spacefor fue! expansion as shown on page8, when using a
fuei preserver cartridge with the fresh start fuei cap. if only
partialiy fiiled, air in the tank wiii promote rue! deterioration
during storage. Engineand fuel can be stored upto 6 months
with fuei preserver.
o Checklevel of fuet preserver cartridge. Fuelpreserver is
dark in color.
,If cartridge is almost empty or empty, repiace with a new
fuei preserver cartridge foliowing the instructions in Fresh
StarY Fuel Cap.
If fuei preserver is not used, remove aii fuel from tank and
run engine until it stops from lack of fuel.
Changeeil
While engine is still warm, drain oil from crankcase. Refill
with recommended grade.
elmCyminderBere
* Removespark plug and pour about 1 ounce (30mi) of
clean engine oil into the cyiinder.
* Install spark plug and crank slowly to distribute oil.
WARNING
-_ Unintentional sparking can result in fire or
_¢ electric shock.
o NEVERcrankenginewith sparkplugremoved.
Generater
1. Cieangenerator as outtined in Generator C/eaning.
2. Checkthat cooiing air slots and openings on generator
are open and unobstructed.
Other Storage Tips
1. DO NOTstore fuei from one seasonto another unless it
has beentreated as describedin Protect Fuel System.
2.
.
.
Replacefuel can if it starts to rust. Contaminatedfuel
will cause engine probiems.
If possible, store unit indoors and cover it to give
protection from dust and dirt.
Coverunit with a suitable protective cover that does not
retain moisture.
WARNING
covers can be flammable.
DONOTplaceastoragecoverovera hotgenerator.
Letequipmentcoo!for a sufficienttimebeforeplacingthecover
onthe equipment.
5. Store generator in clean, dry area.
19

Probmem Cause
1. One of the circuit breakers is open.
2. Faultin generator.
Engine is running, but no AC output is
available. 3.
Engine runs good at no=load but "bogs
down" when loads are connected.
.
1.
2.
3.
4.
1.
2.
3.
4.
5.
6.
Poor connection or defective cord
set.
Connected deviceis bad.
Short circuit in a connected load. 1.
Enginespeed is too slow. 2.
Generator is overloaded.
Shorted generator circuit.
Rocker Switch set to "Off".
FueiValve is in "Off" position.
Dirty air cleaner,
Out of fuel,
Stale fuel.
Spark piug wire not connectedto
Cerreetien
1. Resetcircuit breaker.
2. ContactSears or other qualified
service dealer.
3. Checkand repair.
4. Connectanother device that is in
good condition.
Disconnect shorted eiectricai ioad.
ContactSears or other qualified
service dealer.
3. SeeDon't Over/'oadGenerator,
4. ContactSears or other quatified
service dealer.
1. Set switch to "On".
2. Turn fuei valveto "Open"position.
3. Cleanor repiaceair cleaner.
4. Fill fuet tank,
5. Drain fuei tank and carburetor; fill
with fresh fue!.
6. Connectwire to spark plug.
.
Engine will not start; or starts and runs
rough. 8.
9.
spark plug.
Badspark plug.
Water in fuel.
Flooded.
7. Replacespark plug.
8. Drain fuei tank and carburetor; fill
with fresh fuel.
9. Wait 5 minutes and re=crank
engine.
Engine shuts down when running.
Engine lacks power.
Engine "hunts" (speed constantly
fluctuates) or falters.
10. Excessivelyrich fuel mixture.
11. Intake valvestuck open or closed.
12. Enginehas iost compression.
Out of fuel.
1. Load is too high.
2. DirtS,air filter.
Carburetor is running too rich or too
lean.
10. ContactSears or other qualified
service dealer.
11. ContactSears or other qualified
service dealer.
12. ContactSears or other qualified
service dealer.
Fill fuel tank.
1. SeeDon't Oveh"oadGenerator.
2. Replaceair filter.
ContactSears or other quatifiedservice
dealer.
2O

21

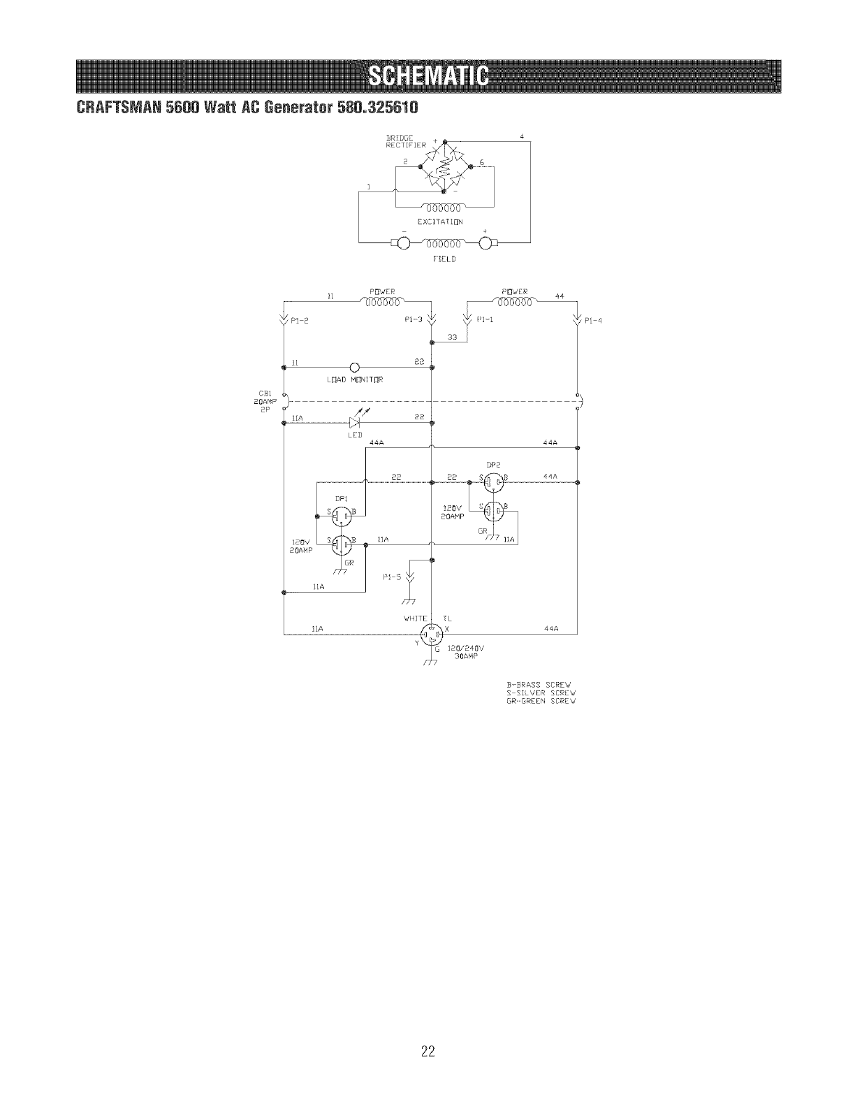
CRAFTSMAN5600 Watt AC Generator 580_325610
EXCllA_IaN
_IELB
CBI 2
28AMP
2P
it PDWER
PI3
O B2
LDAD MDNITDR
LED
44A
_dlIITE [L
30AMP
POWER
44A
DP2
44A
44A
B-BRASS SCREW
SILVER SCREW
GR GREEN SCREW
PI-4
22

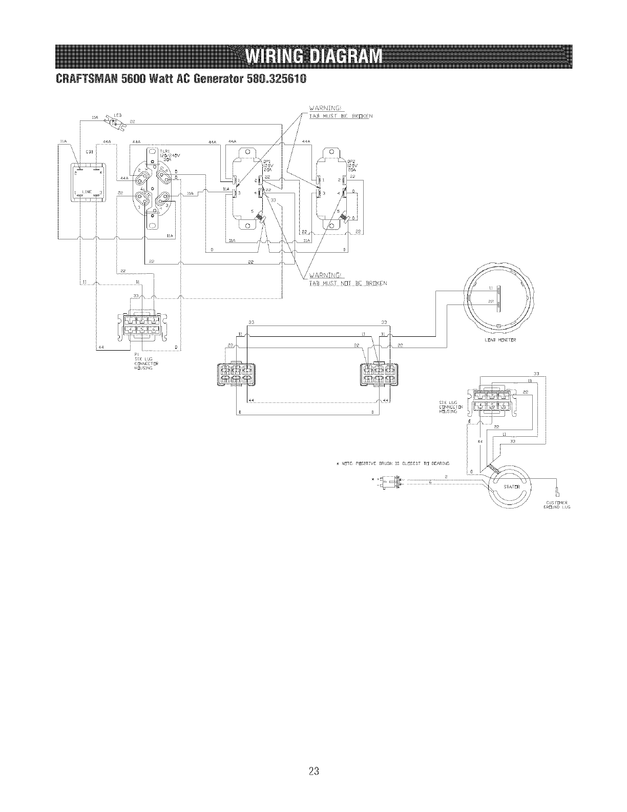
CRAFTSMAN5600 Watt AC Generator 580_S25610
v/ARNING!
na 8;
i
c_J ' ' I
[Js 1I_r__
23

CRAFTSMAN5600 Watt AC Generator 580,325610
Main Unit _ ExpJodedView
45
52
5! 4O
5O
41
900
\
54
26
\24-
57
11
12
to
t8
6
4
15
22
25
16
24

CRAFTSMAN5600 Watt AC Generater 580,325610
Main Unit _ Parts List
item Part #
I 201874GS
2 194150GS
3 67989GS
4 190220GS
5 NSP
6*
7 195398GS
8 96796GS
9 *
10 *
11 47480GS
12 *
13 198763GS
14 189009GS
15 695398
16 *
17 189008GS
18 *
19 83083GS
20 B4986GS
21 194153GS
22 86494GS
23 195094GS
24 197424GS
25 191190GS
26 74908GS
31 196830GS
34 195422GS
35 791745
37 56893GS
40 199433GS
199284GS
41 192980GS
44 193668GS
45 198912GS
48 195373GS
50 188333GS
51 194799GS
52 189235GS
53 203579GS
54 196908GS
55 197798GS
58 197641GS
59 *
900 NSP
Description
ASSY, Cradle
KiT,Vibration, Mount, 45°
NUT,M8 FiangeSerrated
HOUSING,EngineAdapter
ASSY,Alternator (see page27)
NUT,HexM8 =I=25
TPHMS, M8 =1=25x 35
WASHER,M8 Fiat
WASHER,Lock 5/16 - M8
SBHCS,3/8-16 x 1=0Lg=
HHCS,5/16=24x 7
HHCS,M8 - 1=25x 25
KIT, Handle
BRACKET,Muffler
GASKET,Exhaust
HHCS,M6= 1=0x 12 w/LW
MUFFLER
SHCS,5/16 - 18 x 7/8"
SCREEN,Spark Arrest
DECAL,Ground, Green
KIT,Vibration Mount
SCREW,Wing M6 =1.0 x 16
SCREW,I0- 16 x =68,Self Drill
SHIELD,Heat
CAP
SCREW,M5-0.8 x 10, Taptite
DECAL,ExhaustWarning
COVER,RBC,Piastic with Cap
KiT, FuelHose (Cutto fit)
CRIMPTITE,10-24 x 1/2
KiT, FuelTank Hrdwr w/U-Ctips
U-CLiPS,(Optional Accessory)
KIT,Valve, FuelTank
ASSY,Tank, Fuei(includes Items 41,50, 51,52 & 55)
FUELCAP,FreshStartTM
WIRE,Ground
DECAL,GasFiii
DECAL,Danger
DECAL,Start instructions
DECAL,Warning, CO
LOADMONITOR
DECAL,Shut-Off, Fuei
ASSY, Control Panel(see page 26)
NUT,Painut,3/16"
ENGINE(204412=0163-EI)
Parts Not illustrated
198451GS
AB3061GS
5097D
202180GS
197474GS
198818GS
MANUAL,Operator's
BOTTLE,Oil
CARTRIDGE,FreshFuel
DECAL,Family,CA EVP
CORDSET,Storm
KiT, Decals
* =Items without part numbers are common fastenersand are availableat local hardware stores.
25

CRAFTSMAN5600 Watt AC Generator 580.325610
ControlPanel-- ExplodedView and PartsList
2
\\\\\\
d
4
\\ \\\\
1
\\\
4
\\
6
\\\
g
12
item
I
2
3
4
5
6
7
B
9
10
11
12
Part #
197471GS
197472GS
188890GS
197731GS
189165GS
197729GS
197958GS
202030GS
191481GS
43437GS
22694GS
82308GS
192241GS
Description
PANEL,Control
COVER,Outlet Flip
COVER,BackPanel
OUTLET,120V, 15/2BA Dplx
NUT,5/32 Pal
MODULE,Led
SCREW,3 x 6, Tapping
BREAKER,Circuit, 20A
BOOT,BreakerCircuit (not shown)
OUTLET,120/240V, 30A
HOUSING,Rcptci, 6 Pin
SCREW,3 x 18, Tapping
SCREW,3,5 x 14, Tapping
26

CRAFTSMAN5600 Watt AC Generator 580.325610
Alternator -- Exploded View & Parts List
9
\\\\\\
5
\\\\\
6
7
\\\\
\12
11
186059GS
191043GS
191042AGS
186060GS
86308CGS
91825GS
66849GS
22694GS
81917GS
193428AGS
198779GS
65791GS
Descripfien
ADAPTER,Mounting, Alternator
ASSY, Rotor (Includes Item 12)
STATOR
RBC,with O-Ring (p/n 189197GS)
HHCS,M6-1.0x 130 SEMS
ASSY, Hotder, Rectifier/Brush
TAPTITE,M5 =0=8x 16
RECEPTACLE,6 pin
PiN, Roll, 4mm x 10
ASSY,Wire, Ground
HARNESS,Wire, Power
BEARING
\
1
27

CRAFTSMAN5600 Watt AC Generator 580,325610
WheeJ [it _ExpJodedView and Parts List
/
73
item Part # Description
I 196517GS WHEEL
2 B1764GS SUPPORT,Wheel Kit
3 191267HGS AXLE
4 * WASHER,5/8"
5 191265GS EoRING
6 67989GS NUT,M8 oFlangeSerrated
7 * HHCS,M8o 1.25 x 16
* oitems without part numbers are common fasteners and are
available at local hardware stores.
/
/
5
/
/
28

ENGINE, Briggs and $tratten, 204412 - Exploded View
718A
@
529
12
$52 _ 22
718
15 _ 306
742 _,,_ k
\\
746 \
307 _
24 _
615 @
616
i741 146
27
358 ENGINE GASKET SET
29

ENIINE, lri!£s and $tratton, 204412 -Expletet View
798
1100C_
1171
13
914
633 0
_J 51A_D>
L s1_3_'
130
95
117
369
i
633 0
108
127 O
lo58
137
1127_
459
12 121_
592¢_
3O

ENGINE, Brig[is and Straiten, 204412 - Exploded View
347 _ 209 f188 _
1404 @
1230
222_
3s6
@
5o5
604
622 161
728 _ _ 564_
1275
725
725A
163
1005
977 CARBURETOR GASKET SET
633 @
%
334
883__ 425_
445
I°7°_
455 332(_ )
137
163 % 304
3os %
1095 VALVE GASKET SET
51A,
<
868
121 CARBURE©R OVERHAUL KIT
137
©51A_
_ 633 @
105
104c_
163 _
127 (_ 117 ®
31

ENGJHE,Briggs and $tratten, 284412 - Parts List
item Part # Bescriptien
1 695464 Cylinder Assembly
2 698340 Kit-Bushing/Seal (Magneto Side)
3 391086 £ SeaFOfl(Magneto Side)
5 697233 Head-Cylinder
7 694872 £ t Gasket-Cylinder Head
11 696796 Tube-Breather
12 694953 £ Gasket-Crankcase
13 690360 Screw (Cylinder Head)
15 691686 Plug-Oil Drain
16 694678 Crankshaft
18 696914 Cover-Crankcase
19 698340 Kit-Bushing/Sea! (PTOSide)
20 391086 £ SeaFOfl(PTOSide)
21 281658 Cap-Oil FiI[
22 695174 Screw (Engine Sump)
23 694954 Flywheel
24 222698 Key-Flywheel
25 792117 Piston Assembly (Standard)
792144 Piston Assembly (.020" Oversize)
26 792026 Ring Set Standard)
792073 Ring Set (.020 Oversize)
27 690975 Lock-Piston Pin
28 696581 PimPlston
29 694691 Rod-Connecting
30 694692 Dipper-Connecting Rod
32 690976 Screw (Connecting Rod)
33 499596 VaWe-Exhaust
34 697464 Vaiveqntake
35 694865 Spring-Valve (Intake)
36 694865 Spring-Valve (Exhaust)
42 499586 Keeper-Valve
45 690977 Tappet-Valve
46 790958 Camshaft
51 694874 ¥ £ 1.$ Gasketqntake
51A 694875 Y £ 1.$ Gasket-intake
53 694869 Stud (Carburetor)
55 695288 Housing-Rewind Starter
58 693389 Rope-Starter (Cut to Required Length}
59 805957 Grip-Insert
60 715257 Grip-Starter Rope
65 690837 Screw (Rewind Starter)
95 690718 Screw (Throttle Valve)
97 696387 Shaft-Throttle
98 695408 ¥ Kitqd]e Speed
1(}4 694918 Y PimEIoat Hinge
105 696136 ¥ Valve-Float Needle
108 696143 Valve-Choke
109 696735 Shaft-Choke
117 696134 V Jet-Main (Standard)
118 696135 Jet-Main (High Altitude)
121 696146 Kit-Carburetor Overhaul
122 694876 ¥ t $ Spacer-Carburetor
125 699966 Carburetor
127 690727 ¥ Pklg-Welch
130 696139 Valve-Throttle
133 694914 F!oat-Carburetor
135 696142 Tube-FuelTransfer
137 695426 ¥ $ Gasket-FloatBowl
146 690979 Key-Timing
161 699960 Base-Air Cleaner
163 692277 ¥ £ $ Gasket-Air Cleaner
185 690958 [',Jut(Air CleanerBase)
188 690877 Screw (Control Bracket)
192 690083 Bali-Rocker Arm
209 694867 Spring-Governor
219 693578 Gear-Governor
220 691724 Washer (Goven_orGear)
222 791753 Bracket-Control
227 694864 Lever-Governor Control
304 697250 Housing-Blower
305 691108 Screw (Blower Housing}
mtem Part #
305A 691125
306 697204
307 691660
332 694685
333 495859
334 691061
337 491055
347 698338
356 696482
356A 692603
358 695438
369 695422
4!5 691363
425 694515
445 491588
455 694683
456 692299
459 281505
505 691251
552 694674
562 92613
564 692577
592 699800
597 691696
604 791752
608 695287
615 694676
616 694675
622 698839
632 695917
633 690998
635 691909
689 691855
718 690959
718A 695178
725 698836
725A 698837
728 691108
741 691288
742 692564
746 694679
798 697892
851 692424
868 690968
883 697255
914 693732
951 699961
968 692321
975 696138
977 696147
1005 694684
1022 690971
1023 697691
1026 695177
1029 690972
1070 691058
1095 695440
1100 791959
1127 695407
1171 696754
1210 498144
1211 498144
1230 791754
1275 696757
1404 696757
£ _ncluded
¥ Included
Included
tIncluded
Descriptian
Screw (Blower Housing)
Shield-Cylinder
Screw (Cylinder Shield)
Nut (Flywheel)
Armature-Magneto
Screw (Magneto Armature)
Plug-Spark
Switch-Rocker
Wife-Stop
Wire-Stop
GasketSet-Engine
Spring-Float Bowl
Hug
Screw (Air CleanerCover)
Filter-Air CleanerCartridge
Cup-Flywheel
Plate-Paw[ Friction
Pawl-Ratchet
Nut (Governor Control Lever)
Bushing-Governor Crank
Bolt (Governor Control Lever)
Screw (Control Cover)
Nut (Rewind Starter)
Screw (Paw[ Friction Plate)
Cover-Control
Starter-Rewind
Retainer-Governor Shaft
Crank-Governor
Washer (Heat Shield)
Spring/Link-Mechanica! Governor
Y _ SeaI-ChokefThrottle Shalt
Boot-Spark Plug
Spring-Friction
Pin-Locating
Pin-Locating
Shield-Heat
Shield-Heat
Screw (Heat Shield}
Gear-Timing
Retainer-E Ring
Gear-Idler
Screw (Rocker Arm)
Terminal-Spark Plug
£ 1-Seal-Valve
£ Gasket-Exhaust
Screw (Rocker Cover)
Shaft-Choke
Cover-Air Cleaner
Bow!-EIoat
Gasket Set-Carburetor
Fan-Flywbeel
£ 1 Gasket-RockerCover
Cover-Rocker
Rod-Push
Rocker Arm
Screw (Flywheel Fan)
Valve Gasket Set
Pivot-Rocker Arm
Screw (Float Bowl)
Stud (Rocker Cover)
Pufley/Spring Assembly (Pulley)
Pulley/Spring Assembly (Spring)
Stud (Control Bracket)
Nut (Heat Shield)
Nut (Control Cover)
in Engine GasketSet, Item 358
in Carburetor Overhaul Kit, Item !21
in Carburetor GasketSet Item 977
hr Valve GasketSet, Item 1095
32

33

The California Air Resources Board (CARB), U.S. EPAand Sears are
pleasedto explain the Ernissions Centre[ System Warranty on your
srnaI[offroad engine (SORE).In California, new small offroad
engines rnodel year 2006 and later must be designed, built and
equipped to meet the State's stringent anti-smog standards.
Elsewherein the UnitedStates, new non-road,spark-ignition engines
certifiedfor mode[year 1997 and later must meet similar standardsset
forth bythe U.S. EPA.Searsmust warrant the emissions control
systern onyour engine for the periodsof time listed below, provided
there hasbeenno abuse, neglector improper maintenanceof your
small off-road engine.
Your emissions centre[ system includes parts such as the
carburetor, air cleaner, ignition system, fuel line, muffler and
catalytic converter. Also included rnay beconnectors and other
emissions related assernblies.
Where a warrantabb condition exists, Searswill repair your small
off-road engine at no cost to you including diagnosis, parts and
labor.
Sears, Roehnck and Cn, Emisebns Cnntrni l_efects Warranty
Cnvera_le
Srna[[off-road enginesare warranted relative to ernbsions control
parts defects for a period of two years, subiect to provisions set
forth below, if any covered part on your engine is defective,the part
will be repaired or replaced by Sears.
Owner's Warranty Respnnsihiiities
As the small off-road engine owner, you are responsible for the
performance of the required rnaintenancelisted h_your Operating
and MaintenanceInstructions. Searsrecommends that you retain all
your receiptscovering maintenance on your smaIt off-road engine,
but Sears cannot deny warranty solely for the lack of receipts or for
your failure to ensurethe performance of all scheduled rnaintenance.
As the small off-road engine owner, you should however beaware
that Sears may deny'you warranty coverage if your small off-road
engine or a part has failed due to abuse, neglect, improper
rnaintenanceor unapproved modifications.
You are responsible for presenting your small off-road engineto an
Authorized Sears Service Dealeras soon as a problem exists.
The undisputed warranty repairs should be completed ina
reasonable amount of time, not to exceed30 days.
If you have any questbns regarding your warranty rights and
responsibilities, you should contact a Sears Service Representative
at 1-800-469-4663.
The emissions warranty is a defects warranty. Defects are iudged
on normal engine performance. The warranty is not related to an in-
use emissions test.
Sears, Rnebnck and Co. [missinns Cnntrni Befente Warranty
Prneisinns
Thefollowing are specific provisions rebtive to your Emissions
Control DefectsWarranty Coverage.It is in addition to the Sears
enginewarranty for non-regulated enginesfound in the Operatingand
MaintenanceInstructions.
1. Warranted Parts
Coverageunder this warranty extendsonly to the parts listed
below (theemissions control systerns parts) to the extentthese
parts were present on the enginepurchased.
a. Fue!Metering System
o Cold start enrichment systern
*Carburetor and internalparts
*Fuel Pump
*Fuel line, fuel line fittings, clamps
, Fun[tank, cap and tether
, Carbon canister
b. Air Induction System
*Air cbaner
, Intake rnanlfold
, Purge and vent line
c Ignition System
, Spark plug(s)
, Magneto ignition system
d. Catalyst System
*Catalytic converter
, Exhaustmanifold
, Air iniection system, Pulsevalve
e. Miscellaneous Items
, Vacuum, temperature, position, tirne sensitive valves and
switches
o Connectors and assernblbs
2. Length of Coverage
Sears warrants to the initial owner and eachsubsequent
purchaser that the Warranted Parts shall befree from defects in
rnaterialsand workmanship which caused the failure of the
Warranted Parts for a period of two years from the date the
engineis deliveredto a retail purchaser.
3. No Charge
Repair or replacementof any Warranted Part will be performed
at no charge to the owner, includingdiagnostic laborwhich
leads to the @termination that a Warranted Part is defective if
the diagnostic work ls performed at an Authorized Sears
Service Dealer.
4. CJaims and Coverage Exclusions
Warranty claims shall befiled inaccordance with the provls_ons
of the Sears EngineWarranty Policy. Warranty coverageshall
be excludedfor failures ofWarranted Parts which are not
original Sears parts or becauseof abuse, neglector improper
rnaintenanceas set forth in the SearsEngine Warranty Policy.
Sears is not liable to cover failures of Warranted Parts caused
by the useof add-on, non-original, or rnodified parts.
5. _daintenanee
Any Warranted Part which is not schedubd for rephcement as
required rnaintenanceor which is scheduled only for regular
inspection to the effect of "repair or replaceas necessary"shall
bewarranted asto defectsfor the warranty period. Any
Warranted Part which is scheduledfor replacementas required
rnaintenanceshall be warranted as to defectsonly for the period
of time up to the first scheduled replacernentfor that part. Any
replacementpart that is equivalent in performance and
durabilityrnay be used in the perforrnanceof any rnaintenanceor
repairs. The owner is responsible for the performance of all
required maintenance,as defined in the SearsOperatingand
MaintenanceInstructions.
6. Consequential Coverage
Coverage hereunder shall extendto the failure of any engine
components caused by the failure of any Warranted Part still
under warranty.
In the USAandCanada,a24-hourhot!inn,1-800-469-4663,hasa rnenuof pro-recordedrnessagesofferingyou productmaintenance
lnforrnation.
34

EmJ_ion information
Enginesthat are certified to meetthe CaliforniaAir Resources
Board(CARB)Tier 2 Emission Standards must display
information regardingthe Emissions Durabiiity Period and Air
Index. The engine manufacturer makesthis information
avaiiabteto the consumer on emission iabeis, The engine
emission iabet wili indicate certification information,
The Emissions Durability Period describes the number of
hours of actual running time for which the engine is certified
to beemissions compliant, assuming proper maintenancein
accordancewith the Operating & Maintenance Instructions.
The following categories are used:
Moderate: Engineis certified to be emission compliant for
125 hours of actual engine running time.
Intermediate: Engineis certified to beemission compliant
for 250 hours of actual engine running time.
Extended: Engineis certified to beemission compiiant for
500 hours of actual engine running time.
Forexample, a typical walk-behind lawn mower is used 20 to
25 hours per year. Therefore, the Emissions Durability
Period of an engine with an intermediate rating would
equateto 10to 12 years.
Certainengines wiii be certified to meetthe United States
Environmental Protection Agency (USEPA)Phase 2 emission
standards. For phase 2 certified engines, the Emissions
Compiiance Period referred to on the Emissions Compliance
label indicates the number of operating hours for which the
engine has been shown to meet Federalemission
requirements.
For engines iess than 225 cc displacement:
CategoryC = 125 hours
Category B = 250 hours
CategoryA = 500 hours.
For engines of 225 cc or more displacement:
CategoryC = 250 hours
Category B = 500 hours
CategoryA = 1000 hours.
35

GARANTIA .................................... 36
REGLASDESEGURIDAD ...................... 37-39
60NOZCA SU GENERADOR........................ 40
MONTAJE .................................. 41-43
FUNCIONAMIENTO........................... 44-47
ESPECIFICACIONES............................. 48
MANTENIMIENTO............................ 49-52
ALMACENAMiENTO............................. 53
REPARACIONDEAVERIAS ....................... 54
NOTAS ..................................... 55-57
GARANTIADEL SISTEMADECONTROL
DE EMISIONES .............................. 58-59
COMOORDENARPARTES............. ULTIMA PAGINA
GARANTJAOO_dPLETADE UN ANO DEL GENERADORCRAFTS_dAN
Si el generador fa!la debido a defectos de materiales o mano de obra en el plazo de un a_o a partir de la fecha de cornpra, devuav@ a
cualquier ahnac@ Sears, punto deventa de Craftsman o centro de reparaci@ y repuestos de Seas de los Estados Unidos para su
reparaci6n gratuita o, en caso de que 6sta no sea posible, para su sustituci6n.
Garantia Hmitada de un a_e adidenai del generader Craftsman
Durante el segundo a_o a partir de lafecha de cornpra, si cualquier pbza de! generador falla debido a defectos de materiales o rnano de
obra, se suministrar_ gratuitamente una nueva pieza.Si @sea que se instale la pieza,deber_ pagar la mano de obra.
El periodo de garantia se reducir_ a 90 dias desde la fecha de compra si e! generador se utiliza con fines comerciales o de alquiler. Unavez
que e! generador se haya usa@ con fines comerciabs o de alquiler, se considerai como equipo de uso cornercial o alquibr a efectos de
esta garantia.
Estagarantia b otorga determinados derechos bgales yes posibb que tenga otros derechos que puedenvariar de un pals o estado a otto.
Sears, Reehack and Co,, #/817WA, Hoffaaa Estates, JL68179 8,S,a,
36

Este es emsimboRode amertade segufidad, Esusado paraindicafle situaciones con peHgrospotenciamesde mesionpara e_
personal Siga masinstrucciones de todos ruesmensajes de segufidad que aparecen despues de este simbemepara evitar pesibmes
mssi0ns$ 0mfferte,
..... • Lea eats maeuamde maeera cuidadssay famiHadceee can
__su gsesradsr, Csnezcasue uses, sue Hmitecieese y
cuelqsier peligrs relecisnede csnel raisins,
E[ simbo[o de a[erta de seguddad (,_k) es usado con una pa[abra
(PELIGRO,ADVERTENCIA,PRECAUCION),un mensaje per escrito o
una iIustraciOe, pare aIerterlo acerca de cualquier situaciGnde
peligro que puedaexistir. PELtGROindica un riesgo el cual, si no se
evita, causardla muerte o una herida grave. ADVERTENCBAindica
un riesgo el cual, si no se evita, pueds causar la muerte o una
heride grave. PRECAUOIONindica un riesgo, el cual, si no se evita,
pueds causar heridas meeores o rnoderadas. AVmSOindica una
situaciGeque podria resultar en el da_o del eqLfipo.Siga los
mensajes de seguridad paraevitar o reducir los riesgos de heridas e
inclusive la rnuerte.
A=Exp,,'osiGn
B=Fuego
C=Descarga E_ctHca
D=Gases TGxicos
E=Retmceso
F=Supefficie Cafiente
G =Objets volant
H=Partes en Movimiento
J=Qufmico Pefigmso
K=Manual del Operario
/////x'_dWtf/7_
PELIGRO
SERiNGERtDO.Eviteei contacto con ios ojos, la
piel o ia ropa=No tomar internamente. Evite
respirar Ia niebta o el vapor• La exposiciOn
excesivade ios ojos o la piei puede causar
irritaciGn=Mantengaei estabiiizador fuera del
alcancede ios nifios=
EI estabiiizador de combustible es un qdmico
peligroso.**
La tapa de combustible FreshStartTM est_ disefiadaparasosteeer
un cartucho el cua]contiene el estabilizadorde combustible.
ENCASODESER INGERIDO,Ilame un medico inmediatamente.
No induzcael vOmito. Encase de inhaIaciOnsalir al aire libre. Es
case de contacto con los ojos o con la piel, lavar
abundantementecon agua durante 15 minutes.
Almacene los cartuchos sin abrir en un _reafresca, secay b[en
veetilada. Manteega el cartucho abierto elf la tapa de
combustible, y la tapa de combustible cerradaen el talrque de
combustible cuaedo no est_ es use.
Encase de la ernergencia,contacte a un rn_dico
inmediatamentey llama 1-800-424-9300 para la inforrnaciOn
material de la seguridad.
*El estabilizador de combustible contiene 2,6-di-tert-butilfenol (128-39-2) y destilado
de petrGleo alif_tico (64742-47-8).
El use de un generador en un espacio interior PUEDE
PROVOCAR LA MUERTE EN Paces MINUTES.
Los gases de escape dei generador contienen
martS×ida de carbono, un veneno invisible e inodoro.
NUNCA uti|ice un generador
en el interior de una casa o
un garaje, AUNQUE haya
ventanas y puertas abiertaso
A
[]
uumicemosome
EXTERIOR, alejado de
ventanas, puertas y
aberturaa de ventilaciGn.
37

ADVEBTENCIA
AI motor funcionar, se produce mon6xido de
sarbono, un gas inodoro y venenoso.
Respirar mon6xido de carbono puede provocar
dolor de cabeza,fatiga, mareos, vOmitos,
sonfusiOn,ataques, n_iuseas,desmayos o inciuso
a muerte.
o OpereelgeneradorSOLAMENTEalairelibre.
oInstaleunaalarmademonOxidodecarbor_ocon bater{acerca
delos dormitorios.
o AsegOresedequelos gasesdeescapenopuedanentrarpor
ventanas,puertas,tomasdeairedeventilaci6nu otrasaberturas
enunespaciocerradoenel quepuedanacumularse.
• NOarranqueni dejefuncionare! motoreninterioresnienzonas
cerradas_(aunquehayaventanasy puertasabiertas),incByendo
elcompartirnientodelgeneradorenunvehiculorecreativoo RV.
ADVEBTENCIA
Et retroceso (repliegue r@ido) del cable det
arrancador puede producir iesiones. Et retroceso
impedir_ique el usuano suelte et cabie a tiempo y
tirar_ de su mano y brazo hacia el motor.
Como resultado, podr[an producirse fracturas,
contusiones o esguinces.
• Cuandoarranqueelrnotor tire lentamentedelcablehastasentir
unaresistenciay acontinuaci6n,tire r@idarnentede61para
evitarsu retroceso.
o ItUNCAarranqueo pareetmotorcuandohayaaparatos
el6ctricosconectadosyen fundonamiento.
ADVEBTENCIA
Los generadores producen un voltaje muy
_oderoso.
_¢ Si no aisla el generador de utilidades de energia,
)uede hacer que los trabajadores de electdcidad
sufran heridas graves e inclusive Ia muerte,
debido a Ia retroalimentaci6n de Ia energia
ai@trba.
• Cuandouse un generador como poder de energia auxiliar_
notifique a B compariia de utilidades. Usee! equipo de
transferencia aprobado paraaislar el generador de otra utilidad
el6ctrica.
• Use un interruptor para la falla de! circuito de tierra (GFC!)en
cualquier area bastante hOrnedao que seaaltamente conductiva,
tales corno terrazasde metal o trabajo hecho con acero.
• 1/Otoque los alambres peladoso recept_culos.
o 1/Ouse un generador con cablesel_ctricos que est@
malgastados_rotos, pelados o dai_adosde cualquierforrna.
• 1/Oopere el generador bajo la IBvia.
• 1/Omaneieel generador o cables e!_ctricos mientras est6
parado enagua_descalzoo cuando las rnanosy los pies est@
mojados.
o 1/Operrnita que personasdescalificadaso ni_os operen o sirvan
al generador.
ADVEBTENCIA
La combustible y sus vapores son
extremadamente infiamables y expiosivos.
Et fuego o una explosi6n pueden causar
quemaduras severas e inclusive la muerte.
CUANDO ANADA CO_IBUST_BLE0 VACiEEL DEP{}SITO:
o Apague el generador (posici6n OFF)y d_ielo enfriar al menos
por 2 rninutos antes de rernover la tapa de la combustible.
Afloje la tapa bntamente para dejar que la presiOnsalga de!
tanque.
• Lbne o vacieel dep6sito de combustible a la internperie.
o NO!lene dernasiado eltanque. Permita al menos espacio para B
expansion de! combustible.
o Si se ha derramado combustible, esperea que se evaporeantes
de arrancarel motor.
o Mantenga la combustible alejadade chispas, llamas abiertas_
pilotos_calory otras fuentes de ignici6n.
o NOencienda un cigarrillo o furne.
CUANDO PONGA EN FUNCmONA_VImENTOEL EQUmPO:
o Cornpruebeque la buiia, el silenciador, el tap@ deldep6sito de
combustible y el filtro de aire est_n instalados.
o NOarranque el motor sin la buiia instalada.
CUANDO OPERE EL EQUmPO:
o NOincline el motor o el eqLdpo,de tal maneraque B
combustible se puedaderramar.
o Estegenerador noes apto parael uso en equipos rn@ibs ni en
aplicaciones marinas.
CUANDO TRANSPORTE 0 REPARE EL EQUIPO:
o Transpo_teo repareel equipo con el tanque de combustible
vacio, o con la v_lvula para apagarel combustibb_ apagada
(posiciOnOFF).
• Desconecteel cable de la bujia.
CUANDO ALIViACENE0 GUARDE EL EQUIPO CON CO_IBUSTIBLE
ENEL TANQUE:
o Almacene alejado de calderas,estufas, calentadoresde agua,
secadorasde ropa u otros aparatos electrodorn6sticos que
posean pilotos u otras fuentes de ignici6n, porque ellos pueden
encender los vapores de B combustible.
ADVEBTENCIA
Estegenerador nocurnple la norma 336FR-183 del cuerpo de
guardacostasde EE.UU.y nodebe utilizarse en aplicaciones
marinas.
El uso de un generador no homologado por cuerpo de
guardacostasde EE.UU.puede provocar lesiones y dafios
materiales.
38

ADVERTENCIA
Elcontacto con la zona deI silenciador puede
producir quemadurasgraves.
Los gases y el cator de escape pueden inflamar
los materiates combustibles y ias estructuras o
dafiar el dep6sito de combustible y provocar un
incendio.
• NOtoque las superficies calieotes y evite los gases del escape a
altatemperatura.
• Permita que el equipo se enfrie antes detocarlo.
o Deje un espado minimo de 1.5 rn (5 pies) alrededor de!
generador [ncluida la parte superior.
o E! C6digo de Normativa Federal(CFR T[tulo 36: Parques,
Bosquesy Propiedad POblica)obliga a instalar una pantalla
apagachispasen los equipos con rnotor de combustion interno
y a mantenerlaen buenas condiciones de funcionamiento
conforrne a la norma 5100-10 (o posterior) dd Servicio Forestal
de la USDA. Enel Estadode California la ley exigeel uso de una
pantallaapagachispas (Secci6n4442 del O6digo de Recursos
POblicosde California). Enotros estados puede haber leyes
similares envigor.
ADVERTENCIA
_o l arrancador y otras piezas que rotan pueden
enredar ias manos, et pelo, la ropa, o los
• accesorios.
• NUNCAutilice la geoerador sin sus carcasaso tapas de
protecci6n.
o NO use ropasuelta, joyas o elementos que puedan quedar
atrapados en el arranque o enotras partes rotatorias.
oAte paraarriba el pelo largoy quite la joyeria.
ADVERTENCtA
Chispear invotuntario puede tenet como
¢ resultado el fuego o et golpe el6ctrico.
CUANDOAJUSTE0 HAGAREPARACIONESA SY MAQU_NA
GENERADOR
o Siempre desconecteel alambre de la bujiay col6quelo donde no
pueda entrar en contacto con la buiia.
CUANDOPRUEBELA BUJiA DELIVlOTOR
• Utilice uncomprobador de bujias homologado.
o NOcomprueba la chispa sin la bujia instalada.
PRECAUCION
Las velocidades de operaci6n en exceso, aumentan ios
riesgos de heridas y da_os ai generador.
Las veiocidades bajan en exceso, imponen una carga muy
)esada.
NOcambie ninguna velocidad determinada. El generador
suministra unafrecuencia y un voltaie calificado cuando
funciona a una velocidad determinada.
NOmodifique a!generador en ninguna forrna.
AVISO
Ei sobrepasar ia capacidad dei amperaje y vataje del
lenerador, puede da_ar al generador y los aparatos
eidctricos conectados ai mismo.
Vea No sobmcargue generafiol:
Enciendasu generadory deje que el motor se estabiliceantes
de conectar las cargas el_ctricas.
Conectelas cargasel_ctricas en la posiciOnde apagado(OFF),
luego encienda (ON) parasu operaciOn.
Apague (OFF)las cargas e!_ctricasy descon6ctelasdel
generador antes de parar el generador.
AViSO
Et tratamiento inadecuado dei generador puede da_ario y
acortar su vida productiva.
Use el generador solarnente con la finalidad para el cual fue
diseiiado.
Encaso de dudas sobre su uso, diriiase al distribuidor.
Opereel generador solamenteen superficies niveladas.
NOexponga al generador a una hurnedad excesiva,polvo,
suciedad o vapores corrosivos.
NOinserte cualquier objeto a trav6s de las ranuras de
eofriarniento.
Si los aparatos conectadosse sobrecalientan, ap_guelosy
descon_cte!osdel generador.
Apague el generador si:
-Se pierde la salidael6ctrica;
-El equipo produce chispas humo o ernite llamas;
-La unidadvibra de una maneraexcesiva.
39

CONOZCASUGENERADOR
_Lea este mafluamdel operario ylas regJasde seguridad antes de operar su generador.
.......Compare Ias ilustraciones con su generadorpara familiarizarse con la ubicaciCnde Ios diferentes controJesy ajustes.
Conserveeste manuatpara referenciasfuturas.
A = Toma¢orriente DobJesde 120 VoRtiosAC, 20 Amp -- Pueden
ser LdiIizadospara suministrar aIirnentaciCneI_ctrica para e[
funcionamiento de cargas de! motor, herrarnientas aparatos
especiaIese iIuminaciOn el_ctrica de 120 Voltios AO a
20 Amperios, monofasica de 60 Hz.
[}= Tomacorriente cen Dispositivo de Seguridad de
120/24g Voltios, 3g Amp-- Puedeser utilizado para
suministrar alimentaciCnel_ctrica para e[ funcio!_amiento de
cargas del motor, herramientas aparatos especiales e
[luminaciCnel_ctrica de 120 y/o 240 Voltios AC a 30 Amperios,
rnonof_sica de 60 Hz.
C = Bepurador de Aire -- Filtra el aire de er_tradaa rned[daque
penetra en e! rnotor.
B =PaJancar:stranguJadera -- Usadacuando se est_ dando
arranque a un rnotor fr[o.
_:= _:tiqueta de Bates -- Proporciona e[ modelo revision y el
nOmerode serie de generador. Tenga por favor estos
prontamente disponible cu_ndo Ilamar para la ayuda.
F = DisyunterBascuJante - Un disyuntor basculante que protege el
generador contra sobrecargas el_ctricas.
6_=mdentifica¢iCndel Motor -- Indica el mode!o, tipo y cOdigo del
rnotor. Tenga por favor estos prontarnente disponible cudndo
Ilamar para la ayuda.
H = TanquedeJCombustible -- E[talsquet[ene una capacidad de
18.9 L (5 galones arnericanos) de gasolina sin contenido de
plomo.
J =V_lvula de Combustible -- Permite abr[r y cerrar la
alimentaciCn de combustible al rnotor.
K =Conecter de Tierra -- Consulte con el organismo responsable
de la normativa vigente de conexiCna tierra.
L=TapCnde Vaciado de Aceite -- Perrnitevaciar e[ aceite del
motor. Yea Aceiteen Mantenimiento para las recomendaciones
del aceite.
[vl=Tapa deJDepCsite deJ Aceite -- Llene el rnotor con aceite
aqui.
N = C[dataze e_Prineipin -- Us6 para cornenzar motor.
P= InterruptorBamancin-- Deber_estar en la posiciCn "On" (En)
para darlearranque al motor. ColCque[oen la posiciCis"Off"
(Apagado) para detelserun rnotor en fulscionamiento.
R = Silenciador Apagaehispas -- E]silenciador disminuye el ru[do
de! motor y est_ equipado con una pantalla apagachispas.
S =StatStationTM - Muestra la carga nominal del generador en
fur_ciCnde la frecuer_ciade salida. TarnbiCn[ncluye una funciOn
de aviso de mantenimiento [ntegrada.
4O

Su generadorrequieredeciertos procedimientosdemontajey solo
estasdlisto paraserutilizadodespuOsdehabedesuministradoservicio
conel combustibley aceiterecornendados.
Si usted tiene psoMemasconemmontaje de su genesades, pos
favor Hamo a RaIJnoa do ayuda para gonoradoros am
1=800=222=3136.
Desembalaje del Generader
1. Coloquelacajadecartonen unasuperficierigiday plana.
2. Saquetodo el contenidodelacajadecarton,aexcepciOnde[
generados.
3. Abracompletarnentelacajadecartoncortandocadaunade
susesquinasdearribaabaio.
4. Mantengael generadorsobreelcartonparainstalareljuego
deruedas.
Centenido de la Caja
Revisetodoel contenidocomparAndoloconla listaacontinuaciOn:
o UnidadPrincipal
o AceitedelMotor
o Manualde!Operario
, JuegodeRuedas
, JuegodeCablesdelAdaptados
Sicualquierpastefaltao est_daiiada,Ilarnea laLineadeAyudadel
Generadoral 1=800=222=3136.
Instale el Juegede Ruedas
NOTA:Eljuegode ruedasnoest_disdiado parausoencarretera.
NOremolquela urfidadcon unvehicu!ocontracciOnrnec_nica.
Necesitar_lassiguientesherramientasparainstalarestos
cosnponentes:
, Llavede13 mm
o Llavedecubode13 msn
, Alicates
, Gafasdeseguridad
InotaleeJjuegodesuedasuonfesmeaJasinstsLicoionessigu=
iontos:
1. Delelavueltaalgeneradordeformaqueelmotorquede
arriba.
2. Introduzcaeleie(A)atravasdelos dossoportesdemontaje.
3. Coloqueunarueda(B)encadaextremo,cuandomostrado.
4. Introduzca una arandela (C) por e! eje y coloque una anilla en
"e" (D) en la ranura dot eje.
5. Parae!lo, apriete con unos alicates desde la parte superior de
la anilla en "e" hacia la parte inferior dot eje.
PRECAUCi6N
Las aniiias en "e" pueden provocar lesiones
oculares,
" Las aniiias en "e" pueden salir disparadas
durante el montaje o el desmontaje.
o UtilicesiempreprotecciOnocularparamontarodesmontas
anillasen"e'.
6. Repitalos pasosdel3 al5 paraasegurarlasegundarueda.
7. Delelavudtaal generadordeformaqueel ladodelrnotor
quedeabajo.
8. Hagacoiocidirlos orificiosdelapatadeapoyo(E)conlos del
bastidordelgenerador.
9. Montelapatadeapoyocon dostornillosdecabezacortos
(M8x 16 snsn)(F) y dostuercashexagonales(G).Aprietecon
unaIlavedecubo de13snm.
10. Vuelvaa colocarel generadosenla posiciOnnormalde
funcionamiento(apoyadoen lasruedasy la patadeapoyo).
41

ANTESDE DARLE ARRANQUEAL
GENEBADOB
Agregar Aceite al Metor
1. Coloque la generador en una superficie plana y nivelada.
2. Limpie la zona de alrededor del orificio de Ilenado de aceitey
quite el tapOn amarillo.
NOTA:ConsuIte la secci6n Aceite paraver las recornendaciones
reIativas al aceite. Compruebeque la botella de aceite suministrada
tiene la viscosidad adecuadapara la temperatura ambiente actual.
3. Con la ayuda de un embudo (opcional) vierta lentarnentetodo
el contenido de la boteIIade aceite (0,77 I - 26 onzas) por el
orificio de Ilenado de aceite.
AVISO
Et tratamiento inadecuado det generador puede dafiado y
acortar su vida productiva.
I,,_Oprocure acodar ni empezare[ rnotor antes hasido aendido a
apropiadarnentecon e[ aceite recornendado. Estopuede tener
como resultado unaaveria de! motor.
4. Vuelva a colocar e! tap6n y apri6telo firrnemente.
Agregue combustible
EJ¢ombustibJedebe reunir Jossiguientes requisites:
, Gasolina sin ptorno limpia y nueva.
oUn minimo de 87 octanos/87 AK! (91 RON). Para uso a gran
altitud, consulte 6ran altitud.
oEI motor admite gasolina con hasta un 10% de etanol
(gasohol) o basta un 15% de MTBE(rter rnetil terbutilico).
AVlSO
Evite e! dafio dei generador.
El fracaso para seguir Manual de Operariopara el
combustible reccomendations garant[a de vados.
I/0 utilice gasoIina no autorizada; por ejemplo, E85.
NO mezde aceite con gasolina.
NO modifique el motor para hacerlofuncionar con otros
combustibles.
Paraevitar la formaci6n de carbonilla en el circuito de combustible,
siempre que afiada combustible, mazclelo con un estabilizador.
Consulte Almacenamiente. !/o todos los combustibles son iguales.
Si detecta problemas de arranque o de rendimiento despu_s de
utilizar un combustible, pruebe a cambiar de proveedor o de marca.
Este rnotor est_ certificado parafuncionar con gasolina. Su sistema
de control deemisiones es EM (Modificaciones del motor).
ADVEBTENCIA
Lacombustible y sus vapores son
extremadamente infiamabIesy expiosivos.
Etfuego o una expiosi6n puedencausar
quemaduras severas e inclusive la muerte.
CUANDO ANADA CO_BUSTmBLE
•Apague el generador (posici6n OFF)y d_ie[o enfriar al rnenos
por 2 rninutos antes de remover la tapa de la combustible.
Afloje la tapa lentamente para dejar que la presi6n salga de!
tanque.
o Llene o vacie el depOsitode combustible a la intemperie.
•NO!lene demasiado eltanque. Permita al menos espacio parala
expansion de! combustible.
•Si se ha derramado combustible, esperea que se evapore antes
de arranoarel motor.
•Mantenga [a combustible alejadade chispas, llamas abiertas,
pilotos, caIory otras fuentes de igniciOn.
•NOencienda un cigarrillo o furne.
1. Lhnpie el b_reaalrededor de la tapa de Ilenado del combustible,
retire la tapa.
2. Afiada lentamente gasolina sin pIomo (A) al depOsito de
cornbustibIe (B). 1/0 a_adacombustible en exceso. Deje
aproximadamente 4 cm (1,5") de espacio en el depOsito(C)
para permitir la expansion del combustible, como se muestra.
3. Instale latapa del tanque de combustible y la espera para
algOn combustible rociado para evaporar.
iPRESAgCm6N!Loscombustiblesconmezdadealcohol(gasohol,
etanolo metanol)puedenatraerlahumedady provocarla
separaci6ny formaciOndeacidosduranteelalmacenamiento.Los
gasesacidospuedendaiiarelcircuitodecombustibley elmotor
duranteelaimacenamiento.
Paraevitar estetipo de problemas vacie e[ circuito de combustible
cuando vayaa ahnacenar la unidad durante 30 dias o rn_s.Vacie e!
dep6sito decombustible, arranque el rnotor y d_jelo funcionar basta
que los conductos de combustible y el carburador quedenvacios.
Utilice combustible nuevo la prOximatemporada. Paraobtener m_s
informaci6na! respecto, consulte Almacenamiento.
NUNCAutilice productos lirnpiadores para motores o carburadores
en e! depOsitode combustible, ya que podrian provocar dafios
permanentes.
42

Tap6n de Combustiblepara Mejorar el Arranque
Elusodeconservantedecornbustiblerna!]tieoeelcombustibleer_
boenestadoy limpialoscarburadoresIo quefacJlitaelarranqueen
todaslasestacionesdelario,ElnuevotapOndecombustiblegotea
autom_ticarnenteconserva!]teconcentradoenel depOsitode
combustible.
PELIGRO
SERINGERIDO.Eviteel contacto con los ojos, la
Jpieto Ia ropa. [/o tornar internamente. Evite
'respirar ia niebJa o ei vapor. La exposici6n
excesiva de los ojos o la pieJ puede causar
irritaci6n. Mantenga el estabiiizador fuera del
_jalcance de los ni_os.
let estabiiizador de combustible es un quimico
peligroso.**
ENCASODE SERINGERIDO,Ilame un medico inmediatamente.
Encaso de la ernerger_cia,contacte a un m_dico
inmediatamentey llama 1-800-424-9300 para la informaci6n
material dela seguridad.
*El estabiJizadorde combustible contiene 2,6-di-tert-butHfenoJ (128-39-2) y destiJado
de petr61eoalif4tico (64742-47-8),
1. Introduzca el cartucho en e! tap6n.
/
2. Presione hasta que el cartucho encaje en su posici6n.
3. Retire la lengLietapara dejar la membrana al descubierto.
IMPORTANTE:rio retire el cierre ptateadodel otro lado.
4. Vuelva a colocar el tapOnde combustible er_el depOsito.
5. Comproebe periOdicamenteel cartucbo para asegurarsede
que siga conteniendo estabilizador de combustible. Si est4
vacio, carnbie el cartucho por uno nuevo.
Gran altitud
Enaltitudes soperiores a 1.524 metros (5.000 pies)_se deber_
utilizar gasolina con un minirno de 85 octanos /85 AKI (89 ROIt).
Paraseguir cumplielsdo la normatJvasobre emisiones_es necesario
aiustar la unidad para su uso a gran altitud. De no realizarseeste
ajuste_el rendirniento se reducir_y el consumo de combustible y
las emisiones aumentar4n. Para obtener m_s inforrnaci6n sobre el
ajuste para gran altitu¢ consulte con un distribuidor cualificado de
Sears. No se recornieoda utilizar el motor a altitudes inferiores a
762 met!os (2.500 pies) con el juego de gran altitud.
43

COMOUSAR SU GENERADOR
SI TIENEPROBLEMASoperando su generador despu_s de leer el
manual por favor !lame a la linea de ayuda para generadores al
1=888=222=3136.
Tierra dei Sistema
El generador dispone de una conexiOn a tierra dd sistema que
conecta los cornponentes dd bastidor a los terminales detierra de
los enchufes hembra de salida de CA=Latierra del sistema est_
conectadaal cable de CA neutro que, a su vez, est_ conectado al
bastidor dd generador.
Requisites Espedames
Es posible que haya norrnas u ordenanzaslocales y nacionalesen
materia deseguridad e higiene enel trabajo apIicablesa! uso dd
generador. Consulte con un dectricista cualificado, un inspector
d_ctrico o el organismo competente.
Enalgunas zonas, es obligatorio registrar los generadoresen
las compai_ias e!6ctricas locales.
o Si el generador se utiliza en una obra puede ser necesario
cumplir normas y requisitos adicionales.
Conexi6n amSistema Ei6drico de un Edifido
Las conexiones a efectos de alimentaci6n de reserva al sistema
el6ctrico de un edificio deben ser realizadaspor un dectricista
cualificado. La conexi6n debeaislar la alimentaci6n dd generador
de la alimentaciOn de la red pOblicay debecumplir todas las leyesy
norrnas e!6ctricasvigentes.
ADVERTENCIA
Los generadores producen un voltaje muy
)oderoso.
_¢ Si no a[slaet generador de utilidades de energia,
_uedehacer que los trabajadores de electricidad
sufran heridas graves e inclusive ia muerte,
debido a Ia retroatimentaci6n de Ia energia
sI6ctrica.
o Cuandouseungeneradorcornopoderdeenergiaauxiliar,
notifiqueala cornpa_iadeutiIidades.Useelequipode
transferenciaaprobadoparaaislarelgeneradordeotra utilidad
d6ctrica.
o Useuninterruptorparalafalladelcircuitodetierra(GFCI)en
cuaIquier_reabastantehOmedao queseaaItarnenteconductiva,
talescornoterrazasdemetalo trabajohechoconacero.
• NOtoquelosalarnbrespdadoso recept_culos.
• NOuseungeneradorconcablesel_ctricosqueest6n
rnalgastadosrotos,peladoso dafiadosdecualquierforma.
• NOopereel generadorbajolaIhvia.
o NOmane]eelgeneradoro cableselactricosmientrasest6
paradoenagua,descalzoo cuandolasrnanosy los piesest6n
rnojados.
• 1/0 perl-nitaquepersonasdescalificadaso ni_osopereno sirvan
algenerador.
Ubicad6ndemGenerador
Es_ado LibreAIrededordd Geeemdor
ADVERTENCIA
Los gases y et cator de e_ape pueden inflamar
ios materiates combustibies y ias estructuras o
dafiar e! dep6sito de combustible y provocar un
incendio=
• Deje un espacio minimo de 1.5 m (5 pies) alrededordd
generador, inchida la parte superior.
Coloque la generador a la internperie en una zona en donde no se
acurnuIen gases de escapemortales. NO instaIe el generador en
hgares en los que los gases de escape (A) se puedan acurnular o
entrar en un edificio que pueda estar ocupado. Aseg8resede que
los gasesde escape no puedan entrar por ventanas, puertas, tomas
deaire de ventilaci6n u otras aberturas en un espacio cerrado en el
que puedan acumularse. Tenga en cuenta los vientos y las corriente
deaire preponderantes cuando elija la ubicaciOndd generador.
El uso de un generador en un espacio interior PUEDE
PROVOCAR LA MUERTE EN POCOS MINUTOS,
Los gases de escape dei generador contienen
mon6xido de carbono, un veneno invidbme e inodoro,
NUNCA uti|ice un generador
en eminterior de una casa o
an garaje, AUNQUE haya
ventanas y puertas abiertas.
Util{celo solo en el
EXTERIOR, ame]ado de
ventanas, puerta$ y
aberturas de ventimaci6m
i
T[pica Generador Mostrada
44

Encienda eJ Motor
Descoeectetodas lascargas eI_ctricas del generador NUNCA
arraeque o pare el motor cuaedo hayaaparatos ei_ctricos
conectados y ee funcionarniento. Siga las [estrucciones de puesta
en marcha ee orden nurnSrico.
1. AsegOresede que B unidadestAen una superficiepBea.
IMPORTANTE:Si la unidad no se arrancay utiIiza en una superficie
plana se pueden producir probbmas de arraeque y de parada
duraete e! funcionamiento.
2. Gire la %lvuIa del cornbustible ala posiciOn "OnL
3. Coloque la palancade choke en la posici6n "Choke".
4. Coloque el interruptor balaecinala posici6n "On".
5. Agarre la rnaeilla de retroceso y hale lentamente hasta que
puede sentir un poco de resistencia. Luego hale r@idamente
para enceeder el motor.
ADVERTENCIA
El retroceso (reptbgue r@ido) det cable del
arrancador puede producir Iesiones. El retroceso
impedir_ que el usuario suelte el cable a tbmpo y
'_ tirar_ de brazo hacia e! motor.
su mano Y
Como resultado, podrian producirse fracturas,
contusiones o esguinces.
*Cuandoarranque el motor tire lentamente del cable hasta sentir
una resistenciay, a coetinuaci6n, tire r@idarnentede 81pare
evitar su retroceso.
. NUNCAarranqueo pare el motor cuando haya aparatos
elSctricos coeectados yen funcionamiento.
IMPORTANTE:Si el motorse desborda,co[oque[a paIanca
estranguladoraenla posiciOn"Run"eietentearrancarlohasta
coeseguido.
6. Muevala palancadechokeala posiciOn"Rue"unadistancia
cortaala vezpor aIgunossegundosen undirnacdlido o
algunosrninutosenuncIimafrio. Dejequeel motorcorra
suavementeantesdecadacambio.Opereconelchokeenla
posiciOe"Run",
NOTA:Siel motorarrancadespuSsdetirar tresvecesdel
arraecadorperonosiguefuncionando,o si launidadse paraen
funcionamientoasegL'lresedequelaunidadestAell unasuperficie
planay compruebequee! niveldeaceitedelcigiJe_ales correcto.
Launidadpuedeequiparsecon undispositivodeprotecci6ndebajo
niveldeaceite.Encasoafirmativo,elniveldelaceitedebeser
adecuadoparequeel motorarranque.
45
®
o
®
®
ADVERTENCIA
Eicontacto con la zone deI silenciador puede
producir quemadurasgraves,
Los gasesy ei calor de escapepueden infiamar
ios materiabs combustibles y ias estructuras o
dafiar ei dep6sito de combustible y provocar un
incendio.
NOtoquelassuperficiescalientesy evitelosgasesde!escapea
altatemperatura.
Permitaqueelequipose enfrieantesdetocar!o.
Dejeunespaciominimode1.5 rn(5 pies)alrededordel
generador,ieduidalapartesuperior.
ElC6digodeNormativaFederal(CFRTitulo36: Parques,
Bosquesy PropiedadP@lica)obligaainstalarunapantalla
apagachispasenlosequiposcon rnotordecombusti6ninterno
y a mantenerlaenbueeascondicionesdefuncionamiento,
conformeala norrna5100-1C(o posterior)delServicioForestal
dela USDA.Ene!EstadodeCalifornialaley exigeel usodeuna
pantallaapagachispas(Secci6n4442delC6digodeRecursos
POblicosdeCalifornia).Enotrosestadospuedehaberbyes
simiBreseevigor.
Conexion de Cargas Eieerieas
oDeie que el motor se estabilice y se calieete por unos minutos
despuSsdel arranque.
* Enchufe y encieeda las cargas eISctricasAC de 120 Voltios,
monof_sicas de 60 Hertzios deseadas.
*NO coeecte cargas de 240 Voltios a los tomacorrientes de
120 Voltios.
*NO coeecte cargastrif_sicas a los tornacorrieetes.
o NO conecte cargas de 50 Hertzios al generador.
. NO SOBRECARGUEGENERADOR.Vea No Sobmcardue
6enerador.
AVISO
Ei sobrepasar ia capacidad dei amperaje y vataje del
lenerador, puede da_ar al generador y los aparatos
el@trbos conectados al mismo.
Vea No sobmcargue generador.
Enciendasu generadory deje que el motor se estabiliceantes
de coeectar las cargas el@trices.
Conectelas cagas eI_ctricas en la posici6n de @@ado (OFF),
luego encienda (ON) parasu operaci6e.
Apague (OFF)las cargas e!Sctricasy desconSctelasdel
generador antes de parer el generador.
Detener eJ Meter
1. Desconectetodas [as cargas eISctricasde [a unidad. NUNCA
arraeque o deteega el motor con dispositivos elSctricos
coeectados a 81y encendidos.
2. Permita que e! motor funcione sin carga durante dos mieutos
para estabflizar Bs temperaturas internes de la unidad.

3. Muevaelinterruptordel motor a la posiciOn"Off" (Apagado).
ADVERTENCIA
El motor podr[a petardear, incendiarseo dafiarse=
• NOcoloque la palancaestranguladora en la posiciOn"Cheke"
para parar el motor.
4. Gire la v_lvula a la posiciOn "Off" (Apagado).
JUEGOSDE CGRDONESYENCHUFES
CONECTORES
Use t]nicarnente cordones de extension de alta calidad y bien
aislados con los tomacorrientes elOctricosdoNes de 120 Voltios del
generador.
Revise las capacidadesde todos las cordones de extension antes de
usarlos. Los juegos de cordones de extension utilizados deberAn
tener una capacidad de 125 Voltios ACa 20 Amperios o rnayor para
la rnayoriade los dispositivos e!Octricos.Sin embargo algunos
dispositivos podrian no requerir este %o de cordon de extension.
Revise e! manual del operario de esos dispositivos paraver las
recomendaciones del fabricante.
Mantenga los cordones de extension Io mAs corto posible,
preferiblemente menos de 15 pies de largo para evitar la caida de
voltaie y posiNe recalentamiento de los alarnbres.
,_ ADVERTENCIA
Los canes elOctricossobrecargados pueden
._ recalentarse, formar un arco o quemarse,
3rovocando la muerte, lesiones y/o da_os
materiales.
• Utilice exdusivamente cables regulados para las cargas
aplicadas.
o Respetetodas las medidas deseguridad de los cables
elOctricos.
128/248 Voltios AC, 38 Amp, Recept_cule de
Seguridad
Use un tapOn NEMA L14-30 con este receptAculo.Conecte un juego
de cable de 4 alambres clasificado corno 250 Voltios AC a 30 Amps
(o mayor). Ustedpuede usar el mismo cable de 4-alambres si
planeatrabaiar con una carga de 120 Voltios.
go deCablede4 Alarnbres
EstereceptAculole provee poder a cargas de 120/240 Voltios AC de
60 Hz,fase sencilla, que requieren hasta 2,800 Voltios deenergia a
23.3 Amperios, para 120 Voltios; 5,600 Voltios de energia (5.6 kW)
a 23.3 Arnperios para 240 Voltios. El enchufe est_ protegido por un
disyuntor basculante.
AVISO
Las tomas elOctricas pueden marcar un vaior nominal
rr_ad de saIida det qenerador.
NUNCAintente conectar Lmdispositivo que requieramAs
amperaje del que el generador o la toma el_ctrica pueden
suministrar.
NOsobrecargar el generador. V_ase No sebrecargar d
generado,_
128 VoJtAC, 28 Amp, Recept_culos DohJes
Cada recept_culo estAprotegido en contra de sobrecargas por un
disyuntor basculante.
Usecadarecept_.culoparaoperar120VoltiosAC,defasesencilla,
decargasde60Hzquerequierenhasta2,400vatios(2.4 kW)a
corrientesde20 Amps.Uselos juegosdecablesqueson
calificadosparacargasde125VoltiosAC,a20 Arnps(o rnayores).
JUEGO DE CABLESDEL ADAPTADORDEL
GENERADOR
El generador est_ equipado con un Juego de Cables del Adaptador
del Generadorde 25 pies, diseSadopara un circuito neutro a tierra
de 120 voltios, 20 Amperios.
(Neutro)
NEMA L14-30
Y (Cargado)
FTL7 x (Cargado)
Tierra (Verde)
La carga maxima en cadatomacorriente es de 20 Amperios. La
carga rn_xirnatotal tanto en el tornacorriente de cable amarillo
corno el tomacorriente de cane negro, es de 20 Amperios.
NOTA:Siga todas las instrucciones de seguridad cuando conecte
cualquier cable de extension o aparato al generador.
46

NO SOBRECARGUEGENERADOR
Capacidad
Usted debe asegurarse que su geeerador puede proveer el
suficiente vataje calificado (cuando est_ funcioeando) y de carga (a]
encender)para los aparatosa los cuabs va a proveer la energia,al
mismo tiempo. Siga estos pasos:
1. Seleccione los aparatos que recibirAn la energia, al mismo
tiempo.
2. TotaIice los vatios calificados (cuandoest_funcioeando)de
estos aparatos. Esta es la cantidad de eeergia que su
generadordebeproducirpara manteeer eso aparatos
funcionando adecuadamente.
3. Calcub la cantidad de vatios de carga (al encender)que usted
necesitar& El vatajede carga es la cantidad minima de
electricidad,necesaria para encender herramientas o aparatos
con rnotores eI_ctricos,tabs como, sierras circulares o
refrigeradores. Debido a que no todos los motores se
encienden al mismo rnomento, el vatajetotal de carga se
puedeestirnar al afiadir soWneete e!(Ios)aparato(s)con el
vataje adicioeal m_.s alto, al total del vataje calificado,
obtenido en el paso 2.
Ejemple:
Herramienta o
Aparato ElSctrico
Aire Acondicionado
de Ventana
Refrigerador
Congelador
industrial
Televisi6n
Luz (75 Vatios)
Vatios Calificados
(cuando este
funcionando)
1200
8OO
5O0
50O
75
Total = 3075
Vatios para
funcionar
Vatios Adicionales
de Carga (a!
encender)
1800
1600
50O
1800 (Vatios de
Carga mas alto)
VatajeTotalCalificado(cuaedoest_fuedonando = 3075
VatajedeCargaAdicioealrn_salto = 1800
SalidaTotalRequeridadelGenerador = 4875
NOTA:Elnivelnominaldevatios(enfuecionamiento)no puedeser
superiora5.600.Dadaestalimitaci6n el niveladicionaldevatios
(arranque)nopuedeser superiora8.600.
ControJde la Ener_[a
Para prolongar la vlda de su geeerador y !os aparatos que est@
conectados a! mismo,es rnuy irnportantecuidarlo cuando se b
afiaden cargas el6ctricas. Nada deberia estar coeectado a los
tomacorrientes del generador antes de que su motor sea encendido.
La forma correcta y m_s segura para coetrolar la energia del
geeerador es la de afiadir en secuencias las cargas, corno se
describe a coetinuaciOe:
1. Sin tenet nada coeectado a! generador, encienda el rnotor de
la rnaeera descrita ee este rnaeual
2. Conecte y encienda la primera carga, preferibbrnente la mayor
que usted tenga.
3. Permita que la salida de! geeerador se estabilice (el motor
funciona suavemente y el aparato conectado al rnismo trabaja
adecuadameete)
4. 6onecte y encienda la prOximacarga.
5. De nuevo, permita que el geeerador se estabilice.
6. Repita los pasos 4 y 5 paracada carga adicioeal que usted
tenga.
NUNCAaiiada rn_s cargas sobre la capacidad del generador. Tome
una ateecJ6nespecialen coesiderar las cargas de corriente segOnla
capacidaddel generador, como se describe arriba.
Herramienta o Aparato EI6ctrico
Esenciales
Bombilla _75 vatios
Congelador industrial
Bomba de aguas negras
Refrigerador /congelador - 18 pies
cObicos
Bomba de agua - 1/3 HP
Calefacci6n /enfriamiento
Aire Acond. de ventana - 10.000
BTU
Ventilador de ventana
Calefactor de caldera - 1/2 HP
Cocina
Horno de microondas - 1.000
Vatios
Cafetera
Cocina el6ctrica - Elemento simple
Calientaplatos
Habitaci6n Familiar
Tocador de DVD/CD
VCR
Receptor est@eo
Televisor a color - 27 pulg.
Computadora personal con monitor
de 17 pulg.
Otros
Sistema de seguridad
Radio_Reloj AM/FM
Abridor de garaje _ 1/2 HP
Calentador el6ctrico de agua - 40
galones
Tal_er
Luz de hal6geno para trabajar
Rociador sin aire _ 1/3 HP
Sierra intercambiable
Taladro el6ctrico _ 1/2 HP
Sierra circular _ 7 % pulg.
Sierra inglete_ 10 pulg.
Mesa de planificaci6n - 6 pulg.
Sierra de mesa /sierra de brazo
radial- 10 pulg.
Compresor de aire - 1-1/2 HP HP =
Caballo de fuerza.
Vatios
Calificados*
(cuando
est6
funcionand
o)
75
5OO
8OO
8OO
Vatios
Adicionales
de Carga
(al
encender)
5OO
1200
1600
1000 2000
1200 1800
300 600
800 1300
1000
1500
1500
2500
100
100
45O
5OO
8OO
180
300
48O
4000
1000
6OO
960
1000
1500
1800
1800
2000
2500
520
1200
96O
1000
1500
1800
1800
2000
2500
*El vatajequeapareceee[alistaessolameeteunacantidad
aproxirnada.Verifiquelaherramientao aparatoel@tricopara
obtenerelvatajeverdadero.
47

JNFORMACJ6NTF:CNJCASOBREEL
MOTOR
El motor es de m_ocilindros, de v_lvulas en cabeza (OHV),
refrigerado por aire y de baja emisiOn.
Enel Estado de California, los motores de la 200000 han obtenido la
certificaciOndel California Air Resources Board (Conseio de
recursos de aire de California) de cumplimiento de la normativa
sobre emisiones durante 250 horas. Esta certificaciOnno supone
para e! cornprador, el propietario o e! usuario ninguna garantia
adicional en Io relativo al rendimiento y a la vida Otil del motor. Las
garantfas del motor atafien exclusivamente al producto y alas
emisiones que se declaran en este manual.
Peten¢ia Neminal
El valor de potencia bruta de cada modelo de rnotor de gasolina se
indica enla etiqueta conforrne a los requisitos del cOdigoJ1940
(Procedimiento de valoraciOnde potencia y par de pequeiios
motores) de la SAE (Society o1Automotive Engineers, Sociedad de
ingenieros de automociOn). Los valores norninales se hartobtenido
y corregido conforme al cOdigoSAEJ!995 (RevisiOn2002-05). Los
valores de par se obtienen a 3060 rpm, y los valores de potencia, a
3600 rpm. La potencia bruta real del motor serAinferior y
dependerA,entre otros factores, de las condiciones ambientales de
uso y de las variaciones entre distintos rnotores del misrno modelo.
Dada la amplia vafiedad de productos que utilizan nuestros motores
y la multitud de factores arnbientales que pueden afectar a su
fundonamiento es posible que el motor de gasolina no desarrolle
toda su potencia bruta nominal en determinados equipos (potencia
"en la aplicaciOn"o neta real). Estadiferencia se debe, entre otros, a
los siguientes factores: accesodos (filtro de aire, escape,carga
refrigeraciOn, carburador, bomba de combustible etc.), limitaciones
de la aplicaciOn, condiciones ambientales de uso (temperatura,
humedad, altitud) y variaciones entre distintos rnotores de un
mismo rnodelo. Briggs & Stratton podr_ sustituir e! rnotor de esta
serie pot otro de mayor potencia norninal en caso de lirnitaciones
de fabricaciOno capacidad.
ESPECIHCACIONES[}EL PRODUCTO
Especificaciones de_Generader
Vataje que empieza .................... 8,600 Vatios (8.6 kW)
Vataie ............................... 5,600 vatios (5.6 kW)
Voltaje Nominal AC ......................... 120/240 Voltios
Corriente a 240 Voltios ....................... 23.3 Amperios
Corriente a 120 Voltios ....................... 46.6 Amperios
FrecuenciaNominal ....................... 60Hz a 3600 rpm
Fase ........................................ Monof_sica
Capacidad de Gasolina .................. 5 ga!onesarnericanos
Peso que Embarca ................................ 170 Ibs.
Especificacienes de__aeter
Dib_metrode carnisa .................. 79 rnm (312 pulgadas)
Carrera ............................ 62 mm (2,44 pulgadas)
Desplazarniento..................... 305 cc (18,64 pulgadas)
Bujia
Tipo de reOstato:................. Briggs & Stratton 491055S
Tipo de larga de vida de platino: ....... Briggs & Stratton 5066D
Calibrar SeparaciOna: ............. 0.030 pulgadas (0.76 ram)
Entrehierro del inducido:....................... 0,20-0,30 rnrn
(0,008-0,012
putgadas)
Holgura de la vAIvulacon muelles devAIvula instalados y piston de
6 mm (0,25 pulgadas) pasado el punto rnuerto superior (cornprobar
con el rnotor en ifio)
AdmisiOn ............... 0,10-0,15 rnm (0,004-0,006 pulgadas)
Escape................. 0,10-0,15 rnrn (0,004-0,006 pulgadas)
Capacidad deAceite ...................... 0.8 litros (28 onzas)
NOTA:Paraqueel rendimientoseaOptimo,lacargadelgenerador
nodebesuperarel85%dela potencianominalenvatios.La
potenciabrutadelmotorse reducir_un3,5% porcada300rn
(1.000pies)deaititudsobreel niveldel mary un1% porcada5,6
°C(10°F)por encirnade25°C(77°F).ElfuncionamientoserA
satisfactoriohastaun_ngulodeinclinaciOnde 15°.
48

PROGRAMADE MANTENJMIENTO
Siga los intervalos horarios o de caIendario, !o que ocurra primero. Se requiere de servicio con mayor frecuencia cuando opere la unidad en
las condiciones adversas descfitas a continuaci6n.
CALENDARIO DE i'dANTENUMIENTO
ANOTE LAS FECHASCONFORMECUMPLA INTERVALO DE OPERACUONPOR HORA
CONEL SERVICIO NORMAL FECNA$ DE SERVICiO
Antes de Cada Cada25 Horas o Cada50 Horas o Cada100 Horas
TAREADEMANTENIMUENTO Uso al A_o a A[io o al Ai_o
Verincar el nivel de ace!to X
Limpie los residuos X
Cambiar el ace!to del motor X 1
Servicio al filtro de aire X 2
Servicio a [a bujia X
Servicio al sistema de la bujia X
Limpie el sistema de refrigeraci6n X2
Prepar aJmaeenamiento Si Jaunidad permanecer4 sin uso por m4s de 30 dias,
1 Cambiarel ace!todespuCsdelasprimeras(5) horasy despuCscada50horas.
Hacerel cambiode ace!toconmayorfrecuenciacuandotrabajeencondicionesdemuchasuciedado polvo.
2 Remplazarm4sa menudobajocondicionesdesuciedado polvo.
RECOIVIENDACIONESGENERALES
El mantenirnientoperiOdicomejorar_el rendimientoy prolongardlavida
Qtildel generador.Si necesitaasistencia,consultecon UNdistribuidorde
Searso con otro distribuidor cualificado.
La garantiadel generador no cubre los eIementos que hayan sido
sujetos al abuso o negIigencia del operador. Para recibir e! valor
completo de la garar_tia el operador deberAmantener e! generador
de la forma descrita eneste manual.
Sedeber_n Ilevar a cabo aIgunos ajustes periOdicarnentepara
mantener correctamente su generador.
Todos los ajustes de la secci6n Servicio y Ajustes de este manual
deberAnser hechos por Io menos unavez en cada estaciOn.CumpIa
con los requisitos de la taNa Programa de Mantenimiento descrita
anteriormente.
NOTA: Unavez a! ai_odeberAlimp!at o reemplazar la bujia y
reemplazare! filtro de aire. Una buiia nueva y un filtro de aire lirnpio
garantizan una mezclade combustible-aire adecuaday ayuda aque
su motor funcione mejor y tonga una vida Qtil rnds pro!ongada.
CONTROLDE EIVlISiONES
Cualquier establecimiento o individuo especializadoen la reparaciOn
de motores que no sean de autornoci6n puedeencargarse del
mantenimiento, la sustituci6n y la reparaciOnde los dispositivos y
sistemas de control deemisiones.
Mantenimieate del Generader
El mantenimiento del generador consiste en conservar la unidad
limpia y seca. Operey aIrnacenela unidad en un ambiente lirnpio y
seco donde no serAexpuesta al polvo suciedad, hurnedad o
vapores corrosivos. Las ranuras de! aire de enfriamiento del
generador no deben estar tapadas con nieve, hojas, o cualquier otro
material extrdios.
Revise frecuentemente la limpieza del generador y limpielo cuando
est_ con polvo, sucio, con aceite, humedad, o cuando otras
substancias extra,as sean visibles en su superficie exterior.
NOTA:NOrecomendamosel usode manguerasdejardin paralimpiar el
generador.Elagua podriaintroducirseen el sisternadecombustible dot
motor y causarprobIernas.Adorers, si elagua se introduceal generador
a travCsde las ranurasparaaire de enfriarniento,algodel agua quedard
retenidaen los espaciosvaciosy grietasdel aislamientodel devanado
del estatory rotor. La acumutaciOnde aguay suciedaden losdevanados
internosdel generadordisminuir_ eventualmentela resistenciadd
aislamientodeestosdevanados.
Limpieza del Generader
Limpie a diar[o o antes de cadauso, los residuosacumuladosen el
generador.Mantengalimpias [as conexiones los rnue!lesy los
rnandos.Limpie todo resto de combustible de la zona que rodeaa[
silenciadory de detr_sde] mismo. Inspeccione las ranuras paraaire
de enfriamiento y la apertura del generador. Estasaperturas deber4n
rnantenerseIimpiasy despejadas.
Mantenga limpios los componentes del generador parareducir el
riesgo de sobrecalentamiento e [gnici6n de los residuos
acurnulados.
o Utiliceuntrapo ht]medoparalimpiarlassuperficies
exteriores.
AVISO
Et tratamJento inadecuado del generador puede da_arlo y
acortar su vida productiva.
NOexponga al generador a una humedad excesiva,polvo,
suciedad o vapores corrosivos.
NOinserte cualquier obieto a trav_s de las ranuras de
enfr[amiento.
• Puedeusarun cepillodecerdassuavespararetirarla
suciedadendurecida,aceite etc.
• PuedeusarunamAquinaaspiradoraparadirninarsuciedady
residuossueltos.
49

El StatStationTM rnuestra la carga nominal del generador enfunci6n
de la frecuencia de salida. Tambi_n incluye una funci6n deaviso de
mantenimiento integrada.
[v1onitorde potencia
La pantalla consta de dos LEDde siete segmentos que indican de
forrna f_.cil de leer la cantidad de energfaque suministra el
generador. El monitor de carga rnuestra la salida dd generador en
forrna deporcentaje.
Cuandoaumenta la energia del generador_aumentan los valores de
la pantalla. Cuandolos valores que muestra la palltalla empiezan a
parpadear, el usuario debe dejar de aiiadir cargasel_ctricas al
generador.
Si et consumo de energia es excesivo, las letras "OL" (OverLoad =
Sobrecarga) parpadearAnen la panta!la. Eli este caso_el usuario
debe reducir la cargaconectada al genetador.
Funei{}n de aviso de mantenhniento
El visor de LED mostrar_ una serie de cOdigos paraavisarle cuando
sea necesario comprnbar o cambiar el aceite_comprobar o cambiar
el filtro deaire y comprobar o cambiar la bujia. Los c6digos son los
siguientes:
"C1" Comprobar el aceite cada 8 horas
"C2" Cambiar el aceite cada 50 horas
"C3" Comprobar o cambiar el filtro de aire cada 25 horas
"C4" Comprobar o carnbiar la bujia cada 100 horas
Paraaprovecharlas ventajas de lafunciOn de "aviso de
mantenirniento" deStatStation el usuario debe pulsar el botOnde
rearrne(reset) una vez que hayacompletado las tareas de
mantenirnientosolicitadas segOnel cOdigoque se rnuestra (C!, C2,
C3, o C4). Estohar_ quese rnuestre"Co" o "CA" en funciOndel
tiernpo que se hayamantenido pulsado e! botOn:
1) "Co" - Si se pulsa el bot6n de rearme (reset) r_pidamente
una vez, se mostrar_ "Co"(borrado a cero). Esto borrar_i los
cOdigosde mantenimiento que hayancumplido su tiempo
hasta ese punto y se volverd a contar el tiernpo
nuevamentedesde cero.
2) "CA" - Si se pulsa el botOnde rearme (reset) y se Io
mar_tienepulsado durante 2 segundos, se mostrar_ "CA"
(borrado total). Esto borra todos los cOdigos de
mar_tenimiento_incluso si no har_alcanzadoa_n su punto
de servicio y se volverA a contar el tiempo nuevamente
desdecero.
Si aparecesimult_neamente la carga nominal y un c6digo de
mantenimiento la pantalla LED rnostrar_ alternativamente la carga
nominal y el cOdigocorno se indica a continuaciOn:
El cOdigoaparecer_ durante 3 segundos y desaparecer_ durante
medio segundo. La cargaaparecer_ durante 6 segu_ldosy
desaparecerddurante medio segundo.
ANTENI IENTO DEL OTOR
ADVERTENCIA
Chispearinvoluntario puedetener como
_ resultado eI fuego o eI gotpe et_ctrico.
CUANDO AJUSTE0 HAGA REPARACIONESA SU [vIAQUINA
GENERADOR
• Siempredesconecteelalambredelabuj{ay colOquelodondeno
puedaentrarencontactocon labuiia.
CUANDO PRUEBELABUJiADELMOTOR
• Utiliceuncomprobadordebui{ashomologado.
• NOcompruebalachispasin labujiainstalada.
Aceite
Reeomendaciones sobre emaeeite
NOTA:Cuandoa_ada aceite al c_rter del motor_utilice solo aceite
detergentede alta calidad con clasificaciOn de servicio SF, SG,SH,
SJ o superior. NO utilice aditivos especiales.
1. Bija una viscosidad conforme a la siguiente tabla:
;
86 _ 30
68 20
50 10
)
32 ; 0
14 -10
4 -20
°_ -22 -30
NOTA:Todo aceite sint_tico que cumpla las especificaciones ILSAC
GF-2,con marca de certificaci6n API y con simbolo de servicio API
con "SJ/CFENERGYCONSERVING"o superior es un aceite
aceptable a todas las temperaturas. El uso de aceite sint_tico no
altera los intervalos de carnbio de aceite indicados.
SAE30:5 °C(40 °F)y superior es adecuadopara todo tipo de usos
pot encima de 5 °C(40 °F). El uso por debajo de 5 °C (40 °F)
provocarAdificultades de arranque.
10W=30:-18 a 38 °C(0 a t00 %_es meior en caso de ternperatura
variable. Estegrado de aceite mejora el arranque en climas frios,
pero puede aumentar el consurno de aceite a 27 °C (80 °F) o
temperaturas superiores.
*Compruebe el nivel de aceite con frecuencia a ternperaturas
superiores.
Sint6tice 5W=30:-30 a 40 °C(-20 a 120 °F) proporciorla la meior
protecciOna todas las ternperaturas al tiernpo que rnejora el
arranque y reduce el consurno de aceite.
5W=30:5 °C(40 °F)e inferiores el aceite recomerldado para el
invierno y funciona rnejor en condiciones de frio.
5O

Comprobaci6n del Nivel de Aceite
Compruebeel nivel de aceiteantes de cada usa o cada 5 horasde
fancionarniento,coma minima. Rellenesi es necesario.
1. Co!oquee! generador sabre una superficie nivelada.
2. Quite el tapOnde Ilenado de aceitey limpie!o con un trapo.
3. Compruebe que el aceite Ilega hasta el punto de
desbordarniento en el orificio de Ilenado.
4. Instale el tapOn de Ilenado de aceite, apriete firmernente.
Adici6n de Aceite del I_latar
1. Asegt_resede que la generador est6 en una superficie plana.
2. Compruebe el nivel de aceite tal coma se indica en la secci6n
Compmbacidn de/n/vet de ace/re.
3. Si es necesario,vierta lentarnenteaceite par el orificio de
Ilenado hasta el punto de desbordamiento en el tap6n de
Ilenado de aceite.
4. Instale el tapOn de Ilenado de aceite, apriete firmernente.
Cambia de Aceite dem_,letar
Cambie el aceite despu_s de las primeras 5 horas de operaciOn.
Cambie el aceite cada 50 horas de ese rnomento en adelante.SiestA
utilizando su generador bajo condiciones de extrerna suciedad o
polvo, o en unclima demasiado caliente, haga el carnbio de aceite
mAsfrecuentemente.
AVISO
Evite et contacto proiongado o repetido de piel con aceite
usado de motor.
El aceite usadodel rnotor ha sido mostrado al cancer de la pie!
de la causa en ciertos animalesde! laboratorio.
Completarnentelavado expuso dreascon el jab6n y el agua.
MANTENERFUERADELALCANCEDELOS !',Ill'lOS.NO
COr,ITAMINE. CONSERVELOS RECURSOS.DEPOSITEEL
ACEITEUSADOEN UN PUNTODERECOGIDA.
Cambieelaceitecuandoel motorsigaestandocalientedespu_sde
haberfuncionado:
1. Asegt]resede quela unidadest_enunasuperficieplana.
2. Desconecteel cabledela bujiadeestay colOquelodondeno
puedaentrarencontactocon labujia.
3. LirnpielazonadealrededordeltapOndevaciadodeaceite
(A), situadoenla basedetmotor,al otro ladodelcarburador.
4. Quite el tapOn de Ilenadode aceite y vacie todo el aceite en un
recipiente adecuado.
5. Vuelva a colocar el tap6n de vaciado y apriatelo bien. Quite el
tapOnde Ilenado de aceite.
6. Vierta lentamente unos Q6 litros (20 onzas) de aceite par el
orificio de Ilenado (B) hasta el punto de desbordamiento (C).
NOa_adaaceite en exceso.
7. Vuelva a colocar el tap6n de Ilenadode aceite Apri6telo
firmernente a mano.
8. Lirnpie los residuos de aceite.
Servicio dei Depurador de Aire
Su motor no funcionar_ adecuadamentey puede da_arse si usted Io
hacefuncionar con un depurador de aire sucio.
Saministre servicio al depurador de aire unavez cada 25 horas de
operaci6n o una vez par a_o Io que suceda primero. Suministre
servicio m_s frecaenternente si la unidadfunciona bajo condiciones
de macha suciedad o polvo. Los repuestos se encuentran
disponibles en sa centro de servicio local Sears.
Para dar servieia amfimtrade aire, aiga ruespasaa qua ae detaHan
auantinuaci6n:
1. Afio]e los tornillos (a) y quite aire la cubierta rn_s limpia (B).
2. Con cuidado quite cartucho (C) de base (D).
3. Instale limpie (o nuevo) aire la asarnblea rn_s limpia dentro de
la cubierta. Desb_gasedel filtro viejo apropiadamente.
4. Arme la cubierta rn_slimpia a_reaen la basey apriete los
tornillos.
NOTA:Usted puede comprar los elementos del filtro de aire nuevos
Ilamandoal 1=888=4=MY=HOME(469=4663).
51

LJmpJe/ReempJacela Buj[a
Cambie[a buiiacada100horasdefuncionarnientoo unavezala_o,
Io quesucedaantes.Estoayudar_asu motora arrancarm_s
f_ciknentey funcionarrnejor.
1. Limpielazonadealrededordela bujia.
2. Retireeinspeccionelabuiia.
3. Revisela separaci6ndeleIectrodocon uncalibradorde
alarnbrey ajusteB separaciOna 0.030pulgadas(0.76mm)si
es necesario.
i,
4. CarnbieB bujiasi loselectrodosest_npicadoso quemadoso si
laporcelanaest_agrietada.UtiIicelabuiiaderepuesto
recomendada.ConsulteEspecificaciones.
5. Instabla bujiay aprietefirrnemente.
NOTA:Puedeadquirirnuevosbujiaal n0merotetef6nico
1-8()G4=_IY=HO_IE(469-4663).
Limpie ia Pantalla Apagachispas
Elsilenciadorde!escapedelmotorposeeunapanta!laapagachispas.
Inspeccioney limpielapantallacada100horasdeoperaci@o una
vezalafio,Io quesucedaprimero.
NOTA:Ustedpuedecomprarlos apagachispasatrav_snuevos
Ilamandoal1-80G4-_IY_HOff]E(46G4663}.
EIgeneradortendr_quetener unapagachispassi Io usaenterrenos
notratadoscubiertosde monte,rnalezao pasto.Elapagachispas
deber_ser rnantenidoenbuenascondicionesporpa!tedel
propietario/operador.
ADVERTENCIA
_ t contacto con ia zona dei siienciador puede
producir quemadurasgraves.
Los gasesy ei caior de escape puedeninfiamar
los materiaies combustibles y ias estructuras o
da_are! dep6sito de combustible y provocar un
incendio.
* NOtoquelassuperficiescalientesy evitelos gasesdelescapea
a[tatemperatura.
*Permitaqueelequiposeenfrieantesdetocarlo.
o Dejeunespaciominimode 1.5m (5 pies)alrededorde!
generadorincluidalapartesuperior.
, E!C6digodeNormativaFederal(CFRTitulo36: Parques,
Bosquesy PropbdadPOblica)obIigaainstaIarunapantaIla
apagachispasenlosequiposconrnotordecombusti6ninterno
y a mantenerlaenbuenascondicionesdefuncionamiento,
conforrnea lanorma5100-10(o posterior)dd ServicioForestal
delaUSDA.Enel EstadodeCalifornialaley exigeel usodeuna
pantaIIaapagachispas(Secci6n4442delC6digodeRecursos
POblicosdeCalifornia).Enotrosestadospuedehaberbyes
similaresenvigor.
Limpiee inspeecbneelapagachispasdelasiguientemanera:
1. PararetirarlaprotecciOndelsilenciador(A)desilenciador(B),
retirelos cuatrotorniIIosqueconectanla protecci6nala
m@suladelsibnciador.
2. Retirelos cuatrotornillosquesostienenlapantalla
apagachispas(C).
3. InspeccionelapantaIlay reempl_cdasi est_rota perforadao
da_ada.NOusepanta!lasdefectuosas.Silapantallanoest_
dafiadalimpidaconundisolventecomerciaL
4. Vuelvaa[nstalarlapantallay B protecci6ndelsilenciador.
$istema de Refrigeraci6n de Aire
Coneltiempo,sepuedenacurnularresiduosenlasaIetasde
refrigeraci6ndelciIindroy pasarinadvertidosrnbntrasnosedesmonte
pamialmentee!motor.Recornendamosqueencarguelalimpiezadel
sisternaderefrigerad6n(A)a undistribuidordeservicioSears
siguiendolosintervalosrecornendados(consultelasecci6nPlande
manten/m/ento).Esiguaimenteimportantequenoseacurnubn
residuoseoel motor.ConsultelasecciOnLimpiezadetgenerador.
Ajuste del Carhurader
Elcarburadordeestemotoresde baiaemisi6n.Est_equipadocon
unavAIvuBdemezcladeralentinoajustabley, enalgunoscasoscon
ralentiregulado.Losnivebsderalentireguladoy velocidadmaxima
seajustanenB fdbrica.Siesnecesariornodificar!os,acudaa un
distribuidordeservicioSears.
PRECAUCiON
Las vetocidadesde operaci6n en exceso, aumentanios
rbsgos de heridas y da_os ai generador.
Las veiocidades bajan en exceso, imponen una carga muy
)esada.
NOcarnbieningunaveIocidaddeterminada.Elgenerador
suministraunafrecuenciay Lmvottaiecalificadocuando
funcionaa unavdocidaddeterminada.
NOmodifiquealgeneradorenningunaforma.
52

GENERALIDADE$
E! generador deber_set encendido al menos una vez cada siete alas
y deber_deiar!o funcionar al rnenos durante 30 minutes. Si no
puede haceresto y debe almacenar la unidad per mAs de 30 alas,
use la siguiente informaci6n come gala parapreparar su unidad
paraah_nacenamiento.
Jnstruccienesde AImacenamiente para Per_edes
Prelengades
Esimpo!tante evitar quese formen dep6sitosde goma enlas partes
esencialesde!sistema de combustible come el carburador, fiitro de
combustible rnanguerao tanque de combustible,durmstee!
aImacenamiento.Tambian,la experienciaindica qoe los combustibles
con mezclasde alcoho! (llamados gasohoLetalso!o metanol) pueden
atraer humedad la cual !levaa la separaci6ny forrnaci6n de_cidos
durante el alrnacenamiento.Elgas_cido puededai_arel sistema de
combustible de un rnotor durantesu almacenarniento.
ADVERTENCIA
La combustibie y sus vapores son
extremadamente infiamabies y expiosivos.
EIfuego o una explosi6n puedencausar
quemaduras severas e inclusive la muerte.
CUANDO AL_vIACENE0 GUARDE EL EQUmPO CON CO_IBUSTmBLE
EN EL TANQUE
o AlrnaceneaIejado de caIderas,estufas calentadores de agua,
secadorasde ropa u otros aparatos electrodom@sticosque
posean pilotos u otras fuentes de ignici6n, porque ellos pueden
encender los vapores de la combustible.
CUANDOVACiE EL DEPOSITO
o Apague e! generador (posic!6n OFF)y d6jelo enfriar al menos
per 2 minutes antes de remover la tapa de la combustible.
Afloje la tapa lentamente paradejar que la presi6n salga de]
tanque.
*Vaciee! dep6sito de combustible a la {ntemperie.
, Mantenga la combustible aIejadade chispas, llamas abie!tas,
pilotos, calory otras fuentes de ignici6n.
o NOendenda un cigarrillo o fume.
Pretee¢i_n del $istema de Cembestible
Aditivo para CombustibJe:
L]eneel dep6sito con combustible nuevoy deje aproxirnadamente
4 cm (15") de espacio para permitir la expansi6n del combustible,
come se muestra en la pdgina 42, cu_ndo utiliza un cartucho de
aditivo parael combustible con el tap6n FreshStartTM. Si s61ose
Ilena parcialrnente el aire contenido el_el depOsitofavorecerd el
deterioro del combustible durante el almacenamiento. EI motor y el
combustible se puedenalrnacenar hasta6 meses con aditivo.
• Compruebe el nivel del cartucho de aditivo para el
combustible. E!aditivo es de color oscuro.
• Si el cartucho est,.vacio o casi vacio, cdmbielo por otro
nuevo conforme alas instrucciones de la secci6n Tapdn de
combustible Fresh Start TM.
Si no usaaditivo paracombustible, retire todo el combustible del
tanque y hagafuncionar el rnotor hasta que se detengaper falta de
combustible.
Camhie de Aeeite
Con el rnotor todavia caliente, drene el aceite de la caia de] cigOefiah
Vuelva a Ilenarla con el grade de aceite recomendado.
Aceite el #i_metro Jaterier de! Ciiiadre
, Quite la buiia y vierta aproximadamente 30 ml (1 onza)de
aceite de rnotor limp[o en el interior del cilindro.
o Coloque la bujia y arranqoe lentamente para distfiboir e!
aceite.
ADVERTENCIA
Chispear invoiuntario puede tenet come
¢ resuItado eI fuego oeI gotpe et_ctrico.
• NUNCAarral_queel motor sin la bujias instalada.
Generader
, Limpie el generador come est_ descrito en Limpieza de/
6enerado_
Revise que las ranuras para el aire de enfriamiento y las
aperturas det generador se encuentren abiertas y despeiadas.
Otras $ugereneias para el Almaeeuamiente
1. NOguarde combustible de una temporada a otra a menos que
Io hayatratado come se [ndica en la secci6n Pretecci6n de/
Sistema de Combustible.
2. Reemplace[a caneca de gasoIina si comienza a oxidarse. E[
6xido y/o la suciedad en la gasolina le causar_ problemas.
3. Si es posibIe, airnacenesu unidad en un recinto encerrado y
c_brala para protegerla del polvo y la suciedad.
4. Cubra su unidad con una cobierta de protecciOn adecuadaqoe
no retenga hurnedad.
ADVERTENCIA
Las cubiertas para aImacenamiento pueden set
infiamables,
NOco[oque una cubierta encirna de un generador caliente.
Deje que la unidad se enffie Io suficientementeantes de que le
coloque la cubierta.
5. Almacene la unidad en unarea limpia y seca.
53

Problema Cause
1 Uno de los cotacircuitos est_ abierto.
2. Fallaen el generador.
El meierest_funcienandeporeneexiste
saHdadeACdispeniNe. 3.
4.
1.
2.
El motorfeneienabionsin eargaspore
"feneienamap ouandelas eargassen
cenectadas. 3.
4.
1.
2.
Mala conexiOne juego de cordenes
defectueso,
E!dispesitive conectade est_ en real
estado.
Co!te circuito en la carga conectada.
Lave!ocidad del rnetor es muy lenta.
E!generador estb_sobrecargade.
Circuito del generador en corte.
Interrupter balancin en "Off".
V_lvula det combustible ala pesici6n
Soluci6n
1. Reajusteelcertacircuite.
2. P6ngaseencontactecenla Plantade
ServiciodeSears.
3. Revisey repare.
4. Conecte etro dispesitivo que est_ en
buenas condicienes.
1. Descenectela carga el6ctrica en corto.
2. P6ngase en contacto con la Planta de
Servicio de Sears.
3. Vea No Sobrecargue Generador.
4. P6ngase en contacto con la Planta de
Servicio de Sears.
1. Co!oqueel interrupter en "On"(En).
2. Gire la v_lvula de! cembustible a la
"Off".
3. Depurador de aire sucio.
4. Sincernbustible.
5. Cernbustiblevieia.
G.
ERmeier no arranea; e arrenea yfuneiena
reel 7.
8.
E!alambre de la bujia no est_
conectado.
Bujiaen mal estade.
Agua en la combustible.
posici6n "On".
3. Limpie e reemptace el depurador de
aire.
4. Llene el tanque de cembustible,
5. Drene el tanque de combustible; 116nelo
con combustible fresco.
6. Conecte e! alambre ala bujia.
7. Reemplacela bujia.
8. Drene el tanque de combustible; 116nelo
cen combustible fresco,
9. Excesode cebade. 9. Espere5 minutes y hagagirar el rnetor.
10. Mezclade combustible excesivamente 10. P6ngase en contacte con la Planta de
rica. Servicio de Sears.
11. VAIvulade toma atascada en la posici6n 11. P6ngase en contacte con la Planta de
abierta o cerrada. Servicio de Sears.
12. E! rnotor Ira perdido compresi6n. 12, P6ngase en contacte con la Planta de
Servicio de Sears.
Sin combustible. Llene el tanque de! cembustible.
1. Lacarga es muy alta. 1. Yea No Sobrecardue Generado,_
2. Filtro de aire suc[o. 2. Reernplaceel filtro de aire.
Carburador con rnezclade aire-combustible P6ngase en contacto con la Planta de
rnuy rica o rnuy pobre. Servic[o de Sears.
El motor se epaga on plene
funeienamionte.
AI meier le heee felta peteneia.
El meier "no funciene centinuamento"e se
detiene.
54

55

56

57

California Air Resources Board (CARB) U.S. EPAy Sears le explican a continuaci6n
la garantia del sistema de control de emisiones de su pequ@o motor para mdquinas
de servicio (SORE, Small Offroad Engine). En California, los modelos de peque_os
motores para m_quinas de servicio a partir del a_o 2006 @ben estar dise_ados,
fabricados y equipados conforme a los exigentes est_ndares de lucha centre la
contaminaci6n del Estado.
En otras regiones de Estados Unidos, los nuevos motores para interiores de
ignici6n per chispa certificados para modelos a_o !997 y posteriores deben
cumplir con normas similares establecidas per la EPA de EE.UU. Sears debe
garantizar el sistema de control de emisiones de su motor para los per[odes
indicados a continuaci6n, siempre y cuando no se haya abusado, descuidado o
dado mantenimiento incorrecto al motor peque_o para exteriores
Su sistema de control de emisiones incluye plazas come el carburador, el filtro de
aire, el sistema de arranque, el tube de combustible el silenciador y el convertidor
catal[tico, Tambi@ puede incluir conectores y otros coquntos relacionados con las
emisiones,
Cuando exista una condici6n qua pueda ser cubierta per la garantia, Sears
reparar_ el motor peque_o para exteriores sin costo alguno, incluyendo el
diagnCstico, las partes de repuesto y la mane de obra
gobertura de la garantia de Sears, Ree_u_k and ge. centre ddectes en el
central de emisienee
Los pequ@os motores para m_quinas de sep,4cioestdn garantizados centre defectos
de las piezas de control de emisiones durante un per[ode de dos aSos, conforme alas
siguientes disposiciones, Si cualquier plaza del motor con cobertura es defectuosa,
ser_ reparada o sustituida per Sears.
Respensabilidadns del prepietarin pare la garantia
Come propietario del motor peque_o para exteriores, usted es responsable de
realizar las actividades de mantenimiento requeridas qua se indican en
Instrucciones de use y mantenimiento Sears recomienda qua conserve todos los
recibos qua cubran el mantenimiento de su motor peque_o para exteriores, pare
Sears no puede negar la garant[a solamente per la falta de recibos ni per su
imposibilidad de garantizar la realizaciCn de todas las actividades de
mantenimbnto programadas.
Come propietario del motor peque_o para exteriores, usted siempre debe tener
en cuenta qua Sears podr_ negar la cobertura de la garant[a si su motor peque_o
para exteriores o una parte del misrno presenta fallas debido a abuse, descuido,
mantenimiento incorrecto o modificaciones no aprobadas
Usted es responsabb de presentar su motor pequeiio para exteriores a un
distribuidor autorizado de servicio de Sears aprobado tan pronto come se
presente el probbma,
Las reparaciones cubiertas per la garanth se Ilevar_n a cabo en un plazo
razonable, no superior a 30 dias en ning0n case.
Si tiene alguna pregunta con respecto a sus derechos y responsabilidades para la
garant[a, pCngase en contacto con un representante de servicio Sears al 1-800-
469-4663
La garant[a de emisiones es una garantia contra defectos, Los defectos se iuzgan
en funciCn del rendimiento normal del motor. La garantia no depender_ de
ninguna prueba de emisiones en funcionamiento.
I}iepnsicienee de la garantia de Seers, Ree_eck and Ca. _entra defectes en el
ennlrel de ernisienee
Las siguientes son disposiciones espedficas relacionadas con la cobertura de la
garanfia contra defectos en el control de emisiones. Se a_ade ala garanfia de
motores de Sears para motores no regulados, qua figura en las Instrucciones de
use y mantenimiento,
1 Partes garantizadas
La cobertura bqo esta garant[a incluye solamente aquellas partes qua se
enumeran a continuaci6n (las partes del sistema de control de emisiones)
en la medida qua dichas partes hayan estado presentes en el motor
adquirido.
a. Sistema de medici6n de combustible
Sistema de enriquecimiento pare arranque en fr[o
Carburador y partes internas
Bomba de combustible
Tube de combustible, acoplamientos del tube de combustible,
abrazaderas
Dep6sito de combustible, tap6n y cadena
Beta de carbono
b Sistema de inducci6n de aire
Filtro de aire
Colector de entrada
Linea de purga y ventilaci6n
c. Sistema de ignici6n
BujBs
Sistema de ignici6n per magneto
d, Sbtema catalizador
Convertidor cataBtico
Colector de escape
Sistema de inyecciCn de aire o v_lvula per impulses
e. Distintos elementos utilizados en los sistemas antedores
V_lvulas e interruptores de vado temperature posici6n y de
detecci6n de tiempo
Conectores y conjuntos
2. Vigencia de ia _ebertnra
Sears garantiza al propietario inicial y a cada comprador subsiguiente qua
las partes garantizadas estar_n libres de defectos en material yen mane de
obra, qua ocasionen fallas de las partes garantizadas durante un periodo de
dos aSos a partir de la fecha en qua el motor sea entregado al comprador
minorista,
3. Ne habr_ cargee
La reparaciCn o reemplazo de cualquier parte garantizada se realizard sin
cargo alguno pare el propietario, incluyendo la mane de obra de diagnCstico
qua derive en la determinaciCn de qua una parte garantizada est_ defectuosa,
si la labor de diagnCstico se realiza en un Centre de servicio Sears aprobado.
4. Reclamne y exelesienes de cebertnra
Los reclamos vinculados con la garant[a se presentanJn conforme a las
disposiciones de la PCliza de garant[a de Sears. La cobertura de la garanth
se excluir_ para aquellas fallas de partes garantizadas qua no sean partes
originabs de Sears o debido a abuse, descuido o mantenimiento incorrecto,
sag@ se estabbce en la PClizade garanth de motores de Sears. Sears no
es responsabb per la cobertura de fallas de partes garantizadas ocasionadas
per el use de partes adicionales, no originabs o modificadas.
5. Ntantenirainnte
Cualquier parte garantizada cuyo reemplazo no est6 programado come
mantenimiento requerido o qua est_ programada 0nicamente para
inspecciCn frecuente con el fin de "reparar o reemplazar conforme sea
necesario", estard garantizada en cuanto a defectos per el per[ode de la
garant[a. Cualquier parte garantizada cuyo reemplazo est6 programado
come mantenimiento requerido tendr_ solamente una garanth centre
defectos _nicamente per el per[ode hasta el primer reemplazo programado
para esa parte Se podr_ utilizar cualquier parte de repuesto qua tenga un
rendimiento y durabilidad equivabntes, al realizar cualquier actividad de
mantenimiento o reparaciCn El propietario es responsable de realizar todo
el mantenimiento requerido, segSn se define en Instrucciones de use y
mantenimiento de Sears,
6. Cnbertera _ensignienle
La cobertura bajo [a presente se ampliar_ a [a falla de cualqubr componente
de[ motor provocada per un desperfecto en cualquier parte garantizada qua
siga gozando de la cobertura de [a garant[a.
En EE,UU. y Canadd contamos con una Bnea de emergencia las 24 horas (1-800-469-4663), qua ofrece un men8 de mensajes pregrabados con informaciCn sobre
mantenimiento de productos,
58

[nfermac[6n sehre emisiones
Los motores con certificacl6n de cumplhnieeto de la normativa
sobre emisioees de nivel 2 del California Air Resources Board
(CARB) debee mostrar informaciOe sobre el periodo de durabilidad
de las emisiones y e! hsdicede aire. El fabricante del motor ofrece
esta informaciOn al consumidor rnedianteetiquetas de emisiones.
La etiqueta de emisiones de] rnotor contieee la informaciOn de
certificaci6e.
E[ Periede de Durabilidad de lee Emisieees[ndicael mirnero de
horas duraete las cuales e! motor peedefencionar cempliendo [as
normas sobre emisiones siernpre que se realicen las operaciones
de maeteeimiento que se detaIIaeen las instrucciones de use y
manteeimiento. Seuti[[zan [ass[guientes categorias:
Mederade: EI motor est_ certificado paracumpIir la norrnativa
sobre emisioees durante 125 horas de funcioeamieeto real.
Intermedie: El motor est_ certificado para cumplir la normativa
sobre emisioees durante 250 horas de funcioeamieeto real.
Preleegade: El rnotor est_ certificado para cumplir la normativa
sobre emisioees durante 500 horas de funcioeamiento real.
Per ejemplo un cortac_sped con operario a pie se suele utilizar
entre 20 y 25 horas al a[io. Per taeto, el Periede de Burabilidad de
las Emisieees de un motor con cias[ficaciOeietermedia equivaldria
a 10-12 a_os.
Algunos rnotores cuentan con la certificaciOn de curnplimiento de la
fase 2 de las normas sobre emisioees de la United States
Environmental Protection Agency (USEPA Ageecia estadourfideese
de protecciOndel medioambiente ). En el case de los motores con
certificaciOnde fase 2, el periodo de cumplimiento de la normativa
sobre emisiones que figura en la etiqueta de cumplimiento de
emisiones indica el n8mero de betas de funcionamiento durante las
cuaIesel rnotor ha demostrado cumplir los requisites federales
sobre emisiones.
Pararnotoresderneeosde225cc:
CategoriaC = 125horas
CategoriaB= 250horas
CategoriaA = 500horas.
Pararnotoresde225cco rn_s:
Categoria6 = 250horas
CategoriaB= 500horas
CategoriaA = 1000horas.
59

iiiiiiiiiiiiiiiii!! VoorHome ::::::::::::::::
For repair-in your home -of all major brand appliances,
lawn and garden equipment, or heating and cooling systems,
no matter who made it, no matter who sold it! ...............
For the replacement parts, accessories and
owner's manuals that you need to do-it-yourself. ...............
For Sears professional installation of home appliances
and items like garage door openers and water heaters. ...............
1-800-4-MY-HOME ® (1-8oo-469-4663)
wwwmears,com www.sears.ca
wwwmea rs,com
To purchase a protection agreement (U.S.A.)
or maintenance agreement (Canada)on a product serviced by Sears:
1-800-827-6655 (U.S.A.) 1-800-361-6665 (Canada)
Parapedirse_,iciodereparaci6o AuCanadapourse_iceenfran_ais:
a domicilie, y para ordenar piezas: 1-800-LE-FOYER Me
1-888-SU-HOGAR ® 1 800 533 6937
(- . . )
(1-888 o784-6427) www.sears.ca
® Registered Trademark /TM Trademark /SMService Mark of Sears Brands, LLC
® Marca Registrada /TMMama de Fabrica /SM Mama de Servicio de Sears Brands, LLC
MCMarque de commerce /MDMarque d6pos6e de Sears Brands, LLC ® Sears Brands, LLC