Craftsman Brake Bleeder Vacuum Kit Perform One Person Bleeding Automotive Motorcycle Atv Many Other Uses Owners Manua
2015-03-28
: Craftsman Craftsman-Brake-Bleeder-Vacuum--Kit-Perform-One-Person-Brake-Bleeding-Automotive-Motorcycle-Atv-Many-Other-Uses-Owners-Manua craftsman-brake-bleeder-vacuum--kit-perform-one-person-brake-bleeding-automotive-motorcycle-atv-many-other-uses-owners-manual-659724 craftsman pdf
Open the PDF directly: View PDF
.
Page Count: 44

Operator’s Manual
VACUUM PUMP/BRAKE BLEED KIT
Model 20930
CAUTION: Before using this
product, read this manual and
follow all its Safety Rules
and Operating Instructions.
• Safety
• Operation
• Specifications
• Vacuum Systems
• Diagnostics
• Parts and Accessories
• Español, p. 20
Sears, Roebuck and Co., Hoffman Estates, IL 60179, U.S.A.
www.craftsman.com

CONTENTS
If this Craftsman product fails due to a defect in material or workmanship within one year from the date of
purchase, RETURN IT TO ANY SEARS STORE OR OTHER CRAFTSMAN OUTLET IN THE UNITED STATES FOR FREE
REPLACEMENT.
This warranty applies for only 90 days from the date of purchase if this product is ever used for commercial
or rental purposes.
This warranty does not include vacuum pump seals, which are expendable parts.
This warranty gives you specific legal rights, and you may also have other rights which vary from state to
state.
Sears, Roebuck and Co., Hoffman Estates, IL 60179
CRAFTSMAN ONE YEAR FULL WARRANTY
ServiceParts&Accessories...........................................................1
ThePump........................................................................2
TheAutomotiveVacuumSystem .......................................................4
DiagnosingMechanicalEngineConditions.................................................6
PositiveCrankcaseVentilationSystem...................................................8
ExhaustGasRecirculation(EGR).......................................................9
SparkDelayValves(SDV)...........................................................13
Electrical/VacuumSolenoid..........................................................14
Thermal-ControlledVacuumSwitchingValves.............................................14
BrakeBleeding...................................................................16
SpanishSection...................................................................20

1
SERVICE PARTS & ACCESSORIES
06172
14
123
45
8
9
823373
6
7
12
16
17
11
13
10
822391 – Tubing (2 pieces)
822303 – Adapter Kit
822303 – Adapter Kit
822392 – Suction Cup
PUMP SERVICE KITS
822390 – Reservoir Kit
This Kit 04100 823371 823311
1X X X
2X X
3X X
4X X
5X X
6X X
7X X X
8X
9X
10 X
11 X
12 XX
13 XX
14 X
15
16 X
17 X

2
The vacuum pump is an extremely versatile service
tool that can be used to test a variety of automotive
systems and perform a number of useful tasks.
Though the pump has obvious uses for testing
various vacuum motors, control valves and vacuum
sources, its applications don’t end there. Almost
any part or system that requires proper sealing,
pressure or vacuum to operate can be tested with
the vacuum pump. The pump and its accessories
also transfer fluids, help to bleed brakes and aid in
other tasks. The pump also meets diagnostic tool
requirements when such tools are specified for some
state vehicle inspection programs.
This section will describe the pump, give
specifications, tell how to use the pump and
provide some service tips to help you keep your
pump in tip-top shape.
DESCRIPTION
The hand-held vacuum pump is simple, accurate,
easy to use, and has many applications. It consists
of a pump body, moveable handle, vacuum gauge,
vacuum fitting and a safety-capped pressure fitting.
The pump is easily held in your hand, and when the
handle is squeezed, a vacuum is drawn at the
vacuum fitting. If the vacuum fitting of the pump
is connected to a closed container or system, the
gauge will show the vacuum level. If the pressure
fitting is attached to the container or system, a
pressure will be generated but will not show on the
gauge. If it is desired to read the amount of
pressure, a separate pressure gauge is required.
VACUUM RELEASE
The vacuum is released by pulling back on the
Vacuum Release Lever. This action allows air to enter
the system, thus relieving the vacuum. Vacuum will
also be released when the hose is detached from the
vacuum fitting.
SAFETY CAP
The small cap on the pressure fitting is pressed on
with a friction fit. It can be removed with a twisting
pull. The cap is used to prevent any fluids (brake
fluid, gasoline, etc.), which may have accidentally
been pulled into the pump, from squirting into the
user’s eyes. For this reason, the cap should always
be in place when using the pump, except when
attaching a hose to the pressure fitting. The pump
will last for many years when cared for properly.
See PROPER CARE in this section.
SPECIFICATIONS
Maximum Vacuum Approx. 25" Hg
@ Sea Level: (85 kPa)
Stroke Volume: 1 cu. in. (16cc)
Maximum Pressure
(Unassisted): 15 psi (103 kPa)
(Assisted): 30+ psi (207+ kPa)
Gauge Accuracy 3%-2%-3%
(15-20 in Hg): of full range
USING THE PUMP
The vacuum pump is simple to use. In most cases,
the pump is either attached directly to a component,
used in place of a vacuum line or connected into a
vacuum circuit with a tee connector. The pump can
be operated as a test instrument in three ways:
1) When vacuum is desired for a test, the movable
handle of the pump is simply squeezed with your
hand, as in clenching your fist. Continue strokes
until desired vacuum is indicated on the gauge.
2) The pump can be connected into a vacuum circuit
and used to measure existing amounts of vacuum,
just as any vacuum gauge would be used. When
used this way, do not pump the handle, or incorrect
readings may result.
THE PUMP

THE PUMP
3
3) The pump can also be used as a pressure pump
by removing the safety cap and connecting to the
pressure fitting. When the pump handle is released
from the closed position, pressure is created.
Additional pressure can be applied by manually
pushing in the piston pump rod.
CAUTION: Always be sure the safety cap is in place
unless the pressure fitting is being used. Other
sections of this manual outline specific uses for
the pump.
PROPER CARE
Your pump is a sturdily built, precision test
instrument. Do handle it carefully!
Don’t drop or handle roughly as the gauge accuracy
may be affected. Care for your pump and it will
give you years of trouble-free service.
LUBRICATION
The factory-installed lubricant is silicone oil and
should provide very long service. If you find it
necessary to lubricate your pump, use silicone oil.
If unavailable, you may use DOT 5 (not DOT 3)
silicone-based brake fluid or a salad vegetable oil.
Do not use petroleum based fluids or spray
lubricants (WD-40, motor oil, etc.), as these will
damage the pump.

This manual deals with vacuum, how it is used in
various automotive systems and how the vacuum
pump can be used to test and diagnose these
systems. This section discusses what vacuum is,
how it is measured, where it comes from on an
automobile, the system for distributing and using
vacuum, and some troubleshooting basics.
WHAT IS VACUUM?
Put simply, vacuum is empty space, and may exist
as either a total or partial vacuum. Vacuum does
not, of itself, create power. Rather, power for
vacuum devices depends on the presence of
atmospheric pressure. The atmosphere exerts a
pressure of 14.7 pounds per square inch (psi) on
everything at sea level. If a portion of the air is
removed from one side of a diaphragm (partial
vacuum), the atmospheric pressure will exert a
force on the diaphragm. The force is equal to the
pressure difference times the diaphragm area
(FIGURE 1). Generally, the less air (greater vacuum)
in a given space, the more the atmosphere tries to
get in and the more force is created.
HOW IS VACUUM MEASURED?
In the United States, vacuum is commonly measured
in inches of Mercury (" Hg). It may also be
measured in centimeters of Mercury (cm Hg) and
kiloPascals (kPa). Atmospheric pressure will support
a column of Mercury in a manometer gauge about
30 inches high or about 76 cm high. This is the
barometric pressure in " Hg which varies as the
weather changes. Vacuum readings in " Hg are
really negative pressure readings. For example,
30" Hg vacuum would be a complete vacuum. Half
of a complete vacuum would be 15" Hg. A gasoline
engine at idle usually pulls about 16-22" Hg
vacuum. On deceleration, because the throttle is
closed, the vacuum will increase. The pump will pull
about 25" Hg as indicated on its vacuum gauge
which is calibrated in both " Hg and kPa.
WHY ENGINES CREATE VACUUM
Vacuum is created when air is withdrawn from
a given volume, or a sealed volume is increased.
That is why vacuum is available in an engine.
On the intake stroke, the piston moves down, this
creates a partial vacuum because the volume of the
cylinder is increased. Air cannot rush through the
intake system fast enough to totally fill the space
created when the piston moves down (FIGURE 2).
This is the most common automotive vacuum
supply source.
GASOLINE VS. DIESEL VACUUM
Because a diesel engine does not produce as much
vacuum as a gasoline engine, a mechanical vacuum
pump must be employed to operate vacuum
devices. The pump is useful in testing devices
on both types of engines.
THE AUTOMOTIVE VACUUM SYSTEM
FIGURE 1:
VACUUM VS. ATMOSPHERIC PRESSURE
14.7 - 10.7 = 4 PSI
40 Pounds
14.7 PSI
10.7 PSI
Piston area 10 sq. in.
FIGURE 2: THE ENGINE AS A VACUUM SOURCE
Vacuum
Air
Vacuum Port
Intake Stroke
4

VACUUM DISTRIBUTION
All modern automobiles have a vacuum distribution
system (FIGURE 3), consisting of lines, hoses,
fittings and vacuum devices. This system must be
leak proof. If it is not, the engine air/fuel mixture
will be leaned out by the extra air entering the
system through the leaks, thus causing problems
such as burned exhaust valves, uneven idle, stalling,
pre-ignition, burned spark plugs, etc. Additionally,
any vacuum operated device affected by the
vacuum leak will not function properly.
A normal gasoline engine should develop 16-22" Hg
of intake manifold vacuum at idle. This is an
indication that the engine is breathing properly.
If the vacuum is lower, the engine is running less
efficiently. The lower the manifold vacuum, the less
efficiently the engine is running and the lower the
gas mileage will be.
The vacuum distribution system supplies vacuum
to vacuum motors (servos) in the air conditioning,
power brake booster, speed control servo, emission
controls, manifold absolute pressure (MAP) sensor,
and automatic transmission control systems. In older
vehicles, vacuum is also supplied to the distributor
vacuum advance or retard mechanism. These
devices can be connected directly to manifold
vacuum, or can be controlled through electric
solenoids, thermostatic switches, or other
vacuum controls.
TROUBLESHOOTING THE VACUUM SYSTEM
Most vacuum problems can be traced to leaks, which
occur in hoses, connectors, motor diaphragms or
valves. Pinched lines or clogged valves will also not
allow vacuum flow. Problems can also be traced to
improper mechanical operation of devices driven by
vacuum motors.
The vacuum pump can be used to measure the
amount of vacuum in a hose. The vacuum gauge
feature is very useful for detecting a fluctuating
vacuum supply or a leaky hose. The vacuum pump
feature enables you to check all types of vacuum
operated devices.
On a vacuum motor, for example, the pump is used
to evacuate the diaphragm chamber, which allows
you to check the mechanical operation of the device
as well as the amount of vacuum required to
actuate it. Test for a leaking diaphragm by applying
10" Hg vacuum to the device (FIGURE 4). Observe
the gauge to see if the needle drops after the
actuator stops moving. If the needle continues
to drop, a leaking diaphragm is indicated. If the
diaphragm is okay, the vacuum should hold for
one minute with the needle steady.
THE AUTOMOTIVE VACUUM SYSTEM
FIGURE 3: TYPICAL VACUUM DISTRIBUTION SYSTEM
To Intake Manifold
To A/C
Heater
PRNDL Switch
Brake
Release Motor
Distributor
Advance
Power Brake
Booster
Intake Air Motor
To Speed
Control
Auto
Trans
VACUUM DISTRIBUTION BLOCK
5

DIAGNOSING MECHANICAL ENGINE CONDITIONS
6
THE AUTOMOTIVE VACUUM SYSTEM
FIGURE 4: TYPICAL CARBURETOR VACUUM SUPPLY POINTS
Carburetor or Throttle Body
EGR Vacuum
• Zero at closed throttle
• Still zero when “S” vacuum is on
• Equal to manifold at greater
throttle opening
Venturi Vacuum
• Weak or zero at cruise or idle
• Strong at wide open throttle
Position when “S” and “E”
vacuum are “on”
Throttle plate (closed position)
Manifold Vacuum
• Available with engine running
• Strongest at closed throttle
• Gradually weakens as throttle opens
• But stays strong if the choke is closed
Spark Port Vacuum
• No vacuum at
closed throttle
• Equal to manifold vacuum off idle
• Originally used to control “spark” vacuum
to distributor advance diaphragm
VACUUM GAUGE CHECKS & DIAGNOSIS
The pump’s vacuum gauge readings give indications
of possible mechanical problems, but they are not
foolproof. Observe the gauge carefully and follow
the vacuum readings with further tests, where
possible, to confirm your diagnosis.
Do not look for the engine to produce specific
(numerical) amounts of vacuum. Much more
important than specific numbers, are the range
of the vacuum readings and the movement of the
needle (FIGURE 5). Important things to notice about
the needle movement are HOW the needle moves
(in a smooth or jerky manner, erratic, etc.), what
direction it moves, whether movement is regular or
varying, and how far the needle moves.
The following gives some examples of what to
look for and the meanings of a variety of vacuum
gauge readings.
NORMAL ENGINE
Run engine at idle and connect the pump to an
intake manifold vacuum port. Watch the needle’s
movement on the gauge. At idle, the vacuum gauge
reading should be 16-22" Hg and steady.
BURNED OR LEAKING VALVE
At idle, burned or leaking valves will cause the
pointer on the gauge to drop to a low reading and
return to normal at a regular interval. The needle
will drop from 1 to 7" Hg at regular intervals
whenever the defective valve attempts to close.
STICKING VALVE
A sticking valve will exhibit a rapid, intermittent
drop from the normal pointer indication. This is
unlike the regular drop that characterizes a
burned or leaking valve.
A sticking valve condition may be pin-pointed by
directly applying lightweight oil to each valve guide.
When the sticking valve is reached, the situation will
be temporarily remedied.
WEAK OR BROKEN VALVE SPRING
Weak valve springs are indicated when the pointer
of the vacuum pump gauge fluctuates rapidly
between 10" and 21" Hg at idle. The fluctuations
will increase with engine speed. A broken valve
spring will cause the needle to fluctuate rapidly
at a regular interval. Again, this will occur every
time the valve attempts to close.
WORN VALVE GUIDES
Worn valve guides admit air which upsets the
air/fuel mixture. The vacuum gauge reading will
be lower than normal and will fluctuate rapidly
in a range of about 3" Hg. As the speed of the
engine is increased, the needle will steady.

LEAKING PISTON RING
Vacuum at idle will be low but steady at about 12 to
16" Hg. Open the throttle and allow the engine to
pick up speed to about 2000 RPM, and then close
the throttle quickly. The pointer should jump 2 to 5"
Hg above its low steady reading. A lesser gain may
indicate faulty rings, and a complete cylinder
leakage or compression test should be done.
BLOWN CYLINDER HEAD GASKET
At idle, the vacuum pump gauge pointer will
fluctuate between normal and a low reading.
The needle will drop sharply about 10" Hg from
a normal reading and return each time the defective
cylinder or cylinders reach firing position.
EXHAUST RESTRICTION TEST
An exhaust restriction will cause normal or near nor-
mal performance at engine idle, but cause very poor
engine performance under load or at higher speeds.
1) Connect the pump hose to an intake manifold
vacuum fitting. Operate the engine at idle and
note the vacuum reading and needle movement.
Compare readings and movements against
descriptions listed for burned valves and late
ignition or valve timing.
2) Watch the vacuum gauge as engine speed is
increased to approximately 2500 RPM.
3) An increase in vacuum over that obtained at idle
indicates an exhaust system that is free of restrictions.
4) If the needle drops toward zero as engine RPM
is increased, either an exhaust restriction or an
over-active Exhaust Gas Recirculation (EGR) valve
is causing the problem.
5) Test the EGR valve separately. If it is found to
be in good condition, the problem is a restricted
exhaust. Check and replace if necessary.
INCORRECT IDLE AIR/FUEL MIXTURE
If the gauge needle drifts slowly back and forth at
idle, over a range of 4 to 5" Hg, the fuel mixture is
too rich. A lean mixture will cause an irregular drop
of the needle over about the same range.
INTAKE MANIFOLD OR AIR INDUCTION
LEAKS
If there are any air leaks in the air induction
system, the gauge needle will be about 3 to 9" Hg
below normal, but will remain steady.
LATE IGNITION OR VALVE TIMING
An extremely low but steady reading at idle
indicates late ignition or valve timing, or a
uniformly close setting of the valve lash.
Perform separate tests to determine which
of these problems, if any, have affected
the engine.
7
DIAGNOSING MECHANICAL ENGINE CONDITIONS
FIGURE 5: VACUUM GAUGE READINGS
With motor at idle speed,
vacuum pointer should hold
steady between 16 and 22.
With motor at idle speed,
dropping back of vacuum
pointer indicates sticky
valves.
With motor at idle speed,
floating motion right and
left of vacuum pointer
indicates carburetor too rich
or too lean.
With motor at idle speed, low
reading of vacuum pointer
indicates late ignition timing
or intake manifold air leak.

SYSTEM OPERATION
The Positive Crankcase Ventilation (PCV) system is
used on all modern engines to reduce air pollution
by providing a more complete scavenging of
crankcase vapors. Air is drawn through a filter
located in the air cleaner, through a hose in the
valve cover, into the crankcase, across and up into
the rear of the intake manifold or opposite valve
cover, through the PCV valve, through a hose, into
the intake manifold. Intake manifold vacuum draws
in all vapors from the crankcase to be burned in
the engine
When air flow through the carburetor or throttle
body is high, added air from the PCV system has
no effect on engine operation. However, at idle, air
flow through the carburetor or throttle body is so
low that any large amount added by the ventilation
system would upset the air/fuel mixture, causing a
rough idle. For this reason, the PCV valve restricts
the ventilation system flow when intake manifold
vacuum is high.
SERVICE PROCEDURES
After a period of operation, the PCV valve may
become clogged and reduce the amount of
crankcase ventilation. The PCV valve should be
replaced periodically to prevent the formation of
acids in the crankcase, and the build up of excessive
crankcase pressure, which could force engine oil out
past the seals. Use the following procedure to check
the PCV system using your pump:
1) Inspect the system for kinked, plugged or
deteriorated hoses. Check to be sure all hoses
are connected properly. Repair as necessary.
2) Connect your pump to an intake manifold port
and check the vacuum reading of the warmed and
idling engine.
3) Clamp off the vacuum hose to the PCV valve.
The engine speed should decrease 100 RPM to
indicate the loss of the calibrated air leak into
the intake manifold. The vacuum gauge reading
should increase slightly, indicating that the vacuum
leak has been plugged. If this does not happen,
replace the PCV valve and/or replace any damaged,
plugged or loose hoses.
4) If the engine is idling too slow or is rough, this
may be caused by a clogged PCV valve or hose.
Do not adjust the idle speed without first checking
the PCV system.
5) After installing a new PCV valve, always adjust
the idle speed, and if possible, the idle air mixture.
The installation of the wrong valve may cause too
much vapor to flow through the system if the
calibrated bleed is too large. This will lean out the
air/fuel mixture excessively. If the opening is too
small, the plugging effect will be nullified, emissions
will increase, acids will form and oil leaks may
develop. Be sure you get the correct PCV valve
for your car.
8
POSITIVE CRANKCASE VENTILATION SYSTEM

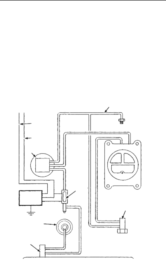
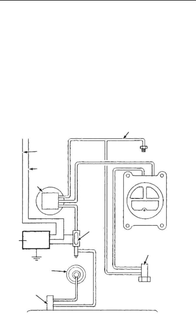
An Exhaust Gas Recirculation (EGR) system is used
on most modern engines to reduce Oxides of
Nitrogen (NOx) emissions. During the combustion
process, nitrogen, which makes up 80 percent of
the air, will mix with oxygen at temperatures
above 2,500°F. During the combustion process,
temperatures in the cylinders go well above
3,500°F providing the ideal conditions for the
formation of NOx.
SYSTEM OPERATION
To reduce the formation of NOx, it is necessary to
lower the combustion temperature. This is most
often done by introducing exhaust gases back into
the combustion chamber through the use of an
EGR valve. The EGR valve (FIGURE 6) may be
operated by ported vacuum from above the
throttle plates, or by a sophisticated control
system that modulates the amount of EGR
depending on the temperature of the coolant,
ambient air temperature, engine speed or load.
An EGR valve that does not have a sophisticated
control system must be fully closed with a vacuum
of less than 2" Hg and begin to open with 2 to 8.5"
Hg of vacuum. At idle and wide-open throttle, the
ported vacuum supply is low and the valve should
be closed.
Some cars have a Back-Pressure Transducer Valve
(BPV) to modulate the operation of the EGR system.
Some cars have a Venturi Vacuum Amplifier (VVA)
to do the same job. The effect is to modulate the
amount of EGR according to the load on the engine.
To improve cold drivability, most cars are equipped
with some type of vacuum control device to shut off
EGR while the engine is cold.
EGR systems fail in two ways. Either the valve may
fail due to a fault of its own, such as a ruptured
diaphragm, or due to a loss of control vacuum.
Always check whether there is vacuum at the hose
connected to the EGR valve, before replacing the
valve. Connect the pump to the vacuum supply hose
at the EGR valve and check whether at 2000 RPM
there is at least 4 to 5" Hg vacuum available.
Remember also that clogged exhaust passages that
lead to or from the valve can restrict the flow even
if the valve is opening.
An EGR valve that remains open will cause the
engine to idle roughly, die at idle, and lose power
and full-throttle smoothness. Dirt or damage in the
valve seat area usually cause the valve to fail. An
EGR valve can operate normally with the engine
warm but remain open when the engine is cold.
That condition could be caused by a faulty thermal
switching device that does not cut off the vacuum
supply when the engine is cold.
9
EXHAUST GAS RECIRCULATION (EGR)
FIGURE 6: EGR VALVE OPERATION
To Vacuum Source To Vacuum Source
Vacuum Signal Applied
Valve open, exhaust admitted to intake manifold
No Vacuum Signal
Valve closed, exhaust blocked

EGR SERVICE PROCEDURES/GENERAL TEST
EXCEPT GM OR BACKPRESSURE
CONTROLLED TYPE
If the symptoms of an engine lead you to believe
that an EGR valve is staying open, follow this
procedure:
1) Connect a tachometer to the engine and run
the engine at idle speed until it reaches normal
operating temperature. Use the pump to check for
at least 10" Hg vacuum at the valve. Replace the
hose and note the engine RPM.
2) Remove the vacuum hose from the valve and
notice whether engine RPM increases.
3) If engine speed does increase, there may be
some type of problem in the vacuum control
circuit. Check the routing of all vacuum hoses.
4) If engine speed or the quality of idle changes,
remove the valve and check the pintle and valve
seat to make sure both are clean. If they are not,
replace the valve, gasket and adapter if it is burned,
warped or damaged.
If the engine symptoms lead you to believe that
the EGR valve is staying closed, follow the
procedure below:
1) Operate the engine at idle until it reaches full
operating temperature. Use the pump to check for
the presence of 10" Hg vacuum at the valve. Set the
engine speed at approximately 2000 RPM. Plug the
vacuum supply hose. Connect the vacuum pump to
the EGR valve and apply 10 to 15" Hg vacuum.
2) The diaphragm should move to the open position
and a decrease in engine RPM should be noted. If
not, the valve is defective or the manifold passages
are plugged. Release the vacuum on the EGR valve.
3) The diaphragm should move to the closed
position and an increase in engine RPM should be
noted. Return the engine to idle and turn it off.
4) Connect the pump to the EGR valve and test by
applying at least 9" Hg of vacuum to the diaphragm
and watch the gauge carefully for any vacuum loss.
5) If the valve diaphragm does not move, or cannot
hold vacuum, replace the EGR valve.
GM EGR VALVES
General Motors produces three types of EGR valves.
Each valve can be identified by the design of its
diaphragm plate (FIGURE 7). The first valve is a
ported vacuum EGR that has only a circular rib on
the back of its diaphragm plate. The second is a
positive backpressure valve with X-shaped ribs that
are raised only slightly above the plate. Finally,
there is a negative back-pressure valve with
X-shaped ribs raised well above the diaphragm
plate. Both the ported vacuum and negative
back-pressure valves are tested the same way.
A separate test is listed to check the positive
back-pressure valve.
GM PORTED VACUUM AND NEGATIVE
BACK-PRESSURE EGR TEST
1) Make sure all vacuum hoses are routed
according to the emission control label.
10
EXHAUST GAS RECIRCULATION (EGR)
FIGURE 7: GM EGR DIAPHRAGMS
Ported Vacuum Positive Backpressure Negative Backpressure

2) Check the vacuum connection to the EGR valve
for obstructions.
3) Connect the pump between the EGR valve and
the carburetor or vacuum source. Start the engine
and run it at idle until it reaches operating
temperature (195°F approx.). Check for vacuum
at 3000 RPM; it should be 5" Hg minimum.
4) If no vacuum is available in step 3, check for it
between the EGR thermal vacuum switch (TVS) and
the carburetor. If the vacuum is available there,
replace the TVS.
5) If the vacuum supply between the EGR and the
carburetor is adequate, connect the pump to the
EGR valve inlet. Depress the valve diaphragm and
apply approximately 10" Hg vacuum to the EGR.
Release the diaphragm and record the time it takes
for the diaphragm to return to its seated position.
6) If it takes less than 20 seconds for the valve to
seat, replace the valve.
GM POSITIVE BACKPRESSURE EGR TEST
1) Follow steps 1 through 4 of the ported vacuum
and negative back-pressure EGR test.
2) Remove the EGR valve from the engine.
Connect the pump to the EGR vacuum inlet and
apply 10" Hg of vacuum. The valve should not
open. If it does, replace the valve.
3) Continue the test by keeping the vacuum applied
and shooting a low-pressure stream of air into the
valve’s exhaust inlet. The valve should now open.
If it does not, replace the valve.
11
EXHAUST GAS RECIRCULATION (EGR)
FIGURE 8: CHRYSLER VENTURI VACUUM-CONTROL EGR SYSTEM
To Starter Relay
Manifold Vacuum
To Ignition
Vacuum Amplifier
EGR Delay
Solenoid
EGR Valve
EGR Delay
Timer
CCEGR Temperature Valve
Coolant Control Engine Vacuum Switch

EGR VENTURI VACUUM AMPLIFIER
Some engines utilize a Venturi Vacuum Amplifier
that uses the weak vacuum signal from the throat of
the carburetor to allow the passage of the stronger
intake manifold vacuum to operate the EGR valve.
On most applications the amplifier provides a 2" Hg
boost to the Venturi signal (FIGURE 8).
SERVICE PROCEDURES
1) Start the engine, and run it at idle until it reaches
normal operating temperature.
2) Make sure the intake manifold hose to the
amplifier is properly connected. On those systems
with a reservoir, remove the hose from the reservoir
and use a tee connector to join the hose to the
intake manifold vacuum hose.
3) With separate lengths of hose and different
connectors, bypass any and all vacuum valves or
coolant controlled valves between the amplifier
and the EGR valve.
4) Use a tee connector to attach the pump into the
vacuum line between the amplifier and EGR valve.
5) Increase engine speed to 1500 to 2000 RPM
and release the throttle. Let the engine return to
idle speed and remove the vacuum hose at the
carburetor venturi. The vacuum reading should be
within ± 0.3" Hg of the specified boost for that
amplifier if other than zero boost is specified.
Zero boost may read from 0 to .5" Hg. Replace
amplifier if it is out of specification.
6) Increase engine speed. Watching the vacuum
gauge, release the accelerator after a speed of
1500 to 2000 RPM is reached. If the vacuum gauge
reading shows an increase greater than 1" Hg
during acceleration period, the amplifier should
be replaced.
7) Remove the pump from the output vacuum line
and reconnect the hoses, but still bypass other
valves. Connect the pump and apply 2 to 4" Hg of
vacuum to port on the amplifier which is normally
connected to intake manifold vacuum. The EGR
valve should operate and engine idle should drop or
become erratic. If the EGR valve fails to move,
replace the amplifier.
BACK-PRESSURE TRANSDUCER VALVE
(BPV) OPERATION
The Back-pressure Transducer Valve (BPV) controls
the amount of EGR according to the load on the
engine. An exhaust pressure probe extends into
the exhaust crossover passageway to sample the
exhaust gas pressure. During light engine loads,
the pressure in the exhaust passageway is relatively
low, while during wide-open throttle operation
(WOT), the pressure is highest. This pressure signal
is transmitted to a diaphragm in the BPV and is used
to control the amount of vacuum applied to the EGR
valve (FIGURE 9).
SERVICE PROCEDURES
1) Remove the air cleaner and plug the intake
manifold fitting. Start the engine and bring it to
normal operating temperature. Position the fast-idle
cam follower on the second step of the fast-idle cam
(to obtain about 1500 RPM), and then note engine
speed on a tachometer. Use the pump to check the
source vacuum at an intake manifold port (FIGURE
10). Note this reading.
2) Tee your pump into the vacuum passageway to
the BPV and the reading should be 1 to 2" Hg of vac-
uum. Replace the BPV if it is not within specifications.
3) Leave the vacuum gauge at this location, remove
the hose to the EGR valve, and plug the hose open-
ing. Read the vacuum pump gauge, which should be
the same as the intake manifold vacuum reading. If
it is not within 2" Hg of the source vacuum, replace
the BPV valve.
EXHAUST GAS RECIRCULATION (EGR)
FIGURE 9:
EXHAUST BACKPRESSURE TRANSDUCER VALVE
To Distributor
Spark–
EGR Thermal
Vacuum Valve
Exposed to Exhaust Gas Pressure
To EGR
Valve
12

OPERATION
Spark Delay Valves (SDV) are used to delay vacuum
to the distributor vacuum advance actuator during
hard acceleration, to delay the action of the
Thermactor Air Induction Reaction (AIR) system
during prolonged engine idling, and to delay the
application of vacuum to the automatic choke
pulldown diaphragm during cold engine operation.
A sintered metal valve is installed in the vacuum
advance (outer) diaphragm of the distributor control
unit on some engines. The purpose of the valve is to
delay the spark advance during rapid acceleration
to minimize the formation of NOx. The sintered
metal is porous and allows vacuum to bleed through
the valve acting like an orifice of about 0.002" in
diameter. Control is obtained by varying the number
of discs in each valve assembly so that the time
delay features can be tailored to the engine
(FIGURE 11).
SERVICE PROCEDURES
The time delay of the valve varies with engine
application. The different valves may be identified by
color and part number. Spark delay valves cannot be
repaired and must be replaced every 12,000 miles
because the pores of the sintered metal fill with dust,
which can slow the performance of the valve. NOTE:
The spark delay valve is a one-way unit that must be
installed with the Black side facing the carburetor
vacuum port.
To determine if a spark delay valve is operating
correctly, the following service procedure should
be used:
1) With the transmission in neutral, set the carburetor
to the fast-idle position, remove the spark-delay valve
and tee your vacuum pump into the hose leading to
the carburetor spark port.
2) Record the vacuum reading, which should be
between 10 to 16" Hg.
3) Pinch off the vacuum hose and observe if the
gauge maintains the vacuum level. If the gauge
shows that the vacuum drops with the hose pinched
off, the gauge or vacuum hose has an external
leak, which must be corrected.
4) Now, connect the black side of the spark-delay
valve to the vacuum hose leading to the carburetor
spark port. Connect a section of vacuum hose to
your vacuum pump and attach the other end to the
distributor end of the spark delay valve. Observe
the time in seconds for the gauge to reach 6" Hg,
with a 10 to 16" Hg vacuum source. If the vacuum
reaches the 6" Hg level in less than two seconds,
regardless of type, the SDV should be replaced.
When checking the valve, care must be taken to
prevent oil or dirt from getting into the valve as
this will impair its function.
13
SPARK DELAY VALVES (SDV)
FIGURE 10: TEST THE VACUUM SOURCE FOR
THE BPV WITH YOUR PUMP
Attach the Pump Here
Transducer
Exhaust Gas Inlet
ERG
Valve
FIGURE 11: TYPICAL SPARK DELAY VALVE
Spark
Delay
Valve

THERMAL-CONTROLLED VACUUM-SWITCHING VALVES
SERVICE PROCEDURES
1) Disconnect vacuum and electrical connectors from
the solenoid. Connect the pump to port “B” and
attempt to apply vacuum with pump. Vacuum
should be released through port “A” (FIGURE 12).
2) Using jumper wires, connect negative solenoid
terminal to ground and apply 12 volts to the
positive terminal. Apply vacuum to port “B”.
Vacuum should hold and not bleed off. If the
solenoid does not hold vacuum, replace solenoid.
3) With solenoid still energized, move vacuum
pump to port “A”. Attempt to apply vacuum.
Vacuum should be released through the air filter
and no vacuum should be present at port “B”.
Service Procedures
These control valves are called Ported Vacuum
Switches (PVS) when used on Ford engines. Thermal
Ignition Control (TIC) valves when used on Chrysler
products, and Distributor Thermal Vacuum-Switches
(DTVS) when used on General Motors engines.
The two-port valve is used to stop EGR while the
engine is cold. This type of thermal switch is needed
to provide good drivability by limiting the entrance
of EGR until the engine is warmed up.
The three-port valve is commonly called a cooling
system PVS because it switches the vacuum source to
the distributor from ported to full intake vacuum.
The four-port valve has been used in some Ford
engines to bypass the spark delay valve and cut
out the EGR system when the engine is cold.
SERVICE PROCEDURES
Follow this procedure to test the two-port
vacuum-switching valve:
1) Apply 10" Hg of vacuum to the bottom port of
the valve with your vacuum pump and measure the
results with a second vacuum gauge as shown in the
accompanying illustration (FIGURE 13).
2) The valves are color-coded and the green valve
should open and pass vacuum at 68°F, the black
valve at 100°F.
14
ELECTRICAL /VACUUM SOLENOID
FIGURE 12: TYPICAL VACUUM SOLENOID
Air Filter
Port “A”
Positive Terminal
Port “B”
FIGURE 13: TESTING THE TWO-PORT PVS
1) Remove both hoses
from valve
Color code
2) Connect a vacuum gauge
to one port and a remote
vacuum supply to the other
4) Operate the engine
until the coolant warms
above the valve setting (see table)
3) Apply 10 inches
vacuum to the valve
5) See if there is a
vacuum reading on
this gauge
Color Coolant Above
Code Temperature
Green 68°F
Black 100°F
Plain or Blue 133°F
RESULTS:
No Vacuum Replace the PVS valve
Vacuum PVS valve is open
Vacuum when Replace the
coolant is cold PVS valve

3) If full vacuum flows through the valve when
heated, it is okay. If there is no vacuum flow or
there is vacuum flow when the coolant is cold,
replace the valve.
Follow this procedure to test the three-port
vacuum-switching valve:
1) Apply 10" Hg of vacuum with your vacuum pump
to the middle port of the valve with a vacuum
gauge at each of the other two ports.
2) Refer to the same color-coded valves and same
temperature specifications as for the two-port valve
above. If the vacuum switches at the specified
temperature, the valve is okay. If there is no
vacuum to the lower port above the specified
temperature, replace the valve.
The four-port valve must be tested two times, once
at the top two ports and once at the bottom two
ports as shown in the accompanying illustration
(FIGURE 14).
1) Apply 10" Hg of vacuum with your vacuum pump
to one of the top two ports. The valve should hold
vacuum when above the specified operating
temperature.
2) If flow occurs when the valve is warm, replace it.
3) For the lower two ports, vacuum must pass
through the valve only when the engine is warm;
otherwise, replace the valve.
15
THERMAL-CONTROLLED VACUUM-SWITCHING VALVES
FIGURE 14: TESTING THE FOUR-PORT PVS
RESULTS:
Vacuum when warm Lower valve okay
No vacuum when warm Replace PVS
RESULTS:
No vacuum when warm Upper valve okay
Vacuum when warm Replace PVS
1) Apply 10" vacuum
(cold engine)
4) When engine is
warm (coolant
above 125°F)
2) Gauge will read 10"
3) Gauge will
read zero
Vacuum Gauge
2) Apply 10" vacuum
When engine is cold,
vacuum reading
should be zero
1) Warm engine
(above 125°F)
3) Gauge must read
source vacuum
4-PORT PVS TEST
UPPER VALVE FLOW
LOWER VALVE FLOW

Many brake systems today feature Anti-Lock
functions and electronic controls. Many of these
systems use a high pressure electric pump to keep
the system pressurized. When bleeding or servicing,
these systems require special procedures and
cautions.
• ALWAYS observe the following precautions when
servicing Anti-Lock brake system:
• ALWAYS wear safety goggles when servicing high
pressure brake systems.
• ALWAYS depressurize the ABS system prior to
adding fluid or attempting service or repair.
• Unless instructed to by the manufacturer’s
procedure, NEVER open a bleeder valve or
loosen a hydraulic line while the ABS system
is pressurized.
• ONLY use recommended brake fluids. DO NOT use
silicone brake fluid in ABS equipped vehicles.
• Always refer to an appropriate repair manual for
additional information on Anti-Lock brake systems.
DEPRESSURIZING ANTI-LOCK
BRAKE SYSTEMS
Always refer to the vehicle owner’s manual or
appropriate service manual for additional
information on depressurizing procedure.
The procedure will work on most Anti-Lock brake
systems. Ensure ignition switch is in the OFF
position or disconnect the negative battery cable.
Pump the brake pedal 25 to 40 times. A noticeable
change is felt. Continue to pump the pedal a few
additional times. This should eliminate most system
pressure. Open fluid reservoir or brake lines
carefully. Top off reservoir fluid and reconnect
battery cable when finished.
BLEEDING ANTI-LOCK BRAKE SYSTEMS
Always refer to the vehicle owner’s manual or
appropriate service manual for manufacturer’s
brake bleeding procedure. The front brakes on
most Anti-Lock brake systems may be bled in the
conventional manner. Most hydraulic pump/pressure
accumulator units are fitted with a bleeder valve
which must be bled when the system has lost fluid or
is being replaced. Some vehicles require that the sys-
tem be pressurized when the rear brakes are bled.
Some automotive manufacturers use bleeding
procedures which require specialized equipment.
BRAKE LINE BLEEDING
Most low and soft pedal problems are caused by air
in the hydraulic lines, which requires bleeding of the
hydraulic system. By using the pump with brake
bleeding accessories, the system can be bled easily.
Follow a wheel-to-wheel sequence beginning with the
wheel closest to the master cylinder.
The kit provides a simple, clean, and quick method
for bleeding the fluid lines in the automotive brake
system. The creation of a vacuum in the reservoir
jar causes fluid to be drawn into the reservoir jar.
It should be noted that a tiny stream of bubbles
may be noticed in the hose after all of the air is bled
from the lines. This is caused by air seeping around
the threads of the loosened bleeder fitting and
being drawn back through the fitting by the suction
of the pump. Once the air is removed from within
the system, these tiny bubbles will in no way
jeopardize the bleeding operation, since they are
present only at the fitting and do not enter the
system. If you wish, you can put grease or Teflon
tape around the threads of the fitting to eliminate
most of the bubbles. The correct bleeding procedure
follows:
1) Always make certain that the master cylinder
reservoir is filled and that a supply of new, clean
brake fluid of the proper type is on hand to top off
the reservoir as the fluid level drops during bleeding.
Make sure that all the bleeding fittings are clean prior
to beginning of the bleeding procedure.
2) Bleed the hydraulic system in the following order:
A) Master cylinder bleeder fittings, if equipped.
If installing a new or rebuilt master cylinder,
follow the bench bleeding procedure which follows.
16
BRAKE BLEEDING

B) Bleeder fittings on the combination valve,
if equipped.
C) Wheel cylinders and calipers in succession
beginning with the wheel closest to the master
cylinder, and working to the farthest one.
NOTE: Follow manufacturer’s recommended bleeding
sequence (if known). The procedure given in this
article specifies to begin bleeding the wheel closest to
master cylinder. Regardless of sequence used, always
ensure all air is purged from system.
3) Slip 11⁄2" of tubing between the pump and the lid
of reservoir jar at port marked “TO PUMP”
(FIGURE 15).
4) Attach 31⁄2" plastic hose to the bottom of the cap.
5) Affix at least a 12" piece of tubing to the other
reservoir jar port. Be certain that the cover of the
reservoir jar is secure, but don’t over tighten.
6) Select the appropriate adapter(s). The L-shaped
universal adapters should fit snugly over the brake
bleeding fitting in order to seal properly. The
tapered adapters fit inside the thru-hole of fitting
and will generally seal well when inserted tightly
with a pressing and twisting motion. Attach adapter
to reservoir hose.
7) Place wrench on brake bleeding fitting.
Attach adapter and pump assembly, and pump
10 to 15 times.
NOTE: If bubbles coming out of the fitting are very
small and even in size, the air is probably coming
from within the system. It is not necessary to
eliminate these bubbles as they do not affect brake
operation. If desired, these bubbles can generally be
eliminated by placing grease or Teflon tape around
the threads, to act as a seal.
8) Open fitting slightly, only enough to cause the
fluid to enter jar, usually 1⁄4to 1⁄2turn.
9) After evacuating about 2" of fluid into the jar,
close the fitting and refill the master cylinder.
Repeat all previous steps on all remaining wheels.
If fluid is not drawn into the jar after opening the
fitting, make certain the lid of the jar is tight. You
will not be able to produce the necessary vacuum
in the jar if the lid does not fit securely. Occasionally
some dirt will get into the brake line, in which case
the pump may not be totally effective. If this
happens, have someone touch the brake pedal
once lightly, with the bleeding valve open, then
proceed to use the pump.
17
BRAKE BLEEDING
To Pump
FIGURE 15: BRAKE BLEEDING KIT

MOTORCYCLE BLEEDING PROCEDURE
Before bleeding the system, ensure that:
1) The brake caliper pistons are free to move
within the calipers.
2) The master cylinder piston is free to return to
the end of its stroke, and
3) Inspect the line to ensure that all fittings are tight.
FRONT BRAKE
1) Pump brake lever to seat caliper pads
against rotor.
2) Cover gas tank with plastic protective sheet
if using DOT 3 fluid (not necessary if using
DOT 5 fluid).
3) Remove master cylinder reservoir cap and
fill reservoir.
4) Select the appropriate adapter(s). The L-shaped
universal adapters should fit snugly over the brake
bleeding fitting in order to seal properly. The
tapered adapters fit inside the thru-hole of fitting
and will generally seal well when inserted tightly
with a pressing and twisting motion. Attach adapter
to reservoir hose.
5) Pump several times to create vacuum. Crack
bleeder valve with box wrench, extracting fluid into
reservoir. (Stop and add fluid when master cylinder
begins to get low. Do not allow air to enter line.).
At this point, all air should be out of system and line
full of fluid. (Note: if air is entering the pump hose
from around bleeder fitting, remove bleeder fitting
and apply Teflon tape to threaded portion of
bleeder screw only. This will prevent air seepage
around threads of bleeder screw.)
6) While maintaining vacuum on the pump line,
tighten bleeder fitting.
7) Top off reservoir and reinstall cover. Check brake
by pumping lever several times. Pedal should have
a positive, solid feel. If not, repeat bleeding process
as more air may have entered the system. Inspect
line to ensure all fittings are tight. If brake still feels
slack, consult a service technician.
For dual disc front brakes, repeat bleeding process
as though there are two separate systems.
REAR BRAKE
Removing all air from the rear brake line is the
same as for the front. The rear brake reservoir is
usually located beneath one of the side covers.
1) Remove the master cylinder cap and fill
to near full.
2) Attach the pump hose to the bleeder fitting and
pump the handle several times to create a vacuum.
3) Crack the bleeder with a box wrench. Because of
the short line, most of the air should be evacuated
the first time.
4) By closing the valve and repeating the process,
all of the air should be eliminated from the system.
Stop and add more fluid when master cylinder
gets low.
5) Top off and recap the reservoir.
TROUBLESHOOTING
1) If, after bleeding procedure, the brake continues
to be unresponsive, you may have water in the
system, in which case it will need to be disassembled
and cleaned by a qualified service technician.
2) If the brake squeaks slightly after bleeding,
the disc and pads must be cleaned.
3) Although DOT 3 fluid is recommended by
most manufacturers, it has a tendency to collect
moisture, which causes the common discoloration
you see - and that means decreased efficiency.
DOT 5 is silicone based and does not have the same
tendency to collect moisture. It also has a higher
tolerance. DOT 5, however, is not always easy to
find and the two types of fluid must not be mixed.
4) Rubber hoses are supplied stock on most
motorcycles, but they have a tendency to expand,
which may result in a spongy brake feel after a lot
of riding. Braided steel line will not expand like this.
18
BRAKE BLEEDING

BENCH BLEEDNG THE MASTER CYLINDER
Whenever a master cylinder has been removed
from a vehicle or a new one is being installed,
the master cylinder must be bench bled. Failure
to bench bleed is the main reason for unsuccessful
master cylinder replacement. Bench bleeding
greatly decreases the chance that any air will
be caught in the cylinder upon reinstallation.
Follow this procedure:
1) Plug outlet holes of the master cylinder and
gently clamp it in a vise with the push rod end
slightly elevated. NOTE: Damage may result if
master cylinder is clamped by the bore or if
reservoirs are clamped too tightly.
2) Fill the master cylinder with an approved type
brake fluid and keep it filled at all times during
the procedures.
3) Remove a plug from the master cylinder and
attach the proper adapter to this master cylinder
outlet port. Connect the pump tube to the reservoir
jar and the jar tube to the adapter (FIGURE 16).
4) Operate the pump and observe air and fluid
flowing into the reservoir until clear, bubble-free
fluid appears.
5) Plug the outlet tightly and repeat step 4 on the
other outlet ports.
6) Clamp master cylinder in a vise with the push rod
end down slightly. Slowly slide the master cylinder
push rod back and forth about 1⁄8”, until no air
bubbles can be seen in the reservoirs.
7) Remount the master cylinder with the push rod
end up and follow steps 3 & 4 on all outlet ports.
Plug ports tightly. The master cylinder is now free
of air and ready to install.
19
BRAKE BLEEDING
FIGURE 16: BENCH BLEEDING

PiezasdeServicioyAccesorios .......................................................21
Bombadevacío..................................................................22
Sistemadevacíodelautomóvil.......................................................24
Diagnosisdelacondiciónmecánicadelmotor ............................................26
Sistemadeventilaciónpositivadelcárter................................................28
Recirculacióndelosgasesdeescape ...................................................29
Válvulasderetrasodeencendido......................................................33
Solenoideeléctrico/devacío.........................................................34
Válvulas interruptoras de vacío de control térmico . . . . . . . . . . . . . . . . . . . . . . . . . . . . . . . . . . . . . . . . . 35
Purgadesistemasdefreno..........................................................37
20
CONTENIDO
Si este producto Craftsman falla debido a un defecto de materiales o fabricación en un plazo de un año
desde la fecha de compra, DEVUÉLVALO A CUALQUIER TIENDA SEARS O A OTRO DISTRIBUIDOR CRAFTSMAN
EN ESTADOS UNIDOS PARA OBTENER UN REEMPLAZO GRATUITO.
Esta garantía se aplica sólo durante 90 días a partir de la fecha de compra si este producto se usa alguna
vez para fines comerciales o de alquiler.
Esta garantía no incluye piezas fungibles, como lámparas, pilas, brocas u hojas.
Esta garantía le da derechos legales específicos, y también puede tener otros derechos que varían de un
estado a otro.
Sears, Roebuck and Co., Hoffman Estates, IL 60179
GARANTÍA COMPLETA DE UN AÑO DE CRAFTSMAN

21
PIEZAS DE SERVICIO Y ACCESORIOS
06172
14
123
45
8
9
823373
6
7
12
16
17
11
13
10
822391 – Tubo (2 pedazos)
822303 – Juego de adaptadores
822303 – Juego de adaptadores
822392 – Ventosa
JUEGOS DE SERVICIO DE LA BOMBA
822390 – Juego de depósito
Este juego 04100 823371 823311
1X X X
2X X
3X X
4X X
5X X
6X X
7X X X
8X
9X
10 X
11 X
12 XX
13 XX
14 X
15
16 X
17 X

La bomba de vacío es una herramienta de servicio
versátil que puede usarse para probar diversos sis-
temas del automóvil y realizar tareas útiles. Aunque
la bomba tiene aplicaciones evidentes para probar
diversos motores de vacío, válvulas de control y
fuentes de vacío, sus aplicaciones no se limitan a
estas funciones. Casi todas las partes de sistemas
que requieran un sellado, una presión o un vacío
apropiado para funcionar pueden ser probadas con
la bomba de vacío. La bomba y sus accesorios tam-
bién sirven para transferir líquidos, purgar frenos y
realizar otras tareas. La bomba también cumple con
los requisitos de las herramientas de diagnóstico,
cuando el uso de dichas herramientas ha sido
estipulado en programas de inspección estatal de
vehículos. Esta sección describe la bomba y sus
especificaciones, muestra la forma de usarla y da
algunas recomendaciones para mantener la bomba
en perfectas condiciones de funcionamiento.
DESCRIPCIÓN
La bomba de vacío es simple, precisa, fácil de usar
y tiene muchas aplicaciones. Aunque se ofrece en
varias versiones distintas, La unidad básica de la
bomba consiste en un cuerpo, palanca móvil,
manómetro de vacío, conexión de vacío y una toma
de presión con tapa de seguridad. La bomba cabe
fácilmente en la mano y, cuando se aprieta la
palanca, crea un vacío en la conexión de vacío.
Si la conexión de vacío de la bomba se conecta a
un sistema o recipiente cerrado, el manómetro
mostrará el nivel de vacío. Si se conecta la toma
de presión al recipiente o al sistema, se generará
una presión pero no se indicará en el manómetro.
Si se desea leer la presión, se requiere un
anómetro separado.
RUPTURA DE VACÍO
Existen dos métodos básicos de romper un vacío. El
primer método es nuestro método de ruptura por
gatillo. Se trata de una palanca recta de la que debe
tirarse recto hacia atrás para romper el vacío. Esta
acción permite la entrada de aire en el sistema y
eliminar así el vacío. El segundo método consiste en
un resorte de muelle de acción giratoria. Al girar
despacio el resorte de ruptura de vacío se permitirá
la entrada de aire. Si gira el resorte rápidamente,
el vacío se eliminará rápidamente.
TAPÓN DE SEGURIDAD
El tapón pequeño en la toma de presión está
encajado con un ajuste de fricción. Se puede sacar
tirando hacia afuera y girándolo al mismo tiempo.
El tapón se usa para impedir que los líquidos que
puedan haber sido absorbidos por la bomba (líquido
de frenos, gasolina, etc.) puedan salpicar los ojos
del usuario. Por esta razón, cuando use la bomba,
deberá tener siempre el tapón colocado, excepto
cuando use la toma de presión. La bomba durará
muchos años si la cuida de la forma adecuada.
Consulte la sección CUIDADOS ADECUADOS.
ESPECIFICACIONES
Vacío máximo a Apróx. 25" Hg
nivel del mar: (85 kPa)
Volumen por distancia
recorrida por el émbolo: 1 cu. in. (16cc)
Presión máxima
(Desasistida): 15 psi (103 kPa)
(Asistida): 30+ psi (207+ kPa)
Precisión del vacuómetro 3%-2%-3%
(15" a 20" de Hg): rango total
Sólo se dispone de JUEGOS DE MANTENIMIENTO
para las bombas reparables. Las bombas reparables
son las montadas con tornillos visibles. Las bombas
no reparables están selladas químicamente y no
pueden abrirse sin dañarse. En este tipo de bombas
no se debe intentar ningún tipo de reparación,
excepto su lubricación. Consulte la sección de
LUBRICACIÓN en esta sección.
FORMA DE USAR LA BOMBA DE VACÍO
La bomba de vacío es fácil de usar. En la mayoría de
los casos la bomba se conecta directamente a algún
componente, se utiliza en sustitución de alguna
tubería de vacío o se conecta a un circuito de vacío
22
BOMBA DE VACÍO

mediante un conector en “T”. La bomba puede
funcionar de tres formas distintas como instrumento
de prueba: 1) Cuando se desee crear un vacío para
una prueba, puede apretar simplemente la palanca
móvil de la bomba con la mano, de forma parecida
a cuando se cierra el puño. Siga bombeando hasta
que el manómetro indique el vacío deseado.
2) La bomba puede conectarse a un circuito de vacío
y usarse para medir el vacío existente, al igual que
otros manómetros de vacío. Cuando se utilice de
esta manera no bombee la palanca, ya que puede
producir lecturas erróneas.
3) La bomba también puede utilizarse como
bomba de presión quitando el tapón de seguridad
y conectando la toma de presión. La presión se
genera soltando la palanca desde la posición cer-
rada. Se puede generar más presión empujando
manualmente la varilla del émbolo de la bomba.
PRECAUCIÓN: Asegúrese siempre de que el tapón de
seguridad esté bien colocado, a menos que se esté
usando la toma de presión. En otras secciones de
este manual se describen las aplicaciones específica
de la bomba.
CUIDADOS ADECUADOS
La bomba es un instrumento de precisión de
construcción sólida. ¡Manéjela con cuidado!
No deje caer el manómetro ni lo manipule de forma
descuidada, ya que su precisión puede resultar
afectada. Cuide la bomba y le proporcionará años
de servicio sin problemas.
LUBRICACIÓN
El lubricante de fábrica es un aceite de silicona que
permite usar la bomba durante mucho tiempo.
Si cree necesario lubricar la bomba, utilice un aceite
de silicona. Si no dispone de este aceite, utilice un
líquido de frenos a base de silicona DOT 5 (no DOT
3) o un aceite vegetal comestible. No utilice líquidos
derivados del petróleo ni lubricantes de rociado
(WD4O, aceite de motor, etc.) ya que se dañará
la bomba.
23
BOMBA DE VACÍO

Este manual trata sobre el vacío, cómo se utiliza
en los diversos sistemas del automóvil y cómo
puede utilizar la bomba de vacío para probar y
diagnosticar estos sistemas. Esta sección explica lo
que es el vacío, cómo se mide, dónde se genera en
el automóvil, el sistema de distribución y uso del
vacío, y algunas recomendaciones básicas para
localizar y resolver problemas.
¿QUÉ ES EL VACÍO?
n pocas palabras, el vacío es falta de materia y
puede ser total o parcial. El vacío en sí mismo no
puede generar energía. La energía generada por
los aparatos de vacío depende de la presión
atmosférica. La atmósfera ejerce una presión de
14.7 lb/pulg2sobre todos los objetos a nivel del
mar. Si se extrae cierta cantidad de aire de un
lado de un diafragma (vacío parcial), la presión
atmosférica ejercerá una fuerza sobre el otro lado
del diafragma. La fuerza ejercida es igual a la
diferencia de presión multiplicada por el área del
diafragma (FIGURA 1). Por lo general, cuanto
más aire se extraiga (más vacío se genere) en un
espacio, más fuerza ejercerá la presión atmosférica.
¿CÓMO SE MIDE EL VACÍO?
En Estados Unidos, el vacío se mide generalmente
en pulgadas de mercurio (" de Hg). También puede
medirse en centímetros de mercurio (cm de Hg).
La presión atmosférica puede sostener una columna
de mercurio de aproximadamente 76 cm de altura
en la columna de un manómetro. Esta es la misma
presión barométrica medida en milímetros de Hg
que varía al cambiar las condiciones meteorológicas.
Las indicaciones de vacío en pulgadas de Hg son en
realidad indicaciones negativas de presión. Por
ejemplo, un vacío de 30" de Hg representa un vacío
completo. La mitad de un vacío completo serían 15"
de Hg. Un motor de combustible al ralentí suele
producir un vacío de 16 a 22" de Hg. Durante la
desaceleración, dado que el acelerador se mantiene
cerrado, el vacío aumentará. La bomba de vacío
puede generar aproximadamente 25" de Hg; el
manómetro de vacío está calibrado en pulgadas y
en kilopascales (kPa).
POR QUÉ CREAN VACÍO LOS MOTORES
El vacío se crea al extraer el aire de cierto espacio,
o al aumentar un volumen hermético. Éste es el
motivo por el que se dispone de vacío en el motor.
Durante el tiempo de admisión, el émbolo se mueve
hacia abajo, creando un vacío parcial al aumentar el
volumen del cilindro. El aire no puede entrar por la
válvula de admisión con suficiente rapidez para
llenar totalmente el espacio creado al bajar el
émbolo (FIGURA 2). Ésta es la fuente de suministro
de vacío más común del automóvil.
24
EL SISTEMA DE VACÍO DEL AUTOMÓVIL
FIGURA 1:
EL VACIÓ Y LA PRESIÓN ATMOSFÉRICA
14.7 lb/pulg2 - 10.7 lb/pulg2= 4.0 lb/pulg2
40 libras
14.7 lb/pulg2
10.7 lb/pulg2
Área del émbolo 10 pulg2
FIGURA 2: EL MOTOR COMO FUENTE DE
ABASTECIMIENTO DE VACIÓ
Vacío
Aire
Orificio de vacío
Tiempo de
admision

VACÍO EN LOS MOTORES DE COMBUSTIBLE
Y DIESEL
Como Los motores diesel no generan tanto vacío
como los motores de gasolina, se necesita una
bomba mecánica de vacío para operar los disposi-
tivos que requieran vacío. La bomba de vacío sirve
coma herramienta útil para probar dispositivos en
ambos tipos de motores.
DISTRIBUCIÓN DE VACÍO
Todos los automóviles modernos cuentan con un
sistema de distribución de vacío (FIGURA 3) que
consiste en conductos, mangueras, conexiones y
dispositivos de vacío. Este sistema debe ser a prueba
de fugas. De lo contrario, la mezcla de aire y
combustible del motor se empobrecerá debido a la
entrada de aire adicional por las fugas, causando
problemas tales como válvulas de escape quemadas,
ralentí irregular, calado, encendido prematuro,
bujías quemadas, etc. Además, cualquier dispositivo
accionado por vacío, y que se vea afectado por las
fugas de vacío no funcionará correctamente. Un
motor normal de gasolina suele producir, en el
múltiple de admisión, un vacío de 16 a 22" de Hg
al ralentí. Ésta es una indicación de que el motor
está funcionando en buenas condiciones. Cuanto
menor sea el vacío del múltiple, menos eficiente
será el funcionamiento del motor y menor será
la distancia recorrida por litro de combustible.
El sistema de distribución de vacío suministra vacío
a los motores de vacío (servos) del sistema de aire
acondicionado, reforzador del freno, servocontrol
de velocidad, controles de emisiones, sensor de
presión absoluta del múltiple (MAP) y sistemas de
control de la transmisión automática. En vehículos
más viejos, también se suministra vacío al mecanismo
de avance y retardo de vacío del distribuidor. Estos
dispositivos pueden estar conectados directamente
al vacío del múltiple, o pueden controlarse mediante
solenoides eléctricos, interruptores termostáticos u
otros controles de vacío.
LOCALIZACIÓN Y RESOLUCIÓN DE
PROBLEMAS DEL SISTEMA DE VACÍO
La mayoría de los problemas de vacío se deben a
fugas que se producen en mangueras, diafragmas o
válvulas de los motores. Los tubos aprisionados o las
válvulas obstruidas tampoco permiten producir
vacío. Los problemas también pueden deberse a
la operación mecánica defectuosa de dispositivos
impulsados por motores de vacío. La bomba de
vacío puede usarse para medir el vacío en una
manguera. El manómetro de vacío es muy útil para
detectar las fluctuaciones del suministro de vacío.
La bomba de vacío le permite probar todo tipo de
dispositivos operados por vacío. Por ejemplo, en un
motor de vacío, la bomba permite verificar la op-
eración mecánica del dispositivo así como también
medir el vacío necesario para hacerla funcionar.
25
EL SISTEMA DE VACÍO DEL AUTOMÓVIL
FIGURA 3: SISTEMA TÍPICO DE DISTRIBUCIÓN DE VACÍO
Al Múltiple de Admisión
Al Aire Acondicionado,
Calentador
Interruptor PRNDL
Motor de Desconexión
del Freno
Avance del
Distribuidor
Reforzador
del Freno
Motor del Aire de Admisión
Al Control
de Velocidad
Transmisión
Automática
BLOQUE DE DISTRIBUIÓN DE VACÍO

COMPROBACIONES Y DIAGNOSIS DEL
MANÓMETRO DE VACÍO
Las lecturas del manómetro de vacío de la bomba
pueden dar indicaciones de posibles problemas
mecánicos, pero no sin errores. Observe el manómetro
detenidamente y siempre que sea posible, realice
más lecturas de vacío para confirmar la diagnosis.
No espere a que el motor dé unas indicaciones
(numéricas) especificas de vacío. Es mucho más
importante el intervalo de lecturas de vacío y el
movimiento de la aguja (FIGURA 5). Entre las cosas
importante que se pueden observar es CÓMO se
mueve la aguja (de modo uniforme o con sacudidas,
irregularmente, etc.), en qué sentido se mueve, si el
movimiento es regular o variable y que distancia se
mueve la aguja. A continuación se indican algunos
ejemplos sobre qué se debe observar y el significado
de las distintas lecturas del manómetro de vacío.
MOTOR NORMAL
Mantenga el motor al ralentí y conecte la bomba a
una toma del múltiple de admisión. Observe el
movimiento de la aguja del manómetro. Al ralentí,
la lectura del manómetro de vacío debe ser estable
y estar comprendida entre 16" y 22" de Hg.
VÁLVULAS QUEMADAS O CON FUGAS
Con el motor al ralentí, las válvulas quemadas o con
fugas harán que la aguja del manómetro descienda
a una lectura baja y que vuelva a una lectura
normal en intervalos regulares. Cuando la válvula
defectuosa trate de cerrarse, la aguja bajará de
1 a 7" de Hg, en intervalos regulares.
VÁLVULAS AGARROTADAS
La presencia de una válvula agarrotada producirá
una bajada rápida e intermitente de la aguja con
relación a la lectura normal. Esto es distinto a la
bajada normal producida por una válvula quemada
o con fugas. Las válvulas agarrotadas pueden detec-
tarse aplicando directamente un aceite ligero a cada
guía de válvula. Cuando el aceite llegue a la válvula
defectuosa se resolverá el problema temporalmente.
RESORTE DE VÁLVULA FLOJO O ROTO
Los resortes de válvula flojos pueden detectarse
cuando la aguja del manómetro de la bomba varíe
entre 10" y 21" de Hg con el motor al ralentí. Las
fluctuaciones aumentarán al aumentar la velocidad
del motor. La presencia de un resorte de válvula
roto hará que la aguja fluctúe rápidamente en un
intervalo regular. Esto se produce también cada vez
que la válvula trate de cerrarse.
Para probar un diafragma, aplique un vacío de
10" de Hg al dispositivo (FIGURA 4). Observe el
manómetro para ver si la aguja sigue bajando
espués de que el dispositivo deje de funcionar.
Si la aguja sigue bajando, indica que existe una
fuga en el diafragma. Si el diafragma está en
buenas condiciones, el vacío se mantendrá durante
un minuto y con la aguja sin moverse.
26
EL SISTEMA DE VACÍO DEL AUTOMÓVIL
DIAGNOSIS DE LAS CONDICIONES MECÁNICAS DEL MOTOR
FIGURA 4: PUNTOS TÍPICOS DE SUMINISTRO DE VACÍO DEL CARBURADOR
Cuerpo del Carburador o Acelerador
Vacío de Recirculación de los Gases de Escape
• Cero con el acelerador cerrado
• Sique siendo cero con el suministro de vacío “S”
• Igual al vacío del múltiple con el
acelerador mas abierto
Vacío de Venturi
• Débil o nulo en crucero o ralent
• Fuerte con el acelerador completamente abierto
Posición cuando el vacío “S” y
“E” están activados
Placa del acelerador (posición cerrada)
Vacío del Múltiple de Admisión
• Disponible con el motor en marcha
• Máximo con el acelerador cerrado
• Disminuye gradualmente a medida
que se abre el acelerador
• Pero se mantiene fuerte si se
mantiene cerrado el estrangulador
Vacío del Orificio de la Chispa
• Cero con el acelerador
cerrado
• Igual al vacío del múltiple
durante ralentí
• Antes se utilizaba para controlar el vacío de la
“chispa” al diafragma de avance del distribuidor

GUÍAS DE VÁLVULA DESGASTADAS
La guías de válvula desgastadas permiten el paso de
aire que descompensa la mezcla de combustible y aire.
La lectura del manómetro será menor que lo normal y
fluctuará rápidamente en un margen de unas 3" de
Hg. La aguja se estabilizará al acelerar el motor.
AROS DE PISTÓN CON FUGAS
La lectura de vacío con el motor al ralentí será baja
pero estable, entre 12" y 16" de Hg. Acelere el
motor hasta 2000 rpm y a continuación deje de
acelerarlo instantáneamente. La aguja debe pasar de
2 a 5" de Hg por encima de la lectura normal. Un
incremento menor que el anterior puede indicar que
los aros son defectuosos, que el cilindro está rayado
o que se debe hacer una prueba de compresión.
JUNTA DE CULATA ROTA
Al ralentí, la aguja del manómetro de la bomba de
vacío fluctuará entre una lectura normal y una
lectura baja. La aguja bajará rápidamente 10" de
Hg con respecto a la lectura normal y volverá a la
lectura normal cada vez que el cilindro o cilindros
defectuosos vuelvan a la posición de encendido.
PRUEBA DE RESTRICCIÓN EN EL SISTEMA
DE ESCAPE
La restricción del sistema de escape producirá un
rendimiento normal o casi normal con el motor al
ralentí pero muy bajo cuando el motor esté cargado
o funcione a mayores velocidades.
1) Conecte la manguera de la bomba a una conexión
de vacío del múltiple de admisión. Haga funcionar el
motor al ralentí y observe la lectura de vacío y el
movimiento de la aguja. Compare estas lecturas y
movimientos con las descripciones indicadas para
válvulas quemadas, retraso del encendido o
sincronización de las válvulas.
2) Observe el manómetro de vacío de la bomba
mientras se acelera el motor hasta 2500 rpm
aproximadamente.
3) Un aumento de vacío en comparación con la
lectura obtenida con el motor al ralentí significa que
no hay una restricción en el sistema de escape.
4) Si al aumentar las rpm del motor la aguja baja
hasta cero, significa que existe una restricción o que
hay una válvula de recirculación de los gases de
escape demasiado activa.
5) Haga una prueba por separado la válvula de
recirculación de los gases de escape. Si determina
que está en buenas condiciones, el problema se
debe a una restricción en el sistema de escape.
Compruebe y sustituya las piezas necesarias.
MEZCLA INCORRECTA DE AIRE Y
COMBUSTIBLE AL RALENTÍ
Cuando la aguja del manómetro se mueve lenta-
mente de un lado a otro con el motor al ralentí,
en un intervalo de 4 a 5" de Hg, significa que la
mezcla de combustible es demasiado rica. Una mezcla
demasiado pobre provocará una bajada irregular de
la aguja en aproximadamente el mismo intervalo.
PÉRDIDAS DE AIRE EN EL MÚLTIPLE
DE ADMISIÓN
Si hay fugas de aire en el sistema de admisión de
27
DIAGNOSIS DE LAS CONDICIONES MECÁNICAS DEL MOTOR
FIGURA 5: LECTURAS DEL VACUÓMETRO
Con el motor en ralenti, la aguja
del vacuómetro deberá manten-
erse suavemente entre 16" y 22"
de Hg.
Si la aguja baja con el motor
en ralenti significa que
alguna válvula está
agarrotada.
Si con el motor en ralenti la
aguja se mueve flotando de
izquierda a derecha significa
que el carburador recibe
mucho o muy poco com-
bustible en la mezcla.
Si la aguja muestra una lectura
baja con el motor en ralenti sig-
nifica que el temporizado de la
explosíon de la mezcla se realiza
tarde o indica una fuga en el
múltiple de admisión.

OPERACIÓN DEL SISTEMA
El sistema de ventilación positiva del cárter (PCV) se
usa en “T”odos los motores modernos para reducir
la contaminación de aire al extraer de forma más
completa los vapores del cárter. El aire se aspira por
un filtro ubicado en el filtro de aire, pasando al
cárter por una manguera en la tapa de las válvulas.
De ahí pasa transversalmente y hacia arriba a la
parte trasera del múltiple de admisión o a la tapa
opuesta de las válvulas, por la válvula PCV y por
una manguera al múltiple de admisión. El múltiple
de admisión aspira todos los vapores del cárter para
quemarlos en el motor.
Cuando la cantidad de aire que atraviesa el carbu-
rador o cuerpo del acelerador es alta, el aire añadido
procedente del sistema PCV no surte ningún efecto
en el funcionamiento del motor. Sin embargo, al
ralentí, la cantidad de aire que atraviesa el carbu-
rador o cuerpo del acelerador es tan pequeña que
cualquier cantidad grande agregada por el sistema
de ventilación descompensara la mezcla de aire y
combustible, ocasionando un ralentí irregular. Por
esta razón, la válvula PCV limita el paso de aire
cuando el vacío en el múltiple de admisión es alto.
PROCEDIMIENTOS DE REPARACIÓN
Tras cierto período de funcionamiento, la válvula
PCV puede obstruirse, reduciendo la ventilación del
cárter. Esta válvula debe reemplazarse periódica-
mente para impedir la formación de ácidos en el
cárter y un aumento excesivo de la presión en el
mismo que forzará la salida del aceite del motor
por las juntas. Use el procedimiento siguiente para
probar el sistema de ventilación usando la bomba:
1) Inspeccione el sistema para ver si hay mangueras
retorcidas, obstruidas o deterioradas. Asegúrese de
que todas las mangueras estén bien conectadas.
Realice las reparaciones necesarias.
2) Conecte la bomba a un orificio del múltiple de
admisión y compruebe la lectura de vacío con el
motor caliente y al ralentí.
3) Cierre a presión la manguera de vacío a la
válvula PCV. La velocidad del motor deberá
disminuir 100 rpm para indicar la fuga de aire
en el múltiple de admisión. La lectura del
manómetro vacío deberá aumentar ligeramente.
Si esto no sucede, reemplace la válvula PCV o las
mangueras dañadas, obstruidas o aflojadas.
4) Si el ralentí del motor es muy bajo o irregular,
se puede deber a una manguera o válvula PCV
obstruida. No ajuste la velocidad de ralentí sin
comprobar primero el sistema PCV.
5) Después de instalar una válvula PCV nueva,
ajuste siempre la velocidad de ralentí, y si es
posible, la mezcla de aire y combustible. La
instalación de una válvula equivocada puede
hacer que una cantidad excesiva de vapor circule
a través del sistema si la purga calibrada es
demasiado grande. Esto descompensara
excesivamente la mezcla de aire y combustible.
Si la abertura es demasiado pequeña, se anulará
el efecto de la obstrucción, las emisiones
aumentarán, se formaran ácidos en el cárter
y se podrán producir fugas de aceite. Cerciórese
de conseguir la válvula PCV correcta para su
automóvil.
aire, la aguja del manómetro de la bomba estará
de 3 a 9" por debajo de la lectura normal pero
permanecerá estable.
RETRASO DEL ENCENDIDO O SIN-
CRONIZACIÓN DE LAS VÁLVULAS
Una lectura muy baja pero estable con el motor
al ralentí indica un retraso del encendido o
sincronización de las válvulas, o un juego de
válvulas uniformemente ajustado. Haga pruebas
por separado para determinar si alguno de estos
problemas afecta el funcionamiento del motor.
28
DIAGNOSIS DE LAS CONDICIONES MECÁNICAS DEL MOTOR
SISTEMA DE VENTILACIÓN POSITIVA DEL CÁRTER

El sistema de recirculación de gases de escape se
usa en la mayoría de los motores modernos para
reducir las emisiones de óxidos de nitrógeno (NOx).
Durante el proceso de combustión, el nitrógeno, que
constituye el 80 por ciento del aire, se mezcla con
oxigeno a temperaturas superiores a 1400°C.
Durante este proceso de combustión, la temperatura
en el cilindro subirá por encima de 1900°C creando
las condiciones ideales para la formación de NOx.
OPERACIÓN DEL SISTEMA
Para reducir la formación de NOx es necesario reducir
la temperatura de combustión. Generalmente esto
se consigue recirculando los gases de escape a las
cámaras de combustión a través de una válvula.
Esta válvula (FIGURA 6) puede hacerse funcionar
mediante un vacío conectado por encima de las placas
del acelerador o mediante un sistema de control
sofisticado que regula la cantidad de recirculación de
gases de escape dependiendo de la temperatura del
refrigerante, temperatura ambiente, velocidad o
carga del motor. Las válvulas de recirculación de los
gases de escape que no cuenten con un sistema de
control sofisticado deben mantenerse totalmente
cerradas con un vacío de 2" de Hg, empezarse a abrir
entre 2" y 8.5", y abrirse completamente por encima
de 8.5" de Hg. Con el motor al ralentí y con el
acelerador completamente abierto, el vacío conectado
es bajo y la válvula debe estar cerrada.
Algunos automóviles usan una válvula de transduc-
tor de contrapresión para modular la operación del
sistema de recirculación de los gases de escape,
mientras que otros disponen de un amplificador de
vacío para realizar la misma tarea. El efecto de
estos dispositivos es modular la cantidad recirculada
de gases de escape de acuerdo con la carga del
motor. Para mejorar la conducción en frío, muchos
automóviles están equipados con cierto tipo de
dispositivo de control de vacío para cerrar el paso
de los gases de escape cuando el motor esté frío.
Los sistemas de recirculación de los gases de escape
suelen fallar de dos formas. La válvula puede fallar
debido a una avería propia, tal como la ruptura de
un diafragma, o debido a una pérdida del vacío que
la controla. Antes de sustituir la válvula, asegúrese
siempre de que la manguera conectada a la válvula
de recirculación de los gases de escape transmita el
vacío que ésta necesita. Conecte la bomba a la
manguera de suministro de vacío de la válvula de
recirculación de los gases de escape y compruebe
que a 2000 rpm existe un vacío de 4 a 5" de Hg.
Recuerde también que cuando los conductos de los
gases de escape conectados a la válvula estén
atascados, pueden limitar el flujo incluso cuando
se abra la válvula.
La válvula de recirculación que se mantenga abierta
continuamente hará que el ralentí del motor sea
irregular, que el motor se cale, y que pierda
compresión y suavidad con el acelerador completa-
mente abierto. La válvula normalmente no se cierra
cuando hay suciedad o cuando el asiento está
29
RECIRCULACIÓN DE LOS GASES DE ESCAPE
FIGURA 6: OPERACIÓN DE LA VÁLVULA DE RECIRCULACIÓN DE LOS GASES DE ESCAPE
Al Suministro de Vacío Al Suministro de Vacío
Señal de Vacío Aplicada
Válvula abierta, paso de los gases de escape al múltiple de admisión
No Hay Señal de Vacío
Válvula cerrada, gases de escape bloqueados

dañado. Las válvulas de recirculación de los gases de
escape puede funcionar normalmente con el motor
caliente, pero pueden continuar abiertas con el motor
en frío. Esta situación puede surgir debido a algún
mecanismo interruptor térmico dañado que no corta
el suministro de vacío cuando el motor está frío.
PROCEDIMIENTO DE REPARACIÓN –
PRUEBA GENERAL (EXCEPTO LOS TIPOS
FABRICADOS POR GM O CONTROLADOS
POR CONTRAPRESIÓN)
Si los síntomas del motor le hacen pensar que
alguna válvula de recirculación de los gases de
escape se mantiene abierta constantemente, siga
este procedimiento:
1) Conecte un tacómetro al motor y haga funcionar
el motor al ralentí hasta que alcance la temperatura
normal de funcionamiento. Use la bomba para
probar si existen al menos 10” de presión en la
válvula. Vuelva a conectar la manguera y anote
las rpm del motor.
2) Desconecte la manguera de vacío del motor y
observe si aumentan las rpm del motor.
3) Si aumenta la velocidad del motor, es posible
que exista algún tipo de problema en el circuito de
control de vacío. Compruebe el tendido de todas las
mangueras de vacío.
4) Si cambia la velocidad del motor o la calidad del
ralentí, quite la válvula y compruebe el tetón y el
asiento de la válvula para asegurarse de que ambos
estén limpios. Si no están limpios, sustituya la
válvula, la junta y el adaptador si están quemados,
deformados o dañados. Si los síntomas del motor le
hacen pensar que alguna válvula de recirculación
de los gases de escape se mantiene cerrada
constantemente, siga este procedimiento:
1) Haga funcionar el motor al ralentí hasta que
alcance la temperatura normal de funcionamiento.
Use la bomba para probar si existen al menos 10"
de Hg de vacío en la válvula. Aumente la velocidad
del motor hasta unas 2000 rpm. Conecte la
manguera de suministro de vacío. Conecte la bomba
a la válvula de recirculación y aplique un vacío de
10 a 15" de Hg.
2) Se debe abrir el diafragma y se debe observar
una reducción de las RPM del motor. Si no es así,
la válvula es defectuosa o los conductos del múltiple
están atascados. Rompa el vacío en la válvula de
recirculación de los gases de escape.
3) Se debe cerrar el diafragma y se debe observar
un aumento en las rpm del motor. Vuelva a hacer
funcionar el motor al ralentí y apáguelo.
4) Conecte la bomba a la válvula de recirculación
de los gases de escape y sométala a una prueba
aplicando un vacío de al menos 9" de Hg al
diafragma. Observe la aguja del manómetro
detenidamente para ver si se pierde vacío.
5) Si el diafragma de la válvula no se mueve,
o no puede mantener el vacío, sustituya la válvula
de recirculación de los gases de escape.
PROCEDIMIENTO DE REPARACIÓN –
VÁLVULAS DE RECIRCULACIÓN DE LOS
GASES DE ESCAPE DE GM
General Motors fabrica tres tipos de válvulas de
recirculación de los gases de escape. Cada una de
las válvulas puede identificarse mediante el diseño
de la placa del diafragma (FIGURA 7). La primera
válvula es de vacío conectado y tiene sólo una
nervadura circular en la parte anterior de la placa
del diafragma. La segunda válvula es de contrapre-
30
RECIRCULACIÓN DE LOS GASES DE ESCAPE
FIGURA 7: DIAFRAGMAS DE RECIRCULACIÓN DE LOS GASES DE ESCAPE FABRICADOS POR GM
PVacío Portado Contrapresion Positiva Contrapresion Negativa

sión positiva con dos nervaduras cruzadas en forma
de X que sobresalen sólo un poco por encima del
diafragma. Finalmente, existe una tercera válvula
de contrapresión negativa con dos nervaduras
cruzadas en forma de X que sobresalen mucho por
encima del diafragma. Las válvulas de vacío conec-
tado y de contrapresión negativa se prueban de la
misma forma. Se utiliza un método de prueba
distinto para las válvulas de contrapresión positiva.
PRUEBA DE LAS VÁLVULAS DE RECIRCU-
LACIÓN DE LOS GASES DE ESCAPE DE
CONTRAPRESIÓN NEGATIVA Y VACÍO
CONECTADO FABRICADAS POR GM
1) Asegúrese de que todas las mangueras de vacío
estén tendidas de acuerdo con la etiqueta de control
de emisiones.
2) Compruebe si hay obstrucciones en la conexión
de vacío a la válvula de recirculación de los gases
de escape.
3) Conecte la bomba entre la válvula de
recirculación de los gases de escape y el carburador
o el suministro de vacío. Arranque el motor y hágalo
funcionar al ralentí hasta que alcance la temperatura
normal de funcionamiento (195 °F aproximada-
mente). Compruebe el vacío a 3000 rpm. La lectura
debe ser de 5" de Hg como mínimo.
4) Si no se detecta ningún vacío en el paso 3,
observe la lectura entre el interruptor térmico de
vacío y el carburador. Si obtiene una lectura de
vacío en ese lugar sustituya el interruptor térmico
de vacío.
31
RECIRCULACIÓN DE LOS GASES DE ESCAPE
FIGURA 8: SISTEMA DE RECIRCULACIÓN DE LOS
GASES DEL ESCAPE DE CONTROL DE VACÍO POR
VENTURI DE CHRYSLER
Al Relé del
Estrangulador
Vacío del Múltiple
Al Encendido
Amplificador de Vacío
Solenoide de
Retraso del
Sistema de
Recirculación
de los Gases
de Escape
Sincronizador
de Retraso del
Sistema de
Recirculación
de los Gases
de Escape
Válvula de Recirculación
de los Gases de Escape
Válvula de Temperatura
de Recirculación de los
Gases de Escape de
Control de Refrigerante
Interruptor de Vacío del motor
de control del refrigerante

5) Si el suministro de vacío entre la válvula de
recirculación de los gases de escape y el carburador
es adecuado, conecte la bomba a la entrada de la
válvula de recirculación de los gases de escape.
Haga presión sobre el diafragma de la válvula y
aplique aproximadamente 10" de Hg de vacío a la
válvula. Suelte el diafragma y observe el tiempo
que tarda en volver a la posición de asiento.
6) Si tarda menos de 20 segundos, sustituya la válvula.
PRUEBA DE LAS VÁLVULAS DE
RECIRCULACIÓN DE LOS GASES DE
ESCAPE DE CONTRAPRESIÓN POSITIVA
FABRICADAS POR GM
1) Siga los pasos 1 a 4 de la prueba de la
válvulas de recirculación de los gases de escape
de contrapresión negativa y vacío conectado.
2) Quite la válvula del motor. Conecte la bomba a
la entrada de la válvula de aplique 10" de Hg de
vacío. La válvula no debe abrirse. Si se abre,
sustituya la válvula.
3) Continúe la prueba de la válvula manteniendo el
vacío aplicado y lanzando aire de baja presión por
la entrada de escape de la válvula. La válvula debe
abrirse. Si no se abre, sustituya la válvula.
AMPLIFICADOR DE VACÍO DE VENTURI DEL
SISTEMA DE RECIRCULACIÓN DE LOS GASES
DE ESCAPE
Algunos motores disponen de un amplificador de
vacío de venturi que utiliza la señal de vacío débil
procedente del cuello del carburador para permitir
el paso del vacío más fuerte del múltiple de
admisión a fin de operar la válvula de recirculación.
En la mayoría de las aplicaciones el amplificador
proporciona un refuerzo de 2" de Hg a Ia señal del
venturi (FIGURA 8).
PROCEDIMIENTO DE REPARACIÓN
1) Haga funcionar el motor al ralentí hasta que
alcance la temperatura normal de operación.
2) Asegúrese de que la manguera que va desde el
múltiple de admisión al amplificador esté bien
conectada. En los sistemas que tengan un depósito,
desconecte la manguera del depósito y utilice un
conector en “T” para unir la manguera a la
manguera de vacío del múltiple de admisión.
3) Use tramos de manguera separados y conectores
diferentes para poner en derivación cualquiera o
todas las válvulas de vacío o las válvulas contro-
ladas por refrigerante ubicadas entre la válvula de
recirculación y el amplificador.
4) Utilice un conector en “T” para conectar la
bomba al conducto de vacío entre el amplificador
y la válvula de recirculación.
5) Aumente la velocidad del motor a 1500/2000
rpm y suelte el acelerador. Deje que el motor vuelva
al ralentí y desconecte la manguera de vacío en el
venturi del carburador. La lectura de vacío debe
tener una tolerancia de ±0.3" de Hg con respecto al
refuerzo especificado para ese amplificador, en el
caso de que se especifique un vacío distinto de cero.
Un refuerzo cero puede indicar entre 0" y 0.5" de
Hg. Sustituya el amplificador si no cumple con la
especificación.
6) Aumente la velocidad del motor. Observe la
lectura del manómetro de vacío y suelte el aceler-
ador cuando se alcancen de 1500 a 2000 rpm.
Si la lectura de vacío del manómetro muestra un
incremento superior a 1" de Hg durante el período
de aceleración, se debe sustituir el amplificador.
7) Desconecte la bomba del conducto de salida de
vacío y vuelva a conectar las mangueras, pero siga
derivando las demás válvulas. Conecte la bomba y
aplique un vacío de 2 a 4" de Hg al orificio del
amplificador conectado normalmente al vacío del
múltiple de admisión. La válvula de recirculación de
los gases de escape deberá funcionar y el ralentí del
motor debe disminuir o ser irregular. Si no se mueve
la válvula de recirculación sustituya el amplificador.
OPERACIÓN DE LA VÁLVULA
TRANSDUCTORA DE CONTRAPRESIÓN
La válvula transductora de contrapresión controla la
cantidad de gases recirculados según la carga del
motor. Se introduce una sonda de presión en el
32
RECIRCULACIÓN DE LOS GASES DE ESCAPE

conducto de cruce del escape para tomar una
muestra de los gases de escape. Durante el
funcionamiento del motor con cargas ligeras, la
presión en el cruce del escape es relativamente
pequeña, mientras que durante el funcionamiento
con el acelerador completamente abierto, la presión
es máxima. La señal de la presión se transmite al
diafragma de la válvula transductora de contrapre-
sión y se utiliza para controlar el vacío que se debe
aplicar a la válvula de recirculación de los gases de
escape (FIGURA 9).
PROCEDIMIENTOS DE REPARACIÓN
1) Quite el filtro de aire y tapone la conexión del
múltiple de admisión. Haga funcionar el motor al
ralentí hasta que alcance la temperatura normal de
operación. Coloque el seguidor de la leva de ralentí
alto en el segundo escalón de la leva de ralentí alto
(para obtener unas 1500 rpm). A continuación
observe las rpm del motor con un tacómetro y utilice la
bomba para probar el suministro de vacío en la fuente
del múltiple (FIGURA 10). Observe esta lectura.
2) Conecte la bomba con un conector en “T” al
conducto de vacío de la válvula transductora de
contrapresión. La lectura debe ser de 1 a 2" de Hg.
Sustituya la válvula transductora de contrapresión si
la lectura no cumple con las especificaciones.
3) Deje el manómetro de vacío en esta posición,
desconecte la manguera de la válvula de recircu-
lación de los gases de escape y tapone la abertura
de la manguera. Tome la lectura del manómetro de
la bomba. Esta lectura debe ser la misma que la
lectura del múltiple de admisión. Si esta lectura no
se aproxima menos de 2" de Hg a la lectura tomada
del suministro de vacío, sustituya la válvula
transductora de contrapresión.
Las válvulas de retraso de encendido tienen como
función retrasar el suministro de vacío al mecanismo
activador de avance de vacío del distribuidor durante
aceleraciones bruscas, para retrasar la activación del
sistema termoactuador de reacción de inducción de
aire cuando el motor funciona al ralentí durante
períodos largos, y para retrasar la aplicación de
vacío al diafragma del estrangulador automático
durante el funcionamiento del motor en frío.
En algunos motores hay instalada una válvula de
metal sinterizado en el diafragma de avance
(exterior) de vacío de la unidad de control del
distribuidor. La función de esta válvula es retrasar
el avance del encendido durante las aceleraciones
rápidas para reducir al mínimo la formación de
NOx. El metal sinterizado es poroso y permite
33
RECIRCULACIÓN DE LOS GASES DE ESCAPE
OPERACIÓN DE LA VÁLVULA DE RETRASO DE ENCENDIDO
FIGURA 9: VÁLVULA TRANSDUCTORA DE
CONTRAPRESIÓN DE GASES DE ESCAPE
A la Chispa del
Distribuidor –
Válvula Térmica
de Vacío
Expuesta a la Presión de los Gases de Escape
A la Válvula de
Recirculación
de los Gases
de Escape
Conecte la bomba aquí
Transductor
Entrada de los
gases de escape
Válvula de
recirculación
de los gases
de escape
FIGURA 10: PRUEBE CON LA BOMBA EL
SUMINISTRO DE VACÍO PARA LA VÁLVULA
TRANSDUCTORA DE CONTRAPRESIÓN

purgar el vacío a través de la válvula comportán-
dose como un orificio de unos 0.05 mm de
diámetro. El control se obtiene variando el número
de discos en cada conjunto de válvula de modo que
el retraso pueda adaptarse al motor (FIGURA 11).
PROCEDIMIENTOS DE REPARACIÓN
El retraso de la válvula varía con la aplicación del
motor. Las distintas válvulas pueden identificarse
por el color y el número de pieza. Las válvulas de
retraso de encendido no pueden repararse y deben
sustituirse cada 12.000 millas, ya que los poros del
metal sinterizado se llenan de polvo, lo que puede
reducir el rendimiento de la válvula. NOTA: La
válvula de retraso de encendido sólo admite flujo en
una dirección, por lo que debe instalarse siempre
con la parte negra apuntando al orificio de vacío
del carburador. Para determinar si funciona bien
una válvula de retraso de encendido, siga el proced-
imiento de diagnóstico indicado a continuación:
1) Con la transmisión en neutral, ponga el carburador
en la posición de ralentí rápido, quite la válvula de
retraso de encendido y conecte la bomba de vacío
a la manguera que va hacia al orificio de encendido
del carburador usando un conector en “T”.
2) Anote la lectura de vacío. Debe estar comprendida
entre 10" y 16" de Hg.
3) Apriete la manguera de vacío cerrando el paso y
compruebe si el manómetro mantiene el nivel de
vacío. Si el manómetro muestra que el vacío baja con
la manguera apretada, el manómetro o la manguera
de vacío tienen fugas que deben corregirse.
4) Conecte ahora la parte negra de la válvula de
retraso de encendido a la manguera de vacío que
va al orificio de encendido del carburador. Conecte
un extremo de la manguera de vacío a la bomba y
el otro extremo al extremo del distribuidor de la
válvula de retraso de encendido. Mida los segundos
que tarda el manómetro en alcanzar 6" de Hg, con
un suministro de vacío de 10 a 16" de Hg. Si el
vacío alcanza una lectura de 6" de Hg en menos
de 2 segundos, independientemente del tipo de
válvula, ésta debe ser sustituida. Cuando compruebe
la válvula, debe tener cuidado de no permitir la
entrada de aceite o suciedad en la misma, ya que
puede impedir su funcionamiento.
34
OPERACIÓN DE LA VÁLVULA DE RETRASO DE ENCENDIDO
PROCEDIMIENTO DE REPARACIÓN
1) Desconecte los conectores de vacío y eléctricos
del solenoide. Conecte la bomba al orificio “B” y
trate de aplicar vacío con la bomba. El vacío debe
romperse por el orificio “A” (FIGURA 12).
2) Use cables auxiliares para conectar el terminal
negativo del solenoide a tierra y aplicar 12 voltios
al terminal positivo. Aplique un vacío al orificio “B”.
El vacío debe mantenerse. Si el solenoide no puede
mantener el vacío, cámbielo.
3) Con el solenoide aún conectado eléctricamente,
conecte la bomba de vacío al orificio “A” e intente
aplicar vacío. El vacío debe romperse por el filtro de
aire y no debe haber vacío en el orificio “B”.
SOLENOIDE ELÉCTRICO/DE VACÍO
FIGURA 12: SOLENOIDE DE VACÍO TÍPICO
Filtro de aire
Orificio “A”
Terminal positivo
Orificio “B”
FIGURA 11: VÁLVULA DE RETRASO DE
ENCENDIDO TÍPICA
Válvula de Retraso
de Encendido

PROCEDIMIENTO DE REPARACIÓN
Estas válvulas de control se denominan interruptores
de vacío conectado (PVS) en los motores Ford,
válvulas de control de encendido térmico (TIC) en
los motores Chrysler e interruptores de vacío
térmicos del distribuidor (DTVS) en los motores
General Motors. La válvula de dos orificios se utiliza
para detener la recirculación de los gases de escape
cuando el motor está frío. Este tipo de interruptor
térmico es necesario para permitir una buena con-
ducción del vehículo al limitar la entrada de los gases
de recirculación hasta que el motor esté caliente. La
válvula de tres orificios se denomina normalmente
interruptor de vacío conectado del sistema de
enfriamiento porque cambia el vacío al distribuidor
de vacío conectado a vacío de admisión total.
La válvula de cuatro orificios se ha usado en ciertos
motores Ford para derivar la válvula de retraso de
encendido y anular el sistema de recirculación de los
gases de escape hasta que el motor esté caliente.
PROCEDIMIENTOS DE REPARACIÓN
Siga este procedimiento para probar la válvula
interruptora de vacío de dos orificios:
1) Aplique un vacío de 10" de Hg con la bomba al
orificio inferior de la válvula y mida los resultados
con un segundo manómetro de vacío según se
muestra en la ilustración (FIGURA 13).
2) Las válvulas están codificadas con colores. La
válvula verde debe abrirse y transmitir el vacío a
68°F y la válvula negra a 100°F.
3) Si el vacío se transmite totalmente por la válvula
cuando está caliente, esto significa que está en
buenas condiciones. Si el vacío no se transmite o
si se transmite cuando el refrigerante está frío,
sustituya la válvula.
Siga este procedimiento para probar la válvula
interruptora de vacío de tres orificios:
1) Aplique un vacío de 10” de Hg al orificio intermedio
de la válvula con la bomba y conecte un manómetro
de vacío a cada uno de los otros dos orificios.
2) Consulte las mismas válvulas codificadas por
color y las mismas especificaciones de temperatura
que para la válvula de dos orificios indicada arriba.
Si el vacío cambia a la temperatura especificada, la
válvula está en buenas condiciones. Si no hay vacío
en el orificio inferior por encima de la temperatura
especificada, sustituya la válvula.
La válvula de cuatro orificios debe probarse dos
veces, una vez en los dos orificios superiores y otra
vez en los dos orificios inferiores según se muestra
en la ilustración de la FIGURA 14.
1) Aplique un vacío de 10" de Hg con la bomba a
uno de los dos orificios superiores. La válvula debe
mantener el vacío cuando se alcance la temperatura
de operación especificada arriba.
2) Si el vacío se transmite cuando la válvula está
caliente, sustitúyala.
3) Para los dos orificios inferiores, el vacío debe
transmitirse por la válvula sólo cuando el motor
esté caliente. De no ser así, sustituya la válvula.
35
VÁLVULAS DE INTERCAMBIO DE VACIO
ACCIONADAS TERMICAMENTE
1) Desconecte de
la válvula ambas
mangueras
Código
Color
2) Conecte el manómetro a un
orificio y un suministro remoto
de vacío al otro
4) Haga funcionar el motor
hasta que el refrigerante se caliente por encima
del ajuste de la válvula (vea el cuadro)
3) Aplique un vacío de
10” de Hg a la válvula
Código Refrigerante por encima
de Color de esta temperatura
Verde 68°F
Negro 100°F
Sin color 133°F
o azul
RESULTADOS:
Sin vacío Sustituya la válvula del
interruptor de vacío conectado
Con vacío Válvula del interruptor de vacío
conectado abierta
Con vacío con el Sustituya la válvula del
refrigerante frío interruptor de vacío conectado
FIGURA 13: PRUEBA DEL INTERRUPTOR DE VACÍO CONECTADO DE DOS ORIFICIOS
5) Compruebe si este
manómetro muestra alguna
lectura de vacío

36
VÁLVULAS DE INTERCAMBIO DE VACIO
ACCIONADAS TERMICAMENTE
RESULTADOS:
Sin vacío con el motor caliente La válvula superior esta en buenas condiciones
Con vacío con el motor caliente Sustituya la válvula interruptora de vacío conectado
RESULTADOS:
Con vacío con el motor caliente La válvula inferior esta en buenas condiciones
Sin vacío con el motor caliente Sustituya la válvula interruptora de vacío conectado
1) Aplique un vacío
de 10 pulgadas
(motor en frío)
4) Cuando el motor está
caliente (el refrigerante debe
estar a más de 125 °F)
2) El manómetro
debe mostrar una
lectura de 10 pulgadas
3) El manómetro
debe mostrar una
lectura de cero
Manómetro de Vacío
2) Aplique un vacío de 10 pulgadas
Cuando el motor esté
frío la lectura de vacío
debe ser cero.
1) Cuando el motor esté caliente (el
refrigerante debe estar a más de 125 °F)
3) El manómetro debe indica el vacío de la fuente
PRUEBA DE LA VÁLVULA INTERRUPTORA DE
VACÍO CONECTADO DE CUATRO ORIFICIOS
FLUJO DE LA VÁLVULA SUPERIOR
FLUJO DE LA VÁLVULA INFERIOR
FIGURA 14: PRUEBA DEL INTERRUPTOR DE VACÍO CONECTADO DE CUATRO ORIFICIOS

Muchos sistemas de freno actuales vienen equipados
con funciones antibloqueo (ABS) y controles
electrónicos. Muchos de estos sistemas utilizan una
bomba eléctrica de alta presión para mantener el
sistema a presión. La reparación o purga de estos
sistemas de frenos requiere seguir procedimientos
especiales y tener en cuenta ciertas precauciones.
Observe las siguientes precauciones siempre que se
disponga a reparar sistemas de freno antibloqueo:
Lleve puestas SIEMPRE gafas protectoras cuando se
disponga a reparar sistemas de frenos de alta presión.
Descomprima SIEMPRE el sistema de freno antiblo-
queo antes de añadir líquido de frenos o antes de
reparar o realizar tareas de mantenimiento.
A menos que lo indique el procedimiento establecido
por el fabricante, no abra NUNCA ninguna válvula
de purga ni afloje ninguna tubería hidráulica con
el sistema de freno antibloqueo a presión. Utilice
SOLAMENTE líquidos de freno recomendados.
En vehículos equipados con sistemas de freno
antibloqueo, NO utilice líquidos de frenos a base
de silicona.
Para obtener información detallada sobre sistemas
de freno antibloqueo consulte siempre el manual de
reparaciones correspondiente.
ALIVIO DE PRESIÓN DE SISTEMAS DE
FRENO ANTIBLOQUEO
Para obtener información detallada sobre el
procedimiento de alivio de presión, consulte siempre
el manual de usuario del vehículo o un manual de
reparación apropiado. El procedimiento que se
indica a continuación suele ser válido para la
mayoría de los sistemas de freno antibloqueo.
Asegúrese de que el interruptor de arranque esté
en la posición de apagado, o desconecte el cable
negativo de la batería. Pise el pedal del freno de 25
a 40 veces. Cuando note un cambio considerable,
pise el pedal unas cuantas veces más. Esto aliviará
la presión en la mayoría de los sistemas. Abra con
cuidado el depósito del líquido de frenos o los tubos
del líquido de frenos. Rellene completamente el
depósito del líquido de frenos y cuando haya
terminado vuelva a conectar el cable de la batería.
PURGA DE SISTEMAS DE FRENO
ANTIBLOQUEO
Para obtener información detallada sobre el
procedimientos de purga del líquido de frenos,
consulte siempre un manual de reparación. Los
frenos delanteros en la mayoría de los sistemas de
freno antibloqueo se purgan manera convencional.
La mayoría de las bombas hidráulicas y acumu-
ladores de presión están provistos de una válvula
de purga que se debe abrir para purgar el sistema
de frenos cuando el sistema haya perdido líquido
o se vaya a reemplazar. En algunos vehículos es
necesario que el sistema esté a presión al purgar
los frenos traseros. Algunos fabricantes automotri-
ces usan procedimientos de purga que requieren
equipos especializados.
PURGA DE LOS TUBOS DE LIQUIDO
DE FRENOS
La mayoría de los problemas relacionados con
pedales que haya que pisar demasiado o que se
sientan blandos suelen deberse a la presencia de
aire en los tubos hidráulicos, lo que hace necesario
purgar el sistema hidráulico. Este sistema puede
purgarse fácilmente usando la bomba y accesorios
de purga. Purgue las ruedas de una en una
empezando por la rueda más cercana al cilindro
maestro. El juego proporciona un método sencillo,
limpio y rápido para purgar los tubos del líquido de
frenos de automóviles. La creación de vacío en el
vaso del recipiente hace que el líquido sea aspirado
hacia el vaso. Se debe tener en cuenta que posible-
mente se observe un flujo pequeño de burbujas en
la manguera una vez que se haya purgado todo el
líquido de los tubos. Esto se debe a la aspiración de
la bomba que hace que se infiltre aire por las roscas
de la conexión de purga aflojada. Una vez que se
elimine todo el aire del sistema, estas pequeñas
burbujas no afectarán negativamente la purga,
ya que sólo están presentes en la conexión y no
pasarán al sistema. Si lo desea puede poner un poco
de grasa en las roscas de la conexión para eliminar
la mayoría de las burbujas. A continuación se indica
el procedimiento de purga correcto:
37
PURGA DE SISTEMAS DE FRENO

38
PURGA DE SISTEMAS DE FRENO
A la Bomba
FIGURA 15: JUEGO DE PURGA DEL FRENO
1) Asegúrese siempre de que el depósito del cilindro
maestro esté lleno y de tener a mano líquido
adicional de frenos nuevo para llenar al máximo
el depósito cuando el nivel de líquido baje durante
la purga. Asegúrese de que todas las conexiones de
purga estén limpias antes de empezar la purga.
2) Purgue el sistema hidráulico siguiendo este
orden: a) Conexiones de purga del cilindro maestro,
de haberlas. (Si va a instalar un cilindro maestro
nuevo o reconstruida siga el procedimiento indicado
a continuación para purgar en el banco de trabajo.
b) Las conexiones de purga de la válvula de
combinación, de haberlas. c) Los cilindros y
horquillas de las ruedas, en secuencia,
empezando por la rueda más próxima al cilindro
maestro y terminando por la rueda más alejada.
NOTA: Se recomienda seguir el orden del fabricante
(si se sabe). El procedimiento dado en este articulo
especifica que se debe empezar a purgar la rueda
más próxima al cilindro maestro. Sea cual sea el
orden usado, asegúrese de purgar todo el aire
del sistema.
3) Introduzca deslizando 1½" de tubo entre la
bomba y la tapa del vaso del depósito, en el orificio
marcado “TO PUMP” (a la bomba) (FIGURA 15).
4) Conecte un tubo de plástico de unas 12" a la
parte inferior de la tapa.
5) Conecte aproximadamente un tubo de 12" al
otro orificio del vaso del depósito. Asegúrese de que
la tapa del depósito esté bien cerrada, pero no la
apriete demasiado.
6) Seleccione los adaptadores apropiados. Los
adaptadores universales en forma de L deben
encajar de forma ajustada sobre la conexión de
purga del freno para sellarla debidamente. Los
adaptadores cónicos encajan por el agujero
pasante y generalmente producirán un buen
sellado cuando se introduzcan de forma apretada
con un movimiento de presión y torsión. Conecte el
adaptador a la manguera del depósito.
7) Ponga la llave en la conexión de purga del freno,
conecte el conjunto de adaptador y bomba y
bombee de 10 a 15 veces.

NOTA: Si las burbujas que salen de la conexión son
muy pequeñas y de tamaño uniforme, es probable
que el aire proceda del interior del sistema. No es
necesario eliminar estas burbujas ya que no afectan
el funcionamiento de los frenos. Si se desea,
generalmente se pueden eliminar estas burbujas
aplicando grasa o una cinta adhesiva de Teflon en
las roscas para actuar coma un sello.
8) Afloje un poco la conexión, sólo lo suficiente
como para hacer que el líquido entre en el vaso
(aproximadamente de 1⁄4a1⁄2vuelta).
9) Apriete la conexión una vez evacuadas unas 2" de
líquido en el vaso. Mantenga el cilindro maestro lleno.
Repita todos los pasos anteriores en las demás
ruedas. Si no pasa líquido al vaso después de abrir
la conexión, asegúrese de que la tapa del vaso
esté bien apretada. Si la tapa no está apretada
firmemente no podrá generar suficiente vacío en el
vaso. Ocasionalmente entrará suciedad en los tubos
del líquido de frenos. En ese caso es posible que la
bomba no sea completamente efectiva. Si ocurre
esto, pida a alguien que pise el pedal del freno
ligeramente una vez, con la válvula de purga
abierta, y después continúe usando la bomba.
PROCEDIMIENTO DE PURGA EN
MOTOCICLETAS
Antes de purgar el sistema, cerciórese de lo siguiente:
1) Los pistones de la horquilla del freno se pueden
mover libremente dentro de las horquillas.
2) El pistón del cilindro maestro puede regresar
libremente al final de su carrera.
3) Inspeccione todas las conexiones del tubo para
comprobar que estén bien apretadas.
FRENO DELANTERO
1. Bombee la palanca del freno para asentar las
pastillas de la horquilla contra el rotor.
2. Cubra el depósito de gasolina con plástico si está
usando líquido DOT 3 (no es necesario hacer esto si
está usando líquido DOT 5.
3. Quite la tapa del depósito del cilindro maestro
y llénelo.
4. Seleccione los adaptadores apropiados. Los
adaptadores de presión (en forma de “L”) son de
distintos tamaños (pequeño, mediano y grande).
Debe poder apretarse bien en la conexión de purga
del freno para sellarlo bien. Los adaptadores
cónicos se ajustan dentro del agujero pasante de
la conexión y por lo general producirán un buen
sellado cuando se introducen de forma ajustada
haciendo fuerza y girando firmemente. Conecte el
adaptador a la manguera del depósito.
5. Bombee varias veces para producir un vacío.
Abra ligeramente la válvula de purga con una llave
de tubo para extraer líquido al recipiente. (Pare y
añada líquido cuando el nivel del cilindro maestro
sea bajo. No permita la entrada de aire en el tubo).
En este momento, todo el aire debe estar fuera del
sistema y el tubo debe estar lleno de líquido. (Nota:
Si entra aire en la manguera de la bomba alrededor
de la conexión de purga, quite la conexión de purga
y ponga cinta de Teflon solamente en la parte
roscada del tornillo de purga).
6. Apriete la conexión de purga a la vez que
mantiene el vacío en el tubo de la bomba.
7. Rellene el depósito y vuelva a poner la tapa.
Compruebe el freno bombeando la palanca varias
veces. Al pisar el pedal se debe sentir una
resistencia firme y uniforme. Si no es así, repita
el procedimiento de purga, ya que puede haber
entrado más aire en el sistema. Inspeccione el tubo
para asegurarse de que todas las conexiones estén
bien apretadas. Si el freno parece estar aún flojo,
consulte con un técnico de servicio.
En el caso de frenos delanteros de discos dobles,
repita el procedimiento de purga como si se tratara
de dos sistemas separados.
39
PURGA DE SISTEMAS DE FRENO

FRENO TRASERO
El procedimiento para eliminar todo el aire del tubo
del freno trasero es idéntico al procedimiento para
el freno delantero. El depósito del freno trasero se
está ubicado generalmente debajo de una de las
tapas laterales.
1. Quite la tapa del cilindro maestro y llene el
depósito has casi Ilenarlo.
2. Conecte la manguera de la bomba a la conexión
de purga y bombee la palanca varias veces para
crear un vacío.
3. Abra ligeramente el purgador con una llave de
tubo. Debido a la cortedad del tubo, la mayor parte
del aire debe evacuarse la primera vez.
4. Al cerrar la válvula y repetir el proceso, se debe
eliminar todo el aire del sistema. Pare y añada más
líquido si baja el nivel en el cilindro maestro.
5. Rellene el depósito y vuelva a poner la tapa.
LOCALIZACIÓN Y RESOLUCIÓN
DE PROBLEMAS
1. Si, después del procedimiento de purga, el freno
sigue sin responder es posible que haya agua en el
sistema, en cuyo caso tendrá que ser desmontado y
limpiado por un técnico de servicio capacitado.
2. Si el freno chirría ligeramente después de purgarse,
habrá que limpiar el disco y las pastillas del freno.
3. Aunque la mayoría de los fabricantes
recomiendan el líquido liquido DOT 3, este tiene
tendencia a acumular humedad causando la pérdida
de color común que se puede observar, lo que
significa una menor eficiencia. El DOT 5 está
basado en silicona y no tiene la misma tendencia
a acumular humedad. Por otro lado, el DOT 5
no es fácil de conseguir, y los dos líquidos no
deben mezclarse.
4. Las mangueras de goma son materiales de uso
general en las motocicletas, pero tienen la tendencia
de expandirse, lo que puede resultar en una
reacción esponjosa del freno después de haber
conducido el automóvil durante mucho tiempo. Las
mangueras de acero trenzado no se expandirán así.
PURGA DEL CILINDRO MAESTRO EN EL
BANCO DE TRABAJO
Siempre que se quite el cilindro maestro de un
vehículo o que se instale uno nuevo, se debe purgar
el cilindro en el banco de trabajo. No purgar este
cilindro en el banco es la causa principal de hacer
sustituciones incorrectas del cilindro. La purga en
el banco de trabajo reduce considerablemente la
posibilidad de que entre aire en el cilindro después
de volverlo a instalar. Siga este procedimiento:
1) Tapone los orificios de salida del cilindro maestro
y sujete el cilindro en una prensa de banco sin
apretar mucho y con el extremo de la varilla de
empuje un poco sacado. NOTA: Se puede dañar el
cilindro si se sujeta por el interior o si los depósitos
están demasiado apretados.
2) Llene el cilindro maestro con un líquido de
frenos adecuado y manténgalo lleno durante
todo este procedimiento.
3) Quite un tapón del cilindro maestro y conecte el
adaptador apropiado a este orificio de salida del
cilindro maestro. Conecte el tubo de la bomba al
vaso del depósito y el tubo del vaso a la manguera
al adaptador (FIGURA 16).
40
PURGA DE SISTEMAS DE FRENO
FIGURA 16:
PURGA EN BANCO DE TRABAJO

4) Accione la bomba y observe el paso de aire y
líquido al depósito hasta que aparezca un líquido
transparente sin burbujas.
5) Tapone bien el orificio de salida y repita el paso
4 en los otros orificios de salida.
6) Sujete el cilindro maestro en un tornillo de banco
con el extremo de la varilla de empuje ligeramente
bajado. Deslice lentamente la varilla de empuje del
cilindro maestro hacia adentro y hacia afuera
aproximadamente 1⁄8", hasta que no observe
burbujas de aire en los depósitos.
7) Vuelva a montar el cilindro maestro con el
extremo de la varilla de empuje hacia arriba y
repita los pasos 3 y 4 con los demás orificios de
salida. Tapone bien los orificios. Ahora, el cilindro
maestro estará purgado y listo para instalarse.
41
PURGA DE SISTEMAS DE FRENO

824153
Get it fixed, at your home or ours!
Your Home
For repair – in your home – of all major brand appliances,
lawn and garden equipment, or heating and cooling systems,
no matter who made it, no matter who sold it!
For the replacement parts, accessories and
owner’s manuals that you need to do-it-yourself.
For Sears professional installation of home appliances
and items like garage door openers and water heaters.
1-800-4-MY-HOME®(1-800-469-4663)
Call anytime, day or night (U.S.A. and Canada)
www.sears.com www.sears.ca
For expert home solutions advice: www.managemyhome.com
Our Home
For repair of carry-in items like vacuums, lawn equipment,
and electronics, call or go on-line for the location of your nearest
Sears Parts & Repair Service Center
1-800-488-1222 (U.S.A.) 1-800-469-4663 (Canada)
Call anytime, day or night
www.sears.com www.sears.ca
To purchase a protection agreement on a product serviced by Sears:
1-800-827-6655 (U.S.A.) 1-800-361-6665 (Canada)
Para pedir servicio de reparación
a domicilio, y para ordenar piezas:
1-888-SU-HOGAR®
(1-888-784-6427)
Au Canada pour service en français:
1-800-LE-FOYER
(1-800-533-6937)
www.sears.ca
®Registered Trademark / TM Trademark / SM Service Mark of Sears Brands, LLC
®Marca Registrada / TM Marca de Fábrica / SM Marca de Servicio de Sears Brands, LLC
MC Marque de commerce / MD Marque déposée de Sears Brands, LLC © Sears Brands, LLC