Craftsman Pro 40 9Cc 18 Gas Chainsaw Owners Manual
2015-03-28
: Craftsman Craftsman-Pro-40-9Cc-18-Gas-Chainsaw-Owners-Manual-660026 craftsman-pro-40-9cc-18-gas-chainsaw-owners-manual-660026 craftsman pdf
Open the PDF directly: View PDF
.
Page Count: 72
- S1157053-96,Craftsman 18,UE.pdf
- <TABLE>
- Símbolos en la máquina:
- ¿Qué es qué en la motosierra? (1)
- Medidas a tomar antes de utilizar una motosierra nueva
- Importante
- Emplee siempre el sentido común (2)
- Equipo de protección personal
- Equipo de seguridad de la máquina
- Freno de cadena con protección contra reculadas
- ¿Activará siempre mi mano el freno de cadena en caso de reculada?
- ¿Se activa siempre por inercia el freno de cadena cuando se produce una reculada?
- ¿Me protegerá siempre el freno de cadena contra daños si se produce una reculada?
- Fiador del acelerador
- Captor de cadena
- Protección de la mano derecha
- Sistema amortiguador de vibraciones
- Botón de parada
- Silenciador
- Equipo de corte
- Montaje de la espada y la cadena
- Carburante
- Repostaje
- Seguridad en el uso del combustible
- Arranque y parada
- Antes de utilizar la máquina: (31)
- Instrucciones generales de trabajo
- Medidas preventivas de las reculadas
- Generalidades
- Ajuste del carburador
- Control, mantenimiento y servicio del equipo de seguridad de la motosierra
- Silenciador
- Filtro de aire
- Bujía
- Depuración centrífuga ”CCS”
- Programa de mantenimiento
- Combinaciones de espada y cadena
- Precauciones de seguridad para usuarios de motosierras

Sears Brands Management Corporation, Homan Estates, IL 60179 U.S.A.
For answers to your questions about this product:
Call 7 am--7 pm, Mon--Sat; Sun, 10 am--7 pm
1-800-235-5878
Operator’s Manual
(Hours listed are Central Time)
Safety
Assembly
Operation
Maintenance
Parts List
Español, p.40
115705349
Rev. A 7/1/14 KAP P05241MC
Model No.
358.381800 — 18 in. Bar
2.5 cu. in./41cc 2-Cycle
GASOLINE CHAIN SAW
WARNING:
Read and follow all Safety Rules and Operating
Instructions before first use of this product.

2 – English
CONTENTS
WARRANTY STATEMENT
CRAFTSMAN TWO YEAR FULL WARRANTY
FOR TWO YEARS from the date of purchase, this product is warranted against any defects in material or workmanship.
A defective product will receive free repair or replacement if repair is unavailable.
ADDITIONAL LIMITED WARRANTY ON ENGINE CRANKSHAFT
FOR THE THIRD THROUGH TENTH YEAR from date of purchase, the engine crankshaft in this product is warranted
against any defects in material or workmanship. With proof of purchase, a defective engine crankshaft will be replaced.
This additional warranty covers only the engine crankshaft, and does not apply to any other engine component. You must
pay the labor cost of crankshaft installation.
For warranty coverage details to obtain free repair or replacement, visit the website: www.craftsman.com
This warranty covers ONLY defects in material and workmanship. Warranty coverage does NOT include:
• Expendable items that can wear out from normal use within the warranty period, including but not limited to chain
bar, chain, filters or spark plug.
• Product damage resulting from user attempts at product modification or repair or caused by product accessories.
• Repairs necessary because of accident or failure to operate or maintain the product according to all supplied
instructions.
• Preventive maintenance, or repairs necessary due to improper fuel type, fuel mixture, contaminated or stale fuel.
This warranty is void if this product is ever used while providing commercial services or if rented to another person.
This warranty gives you specific legal rights, and you may also have other rights which vary from state to state.
Sears Brands Management Corporation, Hoffman Estates, IL 60179
WARRANTY STATEMENT
2
REPAIR PROTECTION AGREEMENTS
3
KEY TO SYMBOLS
8
WHAT IS WHAT?
9
GENERAL SAFETY PRECAUTIONS
10
ASSEMBLY
17
FUEL HANDLING
18
STARTING AND STOPPING
20
WORKING TECHNIQUES
22
MAINTENANCE
26
TROUBLESHOOTING TABLE
29
TECHNICAL DATA
31
U.S. EPA / CALIFORNIA / ENVIRONMENT
CANADA EMISSION CONTROL WARRANTY
STATEMENT
32
AMERICAN STANDARD SAFETY
PRECAUTIONS
33
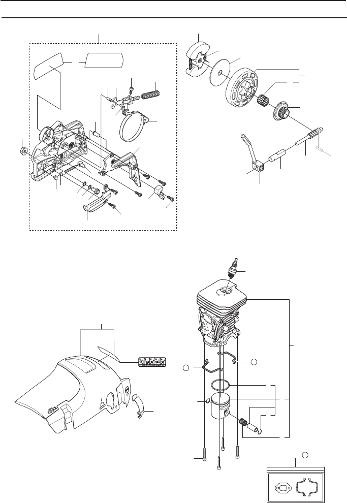
REPAIR PARTS
34
SPANISH
40
PARTS & ORDERING
Back Cover
The engine exhaust from this product
contains chemicals known to the State
of California to cause cancer, birth
defects or other reproductive harm.

English – 3
REPAIR PROTECTION AGREEMENTS
Congratulations on making a smart purchase. Your new Craftsman product is designed and manufactured for years of
dependable operation. But like all products, it may require repair from time to time. That’s when having a Repair
Protection Agreement can save you money and aggravation.
Here’s what the Repair Protection Agreement* includes:
•
Expert service
by our 10,000 professional repair specialists.
•
Unlimited service and no charge
for parts and labor on all covered repairs.
•
Product replacement
up to $1500 if your covered product can’t be fixed.
•
Discount of 10%
from regular price of service and related installed parts not covered by the agreement; also, 10%
off regular price of preventive maintenance check.
•
Fast help by phone
- we call it Rapid Resolution - phone support from a Sears representative. Think of us as a
'talking operator’s manual”.
Once you purchase the Repair Protection Agreement, a simple phone call is all that it takes for you to schedule service.
You can call anytime day or night, or schedule a service appointment online.
The Repair Protection Agreement is a risk--free purchase. If you cancel for any reason during the product warranty
period, we will provide a full refund. Or, a prorated refund anytime after the product warranty period expires. Purchase
your Repair Protection Agreement today!
Some limitations and exclusions apply. For prices and additional information in the U.S.A. call 1-800-827-6655.
*Coverage in Canada varies on some items. For full details call Sears Canada at 1-800-361-6665.
Sears Installation Service
For Sears professional installation of home appliances, garage door openers, water heaters, and other major home
items, in the U.S.A. or Canada call
1-888-331-4569
.

4

5

6
8

7

KEY TO SYMBOLS
8 – English
Symbols on the machine:
WARNING! Chain saws can be
dangerous! Careless or improper use
can result in serious or fatal injury to
the operator or others.
Please read the operator’s manual
carefully and make sure you
understand the instructions before
using the machine.
Always wear:
• Approved protective helmet
• Approved hearing protection
• Protective goggles or a visor
Both of the operator
′
s hands must be used
to operate the chain saw.
Never operate a chain saw holding it with
one hand only.
Contact of the guide bar tip with any object
must be avoided.
WARNING! Kickback may occur when
the nose or tip of the guide bar touches
an object, and cause a lightning fast
reverse reaction, kicking the guide bar up
and towards the operator. May cause
serious personal injury.
Chain brake, activated (right) Chain
brake, not activated (left)
Air purge
Refuelling.
Chain oil fill.
Other symbols/decals on the machine refer to special
certification requirements for certain markets.
You will find the following labels on your chain saw:
EPA III
The Emissions Compliance Period referred to on the
Emission Compliance label indicates the number of
operating hours for which the engine has been shown to
meet Federal emissions requirements.
Maintenance, replacement, or repair of the emission
control devices and system may be performed by any
nonroad engine repair establishment or individual.

WHAT IS WHAT?
English
–
9
What is what on the chain saw?
(1)
1 Cylinder cover
2 Air purge
3 Combined start and stop switch
4 Rear handle with right hand guard
5 Information and warning decal
6 Fuel tank
7 Adjuster screws carburetor
8 Starter handle
9 Starter housing
10 Chain oil tank
11 Product and serial number plate
12 Throttle lockout (Prevents accidental operation of
throttle trigger.)
13 Front handle
14 Front hand guard
15 Muffler
16 Guide bar
17 Bar tip sprocket
18 Saw chain
19 Bumper spike
20 Chain catcher
21 Chain tensioning screw
22 Clutch cover
23 Integrated combi-tool
24 Throttle trigger
25 Combi-tool
26 Operator’s manual

GENERAL SAFETY PRECAUTIONS
10 – English
Before using a new chain saw
• Please read this manual carefully.
•
(1)
-
(49)
refer to figures on p. 4-7.
• Check that the cutting equipment is correctly fitted and
adjusted. See instructions under the heading
Assembly.
• Refuel and start the chain saw. See the instructions
under the headings Fuel Handling and Starting and
Stopping.
• Do not use the chain saw until sufficient chain oil has
reached the chain. See instructions under the heading
Lubricating cutting equipment.
• Long-term exposure to noise can result in permanent
hearing impairment. So always use approved hearing
protection.
!
WARNING! Under no circumstances may
the design of the machine be modified
without the permission of the
manufacturer. Always use genuine
accessories. Non-authorized
modifications and/or accessories can
result in serious personal injury or the
death of the operator or others. Your
warranty may not cover damage or
liability caused by the use of non-
authorized accessories or replacement
parts.
!
WARNING! A chain saw is a dangerous
tool if used carelessly or incorrectly and
can cause serious, even fatal injuries. It
is very important that you read and
understand the contents of this
operator’s manual.
!
WARNING! The inside of the muffler
contain chemicals that may be
carcinogenic. Avoid contact with these
elements in the event of a damaged
muffler.
!
WARNING! Long term inhalation of the
engine’s exhaust fumes, chain oil mist
and dust from sawdust can represent a
health risk.
!
WARNING! This machine produces an
electromagnetic field during operation.
This field may under some
circumstances interfere with active or
passive medical implants. To reduce the
risk of serious or fatal injury, we
recommend persons with medical
implants consult their physician and the
medical implant manufacturer before
operating this machine.
!
WARNING! Never allow children to use or
be in the vicinity of the machine. As the
machine is equipped with a spring-
loaded stop switch and can be started by
low speed and force on the starter
handle, even small children under some
circumstances can produce the force
necessary to start the machine. This can
mean a risk of serious personal injury.
Therefore remove the spark plug cap
when the machine is not under close
supervision.
!
WARNING! When using a chain saw, a
fire extinguisher should be available.
!
WARNING! Keep handles dry, clean and
free of oil.
!
WARNING! Beware of carbon monoxide
poisoning. Operate the chainsaw in well
ventilated areas only.
!
WARNING! Do not attempt a pruning or
limbing operation in a standing tree
unless specifically trained to do so.

GENERAL SAFETY PRECAUTIONS
English
–
11
Important
Always use common sense (2)
It is not possible to cover every conceivable situation you
can face when using a chain saw. Always exercise care
and use your common sense. Avoid all situations which
you consider to be beyond your capability. If you still feel
uncertain about operating procedures after reading these
instructions, you should consult an expert before
continuing. Do not hesitate to contact your dealer or us if
you have any questions about the use of the chain saw.
We will willingly be of service and provide you with advice
as well as help you to use your chain saw both efficiently
and safely. Attend a training course in chain saw usage if
possible. Your dealer, forestry school or your library can
provide information about which training materials and
courses are available. Work is constantly in progress to
improve the design and technology - improvements that
increase your safety and efficiency. Visit your dealer
regularly to see whether you can benefit from new
features that have been introduced.
Personal protective equipment
• Approved protective helmet
• Hearing protection
• Protective goggles or a visor
• Gloves with saw protection
• Trousers with saw protection
• Boots with saw protection, steel toe-cap and non-slip
sole
• Always have a first aid kit nearby.
• Fire Extinguisher and Shovel
Generally clothes should be close-fitting without
restricting your freedom of movement.
Machine
′′′′
s safety equipment
In this section the machine’s safety features and their
function are explained. For inspection and maintenance
see instructions under the heading Checking, maintaining
and servicing chain saw safety equipment. See
instructions under the heading, What is what?, to find
where these parts are located on your machine.
The life span of the machine can be reduced and the risk
of accidents can increase if machine maintenance is not
carried out correctly and if service and/or repairs are not
carried out professionally. If you need further information
please contact your nearest servicing dealer.
IMPORTANT!
This chain saw for forest service is designed for forest
work such as felling, limbing and cutting.
National regulation can restrict the use of the machine.
You should only use the saw with the bar and chain
combinations we recommend in the chapter Technical
data.
Never use the machine if you are fatigued, while under
the influence of alcohol or drugs, medication or anything
that could affect your vision, alertness, coordination or
judgement.
Wear personal protective equipment. See instructions
under the heading ”Personal protective equipment”.
Do not modify this product or use it if it appears to have
been modified by others.
Never use a machine that is faulty. Carry out the safety
checks, maintenance and service instructions
described in this manual. Some maintenance and
service measures must be carried out by trained and
qualified specialists. See instructions under the heading
Maintenance.
When not in use, always store the integrated combi-tool
in the tool-holder. Do not use the tool-holder for other
purposes than to hold the supplied combi-tool, since the
tool-holder is exclusively designed for this purpose.
Never use any accessories other than those
recommended in this manual. See instructions under
the headings Cutting equipment and Technical data.
CAUTION! Always wear protective glasses or a face
visor to reduce the risk of injury from thrown objects. A
chain saw is capable of throwing objects, such as wood
chips, small pieces of wood, etc, at great force. This can
result in serious injury, especially to the eyes.
!
WARNING! Running an engine in a
confined or badly ventilated area can
result in death due to asphyxiation or
carbon monoxide poisoning.
!
WARNING! Faulty cutting equipment or
the wrong combination of bar and saw
chain increases the risk of kickback!
Only use the bar/saw chain combinations
we recommend, and follow the filing
instructions. See instructions under the
heading Technical data.
!
WARNING! Most chain saw accidents
happen when the chain touches the
operator. You must use approved
personal protective equipment whenever
you use the machine. Personal protective
equipment cannot eliminate the risk of
injury but it will reduce the degree of
injury if an accident does happen. Ask
your dealer for help in choosing the right
equipment.
IMPORTANT! Sparks can come from the muffler, the bar
and chain or other sources. Always have fire
extinguishing tools available if you should need them.
Help prevent forest fires.

GENERAL SAFETY PRECAUTIONS
12 – English
Chain brake and front hand guard
Your chain saw is equipped with a chain brake that is
designed to stop the chain if you get a kickback. The chain
brake reduces the risk of accidents, but only you can
prevent them.
Take care when using your saw and make sure the
kickback zone of the bar never touches any object.
• The chain brake (A) can either be activated manually
(by your left hand) or automatically by the inertia
release mechanism.
(3)
• The brake is applied when the front hand guard (B) is
pushed forwards.
(3)
• This movement activates a spring-loaded mechanism
that tightens the brake band (C) around the engine
drive system (D) (clutch drum).
(4)
• The front hand guard is not designed solely to activate
the chain brake. Another important feature is that it
reduces the risk of your left hand hitting the chain if
you lose grip of the front handle.
• The chain brake must be engaged when the chain
saw is started to prevent the saw chain from rotating.
• Use the chain brake as a ”parking brake” when
starting and when moving over short distances, to
reduce the risk of moving chain accidentally hitting
your leg or anyone or anything close by.
• To release the chain brake pull the front hand guard
backwards, towards the front handle.
• Kickback can be very sudden and violent. Most
kickbacks are minor and do not always activate the
chain brake. If this happens you should hold the chain
saw firmly and not let go.
• The way the chain brake is activated, either manually
or automatically by the inertia release mechanism,
depends on the force of the kickback and the position
of the chain saw in relation to the object that the
kickback zone of the bar strikes.
If you get a violent kickback while the kickback zone of
the bar is farthest away from you the chain brake is
designed to be activated by the inertia in the kickback
direction.
If the kickback is less violent or the kickback zone of
the bar is closer to you the chain brake is designed to
be activated manually by the movement of your left
hand.
• In the felling position the left hand is in a position that
makes manual activation of the chain brake
impossible. With this type of grip, that is when the left
hand is placed so that it cannot affect the movement
of the front hand guard, the chain brake can only be
activated by the inertia action.
(8)
Will my hand always activate the chain
brake during a kickback?
No. It takes a certain force to move the hand guard
forward. If your hand only lightly touches the front guard
or slips over it, the force may not be enough to trigger the
chain brake. You should also maintain a firm grip of the
chain saw handles while working. If you do and
experience a kickback, your hand may never leave the
front handle and will not activate the chain brake, or the
chain brake will only activate after the saw has swung
around a considerable distance. In such instances, the
chain brake might not have enough time to stop the saw
chain before it touches you.
There are also certain positions in which your hand
cannot reach the front hand guard to activate the chain
brake; for example, when the saw chain is held in felling
position.
Will my inertia activated chain brake
always activate during kickback in the
event of a kickback?
No. First your brake must be in working order. Testing the
brake is simple, see instructions under the heading
Checking, maintaining and servicing chain saw safety
equipment. We recommend you do before you begin each
work session. Second the kickback must be strong
enough to activate the chain brake. If the chain brake is
too sensitive it would activate all the time which would be
a nuisance.
Will my chain brake always protect me
from injury in the event of a kickback?
No. First, the chain brake must be in working order to
provide the intended protection. Second, it must be
activated during the kickback as described above to stop
the saw chain. Third, the chain brake may be activated but
if the bar is too close to you the brake might not have
enough time to slow down and stop the chain before the
chain saw hits you.
Only you and proper working technique can eliminate
kickback and its danger.
Throttle trigger lockout
The throttle lockout is designed to prevent accidental
operation of the throttle control. When you press the lock
(A) (i.e. when you grasp the handle) it releases the throttle
control (B). When you release the handle the throttle
control and the throttle lockout both move back to their
original positions. This arrangement means that the
throttle control is automatically locked at the idle setting.
(5)
!
WARNING! Never use a machine with
defective safety components. Safety
equipment must be inspected and
maintained. See instructions under the
heading Checking, maintaining and
servicing chain saw safety equipment. If
your machine does not pass all the
checks, take the saw to a servicing
dealer for repair.

GENERAL SAFETY PRECAUTIONS
English
–
13
Chain catcher
The chain catcher is designed to catch the chain if it snaps
or jumps off. This should not happen if the chain is
properly tensioned (see instructions under the heading
Assembly) and if the bar and chain are properly serviced
and maintained (see instructions under the heading
General working instructions).
Right hand guard
Apart from protecting your hand if the chain jumps or
snaps, the right hand guard stops branches and twigs
from interfering with your grip on the rear handle.
Vibration damping system
Your machine is equipped with a vibration damping
system that is designed to reduce vibration and make
operation easier.
The machine
′
s vibration damping system reduces the
transfer of vibration between the engine unit/cutting
equipment and the machine
′
s handle unit. The body of the
chain saw, including the cutting equipment, is insulated
from the handles by vibration damping units.
Cutting hardwoods (most broadleaf trees) creates more
vibration than cutting softwoods (most conifers). Cutting
with cutting equipment that is blunt or faulty (wrong type
or badly sharpened) will increase the vibration level.
Stop switch
Use the stop switch to switch off the engine.
(29)
Muffler
The muffler is designed to reduce noise levels and to
direct exhaust fumes away from the user.
In areas with a hot, dry climate there is a high risk of fires.
These areas are sometimes subject to government rules
requiring among other things the muffler must be
equipped with an approved type of spark arrestor screen
(A).
(7)
When fitting the mesh, make sure that the mesh is
inserted in the right position. If necessary, use the
combination spanner to insert or remove the mesh.
Cutting equipment
This section describes how to choose and maintain your
cutting equipment in order to:
• Reduce the risk of kickback.
• Reduce the risk of the saw chain breaking or jumping
off the bar.
• Obtain optimal cutting performance.
• Extend the life of cutting equipment.
• Avoid increasing vibration levels.
General rules
•
Only use cutting equipment recommended by us!
See instructions under the heading Technical data.
•
Keep the chain’s cutting teeth properly
sharpened! Follow our instructions and use the
recommended file gauge.
A damaged or badly
sharpened chain increases the risk of accidents.
•
Maintain the correct depth gauge setting! Follow
our instructions and use the recommended depth
gauge clearance.
Too large a clearance increases
the risk of kickback.
•
Keep the chain properly tensioned!
If the chain is
slack it is more likely to jump off and lead to increased
wear on the bar, chain and drive sprocket.
•
Keep cutting equipment well lubricated and
properly maintained!
A poorly lubricated chain is
more likely to break and lead to increased wear on the
bar, chain and drive sprocket.
!
WARNING! Overexposure to vibration
can lead to circulatory damage or nerve
damage in people who have impaired
circulation. Contact your doctor if you
experience symptoms of overexposure
to vibration. Such symptoms include
numbness, loss of feeling, tingling,
pricking, pain, loss of strength, changes
in skin colour or condition. These
symptoms normally appear in the
fingers, hands or wrists. These
symptoms may be increased in cold
temperatures.
!
WARNING! The exhaust fumes from the
engine are hot and may contain sparks
which can start a fire. Never start the
machine indoors or near combustible
material!
CAUTION! The muffler gets very hot during and after
use. This also applies during idling. Be aware of the fire
hazard, especially when working near flammable
substances and/or vapours.
!
WARNING! Never use a saw without a
muffler, or with a damaged muffler. A
damaged muffler may substantially
increase the noise level and the fire
hazard. Keep fire fighting equipment
handy. If a spark arrestor screen is
required in your area, never use the saw
without or with a broken spark arrestor
screen.

GENERAL SAFETY PRECAUTIONS
14 – English
Cutting equipment designed to reduce
kickback
The only way to avoid kickback is to make sure that the
kickback zone of the bar never touches anything.
By using cutting equipment with ”built-in” kickback
reduction and keeping the chain sharp and well-
maintained you can reduce the effects of kickback.
Guide bar
The smaller the tip radius the lower the chance of
kickback.
Saw chain
A chain is made up of a number of links, which are
available in standard and low-kickback versions.
Some terms that describe the bar and chain
To maintain the safety features of the cutting equipment,
you should replace a worn or damaged bar or chain with
a bar and chain combinations recommended by us. See
instructions under the heading Technical Data for a list of
replacement bar and chain combinations we recommend.
Guide bar
• Length (inches/cm)
• Number of teeth on bar tip sprocket (T).
• Chain pitch (inches). The spacing between the drive
links of the chain must match the spacing of the teeth
on the bar tip sprocket and drive sprocket.
• Number of drive links. The number of drive links is
determined by the length of the bar, the chain pitch
and the number of teeth on the bar tip sprocket.
• Bar groove width (inches/mm). The groove in the bar
must match the width of the chain drive links.
• Chain oil hole and hole for chain tensioner. The bar
must be matched to the chain saw design.
Saw chain
• Chain pitch (inches)
• Drive link width (mm/inches)
• Number of drive links.
Sharpening your chain and adjusting
depth gauge setting
General information on sharpening cutting teeth
• Never use a blunt chain. When the chain is blunt you
have to exert more pressure to force the bar through
the wood and the chips will be very small. If the chain
is very blunt it will produce wood powder and no chips
or shavings.
• A sharp chain eats its way through the wood and
produces long, thick chips or shavings.
• The cutting part of the chain is called the cutter and
consists of a cutting tooth (A) and the depth gauge
(B). The cutters cutting depth is determined by the
difference in height between the two (depth gauge
setting). (9)
When you sharpen a cutting tooth there are four important
factors to remember.
1 Filing angle
2 Cutting angle
3 File position
4 Round file diameter
It is very difficult to sharpen a chain correctly without the
right equipment. We recommend that you use our file
gauge. This will help you obtain the maximum kickback
reduction and cutting performance from your chain.
See instructions under the heading Technical data for
information about sharpening your chain.
Sharpening cutting teeth
To sharpen cutting teeth you will need a round file and a
file gauge. See instructions under the heading Technical
data for information on the size of file and gauge that are
recommended for the chain fitted to your chain saw.
• Switch the engine off. (29)
• Check that the chain is correctly tensioned. A slack
chain will move sideways, making it more difficult to
sharpen correctly.
• Always file cutting teeth from the inside face. Reduce
the pressure on the return stroke. File all the teeth on
one side first, then turn the chain saw and file the teeth
on the other side.
File all the teeth to the same length. When the length of
the cutting teeth is reduced to 5/32 inch (4 mm) the chain
is worn out and should be replaced. (10)
!
WARNING! Faulty cutting equipment or
the wrong combination of bar and saw
chain increases the risk of kickback!
Only use the bar/saw chain combinations
we recommend, and follow the filing
instructions. See instructions under the
heading Technical data.
IMPORTANT! No saw chain design eliminates the
danger of kickback.
!
WARNING! Any contact with a rotating
saw chain can cause extremely serious
injuries.
!
WARNING! Always wear gloves, when
working with the chain, in order to
protect your hands from injury.
!
WARNING! Departure from the
sharpening instructions considerably
increases the risk of kickback.

GENERAL SAFETY PRECAUTIONS
English – 15
General advice on adjusting depth gauge setting
• When you sharpen the cutting tooth (A) the depth
gauge setting (C) will decrease. To maintain optimal
cutting performance the depth gauge (B) has to be
filed down to achieve the recommended depth gauge
setting. See instructions under the heading Technical
data to find the correct depth gauge setting for your
particular chain.
Adjustment of depth gauge setting
• The cutting teeth should be newly sharpened before
adjusting the depth gauge setting. We recommend
that you adjust the depth gauge setting every third
time you sharpen the cutting teeth. NOTE! This
recommendation assumes that the length of the
cutting teeth is not reduced excessively.
• You will need a flat file and a depth gauge tool. We
recommend that you use our depth gauge tool to
acheive the correct depth gauge setting and bevel for
the depth gauge.
• Place the depth gauge tool over the chain. Detailed
information regarding the use of the depth gauge tool,
will be found on the package for the depth gauge tool.
Use the flat file to file off the tip of the depth gauge that
protrudes through the depth gauge tool. The depth
gauge setting is correct when you no longer feel
resistance as you draw the file along the depth gauge
tool.
Tensioning the chain
The more you use a chain the longer it becomes. It is
therefore important to adjust the chain regularly to take up
the slack.
Check the chain tension every time you refuel. NOTE! A
new chain has a running-in period during which you
should check the tension more frequently.
Tension the chain as tightly as possible, but not so tight
that you cannot pull it round freely by hand. (11)
• Switch the engine off. (29)
• Undo the bar nut that hold the clutch cover/chain
brake. Use the combi-tool integrated in the rear
handguard or one with corresponding dimensions
(contact your servicing dealer (retailer) for a
replacement tool). Then tighten the bar nut by hand as
tight as you can. (12)
• Raise the tip of the bar and stretch the chain by
tightening the chain tensioning screw using the combi-
tool. Tighten the chain until it does not sag from the
underside of the bar. (13)
• Use the combi-tool to tighten the bar nut while lifting
the tip of the bar at the same time. Check that you can
pull the chain round freely by hand and that it does not
sag from the underside of the bar. (14) (15)
Lubricating cutting equipment
Chain oil
Chain oil must demonstrate good adhesion to the chain
and also maintain its flow characteristics regardless of
whether it is warm summer or cold winter weather.
Never use waste oil! Using waste oil can be dangerous
to you and damage the machine and environment.
Filling with chain oil
• All our chain saws have an automatic chain lubrication
system. On some models the oil flow is also
adjustable.
• The saw chain oil tank and the fuel tank are designed
so that the fuel runs out before the saw chain oil.
However, this safety feature requires that you use the
right sort of chain oil (if the oil is too thin it will run out
before the fuel), and that you adjust the carburetor as
recommended (a lean mixture may mean that the fuel
lasts longer than the oil) and that you also use the
recommended cutting equipment (a bar that is too
long will use more chain oil).
Checking chain lubrication
• Check the chain lubrication each time you refuel. See
instructions under the heading Lubricating the bar tip
sprocket.
Aim the tip of the bar at a light coloured surface about
20 cm (8 inches) away. After 1 minute running at 3/4
throttle you should see a distinct line of oil on the light
surface.
If the chain lubrication is not working:
• Check that the oil channel in the bar is not obstructed.
Clean if necessary.
!
WARNING! The risk of kickback is
increased if the depth gauge setting is
too large!
!
WARNING! A slack chain may jump off
the bar and cause serious or even fatal
injury.
!
WARNING! Always wear approved
protective gloves. Even a non-moving
chain can cause serious cuts to yourself
or persons you bump into with an
exposed chain.
!
WARNING! Poor lubrication of cutting
equipment may cause the chain to snap,
which could lead to serious, even fatal
injuries.
IMPORTANT! When using vegetable based saw chain
oil, dismantle and clean the groove in the bar and saw
chain before long-term storage. Otherwise there is a risk
of the saw chain oil oxidizing, which will result in the saw
chain becoming stiff and the bar tip sprocket jamming.

GENERAL SAFETY PRECAUTIONS
16 – English
• Check that the groove in the edge of the bar is clean.
Clean if necessary.
• Check that the bar tip sprocket turns freely and that
the lubricating hole in the tip sprocket is not blocked.
Clean and lubricate if necessary.
If the chain lubrication system is still not working after
carrying out the above checks and associated measures
you should contact your servicing dealer.
Chain drive sprocket
The clutch drum is fitted with a Spur sprocket (the chain
sprocket is welded on the drum).
Regularly check the degree of wear on the drive sprocket.
Replace if wear is excessive. Replace the drive sprocket
whenever you replace the chain.
Checking wear on cutting equipment
Check the chain daily for:
• Visible cracks in rivets and links.
• Whether the chain is stiff.
• Whether rivets and links are badly worn.
Replace the saw chain if it exhibits any of the points
above.
We recommend you compare the existing chain with a
new chain to decide how badly the existing chain is worn.
When the length of the cutting teeth has worn down to
only 5/32 inch (4 mm) the chain must be replaced. (10)
Guide bar
Check regularly:
• Whether there are burrs on the edges of the bar (A).
Remove these with a file if necessary. (17)
• Whether the groove in the bar has become badly worn
(B). Replace the bar if necessary. (17)
• Whether the tip of the bar is uneven or badly worn. If
a hollow forms on the underside of the bar tip this is
due to running with a slack chain.
• To prolong the life of the bar you should turn it over
daily.
!
WARNING! Most chain saw accidents
happen when the chain touches the
operator.
Wear personal protective equipment. See
instructions under the heading ”Personal
protective equipment”.
Do not tackle any job that you feel you
are not adequately trained for. See
instructions under the headings
Personal protective equipment, How to
avoid kickback, Cutting equipment and
General working instructions.
Avoid situations where there is a risk of
kickback. See instructions under the
heading Machine′′′′s safety equipment.
Use the recommended protective
equipment and check its condition. See
instructions under the heading General
working instructions.
Check that all the chain saw safety
features are working. See instructions
under the headings General working
instructions and General safety
precautions.

ASSEMBLY
English – 17
Fitting the bar and chain
• Check that the chain brake is in disengaged position
by moving the front hand guard towards the front
handle. (25)
• Unscrew the bar nut and remove the clutch cover
(chain brake). Take off the transportation guard (A).
(18)
• Fit the bar over the bar bolts. Place the bar in its
rearmost position. Place the chain over the drive
sprocket locate it in the groove on the bar. Begin on
the top edge of the bar. Make sure that the edges of
the cutting links are facing forward on the top edge of
the bar. (19)
• Fit the clutch cover (chain brake) and locate the chain
adjuster pin in the cut-out in the bar. Check that the
drive links of the chain fit correctly on the drive
sprocket and that the chain is in the groove on the bar.
• Tension the chain by turning the chain tensioning
screw clockwise using the combi-tool. The chain
should be tensioned until it does not sag from the
underside of the bar. (13)
• The chain is correctly tensioned when it does not sag
from the underside of the bar, but can still be turned
easily by hand. Hold up the bar tip and tighten the bar
nuts with the combi-tool. (14)
• When fitting a new chain, the chain tension has to be
checked frequently until the chain is run-in. Check the
chain tension regularly. A correctly tensioned chain
ensures good cutting performance and long life. (11)
!
WARNING! Switch off the engine before
carrying out any checks or maintenance.
The stop switch automatically returns to
the start position. In order to prevent
unintentional starting, the spark plug cap
must be removed from the spark plug
when assembling, checking and/or
performing maintenance.
Always wear gloves, when working with
the chain, in order to protect your hands
from injury.
!
WARNING! If received assembled,
ensure your unit is properly assembled
and all fasteners are secure.

FUEL HANDLING
18 – English
Fuel
Note! The machine is equipped with a two-stroke engine
and must always be run using a mixture of gasoline and
two-stroke oil. It is important to accurately measure the
amount of oil to be mixed to ensure that the correct
mixture is obtained. When mixing small amounts of fuel,
even small inaccuracies can drastically affect the ratio of
the mixture.
Gasoline
• Use good quality unleaded gasoline.
• The lowest recommended octane grade is 87
((RON+MON)/2). If you run the engine on a lower
octane grade than 87 so-called knocking can occur.
This gives rise to a high engine temperature and
increased bearing load, which can result in serious
engine damage.
• When working with continuous high revs (e.g. limbing)
a higher octane is recommended.
Running-in
Avoid running at a too high speed for extended periods
during the first 10 hours.
Two-stroke oil
• For best results and performance use two-stroke
engine oil, which is specially formulated for our air-
cooled two stroke-engines.
• Never use two-stroke oil intended for water-cooled
engines, sometimes referred to as outboard oil (rated
TCW).
• Never use oil intended for four-stroke engines.
Mixing ratio
50:1 (2%) for all engines.
Mixing
• Always mix the gasoline and oil in a clean container
intended for fuel.
• Always start by filling half the amount of the gasoline
to be used. Then add the entire amount of oil. Mix
(shake) the fuel mixture. Add the remaining amount of
gasoline.
• Mix (shake) the fuel mixture thoroughly before filling
the machine’s fuel tank.
• Do not mix more than one month’s supply of fuel at a
time.
• If the machine is not used for some time the fuel tank
should be emptied and cleaned.
Chain oil
• We recommend the use of special oil (chain oil) with
good adhesion characteristics.
• Never use waste oil. This results in damage to the oil
pump, the bar and the chain.
• It is important to use oil of the right grade (suitable
viscosity range) to suit the air temperature.
• In temperatures below 32°F (0°C) some oils become
too viscous. This can overload the oil pump and result
in damage to the oil pump components.
• Contact your service agent when choosing chain oil.
Fueling
Clean the area around the fuel cap. Clean the fuel and
chain oil tanks regularly. The fuel filter must be replaced
at least once a year. Contamination in the tanks causes
malfunction. Make sure the fuel is well mixed by shaking
the container before refuelling. The capacities of the chain
oil tank and fuel tank are carefully matched. You should
therefore always fill the chain oil tank and fuel tank at the
same time. (16)
!
WARNING! Always ensure there is
adequate ventilation when handling fuel.
Gasoline, litre Two-stroke oil, litre
2% (50:1)
50,10
10 0,20
15 0,30
20 0,40
US gallon US fl. oz.
12 1/2
2 1/2 6 1/2
512 7/8
!
WARNING! Taking the following
precautions, will lessen the risk of fire:
Do not smoke and do not place any hot
objects in the vicinity of fuel.
Always stop the engine and let it cool for
a few minutes before refueling.
When refuelling, open the fuel cap slowly
so that any excess pressure is released
gently.
Tighten the fuel cap carefully after
refueling.
Always move the machine away from the
refueling area and source before
starting.

FUEL HANDLING
English – 19
Fuel safety
• Never refuel the machine while the engine is running.
• Make sure there is plenty of ventilation when refuelling
or mixing fuel (gasoline and 2-stroke oil).
• Move the machine at least 10 ft (3 m) from the
refuelling point before starting it.
• Never start the machine:
1 If you have spilled fuel or chain oil on the machine.
Wipe off the spillage and allow remaining fuel to
evaporate.
2 If you have spilled fuel on yourself or your clothes,
change your clothes. Wash any part of your body that
has come in contact with fuel. Use soap and water.
3 If the machine is leaking fuel. Check regularly for leaks
from the fuel cap and fuel lines.
Transport and storage
• Always store the chain saw and fuel so that there is no
risk of leakages or fumes coming into contact with
sparks or naked flames from electrical equipment,
electric motors, relays/switches, boilers and the like.
• Always store fuel in an approved container designed
for that purpose.
• For longer periods of storage or for transport of the
chain saw, the fuel and chain oil tanks should be
emptied. Ask where you can dispose of waste fuel and
chain oil at your local gas station.
• The guide bar cover must always be fitted to the
cutting attachment when the machine is being
transported or in storage, in order to prevent accident
contact with the sharp chain. Even a non-moving
chain can cause serious cuts to yourself or persons
you bump into with an exposed chain.
• Remove the spark plug cap from the spark plug.
Activate the chain brake.
• Secure the machine during transport.
Long-term storage
Empty the fuel/oil tanks in a well ventilated area. Store the
fuel in approved cans in a safe place. Fit the guide bar
cover. Clean the machine. See instructions under the
heading Maintenance schedule.
Ensure the machine is cleaned and that a complete
service is carried out before long-term storage.
!
WARNING! Fuel and fuel vapor are highly
flammable. Take care when handling fuel
and chain oil. Be aware of the risks of
fire, explosion and those associated with
inhalation.
!
WARNING! Never use a machine with
visible damage to the spark plug guard
and ignition cable. A risk of sparking
arises, which can cause a fire.

STARTING AND STOPPING
20 – English
Starting and stopping
Starting
The chain brake should be activated when starting the
chain saw. Activate the chain brake by pushing the front
hand guard forwards. (20)
Cold engine
Start position, 1: Set the start/stop switch in the choke
position by pulling the red control outward - upward. (21)
Air purge, 2: Press the air purge diaphragm repeatedly
until fuel fills the diaphragm (at least 6 times). The
diaphragm need not be completely filled. (21)
Grip the front handle with your left hand. Hold the chain
saw on the ground by placing your right foot through the
rear handle. (22)
Pull the starter handle, 3: Pull the starter handle with
your right hand and pull out the starter cord slowly until
you feel a resistance (as the starter pawls engage) then
pull firmly and rapidly until the engine fires.
Push down the red choke control, 4: As soon as the
engine fires which can be heard through a "puff" sound,
push down on the red choke control.
Pull the starter handle, 5: Keep on pulling the cord
powerfully until the engine starts.
Warm engine
Start position, 1: The correct choke/start throttle setting
for warm starting is obtained by initially moving the choke
control by pulling the red control outward - upwards. (21)
Air purge, 2: Press the air purge diaphragm repeatedly
until fuel fills the diaphragm (at least 6 times). The
diaphragm need not be completely filled. (21)
Push down the red choke control, 4: This inactivates
the choke, which is not needed when starting a warm
chain saw. However the movement of the start/stop switch
will have engaged a high idle, making warm starting
easier.
Pull the starter handle, 5: Grip the front handle with your
left hand. Hold the chain saw on the ground by placing
your right foot through the rear handle. (22)
Pull the starter handle with your right hand and pull out the
starter cord slowly until you feel a resistance (as the
starter pawls engage) then pull firmly and rapidly until the
engine starts.
As the chain brake is still engaged the speed of the engine
must be set to idling as soon as possible, this is achieved
by disengaging the throttle lock. Disengagement is done
by gently touching on the throttle trigger. This prevents
unnecessary wear to the clutch, clutch drum and brake
band. Allow the machine to idle a few seconds before
giving full throttle. (24)
There is a simplified start reminder with illustrations
to describe each step on the rear edge of the saw.
Note! Pull the front hand guard towards the front
handle. The chain brake is now disengaged. Your chain
saw is now ready for use. (25)
• Never start a chain saw unless the bar, chain and all
covers are fitted correctly. See instructions under the
heading Assembly. Without a bar and chain attached
to the chain saw the clutch can come loose and cause
serious injury. (26)
• The chain brake should be activated when starting. Se
instructions under the heading Start and stop. Do not
drop start. This method is very dangerous because
you may lose control of the saw. (27)
• Never start the machine indoors. Exhaust fumes can
be dangerous if inhaled.
!
WARNING! Note the following before
starting:
The chain brake must be engaged when
the chain saw is started to reduce the
chance of contact with the moving chain
during starting.
Never start a chain saw unless the bar,
chain and all covers are fitted correctly.
Otherwise the clutch can come loose and
cause personal injuries.
Place the machine on firm ground. Make
sure you have a secure footing and that
the chain cannot touch anything.
Keep people and animals well away from
the working area.
Never wrap the starter cord around your
hand.
!
WARNING! Long term inhalation of the
engine’s exhaust fumes, chain oil mist
and dust from sawdust can represent a
health risk.

STARTING AND STOPPING
English – 21
• Observe your surroundings and make sure that there
is no risk of people or animals coming into contact with
the cutting equipment.
• Always hold the saw with both hands. The right hand
should be on the rear handle, and the left hand on the
front handle. All people, whether right or left handed,
should use this grip. Use a firm grip with thumbs and
fingers encircling the chain saw handles. (28)
Stopping
Stop the engine by pushing the start/stop switch down.
(29)
CAUTION! The start/stop switch automatically returns to
run position. To avoid involuntary start up, the spark plug
cap must always be removed from the spark plug when
the machine is unsupervised. Use the combi-tool
integrated in the right hand guard to unsnap the cylinder
cover. (6) (30)
DIFFICULT STARTING (or starting a flooded engine)
The engine may be flooded with too much fuel if it has
not started after 10 pulls.
Flooded engines can be cleared of excess fuel by
pushing the choke/fast idle lever in completely (to the
OFF/CHOKE position) and then following the warm
engine starting procedure. Ensure the ON/STOP switch
is in the ON position.
Starting could require pulling the starter rope handle
many times depending on how badly the unit is flooded.
If engine fails to start, refer to the TROUBLESHOOTING
TABLE or call 1-800-235-5878.

WORKING TECHNIQUES
22 – English
Before use: (31)
1 Check that the chain brake works correctly and is not
damaged.
2 Check that the rear right hand guard is not damaged.
3 Check that the throttle lockout works correctly and is
not damaged.
4 Check that the stop switch works correctly and is not
damaged.
5 Check that all handles are free from oil.
6 Check that the anti vibration system works and is not
damaged.
7 Check that the muffler is securely attached and not
damaged.
8 Check that all parts of the chain saw are tightened
correctly and that they are not damaged or missing.
9 Check that the chain catcher is in place and not
damaged.
10 Check the chain tension.
General working instructions
Basic safety rules
1 Look around you:
• To ensure that people, animals or other things cannot
affect your control of the machine.
• To make sure that none of the above might come
within reach of your saw or be injured by falling trees.
CAUTION! Follow the instructions above, but do not use a
chain saw in a situation where you cannot call for help in
case of an accident.
2 Do not use the machine in bad weather, such as
dense fog, heavy rain, strong wind, intense cold, etc.
Working in bad weather is tiring and often brings
added risks, such as icy ground, unpredictable felling
direction, etc.
3 Take great care when removing small branches and
avoid cutting bushes (i.e. cutting many small branches
at the same time). Small branches can be grabbed by
the chain and thrown back at you, causing serious
injury.
4 Make sure you can move and stand safely. Check the
area around you for possible obstacles (roots, rocks,
branches, ditches, etc.) in case you have to move
suddenly. Take great care when working on sloping
ground.
5 Take great care when cutting a tree that is under
tension. A tree that is under tension may spring back
to its normal position before or after being cut. If you
position yourself incorrectly or make the cut in the
wrong place the tree may hit you or the machine and
cause you to lose control. Both situations can cause
serious personal injury.
6 Before moving your chain saw switch off the engine
and lock the chain using the chain brake. Carry the
chain saw with the bar and chain pointing backwards.
Fit a guard to the bar before transporting the chain
saw or carrying it for any distance.
7 When you put the chain saw on the ground, lock the
saw chain using the chain brake and ensure you have
a constant view of the machine. Switch the engine off
before leaving your chain saw for any length of time.
General rules
1 If you understand what kickback is and how it happens
then you can reduce or eliminate the element of
surprise. By being prepared you reduce the risk.
Kickback is usually quite mild, but it can sometimes be
very sudden and violent.
2 Always hold the chain saw firmly with your right hand
on the rear handle and your left hand on the front
handle. Wrap your fingers and thumbs around the
handles. You should use this grip whether you are
right-handed or left-handed. This grip minimizes the
effect of kickback and lets you keep the chain saw
under control. Do not let go of the handles! (28)
3 Most kickback accidents happen during limbing. Make
sure you are standing firmly and that there is nothing
in the way that might make you trip or lose your
balance.
Lack of concentration can lead to kickback if the
kickback zone of the bar accidentally touches a
branch, nearby tree or some other object.
Have control over the workpiece. If the pieces you
intend to cut are small and light, they can jam in the
saw chain and be thrown towards you. This is not
necessarily dangerous in itself, but you may be
surprised and lose control of the saw. Never saw
stacked logs or branches without first separating
IMPORTANT!
This section describes basic safety rules for using a
chain saw. This information is never a substitute for
professional skills and experience. If you get into a
situation where you feel unsafe, stop and seek expert
advice. Contact your chain saw dealer, service agent or
an experienced chain saw user. Do not attempt any task
that you are not sure you can handle!
Before using a chain saw you must understand the
effects of kickback and how to avoid them. See
instructions under the heading How to avoid kickback.
Before using a chain saw you must understand the
difference between cutting with the top and bottom
edges of the bar. See instructions under the headings
How to avoid kickback and Machine’s safety equipment.
Wear personal protective equipment. See instructions
under the heading ”Personal protective equipment”.
!
WARNING! Sometimes chips get stuck in
the clutch cover causing the chain to
jam. Always stop the engine before
cleaning.

WORKING TECHNIQUES
English – 23
them. Only saw one log or one piece at a time.
Remove the cut pieces to keep your working area
safe.
4Never use the chain saw above shoulder height
and avoid cutting with the tip of the bar. Never use
the chain saw one-handed! (32)
5 In order to keep control of your saw, always maintain
a firm foothold. Never work on a ladder, in a tree or on
any other insecure support. (33)
6 Always use a fast cutting speed, i.e. full throttle.
7 Take great care when you cut with the top edge of the
bar, i.e. when cutting from the underside of the object.
This is known as cutting with a pushing chain. The
chain tries to push the chain saw back towards the
user. If the saw chain is jamming, the saw may be
pushed back at you.
8 Unless the user resists this pushing force there is a
risk that the chain saw will move so far backwards that
only the kickback zone of the bar is in contact with the
tree, which can lead to a kickback. (34)
Cutting with the bottom edge of the bar, i.e. from the
top of the object downwards, is known as cutting with
a pulling chain. In this case the chain saw pulls itself
towards the tree and the front edge of the chain saw
body rests naturally on the trunk when cutting. Cutting
with a pulling chain gives the operator better control
over the chain saw and the position of the kickback
zone.
9 Follow the instructions on sharpening and maintaining
your bar and chain. When you replace the bar and
chain use only combinations that are recommended
by us. See instructions under the headings Cutting
equipment and Technical data.
Basic cutting technique
General
• Always use full throttle when cutting!
• Reduce the speed to idle after every cut (running the
engine for too long at full throttle without any load, i.e.
without any resistance from the chain during cutting,
can lead to serious engine damage).
• Cutting from above = Cutting with a pulling chain.
• Cutting from below = Cutting with pushing chain.
Cutting with a pushing chain increases the risk of
kickback. See instructions under the heading How to
avoid kickback.
Terms
Cutting = General term for cutting through wood.
Limbing = Cutting branches off a felled tree.
Splitting = When the object you are cutting breaks off
before the cut is complete.
There are five important factors you should consider
before making a cut:
1 Make sure the cutting equipment will not jam in the
cut.
2 Make sure the object you are cutting will not split.
3 Make sure the chain will not strike the ground or any
other object during or after cutting.
4 Is there a risk of kickback?
5 Do the conditions and surrounding terrain affect how
safely you can stand and move about?
Two factors decide whether the chain will jam or the object
that you are cutting will split: the first is how the object is
supported before and after cutting, and the second is
whether it is in tension.
In most cases you can avoid these problems by cutting in
two stages; from the top and from the bottom. You need to
support the object so that it will not trap the chain or split
during cutting.
The following instructions describe how to handle the
common situations you are likely to encounter when using
a chain saw.
Limbing
When limbing thick branches you should use the same
approach as for cutting.
Cut difficult branches piece by piece.
Cutting
If you have a pile of logs, each log you attempt to cut
should be removed from the pile, placed on a saw horse
or runners and cut individually.
Remove the cut pieces from the cutting area. By leaving
them in the cutting area, you increase the risk for
inadvertently getting a kickback, as well as increasing the
risk of losing your balance while working.
The log is lying on the ground. There is little risk of the
chain jamming or the object splitting. However there is a
risk that the chain will touch the ground when you finish
the cut. (35)
!
WARNING! Never use a chain saw by
holding it with one hand. A chain saw is
not safely controlled with one hand.
Always have a secure, firm grip around
the handles with both hands.
IMPORTANT! If the chain jams in the cut: stop the
engine! Do not try to pull the chain saw free. If you do
you may be injured by the chain when the chain saw
suddenly breakes free. Use a lever to open up the cut
and free the chain saw.
!
WARNING! Never attempt to cut logs
while they are in a pile or when a couple
of logs are lying together. Such
procedures drastically increase the risk
of kickback which can result in a serious
or fatal injury.

WORKING TECHNIQUES
24 – English
Cut all the way through the log from above. Avoid letting
the chain touch the ground as you finish the cut. Maintain
full throttle but be prepared for what might happen. (35)
If it is possible (can you turn the log?) stop cutting about
2/3 of the way through the log.
Turn the log and finish the cut from the opposite side.
The log is supported at one end. There is a high risk
that it will split.
Start by cutting from below (about 1/3 of the way through).
Finish by cutting from above so that the two cuts meet.
The log is supported at both ends. There is a high risk
that the chain will jam.
Start by cutting from above (about 1/3 of the way through).
Finish by cutting from below so that the two cuts meet.
Tree felling technique
Safe distance
The safe distance between a tree that is to be felled and
anyone else working nearby is at least 2 1/2 tree lengths.
Make sure that no-one else is in this ”risk zone” before or
during felling. (36)
Felling direction
The aim is to fell the tree in a position where you can limb
and cross-cut the log as easily as possible. You want it to
fall in a location where you can stand and move about
safely.
Once you have decided which way you want the tree to fall
you must judge which way the tree would fall naturally.
Several factors affect this:
• Lean of the tree
• Bend
• Wind direction
• Arrangement of branches
• Weight of snow
• Obstacles within the reach of the tree: for example,
other trees, power lines, roads and buildings.
• Look for signs of damage and rot in the stem, this
makes it more probably that the tree will break and
start to fall before you expect it to.
You may find you are forced to let the tree fall in its natural
direction because it is impossible or dangerous to try to
make it fall in the direction you first intended.
Another very important factor, which does not affect the
felling direction but does affect your safety, is to make sure
the tree has no damaged or dead branches that might
break off and hit you during felling.
The main point to avoid is letting the tree fall onto another
tree. It is very dangerous to remove a trapped tree and
there is high accident risk. See instructions under the
heading Freeing a tree that has fallen badly.
Clearing the trunk and preparing your retreat
Delimb the stem up to shoulder height. It is safer to work
from the top down and to have the tree between you and
the saw.
Remove any undergrowth from the base of the tree and
check the area for obstacles (stones, branches, holes,
etc.) so that you have a clear path of retreat when the tree
starts to fall. Your path of retreat should be roughly 135
degrees away from the intended felling direction. (37)
Felling
Felling is done using three cuts. First you make the
directional cuts, which consist of the top cut and the
bottom cut, then you finish with the felling cut. By placing
these cuts correctly you can control the felling direction
very accurately.
Directional cuts
To make the directional cuts you begin with the top cut.
Stand to the right of the tree and cut on the pull stroke.
Next make the bottom cut so that it finishes exactly at the
end of the top cut. (38)
The directional cuts should run 1/4 of the diameter
through the trunk and the angle between the top cut and
bottom cut should be 45°.
The line where the two cuts meet is called the directional
cut line. This line should be perfectly horizontal and at
right angles (90°) to the chosen felling direction. (39)
Felling cut
The felling cut is made from the opposite side of the tree
and it must be perfectly horizontal. Stand on the left side
of the tree and cut on the pull stroke.
Make the felling cut about 1.5-2 inches (3-5 cm) above the
bottom directional cut. (40)
Finish the felling cut parallel with the directional cut line so
that the distance between them is at least 1/10 of the
trunk diameter. The uncut section of the trunk is called the
felling hinge.
The felling hinge controls the direction that the tree falls in.
(41)
All control over the felling direction is lost if the felling
hinge is too narrow or non-existent, or if the directional
cuts and felling cut are badly placed.
IMPORTANT! It takes a lot of experience to fell a tree.
Inexperienced users of chain saws should not fell trees.
Do not attempt any task beyond your experience level!
IMPORTANT! During critical felling operations, hearing
protectors should be lifted immediately when sawing is
completed so that sounds and warning signals can be
heard.
!
WARNING! Unless you have special
training we advise you not to fell trees
with a diameter larger than the bar length
of your saw!

WORKING TECHNIQUES
English – 25
When the felling cut and directional cut are complete the
tree should start to fall by itself or with the aid of a felling
wedge or breaking bar.
We recommend that you use a bar that is longer than the
diameter of the tree, so that you can make the felling cut
and directional cuts with single cutting strokes. See
instructions under the heading Technical data section to
find out which lengths of bar are recommended for your
saw.
There are methods for felling trees with a diameter larger
than the bar length. However these methods involve a
much greater risk that the kickback zone of the bar will
come into contact with the tree.
Freeing a tree that has fallen badly
Freeing a ”trapped tree”
It is very dangerous to remove a trapped tree and there is
high accident risk.
Never try to fell the tree that is trapped.
Never work in the risk zone of the hanging trapped tree.
The safest method is to use a winch.
• Tractor-mounted
• Portable
Cutting trees and branches that are in tension
Preparations: Work out which side is in tension and where
the point of maximum tension is (i.e. where it would break
if it was bent even more).
Decide which is the safest way to release the tension and
whether you are able to do it safely. In complicated
situations the only safe method is to put aside your chain
saw and use a winch.
General advice:
Position yourself so that you will be clear of the tree or
branch when the tension is released.
Make one or more cuts at or near the point of maximum
tension. Make as many cuts of sufficient depth as
necessary to reduce the tension and make the tree or
branch break at the point of maximum tension.
Never cut straight through a tree or branch that is in
tension!
If you must cut across tree/limb, make two to three cuts,
one inch apart, one to two inches deep.
Continue to cut deeper until tree/limb bends and tension
is released.
Cut tree/limb from outside the bend, after tension has
been released.
How to avoid kickback
What is kickback?
The word kickback is used to describe the sudden
reaction that causes the chain saw and bar to jump off an
object when the upper quadrant of the tip of the bar,
known as the kickback zone, touches an object. (45)
Kickback always occurs in the cutting plane of the bar.
Normally the chain saw and bar are thrown backwards
and upwards towards the user. However, the chain saw
may move in a different direction depending on the way it
was being used when the kickback zone of the bar
touched the object.
Kickback only occurs if the kickback zone of the bar
touches an object.
Limbing
Make sure that you can stand and move about safely.
Work on the left side of the trunk. Work as close as
possible to the chain saw for maximum control. If possible,
let the weight of the chain saw rest on the trunk.
Keep the trunk between you and the chain saw as you
move along the trunk.
Cutting the trunk into logs
See instructions under the heading Basic cutting
technique.
!
WARNING! Kickback can happen very
suddenly and violently; kicking the chain
saw, bar and chain back at the user. If
this happens when the chain is moving it
can cause very serious, even fatal
injuries. It is vital you understand what
causes kickback and that you can avoid
it by taking care and using the right
working technique.
!
WARNING! A majority of kickback
accidents occur during limbing. Do not
use the kickback zone of the guide bar.
Be extremely cautious and avoid
contacting the log, other limbs or objects
with the nose of the guide bar. Be
extremely cautious of limbs under
tension. They can spring back toward
you and cause loss of control resulting
in injury.

MAINTENANCE
26 – English
General
The user must only carry out the maintenance and
service work described in this manual. More extensive
work must be carried out by an authorized service
workshop.
Carburetor adjustment
Your product has been designed and manufactured to
specifications that reduce harmful emissions.
Function
• The carburetor governs the engine’s speed via the
throttle control. Air and fuel are mixed in the
carburetor. The air/fuel mixture is non-adjustable
except by a trained technician. Correct adjustment is
essential to get the best performance from the
machine.
• The T-screw regulates the throttle setting at idle
speed. If the T-screw is turned clockwise this gives a
higher idle speed; turning it anti-clockwise gives a
lower idle speed.
Basic settings and running in
The basic carburetor settings are adjusted during testing
at the factory. Fine adjustment must be carried out by a
trained technician.
Fine adjustment of the idling speed T
Adjust the idle speed with the T-screw. If it is necessary to
re-adjust, turn the T-screw clockwise while the engine is
running, until the chain starts to rotate. Then turn counter-
clockwise until the chain stops. A correctly adjusted idle
speed setting occurs when the engine runs smoothly in
every position. It should also be good margin to the rpm
when the chain starts to rotate.
Checking, maintaining and
servicing chain saw safety
equipment
Chain brake and front hand guard
Checking brake band wear
Brush off any wood dust, resin and dirt from the chain
brake and clutch drum. Dirt and wear can impair operation
of the brake. (42)
Regularly check that the brake band is at least 0.024 inch
(0,6 mm) thick at its thinnest point.
Checking the front hand guard
Make sure the front hand guard is not damaged and that
there are no visible defects such as cracks.
Move the front hand guard forwards and back to make
sure it moves freely and that it is securely anchored to the
clutch cover. (43)
Checking the inertia brake release
With the engine turned off, hold the chain saw over a
stump or other firm object. Let go of the front handle so
that the bar drops towards the stump as the chain saw
rotates around the rear handle.
When the bar hits the stump the brake should be
activated. (47)
Checking the brake trigger
Place the chain saw on firm ground and start it. Make sure
the chain does not touch the ground or any other object.
See the instructions under the heading Start and stop.
Grasp the chain saw firmly, wrapping your fingers and
thumbs around the handles.
Apply full throttle and activate the chain brake by tilting
your left wrist forward onto the front hand guard. Do not let
go of the front handle. The chain should stop
immediately.
Throttle trigger lockout
• Make sure the throttle control is locked at the idle
setting when the throttle lockout is released.
• Press the throttle lockout and make sure it returns to
its original position when you release it.
• Check that the throttle trigger and throttle lockout
move freely and that the return springs work properly.
!
WARNING! Contact your servicing
dealer, if the idle speed setting cannot be
adjusted so that the chain stops at idle.
Do not use the chain saw until it has
been properly adjusted or repaired.
Note! All servicing and repair work on the machine
requires special training. This is especially true of the
machine′s safety equipment. If your machine fails any of
the checks described below we recommend you to
contact our servicing dealer. Any maintenance other
than that described in this manual must be carried out
by your servicing dealer (retailer).
Switch off the engine and take off the ignition cable
before repairs or maintenance

MAINTENANCE
English – 27
• Start the chain saw and apply full throttle. Release the
throttle control and check that the chain stops and
remains stationary. If the chain rotates when the
throttle control is in the idle position you should check
the carburetor idle adjustment.
Chain catcher
Check that the chain catcher is not damaged and is firmly
attached to the body of the chain saw.
Right hand guard
Check that the right hand guard is not damaged and that
there are no visible defects, such as cracks.
Vibration damping system
Regularly check the vibration damping units for cracks or
deformation.
Make sure the vibration damping units are securely
attached to the engine unit and handle unit.
Stop switch
Start the engine and make sure the engine stops when
you move the stop switch to the stop setting. (29)
CAUTION! The start/stop switch automatically returns to
run position. To avoid involuntary start up, the spark plug
cap must always be removed from the spark plug when
the machine is unsupervised. (30)
Muffler
Never use a machine that has a faulty muffler. Regularly
check that the muffler is securely attached to the machine.
Note: The spark arrestor screen (A) on this machine is
serviceable. The screen must be replaced if it is
damaged. If the screen is blocked the machine will
overheat and this will cause damage to the cylinder and
piston. Never use a machine with a muffler that is in poor
condition. Never use a muffler if the spark arrestor
screen is missing or defective. (7)
After 75 hours of use, we recommend that your muffler be
replaced by your servicing dealer (retailer).
Air filter
The air filter must be regularly cleaned to remove dust and
dirt in order to avoid:
• Carburettor malfunctions.
• Starting problems.
• Loss of engine power.
• Unnecessary wear to engine parts
• Excessive fuel consumption.
• Remove the air filter after taking off the air filter cover.
When refitting make sure that the air filter seals tightly
against the filter holder. Clean the filter by brushing or
shaking it. (44)
The filter can be cleaned more thoroughly by washing it in
water and detergent.
An air filter that has been in use for a long time cannot be
cleaned completely. The filter must therefore be replaced
with a new one at regular intervals. A damaged air filter
must always be replaced.
Spark plug
The spark plug condition is influenced by:
• Incorrect carburetor adjustment.
• An incorrect fuel mixture (too much or incorrect type of
oil).
• A dirty air filter.
These factors cause deposits on the spark plug
electrodes, which may result in operating problems and
starting difficulties.
If the machine is low on power, difficult to start or runs
poorly at idle speed: always check the spark plug first
before taking any further action. If the spark plug is dirty,
clean it and check that the electrode gap is 0.020 inch (0,5
mm). The spark plug should be replaced after about a
month in operation or earlier if necessary. (46)
If the machine is low on power, difficult to start or runs
poorly at idle speed: always check the spark plug first
before taking any further action. If the spark plug is dirty,
clean it and check that the electrode gap is 0.020 inch (0,5
mm). The spark plug should be replaced after about a
month in operation or earlier if necessary.
Note! Always use the recommended spark plug type! Use
of the wrong spark plug can damage the piston/cylinder.
Check that the spark plug is fitted with a suppressor.
Centrifugal cleaning
Centrifugal cleaning means the following: All air to the
carburetor passes through the starter. Dirt and dust is
pushed out by the cooling fan. (48)
IMPORTANT! In order to maintain operation of the
centrifugal cleaning system it must be regularly
maintained. Clean the air intake to the starter, the fins on
the flywheel, the space around the flywheel, inlet pipe and
carburetor compartment. (49)
IMPORTANT! Any maintenance other than that described
in this manual must be carried out by your servicing dealer
(retailer).

28 – English
MAINTENANCE
Maintenance schedule
The following is a list of the maintenance that must be performed on the machine. Most of the items are described in the
Maintenance section.
Daily maintenance Weekly maintenance Monthly maintenance
Clean the outside of the machine. Check the starter, the starter cord
and the recoil spring.
Check the brake band on the chain
brake for wear. Replace when less
than 0.024 inch (0,6 mm) remains at
the most worn point.
Check that the components of the
throttle trigger work safely. (Throttle
lockout and throttle trigger.)
Check that the vibration damping
elements are not damaged.
Check the clutch centre, clutch drum
and clutch spring for wear.
Clean the chain brake and check that
it operates safely. Make sure that the
chain catcher is undamaged, and
replace it if necessary.
File off any burrs from the edges of
the bar.
Clean the spark plug. Check that the
electrode gap is 0.020 inch (0,5 mm).
The bar should be turned daily for
more even wear. Check the
lubrication hole in the bar, to be sure
it is not clogged. Clean the bar
groove. If the bar has a sprocket tip,
this should be lubricated.
Clean the carburetor compartment. Clean the outside of the carburetor.
Check that the bar and chain are
getting sufficient oil.
Clean the air filter. Replace if
necessary.
Check fuel hose for cracks or other
damage. Change if necessary.
Check the saw chain with regard to
visible cracks in the rivets and links,
whether the saw chain is stiff or
whether the rivets and links are
abnormally worn. Replace if
necessary.
Check the cooling system weekly. Empty the fuel tank and clean the
inside.
Sharpen the chain and check its
tension and condition. Check the
drive sprocket for excessive wear
and replace if necessary.
Empty the oil tank and clean the
inside.
Clean the starter units air intake. Check all cables and connections.
Check that nuts and screws are tight.
Check that the stop switch works
correctly.
Check that there are no fuel leaks
from the engine, tank or fuel lines.

English – 29
TROUBLESHOOTING TABLE
!
WARNING! Always stop unit and disconnect spark plug before performing all of the
recommended remedies below except remedies that require operation of the unit.
TROUBLE CAUSE REMEDY
Engine will not
start or will run only
a few seconds after
starting.
1. ON/STOP switch in STOP position.
2. Engine flooded.
3. Fuel tank empty.
4. Spark plug not firing.
5. Fuel not reaching carburetor.
6. Carburetor requires adjustment.
7. None of the above.
1. Move ON/STOP switch to ON.
2. See “Difficult Starting” in the Operation
Section.
3. Fill tank with correct fuel mixture.
4. Install new spark plug.
5. Check for dirty fuel filter; replace.
Check for kinked or split fuel line; repair or
replace.
6. Contact Sears Service (see back cover).
7. Contact Sears Service (see back cover).
Engine will not idle
properly.
1. Idle speed set too high or too low.
2. Low Speed Mixture requires adjustment.
3. Crankshaft seals worn.
4. Compression low.
5. None of the above.
1. See “Carburetor Adjustment” in the
Service and Adjustments Section.
2. Contact Sears Service (see back cover).
3. Contact Sears Service (see back cover).
4. Contact Sears Service (see back cover).
5. Contact Sears Service (see back cover).
Engine will not
accelerate, lacks
power, or dies
under a load.
1. Air filter dirty.
2. Spark plug fouled.
3. Carburetor requires adjustment.
4. Exhaust ports or muffler outlets plugged.
5. Compression low.
6. Chain brake engaged.
7. None of the above.
1. Clean or replace air filter.
2. Clean or replace plug and regap.
3. Contact Sears Service (see back cover).
4. Contact Sears Service (see back cover).
5. Contact Sears Service (see back cover).
6. Disengage chain brake.
7. Contact Sears Service (see back cover).
Engine smokes
excessively.
1. Choke partially on.
2. Fuel mixture incorrect.
3. Air filter dirty.
4. High Speed Mixture requires adjustment.
5. Crankcase leak.
1. Adjust choke.
2. Empty fuel tank and refill with correct fuel
mixture.
3. Clean or replace air filter.
4. Contact Sears Service (see back cover).
5. Contact Sears Service (see back cover).
Engine runs hot.
1. Fuel mixture incorrect.
2. Spark plug incorrect.
3. High Speed Mixture set too lean.
4. Exhaust ports or muffler outlets plugged.
5. Carbon build-up on spark arresting screen.
6. Starter housing dirty
7. None of the above.
1. Empty fuel tank and refill with correct fuel
mixture.
2. Replace with correct plug.
3. Contact Sears Service (see back cover).
4. Contact Sears Service (see back cover).
5. Clean spark arresting screen.
6. Clean starter housing area.
7. Contact Sears Service (see back cover).
Oil inadequate or
bar and chain
lubrication.
1. Oil tank empty.
2. Oil pump or oil filter clogged.
3. Guide bar oil hole blocked.
1. Fill oil tank.
2. Contact Sears Service (see back cover).
3. Remove bar and clean.
Chain moves at
idle speed.
1. Idle speed requires adjustment.
2. Clutch requires repair.
1. See “Carburetor Adjustment” in the
Maintenance Section.
2. Contact Sears Service (see back cover).

30 – English
TROUBLESHOOTING TABLE
Troubleshooting table - Continued
If situations occur which are not covered in this manual, use care and good judgement. If you need assistance, contact
Sears Service or the CUSTOMER ASSISTANCE HELPLINE at 1-800-235-5878.
TROUBLE CAUSE REMEDY
Chain does not
move when engine
is accelerated.
1. Chain tension too tight.
2. Carburetor requires adjustment.
3. Guide bar rails pinched.
4. Clutch slipping.
5. Chain brake engaged.
1. See “Check Chain Tension” in the
Maintenance Section.
2. Contact Sears Service (see back cover).
3. Repair or replace.
4. Contact Sears Service (see back cover).
5. Disengage chain brake.
Chain clatters
or cuts roughly.
1. Chain tension incorrect.
2. Cutters damaged.
3. Chain worn.
4. Cutters dull, improperly sharpened, or
depth gauges too high.
5. Sprocket worn.
6. Chain installed backwards.
1. See “Check Chain Tension” in the
Maintenance Section.
2. Contact Sears Service (see back cover).
3. Resharpen or replace chain.
4. See “Chain Sharpening” in the Service and
Adjustments Section.
5. Contact Sears Service (see back cover).
6. Install chain in right direction.
Chain stops within
the cut.
1. Chain cutter tops not filed flat.
2. Guide bar burred or bent; rails uneven.
3. Clutch slipping.
1. See “Chain Sharpening” in the Service and
Adjustments Section.
2. Repair or replace guide bar.
3. Contact Sears Service (see back cover).
Chain cuts at an
angle.
1. Cutters damaged on one side.
2. Chain dull on one side.
3. Guide bar bent or worn.
1. See “Chain Sharpening” in the Service and
Adjustments Section.
2. See “Chain Sharpening” in the Service and
Adjustments Section.
3. Replace guide bar.

English – 31
TECHNICAL DATA
Guide bar and saw chain combinations
Guide bar Saw chain
Length, inch Pitch, inch Gauge, inch Max. nose radius Type Drive link count
18 0.325 0.050 10T H30 72

32 – English
U.S. EPA / CALIFORNIA / ENVIRONMENT CANADA EMISSION
CONTROL WARRANTY STATEMENT
IMPORTANT: This product is compliant with U.S. EPA Phase 3 regulations for exhaust and evaporative emissions. To
ensure EPA Phase 3 compliance, we recommend using only genuine replacement parts. Use of non-compliant
replacement parts is a violation of federal law.
YOUR WARRANTY RIGHTS AND OBLIGATIONS The U.S. Environmental Protect ion Agency, California Air Resources
Board, Environment Canada and Sears Brands Management Corporation, U.S.A. (Sears) are pleased to explain the
emissions control system warranty on your year 2014 and later off-road engine. In California, all small offroad engines
must be designed, built, and equipped to meet the States stringent anti-smog standards. Sears must warrant the
emission control system on your small off-road engine for the periods of time listed below provided there has been no
abuse, neglect, or improper maintenance of your small off-road engine. Your emission control system includes parts such
as the carburetor, the ignition system and the fuel tank, line, and cap. Where a warrantable condition exists, Sears will
repair your small off-road engine at no cost to you. Expenses covered under warranty include diagnosis, parts and labor.
MANUFACTURER′′′′S WARRANTY COVERAGE If any emissions related part on your engine (as listed under Emissions
Control Warranty Parts List) is defective or a defect in the materials or workmanship of the engine causes the failure of
such an emission related part, the part will be repaired or replaced by Sears.
OWNER′′′′S WARRANTY RESPONSIBILITIES As the small off-road engine owner, you are responsible for the
performance of the required maintenance listed in your instruction manual. Sears recommends that you retain all
receipts covering maintenance on your small off-road engine, but Sears cannot deny warranty solely for the lack of
receipts or for your failure to ensure the performance of all scheduled maintenance. As the small off-road engine owner,
you should be aware that Sears may deny you warranty coverage if your small off-road engine or a part of it has failed
due to abuse, neglect, improper maintenance, unapproved modifications, or the use of parts not made or approved by
the original equipment manufacturer. You are responsible for presenting your small off-road engine to a Sears authorized
repair center as soon as a problem exists. Warranty repairs should be completed in a reasonable amount of time, not to
exceed 30 days. If you have any questions regarding your warranty rights and responsibilities, you should contact your
nearest authorized service center. Please call Sears at 1-888-331-4569 or send e-mail correspondence to
emission.warranty@us.hvwan.net.
WARRANTY COMMENCEMENT DATE The warranty period begins on the date the small off-road engine is purchased.
LENGTH OF COVERAGE This warranty shall be for a period of two years from the initial date of purchase, or until the
end of the product warranty (whichever is longer).
WHAT IS COVERED REPAIR OR REPLACEMENT OF PARTS Repair or replacement of any warranted part will be
performed at no charge to the owner at an approved Sears servicing center. If you have any questions regarding your
warranty rights and responsibilities, you should contact your nearest authorized service center. Please call Sears at 1-
888-331-4569 or send e-mail correspondence to emission.warranty@us.hvwan.net.
WARRANTY PERIOD Any warranted part which is not scheduled for replacement as required maintenance, or which is
scheduled only for regular inspection to the effect of “repair or replace as necessary” shall be warranted for 2 years. Any
warranted part which is scheduled for replacement as required maintenance shall be warranted for the period of time up
to the first scheduled replacement point for that part.
DIAGNOSIS The owner shall not be charged for diagnostic labor which leads to the determination that a warranted part
is defective if the diagnostic work is performed at an approved Sears servicing center.
CONSEQUENTIAL DAMAGES Sears may be liable for damages to other engine components caused by the failure of
a warranted part still under warranty.
WHAT IS NOT COVERED All failures caused by abuse, neglect or improper maintenance are not covered.
ADD -ON OR MODIFIED PARTS The use of add-on or modified parts can be grounds for disallowing a warranty claim.
Sears is not liable to cover failures of warranted parts caused by the use of add-on or modified parts.
HOW TO FILE A CLAIM If you have any questions regarding your warranty rights and responsibilities, you should contact
your nearest authorized Sears service center. Please call Sears at 1-888-331-4569 or send e-mail correspondence to
emission.warranty@us.hvwan.net.
WHERE TO GET WARRANTY SERVICE Warranty services or repairs shall be provided at all Sears service centers.
Please call Sears at 1-888-331-4569 or send e-mail correspondence to emission.warranty@us.hvwan.net.
MAINTENANCE, REPLACEMENT AND REPAIR OF EMISSION-RELATED PARTS Any Sears approved replacement
part used in the performance of any warranty maintenance or repair on emission related parts will be provided without
charge to the owner if the part is under warranty.
EMISSION CONTROL WARRANTY PARTS LIST Carburetor, air filter (covered up to maintenance schedule), ignition
system: spark plug (covered up to maintenance schedule), ignition module, muffler including catalyst (if equipped), fuel
tank, line, and cap.
MAINTENANCE STATEMENT The owner is responsible for the performance of all required maintenance, as defined in
the operator’s manual.
This engine is certified to be emissions compliant for the following use:
Intermediate (125 hours)

AMERICAN STANDARD SAFETY PRECAUTIONS
English – 33
Safety precautions for chain saw
users
(ANSI B175.1-2012 Annex C)
Kickback safety precautions
With a basic understanding of kickback, you can reduce
or eliminate the element of surprise. Sudden surprise
contributes to accidents.
Keep a good firm grip on the saw with both hands, the
right hand on the rear handle, and the left hand on the
front handle, when the engine is running. Use a firm grip
with thumbs and fingers encircling the chain saw handles.
A firm grip will help you reduce kickback and maintain
control of the saw. Don’t let go.
Make sure that the area in which you are cutting is free
from obstacles. Do not let the nose of the guide bar
contact a log, branch, or any other obstacle which could
be hit while you are operating the saw.
Cut at high engine speeds.
Do not overreach or cut above shoulder height.
Follow manufacturer’s sharpening and maintenance
instructions for the saw chain.
Only use replacement bars and chains specified by the
manufacturer or the equivalent.
Other safety precautions
Do not operate a chain saw when you are fatigued.
Use safety footwear; snug-fitting clothing, protective
gloves, and eye, hearing and head protection devices.
Use caution when handling fuel. Move the chain saw at
least 10 feet (3 m) from the fueling point before starting
the engine.
Do not allow other persons to be near the chain saw when
starting or cutting with the chain saw. Keep bystanders
and animals out of the work area.
Do not start cutting until you have a clear work area,
secure footing and a planned retreat path from the falling
tree.
Keep all parts of your body away from the saw chain when
the engine is running.
Before you start the engine, make sure that the saw chain
is not contacting anything.
Carry the chain saw with the engine stopped, the guide
bar and saw chain to the rear, and the muffler away from
your body.
Do not operate a chain saw that is damaged, improperly
adjusted, or not completely and securely assembled. Be
sure that the saw chain stops moving when the throttle
control trigger is released.
Shut off the engine before setting the chain saw down.
Use extreme caution when cutting small size brush and
saplings because slender material may catch the saw
chain and be whipped toward you or pull you off balance.
When cutting a limb that is under tension be alert for
springback so that you will not be struck when the tension
in the wood fibers is released.
Keep handles dry, clean and free of oil or fuel mixture.
Operate the chain saw only in well-ventilated areas.
Do not operate a chain saw in a tree unless you have
been specifically trained to do so.
Do not operate a chain saw above shoulder height.
All chain saw service, other than the items listed in the
operator’s/owner’s safety and maintenance instructions,
should be performed by competent chain saw service
personnel. (For example, if improper tools are used to
remove the flywheel or if an improper tool is used to hold
the flywheel in order to remove the clutch, structural
damage to the flywheel could occur and subsequently
cause the flywheel to burst.)
When transporting your chain saw, use the appropriate
guide bar guard.
Note: This Annex is intended primarily for the consumer or
occasional user.
!
WARNING! Kickback may occur when the
nose or tip of the guide bar touches an
object, or when the wood closes in and
pinches the saw chain in the cut.
Tip contact in some cases may cause a
lightning fast reverse reaction, kicking
the guide bar up and back towards the
operator.
Pinching the saw chain along the top of
the guide bar may push the guide bar
rapidly back towards the operator.
Either of these reactions may cause you
to lose control of the saw which could
result in serious personal injury.
Do not rely exclusively upon the safety
devices built into your saw. As a chain
saw user, you should take several steps
to keep your cutting jobs free from
accident or injury.
!
WARNING! Do not operate a chain saw
with one hand! Serious injury to the
operator, helpers, bystanders or any
combination of these persons may result
from one-handed operation. A chain saw
is intended for two-handed use.

34 – English
REPAIR PARTS
A
1
3
2
9
7
8
10
5
6
5
11
3
2
1
8
3
7
6
2
2
4
5
4
18
12
2
9
3
13
10 7
6
516
1715
10
10
11
14
19
8
1
A
A
1
9
AB
C
D

English – 35
REPAIR PARTS
Ref. Part No. Description
A 1 501 38 82-08 Clutch cover assy
A 2 735 31 08-20 E-clip
A 3 537 28 66-01 Pawl
A 4 540 06 33-01 Chain guide
A 5 537 01 74-01 Bearing sleeve
A 6 503 89 08-02 Knee joint
A 7 505 89 26-01 Brake spring
A 8 503 85 52-01 Guide bushing
A 9 544 24 85-01 Cover lid
A 10 503 21 70-10 Screw
A 11 544 25 31-01 Wear protection
A 12 544 30 60-01 Brake band assy
A 13 503 89 29-01 Pin
A 14 537 39 70-01 Worm screw
A 15 537 07 94-02 Worm wheel
A 16 740 48 07-02 O-ring
A 17 503 23 00-63 Washer
A 18 587 19 01-01 Label, clutch cover
A 19 530 01 59-17 Nut, bar Mtg
B 1 530 01 49-49 Clutch assy
B 2 530 09 41-88 Clutch spring
B 3 505 44 15-01 Clutch drum assy
B 4 503539201 Needle bearing
B 5 544212401 Worm gear
B 6 540 05 79-01 Pump piston
B 7 537 15 48-01 Pump cylinder
B 8 544 08 42-01 Oil hose
B 9 530 01 56-11 Washer
C 1 576 27 39-04 Cylinder cover assy
C 2 576 95 14-01 Starting reminder decal
C 3 576 37 38-01 Snap locking
D 1 504 73 51-04 Cylinder assy
D 2 578 46 40-02 Piston assy
D 3 578 46 42-01 Piston ring
D 5 737 42 10-00 Circlip
D 6 503 41 41-01 Needle bearing
D 7 544 39 60-01 Gasket, cylinder rear
D 8 544 39 59-01 Gasket, cylinder front
D 9 503 20 08-03 Screw
D 10 503 23 51-08 Spark plug
D 11 504 79 40-01 Set of gaskets

36 – English
REPAIR PARTS
1
23
54
6
19
21
510
1
9
11
12
15
20
25
18
17
6
22
16
16
23
26
24
2
4
3
87
EF
G
4
5
15
16
11
12
9
8
6
13
14
7
10
2
1
3

English – 37
REPAIR PARTS
Ref. Part No. Description
E 1 576 24 78-01 Crankcase assy
E 2 503 87 58-02 Stiffening plate
E 3 503 87 54-02 Bar bolt
E 4 537 33 46-01 Bar bolt
E 5 544 03 64-01 Bar bolt
E 6 503 24 09-05 Needle roller
E 7 530 02 61-19 Check valve
E 8 537 40 35-01 Filter
E 9 544 08 33-01 Oil screen
E 10 544 33 16-01 Guide pin
E 11 503 86 93-01 Support
E 12 544 11 12-02 Tank cap assy
E 15 503 88 63-01 Chain catcher
E 16 503 21 88-76 Screw
E 17 501 00 76-01 Lateral support
E 18 503 21 51-03 Screw
E 19 544 28 46-01 Chain guide plate
E 20 503 21 70-10 Screw
E 21 544 28 65-01 Spike inner
E 22 503 21 75-20 Screw
E 23 576 27 41-01 Hand guard
E 24 503 89 24-01 Catch
E 25 503 89 30-01 Screw
E 26 503 43 65-01 Lock spring
F 1 544 34 38-01 Crankshaft
F 2 544 24 87-02 Ball bearing 6001 OD32
F 3 544 25 12-01 Sealing 12x32x3,7
F 4 544 24 88-02 Ball bearing 6001 OD32w
F 5 544 25 13-01 Sealing 16,6x32,3,7
F 6 503 41 41-01 Needle bearing
G 1 504 72 47-02 Insulation wall assy
G 2 504 72 45-01 Insulation wall rubber
G 3 504 72 44-02 Insulation wall plastic
G 4 504 20 12-01 Inlet pipe
G 5 503 20 02-16 Screw
G 6 506 45 05-01 Carburettor
G 7 506 45 05-01 Throttle rod assy
G 8 544 97 64-01 Filter holder assy
G 9 544 39 26-01 Shackle
G 10 504 71 25-01 Guide sliding shoe
G 11 544 84 43-04 Control assy
G 12 544 97 66-01 Screw
G 13 503 20 02-40 Screw
G 14 544 80 54-02 Air filter assy (44µ)
G 14 544 80 54-03 Air filter assy (felt)
G 15 503 93 66-01 Air purge
G 16 544 40 19-01 Hose, airpurge suction

38 – English
REPAIR PARTS
1
2
3
11
5
16
1
17
16
2
7
9
18
15
8
10 1
2
3
5
4
1
23
A
5
3
4
1
2
6
3
2
1
2
2
HJ
KL
MN

English – 39
REPAIR PARTS
Ref. Part No. Description
H 1 576 27 35-02 Fuel tank assy
H 2 503 21 28-10 Screw
H 5 578 35 46-01 Throttle assy
H 7 544 28 49-02 Handle insert
H 8 544 12 86-01 Fuel hose
H 9 503 44 32-01 Filter mix
H 10 577 53 51-01 Return hose
H 11 544 11 12-02 Tank cap assy
H 14 544 37 50-01 Decal warning
H 15 501 00 76-01 Lateral support
H 16 504 79 56-01 Antivibration element
H 17 721 12 63-39 Grooved pin
H 18 537 35 95-01 Fuel tank vent
J 1 544 87 42-02 Flywheel assy
J 2 503 22 04-01 Nut
J 3 576 70 56-01 Ignition module
J 4 510 10 14-01 Wiring assy
J 5 503 20 02-20 Screw IHSCFM
K 1 506 49 26-01 Front handle
K 2 503 21 88-76 Screw
K 3 503 89 83-01 Antivibration element
L 1 506 45 05-01 Zama C1T-EL41
L 2 578 86 49-01 Repair kit
L 3 504 02 86-01 Set of gaskets
M 1 544 14 77-02 Muffler assy
M 2 579 75 33-01 Spark arrester
M 3 501 32 31-01 Heat deflector
M 4 579 75 31-01 Gasket
M 5 725 53 68-55 Screw
M 6 724 12 87-59 Screw
M 7 504 79 40-01 Set of gaskets
N 1 576 86 59-02 Combination wrench
N 2 587 35 28-01 Guide bar
N 3 501 84 06-72 Saw chain

40 – Spanish
INDICE
DECLARACIÓN DE GARANTÍA
GARANTÍA COMPLETA DE DOS AÑOS DE CRAFTSMAN
POR DOS AÑOS a partir de la fecha de la compra, este producto está garantizado contra cualquier defecto de material
o mano de obra. El producto defectuoso se reparará o sustituirá de forma gratuita si la reparación no es posible.
GARANTÍA LIMITADA ADICIONAL EN EL CIGÜEÑAL DEL MOTOR
A PARTIR DEL TERCER AÑO HASTA EL DÉCIMO desde la fecha de compra, el cigüeñal del motor de este producto
está garantizado contra cualquier defecto de material o mano de obra. Tras presentar el comprobante de la compra, un
cigüeñal del motor defectuoso se sustituirá. Esta garantía adicional cubre sólo el cigüeñal del motor, y no se aplica a
cualquier otro componente del motor. Usted debe pagar el costo de la mano de obra de instalación del cigüeñal.
Para más información sobre la cobertura de la garantía para obtener una reparación o sustitución gratuita,
visite la página web: www.craftsman.com
Esta garantía SOLO cubre defectos de material y mano de obra. La cobertura de la garantía NO incluye:
• Piezas desechables que pueden sufrir desgaste debido al uso normal dentro del período de garantía, incluidas,
entre otras, la barra guía, la cadena, los filtros o la bujía.
• Daños provocados por los intentos del usuario de modificar o reparar el producto o debido a los accesorios del
producto.
• Reparaciones debidas a un accidente o a no utilizar o mantener el producto de acuerdo a todas las instrucciones
proporcionadas.
• Mantenimiento preventivo o reparaciones debidas al uso de un tipo incorrecto de combustible, una mezcla incorrecta
de combustible o combustible contaminado o con impurezas.
Esta garantía se anulará si el producto se utiliza para ofrecer servicios comerciales o si se alquila a otra persona.
Esta garantía otorga derechos legales específicos y puede que algunos varíen de un estado a otro.
Sears Brands Management Corporation, Hoffman Estates, IL 60179
DECLARACIÓN DE GARANTÍA
40
ACUERDOS DE PROTECCIÓN PARA
REPARACIONES
41
ACLARACION DE LOS SIMBOLOS
42
¿QUE ES QUE?
43
INSTRUCCIONES GENERALES DE
SEGURIDAD
44
MONTAJE
52
MANIPULACION DEL COMBUSTIBLE
53
ARRANQUE Y PARADA
55
TECNICA DE TRABAJO
57
MANTENIMIENTO
62
TABLA DIAGNÓSTICA
65
DATOS TECNICOS
67
DECLARACIÓN DE GARANTÍA DE CONTROL
DE EMISIÓN
68
PRECAUCIONES DE SEGURIDAD DE LA
NORMA AMERICANA
70
LISTA DE REPUESTO
34
REPUESTOS Y ENCARGOS
Contratapa

Spanish
–
41
A
CUERDOS DE PR
O
TECCIÓN P
ARA REP
ARA
CIONES
¡F
elicitaciones! ¡Ha realizado una compra inteligente! Su nuevo producto Craftsman está diseñado y fabricado para
brindar muchos años de funcionamiento confiable. Pero como todos los productos, puede requerir reparaciones
periódicas. En ese momento, tener un Acuerdo de protección para reparaciones puede ahorrarle dinero y trastornos.
El Acuer
do de Protección para Reparaciones* incluye lo siguiente:
•
Servicio experto
por parte de nuestros 10 000 especialistas en reparaciones profesionales.
•
Servicio ilimitado y ningún costo
por las piezas y la mano de obra en todas las reparaciones cubiertas.
•
Reemplazo del producto
hasta $1500 si el producto cubierto no puede ser reparado.
•
Descuento del 10%
sobre el precio normal del servicio y las piezas instaladas asociadas no cubiertas por el
acuerdo; además, 10% de des cuento sobre el precio normal de la verificación de mantenimiento preventivo.
•
Ayuda telefónica rápida
- la llamamos Resolución rápida; asistencia telefónica por parte de un representante de
Sears. Piense en nosotros como un 'manual del propietario parlante”.
Una vez que compre el Acuerdo de protección para reparaciones, bastará con que realice una simple llamada telefónica
para programar servicios. Puede llamar a cualquier hora, de día o de noche, o programar una visita de servicios en
Internet.
El Acuerdo de Protección para Reparaciones es una compra libre de riesgos. Si cancela por cualquier motivo durante
el período de garantía del producto, le proporcionaremos un reembolso completo. O un reembolso prorrateado en
cualquier momento posterior al vencimiento del período de garantía del producto.¡Compre su Acuerdo de protección
para reparaciones ya mismo!
Aplican algunas limitaciones y e
xclusiones. Para conocer los precios e información adicional en EE.UU, llame
al 1-800-827-6655.
*La cobertura en Canadá varía en algunos artículos. Para obtener los detalles completos, llame a Sears Canadá
al 1-800-361-6665.
Servicio de instalación de Sears
P
ara la instalación profesional de Sears de electrodomésticos, abrepuertas de garajes, calentadores de agua y otros
artículos domésticos importantes, en EE.UU. o Canadá llame a
1-888-331-4569
.

A
CLARA
CION DE LOS SIMBOLOS
42
–
Spanish
Símbolos en la máquina:
¡A
TENCION! ¡Las motosierras pueden
ser peligrosas! Su uso descuidado o
erróneo puede provocar heridas
graves o mortales al operador o
terceros.
Lea detenidamente el manual de
instrucciones y asegúrese de entender
su contenido antes de utilizar la
máquina.
Utilice siempre:
• Casco protector homologado
• Protectores auriculares homologados
• Gafas protectoras o visor
El operador debe manejar la motosierra
con ambas manos.
No manejar nunca una motosierra
sujetándola sólo con una mano.
Debe evitarse que la punta de la espada
entre en contacto con ningún objeto.
¡ATENCION! Si la punta de la espada
toca en un objeto se puede producir
reculada que lanza la espada hacia
arriba y atrás contra el usuario. Ello
puede causar daños personales graves.
Freno de cadena, activado
(derecha). Freno de cadena, no
activado (izquierda).
Bomba de combustible.
Carga de combustible.
Rellenado de aceite para cadena.
Los demás símbolos/etiquetas que aparecen en la
máquina corresponden a requisitos de
homologación específicos en determinados
mercados.
Etiquetas que se encuentr
an en la motosierra:
EP
A III
El período de cumplimiento de emisiones mencionado en
la etiqueta de cumplimiento de emisiones indica el
número de horas de funcionamiento en el que el motor ha
demostrado cumplir con los requisitos federales en
materia de emisiones.
El mantenimiento, sustitución o reparación de aparatos y
sistemas de control de las emisiones puede efectuarlos
cualquier establecimiento o individuo dedicado a la
reperación de motores no de carretera.

¿Q
UE ES Q
UE?
Spanish
–
43
¿Qué es qué en la motosierra? (1)
1
Cubierta del cilindro
2 Bomba de combustible.
3 Contacto de arranque y parada combinado
4 Empuñadura trasera con protección para la mano
derecha
5 Etiqueta adhesiva de información y advertencia
6 Depósito de combustible
7 Tornillos de reglaje del carburador
8 Empuñadura de arranque
9 Mecanismo de arranque
10 Depósito de aceite de cadena
11 Placa de identificatión
12 Fiador del acelerador (Impide las aceleraciones
involuntarias.)
13 Mango delantero
14 Protección contra reculadas
15 Silenciador
16 Espada
17 Cabezal de rueda
18 Cadena
19 Apoyo de corteza
20 Captor de cadena
21 Tornillo de tensado de cadena
22 Cubierta del embrague
23 Herramienta combinada integrada
24 Acelerador
25 Herramienta combinada
26 Manual de instrucciones

INSTR
UCCIONES GENERALES DE SEGURID
AD
44
–
Spanish
Medidas a tomar antes de utilizar
una motosierra nueva
•
Lea detenidamente el manual de instrucciones.
•
(1)
-
(49)
refiérase a las figuras en p. 2-5.
• Compruebe el montaje y ajuste del equipo de corte.
Vea las instrucciones bajo el título Montaje.
• Ponga combustible y arranque la motosierra. Vea las
instrucciones en los capítulos Manipulación del
combustible y Arranque y parada.
• No utilice la motosierra hasta que haya llegado
suficiente aceite lubricante a la cadena. Lea las
instrucciones bajo el título Lubricación del equipo de
corte.
• La exposición prolongada al ruido puede causar
daños crónicos en el oído, Por consiguiente, use
siempre protectores auriculares homologados.
!
¡A
TENCION! Bajo ninguna circunstancia
debe modificarse la configuración
original de la máquina sin autorización
del fabricante. Utilizar siempre
recambios originales. Las
modificaciones y/o la utilización de
accesorios no autorizadas pueden
ocasionar accidentes graves o incluso la
muerte del operador o de terceros. Su
garantía podría no abarcar daños o
responsabilidades causados por el uso
de accesorios o piezas de repuesto no
autorizados.
!
¡A
TENCION! La utilización errónea o
descuidada de una motosierra puede
convertirla en una herramienta peligrosa
que puede causar accidentes graves e
incluso mortales. Es muy importante que
lea y comprenda el contenido de este
manual de instrucciones.
!
¡A
TENCION! En el interior del
silenciador hay sustancias químicas que
pueden ser cancerígenas. Evitar el
contacto con estas sustancias si se daña
el silenciador.
!
¡A
TENCION! La inhalación prolongada
de los gases de escape del motor, la
neblina de aceite de cadena y el polvo de
serrín puede poner en riesgo la salud.
!
¡A
TENCION! Esta máquina genera un
campo electromagnético durante el
funcionamiento. Este campo magnético
puede, en determinadas circunstancias,
interferir con implantes médicos activos
o pasivos. Para reducir el riesgo de
lesiones graves o letales, las personas
que utilizan implantes médicos deben
consultar a su médico y al fabricante del
implante antes de emplear esta máquina.
!
¡A
TENCION! No permita nunca que los
niños utilicen la máquina ni
permanezcan cerca de ella. Dado que la
máquina tiene un contacto de parada
con retorno por muelle, se puede
arrancar con poca velocidad y fuerza en
la empuñadura de arranque, incluso
niños pequeños pueden, en
determinadas circunstancias, lograr la
fuerza necesaria para arrancar la
máquina. Ello puede comportar riesgo
de daños personales graves. Por
consiguiente, saque el capuchón de
encendido cuando vaya a dejar la
máquina sin vigilar.

INSTR
UCCIONES GENERALES DE SEGURID
AD
Spanish
–
45
Impor
tante Emplee siempre el sentido común
(2)
Es imposib
le abarcar todas las situaciones imaginables
que se pueden producir al utilizar una motosierra.
Proceda con cuidado y emplee el sentido común. Evite
todo uso para el cual no se sienta suficientemente
calificado. Si después de leer estas instrucciones todavía
se siente inseguro en cuanto al procedimiento de uso,
consulte con un experto antes de proseguir. No dude en
ponerse en contacto con el distribuidor o con nosotros si
tiene alguna duda en cuanto al empleo de la motosierra.
Estamos a su disposición para darle consejos que le
ayuden a emplear su motosierra de forma mejor y más
segura. Le recomendamos hacer un cursillo sobre
empleo de motosierras. El distribuidor local, una escuela
de silvicultura o una biblioteca pueden informarle acerca
del material de formación y los cursos disponibles. Se
realiza un trabajo constante de mejoras del diseño y la
técnica, que aumentan su seguridad y eficacia. Visite al
distribuidor local regularmente para averiguar qué
provecho pueden proporcionarle las novedades que se
introducen.
Equipo de pr
otección personal
•
Casco protector homologado
• Protectores auriculares
• Gafas protectoras o visor
• Guantes con protección anticorte
• Pantalones con protección contra sierra
• Botas con protección anticorte, puntera de acero y
suela antideslizante
• Tenga siempre a mano el equipo de primeros auxilios.
• Extintor de incendios y pala
Utilice prendas ajustadas que no limiten su movilidad.
¡IMPORTANTE!
Esta motosierra para los servicios forestales está
concebida para realizar tareas en el bosque como la
tala, la poda y el corte.
La utilización de esta máquina podría estar regulada por
la legislación nacional.
Utilice solamente las combinaciones de espada/cadena
de sierra recomendadas en el capítulo Datos técnicos.
Nunca utilice la máquina si está cansado, si ha ingerido
alcohol o si toma medicamentos que puedan afectarle
la vista, su capacidad de discernimiento o el control del
cuerpo.
Utilice el equipo de protección personal. Vea las
instrucciones bajo el título ”Equipo de protección
personal”.
No modifique nunca esta máquina de forma que se
desvíe de la versión original, y no la utilice si parece
haber sido modificada por otras personas.
No utilice nunca una máquina defectuosa. Lleve a cabo
las comprobaciones de seguridad y siga las
instrucciones de mantenimiento y servicio de este
manual. Algunas medidas de mantenimiento y servicio
deben ser efectuadas por especialistas formados y
cualificados. Consulte las instrucciones del apartado
Mantenimiento.
Cuando no se esté utilizando, la herramienta
combinada integrada debe almacenarse en el
portaherramientas. Utilice el portaherramientas
únicamente para mantener la herramienta combinada
provista, dado que está diseñado exclusivamente para
este fin.
Nunca utilice otros accesorios que los recomendados
en este manual. Vea las instrucciones bajo los títulos
Equipo de corte y Datos técnicos.
¡NOTA! Utilice siempre gafas protectoras o visera para
reducir el riesgo de daños causados por objetos
lanzados. Una motosierra puede lanzar con gran fuerza
objetos como virutas, trozos de madera pequeños, etc.
Ello comporta riesgo de daños personales graves,
especialmente en los ojos.
!
¡ATENCION! Si se hace funcionar el
motor en un local cerrado o mal
ventilado, se corre riesgo de muerte por
asfixia o intoxicación con monóxido de
carbono.
!
¡ATENCION! Un equipo de corte
defectuoso o una combinación errónea
de espada/cadena de sierre aumentan el
riesgo de reculadas. Utilice solamente
las combinaciones de espada/cadena de
sierra recomendadas y siga las
instrucciones. Vea las instrucciones bajo
el titular Datos técnicos
!
¡ATENCION! La mayoría de los
accidentes con la motosierra se
producen cuando la cadena toca al
usuario. Para trabajar con la máquina
debe utilizarse un equipo de protección
personal homologado. El equipo de
protección personal no elimina el riesgo
de lesiones, pero reduce su efecto en
caso de accidente. Pida a su distribuidor
que le asesore en la elección del equipo.
¡IMPORTANTE! Pueden producirse chispas en el
silenciador, la espada y la cadena o en otra fuente.
Tenga siempre a mano herramientas para extinguir
incendios, por si fueran necesarias. Así ayudará a
prevenir incendios forestales.

INSTRUCCIONES GENERALES DE SEGURIDAD
46 – Spanish
Equipo de seguridad de la
máquina
En este capítulo se explican los componentes de
seguridad de la máquina y sus funciones. Para el control
y mantenimiento, vea las instrucciones del capítulo
Control, mantenimiento y servicio del equipo de
seguridad de la motosierra. Vea el capítulo Componentes
de la máquina para ver dónde están situados estos
componentes en su máquina.
La vida útil de la máquina puede acortarse y el riesgo de
accidentes puede aumentar si el mantenimiento de la
máquina no se hace de forma adecuada y si los trabajos
de servicio y/o reparación no se efectúan de forma
profesional. Para más información, consulte con el taller
de servicio oficial más cercano.
Freno de cadena con protección contra
reculadas
Su motosierra está equipada con un freno de cadena
diseñado para detener la cadena de sierra en caso de
reculada. Un freno de cadena reduce el riesgo de
accidentes, pero sólo es usted, el usuario, quien puede
impedirlos.
Proceda con cuidado en la utilización de la sierra,
procurando que el sector de riesgo de reculada de la
espada nunca toque ningún objeto.
• El freno de cadena (A) se activa bien manualmente
(con la mano izquierda) o por efecto de la inercia. (3)
•La activación se produce al empujar hacia delante la
protección contra reculadas (B). (3)
• El movimiento activa un mecanismo de muelle que
tensa la cinta del freno (C) alrededor del sistema de
arrastre de la cadena (D) en el motor (tambor de
embrague). (4)
•La protección contra reculadas no sólo activa el freno
de cadena. También cumple otra función importante:
reduce el riesgo de que la mano izquierda toque la
cadena si el usuario suelta el mango delantero.
• El freno de cadena debe estar activado cuando se
arranca la motosierra, para impedir que la cadena
gire.
• Utilice el freno de cadena como 'freno de
estacionamiento' al arrancar y para los traslados
cortos a fin de prevenir accidentes por contacto
involuntario de usted o el entorno con la cadena de
sierra en movimiento.
• El freno de cadena se desacopla empujando la
protección contra reculadas hacia atrás, contra el
mango delantero.
• Las reculadas pueden ser rapidísimas y muy
violentas. La mayoría de las reculadas son pequeñas
y, por tanto, no siempre activan el freno de cadena. En
estos casos debe sujetarse la motosierra con fuerza,
sin soltarla.
• El modo de activación del freno de cadena, manual o
por inercia, depende de la fuerza de la reculada y de
la posición de la motosierra en relación al objeto con
el que toca el sector de riesgo de reculada de la
espada.
En reculadas fuertes y con el sector de riesgo de
reculada de la espada lo más lejos posible del
usuario, el freno de cadena está diseñado para ser
activado por su propio contrapeso (inercia) en el
sentido de reculada.
En las reculadas poco violentas, o al trabajar con el
sector de riesgo de reculada cerca del usuario, el
freno de cadena se activa manualmente con la mano
izquierda.
• En posición de tala, la mano izquierda está en una
posición que permite la activación manual del freno
de cadena. Con este agarre, cuando la mano
izquierda está colocada de forma que no puede influir
en el movimiento de la protección contra reculada, el
freno de cadena sólo se puede activar mediante la
función de inercia. (8)
¿Activará siempre mi mano el freno de
cadena en caso de reculada?
No. Hace falta una fuerza determinada para mover la
protección contra reculada hacia adelante. Si su mano
sólo roza la protección contra reculada o resbala sobre
ella, puede ocurrir que la fuerza no sea suficiente para
activar el freno de cadena. También debe agarrar con
firmeza la empuñadura de la motosierra cuando trabaja.
Si lo hace y se produce una reculada, puede ocurrir que
no suelte el agarre de la empuñadura delantera y que no
active el freno de cadena, o que el freno de cadena no se
active hasta que la sierra haya girado bastante. En casos
así puede suceder que el freno de cadena no tenga
tiempo de detener la cadena antes de que le toque a
usted.
Ello ocurre también en determinadas posturas de trabajo
que impiden que su mano llegue a la protección contra
reculada para activar el freno de cadena; por ejemplo,
cuando se sujeta la sierra en posición de tala.
¿Se activa siempre por inercia el freno de
cadena cuando se produce una
reculada?
No. En primer lugar, su freno debe funcionar. Es fácil
probar el freno; vea las instrucciones del capítulo Control,
mantenimiento y servicio del equipo de seguridad de la
motosierra. Recomendamos que haga esta prueba antes
de empezar cada turno de trabajo. En segundo lugar, la
!
¡ATENCION! No emplee nunca una
máquina con equipo de seguridad
defectuoso. El equipo de seguridad se
debe controlar y mantener. Vea las
instrucciones del capítulo Control,
mantenimiento y servicio del equipo de
seguridad de la motosierra. Si el control
de su máquina no da resultado
satisfactorio, hay que acudir a un taller
de servicio para la reparación.

INSTRUCCIONES GENERALES DE SEGURIDAD
Spanish – 47
reculada debe tener la fuerza suficiente para activar el
freno de cadena. Si el freno de cadena fuera demasiado
sensible, se activaría constantemente, lo que sería
molesto.
¿Me protegerá siempre el freno de
cadena contra daños si se produce una
reculada?
No. En primer lugar, su freno debe funcionar para
proporcionar la protección prevista. En segundo lugar, el
freno se debe activar tal como se describe arriba para
detener la cadena de sierra en una reculada. En tercer
lugar, el freno de cadena se puede activar, pero si la
espada está demasiado cerca de usted puede ocurrir que
el freno no tenga tiempo de reducir la velocidad y parar la
cadena antes de que la motosierra le toque.
Solamente usted y empleando una técnica de trabajo
correcta puede eliminar el efecto de reculada y los
riesgos que comporta.
Fiador del acelerador
El fiador del acelerador está diseñado para impedir la
activación involuntaria del acelerador. Cuando se oprime
el fiador (A) en el mango (= cuando se agarra el mango),
se desacopla el acelerador (B). Cuando se suelta el
mango, el acelerador y el fiador vuelven a sus posiciones
originales. Ambas funciones se efectúan con sistemas
independientes de muelles de retorno. Con esta posición,
el acelerador queda automáticamente bloqueado en
ralentí. (5)
Captor de cadena
El captor de cadena está diseñado para captar las
cadenas que se sueltan o se rompen. Normalmente esto
se evita con el tensado correcto de la cadena (vea las
instrucciones bajo el título Montaje) y con un
mantenimiento adecuado de la espada y la cadena (vea
las instrucciones bajo el título Instrucciones generales de
trabajo).
Protección de la mano derecha
La protección de la mano derecha, además de proteger
la mano cuando una cadena se suelta o se rompe, impide
que las ramas perjudiquen el agarre del mango posterior.
Sistema amortiguador de vibraciones
Su máquina incorpora un sistema amortiguador diseñado
para reducir al máximo posible las vibraciones y optimizar
la comodidad de uso.
El sistema amortiguador de vibraciones de la máquina
reduce la transmisión de vibraciones entre la parte del
motor/equipo de corte y la parte de los mangos de la
máquina. El cuerpo de la motosierra, incluyendo el
equipo de corte, va suspendido de la parte de los mangos
con un elemento antivibratorio.
El corte de maderas duras (la mayoría de los árboles
caducifolios) produce más vibraciones que el de maderas
blandas (la mayoría de las coníferas). El corte con un
equipo de corte desafilado o incorrecto (modelo
incorrecto o mal afilado) incrementa el nivel de
vibraciones.
Botón de parada
El botón de parada se utiliza para parar el motor. (29)
Silenciador
El silenciador está diseñado para reducir el nivel sonoro
y para apartar los gases de escape del usuario.
En regiones de clima cálido y seco puede haber un riesgo
de incendio considerable. En países de estas regiones
hay normativas y requisitos legales de, por ejemplo,
equipar el silenciador con una red apagachispas
homologada (A). (7)
Cuando ajuste el engranaje, asegúrese de que está
insertado correctamente. Si es necesario, sírvase de una
llave inglesa para insertar o extraer el engranaje.
!
¡ATENCION! La sobreexposición a las
vibraciones puede provocar problemas
circulatorios y dolencias de carácter
nervioso, especialmente en personas
con patologías circulatorias. Acuda a un
médico si nota síntomas corporales que
puedan relacionarse con la
sobreexposición a las vibraciones. Son
ejemplos de tales síntomas la pérdida de
sensibilidad, el 'cosquilleo', las
'punzadas', el dolor, la pérdida o
reducción de la fuerza normal o los
cambios en el color y la superficie de la
piel. Estos síntomas se presentan
normalmente en dedos, manos y
muñecas. Los síntomas pueden
aumentar en temperaturas frías.
!
¡ATENCION! Los gases de escape del
motor están calientes y pueden contener
chispas que pueden provocar incendio.
Por esa razón, ¡nunca arranque la
máquina en interiores o cerca de
material inflamable!
¡NOTA! El silenciador está muy caliente durante el
funcionamiento y después de parar. Esto también es
aplicable al funcionamiento en ralentí. Preste atención
al riesgo de incendio, especialmente al emplear la
máquina cerca de sustancias y/o gases inflamables.

INSTRUCCIONES GENERALES DE SEGURIDAD
48 – Spanish
Equipo de corte
Este capítulo describe cómo Ud., con un mantenimiento
correcto y utilizando el equipo de corte adecuado, podrá:
• Reducir la propensión a las reculadas de la máquina.
• Reduce la ocurrencia de salidas y roturas de la
cadena de sierra.
• Proporciona un resultado de corte óptimo.
• Aumentar la duración del equipo de corte.
• Evita el aumento de los niveles de vibraciones.
Reglas básicas
•¡Utilice solamente el equipo de corte
recomendado por nosotros! Vea las instrucciones
bajo el titular Datos técnicos
•¡Mantenga los dientes cortantes de la cadena bien
y correctamente afilados! Siga nuestras
instrucciones y utilice el calibrador de limado
recomendado. Una cadena mal afilada o defectuosa
aumenta el riesgo de accidentes.
•¡Mantenga la profundidad de corte correcta! Siga
nuestras instrucciones y utilice el calibrador de
profundidad recomendado. Una profundidad de
corte demasiado grande aumenta el riesgo de
reculada.
•¡Mantenga la cadena correctamente tensada! Con
un tensado insuficiente se incrementa el riesgo de
solturas de la cadena y se aumenta el desgaste de la
espada, la cadena y el piñón de arrastre.
•¡Mantenga el equipo de corte bien lubricado y
efectúe el mantenimiento adecuado! Con una
lubricación insuficiente se incrementa el riesgo de
roturas de cadena y se aumenta el desgaste de la
espada, la cadena y el piñón de arrastre.
Equipo de corte reductor de reculadas
Las reculadas sólo puede evitarlas Ud. el usuario,
impidiendo que el sector de riesgo de reculada de la
espada toque algún objeto.
El efecto de las reculadas puede reducirse utilizando un
equipo de corte con reducción de reculada ”incorporada”,
así como con un afilado y mantenimiento correctos de la
cadena.
Espada
Cuanto más pequeño es el radio de punta, menor es la
propensión a la reculada.
Cadena
Una cadena de sierra consta de distintos eslabones que
se presentan en versión estándar y en versión reductora
de reculada.
Expresiones características de la espada y cadena
Para conservar la eficacia de todos los componentes de
seguridad del equipo de corte, debe sustituir las
combinaciones de espada/cadena de sierra gastadas o
dañadas por una espada y una cadena recomendadas.
Vea las instrucciones del capítulo Datos técnicos para
información sobre las combinaciones de espada/cadena
de sierra que recomendamos.
Espada
• Longitud (pulgadas/cm)
• Número de dientes en el cabezal de rueda (T).
• Paso de cadena (=pitch) (pulgadas). El cabezal de
rueda de la espada y el piñón de arrastre de la cadena
de la motosierra deben adaptarse a la distancia entre
los eslabones de arrastre.
• Número de eslabones de arrastre (unidades). A cada
combinación de longitud de cadena, paso de cadena
y número de dientes del cabezal de rueda, le
corresponde un número determinado de eslabones
de arrastre.
• Ancho de la guía de la espada (pulgadas/mm). El
ancho de la guía de la espada debe estar adaptado al
ancho del eslabón de arrastre de la cadena.
!
¡ATENCION! No utilice nunca una
motosierra sin silenciador o con el
silenciador defectuoso. Un silenciador
defectuoso puede incrementar
considerablemente el nivel de ruido y el
riesgo de incendio. Tenga a mano
herramientas para la extinción de
incendios. No utilice nunca una
motosierra sin red apagachispas o con
red apagachispas defectuosa si la
normativa del país exige este equipo.
!
¡ATENCION! Un equipo de corte
defectuoso o una combinación errónea
de espada/cadena de sierre aumentan el
riesgo de reculadas. Utilice solamente
las combinaciones de espada/cadena de
sierra recomendadas y siga las
instrucciones. Vea las instrucciones bajo
el titular Datos técnicos
¡IMPORTANTE! Ninguna cadena de sierra elimina el
riesgo de reculada.
!
¡ATENCION! Cualquier contacto con una
sierra de cadena en girando puede
causar daños muy graves.

INSTRUCCIONES GENERALES DE SEGURIDAD
Spanish – 49
•Orificio para aceite de cadena y orificio para pasador
tensor de cadena. La espada debe estar adaptada al
diseño de la motosierra.
Cadena
• Paso de cadena (=pitch) (pulgadas)
• Ancho del eslabón de arrastre (mm/pulgadas)
• Número de eslabones de arrastre (unidades)
Afilado y ajuste del talón de profundidad
de una cadena de sierra
Generalidades sobre el afilado de los dientes
cortantes
• No corte nunca con una sierra roma. Es señal de
sierra roma cuando es necesario presionar el equipo
de corte a través de la madera y el que las virutas son
muy pequeñas. Una cadena de sierra muy roma no
produce virutas. El único resultado es polvo de
madera.
• Una sierra de cadena bien afilada atraviesa por sí sola
la madera y produce virutas grandes y largas.
• La parte cortante de una cadena de sierra se
denomina eslabón de corte, formado por un diente de
corte (A) y un talón de profundidad (B). La distancia
en altura entre ellos determina la profundidad de
corte. (9)
Hay tres medidas a considerar para el afilado del diente
de corte.
1 Ángulo de afilado
2 Ángulo de corte
3 Posición de la lima
4 Diámetro de la lima redonda
Es muy difícil afilar correctamente una cadena de sierra
sin los accesorios adecuados. Por ello le recomendamos
que utilice nuestro calibrador de afilado. La plantilla
garantiza un afilado de la cadena de sierra para una
reducción de la reculada y una capacidad de corte
óptimas.
Vea las instrucciones del capítulo Datos técnicos en lo
referente a los datos para el afilado de la cadena de su
motosierra.
Afilado de dientes cortantes
Para afilar dientes de corte se requiere una lima redonda
y un calibrador de afilado. Vea las instrucciones del
capítulo Datos técnicos en lo referente al diámetro de fila
redonda y el calibrador de afilado recomendados para la
cadena de su motosierra.
• Apague el motor. (29)
•Compruebe que la cadena esté bien tensada. Con un
tensado insificiente, la cadena tiene inestabilidad
lateral, lo cual dificulta el afilado correcto.
• Afile siempre desde el interior del diente hacia fuera.
En el retorno, suavice la presión de la lima. Primero,
afile todos los dientes de un lado y, luego, vuelva la
motosierra y afile los dientes del otro lado.
• Afile todos los dientes a la misma longitud. Cuando
sólo queden 4 mm (5/32") de la longitud de diente, la
cadena está desgastada y debe cambiarse. (10)
Generalidades sobre el ajuste de la profundidad de
corte
•Al afilar el diente de corte se reduce la altura del talón
de profundidad (= profundidad de corte). Para
mantener una capacidad máxima de corte hay que
bajar el talón de profundidad al nivel recomendado.
En lo referente a la profundidad de corte de la cadena
de su motosierra, vea el capítulo Datos técnicos.
Ajuste de la profundidad de corte
•El ajuste de la profundidad de corte debe hacerse con
los dientes cortantes recién afilados. Recomendamos
ajustar la profundidad de corte después de cada
tercer afilado de la cadena de sierra. ¡ATENCIÓN!
Esta recomendación presupone que la longitud de los
dientes de corte no se ha reducido anormalmente.
• Para ajustar la profundidad de corte se necesita una
lima plana y un calibrador de profundidad de corte.
Recomendamos utilizar nuestro calibrador de afilado
de profundidad para obtener la medida de
profundidad correcta y el ángulo correcto del talón de
profundidad.
• Ponga el calibrador de afilado sobre la cadena de
sierra. En el envase del calibrador hay instrucciones
sobre su empleo. Utilice la lima plana para limar el
sobrante de la parte sobresaliente del talón de
profundidad. La profundidad de corte es correcta
cuando no se nota resistencia alguna al pasar la lima
sobre el calibrador.
!
¡ATENCION! Para trabajar con la cadena,
utilice siempre guantes para proteger las
manos contra lesiones.
!
¡ATENCION! La negligencia en seguir las
instrucciones de afilado aumenta
considerablemente la propensión a la
reculada de la cadena de sierra.
!
¡ATENCION! ¡Una profundidad de corte
excesiva aumenta la propensión a las
reculadas de la cadena!

INSTRUCCIONES GENERALES DE SEGURIDAD
50 – Spanish
Tensado de la cadena
La cadena se alarga con la utilización. Por consiguiente,
es importante ajustar el equipo de corte para compensar
este cambio.
El tensado de la cadena debe controlarse cada vez que
se reposte combustible. ¡NOTA! Las cadenas nuevas
requieren un período de rodaje, durante el que debe
controlarse el tensado con mayor frecuencia.
En general, la cadena debe tensarse tanto como sea
posible, aunque debe ser posible girarla fácilmente con la
mano. (11)
• Apague el motor. (29)
• Afloje las tuercas de la espada que fijan la cubierta
del embrague / el freno de cadena. Utilice la
herramienta combinada integrada en el protector de
manos posterior u otra con medidas idénticas
(póngase en contacto con su distribuidor para obtener
una herramienta de sustitución). Después, apriete las
tuercas a mano, lo más fuerte que pueda. (12)
• Con la puntera de la espada hacia arriba, tense la
cadena apretando el tornillo tensor con la herramienta
combinada. Tense la cadena hasta que deje de colgar
en la parte inferior de la espada. (13)
•Con la herramienta combinada, apriete las tuercas de
la espada sujetando al mismo tiempo la puntera de
esta. Compruebe que la cadena pueda girarse a
mano con facilidad y que no cuelgue en la parte
inferior de la espada. (14) (15)
Lubricación del equipo de corte
Aceite para cadena de motosierra
Un aceite para cadena de motosierra ha de tener buena
adhesión a la cadena, así como buena fluidez tanto en
climas cálidos como fríos.
¡No utilizar nunca aceite residual! Es nocivo para
usted, la máquina y el medio ambiente.
Repostaje de aceite para cadena de motosierra
• Todos nuestros modelos de motosierra tienen
lubricación automática de la cadena. Algunos
modelos pueden obtenerse también con flujo de
aceite regulable.
• El depósito de aceite de cadena y el depósito de
combustible están dimensionados para que se
termine el combustible antes de terminarse el aceite
de cadena.
No obstante, para que esta función de seguridad sea
efectiva debe utilizarse el aceite de cadena de sierra
correcto (un aceite demasiado claro se termina antes
de que se termine el combustible), debe seguirse
nuestra recomendación de reglaje del carburador
(una mezcla demasiado pobre hace que el
combustible dure más que el aceite de cadena), y
deben seguirse nuestras recomendaciones de equipo
de corte (una espada demasiado larga requiere más
aceite lubricante).
Control de la lubricación de la cadena
• Controle la lubricación de la cadena cada vez que
reposte. Vea las instrucciones del capítulo
Lubricación del cabezal de rueda de la espada.
Apunte la punta de la espada a unos 20 cm (8
pulgadas) de un objeto fijo y claro. Después de 1
minuto de funcionamiento a 3/4 de aceleración debe
verse una línea de aceite clara en el objeto.
Si no funciona la lubricación de la cadena:
• Compruebe que el canal de aceite de cadena en la
espada esté abierto. Límpielo si es necesario.
• Compruebe que la guía de la espada esté limpia.
Límpiela si es necesario.
• Compruebe que el cabezal de rueda de la espada
gire con facilidad y que su orificio de lubricación esté
abierto. Limpie y lubrique si es necesario.
Si la lubricación de la cadena no funciona después de
efectuar los controles y medidas anteriores, contacte a su
taller de servicio.
Piñón de arrastre de la cadena
El tambor del embrague lleva uno Piñón Spur (piñón
soldado en el tambor).
Compruebe regularmente el nivel de desgaste del piñón
de arrastre de la cadena y cámbielo si presenta un
desgaste anormal. El piñón de arrastre de la cadena debe
cambiarse cada vez que se cambie la cadena.
!
¡ATENCION! Una cadena
insuficientemente tensada puede
soltarse y ocasionar accidentes graves,
incluso mortales.
!
¡ATENCION! Utilice siempre guantes
protectores homologados. Una cadena
inmóvil también puede causar daños
graves al usuario u otras personas que
llegan a la cadena.
!
¡ATENCION! La lubricación insuficiente
del equipo de corte puede ocasionar
roturas de cadena, con el riesgo
consiguiente de accidentes graves e
incluso mortales.
¡IMPORTANTE! Si utiliza aceite vegetal para cadena de
sierra, desmonte y limpie la ranura de la espada y la
cadena de sierra antes del almacenamiento
prolongado. De no hacerlo, hay riesgo de que se oxide
el aceite de la cadena de sierra, con lo que la cadena se
vuelve rígida y el cabezal de rueda se atasca.

INSTRUCCIONES GENERALES DE SEGURIDAD
Spanish – 51
Control del desgaste del equipo de corte
Controle diariamente la cadena para comprobar si:
• Hay grietas visibles en los remaches y eslabones.
• La cadena está rígida.
• Los remaches y eslabones presentan un desgaste
anormal.
Deseche la cadena de sierra si concuerda con alguno o
varios de los puntos anteriores.
Para comprobar el desgaste de la cadena que utiliza, le
recomendamos que la compare con una cadena nueva.
Cuando sólo queden 4 mm (5/32 de pulgada) de longitud
de diente cortante, la cadena está gastada y debe
cambiarse. (10)
Espada
Controle a intervalos regulares:
• Si se han formado rebabas en los lados de la espada
(A). Lime si es necesario. (17)
•Si la guía de la espada presenta un desgaste anormal
(B). Cambie la espada si es necesario. (17)
• Si la punta de la espada presenta un desgaste
anormal o irregular. Si se ha formado una ”cavidad” al
final del radio de la punta, en la parte inferior de la
espada, es señal de que Ud. ha utilizado la máquina
con un tensado de cadena insuficiente.
• Para obtener una duración óptima, la espada debe
girarse cada día.
!
¡ATENCION! La mayoría de los
accidentes con la motosierra se
producen cuando la cadena toca al
usuario.
Utilice el equipo de protección personal.
Vea las instrucciones bajo el título
”Equipo de protección personal”.
Evite los trabajos para los que no se
sienta suficientemente capacitado. Vea
las instrucciones bajo los títulos Equipo
de protección personal, Medidas
preventivas de reculadas, Equipo de
corte e Instrucciones generales de
trabajo.
Evite situaciones con riesgo de reculada.
Vea las instrucciones bajo el título
Equipo de seguridad de la máquina.
Utilice el equipo de corte recomendado y
controle su estado. Vea las instrucciones
bajo el título Instrucciones generales de
trabajo.
Compruebe el funcionamiento de las
piezas de seguridad de la motosierra.
Vea las instrucciones bajo los títulos
Instrucciones generales de trabajo e
Instrucciones generales de seguridad.

MONTAJE
52 – Spanish
Montaje de la espada y la cadena
•Compruebe que no esté activado el freno de cadena
empujando la protección contra reculadas del freno
de cadena hacia el mango delantero. (25)
• Desenrosque la tuerca de la espada y desmonte la
carcasa del embrague (el freno de cadena). Saque la
protección de transporte (A). (18)
•Monte la espada en los pernos. Sitúela en la posición
posterior extrema. Monte la cadena en el piñón de
arrastre y la guía de la espada. Empiece con la parte
superior de la cadena. Compruebe que los filos de los
eslabones de corte estén orientados hacia delante en
la parte superior de la espada. (19)
•Monte la cubierta del embrague (el freno de cadena)
y ubique el vástago de tensado de cadena en la
muesca de la espada. Compruebe que los eslabones
de arrastre de la cadena encajen en el piñón de
arrastre de la cadena y que la cadena esté bien
colocada en la guía de la espada.
• Tense la cadena enroscando en el sentido de las
agujas del reloj el tornillo tensor con la herramienta
combinada. La cadena debe tensarse hasta que deje
de colgar en la parte inferior de la espada. (13)
• La cadena está correctamente tensada cuando no
cuelga en la parte inferior de la espada y puede
girarse fácilmente con la mano. Apriete las tuercas de
la espada con la herramienta combinada, sujetando al
mismo tiempo la puntera de la espada. (14)
• El tensado de una cadena nueva debe controlarse
con frecuencia, hasta que se haya hecho el rodaje.
Controle el tensado regularmente. Una cadena
correcta significa buena capacidad de corte y larga
duración. (11)
!
¡ATENCION! Los trabajos de control y/o
mantenimiento deben efectuarse con el
motor desconectado. El contacto de
parada retorna automáticamente a la
posición de arranque. Por consiguiente,
antes de realizar trabajos de montaje,
control y/o mantenimiento se debe quitar
el capuchón de encendido de la bujía
para evitar el arranque imprevisto.
Para trabajar con la cadena, utilice
siempre guantes para proteger las
manos contra lesiones.
!
¡ATENCION! Si la unidad se suministra
ya montada, repite todo el procedimiento
para cerciorarse de que el montaje es
correcto y que todos los fiadores están
sujetos.

MANIPULACION DEL COMBUSTIBLE
Spanish – 53
Carburante
Aclaración! La máquina tiene motor de dos tiempos, por
lo que debe utilizarse siempre una mezcla de gasolina
con aceite para motores de 2 tiempos. Es importante
medir con precisión la cantidad de aceite que se mezcla
para conseguir la proporción de mezcla adecuada. Al
mezclar pequeñas cantidades de combustible, incluso los
pequeños errores en la cantidad de aceite tienen una
gran incidencia en la proporción de mezcla.
Gasolina
• Utilice gasolina sin plomo o gasolina con plomo de
alta calidad.
• El octanaje mínimo recomendado es 87
((RON+MON)/2). Si se utiliza gasolina de octanaje
inferior a 87, se puede producir el efecto “clavazón”.
Esto produce un aumento de la temperatura del motor
y de la carga sobre los cojinetes, fenómenos que
pueden causar averías graves del motor.
• Para trabajos con régimen alto continuado (por
ejemplo, para desramar), se recomienda un octanaje
más alto.
Rodaje
No manejar la máquina a revoluciones demasiado altas
por periodos prolongados durante las primeras diez
horas.
Aceite para motores de dos tiempos
• Para un resultado y prestaciones óptimos, utilice
aceite para motores de dos tiempos Universal
Outdoor Accessories, especialmente fabricado para
motores de dos tiempos refrigerados por aire.
• No utilice nunca aceite para motores de dos tiempos
fuera borda refrigerados por agua (llamado outboard
oil), con designación TCW.
• No utilice nunca aceite para motores de cuatro
tiempos.
• Un aceite de calidad deficiente o una mezcla de
aceite/combustible demasiado rica puede perjudicar
el funcionamiento del catalizador y reducir su vida útil.
Mezcla
50:1 (2%) para todos los motores.
Mezcla
• Siempre haga la mezcla de gasolina y aceite en un
recipiente limpio, homologado para gasolina.
• Primero, ponga la mitad de la gasolina que se va a
mezclar. Luego, añada todo el aceite y agite la
mezcla. A continuación, añada el resto de la gasolina.
• Agite bien la mezcla de combustible antes de ponerla
en el depósito de combustible de la máquina.
• No mezcle más combustible que el necesario para
utilizar un mes como máximo.
• Si no se ha utilizado la máquina por un tiempo
prolongado, vacíe el depósito de combustible y
límpielo.
Aceite para cadena
• Para lubricar se recomienda un aceite especial
(aceite para lubricar cadenas) con buena aptitud
adherente.
• No utilice nunca aceite residual. Puede ocasionar
averías en la bomba de aceite, la espada y la cadena.
• Es importante utilizar un aceite adecuado para la
temperatura ambiente (con la viscosidad correcta).
• Con temperaturas bajo cero, algunos aceites se
espesan. Ello puede causar sobrecargas en la bomba
de aceite, con averías subsiguientes de las piezas de
la bomba.
• Para la selección de aceite lubricante de cadena,
consulte con su taller de servicio.
!
¡ATENCION! Para hacer la mezcla,
compruebe que haya buena ventilación.
Gasolina, litros Aceite para motores de dos
tiempos, litros
2% (1:50)
50,10
10 0,20
15 0,30
20 0,40
Gal EE.UU. Oz fl EE.UU.
12 1/2
2 1/2 6 1/2
512 7/8

MANIPULACION DEL COMBUSTIBLE
54 – Spanish
Repostaje
Seque minuciosamente alrededor de las tapas de los
depósitos. Limpie regularmente los depósitos de
combustible y de aceite para cadena. Cambie el filtro de
combustible una vez al año como mínimo. La suciedad en
los depósitos produce perturbaciones del
funcionamiento. Asegúrese de que el combustible esté
bien mezclado, agitando el recipiente antes de repostar.
Las capacidades de los depósitos de combustible y aceite
para cadena están adaptadas entre sí. Por consiguiente,
haga el repostaje de ambos al mismo tiempo. (16)
Seguridad en el uso del
combustible
•No reposte nunca la máquina con el motor en marcha.
• Procure que haya buena ventilación durante el
repostaje y la mezcla de combustible (gasolina y
aceite para motores de 2 tiempos).
• Antes de arrancar, aparte la máquina a 3 m como
mínimo del lugar de repostaje.
• Nunca arranque la máquina:
1 Si ha derramado sobre la máquina combustible o
aceite para cadena. Seque cualquier residuo y espere
a que se evaporen los restos de combustible.
2 Si se salpicó el cuerpo o las ropas, cambie de ropas.
Lave las partes del cuerpo que han entrado en
contacto con el combustible. Use agua y jabón.
3 Si hay fugas de combustible en la máquina.
Compruebe regularmente si hay fugas en la tapa del
depósito o en los conductos de combustible.
Transporte y almacenamiento
•Almacene la motosierra y el combustible de forma que
no haya riesgo de que los eventuales vapores y fugas
entren en contacto con chispas o llamas. Por ejemplo,
cerca de máquinas eléctricas, motores eléctricos,
contactos/interruptores eléctricos, calderas de
calefacción o similares.
• Para el almacenamiento del combustible deben
utilizarse recipientes especiales homologados.
• En caso de almacenamiento o transporte de la
motosierra por tiempo prolongado, deberán vaciarse
los depósitos de combustible y aceite para cadena.
Consulte con la gasolinera más cercana sobre qué
hacer con el combustible y aceite de cadena
sobrantes.
• La protección de transporte del equipo de corte debe
estar siempre montada para el transporte y
almacenamiento de la máquina, a fin de evitar el
contacto fortuito con la cadena aguda. Una cadena
inmóvil también puede causar daños graves al
usuario u otras personas que llegan a la cadena.
• Quite el capuchón de encendido de la bujía. Active el
freno de cadena.
• Asegure la máquina durante el transporte.
Almacenamiento prolongado
Vacíe los depósitos de combustible y aceite en un lugar
bien ventilado. Guarde el combustible en bidones
homologados y en un lugar seguro. Monte la protección
de la espada. Limpie la máquina. Vea las instrucciones
del capítulo Programa de mantenimiento.
Antes del almacenaje prolongado, limpie bien la máquina
y haga el servicio completo.
!
¡ATENCION! Las siguientes medidas
preventivas reducen el riesgo de
incendio:
No fume ni ponga objetos calientes
cerca del combustible.
Apague el motor y deje que se enfríe
unos minutos antes de repostar.
Para repostar, abra despacio la tapa del
depósito de combustible para evacuar
lentamente la eventual sobrepresión.
Después de repostar, apriete bien la tapa
del depósito de combustible.
Antes de arrancar, aparte siempre la
máquina del lugar y de la fuente de
repostaje.
!
¡ATENCION! El combustible y los
vapores de combustible son muy
inflamables. Proceda con cuidado en la
manipulación del combustible y el aceite
de cadena. Tenga en cuenta el riesgo de
incendio, explosión e inhalación.
!
¡ATENCION! No utilice nunca una
máquina con daños visibles en la
protección de bujía y el cable de
encendido. Hay riesgo de generación de
chispas, que pueden causar incendios.

ARRANQUE Y PARADA
Spanish – 55
Arranque y parada
Arranque
El freno de cadena debe estar activado al poner en
marcha la motosierra. Active el freno moviendo la
protección contra reculadas hacia delante. (20)
Motor frío
Posición de arranque, 1: Sitúe el interruptor de
arranque / parada en la posición de estrangulamiento
tirando del mando rojo hacia arriba y hacia fuera. (21)
Bomba de combustible, 2: Presione varias veces la
membrana de goma de la bomba de combustible hasta
que empiece a llenarse de combustible (6 veces como
mínimo). No es necesario llenar completamente la
membrana. (21)
Agarre el mango delantero con la mano izquierda. Pise la
parte inferior del mango trasero con el pie derecho y
presione la motosierra contra el suelo. (22)
Agarre la empuñadura de arranque, 3: agarre la
empuñadura de arranque con la mano derecha y tire
lentamente del cordón hasta que note resistencia
(cuando se conecten los ganchos de arranque). Luego,
dé tirones rápidos y fuertes hasta que el motor arranque.
Oprimir inmediatamente el estrangulador rojo, 4:
Cuando el motor arranque, oirá una especie de soplido y
entonces deberá oprimir inmediatamente el
estrangulador rojo.
Agarre la empuñadura de arranque, 5: Reponga con
firmeza el cordón a su posición inicial y repita el intento
hasta que el motor arranque.
Motor caliente
Posición de arranque, 1: Para la función combinada de
estrangulamiento/aceleración de arranque en caliente,
mueva el estrangulador tirando del mando rojo hacia
fuera y hacia arriba. (21)
Bomba de combustible, 2: Presione varias veces la
membrana de goma de la bomba de combustible hasta
que empiece a llenarse de combustible (6 veces como
mínimo). No es necesario llenar completamente la
membrana. (21)
Oprimir inmediatamente el estrangulador rojo, 4: De
esta manera se desactiva el estrangulador, que no es
necesario para el arranque en caliente de la motosierra.
Sin embargo, el movimiento del interruptor de arranque/
parada habrá provocado un ralentí alto, lo que facilita el
arranque en caliente.
Agarre la empuñadura de arranque, 5: Agarre el
mango delantero con la mano izquierda. Pise la parte
inferior del mango trasero con el pie derecho y presione
la motosierra contra el suelo. (22)
Agarre la empuñadura de arranque con la mano derecha
y tire lentamente del cordón hasta que note resistencia
(cuando se conecten los ganchos de arranque). Luego,
dé tirones rápidos y fuertes hasta que el motor arranque.
Dado que el freno de cadena todavía está activado, se
deben bajar las revoluciones del motor lo antes posible a
ralentí, y esto se logra desconectando el fiador contra
aceleraciones involuntarias. Para desconectarlo, acelere
ligeramente el activador de aceleraciones involuntarias.
De ese modo, se evita un desgaste innecesario del
embrague, del tambor del embrague y de la cinta de
freno. Deje funcionar la máquina en ralentí unos
segundos antes de acelerar plenamente. (24)
En la parte trasera de la motosierra hay un
recordatorio de arranque simplificado, con figuras
que describen cada paso.
Aclaración! Para poner el freno de cadena en su
posición inicial, mueva la protección contra
reculadas hacia la empuñadura del mango. Ahora, la
motosierra está lista para funcionar. (25)
• Nunca ponga en marcha la motosierra sin haber
montado antes correctamente la espada, la cadena y
todas las cubiertas. Vea las instrucciones bajo el título
!
¡ATENCION! Antes de arrancar, observe
lo siguiente:
El freno de cadena debe estar aplicado
cuando se arranca la motosierra, para
reducir el riesgo de contacto con la
cadena en movimiento al ponerse en
marcha.
No ponga en marcha la motosierra sin
haber montado antes la espada, la
cadena y todas las cubiertas. De otro
modo, el embrague puede zafar y
ocasionar daños personales.
Ponga la máquina sobre una superficie
estable. Asegúrese de tener buena
estabilidad y de que la cadena no pueda
tocar ningún objeto.
Asegúrese de que no haya terceros
desautorizados en la zona de trabajo.
Nunca enrosque el cordón de arranque
alrededor de la mano.
!
¡ATENCION! La inhalación prolongada
de los gases de escape del motor, la
neblina de aceite de cadena y el polvo de
serrín puede poner en riesgo la salud.

ARRANQUE Y PARADA
56 – Spanish
Montaje. Sin la espada y la cadena montadas en la
motosierra, el embrague se puede soltar y causar
daños graves. (26)
• El freno de cadena debe estar aplicado cuando se
arranca la motosierra. Vea las instrucciones del
capítulo Arranque y parada. No arranque nunca la
motosierra agarrando el cordón de arranque y
soltando la máquina. Este método es muy peligroso
porque se pierde fácilmente el control de la
motosierra. (27)
•No ponga nunca en marcha la máquina en interiores.
Tenga en cuenta el riesgo de inhalación de los gases
de escape del motor.
• Observe el entorno y asegúrese de que no haya
riesgo de tocar a personas o animales con el equipo
de corte.
• Sujete siempre la motosierra con ambas manos.
Agarre la empuñadura trasera con la mano derecha y
la empuñadura delantera con la mano izquierda.
Todos los usuarios, diestros o zurdos, deben usar
este agarre. Agarre con firmeza, con todos los dedos
alrededor de las empuñaduras de la motosierra. (28)
Parada
El motor se arranca presionando el mando de arranque/
parada. (29)
¡NOTA! El contacto de arranque/parada retorna
automáticamente a la posición de marcha. Por
consiguiente, para evitar el arranque involuntario hay que
quitar siempre el capuchón de encendido de la bujía
cuando se abandona la máquina. Utilice la herramienta
combinada integrada con la protección de la mano
derecha para abrir la cubierta del cilindro. (6) (30)

TECNICA DE TRABAJO
Spanish – 57
Antes de utilizar la máquina: (31)
1 Compruebe que el freno de cadena funcione
correctamente y no esté dañado.
2 Compruebe que la protección trasera de la mano
derecha no esté dañada.
3 Compruebe que el fiador contra aceleraciones
involuntarias funcione correctamente y no esté
dañado.
4 Compruebe que el botón de parada funciona bien y
está en buen estado.
5 Compruebe que todos los mangos estén libres de
aceite.
6 Compruebe que el sistema de amortiguación de
vibraciones funcione y no esté dañado.
7 Compruebe que el silenciador esté firmemente
montado y en buenas condiciones.
8 Compruebe que todas las piezas de la motosierra
estén bien apretadas, no presenten daños y estén
presentes.
9 Compruebe que el retén de cadena esté montado y
en buenas condiciones.
10 Controle el tensado de la cadena.
Instrucciones generales de
trabajo
Reglas básicas de seguridad
1 Observe el entorno para:
• Comprobar que no hayan personas, animales, etc.,
que puedan influir en su control de la máquina.
• Impedir que eventuales personas o animales puedan
entrar en contacto con la cadena o sean alcanzadas
o lesionadas por un árbol derribado.
¡NOTA! Siga las instrucciones mencionadas arriba y no
utilice la motosierra sin que haya alguien a quien recurrir
en caso de accidente.
2 No trabaje en condiciones atmosféricas
desfavorables como niebla, lluvia intensa, tempestad,
frío intenso, etc. El trabajo con mal tiempo es fatigoso
y puede crear circunstancias peligrosas, como
terreno resbaladizo, cambio imprevisto de la dirección
de derribo de los árboles, etc.
3 Proceda con sumo cuidado en el corte de ramas
pequeñas y evite cortar arbustos (= varias ramas al
mismo tiempo). Después del corte, las ramas
pequeñas pueden atascarse en la cadena, ser
lanzadas hacia Ud. y herirle de gravedad.
4 Compruebe que pueda caminar y mantenerse de pie
con seguridad. Vea si hay eventuales impedimentos
para desplazamientos imprevistos (raíces, piedras,
ramas, fosos, zanjas, etc.). Proceda con sumo
cuidado al trabajar en terreno inclinado.
5 Sea sumamente cuidadoso al cortar en árboles en
tensión. Un árbol en tensión puede, tanto antes como
después de terminar de cortar, volver a su posición
normal. Si Ud. o el corte están mal ubicados, el árbol
puede golpearlo a Ud. o a la máquina y hacerle perder
el control. Las dos situaciones pueden ocasionar
daños personales graves.
6 Para los desplazamientos, bloquee la cadena con el
freno de cadena y pare el motor. Lleve la motosierra
con la espada y cadena orientadas hacia atrás. Para
los desplazamientos largos y los transportes utilice
siempre la protección de la espada.
7 Cuando ponga la motosierra en el suelo, bloquee la
cadena de sierra con el freno de cadena y no pierda
de vista la motosierra. Para el 'estacionamiento
prolongado', se debe parar el motor.
Reglas básicas
1 Entendiendo las implicaciones y causas de la
reculada, Ud. puede reducir o eliminar sorpresas que
incrementen el riesgo de accidente. La mayoría de
reculadas son pequeñas, aunque algunas son
rapidísimas y muy violentas.
2 Sujete siempre la motosierra con firmeza, con la
mano derecha en el mango trasero y la mano
izquierda en el mango delantero, agarrando los
mangos con todos los dedos. Este agarre deben
utilizarlo todos los usuarios, incluso los zurdos. Este
agarre es la mejor forma de reducir el efecto de una
reculada y, al mismo tiempo, mantener el control de la
motosierra. ¡No suelte los mangos! (28)
¡IMPORTANTE!
Este capítulo se refiere a las reglas de seguridad
básicas para el trabajo con una motosierra. En ningún
caso, su contenido podrá sustituir a los conocimientos,
formación y experiencia práctica de un profesional. Por
consiguiente, cuando no esté seguro de cómo utilizar la
máquina, consulte a un experto. Diríjase a la tienda
donde compró la motosierra, al taller de servicio o a un
usuario de motosierras experto. ¡Evite los trabajos para
los que no se sienta suficientemente cualificado!
No utilice la motosierra hasta que haya comprendido el
significado de las reculadas y la forma de evitarlas. Vea
las instrucciones bajo el título Medidas preventivas de
las reculadas.
No utilice la motosierra hasta que haya comprendido la
diferencia entre las técnicas de corte con la parte
superior y la parte inferior de la espada. Vea las
instrucciones de los capítulos Medidas preventivas de
las reculadas y Equipo de seguridad de la máquina.
Utilice el equipo de protección personal. Vea las
instrucciones bajo el título ”Equipo de protección
personal”.
!
¡ATENCION! A veces las astillas quedan
atrapadas en la cubierta del embrague, lo
que hace que la cadena se atasque. Pare
siempre el motor antes de limpiar la
máquina.

TECNICA DE TRABAJO
58 – Spanish
3 La mayoría de los accidentes por reculada se
producen al desramar. Procure trabajar con una
postura estable y que en el suelo no hayan objetos
que puedan hacerle tropezar y perder el equilibrio.
Si se trabaja con negligencia, el sector de riesgo de
reculada de la espada puede tocar involuntariamente
una rama, un árbol u otro objeto y producir una
reculada.
Controle la pieza de trabajo. Si las piezas de trabajo
que sierra son pequeñas y ligeras, pueden atascarse
en la cadena de sierra y ser lanzadas contra usted.
Esto, aunque no es necesariamente peligroso, puede
sorprenderle y hacerle perder el control de la
motosierra. No sierre nunca troncos apilados ni ramas
sin separarlos antes. Sierre solamente los troncos de
trozo en trozo. Aparte los trozos aserrados para
mantener segura su zona de trabajo.
4No utilice nunca la motosierra por encima de los
hombros y evite cortar con la punta de la
motosierra. ¡No utilice nunca la motosierra con
una sola mano! (32)
5 Para obtener máximo control de la motosierra, es
necesario adoptar una posición estable. No trabaje
nunca subido a una escalera, trepado a un árbol o en
una posición que carezca de una base firme. (33)
6 Corte con velocidad de cadena alta, acelerando al
máximo.
7 Para cortar con la parte superior de la espada, en
sentido ascendente desde la parte inferior del objeto
a cortar, proceda con muchísimo cuidado. Al trabajar
con esta técnica, llamada de cadena impelente, la
cadena empuja la motosierra hacia atrás, hacia el
usuario. Si la cadena de sierra se atasca, la
motosierra puede ser lanzada hacia atrás contra
usted.
8 Si el usuario no resiste la fuerza de la motosierra,
puede ocurrir que ésta retroceda tanto que el sector
de riesgo de reculada de la espada toque el árbol y se
produzca una reculada. (34)
El corte con la parte inferior de la espada, en sentido
descendente desde la parte superior del objeto a
cortar, se denomina de corte con cadena tirante. La
motosierra es tirada hacia el árbol y el canto delantero
del cuerpo se apoya contra el tronco. Con esta técnica
de cadena tirante, el usuario controla mejor la
motosierra y la situación del sector de riesgo de
reculada de la espada.
9 Siga las instrucciones de afilado y mantenimiento de
la espada y la cadena. Al cambiar la espada y la
cadena sólo deben utilizarse las combinaciones
recomendadas por nosotros. Vea las instrucciones
bajo los títulos Equipo de corte y Datos técnicos.
Técnica básica de corte
Generalidades
• ¡Para cortar, utilice siempre la aceleración máxima!
• Después de cada corte de sierra, suelte el acelerador
y deje el motor en vacío (la aceleración máxima
prolongada sin carga, es decir sin que el motor tenga
la resistencia de la cadena en el aserrado, produce
avería grave del motor).
• Corte descendente = con cadena ”tirante”.
• Corte ascendente = con cadena ”impelente”.
La técnica con cadena ”impelente” supone un mayor
riesgo de reculada. Vea las instrucciones bajo el título
Medidas preventivas de las reculadas.
Designaciones
Tronzado = denominación genérica del corte transversal
de la madera.
Desramado = corte de las ramas de un árbol talado.
Partición = rotura del objeto que se corta antes de
concluir el corte.
Para los trabajos de tronzado deben tenerse en
cuenta cinco factores muy importantes:
1 El equipo de corte no debe quedar apretado en el
surco.
2 El objeto que se corta no debe partirse.
3 Durante el tronzado y después del mismo, la cadena
de la sierra no debe tocar el suelo ni objeto alguno.
4 ¿Hay riesgo de reculada?
5 ¿Puede la configuración del terreno y el entorno influir
en su estabilidad y seguridad para caminar y
mantenerse de pie?
El atasco de la cadena y la partición del objeto de corte
pueden deberse a dos factores: el apoyo del objeto antes
y después del tronzado, y si el objeto a cortar está tenso.
En la mayoría de casos, estos factores pueden evitarse
efectuando el tronzado en dos etapas: por arriba y por
abajo. Así se neutraliza la propensión del objeto a cortar
a apretar la cadena o a partirse.
A continuación, se indica un listado teórico de la forma de
tratar las situaciones más comunes con que puede
enfrentarse un usuario de motosierra.
!
¡ATENCION! No utilice nunca una
motosierra agarrándola solamente con
una mano. Una motosierra no se
controla con seguridad con una mano.
Agarre con fuerza y firmeza las
empuñaduras con ambas manos.
¡IMPORTANTE! Si la cadena se atasca en el surco:
¡Pare el motor! No intente sacar la motosierra por la
fuerza. Si lo hace, puede accidentarse con la cadena
cuando se suelta repentinamente la motosierra. Para
soltar la motosierra, utilice una palanca.

TECNICA DE TRABAJO
Spanish – 59
Desramado
Para cortar ramas gruesas deben aplicarse los mismos
principios que para el tronzado.
Corte las ramas difíciles por partes.
Tronzado
Si hay una pila de troncos, se debe separar de ella cada
tronco que se va a cortar, colocarlo en un soporte para
serrar guiadera y cortarlo por separado.
Aparte los trozos cortados de la zona de trabajo. Si los
deja en la zona de trabajo, aumenta el riesgo de reculada
por equivocación y el riesgo de perder el equilibrio
cuando trabaja.
El tronco en el suelo. No hay riesgo de atasco de la
cadena o de partición del objeto de corte. Sin embargo,
hay un riesgo considerable de que la cadena toque el
suelo después del corte. (35)
Corte desde arriba todo el tronco. Al final del corte,
proceda con cuidado para evitar que la cadena toque el
suelo. Mantenga la aceleración máxima y esté alerta a lo
que va a pasar. (35)
Si es posible (¿puede girarse el tronco?), termine el corte
a 2/3 del diámetro del tronco.
Gire el tronco para cortar el tercio restante desde arriba.
El tronco está apoyado en un extremo. Gran riesgo de
partición.
Empiece cortando desde abajo (aproximadamente 1/3
del diámetro del tronco).
Termine el corte desde arriba, hasta que se encuentren
los dos surcos.
El tronco está apoyado en ambos extremos. Gran
riesgo de atasco de la cadena.
Empiece cortando desde arriba (aproximadamente 1/3
del diámetro del tronco).
Termine el corte desde abajo, hasta que se encuentren
los dos surcos.
Técnica de tala
Distancia de seguridad
La distancia de seguridad entre el árbol a talar y el lugar
de trabajo más cercano debe ser de 2,5 longitudes de
árbol. Asegúrese de que no haya nadie en esta ”zona de
riesgo” antes de la tala y durante la misma. (36)
Dirección de derribo
El derribo tiene por objeto la colocación del árbol de
forma que el desramado y tronzado subsiguientes
puedan efectuarse en un terreno lo más ”fácil” posible. El
talador debe poder caminar y mantenerse de pie con
seguridad.
Cuando haya decidido en qué dirección quiere derribar el
árbol, debe considerar la dirección natural de caída del
mismo.
Ésta depende de varios factores:
• Inclinación
• Torcimiento
• Dirección del viento
• Concentración de las ramas
• Peso de la nieve, si la hay
• Obstáculos dentro del alcance del árbol: como otros
árboles, cables eléctricos, paredes y edificios.
• Compruebe si el tronco tiene daños o podredumbre,
que aumentan la probabilidad de que el árbol se
rompa y empiece a caer antes de lo previsto.
Una vez considerados estos factores, puede verse
obligado a dejar que el árbol caiga en su dirección
natural, ya que es imposible, o demasiado arriesgado,
intentar colocarlo en la dirección decidida en un principio.
Otro factor muy importante, que no afecta a la dirección
de derribo pero sí a su seguridad personal, es el control
de que el árbol no tenga ramas dañadas o ”muertas” que
puedan romperse por sí solas y dañarle a Ud. durante la
tala.
Ante todo, debe evitarse que el árbol derribado se
atasque en otro árbol. Es muy peligroso retirar un árbol
atascado y hay un elevado riesgo de accidente. Vea las
instrucciones bajo el título Tratamiento de una tala fallida.
Corte de ramas bajas y camino de retirada
Desrame el ronco hasta la altura del hombro. Es más
seguro trabajar de arriba a abajo y tener el tronco entre
usted y la motosierra.
Limpie la vegetación que hay alrededor del árbol y elimine
los eventuales obstáculos (piedras, ramas, huecos, etc.)
para tener preparado un camino de retirada cuando
empiece a caer el árbol. El camino de retirada debe estar
a unos 135°, oblicuamente hacia atrás, de la dirección de
derribo prevista. (37)
1 Zona de riesgo
2 Vía de retirada
3 Dirección de derribo
!
¡ATENCION! No intente nunca serrar
troncos apilados ni dos troncos que
están muy juntos. Estos métodos
incrementan drásticamente el riesgo de
reculada, que comportan riesgo de
daños personales graves y peligro de
muerte.
¡IMPORTANTE! La tala de árboles requiere mucha
experiencia. Un usuario de motosierra inexperto no
debe talar árboles. ¡Evite los trabajos para los que no se
considere suficientemente capacitado!
¡IMPORTANTE! En momentos críticos de la tala
deberán levantarse los protectores auriculares apenas
termine el aserrado, a fin de poder advertir ruidos y
señales de advertencia.

TECNICA DE TRABAJO
60 – Spanish
Tala
La tala se hace con tres cortes. Se empieza con el corte
de indicación, compuesto por un corte superior y un corte
inferior; y se termina con el corte de derribo. Con la
ubicación correcta de estos cortes puede controlarse con
gran exactitud la dirección de derribo.
Corte de indicación
El corte de indicación se inicia con el corte superior.
Sitúese a la derecha del árbol y corte con cadena tirante.
Luego, efectúe el corte inferior, que debe terminar
exactamente donde terminó el corte superior. (38)
La profundidad del corte de indicación debe ser igual a 1/
4 del diámetro del tronco, y el ángulo entre los cortes
superior e inferior debe ser de 45° como mínimo.
La convergencia de ambos cortes se denomina línea de
corte de indicación. La línea de corte de indicación debe
ser perfectamente horizontal y formar un ángulo recto
(90°) con la dirección de derribo elegida. (39)
Corte de derribo
El corte de derribo se hace en el lado opuesto del árbol y
debe ser perfectamente horizontal. Sitúese a la izquierda
del árbol y corte con cadena tirante.
Sitúe el corte de derribo a unos 3-5 cm (1,5-2 pulgadas)
por encima del plano horizontal del corte de indicación.
(40)
El corte de derribo debe quedar paralelo con la línea de
corte de indicación, con una distancia mínima entre
ambos de 1/10 del diámetro del tronco. La parte del
tronco sin cortar se denomina faja de desgaje.
La faja de desgaje funciona como una bisagra que dirige
la dirección de derribo del árbol. (41)
Se pierde completamente el control de la dirección de
derribo del árbol si la faja de desgaje es demasiado
pequeña o se atraviesa al cortar, o si los cortes de
indicación y derribo están mal situados.
Cuando están terminados los cortes de indicación y de
derribo, el árbol debe empezar a caer; bien por sí solo, o
con ayuda de la cuña de derribo o de la barra
desgajadora.
Recomendamos emplear una longitud de espada mayor
que el diámetro del tronco para que los cortes de derribo
e indicación se puedan hacer con un 'corte sencillo'. Vea
las instrucciones del capítulo Datos técnicos en lo
referente a las longitudes de espada recomendadas para
su modelo de motosierra.
Hay técnicas para la tala de árboles con diámetros de
tronco más grandes que la longitud de la espada. Estas
técnicas conllevan un riesgo considerable de que el
sector de riesgo de reculada de la espada toque un
objeto.
Tratamiento de una tala fallida
Derribo de un árbol ”atascado”
Es muy peligroso retirar un árbol atascado y hay un
elevado riesgo de accidente.
No intente nunca cortar árboles talados apoyados sobre
otros.
No trabaje nunca dentro de la zona de riesgo de árboles
talados atascados y suspendidos.
El método más seguro es utilizar un torno.
• Montado en un tractor
• Portátil
Corte de árboles y ramas tensos
Preparativos: Estime el sentido de la tensión y dónde
tiene su punto de ruptura (es decir, el punto en el que se
rompería si se siguiera tensando).
Determine la forma más segura de soltar la tensión y
también, si Ud. puede hacerlo. En situaciones muy
complicadas, el único método seguro consiste en utilizar
un torno en vez de la motosierra.
Generalidades:
Sitúese de modo que no haya riesgo de que sea
alcanzado por el tronco/la rama cuando se suelte.
Haga uno o varios cortes en el punto de ruptura o cerca
del mismo. Corte a la profundidad requerida y con el
número de cortes necesarios para que la tensión del
tronco/la rama se suelte lo suficiente para que el tronco/
la rama se ”parta” en el punto de ruptura.
¡No corte nunca del todo un objeto en tensión!
Si necesita cortar a través del árbol/rama, haga dos o tres
cortes con una separación de 3 cm y una profundidad de
3 a 5 cm.
Continúe serrando a más profundidad hasta que soltar la
fuerza y la tensión del árbol/rama.
Sierre el árbol/rama desde el lado opuesto después de
soltar la tensión.
Medidas preventivas de las
reculadas
!
¡ATENCION! ¡Desaconsejamos a los
usuarios insuficientemente cualificados
que talen árboles con espada de longitud
más pequeña que el diámetro del tronco
a cortar!
!
¡ATENCION! Las reculadas pueden ser
rapidísimas, repentinas y violentas,
lanzando la motosierra, la espada y la
cadena contra el usuario. Si la cadena en
movimiento toca al usuario, pueden
producirse lesiones muy graves e
incluso mortales. Es necesario
comprender las causas de las reculadas
y que pueden evitarse procediendo con
cuidado y trabajando con la técnica
correcta.

TECNICA DE TRABAJO
Spanish – 61
¿Qué es la reculada?
Reculada es la denominación de una reacción repentina
por la que la motosierra y la espada salen despedidas de
un objeto que ha entrado en contacto con el cuadrante
superior de la punta de la espada, denominado sector de
riesgo de reculada. (45)
La reculada sigue siempre el sentido del plano de la
espada. Lo más común es que la motosierra y la espada
reboten hacia atrás en sentido ascendente, hacia el
usuario. También hay otros sentidos de reculada
dependiendo de la posición de la motosierra en el
momento en que el sector de riesgo de reculada de la
espada toca un objeto.
La reculada sólo puede producirse cuando el sector de
riesgo de reculada de la espada toca un objeto.
Desramado
¡Cerciórese de que pueda caminar y mantenerse de pie
con seguridad! Trabaje desde el lado izquierdo del tronco.
Trabaje lo más cerca posible de la motosierra para
máximo control. Cuando sea posible, descargue el peso
de la motosierra apoyándola en el tronco.
Desplácese solamente cuando el tronco esté situado
entre Ud. y la motosierra.
Tronzado del tronco
Vea las instrucciones bajo el título Técnica básica de
corte.
!
¡ATENCION! La mayoría de accidentes
por reculada ocurren al desramar. No
use el sector de riesgo de reculada de la
espada. Proceda con sumo cuidado y
evite que la punta de la espada entre
toque en el tronco, en otras ramas o en
objetos. Proceda con sumo cuidado con
las ramas que están tensadas. Pueden
ser despedidas contra usted y hacerle
perder el control, con el riesgo
consiguiente de daños.

MANTENIMIENTO
62 – Spanish
Generalidades
El usuario sólo puede efectuar los trabajos de
mantenimiento y servicio descritos en este manual. Los
trabajos de mayor envergadura debe efectuarlos un taller
de servicio oficial.
Ajuste del carburador
Su producto ha sido diseñado y fabricado conforme a
especificaciones que reducen las emisiones nocivas.
Funcionamiento
• El régimen del motor se controla mediante el
acelerador y el carburador. En el carburador se
efectúa la dosificación de la mezcla de aire y
combustible. La mezcla de air/combustible no es
ajustible excepto por un técnico capacitado. Para
obtener la potencia máxima de la máquina, el reglaje
de la dosificación debe ser correcto.
• Con el tornillo T se regula la posición del acelerador
en ralentí. El ralentí se aumenta girando el tornillo T
en el sentido de las agujas del reloj y se reduce
girándolo en sentido contrario a las agujas del reloj.
Reglaje básico y rodaje
El reglaje básico del carburador se lleva a cabo en las
pruebas que se hacen en fábrica. El ajuste fino debe ser
llevada a cabo por un técnico capacitado.
Reglaje preciso del ralentí, tornillo T
El ralentí se regula con el tornillo marcado con una T. Para
regular, enrosque (en el sentido de las agujas del reloj) el
tornillo T con el motor en marcha hasta que empiece a
girar la cadena. A continuación, desenrosque (en sentido
contrario a las agujas del reloj) hasta que la cadena se
pare. El reglaje del régimen de ralentí es correcto cuando
el motor funciona regularmente en todas las posiciones,
habiendo un buen margen hasta el régimen en que
empieza a girar la cadena.
Control, mantenimiento y servicio
del equipo de seguridad de la
motosierra
Freno de cadena con protección contra
reculadas
Control del desgaste de la cinta de freno
Limpie el freno de cadena y el tambor de embrague de
serrín, resina y suciedad. La suciedad y el desgaste
perjudican la función de frenado. (42)
Controle regularmente que el punto más desgastado de
la cinta de freno tenga un mínimo de 0.024” (0,6 mm) de
grosor.
Control de la protección contra reculadas
Compruebe que la protección contra reculadas esté
intacta, sin defectos visibles como, por ejemplo, grietas.
Empuje la protección contra reculadas adelante y atrás
para comprobar que se mueve con facilidad y que está
firmemente anclada a su articulación en la cubierta del
embrague. (43)
Control de la función de inercia
Mantenga la motosierra, con el motor parado, sobre un
tocón u otro objeto estable. Suelte la empuñadura
delantera y deje caer la motosierra por su propio peso,
rotando en la empuñadura trasera, contra el tocón.
El freno de cadena debe activarse cuando la punta de
la espada toca el tocón. (47)
Control del efecto de frenado
Coloque la motosierra sobre una base firme y arránquela.
Fíjese que la cadena no entre en contacto con el suelo u
otro objeto. Consulte las instrucciones bajo el título
Arranque y parada.
Sostenga la motosierra con firmeza, agarrando los
mangos con todos los dedos.
Acelere al máximo y active el freno de cadena girando la
muñeca izquierda hacia la protección contra reculadas.
No suelte el mango delantero. La cadena debe
detenerse inmediatamente.
!
¡ATENCION! Si el régimen de ralentí no
puede ajustarse para que se pare la
cadena, acuda a un taller de servicio. No
utilice la motosierra hasta que esté
correctamente regulada o reparada.
Aclaración! Para todos los trabajos de servicio y
reparación de la máquina es necesaria una
capacitación especial. Esto es especialmente aplicable
al equipo de seguridad. Si la máquina no da resultados
satisfactorios en alguno de los controles de la lista
abajo, le recomendamos que acuda a un taller de
servicio. Todas las medidas de mantenimiento que no
estén indicadas en este manual deben ser efectuadas
por una tienda autorizada con servicio (distribuidor).
Pare el motor y quite el cable de encendido antes de
una reparación o mantenimiento

MANTENIMIENTO
Spanish – 63
Fiador del acelerador
• Compruebe que el acelerador esté bloqueado en la
posición de ralentí cuando el fiador está en su
posición inicial.
• Apriete el fiador del acelerador y compruebe que
vuelva a su posición de partida al soltarlo.
• Compruebe que el acelerador y el fiador se muevan
con facilidad y que funcionen sus muelles de retorno.
• Arranque la motosierra y acelere al máximo. Suelte el
acelerador y compruebe que la cadena se pare y
permanezca inmóvil. Si la cadena gira con el
acelerador en la posición de ralentí debe controlarse
el reglaje de ralentí del carburador.
Captor de cadena
Compruebe que el captor de cadena esté intacto y que
esté firmemente montado al cuerpo de la motosierra.
Protección de la mano derecha
Compruebe que la protección de la mano derecha esté
intacta, sin defectos visibles como, por ejemplo, grietas.
Sistema amortiguador de vibraciones
Compruebe regularmente que los elementos
antivibraciones no estén agrietados o deformados.
Compruebe que los elementos antivibraciones estén bien
anclados entre la parte del motor y la parte de los
mangos, respectivamente.
Botón de parada
Arranque el motor y compruebe que se pare cuando se
mueve el botón de parada a la posición de parada. (29)
¡NOTA! El contacto de arranque/parada retorna
automáticamente a la posición de marcha. Por
consiguiente, para evitar el arranque involuntario hay que
quitar siempre el capuchón de encendido de la bujía
cuando se abandona la máquina. (30)
Silenciador
Nunca utilice una máquina que tenga un silenciador
defectuoso. Compruebe regularmente que el silenciador
esté firmemente montado en la máquina.
Aclaración: La rejilla de parachispas (A) de esta máquina
es reparable. Si la rejilla tiene desperfectos, cámbiela.
Con una rejilla obturada, la máquina se sobrecalienta y se
averían el cilindro y el pistón. No utilice nunca la máquina
si el silenciador está en mal estado. Nunca utilice un
silenciador sin una rejilla apagachispas o con una
rejilla apagachispas defectuosa. (7)
Tras 75 horas de uso, le recomendamos que solicite a su
distribuidor que sustituya el silenciador.
Filtro de aire
El filtro de aire debe limpiarse regularmente de polvo y
suciedad para evitar:
• Fallos del carburador.
• Problemas de arranque.
• Reducción de la potencia.
• Desgaste innecesario de las piezas del motor
• Un consumo de combustible excesivo
• Para desmontar el filtro, saque primero la cubierta del
cilindro. Al montar, compruebe que el filtro quede
colocado herméticamente contra el soporte. Para
limpiar el filtro, sacúdalo o cepíllelo. (44)
Para una limpieza a fondo del filtro, lávelo en agua
jabonosa.
Un filtro utilizado durante mucho tiempo no puede
limpiarse del todo. Por tanto, hay que cambiarlo a
intervalos regulares. Un filtro de aire averiado debe
cambiarse.
Bujía
Los factores siguientes afectan al estado de la bujía:
• Carburador mal regulado.
• Mezcla de aceite inadecuada en el combustible
(demasiado aceite o aceite inadecuado).
• Filtro de aire sucio.
Estos factores producen revestimientos en los electrodos
de la bujía que pueden ocasionar perturbaciones del
funcionamiento y dificultades de arranque.
Si la potencia de la máquina es demasiado baja, si es
difícil arrancar la máquina o si el ralentí es irregular:
revise primero la bujía antes de tomar otras medidas. Si
la bujía está muy sucia, límpiela y compruebe que la
separación de los electrodos sea de 0,5 mm. La bujía
debe cambiarse aproximadamente después de un mes
de funcionamiento o más a menudo si es necesario. (46)
Si la potencia de la máquina es demasiado baja, si es
difícil arrancar la máquina o si el ralentí es irregular:
revise primero la bujía antes de tomar otras medidas. Si
la bujía está muy sucia, límpiela y compruebe que la
separación de los electrodos sea de 0,5 mm. La bujía
debe cambiarse aproximadamente después de un mes
de funcionamiento o más a menudo si es necesario.
Aclaración! ¡Utilice siempre el tipo de bujía recomendado!
Una bujía incorrecta puede arruinar el pistón y el cilindro.
Asegúrese de que la bujía tenga supresión de
perturbaciones radioeléctricas.
Depuración centrífuga ”CCS”
Con la depuración centrífuga, todo el aire que va al
carburador entra (es absorbido) a través del mecanismo
de arranque. El ventilador de enfriamiento evacúa
centrífugamente la suciedad y el polvo. (48)
¡IMPORTANTE! Para que la depuración centrífuga
funcione satisfactoriamente, debe efectuarse un
mantenimiento constante del sistema. Limpie la toma de
aire del mecanismo de arranque, las palas de ventilador
del volante, el espacio alrededor del volante, el tubo de
admisión y el compartimiento del carburador. (49)
¡IMPORTANTE! Todas las medidas de mantenimiento
que no estén indicadas en este manual deben ser
efectuadas por una tienda autorizada con servicio
(distribuidor).

64 – Spanish
MANTENIMIENTO
Programa de mantenimiento
A continuación incluimos una lista con los puntos de mantenimiento a efectuar en la máquina. La mayoría de los puntos
se describen en el capítulo “Mantenimiento”.
Mantenimiento diario Mantenimiento semanal Mantenimiento mensual
Limpie la parte exterior de la
máquina.
Controle el mecanismo de arranque,
la cuerda y el muelle de retorno.
Compruebe si está desgastada la
cinta del freno de cadena. Cámbiela
cuando quede menos de 0,6 mm en
el punto más gastado.
Compruebe que los componentes
del acelerador funcionen con
seguridad. (Fiador y acelerador.)
Compruebe que estén intactos los
aisladores de vibraciones.
Compruebe si están desgastados el
centro, el tambor y el muelle de
embrague.
Limpie el freno de cadena y
compruebe que funcione con
seguridad. Verifique que el captor de
cadena esté intacto y cámbielo si es
necesario.
Lime las eventuales rebabas en los
lados de la espada.
Limpie la bujía. Compruebe que la
separación de los electrodos sea de
0,5 mm.
Dé vuelta la espada cada día para
que el desgaste sea regular.
Compruebe que el orificio de
lubricación de la espada no esté
obturado. Limpie la guía de la
cadena. Si la espada lleva cabezal
de rueda, engráselo.
Limpie el compartimento del
carburador. Limpie el exterior del carburador.
Compruebe que la espada y la
cadena reciban aceite suficiente.
Limpie el filtro de aire. Cámbielo si es
necesario.
Revise el filtro y el conducto de
combustible. Cámbielos si es
necesario.
Revise la cadena de sierra en lo
referente a grietas en remaches y
eslabones, rigidez de la cadena o
desgaste anormal de remaches y
eslabones. Cambie las piezas
gastadas.
Compruebe el sistema de
refrigeración cada semana.
Vacíe el depósito de combustible y
límpielo interiormente.
Afile la cadena y compruebe su
tensado y su estado. Verifique que el
píñón de arrastre de la cadena no
esté demasiado desgastado,
cámbielo si es necesario.
Vacíe el depósito de aceite y límpielo
interiormente.
Limpie la toma de aire del
mecanismo de arranque.
Revise todos los cables y
conexiones.
Compruebe que los tornillos y las
tuercas estén apretados.
Controle que el mando de detención
funcione.
Controle que no haya fugas de
combustible del motor, del depósito o
de los conductos de combustible.

Spanish – 65
TABLA DIAGNÓSTICA
!
¡ATENCION! Siempre apague el aparato y desconecte la bujía antes de hacer cualquiera de las
reparaciones recomendadas a continuación excepto reparaciones que requieran que la
unidad esté en operación.
PROBLEMA CAUSA SOLUCIÓN
El motor no
acelera, le falta
potencia o se para
bajo carga.
1. El filtro de aire está sucio.
2. La bujía está carbonizada
3. El carburador requiere ajuste.
4. Los puertos de escape o las aberturas de
salida del silenciador están tapados.
5. La compresión está baja.
6. La freno de cadena es activado.
7. Ninguno de los anteriores.
1. Limpie o cambie el filtro de aire.
2. Limpie o cambie la bujía y calibre la
separación.
3. Entre en contacto con el Servicio Sears (vea
parte trasera del manual).
4. Entre en contacto con el Servicio Sears (vea
parte trasera del manual).
5. Entre en contacto con el Servicio Sears (vea
parte trasera del manual).
6. Desactive el freno de cadena.
7. Entre en contacto con el Servicio Sears (vea
parte trasera del manual).
El motor humea
excesivamente.
1. El cebador está parcialmente accionado.
2. La mezcla de combustible se ha hecho
3. El filtro de aire está sucio.
4. La mezcla para Altas Revoluciones requiere
ajuste.
5. El cárter está perdiendo.
1. Ajuste el cebador.
2. Vacíe el tanque de combustible y llénelo de
combustible con la mezcla correcta.
3. Limpie o cambie el filtro aire.
4. Entre en contacto con el Servicio Sears (vea
parte trasera del manual).
5. Entre en contacto con el Servicio Sears (vea
parte trasera del manual).
El motor marcha
con temperatura
elevada.
1. La mezcla de combustible se ha hecho
2. Se ha instalado la bujía
3. La Mezcla para Altas Revoluciones está
demasiado pobre.
4. Los puertos de escape o las aberturas de
salida silenciador están tapados.
5. Acumulación del carbón. en el rejilla
antichispas.
6. Caja del arranque sucio.
7. Ninguno del antedicho.
1. Llene el tanque con la mezcla correcta de
combustible.
2. Cámbiela por la bujía correcta.
3. Entre en contacto con el Servicio Sears (vea
parte trasera del manual).
4. Entre en contacto con el Servicio Sears (vea
parte trasera del manual).
5. Vea “Para Limpiar la Rejilla Antichispas” en la
sección Mantenimiento.
6. Limpie el área.
7. Entre en contacto con el Servicio Sears (vea
parte trasera del manual).
Insuficiencia de
aceite para lubricar
la barra y cadena.
1. El tanque de aceite está
2. El bombeador de aceite o el filtor de aceite
está tapado.
3. El orificio para aceite en la barra está
tapado.
1. Llene el tanque de aceite.
2. Entre en contacto con el Servicio Sears (vea
parte trasera del manual).
3. Saque la barra y límpiela.
La cadena se
mueve en marcha
lenta.
1. La marcha lenta requiere ajuste.
2. El embrague reauiere reparaciones.
1. Vea “Ajuste al Carburador” en la sección
Servicio y Ajustes.
2. Entre en contacto con el Servicio Sears (vea
parte trasera del manual).

66 – Spanish
TABLA DIAGNÓSTICA
Tabla diagnóstica (continuado)
Si acontece situaciones no previstas en este manual, actúa con cautela y use buen criterio. Si necesita ayuda, entre en
contacto con el Centro de Servicio Sears o Ilame al TELEFONO DE AYUDA AL CONSUMIDOR al 1-800235-5878.
PROBLEMA CAUSA SOLUCIÓN
La cadena no se
mueve cuando se
acelera el motor.
1. La cadena está demasiado tensionada.
2. El carburador requiere ajuste.
3. Los rieles de la barra guía están apretados.
4. El deslizarse de embrague.
5. La freno de cadena es activado.
1. Vea “Verifique la Tensión de la Cadena” en
la sección Mantenimiento.
2. Entre en contacto con el Servicio Sears
(vea parte trasera del manual).
3. Repara o reemplace.
4. Entre en contacto con el Servicio Sears
(vea parte trasera del manual).
5. Desactive el freno de cadena.
La cadena
golpetea o corta
desparejo.
1. La Cadena está incorrectamente
tensionada.
2. Las cuchillas están dañadas.
3. La cadena está gastada.
4. Las cuchillas están desafiladas o mal
afiladas o los medidores de profundidad están
muy altos.
5. Engranaje desgastada.
6. La cadena instalado hacia atrás.
1. Vea “Verifique la Tensión de la Cadena” en
la sección Mantenimiento.
2. Entre en contacto con el Servicio Sears
(vea parte trasera del manual).
3. Afile o cambie la cadena.
4. Vea “Afilación de la Cadena” en la sección
Servicio y Ajustes.
5. Entre en contacto con el Servicio Sears
(vea parte trasera del manual).
6. Instale el cadena en la dirección derecha.
Parada del cadena
dentro del corte.
1. La parte de arriba de las cuchillas no están
planas.
2. La barra tiene protuberancias o está torcida
o los rieles están desparejos.
3. El embrague está patinando.
1. Vea “Afilación de la Cadena” en la sección
Servicio y Ajustes.
2. Repara o reemplace la barra guía.
3. Entre en contacto con el Servicio Sears
(vea parte trasera del manual).
La cadena corta en
ángulo.
1. Las cuchillas están dañadas por un lado.
2. Cadena no esta afilada.
3. Barra guía esta doblada o desgastada.
1. Vea “Afilación de la Cadena” en la sección
Servicio y Ajustes.
2. Vea “Afilación de la Cadena” en la sección
Servicio y Ajustes.
3. Reemplace la barra guía.

Spanish – 67
DATOS TECNICOS
Combinaciones de espada y cadena
Espada Cadena
Longitud,
pulgadas Paso, pulgadas Anchura de
ranura, pulgadas
Máximo número de
dientes, cabezal de
rueda
Tipo
Longitud,
eslabones de
arrastre (unidad)
18 0.325 0.050 10T H30 72

68 – Spanish
DECLARACIÓN DE GARANTÍA DE CONTROL DE EMISIÓN U.S.
EPA / CALIFORNIA / AGENCIA AMBIENTAL CANADIENSE
IMPORTANTE: Este producto es conforme con la normativa Fase 3 de la Agenicia de Protección Ambiental de los
Estados Unidos (EPA) referente a emisiones de escape y evaporación. Para asegurar la conformidad con EPA fase 3,
se recomienda utilizar sólo repuestos originales. El uso de otro tipo de repuestos incumple las leyes federales.
SUS DERECHOS Y OBLIGACIONES DE GARANTIA La Agencia de Protección Ambiental de los Estados Unidos, la
Junta de Recursos Ambientales de California, la Agencia Ambiental Canadiense y Sears Brands Management
Corporation, U.S.A. (Sears) se complacen en explicar la garantía con la que cuenta el sistema de control de emisión en
su motor pequeño, modelo 2014 y más adelante para uso fuera de carretera. En California, todos los motores pequeños
para uso fuera de carretera deben ser diseñados, construídos y equipados para satisfacer las rigurosas normas
antihumo que posee el estado. Sears deberá garantizar el sistema de control de emisión en su máquina de motor
pequeño para uso fuera de carretera por los períodos de tiempo que explicamos a continuación y con la condición de
que su máquina de motor pequeño para uso fuera de carretera no haya sufrido ningún tipo de abuso, negligencia o
mantenimiento inapropiado. Su sistema de control de emisión incluye piezas tales como el carburador, el sistema de
ignición y el tanque de combustible, línea de combustible y tapa. Donde existe una condición que requiere reparación
bajo garantía, Sears reparará gratis su motor pequeño para uso fuera de carretera. Los gatos cubiertos bajo la garantía
incluyen el diagnóstico, las piezas y labor.
ALCANCE DE LA GARANTIA DEL FABRICANTE Si cualquier pieza relacionada con el sistema de emisión de su
motor (como hemos enumerado en la lista de piezas de control de emisión bajo garantía) se encontrara defectuosa o
defectos en el material o en la labor del motor causaran que tal pieza comenzara a fallar, la pieza será reparada o
reemplazada por Sears.
RESPONSABILIDADES DE GARANTIA DEL PROPIETARIO Como dueño de una máquina de motor pequeño para
uso fuera de carretera, usted será responsable por el mantenimiento adecuado en los períodos previamente
programados y enumerados en su manual de instrucciones. Sears recomienda que guarde todos los recibos que
indiquen que se ha desempeñado mantenimiento en su máquina de motor pequeño para uso fuera de carretera, pero
Sears no podrá negar el servicio bajo garantía únicamente a causa de la falta de recibos o por el incumplimiento de su
parte en asegurarse que el mantenimiento programado haya sido desempeñado. Como dueño de una máquina de
motor pequeño para uso fuera de carretera, usted deberá contar con el conocimiento de que Sears puede negar la
cubierta bajo garantía si su máquina de motor pequeño para uso fuera de carretera o alguna pieza de la misma ha
dejado de funcionar debido al abuso, negligencia, mantenimiento inapropiado, modificaciones no aprobadas o el uso de
piezas que no hayan sido fabricadas o aprobadas por el fabricante original del equipo. Es responsabilidad suya el llevar
su máquina de motor pequeño para uso fuera de carretera a un cent ro de reparación autorizado Sears tan pronto como
se presente el problema. Las reparaciones bajo garantía deberán ser completadas en un período de tiempo razonable,
que no exceda los 30 días. Si cuenta usted con alguna pregunta en relación a sus derechos y responsabilidades de
garantía, usted deberá comunicarse con su centro de servicio autorizado más cercano. Por favor comuníquese Sears
al 1-888-331-4569 o envíe la correspondencia por correo electronico a emission.warranty@us.hvwan.net.
FECHA DE INICIO DE LA GARANTIA El período de garantía comienza en la fecha de compra de la máquina de motor
pequeño para uso fuera de carretera.
DURACION DE LA GARANTIA Esta garantía cuenta con un período de duración de dos años comenzando en la fecha
inicial de compra, o hasta el final del garantía de producto (cualquiera que sea más largo).
ALCANCE DE LA GARANTIA REPARACION O SUSTITUCION DE COMPONENTES La reparación o el reemplazo
de cualquier pieza garantizada serán desempeñados y ofrecidos al dueño sin costo alguno en un centro de servicio
Sears. Si cuenta usted con alguna pregunta en relación a sus derechos y responsabilidades de garantía, usted deberá
comunicarse con su centro de servicio autorizado más cercano. Por favor comuníquese Sears al 1-888-331-4569 o
envíe la correspondencia por correo electronico a emission.warranty@us.hvwan.net.
PERIODO DE GARANTIA Cualquier componente garantizado que no esté planificado para sustitución como
mantenimiento necesario, o que esté planeado solamente para inspección regular a efectos de 'reparar o sustituir según
sea necesario” tendrá una garantía de 2 años. Cualquier componente garantizado que esté planeado para sustitución
como mantenimiento necesario será garantizado por el período de tiempo hasta la primera ocasión de sustitución
planeada para ese componente.
DIAGNOSTICO No se deberá cobrar al dueño ningún tipo de cargos por la labor de diagnóstico la cual determine que
una pieza garantizada se encuentra defectuosa si el trabajo de diagnóstico ha sido desempeñado por un centro de
servicio autorizado Sears.
DANOS Y PERJUICIOS Sears podrá ser responsable de daños ocurridos a otras piezas del motor causados por la falla
de una pieza garantizada que se encuentre bajo el período de garantía.
LO QUE NO ABARCA LA GARANTIA No se abarcan todos los fallos causados por abuso, negligencia o
mantenimiento indebido.
PIEZAS AÑADIDAS O MODIFICADAS El uso de piezas añadidas o la modificación de piezas podrán servir como base
para que se anule la reclamación de garantía. La garantía de Sears no se responsabiliza por el malfuncionamiento
debido al uso de piezas añadidas o de piezas modificadas.

Spanish – 69
DECLARACIÓN DE GARANTÍA DE CONTROL DE EMISIÓN U.S.
EPA / CALIFORNIA / AGENCIA AMBIENTAL CANADIENSE
COMO HACER UNA RECLAMACION Si cuenta usted con alguna pregunta relacionada con sus derechos y
responsabilidades de garantía, usted deberá entrar en contacto con su centro de servicio autorizado Sears más
cercano. Por favor comuníquese Sears al 1-888-331-4569 o envíe la correspondencia por correo electronico a
emission.warranty@us.hvwan.net.
DONDE RECIBIR SERVICIO DE GARANTIA Servicio o reparaciones bajo garantía deberán ser provistas en todos los
centros de servicio Sears. Por favor comuníquese Sears al 1-888-331-4569 o envíe la correspondencia por correo
electronico a emission.warranty@us.hvwan.net.
MANTENIMIENTO, SUSTITUCION Y REPARACION DE COMPONENTES RELACIONADOS CON EMISIONES
Cualquier pieza de repuesto Sears aprobada y utilizada en el desempeño de cualquier servicio de mantenimiento o
servicio de reparación bajo garantía de piezas relacionadas con la emisión será provisto sin costo alguno al dueño si la
pieza se encuentra bajo garantía.
LISTA DE COMPONENTES DE LA GARANTIA DE CONTROL DE EMISIONES Carburador, filtro de aire (cubierta
hasta la fecha de mantenimiento programada), sistema de ignición: bujía (cubierta hasta la fecha de mantenimiento
programada), módulo de ignición, silenciador incluido al catalizador (si está equipado), tanque de combustible, línea de
combustible y tapa.
DECLARACION DE MANTENIMIENTO El propietario es responsable de la realización de todo el mantenimiento
necesario, según se define en el manual del operador.
Se certifica este motor para satisfacer los requisitos de emisión para los uso siguientes:
Intermedio (125 horas)

PRECAUCIONES DE SEGURIDAD DE LA NORMA AMERICANA
70 – Spanish
Precauciones de seguridad para
usuarios de motosierras
(ANSI B175.1-2012 Anexo C)
Precauciones de seguridad en reculadas
Con una comprensión básica del efecto de reculada,
usted puede reducir o eliminar el factor sorpresa. La
sorpresa súbita contribuye a los accidentes.
Agarre firmemente la motosierra con ambas manos, con
la mano derecha en la empuñadura trasera y la mano
izquierda en la empuñadura delantera, cuando el motor
está en marcha. Agarre fuerte con los pulgares y dedos
envolviendo las empuñaduras de la motosierra. Un
agarre firme le ayudará a reducir la reculada y mantener
el control de la motosierra. No suelte las empuñaduras.
Asegúrese de que no hay obstáculos en la zona en que
está cortando. No permita que la punta de la espada
entre en contacto con troncos, ramas ni ningún otro
obstáculo que pudiera tocarse cuando se utiliza la
motosierra.
Corte con velocidades altas del motor.
No extienda demasiado ni corte por encima de la altura
del hombro.
Siga las instrucciones de afilado y mantenimiento del
fabricante de la cadena.
Utilice solamente las espadas y cadenas de repuesto
especificadas por el fabricante o equivalentes.
Otras precauciones de seguridad
No utilice una motosierra si está fatigado.
Use calzado, ropas ceñidas, guantes protectores y
protecciones de ojos, auriculares y de cabeza.
Proceda con cuidado al manipular combustible. Aparte la
motosierra a como mínimo 3 metros del lugar de
repostaje antes de poner en marcha el motor.
No permita la presencia de otras personas cerca de la
motosierra al ponerla en marcha o al cortar. Mantenga a
los espectadores y animales fuera de la zona de trabajo.
No empiece a cortar sin tener la zona de trabajo esté
despejada, los pies firmemente en el suelo y una ruta de
retirada del árbol abatido.
Mantenga todas las partes de su cuerpo apartadas de
cadena de la motosierra cuando funciona el motor.
Antes de poner en marcha el motor, compruebe que la
cadena de la motosierra no toca en nada.
Transporte la motosierra con el motor parado, la espada
y la cadena en la parte trasera y el silenciador apartado
de su cuerpo.
No utilice una motosierra que esté dañada,
incorrectamente ajustada o que no esté armada
completamente y de forma segura. Compruebe que la
cadena de la motosierra deja de moverse cuando se
suelta el acelerador.
Pare el motor antes de colocar la motosierra en el suelo.
Proceda con suma precaución al cortar arbustos y
arbolitos pequeños porque podría agarrarse material fino
en la cadena y ser lanzado contra usted o hacerle perder
el equilibrio.
Cuando corte una rama tensada, preste atención al
retorno para que no le golpee cuando se suelta la tensión
en las fibras de madera.
Mantenga las empuñaduras secas, limpias y libres de
aceite o mezcla de combustible.
Utilice la motosierra solamente en áreas bien ventiladas.
No utilice una motosierra en un árbol si no ha sido
especialmente formado para ello.
No utilice una motosierra por encima de la altura del
hombro.
Todos los trabajos de servicio de una motosierra, excepto
los que se indican en las instrucciones de seguridad y
mantenimiento del manual del operador/propietario,
deben ser realizados por técnicos de servicio de
motosierras competentes. (Por ejemplo, si se utilizan
herramientas inadecuadas para desmontar el volante o si
se usa una herramienta inadecuada para sujetar el
volante cuando se desmonta el embrague, pueden
producirse daños estructurales en el volante que causen
la rotura del mismo.)
Para transportar la motosierra, utilice la protección de
espada adecuada.
Aclaración: Este anexo está destinado principalmente al
consumidor o usuario ocasional.
!
ATENCIÓN! La reculada se puede
producir cuando la punta de la espada
toca en un objeto o cuando la madera se
cierra y agarra la cadena de la motosierra
en el corte.
En algunos casos el contacto de la punta
de la espada puede causar una reacción
de inversión rapidísima que hace rebotar
la espada hacia arriba y atrás hacia el
operador.
El agarre de la cadena de la motosierra a
lo largo de la parte superior de la espada
puede empujar la espada rápidamente
hacia atrás, contra el operador.
Cualquiera de estas reacciones puede
hacerle perder el control de la
motosierra, con el riesgo consiguiente
de daños personales graves.
No confíe exclusivamente en los
dispositivos de seguridad de su
motosierra. Usted, como usuario de
motosierra, debe tomar varias medidas
para que sus trabajos de corte no
comporten riesgo de accidentes y daños
personales.
!
ATENCIÓN! No maneje la motosierra con
una mano. El manejo con una sola mano
comporta riesgo de daños graves al
operador, los ayudantes, espectadores o
a una combinación de estas personas.
Las motosierras están concebidas para
usar con dos manos.
