Craftsman Professional 315 273731 Users Manual
CRAFTSMAN Saw Radial Manual L0804095 CRAFTSMAN Saw Radial Owner's Manual, CRAFTSMAN Saw Radial installation guides
2015-01-05
: Craftsman Craftsman-Professional-315-273731-Users-Manual-161070 craftsman-professional-315-273731-users-manual-161070 craftsman pdf
Open the PDF directly: View PDF
.
Page Count: 80

Owner's Manual
254 mm (10 in.) Stationary
RADIAL ARM SAW
Stock No.
927373
Model No.
315.273731
Save this manual for
future reference.
,A CAUTION: Read and follow all
Safety Rules and Operating
Instructions before first use of this
product.
Customer Help Line: 1-877-369-8665
Sold by: Sears Canada Inc., Toronto M5B 2B8
Visit the Craftsman web page: www.sears.com/craftsman
972000-706
4-00
•Safety
•Features
•Assem bly
•Operation
•Maintenance
•Parts List

FULL TWO YEAR WARRANTY ON CRAFTSMAN TOOL
If this CRRFTSMRN Tool fails to operate within two years from the date of purchase, return it to the nearest
Sears Canada Inc. ("Sears") store and "Sears" will repair it, free of charge.
If this tool is used for rental purposes, this warranty applies for only 90 days from the date of purchase.
This warranty is in addition to any statutory warranty.
Sears Canada Inc., Toronto M5B 2B8
Your saw has many features for making cutting operations more pleasant and enjoyable. Safety, performance
and dependability have been given top priority in the design of this saw making it easy to maintain and operate.
,_ CAUTION: Carefully read through this entire owner's manual before using your new saw. Pay close
attention to the Rules For Safe Operation, and all Safety Alert Symbols, including Danger, Warning and
Caution. If you use your saw properly and only for what it is intended, you will enjoy years of safe, reliable
service.
,_ Look for this symbol to point out important safety precautions. It means attention!!! Your safety is
involved.
,_ WARNING:
The operation of any power tool can result in foreign objects being thrown into your eyes,
which can result in severe eye damage. Before beginning power tool operation, always wear
safety goggles or safety glasses with side shields and a full face shield when needed. We
recommend Wide Vision Safety Mask for use over eyeglasses or standard safety glasses
with side shields, available at Sears Retail Stores.
• Warranty and Introduction ............................................................................................................................... 2
• Table of Contents .......................................................................................................................................... 2-3
• Rules For Safe Operation ............................................................................................................................. 4-7
• Electrical ........................................................................................................................................................ 8-9
• Product Specifications and Glossary ........................................................................................................ 10-11
• Unpacking and Accessories .......................................................................................................................... 11
• Loose Parts List ........................................................................................................................................ 12-14
• Tools Needed ................................................................................................................................................. 15
• Features .................................................................................................................................................... 16-19
• Assembly ................................................................................................................................................... 20-34
Assembling Leg Stand ................................................................................................................................... 20
Mounting Saw to Leg Stand ........................................................................................................................... 21
Attaching Elevating Handwheel ..................................................................................................................... 21
CR_FI'=_HRN° RADIALSAW 315.273731 2

Installing the Yoke Assembly ......................................................................................................................... 22
Removing the Blade ....................................................................................................................................... 23
Attaching Table Supports .............................................................................................................................. 23
Setting the Arm Lock Knob ............................................................................................................................ 24
Setting the Yoke Clamp ................................................................................................................................. 24
Setting the Bevel Lock Lever ......................................................................................................................... 25
Tightening the Arm and Column .................................................................................................................... 26
Adjusting the Column Tube ...................................................................................................................... 26-27
Adjusting the Carriage Bearings .................................................................................................................... 28
Leveling the Table Supports .......................................................................................................................... 29
Installing the Front Table ............................................................................................................................... 30
Leveling the Front Table ................................................................................................................................ 31
Installing Rear Table, Spacer Table, Fence, and Clamps ........................................................................ 31-32
Installing Blade and Blade Guard .................................................................................................................. 32
Aligning Riving Knife to Blade ........................................................................................................................ 33
Installing Rip Scale Indicators ........................................................................................................................ 34
• Adjustments .............................................................................................................................................. 34-40
Aligning the Arm for Cross Cuts .................................................................................................................... 35
Aligning the Blade to Table at 0 ° Bevel ......................................................................................................... 36
Squaring Blade to Fence ............................................................................................................................... 37
Paralleling Blade to Table .............................................................................................................................. 38
Aligning the Rip Scale Indicators ................................................................................................................... 39
Installing Control Cut Device ......................................................................................................................... 40
• Operation .................................................................................................................................................. 41-51
Basic Operation of the Radial Arm Saw ........................................................................................................ 41
Types of Cuts ................................................................................................................................................. 41
Switch and Switch Key ................................................................................................................................... 42
Causes of Kickback ....................................................................................................................................... 42
Avoiding Kickback .......................................................................................................................................... 42
Cutting Aids .................................................................................................................................................... 43
Making a Cross Cut ....................................................................................................................................... 44
Making a Miter Cut ......................................................................................................................................... 45
Making a Bevel Cut ........................................................................................................................................ 46
Making a Compound Cross Cut ..................................................................................................................... 47
Rip Cut Hazards and Precautions ................................................................................................................. 48
Setting Up a Rip Cut ................................................................................................................................. 48-49
Making a Rip Cut ........................................................................................................................................... 49
Making Other Cuts ......................................................................................................................................... 50
Cutting Long Workpieces ............................................................................................................................... 50
Non-Through Cuts ......................................................................................................................................... 51
• Maintenance .................................................................................................................................................. 52
• Troubleshooting ........................................................................................................................................ 53-57
• Exploded View and Repair Parts List ....................................................................................................... 58-79
• Parts Ordering /Service .................................................................................................................... back page
3I:RRFI'._HRN°RADIALSAW315.273731

The purpose of safety symbols is to attract your attention to possible dangers. The safety symbols, and
the explanations with them, deserve your careful attention and understanding. The safety warnings do
not by themselves eliminate any danger. The instructions or warnings they give are not substitutes for
proper accident prevention measures.
SYMBOL
A
A
A
A
Note:
MEANING
SAFETY ALERT SYMBOL
Indicates danger, warning or caution. May be used in conjunction with other symbols or
pictographs.
DANGER: Failure to obey a safety warning will result in serious injury to yourself or to others.
Always follow the safety precautions to reduce the risk of fire, electric shock and personal injury.
WARNING: Failure to obey a safety warning can result in serious injury to yourself or to others.
Always follow the safety precautions to reduce the risk of fire, electric shock and personal injury.
CAUTION: Failure to obey a safety warning may result in property damage or personal injury to
yourself or to others. Always follow the safety precautions to reduce the risk of fire, electric shock
and personal injury.
Advises you of information or instructions vital to the operation or maintenance of the equipment.
IMPORTANT
Servicing requires extreme care and knowledge of the
system and should be performed only by a qualified
service technician. For service we suggest you contact
your nearest Sears repair center. Always use original
factory replacement parts when servicing.
If you have questions about terms in the following
rules, refer to the Glossary of Terms for Woodworking
or the Features section.
WARNING: Do not attempt to operate this tool
until you have read thoroughly and understand
completely all instructions, safety rules, etc.
contained in this manual. Failure to comply can
result in accidents involving fire, electric shock,
or serious personal injury. Save owner's manual
and review frequently for continuing safe
operation, and instructing others who may use
this tool.
READ ALL INSTRUCTIONS
• KNOW YOUR POWER TOOL. Read the owner's
manual carefully. Learn the saw's applications and
limitations as well as the specific potential hazards
related to this tool.
•DO NOT USE IN DANGEROUS ENVIRONMENT.
Do not use power tools near gasoline or other
flammable liquids, in damp or wet locations, or
expose them to rain. Keep the work area well lit.
•KEEP CHILDREN AND VISITORS AWAY. All
visitors should wear safety glasses and be kept a
safe distance from work area. Do not let visitors
contact the tool or extension cord while operating.
•KEEP WORK AREA CLEAN. Cluttered work
areas and work benches invite accidents. DO NOT
leave tools or pieces of wood on the saw while it is
in operation. Keep floors clean and free of saw-
dust.
•MAINTAIN TOOLS WITH CARE. Keep tools sharp
and clean for better and safer performance. Follow
instructions for lubricating and changing accesso-
ries.
• MAKE WORKSHOP CHILD-PROOF with padlocks
and master switches or by removing switch keys.
• USE THE RIGHT TOOL FOR THE JOB. Do not
force the tool or attachment to do a job it was not
designed for. Use it only the way it was intended.
DRESS PROPERLY. Do not wear loose clothing,
gloves, neckties, rings, bracelets, or other jewelry.
They can get caught and draw you into moving
parts. Nonslip footwear is recommended. Also
wear protective hair covering to contain long hair.
• ALWAYS WEAR SAFETY GLASSES WITH SIDE
SHIELDS. Everyday eyeglasses have only impact-
resistant lenses; they are NOT safety glasses.
• NEVER STAND ON TOOL. Serious injury could
occur if the tool is tipped or if the blade is uninten-
tionally contacted.
•DO NOT OVERREACH. Keep proper footing and
balance at all times.
•SECURE WORK. Use clamps or a vise to hold
work when practical. It's safer than using your
hand and frees both hands to operate the tool.
CRRFTSHRN° RADIALSAW 315.273731 4

• USE THE PROPER EXTENSION CORD. Make
sure your extension cord is in good condition. Use
only a cord heavy enough to carry the current your
product will draw. An undersized cord will cause a
drop in line voltage resulting in loss of power and
overheating. A wire gage size (A.W.G.) of at least
14 is recommended for an extension cord 25 feet
or less in length. If in doubt, use the next heavier
gage. The smaller the gage number, the heavier
the cord.
• AVOID ACCIDENTAL STARTING. Be sure switch
is off when plugging in the tool.
• REMOVE WRENCHES AND ADJUSTING KEYS.
Get in the habit of checking - before turning on the
tool - that hex keys and adjusting wrenches are
removed from tool.
• CHECK DAMAGED PARTS. Before using the tool
again, check any damaged parts, including guards,
for proper operation and performance. Check
alignment of moving parts, binding of moving parts,
breakage of parts, saw stability, mounting, and any
other conditions that may affect its operation. A
damaged part must be properly repaired or re-
placed by a qualified service technician at a Sears
repair center to avoid risk of personal injury.
• USE ONLY CORRECT BLADES. Use the right
blade style for the material and the type of cut.
Use only blades marked for at least 5,000 rpm and
10 in. or smaller, with a 5/8 in. arbor hole.
• KEEP GUARDS IN PLACE and in good working
order. This includes the blade guard, the riving
knife, and the anti-kickback pawls.
• CHECK DIRECTION OF FEED. When ripping,
feed work into a blade or cutter against the direc-
tion of rotation of the blade or cutter.
• NEVER LEAVE TOOL RUNNING UNATTENDED.
TURN THE POWER OFF. Do not leave the tool
until it comes to a complete stop.
• USE RECOMMENDED ACCESSORIES. Using
improper accessories may risk injury. Consult the
Accessories section for recommended accesso-
ries.
• USE ONLY SEARS REPLACEMENT PARTS. All
repairs, whether electrical or mechanical, should
be made by a qualified service technician at a
Sears repair center.
• DISCONNECT ALL TOOLS. When not in use,
before servicing, or when changing attachments,
blades, bits, cutters, etc., all tools should be
disconnected from the power supply.
• DO NOT FORCE THE TOOL. It will do the job
better and more safely at the rate for which it was
designed.
BEFORE MOUNTING, DISCONNECTING OR
REMOUNTING THE MOTOR; unplug the saw and
remove the switch key.
4_ WARNING: When servicing, use only identical
Craftsman replacement parts. Use of any other
parts may create a hazard or damage product.
•NEVER USE THIS TOOL IN AN EXPLOSIVE
ATMOSPHERE. Normal sparking of the motor
could ignite fumes.
• MAKE SURE THE WORK AREA HAS AMPLE
LIGHTING to see the work and that no obstruc-
tions will interfere with safe operation BEFORE
performing any work using this tool.
• DO NOT USE TOOL IF SWITCH DOES NOT
TURN IT ON AND OFF. Have defective switches
replaced by a qualified service technician at a
Sears repair center.
• GUARD AGAINST ELECTRICAL SHOCK by
preventing body contact with grounded surfaces
such as pipes, radiators, ranges, refrigerator
enclosures.
• GROUND ALL TOOLS. See Electrical page.
• WEAR A DUST MASK to keep from inhaling fine
particles. Use wood dust collection systems
whenever possible.
• PROTECT YOUR HEARING. Wear hearing
protection during extended periods of operation.
• DO NOT OPERATE THIS TOOL WHILE UNDER
THE INFLUENCE OF DRUGS, ALCOHOL, OR
ANY MEDICATION.
STAY ALERT AND EXERCISE CONTROL. Watch
what you are doing and use common sense. Do
not operate tool when you are tired. Do not
rush.
AVOID AWKWARD OPERATIONS AND HAND
POSITIONS where a sudden slip could cause your
hand to move into the blade. ALWAYS make sure
you have good balance.
5 CRRFI'._HRN_ RADIALSAW315.273731

• GUARD AGAINST KICKBACK. Kickback can •
occur when the blade stalls, driving the work piece
back toward the operator. It can cause your hand
to contact the blade, resulting in serious personal •
injury.Stay outofthe bladepathand turnswitch
offimmediatelyifbladebindsorstalls.
• DO NOT USE A PERSON AS A SUBSTITUTE
FOR A TABLE if additional support is needed. Use
a support the same height as the table. •
• USE A SUPPORT FOR THE SIDES AND BACK
OF THE SAW TABLE when sawing wide or long
workpieces to minimize the risk of blade pinching
and kickback. Use a sturdy "outrigger" support to
prevent tipping if a table extension more than 24
inches long is attached to the saw.
• CUT ONLY WOOD, PLASTIC OR WOOD-LIKE
MATERIALS. Do not cut metal.
•BEFORE MAKING A CUT, be sure all adjustments
are secure.
• NEVER cut more than one piece at a time. DO
NOT STACK more than one workpiece on the saw
table at a time.
• DO NOT REMOVE THE SAW'S BLADE GUARD.
Never operate the saw with the blade guard
removed. Make sure all guards are operating
properly before each use.
•NEVER PERFORM ANY OPERATION FREE-
HAND. Always place the workpiece to be cut on
the saw table and position it firmly against the
fence as a backstop.
• USE THE RIP FENCE. Always use a fence or
straight edge guide when ripping.
•BE SURE THE BLADE PATH IS FREE OF
NAILS. Inspect for and remove all nails from
lumber before cutting.
• BE SURE THE BLADE CLEARS THE WORK-
PIECE. Never start the saw with the blade touching
the stock.
• KEEP HANDS AWAY FROM CUTTING AREA.
Do not reach underneath work or in blade cutting
path with your hands and fingers for any reason.
Always turn the power off when cut is complete.
• USE A PUSHBLOCK OR PUSHSTICK in rip mode
for workpieces so small that your fingers go under
the blade guard. NEVER TOUCH BLADE or other
moving parts during use, for any reason.
ALLOW THE MOTOR TO COME UP TO FULL
SPEED before starting a cut to avoid blade binding
or stalling.
ALWAYS PUSH THE WORKPIECE when ripping;
never pull it toward the saw.
DO NOT FEED THE MATERIAL TOO QUICKLY.
Do not force the workpiece against the blade.
ALWAYS TURN OFF SAW before disconnecting
it, to avoid accidental starting when reconnecting
to the power supply. NEVER leave the saw
unattended while connected to a power source.
• BEFORE CHANGING THE SETUP, REMOVING
COVERS, GUARDS, OR BLADE; unplug the saw
and remove the switch key.
• KEEP TOOL DRY, CLEAN, AND FREE FROM
OIL AND GREASE. Always use a clean cloth
when cleaning. Never use brake fluids, gasoline,
petroleum-based products, or any solvents to
clean tool.
KEEP BLADES CLEAN, SHARP AND WITH
SUFFICIENT SET. Sharp blades minimize stalling
and kickback. Keep blades free of rust, grease,
and pitch.
,_k WARNING: Blade coasts after being turned off.
USE ONLY OUTDOOR EXTENSION CORDS.
Use only extension cords with the marking "Ac-
ceptable for use with outdoor appliances; store
indoors while not in use." Use extension cords with
an electrical rating not less than the saw's rating.
Always disconnect the extension cord from the
outlet before disconnecting the product from the
extension cord.
INSPECT TOOL CORDS AND EXTENSION
CORDS PERIODICALLY and, if damaged, have
repaired by a qualified service technician at a
Sears repair center. Stay constantly aware of cord
location and keep it well away from the moving
blade.
•DO NOT ABUSE CORD. Never yank the cord to
disconnect it from receptacle. Keep the cord from
heat, oil, and sharp edges.
• SAVE THESE INSTRUCTIONS. Refer to them
frequently and use to instruct other users. If you
loan someone this tool, loan them these instruc-
tions also.
SAVE THESE INSTRUCTIONS
CRRF:I'$HRN° RADIALSAW 315.273731 6

• SECURE THE SAW. Firmly bolt the saw to the leg
stand to keep the saw from tipping, walking, or
sliding.
• DO NOT SET UP WORK WITH THE BLADE
SPINNING. Keep the saw power off until you are
ready to use it.
• RIP ONLY WORKPIECES LONGER THAN THE
BLADE'S DIAMETER. Never rip a piece of wood
that is shorter than the diameter of the blade.
• NEVER LOWER AN UNLOCKED REVOLVING
CUTTING TOOL. A(ways lock the carriage lock
knob before lowering the blade.
• SHUT OFF THE POWER TO FREE A JAMMED
GUARD. Press the switch off before putting your
hands near the blade. Wait for the blade to stop,
then free the guard.
• LOCK THE SAW BEFORE MOVING IT. Secure
the radial arm with the arm lock knob. Secure the
carriage with the carriage lock knob.
• POSITION THE WORKPIECE WITH THE FIN-
ISHED SIDE DOWN. If the anti-kickback pawls
catch the wood to stop kickback, they could mar
the top surface or cause splintering.
• POSITION THE WORKPIECE SO NO ONE MUST
STAND IN LINE WITH THE BLADE. If kickback or
climb occurs, a helper, operator, or observer in the
sawblade path could be seriously injured.
• POSITION THE CUT SO THE WASTE PART
FALLS OFF. Never use a length stop on the free
end of the workpiece. Never apply force to the free
end or hold it while the sawblade is rotating.
,_ WARNING: In a rip cut, holding the cut-off edge
behind the blade can cause the cut edges to
pinch, risking kickback. It could cause the blade
to climb over the front edge of the wood and
contact your hand.
• BEFORE STARTING EACH CUT, check that no
play exists in the carriage. Be sure the arm, yoke
and bevel locks and clamps are tight. Verify the
blade, all handles, blade washers, and blade nuts
are secure.
• BEFORE MAKING A CUT, test the upper and
lower blade guards for free movement up and
down. Position the nose of the guard to just clear
the workpiece.
•AVOID KICKBACK AND POSSIBLE INJURY by
preventing heeling, grabbing, and pinching.
BEFORE CUTTING, position and tighten the blade
guard and anti-kickback pawls. Test the pawls to
make sure they would stop kickback if it started.
Keep the points sharp.
KEEP THE SAW BLADE PATH CLEAR. Position
the saw to allow enough room on all sides so
neither the operator nor a visitor stands in line with
the sawblade.
• AVOID HEELING by adjusting the saw blade so it
exactly parallels the fence during ripping opera-
tions.
AVOID GRABBING in rip mode by keeping the
saw blade correctly adjusted and by feeding the
work from the infeed side (opposite the anti-
kickback pawls).
• AVOID PINCHING by using a riving knife and
sharp saw blade. Keep the work positioned firmly
against the fence.
• USE IN-RIP WHENEVER POSSIBLE by position-
ing the work so the blade is between (inside) the
column and the motor.
• NEVER ADJUST GUARD, PAWLS, OR BLADE
WITHOUT DISCONNECTING THE POWER.
Always turn off the switch and unplug the cord
before freeing a jammed blade, tightening a loose
blade, or repositioning the guard or pawls.
,_L CAUTION: Do not turn the motor switch on and
off rapidly. This can loosen the sawblade.
NEVER CUT MORE THAN ONE PIECE OF
WOOD AT A TIME. The feed will be uneven and
could cause the blade to pick up one or more
pieces and cause serious injury.
TURN OFF SAW IF A STRANGE NOISE OR
HEAVY VIBRATION OCCURS. Immediately turn
off the saw, locate the source, and correct the
problem before using the saw further.
POSITION THE CUT SO THE BLADE WILL NOT
EXTEND BEYOND THE EDGE OF THE TABLE.
KEEP THE GUARDS IN PLACE AND THE WORK
SURFACE CLEAR DURING A CUT. Small objects
or wood slivers can ricochet from the blade into the
fence and back toward the operator. If the blade
loosens slivers, remove them with a stick, not your
hand.
IN A RIP CUT, DO NOT LET GO OF THE WORK-
PIECE UNTIL THE CUT IS COMPLETE. When the
workpiece is fed into the blade, push the workpiece
all the way past the blade.
7I:RRIq'._HRH°RADIALSAW315.273731

EXTENSION CORDS
Use only 3-wire extension cords that have 3-prong
grounding plugs and 3-pole receptacles that accept
the tool's plug. When using a power tool at a consider-
able distance from the power source, use an exten-
sion cord heavy enough to carry the current that the
tool will draw. An undersized extension cord will
cause a drop in line voltage, resulting in a loss of
power and causing the motor to overheat. Use the
chart provided below to determine the minimum wire
size required in an extension cord. Only round jack-
eted cords listed by Underwriter's Laboratories (UL)
should be used.
Length of Extension Cord Wire Size (A.W.G.)
Up to 25 feet 14
26-100 feet 12
When working with the tool outdoors, use an exten-
sion cord that is designed for outside use. This is
indicated by the letters WA on the cord's jacket.
Before using an extension cord, inspect it for loose or
exposed wires and cut or worn insulation.
,_ CAUTION: Keep the cord away from the cutting
area and position the cord so that it will not be
caught on lumber, tools, or other objects during
cutting operations.
ELECTRICAL CONNECTION
Your Sears Craftsman Radial Arm Saw is powered by
a precision built electric motor. It should be connected
to a power supply that is 120 volts, 60 Hz, AC only
(normal household current). It should be connected
to a 240 volt power supply only if it has been reset
according to the instructions in this manual. The
motor has been set at the factory for 120 volts; if it is
reconnected to operate at 240 volts, the main power
cord plug and any receptacle must be replaced with
devices rated for 240 volts. This tool will not operate
on direct current (DC). A substantial voltage drop will
cause a loss of power and the motor will overheat. If
the saw does not operate when plugged into an outlet,
double check the power supply.
SPEED AND WIRING
The no-load speed of your saw is approximately 3,600
rpm. This speed is not constant. For voltage, the
wiring in a shop is as important as the motor's horse-
power rating. A line intended only for lights cannot
properly carry a power tool motor. Wire that is heavy
enough for a short distance will be too light for a
greater distance. A line that can support one power
tool may not be able to support two or three tools.
GROUNDING INSTRUCTIONS
In the event of a malfunction or breakdown, grounding
provides a path of least resistance for electric current
to reduce the risk of electric shock. This tool is
equipped with an electric cord having an equipment-
grounding conductor and a grounding plug. The plug
must be plugged into a matching outlet that is properly
installed and grounded in accordance with all local
codes and ordinances.
Do not modify the plug provided. If it will not fit the
outlet, have the proper outlet installed by a qualified
electrician. Improper connection of the equipment-
grounding conductor can result in a risk of electric
shock. The conductor with insulation having an outer
surface that is green with or without yellow stripes is
the equipment-grounding conductor. If repair or
replacement of the electric cord or plug is necessary,
do not connect the equipment-grounding conductor to
a live terminal.
Check with a qualified electrician or service personnel
if the grounding instructions are not completely
understood, or if in doubt as to whether the tool is
properly grounded.
Repair or replace a damaged or worn cord immedi-
ately.
This tool is intended for use on a circuit that has an
outlet like the one shown in Figure 1. It also has a
grounding pin like the one shown.
GROUNDING
PIN COVEROFGROUNDED
OUTLETBOX Fig. 1
CRRFTSHRN° RADIALSAW 315.273731 8

CHANGING VOLTAGE
See Figures 2-4.
Your radial saw has been set up at the factory to
operate efficiently on a 120V AC single voltage circuit.
However, if heavy duty operation is required, the
circuits are overloaded, or the circuit is low voltage,
have a qualified electrician change the voltage on the
main power system to a 240V AC voltage circuit.
_ WARNING: The control cut device is set up for
a 120V AC single voltage circuit. Do not modify
the control cut cord. Identify the control cut
cord and tie it back out of the way.
• Correctly identify the control cut cord, unplug it,
and set it aside.
• Unplug the main power cord.
• Remove the blade following the procedure in the
Assembly section.
• Remove the pan head screw above the blade
arbor on the motor cover. Lift motor cover to
expose switch. See Figure 2.
• Use a small screwdriver to slide the dual voltage
switch to the 240V position. See Figures 3 and 4.
• Reinstall motor cover.
• Replace the 120V plug on the main cord with a UL
listed 240V, 15 amp, 3-prong plug.
• Follow the instructions provided with the UL listed
plug.
• Plug the cord into a 240V, 15 amp, 3-blade recep-
tacle. Make sure the receptacle is connected to a
240V AC power supply through a 240V branch
circuit that has a 15 amp fuse or circuit breaker.
Note: No adapter is available for this type of plug or
receptacle.
MOTORCOVER PANHEADSCREW
/
BLADEARBOR Fig. 2
LIFTMOTORCOVERTO EXPOSESWITCH
O
SLIDEASSHOWNFORSINGLEVOLTAGECIRCUITS
SWITCHSHOWNIN 110-120VOLTPOSITION
Fig. 3
LIFTMOTORCOVERTO EXPOSESWITCH
SLIDEAS SHOWNFORDUALVOLTAGECIRCUITS
SWITCHSHOWNIN220-240VOLT POSITION
Fig. 4
CRRI:I'._HRN' RADIALSAW315.273731

Blade Arbor
Blade Diameter
Blade Bevel Angle
Radial Arm Swing Range
Blade Height Adjust
Carriage Travel
Cutting Capacity - Maximum Cross Cut
Cutting Capacity - Maximum Out-Rip
16 mm (5/8 in.)
254 mm (10 in.)
0° _90 °
50 ° left - 90 ° right
5.35 in.
17.25 in.
15.50 in.
26 in.
Cutting Capacity- Maximum In-Rip
Depth of Cut at 90 °
Depth of Cut at 45 °
Table Size
Table Height
Rating
Input
No Load Speed
16 in.
3 in.
2.25 in.
40 x 27.75 x 1 in.
914 mm (36 in.)
120V/240V 60 Hz -AC only
13.0/6.5 Amperes
3,600 RPM
Bevel Cut
A cut made across a workpiece with the blade at any
angle other than 90° to the table surface.
Chamfer
A cut removing a wedge from a block so the end (or
part of it) is angled rather than at 90 degrees.
Climb
A hazard in which the blade "climbs" over and out of
the workpiece, pulling the stock out of the operator's
hands or running across the workpiece.
Compound Cut
A cross cut with both a miter angle and a bevel angle.
Cross Cut
A cutting operation with the blade parallel to the
carriage arm and the blade teeth pointing down. It can
be across or with the grain, normally across the grain
or width of the workpiece.
Dado Cut
A non-through cut that leaves a square notch or
trough; requires a special blade.
Featherboard
A device to help guide workpieces during rip cuts.
Fence
A piece of wood used as a edge guide for the
workpiece. Located perpendicular to the carriage arm.
Can be placed at different distances from the rear
table edge in combination with the other table pieces
and is secured with table clamps.
Freehand
Dangerous practice of making a cut without using a
fence.
Gum
A sticky, sap-based residue from wood products.
Heel
Alignment of the blade to the fence.
Infeed
The side of the blade where the blade teeth point up,
opposite the anti-kickback pawls.
In-Rip
A type of rip cut in which the blade is between the
column and the motor.
Kerr
The space left by the removal of material in a cut or
the slot produced by the blade in a non-through cut.
Kickback
A hazard that can occur when blade binds or stalls,
throwing workpiece back toward operator.
Leading End
The end of the workpiece pushed into the cutting tool
first.
Miter Cut
A vertical cut made at any angle other than 0° across
the workpiece.
Molding
A shaping cut that gives a varied shape to the
workpiece and requires a special blade.
Out-Rip
A type of rip cut in which the motor is between the
blade and the column. (The blade is "outside" the
motor).
Pushstick
A device used to feed the workpiece through the saw
blade during cutting operations. It helps keep the
operator's hands well away from the blade.
Rabbet
Atype of cut that gives anotch in the edge of a
workpiece.
Resaw
A cutting operation to reduce the thickness of the
workpiece to make thinner pieces.
CRRFT=_HRN° RADIALSAW 315.273731 10

Resin
A sticky, sap-based substance.
Rip Cut
In a radial saw, a cut made with the blade parallel to
the fence and perpendicular to the arm. Can be
across or with the grain. The teeth point up at the
point of contact with the wood.
Sawblade Path
The area directly in line with the blade -- over, under,
behind, or in front of it. Also, the workpiece area which
will be or has been cut by the blade.
Set
The distance that the tip of the saw blade tooth is off
set from the face of the blade.
Throw-Back
Saw throwing back a workpiece similar to kickback.
Through Sawing
Any cutting operation where the blade extends
completely through the workpiece.
Trailing End
The workpiece end last cut by the blade in a rip cut.
Workpiece
The item on which the cutting operation is being done.
The surfaces of a workpiece are commonly referred to
as faces, ends, and edges.
Worktable
The surface on which the workpiece rests while
performing a cutting operation.
,_ WARNING: To prevent accidental starting that
could cause possible serious personal injury,
assemble all parts to your saw before connecting
it to power supply. The saw should never be
connected to the power supply when you are
assembling parts, making adjustments, installing
or removing blades, or when not in use.
_ WARNING: If any parts are missing, do not
operate this tool until the missing parts are
replaced. Failure to do so could result in possible
serious personal injury.
• Carefully remove all parts from the carton and
place the saw on a level work surface. Separate
and check against the list of loose parts.
• Do not discard the packing materials until you have
carefully inspected the saw, identified all parts, and
satisfactorily operated your new saw.
Note: If any parts are damaged or missing, do not
attempt to plug in the power cord and turn the
switch on until the damaged or missing parts
are obtained and are installed correctly.
FOR A COM PLETE SELECTION OF ACCESSORIES
FORTHIS AND OTHER CRAFTSMAN POWER AND
BENCH TOOLS, VISIT YOUR NEAREST SEARS
RETAIL STORE.
11 CRRR'._MRN° RADIALSAW315.273731

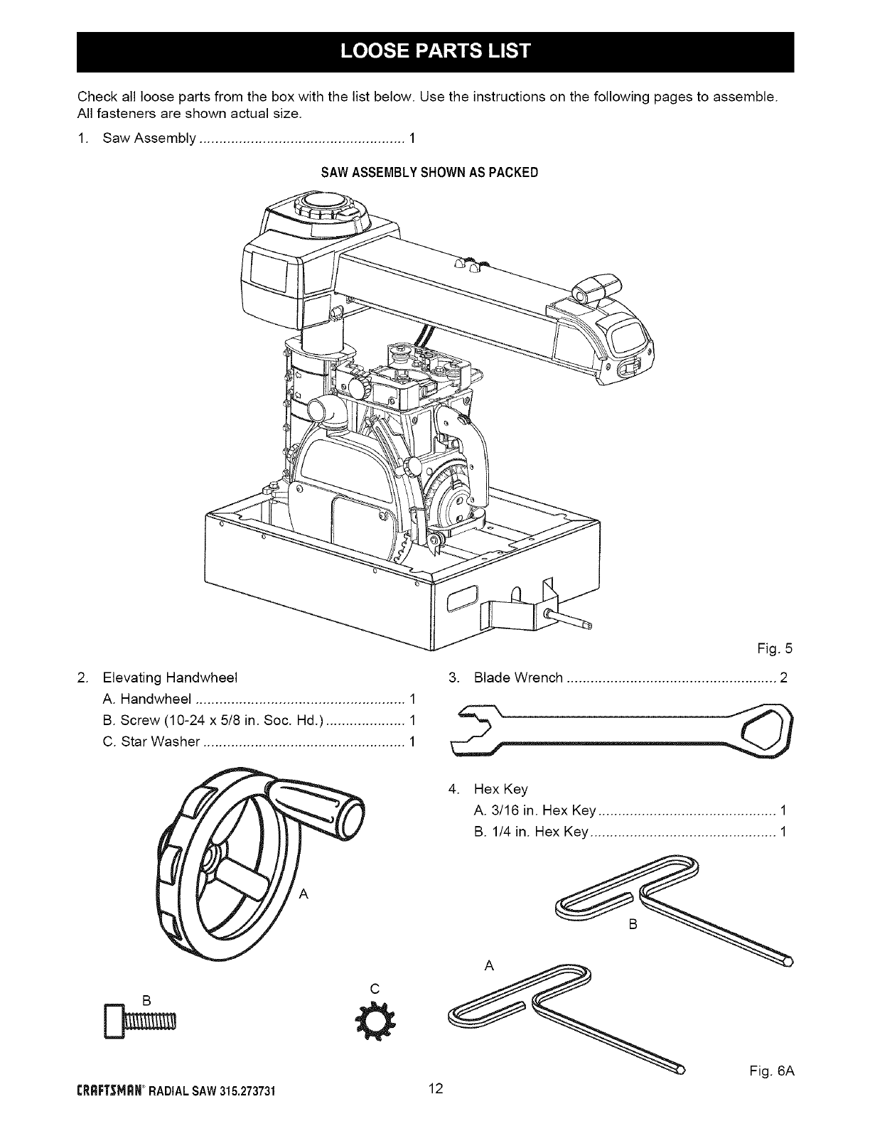
Checkall loosepartsfromtheboxwiththelistbelow.Usetheinstructionsonthefollowingpagesto assemble.
Allfastenersareshownactualsize.
1. SawAssembly....................................................1
SAWASSEMBLYSHOWNAS PACKED
.Elevating Handwheel
A. Handwheel ..................................................... 1
B. Screw (10-24 x 5/8 in. Soc. Hd.) .................... 1
C. Star Washer ................................................... 1
Fig. 5
Blade Wrench ..................................................... 2
C
4. Hex Key
A. 3/16 in. Hex Key ............................................. 1
B. 1/4 in. Hex Key ............................................... 1
A
Fig. 6A
CRR_T=_MRN_RADIALSAW315.273731 12

Check all loose parts from the box with the list below. Use the instructions on the following pages to assemble.
All fasteners are shown actual size.
5. Saw Base To Leg Stand Assembly
A. Saw Assembly (not shown) ........................... 1
B. Leg Stand Assembly (not shown) .................. 1
C. Hex bolt (5/16-18 x 5/8 in. Hex Head) ........... 4
D. Washer (5/16 in.) ........................................... 8
E. Lock washer (5/16 in.) ................................... 4
F. Hex Nut (5/16-18) ........................................... 4
C D E F
.Hardware for Front Table
A. Front table ...................................................... 1
B. Screw (1/4-20 x 1 in.) ..................................... 4
C. Washer (1/4 in.) ............................................. 4
D. Lock washer (1/4 in.) ..................................... 4
E. Hex nut (1/4-20) ............................................. 4
9. Fence .................................................................. 1
10. Leveling Hardware for Front Table
A. Screw (1/4-20 x 1-3/4 in.) .............................. 1
B. Washer ........................................................... 1
C. U-clip .............................................................. 1
D. Setscrew ........................................................ 1
E. Tee nut ........................................................... 1
A
®H
C D
@
B
E
B C D E
7. Rear Table .......................................................... 1
8. Spacer Table ...................................................... 1
11. Scale Indicator
A. Screw ............................................................. 4
B. Speed Nut ...................................................... 2
C. Indicator ......................................................... 2
D. Switch Key ..................................................... 2
A
C
o J
Fig. 6B
13 rRRFTSMRN_RADIALSAW315.273731

Checkallloosepartsfromtheboxwiththelistbelow.Usetheinstructionsonthefollowingpagesto assemble.
Allfastenersareshownactualsize.
12.TableSupport
A.TableSupportRails.......................................2
B.Squareheadbolt(5/16-18x 3/4in.)..............4
C. Flatwasher(5/16in.).....................................4
D.Lockwasher(5/16in.)...................................4
E.Hexnut(5/16-18)...........................................4
@ ©©
B C D E
13. Table Clamp ....................................................... 2
A. Thumb screw (2) ............................................ 2
B. Square nut ..................................................... 2
C. Table clamp bracket ...................................... 2
D. Cup washer .................................................... 2
BD
C
14. Owner's Manual (not shown) ............................. 1
15. Leg Stand ........................................................... 1
A. Leg ................................................................. 4
B. Long bottom brace ......................................... 2
C. Long top brace ............................................... 2
D. Short bottom brace ........................................ 2
E. Short top brace .............................................. 2
F. Foot ................................................................ 4
G. Screw (1/4-20 x 5/8 in.) ............................... 40
H. Star washer .................................................. 40
I. Hex nut (1/4-20) ............................................ 40
J. Hex nut (3/8-16) .............................................. 8
A
o
o
o
o
o
o
o
E
F
m
o@@,
H I J
G
Fig. 6C
CRRi:'rsMRN_RADIALSAW315.273731 14

The following tools are needed for assembly and alignment. They are not included with this saw.
LEVEL
HEX KEYS:
5/32in. AND1/8in. MEDIUMFLAT BLADE SCREWDRIVER
#2 PHILLIPSSCREWDRIVER
PENCIL
CHANNELLOCKPLIERS
FRAMINGSQUARE
PLIERS
WRENCHES:7/16 in., 1/2in., 9/16 in., 15/16in.
+_
SMALL HAMMER
Fig. 7
15 rRFtFTSMAN° RADIALSAW315.273731

KNOW YOUR RADIAL SAW
See Figure 8A.
OVERVIEW -The main operating components include
the column, the arm, and the yoke assembly (yoke,
motor, and blade), and their operation is summarized
in the paragraph below. Safety features and control
functions are given also. Spending a few minutes
reviewing the illustrations and features list below and
on the following pages to locate these items will make
assembly easier.
METHOD OF OPERATION: The column at the back
of the saw supports the radial arm. The arm can be
raised or lowered to change the blade height or
swiveled left and right for a miter cut. A yoke fits into
a carriage on the arm, which can travel back and
forward. The yoke supports the yoke assembly
(motor, blade, and blade guard) and can be pivoted
so the blade faces right, front, or left. The motor can
be rotated to change the blade angle.
ARM LOCKKNOB
YOKE
Control functions include 1) column height (elevating
handwheel), 2) arm angle (arm lock knob), 3) yoke
movement on arm (*carriage lock knob) 4) yoke
rotation (*yoke pivot latch and *yoke lock handle), and
5) blade bevel (*bevel index lever and *bevel lock
knob).
Safety features include the control cut device, the
removable switch key, and the blade guard assembly.
Never operate the saw without ensuring these safety
features are in place and functioning correctly.
On a radial saw, "cross cut" means a cut parallel to
the arm, and a "rip cut" is perpendicular to the arm.
There are several ways to make cuts, depending on
the size and material of the workpiece and the end
result desired.
Before attempting to use your saw, familiarize yourself
with all operating features and safety requirements of
your Sears Craftsman Radial Arm Saw.
*Shown on following pages
CONTROL
CUTHOUSlNG
CARRIAGE
ANDCOVER
SWITCHAND KEY
BLADE AND
BLADEGUARD
COLUMN
MOTOR
ELEVATING
HANDWHEEL
Fig. 8A
CRR_T=_MRN_RADIALSAW315.273731 16

FEATURES LIST
See Figures 8A-8D.
ADJUSTABLE TABLES - A narrow spacer table and
wider rear table that can be repositioned or even
replaced with different tables. See Figure 8C.
ANTI-KICKBACK PAWLS - Toothed pawls that snag
the work in case of kickback during rip cuts. (When
the blade is parallel to the arm, the pawls are in front
of the blade.) Keep the pawls in place to reduce risk
of injury. See Figure 8D.
ARM - The assembly extending from the column,
which supports the yoke, the motor, and the blade.
See Figure 8A.
ARM LOCK KNOB - Controls arm angle. Use to set
the arm to the positive stops at 0°, 45 ° left, and 45 °
right and to lock the arm in place. Located on top of
arm at front. See Figures 8A and 8B.
BEVEL INDEX KNOB - Controls the blade angle
between positive stops at 0°, 45 °, and 90 °. Located
behind the handle. See Figure 8B.
BEVEL INDEX SCALE - Shows the blade angle for
bevel cuts and is located behind the handle. See
Figure 8B.
BEVEL LOCK LEVER - Sets and locks blade angle. It
is located below the handle. See Figure 8B.
BLADE - For maximum performance, use the Crafts-
man 40-tooth, 10 in. carbide-tipped blade provided
with your saw. It is a high-quality combination blade
suitable for ripping and crosscut operations. Blades
recommended for other operations are listed in the
Accessory section of this manual. The blade is
powered by the main motor and turned off by the
switch. See Figure 8D.
_k WARNING: Use only blades rated for at least
5,000 rpm and recommended for use on this
saw. Check with your nearest Sears retail store.
BLADE GUARD ASSEMBLY - Protective unit over
the blade, with a riving knife, anti-kickback pawls, an
upper blade guard, a lower outer blade guard, and a
lower inner blade guard. Always keep each item in
place unless specifically instructed to move it. See
Figures 8A and 8D.
BLADE GUARD CLAMP SCREW - Secures the
blade guard to the motor. Located between the blade
and the motor. See Figure 8D.
MITERSCALE
ARMLOCKKNOB
YOKE
YOKEPIVOTLATCH
RIP
SCALE(S)
COLUMNTUBE
BEVEL
INDEXKNOB
YOKE
LOCKHANDLE
BEVEL
INDEXSCALE
BEVEL o
LOCKLEVER
o
MOTOR
17
COLUMNSUPPORT
Fig. 8B
rRnFTSMRN° RADIALSAW315.273731

CARRIAGE - Slides along track under arm and
supports yoke. Contained in two carriage covers, one
on each side of the arm. See Figure 8C.
CARRIAGE LOCK KNOB - Controls whether the
carriage is locked or can travel. Located on the left
side of the arm on the carriage cover. See Figure 8C.
COLUMN - Upright housing at the back of the saw,
consisting of a column support and a column tube.
The column tube can be raised or lowered with the
elevating handwheel at the front of the saw. See
Figures 8A and 8B.
CONTROL CUT DEVICE - Limits carriage speed to
prevent climb, using a cable from the carriage to the
column. Has a separate motor on left side, which is
activated by the switch trigger in the handle. The
cable returns the carriage to the column when the
motor is not activated. Speed is adjusted with a
thumbwheel on the handle. It runs on a separate
120V AC single voltage circuit. See Figure 8C.
,_ WARNING: When connecting only one of the
cords, squeeze the switch trigger in the handle. If
the main motor cord alone is connected, the
switch trigger in the handle will not operate the
control cut device. The carriage cannot be
advanced without power to the control cut device.
DUAL VOLTAGE - If needed, your main power
source may be rewired by a qualified electrician to
provide a 240V AC circuit. See the Electrical section.
DUST GUIDE - Directs sawdust, created from the cut
being made, in the direction you set. Located at the
rear of the upper blade guard. See Figure 8D.
ELEVATING HANDWHEEL - The handwheel below
the worktable (in front) that changes the height of the
arm and the blade. See Figure 8C.
FENCE - Removable guide for work, which extends
across width of table. See Figure 8C.
FRONT TABLE - Fixed portion of the worktable that
supports the work. See Figure 8C.
HANDLE - Used to pull the yoke assembly. Mounted
on the yoke to the right of the blade. See Figure 8C.
HOLD DOWN - A metal guard to control workpiece
climb during rip cuts. When blade parallels arm, hold
down is over the back of the blade. See Figure 8D.
HOLD DOWN KNOB - Controls placement of the hold
down and locks it in place. See Figure 8D.
MITER SCALE - Shows the miter angle setting of the
arm. See Figure 8B.
TRACK CARRIAGE CARRIAGE
LOCK KNOB AND COVER
CONTROL
CUTMOTOR
CONTROL
CUTCABLE
REAR
TABLE
SPACER
TABLE
SWITCH
ANDKEY
CONTROLCUT
THUMBWHEEL
FRONTTABLE
HANDLE
FEN_ ELEVATING
HANDWHEEL
Fig. 8C
CRR_T=_MRN_RADIALSAW315.273731 18

MOTOR (13/6.5 AMP) - Powers the blade and is
controlled by the switch and key at the front of the
arm. The powerful induction motor has a capacitor
start. It is mounted in the yoke and rotated with the
bevel index knob and bevel lock lever. See Figure 8B.
RIP SCALES - Show the distance from the fence to
the blade. (In-rip scales are on the right side of the
arm, and out-rip scales are on the left side.) Upper
scales show the distance with the fence beside the
front table. Lower scales show the distance with the
fence in farthest back position. See Figure 8B.
RIVING KNIFE OR SPREADER - Located directly in
front of the blade and beside the anti-kickback pawls,
the riving knife keeps cut edges from binding during
rip cuts. See Figure 8D.
RIVING KNIFE BRACKET - Allows adjustment of the
riving knife. Located midway along the riving knife.
See Figure 8D.
RIVING KNIFE KNOB - Adjusts the riving knife and
locks both the pawls and the riving knife in place.
Located toward the top and front of the blade guard.
See Figure 8D.
SWITCH TRIGGER - Used to power the control cut
device to allow yoke assembly to be pulled forward.
Mounted in the handle. See Figure 8D.
SWITCH WITH KEY - Powers the blade motor.
Placed on the front of the arm for easy access. To
lock the switch once it has been pressed to OFF,
remove the yellow key. Place the key in a location that
is inaccessible to children and others not qualified to
use the tool. See Figures 8A and 8C.
YOKE - Supports the blade and motor. Can be
pivoted to index the blade between rip and cross cuts.
Located between the carriage and the motor. See
Figure 8B.
YOKE PIVOT LATCH - Indexes the yoke (after it is
released) to position the blade to face right (out-rip
cut), front (cross cut), or left (in-rip cut). Located on
the right carriage cover. See Figure 8B.
YOKE LOCK HANDLE - Releases the yoke to allow
indexing for rip cut or cross cut. Located below the
yoke, on the right. See Figure 8B.
BLADEGUARD
CLAMPSCREW
DUSTGUIDE
HOLDDOWN
HOLD
DOWNKNOB
SWITCH
;ER
RIVING
KNIFEKNOB
UPPER
BLADE GUARD
RIVINGKNIFE
LOWER
BLADEGUARD
RIVING
KNIFE BRACKET
o
o
19
BLADE
ANTI-KICKBACK
PAWLS
_Fig. 8D
rRRFTSMRN_RADIALSAW315,273731

Assemblyisbestdoneintheareawherethesawwill
beused.Whenyouremovethesawandhardware
fromthepackingmaterials,carefullychecktheitems
withtheLoosePartslist.Ifyouareunsureaboutthe
descriptionof anypart,refertotheirillustrations.For
yourconvenience,allfastenershavebeendrawn
actualsize.Ifanypartsaremissing,delayassembling
untilyouhaveobtainedthemissingpart(s).
Yourradialarmsawiscapableofawidevarietyof
operations,andthusrequiresanumberof initialsetup
adjustments.However,oncethesawissetup,you
cancheckyoursawinabouttenminutesandcorrect
anymisalignmentwiththeproceduresintheAdjust-
ment section.
_ CAUTION: Perform all the procedures in both
the Assembly and Adjustments sections before
using the saw. Run a check on your saw
frequently, referring to the Adjustments section.
Failure to perform the adjustments in the initial
set up or on a frequent basis can result in poor
performance or machine damage.
ASSEMBLING LEG STAND
See Figures 9A -9C.
• Take the following hardware from the hardware
bags in the leg stand carton:
40 truss head screws (1/4-20 x 5/8 in.)
40 star washers (1/4 in.)
40 hex nuts (1/4-20)
• Take the following hardware from the remaining
hardware bags in the leg stand carton:
4 leveling feet
8 large hex nuts (3/8-16)
• Obtain four legs and eight braces from the leg
stand carton. See the Loose Parts section.
SHORT
IPPERBRACE
SHORT
LOWERBRACE
STAR
WASHER
• Place a 3/8-16 hex nut on each leveling foot and
insert leveling feet into the bottom of the legs. Cap
with remaining 3/8-16 hex nuts but only finger
tighten. See Figure 9A.
• Place a short upper brace inside two of the legs
(wide end of legs up) and align the three holes in
the brace with the holes in the legs.
• Insert the screws. Add the star washers and 1/4-20
hex nuts. Finger tighten.
• Install a short lower brace on the legs.
See Figure 9A.
• Repeat for the other end assembly.
• Connect the leg sets with a long upper brace. Add
the hardware and finger tighten. Repeat for the
other side brace, then install the long lower braces.
See Figure 9B.
• Tighten all screws, washers, and nuts with a 7/16
in. wrench and as needed a #2 phillips screwdriver.
• Move the leg stand to the desired location. Using a
level, adjust the leveling feet by raising or lowering
the bolts with a 9/16 in. wrench.
• When the leg stand is level, securely tighten all four
nuts with the wrench.
• Your leg stand is now completely assembled and
ready for use. See Figure 9C.
LONG
UPPERBRACE
LONG
LOWERBRACE Fig. 9B
TRUSS
HEABSCREW
HEXNUT
(1_-20)
HEXNUT
(3/8-16)
LEVELINGFOOT
CR_F;T=_MRN° RADIALSAW315.273731 Fig. 9A 20 Fig. 9C

MOUNTING SAW TO LEG STAND
See Figure 10.
,_ WARNING: Firmly bolt the saw to the leg stand
to keep the saw from tipping, walking, or sliding.
• Locate the following hardware from a small hard-
ware bag:
4 hex bolts (5/16-18 x 5/8 in.)
4 Iockwashers (5/16 in.)
8 flat washers (11/32 in.)
4 hex nuts (5/16-18)
• Place the saw on top of the leg stand so the holes
in the saw base line up with the holes on top of the
leg stand braces.
• Put a washer on a screw, and put the screw and
washer into the hole in the saw base. Cap with
another washer, then a Iockwasher and a hex nut.
Hand tighten the set.
• Install the other three sets and securely tighten all
four sets with a 1/2 in. wrench.
ATTACHING ELEVATING HANDWHEEL
See Figure 11.
,_ WARNING: Be sure the main power cord of
your saw is unplugged. Ignoring this precaution
could result in serious injury. Do not perform the
following steps unless the saw is unplugged.
The elevating handwheel adjusts the height of the
radial arm and the blade.
• Take the handwheel, star washer, and screw
(10-24 x 5/8 in. Soc. Hd.) from the hardware bag.
• Place the handwheel on the end of the elevating
shaft, which extends from the front of the saw base.
• Place the star washer on the screw and thread
screw into the end of the shaft.
• Securely tighten the screw with a 5/32 in. hex key.
• Raise or lower the arm by turning the handwheel.
ELEVATING
SHAFT
HANDWHEEL
SCREW
SAW
BASE
LEG
STAND tSTARWASHER
SAW BASE
LEGSTAND
3LT
FLAT
WASHER
}HER
HEXNUT
Fig. 10
21
Fig. 11
rRRFTSMRN° RADIALSAW 315.273731

INSTALLING THE YOKE ASSEMBLY
See Figures 12A -12C.
The yoke rides in the carriage below the arm and
supports the motor, the blade guard, and the blade.
Install the yoke assembly from the front of the arm.
• Remove the carriage stop screw and Iockwasher
from below the front of the arm with a 1/4 in. hex
key. See Figure 12A.
ARMVIEWEDFROMBELOW
FORCLARITY,CARRIAGECOVERSANDCARRIAGELOCK
KNOBARENOTSHOWNINILLUSTRATION
ARMLOCKKNOB
BEARINGS(4)
CARRIAGE
CARRIAGESTOPSCREW
1/4 in. HEXKEY Fig. 12A
• Remove the arm cap screws and arm cap from the
front of the arm with a phillips screwdriver. See
Figure 12B
ARMLOCKKNOB
ARMCAP _
_ARM
CAPSCREWS Fig. 12B
• Remove and discard the two motor setscrews in
the bottom of the motor. They are for shipping
purposes only.
• Using the elevating handwheel, raise the arm 3
inches and remove the packing material.
• Lock the arm with the arm lock knob, located on top
of the front of the arm, so the arm doesn't swing
while you are mounting the yoke assembly.
• Pick up the yoke assembly and carefully slip it onto
the carriage track below the arm. Keep it parallel
with the arm so bearings slide in smoothly. See
Figure 12C.
YOKE
CARRIAGE ARM
LOCKKNOB
CARRIAGECOVER Fig. 12C
Reinstall the carriage stop screw, the Iockwasher,
arm cap, and arm cap screws. Tighten all screws
securely.
,t_ WARNING: Once the yoke assembly is on the
carriage track, reinstall the arm cap, the arm cap
screws, the carriage stop screw, and the
Iockwasher. Do not risk serious injury or damage
to the saw by failing to replace these parts.
• Tighten the carriage lock knob, on the carriage
cover on the left of the arm, to lock the yoke
assembly in place.
I:RI_FT=_MRN_RADIALSAW 315.273731 22

REMOVING THE BLADE
See Figure 13.
Remove the blade and blade guard assembly during
setup for safety and better access. The blade guard
includes an upper blade guard, an outer lower guard,
and an inner lower guard. The lower inner guard
consists of two overlapping slotted metal strips. The
strips are held together with a retaining screw and a
nut. Locate these items before beginning the proce-
dure.
_ WARNING: To prevent accidental contact with
the blade that could result in injury, remove the
blade and blade guard before making setups
involving the blade arbor and work stand. Use
the blade wrenches provided with your saw.
• Remove the retaining screw and nut at the bottom
of the lower inner blade guard.
• Loosen the guard clamp screw, a long thumbscrew
between the blade guard and the motor.
• Rotate and lift the guard assembly up and over the
blade, then remove it.
• Hold the blade arbor (motor shaft) with one of the
two blade wrenches provided. Put the other blade
wrench on the blade nut and turn it clockwise
(down), since the blade arbor has left hand threads.
• Remove the blade nut, outer blade washer, saw
blade, and inner blade washer. Set these items
aside until all the tables have been installed and the
front table is level.
THUMBSCREW_BLADE GUARD BLADE
INNERBLADE
WASHER
BLADE TO
ROTATION TIGHTEN
BLADE
ARBOR
BLADE
i: WRENCH(2)
Fig. 13
ATTACHING TABLE SUPPORTS
See Figure 14.
The table supports are a base for the three wooden
table sections and fence.
• Locate the two table supports and the following
hardware:
4 square head bolts (5/16-18 x 3/4 in.)
4 Iockwashers (5/16 in.)
4 hex nuts (5/16-18)
4 flat washers (5/16 in.)
• Attach the supports to the side of the saw base.
There are holes in both sides of each support. The
long side of each support (with the slotted holes)
fits against the saw base.
• Use two square head bolts per support, inserted
from within the saw base outward.
• Place a flat washer, a lock washer, and a hex nut
on the end of each screw.
• Position table supports so that bolts are approxi-
mately centered in slotted holes.
• Finger tighten or snug with a 1/2 in. wrench only at
this time. Final adjustments will be made later in
Leveling The Table Supports section.
TABLE FLAT
SUPPORT WASHER SQUARE
HEADBOLT
TABLE
SUPPORT
MOUNTTABLESUPPORTS
USINGTHESEHOLELOCATIONS Fig. 14
23 CRtIFTSMRN° RADIALSAW315.273731

SETTING THE ARM LOCK KNOB
See Figure 15.
It may be possible to move the arm when locked, if
the arm lock knob is too loose. If the arm does not
move freely when unlocked, the arm lock knob may
be too tight. Use this procedure to check and set the
arm lock knob by turning the arm lock wheel (under
the carriage arm).
• To release the arm lock knob, located on top of the
arm at the front, pull the arm lock knob forward until
the spring is compressed.
• While holding the arm lock knob forward, swing the
arm 30° to the left or the right, referring to the miter
scale on top of the column.
• Lock the arm in place by pushing the arm lock knob
back until it pops in the locked position.
• Apply a reasonable amount of pressure on the arm.
The arm can be forced, but if it moves easily, it
needs adjustment.
• Locate the arm lock wheel.
• Release the arm lock knob and turn the lock wheel
clockwise to tighten or counterclockwise to loosen.
• Repeat above steps until the arm movement is
minimized when locked.
ARMLOCKKNOB ARM
TURNCOUNTERCLOCK-
WISETOLOOSEN
CARRIAGE TURNCLOCKWISE
STOPSCREW ARM TO TIGHTEN
LOCKWHEEL Fig. 15
SETTING THE YOKE CLAMP
See Figures 16A and 16B.
The yoke clamp keeps the yoke from rotating on the
carriage when you want the saw blade to be station-
ary. Use this procedure to check and set the yoke
clamp.
• Release the yoke lock handle (below the arm on
the right side) so the motor can be rotated.
• Swivel the motor slightly. It should be at an angle in
between one of the preset positive stop angles.
ARMCAP MOTOR
YOKELOCK
HANDLE
YOKE
ASSEMBLY Fig. 16A
• Lock the yoke lock handle. Grasp the motor with
both hands and apply reasonable pressure to see if
it slips. If it moves, reset the yoke lock handle as
follows.
• Remove the arm cap screws and arm cap at the
front of the arm with a phillips screwdriver. See
Figure 16B.
• Remove the carriage stop screw and Iockwasher
with a 1/4 in. hex key. Carefully slide the yoke
assembly forward and off the carriage.
• Place the yoke assembly in a spot where it will be
secure as you work on the top of the yoke.
• Release the yoke lock handle. Tighten the center
nut with a 15/16 in. wrench until the lock handle is
centered between the two legs of the yoke.
• Carefully replace the yoke assembly on the car-
riage arm track. Slide it back about halfway.
• Replace the carriage stop screw and Iockwasher,
followed by the arm cap and arm cap screws.
• Lock and test the yoke again. If it can be moved,
repeat the procedure until it is secure.
I_CENTER NUT
YOKELOCK
HANDLE
YOKE LEG
Fig. 16B
CR_F;TSMRN° RADIALSAW 315.273731 24

SETTING THE BEVEL LOCK LEVER
See Figures 17A -17C.
The bevel lock lever locks the blade at desired angles
other than the preset positive stop angles. The bevel
lock lever is preset at the factory but may need
readjustment after shipping or extended use. Check
for overtightness or looseness and make any neces-
sary adjustments as follows:
The bevel lock lever is located on the front of the yoke
assembly, near the bottom. It is attached to a clamp
bolt that controls the amount of tightness.
• Pull the bevel lock lever forward to unlock it. Use
the bevel index knob (just under the handle) to
rotate the motor approximately 30 °. Lock the bevel
lock lever.
• If the bevel lock lever is difficult to lock, the clamp
bolt needs to be loosened. If the motor can be
forced out of position, the clamp bolt needs to be
tightened.
• Remove the socket screw (under the bevel lock
lever) and star washer with a 1/8 in. hex key.
• Use the bevel lock handle as a wrench to tighten or
loosen the clamp bolt. The clamp bolt has a right-
handed thread. Tighten it left to right.
• When the bolt is correctly set, remove the bevel
lock lever from the clamp bolt and place it roughly
parallel to the yoke assembly.
• Replace the socket screw and star washer. Re-
check the tightness of the bevel lock lever. Repeat
the steps above until the motor is secure when
locked, and the bevel lock lever fits squarely
against the yoke assembly.
STARWASHER
SOCKETSCREW
1/8 in. HEX KEY
CLAMPBOLT
e
IBEVEL
LOCKLEVER
Fig. 17B
BEVELLOCKLEVERIN
CORRECTLOCKEDPOSITION
Fig. 17C
BEVEL BEVEL
LOCKLEVER INDEXKNOB MOTOR Fig. 17A
25 f'RRFT,_MRN° RADIALSAW 315,273731

TIGHTENING THE ARM AND COLUMN
See Figure 18.
There should be no play, vertical or horizontal, in the
arm relative to the column. If you can move the arm
up, down or sideways when the arm lock knob is
unlocked, use the following steps to tighten the arm.
Note: The arm should pivot only when the arm lock
knob is unlocked and pulled forward to com-
press the spring.
• Using a phillips screwdriver, remove the rear cover
screws (2) and rear cover from the back of the arm.
This uncovers the bolts on the column.
• Tighten the top two bolts evenly until the arm is firm
and there is no vertical or horizontal movement.
• Also check the two bottom hex nuts. It is not
necessary to tighten them as tight as the upper
bolts. However they should be tightened even and
snug.
• Replace the rear cover and rear cover screws.
• Tighten screws securely.
REAR
COVERSCREWS
REAR
COVER
HEXBOLT(2)
ADJUSTING THE COLUMN TUBE
See Figures 19A -19D.
The purpose of this procedure is to check whether the
inner column tube is snug in the housing and to
remove any looseness. Looseness could result in a
poor cut or difficulty in elevating the carriage. The
column tube is the upper portion of the column and
extends from the column support.
Note: It is critical to remove all looseness with this
procedure. If this procedure is not done cor-
rectly, following adjustments will be wrong and
could result in machine damage.
This procedure checks both the elevating action and
the rotating action. If a check does not show loose-
ness, do not perform the adjustment.
• If the arm is not at 0° (straight forward), release the
arm lock knob, set the arm, and re-lock the arm
lock knob.
•Elevation check. To check the elevation movement,
place your hand under the front of the radial arm.
Press upward on the radial arm. There should be
no play between the column tube and the column
support. The whole assembly should move as one.
See Figure 19A.
COLUMN ARM
TUBE
COLUMN
SUPPORT
Fig. 19A
HEXNUT(2) Fig. 18
CR_FT_MRN °RADIAL SAW 315.273731 26

•Rotation check: To check the rotation, hold the front
of the arm with one hand and grasp the top of the
column support with the other. Press the arm to the
side. If there is play between the column support
and the column tube, it needs to be adjusted. See
Figure 19B.
COLUMNTUBE
r
\
COLUMNSUPPORT Fig. 19B
• Elevation Adjustment. If the elevation check did not
show any play between the column tube and the
support, go to the rotation adjustment. Otherwise,
raise and lower the arm with the elevating hand-
wheel. Tighten the black screws on the right side of
the column support by 1/16th to l/8th of a turn.
Tighten the two silver screws on the left side
slightly more. You will need two 1/2 in. wrenches or
sockets. Turn the elevating handwheel again. If the
column tube binds, loosen the silver and black
screws and turn the handwheel again. See Figure
19C.
•When the elevation is smooth, check for looseness
again by pressing upward on the front of the arm.
Repeat the previous step until elevation is smooth
with no play between the column tube and the
column support.
Elevation Adjustment
Fig. 19C
• Rotation Adjustment. Using a 3/16 in. hex key,
slightly tighten the two cap screws at the back of
the column support (left side) until no play shows
between the radial arm and the column. The cap
screws are indicated by arrows. See Figure 19D.
•Recheck the rotation by holding the front of the
arm, grasping the top of the column support with
the other, and pressing the arm to the side.
Rotation Adjustment
CAP
SCREWS
Fig. 19D
27 rRRFT,_MRN° RADIALSAW 315.273731

ADJUSTING THE CARRIAGE BEARINGS
See Figures 20A and 20B.
Loose carriage bearings permit the blade to wander
slightly while cutting, which will result in a poor cut
and more wear and tear on the saw. Use the following
steps to check for tightness and to then adjust the
bearings if needed.
• On the left side of the arm, remove the carriage
lock knob, the carriage cover screws, and the
carriage cover.
• With one hand, grip the front bearing hard to keep it
still, and pull the carriage forward with the other
hand. The bearing should turn. If it stays still as the
carriage is moved, it needs to be adjusted.
CARRIAGEBEARING
• Use a 9/16 in. wrench to hold the eccentric screw
(top of bearing) and a 1/2 in. wrench to loosen the
nut below the bearing.
• Turn the eccentric screw a partial turn as needed to
tighten the bearing.
• Retighten the nut and repeat the second step to
test the tightness. Adjust it so the bearing turns
even against resistance when the carriage is
moved - but not so much that the carriage is difficult
to move and return it to its rear position.
• Repeat for the left rear bearing.
Note: Adjust bearings on the left side only. Bearings
on the right side do not adjust.
• Replace the carriage cover, carriage cover screws,
and carriage lock knob.
ECCENTRICSCREW 9/16 in.
WRENCH
GRASPAND HOLD
CARRIAGEBEARING Fig. 20A 1/2 in.
WRENCH Fig. 20B
CRRF:I'$HRN° RADIALSAW 315.273731 28

LEVELING THE TABLE SUPPORTS
See Figures 2fA and 2fB.
The table supports must be perfectly level.
• Pull the bevel lock lever forward to unlock it. Use
the bevel index knob to rotate the motor so the
arbor shaft points down. Lock the bevel lock lever.
• Release the arm lock knob to angle the arm. Begin
by positioning the arbor shaft over the back of the
highest table support. Normally this is the left side.
See Figure 21A.
• Lock the arm lock knob and the carriage lock knob.
• Using one of the blade wrenches as a feeler gage,
place it on the table support below the arbor shaft.
• With the elevating handwheel, carefully lower the
motor until the shaft just touches the wrench. The
wrench should move with only slight resistance.
Securely tighten the back screw on the table
support.
• Without changing the elevation, move the arm to
place the blade arbor over the front of table sup-
port. See Figure 21B.
• Place the wrench below the shaft and check that
the clearance is the same. If not, adjust the table
support until it is the same. Securely tighten the
front screw.
• Move the arm to the opposite side and repeat the
above procedure. When the opposite side is level,
recheck the first side to make sure that it is still
accurate and even.
• Return the saw and motor to normal height and
position.
ARMLOCK KNOB_
BEVEL
LOCKLEVER
BLADEWRENCH
ATBACK
BLADE
ARBOR
LEFTSlDE
TABLESUPPORT
RIGHTSIDE
TABLESUPPORT
ELEVATING
HANDWHEEL
29
Fig. 21A
rRRFTSMRN° RADIALSAW315.273731

INSTALLING THE FRONT TABLE
See Figures 22A - 22C.
Use this procedure to install the fixed front table.
The top of the table has counterbored holes, predrilled
from the top, around the center to attach the table. In
the center are a counterbored hole and a small hole,
which is not counterbored. They are used for raising
or lowering the center of the table until it is level.
• Locate the front table and the following hardware:
1 tee nut
1 U-clip (1/4 in.)
1 setscrew (1/4-20 x 7/8 in.)
4 pan head screws (1/4-20 x 1 in.)
1 pan head screw (1/4-20 x 1-3/4 in.)
5 flat washers (5/8 in.)
4 lock washers (1/4 in.)
4 hex nuts (1/4-20)
• Place the front table on a solid worksufface, with
the top surface face down. Place the tee nut in the
non-counterbored hole and tap it in place with a
hammer.
SETSCREW
_ SCREW
_'/ _ / _ REAROF
_____ FRONTTABLE
TEE f _
NUT
REAROF FRONTTABLE Fig. 22A
• Snap the U-clip onto the front edge of the saw
base. Line up the hole in the U-clip with the saw
base hole just to the left of the center notch in saw
base. See Figure 22B.
• Place the table, top up, on the table supports so the
center counterbored hole lines up over the hole in
the U-clip.
• Place a flat washer in each counterbored hole.
U-CLIP ALIGN U-CLIP
OVERTHISHOLE
SAWBASE
Fig. 22B
• Place the long pan head screw into the center hole
and thread into the U-clip. Do not tighten until the
table has been checked for evenness. See Figure
22A.
• Place the setscrew through the small leveling hole
and thread into the tee nut, but do not tighten.
• Put a 1 in. long pan head screw in the four remain-
ing holes and through the holes in the support.
Cap with a lock washer and hex nut. Tighten with a
7/16 in. wrench and phillips screwdriver. This
completes installation of the front table.
1 in,
SCREW
!®/_,
LOCKWASHER
X
HEX NUT
Fig. 22C
CRRF:I'$HRN° RADIALSAW 315.273731 30

LEVELING THE FRONT TABLE
See Figure 23.
If there are any high or low areas on the front table,
they should be removed by adjusting the leveling
screws in the center holes on the front table.
• Place the rear table on its edge across the front
table to check for gaps.
• Adjust gaps of less than 1/32 in. in the center of
the table by turning the setscrew with a flat blade
screwdriver until the setscrew touches the frame.
Then lightly secure the center pan head screw with
a phillips screwdriver.
• Fora gap of more than 1/32 in. in the center of the
table, raise the center by turning the setscrew
against the frame. Then lightly secure the center
pan head screw with a phillips screwdriver.
• For a gap of more than 1/32 in. on the sides, lower
the center of the table by tightening the center pan
head screw with a phillips screwdriver. Then tighten
the setscrew.
PHILLIPSSCREWDRIVER
ON PANHEADSCREW
SETSCREW
INSTALLING REAR TABLE, SPACER
TABLE, FENCE, AND CLAMPS
See Figures 24A - 24C.
The placement of the tables and fence may need to
be changed for different cuts, depending on the size
of the workpiece and the position of the blade. The
fence should be installed next to the front table for
maximum depth capacity; it should be installed in the
middle for maximum cross cut capacity; and installed
all the way back for maximum rip capacity.
• Locate the fence, the spacer table, the rear table,
and two unassembled clamps, which consist of the
following hardware:
2 cup washers
2 clamp brackets
2 square nuts
2 thumbscrews
• Place the fence behind the front table, then the
spacer table behind it, and then the rear table
behind it.
• Slip a square nut into the slot of each clamp
bracket.
• Place a thumbscrew into the end of the clamp
bracket farthest from the slot. Thread it into the
square nut.
Note: If the screw is inserted in the wrong end of the
bracket, the clamp will not work.
• Place the clamp bracket into the rectangle holes in
the table support. Hold the cup washer against the
rear table and turn the thumbscrew clockwise until
it snaps into the cup washer.
• Tighten the thumbscrews to clamp the table sec-
tions into place.
REARTABLE FENCE
REARTABLE FRONTTABLE
Fig. 23
SPACERTABLE FRONTTABLE
Fig. 24A
31 f'RRFT._MRN_RADIALSAW 315.273731

THUMBSCREW
CLAMP
BRACKET
SQUARENUT
I
CUP
WASHER _)
RECTANGLE
HOLE
CUP
TO WASHER
LOOSEN
TO
TIGHTEN
THUMB
SCREW
CLAMPSHOWN
ASSEMBLED
SLOT
Fig. 24B
TABLE
SUPPORT
INSTALLING BLADE AND BLADE GUARD
See Figures 25A and 25B.
• Collect the blade and hardware that were removed
earlier. Place the inner blade washer, saw blade,
outer blade washer, and blade nut on the blade
arbor. See Figure 25A. Note: The flat concave side
of blade washers go against the blade.
• Hold the blade arbor with one wrench and rotate
the other blade wrench counterclockwise (up), to
tighten the blade nut. See Figure 25B. Note: Blade
arbor has left hand threads. Test the blade to make
sure it turns freely.
• Use the bevel index knob (above the handle) and
the bevel lock lever (below the handle) to set and
lock the motor at 0°. The blade will be vertical.
• Attach the blade guard over the blade so the riving
knife and pawls face front. See Figure 25A.
• Tilt the guard approximately 45 ° down in the front,
place it over the blade, and rotate it to a horizontal
locked position.
• Retighten the blade guard clamp screw, the long
thumbscrew located between the blade guard and
the motor.
• Check that the guard is firmly seated in the groove
on the motor housing.
• Tighten the guard clamp screw.
• Replace the retaining screw and nut at the bottom
of the lower inner blade guard.
THUMBSCREW BLADEGUARD BLADE
RETAINING
SCREWAND NUT
RIVINGKNIFE
ANDPAWLS
TO
LOOSEN
BLADE
ROTATION
BLADE NUT INNERBLADE
WASHER
Fig. 25A
TO
_HTEN
•BLADE
WRENCH(2)
Fig. 24C
BLADE
ARBOR
Fig. 25B
CRRFT_HRN° RADIALSAW 315.273731 32

ALIGN RIVING KNIFE TO BLADE
See Figures 26A - 26C.
When ripping the riving knife must be centered with
the blade to ride in the middle of the kerf and keep it
from binding. Binding pinches the blade. Blade
pinching can cause kickback.
There are two pairs of anti-kickback pawls.
,_!1 WARNING: Failure to use the riving knife, hold
downs, and anti-kickback pawls can allow
kickback. Kickback can throw the workpiece
toward the operator, resulting in serious injury.
• Put the blade to the in-rip position by first loosening
the yoke lock handle, below the carriage on the
right. Then pull the yoke pivot latch (right side of
arm, on carriage) forward and rotate the yoke to the
left. This indexes the yoke 90° so the blade is
between the motor and the column. Lock the yoke
lock handle.
• With the elevating handwheel, lower the arm until
the blade just clears the table.
• Support the lower outer blade guard and loosen the
carriage lock knob on the left of the arm. Move the
yoke back until the blade touches the fence. Reset
the carriage lock knob.
• Loosen the riving knife knob, at the front of the
upper blade guard. Lower the riving knife to the
table and tighten the knob. tf the knife rests against
the fence, with one set of pawls riding on the fence,
no adjustment is needed.
• If the riving knife is on the fence or not touching it,
loosen the riving knife slotted nut (just above the
pawls, to the right). Correct the riving knife position
and retighten the cap nut.
CARRIAGELOCK KNOB YOKELOCKHANDLE
RIVINGKNIFE
KNOB
RIVINGKNIFE
SLOTTEDNUT
RIVINGKNIFETOO
FARRIGHTOF FENCE
AND BLADE
Fig. 26A
LOWEROUTER
BLADEGUARD
RIVINGKNIFE
ANTI-KICKPAWLS
BLADEGUARD
.3KPAWLS FRONTTABLE
FENCE
CORRECTALIGNMENTOFTHERIVINGKNIFE
ANDANTI-KICKPAWLS
Fig. 26C
RIVINGKNIFEONTOP OF FENCE
TOO FARLEFTOF BLADE
Fig. 26B
33 rRRFTSMRN° RADIALSAW 315.273731

INSTALLING RIP SCALE INDICATORS
See Figure 27.
The rip scale indicators on the arm show the distance
between the blade and the rip fence with the fence in
the front and rear positions. The upper scale is used
when the fence is positioned directly behind the front
table. The lower scale is used when the fence is at the
extreme rear, directly in front of the column.
The In-Rip Indicator is on the right side of the arm.
The Out-Rip Indicator is on the left side of the arm.
• Remove the following from a small hardware bag.
2 rip scale indicators
4 screws
2 speed nuts
• On the left of the radial arm saw, remove the
carriage lock knob and spring.
• Remove the two carriage cover screws and the
carriage cover.
• Insert a speed nut inside the carriage cover with the
flat side up. Place the scale indicator on top of the
carriage cover and attach with two screws. Se-
curely tighten screws.
• Replace the carriage cover and tighten the carriage
cover screws.
• Replace carriage lock knob and spring.
• Repeat for the right side.
RIPSCALE
INDICATOR
CARRIAGE
COVER
SCREWS
SPEEDNUT
SPRING
CARRIAGE
LOCK KNOB
SCREWS
Fig. 27
To complete setting up your saw, continue with the
Adjustment procedures. The adjustments should be
checked regularly, depending on usage. Your saw will
provide accurate cuts with fine tolerances as long as
you protect the accuracy with frequent alignment
checks. The radial arm saw can perform a wide range
of high quality cuts.
The final step will be connecting the control cut
device. The control cut device offers many benefits.
As it increases operator control, it eliminates the risk
in a cross cut of the saw "climbing" out and over the
workpiece at the operator. Feed control of the blade
as it cuts through the workpiece increases, as does
the accuracy of the cut. The following adjustments
need to be completed before the control cut device is
connected.
Your radial arm saw is designed to perform a variety
of complex cuts with fine tolerances. A weekly align-
ment check ensures that your saw can perform with
precision. It takes about ten minutes and the results is
better performance and a longer life for your saw.
Perform the checks in the order given. If you miss an
adjustment, go back to the missed adjustment and
repeat all steps from that point forward.
_ CAUTION: Failure to check alignments and
perform the adjustments in the initial set up or on
a frequent basis can result in poor performance
or machine damage.
CRR$:I'$HR_J_RADIALSAW 315.273731 34

ALIGNING THE ARM FOR CROSS CUTS
See Figures 28A -28C.
This procedure checks whether the arm is exactly 0°
for cross cut travel by checking the blade against the
table and the miter indicator. Remove the rear table,
spacer table, and fence, but leave the front table in
place. You will need a framing square, a 3/16 in. hex
key, and a pencil.
,_ WARNING: Be sure the saw is unplugged
before performing these adjustments. Accidental
start-up could result in serious personal injury.
• First check the framing square by fitting one side
against the back edge of the table. Lightly draw a
line on the table along the edge of the square in
the middle of the table. Flip the square over. If the
edge still matches the line with no gaps or over-
laps, the square is true.
DRAWA STRAIGHT
LINEALONGTHIS EDGE ,
m
STRAIGHT
EDGE
FRAMING
SQUARE
THERESHOULDBE NOGAP HEREWHEN
SQUAREIS FLIPPEDOVERTO DOTTEDPOSITION
Fig. 28 A
FRAMING
SQUARE
MITERINDICATOR ARM
LOCKKNOB
/
)
• Release the arm lock knob. Position the arm
straight forward (0°) and leave it unlocked.
• Lower the arm with the elevating handwheel until
the saw blade just clears the front table. Lock the
yoke lock handle (right side of saw, below yoke)
and the bevel lock lever.
• Place the framing square on the table and position
one edge of the square firmly against the back
edge of the table. Position the other leg of the
square against the blade until it rests beside but not
touching a tooth. With a pencil, mark beside this
tooth.
• Slowly move the yoke assembly forward and
backward along the arm and against the square
without rotating the blade. If the mark moves into or
away from the square, adjust the arm with the
following steps.
• At the back of the column, loosen the three set-
screws with a 3/16 in. hex key and position the arm
as needed to align with the framing square.
• Lock the arm lock knob and retighten the three
setscrews. Recheck the cross cut travel with the
blade against the framing square.
• Set the miter indicator on top of the column to 0°.
• Replace the fence, spacer table, rear table, and
table clamps.
REARCOVER
REMOVEDFOR
CLARITY
YOKE
LOCK
HANDLE
SETSCREWS
ELEVATING
HANDWHEEL
SETSCREWS Fig. 28 C
Fig. 28 B
35 CRRFT=_MRN° RADIALSAW315.273731

ALIGNING BLADE TO TABLE AT 0 °BEVEL
See Figures 29A -29D.
This procedure squares the blade to the table at 0°
bevel (vertical) so the blade angle will be accurate. If
the blade is not at 0° bevel, follow the steps below to
rotate slightly. You will need a framing square and a
1/4 in. hex key.
• Position the blade in front of the fence. Lower the
blade with the elevating handwheel until it just
clears the front table.
• Lock the following controls:
bevel lock lever below the handle,
carriage lock knob on the left side,
arm lock knob on top of the arm, and
yoke lock handle below the yoke, on the right.
• Stand a framing square on the table with the short
leg pointing up against the saw blade and the long
leg parallel to the fence. Place the square flat
against the blade between two teeth.
• If both the top and bottom of the saw blade are flat
against the square, no adjustment is needed.
• If the saw blade gaps at the top or bottom, remove
the bevel index cap by removing the two phillips
head screws (below the handle). You will see four
socket head screws.
• Loosen the socket head screws with a 1/4 in. hex
key. Rotate the motor slightly while holding the
square against the saw blade and table top.
• Slightly tighten each of the four screws and recheck
the blade and framing square.
ARMLOCKKNOB
BEVEL
INDEXCAP
FRONTTABLE
BEVEL
LOCK
LEVER
• If there are no gaps, fully tighten each screw. If
there is still a gap, repeat the previous two steps.
• Check the bevel indicator on the yoke assembly
near the handle. It should read 0 °. If it does not,
reset it by loosening the screws and rotating the
bevel index cap. Retighten the two screws.
• Loosen the carriage lock knob.
BLADESQUARETO TABLE
NOADJUSTMENTNEEDED
FRAMING
SQUARE
(_BLADE
TABLE/Fig. 29B
FRAMING
SQUARE
GAP//
GAP
BLADE tBLADE
GAP-ADJUSTMENTNEEDED
BEVELINDEX
CAP REMOVED
Fig. 29C
ELEVATING SOCKET BEVEL
HANDWHEEL Fig. 29A HEADSCREWS LOCKLEVER
Fig. 29D
rRRFTSMRN° RADIALSAW 315.273731 36

SQUARING BLADE TO FENCE
See Figures 30A -30C.
This procedure squares the miter angle of the blade to
the fence to reduce the risk of binding and kickback. If
the blade is not square to the fence, the yoke assem-
bly must be rotated slightly. Have a framing square, a
1/2 in. wrench, and a phillips screwdriver at hand. The
blade should be lowered to just clear the table.
Release the carriage lock knob.
_, WARNING: The blade must be angled at 90 ° to
the fence when the handle is at the front of the
saw. If not, kickback could result during a cross
cut. Kickback can cause serious injury by throw-
ing the workpiece toward the operator, tn addi-
tion, a faulty miter angle on the blade can splinter
or burn the cut edges of the workpiece during
cross cuts or rip cuts.
• Use the arm lock knob to index and lock the arm in
0 ° miter position (straight forward).
• Pull the yoke assembly forward to the front of the
arm. Lock the carriage lock knob.
• Place the short end of the framing square against
the fence. Rotate the square to 45 ° to the table.
Place the long edge across the flat surface of the
blade, below the center of the blade. (Do not place
the edge against a tooth.)
• Check whether the blade is fiat against the edge for
the entire length or whether a gap is visible.
• If the blade needs adjustment, remove the right side
carriage cover with a phillips screwdriver.
FENCE
ARM LOCKKNOB
FRAMINGSQUARE
Fig. 30A
• Release the yoke lock handle (below the yoke on
the right). With a 1/2 in. wrench, slightly loosen the
two hex bolts holding the yoke pivot latch.
• Rotate yoke assembly until the gap is eliminated.
• Lock the yoke lock handle. Retighten the two hex
bolts on the yoke pivot latch.
• Replace the carriage cover.
• Loosen the carriage lock knob and guide the yoke
assembly to the back of the arm.
SAW VIEWED
FRAMING
SQUARE
FENCE
NO ADJUSTMENTNEEDED
BLADE GAP-
ADJUSTMENTNEEDED
Fig. 30B
HEX B_L__
YOKELOCKHANDLE
Fig. 30C
37 CP,RFTSMRN° RADIAL SAW315.273731

PARALLELING BLADE TO TABLE
See Figures 31A-31C.
This procedure squares the blade to the table at 90°
bevel so horizontal cuts will be accurate. This also
reduces kickback, as well as splintering and burning
of the cut edges of the workpiece. If the blade is not at
90 ° bevel, follow the steps to rotate the blade unit
slightly. You will need a framing square and a flat
blade screwdriver.
_lk WARNING: The blade must be perfectly parallel
to the table at the 90° reading on the bevel scale.
If not, kickback could result, as well as splinter-
ing or burning the cut. Kickback can result in
serious personal injury as the workpiece can be
thrown at the operator.
• Use the arm lock knob to lock the arm in 0° miter
position (straight forward).
• Turn the elevating handwheel to raise the blade at
least 2 in. above the table.
• Release the bevel lock lever below the handle. Use
the bevel index knob, just under the handle, to turn
the motor to 90 °.The blade will be horizontal. Lock
the bevel lock lever.
• Place the framing square with the short end hang-
ing down in front of the worktable and the long side
on edge under the blade.
• Lower the arm with the elevating handwheel so the
blade surface rests on the square. Turn the blade
slightly if necessary so the face of the blade, not a
tooth, lies on the square.
NOADJUSTMENT
NEEDED
• Check whether the blade is flat against the edge
the entire length or whether a gap is visible. If you
can see a gap, adjust the blade to be at 90° bevel
to the table with the following steps.
• Unlock the bevel lock lever. Loosen the rear motor
mount nut, which holds the motor on the yoke.
Place a flat blade screwdriver in one of the slots,
and rotate the cam behind the nut to eliminate the
gap between the blade and the square.
• Retighten the nut.
• Tighten the bevel lock lever. Recheck the blade
and the square for any gaps.
• Raise the blade with the elevating handwheel to
approximately halfway up. Index the blade to a
vertical 0° bevel with the bevel index knob. Lock it
with the bevel lock lever.
ADJUSTMENT GAP
NEEDED
FENCE
/
FRONTTABLE
BLADE
FRAMING_
SQUARE
BEVEL
LOCK
LEVER
Fig. 31A
CAM
Fig. 31B
Fig. 31C
rRRF'[SMRN° RADIALSAW 315.273731 38

ALIGNING THE RIP SCALE INDICATORS
See Figures 32A -32B.
The rip scale indicators on the arm show the distance
between the blade and the rip fence. The upper scale
is used when the fence is positioned directly behind
the front table. The lower scale is used when the
fence is at the extreme rear, directly in front of the
column.
The in-rip indicator and scale are on the right side of
the arm. The out-rip indicator and scale are on the left
side.
This procedure checks the indicators with the fence at
the back of the tables directly in front of the column.
The blade should be turned to the in-rip position to set
the rip scale indicator on the right side of the arm.
Then, the blade should be turned to the out-rip
position to set the rip scale indicator on the left side of
the arm. You will need a framing square.
• If the fence is not at the rear of the tables, place it
there.
• Turn the blade to the in-rip position by loosening
the yoke lock handle, below the arm on the right.
Then pull the yoke pivot latch forward and rotate
the yoke to the in-rip position. This indexes the
yoke 90 ° so the blade is between the motor and
the column. Lock the yoke lock handle.
• With the elevating handwheel, lower the arm until
the blade just clears the table.
• Loosen the carriage lock knob and guide the blade
back to just touch the fence. Tighten the carriage
lock knob.
IN-RIPSCALEON RIGHTSIDEOF ARM
RIP-SCALEINDICATOR
s,,,oo
YOKEPIVOTLATCH
Fig. 32A
• On the right side of the arm, check the lower in-rip
scale indicator, which should be set on 0 inches. If
it is not, loosen the screws and shift the indicator
until it reads zero. Tighten the screws.
• Loosen the yoke lock handle. Pull the yoke pivot
latch forward and rotate the yoke to the out-rip
position. The blade should be in front of (outside)
the motor and the column.
• Lay the framing square on the table with the short
edge against the fence and with the long side
toward the table front.
• Note the distance where the blade contacts the
framing square.
• On the left side of the arm on the out-rip scale,
check the rip scale indicator on the rear fence
position (lower scale). The rip scale indicator should
mark the same number as the distance measured
from the fence to the blade. If it does not, loosen
the screws and shift the scale until the indicator is
correct. Tighten the screws.
OUT-RIPSCALEON LEFTSIDEOF ARM
RIP-SCALEINDICATOR
Front Fence Position _ 2 3 4
.eo.Fence oe,.on
CARRIAGELOCK KNOB
Fig. 32B
39 CP,RFTSMRN° RADIAL SAW315.273731

INSTALLING CONTROL CUT DEVICE
See Figure 33.
Note: Before installing the control cut device, the yoke
assembly will travel back and forward on the
carriage by pulling the handle. After installing
the control cut device, the power cord for the
control cut device must be plugged in and
switch trigger pressed to move the yoke
assembly and carriage on the arm.
_ WARNING: Do not install the control cut device
until after all of the initial adjustments and
alignments are made to prevent accidental
starting of the saw that could result in serious
personal injury.
The control cut device offers many benefits. As it
increases operator control, it eliminates the risk in a
cross cut of the saw "climbing" out and over the
workpiece at the operator. Feed control of the blade
as it cuts through the workpiece increases, as does
the accuracy of the cut.
The control cut cable maintains a steady pull on the
carriage assembly from the column. This tension
keeps the assembly at the column, unless you
squeeze the switch trigger in the handle. The switch
trigger activates the motor to counter the pull of the
cable.
After a cut is completed, press the switch on the arm
off, then release the switch trigger to prevent further
forward motion. Hold the handle until the blade has
stopped rotating. The yoke assembly will not roll
forward unless you are squeezing the switch trigger.
The control cut power cord is designed to operate on
a single voltage AC circuit. The speed can be set with
a thumbwheel on top of the handle. The three speed
settings are described on the label located on the left
side of the control cut housing.
_ WARNING: Do not use the saw without the
control cut and blade guards in place unless
specifically instructed to do so. Otherwise
uncontrolled contact with the blade could occur,
resulting in personal injury.
_ WARNING: Take great care when working with
either cord to ensure you have the correct one. If
you intend to unplug the main power cord but
remove the control cut cord instead, the
blade could be accidentally started and cause
injury.
• Plug in the control cut cord, leaving the main power
cord disconnected. Squeeze the switch trigger to
confirm the control cut motor is receiving power.
• On the left side of the saw, remove the carriage
lock knob and spring. Remove the two screws that
attach the carriage cover and remove the cover.
• Replace the spring and carriage lock knob. Pull the
carriage assembly about halfway to the front.
Tighten the carriage lock knob.
• Squeeze the switch trigger in the handle with your
right hand and pull the spring loaded cable from the
column with your left hand. If you prefer to use a
pair of pliers, do not damage the cable. Note: Do
not to let the spring loaded cable clamp slip out of
your hand or pliers. If it slips past the cable bracket
and goes up into the control cut motor housing,
then disassembly of the control cut assembly will be
required to get it back out.
• Place the barrel fitting into the socket at the back of
the carriage assembly.
• Remove the carriage lock knob and spring. Replace
the carriage cover and screws, then replace the
spring and carriage lock knob.
• Set the speed thumbwheel, using the chart on the
label. If you are unsure of the proper speed setting,
use the lowest setting.
BARREL
FITTING
CARRIAGE
ASSEMBLY
SOCKET Fig. 33
rRRI:I'SH RN° RADIALSAW 315.273731 40

BASIC OPERATION OF THE RADIAL
ARM SAW
A radial arm saw can be used for straight-line cutting
operations such as cross cutting, ripping, mitering,
beveling, compound cutting, and resawing. It can
make dado or molding cuts with special attachments.
This saw is designed to cut wood and wood composi-
tion products only.
The three-prong plug must be plugged into a match-
ing outlet that is properly installed and grounded
according to all local codes and ordinances. Improper
connection of the equipment can result in electric
shock. Check with an electrician or service personnel
if you are unsure about proper grounding. Do not
modify the plug; if it will not fit the outlet, have the
correct outlet installed by a qualified electrician. Refer
to the Electrical page of this manual.
TYPES OF CUTS
See Figure 34.
The radial saw makes cross cuts parallel with the arm
(across the grain), and rip cuts square to the arm (with
the grain). Each can be made with the blade vertical
or beveled. Instructions for making each kind of cut
are given later in this section.
,_ WARNING: All blades and cutting accessories
must be rated for at least 5,000 rpm to prevent
possible injury.
RIP CUTS
In rip cuts, the yoke is rotated 90 ° left or right and
locked in place. The wood must ride firmly against the
rip fence. There are two orientations of rip cuts - the
in-rip and the out-rip. The in-rip position provides
better visibility. Out-rip cuts can also be made with the
blade beveled.
In an in-rip cut, the yoke is rotated to the left, which
puts the blade in between the column and the motor.
The wood is fed from the right hand side.
In an out-rip cut, the blade is in front of the motor, and
the wood is fed from the left. Out-rip cutting is recom-
mended only when the blade is set 12 in. or more
from the fence.
,_ WARNING: Always make sure the blade guard
and anti-kickback pawls are in place and working
properly when making rip cuts to avoid possible
injury.
,_iL WARNING: Always use a pushstick with small
pieces of wood, and also to finish the cut when
ripping a long narrow piece of wood, to prevent
your hands from getting close to the blade.
Q _ _CROSS CUT
CROSS CUTS
Cross cuts are made parallel to the arm. The blade is
pulled along the length of the radial arm with the wood
secured.
There are several types of cross cuts. A cross cut
shows 0° on the miter scale (arm straight) and 0° on
the bevel scale (blade straight). A miter cut is made
with the radial arm angled and the blade straight. A
bevel cut is produced with the arm straight and the
blade angled.
A final type of cross cut is the compound cross cut. 4_
Both the arm and the blade are angled. Be thoroughly
familiar with making cross cuts, bevel cuts, and miter
cuts before trying a compound miter cut.
Note: In cross cuts, the blade teeth point down as t_
they strike the wood. In rip cuts, the teeth point
up as they strike the wood.
,_k WARNING: NEVER make a cross cut with the
short edge of the wood parallel to the fence. Kick
back is likely to occur, causing the workpiece to
be thrown back at you. Treat such a workpiece
as a rip cut.
__ MITERCUT
®
BEVELCUT
_ COMPOUNDCROSSCUT
RIPCUT
____BEVEL RIPCUT
Fig. 34
41 CR_I:TSHRN° RADIALSAW315.273731

SWITCH AND SWITCH KEY
See Figures 35-37.
The main power switch has been placed on the front
of the arm for easy access. The yellow switch key
prevents accidental starting of the main power switch
when saw is not being used. To activate the switch,
insert the switch key and lift switch to ON position. To
lock the switch once it has been pressed to OFF,
remove the yellow key. Place the key in a location that
is inaccessible to children and others not qualified to
use the tool.
CAUSES OF KICKBACK
Kickback can occur when the blade stalls or binds,
kicking the workpiece back toward you with great
force and speed. If your hands are near the blade,
they may be jerked loose and contact the blade.
Obviously, kickback can cause serious injury and it is
well worth using precautions to avoid the risks.
Kickback can be caused by any action that pinches
the blade in the wood, such as the following:
• Making a cut with incorrect blade depth
• Sawing into knots or nails in the workpiece
• Twisting the wood while making a cut
• Failing to support work
• Forcing a cut
• Cutting warped or wet lumber
• Misusing the saw
• Not following correct operating procedures
• Using the wrong blade for the type of cut
• Cutting with a dull, gummed-up, or improperly set
blade.
AVOIDING KICKBACK
• Always use the correct blade depth setting. The
outer point of the blade teeth should clear the lower
surface of the workpiece by 1/8 in. to 1/4 in. when
making these cuts.
• Inspect the work for knots or nails before beginning
a cut. Knock out any loose knots with a hammer.
Never saw into a loose knot or nail.
• Always use the fence when rip cutting. This helps
prevent twisting the wood in the cut.
• Always use clean, sharp, and properly-set blades.
Never make cuts with dull blades.
• To avoid pinching the blade, support the work
properly before beginning a cut.
• When making a cut, use steady, even pressure.
Never force cuts.
L_
INSERTSWITCHKEY
Fig. 35
SWITCHON Fig. 36
SWITCHOFF Fig. 37
• Do not cut wet or warped lumber.
• Always hold your workpiece firmly with both hands
or with pushsticks. Keep your body in a balanced
position to be ready to resist kickback should it
occur. Never stand directly in line with the blade.
• Use the right type of blade for the cut being made.
• Use the riving knife and anti-kickback pawls when
performing rip cuts.
GRRFTSHRN°RADIALSAW 315.273731 42

CUTTING AIDS
See Figures 38-40.
Cutting aids are used to improve the setup and help
make the operator's work safer and more accurate.
They can be made from scrap wood and in various
sizes and shapes for specific projects.
The basic types are pushsticks, pushblocks, and
featherboards. If the blade is set 2 in. or more from
the fence, use a pushstick. Use a pushblock when the
blade is between 1/2 in. and 2 in. from the fence. (If
the cut is narrower than 1/2 in., use a different saw.)
Refer to the drawings and instructions provided so
you can make safer and more precise cuts.
PUSHSTICKS
See Figure 38.
Pushsticks must be narrower than the workpiece, with
a 90° notch in one end and shaped for a grip on the
other end.
PUSHBLOCKS
See Figure 39.
A pushblock has an upright handle with a base
attached to the handle. Some pushblocks have a foot
that extends down from the base and against the
workpiece. The foot is attached to the base with glue
only to prevent damage to the blade.
FEATHERBOARDS
See Figure 40.
Featherboards are used for large panels, along with
an auxiliary table and a C-clamp. A featherboard has
an angled end to fit against the edge of the workpiece.
It is clamped in place so the workpiece moves be-
tween either the fence and the featherboard or the
table and featherboard. Slots in the end of the
featherboard help resist kickback and allow for
variations in the width of the workpiece.
_ WARNING: Clamp the featherboard against the
infeed side of the workpiece. If clamped behind
the blade, it could squeeze the cut edges
together, causing binding and kickback. Kickback
can cause serious injury.
PUSHSTICKS Fig. 38
4;;>4;>
PUSHBLOCKS Fig. 39
FEATHERBOARD Fig. 40
Note: The Pushstick designs above are for illustration
purposes only. They have not been drawn to
scale.
43 CRRFTSMIqN° RADIALSAW315.273731

MAKING A CROSS CUT
See Figure 41.
Use this procedure to make a cut with the blade
vertical and straight forward. If a kerf does not exist for
the line of the cut (cutting path), follow the steps to
make one. Each cutting path requires its own kerf.
,_ WARNING: Make sure the blade guard is
lowered and is working properly to prevent
possible injury. Always raise the clear plastic
guard before changing the bevel or lowering the
blade to avoid damage to the guard.
,_ WARNING: Keep one hand on the handle until
the blade stops rotating to prevent the risk of
injury.
• Put the fence in the front position (next to the front
table) and tighten the table clamps.
• Check that the control cut device is set for the
correct speed for the type of wood and cut you are
planning. Refer to the chart on the label and adjust
the thumbwheel on the handle accordingly.
• If the yoke is not in the cross cut position with the
blade parallel to the arm, release the yoke lock
handle (right side, under yoke). Position the yoke
correctly with the yoke pivot latch.
• If the arm is too low or too high, first lift the blade
guard if the arm is too low, and turn the elevating
handwheel at the front of the table. Set the blade to
just clear the kerf or table.
• If the arm is angled, release the arm lock knob on
top of the arm, position it straight ahead and lock
the arm lock knob.
• If the blade is angled, raise the plastic lower guard,
release the bevel lock lever, and set the bevel
indicator to zero. Retighten the bevel lock lever.
• If the blade is in front of the fence, loosen the
carriage lock knob on the left side of the arm.
Release the switch trigger and let the carriage
return to the back.
• If there is no kerf, cut one approximately 1/16 in.
deep. Grasp the handle and turn the saw on with
the switch on the arm. Squeeze the switch trigger
on the handle and pull the blade forward across the
table to make the kerf.
• Release the switch trigger and let the carriage
return to the back. Turn the saw off with the switch
on the arm but hold the handle until the blade stops
rotating. Adjust the height with the elevating
handwheel so the blade will rotate freely in the kerf.
• Position the workpiece against the fence. Place the
pawls and riving knife to clear the workpiece or the
fence, whichever is higher, by at least 1/4 inch.
• Grasp the handle with one hand. With the other,
turn the saw on, then hold the workpiece down and
against the fence. Keep your hand well away from
the blade.
• Squeeze the switch trigger on the handle and pull
the blade through the workpiece but only far
enough to complete the cut. Keep your hand on the
handle, even after the cut has been made and the
saw turned off, until the blade stops rotating.
• After completing the cut, move the workpiece to the
side and turn off the saw with the switch on the
arm. Release the switch trigger on the handle and
let the yoke move back behind the fence. Do not
release the handle until the blade stops rotating.
ARM LOCK
HANDLE
CARRIAGE
LOCKKNOB
TABLECLAMPS
SWITCH
HANDLE BEVEL
:K LEVER
CROSSCUT
RIVINGKNIFE
ELEVATING
HANDWHEEL
Fig. 41
CRRFTSMRN_RADIALSAW315.273731 44

MAKING A MITER CUT
See Figure 42.
In a miter cut, the blade is vertical and the arm
angled. If a kerf does not exist for the cutting path,
make one (instructions below). Each cutting path
requires its own kerf.
,_ WARNING: Make sure the blade guard is
lowered and is working properly to prevent
possible injury. Always raise the clear plastic
guard before changing the bevel or lowering the
blade to avoid damage to the guard.
,_ WARNING: Keep one hand on the handle until
the blade stops rotating to prevent the risk of
injury.
• Put the fence in the front position (next to the front
table) and tighten the table clamps.
• Check that the control cut device is set for the
correct speed for the type of wood and cut you are
planning. Refer to the chart on the label and adjust
the thumbwheel on the handle accordingly.
• If the yoke is not in the cross cut position with the
blade parallel to the arm, release the yoke lock
handle and position the yoke correctly with the
yoke pivot latch on the right side of the arm.
• If the arm is too low or too high, first lift the blade
guard if the arm is too low, and turn the elevating
handwheel at the front of the table. Set the blade to
just clear the kerf or table.
• To set the angle of the arm, release the arm lock
knob on top of the arm. Use the miter scale above
the column to position the arm to the desired angle,
and lock the arm lock knob.
• If the blade is angled, raise the plastic lower guard,
release the bevel lock lever, and set the bevel
indicator to zero. Retighten the bevel lock lever.
ERCUT
ELEVATING
HANDWHEEL
• If the blade is in front of the fence, loosen the
carriage lock knob on the left side of the arm and
let the carriage move back.
• If there is no kerf, cut one approximately 1/16 in.
deep. Grasp the handle and turn the saw on with
the switch on the arm. Squeeze the switch trigger
on the handle and pull the blade forward across the
table to make the kerf.
• Release the switch trigger and let the carriage
return to the back. Turn the saw off with the switch
on the arm but hold the handle until the blade stops
rotating. Adjust the height with the elevating
handwheel so the blade will rotate freely in the kerf.
• Position the workpiece against the fence. Place the
pawls and riving knife to clear the workpiece or the
fence, whichever is higher, by at least 1/4 inch.
• Grasp the handle with one hand. With the other,
turn the saw on, then hold the workpiece down and
against the fence. Keep your hand well away from
the blade.
• Squeeze the switch trigger and pull the blade
through the workpiece but only far enough to
complete the cut. Keep your hand on the handle,
even after the cut has been made and the saw
turned off, until the blade stops rotating.
• After completing the cut, move the workpiece to the
side and turn off the saw with the switch on the
arm. Release the switch trigger and let the yoke
move back behind the fence. Do not release the
handle until the blade stops rotating.
ARM
LOCKKNOB
MITERSCALE
SWITCH
CARRIAGE
LOCK
YOKE
PIVOTLATCH
YOKELOCK
HANDLE
BLADEGUARD
BEVEL
INDICATOR
BEVEL
LOCKLEVER
TABLE
CLAMP
Fig. 42
45 CRRFTSHRN° RADIALSAW315.273731

MAKING A BEVEL CUT
See Figure 43.
This procedure makes a cut with the blade and motor
angled and the arm straight (90 ° to fence). If there is
no kerf, follow the steps to make one. Try this cut on
scrap wood before cutting your workpiece.
,_ WARNING: Make sure the blade guard is
lowered and is working properly to prevent
possible injury. Always raise the clear plastic
guard before changing the bevel or lowering the
blade to avoid damage to the guard.
,_ WARNING: Keep one hand on the handle until
the blade stops rotating to prevent the risk of
injury.
• Put the fence in the front position (next to the front
table) and tighten the table clamps.
• Check that the control cut device is set for the
correct speed for the type of wood and cut you are
planning. Refer to the chart on the label and adjust
the thumbwheel on the handle accordingly.
• If the yoke is not in the cross cut position with the
blade parallel to the arm, release the yoke lock
handle and position the yoke correctly with the yoke
pivot latch on the right side of the arm.
• If the arm is too low or too high, first lift the blade
guard if the arm is too low, and turn the elevating
handwheel at the front of the table. Set the blade to
just clear the kerf or table.
• If the arm is angled, release the arm lock knob on
top of the arm, position it straight ahead and lock
the arm lock knob.
• If the blade is in front of the fence, loosen the
carriage lock knob on the left side of the arm.
Release the switch trigger on the handle and let the
carriage return to the back.
• To set the blade angle, first raise the plastic lower
guard. Release the bevel lock lever, and position
the blade with the bevel index lever. Retighten the
bevel lock lever.
Note: For a 45 ° or 90 ° angle, the bevel index lever will
seat automatically at the preset positive stop
positions. For any other angle, use the bevel
lock lever.
• If there is no kerf, cut one approximately 1/16 in.
deep. Grasp the handle and turn the saw on with
the switch on the arm. Squeeze the switch trigger
on the handle and pull the blade forward across the
table to make the kerf.
• Release the switch trigger and let the carriage
return to the back. Turn the saw off with the switch
on the arm but hold the handle until the blade stops
rotating. Adjust the height with the elevating
handwheel so the blade will rotate freely in the kerf.
• Position the workpiece against the fence. Place the
pawls and riving knife to clear the workpiece or the
fence, whichever is higher, by at least 1/4 inch.
• Grasp the handle with one hand. With the other
hand, turn the saw on, then hold the workpiece
down and against the fence. Keep your hand well
away from the blade.
• Squeeze the switch trigger on the handle and pull
the blade through the workpiece but only far
enough to complete the cut. Keep your hand on the
handle, even after the cut has been made and the
saw turned off, until the blade stops rotating.
• After completing the cut, move the workpiece to the
side and turn off the saw with the switch on the
arm. Release the switch trigger on the handle and
let the blade move back behind the fence. Do not
release the handle until the blade stops rotating.
BEVELEDCUT
ARM_
LOCKKNOB
SWITCH
HANDLE
RIVING
KNIFE
YOKELOCK
HANDLE
ELEVATING
HANDWHEEL
Fig. 43
CRAFfSMRN_RADIALSAW 315.273731 46

MAKING A COMPOUND CROSS CUT
See Figure 44.
In this cut, both the blade and the arm are angled. Be
familiar with both bevel and miter cuts before making
a compound cut. Practice on scrap wood.
,_ WARNING: Make sure the blade guard is
lowered and is working properly to prevent
possible injury. Always raise the clear plastic
guard before changing the bevel or lowering the
blade to avoid damage to the guard.
,_ WARNING: Keep one hand on the handle until
the blade stops rotating to prevent the risk of
injury.
• Put the fence in the front position (next to the front
table) and tighten the table clamps.
• Check that the control cut device is set for the
correct speed for the type of wood and cut you are
planning. Refer to the chart on the label and adjust
the thumbwheel on the handle accordingly.
• If the yoke is not in the cross cut position with the
blade parallel to the arm, release the yoke lock
handle and position the yoke correctly with the yoke
pivot latch on the right side of the arm.
• If the arm is too low or too high, first lift the blade
guard if the arm is too low, and turn the elevating
handwheel at the front of the table. Set the blade to
just clear the kerf or table.
• To set the angle of the arm, release the arm lock
knob on top of the arm. Use the miter scale above
the column to position it to the desired angle, and
lock the arm lock knob.
• To set the blade angle, first raise the plastic lower
guard. Release the bevel lock lever, and position
the blade with the bevel index lever.
• Retighten the bevel lock lever.
Note: For a 45 ° or 90 ° angle, the bevel index lever will
seat automatically at the preset positive stop
positions. For any other angle, use the bevel
lock lever.
• If the yoke is in front of the fence, loosen the
carriage lock knob on the left side of the arm.
Release the switch trigger on the handle and let the
carriage return to the back.
• If there is no kerf, cut one approximately 1/16 in.
deep. Grasp the handle. Turn the saw on with the
switch on the arm. Squeeze the switch trigger and
pull the blade forward to make the kerf.
• Release the switch trigger and let the carriage
return to the back. Turn the saw off with the switch
on the arm but hold the handle until the blade stops
rotating. Adjust the height with the elevating
handwheel so the blade will rotate freely in the kerf.
• Position the workpiece against the fence. Place the
pawls and riving knife to clear the workpiece or the
fence, whichever is higher, by at least 1/4 inch.
• Grasp the handle with one hand. With the other
hand, turn the saw on, then hold the workpiece
down and against the fence. If necessary, slightly
raise the outer blade guard for clearance. Keep
your hand well away from the blade.
• Squeeze the switch trigger and pull the blade
through the workpiece but only far enough to
complete the cut. Keep your hand on the handle,
even after the cut has been made and the saw
turned off, until the blade stops rotating.
• After completing the cut, move the workpiece to the
side and turn off the saw with the switch on the
arm. Release the switch trigger and let the yoke
move back behind the fence. Do not release the
handle until the blade stops rotating.
MITERSCALE
ARM
LOCK
SWITCH
YOKE
PIVOTLATCH
YOKELOCK
HANDLE
BEVELLOCK
LEVER
CLAMPS
BEVELED AND
ELEVATING
HANDWHEEL
47
Fig. 44
CRRFTSMRN° RADIALSAW315.273731

RiP CUT HAZARDS AND PRECAUTIONS
Two hazards are specifically associated with rip
cutting: outfeed zone and wrong way feed.
In the outfeed zone (behind the blade), the blade
teeth point down. The slightest contact while the blade
is still spinning can snag clothing, jewelry, the work-
piece, or even skin, causing serious personal injury.
Wrong way feed occurs when the workpiece contacts
the blade from the outfeed side. It is very hazardous
and will jerk the workpiece violently. You could be cut
if you are holding the workpiece.
_11 WARNING: Failure to observe any of these
precautions can result in serious injury.
• The first precaution is, of course, simply to stay
completely away from the outfeed zone. Keep
hands away from the outfeed zone.
• Point the anti-kickback pawls away from the blade
teeth to snag a workpiece if the blade grabs. They
should be positioned to rest lightly on the
workpiece. The flat side of the pawls should be
level and horizontal.
• Set the riving knife to just clear the table.
• Set the hold down in front of the blade to just clear
the workpiece.
• Start and finish your cut from the infeed side.
• Push the workpiece past the pawls with push-
blocks and pushsticks to finish the cut.
• If the blade jams, turn the saw off with the switch
on the arm, remove the yellow key, and wait for the
blade to fully stop before freeing it.
• Make sure the blade is parallel to the fence and the
workpiece is not warped or twisted.
• Make sure no pressure is applied to the workpiece
on the outfeed side.
• Make sure the blade guard is lowered and is
working properly.
• Always set up the workpiece so the wider part of
the wood is between the blade and the fence. This
stabilizes the workpiece better.
• Do not release the workpiece until it has moved
past the pawls. Keep pushsticks firmly in place.
• Use pushsticks and pushblocks, not your hands,
when the trailing edge of the workpiece is within
3 in. of the blade. If the blade is set 2 in. or more
from the fence, use a pushstick. Use a pushblock
and auxiliary fence when the blade is between 2 in.
and 1/2 in. from the fence. (If the cut is narrower
than 1/2 in., use a different saw.) For large panel
rip cuts, use a featherboard instead of pushblocks
or pushsticks. See the section on Cutting Aids.
SETTING UP A RiP CUT
See Figure 45.
A precise and safe rip cut requires a careful set up.
Before setting up for in-rip or out-rip, especially for a
bevel cut, try the workpiece in both placements.
Check for stability, visibility, and control. Test which
will give the best pushstick clearance.
Instructions are given for an in-rip cut. At certain
points, the instructions will vary for a bevel rip cut or
an out-rip process and will be enclosed in parenthe-
ses (example). Figure 40 shows an out-rip setup.
• Insert a solid fence with no kerfs. Use an auxiliary
fence if the blade will be set only 1/2 in. to 2 in.
from the fence. Tighten the table clamps.
• If the arm is too low or too high, first lift the blade
guard if the arm is too low, and turn the elevating
handwheel at the front of the table. Set the blade to
just clear the kerf or table.
• Change the blade angle if needed. Raise the plastic
lower guard to keep it from jamming, release the
bevel lock lever, and set the bevel indicator to zero.
(For a bevel rip cut, set the bevel indicator to
the desired angle.) Test the clearance on the
guard. Retighten the bevel lock lever.
RIPCUT
SWITCH
HOLDDOWN
ELEVATING
HANDWHEEL
INFEEDFOR
IN RIPCUTTING
Fig. 45
CRAFTSMRN_RADIALSAW 315.273731 48

• Put the blade in the in-rip position between the
motor and the column. Release the yoke lock
handle and pivot the yoke to the left, with the yoke
pivot latch on the right side of the arm. (Use the
out-rip position only for rips 12 in. or more in
width; pivot the yoke to the right so the motor
is between the blade and column.)
• Loosen the carriage lock knob. Place the blade the
right distance from the fence for the cut and lock
the knob.
• Cut a kerf. Turn the saw on with the switch on the
arm. Lower the blade about 1/16 in. into the table to
cut a shallow groove. Turn the saw off and remove
the yellow key.
• Position the workpiece against the blade, from the
front of the table. Lower the hold-down in front of
the blade to just clear the workpiece. (For a bevel
rip cut, place the workpiece directly under the
guard rather than beside the blade.)
• Loosen the pawls and riving knife. Lower the riving
knife to the table. Slide the workpiece back and
lower the pawls so that one set rests on the work-
piece. Lock the riving knife and pawls in place. (For
a bevel rip cut, place the workpiece under the
lower set of pawls.)
• Remove the workpiece from the table. Set the push
block, featherboard, or pushstick nearby.
• Set up table extension(s) and supports.
,_ WARNING: Never use a person to support
workpieces. This can cause kickback and
serious injury. Never have someone stand at the
outfeed side.
MAKING A RIP CUT
See Figure 46.
• Review the Hazards and Precautions page.
• Do not make a rip cut without following all the setup
steps in the previous procedure.
• After the saw has been set up, insert the yellow
key, and turn the saw on with the switch on the
arm. Let the blade build up to full speed.
• Stand at the infeed side of the blade and out of the
line of the workpiece, in case kickback occurs.
,_ WARNING: Never stand directly in the line of
cut. Stand to the side to reduce the chance of
injury should kickback occur. Start and finish the
cut from the infeed side.
• With the hand closest to the fence, push the
workpiece under the hold down and into the blade.
• Keep your other hand on the table and steady the
workpiece against the fence. Keep that hand at
least 8 in. from the blade.
• If the blade cover does not automatically rise as
the workpiece moves from the infeed to the out-
feed side, stop the cut. Turn off the saw and adjust
the blade cover so it rests on the workpiece.
• When the end of the workpiece is still several
inches from the blade, pick up the cutting aid you
selected earlier. Push the wood with the pushstick
or pushblock rather than your hand.
WARNING: Use a pushstick as the end of the
workpiece nears the blade to reduce the risk of
injury.
• Push the wood completely through the blade to the
outfeed, past the pawls.
• When the work is completed, press the switch off
and remove the key.
___ RIPCUT
SWITCH
ANTI-KICKBACK
PAWLS
INFEEDFOR
OUTRIPCUTTING BLADE
Fig. 46
49 CR_FTSMRN° RADIALSAW315.273731

MAKING OTHER CUTS
See Figures 47 and 48.
Variations from the basic cuts include cutting long
workpieces and non-through cuts.
When making one of the following cuts, follow the
instructions that apply for the basic cut, depending on
the position, shape, and size of the wood. Do not
attempt these cuts until you are skilled with the basic
cuts.
CUTTING LONG WORKPIECES
See Figure 47.
• Place a support the same height as the saw table
nearby for the cut work.
,_k WARNING: Make sure the blade guard is
lowered and is working properly to prevent
possible injury.
WARNING: Never put your hands within 3 in. of
the blade when it is on.
• Make sure the wood does not touch the blade
before you turn on the saw with the switch on the
arm. Let the blade build up to full speed before it
contacts the wood.
• When the work is completed, press the switch off
and remove the key.
SUPPORTLONGWORKPIECES
Fig. 47
GRAFTSMRN°RADIALSAW 315.273731 50

NON-THROUGH CUTS
See Figure 48.
,_ WARNING: Unplug the saw while removing or
replacing the blade guard. Turn on the saw with
the switch on the arm to confirm the blade is not
receiving power.
•Remove the blade and blade guard (see Assembly
section).
• Place a support the same height as the saw table
nearby for the cut work. Lower the blade with the
elevating handwheel.
• Make sure the wood is not touching the blade.
Insert the key and turn on the saw. Let the blade
build up to full speed before contacting the work-
piece.
,_ WARNING: Always use pushblocks when
making non-through rip cuts to avoid the risk of
serious injury. Never feed wood with your hands.
• When the work is completed, press the switch off
and remove the key.
NON-THROUGHCUT
Fig. 48
ControlCut Settings
Crosscut
Wood Setting Feet
Type Position Minute
Hard A0-6
Medium B 0-20
Soft C 0-35
Bevel Crosscut
Wood Setting Feet
Type Position Minute
All Types A0-6
Miter Crosscut
Wood Setting Feet
Type Position Minute
Hard A0=6
Medium B 0-20
Soft C 0-35
Corn}oundCrosscut
Wood Setting Feet
Type Position Minute
AiJTypes A 0=6
51 CR_FTSHRN° RADIALSAW315.273731

GENERAL MAINTENANCE
,_ WARNING: When servicing, use only identical
Craftsman replacement parts. Use of any other
part may create a hazard or cause product
damage.
,_ WARNING: To prevent accidental starting that
could cause possible serious personal injury, turn
off the saw with the switch on the arm, remove
the switch key, and unplug the saw before
working on the radial saw.
• Remove sawdust from the work area, including
inside the blade cover, frequently.
• Remove sawdust from and clean the blade guards
frequently.
• Clean plastic parts with a soft damp cloth. Do not
use any strong solvents.
,_ WARNING: Do not at any time let brake fluids,
gasoline, petroleum-based products, penetrating
oils, etc. contact plastic parts. They contain
chemicals that can damage, weaken or destroy
plastic.
• Check teeth of anti-kickback pawls; sharpen with
file if needed.
• Regularly check all nuts, bolts, screws, and cables
for tightness and condition.
MOTOR/ELECTRICAL
• Frequently vacuum or blow out any sawdust from
the work areas.
,_ WARNING: If the power cords are worn, cut, or
damaged in any way, have them replaced
immediately by a qualified service technician at a
Sears store or repair center. Failure to do so
could result in serious personal injury.
_ WARNING: To avoid fire or electrocution,
reassemble electric parts only with identical
Craftsman replacement parts. Reassemble
exactly as originally assembled.
rRRFT,_MRN' RADIALSAW 315.273731 52

PROBLEM CAUSE SOLUTION
Saw does not start. 1. Motor cord or control-cut cord is 1. Plug in cord.
not plugged in.
2. Cord or switch is damaged. 2. Have the cord or switch re-
placed at your nearest Sears
Service Center.
3. Circuit fuse is blown. 3. Replace circuit fuse.
4. Circuit breaker is tripped. 4. Reset circuit breaker.
5. Switch is burned out. 5. Have the switch replaced and
request a voltage check from
the power company.
6. Connections are loose, burned
out, or damaged.
6. Have the wiring checked and
repaired. Request voltage check
from power company.
Motor does not reach full speed or 1. Voltage from source is low.
power.
1. Request a voltage check from
the power company.
2. Circuit is overloaded with other
appliances or motors.
2. Test without any other motors
and on different circuit.
3. Motor windings are burned out. 3. Have the windings replaced and
request a voltage check from
the power company.
4. Fuses or circuit breakers are
wrong size.
4. Have an electrician replace with
a 15 amp fuse or circuit breaker.
5. Extension cord is too long. 5. Use a shorter cord.
6. Starter switch is defective. 6. Have the switch replaced.
Motor stalls, blows fuses, or trips
circuit breakers.
1. Starter switch is defective.
2. Voltage from source is low.
1. Have the switch replaced.
2. Request a voltage check from
the power company.
3. Fuses or circuit breakers are
wrong size or defective.
3. Have an electrician replace with
a 15 amp fuse or circuit breaker.
Motor overheats. 1. Motor is overloaded. 1. Request a voltage check from
the power company.
2. Windings are burned out. 2. Have the windings replaced and
request a voltage check from
the power company.
3. Work is being fed too fast. 3. Feed work slower.
53 CRR_I',_MR_° RADIALSAW315.273731

PROBLEM CAUSE SOLUTION
Saw vibrates excessively. 1. Blade is warped. 1. Replace the blade. See the
removal procedure in Assembly
section.
2. Saw is not mounted securely. 2. Tighten all hardware.
3. Work surface is uneven. 3. Reposition on a flat surface.
Adjust the leveling feet on legs.
Saw is noisy when running. 1. Motor needs attention. 1. Have the motor checked at
your nearest Sears Service
Center.
Carriage does not travel smoothly
in track under arm. 1. Track is dirty or sticky. 1. Clean track. See Installing
Carriage Assembly in Assem-
bly section.
2. Carriage bearings are bad. 2. Replace carriage bearings.
Contact your nearest Sears
service center.
3. Blade or teeth are dull or bent. 3. Sharpen or replace the blade.
See the removal procedure in
Assembly section.
4. Blade is out of alignment. 4. Use blade alignment proce-
dures in Adjustment section.
5. Board is warped. 5. Replace the board.
Saw stalls when ripping. 1. Blade or teeth are dull or bent. 1. Sharpen or replace the blade.
See the removal procedure in
Assembly section.
2. Fence is not straight. 2. Check with square; sand or
replace.
3. Work is being fed too fast. 3. Feed work into blade slower.
4. Wrong blade is being used. 4. Change the blade.
5. Column tube is too loose in the
column support.
5. See Adjusting the Column
Tube in Assembly section.
6. Arm is misaligned or loose. 6. See Setting the Arm Lock
Wheel in the Assembly section.
7. Yoke is loose on carriage. 7. See Setting the Yoke Clamp
procedure in Assembly section.
8. Sawdust has accumulated
between tables. 8. Remove and clean tables.
rRRFT,_MRN° RADIALSAW 315.273731 54

PROBLEM CAUSE SOLUTION
Handwheel is hard to turn or 1. Sawdust has collected on the 1.
column binds, elevating shaft.
Saw burns or scores edges of
wood in cut.
Bevel cuts are not true.
2. Column is out of alignment. 2.
1. Column tube is too loose in the
column support.
2. Blade or teeth are bent or dull. 2.
3. Blade is out of alignment. 3.
4. Wrong blade is being used. 4.
5. Board is warped. 5.
6. Arm is loose or misaligned. 6.
7. Yoke is loose on carriage. 7.
8. Arm is out of alignment. .
9. Work is being fed too fast. 9.
1. Bevel lock lever is loose. 1.
2. Blade is not perpendicular to 2.
table top.
3. Column tube is too loose in the 3.
column support.
4. Table top is not parallel to the 4.
arm.
5. Yoke is loose on carriage. 5.
6. Arm is out of alignment. .
Remove handwheel; clean and
lubricate the shaft.
See Adjusting the Column
Tube in Assembly section.
See Adjusting the Column
Tube in Assembly section.
Sharpen or replace the blade.
See the removal procedure in
Assembly section.
Use blade alignment proce-
dures in Adjustment section.
Change blade. See the removal
procedure in Assembly section.
Replace the board.
See Setting the Arm Lock
Wheel in the Assembly section.
See Setting the Yoke Clamp
procedure in Assembly section.
See Aligning Arm for Cross
Cuts in Adjustments section.
Feed work into blade slower.
See Setting the Bevel Lock
Lever in Assembly section.
See Aligning the Blade to the
Table in Adjustments section.
See Adjusting the Column
Tube in Assembly section.
See Leveling Table Supports
and Leveling the Front Table in
the Assembly section.
See Setting the Yoke Clamp
procedure in Assembly section.
See Aligning Arm for Cross
Cuts in Adjustments section.
55 CRRFTSMRN_ RADIALSAW315.273731

PROBLEM CAUSE SOLUTION
Miter or cross cuts are not true. 1. Scale pointer is not correct. 1. Reset the pointer at the top
rear of arm.
2. Column is out of alignment. 2. See Adjusting the Column
Tube in Assembly section.
3. Carriage is misaligned. 3. See Setting the Arm Lock
Wheel in the Assembly section.
4. Yoke is loose on carriage. 4. See Setting the Yoke Clamp
procedure in Assembly section.
5. Arm is out of alignment. 5. See Aligning Arm for Cross
Cuts in Adjustments section.
6. Sawdust has collected between
tables.
6. Remove and clean tables.
7. Table top is not parallel to the
arm. 7. See Leveling Table Supports
and Leveling the Front Table in
the Assembly section.
8. Fence/tables are not straight. 8. Check with square; sand or
replace.
Wood edges away from fence
when ripping.
1. Blade is not parallel with fence. 1. See Squaring the Blade to the
Fence procedure in the Adjust-
ments section.
2. Arm is not perpendicular to
fence. 2. See Aligning the Arm for Cross
Cuts procedure in the Adjust-
ments section.
3. Riving knife needs adjustment. 3. See Aligning the Riving Knife to
the Blade procedure in the
Adjustments section.
Depth of cut varies from one end
of wood to the other. 1. Table is not parallel to arm. 1. See Leveling Table Supports
and Leveling the Front Table in
the Assembly section.
2. Column tube is loose in column 2. See Adjusting the Column
support. Tube in Assembly section.
3. Arm is loose or misaligned. 3. See Setting the Arm Lock
Wheel in the Assembly section.
Riving knife strikes wood during a
cut. 1. Riving knife not aligned with 1. See Aligning the Riving Knife to
blade, the Blade procedure in the
Adjustments section.
rRRFT,_MRN° RADIALSAW 315.273731 56

PROBLEM CAUSE SOLUTION
Saw blade tends to push wood to 1. Blade is heeling.
one side when cross cutting.
2. Column tube is loose in column
support.
3. Arm is loose or misaligned.
4. Fence/tables are not straight.
5. Blade or teeth are bent or dull.
1. See Squaring the Blade to the
Fence in Adjustments section.
2. See Adjusting the Column
Tube in Assembly section.
3. See Setting the Arm Lock
Wheel in the Assembly section.
4. Check with square; sand or
replace.
5. Sharpen or replace the blade.
See the removal procedure in
Assembly section.
57 CI_I_FTSMR_I° RADIALSAW315.273731

•CRAFTSMAN RADIAL ARM SAW- MODEL NO. 315.273731
IThe model number will be found on a plate attached to the base. Always mention the model number in all correspondence regarding your RADIAL |
!
ARM SAW or when ordering repair parts. l
22 28
17
SEE FIGURE J
21
18 12 11
I0
1
47
29 3O
SEE FIGURE I
33 34
®37 36
SEE FIGURESF AND G
35
28
FIGURE A

•CRAFTSMAN RADIAL ARM SAW- MODEL NO. 315.273731
I The model number will be found on a plate attached to the base. Always mention the model number in all correspondence regarding your RADIAL |
!
ARM SAW or when ordering repair parts. J
KEY PART
NO. NUMBER
1 976830-001
2 ** STD611006
3 981161-001
4 976793-001
5 981163-001
6 976786-001
7 976834-002
8 ** STD511103
9 989001-002
10 ** STD600803
11 976342-001
12 ** STD551037
13 ** STD541437
14 967917-001
15 990908-009
16 976384-001
17 ** STD511103
18 621380-007
19 976328-001
20 624282-003
21 981137-001
22 976829-001
23 ** STD511105
24 976344-001
PARTS LIST FOR FIGURE A
DESCRIPTION QUAN.
Lower Arm Cover ........................................ 1
* Screw (10-16 x 5/8 in. Pan Hd.) ................. 4
Cord Label (Control Cut Power Cord) ........ 1
Control Cut Power Cord ............................. 1
Cord Label (Motor Power Cord) ................. 1
Motor Power Cord ...................................... 1
* Bolt (3/8-16 x 2-1/4 in. Sq. Hd.) ................. 2
* Screw (10-32 x 3/8 in. Pan Hd.) ................. 1
Cable Clamp ............................................... 2
* Screw (8-32 x 3/8 in. Pan Hd. 1-.C.) ........... 4
Arm Bearing ............................................... 2
* Washer (3/8 in.) .......................................... 4
* Lock Nut (3/8-16) ........................................ 2
Cord Clamp ................................................ 2
* Screw (6-19 x 5/8 in. Pan Hd.) ................... 4
Rear Cover ................................................. 1
* Screw (10-32 x 3/8 in. Pan Hd.) ................. 3
* Screw (3/8-16 x 2-1/8 in. Hex Hd. Locking) .. 2
Arm Cover Pad ........................................... 1
Square Nut (3/8-16) .................................... 2
Control Cut Warning ................................... 1
Upper Arm Cover ........................................ 1
* Screw (10-32 x 1/2 in. Pan Hd.) ................. 2
Miter Cap .................................................... 1
KEY PART
NO. NUMBER DESCRIPTION QUAN.
25 976354-001
26 980532-001
27 980447-001
28 641700-008
29 981135-001
30 981153-001
31 976393-001
32 981165-001
33 981169-001
34 981145-001
35 981147-001
36 976331-001
37 981149-001
38 976863-001
39 ** STD510803
40 976862-002
41 ** STD551131
42 981167-001
43 969220-005
44 976368-001
45 ** STD512505
46 642409-002
47 976369-001
Miter Indicator ............................................. 1
Miter Scale Label ........................................ 1
Strain Relief ................................................ 2
* Screw (10-32 x 3/8 in. Pan Hd.) ................. 4
Arm Cover .................................................. 1
Guard Label ................................................ 1
Guard Assembly ......................................... 1
Guard Warning Label ................................. 1
Warning Label ............................................ 1
Miter Lock Label ......................................... 1
Warning Label (Right Side) ........................ 1
Arm Cap ..................................................... 1
Warning Label (Left Side) ........................... 1
Switch Key .................................................. 2
* Screw (8-32 x 3/8 in. Pan Hd.) ................... 1
Switch ......................................................... 1
* Lock Washer (5/16 in.) ............................... 1
Tag .............................................................. 1
* Screw (5/16-18 x 3/8 in. Socket Hd.) ......... 1
Cord Clamp ................................................ 1
* Screw (1/4-20 x 1/2 in. Pan Hd.) ................ 1
* Screw (10-16 x 41/64 in. Pan Hd.) ............. 4
Cable Bracket ............................................. 1
* Standard Hardware Item -- May Be Purchased Locally
** Available From Div. 98 -- Source 980.00

CRAFTSMAN RADIAL ARM SAW- MODEL NO. 315.273731 •
The model number will be found on a plate attached to the base. Always mention the model num- I
ber in all correspondence regarding your RADIAL ARM SAW or when ordering repair parts. I
12 13...
SEE FIGURED
65
4
32
FIGURE B
SEE FIGURE C
60 I:RRFTSMRN _ RADIAL SAW 315.273731

CRAFTSMAN RADIAL ARM SAW- MODEL NO. 315.273731 •
The model number will be found on a plate attached to the base. Always mention the model num- I
ber in all correspondence regarding your RADIAL ARM SAW or when ordering repair parts. I
PARTS LIST FOR FIGURE B
KEY PART
NO. NUMBER DESCRIPTION QUAN.
1 ** STD541031
2 ** STD551131
3 ** STD551031
4 976698-001
5 ** STD551031
6 ** STD551131
7 ** STD541031
8 976339-001
9 976340-001
10 624282-002
11 977249-001
12 ** STD523106
13 976834-001
14 976335-001
15 976334-001
16 976333-001
17 976332-001
18 ** STD551025
19 607737-004
20 989594-003
21 ** STD512510
22 976791-001
23 976792-001
24 ** STD551125
25 ** STD541025
26 977481-001
27 977491-001
28 977229-001
29 940021-008
30 621032-002
31 977227-001
32 981134-000
972000-706
* Hex Nut (5/16-18) .......................................................................... 4
* Lock Washer (5/16 in.) ................................................................... 4
*Washer (5/16 in.) ........................................................................... 8
Table Support ................................................................................. 2
*Washer (5/16 in.) ........................................................................... 4
*Lock Washer (5/16 in.) ................................................................... 4
*Hex Nut (5/16-18) .......................................................................... 4
Clamp Bracket ............................................................................... 2
Clamp Screw ................................................................................. 2
*Square Nut (5/16-18) ..................................................................... 2
Cup Washer (Table Clamp) ............................................................ 2
*Bolt (5/16-18 x 5/8 in. Hex Hd.) ..................................................... 4
*Bolt (5/16-18 x 3/4 in. Sq. Hd.) ...................................................... 4
Front Table ..................................................................................... 1
Fence ............................................................................................. 1
Spacer Table .................................................................................. 1
Rear Table ..................................................................................... 1
*Washer (1/4 in.) ............................................................................. 5
*Screw (1/4-20 x 1-3/4 in. Pan Hd.) ................................................ 1
*Setscrew (1/4-20 x 1-1/4 in.) .......................................................... 1
*Screw (1/4-20 x 1 in. Pan Hd.) ....................................................... 4
Tee Nut .......................................................................................... 1
"U" Clip Nut .................................................................................... 1
*Lock Washer (1/4 in.) ..................................................................... 4
*Hex Nut (1/4-20) ............................................................................ 4
Handle Cap .................................................................................... 1
Screw (M8 x 1-1/4 in. Pan Hd. Slotted) ......................................... 1
Handle ........................................................................................... 1
*Screw (10-24 x 5/8 in. Soc. Hd.) .................................................... 1
*Star Washer (#10) .......................................................................... 1
Handwheel Assembly (Includes Key Nos. 26, 27, and 28) ............ 1
Leg Stand Assembly ...................................................................... 1
Owner's Manual (Not Shown)
* Standard Hardware Item -- May Be Purchased Locally
** Available From Div. 98 -- Source 980.00 #
61 _:RRFTSMRN _ RADIAL SAW 315.273731

•CRAFTSMAN RADIAL ARM SAW- MODEL NO. 315.273731
I The model number will be found on a plate attached to the base. Always mention the model number in all correspondence regarding your RADIAL |
!
ARM SAW or when ordering repair parts. J
10
FIGURE C
10
3
1

•CRAFTSMAN RADIAL ARM SAW- MODEL NO. 315.273731
I The model number will be found on a plate attached to the base. Always mention the model number in all correspondence regarding your RADIAL |
!
ARM SAW or when ordering repair parts. J
PARTS LIST FOR FIGURE C
KEY PART
NO. NUMBER DESCRIPTION QUAN.
1 977242-001
2 976303-001
3 977241-001
4 976306-001
5 ** STD541037
6 ** STD541025
7 621032-010
8 977479-001
9 976304-001
10 976305-001
981134-000
Lower Front/Rear Brace .................................................................................................................................... 2
Leg .................................................................................................................................................................... 4
Lower Side Brace .............................................................................................................................................. 2
Leveling Foot ..................................................................................................................................................... 4
Hex Nut (3/8-16) ................................................................................................................................................ 8
Hex Nut (1/4-20) .............................................................................................................................................. 40
Star Washer (1/4 in.) ...................................................................................................................................... 40
Screw (1/4-20 x 5/8 in. Truss Hd.) ................................................................................................................... 40
Side Brace ......................................................................................................................................................... 2
Front/Rear Brace ............................................................................................................................................... 2
Complete Leg Stand Assembly (Includes Items Listed Above)
* Standard Hardware Item -- May Be Purchased Locally
** Available From Div. 98 -- Source 980.00

CRAFTSMAN RADIAL ARM SAW- MODEL NO. 315.273731 •
The model number will be found on a plate attached to the base. Always mention the model num- I
ber in all correspondence regarding your RADIAL ARM SAW or when ordering repair parts. I
14 15
27--+ ---17
34-<:_
I
26
22 21
23
FIGURE D
64
#
I:RRFTSMRN _ RADIAL SAW 315.273731

CRAFTSMAN RADIAL ARM SAW- MODEL NO. 315.273731 •
The model number will be found on a plate attached to the base. Always mention the model num- I
ber in all correspondence regarding your RADIAL ARM SAW or when ordering repair parts. I
PARTS LIST FOR FIGURE D
KEY PART
NO. NUMBER DESCRIPTION QUAN.
1 981981-001
2 976308-001
3 976386-001
4 976296-001
5 976294-001
6 976293-001
7 976292-001
8 ** STD503705
9 ** STD541031
10 977492-001
11 976289-002
12 976295-001
13 976833-001
14 976290-002
15 615570-022
16 615570-021
17 ** STD523712
18 617264-001
19 615570-020
20 ** STD551137
21 615570-007
22 ** STD541037
23 976301-001
25 976302-001
26 623111-006
27 622141-002
28 976300-001
29 706239-932
30 976299-001
31 623111-001
32 ** STD571450
33 976298-001
34 976297-001
Data Plate ...................................................................................... 1
Base Assembly .............................................................................. 1
* Screw (5/16-18 x 3/4 in. Hex Washer Hd.) .................................... 2
Elevation Nut ................................................................................. 1
Column Assembly .......................................................................... 1
Retaining Ring ............................................................................... 1
Arm Latch ...................................................................................... 1
* Setscrew (3/8-16 x 1/2 in. Soc. Hd.) .............................................. 3
* Hex Nut (5/16-18) ........................................................................ 17
* Locking Cap Screw (1/4-20 x 5/8 in.) ............................................. 2
Support (LH) .................................................................................. 1
Column Tube GIB .......................................................................... 2
Elevating Shaft Assembly .............................................................. 1
Support (RH) .................................................................................. 1
* Bolt (5/16-18 x 2 in. Hex Hd.) ...................................................... 12
* Bolt (5/16-18 x 2 in. Hex Hd.) ........................................................ 2
* Bolt (3/8-16 x 1-1/4 in. Hex Hd.) .................................................... 4
* Washer (3/8 in.) ............................................................................. 8
* Bolt (5/16-18 x 3/4 in. Hex Hd.) ..................................................... 2
* Lock Washer (3/8 in.) ..................................................................... 4
* Bolt (5/16-18 x 1-1/8 in. Hex Hd.) .................................................. 1
* Hex Nut (3/8-16) ............................................................................ 4
Elevating Crank Shaft .................................................................... 1
Bushing .......................................................................................... 1
Retaining Ring ............................................................................... 1
Washer ........................................................................................... 2
Elevating Shaft Bearing ................................................................. 1
Washer ........................................................................................... 2
Bevel Pinion Gear .......................................................................... 1
Retaining Ring ............................................................................... 1
* Lock Nut (1/2-13) ........................................................................... 1
Bevel Gear ..................................................................................... 1
Bearing .......................................................................................... 2
* Standard Hardware Item -- May Be Purchased Locally
** Available From Div. 98 -- Source 980.00
65 I:RRFlrSMRN_RADIALSAW315.273731

CRAFTSMAN RADIAL ARM SAW- MODEL NO. 315.273731 •
The model number will be found on a plate attached to the base. Always mention the model num- I
ber in all correspondence regarding your RADIAL ARM SAW or when ordering repair parts. I
12
14 15 21 22 23
16 19 20 \_
131
18
24
26
FIGURE E
66 I:RRFTSMRN _ RADIAL SAW 315.273731

CRAFTSMAN RADIAL ARM SAW- MODEL NO. 315.273731 •
The model number will be found on a plate attached to the base. Always mention the model num- I
ber in all correspondence regarding your RADIAL ARM SAW or when ordering repair parts. I
PARTS LIST FOR FIGURE E
KEY PART
NO. NUMBER DESCRIPTION QUAN.
1622210-043
2 976323-001
3 976326-002
4 980613-001
5 611114-002
6 706382-834
7 980455-001
8 641180-005
9 976321-001
10 976804-001
11 976314-001
12 976312-001
13 976313-001
14 976310-001
15 976311-001
16 976315-001
17 976316-001
18 ** STD541110
19 976329-001
20 976827-001
21 976330-001
22 931055-006
23 606066-011
24 641180-006
25 ** STD551025
26 976319-001
27 976320-001
28 976322-001
* Screw (10-32 x 5/8 in. Rd. Hd.) ..................................................... 4
Track .............................................................................................. 2
Arm ................................................................................................ 1
Support Bracket ............................................................................. 1
* Screw (10-32 x 1/2 in. Flat Head T. C.) .......................................... 1
Washer ........................................................................................... 2
* Screw (1/4-20 x 5/8 in. Self Tapping Hex Washer Hd.) .................. 6
Push Nut (3/8 in.) ........................................................................... 2
Clevis Pin ....................................................................................... 1
Arm Lock Rod Assembly ................................................................ 1
Guide ............................................................................................. 1
Arm Lock Pawl ............................................................................... 1
Tension Spring ............................................................................... 1
Pin Housing ................................................................................... 1
Arm Index Pin ................................................................................ 2
Index Rod ...................................................................................... 1
Arm Lock Spring ............................................................................ 1
* Hex Nut (10-32) ............................................................................. 1
Arm Knob Lever (Left Hand) .......................................................... 1
Arm Lock LeverAssembly ............................................................. 1
Arm Knob Lever (Right Hand) ....................................................... 1
Washer ........................................................................................... 1
* Screw (10-32 x 2-1/4 in. Pan Hd.) ................................................. 1
Push Nut (1/4 in.) ........................................................................... 1
* Washer (1/4 in.) ............................................................................. 1
Lever Pin ........................................................................................ 1
Pin .................................................................................................. 1
Arm Insulation ................................................................................ 1
* Standard Hardware Item -- May Be Purchased Locally
** Available From Div. 98 -- Source 980.00 #
67 _:RRFTSMRN _ RADIAL SAW 315.273731

CRAFTSMAN RADIAL ARM SAW- MODEL NO. 315.273731 •
The model number will be found on a plate attached to the base. Always mention the model num- I
ber in all correspondence regarding your RADIAL ARM SAW or when ordering repair parts. I
7 8
\
\\
3O
22 31
FIGURE F
SEE FIGURE G
32
\
\\
\"\
\,
33
#
68 I:RRFTSMRN _ RADIAL SAW 315.273731

CRAFTSMAN RADIAL ARM SAW- MODEL NO. 315.273731 •
The model number will be found on a plate attached to the base. Always mention the model num- I
ber in all correspondence regarding your RADIAL ARM SAW or when ordering repair parts. I
PARTS LIST FOR FIGURE F
KEY PART
NO. NUMBER DESCRIPTION QUAN.
1 981151-001
2 976358-001
3 ** STD511105
4 976287-001
5 976348-001
6 ** STD510606
7 976352-001
8 976409-001
9 976286-002
10 976831-001
11 976285-001
12 976337-001
13 976349-001
14 976350-001
15 976353-001
16 976278-001
17 999982-001
18 ** STD541462
19 976385-001
20 620074-001
21 615570-020
22 ** STD551231
23 ** STD551031
24 976345-001
25 976771-001
26 976346-001
27 976288-001
28 976347-002
29 624282-002
30 ** STD541031
31 981141-001
32 976472-001
33 981129-001
34 981131-001
Carriage Lock Label ....................................................................... 1
Carriage Lock Knob ....................................................................... 1
* Screw (10-32 x 1/2 in. Pan Hd.) ..................................................... 4
Carriage Cover (LH) ...................................................................... 1
Rip Scale Indicator ......................................................................... 2
* Screw (6-32 x 5/8 in. Pan Hd.) ....................................................... 4
Speed Nut ...................................................................................... 2
Swivel Latch Spring ....................................................................... 1
Carriage ......................................................................................... 1
Thrust Washer ............................................................................... 8
Carriage Bearing ............................................................................ 4
Washer ........................................................................................... 4
Eccentric Screw ............................................................................. 2
Rip Lock Shoe ............................................................................... 1
Bumper .......................................................................................... 2
Yoke Clamp Stud Assembly ........................................................... 1
Washer ........................................................................................... 2
* Lock Nut (5/8-11) ........................................................................... 1
Sleeve Bearing .............................................................................. 2
* Bolt (5/16-18 Hex Hd.) ................................................................... 2
* Bolt (5/16-18 x 3/4 in. Hex Hd.) ..................................................... 2
* Lock Washer (5/16) ........................................................................ 2
*Washer (5/16 in.) ........................................................................... 2
Spring Bracket ............................................................................... 1
Index Spring ................................................................................... 1
Yoke Pivot Latch ............................................................................ 1
Carriage Cover (RH) ...................................................................... 1
Index Pin Housing .......................................................................... 1
Nut ................................................................................................. 2
*Hex Nut (5/16-18) .......................................................................... 4
Yoke Lock Label ............................................................................. 1
Yoke Lock Handle (Includes Key No. 31 ) ...................................... 1
Switch Label .................................................................................. 1
Warning Label ................................................................................ 1
* Standard Hardware Item -- May Be Purchased Locally
** Available From Div. 98 -- Source 980.00 #
69 I:RRFTSMRN_RADIALSAW315.273731

CRAFTSMAN RADIAL ARM SAW- MODEL NO. 315.273731 •
The model number will be found on a plate attached to the base. Always mention the model num- I
ber in all correspondence regarding your RADIAL ARM SAW or when ordering repair parts. I
15
SEE FIGURE F
14
13
11
10
18
2O
19
SEE FIGURE H
21
22
22
33 25
- _ 2"- -_. -_.
_29
FIGURE G
#
70 I:RRFTSHRN _ RADIAL SAW 315.273731

CRAFTSMAN RADIAL ARM SAW- MODEL NO. 315.273731 •
The model number will be found on a plate attached to the base. Always mention the model num- I
ber in all correspondence regarding your RADIAL ARM SAW or when ordering repair parts. I
PARTS LIST FOR FIGURE G
KEY PART
NO. NUMBER DESCRIPTION QUAN.
1 976773-001
2 976284-001
***
4 976271-001
5 976272-001
6 976273-001
7** STD551037
8** STD541437
9 980310-001
10 976281-001
11 977225-001
12 976268-002
13 981159-001
14 989001-002
15 ** STD511103
16 976279-001
17 976772-001
18 624282-002
19 ** STD511107
20 981157-001
21 976275-001
22 ** STD511105
23 ** STD551131
24 969220-006
25 977250-001
26 976338-001
27 606066-012
28 980522-001
29 976274-002
30 615570-022
31 ** STD551231
32 976832-001
33 976265-001
34 961155-001
35 976267-002
36 ** STD551031
37 976391-001
38 621032-002
39 998991-002
40 977245-001
41 820193-015
42 820193-016
Blade Nut ....................................................................................... 1
Blade Washer ................................................................................ 2
Saw Blade ...................................................................................... 1
Rubber Bushing ............................................................................. 1
Motor Stud ..................................................................................... 1
Motor Cam ..................................................................................... 1
* Washer (3/8 in.) ............................................................................. 1
* Lock Nut (3/8-16) ........................................................................... 1
Motor (Includes key Nos. 1 and 2) ................................................. 1
Index Pin ........................................................................................ 1
Nut (5/16) ....................................................................................... 1
Yoke ............................................................................................... 1
Outfeed Warning Label .................................................................. 1
Cable Clamp (5/16 in.) ................................................................... 2
* Screw (10-32 x 3/8 in. Pan Hd.) ..................................................... 2
Bevel Index Knob ........................................................................... 1
Swivel Latch Spring ....................................................................... 1
*Square Nut (5/16-18) ..................................................................... 1
*Screw (10-32 x 3/4 in. Pan Hd.) ..................................................... 4
Infeed Warning Label ..................................................................... 1
Yoke Cover .................................................................................... 1
*Screw (10-32 x 1/2 in. Pan Hd.) ..................................................... 4
*Lock Washer (5/16) ........................................................................ 4
*Screw (5/16-18 x 2 in. Soc. Cap) ................................................... 4
Bevel Indicator ............................................................................... 1
Bevel Index Cap ............................................................................ 1
*Screw (10-32 x 1-5/8 in. Pan Hd.) ................................................. 2
Bevel Scale Label .......................................................................... 1
Bevel Lock Lever ........................................................................... 1
Bolt (5/16-18 x 2 in. Hex Hd.) ........................................................ 1
*Lock Washer (5/16 in.) ................................................................... 1
Retainer Plate ................................................................................ 1
Index Ring ...................................................................................... 1
Edging Warning Label ................................................................... 1
Yoke Cap ....................................................................................... 1
*Washer (5/16 in.) ........................................................................... 1
Bolt (5/16-18 Hex Hd.) ................................................................... 1
*Star Washer (#10) .......................................................................... 1
Screw (10-32 x 5/8 in. Hex Soc. Button Hd.) ................................. 1
Blade Wrench ................................................................................ 2
*3/16 in. Hex Key ............................................................................ 1
*1/4 in. Hex Key .............................................................................. 1
* Standard Hardware Item -- May Be Purchased Locally
** Available From Div. 98 -- Source 980.00
*** Complete Assortment Available At Your Nearest Sears Retail Store #
71 _:RRFlrSMAN _ RADIAL SAW 315.273731

•CRAFTSMAN RADIAL ARM SAW- MODEL NO. 315.273731
I The model number will be found on a plate attached to the base. Always mention the model number in all correspondence regarding your RADIAL |
!
ARM SAW or when ordering repair parts. J
FIGURE H
7
10
.J
.J
j"

•CRAFTSMAN RADIAL ARM SAW- MODEL NO. 315.273731
I The model number will be found on a plate attached to the base. Always mention the model number in all correspondence regarding your RADIAL |
!
ARM SAW or when ordering repair parts. J
PARTS LIST FOR FIGURE H
KEY PART
NO. NUMBER DESCRIPTION QUAN.
1 610122-006
2 976449-001
3 971665-001
4 977207-001
5 998196-001
6 607617-003
7 977203-001
8 976336-001
9 ** STD600605
10 967917-001
11 976785-001
12 ** STD510803
* Screw (8-32 x 5/8 in. Pan Hd.) ......................................................................................................................... 3
Handle Assembly ............................................................................................................................................. 1
Switch Trigger .................................................................................................................................................. 1
Cam Lever ........................................................................................................................................................ 1
Spring ............................................................................................................................................................... 1
O-Ring .............................................................................................................................................................. 1
Knob ................................................................................................................................................................. 1
Wiring Insulator ................................................................................................................................................ 1
* Screw (6-32 x 1/2 in. Pan Hd. T.C.) ................................................................................................................. 2
Cord Clamp ...................................................................................................................................................... 1
Cord Harness ................................................................................................................................................... 1
* Screw (8-32 x 3/8 in. Pan Hd.) ......................................................................................................................... 1
* Standard Hardware Item -- May Be Purchased Locally
** Available From Div. 98 -- Source 980.00

•CRAFTSMAN RADIAL ARM SAW- MODEL NO. 315.273731
I The model number will be found on a plate attached to the base. Always mention the model number in all correspondence regarding your RADIAL I
!
ARM SAW or when ordering repair parts. J
20 21
17 25
18 24
13 10
19
12
11 9 8
3_ 16
\
32
3
30
31
FIGURE I 2

•CRAFTSMAN RADIAL ARM SAW- MODEL NO. 315.273731
I The model number will be found on a plate attached to the base. Always mention the model number in all correspondence regarding your RADIAL |
!
ARM SAW or when ordering repair parts. J
PARTS LIST FOR FIGURE I
KEY PART
NO. NUMBER DESCRIPTION QUAN.
1 976366-001
2 977237-001
3 976370-002
4 979528-001
5 641180-003
6 977244-001
7 621032-009
8 977478-001
9 ** STD541425
10 ** STD551025
11 977243-001
12 977253-001
13 ** STD512510
14 980498-001
15 976370-001
16 706382-327
Guard Screw (10-24 Slotted) ......................... 1
Inner Lower Guard ......................................... 2
Shoulder Screw (1/4-20 Button Hd.) .............. 2
Guard Nut (10-24) .......................................... 1
* Push Nut (1/4 in.) ........................................... 1
Knife Support ................................................. 1
* Star Washer (1/4 in.) ...................................... 1
Slotted Nut ..................................................... 1
* Lock Nut (1/4-20) ........................................... 1
*Washer (1/4 in.) ............................................. 2
Anti-Kickback Pawl ........................................ 4
Bushing .......................................................... 2
*Screw (1/4-20 x 1 in. Pan Hd.) ....................... 1
Outer Lower Guard Assembly ........................ 1
Shoulder Screw (1/4-20 Button Hd.) .............. 2
Washer ........................................................... 2
KEY PART
NO. NUMBER DESCRIPTION QUAN.
17 977246-001
18 706382-041
19 977254-001
20 977240-001
21 977239-001
22 641180-004
23 976879-002
24 977480-003
25 ** STD533106
26 977225-001
27 977224-001
28 977223-001
29 977238-001
30 977230-001
31 622210-041
32 977480-001
Guard Knob .................................................... 2
Washer ........................................................... 2
Spacer ............................................................ 1
Riving Knife .................................................... 1
Anti-Kickback Bracket .................................... 1
*Push Nut (5/16 in.) ......................................... 2
Upper Guard .................................................. 1
*Bolt (5/16-18 x 1-3/4 in. Rd. Hd.) .................... 1
* Bolt (5/16-18 x 5/8 in. Rd. Hal.) ...................... 1
Square Nut (5/16) .......................................... 1
Guard Clamp Screw (5/16) ............................ 1
Dust Guide ..................................................... 1
Hold Down Guard .......................................... 1
Upper Guard Retainer Assembly ................... 1
*Screw (1/4-20 x 9/16 in. Flat Hd. 1-.R) ............. 4
*Bolt (1/4-20 x 5/8 in. Rd. Hd. ) ........................ 1
* Standard Hardware Item -- May Be Purchased Locally
** Available From Div. 98 -- Source 980.00

•CRAFTSMAN RADIAL ARM SAW- MODEL NO. 315.273731
I The model number will be found on a plate attached to the base. Always mention the model number in all correspondence regarding your RADIAL |
!
ARM SAW or when ordering repair parts. J
2
SEE FIGURE K
7 8
./
./
/
J
\
11
10
j"
12
FIGURE J

•CRAFTSMAN RADIAL ARM SAW- MODEL NO. 315.273731
I The model number will be found on a plate attached to the base. Always mention the model number in all correspondence regarding your RADIAL |
!
ARM SAW or when ordering repair parts. J
PARTS LIST FOR FIGURE J
KEY PART
NO. NUMBER DESCRIPTION QUAN.
1 607818-002
2 990908-009
3 976450-001
4 ** STD511005
5 662029-001
6 977215-001
7 976416-001
8 644186-002
9 976414-001
10 706239-830
11 090403-080
12 976411-001
13 976412-001
Sleeve Bearing .................................................................................................................................................. 1
Screw (6-19 x 5/8 in. Pan Hd.) .......................................................................................................................... 4
Gear Case Cover .............................................................................................................................................. 1
Screw (10-24 x 1/2 in. Pan Hd.) ........................................................................................................................ 1
Washer .............................................................................................................................................................. 1
Spring ................................................................................................................................................................ 1
Pulley Shaft Assembly. ...................................................................................................................................... 1
Sleeve Bearing (Flange) .................................................................................................................................... 2
Worm Gear Assembly ........................................................................................................................................ 1
Washer .............................................................................................................................................................. 1
Screw (M3 x 8 Pan Hd.) .................................................................................................................................... 2
Gear Case ......................................................................................................................................................... 1
Motor Assembly ................................................................................................................................................. 1
* Standard Hardware Item -- May Be Purchased Locally
** Available From Div. 98 -- Source 980.00

•CRAFTSMAN RADIAL ARM SAW- MODEL NO. 315.273731
I The model number will be found on a plate attached to the base. Always mention the model number in all correspondence regarding your RADIAL |
!
ARM SAW or when ordering repair parts. J
1
4
FIGURE K

•CRAFTSMAN RADIAL ARM SAW- MODEL NO. 315.273731
I The model number will be found on a plate attached to the base. Always mention the model number in all correspondence regarding your RADIAL |
!
ARM SAW or when ordering repair parts. J
PARTS LIST FOR FIGURE K
KEY PART
NO. NUMBER DESCRIPTION QUAN.
** STD510803
662028-001
976420-001
976421-001
1
2
3
4
* Screw (8-32 x 3/8 in. Pan Hd.) .......................................................................................................................... 6
Pulley Flange .................................................................................................................................................... 2
Cable Assembly ................................................................................................................................................ 1
Clutch Assembly ................................................................................................................................................ 1
* Standard Hardware Item -- May Be Purchased Locally
** Available From Div. 98 -- Source 980.00

Owner's Manual
STOCK NO. 927373
MODEL NO. 315.273731
Sears service is available at or through
your Sears Retail Store
or Catalogue Sales Office.
How to order repair parts
SERVICE AND REPAIR PARTS
CALL 1-800-665-4455*
Keep this number handy should you require a
service call or need to order repair parts.
If ordering parts, make sure you have the name, make and
model no. of the merchandise and the name and number
of the part you wish to order.
*If calling locally, please use one of the following numbers:
Regina - 566-5124 Montreal- 333-5740
Toronto - 744-4900 Halifax - 454-2444
Kitchener- 894-7590 Ottawa - 738-4440
Vancouver - 420-8211
When ordering repair parts
always give:
1. The Part Number
2. The Part Description
3. The Model Number:
315.273731
4. The name of the item:
254 mm (10 in.)
Professional Radial Arm Saw
WE SERVICE WHAT WE SELL.
WE MAKE THIS PLEDGE BECAUSE OUR CONCERN FOR OUR CUSTOMERS DOES NOT END
WITH THE SALE. TO HONOR OUR PLEDGE, WE HAVE DEVELOPED A TOP-NOTCH SERVICE
PROGRAM STAFFED BY HIGHLY TRAINED SPECIALISTS. THEIR KNOWLEDGE OF OUR NEW
PRODUCTS IS CONSTANTLY UPGRADED. THEY USE ONLY PARTS SPECIFICALLY DESIGNED
FOR YOUR FINE SEARS PRODUCTS.
Sold by: SEARS CANADA INC., TORONTO MSB 2B8