Crate Amplifiers Gt1200H Users Manual
2015-02-02
: Crate-Amplifiers Crate-Amplifiers-Gt1200H-Users-Manual-424455 crate-amplifiers-gt1200h-users-manual-424455 crate-amplifiers pdf
Open the PDF directly: View PDF
.
Page Count: 12

User’s Guide
Three-Channel Guitar Amplifier

TABLE OF CONTENTS:
Introduction . . . . . . . . . . . . . . . . . . . . . . . . . . . . . . . . . .3
The Front Panel . . . . . . . . . . . . . . . . . . . . . . . . . . . . . . .4
The Rear Panel . . . . . . . . . . . . . . . . . . . . . . . . . . . . . . .5
Suggested Settings . . . . . . . . . . . . . . . . . . . . . . . . . . . .6
System Block Diagram . . . . . . . . . . . . . . . . . . . . . . . . .7
Technical Specifications . . . . . . . . . . . . . . . . .back cover
IMPORTANT SAFETY INSTRUCTIONS
•READ, FOLLOW, HEED, AND KEEP ALL INSTRUCTIONS AND WARNINGS.
•DO NOT OPERATE NEAR ANY HEAT SOURCE AND DO NOT BLOCK ANY VENTILATION OPENINGS ON THIS APPARATUS. FOR
PROPER OPERATION, THIS UNIT REQUIRES 3” (75mm) OF WELL VENTILATED SPACE AROUND HEATSINKS AND OTHER AIR
FLOW PROVISIONS IN THE CABINET.
•DO NOT USE THIS APPARATUS NEAR SPLASHING, FALLING, SPRAYING, OR STANDING LIQUIDS.
•CLEAN ONLY WITH LINT-FREE DAMP CLOTH AND DO NOT USE CLEANING AGENTS.
•ONLY CONNECT POWER CORD TO A POLARIZED, SAFETY GROUNDED OUTLET WIRED TO CURRENT ELECTRICAL CODES AND
COMPATIBLE WITH VOLTAGE, POWER, AND FREQUENCY REQUIREMENTS STATED ON THE REAR PANEL OF THE APPARATUS.
•PROTECT THE POWER CORD FROM DAMAGE DUE TO BEING WALKED ON, PINCHED, OR STRAINED.
•UNPLUG THE APPARATUS DURING LIGHTNING STORMS OR WHEN UNUSED FOR LONG PERIODS OF TIME.
•ONLY USE ATTACHMENTS, ACCESSORIES, STANDS, OR BRACKETS SPECIFIED BY THE MANUFACTURER FOR
SAFE OPERATION AND TO AVOID INJURY.
•WARNING: TO REDUCE THE RISK OF ELECTRIC SHOCK OR FIRE, DO NOT EXPOSE THIS UNIT TO RAIN OR MOISTURE..
•SERVICE MUST BE PERFORMED BY QUALIFIED PERSONNEL.
•OUR AMPLIFIERS ARE CAPABLE OF PRODUCING HIGH SOUND PRESSURE LEVELS. CONTINUED EXPOSURE TO HIGH SOUND
PRESSURE LEVELS CAN CAUSE PERMANENT HEARING IMPAIRMENT OR LOSS. USER CAUTION IS ADVISED AND EAR PRO-
TECTION IS RECOMMENDED IF UNIT IS OPERATED AT HIGH VOLUME.
CAUTION
RISK OF ELECTRIC SHOCK
DO NOT OPEN
WARNING: TO REDUCE THE RISK OF FIRE OR ELECTRIC
SHOCK, DO NOT EXPOSE THIS APPARATUS TO RAIN OR MOIS-
TURE. TO REDUCE THE RISK OF ELECTRIC SHOCK, DO NOT
REMOVE COVER. NO USER-SERVICEABLE PARTS INSIDE.
REFER SERVICING TO QUALIFIED SERVICE PERSONNEL.
"IT IS NECESSARY FOR THE USER TO REFER TO THE INSTRUCTION MANUAL"
“ES NECESARIO QUE EL USUARIO SE REFIERA AL MANUAL DE INSTRUCCIONES.”
"REFERREZ-VOUS AU MANUAL D'UTILISATION"
EXPLANATION OF GRAPHICAL SYMBOLS:
EXPLICACION DE SIMBOLOS GRAFICOS:
EXPLICATION DES SYMBÔLES GRAPHIQUES:
"DANGEROUS VOLTAGE"
“VOLTAJE PELIGROSO”
"DANGER HAUTE TENSION"
==
PRECAUCION
RIESGO DE CORRIENTAZO
NO ABRA
PRECAUCION: PARA REDUCIR EL RIESGO DE INCENDIOS O DESCARGAS
ELECTRICAS, NO PERMITA QUE ESTE APARATO QUEDE EXPUESTO A LA
LLUVIA O LA HUMEDAD. PARA DISMINUOIR EL RIESGO DE CORRIENTAZO.
NO ABRA LA CUBIERTA. NO HAY PIEZAS ADENTRO QUE EL USARIO PUEDO
REPARAR DEJE TODO MANTENIMIENTO A LOS TECHNICOS CALIFICADOS.
ATTENTION
RISQUE D'ELECTROCUTION
NE PAS OUVRIR
ATTENTION: PROTÉGEZ CET APPAREIL DE LA PLUIE ET DE L'HUMIDITÉ
AFIN D'ÉVITER TOUT RISQUE D'INCENDIE OU D'ÉLECTROCUTION. POUR
REDUIRE D'ELECTROCUTION NE PAS ENLEVER LE COUVERCLE. AUCUNE
PIECE INTERNE N'EST REPRABLE PAR L'UTILISATEUR. POUR TOUTE
REPARATION, S'ADRESSER A UN TECHNICIEN QUALIFIE.
Three-Channel Guitar Amplifier

3
Congratulations!
You are now the proud owner of the Crate GT1200H
three-channel guitar amplifier. This rugged amplifier combines
outstanding features with serious clean and distorted sounds.
Front panel RCA input jacks allow you to play along with your
favorite CD or tape. The rear panel Insert Jack allows you to
connect your effects for greater flexibility. Channel switching
and reverb may be controlled by means of a footswitch.
Like all Crate products, your GT amplifier is designed by
musicians, and built using only the best components.
Extensive testing confirms that this amplifier is the absolute
best it can be.
In order to get the most out of your new amplifier, we
strongly urge you to read the information contained in this
manual before you begin playing.
And thank you for choosing Crate.
Three-Channel Guitar Amplifier
Declaration Of Conformity
#30, Effective 01-01-2001
Manufacturer’s Name: SLM Electronics
Production Facility: 11880 Borman Drive, St. Louis, MO 63146, USA
Production Facility: 700 Hwy 202 W, Yellville, AR 72687, USA
Shipping Facility: 1400 Ferguson Ave., St. Louis, MO 63133, USA
Office Facility: 1400 Ferguson Ave., St. Louis, MO 63133, USA
Product Type: Audio Amplifier
Complies with the following Standards:
Safety: EN60065, E60065, C22.2, UL6500 and/or UL813
EMC: Directive 89/336/EEC, EN55103, EN55013, EN61000,
and/or FCC 47CFR 15B clA
Supplementary information provided by:
SLM Electronics - R & D Engineering
1901 Congressional Drive, St Louis, MO 63146, USA
Tel.: 314-569-0141, Fax: 314-569-0175

The Front Panel:
4
1 3 4 5 8 9 10 11 12 13 16 72
1: INPUT: Use this jack to connect your guitar to the amplifier by means of a shielded instrument
cable.
SOLO/RHYTHM CHANNELS: High gain channels designed to give you sounds with serious overdrive.
2: SOLO LED: This LED illuminates when the Solo channel is selected.
3: GAIN: Use this control to adjust the amount of distortion produced by the Solo channel.
4: SHAPE: Use this control to “dial in” the tone for the Solo channel. Rotating the control counter-
clockwise enhances the mid frequencies, while rotating the control clockwise enhances the low and
high frequencies.
5: LEVEL: Use this control to adjust the output level of the Solo channel.
6: SOLO/RHYTHM SELECT: Use this switch to select the Solo or Rhythm channel. When this switch
is depressed, the Solo channel is selected. With the switch in the out position, the Rhythm channel
is selected. This switch is active only when the Solo/Rhythm/Clean Select switch (#13) is depressed.
7: RHYTHM LED: This LED illuminates when the Rhythm channel is selected.
8: GAIN: Use this control to adjust the amount of distortion produced by the Rhythm channel.
9: LOW: Use this control to adjust the low frequency level of the Solo/Rhythm channel.
10: MID: Use this control to adjust the midrange frequency level of the Solo/Rhythm channel.
11: HIGH: Use this control to adjust the high frequency level of the Solo/Rhythm channel.
12: LEVEL: Use this control to adjust the output level of the Rhythm channel.
13: SOLO/RHYTHM/CLEAN SELECT: Use this switch to select the Clean channel or the Solo and
Rhythm channels. With the switch in the out position, the Clean channel is selected. When the switch
is depressed, either the Solo or Rhythm channel is selected, depending on the setting of the
Solo/Rhythm Select switch (#6).
CLEAN CHANNEL: A normal gain channel designed to give you crystal clean sounds.
14: CLEAN LED: This LED illuminates when the Clean channel is selected.
15: VOL: Use this control to adjust the output level of the Clean channel.
16: LOW: Use this control to adjust the low frequency level of the Clean channel.
17: MID: Use this control to adjust the midrange frequency level of the Clean channel.
18: HIGH: Use this control to adjust the high frequency level of the Clean channel.
19: REVERB: Use this control to adjust the amount of reverb effect: in its fully counterclockwise posi-
tion the signal will be “dry” (without any effect). As you rotate the control clockwise the amount of
reverb increases.
20: CD INPUT: Use these RCA jacks to connect the output from a CD player or tape deck to the
amplifier. The signal at these jacks is combined into a mono signal which is sent to the internal power
Three-Channel Guitar Amplifier

15 16 17 18 19 20 2114
amp circuit. Use the CD or tape player’s output level control to adjust the signal for the proper mix
with your guitar.
21: POWER: Use this switch to turn the amplifier on (top of the switch depressed) and off (bottom of
the switch depressed). The switch illuminates when the power is on.
CAUTION: TO REDUCE THE RISK OF FI RE ,
REPLACE FUSE WITH SAME TYPE AND RATING.
ATTENTION: UTILISER UN FUSIB LE D E
RECHANGE DE MEME TYPE.
CLEAN/
SOLO/
RHYTHM
REVERB
FOOTSWITCH
INSERT
100VAC: T4A 250V
120VAC: T3A 250V
230/240VAC: T1.6A 250V
22 23 24 25 26
SPEAKER
4 OHM
MINIMUM
The Rear Panel:
22: FUSE: The fuse protects the amplifier from damages caused by a faulty AC power source and/or
other problems. If the fuse opens, replace it ONLY with the same size and type. If fuses continue to
fail, check the AC source – if the source is okay, contact your Crate dealer for service information.
23: SPEAKER: Use this jack to connect the amplifier to your speaker cabinet(s). The minimum
impedance for the cabinet(s) is 4 ohms.
24: REVERB FOOTSWITCH: Use this jack to connect the 1/4” mono plug on the footswitch cable to
the three-button footswitch (supplied). This allows you to remotely turn the reverb on and off.
25: CLEAN/SOLO/RHYTHM FOOTSWITCH: Use this jack to connect the 1/4” stereo plug on the
footswitch cable to the three-button footswitch (supplied). This allows you to remotely switch between
the Clean and Distortion channels and between the Solo and Rhythm channels.
26: INSERT: Use this jack to connect an external
effects device to the amplifier. Use Crate’s STP201,
STP202, or STP203 stereo-to-mono Y-cord or an
adapter such as Crate’s YPP117 and two 1/4”
mono signal cables to connect to the effect as
shown to the immediate right.
27: AC LINE CORD (not shown): This grounded
power cord is to be plugged into a grounded power
outlet, wired to current electrical codes and compatible
with the voltage, power, and frequency requirements
stated on the rear panel. Do not attempt to defeat the
safety ground connection.
TIP
RING
SLEEVE
RETURN
SEND
GROUND
Stereo-to-mono Y-cord:
to Insert
jack to Insert
jack
(STP201, 3'
STP202, 6'
STP203, 9') (YPP117)
(1/4"-TO-1/4"
MONO CABLES)
to
effect
"OUT"
jack
to
effect
"IN"
jack
TIP
RING
SLEEVE
Y-adapter and 2 cables:
RING
RING
TIP
TIP
to
effect
"OUT"
jack
to
effect
"IN"
jack
External Effect External Effect
5
Three-Channel Guitar Amplifier

Suggested Settings:
6
IN IN
OUT IN
OUT
OUT
IN
IN
OUT
Sweet 'n Clean:
Just a 'Lil Nasty:
Politely Gritty:
Down 'n Dirty:
Mean & Obscene:
Three-Channel Guitar Amplifier

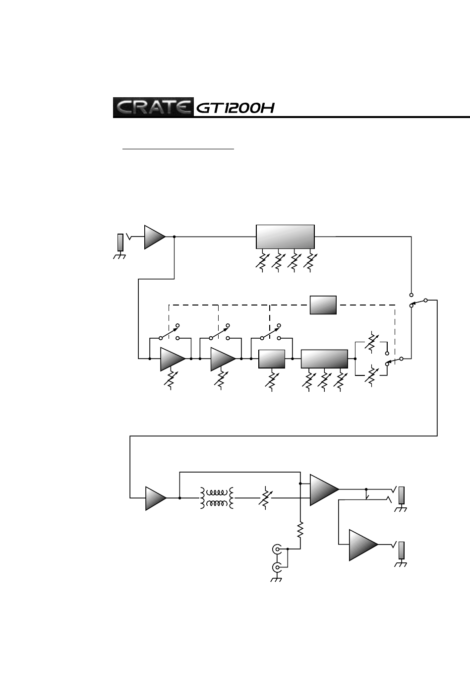
System Block Diagram:
7
INPUT
SOLO-RTHM
/
CLEAN
SELECT
LOWVOL MID HIGH
REVERB
BUFFER
MIX
AMP
CLEAN CHNL
POWER
AMP
SOLO/RTHM
SELECT
INSERT
SPEAKER
SOLO
GAIN
SOLO
LEVEL
SWITCHING
CIRCUIT
RTHM
LEVEL
SOLO
RTHM
RTHM
GAIN
RTHM
SOLO
SOLO
RTHM
MIDLOW HIGHSHAPE
CD
INPUT
Three-Channel Guitar Amplifier

GT1200H TECHNICAL SPECIFICATIONS:
Output Power Rating 120W RMS @5% THD, 4Ω, 120 VAC
Input Impedance 470kΩ
Total System Gain Solo Ch 110dB, all controls @10
Overdrive Ch 88dB, all controls @10
Clean Ch 58dB, all controls @10
CD Input 29dB
Maximum Input Signal Accepted 7 volts peak-to-peak
Solo Channel Shape Control Proprietary Circuit
O.D. Channel Low Control 20dB range @ 80Hz
Mid Control 15dB range @ 1kHz
High Control 20dB range @ 10kHz
Clean Channel Low Control 36dB range @ 80Hz
Mid Control 15dB range @ 800Hz
High Control 40dB range @ 10kHz
Power Requirements 120 VAC, 60Hz, 95VA
100/115VAC, 50/60Hz, 95VA;
230VAC, 50/60Hz, 95VA
Size and Weight 9-1/2” H x 26-1/2” W x 11” D, 25 lbs.
The GT1200H is covered with a durable Tolex material: wipe it clean with a lint-free cloth.
Never spray cleaning agents onto the cabinet. Avoid abrasive cleansers which would damage the finish.
Crate continually develops new products, as well as improves existing ones. For this reason, the specifications
and information in this manual are subject to change without notice.
www.crateamps.com
@2003 SLM Electronics, a division of St. Louis Music, Inc • 1400 Ferguson Avenue • St. Louis, MO 63133
47-628-01 • 022603
Three-Channel Guitar Amplifier



