Crest Audio Ca12 Users Manual
./amps/crest/caman11-25-97 caman11-25-97 DIY
Professional Power Amplifier to the manual 2f3c435c-218e-468e-ac13-37f862b006e4
2015-02-05
: Crest-Audio Crest-Audio-Ca12-Users-Manual-531008 crest-audio-ca12-users-manual-531008 crest-audio pdf
Open the PDF directly: View PDF
.
Page Count: 24

OWNER’S MANUAL
PROFESSIONAL POWER AMPLIFIERS
Professional Power Amplifier
Professional Power Amplifier
Professional Power Amplifier
Professional Power Amplifier
Professional Power Amplifier
Professional Power Amplifier

1. Save the carton and packing material
even if the equipment has arrived in
good condition. Should you ever need
to ship the unit, use only the original
factory packing.
2. Read all documentation before oper-
ating your equipment. Retain all doc-
umentation for future reference.
3. Follow all instructions printed on unit
chassis for proper operation.
4. Do not spill water or other liquids
into or on the unit, or operate the unit
while standing in liquid.
5. Make sure power outlets conform to
the power requirements listed on the
back of the unit.
6. Do not use the unit if the electrical
power cord is frayed or broken. The
power supply cords should be routed so
that they are not likely to be walked on
or pinched by items placed upon or
against them, paying particular atten-
tion to cords and plugs, convenience
receptacles, and the point where they
exit from the appliance.
7. Always operate the unit with the AC
ground wire connected to the electri-
cal system ground. Precautions should
be taken so that the means of ground-
ing of a piece of equipment is not
defeated.
8. Mains voltage must be correct and
the same as that printed on the rear
of the unit. Damage caused by connec-
tion to improper AC voltage is not cov-
ered by any warranty.
9. Have gain controls on amplifiers
turned down during power-up to pre-
vent speaker damage if there are high
signal levels at the inputs.
10. Power down & disconnect units from
mains voltage before making connec-
tions.
11. Never hold a power switch in the
“ON” position if it won’t stay there
itself!
12. Do not use the unit near stoves, heat
registers, radiators, or other heat
producing devices.
13. Do not block fan intake or exhaust
ports. Do not operate equipment on a
surface or in an environment which
may impede the normal flow of air
around the unit, such as a bed, rug,
weathersheet, carpet, or completely
enclosed rack. If the unit is used in an
extremely dusty or smoky environ-
ment, the unit should be periodically
“blown free” of foreign matter.
14. Do not remove the cover. Removing
the cover will expose you to potentially
dangerous voltages. There are no user
serviceable parts inside.
15. Connecting amplifier outputs to
oscilloscopes or other test equipment
while the amplifier is in bridged mode
may damage both the amplifier and test
equipment!
16. Do not drive the inputs with a signal
level greater than that required to
drive equipment to full output.
17. Do not connect the inputs / outputs
of amplifiers or consoles to any other
voltage source, such as a battery,
mains source, or power supply, regard-
less of whether the amplifier or console
is turned on or off.
18. Do not run the output of any amplifi-
er channel back into another chan-
nel’s input. Do not parallel- or
series-connect an amplifier output
with any other amplifier output.
Crest Audio is not responsible for dam-
age to loudspeakers for any reason.
19. Do not ground any red (“hot”) ter-
minal. Never connect a “hot” (red)
output to ground or to another “hot”
(red) output!
20. Non-use periods. The power cord of
equipment should be unplugged from
the outlet when left unused for a long
period of time.
21. Service Information Equipment
should be serviced by qualified service
personnel when:
A. The power supply cord or the plug
has been damaged;
B. Objects have fallen, or liquid has
been spilled into the equipment;
C. The equipment has been exposed to
rain;
D. The equipment does not appear to
operate normally, or exhibits a
marked change in performance;
E. The equipment has been dropped,
or the enclosure damaged.
22. To obtain service, contact your nearest
Crest Audio Service Center,
Distributor, Dealer, or Crest Audio at
201.909.8700 (USA).
Important Precautions
This symbol is used to alert the oper-
ator to follow important operating
procedures and precautions detailed
in documentation.
This symbol is used to warn opera-
tors that uninsulated “dangerous volt-
ages” are present within the equip-
ment enclosure that may pose a risk
of electric shock.

Crest Audio CA Series Power Amplifiers Page 3
Models CA2, CA4, CA6, CA9, CA12, CA18
Introduction
Unpacking
Installation and Mounting
Front Panel
Rear Panel
Internal Configuration and Control
Operation
Connecting Power / Circuit Size Requirements
Cooling Requirements
Connecting Inputs
Connecting Outputs
Mode Selection
Stereo /Parallel/Bridged Mono Connections
TourClass®Protection Features
User Precautions
Speaker Protection
Recommended Speaker Cabling
Maintenance
User Responsibility
Service and Repair
5
5
5
6
7
8
9
9
9
10
10
10
12
14
15
15
15
16
16
16
Power Amplifier Owner’s Manual
Table of Contents
Appendix A Specifications
Appendix B CA Block Diagram
Appendix C Wire Gauge Charts
Appendix D Rear Panel Symbols - Legend
Appendix E CA18 Power Amplifier - Special Functions

Page 4 Crest Audio CA Series Power Amplifiers
Models CA2, CA4, CA6, CA9, CA12, CA18
Professional Power Amplifier
Front
height
5.25"
133mm
Front width 19" / 483mm
CA12, CA18 Front View
Professional Power Amplifier
Front
height
3.5"
89mm
CA2-9 Front View
Rear & Side Views
Front width 19" / 483mm
*Note: see Appendix E for detailed CA18 rear panel drawings.
A
AB
AB
A
1
3-
2+
+
••
••
B
A
B
A
A
A
B
B
A
B
5.25"
133mm CA12
CA18
3.5"
89mm
CA2
CA4
CA6
CA9
17.9"/437mm (19"/483mm to rack ears) 1.375"
35mm 18"/457mm
A
AB
AB
A
1
3-
2+
+
A
A
B
B
••
••
+
+
+
A
B
B
A
A
B
5-way binding post
version shown.
Speakon version
shown.
CA2-9
CA12
CA18*

Introduction
Congratulations on your purchase of a new CA Series professional power amplifier, and thank you for your
confidence in Crest Audio products. You are among the growing number of audio professionals who have
made Crest Audio one of the world’s leading suppliers of professional and commercial/industrial audio sys-
tems.
For your safety, please read the Important Precautions section before installing and operating the amplifier.
The Crest Audio CA Series is based on the same advanced circuit topologies that have made Crest ampli-
fiers the choice of touring professionals worldwide. CA Series amplifiers are designed for high operating
efficiency and accurate sonic performance across the full audio bandwidth, even under stressful conditions.
In order to maintain strict quality assurance standards, all CA Series amplifiers are built in Crest’s state-of-
the-art USA manufacturing facility. Internal components are the finest available, and key sub-assemblies are
pre-tested before final assembly. Finally, each amplifier is “burned in” and thoroughly tested (using preci-
sion audio test equipment) before shipping. In addition, all CA Series amplifiers incorporate Crest’s exclu-
sive TourClass protection features to safeguard both internal circuitry and connected loudspeakers.
This proven combination of advanced design, quality construction, and comprehensive circuit protection is
your guarantee of fail-safe reliability. You can depend on consistent, stable performance even when your
CA Series amplifier is subjected to punishing extremes in the most demanding fixed or mobile sound rein-
forcement applications.
Unpacking
Please inspect the amplifier carefully immediately after unpacking. If you find any damage, notify your sup-
plier/dealer immediately. Only the shipper may file a damage claim with the carrier for damage incurred
during shipping. Be sure to save the carton and all packing materials for the carrier’s inspection.
If your packing materials are in good condition, please save them. If you ever need to ship the unit back to
Crest Audio or an authorized service center, you should use only the original factory packing.
Installation and Mounting
Four CA Series amplifiers are 2-rack-space units: models CA2, CA4, CA6, and CA9. Models CA12 and
CA18 are 3-rack-spaces high. All mount in standard 19-inch racks. Four front-panel mounting holes are
provided on each amplifier. Rear mounting ears give additional support, and use of rear supports is highly
recommended in all mobile and touring sound systems. Optional rack-mount handles are available.
Crest Audio CA Series Power Amplifiers Page 5
Models CA2, CA4, CA6, CA9, CA12, CA18

Front Panel
1. Rack Mounting Ears.
Two front panel mounting holes are provided on each mounting ear.
2. Optional Rack Handles.
Available from your authorized Crest Audio supplier.
3. Fan Outlet Grills.
CA Series amplifiers are cooled by two, rear-mounted fans. Cool air flows over the heat sinks and exhausts
through the front grills. Make sure these outlets remain clear to allow unrestricted air flow.
4. AC Power Switch/Circuit Breaker.
CA Series amplifiers have a front-panel combination AC switch and circuit breaker. (No fuses are used.) If
the switch shuts off during normal use, push it back to the “ON” position once. If it will not stay on, the
amplifier needs servicing.
5. Signal LED.
Illuminates to indicate that a signal (above a minimum threshold) is present at the amplifier input, and that
the signal is being amplified.
6. Clip LED.
Illuminates at the clipping threshold. Continuous illumination also indicates that ACL (Active Clip
Limiting) protection circuitry is engaged.
7. Active LED.
Indicates that AC power is connected and the amplifier is turned on.
8. Protect LED.
Indicates that the channel is in Protect mode (speakers disconnected by output relay).
9. Input Attenuators.
Two input attenuators adjust level for their respective amplifier channels. In Bridged Mono Mode, both
attenuators are used to control signal level and must be adjusted to the same setting.
Page 6 Crest Audio CA Series Power Amplifiers
Models CA2, CA4, CA6, CA9, CA12, CA18
Professional Power Amplifier
7 8 9
12 3 54 6
Never try to hold the
circuit breaker/power
switch in the “ON”
position if it won’t stay
there itself!

Rear Panel See Appendix E for information specific to model CA18.
10. Output Connectors (Two versions, market dependent)
CA Series amplifiers are supplied with either 5-way Binding Posts or Speakon connectors. Connection to
the binding posts can be made with bare wire, banana plugs, or spade lug terminations. Make connections to
both the Channel A and Channel B terminals for Stereo or Parallel Mode, or a single connection across the
red (“hot”) terminals only of Channels A and B for Bridged Mono Mode. Using Speakon-type speaker
cables, make connections to both the Channel A and Channel B connectors for Stereo or Parallel Mode, or
to the Bridged mode connector for Bridged Mono Mode. See Appendix D and the section on Mode
Selection for more information. NOTE: on the 5-way Output Binding Post version of the CA18, two pairs
of 5-way binding posts are provided for each channel, so that paralleling of speakers is possible.
11. Mode Selection Switch.
This recessed, three-position switch configures the
amplifier for Stereo, Parallel or Bridged Mono Mode operation. Amplifiers are factory-configured for
Stereo Mode. See Appendix D and the section on Mode Selection for more information.
12. Signal Ground Lift Switch.
The recessed signal ground lift switch (factory-set to the ‘ground’ [bottom] position) electrically connects
signal ground to the chassis/AC ground. The top position lifts the amplifier’s signal ground. In a properly
designed system (for safety purposes and to minimize noise), amplifiers should be connected to ground
through the AC line cord. Also, whenever possible, the signal source equipment should share the same AC
ground as the amplifier. In some cases this may not be possible, and a ground loop results. If this happens,
the first step is to move the ground lift switch to the top (‘lift’) position. In this position, the signal ground is
lifted and completely isolated from the chassis/AC ground. Do not change the switch to the ‘lift’ position if
the amplifier and the signal source equipment are on the same AC ground. Should the ground loop problem
persist after the ground lift switch has been set to the ‘lift’ position, then the shield on balanced input lines
should be grounded at one end only (usually the signal source).
Crest Audio CA Series Power Amplifiers Page 7
Models CA2, CA4, CA6, CA9, CA12, CA18
RISK OF ELECTRIC SHOCK
DO NOT OPEN
AVIS : RISQUE DE CHOC ÉLECTRIQUE—NE PAS OUVRIR
WARNING TO REDUCE THE RISK OF FIRE OR ELECTRIC SHOCK DO NOT
EXPOSE THIS EQUIPMENT TO RAIN OR MOISTURE.
ATTENTION! POUR ÉVITER LE RISQUE D'INCENDIE OU DE CHOC
ÉLECTRIQUE, NE PLACEZ PAS CET APPAREIL SOUS LA PLUIE OU Á
L'HUMIDITÉ
CAUTION
A
AB
AB
ADesigned & manufactured in the USA by:
Crest Audio Inc.
100 Eisenhower Dr.
Paramus, New Jersey 07652 USA
1
3-
2+
+
A
A
B
B
••
••
+
+
+
A
B
B
A
A
B
Designed & manufactured in the USA by:
Crest Audio Inc.
100 Eisenhower Dr.
Paramus, New Jersey 07652 USA
A
AB
AB
A
1
3-
2+
+
••
••
B
A
NL4FC
B
A
A
B
643-105
A
A
B
B
10 11 12 13 14 15
Never connect a “hot” (red) output to ground
or to another “hot” (red) output!

13-14. Balanced 1/4" (TRS) & XLR Input Connectors.
These connectors accept input signals on balanced TRS and XLR input plugs.
See the figure at the left for information on polarity. Connectors for each chan-
nel are in parallel; the unused connectors may be used for “loop through” con-
nection to other amplifiers.
NOTE: Unbalanced “Tip/Sleeve” plugs may be used with the balanced TRS
“Tip/Ring/Sleeve” connectors. The “ring” terminal or negative input will be
connected to ground internally. When using three-pole (‘stereo’) TRS connec-
tors, make sure that the ring connection is made either to the cold (–) output of
the source equipment, or to ground. Incorrect connections may cause a 6dB loss
in level.
15. Fan Inlet Ports & Filters.
Cooling air enters the amplifier through the fan inlet ports located on the rear of the amplifier chassis.
Be sure not to block these ports when installing the amplifier or other associated equipment. Air must flow
unimpeded through these ports. Fan filters (removable without tools) are provided to minimize entry of dust
and dirt.
Internal Configuration and Control
Input XLR Polarity
CA Series amplifiers are supplied standard with the XLR configured as “Pin 2 hot” (+). On models CA2,
CA4, CA6, CA9 and CA12, an internal jumper makes it possible to alter the amplifier to “Pin 3 hot” (+).
NOTE: This jumper is NOT user configurable. Please consult your supplier or local Crest Audio service
center if you wish to have the input XLR polarity changed
On the CA18, an external XLR polarity switch is featured. (See Appendix E).
Input Sensitivity
The CA Series amplifiers have a standard input sensitivity of .775 Volts for rated power at 8 Ohms. Models
CA2, CA4, CA6, CA9 and CA12 are fitted with an internal jumper which allows optional gains of X20 or
X40. Model CA18 features an external voltage gain/input sensitivity switch (See Appendix E). Standard
and optional voltage gains/input sensitivities are detailed below.
CA2 CA4 CA6 CA9 CA12 CA18
Gain Sens Gain Sens Gain Sens Gain Sens Gain Sens Gain Sens
Std. X45 .775V X61 .775V X68 .775V X86.5 .775V X97.5 .775V X115 .775V
Opt. 1 X40 .866V X40 1.12V X40 1.32V X40 1.66V X40 1.87V X40 2.24V
Opt. 2 X20 1.73V X20 2.24V X20 2.65V X20 3.32V X20 3.74V X20 4.47V
NOTE: This jumper is NOT user configurable. Please consult your supplier or local Crest Audio service
center if you wish to have the voltage gain / input sensitivity changed.
Page 8 Crest Audio CA Series Power Amplifiers
Models CA2, CA4, CA6, CA9, CA12, CA18
Tip - Positive (+)
Ring - Negative (-)
Sleeve - Ground ( )
+
2 - Positive (+)
3 - Negative (-)
1 - Ground ( )

Operation
Connecting Power / Circuit Size Requirements.
CA Series amplifier power requirements are rated at:
a) “idle”
b) 1/8th power (“typical” music conditions)
c) 1/3rd power (“continuous” music conditions)
d.) maximum rated power (circuit breaker limited).
The maximum power current draw rating is limited only by the front panel circuit breaker. Consult the spec-
ifications in the Appendices section for figures on the current that each amplifier will demand.
Make sure the mains voltage is correct and is the same as that printed on the rear of the amplifier. Damage
caused by connecting the amplifier to improper AC voltage is not covered by any warranty. Unless other-
wise specified when ordered, Crest amplifiers shipped to customers are configured as follows:
North America - 120VAC / 60Hz
Europe - 230VAC / 50Hz
Asia - 220VAC / 50Hz
Australasia - 240VAC / 50Hz
South America - 120VAC / 60Hz or 220VAC / 50Hz
Japan - 100VAC / 50Hz
NOTE: Always turn off and disconnect the amplifier from mains voltage before making audio connections.
Also, as an extra precaution, have the attenuators turned down during power-up.
Cooling System and Requirements.
CA Series amplifiers use a twin-tunnel forced-air cooling system to maintain a low, even operating tempera-
ture. Drawn in by dual 45 cubic feet-per-minute (CFM) fans on the rear panel, air flows through the cooling
fins of the channel heat sinks (dissipating power transistor heat), then exhausts through the front panel slots.
The “intelligent” variable-speed DC fans are controlled by heat sink temperature-sensing circuits. When the
amplifier is turned on, the fans briefly “rev up,” then slow to an idle; this indicates that the temperature
sensing circuits are operating normally. The fan speed increases only as required by heat sink temperatures,
keeping fan noise to a minimum. Under extreme thermal load, the fans will force a very large volume of air
through the heat sinks. If either heat sink surpasses the maximum allowed temperature, the sensing circuit
will open the output relay, disconnecting the load from that channel. If the power transformer overheats,
another sensing circuit opens both channel output relays until the transformer cools to a safe temperature.
IMPORTANT: To ensure optimum cooling, periodically clean the amplifier fan filters (removable without
tools). Also make certain that there is enough space around the front of the amplifier to allow the cooling
air to escape. If the amplifier is rack-mounted, do not use doors or covers on the front of the rack; the
exhaust air must flow out without resistance. If the amplifiers are to be housed in racks with closed backs,
allow at least one (1) standard rack space of opening in the front of the rack for every four amplifiers.
Crest Audio CA Series Power Amplifiers Page 9
Models CA2, CA4, CA6, CA9, CA12, CA18

Connecting Inputs.
Use either the XLR or 1/4-inch input connectors on the rear to supply audio signals to your Crest Audio CA
Series amplifier. Both connectors accept balanced and unbalanced audio connections. (The CA Series
amplifiers are configured standard with “Pin 2 hot” on XLR inputs. Please note that some other Crest Audio
amplifiers are configured with “Pin 3 hot”). The unused connector can be used to jumper the audio input to
another amplifier input. For more information, see the sections on Balanced 1/4" (TRS) & XLR Input
Connectors, Input XLR Polarity, and Input Sensitivity.
Connecting Outputs.
Speakers are connected using 5-way Output Binding Posts or Speakon connectors, depending on version
supplied. Please note that on the 5-way Output Binding Post version of the CA18, two pairs of 5-way bind-
ing posts are provided for each channel, so that paralleling of speakers is possible.
For more information, see the Output Connectors and Mode Selection sections.
Page 10 Crest Audio CA Series Power Amplifiers
Models CA2, CA4, CA6, CA9, CA12, CA18

Mode Selection.
The three-position, recessed Mode Select switch (located on the rear panel) configures the amplifier for
either Stereo, Parallel or Bridged Mono Mode. Amplifiers are factory-configured for Stereo Mode.
Stereo Mode.
In Stereo Mode, both channels operate independently, with their input attenuators controlling their respec-
tive levels. Signal at Channel A’s input produces output at Channel A’s output, while signal at Channel B’s
input produces output at Channel B’s output. Recommended minimum nominal load impedance for stereo
operation is 2 ohms per channel. Either the 1/4" (TRS) inputs or the XLR inputs may be used.
Parallel Mode.
When set to Parallel Mode, a signal applied to Channel A’s input will be amplified and appear at outputs for
both Channels A & B. Either the 1/4" (TRS) input or the XLR input on Channel A may be used.
Bridged Mono Mode.
Bridged Mono Mode straps both amplifier channels together to make a very powerful, single-channel
monaural amplifier. One channel “pushes” and the other “pulls” equally, doubling the power over that of
either channel alone. Signal is applied to the Channel A input only. Both attenuators are used to control sig-
nal level; in addition, both must be adjusted to the same setting. Either the 1/4" (TRS) or XLR input may be
used.
NOTE: The channel B input connectors (XLR and/or TRS) may be used to “loop thru” the channel A signal
when in parallel or bridged mono mode.
Use extreme caution when operating the amplifier in Bridged Mono Mode. Never ground either side of the
speaker cable when the amplifier is in Bridged Mono Mode; both sides are “hot.” If an output patch panel
is used, all connections must be isolated from each other and from the panel. The recommended minimum
nominal load impedance in the Bridged Mono Mode is 4 ohms, which is the equivalent to driving both
channels separately at 2 ohms. Driving bridged loads of less than the recommended minimums will activate
the IGM circuitry, resulting in a loss of power, and may also lead to a thermal protect condition.
See figures on pages 12 & 13 showing output connection information.
Crest Audio CA Series Power Amplifiers Page 11
Models CA2, CA4, CA6, CA9, CA12, CA18
Connecting amplifier outputs to oscilloscopes or other test equipment while the
amplifier is in bridged mode may damage both the amplifier and test equipment!

Page 12 Crest Audio CA Series Power Amplifiers
Models CA2, CA4, CA6, CA9, CA12, CA18
A
AB
AB
A
1
3-
2+
+
A
A
B
B
••
••
+
+
+
A
B
B
A
A
B
+
+
BB
or
A
A
or
B
A
A
AB
AB
A
1
3-
2+
+
A
A
B
B
••
••
+
+
+
A
B
B
A
A
B
+
+AA
or
A
A
A
AB
AB
A
1
3-
2+
+
A
A
B
B
••
••
+
+
+
A
B
B
A
643-106
A
B
A
AA
or
+
Bridged/Mono
Stereo Mode Connections
(5-Way Output Binding Posts)
NOTE: the Binding Post version
of the CA18 features two pair of
5-Way Output Binding Posts.
Parallel Mode Connections
(5-Way Output Binding Posts)
Bridged Mono Mode Connections
(5-Way Output Binding Posts)

Crest Audio CA Series Power Amplifiers Page 13
Models CA2, CA4, CA6, CA9, CA12, CA18
A
AB
AB
A
1
3-
2+
+
••
••
B
A
NL4FC
B
A
A
B
A
A
B
B
B
AA
or
B
or
B
A
+
-
+
-
Speaker + to PIN 1 +
Speaker - to PIN 1 -
2+
1-
2-
1+
A
AB
AB
A
1
3-
2+
+
••
••
B
A
NL4FC
B
A
A
B
A
A
B
B
AA
or
A
A
+
-
+
-
Speaker + to PIN 1 +
Speaker - to PIN 1 -
2+
1-
2-
1+
A
AB
AB
A
1
3-
2+
+
••
••
B
A
NL4FC
B
A
A
B
A
A
B
B
AA
or
Speaker + to PIN 1 +
Speaker - to PIN 2 +
2+
1-
2-
1+
Bridged/Mono
+
-
Stereo Mode Connections
(Speakon Output Connectors)
Parallel Mode Connections
(Speakon Output Connectors)
Bridged Mono Mode Connections
(Speakon Output Connectors)

TourClass®Protection
Every model in the CA Series incorporates TourClass protection features. Derived from Crest Audio’s
extensive experience with the world’s largest sound rental companies, the TourClass group of circuits sets
the industry standard for assured protection of internal amplifier circuits and all connected loads.
ACL (Active Clip Limiting).
At the amplifier’s full power limit, or clipping point, ACL will be activated. This is indicated by illumina-
tion of the Clip LED. The channel gain is automatically reduced, protecting the loudspeakers from potential
damage from the high power, continuous square waves that would otherwise be produced. ACL may be
activated by uncontrolled feedback, oscillations, improper equipment gain settings, or an equipment mal-
function upstream from the amplifier. Only steady or excessive clipping (not normal program transients)
will trigger ACL. The circuit is virtually transparent in operation and full signal bandwidth is maintained.
IGM Impedance Sensing.
IGM (Instantaneous Gain Modulation) is an innovative circuit that allows the amplifier to operate safely
into loads as low as 2 ohms. When the amplifier sees a load that overstresses the output stage, the IGM cir-
cuit adjusts the channel gain to a safe level. Like ACL, the IGM circuit is inaudible in normal use. In addi-
tion, if extreme and sustained low impedance is encountered, the amplifier’s output relay will open.
AutoRamp Protection.
Auto Ramp operates every time the amplifier is turned on or is reactivated after a protect condition is cor-
rected. This exclusive Crest Audio feature gradually increases gain to the attenuator setting avoiding unnec-
essary stress on the loudspeakers.
Thermal Protection.
Abnormally high heat sink temperatures will engage the Protect circuit for the overheating channel only.
(An output relay disconnects the loudspeakers until nominal temperature range is restored.) During this
time, the Protect LED will light. If the power transformer gets too hot, its thermal sensing circuit will dis-
connect both channel outputs. During this time, the Active LED will extinguish, the Protect and Clip LEDs
will stay lit, and the cooling fan will continue running at low speed. Normal operation resumes once the
transformer cools to a safe level.
Short Circuit.
If an output is shorted (i.e., defective speakers or crossed speaker wires) the IGM and thermal circuits will
automatically protect the amplifier. The IGM circuit senses the short circuit as an extremely stressful load
condition and attenuates the signal, protecting the channel’s output transistors from over-current stress. If
the short circuit remains, the load will be disconnected by the thermal protection circuitry (output relay
opens).
DC Voltage Protection.
If an amplifier channel detects DC voltage at its output terminals, the output relay will immediately open to
prevent loudspeaker damage. The Protect LEDs will light.
Subsonic Frequencies.
Built-in high pass filtering provides subsonic frequency protection for each channel. In addition, a relay will
open if excessive subsonic energy appears at the output.
Page 14 Crest Audio CA Series Power Amplifiers
Models CA2, CA4, CA6, CA9, CA12, CA18

User Precautions
Speaker Protection
All loudspeakers have electrical, thermal, and physical limits which must be observed to prevent damage or
failure. Cone or compression drivers can be damaged (sometimes to the point of failure) from excessive
power, low frequencies applied to high frequency drivers, severely clipped waveforms, and DC voltage. All
CA Series amplifiers automatically protect speakers from DC voltages and subsonic signals. For more
information, see the TourClass Protection section.
Mid- and high-frequency transducers–compression driver in particular–are highly susceptible to damage
from overpowering, clipped waveforms, or frequencies below their rated passband. When using an electron-
ic crossover, make absolutely certain that the low and mid bands are connected to the correct amplifiers and
drivers—and not accidentally connected to those for a higher or lower frequency band.
The amplifier’s clipping point is its maximum peak output power. At maximum peak output power, Crest
Audio CA Series amplifiers will deliver more power than many speakers can safely handle. Be sure the
peak power capability of the amplifier is not excessive for your speaker system. To ensure that the speakers
never receive excessive power, and to prevent amplifier clipping, use a properly adjusted external limiter (or
a compressor with a ratio of 10:1 or higher) to control power output. Use one compressor/limiter for each
frequency band in systems with active electronic crossovers.
The ACL clip limiting circuit will automatically limit the duration of squared-off, continuous waveforms
applied to the speakers. The amplifier will, however, allow normal musical transient bursts to pass. Of
course, when the amplifier does clip, it is operating at its maximum output power. Note that some speaker
systems are packaged with proprietary “processors” that have power limiting circuits and therefore should
not require additional limiting.
Do not drive any low-frequency speaker enclosure with frequencies lower than its own tuned frequency; the
reduced acoustical damping could cause a ported speaker to “bottom out” even at moderate power. Consult
the speaker system specifications to determine its frequency limits, and employ a roll-off filter if necessary.
Recommended Speaker Cabling
The wire gauge charts will assist you in determining the optimum copper wire gauge for your speaker
cables. Remember that the speaker cable resistance robs amplifier power in two ways: through power lost
directly to resistance (often referred to as I2R loss), and through increased total load resistance, which
decreases the amount of power available from the amplifier. The charts (Appendix C) give cable length fig-
ures in feet/AWG wire gauges and in metric values.
Crest Audio CA Series Power Amplifiers Page 15
Models CA2, CA4, CA6, CA9, CA12, CA18

Maintenance
A CA Series amplifier requires no routine maintenance other than occasional cleaning or replacement of the
fan intake filters on the rear of the amplifier. (This operation does not require any tools). Filters must be
kept clear and clean to ensure proper ventilation through the unit. If the amplifier is used in an extremely
dusty or smoky environment, the filter should be cleaned or changed frequently and the unit should be peri-
odically “blown free” (using compressed air) of any foreign matter that may penetrated through the filter.
Users will not need to make any internal adjustments to the amplifier during its lifetime. There are no user-
serviceable parts or adjustments that require opening the power amplifier. Cover removal exposes the risk of
shock, so refer all servicing to qualified service technicians authorized by Crest Audio.
User Responsibility
Your CA Series amplifier is very powerful and can be potentially dangerous to loudspeakers and operators
alike. It is your responsibility to read the section titled “Important Precautions” and make sure that the
amplifier is installed, wired, and operated properly as instructed in this manual. Many loudspeakers can be
easily damaged or destroyed by overpowering, especially with the high power available from a bridged
amplifier. Read the section on Speaker Protection and always be aware of the speaker’s continuous and peak
power capabilities. Crest Audio is not responsible for damage to loudspeakers for any reason.
Service and Repair
In the unlikely event that your amplifier develops a problem, it must be returned to an authorized distributor,
service center or shipped directly to our factory. To obtain service, contact your nearest Crest Audio Service
Center, Distributor, Dealer, or any of the worldwide Crest Audio offices. For contact information, reach
Crest Audio Inc. Customer Service directly at: TEL. 201.909.8700 (USA) Fax. 201.909.8744 (USA).
Because of the complexity of the design and the risk of electrical shock, all repairs should be attempted only
by qualified technical personnel. If the unit needs to be shipped back to the factory, it must be sent in its
original carton. If improperly packed, your amplifier may be damaged.
For those with Internet access, please visit the Crest Audio website at: http://www.crestaudio.com
Page 16 Crest Audio CA Series Power Amplifiers
Models CA2, CA4, CA6, CA9, CA12, CA18

Appendices

Appendix A Crest Audio CA Series Power Amplifiers
Models CA2, CA4, CA6, CA9, CA12, CA18
Appendix A - Amplifier Specifications
1kHz, 0.01% THD+N
8ΩStereo Power
4ΩStereo Power
2ΩStereo Power
8ΩBridged Mono Power
4ΩBridged Mono Power
20Hz-20kHz, 0.1% THD+N
8ΩStereo Power
4ΩStereo Power
2ΩStereo Power
8ΩBridged Mono Power
4ΩBridged Mono Power
Max RMS Output Voltage (each channel)
Max Peak Output Voltage
Frequency Response (+0 / -0.3dB, 1W/8Ω)
Power Bandwidth (rated power at 4Ω, 1%THD+N)
TourClass Protection
THD+N (rated power, 4Ω/1kHz)
SMPTE IMD (rated power, 8Ω, 60 Hz & 7kHz)
Damping Factor (10-400Hz at 8Ω)
Input CMRR (1kHz)
Standard Input Sensitivity (rated power at 8Ω) ‡
Standard Voltage Gain (rated power @ 8Ω) ‡
Input Impedance (balanced/unbalanced)
Hum and Noise ("A" weighted, full power at 4Ω)
Crosstalk ("A" weighted, full power at 4Ω)
Class
Input Connectors (per channel)
Output Connectors (per channel)
Filter Storage
Power Supply (factory configured)
Idle Current Draw (120V)
1/8 Power Curr. Draw (typical music cond., 120V/4Ω)
1/3 Power Curr. Draw (cont. music cond., 120V/4Ω)
Max Curr. Draw (continuous music cond., 120V/4Ω)
Thermal Emissions (1/8 Power, 4Ω)
Thermal Emissions (1/3 Power, 4Ω)
Cooling
Controls
LED Indicators (per channel)
Construction
Dimensions (Height x Width x Depth to rear rack ears)
Gross Weight
Net Weight
Warranty
160W
250W
N/A
500W
N/A
150W
200W
N/A
450W
N/A
44V
62V
20Hz-20kHz, -3dB@135kHz
20Hz-20kHz, -.9dB/+.15dB
<0.01%
<0.01%
368:1
> - 60 dB
0.775V
X45
>20kΩ/>10kΩ
-105dB
> - 60dB
AB
20,000 µF
100V-240V, 50-60Hz
1.2A
3.25A
5.5A
9.0A
1119 BTU/hr
1607 BTU/hr
3.5" x 19" x 18"
89 x 483 x 457mm
38 lbs. (17.25 kg)
33 lbs. (14.98 kg)
5 years*
250W
435W
500W
830W
1000W
245W
400W
450W
800W
900W
58V
82V
20Hz-20kHz, -3dB@135kHz
20Hz-20kHz, -.9dB/+.5dB
<0.01%
<0.01%
550:1
> - 60 dB
0.775V
X61
>20kΩ/>10kΩ
-105dB
> - 60dB
AB
27,200 µF
100V-240V, 50-60Hz
1.4A
6.8A
10.0A
15.0A
2030 BTU/hr
2726 BTU/hr
3.5" x 19" x 18"
89 x 483 x 457mm
46 lbs. (20.88 kg)
41 lbs. (18.61 kg)
5 years*
400W
600W
750W
1200W
1500W
350W
500W
600W
1000W
1200W
73V
103V
20Hz-20kHz, -3dB@135kHz
20Hz-20kHz, -1.1dB/+0dB
<0.01%
<0.01%
400:1
> - 60 dB
0.775V
X68
>20kΩ/>10kΩ
-105dB
> - 60dB
H
68,000 µF
100V-240V, 50-60Hz
1.6A
6.0A
13.0A
18.0A
2630 BTU/hr
3713 BTU/hr
3.5" x 19" x 18"
89 x 483 x 457mm
49 lbs. (22.24 kg)
44 lbs. (19.97 kg)
5 years*
600W
900W
1000W
1800W
2000W
550W
800W
900W
1600W
1800W
82V
116V
20Hz-20kHz, -3dB@135kHz
20Hz-20kHz, -.84dB/+0dB
<0.01%
<0.01%
700:1
> - 60 dB
0.775V
X86.5
>20kΩ/>10kΩ
-105dB
> - 60dB
H
80,000 µF
100V-240V, 50-60Hz
2.0A
8.6A
16.0A
21.0A
3250 BTU/hr
4341 BTU/hr
3.5" x 19" x 18"
89 x 483 x 457mm
52lbs. (23.60 kg)
47 lbs. (21.33 kg)
5 years*
700W
1200W
1400W
2400W
2800W
650W
1100W
1100W
2200W
2200W
90V
126V
20Hz-20kHz, -3dB@135kHz
20Hz-20kHz, -.23dB/+.85dB
<0.01%
<0.01%
800:1
> - 60 dB
0.775V
X97.5
>20kΩ/>10kΩ
-105dB
> - 60dB
H
140,000 µF
100V-240V, 50-60Hz
2.8A
10.5A
23.0A
30.0A
4750 BTU/hr
6300 BTU/hr
5.25" x 19" x 18"
133 x 483 x 457mm
72 lbs. (32.68 kg)
67 lbs. (30.42 kg)
5 years*
1000W (.03% THD+N)
1800W (.03% THD+N)
2500W (.03% THD+N)
3600W (.03% THD+N)
5000W (.03% THD+N)
950W
1700W
2400W
3400W
4800W
99V
140V
20Hz-20kHz, -3dB@150kHz
20Hz-20kHz, -.2dB/+.2dB
<0.03%
<0.01%
800:1
> - 70dB
0.775V
X115
>20kΩ/>10kΩ
-115dB
> - 80dB
H
144,000 µF
100V-240V, 50-60Hz
3.0A
12.0A
25.0A
36.0A
7125 BTU/hr
9450 BTU/hr
5.25" x 19" x 18"
133 x 483 x 457mm
82 lbs. (37.23 kg.)
77 lbs. (34.96 kg.)
5 years*
† For full power at 4 Ohms. ‡ See table below for optional settings. * 3-Year Warranty with 2 additional years if Registration Card is sent to Crest Audio. (USA, Canada, United Kingdom and many other countries).
Crest Audio reserves the right to make changes or improvements in manufacturing or design which may affect specification. ©1997 Crest Audio Inc. 10/13/97
ACL, IGM, AutoRamp, short circuit, DC voltage, turn-on/off transient, current inrush, sub/ultrasonic input
Female XLR (pin 2+, configurable for pin 3+), TRS (tip+)
5-way binding posts (2 pair on CA18) or Speakon connectors (market dependent)
Steel chassis, 16 gauge. Double thickness in rack ear areas.
Clip/Limit, Signal, Temp/DC, Active
Front panel: 2 attenuators, magnetic circuit breaker/power switch; Rear panel: signal ground lift & mode switches; CA18: XLR polarity & input sens./voltage gain switches)
Two rear panel variable speed DC fans, filters detatchable without tools
CA2 CA4 CA6 CA9 CA12 CA18
Gain Sens Gain Sens Gain Sens Gain Sens Gain Sens Gain Sens
Factory Standard X45 .775V X61 .775V X68 .775V X86.5 .775V X97.5 .775V X115 .775V
Option 1 X40 .866V X40 1.12V X40 1.32V X40 1.66V X40 1.87V X40 2.24V
Option 2 X20 1.73V X20 2.24V X20 2.65V X20 3.32V X20 3.74V X20 4.47V

Crest Audio CA Series Power Amplifiers Appendix B
Models CA2, CA4, CA6, CA9, CA12, CA18
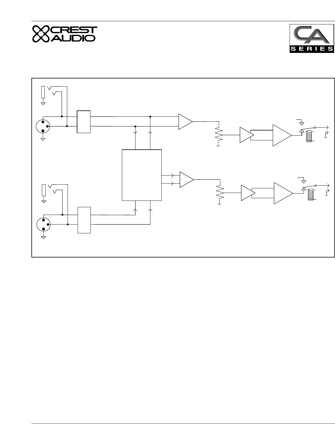
Appendix B - CA Block Diagram
BRIDGED
-
PARALLEL
-
STEREO
SWITCH
R
T
2
3
1
2
3
1
R
T
2 / 3
PIN 2 / 3 +
JUMPER
(REAR PANEL SWITCH
ON CA18)
+
-INVERTED
NON-INVERTED PREAMP
PREAMP
ATTENUATOR
ATTENUATOR
AMP FRONT END
AMP FRONT END
OUTPUT STAGE
OUTPUT STAGE
OUTPUT RELAY
OUTPUT RELAY
2 / 3
PIN 2 / 3 +
JUMPER
(REAR PANEL SWITCH
ON CA18)
+
-INVERTED
NON-INVERTED
B
B
+
A
-
A
+
-
CHANNEL A
CHANNEL B
†
†
† PREAMP INCORPORATES INPUT
SENSITIVITY/VOLTAGE GAIN JUMPER
(REAR PANEL SWITCH ON CA18)

Appendix C Crest Audio CA Series Power Amplifiers
Models CA2, CA4, CA6, CA9, CA12, CA18
Stranded Cable Lgth.
(m)
2
5
10
30
Wire Gauge (mm2)
0.3
0.5
0.75
1.5
2.5
4
0.5
0.75
1.5
2.5
4
6
0.5
0.75
1.5
2.5
4
6
0.75
1.5
2.5
4
6
10
Power Loss
(8 ohm load)
2.9%
1.74
1.16
0.58
0.35
0.22
4.3%
2.9
1.45
0.87
0.55
0.37
8.24%
5.6
2.9
1.74
1.09
0.73
15.5%
8.2
5.1
3.2
2.2
1.31
Power Loss
(4 ohm load)
5.6%
3.4
2.3
1.16
0.70
0.44
8.2%
5.6
2.9
1.74
1.09
0.73
15.5%
10.8
5.6
2.9
1.74
1.09
0.73%
15.5
9.8
6.3
4.3
2.6
Power Loss
(2 ohm load)
10.8%
6.7
4.5
2.3
1.39
0.87
15.5%
10.8
5.6
3.4
2.2
1.45
28%
19.9
10.8
6.7
4.3
2.9
45%
28
18.2
12.0
8.2
5.1
Appendix C - Wire Gauge Chart (Metric)

Crest Audio CA Series Power Amplifiers Appendix C
Models CA2, CA4, CA6, CA9, CA12, CA18
Stranded Cable Lgth.
(ft.)
5
10
40
80
Wire Gauge (AWG)
18
16
14
12
10
18
16
14
12
10
18
16
14
12
10
8
18
16
14
12
10
8
Power Loss
(8 ohm load)
0.81%
0.51
0.32
0.20
0.128
1.61%
1.02
0.64
0.40
0.25
6.2%
4.0
2.5
1.60
1.01
0.60
11.9%
7.7
5.0
3.2
2.0
1.20
Power Loss
(4 ohm load)
1.61%
1.02
0.64
0.40
0.25
3.2%
2.0
1.28
0.80
0.51
11.9%
7.7
5.0
3.2
2.0
1.20
22%
14.6
9.6
6.2
4.0
2.4
Power Loss
(2 ohm load)
3.2%
2.0
1.28
0.80
0.51
6.2%
4.0
2.5
1.60
1.01
22%
14.6
9.6
6.2
4.0
2.4
37%
26
17.8
11.8
7.7
4.7
Appendix C - Wire Gauge Chart (Imperial)

Appendix D Crest Audio CA Series Power Amplifiers
Models CA2, CA4, CA6, CA9, CA12, CA18
A
B
B
A
+
+
+
A
A
B
B
B
A
A
B
XLR Pin +
2 3
GAIN
Ø
dBu 40x 20x
+
1
3-
2+
A
AB
AB
A
Input Connection Section
Output Connection Section
XLR Connector Polarity Indicator
TRS Connector Polarity Indicator
Mode Selection Switch - Bridged Mono Position
Mode Selection Switch - Parallel Position
Mode Selection Switch - Stereo Position
Chassis Ground Lift Switch - Ground Lifted Position
Chassis Ground Lift Switch - Grounded Position
Gain Select Switch (CA18)
XLR pin hot (+) select switch (CA18)
Speakon Output Connector - Channel A Stereo/Parallel
Speakon Output Connector - Channel B Stereo/Parallel
Speakon Output Connector - Bridged Mono
5-Way Binding Post Output Connection - Channel A Stereo/Parallel
5-Way Binding Post Output Connection - Channel B Stereo/Parallel
5-Way Binding Post Output Connection - Bridged Mono
Appendix D
Rear Panel Symbols - Legend

Crest Audio CA Series Power Amplifiers Appendix E
Models CA2, CA4, CA6, CA9, CA12, CA18
Appendix E
CA18 Power Amplifier - Special Functions
XLR Pin +
GAIN
Ø
dBu 40x 20x
A
B
+
AB
A
A
ABA
A
B
B
A
B
B
A
+
+
+
Designed & manufactured in the USA by:
Crest Audio Inc.
100 Eisenhower Dr.
Paramus, New Jersey 07652 USA
2 3
1
3
2
XLR Pin +
GAIN
Ø
dBu 40x 20x
A
B
+
2 3
1
3
2
AB
A
A
ABA
A
B
B
Designed & manufactured in the USA by:
Crest Audio Inc.
100 Eisenhower Dr.
Paramus, New Jersey 07652 USA
B
A
NL4FC
B
A
The CA18 rear panel features external switches for the following:
XLR Pin+ Switch: This switch configures XLR input connection polarity. Either pin 2 or pin 3 may be
selected as the “hot” (+) pin. Amplifiers are shipped pin 2 “hot” (+) from the factory.
Gain Switch: This switch permits the amplifier to be configured for the standard input sensitivity (.775V
for rated power @ 8Ω), or for optional voltage gains of X40 or X20. Refer to the specifications for input
sensitivity values at optional voltage gains of X40 and X20.
NOTE: on the 5-way Output Binding Post version of the CA18, two pairs of 5-way binding posts are provid-
ed for each channel, so that paralleling of speakers is possible.
XLR Pin (+) Switch Gain Switch
CA18 Binding Post Version - Rear View
CA18 Speakon Version - Rear View
ALWAYS power down the amplifier before changing settings
with either the XLR Pin+ switch or the Gain switch!

Crest Audio Inc.
100 Eisenhower Dr., Paramus NJ 07652 USA
TEL: 201.909.8700 FAX: 201.909.8744
http://www.crestaudio.com
Printed in USA
Choice of touring professionals.
*B5000013*
v. 2.9 11/25/97 © 1997 Crest Audio, Inc.