Crestron Electronic Chv Thstat Users Manual Operations Guide DOC. 5812A
CHV-THSTAT to the manual 11ce6479-031a-4202-8d8c-792ce9708d70
2015-02-05
: Crestron-Electronic Crestron-Electronic-Chv-Thstat-Users-Manual-531489 crestron-electronic-chv-thstat-users-manual-531489 crestron-electronic pdf
Open the PDF directly: View PDF
.
Page Count: 48
- Quick Installation Reference
- Thermostats: CHV-TSTAT and CHV-THSTAT
- Introduction
- Setup
- Wiring Diagrams
- Installation
- Thermostat Setup and Operation
- Programming Software
- Problem Solving
- Appendix A: Glossary
- Appendix B: About Heat Pumps
- Return and Warranty Policies

Crestron CHV-TSTAT & CHV-THSTAT
Thermostats
Operations and Installation Guide

This document was prepared and written by the Technical Documentation department at:
Crestron Electronics, Inc.
15 Volvo Drive
Rockleigh, NJ 07647
1-888-CRESTRON
All brand names, product names and trademarks are the property of their respective owners.
©2003 Crestron Electronics, Inc.

Crestron CHV-TSTAT and CHV-THSTAT Thermostats
Contents
Quick Installation Reference .....................................................................................................ii
Thermostats: CHV-TSTAT and CHV-THSTAT 1
Introduction ...............................................................................................................................1
Functions and Features................................................................................................1
Specifications ..............................................................................................................3
Physical Description....................................................................................................4
Industry Compliance ...................................................................................................6
Setup ..........................................................................................................................................7
Network Wiring........................................................................................................... 7
Identity Code ...............................................................................................................7
System Connections ....................................................................................................8
Wiring Diagrams .......................................................................................................................9
Separately Powered (by an independent transformer).................................................9
Three-Wire Heating System Connections .................................................................10
Five-Wire Heating/Cooling System Connections......................................................11
Heat Pump Connections (Single & Two-Stage)........................................................ 12
Installation ...............................................................................................................................14
Thermostat Setup and Operation ............................................................................................. 16
Setup Procedure......................................................................................................... 16
Operating the Thermostat .......................................................................................... 21
Programming Software............................................................................................................24
Programming with Crestron D3 Pro.......................................................................... 25
Programming with SIMPL Windows ........................................................................25
Viewport ID String....................................................................................................36
Problem Solving ......................................................................................................................37
Troubleshooting......................................................................................................... 37
Further Inquiries ........................................................................................................ 38
Firmware Upgrades ................................................................................................... 38
Future Updates ..........................................................................................................38
Appendix A: Glossary .............................................................................................................39
Appendix B: About Heat Pumps..............................................................................................40
Return and Warranty Policies .................................................................................................. 41
Merchandise Returns / Repair Service ...................................................................... 41
CRESTRON Limited Warranty.................................................................................41
Operations and Installation Guide – DOC. 8163A Contents • i

Thermostats Crestron CHV-TSTAT and CHV-THSTAT
Quick Installation Reference
1. Select a suitable location and run the connecting wires from the heating/cooling system and the Cresnet system.
Refer to page 5 for a description of the thermostat connectors.
Refer to page 7 for Network wiring details.
Use the appropriate wiring diagram:
• Heating or Cooling System Powered (Refer to page 9).
• Separately Powered (Refer to page 9).
• Three Wire Heat Only with Fan (Refer to page 10).
• Five Wire Heat/Cool Systems (Refer to page 11)
• Single Stage and Two Stage Heat Pump (Refer to page 12).
2. Separate the thermostat from the backplate to expose the connections and mounting holes.
3. Mount the thermostat backplate (60 inches above the finished floor) directly to the wall with wall anchors (not
provided) and screws (not provided) or to a single-gang box (not provided) mounted horizontally, and connect
the wiring. Refer to page 14 for detailed mounting instructions and page 8 for detailed connector information. If
using a five-sided box, fill with insulation material to minimize wall air ingress.
4. Install the thermostat on the backplate (Refer to page 14).
5. Setup the thermostat (Refer to page 16).
6. Configure the thermostat (Refer to Operating the Thermostat on page 21).
ii • Thermostats: CHV-TSTAT and CHV-THSTAT Operations and Installation Guide – DOC. 8163A

Crestron CHV-TSTAT and CHV-THSTAT Thermostats
Thermostats: CHV-TSTAT and
CHV-THSTAT
Introduction
Functions and Features
The CHV-TSTAT and CHV-THSTAT series are wall-mounted universal thermostats
that can be part of a Crestron Home® total control system. The thermostats are
capable of controlling one or two-stage heating and cooling systems. Each
thermostat is available in three colors: almond, black and white. The suffix ‘A’, ‘B’,
and ‘W’, respectively denotes color, e.g., CHV-TSTATB is a black unit. For
simplicity within this guide, color suffix is omitted and the designations CHV-
TSTAT and CHV-THSTAT are used except where noted.
Functional Summary
• User adjustable temperature and/or humidity control of one and two-stage
heating and cooling systems
• 128 x 64 transflective 2.75 inch (6.99 cm) LCD display
• Fahrenheit or Celsius indication
• Four-front panel buttons for setup, configuring and temperature/humidity
adjustments
• Back light (with each button press) for night viewing
• Supports up to two remote temperature and/or temperature/humidity sensors.
Future firmware releases will support up to four remote sensors per thermostat
• Operates as a stand-alone device or in a Cresnet® system
• Extended functionality as a Cresnet device for lighting control, alarms, etc.
The CHV-TSTAT provides temperature control, while the CHV-THSTAT provides
temperature and humidity control. Temperature and humidity information is
provided through a transflective LCD display. Four front panel buttons and the LCD
display provide temperature and/or humidity indication and control, current system
status, and current fan mode. The LCD also provides status indicators denoting when
heat, cool, humidity or fan outputs are energized; a message indicator, so users know
when a message is waiting to be read; a net indicator to denote when the network is
active and a hold indicator that identifies when the thermostat is overriding the
Cresnet temperature set point commands.
Operations and Installation Guide – DOC. 8163A Thermostats: CHV-TSTAT and CHV-THSTAT • 1

Thermostats Crestron CHV-TSTAT and CHV-THSTAT
Remote Sensors
The current firmware release supports the addition of two optional remote sensors:
temperature only (CHV-RTS) and/or temperature/humidity (CHV-RTHS), for both
thermostats.
Outdoor conditions can be imported from the optional external sensors CHV-RTS or
CHV-RTHS, temperature and temperature/humidity respectively.
Subsequent firmware releases will support the addition of up to four optional remote
sensors, in any combination, for each thermostat. For additional information about
the sensors, refer to the latest revision of the CHV-RTS & CHV-RTHS Installation
Guide (Doc. 8189), which is available from the Crestron website
(www.crestron.com).
NOTE: The CHV-TSTAT and CHV-THSTAT allow the user to set a temperature
that the heating and/or cooling system maintains. This is called the “Set Point”. Refer
to “Operating the Thermostat” on page 21 for more information.
NOTE: Crestron sensors are suitable for mounting in dry or damp locations as
defined by the National Electrical Code.
NOTE: Installers should have a strong working knowledge of HVAC systems.
Heating and Cooling Systems
The CHV-TSTAT can control the following heating and cooling systems:
• One stage heat
• One stage heat, one stage cool
• One stage heat, one stage cool: heat pump with auxiliary heat
• Two stage heat
• Two stage heat, one stage cool
• One stage heat, two stage cool
• Two stage heat, two stage cool
• Two stage heat, two stage cool: heat pump with auxiliary heat
NOTE: Two Stage Heating – Unlike traditional furnaces that turn on and run at full
capacity with each demand for heating, two-stage heat operates like two separate
furnaces to maintain more consistent comfort in your home. The unit starts out
running in its first stage, and operates at a fraction of its heating capacity. This
reduced capacity is sufficient to warm your home on mild winter days. But when the
temperature outside goes very low, the furnace adjusts to full capacity (second stage)
to meet the demand for heat within the home.
Two Stage Cooling – In warm weather, the first stage of the cooling equipment
operates at a fraction of the total cooling capacity. On very hot days, the second stage
of the cooling equipment energizes, and the cooling system operates at full capacity.
2 • Thermostats: CHV-TSTAT and CHV-THSTAT Operations and Installation Guide – DOC. 8163A

Crestron CHV-TSTAT and CHV-THSTAT Thermostats
Specifications
The following table provides a summary of specifications for the CHV-TSTAT and
CHV-THSTAT.
CHV-TSTAT and CHV-THSTAT Specifications
SPECIFICATION DETAILS
Power Requirements 2 Watts (24 VAC @ 83mA) Heating or
Cooling System Supplied
Crestron power factor <1Watt (required for Cresnet
communication only)
Default Network ID 2A
Control System Update Files1,2,3
2-Series Control System Version C2-2004.CUZ or later
CEN/CN-TVAV Version 5.10.13V.UPZ or later
CNMSX-AV/PRO Version 5.07.05X.UPZ or later
CNRACKX/-DP Version 5.07.06W.UPZ or later
ST-CP Version 4.00.49S.UPZ or later
LCD Display 128 x 64 Transflective 2.75 in (6.99 cm)
Screen Viewing Angles Y Dir. (X=0º): +50º (from top) –50º (from
bottom)
X Dir. (X=10º): +50º (from right) –50º
(from left)
Humidity Range 0 – 100%
Auto Setpoint Range (union of heat
and cool setpoint ranges)
38 –-99°F (3 – 37°C)
Heat Only Setpoint Range 38 –- 89°F (3 – 32°C)
Cool Only Setpoint Range 59 –- 99°F (15 – 37°C)
Temperature Measurement Range 0 – 110° (-18 – 43°C)
Firmware Update Files4
CHV-TSTAT/CHV-THSTAT
Update Files
CHVTSTAT.xx.UPG or later
CHVTHSTAT.x.x.UPG or later
Dimensions and Weight Height: 3.75 in (9.50 cm)
Width: 5.00 in (12.70 cm)
Depth: 1.04 in (2.63 cm)
Weight: 5.80 oz (165 g)
1. The latest versions can be obtained from the Downloads | Software Updates section of the Crestron
website (www.crestron.com). Refer to NOTE after last footnote.
2. Crestron 2-Series control systems include the AV2, CP2, CP2E, MP2, MP2E, PAC2, PRO2, and
RACK2.
3. CNX update files are required for either CNMSX-AV/Pro or CNRACKX/-DP. Filenames for CNX
update files have a UPZ extension and ST-CP files are in one EXE or zipped UPZ file. To avoid program
problems, make certain you are using the update file with the correct suffix letter (e.g., S, V, W, X).
4. Filenames for CHV update files have a UPG extension and are in one zipped UPG file. The ‘x’ in the file
name refers to the version number.
NOTE: Crestron software and any files on the website are for Authorized Crestron dealers
only. New users may be required to register to obtain access to certain areas of the
site (including the FTP site).
Operations and Installation Guide – DOC. 8163A Thermostats: CHV-TSTAT and CHV-THSTAT • 3

Thermostats Crestron CHV-TSTAT and CHV-THSTAT
Physical Description
Refer to the illustrations below and on next page. The CHV-TSTAT and CHV-
THSTAT are enclosed in a plastic enclosure with four buttons and an LCD display
on the front. The back of the unit has ventilation slots, and holes for mounting the
unit and wiring. The ventilation slots must be unobstructed for airflow to the unit.
Physical View of CHV-TSTAT and CHV-THSTAT
66oF
43 %
68oF
HEATING
HEAT ONLY
ON LINE
H1 H2 AX
Current Set Point
(indicates desired
temperature, or
temperature range in
auto mode)
Current Activity
Current Function
System Information
- ON LINE (Cresnet
on)
- HOLD (Cresnet
off)
- NET FAULT (Net
down)
- VIEW MSG (view
message)
Internal Relay Status
Current Temperature
Current Humidity
3.27 in
(8.29 cm)
3.38 in
(8.59 cm)
4.630 in
(11.76 cm)
3.75 in
(9.50 cm)
5.00 in
(12.70 cm)
MODE
VIEW
1.04 in
(2.63 cm)
0.47 in
(1.18 cm)
Front and Side Views
R
ear View
1.75 in
(4.44 cm)
4 • Thermostats: CHV-TSTAT and CHV-THSTAT Operations and Installation Guide – DOC. 8163A

Crestron CHV-TSTAT and CHV-THSTAT Thermostats
Connection View (Backplate, view from the front with cover removed)
TOP
HUM
RHU
RSR
RSR
RS1
RS2
24(C)
24(R)
24V
Y
Z
G
NETWORK
RH
RC
G
Y/Y1
Y2
O
B
W/W1
W2
Ports
The CHV-TSTAT and CHV-THSTAT have four types of connections on the inside
back plate (refer to graphic above).
NETWORK (Optional) – provides communication to the control system and Cresnet
power to the CHV-TSTAT and CHV-THSTAT. If making network connections to
Cresnet peripherals, refer to “Network Wiring” on page 7.
CRESNET CONNECTIONS (optional)
PIN DESCRIPTION
24 +24VDC
Y Cresnet Data
Z Cresnet Data
G Ground
REMOTE SENSING CONNECTIONS (optional)
PIN DESCRIPTION
RSR Remote Sensor Returns – Common sensor terminal
RS1 Remote Sensor terminal – Connect the sensor from RS1 to RSR
RS2 Remote Sensor terminal – Connect the sensor from RS2 to RSR
POWER CONNECTIONS (Required)
PIN DESCRIPTION (refer to System Connections on page 8)
24 (C) 24 VAC common terminal supplies remote 24 VAC power to
thermostat.
24 (R) 24 VAC reference terminal. Can be connected to RH or RC by
P4 jumper setting, or tied directly to power source (refer to
System Connections on page 8)
Operations and Installation Guide – DOC. 8163A Thermostats: CHV-TSTAT and CHV-THSTAT • 5

Thermostats Crestron CHV-TSTAT and CHV-THSTAT
CONTROL CONNECTIONS (System Dependent)
PIN DESCRIPTION
HUM Energized to RHU during humidity call
RHU Reference for humidifier
RH Reference Heat, used for calls to heating system
RC Reference Cool, used for calls to cooling system
G Fan, energized to RC during call for fan
Y/Y1 Compressor (stage one), energized to RC when
compressor (or first stage) is run
Y2 Compressor (stage two), energized to RC on two-stage
systems on call for second stage
O Changeover control, energized to RC during cooling modes
B Energized to RC during non-cooling modes
W/W1 Heat (single stage)/heat (stage one) energized to RH
during a call for heat in heat/cool systems or aux heat in
heat pump systems
W2 Heat (stage two), energized to RH during a call for second
stage heat in heat/cool systems
Buttons
There are four buttons used to setup and adjust the thermostat.
MODE – Access to the user controls (System Mode, Fan Mode,
Humidifier, Crestron System, and Global Update)
MODE
VIEW VIEW – Access to Humidity reading, Outdoor Temperature reading, and
System Messages.
NOTE: When MODE and VIEW are pressed together and held for five seconds, the
thermostat enters the system setup mode (refer to “Thermostat Setup” on page 16).
T
T
UP ▲ – Selects user modes and increments selection in setup modes
DOWN ▼ – Selects user modes and decrements selection in setup modes
Industry Compliance
As of the date of manufacture, this unit has been tested and found to comply with
specifications for CE marking and standards per EMC and Radio Communications
Compliance Labeling (N11785).
NOTE: This device complies with part 15 of the FCC rules. Operation is subject to
the following two conditions: (1) this device may not cause harmful interference, and
(2) this device must accept any interference received, including interference that may
cause undesired operation.
6 • Thermostats: CHV-TSTAT and CHV-THSTAT Operations and Installation Guide – DOC. 8163A

Crestron CHV-TSTAT and CHV-THSTAT Thermostats
Setup
Network Wiring
NOTE: When installing network wiring, refer to the latest revision of the wiring
diagram(s) appropriate for your specific system configuration, available from the
Downloads | Product Manuals | Wiring Diagrams section of the Crestron website
(www.crestron.com).
When calculating the wire gauge for a particular Cresnet run, the length of the run
and the power factor of each network unit to be connected must be taken into
consideration. If Cresnet units are to be daisy-chained on the run, the power factor of
each unit to be daisy-chained must be added together to determine the power factor
of the entire chain. If the unit is a home-run from a Crestron system power supply
network port, the power factor of that unit is the power factor of the entire run. The
length of the run in feet and the power factor of the run should be used in the
following resistance equation to calculate the value on the right side of the equation.
Resistance Equation
R = Resistance (refer to table below).
L = Length of run (or chain) in feet.
PF = Power factor of entire run (or chain).
R < L x PF
40,000 Where:
The required wire gauge should be chosen such that the resistance value is less than
the value calculated in the resistance equation. Refer to the table below.
Wire Gauge Values
RESISTANCE WIRE GAUGE
4 16
6 18
10 20
15 22
13 Doubled CAT 5
8.7 Tripled CAT 5
NOTE: All Cresnet wiring must consist of two twisted-pairs. One twisted pair is the
+24V conductor and the GND conductor and the other twisted pair is the Y
conductor and the Z conductor.
NOTE: For larger networks (i.e., greater than 28 network devices), it may be
necessary to add a Cresnet Hub/Repeater to maintain signal quality throughout the
network. Also, for networks with lengthy cable runs or varying types of network
devices, it may be desirable to add a hub/repeater after only 20 network devices.
Identity Code
Every equipment and user interface within the network requires a unique Cresnet
identity code (NET ID). These codes are assigned a two-digit hexadecimal number
from 03 to FE. The NET ID of the unit must match the NET ID specified in the
SIMPL Windows or D3 Pro program. Refer to “Device Options” on page 18 for a
description of assigning the NET ID to the thermostat and “Setting the Net ID in
Device Settings” on page 26 for an example of the SIMPL Windows procedure.
Operations and Installation Guide – DOC. 8163A Thermostats: CHV-TSTAT and CHV-THSTAT • 7

Thermostats Crestron CHV-TSTAT and CHV-THSTAT
System Connections
Backplate - view from the front with the cover removed
TOP
HUM
RHU
RSR
RSR
RS1
RS2
24(C)
24(R)
24V
Y
Z
G
NETWORK
RH
RC
G
Y/Y1
Y2
O
B
W/W1
W2
Backplate
24(R) - 24 VAC reference terminal. Can be connected to RH or RC
by P4 jumper setting, or tied directly to power source
24(C) - 24 VAC common terminal supplies remote 24 VAC power
to thermostat
RS2 - Remote Sensor terminal - Connect the sensor from RS2 to RSR
RS1 - Remote Sensor terminal - Connect the sensor from RS1 to RSR
RSR - Remote Sensor Returns - Common sensor terminal
RHU - Reference for humidifier
HUM - Energized to RHU during humidity call
W2 - Heat (stage two), energized to RH during a call for
second stage heat in heat/cool systems
W/W1 - Heat (single stage)/heat (stage one) energized to RH
during a call for heat in heat/cool systems or aux heat in
heat pump systems
B - Energized to RC during non-cooling modes
O - Changeover control, energized to RC during cooling modes
Y2 - Compressor (stage two), energized to RC on two-stage
systems on call for second stage
Y/Y1 - Compressor (stage one), energized to RC when
compressor (or first stage) is run
G - Fan, energized to RC during call for fan
RC - Reference Cool, used for calls to cooling system
RH - Reference Heat, used for calls to heating system
Network Connection
for Crestron
Installer Only
8 • Thermostats: CHV-TSTAT and CHV-THSTAT Operations and Installation Guide – DOC. 8163A

Crestron CHV-TSTAT and CHV-THSTAT Thermostats
Wiring Diagrams
The wiring diagrams that follow show connections for the CHV-TSTAT and CHV-
THSTAT.
CAUTION: The P4 Jumper Position on the Circuit Board depends on the
power method chosen, and is critical to proper operation. Improper P4 jumper
position can cause equipment damage.
NOTE: Ensure that the power circuits are shut off at the source before connecting
the thermostat. Provide disconnect means and overload protection as required for the
power supply.
NOTE: Ensure that the transformer has sufficient power for all the thermostats in
the system, or use multiple transformers. Refer to the power requirements in
“Specifications” on page 3.
The following diagrams are examples of connections for heat, heat/cool and one-
stage and two-stage heat pump systems.
NOTE: Use either connector O or B as required, for changeover control.
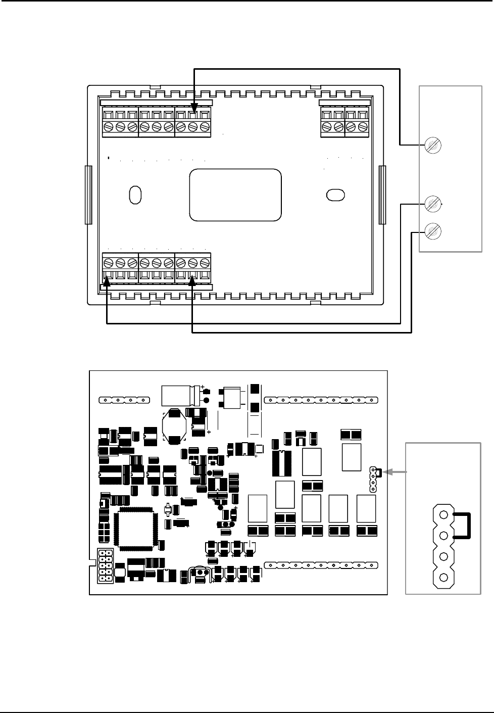
Separately Powered (by an independent transformer)
Backplate Connection and Circuit Board Jumper Position
CRESTRON ELECTRONICS
P1
P3
P6
P5
P4
TOP
HUM
RHU
RSR
RSR
RS1
RS2
24(C)
24(R)
24V
Y
Z
G
NETWORK
RH
RC
G
Y/Y1
Y2
O
B
W/W1
W2
1
2
3
4
Jumper on P4 between pins 2 and 3
3
2
P4
Backplate Thermostat circuit board
120 VAC
24 VAC
Transformer
24(C)
24(R)
1
2
3
4
P4
NOTE: The P4 jumper position is critical to proper operation and depends on the
method used to power the thermostat.
Operations and Installation Guide – DOC. 8163A Thermostats: CHV-TSTAT and CHV-THSTAT • 9

Thermostats Crestron CHV-TSTAT and CHV-THSTAT
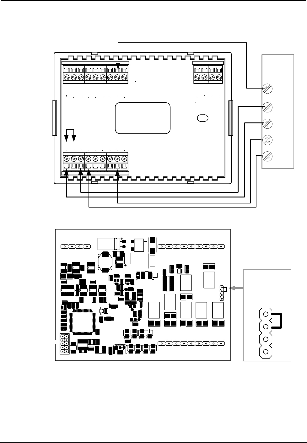
Three-Wire Heating System Connections
CRESTRON ELECTRONICS
Jumper on P4
between pins 1
and 2
1
2
P4
C
R
W
TOP
HUM
RHU
RSR
RSR
RS1
RS2
24(C)
24(R)
24V
Y
Z
G
NETWORK
RH
RC
G
Y/Y1
Y2
O
B
W/W1
W2
Backplate
Thermostat Circuit Board
P1
P3 P6
P5
P4
1
2
3
4
Integrated
Control
Unit
10 • Thermostats: CHV-TSTAT and CHV-THSTAT Operations and Installation Guide – DOC. 8163A

Crestron CHV-TSTAT and CHV-THSTAT Thermostats
Five-Wire Heating/Cooling System Connections
CRESTRON ELECTRONICS
Jumper on P4
between pins 1
and 2
1
2
P4
Integrated
Control
Unit
C
G
R
W
Y
TOP
HUM
RHU
RSR
RSR
RS1
RS2
24(C)
24(R)
24V
Y
Z
G
NETWORK
RH
RC
G
Y/Y1
Y2
O
B
W/W1
W2
Backplate
Jumper
From RH
to RC
P1
P3 P6
P5
P4
1
2
3
4
Thermostat Circuit Board
Operations and Installation Guide – DOC. 8163A Thermostats: CHV-TSTAT and CHV-THSTAT • 11

Thermostats Crestron CHV-TSTAT and CHV-THSTAT
Heat Pump Connections (Single & Two-Stage)
Aux Heat connected to W/W1 – RH and RC jumped together
TOP
HUM
RHU
RSR
RSR
RS1
RS2
24(C)
24(R)
24V
Y
Z
G
NETWORK
RH
RC
G
Y/Y1
Y2
O
B
W/W1
W2
Backplate
Jumper
From RH
to RC
Integrated
Control Unit
C
R
Y
G
O
Aux
Y2
(2nd Stage)
3
4
P4
Jumper on
P4 pins 3 & 4
Thermostat Circuit Board
CRESTRON ELECTRONICS
P1
P3 P6
P5
P4
1
2
3
4
NOTE: For wiring details, refer to the general Heat Pump schematic on the
following page.
12 • Thermostats: CHV-TSTAT and CHV-THSTAT Operations and Installation Guide – DOC. 8163A

Crestron CHV-TSTAT and CHV-THSTAT Thermostats
Generalized Two Stage Heat Pump Schematic
TOP
HUM
RHU
RSR
RSR
RS1
RS2
24(C)
24(R)
24V
Y
Z
G
NETWORK
RH
RC
G
Y/Y1
Y2
O
B
W/W1
W2
Fan Relay
1st Stage Compressor
2nd StageCompressor
Changeover Valve
Backplate
Heat Pump
Transformer
120 VAC 24 VAC
C
R
Aux Heat Relay
Aux Heat
Transformer
120 VAC 24 VAC
C
R
Operations and Installation Guide – DOC. 8163A Thermostats: CHV-TSTAT and CHV-THSTAT • 13

Thermostats Crestron CHV-TSTAT and CHV-THSTAT
Installation
The location of the thermostat can affect its performance and efficiency. Install the
thermostat away from direct sunlight, drafts, doorways, skylights, and windows.
Also make sure the thermostat is conveniently located for programming, and do not
mount on an exterior wall. The thermostats may be mounted directly to drywall or to
a single-gang box.
Thermostats and sensors are mounted 60 inches (152.4 cm) above the finished floor
(HVAC industry standard).
Refer to the following illustrations. Do the following to install the CHV-TSTAT or
the CHV-THSTAT.
NOTE: When installing directly on drywall, use anchoring screws and hardware.
Make sure the back of the thermostat is flush with drywall and the unit is level.
Required Hardware
• Thermostat
• Phillips screwdriver (not supplied)
• Two 6/32 x 1 inch panhead screws (supplied) for mounting to a
single-gang box
• Single-gang box (not supplied)
• Wall anchors (not supplied) and screws (not supplied) for
mounting directly to drywall
1. Separate thermostat front plate from back plate (you may need to exert force
when removing the faceplate).
2. Turn off the circuit breaker when connecting power to the thermostat, and
connect wiring as required (wiring goes through center hole on back plate).
NOTE: Ensure the correct position of the P4 jumper; refer to pages 10, 11 and 12.
3. Attach back plate to drywall with screws and anchors (anchor hardware not
provided) 60 inches above the finished floor. Thermostat may also be
mounted to a single-gang box mounted horizontally, using the two 6/32 x 1
in panhead screws provided. If using a five-sided single-gang box, fill with
insulation material to minimize wall air ingress. Ensure that the thermostat
is level and the ventilation holes in the backplate are not blocked.
4. Note orientation of front plate connection leads and reattach the front plate
on the back plate (make sure front plate snaps in place and no wires are
pinched).
NOTE: If replacing an existing thermostat, make note of the wire colors and
positions before removing the old thermostat.
14 • Thermostats: CHV-TSTAT and CHV-THSTAT Operations and Installation Guide – DOC. 8163A

Crestron CHV-TSTAT and CHV-THSTAT Thermostats
Installation View – Single gang electrical box – horizontal mounting
NOTE: Install insulation in the gang box to prevent inaccurate readings.
Panhead
6/32 x 1 in
Single-gang
electrical box
(not provided)
Stud
Installation view – Direct mount to wall
Mounting
Screws
(not provided)
Wall Anchors
(not provided)
Backplate
Operations and Installation Guide – DOC. 8163A Thermostats: CHV-TSTAT and CHV-THSTAT • 15

Thermostats Crestron CHV-TSTAT and CHV-THSTAT
Thermostat Setup and Operation
Setup Procedure
After the thermostat is installed, it is necessary to set it up. Follow these directions.
Press and hold the MODE and VIEW buttons simultaneously for five seconds to
access the setup menus.
The following SETUP screens appear in this order:
1. SYSTEM
2. SYSTEM PERFORMANCE
3. HUMIDITY/FAN OPTIONS
4. DEVICE OPTIONS
5. SCREEN OPTIONS
6. DISPLAY OPTIONS
7. SENSORS
8. SERVICE/TEST
Use the MODE button to advance to the next setup screen.
1. System
Press VIEW to select the parameter: Heating System Type (Heat/Cool or heat
pump), Heat stages (1 or 2), Cool Stages (1 or 2), and radiant or forced air system. A
box appears around the selected parameter.
Press the Arrow keys (▲▼) to enter the value of the selected parameter.
MODE
VIEW T
T
CRESTRON
SETUP: SYSTEM
Heat Sys Type:
# Heat Stags:
# Cool Stags:
Radiant /
Forced Air:
H/C
1
1
F.Air
Heat/Cool (H/C) or Heat Pump (Hpump)
One or Two Stages
Forced Air or Radiant choice for Heat/Cool systems
HP/Aux or D.Fuel (Dual Fuel) choice for Heat Pump
16 • Thermostats: CHV-TSTAT and CHV-THSTAT Operations and Installation Guide – DOC. 8163A

Crestron CHV-TSTAT and CHV-THSTAT Thermostats
2. System Performance
Press the MODE button to access the next menu, SYSTEM PERFORMANCE. Press
VIEW to select preferences. Press the Arrow keys (▲▼) to select the value of the
parameter.
MODE
VIEW T
T
CRESTRON
SETUP: SYSTEM PERF
Heat Anticipator:
Cool Anticipator:
Auto Mode DdBand:
HP Balance Pt:
AUX Balance Pt:
3
3
20
00
150
Anticipators
(valid selections are 1 through 6)
Low number = more frequent cycles and faster
response (tighter regulation)
High number = less frequent cycles and slower
response (looser regulation)
Auto Mode Dead Band
(valid selections are 2 through 60)
The minimum differential between heating
and cooling setpoints (Dual Setpoint Auto
set to Yes in Display Options on page 19).
HP Balance Point (Heat Pump Systems only)
Minimum outdoor temperature at which the heat
pump will run (requires outdoor sensor)
AUX Balance Point (Heat Pump with Aux only)
Maximum outdoor temperature at which Aux Heat
System supplements the heat pump (requires
outdoor sensor)
NOTE: Setting the HP Balance Point to 0º can disable Heat pump. Setting the Aux
Balance Point to 90º can disable Aux Heat.
3. Humidifier/Fan Options
Press the MODE button to access the HUMIDIFIER/FAN OPTIONS. Press VIEW
to select option. Press the Arrow keys (▲▼) to select the value of the parameter.
MODE
VIEW T
T
CRESTRON
SETUP: HUM/FAN OPTS
Disp Humidity Pgs?
Cold Weather Comp?
Run Fan in Ht Calls?
Y
Y
N
Display Humidity Pages?
Cold Weather Compensation?
Run Fan in Heat Calls?
Yes or No
Yes or No. Modifies the humidifier output
to prevent condensation on the windows.
Requires an outdoor temperature sensor.
Yes or No
Most heating systems run the fan
automatically. If your heating system
requires fan control, select Yes.
Operations and Installation Guide – DOC. 8163A Thermostats: CHV-TSTAT and CHV-THSTAT • 17

Thermostats Crestron CHV-TSTAT and CHV-THSTAT
4. Device Options
Press the MODE button to access the DEVICE OPTIONS. Press VIEW to select
options. Press the Arrow keys (▲▼) to select the value of the parameter.
MODE
VIEW T
T
CRESTRON
SETUP: DEVICE OPTS
Network ID:
LCD Contrast
Firmware
Version [0.1] Bld 133
2A
5
Select Network ID
Valid entries are 03 to FE in Hex
to match the network ID set for the
thermostat in SIMPL Windows
Select LCD Screen Contrast
(1 Lighter through 10 Darker)
5. Screen Options
Press the MODE button to access the SCREEN OPTIONS. Press VIEW to select
each option. Press the Arrow keys (▲▼) to select the value of the parameter.
NOTE: The pages in the following setup screen refer to the screens that are seen by
the user when the VIEW key is pressed in the normal operating mode.
Outdoor Page – Temperature/humidity of the outside sensor (if the optional sensor
is installed). May also be imported from Cresnet.
Global Page – Temperature/humidity selection and system status for entire house.
Allows setting of temperature/humidity throughout a multi-thermostat system from a
single location. Must be wired and programmed as part of a Cresnet system.
Remote Function Page(s) – When part of a Cresnet system, remote function pages
allows control of other functions (for example: lights, alarms, etc.). Each of the two
pages has two definable buttons. The up ▲and down ▼ keys are set by indirect text
for each page, refer to “CHV-TSTAT and CHV-THSTAT Advanced Symbol” on
page 26.
MODE
VIEW T
T
CRESTRON
SETUP: SCRN OPTIONS
Disp Global Page?
Disp Outdoor Page?
Disp Rem Func Pg1?
Disp Rem Func Pg2?
Y
Y
Y
Y
Display Global Page?
Yes or No
Display Outdoor Page?
Yes or No
Display Remote Function Pages?
Yes or No
18 • Thermostats: CHV-TSTAT and CHV-THSTAT Operations and Installation Guide – DOC. 8163A

Crestron CHV-TSTAT and CHV-THSTAT Thermostats
6. Display Options
Press the MODE button to access the DISPLAY OPTIONS. Press VIEW to select
options. Press the Arrow keys (▲▼) to select the value of the parameter.
MODE
VIEW T
T
CRESTRON
SETUP: DISP OPTIONS
Temperature Units:
Temp display offset:
Dual Setpoint Auto:
Main Scn Lwr Obj:
F
00
Y
HM
0F or 0C
Offset (-6 to +60) Allows the user to adjust
the displayed temperature
Main Screen Lower Object
(Under the Temperature Display)
HM - Displays Humidity
NA - No Display
OD - Outdoor temperature
Use Dual Setpoint Automatic
Yes or No
Allows an automatic selection of
setpoint range.
NOTE: Dual Setpoint Automatic – Selecting Yes allows the user to explicitly set
the heat and cool setpoints in auto mode. Selecting No shows one setpoint and the
thermostat automatically selects the operating systems to maintain that setpoint
temperature.
NOTE: The Offset option permits recalibration of the room temperature sensor.
There are various reasons why users may want to adjust the temperature. The
selection number is the number of degrees added or subtracted to the actual
temperature. The range is -6° to +6°. Factory default is 0°. This adjustment changes
the actual regulated temperature, not just the display.
7. Sensors
Press the MODE button to access the SENSORS. Press VIEW to select each sensor
type. Press the Arrow keys (▲▼) to select the value of the parameter.
NOTE: The sensors are used for Temperature/Humidity Averaging. Choose USE to
include each sensor, or OMIT to exclude each sensor in the averaging equation.
Choose OMIT if the remote sensors are not installed.
NOTE: The thermostat will not leave the setup mode unless a valid sensor selection
is made. An omitted remote humidity sensor for a CHV-TSAT does not prevent
setup exit.
Operations and Installation Guide – DOC. 8163A Thermostats: CHV-TSTAT and CHV-THSTAT • 19

Thermostats Crestron CHV-TSTAT and CHV-THSTAT
MODE
VIEW T
T
CRESTRON
SETUP: SENSORS
Sensor
Internal:
Remote 1:
Remote 2:
TEMP HUM
USE OMIT
USE OMIT
USE OMIT
Internal Sensor
Temperature/Humidity in CHV-THSTAT
Temperature only in CHV-TSTAT
Remote Sensors
CHV-RTS temperature only sensor
CHV-RTHS temperature/humidity sensor
Sensors may be indoor or outdoor.
Choose USE, OMIT, or Outdoor (OD)
Select Sensor Type
Temperature and/or Humidity
NOTE: Remote 1 and Remote 2 Options do not appear on this screen if these
sensors are not connected.
NOTE: Declared outdoor temperature/humidity sensors should have both TEMP and
HUM declared as OD (Outdoor).
8. SERVICE/TEST
Press the MODE button to access the SERVICE/TEST setup screen. Press VIEW to
select each parameter. Press the Arrow keys (▲▼) to select the value of the
parameter.
• H1 – Single Stage Heating
• H2 – Two Stage Heating
• C1 – Single Stage Cooling
• C2 – Two Stage Cooling.
NOTE: This screen bypasses all system delays and is used by the installer to
manually operate the HVAC system. Only one system can be run at a time.
MODE
VIEW T
T
CRESTRON
SETUP: SERVICE/TEST
Heat Call:
Cool Call:
Aux Heat Call:
Humidifier Call:
Fan Run Call:
OFF
OFF
OFF
OFF
OFF
Heat Call
Choose Off, H1, or H2
Cool Call
Choose Off, C1 or C2
Fan Run Call (ON or OFF)
Aux Heat (ON or Off)
Only appears on heat pump systems
Humidifier Call (On or Off) CHV-THSTAT only
Press MODE button to return to the first screen. Simultaneously press and hold the
MODE and VIEW buttons to return to normal operation mode.
20 • Thermostats: CHV-TSTAT and CHV-THSTAT Operations and Installation Guide – DOC. 8163A

Crestron CHV-TSTAT and CHV-THSTAT Thermostats
Operating the Thermostat
After setup, configure the thermostat using the following screens.
Main Screen
66oF
43 %
68oF
HEATING
HEAT ONLY
ON LINE
H1
MODE
VIEW T
T
The Main Screen displays the Current Temperature, System Mode, Fan
Mode, and Set Point temperatures. The CHV-THSTAT also displays
Relative Humidity and Humidifier Mode. Press the up ▲arrow button to
increase the set point temperature. Press the down ▼arrow button to
decrease the set point temperature.
NOTE: If you selected Yes in setup screen #6 for “Dual Setpoint Auto”,
pressing MODE toggles between the Heat and Cool setpoints.
This screen also indicates the system currently running:
H1 – Heat System or Stage 1 Heat System
H2 – Stage 2 Heat System
AX – Auxiliary Heating System
C1 – Cooling System or Stage 1 Cooling System
C2 – Stage 2 Cooling System
MODE MODE Button
It may also be necessary to access the following series of screens. Pressing
the MODE button allows the user to access the following screens:
1. System Mode
2. Fan Mode
3. Humidifier
4. Crestron System
5. Global Update
System Mode Screen
MODE
VIEW T
T
System Mode
HEAT COOL AUTO OFF
AUX HEAT ONLY
1. SYSTEM MODE
The “System Mode” screen appears when the MODE button is initially
pressed. Use the up ▲and down ▼arrow buttons to select HEAT, COOL,
AUTO, OFF or AUX Heat Only.
NOTE: The AUTO selection allows the system to switch between Heat and
Cool automatically as needed to maintain the temperature.
NOTE: The AUX HEAT ONLY is for the backup heating system on Heat
Pump systems only. Allows the backup system to operate without operating
the heat pump.
Fan Mode Screen
MODE
VIEW T
T
Fan Mode
AUTO ON
2. FAN MODE
Pressing the MODE button again displays the “Fan Mode” screen.
Use the up ▲and down▼arrow buttons to select AUTO or ON.
NOTE: In AUTO, the fan runs only when the system calls for heat or cool.
In ON, the fan runs continuously.
Operations and Installation Guide – DOC. 8163A Thermostats: CHV-TSTAT and CHV-THSTAT • 21

Thermostats Crestron CHV-TSTAT and CHV-THSTAT
Humidifier Screen
MODE
VIEW T
T
Humidifier
ENABLED DISABLED
3. Humidifier (CHV-THSTAT ONLY)
Pressing the MODE button displays the “Humidifier” screen.
Use the up ▲and down ▼arrow buttons to select ENABLED or
DISABLED.
Crestron System Screen
MODE
VIEW T
T
Crestron Sys
ONLINE HOLD
4. CRESTRON SYSTEM
Pressing the MODE button again displays the Crestron System screen.
Use the up ▲and down▼arrow buttons to select ONLINE or HOLD.
ONLINE – Data flows both ways, to and from the thermostat, enabling
adjustment from a remote location.
HOLD – Data flows one way, from the thermostat, blocking system
commands to change the temperature and humidity when you do
not want the current settings reset.
Global Update Screen
MODE
VIEW T
T
Global Update
SEND
5. GLOBAL UPDATE
Pressing the MODE button again displays the Global Update screen. Allows
a single thermostat location to update the current temperature settings to all
other thermostats on the system, provided that this function has been defined
in the Crestron program.
Press the down▼ button to send the update.
Pressing the MODE button again returns you to the Main Screen
VIEW VIEW Button
The following screens are accessed by pressing the VIEW button:
1. Humidity (If enabled in Setup)
2. Outdoor (If enabled in Setup)
3. Messages
NOTE: If enabled, the VIEW button also allows access to the remote button
function screens. When part of a Cresnet system, the up ▲ and down ▼
arrow buttons can be used to enable other functions (i.e., lighting control,
alarm system, etc.).
Humidity Screen
MODE
VIEW T
T
Humidity
30%24 %
1. HUMIDITY
Press the VIEW button to display the “Humidity” screen.
Use the up ▲and down ▼arrow buttons to adjust the Humidity Set Point
level (CHV-THSTAT only). This page only appears if enabled in the setup.
Refer to “HUMIDIFIER/FAN OPTIONS” on page 17.
NOTE: If a CHV-RTHS temperature/humidity sensor is installed, a CHV-
TSTAT can import and display the humidity.
22 • Thermostats: CHV-TSTAT and CHV-THSTAT Operations and Installation Guide – DOC. 8163A

Crestron CHV-TSTAT and CHV-THSTAT Thermostats
Outdoor Screen
MODE
VIEW T
T
Outdoor
oF
32
2. OUTDOOR
Press the VIEW button again to display the “Outdoor” screen. This allows
the user to view the outdoor temperature (if an outdoor sensor has been
installed) and outdoor humidity (if available). Outdoor temperature/humidity
can come from an outdoor sensor wired directly to the thermostat or through
the Cresnet system from another source. This page is only displayed if
enabled in the setup. Refer to “SCREEN OPTIONS” on page 18.
NOTE: This is only a display and not for system activation. This display can
be shown on either the CHV-TSTAT or the CHV-THSTAT.
Messages Screen
MODE
VIEW T
T
Messages
Emergency Gen in Use
<CLR
3. MESSAGES
Press the VIEW button again to display the “Messages” screen. This screen
allows the user to view any text messages sent from the control system (Only
when part of a Cresnet system). Text messages are limited to 4 lines,
approximately 20 characters per line (including spaces). Allow for word
wrap by staying within the 20 characters/spaces per line maximum. The
thermostat auto-hyphenates when nearing the end of a line. You may use
carriage returns to force a line change.
Press the MODE button to clear (CLR) the message(s). Acknowledges to the
control system that the message has been read.
Operations and Installation Guide – DOC. 8163A Thermostats: CHV-TSTAT and CHV-THSTAT • 23

Thermostats Crestron CHV-TSTAT and CHV-THSTAT
Programming Software
Have a comment about Crestron
software?
Direct software related suggestions
and/or complaints to Crestron via
email (software@crestron.com). Do
not forward any queries to this
address. Instead refer to "Further
Inquiries" on page 38.
The CHV-TSTAT and CHV-THSTAT thermostats do not require programming
when used as stand alone devices. Programming as part of a Cresnet system allows
additional functionality, including:
Global Update and Global Page display – Allows viewing and setting the
temperature/humidity for an entire house in a multi-thermostat system.
Remote Function pages – Allows system control of other functions (lighting,
alarms, etc.). Two pages, two functions per page.
System Messaging – Allows the control system to send text messages to the
thermostat.
Setup is easy thanks to Crestron’s Windows-based programming software. The
Crestron D3 Pro Software creates a complete project, with no special programming
required. D3 Pro completes all necessary programming for a base system including
the control system program. Once D3 Pro creates the project, the system interfaces
and program logic can be customized. It can also be modified with Crestron
development tools (i.e., SIMPL Windows) software, although this should rarely be
necessary.
The program output of D3 Pro is a SIMPL Windows program with much of the
functionality encapsulated in macros. Therefore, extending the capabilities of the
system is very easy. Crestron D3 Pro and SIMPL Windows are intended for users
with different levels of programming knowledge. The flexibility of each is
proportional to the degree of programming expertise (i.e., the more flexible, the
more a programmer needs to know and account for). Of course, one can begin
programming using the easiest method (Crestron D3 Pro) and use advanced
techniques that are available from SIMPL Windows to customize the job.
D3 Pro comes with templates for all supported interfaces. If a user wishes to create a
touchpanel project using templates with a different look-and-feel this can be
accomplished by making a custom template. This custom template can then be used
by D3 Pro to create the final project files. The following are recommended software
version requirements for the PC:
• [Optional] D3 Pro version 1.1 or later (scheduled for May 2003). Requires
SIMPL Windows.
• SIMPL Windows version 2.03.18 or later. Using D3 Pro will require
SIMPL Windows 2.04 or later.
• Requires SIMPL+ Cross Compiler version 1.1.
• Crestron Database version 15.9.3 or later if using D3 Pro. If only using
SIMPL Windows, Crestron Database 15.8.8 is required.
24 • Thermostats: CHV-TSTAT and CHV-THSTAT Operations and Installation Guide – DOC. 8163A

Crestron CHV-TSTAT and CHV-THSTAT Thermostats
Programming with Crestron D3 Pro
The easiest method of
p
rogramming, but does not
offer as much flexibility as
SIMPL Windows.
Crestron D3 Pro offers automatic programming for residential and commercial
systems. The interface of this tool guides you through a few basic steps for
designating rooms and specifying the control system, devices, and functionality.
Crestron D3 Pro then programs the system, including all control system logic.
Crestron D3 Pro is fully integrated with the Crestron suite of software development
tools and accesses these tools behind the scenes, enabling you to easily create robust
systems.
Programming with SIMPL Windows
NOTE: The following assumes that the reader has knowledge of SIMPL Windows.
If not, refer to the extensive help information provided with the software.
NOTE: In the following description, the PRO2 control system is used.
SIMPL Windows is Crestron's software for programming Crestron control systems.
It provides a well-designed graphical environment with a number of workspaces
(i.e., windows) in which a programmer can select, configure, program, test, and
monitor a Crestron control system. SIMPL Windows offers drag and drop
functionality in a familiar Windows® environment.
This section describes a sample SIMPL Windows program that includes a CHV-
TSTAT.
Configuration Manager is where programmers “build” a Crestron control system by
selecting hardware from the Device Library. In Configuration Manager, drag the
PRO2 from the Control Systems folder of the Device Library and drop it in the upper
pane of the System Views. The PRO2 with its associated communication ports is
displayed in the System Views upper pane.
PRO2 System View
The System Views lower pane displays the PRO2 system tree. This tree can be
expanded to display and configure the communications ports.
Expanded PRO2 System Tree
Operations and Installation Guide – DOC. 8163A Thermostats: CHV-TSTAT and CHV-THSTAT • 25

Thermostats Crestron CHV-TSTAT and CHV-THSTAT
C2Net-Device Slot in Configuration Manager
To incorporate a CHV-THSTAT or CHV-TSTAT into the system, drag one of the
symbols for the thermostat from the Crestron Sensing Modules folder of the Device
Library and drop it on C2-NET Device slot in System Views. The PRO2 system tree
displays the thermostat symbol in Slot 9, with a default NET ID of 2A as shown in
the example graphic below.
C2Net Device, Slot 9
Setting the Net ID in Device Settings
Double-click the thermostat icon in the upper pane to open the “Device Settings”
window. This window displays the device information. Select the Net ID tab to
change the Net ID, as shown in the following graphic.
“Device Settings” Window for the CHV-THSTAT
Basic and Advanced Symbols in Programming Manager
Programming Manager is where programmers “program” a Creston control system
by assigning signals to symbols.
You may choose between two different symbol sets for the thermostats, advanced
and basic. The advanced symbol allows a broader range of functions, including the
ability to control other devices (lighting, alarms, etc.), interact with other
thermostats, receive messages from the Crestron system, import and export
temperature and humidity information. The basic symbol, while simpler, still
provides all the necessary connections to operate and control a Heating Ventilation
and Air Conditioning (HVAC) system.
26 • Thermostats: CHV-TSTAT and CHV-THSTAT Operations and Installation Guide – DOC. 8163A

Crestron CHV-TSTAT and CHV-THSTAT Thermostats
CHV-TSTAT AND CHV-THSTAT BASIC SYMBOL
The following diagram shows the basic thermostat symbols in the SIMPL Windows’
Programming Manager. Refer to page 31 for a detailed description of the inputs and
outputs
Detail View of the Basic CHV-THSTAT and CHV-TSTAT Symbol
Digital Inputs/Outputs
Detail View of the Basic CHV-THSTAT and CHV-TSTAT Symbol
Analog Inputs/Outputs
Operations and Installation Guide – DOC. 8163A Thermostats: CHV-TSTAT and CHV-THSTAT • 27

Thermostats Crestron CHV-TSTAT and CHV-THSTAT
CHV-THSTAT AND CHV-TSTAT ADVANCED SYMBOL
The advanced symbol allows additional functionality, including: Global Update and
Global Page display, Function pages, and System Messaging. Refer to page 31 for a
detailed description of the inputs and outputs.
Detail View of the Advanced CHV-THSTAT and CHV-TSTAT Symbol
Digital Inputs/Outputs
28 • Thermostats: CHV-TSTAT and CHV-THSTAT Operations and Installation Guide – DOC. 8163A

Crestron CHV-TSTAT and CHV-THSTAT Thermostats
Detail View of the Advanced CHV-THSTAT and CHV-TSTAT Symbol
Digital Outputs
Operations and Installation Guide – DOC. 8163A Thermostats: CHV-TSTAT and CHV-THSTAT • 29

Thermostats Crestron CHV-TSTAT and CHV-THSTAT
Detail View of the Advanced CHV-THSTAT and CHV-TSTAT Symbol
Analog Inputs/Outputs
Detail View of the Advanced CHV-THSTAT and CHV-TSTAT Symbol
Serial Inputs
30 • Thermostats: CHV-TSTAT and CHV-THSTAT Operations and Installation Guide – DOC. 8163A

Crestron CHV-TSTAT and CHV-THSTAT Thermostats
Thermostat Symbol Definitions
The following tables contain a detailed description of the inputs and outputs for the
basic and advanced CHV-TSTAT and CHV-THSTAT symbols.
NOTE: For the simplest possible programming, connect an appropriate analog
signal to SETPOINT_1, and possibly SETPOINT_2.
System Mode Related Digital Joins
Signal Name Symbol* I/O Definition
SYS_MODE_OFF Both Input Forces off mode (no HVAC system operation)
SYS_MODE_HEAT Both Input Forces heat only mode when asserted
SYS_MODE_COOL Both Input Forces cool only mode when asserted
SYS_MODE_AUTO Both Input Forces auto mode when asserted
SYS_MODE_EHEAT Both Input
Forces emergency heat only mode on heat pump systems
Has no effect if sent to a heat/cool (H/C) system
SYS_MODE_OFF_F
SYS_MODE_HEAT_F
SYS_MODE_COOL_F
SYS_MODE_AUTO_F
SYS_MODE_EHEAT_F
Both Output Outputs for the joins above
Can be used as feedback to show actual system mode status
since the mode can be changed from the thermostat end or
through Cresnet
*Joins are either available in both basic and advanced symbols or in the advanced symbol only.
Fan Mode Related Digital Joins
Signal Name Symbol I/O Definition
FAN_MODE_AUTO Both Input Forces auto fan mode when asserted
FAN_MODE_ON Both Input Forces fan ON mode, fan runs continuously
FAN_MODE_AUTO_F Both Output Feedback for the auto fan mode join above
FAN_MODE_ON_F Both Output Feedback for the on fan mode join above
System Operation Feedback Digital Joins
Signal Name Symbol I/O Definition
HEAT1_F Both Output Asserted for the duration that heat stage 1 is running
HEAT2_F Both Output Asserted for the duration that heat stage 2 is running
AUX_HEAT_F Both Output
Asserted for the duration that auxiliary heat is running (Heat
pump only)
COOL1_F Both Output Asserted for the duration that cooling stage 1 is running
COOL2_F Both Output Asserted for the duration that cooling stage 2 is running
FAN_F Both Output Asserted for the duration that the fan is on for any reason
HUMIDIFIER_F Both Output Asserted for the duration that the humidifier is running
HOLD_F Both Output Indicates that the thermostat has been set “offline” by the user
active = offline, inactive=online
Operations and Installation Guide – DOC. 8163A Thermostats: CHV-TSTAT and CHV-THSTAT • 31

Thermostats Crestron CHV-TSTAT and CHV-THSTAT
Other Digital Joins
Signal Name Symbol I/O Definition
GLOBAL_UPDATE_BTN Advanced Output
Output that is asserted when the global update “send”
button is pressed
MESSAGE_ICON_ON Advanced Input Causes the front panel third text line to flash “view msg”
alternately with “on line/offline,” alerting the user to
check a message that was sent to the thermostat
FRONT_PANEL_LOCKOUT Both Input Causes the buttons on the thermostat to become
inoperable when asserted, Useful for locking out
changes in operation by users
RUN_BACKLIGHT Advanced Input Triggers the backlight to turn on for its 8 seconds
BTN_PRESS_1_F Advanced Output
Asserted for the duration that remote button 1 is pressed
(up button, remote page 1)
BTN_PRESS_2_F Advanced Output Asserted for the duration that remote button 2 is pressed
(down button, remote page 1)
BTN_PRESS_3_F Advanced Output
Asserted for the duration that remote button 3 is pressed
(up button, remote page 2)
BTN_PRESS_4_F Advanced Output Asserted for the duration that remote button 4 is pressed
(down button, remote page 2)
MSG_WAITING_F Advanced Output
Asserted when an indirect text message is received on
$message join and latched until the user presses the
“CLR” button on the message screen
Humidifier Related Joins (all analog values are in whole %)
NOTE: All humidity-related analog values are input and output as whole numbers. Example: For 47% humidity, the
reading is sent as 47.
Signal Name Symbol I/O Definition
HUMIDIFIER_EN Both Input
Enables the humidistat operations when asserted
(Digital)
HUMIDIFIER_EN_F Both Output Feedback for above (Digital)
HUM_SETPOINT Both Input
Analog join that sets the humidity setpoint, 5-70%, all
other values ignored, All values are whole numbers, so
sending 38 changes the setpoint to 38%
HUM_SETPOINT_F Both Output Feedback output so that changes in the value can be
monitored by the control system
OUTDOOR_HUM Both Input
Input allowing the outdoor humidity value to be
displayed on the "outdoor" page even if the particular
unit does not have an outdoor remote sensor
OUTDOOR_HUM_F Both Output Output for outdoor humidity. It is only active when a
particular unit has a remote outdoor sensor connected
Otherwise, zero is output
INDOOR_HUM Both Input
Input allowing display of indoor humidity on the front
panel Importing the value this way is required only if
setup was a TSTAT with non-humidity remotes (no way
of measuring indoor humidity) The network input value
is overridden by a measured value if one is available
32 • Thermostats: CHV-TSTAT and CHV-THSTAT Operations and Installation Guide – DOC. 8163A

Crestron CHV-TSTAT and CHV-THSTAT Thermostats
Humidifier Related Joins (continued)
Signal Name Symbol I/O Definition
OUTDOOR_HUMID_F Both Output Analog value that is output if a connected remote
temperature/humidity sensor is declared as “outdoor”
Can be used to distribute the reading to other
thermostats for display purposes
REGULATION_HUMID_F Both Output
The "regulation" humidity that a thermostat is using, This
is the average of the humidity sensor inputs declared
"use" in set-up. This output is only active when a
thermostat setup has humidity sensing capability, either
by being a CHV-THSTAT or a CHV-TSTAT with humidity
remote (Analog)
BUILT_IN_HUMID_F Advanced Output Humidity value of built-in sensor (Analog) Output will
send out the sensor values even if the sensor is
declared, "omit"
REM1_HUMID_F Advanced Output Humidity value of remote 1 sensor (Analog) Output will
be zero if the sensor is not installed Output will send out
the sensor values even if the sensor is declared "omit"
REM2_HUMID_F Advanced Output Humidity value of remote 2 sensor (Analog) Output will
be zero if the sensor is not installed Output will send out
the sensor values even if the sensor is declared "omit"
HVAC Related Analog Joins
NOTE: All temperatures except for setpoint values are expressed in tenths of degrees. For example: sending 703 means
70.3.
Signal Name Symbol I/O Definition
SETPOINT_1 Both Input
The primary setpoint value, in whole numbers, Example:
71 means the setpoint is 71 degrees, It is the value used
in heat, cool, and "aux heat only" modes, When operating
in auto mode, setpoint_1 can mean two things,
depending on setup, If the option "dual setpoint auto" is
Yes, then setpoint is the heat setpoint If No is selected,
then setpoint is the only setpoint (single-point auto only
has one setpoint)
SETPOINT_1_F Both Output Output of setpoint 1, in whole numbers
SETPOINT_2 Both Input
Secondary setpoint value, which is ONLY used as the
cooling setpoint in auto when "Dual setpoint auto" is
selected as Yes
SETPOINT_2_F Both Output Output of setpoint 2, in whole numbers
OUTDOOR_TEMP Both Input
Input that allows the outdoor temperature value to be
retrieved from Cresnet for display on the "outdoor" page,
This value is ignored when a thermostat has a remote-
outdoor sensor connected to it Also used for balance
point action on heat pump systems, in 10ths of degrees
OUTDOOR_TEMP_F Both Output Output used for sending outdoor temperature to other
units, it takes the value of remote sensors declared
"OD"(Outdoor) Output is zero if no remotes are declared
"OD", in 10ths of degrees
Operations and Installation Guide – DOC. 8163A Thermostats: CHV-TSTAT and CHV-THSTAT • 33

Thermostats Crestron CHV-TSTAT and CHV-THSTAT
HVAC Related Analog Joins (continued)
Signal Name Symbol I/O Definition
REGULATION_TEMP_F Both Output
Temperature used for regulation, this is the mean
(averaged) temperature for all sensors declared “use”, in
10ths of degrees
BUILT_IN_TEMP_F Advanced Output Temperature of the built-in sensor, in 10ths of degree,
Note that the values are reported regardless of the
use/OD/omit setting
REM1_TEMP_F Advanced Output Temperature of remote 1 sensor, in 10ths of degree
Unconnected sensors are reported as 0, Note that the
values are reported regardless of the use/OD/omit
setting
REM2_TEMP_F Advanced Output Temperature of remote 2 sensor, in 10ths of degree
Unconnected sensors are reported as 0, Note that the
values are reported regardless of the use/OD/omit
setting
Indirect Text Joins (Serial)
Signal Name Symbol I/O Definition
MESSAGE Advanced Input Used for sending a message to the thermostat Appears
on the “messages” view screen
BUTTON_LABEL_1 Advanced Input Provides the soft button label for the first remote function
button (up button, page 1)
BUTTON_LABEL_2 Advanced Input Provides the soft button label for the second remote
function button (down button, page 1)
BUTTON_LABEL_3 Advanced Input Provides the soft button label for the third remote
function button (up button, page 2)
BUTTON_LABEL_4 Advanced Input Provides the soft button label for the fourth remote
function button (down button, page 2)
Advanced Setup Related Analog Joins
Signal Name Symbol I/O Definition
HEAT_ANTICIPATOR_F Advanced Output Heat anticipator value, 1-6 (refer to page 19)
COOL_ANTICIPATOR_F Advanced Output Cooling anticipator value, 1-6 (refer to page 19)
AUTO_MODE_DEADBAND_F Advanced Output Auto mode deadband value, 2-6 degrees (refer to page
19)
HP_BALANCE_PT_F Advanced Output Heat pump balance point, 0-90˚F (refer to page 19)
AUX_BALANCE_PT_F Advanced Output Aux balance point, 0-90˚F (refer to page 19)
LCD_CONTRAST_F Advanced Output LCD contrast value, 1-10
TEMP_DISP_OFFSET_F Advanced Output Offset to be added to measured temperature value to
correct display to user preference, -6 - +6 degrees
Setup Related Digital Joins
Signal Name Symbol I/O Definition
HEAT_COOL SYS_F Advanced Output Asserted when the system is heat/cool type (as opposed
to heat pump)
HEATPUMP_SYS_F Advanced Output Asserted when system type is heat pump
34 • Thermostats: CHV-TSTAT and CHV-THSTAT Operations and Installation Guide – DOC. 8163A

Crestron CHV-TSTAT and CHV-THSTAT Thermostats
Setup Related Digital Joins (continued)
Signal Name Symbol I/O Definition
DUAL_FUEL_HP_F Advanced Output Asserted when dual-fuel heat pump system declared,
In conventional heat pump systems, aux heat may be
used to supplement heat pump heat. In dual-fuel
setups, the aux heat output runs in place of the heat
pump in cold weather. Requires outdoor temperature
sensor.
RADIANT_F Advanced Output Asserted when a heat/cool system is declared as
Radiant, Radiant systems require slightly different
control characteristics than forced air systems
FAN_IN_HEAT_F Advanced Output Asserted when “Run Fan in Heat” is “yes”, Most
heating systems control the fan if it is needed, but
some systems may require the fan to be controlled by
the thermostat
HEAT_1_STG_F Advanced Output Asserted when one stage of heat is defined
HEAT_2_STG_F Advanced Output Asserted when two stages of heat are defined
COOL_1_STG_F Advanced Output Asserted when one stage of cooling is defined
COOL_2_STG_F Advanced Output Asserted when two stages of cooling are defined
TEMP_IN_F Advanced Output Asserted when Fahrenheit units are used
TEMP_IN_C Advanced Output Asserted when Celsius units are used
DISP_FP_HUM_F Advanced Output Asserted when front panel object is set to be humidity
DISP_FP_OD_F Advanced Output Asserted when front panel object is outdoor
temperature
DISP_HUM_F Advanced Output Asserted when humidity pages are enabled
DISP_GLOBAL_F Advanced Output Asserted when global update page is enabled
DISP_OUTDOOR_F Advanced Output Asserted when outdoor page is enabled
DISP_REM_BUTTONS1_F Advanced Output Asserted when remote button page 1 is enabled
DISP_REM_BUTTONS2_F Advanced Output Asserted when remote button page 2 is enabled
DUAL_SP_AUTO_MODE_F Advanced Output Asserted when using 2 point auto mode, unasserted
means using single point auto mode
LOW_TEMP_HUM_COMP_F Advanced Output Asserted when low temperature humidity compensation
is enabled, helps prevent condensation on windows in
cold weather
Sensor Setup Related Digital Joins
Signal Name Symbol I/O Definition
USE_LOC_TEMP_F Advanced Output Asserted when using built in temperature sensor
USE_R1_TEMP_F Advanced Output Asserted when using remote 1 temperature sensor
USE_R2_TEMP_F Advanced Output Asserted when using remote 2 temperature sensor
OMIT_LOC_TEMP_F Advanced Output Asserted when Omitting built in temperature sensor
OMIT_R1_TEMP_F Advanced Output Asserted when Omitting remote 1 temperature sensor
OMIT_R2_TEMP_F Advanced Output Asserted when Omitting remote 2 temperature sensor
R1_T_OUTDOOR_F Advanced Output Asserted when remote 1 temperature sensor has been
declared as outdoor (OD)
R2_T_OUTDOOR_F Advanced Output Asserted when remote 2 temperature sensor has been
declared as outdoor (OD)
USE_LOC_HUM_F Advanced Output Asserted when using built in humidity sensor
(THSTAT)
USE_R1_HUM_F Advanced Output Asserted when using remote 1 humidity sensor
Operations and Installation Guide – DOC. 8163A Thermostats: CHV-TSTAT and CHV-THSTAT • 35

Thermostats Crestron CHV-TSTAT and CHV-THSTAT
Sensor Setup Related Digital Joins (continued)
Signal Name Symbol I/O Definition
USE_R2_HUM_F Advanced Output Asserted when using remote 2 humidity sensor
OMIT_LOC_HUM_F Advanced Output Asserted when Omitting built in hum sensor (THSTAT)
OMIT_R1_HUM_F Advanced Output Asserted when Omitting remote 1 humidity sensor
OMIT_R2_HUM_F Advanced Output Asserted when Omitting remote 2 humidity sensor
R1_H_OUTDOOR_F Advanced Output Asserted when remote 1 humidity sensor is outdoor
R2_H_OUTDOOR_F Advanced Output Asserted when remote 2 humidity sensor is outdoor
Example Programs
Example programs for the thermostat are available from the Crestron FTP site
(ftp://ftp.crestron.com). Select the Examples Folder and search for: CHV-THSTAT
sample with scheduler.zip.
Viewport ID String
In Viewport, the thermostats output a string of characters that describe the setup and
configuration of the thermostat. Refer to the following table for an explanation of
this string. Each element of the setup string is separated by a period. The following
are two examples of ID strings:
2A: CHV-THSTAT [v1.0] (HP.H2.C2.HA3.CA3.ADB2.H,Abp0,90.AX.F.L5.OS0.DA.UUDDUU)
2B: CHV-THSTAT [v1.0] (H/C.H1.C1.HA3.CA3.ADB2.FA.F.L5.OS0.DA.UUOOOO)
ID Strings
Function Options Description
System type H/C, HP Heat/cool or heat pump system
Heat stages H1, H2 Number of heating stages, 1 or 2
Cool stages C1, C2 Number of cooling stages, 1 or 2
Heat anticipator HA1 - HA6 Heat anticipator setting, from 1-6
Cool anticipator CA1 - CA6 Cooling anticipator setting, from 1 - 6
Auto-mode deadband ADB2 - ADB6 Minimum separation between heat and cool setpoints in auto mode,
degrees, 2 - 6
Heat/cool system subtype RAD, FA Sub-type of heat/cool heating system RADiant or Forced Air
Heat pump system
subtype
AX, DF Indicates heat pump system subtype as either AuXiliary heat or a Dual-
Fuel system
Heat pump/aux balance
points
0 - 90 for both Indicates the heat pump and aux heat balance points in current
temperature unit
Temperature unit F, C Fahrenheit or Celsius
LCD contrast L0-L10 LCD contrast setting
Temperature offset (null) OS-6 - OS6 Indicates the display temperature offset, from -6 to 6 degrees
Auto mode operation DA, SA Indicates auto mode as dual setpoint (heat, cool setpoint) or single
setpoint mode
Sensor usage flags U,D,O Indicates the status of each sensor input: Use, outDoor, or Omit, sensor
series is as follows:
buit-in-temp; built-humidity; rem 1 temp; rem1 hum; rem 2 temp; rem 2
hum.
NOTE: Depending on system type, not all of the options above will be present.
36 • Thermostats: CHV-TSTAT and CHV-THSTAT Operations and Installation Guide – DOC. 8163A

Crestron CHV-TSTAT and CHV-THSTAT Thermostats
Problem Solving
Troubleshooting
The table below provides corrective action for possible trouble situations. If further
assistance is required, please contact a Crestron customer service representative.
CHV-TSTAT/CHV-THSTAT Troubleshooting
TROUBLE POSSIBLE
CAUSE(S)
CORRECTIVE ACTION
No power from
system
Check for +24V on pins 24(C)
and 24(R)
No display
Incorrect mounting
to backplate
Check thermostat mounting
No power to
thermostat
Check circuit breaker
Check 24V connection at
thermostat and at furnace/air
conditioner
Recheck wiring connections
Heating/Cooling
system not
operating*
Thermostat
minimum off times
operating both
systems
Wait 5 minutes and/or consult
HVAC contractor
Indicator displays
Heat On, but no
heat from register
Fan turns on when
furnace reaches
setpoint
Cannot change
temperature
setting
The upper or lower
temperature limits
were reached.
Wait five minutes, then recheck
registers.
Setpoint heat range is 38 – 90º F
(3-38º C).
Setpoint cool range is 59-100º F
(15 – 38º C)
Furnace cycles too
quickly
Anticipator setting
too high
Reprogram anticipator. Refer to
“Thermostat Setup” on page 16
High temperature
variance
Anticipator setting
too low
Reprogram anticipator. Refer to
“Thermostat Setup” on page 16
Displays “Sensor
Error” and
thermostat is
locked-up
All temperature
sensors are disabled
or have failed
Remove the thermostat from the
backplate and reinsert while
simultaneously pressing and
holding the MODE and DOWN
buttons to return to Setup Mode
Displays
“NetDown”
No Crestron
program or the
program does not
have a device at this
net address included
in this system
Fix program, if one is needed
*H1, H2, C1, C2 may appear but the system will not activate until the 5 minute timer guards
have been satisfied.
Operations and Installation Guide – DOC. 8163A Thermostats: CHV-TSTAT and CHV-THSTAT • 37

Thermostats Crestron CHV-TSTAT and CHV-THSTAT
Further Inquiries
If after reviewing this Operations and Installation Guide, you cannot locate specific
information or have questions, please take advantage of Crestron's award winning
customer service team by calling:
• In the US and Canada, call Crestron’s corporate headquarters at
1-888-CRESTRON [1-888-273-7876].
• In Europe, call Crestron International at +32-15-50-99-50.
• In Asia, call Crestron Asia at +852-2341-2016.
• In Latin America, call Crestron Latin America at +5255-5093-2160.
• In Australia and New Zealand, call Creston Pacific at +613-9480-2999
Firmware Upgrades
To take advantage of all the features, it is important that the unit contains the latest
firmware available. Therefore, please check Crestron’s website
(http://www.crestron.com/downloads/software_updates.asp) for the latest version of
firmware. Not every product has a firmware upgrade, but as Crestron improves
functions, adds new features, and extends the capabilities of its products, firmware
upgrades are posted. If you have questions regarding upgrades procedures, contact
Crestron customer service.
Future Updates
As Crestron improves functions, adds new features, and extends the capabilities of
this product, additional information may be made available as manual updates. These
updates are solely electronic and serve as intermediary supplements prior to the
release of a complete technical documentation revision.
Check the Crestron website (www.crestron.com) periodically for manual update
availability and its subjective value. Updates are available from the Download |
Product Manuals section and are identified as an “Addendum” in the Download
column.
38 • Thermostats: CHV-TSTAT and CHV-THSTAT Operations and Installation Guide – DOC. 8163A

Crestron CHV-TSTAT and CHV-THSTAT Thermostats
Appendix A: Glossary
Anticipators – Used to anticipate the drop or rise in temperature and energize the
appropriate system before reaching the set point.
Balance Point – The lowest outdoor temperature at which the refrigeration cycle of
a heat pump will supply the heating requirements without the aid of a
supplementary heat source.
Blower (Fan) – An air-handling device for moving air in a distribution system.
BTU - British Thermal Unit – In scientific terms, it represents the amount of
energy required to raise one pound of water one degree Fahrenheit. One
BTU is the equivalent of the heat given off by a single wooden kitchen
match.
Call – A call is when the thermostat requests the heating or cooling system to turn
on.
Damper – Found in ductwork, this movable plate opens and closes to control
airflow. Dampers are used effectively in zoning to regulate airflow to
certain rooms.
Dead Band – The minimal differential between Heating and Cooling.
Dual Fuel – A heat pump used in conjunction with an existing furnace.
Emergency Heat (Supplementary Electric Heat) – The auxiliary or emergency heat
provided at temperatures below a heat pump's balance point. It is usually
electrical resistance heat.
Forced Air – A type of heating system that uses a blower motor to move air through
the furnace and into the ductwork.
Furnace – Equipment used to convert heating energy, such as fuel, oil, gas or
electricity, to usable heat. It usually contains a heat exchanger, a blower and
the controls to operate the system.
Heat Exchanger – A device for the transfer of heat energy from the source to the
conveying medium of air or water. Most common combinations are:
Refrigerant to air or Refrigerant to water (DX), Water to air (hydronic),
Steam to air, Steam to water.
Heat Pump – A unit that both cools and heats. A heat pump system can be either a
split system or a packaged system. A heat pump can be used in conjunction
with a gas/oil/LP furnace (using the furnace instead of electric resistance
heat when temperatures fall below about 35º F).
Humidity – The total amount of moisture in air. Relative humidity (RH) is the
amount of moisture in air, relative to its total capability based upon its
temperature (dewpoint). Moisture will condense on surfaces that are below
this dewpoint.
HVAC – Heating, ventilation and air conditioning.
Setpoint – The thermostat temperature set to begin heating or cooling.
Time Delay (Timer Guards) – Refers to a safety device or circuit that will not allow
restart for 5 minutes.
Two Stage Heating –The heating unit starts out running in its first stage, and
operates at about 68% of its capacity. When the temperature outside goes
very low, the system adjusts to full capacity (second stage) to meet the
demand.
Operations and Installation Guide – DOC. 8163A Thermostats: CHV-TSTAT and CHV-THSTAT • 39

Thermostats Crestron CHV-TSTAT and CHV-THSTAT
Appendix B: About Heat Pumps
A heat pump extracts available heat from one area and transfers it to another. Even
cold air contains some heat, and heat pumps can extract heat from the outside air on
a cold day and transfer it indoors to maintain a comfortable temperature. A heat
pump also works in reverse during the summer, extracting heat from indoors and
transferring it outdoors.
In the heating mode, the efficiency of a heat pump decreases as the outdoor air
temperature decreases.
Heat Pump Operation
Heat flows naturally from a warm area to a cooler area, and the heat pump takes
advantage of this principle. The heat pump essentially consists of a compressor, an
inside coil and fan, and an outside coil and fan. A refrigerant flows inside the coils,
under pressure applied by the compressor.
The refrigerant boils at a very low temperature (as low as -15° F) and becomes a
vapor, just as water becomes a vapor (steam) when boiled. This vapor is sucked into
the compressor where it becomes a high pressure, high temperature vapor.
When heating, the refrigerant is then forced through a coil within part of the heat
pump located indoors. A fan blows cool air over the coil, the vapor cools, turns back
to a liquid, releasing heat that is blown through a duct system to heat the house.
The cycle begins again as the cooled liquid refrigerant is pumped back outside after
releasing it’s heat. On the way, it passes through an expansion valve, lowering the
refrigerant's pressure and temperature again so it can boil more easily in the outdoor
coil.
In its cooling mode the heat pump system works in reverse, extracting available heat
from indoors and transferring it outside.
Heat pumps are most economical when they can be used year-round for both winter
heating and summer cooling.
The efficiency of a heat pump varies significantly with the outdoor temperature.
While a heat pump may be twice as efficient as a conventional heating system at
50°F. When the outdoor temperature drops to less than 30°F, the heat pump must be
supplemented with an auxiliary heating system such as electric resistance. At
temperatures of 15°F or less the heat pump may shut off and the backup heating
system takes over. This is the heat pump balance point. In a dual-fuel system, the
heat pump is supplemented with a standard furnace, which takes over when it
becomes more efficient than the heat pump at very low temperatures.
40 • Thermostats: CHV-TSTAT and CHV-THSTAT Operations and Installation Guide – DOC. 8163A

Crestron CHV-TSTAT and CHV-THSTAT Thermostats
Return and Warranty Policies
Merchandise Returns / Repair Service
1. No merchandise may be returned for credit, exchange, or service without prior authorization
from CRESTRON. To obtain warranty service for CRESTRON products, contact the factory
and request an RMA (Return Merchandise Authorization) number. Enclose a note specifying
the nature of the problem, name and phone number of contact person, RMA number, and
return address.
2. Products may be returned for credit, exchange, or service with a CRESTRON Return
Merchandise Authorization (RMA) number. Authorized returns must be shipped freight
prepaid to CRESTRON, Cresskill, N.J., or its authorized subsidiaries, with RMA number
clearly marked on the outside of all cartons. Shipments arriving freight collect or without an
RMA number shall be subject to refusal. CRESTRON reserves the right in its sole and
absolute discretion to charge a 15% restocking fee, plus shipping costs, on any products
returned with an RMA.
3. Return freight charges following repair of items under warranty shall be paid by CRESTRON,
shipping by standard ground carrier. In the event repairs are found to be non-warranty, return
freight costs shall be paid by the purchaser.
CRESTRON Limited Warranty
CRESTRON ELECTRONICS, Inc. warrants its products to be free from manufacturing defects in
materials and workmanship under normal use for a period of three (3) years from the date of
purchase from CRESTRON, with the following exceptions: disk drives and any other moving or
rotating mechanical parts, pan/tilt heads and power supplies are covered for a period of one (1)
year; touchscreen display and overlay components are covered for 90 days; batteries and
incandescent lamps are not covered.
This warranty extends to products purchased directly from CRESTRON or an authorized
CRESTRON dealer. Purchasers should inquire of the dealer regarding the nature and extent of the
dealer's warranty, if any.
CRESTRON shall not be liable to honor the terms of this warranty if the product has been used in
any application other than that for which it was intended, or if it has been subjected to misuse,
accidental damage, modification, or improper installation procedures. Furthermore, this warranty
does not cover any product that has had the serial number altered, defaced, or removed.
This warranty shall be the sole and exclusive remedy to the original purchaser. In no event shall
CRESTRON be liable for incidental or consequential damages of any kind (property or economic
damages inclusive) arising from the sale or use of this equipment. CRESTRON is not liable for
any claim made by a third party or made by the purchaser for a third party.
CRESTRON shall, at its option, repair or replace any product found defective, without charge for
parts or labor. Repaired or replaced equipment and parts supplied under this warranty shall be
covered only by the unexpired portion of the warranty.
Except as expressly set forth in this warranty, CRESTRON makes no other warranties, expressed
or implied, nor authorizes any other party to offer any warranty, including any implied warranties
of merchantability or fitness for a particular purpose. Any implied warranties that may be imposed
by law are limited to the terms of this limited warranty. This warranty statement supercedes all
previous warranties.
Trademark Information
All brand names, product names, and trademarks are the sole property of their respective owners. Windows is a registered
trademark of Microsoft Corporation. Windows95/98/Me/XP and WindowsNT/2000 are trademarks of Microsoft
Corporation.
Operations and Installation Guide – DOC. 8163A Thermostats: CHV-TSTAT and CHV-THSTAT • 41

Thermostats Crestron CHV-TSTAT and CHV-THSTAT
This page intentionally left blank.
42 • Thermostats: CHV-TSTAT and CHV-THSTAT Operations and Installation Guide – DOC. 8163A

Crestron CHV-TSTAT and CHV-THSTAT Thermostats
This page intentionally left blank
Operations and Installation Guide – DOC. 8163A Thermostats: CHV-TSTAT and CHV-THSTAT • 43

Crestron Electronics, Inc. Operations and Installation Guide – DOC. 8163A
15 Volvo Drive Rockleigh, NJ 07647 04.03
Tel: 888.CRESTRON
Fax: 201.767.7576 Specifications subject to
www.crestron.com change without notice.