Crouzet Motors MOTOR USER MANUAL
2016-06-07
: Crouzet Crouzet-Motors Motor User Manual Crouzet-Motors_MOTOR_USER_MANUAL library assets
Open the PDF directly: View PDF
.
Page Count: 23

SMI21 CANopen
1
PRODUCT USER MANUAL
SQ57 CANopen Motors
Important Notes
This manual is part of the product.
Read and follow the instructions in this manual.
Keep this manual in a safe place.
Give this manual and any other documents relating to the product to anyone that uses the product.
Read and be sure to comply with all the safety instructions and the section "Before you Begin -
Safety-Related Information" in the document “Safety User Manual”
Please consult the latest catalogue to find out about the product's technical specifications.
We reserve the right to make modifications without prior notification.

SMI21 CANopen
2
Table of Contents
1. Introduction ................................................................................................................................................ 4
1.1. Motor Family ..................................................................................................................................... 4
1.2. Characteristics .................................................................................................................................. 4
1.3. Identification Label ............................................................................................................................ 4
1.4. Product Coding ................................................................................................................................. 5
1.5. Standards and concepts ................................................................................................................... 6
2. Options and Accessories ........................................................................................................................... 7
2.1.1. Holding brake ........................................................................................................................... 7
2.1.2. Gearboxes ................................................................................................................................ 7
2.1.3. Other ......................................................................................................................................... 7
2.1.4. Starter Kit .................................................................................................................................. 7
3. Precautions for use concerning the mechanics ......................................................................................... 8
3.1. Data specific to the motor shaft ........................................................................................................ 8
3.2. USB Connector ................................................................................................................................. 9
4. Product overview ..................................................................................................................................... 10
4.1. Description of the Product ............................................................................................................... 10
4.2. SMI21 CANopen Control Electronics .............................................................................................. 10
4.3. "DCmind-Soft + CANopen" PC Parameter-Definition Software ...................................................... 11
5. Technical Specifications .......................................................................................................................... 12
5.1. Electrical Data ................................................................................................................................. 12
5.2. Generic Data ................................................................................................................................... 12
5.3. Logic M16 connector ....................................................................................................................... 13
5.4. Power Supply M16 connector ......................................................................................................... 14
5.5. CAN communication M12 connector .............................................................................................. 14
6. Motor electrical connection ...................................................................................................................... 15
6.1. Power Connection ........................................................................................................................... 15
6.1.1. Ballast Circuit .......................................................................................................................... 15
6.1.2. EMC Protection ...................................................................................................................... 17
6.2. Protection ........................................................................................................................................ 18
6.2.1. Voltage Protection .................................................................................................................. 18
6.2.2. Temperature Protection .......................................................................................................... 18
6.2.3. Current Limiting ...................................................................................................................... 18
6.3. USB Connection .............................................................................................................................. 19
6.4. Input/Output Connection ................................................................................................................. 21
6.4.1. Equivalent Input Diagram ....................................................................................................... 21
6.4.2. Equivalent Output Diagram .................................................................................................... 22
6.5. Terminology and Abbreviations....................................................................................................... 23

SMI21 CANopen
3
About This Manual
This manual applies to SMI21 CANopen DCmind brushless products:
80140301 SMI21,
80180301 SMI21,
80280302 SMI21,
Reference source for manuals
The manuals can be downloaded from our website at the following address:
http://www.crouzet-motors.com/
Units
SI units are the default values.
Risk Categories
In this manual, safety instructions are identified by warning symbols.
Depending on how serious the situation is, the safety instructions are split into 3 risk categories.
DANGER
DANGER indicates a directly dangerous situation which, if the
instructions are not followed, will inevitably lead to a serious or fatal
accident.
WARNING
WARNING indicates a possibly dangerous situation which, if the
instructions are not followed, will in some cases lead to a serious or
fatal accident or cause damage to equipment.
CAUTION
CAUTION indicates a potentially dangerous situation which, if the
instructions are not followed, will in some cases lead to an accident or
cause damage to equipment.

SMI21 CANopen
4
1. INTRODUCTION
1.1. Motor Family
SMI21 CANopen DCmind brushless motors are brushless DC motors, with a control circuit board integrated
in the motor.
1.2. Characteristics
SMI21 CANopen DCmind brushless motors are intelligent servomotors for speed, position and torque control
applications. They can be configured via a Human-Machine Interface (HMI) with CANopen or USB
communication bus.
They are equipped with 3 industrial connectors, 1 for power, 1 for the control signals and 1 for the CANopen
communication.
1.3. Identification Label
The label contains the following data:
1. Product family code.
2. Product part number.
3. Reserved zone.
4. Zone reserved for specific customer marking.
5. Week/year manufacturing date.
6. Operating voltage.
7. Nominal motor speed at 24 V.
8. Nominal motor current.
9. Reduction ratio (for geared motor versions).
10. Maximum nominal torque applicable to the gearbox (for geared motor versions).
11. Motor approvals.
12. Insulation system temperature class.
13. Product degree of protection (sealing) during operation (excluding output shaft).
14. Country of origin.
www.crouzet-motors.com

SMI21 CANopen
5
1.4. Product Coding
80 XX XX SMI21 CANopen: Product family on SMI21 CANopen electronic base
PRODUCT REFERENCE
8
0
X
X
X
X
X
X
Motor
Type of stator:
14: 30mm brushless stator
18: 50 mm brushless stator
28: 50 mm brushless stator
high torque
Gearbox adaptation
03: no gearbox
Increment numbers

SMI21 CANopen
6
1.5. Standards and concepts
The product is ROHS confirmed following European Directive 2011/65/CE. Following this confirmation, the
product is CE marked.
The electrical design follows the IEC 60335-1 and IEC 60950-1 standards.

SMI21 CANopen
7
2. OPTIONS AND ACCESSORIES
The motors can be supplied with options, such as:
Different gearboxes
A failsafe holding brake
Different motor output shaft versions
2.1.1. Holding brake
SMI21 CANopen DCmind brushless motors can be equipped as standard with a failsafe electromechanical
brake.
The holding brake is designed to lock the motor shaft in a de-energized state.
The holding brake is not a safety function.
A motor with a holding brake needs a corresponding control logic which releases the holding brake at the
start of the rotation movement, locking the motor shaft in time when the motor stops.
2.1.2. Gearboxes
SMI21 CANopen DCmind brushless motors can be equipped with different types of gearbox.
The gearboxes offered as standard in the catalogue are planetary gearboxes which combine compact size
and robust design, and worm gearboxes that allow a shaft output at right-angles to the motor shaft.
2.1.3. Other
Other types of adaptation are possible on request, please contact the sales department.
2.1.4. Starter Kit
This kit consists of:
- a 2-meter long micro USB B to USB A (MOLEX 68784-0003) connecting cable
- a power cable : this cable can be obtained by ordering part number 79 298 664
- an I/O cable : this cable can be obtained by ordering part number 79 298 663
- a CAN cable M12 M/F : this cable can be obtained by ordering part number 273 58015
- a bus terminating resistor : this resistor can be obtained by ordering part number 273 58014
- a D-Sub bus connector
- an USB to CAN converter (PEAK System reference IPEH-002021)
- an USB stick containing the "DCmind Soft + CANopen Interface" parameter-definition software and
installation drivers for this HMI.
This starter kit can be obtained by ordering part number 79 298 662.

SMI21 CANopen
8
3. PRECAUTIONS FOR USE CONCERNING THE MECHANICS
3.1. Data specific to the motor shaft
WARNING
MOTOR MECHANISM
Exceeding the maximum permissible forces on the shaft leads to rapid
bearing wear, a broken shaft or damage to any accessories (encoder,
brake, etc.)
• Never exceed the maximum axial and radial forces.
• Protect the shaft from any impact.
• When press-fitting components, do not exceed the maximum
permissible axial force.
Failure to comply with these precautions can result in death,
serious injury or damage to equipment.
Radial load on the shaft
The application point X of the radial force F depends on the motor size.
This information appears in the motor technical data sheet.
The maximum axial and radial loads must not be applied simultaneously.

SMI21 CANopen
9
3.2. USB Connector
The motor is equipped with a USB B to USB A micro connector, which can be accessed by removing the
stopper from the housing.
The stopper prevents penetration of foreign bodies or fluids inside the motor.
The stopper prevents fingers or any inappropriate object making contact with the USB B to USB A micro
connector.
It must be replaced carefully after use, in order to keep the motor sealed.
WARNING
UNEXPECTED MOVEMENT DUE TO ELECTROSTATIC DISCHARGES
Electrostatic discharges (ESD) on the USB B to USB A micro
connector can, in some cases, lead to deterioration or destruction of
some system components and generate unexpected motor operation.
• Never touch the connector with your fingers or any inappropriate
object.
Failure to comply with these precautions can result in death,
serious injury or damage to equipment.
CAUTION
LOSS OF SEALING
The stopper ensures the motor is sealed.
• Replace it after completing parameter definition.
• Make a visual check to ensure it is in place.
Failure to comply with these precautions can result in injury or
damage to equipment.
Housing
Stopper

SMI21 CANopen
10
4. PRODUCT OVERVIEW
4.1. Description of the Product
4.2. SMI21 CANopen Control Electronics
The SMI21 CANopen electronic control board contains the control electronics for a brushless motor,
integrated in the motor body.
This electronics is used for:
• Power switching of the motor in sine mode (field-oriented control (FOC)).
• Position-Speed-Torque and Current control algorithms.
• CANopen CiA 301 standard – Application layer and communication profile
• CANopen CiA 402 standard – Drive and motion control device profile
• Use of preconfigured programs which can perform numerous routine applications (DCmind programs).
• Management of different types of operation:
o "Stand-alone" motor without external PLC.
o Use with other motors incorporating SMI21 or TNI21 or Motomate electronics.
o Use with a programmable controller, with the SMI21 simplifying motor management.
• The interface with parameter-definition software installed on the PC:
o Easy to use, even by a layman, thanks to simplified application programs that are quick to
get up and running.
o Wide choice of expert programs covering a wide range of applications.
o CAN connection via a commercially-available standard cable (can be supplied on request).
o USB connection via a commercially-available standard cable (can be supplied on request).
• Management of 6 inputs and 4 outputs to control the motor:
o 2 inputs that can be configured for 0-10 V 10-bit analog or PWM or digital control
o 4 digital inputs
o 1 output that can be configured as PWM or frequency or digital
o 1 output that can be configured as PWM or digital
o 2 digital outputs
As standard, the motors have an internal encoder with 4096 points per revolution that can reach high
positioning and control resolutions.
Label
{12+3}-pin logic TWINTUS M16 connector
(Inputs/Outputs)
3-pin power supply TWINTUS M16 connector
(same for Power and Logic)
Output shaft
Failsafe rear brake
(Optional)
CAN communication
M12 connector
SMI21 CANopen integrated
electronics
USB-B micro-connector
(Parameter definition via HMI)
Integrated optical encoder
(4096 points)

SMI21 CANopen
11
4.3. "DCmind-Soft + CANopen" PC Parameter-Definition Software
This software can be downloaded from the Internet at the following address: http://www.crouzet-motors.com/
It can also be supplied as a kit, see "Starter Kit" section.
This "DCmind-Soft + CANopen" software is needed the first time the motor is used and for debugging if you
don’t have a CANopen master.
It is used for:
• Selecting the motor operating program:
o Position
o Speed
o Torque
o Homing
o Quick and easy starting using preprogrammed applications.
o Use of "expert" programs that provide access to all settings.
• The various settings needed for the application to work correctly.
• Updating the "firmware" motor program using the bootloader function.
For more information, see the HMI user manual dedicated for the “DCmind Soft + CANopen”

SMI21 CANopen
12
5. TECHNICAL SPECIFICATIONS
5.1. Electrical Data
Maximum Product Specifications
Parameters
Value
Unit
Supply voltage VDC_MAX
60
V
Maximum current IDC_MAX
20
A
Maximum input voltage VIN_MAX
50
V
Maximum output voltage VOUT_MAX
60
V
Maximum output current IOUT_MAX
50
mA
Operating Specifications
Parameters
Min
Typical
Max
Unit
Supply voltage VDC
9
12 / 24 / 48
56
V
Current IDC
-
10
17
A
Motor consumption when stopped without holding
W0
-
1
-
W
Input Specifications
Parameters
Min
Typical
Max
Unit
Input impedance In1 to In4 RIN_DIG
-
57
-
Ω
Input impedance I5 to I6 RIN_ANA/PWM
-
69
-
Ω
Low logic level on inputs In1 to In4 VIL_DIG
0
-
2
V
High logic level on inputs In1 to In4 VIH_DIG
4
-
50
V
Low logic level on inputs I5 to I6 VIL_PWM
0
-
2
V
High logic level on inputs I5 to I6 VIH_PWM
7.5
-
50
V
CAN Low level
0.5
1.5
2.25
V
CAN High level
2.75
3.5
4.5
V
Output Specifications
Parameters
Min
Typical
Max
Unit
Low logic level on outputs Out1 to Out4 VOL
RL = 4 K7Ω, VDC = 24 V
0
-
0.2
V
High logic level on outputs Out1 to Out4 VOL
RL = 4 K7Ω, VDC = 24 V
VDC –
0.5 V
-
VDC
V
PNP open collector type
5.2. Generic Data
General Specifications
Parameters
Value
Unit
Ambient motor temperature
-30 to +70
°C
Insulation class (compliant with directive IEC 60085)
E
/
Ingress protection (excluding output shaft)
IP65M
/
CANopen compliance
CiA DS 301 and CiA DS 402
/

SMI21 CANopen
13
5.3. Logic M16 connector
It’s a M16 {3+12}-pin industrial male connector included inside a dual package named TWINTUS.
Recommended AWG for the associated cable: AWG24 for wires inside a shielded cable.
(See part “Starter Kit” of this document).
Pin
Type
1
Input no. 1 – Digital
2
Input no. 2 – Digital
3
Input no. 3 – Digital
4
Input no. 4 – Digital
5
Input no. 5 – Analog setpoint or PWM (or Digital)
6
Input no. 6 – Analog setpoint or PWM (or Digital)
7
Logic ground - 0 VDC
8
Output no. 1 – Digital or PWM
9
Output no. 2 – Digital or PWM
10
Output no. 3 – Digital
11
Output no. 4 – Digital
12
NC
A
NC
B
NC
C
NC
A label attached to the motor summarizes this information:
With cables more than 3 m long, tests must be performed in situ.

SMI21 CANopen
14
5.4. Power Supply M16 connector
It’s a M16 3-pin industrial male connector included inside a dual package named TWINTUS.
Recommended AWG for the associated cable: AWG16 for wires inside a shielded cable.
(See part “Starter Kit” of this document).
Pin
Type
1
NC
2
Power supply: 12 VDC → 48 VDC
3
Power ground: 0 VDC
With cables more than 3 m long, tests must be performed in situ.
5.5. CAN communication M12 connector
It’s a M12 5-pin industrial male connector with standard pinout according to CiA 303-1 recommendations.
Recommended AWG for the associated cable: AWG24 for wires inside a shielded cable.
(See part “Starter Kit” of this document).
Pin
Type
1
NC
2
NC
3
CAN_GND
4
CAN_H
5
CAN_L
Note that the maximum baud rate depends of the cable length.

SMI21 CANopen
15
6. MOTOR ELECTRICAL CONNECTION
6.1. Power Connection
We recommend grounding the motor housing.
Power connection diagram.
(1) Include capacitors to smooth out inrush currents. Recommended value 1000 µF/A drawn.
(2) Optional. The ballast circuit eliminates voltage surges produced when braking. See next section.
The product is not protected against polarity reversals on the power supply.
A polarity reversal can damage the product irreversibly.
6.1.1. Ballast Circuit
When the motor brakes, the kinetic energy stored in the inertias during rotation is returned to the power
supply and generates a voltage surge. This voltage surge can be destructive for the motor or for devices
connected to the power supply.
In the event of frequent braking, an external ballast circuit must be used.
It is always necessary to conduct tests to check what size it should be.

SMI21 CANopen
16
6.1.1.1. Proposed Ballast Circuit Diagram
The diagram below allows the braking energy to be dissipated into a resistor, thus limiting voltage surges at
the motor terminals.
6.1.1.2. Determining the Size of the R12 Resistor (RBallast)
The higher the braking current, the lower the resistor value. Typical values are around several Ohms.
With V the rotation speed in revolutions per minute and J the inertia in Kg.m², the energy E in Joules stored
in the inertia is given by:
𝐸 = 𝜋²
1800 × 𝐽 × 𝑉²
If t is the braking duration in seconds, the power P1 dissipated during this time will be:
𝑃1 = 𝐸
𝑡
Note: The time t is set via the value of the deceleration ramps in the HMI.
If T is the time interval between 2 braking operations in seconds, the dissipated power P2 will be:
𝑃2 = 𝑃1
𝑇
The resistor should be large enough to dissipate the power P2 while tolerating peaks at P1.
It should be noted however that this is a simplified and somewhat pessimistic calculation since it does not
take account of the energy stored in the capacitors, nor that lost during friction, the gearbox, etc.

SMI21 CANopen
17
6.1.1.3. Voltage Breaking Capacity Selection
The voltage breaking capacity should be selected:
- Depending on the power supply
- Depending on the other devices connected to this power supply
If your power supply does not tolerate current feedback, place a diode in series upstream of the ballast
circuit to protect it.
The voltage breaking capacity usually selected is between +10% and +20% of the supply voltage.
E.g.: For 24 VDC the voltage breaking capacity would be 28 VDC.
List of components for the usual operating voltages:
Nominal voltage
12V
24V
32V
48V
Voltage breaking
capacity
14V
28V
36V
52V
D1
SMBJ14A
SMBJ28A
SMBJ36A
SMBJ54A
R13
0R
560R 0.5W
1K 1W
2K2 2W
R5
15K 1%
4K32 1%
3K09 1%
1K95 1%
6.1.2. EMC Protection
In order to ensure that the product is compatible with EMC standards IEC 61000-6-1, IEC 61000-6-2, IEC
61000-6-3, IEC 61000-6-4, we recommend:
- Connecting the motor to ground while limiting length of the grounding strip,
- Adding capacitors on the main power supply.
We recommend 1000 µF per amp drawn.

SMI21 CANopen
18
6.2. Protection
DANGER
PROTECTION
The product has internal protection devices that switch off the
motor power supply when activated. As the motor is no longer
controlled, driving loads can decrease.
• The system manufacturer is responsible for complying with all
the applicable safety rules in the event of product failure.
Failure to comply with these precautions will result in
death or serious injury.
6.2.1. Voltage Protection
The product incorporates protection against voltage surges and undervoltages.
Protection against voltage surges:
The voltage surge threshold can be set in the HMI (set at 57 V by default).
When the supply voltage exceeds the threshold, the product automatically switches to ERROR mode. In
ERROR mode the motor is no longer controlled.
To reset the motor:
- The supply voltage must be at least 1 V below the threshold value.
- The motor inputs must be set to STOP mode.
Protection against undervoltages:
The under voltage threshold can be set in the HMI (set at 8 V by default).
When the supply voltage falls below this threshold, the product automatically switches to ERROR mode. In
ERROR mode the motor is no longer controlled.
To reset the motor:
- The supply voltage must be at least 1V higher than the threshold value
- The motor inputs must be set to STOP mode.
6.2.2. Temperature Protection
The product incorporates temperature protection in the form of a temperature sensor on the motor pilot
control card.
Temperature protection:
The under and over temperature thresholds can be set in the HMI (set at -40°C and +110°C by default).
In this case, when the internal temperature exceeds 110°C (or is below than -40°C), the product
automatically switches to ERROR mode. In ERROR mode the motor is no longer controlled.
To reset the motor:
- The temperature must be between the 2 thresholds.
- The motor inputs must be set to STOP mode.
6.2.3. Current Limiting
The product incorporates internal current limiting. This limiting directly affects the motor in terms of hardware.
This limiting automatically restricts the current to 17 A in the motor phases.
If this limit is reached, it results in a loss of motor performance.
This product is not designed to operate continuously with this limiting (see the "Electrical Data" section).

SMI21 CANopen
19
6.3. USB Connection
USB connection requires a type B micro-USB socket on the motor.
The cable must be less than 3 m long.
Possible cable part number: MOLEX 68784-0003.
Connection procedure
Carefully remove the black stopper from the motor to reveal the Micro USB-B connector. The
stopper has a retainer to keep it attached to the motor.
Insert the USB cable and install the drivers as instructed.
Take care never to touch the connector or contacts inside the motor with your fingers or any inappropriate
object.
Once finished, it is essential to replace the stopper carefully, to maintain the motor seal and protect the
connector from any contact.
Simply pressing your finger in the middle of the stopper will close it properly.

SMI21 CANopen
20
Incorrect stopper fitting
Correct stopper fitting

SMI21 CANopen
21
6.4. Input/Output Connection
6.4.1. Equivalent Input Diagram
NPN digital inputs
Analog/PWM/digital inputs

SMI21 CANopen
22
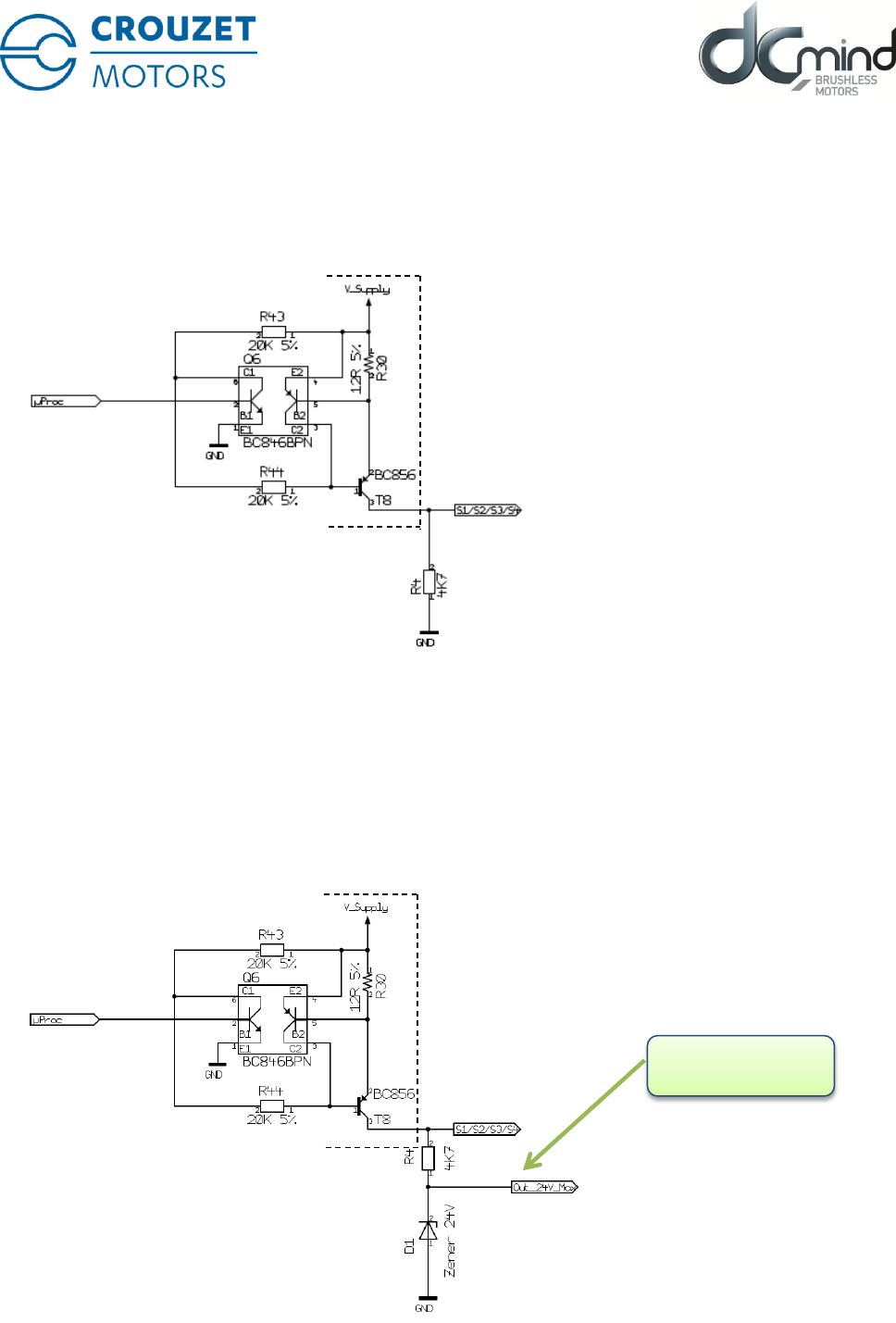
6.4.2. Equivalent Output Diagram
PNP outputs with max. 50 mA open collector.
Include a pull down resistor (recommended value 4.7 kΩ).
Caution: The output level is the same as the motor supply voltage:
if V DC = 48V then Out1/Out2/Out3/Out4 = 48 V.
In the event of rejection, this voltage increases accordingly, and can rise up to 57 V maximum (voltage
threshold value).
If your application necessitates limiting the voltage value of these outputs, implement the diagram below.
Customer output
(24 V)

SMI21 CANopen
23
6.5. Terminology and Abbreviations
Encoder
Mounted on the motor, the angular position sensor provides frequency pulses proportional to the motor
speed.
Degree of protection
The degree of protection is a standard definition used for electrical equipment that aims to describe the
protection against penetration of solids and liquids inside the motor casing (for example IP54M). The M
indicates that the tests are conducted with the motor running.
This value cannot take account of the seal around the output shaft, for which the installer must take
responsibility.
Axial forces
Longitudinal traction or compression forces affecting the shaft.
Radial forces
Radial forces affecting the shaft.
Direction of rotation
Positive or negative direction of rotation of the motor shaft. The positive direction of rotation is clockwise
rotation of the motor shaft, when looking at the motor from the output shaft.
Nominal speed
Motor speed of rotation when nominal torque is applied.
Nominal current
Current drawn by the motor when nominal torque is applied.
Nominal torque
Maximum applicable torque in continuous duty on the motor shaft.
Firmware
Control software embedded in the motor.
Bootloader
Function available in the HMI which can be used to update the firmware.
Commonly used abbreviations:
HMI: Human-Machine Interface
SMI21: Trade name of the new CROUZET brushless range
Homing: Initialization phase for finding the limits
AON: Type of digital inputs/outputs (All Or Nothing)
PWM: Pulse Width Modulation
FWD: Forward
REV: Reverse
NO: Normally Open
NC: Normally Closed
EMC: Electromagnetic Compatibility