Crouzet Motors User Guide SMi21 FR
2016-09-02
: Crouzet Crouzet Motors User Guide Smi21 Fr Crouzet_Motors_user_ guide_SMi21_FR library assets
Open the PDF directly: View PDF
.
Page Count: 232 [warning: Documents this large are best viewed by clicking the View PDF Link!]

WWW.CROUZET-MOTORS.COM
MOTEURS DCMIND
BRUSHLESS SMi21
MANUEL D’UTILISATION ET
DE SÉCURITÉ

C.MO.SAV.00006.FR_V5 Page 1/231
12 Janvier 2016
Moteurs DCmind brushless SMi21
Manuel d’utilisation et de sécurité
Notes importantes
Ce manuel fait partie du produit.
Lire et suivre les instructions de ce manuel.
Conserver ce manuel en lieu sûr.
Remettre ce manuel ainsi que tous les documents relatifs au produit à tous les utilisateurs du
produit.
Lire et observer plus particulièrement toutes les instructions de sécurité et le chapitre "Avant de
commencer - Informations liées à la sécurité".
Veuillez consulter le catalogue en vigueur pour connaître les caractéristiques techniques du produit.
Nous nous réservons le droit de procéder à des modifications sans préavis.
Sauf dérogation écrite de CROUZET Automatismes, toute utilisation des produits ici décrits, emporte
de plein droit l’adhésion sans réserve de l’utilisateur à nos conditions générales de vente et sa
renonciation à toutes les stipulations qui pourraient être imprimées sur ses commandes ou sa
correspondance. Ce manuel et ses instructions n’engagent en rien la responsabilité de CROUZET
Automatismes si un mauvais fonctionnement et / ou un dommage se produit du fait de la mise en
œuvre de l’utilisateur.

SMi21
C.MO.SAV.00006.FR_V5 Page 2/231
12 Janvier 2016
Table des matières
1. Introduction ................................................................................................................................................ 7
1.1. Famille de moteurs ............................................................................................................................ 7
1.2. Caractéristiques ................................................................................................................................ 7
1.3. Options .............................................................................................................................................. 7
1.4. Etiquette d’identification .................................................................................................................... 7
1.5. Codification produit ........................................................................................................................... 8
2. Avant de commencer - Informations liées à la Sécurité ............................................................................ 9
2.1. Qualification du personnel................................................................................................................. 9
2.2. Utilisation conforme à l'usage ........................................................................................................... 9
2.3. Informations fondamentales ............................................................................................................ 10
2.4. Normes et concepts ........................................................................................................................ 11
3. Precautions d’utilisation au niveau mécanique ........................................................................................ 12
3.1. Données spécifiques à l'arbre moteur............................................................................................. 12
3.1.1. Force d'emmanchement ......................................................................................................... 12
3.1.2. Charge radiale sur l'arbre ....................................................................................................... 12
3.2. Options ............................................................................................................................................ 13
3.2.1. Frein de maintien .................................................................................................................... 13
3.2.2. Réducteurs ............................................................................................................................. 13
3.2.3. Autres ..................................................................................................................................... 13
4. Accessoires .............................................................................................................................................. 13
4.1. Kit de programmation ...................................................................................................................... 13
5. Installation ................................................................................................................................................ 14
5.1. Aperçu relatif à la procédure d’installation ...................................................................................... 16
5.2. Compatibilité électromagnétique, CEM ........................................................................................... 16
5.3. Avant le montage ............................................................................................................................ 17
5.4. Montage du moteur ......................................................................................................................... 18
5.5. Installation électrique ...................................................................................................................... 19
5.5.1. Raccordement du frein de maintien (option) .......................................................................... 21
5.6. Connecteur USB ............................................................................................................................. 22
6. Mise en service ........................................................................................................................................ 23
6.1. Préparation de la mise en service ................................................................................................... 23
7. Présentation du produit ............................................................................................................................ 25
7.1. Description du produit ..................................................................................................................... 25
7.2. Electronique de commande SMI21 ................................................................................................. 25
7.3. Logiciel de paramétrage sur PC « DCmind Soft » .......................................................................... 26
8. Caractéristiques techniques .................................................................................................................... 27
8.1. Données électriques ....................................................................................................................... 27
8.2. Données génériques ....................................................................................................................... 27

SMi21
C.MO.SAV.00006.FR_V5 Page 3/231
12 Janvier 2016
8.3. Faisceau logique de commande ..................................................................................................... 28
8.4. Câble d’alimentation ........................................................................................................................ 29
9. Raccordement électrique du moteur........................................................................................................ 30
9.1. Connexion puissance ...................................................................................................................... 30
9.1.1. Circuit ballast .......................................................................................................................... 30
9.1.2. Protection pour la CEM .......................................................................................................... 32
9.2. Protections ...................................................................................................................................... 33
9.2.1. Protection en tension .............................................................................................................. 33
9.2.2. Protection en température ...................................................................................................... 33
9.2.3. Limitation de courant .............................................................................................................. 33
9.3. Connexion USB ............................................................................................................................... 34
9.4. Connexion des entrées/sorties ....................................................................................................... 36
9.4.1. Schéma équivalent des entrées ............................................................................................. 36
9.4.2. Schéma équivalent des sorties .............................................................................................. 37
10. Installation de l’IHM DCmind Soft ........................................................................................................ 39
10.1. Introduction...................................................................................................................................... 39
10.2. Système requis ............................................................................................................................... 39
10.3. Installation des drivers USB ............................................................................................................ 39
10.4. Installation de l’IHM Crouzet DCmind Soft ...................................................................................... 40
10.5. Description de la fenêtre principale ................................................................................................. 43
10.6. Connexion du moteur ...................................................................................................................... 46
10.7. Mise à jour du firmware ................................................................................................................... 48
11. programmes applicatifs ....................................................................................................................... 50
11.1. Description ...................................................................................................................................... 50
11.2. Description de la partie monitoring ................................................................................................. 51
11.3. Groupe « Vanne » ........................................................................................................................... 52
11.3.1. Programme Applicatif « Vanne 4 positions » ......................................................................... 52
11.3.2. Programme Applicatif « Vanne 30 positions » 1 butée mécanique ...................................... 55
11.4. Groupe « Tapis Roulant » ............................................................................................................... 57
11.4.1. Programme Applicatif « Tapis Roulant : 0-10V » ................................................................... 57
11.4.2. Programme Applicatif « Tapis Roulant : PWM » .................................................................... 59
11.4.3. Programme Applicatif « Convoyeur avec arrêt sur détection » .............................................. 61
11.5. Groupe « Machine » ........................................................................................................................ 64
11.5.1. Programme Applicatif « Vis Sans Fin » .................................................................................. 64
11.5.2. Programme Applicatif « Vis Sans Fin (Proportionnel) » ......................................................... 67
11.5.3. Programme Applicatif « Pince » ............................................................................................. 70
11.6. Groupe « Dosage » ......................................................................................................................... 72
11.6.1. Programme Applicatif « Pompe Péristaltique » ...................................................................... 72
12. programmes experts ............................................................................................................................ 74
12.1. Programmes en vitesse .................................................................................................................. 74
12.1.1. Typologie des entrées des programmes V100 ...................................................................... 74

SMi21
C.MO.SAV.00006.FR_V5 Page 4/231
12 Janvier 2016
12.1.2. Typologie des entrées des programmes V200 ...................................................................... 74
12.1.3. Typologie des sorties des programmes V100 ........................................................................ 75
12.1.4. Typologie des sorties des programmes V200 ........................................................................ 75
12.1.5. Description des différents onglets type V100 et V200 ........................................................... 76
12.1.6. Programme Expert V101 ........................................................................................................ 80
12.1.7. Programme Expert V102 ........................................................................................................ 90
12.1.8. Programme Expert V103 ........................................................................................................ 99
12.1.9. Programme Expert V104 ...................................................................................................... 109
12.1.10. Programme Expert V201 ...................................................................................................... 118
12.1.11. Programme Expert V202 ...................................................................................................... 125
12.2. Programmes en position ............................................................................................................... 132
12.2.1. Typologie des entrées des programmes P100 .................................................................... 132
12.2.2. Typologie des entrées des programmes P200 .................................................................... 133
12.2.3. Typologie des sorties des programmes P100 et P200 ........................................................ 134
12.2.4. Description des différents types de homing ......................................................................... 135
12.2.5. Description des différents onglets type P100 ....................................................................... 141
12.2.6. Programme Expert P101 ...................................................................................................... 147
12.2.7. Programme Expert P111 ...................................................................................................... 160
12.2.8. Description des différents onglets type P200 ....................................................................... 172
12.2.9. Programme Expert P201 ...................................................................................................... 179
12.2.10. Programme Expert P202 ...................................................................................................... 194
12.3. Programmes en couple ................................................................................................................. 209
12.3.1. Typologie des entrées des programmes C100 .................................................................... 209
12.3.2. Typologie des sorties des programmes C100 ...................................................................... 209
12.3.3. Description des différents onglets ........................................................................................ 210
12.3.4. Programme Expert C101 ...................................................................................................... 215
13. Sauvegarde des paramètres ............................................................................................................. 223
14. Utilisation de L’IO Box ....................................................................................................................... 225
15. Diagnostic et élimination d'erreurs .................................................................................................... 227
15.1. Défaillances mécaniques .............................................................................................................. 227
15.2. Défaillances électriques ................................................................................................................ 227
16. Service, maintenance et élimination .................................................................................................. 227
16.1. Adresses des points de service après-vente ................................................................................ 227
16.2. Stockage ....................................................................................................................................... 227
16.3. Entretien ........................................................................................................................................ 227
16.4. Remplacement du moteur ............................................................................................................. 228
16.5. Expédition, stockage, élimination .................................................................................................. 230
16.6. Termes et abréviations .................................................................................................................. 231

SMi21
C.MO.SAV.00006.FR_V5 Page 5/231
12 Janvier 2016

SMi21
C.MO.SAV.00006.FR_V5 Page 6/231
12 Janvier 2016
A propos de ce manuel
Ce manuel s'applique aux produits DCmind brushless SMI21 :
801400SMI21, 801495SMI21, 801496SMI21, 801410SMI21,
801800SMI21, 801896SMI21, 801897SMI21, 801810SMI21,
802800SMI21, 802896SMI21, 802897SMI21, 802810SMI21,
Source de référence des manuels
Les manuels sont disponibles au téléchargement sur Internet à l'adresse suivante :
http://www.crouzet.com/
Unités
Les unités SI sont les valeurs par défaut.
Catégories de risques
Dans ce manuel, les instructions de sécurité sont identifiées par des symboles d'avertissement.
En fonction de la gravité de la situation, les instructions de sécurité sont réparties en 3 catégories de risque.
DANGER
DANGER signale une situation directement dangereuse qui, en cas de
non-respect, entraîne inéluctablement un accident grave ou mortel.
AVERTISSEMENT
AVERTISSEMENT signale une situation éventuellement dangereuse
qui, en cas de non-respect entraîne dans certains cas un accident
grave ou mortel ou occasionne des dommages aux appareils.
ATTENTION
ATTENTION signale une situation potentiellement dangereuse qui,
en cas de non-respect entraîne, dans certains cas un accident ou
occasionne des détériorations sur les appareils.

SMi21
C.MO.SAV.00006.FR_V5 Page 7/231
12 Janvier 2016
1. INTRODUCTION
1.1. Famille de moteurs
Les moteurs DCmind brushless SMI21 sont des moteurs à courant continu sans balai, avec carte
électronique de pilotage intégrée.
1.2. Caractéristiques
Les moteurs DCmind brushless SMI21 sont des servomoteurs intelligents pour les applications de contrôle
de vitesse, de positionnement et de couple. Ils sont paramétrables via une Interface Homme Machine (IHM).
Ils sont équipés de 2 câbles non blindés en standard, 1 pour la puissance, 1 pour les signaux de commande.
1.3. Options
Les moteurs peuvent être fournis avec des options, comme :
différents réducteurs de vitesse
un frein de maintien à manque de courant
différentes versions d'axe de sortie du moteur
1.4. Etiquette d’identification
L‘étiquette comporte les données suivantes :
Figure 1
1. Code famille du produit.
2. Référence du produit.
3. Zone réservée
4. Zone réservée pour des marquages spécifiques client
5. Date de fabrication semaine/année
6. Tension de fonctionnement
7. Vitesse nominale du moteur à 24V
8. Courant nominal du moteur
9. Rapport de réduction (pour les versions motoréducteurs)
10. Couple nominal maximal applicable au réducteur (pour les versions motoréducteurs).
11. Homologations du moteur.
12. Classe de température du système d’isolation.
13. Degré de protection (étanchéité) du produit en fonctionnement (hors axe de sortie).
14. Pays de fabrication

SMi21
C.MO.SAV.00006.FR_V5 Page 8/231
12 Janvier 2016
1.5. Codification produit
80 XX XX SMI21 : Famille de produits sur base électronique SMI21
REFERENCE DU PRODUIT
8
0
X
X
X
X
X
X
Moteur
Type du stator:
14: brushless stator de 30mm
18: brushless stator de 50mm
28: brushless stator de 50mm
fort couple
Adaptation réducteur
00: pas de réducteur
10: réducteur RAD10
95: réducteur P52
96: réducteur P62
97: réducteur P81
Numéros d'incrément

SMi21
C.MO.SAV.00006.FR_V5 Page 9/231
12 Janvier 2016
2. AVANT DE COMMENCER - INFORMATIONS LIEES A LA SECURITE
2.1. Qualification du personnel
Seul le personnel qualifié, connaissant et comprenant le contenu du présent manuel est autorisé à travailler
sur et avec ce produit.
Le personnel qualifié doit posséder une bonne connaissance des normes, réglementations et prescriptions
en matière de prévention des accidents en vigueur lors des travaux effectués sur et avec le produit.
Ce personnel qualifié doit avoir suivi une instruction en matière de sécurité afin de détecter et d'éviter les
dangers correspondants.
En vertu de leur formation professionnelle, de leurs connaissances et de leur expérience, ces personnels
qualifiés doivent être en mesure de prévenir et de reconnaître les dangers potentiels susceptibles d'être
générés par l'utilisation du produit, la modification des réglages ainsi que l'équipement mécanique, électrique
et électronique de l'installation globale.
2.2. Utilisation conforme à l'usage
Conformément aux présentes instructions, ce produit est un composant prévu pour être utilisé en milieu
industriel.
Les instructions de sécurité en vigueur, les conditions spécifiées et les caractéristiques techniques doivent
être respectées à tout moment.
Avant toute mise en œuvre du produit, il faut procéder à une analyse des risques en matière d'utilisation
concrète. Selon le résultat, il faut prendre les mesures de sécurité nécessaires.
Comme le produit est utilisé comme composant d'un système global, il est du ressort de l’utilisateur de
garantir la sécurité des personnes par le concept du système global (p. ex. concept machine).
N'utiliser que les accessoires et les pièces de rechange d'origine.
Le produit ne doit pas être utilisé en atmosphère explosible (zone Ex).
Toutes les autres utilisations sont considérées comme non conformes et peuvent générer des dangers.
Seul le personnel dûment qualifié est habilité à installer, exploiter, entretenir et réparer les appareils et les
équipements électriques.

SMi21
C.MO.SAV.00006.FR_V5 Page 10/231
12 Janvier 2016
2.3. Informations fondamentales
DANGER
PHÉNOMÈNE DANGEREUX LIÉS À UN CHOC ÉLECTRIQUE, À
L'EXPLOSION OU À L'EXPLOSION DUE À UN ARC ÉLECTRIQUE
• Seul le personnel qualifié, connaissant et comprenant le contenu du présent
manuel est autorisé à travailler sur ce produit. Seul le personnel qualifié est habilité
à procéder à l'installation, au réglage, à la réparation et à l'entretien.
• Le constructeur de l'installation est responsable du respect de toutes les
prescriptions et réglementations applicables en matière de mise à la terre du
système d'entraînement.
• Il est de la responsabilité de l’utilisateur de définir si il est nécessaire de réaliser la
mise à la terre du moteur en fonction de son utilisation.
• Ne pas toucher les pièces non protégées sous tension.
• Utiliser exclusivement des outils isolés électriquement.
• Des tensions alternatives peuvent se coupler sur des conducteurs inutilisés dans
le câble moteur. Isoler les conducteurs inutilisés aux deux extrémités du câble
moteur.
• Le moteur produit une tension lorsque l'arbre tourne. Protéger l'arbre du moteur
contre tout entraînement externe avant d'effectuer des travaux sur le système
d'entraînement :
– Mettre tous les branchements hors tension
– Apposer un panneau "NE PAS METTRE EN MARCHE" sur tous les
commutateurs.
– Protéger tous les commutateurs contre le ré-enclenchement.
– Attendre le déchargement des condensateurs interne du moteur. Mesurer la
tension sur le câble de puissance et vérifier qu’elle est inférieure à 12 Vdc.
• Installer et fermer tous les capots de protection avant la mise sous tension.
Si ces précautions ne sont pas respectées, cela entraînera la mort ou des
blessures graves.

SMi21
C.MO.SAV.00006.FR_V5 Page 11/231
12 Janvier 2016
AVERTISSEMENT
PERTE DE CONTRÔLE DE LA COMMANDE
• Lors de la mise au point du concept de commande, le fabricant de l'installation
doit tenir compte des possibilités de défaillance potentielles des chemins de
commande et prévoir, pour certaines fonctions critiques, des moyens permettant de
revenir à des états de sécurité pendant et après la défaillance d'un chemin de
commande.
Exemples de fonctions de commande critiques sont :
ARRÊT D'URGENCE, limitation de positionnement final, panne de réseau et
redémarrage.
• Des chemins de commande séparés ou redondants doivent être disponibles pour
les fonctions critiques.
• Respecter les consignes de prévention des accidents ainsi que toutes les
directives de sécurité en vigueur.
• Toute installation au sein de laquelle le produit décrit dans ce manuel est utilisé
doit être soigneusement et minutieusement contrôlée avant la mise en service
quant à son fonctionnement correct.
Si ces précautions ne sont pas respectées, cela peut entraîner la mort ou des
blessures graves.
AVERTISSEMENT
DÉPLACEMENT NON FREINÉ
En cas de panne de tension et d'erreurs provoquant la coupure de l'étage de
puissance, le moteur n'est plus freiné de manière contrôlée et peut occasionner
des dommages.
• Bloquer l'accès à la zone à risque.
• En cas de besoin, utiliser une butée mécanique amortie ou un frein de service.
Si ces précautions ne sont pas respectées, cela peut entraîner la mort, des
blessures graves ou des dommages matériels.
2.4. Normes et concepts
Ce produit est conforme à la Directive Européenne 2011/65/CE relative à la ROHS et bénéficie à ce titre du
marquage CE.
La conception électrique de ce produit est réalisée en conformité avec les normes IEC 60335-1 et
IEC 60950-1.

SMi21
C.MO.SAV.00006.FR_V5 Page 12/231
12 Janvier 2016
3. PRECAUTIONS D’UTILISATION AU NIVEAU MECANIQUE
3.1. Données spécifiques à l'arbre moteur
3.1.1. Force d'emmanchement
AVERTISSEMENT
MÉCANIQUE DU MOTEUR
Un dépassement des forces maximales admissibles à l'arbre entraîne
une usure rapide des paliers, la casse de l'arbre ou la détérioration
des accessoires éventuels (codeur, frein,…)
• Ne jamais dépasser les forces max. admissibles radiales et axiales.
• Protéger l'arbre contre les chocs.
• Lors de l'emmanchement des éléments, ne pas dépasser la force
axiale maximale admissible.
Si ces précautions ne sont pas respectées, cela peut entraîner la
mort, des blessures graves ou des dommages matériels.
La force d'emmanchement maximale est limitée par la force axiale maximale admissible agissant sur les
roulements à billes.
Cette force axiale maximale est donnée dans la fiche technique du moteur.
Alternativement, l'élément à fixer peut aussi être fixé par serrage, collage ou frettage.
3.1.2. Charge radiale sur l'arbre
Figure 2
Le point d'application X de la force radiale F dépend de la taille du moteur.
Ces informations figurent dans la fiche technique du moteur.
Les charges maximales radiales et axiales ne doivent pas être appliquées simultanément.

SMi21
C.MO.SAV.00006.FR_V5 Page 13/231
12 Janvier 2016
3.2. Options
3.2.1. Frein de maintien
Les moteurs DCmind brushless SMI21 peuvent être équipés en série d'un frein électromécanique à manque
de courant.
Le frein de maintien est destiné à bloquer l'arbre du moteur à l'état hors tension.
Le frein de maintien n'est pas une fonction de sécurité.
La description du pilotage figure au chapitre "Raccordement du frein de maintien".
3.2.2. Réducteurs
Les moteurs DCmind brushless SMI21 peuvent être équipés de différents types de réducteurs.
Les réducteurs proposés en standard catalogue sont les réducteurs planétaires qui allient compacité et
robustesse, et les réducteurs à vis sans fin qui permettent une sortie d’axe perpendiculaire à l’axe du
moteur.
3.2.3. Autres
D’autres types d’adaptations sont possibles sur demande, contacter le service commercial.
4. ACCESSOIRES
4.1. Kit de programmation
Ce kit se compose d’un câble de connexion micro USB B to USB A (référence MOLEX 68784-0003) d’une
longueur de 2 mètres et d’une clé USB comportant entre autres le logiciel de paramétrage « DCmind Soft »
et les pilotes d’installation de cette IHM.
Il est possible d’acquérir ce kit de programmation en commandant la référence 79 298 008.

SMi21
C.MO.SAV.00006.FR_V5 Page 14/231
12 Janvier 2016
5. INSTALLATION
L’installation doit se faire, d’une manière générale, conformément aux règles de l’art.
AVERTISSEMENT
MASSE IMPORTANTE ET CHUTES DE PIÈCES
Le moteur peut posséder une masse importante.
• Lors du montage, tenir compte de la masse du moteur.
• Procéder au montage (couple de serrage des vis) de telle sorte que
le moteur ne se détache pas, même en cas de fortes accélérations
ou de secousses permanentes.
Si ces précautions ne sont pas respectées, cela peut entraîner la
mort, des blessures graves ou des dommages matériels.
AVERTISSEMENT
CHAMPS ÉLECTROMAGNÉTIQUES IMPORTANTS
Les moteurs peuvent générer localement de puissants champs
électriques et magnétiques. Cela peut occasionner des défaillances
d'appareils sensibles.
• Tenir à distance du moteur les personnes portant des implants
tels que des stimulateurs cardiaques.
• Ne pas placer des appareils sensibles à proximité immédiate du
moteur.
Si ces précautions ne sont pas respectées, cela peut entraîner la
mort, des blessures graves ou des dommages matériels.
AVERTISSEMENT
COMPORTEMENT INATTENDU SUITE À UNE DÉTÉRIORATION OU À
DES CORPS ÉTRANGERS
Suite à une détérioration du produit ainsi qu'à la présence de corps
étrangers, de dépôts ou de la pénétration de fluide, un comportement
inattendu peut se produire.
• Ne pas utiliser de produits endommagés.
• S'assurer qu'aucun corps étranger n'a pu pénétrer dans le produit.
• Vérifier la mise en place correcte des joints et des entrées de
fils d’alimentation.
• Vérifier la mise en place correcte du bouchon protégeant le
connecteur micro USB B to USB A.
Si ces précautions ne sont pas respectées, cela peut entraîner la
mort, des blessures graves ou des dommages matériels.

SMi21
C.MO.SAV.00006.FR_V5 Page 15/231
12 Janvier 2016
AVERTISSEMENT
SURFACES CHAUDES
La surface métallique du produit peut chauffer à plus de 70°C
selon l'utilisation.
• Éviter tout contact avec la surface métallique.
• Ne pas poser de composants inflammables ou sensibles à la
chaleur à proximité immédiate.
• Favoriser un assemblage permettant la bonne dissipation de la
chaleur.
Si ces précautions ne sont pas respectées, cela peut entraîner
des blessures ou des dommages matériels.
AVERTISSEMENT
DÉTÉRIORATION ET DESTRUCTION DU MOTEUR DUE AUX
CONTRAINTES
Le moteur n'est pas conçu pour porter des charges. En cas de
contrainte, le moteur peut être endommagé, voire même chuter.
• Ne pas utiliser le moteur comme marchepied.
• Empêcher toute utilisation non conforme à l'usage prévu en prenant
des mesures de protection ou en appliquant les instructions
de sécurité.
Si ces précautions ne sont pas respectées, cela peut entraîner
des blessures ou des dommages matériels.
ATTENTION
SURTENSIONS
Lors des phases de freinage, le moteur génère des surtensions
• Vérifier que ses surtensions sont acceptables par les autres
appareils branchés sur la même alimentation.
• Favoriser l’utilisation d’un circuit externe pour limiter les surtensions
En cas d’utilisation intensive du freinage.
Si ces précautions ne sont pas respectées, cela peut entraîner
des blessures ou des dommages matériels.

SMi21
C.MO.SAV.00006.FR_V5 Page 16/231
12 Janvier 2016
5.1. Aperçu relatif à la procédure d’installation
La procédure d’installation est décrite dans les chapitres suivants :
Compatibilité électromagnétique, CEM
Avant le montage
Montage du moteur
Installation électrique
Raccordement du câble USB pour le paramétrage du moteur.
Vérifier que ces chapitres ont été lus et compris et qu’ensuite l'installation a bien été exécutée.
5.2. Compatibilité électromagnétique, CEM
DANGER
PERTURBATION DE SIGNAUX ET D'APPAREILS
Des signaux perturbés peuvent entraîner des réactions imprévisibles
des appareils.
• Procéder au câblage conformément aux recommandations CEM
propres à chaque appareil.
• S'assurer de l'exécution correcte de ces recommandations CEM.
Si ces précautions ne sont pas respectées, cela peut entraîner la
mort, des blessures graves ou des dommages matériels.
Recommandations vis-à-vis de la CEM : pose des fils d’alimentation du moteur
Dès la planification du câblage, tenir compte du fait que les fils d’alimentation moteur doivent être posés
isolés des câbles réseaux ou transportant des signaux.
Observer les mesures suivantes en matière de CEM.
Mesures relatives à la CEM
Effet
Maintenir les câbles aussi courts que possible.
Ne pas installer de boucles de câble inutiles.
Réduire les couplages parasites, capacitifs et
inductifs.
Mettre le produit à la terre
Réduire les émissions, augmenter l'immunité aux
perturbations
En cas d’utilisation de câbles blindés, poser les
blindages de câbles par reprise à grande surface
de contact, utiliser des serres câbles et des
bandes de terre.
Réduire les émissions.
Positionner les fils d’alimentation du moteur
séparés des câbles transportant des signaux ou
utiliser des tôles de blindage
Réduire le couplage mutuel parasite.
En cas d’utilisation de câbles blindés, poser les
câbles sans point de sectionnement. 1)
Réduire le rayonnement parasite.
1) Quand un câble est coupé pour l'installation, les câbles doivent être reliés au niveau du point de sectionnement par une
connexion de blindage et un boîtier métallique.
Conducteurs de liaison équipotentielle
En cas d’utilisation de câbles blindés, les différences de potentiel peuvent générer des courants d'intensité
non autorisée sur les blindages de câble. Recourir à des conducteurs de liaison équipotentielle pour réduire
les courants sur les blindages de câble.

SMi21
C.MO.SAV.00006.FR_V5 Page 17/231
12 Janvier 2016
5.3. Avant le montage
Rechercher les dommages
Les systèmes d'entraînement endommagés ne doivent être ni montés ni mis en service.
Vérifier le système d'entraînement avant le montage, à la recherche de signes visibles de dommages.
Nettoyage de l'arbre
Les bouts d'arbre des moteurs sont enduits au départ usine d’un film d’huile.
En cas de rajout d'organes de transmission par collage, il peut s'avérer nécessaire d'éliminer le film d’huile et
de nettoyer l'arbre. Si nécessaire, utiliser des produits de dégraissage conformément aux indications du
fabricant de la colle.
Éviter tout contact direct de la peau et des matériaux d'étanchéité avec le produit de nettoyage utilisé.
Surface de montage pour la bride
La surface de montage doit être stable, plane et propre.
S'assurer côté installation du respect de toutes les dimensions et tolérances.
Spécification des fils d’alimentation.
Les fils d’alimentation du moteur et de ses accessoires doivent être sélectionnés avec soin selon leur
longueur, la tension d’alimentation du moteur, la température ambiante, le niveau de courant y circulant, et
leur environnement.
AVERTISSEMENT
DÉTÉRIORATION ET INCENDIE SUITE À UNE MAUVAISE INSTALLATION
Les forces et les déplacements au niveau des passes fils peuvent
endommager les câbles.
• Respecter les rayons de courbures indiqués.
• Éviter de soumettre les passes fils à des forces ou des
déplacements.
• Fixer les câbles d’alimentation à proximité des passe fils à l'aide
d'une décharge de traction.
Si ces précautions ne sont pas respectées, cela peut entraîner
des blessures ou des dommages matériels.

SMi21
C.MO.SAV.00006.FR_V5 Page 18/231
12 Janvier 2016
5.4. Montage du moteur
DANGER
SURFACES CHAUDES
La surface du moteur peut chauffer à plus de 70°C selon l'utilisation.
• Eviter le contact avec les surfaces chaudes.
• Ne pas poser de composants inflammables ou sensibles à la chaleur
à proximité immédiate.
• Favoriser un assemblage permettant la bonne dissipation de la
chaleur.
• Vérifier la température lors d'un essai.
Si ces précautions ne sont pas respectées, cela peut entraîner
des blessures ou des dommages matériels.
AVERTISSEMENT
Les décharges électrostatiques (ESD) sur l'arbre peuvent, dans des
cas rares, entraîner des pannes du système de codeur et générer des
déplacements inattendus du moteur.
• Utiliser des éléments conducteurs (p. ex. des courroies antistatiques)
ou d'autres mesures appropriées pour éviter toute charge statique due
au déplacement.
AVERTISSEMENT
COMPORTEMENT NON INTENTIONNEL DÛ À LA DÉTÉRIORATION
MÉCANIQUE DU MOTEUR
Un dépassement des forces maximales admissibles à l'arbre entraîne
une usure rapide des paliers, la casse de l'arbre ou la détérioration du
codeur interne.
• Ne jamais dépasser les forces max. admissibles radiales et axiales.
• Protéger l'arbre contre les chocs.
• Lors de l'emmanchement des éléments, ne pas dépasser la force
axiale maximale admissible.
Si ces précautions ne sont pas respectées, cela peut entraîner la
mort, des blessures graves ou des dommages matériels.

SMi21
C.MO.SAV.00006.FR_V5 Page 19/231
12 Janvier 2016
Position de montage
Le moteur accepte n’importe quelle position de montage.
Montage
Lors du montage du moteur sur la bride de fixation, le moteur doit être aligné avec précision dans le sens
axial et radial. Toutes les vis de fixation doivent être serrées selon le couple de serrage prescrit par
l’application en veillant à ne générer aucun gauchissement.
Mettre en place les organes de transmission
En cas de mise en place incorrecte de l'organe de transmission, le moteur peut subir des dommages.
Les organes de transmission tels que les poulies et les engrenages doivent être montés en respectant les
forces axiales et radiales maximales définies dans la fiche technique de chaque moteur.
Observer les instructions de montage du fabricant de l'organe de transmission.
Le moteur et l'organe de transmission doivent être alignés avec précision tant sur le plan radial qu'axial. Tout
non-respect entraîne un fonctionnement irrégulier, une détérioration des roulements et une usure
importante.
5.5. Installation électrique
Ces moteurs ne sont pas destinés à être raccordés directement au réseau électrique.
Il est de la responsabilité de l’installateur de définir les protections électriques à mettre en œuvre suivant la
réglementation applicable au domaine d’utilisation du produit final.
Pour l’alimentation de la partie puissance nous recommandons l’utilisation d’une alimentation stabilisée avec
double isolation électrique.
Le moteur n’est pas protégé contre les inversions de polarité de la partie puissance.
Le moteur est dit réjectif, c’est-à-dire qu’il peut renvoyer de l’énergie vers l’alimentation lors des phases de
freinage. Les surtensions ainsi créées peuvent atteindre des seuils qui sont destructifs pour le moteur lui-
même ou pour les appareils placés sur la même alimentation.
DANGER
CHOC ÉLECTRIQUE
Des tensions élevées peuvent apparaître de façon inattendue sur la
connexion moteur.
• Le moteur produit une tension lorsque l'arbre tourne. Protéger
l'arbre du moteur contre tout entraînement externe avec d'effectuer
des travaux sur le système d'entraînement.
• Le fabricant du système est responsable du respect de toutes les
règles applicables en matière de mise à la terre du système
d'entraînement.
Si ces précautions ne sont pas respectées, cela entraînera la
mort ou des blessures graves.
AVERTISSEMENT
MOUVEMENT INATTENDU
Suite à un branchement incorrect ou une autre erreur, les
entraînements peuvent exécuter des déplacements inattendus.
• Ne démarrer l'installation que si personne ni aucun obstacle ne
se trouve dans la zone de danger.
• Effectuer les premiers déplacements tests sans charges accouplées.
• Ne pas toucher l'arbre du moteur ou les éléments d'entraînement
liés.
Si ces précautions ne sont pas respectées, cela peut entraîner la
mort, des blessures graves ou des dommages matériels.

SMi21
C.MO.SAV.00006.FR_V5 Page 20/231
12 Janvier 2016
AVERTISSEMENT
SURTENSIONS
Lors des phases de freinage, le moteur génère des surtensions
• Vérifier que ses surtensions sont acceptables par les autres
appareils branchés sur la même alimentation.
• Favoriser l’utilisation d’un circuit externe pour limiter les surtensions
En cas d’utilisation intensive du freinage.
Si ces précautions ne sont pas respectées, cela peut entraîner la
mort, des blessures graves ou des dommages matériels.
ATTENTION
INCENDIE DÛ À DE MAUVAIS CONTACTS
Le connecteur de raccordement du moteur peut s'échauffer et les
contacts peuvent fondre du fait d'un arc électrique si le connecteur
n'est pas correctement enfiché .
• Un mauvais raccordement peut provoquer un échauffement du fait
d'un arc électrique.
Si ces précautions ne sont pas respectées, cela peut entraîner
des blessures ou des dommages matériels.
ATTENTION
DESTRUCTION DU PRODUIT SUITE A UNE INVERSION DE POLARITE
Un branchement incorrect de la puissance peut se traduire par une
inversion de la polarité, entrainant la destruction de la carte
électronique à l’intérieur du moteur.
• Vérifier la conformité du raccordement de la puissance.
Si ces précautions ne sont pas respectées, cela peut entraîner
des blessures ou des dommages matériels.
Liaison du conducteur de protection
Il est de la responsabilité de l’installateur de déterminer la nécessité de mettre le moteur à la terre.
Celle-ci doit être faite via la bride de fixation.
Ne brancher ou débrancher en aucun cas les fils d’alimentation du produit tant que la tension est appliquée.

SMi21
C.MO.SAV.00006.FR_V5 Page 21/231
12 Janvier 2016
5.5.1. Raccordement du frein de maintien (option)
AVERTISSEMENT
PERTE DE LA FORCE DE FREINAGE PAR L'USURE OU LA HAUTE
TEMPÉRATURE
Le serrage du frein de maintien lorsque le moteur tourne entraîne une
usure rapide et une perte de la force de freinage.
• Ne pas utiliser le frein comme frein de service.
• Noter que "l'arrêt en cas d'urgence" peut aussi entraîner une
usure.
Si ces précautions ne sont pas respectées, cela peut entraîner la
mort, des blessures graves ou des dommages matériels.
AVERTISSEMENT
MOUVEMENT INATTENDU
Un desserrage du frein de maintien peut provoquer un déplacement
inattendu au niveau de l'installation.
• S'assurer que cela ne peut provoquer aucun dommage.
• Ne procéder à l'essai que si personne ni aucun obstacle ne se
trouve dans la zone de danger.
Si ces précautions ne sont pas respectées, cela peut entraîner la
mort, des blessures graves ou des dommages matériels.
ATTENTION
DYSFONCTIONNEMENT DU FREIN DE MAINTIEN DU A UNE TENSION
INAPPROPRIÉE
• En cas de tension trop faible, le frein de maintien ne peut pas se
desserrer, ce qui provoque une usure.
• En cas de tensions supérieures à la valeur spécifiée, le frein de
maintien va subir un échauffement important.
Si ces précautions ne sont pas respectées, cela peut entraîner
des blessures ou des dommages matériels.
Un moteur avec frein de maintien nécessite une logique de commande correspondante qui desserre le frein
de maintien au début du mouvement de rotation, et qui bloque l'arbre du moteur à temps lors de l'arrêt du
moteur.

SMi21
C.MO.SAV.00006.FR_V5 Page 22/231
12 Janvier 2016
5.6. Connecteur USB
Figure 3
Le moteur est équipé d’un connecteur micro USB - B, accessible en enlevant le bouchon situé sur le boîtier.
Le bouchon empêche la pénétration de corps étrangers ou de fluides à l’intérieur du moteur.
Le bouchon empêche le contact avec le connecteur micro USB - B des doigts ou de tout objet non prévu à
cet effet.
Il est indispensable de le remettre avec soin après utilisation, afin de de conserver au moteur son étanchéité.
AVERTISSEMENT
Les décharges électrostatiques (ESD) sur le connecteur micro USB -
B, peuvent dans certains cas, entraîner une altération ou une
destruction de certains composants du système et générer des
fonctionnements inattendus du moteur.
• Ne jamais toucher le connecteur avec les doigts ou avec tout objet
non prévu à cet effet.
ATTENTION
PERTE D’ETANCHEITE
Le bouchon assure l’étanchéité du moteur
• Le remettre en place une fois le paramétrage terminé
• Vérifier visuellement sa mise en œuvre
Si ces précautions ne sont pas respectées, cela peut entraîner
des blessures ou des dommages matériels.
Bouchon
Boitier

SMi21
C.MO.SAV.00006.FR_V5 Page 23/231
12 Janvier 2016
6. MISE EN SERVICE
6.1. Préparation de la mise en service
Avant la mise en service :
Vérifier que l'installation mécanique est correcte.
Vérifier que l'installation électrique est effectuée de manière professionnelle : contrôler plus
particulièrement les liaisons des conducteurs de protection et les liaisons de mise à la terre. Veiller à ce
que tous les raccords soient corrects, bien reliés et que les vis soient bien serrées.
Vérifier les conditions ambiantes et d'utilisation : s'assurer que les conditions ambiantes prescrites sont
respectées et que la solution d'entraînement est conforme aux conditions d'utilisation prévues.
Vérifier si les organes de transmission éventuellement déjà montés sont équilibrés et alignés avec
précision.
Vérifier que les conditions d’utilisations ne génèrent pas de surtensions anormales pour le produit ou
l’application.
Vérifier que le frein de maintien peut supporter la charge maximale. S'assurer après avoir appliqué la
tension de freinage que le frein de maintien est bien desserré. S'assurer que le frein de maintien est bien
desserré avant le début d'un déplacement.
Vérifier que le bouchon de protection du connecteur Micro USB a bien été remis en place.
AVERTISSEMENT
MOUVEMENT INATTENDU
Suite à un branchement incorrect ou une autre erreur, les
entraînements peuvent exécuter des déplacements inattendus.
• Vérifier le câblage.
• Ne démarrer l'installation que si personne ni aucun obstacle ne
se trouve dans la zone de danger.
• Effectuer les premiers déplacements tests sans charges accouplées.
• Ne pas toucher l'arbre du moteur ou les éléments d'entraînement
liés.
Si ces précautions ne sont pas respectées, cela peut entraîner la
mort, des blessures graves ou des dommages matériels.
AVERTISSEMENT
PIÈCES ROTATIVES
Les pièces rotatives peuvent provoquer des blessures, happer les
vêtements ou les cheveux. Les pièces détachées ou les pièces
déséquilibrées peuvent être éjectées.
• Contrôler le montage de toutes les pièces rotatives
• Utiliser un capot de protection pour les pièces en rotation.
Si ces précautions ne sont pas respectées, cela peut entraîner la
mort, des blessures graves ou des dommages matériels.

SMi21
C.MO.SAV.00006.FR_V5 Page 24/231
12 Janvier 2016
AVERTISSEMENT
CHUTES DE PIÈCES
Le moteur peut se déplacer avec le couple de réaction, il peut basculer
et tomber.
• Fixer le moteur de façon sûre afin qu'il ne puisse pas se détacher
lors de fortes accélérations.
Si ces précautions ne sont pas respectées, cela peut entraîner la
mort, des blessures graves ou des dommages matériels
ATTENTION
SURFACES CHAUDES
La surface du moteur peut chauffer à plus de 70°C selon l'utilisation.
• Eviter le contact avec les surfaces chaudes.
• Ne pas poser de composants inflammables ou sensibles à la chaleur
à proximité immédiate.
• Favoriser un assemblage permettant la bonne dissipation de la
chaleur.
• Vérifier la température lors d'un essai.
Si ces précautions ne sont pas respectées, cela peut entraîner
des blessures ou des dommages matériels.
ATTENTION
SURTENSIONS
Lors des phases de freinage, le moteur génère des surtensions
• Vérifier que ses surtensions sont acceptables par les autres
appareils branchés sur la même alimentation.
• Favoriser l’utilisation d’un circuit externe pour limiter les surtensions
En cas d’utilisation intensive du freinage.
Si ces précautions ne sont pas respectées, cela peut entraîner
des blessures ou des dommages matériels.

SMi21
C.MO.SAV.00006.FR_V5 Page 25/231
12 Janvier 2016
7. PRESENTATION DU PRODUIT
7.1. Description du produit
7.2. Electronique de commande SMI21
La carte électronique SMI21 est une électronique de commande pour moteur brushless, intégrée dans le
corps du moteur.
Cette électronique permet de réaliser :
• La commande de puissance du moteur en mode sinus (commande vectorielle FOC).
• Les algorithmes de contrôle de Position - Vitesse – Couple et Courant.
• La prise en compte de programmes préconfigurés qui permettent de réaliser un grand nombre
d’applications courantes.
• La gestion de différents types de fonctionnements :
o « Stand-alone » moteur seul sans automate extérieur.
o Utilisation avec d’autres moteurs ayant des électroniques SMI21 ou TNI21 ou Motomate.
o Utilisation avec un automate programmable, la SMI21 simplifiant au maximum la gestion du
moteur.
• L’interface avec le logiciel de paramétrage installé sur le PC :
o Facile d’utilisation même par un « non expert » grâce aux programmes applicatifs simplifiés
de mise en marche rapide.
o Grand choix de programmes experts couvrant une large plage d’utilisations.
o Connexion USB par câble standard du commerce (livrable sur demande).
• La gestion de 6 entrées et de 4 sorties pour le pilotage du moteur :
o 2 entrées configurables en commande analogique 10 bits 0-10V ou PWM ou Tout Ou Rien
o 4 entrées Tout Ou Rien
o 1 sorties configurables en PWM ou fréquence ou Tout Ou Rien
o 1 sorties configurables en PWM ou Tout Ou Rien
o 2 sorties Tout Ou Rien
En version standard, les moteurs disposent d’un codeur interne de 4096 points par tour qui permet
d’atteindre de grandes résolutions de positionnement et de régulation.
Etiquette
Connecteur logique 12 contacts
(Entrées / Sorties)
Alimentation
(Puissance et Logique)
Axe de sortie
Frein arrière à manque de courant
(Optionnel)
Electronique intégrée SMI21
Connecteur micro USB - B
(Paramétrage via IHM)
Codeur optique intégré
(4096 points)
Figure 4

SMi21
C.MO.SAV.00006.FR_V5 Page 26/231
12 Janvier 2016
7.3. Logiciel de paramétrage sur PC « DCmind Soft »
Ce logiciel est disponible au téléchargement sur Internet à l'adresse suivante : http://www.crouzet.com/.
Il peut être également fourni sous forme d’un kit, voir le chapitre « Kit de programmation ».
Ce logiciel « DCmind Soft » est nécessaire pour la première utilisation du moteur et sa mise au point.
Il permet de réaliser :
• Le choix du programme de fonctionnement du moteur :
o Position
o Vitesse
o Couple
o Démarrage rapide et simple en utilisant les applications préprogrammées.
o Utilisation des programmes «expert» qui donnent l’accès à l’ensemble des réglages.
• Les différents réglages nécessaires au bon fonctionnement de l’application.
• Les mises à jour du programme moteur « firmware » en utilisant la fonction bootloader.

SMi21
C.MO.SAV.00006.FR_V5 Page 27/231
12 Janvier 2016
8. CARACTERISTIQUES TECHNIQUES
8.1. Données électriques
Caractéristiques maximales du produit
Paramètres
Valeur
Unité
Tension d’alimentation VCC_MAX
60
V
Courant maximum ICC_MAX
20
A
Tension maximale sur les entrées VIN_MAX
50
V
Tension maximale des sorties VOUT_MAX
60
V
Courant maximum des sorties IOUT_MAX
50
mA
Caractéristiques de fonctionnement
Paramètres
Min
Typique
Max
Unité
Tension d’alimentation VCC
9
12 / 24 / 48
57
V
Courant ICC
-
10
17
A
Consommation moteur à l’arrêt sans maintien W0
-
1
-
W
Caractéristiques des entrées
Paramètres
Min
Typique
Max
Unité
Impédance d’entrée E1 à E4 RIN_TOR
-
57
-
Ω
Impédance d’entrée E5 à E6 RIN_ANA/PWM
-
69
-
Ω
Niveau logique bas sur les entrées E1 à E4 VIL_TOR
0
-
2
V
Niveau logique haut sur les entrées E1 à E4 VIH_TOR
4
-
50
V
Niveau logique bas sur les entrées E5 à E6 VIL_PWM
0
-
2
V
Niveau logique haut sur les entrées E5 à E6 VIH_PWM
7,5
-
50
V
Caractéristiques des sorties
Paramètres
Min
Typique
Max
Unité
Niveau logique bas sur les sorties S1 à S4 VOL
RL = 4K7Ω, VCC = 24V
0
-
0,2
V
Niveau logique haut sur les sorties S1 à S4 VOL
RL = 4K7Ω, VCC = 24V
Vcc –
0,5V
-
Vcc
V
Type PNP collecteur ouvert
8.2. Données génériques
Caractéristiques générales
Paramètres
Valeur
Unité
Température ambiante du moteur
-30 à +70
°C
Classe d’isolation (conforme à la directive IEC
60085)
E
/
Indice de protection (hors axe de sortie)
IP65M
/

SMi21
C.MO.SAV.00006.FR_V5 Page 28/231
12 Janvier 2016
8.3. Faisceau logique de commande
Il est composé d’un câble homologué UL Style 2464 80°c 300V, longueur 500mm en standard, équipé d’un
connecteur MOLEX référence 43025-1200 12 contacts:
Broche
Désignation
Couleur des fils
(AWG24)
1
Entrée n°1 – Tout Ou Rien
Vert
2
Entrée n°2 – Tout Ou Rien
Jaune
3
Entrée n°3 – Tout Ou Rien
Blanc
4
Entrée n°4 – Tout Ou Rien
Blanc / Marron
5
Entrée n°5 – Consigne analogique ou PWM (ou Tout Ou Rien)
Bleu
6
Entrée n°6 – Consigne analogique ou PWM (ou Tout Ou Rien)
Orange
7
Masse logique - 0Vdc
Noir
8
Masse logique - 0Vdc
Blanc / Noir
9
Sortie n°1 – Tout Ou Rien ou PWM
Marron
10
Sortie n°2 – Tout Ou Rien ou PWM
Violet
11
Sortie n°3 – Tout Ou Rien
Rouge
12
Sortie n°4 – Tout Ou Rien
Gris
Une étiquette apposée sur le moteur rappelle ces informations :
Références du connecteur à utiliser pour le raccordement :
Sur une carte : MOLEX série 43045
Sur un câble : MOLEX série 43020
Au-delà de 3m de longueur de câble, il est nécessaire de réaliser des essais en situation.
Figure 5
Figure 6

SMi21
C.MO.SAV.00006.FR_V5 Page 29/231
12 Janvier 2016
8.4. Câble d’alimentation
Désignation
Couleur des fils
(AWG16)
Alimentation Puissance : 12Vdc → 48Vdc
Marron
Masse Puissance : 0Vdc
Bleu
Le câble d’alimentation est homologué UL Style 2517 105°C 300V, de longueur 500mm en standard.
En cas d’utilisation d’une rallonge du câble, la section du câble doit être dimensionnée en fonction du
courant consommé et de la longueur de câble.

SMi21
C.MO.SAV.00006.FR_V5 Page 30/231
12 Janvier 2016
9. RACCORDEMENT ELECTRIQUE DU MOTEUR
9.1. Connexion puissance
Nous recommandons la mise à la terre de la carcasse du moteur.
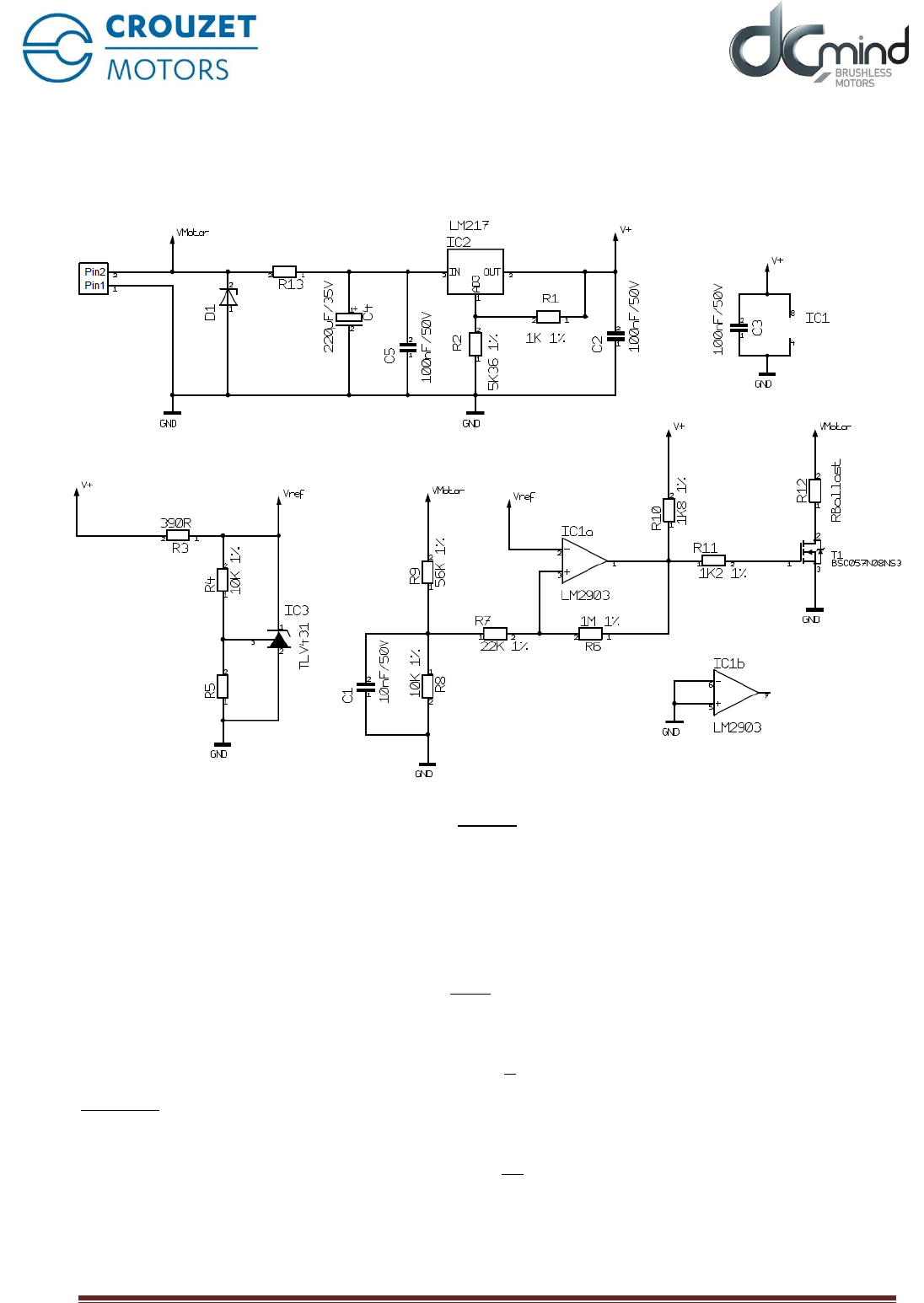
Schéma de connexion de la puissance.
Figure 7
(1) Mettre des condensateurs pour lisser les appels de courant. Valeur recommandée 1000µF / A consommé.
(2) Optionnel. Le circuit de ballast élimine les surtensions produites en cas de freinage. Voir chapitre suivant.
Le produit n’est pas protégé contre une inversion de polarité sur le câble de puissance.
Une inversion de polarité peut endommager irrémédiablement le produit.
9.1.1. Circuit ballast
Lorsque le moteur freine, l'énergie cinétique emmagasinée dans les inerties en rotation est renvoyée sur
l'alimentation et génère une surtension. Cette surtension peut être destructrice pour le moteur ou pour les
appareils raccordés sur la même alimentation.
En cas de freinage fréquent, un circuit ballast externe doit être utilisé.
Dans tous les cas il est nécessaire de procéder à des essais pour son dimensionnement.

SMi21
C.MO.SAV.00006.FR_V5 Page 31/231
12 Janvier 2016
9.1.1.1. Proposition de schéma du circuit ballast
Le schéma ci-dessous permet de dissiper l’énergie de freinage dans une résistance, limitant ainsi les
surtensions aux bornes du moteur.
Figure 8
9.1.1.2. Dimensionnement de la résistance R12 (RBallast)
La valeur de la résistance est d'autant plus faible que le courant de freinage est élevé. Des valeurs typiques
sont autour de quelques Ohms.
Avec V la vitesse de rotation en tours par minute et J l'inertie en Kg.m², l'énergie E en Joules emmagasinée
dans l'inertie est donnée par :
Si t est la durée du freinage en secondes, la puissance P1 dissipée durant celui-ci, sera de :
Remarque : Le temps t se règle à travers la valeur des rampes de décélération dans l’IHM.
Si T est l’intervalle de temps entre 2 freinages en seconde, la puissance moyenne P2 dissipée sera de :
La résistance devra être dimensionnée pour dissiper la puissance P2 tout en acceptant des pointes à P1.
On notera toutefois que ce calcul est simplifié et pessimiste puisqu'il ne tient pas compte de l'énergie
stockée dans les condensateurs ni de celle perdue dans les frottements, le réducteur, etc.

SMi21
C.MO.SAV.00006.FR_V5 Page 32/231
12 Janvier 2016
9.1.1.3. Choix de la tension de coupure
La tension de coupure doit être choisie :
- En fonction de l’alimentation
- En fonction des autres appareils connectés sur cette même alimentation
Si votre alimentation n’accepte pas les retours de courant, mettre une diode en série en amont du circuit de
ballast pour la protéger.
On choisit généralement la tension de coupure entre +10% et +20% de la tension d’alimentation.
Ex : Pour 24Vdc on prendra 28Vdc de tension de coupure.
Liste des composants pour les tensions de fonctionnement usuelles :
Tension nominale
12V
24V
32V
48V
Tension de coupure
14V
28V
36V
52V
D1
SMBJ14A
SMBJ28A
SMBJ36A
SMBJ54A
R13
0R
560R 0,5W
1K 1W
2K2 2W
R5
15K 1%
4K32 1%
3K09 1%
1K95 1%
9.1.2. Protection pour la CEM
Afin de garantir au produit la compatibilité avec les normes CEM CEI 61000-6-1, CEI 61000-6-2, CEI 61000-
6-3, CEI 61000-6-4.
Nous recommandons :
- De mettre le moteur à la terre en limitant la longueur de la tresse de masse,
- D’ajouter des condensateurs sur l’alimentation principale.
Nous recommandons 1000µF par ampère consommé.

SMi21
C.MO.SAV.00006.FR_V5 Page 33/231
12 Janvier 2016
9.2. Protections
DANGER
PROTECTIONS
Le produit dispose de protections internes qui coupent
l’alimentation du moteur lorsqu’elles sont activées. Le moteur
n’étant plus commandé, les charges entrainantes peuvent
tomber.
• Le fabricant du système est responsable du respect de toutes
les règles applicables en matière de sécurité en cas de
défaillance du produit.
Si ces précautions ne sont pas respectées, cela entraînera
la mort ou des blessures graves.
9.2.1. Protection en tension
Le produit dispose d’une protection pour les surtensions et les sous tensions.
Protection pour les surtensions :
Le seuil de surtensions est réglable dans l’IHM de 12 à 57V (réglé à 57V par défaut).
Lorsque la tension d’alimentation dépasse le seuil, le produit bascule en mode ERREUR automatiquement.
Dans le mode ERREUR le moteur n’est plus contrôlé.
Pour réarmer le moteur il faut que :
- La tension d’alimentation soit inférieure d’au moins 1V à la valeur du seuil
- Les entrées du moteur soient misent en mode ARRET.
Protection pour les sous tensions :
Lorsque la tension d’alimentation passe en dessous de 8V, le produit bascule en mode ERREUR
automatiquement. Dans le mode ERREUR le moteur n’est plus contrôlé.
Pour réarmer le moteur il faut que :
- La tension d’alimentation soit supérieure à 9V
- Les entrées du moteur soient misent en mode ARRET.
9.2.2. Protection en température
Le produit dispose d’une protection en température par l’intermédiaire d’un capteur de température sur la
carte de pilotage moteur.
Protection en température :
Lorsque la température interne dépasse 110°, le produit bascule en mode ERREUR automatiquement. Dans
le mode ERREUR le moteur n’est plus contrôlé.
Pour réarmer le moteur il faut que :
- La température soit inférieure à 90°
- Les entrées du moteur soient misent en mode ARRET.
9.2.3. Limitation de courant
Le produit dispose d’une limitation de courant interne. Cette limitation intervient directement de manière
hardware sur le moteur. Cette limitation écrête automatiquement le courant à 17A dans les phases du
moteur.
Si cette limite est atteinte cela se traduit par une diminution des performances du moteur.
Ce produit n’est pas prévu pour fonctionner en continu au niveau de cette limitation (voir le chapitre
« Données électriques »).

SMi21
C.MO.SAV.00006.FR_V5 Page 34/231
12 Janvier 2016
9.3. Connexion USB
La liaison USB nécessite une prise Micro USB type B au niveau du moteur.
La longueur du câble doit être inférieure à 3m.
Référence de câble possible : MOLEX 68784-0003.
Procédure de raccordement
Enlever avec précaution le bouchon noir sur le côté du moteur pour découvrir le connecteur Micro
USB - B. Le bouchon est équipé d’un lien qui permet de le laisser fixé au moteur.
Figure 9
Figure 10
Insérer le câble USB et suivre la procédure d’installation des pilotes.
Attention de ne jamais toucher le connecteur ou les contacts à l’intérieur du moteur avec le doigt ou avec
tout objet non prévu à cet effet.
Une fois terminé, il est indispensable de remettre avec soin le bouchon, afin de de conserver au moteur son
étanchéité et de protéger le connecteur de tout contact.
Une simple pression avec le doigt au centre du bouchon permet d’en assurer la bonne fermeture.
Figure 11

SMi21
C.MO.SAV.00006.FR_V5 Page 35/231
12 Janvier 2016
Montage incorrect du bouchon
Figure 12
Figure 13
Montage correct du bouchon
Figure 14
Figure 15

SMi21
C.MO.SAV.00006.FR_V5 Page 36/231
12 Janvier 2016
9.4. Connexion des entrées/sorties
9.4.1. Schéma équivalent des entrées
Entrées numériques NPN.
Figure 16
Entrées analogiques / PWM / numériques
Figure 17

SMi21
C.MO.SAV.00006.FR_V5 Page 37/231
12 Janvier 2016
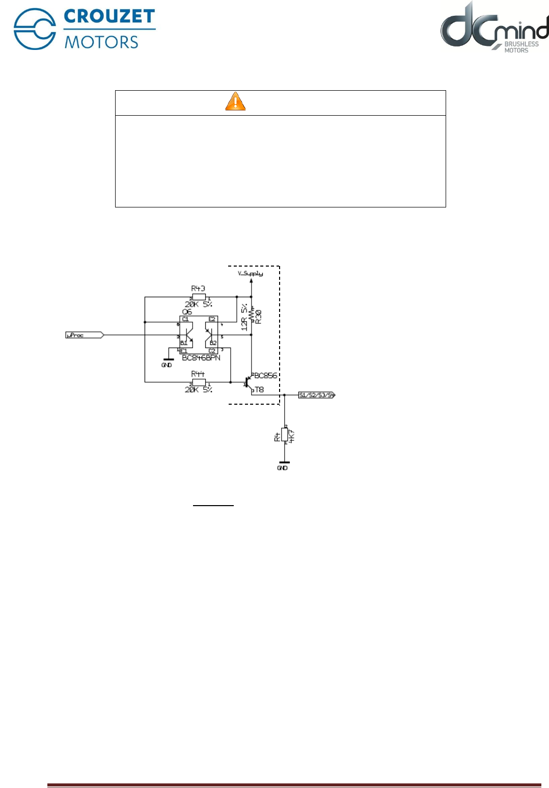
9.4.2. Schéma équivalent des sorties
ATTENTION
MISE A LA MASSE DES SORTIES
La mise accidentelle des sorties à la masse ou sur une charge
capacitive entraîne leurs destructions.
• Avant la mise sous tension du moteur vérifier le bon câblage des
sorties.
Si ces précautions ne sont pas respectées, cela peut entraîner
des blessures ou des dommages matériels.
Sorties PNP à collecteur ouvert 50mA max.
Mettre une résistance de pull down (valeur préconisée 4,7 kΩ).
Figure 18
Attention : le niveau de sortie est égal à la tension d’alimentation du moteur :
si Vcc = 48V alors S1 / S2 / S3 / S4 = 48V.
En cas de réjection, cette tension augmente en conséquence, elle peut monter jusqu’à 57V maxi (valeur du
seuil de surtension).
Si pour votre application il est nécessaire de limiter la valeur de la tension de ces sorties, il faut réaliser le
schéma suivant.

SMi21
C.MO.SAV.00006.FR_V5 Page 38/231
12 Janvier 2016
Sortie client (24V)

SMi21
C.MO.SAV.00006.FR_V5 Page 39/231
12 Janvier 2016
10. INSTALLATION DE L’IHM DCMIND SOFT
10.1. Introduction
Pour configurer les moteurs de la gamme DCmind Brushless SMI21, Crouzet fournit une IHM conviviale et
simple d’utilisation. A travers une interface de communication, l’IHM établit la connexion entre le PC et le
moteur et permet de paramétrer le moteur en vue d’adapter son fonctionnement à l’application.
10.2. Système requis
L’IHM est compatible avec les systèmes d’exploitation suivants :
- Windows XP Familial & Professionnel (avec version de Framework 3.5 minimale : fournie sur clé USB)
- Windows Vista
- Windows Seven 32 & 64 bits
Les fichiers d’installation de l’IHM sont fournis sur la clé USB du kit de programmation et disponibles au
téléchargement sur Internet à l'adresse suivante : http://www.crouzet.com/
10.3. Installation des drivers USB
Lancer le fichier « Driver Motor.exe » présent dans le dossier « Driver » :
Figure 19
Figure 20

SMi21
C.MO.SAV.00006.FR_V5 Page 40/231
12 Janvier 2016
10.4. Installation de l’IHM Crouzet DCmind Soft
Lancer le fichier « Setup_DCmind_Soft_Vxxx.msi » et suivre les instructions :
Nota : - Lors de l’installation de l’IHM « DCmind Soft », vérifier que le Bluetooth du PC est désactivé.
- Les pilotes USB doivent être impérativement installés en amont.
Figure 21 : Etapes 1 et 2
Figure 22 : Etapes 3 et 4
Lorsque l’installation est terminée, le logiciel PC peut être lancé directement via l’icône « DCmind Soft »
présente sur le bureau.
Remarque : Pour désinstaller l’application « DCmind Soft », faire la procédure standard Windows :
- « Démarrer »
- « Panneau de configuration »
- « Ajout/Suppression de programmes »
- « DCmind Soft »
- « Supprimer »

SMi21
C.MO.SAV.00006.FR_V5 Page 41/231
12 Janvier 2016
Remarque : Pour les PC équipés de Windows XP, il est possible que la version de Framework ne soit pas
assez récente pour pouvoir installer l’IHM « DCmind Soft ». Lors du lancement du setup, l’IHM informe
automatiquement l’utilisateur de ce problème en affichant la fenêtre suivante :
Figure 23
Il est recommandé de télécharger sur le site de Microsoft la dernière version de Framework disponible. Dans
le cas où aucune connexion internet n’est disponible, une version minimale de Framework est fournie sur la
clé USB du kit de programmation.
Pour installer le Framework version 3.5 fourni sur la clé USB, lancer le fichier « dotnetfx35.exe » et suivre les
instructions :
Figure 24
Cocher la case « J’ai lu le contrat de licence et j’ACCEPTE ses termes et conditions » puis appuyer sur le
bouton « Installer > ».
Figure 25

SMi21
C.MO.SAV.00006.FR_V5 Page 42/231
12 Janvier 2016
Lors de l’installation, Windows essaye de se connecter au serveur pour télécharger le package multi-langues
du Framework (cela peut prendre quelques minutes car il y a 5 tentatives de connexion au serveur). Au bout
de 5 tentatives, l’installation se fait directement via le setup fourni sur la clé USB :
Figure 26
Figure 27
Une fois l’installation du Framework 3.5 terminée, relancer l’installation de l’IHM « DCmind Soft » en se
référant au chapitre « Installation de l’IHM Crouzet DCmind Soft » de ce document.

SMi21
C.MO.SAV.00006.FR_V5 Page 43/231
12 Janvier 2016
10.5. Description de la fenêtre principale
Une fois toutes les installations réalisées (drivers + IHM), on connecte le moteur au PC et on lance l’IHM en
double cliquant sur l’icône suivante :
Figure 28
La page d’accueil de l’IHM apparait :
Figure 29
Programmes applicatifs :
Les programmes applicatifs sont rassemblés en groupes d’applications semblables (vanne, tapis
roulant, machine …).
Ils permettent une mise en route rapide en complétant juste quelques valeurs clefs de l’application.
Chaque programme applicatif s’appuie sur un programme expert préconfiguré.
Après quelques essais du moteur dans l’application, l’utilisateur peut affiner le fonctionnement du
moteur en accédant à l’ensemble des paramètres de réglage via le programme expert lié au
programme applicatif et en modifiant les valeurs pré-remplies.
Programmes experts :
Les programmes experts sont rassemblés en groupes de programmes semblables (contrôle de
position P1xx, P2xx,….. de vitesse V1xx, V2xx, de couple C1xx, C2xx).
Ce sont des programmes génériques, non spécifiques à une application. Ils permettent l’accès à
l’ensemble des options et des réglages.
Ils peuvent être utilisés directement, sans passer par l’étape « programme applicatif » et ils offrent
un choix plus large d’utilisations.
Barre du menu principal
Fenêtre d’aide contextuelle
Choix Programmes Applicatifs
Choix Programmes Experts
Affichage des différents programmes
applicatifs sous forme d’icônes
Affichage des différents programmes
experts sous forme d’icônes

SMi21
C.MO.SAV.00006.FR_V5 Page 44/231
12 Janvier 2016
La fenêtre d’aide contextuelle donne un descriptif de l’application sélectionnée lorsqu’on passe dessus avec
le curseur de la souris.
Remarque : DCmind Soft est en amélioration permanente. La dernière mise à jour est disponible en
téléchargement sur notre site http://www.crouzet.com/
Description des onglets de la barre du menu principal :
Figure 30
Fenêtre « Information moteur »
Figure 31
Langue : choix de la langue de l’IHM
Bootloader : mise à jour du firmware de la carte
Ouvrir : chargement d’un fichier de paramètres
Enregistrer sous : sauvegarde d’un fichier de paramètres
Quitter : fermeture de l’IHM
Informations Moteur : permet de connaître les
données du moteur lorsque celui-ci est
connecté

SMi21
C.MO.SAV.00006.FR_V5 Page 45/231
12 Janvier 2016
Dans l’onglet « Aide », on retrouve le manuel d’utilisation des moteurs DcMind brushless SMI21 au
format .pdf.

SMi21
C.MO.SAV.00006.FR_V5 Page 46/231
12 Janvier 2016
10.6. Connexion du moteur
Pour connecter le moteur, relier le moteur et le PC à l’aide du câble micro USB B to USB A (fourni dans le kit
de programmation), mettre le moteur sous tension et cliquer sur « Connexion Moteur » dans la barre du
menu principal. La fenêtre suivante apparaît :
Figure 32
Cliquer sur le bouton « Autodetect » pour lancer la recherche automatique du moteur. Si un moteur est
connecté au PC, il est automatiquement détecté et la fenêtre suivante apparaît :
Figure 33
Figure 34
Cliquer sur « OK », le moteur est à présent connecté et prêt à être utilisé.
Port COM sur lequel a été
détecté le moteur
Vitesse de transmission
de la liaison

SMi21
C.MO.SAV.00006.FR_V5 Page 47/231
12 Janvier 2016
Si dans la fenêtre d’information, il apparaît « Moteur non détecté ».
Figure 35
Alors vérifier que le moteur est bien alimenté, que le câble micro USB B to USB A est bien branché et
recommencer la procédure.

SMi21
C.MO.SAV.00006.FR_V5 Page 48/231
12 Janvier 2016
10.7. Mise à jour du firmware
Pour mettre à jour la version du logiciel embarqué dans le moteur, on utilise un bootloader via la
communication USB. Cette opération ne pourra être réalisée que par des utilisateurs avertis, toute mauvaise
manipulation pourra entrainer le non fonctionnement du produit.
Mettre le moteur sous tension et cliquer sur « Bootloader » dans la barre du menu principal (réécriture
complète de toute la mémoire), la fenêtre suivante apparaît :
Figure 36
Un message d’avertissement apparait pour confirmer la demande de mise à jour du firmware et pour éviter
toute mauvaise manipulation :
Figure 37
Pour lancer la mise à jour, cliquer sur « Oui » et choisir le programme .hex fourni par CROUZET :
Figure 38
Cliquer sur ce bouton pour
lancer la réécriture complète
du programme.
Programme .hex fourni
par CROUZET

SMi21
C.MO.SAV.00006.FR_V5 Page 49/231
12 Janvier 2016
Cliquer sur le bouton « Ouvrir », la mise à jour commence :
Figure 39
Lorsque la mise à jour est terminée, la fenêtre suivante apparait, cela signifie que le chargement s’est bien
passé :
Figure 40
Emplacement du fichier .hex
en cours de chargement.
Barre de progression du
chargement.

SMi21
C.MO.SAV.00006.FR_V5 Page 50/231
12 Janvier 2016
11. PROGRAMMES APPLICATIFS
11.1. Description
Sélectionner un groupe d’application dans la liste des programmes applicatifs puis une des icônes
correspondants à votre application.
Figure 41
Figure 42
Figure 43
Figure 44

SMi21
C.MO.SAV.00006.FR_V5 Page 51/231
12 Janvier 2016
11.2. Description de la partie monitoring
La partie monitoring de l’IHM est commune à tous les onglets de tous les programmes experts et applicatifs.
Figure 45
Cette zone indique à l’aide d’icônes graphiques le type
d’entrées/sorties du programme utilisé (ici 4 entrées
numériques, 2 entrées consignes analogiques, 2 sorties en
PWM et 2 sorties numériques).
Cette zone décrit l’état de la connexion entre l’IHM et le moteur
(vert pour connecté et rouge pour non connecté).
Elle donne en temps réel (toutes les secondes) la valeur des
différentes mesures réalisées sur le moteur (tension,
température, vitesse, position et couple).
Etats des différentes entrées/sorties numériques du
programme (vert pour active et bleu pour inactive).
Pour les consignes analogiques, on pourra visualiser leur
valeur (rpm, rpm/sec, mN.m…) en face des cadres IN5 et IN6.
Le type d’erreur détectée sera consultable dans cet onglet.
Les sorties de type PWM / Pulse ou Fréquence ne sont pas
prises en compte dans cet onglet.

SMi21
C.MO.SAV.00006.FR_V5 Page 52/231
12 Janvier 2016
11.3. Groupe « Vanne »
11.3.1. Programme Applicatif « Vanne 4 positions »
Figure 46
Le programme applicatif « Vanne 4 positions » fait appel au programme expert P101.
A tout moment l’utilisateur peut basculer vers ce mode expert pour accéder à l’ensemble des réglages en
cliquant sur le bouton « Mode Expert ».
Les valeurs préréglées en mode applicatif seront chargées directement dans le mode expert.
Il n’est pas possible alors de revenir dans ce programme applicatif.
A tout moment l’utilisateur peut appuyer sur le bouton « STOP » pour arrêter rapidement l’application.
Pour redémarrer le moteur il est nécessaire de recharger le programme.
Une fois les réglages terminés, appuyer sur le bouton « Charger Programme » pour paramétrer le moteur.
Remarque : Après chaque mise sous tension du moteur ou après chaque chargement programme, il est
nécessaire de réaliser la séquence de homing.
11.3.1.1. Affectation des Entrées / Sorties
Il est nécessaire de se référer au chapitre « Connexion des entrées/sorties ».
Les entrées :
IN1 : Si 0 → Pas de consigne de position, si 1 → Consigne = Paramètre « Position 1 »
IN2 : Si 0 → Pas de consigne de position, si 1 → Consigne = Paramètre « Position 2 »
IN3 : Si 0 → Pas de consigne de position, si 1 → Consigne = Paramètre « Position 3 »
IN4 : Si 0 → Pas de consigne de position, si 1 → Consigne = Paramètre « Position 4 »
IN5 : Si 0 → Aucune action, si 1 → Lancement de la phase de homing
IN6 : Si 0 → Arrêt, si 1 → Marche
Nota : si plus de 1 entrée IN1 à IN4 sont activées en même temps, le moteur passe en mode arrêt.
Branchement
des entrées
Branchement
des sorties

SMi21
C.MO.SAV.00006.FR_V5 Page 53/231
12 Janvier 2016
Les sorties : Ne pas oublier de monter les résistances de pull down sur chacune des sorties(si votre
automate ne les intègre pas).
OUT1 : Si 0 → position de consigne non atteinte, si 1 → position de consigne atteinte.
OUT2 : Si 0 → phase de homing terminée, si 1 → phase de homing en cours ou non faite.
OUT3 : Si 0 → moteur à l’arrêt, si 1 → moteur en rotation.
OUT4 : Si 0 → pas d’erreur, si 1 → erreur détectée.
11.3.1.2. Configuration de l’application
L’utilisateur a la possibilité de donner un nom de 4 caractères dans « Nom Projet » qui est mémorisé
dans le moteur et qui apparait dans la fenêtre « Informations Moteur ».
En cas de sauvegarde sur le PC par l’utilisateur, ce nom est utilisé par défaut. Pour plus de détails, voir le
paragraphe « Sauvegarde des paramètres ».
Les paramètres « Nombre de tour(s) pour fermer la vanne » et « Rapport de réduction entre la vanne et
le moteur » permettent de calculer la course totale de l’application en nombre de tours moteur :
Le paramètre « Temps pour réaliser la course totale » permet de calculer la vitesse de rotation du moteur
lors des phases de positionnement :
La valeur calculée est donnée à titre indicatif dans la case grisée.
La vitesse de rotation du moteur lors de la phase de recherche de la butée mécanique (homing) est
déterminée de la manière suivante :
11.3.1.3. Configuration du moteur
Permet de configurer la phase de recherche de la butée mécanique (homing) en réglant le couple de
détection « Couple Homing » ainsi que le sens de fermeture de la vanne.
Les couples nominal et maxi au niveau du moteur sont déterminés à partir de la valeur de « Couple
Homing » de la manière suivante :
A titre indicatif, la valeur de couple maximal vu par la vanne en fonctionnement est donnée dans la case
grisée.
11.3.1.4. Positionnement de la vanne
L’utilisateur a la possibilité de paramétrer 4 positions de consignes en pourcentage d’ouverture de vanne.
Par défaut, la position n°1 correspond à la détection de la butée mécanique (vanne fermée). Si
l’utilisateur veut ajouter un offset pour éviter les chocs mécaniques lors de la fermeture vanne, il doit
modifier le paramètre « Position 1 » en conséquence.
Par défaut, la position n°4 correspond à la course totale de l’application (vanne ouverte).

SMi21
C.MO.SAV.00006.FR_V5 Page 54/231
12 Janvier 2016
A titre indicatif, les 4 positions sont données en nombre de pulses (4096 pulses par tour moteur) dans les
cases grisées.

SMi21
C.MO.SAV.00006.FR_V5 Page 55/231
12 Janvier 2016
11.3.2. Programme Applicatif « Vanne 30 positions » 1 butée mécanique
Figure 47
Le programme applicatif « Vanne 30 positions » fait appel au programme expert P111.
A tout moment l’utilisateur peut basculer vers ce mode expert pour accéder à l’ensemble des réglages en
cliquant sur le bouton « Mode Expert ».
Les valeurs préréglées en mode applicatif seront chargées directement dans le mode expert.
Il n’est pas possible alors de revenir dans ce programme applicatif.
A tout moment l’utilisateur peut appuyer sur le bouton « STOP » pour arrêter rapidement l’application.
Pour redémarrer le moteur il est nécessaire de recharger le programme.
Une fois les réglages terminés, appuyer sur le bouton « Charger Programme » pour paramétrer le moteur.
Remarque : Après chaque mise sous tension du moteur ou après chaque chargement programme, il est
nécessaire de réaliser la séquence de homing.
11.3.2.1. Affectation des Entrées / Sorties
Il est nécessaire de se référer au chapitre « Connexion des entrées/sorties ».
Les entrées :
IN1 à IN5 : 32 combinaisons possibles :
- IN1 = IN2 = IN3 = IN4 = IN5 = 0 → Arrêt.
- IN1 = 1, les 4 autres = 0 → Lancement de la phase de homing.
- Les 30 autres combinaisons correspondent aux 30 consignes de position.
IN6 : Non utilisée.
Les sorties : Ne pas oublier de monter les résistances de pull down sur chacune des sorties(si votre
automate ne les intègre pas).
OUT1 : Si 0 → position de consigne non atteinte, si 1 → position de consigne atteinte.
OUT2 : Si 0 → phase de homing terminée, si 1 → phase de homing en cours ou non faite.
OUT3 : Si 0 → moteur à l’arrêt, si 1 → moteur en rotation.
Branchement
des entrées
Branchement
des sorties

SMi21
C.MO.SAV.00006.FR_V5 Page 56/231
12 Janvier 2016
OUT4 : Si 0 → pas d’erreur, si 1 → erreur détectée.
11.3.2.2. Configuration de l’application
L’utilisateur a la possibilité de donner un nom de 4 caractères dans « Nom Projet » qui est mémorisé
dans le moteur et qui apparait dans la fenêtre « Informations Moteur ».
En cas de sauvegarde sur le PC par l’utilisateur, ce nom est utilisé par défaut. Pour plus de détails, voir le
paragraphe « Sauvegarde des paramètres ».
Les paramètres « Nombre de tour(s) pour fermer la vanne » et « Rapport de réduction entre la vanne et
le moteur » permettent de calculer la course totale de l’application en nombre de tours moteur :
Le paramètre « Temps pour réaliser la course totale » permet de calculer la vitesse de rotation du moteur
lors des phases de positionnement :
La valeur calculée est donnée à titre indicatif dans la case grisée.
La vitesse de rotation du moteur lors de la phase de recherche de la butée mécanique (homing) est
déterminée de la manière suivante :
11.3.2.3. Configuration du moteur
Permet de configurer la phase de recherche de la butée mécanique (homing) en réglant le couple de
détection « Couple Homing » ainsi que le sens de fermeture de la vanne.
Les couples nominal et maxi au niveau du moteur seront déterminés à partir de la valeur de « Couple
Homing » de la manière suivante :
A titre indicatif, la valeur de couple maximal vu par la vanne en fonctionnement est donnée dans la case
grisée.
11.3.2.4. Table des positions
L’utilisateur n’a pas la possibilité de modifier les consignes de positions, elles sont automatiquement
définies de 2 à 30 positions équidistantes, en fonction de la course totale définie et du paramètre
« Nombre de positions ». Pour les modifier il faut basculer en « Mode Expert ».
Par défaut, la position n°1 correspond à la détection de la butée mécanique (vanne fermée).
Par défaut, la dernière position correspond à la course totale de l’application (vanne ouverte).
A titre indicatif, les consignes de positions sont données en nombre de tours vanne et en nombre de
pulses (4096 pulses par tour moteur).

SMi21
C.MO.SAV.00006.FR_V5 Page 57/231
12 Janvier 2016
11.4. Groupe « Tapis Roulant »
11.4.1. Programme Applicatif « Tapis Roulant : 0-10V »
Figure 48
Le programme applicatif « Tapis Roulant 0-10V » fait appel au programme expert V101.
A tout moment l’utilisateur peut basculer vers ce mode expert pour accéder à l’ensemble des réglages en
cliquant sur le bouton « Mode Expert ».
Les valeurs préréglées en mode applicatif seront chargées directement dans le mode expert.
Il n’est pas possible alors de revenir dans ce programme applicatif.
A tout moment l’utilisateur peut appuyer sur le bouton « STOP » pour arrêter rapidement l’application.
Pour redémarrer le moteur il est nécessaire de recharger le programme.
Une fois les réglages terminés, appuyer sur le bouton « Charger Programme » pour paramétrer le moteur.
11.4.1.1. Affectation des Entrées / Sorties
Il est nécessaire de se référer au chapitre « Connexion des entrées/sorties ».
Les entrées :
IN1 : Si 0 → Arrêt, si 1 → Marche
IN2 : Si 0 → rotation du moteur en sens inverse, si 1 → rotation du moteur en sens aiguille
IN3 : Si IN3 = 1 et IN1 = 1 et IN6 = 0, application d’un couple de maintien de 150mNm.
IN4 : Si 0 → pas d’action, si 1 → Arrêt rapide par mise en court-circuit des bobines. Cette action est
prioritaire sur les autres commandes.
IN5 : Commande en 0-10V. Réglage de l’accélération et de la décélération du moteur. 40000
rpm/sec pour 0V (accélération maxi) et 100 rpm/sec pour 10V.
IN6 : Commande en 0-10V. Réglage de la consigne de vitesse. 0V pour 0rpm et 10V pour vitesse
maximale du moteur définie par l’utilisateur.
Branchement
des entrées
Branchement
des sorties

SMi21
C.MO.SAV.00006.FR_V5 Page 58/231
12 Janvier 2016
Les sorties : Ne pas oublier de monter les résistances de pull down sur chacune des sorties (si votre
automate ne les intègre pas).
OUT1 : fourni une information sur la valeur de la vitesse du moteur en PWM.
Rapport cyclique = 0% → vitesse = 0rpm
Rapport cyclique = 100% → vitesse = vitesse maximale.
OUT2 : fourni une information sur la valeur du couple réel en PWM.
Rapport cyclique = 0% → couple = 0mNm
Rapport cyclique = 100% → couple = 1Nm.
OUT3 : Si 0 → moteur en rotation, si 1 → moteur à l’arrêt.
OUT4 : Si 0 → erreur détectée, si 1 → pas d’erreur.
11.4.1.2. Configuration de l’application
L’utilisateur a la possibilité de donner un nom de 4 caractères dans « Nom Projet » qui est mémorisé
dans le moteur et qui apparait dans la fenêtre « Informations Moteur ».
En cas de sauvegarde sur le PC par l’utilisateur, ce nom est utilisé par défaut. Pour plus de détails, voir le
paragraphe « Sauvegarde des paramètres ».
La vitesse maximale du moteur correspondant à une tension de 10V est calculée comme suit :
La valeur calculée est donnée à titre indicatif dans la case grisée.

SMi21
C.MO.SAV.00006.FR_V5 Page 59/231
12 Janvier 2016
11.4.2. Programme Applicatif « Tapis Roulant : PWM »
Figure 49
Le programme applicatif « Tapis Roulant PWM » fait appel au programme expert V101.
A tout moment l’utilisateur peut basculer vers ce mode expert pour accéder à l’ensemble des réglages en
cliquant sur le bouton « Mode Expert ».
Les valeurs préréglées en mode applicatif seront chargées directement dans le mode expert.
Il n’est pas possible alors de revenir dans ce programme applicatif.
A tout moment l’utilisateur peut appuyer sur le bouton « STOP » pour arrêter rapidement l’application.
Pour redémarrer le moteur il est nécessaire de recharger le programme.
Une fois les réglages terminés, appuyer sur le bouton « Charger Programme » pour paramétrer le moteur.
11.4.2.1. Affectation des Entrées / Sorties
Il est nécessaire de se référer au chapitre « Connexion des entrées/sorties ».
Les entrées :
IN1 : Si 0 → Arrêt, si 1 → Marche
IN2 : Si 0 → rotation du moteur en sens inverse, si 1 → rotation du moteur en sens aiguille
IN3 : Si IN3 = 1 et IN1 = 1 et IN6 = 0, application d’un couple de maintien de 150mNm.
IN4 : Si 0 → pas d’action, si 1 → Arrêt rapide par mise en court-circuit des bobines. Cette action est
prioritaire sur les autres commandes.
IN5 : Commande en PWM. Réglage de l’accélération et de la décélération du moteur. 40000
rpm/sec pour 0% du PWM (accélération maxi) et 100 rpm/sec pour 100% du PWM.
IN6 : Commande en PWM. Réglage de la consigne de vitesse. 0% du PWM pour 0rpm et 100% du
PWM pour vitesse maximale du moteur définie par l’utilisateur.
Branchement
des entrées
Branchement
des sorties

SMi21
C.MO.SAV.00006.FR_V5 Page 60/231
12 Janvier 2016
Les sorties : Ne pas oublier de monter les résistances de pull down sur chacune des sorties (si votre
automate ne les intègre pas).
OUT1 : fourni une information sur la valeur de la vitesse du moteur en PWM.
Rapport cyclique = 0% → vitesse = 0rpm
Rapport cyclique = 100% → vitesse = vitesse maximale.
OUT2 : fourni une information sur la valeur du couple réel en PWM.
Rapport cyclique = 0% → couple = 0mNm
Rapport cyclique = 100% → couple = 1Nm.
OUT3 : Si 0 → moteur en rotation, si 1 → moteur à l’arrêt.
OUT4 : Si 0 → erreur détectée, si 1 → pas d’erreur.
11.4.2.2. Configuration de l’application
L’utilisateur a la possibilité de donner un nom de 4 caractères dans « Nom Projet » qui est mémorisé
dans le moteur et qui apparait dans la fenêtre « Informations Moteur ».
En cas de sauvegarde sur le PC par l’utilisateur, ce nom est utilisé par défaut. Pour plus de détails, voir le
paragraphe « Sauvegarde des paramètres ».
La vitesse maximale du moteur correspondant à un signal PWM de rapport cyclique 100% est calculée
comme suit :
La valeur calculée est donnée à titre indicatif dans la case grisée.

SMi21
C.MO.SAV.00006.FR_V5 Page 61/231
12 Janvier 2016
11.4.3. Programme Applicatif « Convoyeur avec arrêt sur détection »
Figure 50
Le programme applicatif « Convoyeur avec arrêt sur détection » fait appel au programme expert V202.
A tout moment l’utilisateur peut basculer vers ce mode expert pour accéder à l’ensemble des réglages en
cliquant sur le bouton « Mode Expert ».
Les valeurs préréglées en mode applicatif seront chargées directement dans le mode expert.
Il n’est pas possible alors de revenir dans ce programme applicatif avec les paramètres modifiés.
A tout moment l’utilisateur peut appuyer sur le bouton « STOP » pour arrêter rapidement l’application.
Pour redémarrer le moteur il est nécessaire de recharger le programme.
Une fois les réglages terminés, appuyer sur le bouton « Charger Programme » pour paramétrer le moteur.
11.4.3.1. Affectation des Entrées / Sorties
Il est nécessaire de se référer au chapitre « Connexion des entrées/sorties ».
Les entrées :
IN1 : « ON/OFF » 0 → Arrêt, 1 → Marche
IN2 : « Sens normal du tapis » 0 → Sens 1 (dépend des réglages)
1 → Sens 2 (inverse de Sens 1)
Note : Cette entrée est importante lorsqu’un même programme, doit être utilisé pour des convoyeurs
de directions opposées.
IN3 : « Marche arrière » 0 → Pas D’action,
1 → Marche Arrière (Inhibe le détecteur « entrée 4 »).
IN4 : « Détecteur » 0 → Pas d’arrêt demandé, 1 → Arrêt demandé (Si IN3 = 0).
IN5 : « Vitesse » Commande Analogique (0/10V ou PWM) → Réglage de la Vitesse
IN6 : « Position » Commande Analogique (0/10V ou PWM) → Réglage de la Distance D’arrêt
Branchement
des entrées
Branchement
des sorties

SMi21
C.MO.SAV.00006.FR_V5 Page 62/231
12 Janvier 2016
Les sorties : Ne pas oublier de monter les résistances de pull down sur chacune des sorties (si votre
automate ne les intègre pas).
OUT1 : Cible Atteinte.
0 : Distance d’arrêt non atteinte
1 : Distance d’arrêt atteinte
OUT2 : Sens de rotation.
0 : Moteur Sens inverse
1 : Moteur Sens aiguille
OUT3 : Moteur en rotation.
0 : Pas de rotation
1 : Moteur en rotation
OUT4 : Erreur :
0 → Pas d’erreur
1 → Erreur détectée.
11.4.3.2. Configuration de l’application
L’utilisateur a la possibilité de donner un nom de 4 caractères dans « Nom Projet » qui est mémorisé
dans le moteur et qui apparait dans la fenêtre « Informations Moteur ».
En cas de sauvegarde sur le PC par l’utilisateur, ce nom est utilisé par défaut. Pour plus de détails, voir le
paragraphe « Sauvegarde des paramètres ».
Les paramètres « Vitesse Max Tapis » et « Rapport de réduction » permettent de définir une vitesse
maximale du moteur pour une consigne de 10V.
La vitesse maximale du moteur est calculée comme suit :
La valeur calculée est donnée à titre indicatif dans la case grisée.
La Distance d’arrêt du moteur est calculée comme suit :
Les paramètres « Distance d’arrêt max en cm » et « rapport de réduction » permettent de définir
différentes consignes de position pour le moteur selon la formule ci-dessous (pour rappel un tour moteur
équivaut à 4096 pulses).
La valeur calculée est donnée à titre indicatif dans la case grisée.
La zone Sens de Rotation du Moteur, permet de définir le sens de rotation par défaut du moteur (Sens
Inverse, Sens Aiguille), lorsque IN2 = 0. Les fabricants de convoyeur à bande demandent (pour une
bonne utilisation) que le moteur tire la bande transporteuse.
La zone commande, permet de définir le type des consignes E5 et E6.
L’option Via PLC, permet de définir si l’application est contrôlée par automate (si cochée) ou directement
par un détecteur « style détecteur optique » (si non cochée). Quand Via PLC n’est pas sélectionné, le
moteur mémorise la détection du capteur et va à sa position d’arrêt, même si l’objet a dépassé le capteur.
Pour redémarrer le convoyeur, en vitesse une action Arrêt/Marche sur IN1 doit être faîte.

SMi21
C.MO.SAV.00006.FR_V5 Page 63/231
12 Janvier 2016
Le paramètre « durée minimum du pulse » permet de filtrer le signal. La durée du signal doit être
supérieure à cette valeur avant d'être prise en compte.

SMi21
C.MO.SAV.00006.FR_V5 Page 64/231
12 Janvier 2016
11.5. Groupe « Machine »
11.5.1. Programme Applicatif « Vis Sans Fin »
Figure 51
Le programme applicatif « Vis Sans Fin » fait appel au programme expert P111.
A tout moment l’utilisateur peut basculer vers ce mode expert pour accéder à l’ensemble des réglages en
cliquant sur le bouton « Mode Expert ».
Les valeurs préréglées en mode applicatif seront chargées directement dans le mode expert.
Il n’est pas possible alors de revenir dans ce programme applicatif.
A tout moment l’utilisateur peut appuyer sur le bouton « STOP » pour arrêter rapidement l’application.
Pour redémarrer le moteur il est nécessaire de recharger le programme.
Une fois les réglages terminés, appuyer sur le bouton « Charger Programme » pour paramétrer le moteur.
Remarque : Après chaque mise sous tension du moteur ou après chaque chargement programme, il est
nécessaire de réaliser la séquence de homing.
11.5.1.1. Affectation des Entrées / Sorties
Il est nécessaire de se référer au chapitre « Connexion des entrées/sorties ».
Les entrées :
IN1 à IN5 : 32 combinaisons possibles :
- IN1 = IN2 = IN3 = IN4 = IN5 = 0 → Arrêt
- IN1 = 1, les 4 autres = 0 → Lancement de la phase de homing
- Les 30 autres combinaisons correspondent aux 30 consignes de position
IN6 : Entrée fin de course si type de butée « Switch » sélectionné
Branchement
des entrées
Branchement
des sorties

SMi21
C.MO.SAV.00006.FR_V5 Page 65/231
12 Janvier 2016
Les sorties : Ne pas oublier de monter les résistances de pull down sur chacune des sorties.
OUT1 : Si 0 → position de consigne non atteinte, si 1 → position de consigne atteinte.
OUT2 : Si 0 → phase de homing terminée, si 1 → phase de homing en cours ou non faite.
OUT3 : Si 0 → moteur à l’arrêt, si 1 → moteur en rotation.
OUT4 : Si 0 → pas d’erreur, si 1 → erreur détectée.
11.5.1.2. Phase d’initialisation
L’utilisateur a la possibilité de donner un nom de 4 caractères dans « Nom Projet » qui est mémorisé
dans le moteur et qui apparait dans la fenêtre « Informations Moteur ».
En cas de sauvegarde sur le PC par l’utilisateur, ce nom est utilisé par défaut. Pour plus de détails, voir le
paragraphe « Sauvegarde des paramètres ».
Sélectionner le type de butée, soit « Mécanique » si la butée se fait par détection d’obstacle sur
l’application, soit « Switch » si un capteur de fin de course est utilisé dans l’application.
Définir le sens de rotation du moteur permettant d’atteindre la butée sélectionnée ci-dessus (rotation en
sens aiguille par défaut).
Pour protéger l’application et éviter que la butée mécanique soit atteinte à chaque retour en position zéro,
il est possible de régler un offset de position (en mm) entre la butée mécanique et la position n°1
correspondant à la référence de l’application.
11.5.1.3. Configuration de l’application
Pour déterminer la vitesse maximale de fonctionnement lors des phases de positionnement, l’utilisateur
doit renseigner la vitesse linéaire maximale en mm/s et les paramètres de réglages mécaniques « Pas de
vis » et « Rapport de réduction entre la vis et le moteur » permettent d’obtenir une vitesse de rotation
moteur selon la formule suivante :
La vitesse de rotation du moteur lors de la phase de recherche de la butée mécanique (homing) est
déterminée de la manière suivante :
11.5.1.4. Configuration du moteur
Pour déterminer le couple en fonctionnement nominal, l’utilisateur doit renseigner la poussée maximale
de son application en Newton et les paramètres de réglages mécaniques « Pas de vis » et « Rapport de
réduction entre la vis et le moteur » permettent d’obtenir un couple nominal moteur selon la formule
suivante :
Les couples de homing pour la détection de la butée mécanique et maxi au niveau du moteur sont
déterminés à partir de la valeur du Couple Moteur déterminé ci-dessus de la manière suivante :

SMi21
C.MO.SAV.00006.FR_V5 Page 66/231
12 Janvier 2016
11.5.1.5. Table des positions
L’utilisateur n’a pas la possibilité de rentrer lui-même les 2 à 30 consignes de positions, elles sont
automatiquement définies en 2 à 30 positions équidistantes, en fonction de la course totale définie
« Longueur totale de la course » et du paramètre « Nombre de positions ».
La position n°1 correspond à la détection de la butée mécanique (à l’offset près).
La dernière position correspond à la course totale de l’application.
Dans le tableau, les consignes de positions sont données en mm.

SMi21
C.MO.SAV.00006.FR_V5 Page 67/231
12 Janvier 2016
11.5.2. Programme Applicatif « Vis Sans Fin (Proportionnel) »
Figure 52
Le programme applicatif « Vis Sans Fin (Proportionnel) » fait appel au programme expert P201.
A tout moment l’utilisateur peut basculer vers ce mode expert pour accéder à l’ensemble des réglages en
cliquant sur le bouton « Mode Expert ».
Les valeurs préréglées en mode applicatif seront chargées directement dans le mode expert.
Il n’est pas possible alors de revenir dans ce programme applicatif.
A tout moment l’utilisateur peut appuyer sur le bouton « STOP » pour arrêter rapidement l’application.
Pour redémarrer le moteur il est nécessaire de recharger le programme.
Une fois les réglages terminés, appuyer sur le bouton « Charger Programme » pour paramétrer le moteur.
Remarque : Après chaque mise sous tension du moteur ou après chaque chargement programme, il est
nécessaire de réaliser la séquence de homing.
11.5.2.1. Affectation des Entrées / Sorties
Il est nécessaire de se référer au chapitre « Connexion des entrées/sorties ».
Les entrées :
IN1 et IN2 : 4 combinaisons possibles :
- [IN1-IN2] = [00] → Arrêt
- [IN1-IN2] = [10] → Lancement de la phase de homing
- [IN1-IN2] = [01] → Asservissement en position actuelle
- [IN1-IN2] = [11] → Positionnement temps réel
IN3 : Entrée fin de course si type de butée « Switch » sélectionné
IN4 : Sélection vitesse rapide (si 0) ou vitesse lente (si 1)
IN5 : Consigne proportionnelle de position – réglage fort
IN6 : Consigne proportionnelle de position – réglage fin
Branchement
des entrées
Branchement
des sorties

SMi21
C.MO.SAV.00006.FR_V5 Page 68/231
12 Janvier 2016
Les sorties : Ne pas oublier de monter les résistances de pull down sur chacune des sorties.
OUT1 : Si 0 → position de consigne non atteinte, si 1 → position de consigne atteinte.
OUT2 : Si 0 → phase de homing terminée, si 1 → phase de homing en cours ou non faite.
OUT3 : Si 0 → moteur à l’arrêt, si 1 → moteur en rotation.
OUT4 : Si 0 → pas d’erreur, si 1 → erreur détectée.
11.5.2.2. Phase d’initialisation
L’utilisateur a la possibilité de donner un nom de 4 caractères dans « Nom Projet » qui est mémorisé
dans le moteur et qui apparait dans la fenêtre « Informations Moteur ».
En cas de sauvegarde sur le PC par l’utilisateur, ce nom est utilisé par défaut. Pour plus de détails, voir le
paragraphe « Sauvegarde des paramètres ».
Sélectionner le type de butée, soit « Mécanique » si la butée se fait par détection d’obstacle sur
l’application, soit « Switch » si un capteur de fin de course est utilisé dans l’application.
Définir le sens de rotation du moteur permettant d’atteindre la butée sélectionnée ci-dessus (rotation en
sens aiguille par défaut).
Pour protéger l’application et éviter que la butée mécanique soit atteinte à chaque retour en position zéro,
il est possible de régler un offset de position (en mm) entre la butée mécanique et la position n°0
correspondant à la référence de l’application.
11.5.2.3. Configuration de l’application
Pour déterminer la vitesse maximale de fonctionnement lors des phases de positionnement, l’utilisateur
doit renseigner la vitesse linéaire maximale en mm/s et les paramètres de réglages mécaniques « Pas de
vis » et « Rapport de réduction entre la vis et le moteur » permettent d’obtenir une vitesse de rotation
moteur selon la formule suivante :
En activant l’entrée numérique n°4 (IN4 = 1), l’utilisateur choisit un profil de vitesse moteur plus lent :
La vitesse de rotation du moteur lors de la phase de recherche de la butée mécanique (homing) est
déterminée de la manière suivante :
Nota : La vitesse maximale de rotation du moteur ne doit pas dépasser 4000 rpm. En cas de dépassement,
la case d’information « Vitesse Max » devient rouge et le chargement des paramètres n’est plus possible. Il
est fortement conseillé de vérifier la fiche technique du moteur utilisé avant de configurer son application.

SMi21
C.MO.SAV.00006.FR_V5 Page 69/231
12 Janvier 2016
11.5.2.4. Configuration du moteur
Pour déterminer le couple maximal disponible en fonctionnement, l’utilisateur doit renseigner la poussée
maximale de son application en Newton et les paramètres de réglages mécaniques « Pas de vis »,
« Rapport de réduction entre la vis et le moteur » et le « Rendement du système mécanique » permettant
d’obtenir le couple moteur selon la formule suivante :
Le couple de homing pour la détection de la butée mécanique est égal au Couple Nominal.
Nota : Le couple maximum ne doit pas dépasser 1000 mN.m. En cas de dépassement, la case d’information
« Couple Max » devient rouge et le chargement des paramètres n’est plus possible.
La valeur réelle du couple max est limitée par les caractéristiques du moteur utilisé. Il est fortement conseillé
de vérifier la fiche technique du moteur utilisé avant de configurer son application.
11.5.2.5. Consigne de position
L’utilisateur renseigne la course totale de son application en mm : paramètre « Longueur totale de la
course ». Cette course est atteinte lorsque les 2 entrées de consignes analogiques sont à 10V. Pour
parcourir cette distance, on affecte les 2 consignes de position comme suit :
o Réglage fort : l’entrée E5 permet de parcourir 63/64ème de la « Longueur totale de la course »
o Réglage fin : l’entrée E6 permet de parcourir 1/64ème de la « Longueur totale de la course »
La résolution de chacune des 2 entrées de consignes analogiques est donnée à titre indicatif dans les
cases grises de la zone « Table des consignes de positions » :
o Distance équivalente à une tension appliquée de 1V
o Distance équivalente à une tension appliquée de 0,01V (résolution du système)
Exemple : Pour une « Longueur totale de la course » = 300 mm :
→ L’entrée E5 permet de parcourir :
(pour 10V appliqué)
Soit 29,53125 mm pour 1V
Soit 0,2953125 mm pour 0,01V
→ L’entrée E6 permet de parcourir :
(pour 10V appliqué)
Soit 0,46875 mm pour 1V
Soit 0,0046875 mm pour 0,01V

SMi21
C.MO.SAV.00006.FR_V5 Page 70/231
12 Janvier 2016
11.5.3. Programme Applicatif « Pince »
Figure 53
Le programme applicatif « Pince » fait appel au programme expert C101.
A tout moment l’utilisateur peut basculer vers ce mode expert pour accéder à l’ensemble des réglages en
cliquant sur le bouton « Mode Expert ».
Les valeurs préréglées en mode applicatif seront chargées directement dans le mode expert.
Il n’est pas possible alors de revenir dans ce programme applicatif.
A tout moment l’utilisateur peut appuyer sur le bouton « STOP » pour arrêter rapidement l’application.
Pour redémarrer le moteur il est nécessaire de recharger le programme.
Une fois les réglages terminés, appuyer sur le bouton « Charger Programme » pour paramétrer le moteur.
11.5.3.1. Affectation des Entrées / Sorties
Il est nécessaire de se référer au chapitre « Connexion des entrées/sorties ».
Les entrées :
IN1 : Si 0 → Arrêt, si 1 → Marche
IN2 : Si 0 → rotation du moteur en sens inverse, si 1 → rotation du moteur en sens aiguille
IN3 : Non utilisée.
IN4 : Si 0 → pas d’action, si 1 → Arrêt rapide par mise en court-circuit des bobines. Cette action est
prioritaire sur les autres commandes.
IN5 : Commande en 0-10V. Réglage de la rampe de couple du moteur. 20000 mNm/sec pour 0V
(rampe maxi) et 100 mNm/sec pour 10V.
IN6 : Commande en 0-10V. Réglage de la consigne de couple. 0V pour 0 mNm et 10V pour couple
maximal du moteur définie par l’utilisateur (valeur dans la case grisée).
Branchement
des entrées
Branchement
des sorties

SMi21
C.MO.SAV.00006.FR_V5 Page 71/231
12 Janvier 2016
Les sorties : Ne pas oublier de monter les résistances de pull down sur chacune des sorties.
OUT1 : fourni une information sur la valeur de la vitesse du moteur en PWM.
Rapport cyclique = 0% → vitesse = 0rpm
Rapport cyclique = 100% → vitesse = 4000rpm.
OUT2 : fourni une information sur la valeur du couple réel en PWM.
Rapport cyclique = 0% → couple = 0mNm
Rapport cyclique = 100% → couple = couple maximal.
OUT3 : Si 0 → moteur en rotation, si 1 → moteur à l’arrêt.
OUT4 : Si 0 → erreur détectée, si 1 → pas d’erreur.
11.5.3.2. Configuration de l’application
L’utilisateur a la possibilité de donner un nom de 4 caractères dans « Nom Projet » qui est mémorisé
dans le moteur et qui apparait dans la fenêtre « Informations Moteur ».
En cas de sauvegarde sur le PC par l’utilisateur, ce nom est utilisé par défaut. Pour plus de détails, voir le
paragraphe « Sauvegarde des paramètres ».
Le couple maximal du moteur correspondant à une tension de 10V est calculé comme suit :
La valeur calculée est donnée à titre indicatif dans la case grisée.

SMi21
C.MO.SAV.00006.FR_V5 Page 72/231
12 Janvier 2016
11.6. Groupe « Dosage »
11.6.1. Programme Applicatif « Pompe Péristaltique »
Figure 54
Le programme applicatif « Pompe péristaltique » fait appel au programme expert V201.
A tout moment l’utilisateur peut basculer vers ce mode expert pour accéder à l’ensemble des réglages en
cliquant sur le bouton « Mode Expert ».
Les valeurs préréglées en mode applicatif seront chargées directement dans le mode expert.
Il n’est pas possible alors de revenir dans ce programme applicatif avec les paramètres modifiés.
A tout moment l’utilisateur peut appuyer sur le bouton « STOP » pour arrêter rapidement l’application.
Pour redémarrer le moteur il est nécessaire de recharger le programme.
Une fois les réglages terminés, appuyer sur le bouton « Charger Programme » pour paramétrer le moteur.
11.6.1.1. Affectation des Entrées / Sorties
Il est nécessaire de se référer au chapitre « Connexion des entrées/sorties ».
Les entrées :
IN1 : Si 0 → Arrêt, si 1 → Marche
IN2 : Si 0 → Mode Dosage, si 1 → Mode Vitesse
IN3 : Si Mode Vitesse : 0 → rotation du moteur en sens inverse, 1 → rotation du moteur en sens
aiguille
Si Mode Dosage : 0 → Pas de dosage, 1→ Lancement de la nouvelle dose
(Note : Dans ce mode Dosage la durée du niveau « 1 » sur IN3 doit être au minimum de
15ms pour que la consigne soit prise en compte).
IN4 et IN 5 : Selon le mode, codage de la plage de vitesse ou du débit.
IN6 : Commande Analogique (0/10V).
Branchement
des entrées
Branchement
des sorties

SMi21
C.MO.SAV.00006.FR_V5 Page 73/231
12 Janvier 2016
Si mode Vitesse : Réglage de la vitesse entre les bornes min et max (selon codage IN4 et IN 5).
Si mode Dosage : Réglage (Analogique) de la dose D4 à réaliser.
Les sorties : Ne pas oublier de monter les résistances de pull down sur chacune des sorties.
OUT1 : fourni une information sur le mode de fonctionnement.
0 : Mode Dosage
1 : Mode Vitesse
OUT2 : Sens de rotation.
0 : Sens Inverse
1 : Sens Aiguille
OUT3 : Mode Dosage : 0 → Dose non délivrée, 1→ Dose délivré
Mode Vitesse : 0 → Moteur en rotation, 1→ Moteur à l’arrêt
OUT4 : Si 0 → pas d’erreur, si 1 → erreur détectée.
11.6.1.2. Configuration de l’application
L’utilisateur a la possibilité de donner un nom de 4 caractères dans « Nom Projet » qui est mémorisé
dans le moteur et qui apparait dans la fenêtre « Informations Moteur ».
En cas de sauvegarde sur le PC par l’utilisateur, ce nom est utilisé par défaut. Pour plus de détails, voir le
paragraphe « Sauvegarde des paramètres ».
Les paramètres « Dose », « temps » et « rapport de réduction » permettent de calculer pour chacune des
entrées 4 et 5 une consigne de position et une consigne de vitesse, selon les formules ci-dessous.
La valeur de vitesse calculée pour chacune des doses est donnée à titre indicatif dans la case grisée.
Pour ce programme les valeurs des plages de vitesse sont figées aux valeurs par défaut, vous pouvez
les modifier en passant en mode Expert.
IN 4
IN 5
Vitesse Min Moteur
(rpm)
Vitesse Max Moteur
(rpm)
0
0
0
3000
1
0
0
1000
0
1
900
2000
1
1
1800
3000

SMi21
C.MO.SAV.00006.FR_V5 Page 74/231
12 Janvier 2016
12. PROGRAMMES EXPERTS
12.1. Programmes en vitesse
12.1.1. Typologie des entrées des programmes V100
Le tableau ci-dessous définit la fonction associée à chacune des entrées des 4 programmes de type
V100 (la couleur associée au numéro de l’entrée correspond à celle du faisceau d’E/S) :
Programmes
Entrées
V101
V102
V103
V104
E1
ON / OFF
ON / OFF
000 : vitesse consigne « E6 »
001 : Vitesse prioritaire n°1
010 : Vitesse prioritaire n°2
100 : Vitesse prioritaire n°3
8 combinaisons :
Codage de 8 vitesses
préprogrammées
E2
Sens
Sens
E3
Maintien
Maintien
E4
Arrêt rapide
Arrêt rapide
00 : Arrêt rapide
10 : Rotation en sens inverse
01 : Rotation en sens aiguille
11 : Arrêt, désactivation erreur
00 : Arrêt rapide
10 : Rotation en sens inverse
01 : Rotation en sens aiguille
11 : Arrêt, désactivation erreur
E5
Rampe de
vitesse
Couple
Nominal
E6
Vitesse
Vitesse
Vitesse
(si E1 = E2 = E3 = 0)
Couple Nominal
Légende : Entrée de type numérique
Entrée de type analogique ou PWM
12.1.2. Typologie des entrées des programmes V200
Le tableau ci-dessous définit la fonction associée à chacune des entrées du programme V200 (la couleur
associée au numéro de l’entrée correspond à celle du faisceau d’E/S) :
Entrées
V201
Mode Vitesse
V201
Mode Position
V202
E1
ON / OFF
ON / OFF
ON / OFF
E2
Choix du Mode
Choix du Mode
Sens De
Rotation
E3
Sens de Rotation
Validation de
Consigne
Marche
Arrière
E4
00 = Plage Vitesse 1
10 = Plage Vitesse 2
01 = Plage Vitesse 3
11 = Plage Vitesse 4
00 = Position 1
10 = Position 2
01 = Position 3
11 = Position 4
Détecteur
E5
Consigne
Vitesse
E6
Consigne Vitesse
Analogique
Consigne Position
Analogique
Consigne
D’Arrêt
Légende : Entrée de type numérique
Entrée de type analogique ou PWM

SMi21
C.MO.SAV.00006.FR_V5 Page 75/231
12 Janvier 2016
12.1.3. Typologie des sorties des programmes V100
Pour l’ensemble des programmes experts en vitesse, 4 configurations de sorties paramétrables sont
disponibles (la couleur associée au numéro de la sortie correspond à celle du faisceau d’E/S) :
S1
S2
S3
S4
Type n°1
Top Hall
Couple Réel
Sens de Rotation
Erreur
pulse
PWM
TOR
TOR
Type n°2
Vitesse Réelle
Couple Réel
Moteur en Rotation
Erreur
PWM
PWM
TOR
TOR
Type n°3
Vitesse Réelle
Sens de Rotation
Moteur en Rotation
Erreur
Fréquence
TOR
TOR
TOR
Type n°4
Vitesse Réelle
centrée sur 50%
Couple Réel
centré sur 50%
00 : erreur détectée
01 : moteur en rotation
10 : moteur arrêté en mode maintien
11 : moteur arrêté libre sur l’axe
PWM
PWM
Combinaisons de TOR
Légende : Sortie de type numérique
Sortie de type PWM / Pulse / Fréquence
12.1.4. Typologie des sorties des programmes V200
Pour les programme expert en vitesse V200, la configuration des sorties est automatiquement sélectionnée
en fonction du programme (la couleur associée au numéro de la sortie correspond à celle du faisceau
d’E/S) :
OUT1
OUT2
OUT3
OUT4
Programme
V201
Mode
Vitesse
Mode De
fonctionnement
Direction
Moteur En
rotation
Erreur
TOR
TOR
TOR
TOR
Mode
Position
Type mode
Direction
Cible Atteinte
Erreur
TOR
TOR
TOR
TOR
Programme
V202
Cible Atteinte
Direction
Moteur en
Rotation
Erreur
TOR
TOR
TOR
TOR
Légende : Sortie de type numérique

SMi21
C.MO.SAV.00006.FR_V5 Page 76/231
12 Janvier 2016
12.1.5. Description des différents onglets type V100 et V200
Pour la description des onglets, le programme expert V101 est pris comme exemple (pour le détail de
chaque programme expert en vitesse, voir les parties « Programme Expert V101 » à « Programme Expert
V104 » de ce document).
12.1.5.1. Page d’accueil
Cette page est commune à tous les programmes experts et applicatifs, que ce soit en mode vitesse, position
ou couple. Elle permet de choisir entre les différents types de programmes applicatifs et experts.
Dans notre cas d’exemple, on choisit dans le groupe « Programmes Experts » la catégorie « Vitesse V100 »,
les icones des différents programmes experts de type V100 apparaissent dans la fenêtre en bas à droite, il
faut alors cliquer sur celui correspondant au programme expert « V101 » :
Figure 55
Choix de la catégorie du programme expert : V100
Choix du programme expert : V101
Information décrivant succinctement le programme
expert V101

SMi21
C.MO.SAV.00006.FR_V5 Page 77/231
12 Janvier 2016
12.1.5.2. Onglet « Descriptif »
C’est un onglet d’information dans lequel sont décrits succinctement les différents profils de vitesse qui
peuvent être réalisés à partir de ce mode expert :
Figure 56
12.1.5.3. Onglet « Entrées »
Cet onglet permet de configurer les différentes entrées de ce mode expert (polarité des entrées numériques,
valeur, type de commande, borne maxi et mini des commandes…) :
Figure 57
Description sommaire des profils réalisables à
partir de ce programme expert : régulation de
vitesse, rampes d’accélération…
Possibilité de nommer le projet
E/S

SMi21
C.MO.SAV.00006.FR_V5 Page 78/231
12 Janvier 2016
12.1.5.4. Onglet « Sorties »
Cet onglet permet de choisir et de configurer les différentes sorties de ce mode expert (type 1 à type 4 en
vitesse) :
Figure 58
12.1.5.5. Onglet « Tuning »
Cet onglet permet de représenter graphiquement certains paramètres (vitesse, couple…) et de modifier les
coefficients de la boucle de régulation de vitesse. Il est commun à tous les programmes experts en vitesse.
Figure 59
Réglages paramètres
du type de sorties n°1
Réglages paramètres
du type de sorties n°2
Réglages paramètres
du type de sorties n°3
Réglages paramètres
du type de sorties n°4
Cette zone permet de visualiser
graphiquement les paramètres
choisis.
Cette zone permet de :
- Choisir les paramètres à
visualiser graphiquement
- Régler les coefficients du
correcteur de vitesse
-Régler le temps d’affichage
- Exporter les données (.csv)

SMi21
C.MO.SAV.00006.FR_V5 Page 79/231
12 Janvier 2016
12.1.5.6. Onglet « Limitations »
Cet onglet permet de paramétrer les différentes limites de fonctionnement du moteur : couple nominal et
maximal (autorisation de pic de couple) et le seuil de surtension d’alimentation.
Figure 60
12.1.5.7. Onglet « Erreurs »
Cet onglet informe sur le type d’erreur rencontrée (à partir du code d’erreur) et sur l’action à réaliser par le
moteur suite à cette erreur. L’action pour l’erreur sur-couple est paramétrable.
Figure 61
Réglage des paramètres
associés à la gestion des
couples.
Description sommaire de
la gestion de couple.
Réglages du seuil de surtension :
si cette valeur est dépassée, une
erreur sera générée.
Réglage de l’action à réaliser lorsqu’on
rencontre une erreur de sur-couple
Si on détecte une erreur pouvant remettre
en cause la sécurité du moteur, le moteur
est automatiquement coupé et laissé libre
sur l’axe.
Procédure de redémarrage du moteur suite à la détection d’une erreur :
-Supprimer la cause du défaut.
-Passer en mode arrêt puis repasser en mode marche.

SMi21
C.MO.SAV.00006.FR_V5 Page 80/231
12 Janvier 2016
12.1.6. Programme Expert V101
12.1.6.1. Descriptif
Le programme expert V101 permet de :
- Réaliser des profils de vitesse avec une commande de type analogique ou PWM.
- Régler les phases d'accélération / décélération avec une commande de type analogique ou PWM.
- Paramétrer les couples nominal et maximum pour la sécurité de l’application via l’IHM.
12.1.6.2. Paramètres de l’onglet « Entrées »
Entrée numérique n°1 : Permet de régler la polarité de l’entrée « Marche / Arrêt ».
Figure 62
Entrée numérique n°2 : Permet de régler la polarité de l’entrée « Sens de rotation ».
Figure 63
Entrée numérique n°3 : Permet de régler la polarité de l’entrée « Maintien en position à l’arrêt » et de régler
la valeur du Couple de Maintien.
Figure 64

SMi21
C.MO.SAV.00006.FR_V5 Page 81/231
12 Janvier 2016
Entrée numérique n°4 : Permet de régler la polarité de l’entrée « Arrêt Rapide ».
Cette entrée permet d’arrêter le moteur le plus rapidement possible, sans tenir compte des consignes
appliquées aux autres entrées.
Figure 65
Entrée consigne n°5 : Permet de choisir le type de commande pour la consigne d’accélération / décélération
et de fixer les bornes maxi et mini de cette consigne. Il est possible de fonctionner en échelle inversée.
Figure 66
Entrée consigne n°6 : Permet de choisir le type de commande pour la consigne de vitesse et de fixer les
bornes maxi et mini de cette consigne. Il est possible de fonctionner en échelle inversée.
Figure 67

SMi21
C.MO.SAV.00006.FR_V5 Page 82/231
12 Janvier 2016
12.1.6.3. Paramètres de l’onglet « Sorties » type 1
Paramétrage de la sortie Pulse n°1 « Vitesse Réelle » : Un top Hall de largeur paramétrable (100 à 800µs)
est généré à chaque fois qu’un des 3 capteurs hall du moteur change d’état.
Les moteurs 80140_SMI21 et 80180_SMI21 ont 12 tops Hall par tour (2 paires de pôles).
Le moteur 80280_SMI21 a 24 tops Hall par tour (4 paires de pôles).
Figure 68
Paramétrage de la sortie PWM n°2 « Couple Réel » : On peut paramétrer la fréquence du signal de cette
sortie et la valeur de couple correspondant à un rapport cyclique de 100% (mise à l’échelle).
Si rapport cyclique = 0% → Couple fourni = 0mNm.
Si rapport cyclique = 100% → Couple fourni = « Couple S2 ».
Figure 69
Etat de la sortie numérique n°3 « Sens de Rotation » : Permet de connaitre le sens de rotation du moteur.
Figure 70
Etat de la sortie numérique n°4 « Erreur » : Permet de savoir si une erreur a été détectée.
Figure 71

SMi21
C.MO.SAV.00006.FR_V5 Page 83/231
12 Janvier 2016
12.1.6.4. Paramètres de l’onglet « Sorties » type 2
Paramétrage de la sortie PWM n°1 « Vitesse Réelle » : On peut paramétrer la fréquence du signal de cette
sortie (impérativement identique à celle de la sortie PWM n°2).
Si rapport cyclique = 0% → Vitesse réelle = 0rpm.
Si rapport cyclique = 100% → Vitesse réelle = consigne de vitesse maximale définie en E6.
Figure 72
Paramétrage de la sortie PWM n°2 « Couple Réel » : On peut paramétrer la fréquence du signal de cette
sortie (impérativement identique à celle de la sortie PWM n°1) et la valeur de couple correspondant à un
rapport cyclique de 100% (mise à l’échelle).
Si rapport cyclique = 0% → Couple fourni = 0mNm.
Si rapport cyclique = 100% → Couple fourni = « Couple S2 ».
Figure 73
Etat de la sortie numérique n°3 « Moteur en Rotation » : Permet de savoir si le moteur est à l’arrêt ou en
rotation.
Figure 74
Etat de la sortie numérique n°4 « Erreur » : Permet de savoir si une erreur a été détectée.
Figure 75

SMi21
C.MO.SAV.00006.FR_V5 Page 84/231
12 Janvier 2016
12.1.6.5. Paramètres de l’onglet « Sorties » type 3
Paramétrage de la sortie fréquence n°1 « Vitesse Réelle » : On peut paramétrer la fréquence du signal de
cette sortie pour laquelle le moteur tourne à 1000 RPM (200, 500 ou 1000 Hz).
Figure 76
Etat de la sortie numérique n°2 « Sens de Rotation » : Permet de connaitre le sens de rotation du moteur.
Figure 77
Etat de la sortie numérique n°3 « Moteur en Rotation » : Permet de savoir si le moteur est à l’arrêt ou en
rotation.
Figure 78
Etat de la sortie numérique n°4 « Erreur » : Permet de savoir si une erreur a été détectée.
Figure 79

SMi21
C.MO.SAV.00006.FR_V5 Page 85/231
12 Janvier 2016
12.1.6.6. Paramètres de l’onglet « Sorties » type 4
Paramétrage de la sortie PWM n°1 : « Vitesse Réelle centrée sur 50% » : On peut paramétrer la fréquence
du signal de cette sortie (impérativement identique à celle de la sortie PWM n°2).
Si rapport cyclique = 0% → rotation en sens aiguille à la consigne de vitesse maximale définie en E6
Si rapport cyclique = 50% → Vitesse réelle = 0 rpm.
Si rapport cyclique = 100% → rotation en sens inverse à la consigne de vitesse maximale définie en E6.
Figure 80
Paramétrage de la sortie PWM n°2 « Couple Réel centré sur 50% » : On peut paramétrer la fréquence du
signal de cette sortie (impérativement identique à celle de la sortie PWM n°1) et la valeur de couple
correspondant à un rapport cyclique de 100% (mise à l’échelle).
Si rapport cyclique = 0% → Couple de freinage fourni = « Couple S2 ».
Si rapport cyclique = 50% → Couple fourni = 0mNm.
Si rapport cyclique = 100% → Couple moteur fourni = « Couple S2 ».
Figure 81
Combinaisons des sorties numériques n°3 & 4 « Etat du Moteur » : Permet de connaître l'état dans lequel se
trouve le moteur.
Figure 82

SMi21
C.MO.SAV.00006.FR_V5 Page 86/231
12 Janvier 2016
12.1.6.7. Paramètres de l’onglet « Tuning »
Choix des différents paramètres à représenter graphiquement : soit 1, soit 2 soit les 3 paramètres. On peut
donc comparer la réponse en vitesse du système (mesure vs consigne) tout en visualisant l’évolution du
courant.
Figure 83
Réglage des coefficients du correcteur PID dans l’asservissement de vitesse (cette fonctionnalité est
réservée aux utilisateurs avertis). Les valeurs données dans l’exemple ci-dessous assurent un
fonctionnement correct des produits dans la plupart des cas.
Figure 84
Il est possible de régler la durée d’enregistrement que l’on souhaite visualiser, de 1 à 300 secondes.
Le pas d’échantillonnage est de 10ms.
Pendant l’acquisition des données, les autres fonctions de l’IHM sont indisponibles.
Figure 85
Bouton « Courbes » : permet de lancer l’acquisition des données. L’affichage des courbes ne se fait qu’une
fois l’acquisition terminée.
Bouton « Exporter Données » : permet de récupérer les données correspondant aux paramètres
sélectionnés dans un fichier texte (.txt). Pour que ce fichier soit compatible avec le tableur Excel, modifier
son extension en .csv.
Figure 86

SMi21
C.MO.SAV.00006.FR_V5 Page 87/231
12 Janvier 2016
Exemple : Avec une consigne de vitesse sur l’entrée n°6 à 3200 RPM et une consigne d’accélération sur
l’entrée n°5 à 800 RPM/s, on obtient la représentation graphique suivante (enregistrement sur une durée de
10 secondes) :
Figure 87
Remarque : Il est possible de modifier les échelles d’affichages avec la molette de la souris. D’autres
fonctionnalités sont disponibles avec un clic droit sur la souris.
Figure 88

SMi21
C.MO.SAV.00006.FR_V5 Page 88/231
12 Janvier 2016
12.1.6.8. Paramètres de l’onglet « Limitations »
AVERTISSEMENT
MOUVEMENT INATTENDU
Un réglage inapproprié des valeurs de couple peut entrainer des
mouvements inattendus de l’application et la destruction du moteur.
• S'assurer que cela ne peut provoquer aucun dommage.
• Ne procéder à l'essai que si personne ni aucun obstacle ne se
trouve dans la zone de danger.
Si ces précautions ne sont pas respectées, cela peut entraîner la
mort, des blessures graves ou des dommages matériels.
Cet onglet permet de régler les valeurs limites de différents paramètres.
Figure 89
Paramétrage des différents couples : Lorsque le couple de l’application devient supérieur au couple
« CNOMINAL », le moteur peut fournir un couple jusqu’à la valeur « CMAX » pendant la durée maximale « tMAX ».
Au-delà, si le couple de l’application est toujours supérieur à « CNOMINAL », le couple du moteur est limité à la
valeur « CNOMINAL » jusqu'à ce que le couple de l’application redevienne inférieur à cette valeur.
AVERTISSEMENT
SURTENSIONS
Lors des phases de freinage, le moteur génère des surtensions
• Vérifier que ses surtensions sont acceptables par les autres
appareils branchés sur la même alimentation.
• Favoriser l’utilisation d’un circuit externe pour limiter les surtensions
En cas d’utilisation intensive du freinage.
Si ces précautions ne sont pas respectées, cela peut entraîner la
mort, des blessures graves ou des dommages matériels.
Paramétrage du seuil de détection d’une surtension : Si la tension aux bornes du moteur dépasse ce seuil,
une erreur est générée, le moteur est arrêté et aucun couple de maintien n’est appliqué (libre sur l’axe).
Figure 90

SMi21
C.MO.SAV.00006.FR_V5 Page 89/231
12 Janvier 2016
12.1.6.9. Paramètres de l’onglet « Erreurs »
Paramétrage de l’action à réaliser lorsque l’on détecte une erreur de sur-couple : couple réel supérieur au
couple nominal « CNOMINAL » pendant une durée supérieure à « tMAX ».
Figure 91
Pour toutes les erreurs concernant la sécurité du moteur, l'action à réaliser n’est pas paramétrable : en cas
d'erreur, on arrête le moteur et aucun couple de maintien n’est appliqué (libre sur l’axe).
Figure 92
Procédure de redémarrage du moteur suite à la détection d’une erreur :
- Supprimer la cause du défaut.
- Passer en mode arrêt : désactiver l’entrée numérique n°1 « Marche / Arrêt ».
- Repasser en mode marche : activer l’entrée numérique n°1 « Marche / Arrêt ».

SMi21
C.MO.SAV.00006.FR_V5 Page 90/231
12 Janvier 2016
12.1.7. Programme Expert V102
12.1.7.1. Descriptif
Le programme expert V102 permet de :
- Réaliser des profils de vitesse avec une commande de type analogique ou PWM.
- Régler la limitation de couple avec une commande de type analogique ou PWM.
12.1.7.2. Paramètres de l’onglet « Entrées »
Entrée numérique n°1 : Permet de régler la polarité de l’entrée « Marche / Arrêt ».
Figure 93
Entrée numérique n°2 : Permet de régler la polarité de l’entrée « Sens de rotation ».
Figure 94
Entrée numérique n°3 : Permet de régler la polarité de l’entrée « Maintien en position à l’arrêt » et de régler
la valeur du Couple de Maintien.
Figure 95

SMi21
C.MO.SAV.00006.FR_V5 Page 91/231
12 Janvier 2016
Entrée numérique n°4 : Permet de régler la polarité de l’entrée « Arrêt Rapide ».
Cette entrée permet d’arrêter le moteur le plus rapidement possible, sans tenir compte des consignes
appliquées aux autres entrées.
Figure 96
Entrée consigne n°5 : Permet de choisir le type de commande pour la consigne de limitation de couple et de
fixer les bornes maxi et mini de cette consigne. Il est possible de fonctionner en échelle inversée.
Figure 97
Entrée consigne n°6 : Permet de choisir le type de commande pour la consigne de vitesse et de fixer les
bornes maxi et mini de cette consigne. Il est possible de fonctionner en échelle inversée.
Figure 98

SMi21
C.MO.SAV.00006.FR_V5 Page 92/231
12 Janvier 2016
12.1.7.3. Paramètres de l’onglet « Sorties » type 1
Paramétrage de la sortie Pulse n°1 « Vitesse Réelle » : Un top Hall de largeur paramétrable (100 à 800µs)
est généré à chaque fois qu’un des 3 capteurs hall du moteur change d’état.
Les moteurs 80140_SMI21 et 80180_SMI21 ont 12 tops Hall par tour (2 paires de pôles).
Le moteur 80280_SMI21 a 24 tops Hall par tour (4 paires de pôles).
Figure 99
Paramétrage de la sortie PWM n°2 « Couple Réel » : On peut paramétrer la fréquence du signal de cette
sortie et la valeur de couple correspondant à un rapport cyclique de 100% (mise à l’échelle).
Si rapport cyclique = 0% → Couple fourni = 0mNm.
Si rapport cyclique = 100% → Couple fourni = « Couple S2 ».
Figure 100
Etat de la sortie numérique n°3 « Sens de Rotation » : Permet de connaitre le sens de rotation du moteur.
Figure 101
Etat de la sortie numérique n°4 « Erreur » : Permet de savoir si une erreur a été détectée.
Figure 102

SMi21
C.MO.SAV.00006.FR_V5 Page 93/231
12 Janvier 2016
12.1.7.4. Paramètres de l’onglet « Sorties » type 2
Paramétrage de la sortie PWM n°1 « Vitesse Réelle » : On peut paramétrer la fréquence du signal de cette
sortie (impérativement identique à celle de la sortie PWM n°2).
Si rapport cyclique = 0% → Vitesse réelle = 0rpm.
Si rapport cyclique = 100% → Vitesse réelle = consigne de vitesse maximale définie en E6.
Figure 103
Paramétrage de la sortie PWM n°2 « Couple Réel » : On peut paramétrer la fréquence du signal de cette
sortie (impérativement identique à celle de la sortie PWM n°1) et la valeur de couple correspondant à un
rapport cyclique de 100% (mise à l’échelle).
Si rapport cyclique = 0% → Couple fourni = 0mNm.
Si rapport cyclique = 100% → Couple fourni = « Couple S2 ».
Figure 104
Etat de la sortie numérique n°3 « Moteur en Rotation » : Permet de savoir si le moteur est à l’arrêt ou en
rotation.
Figure 105
Etat de la sortie numérique n°4 « Erreur » : Permet de savoir si une erreur a été détectée.
Figure 106

SMi21
C.MO.SAV.00006.FR_V5 Page 94/231
12 Janvier 2016
12.1.7.5. Paramètres de l’onglet « Sorties » type 3
Paramétrage de la sortie fréquence n°1 « Vitesse Réelle » : On peut paramétrer la fréquence du signal de
cette sortie pour laquelle le moteur tourne à 1000 RPM (200, 500 ou 1000 Hz).
Figure 107
Etat de la sortie numérique n°2 « Sens de Rotation » : Permet de connaitre le sens de rotation du moteur.
Figure 108
Etat de la sortie numérique n°3 « Moteur en Rotation » : Permet de savoir si le moteur est à l’arrêt ou en
rotation.
Figure 109
Etat de la sortie numérique n°4 « Erreur » : Permet de savoir si une erreur a été détectée.
Figure 110

SMi21
C.MO.SAV.00006.FR_V5 Page 95/231
12 Janvier 2016
12.1.7.6. Paramètres de l’onglet « Sorties » type 4
Paramétrage de la sortie PWM n°1 : « Vitesse Réelle centrée sur 50% » : On peut paramétrer la fréquence
du signal de cette sortie (impérativement identique à celle de la sortie PWM n°2).
Si rapport cyclique = 0% → rotation en sens aiguille à la consigne de vitesse maximale définie en E6
Si rapport cyclique = 50% → Vitesse réelle = 0 rpm.
Si rapport cyclique = 100% → rotation en sens inverse à la consigne de vitesse maximale définie en E6.
Figure 111
Paramétrage de la sortie PWM n°2 « Couple Réel centré sur 50% » : On peut paramétrer la fréquence du
signal de cette sortie (impérativement identique à celle de la sortie PWM n°1) et la valeur de couple
correspondant à un rapport cyclique de 100% (mise à l’échelle).
Si rapport cyclique = 0% → Couple de freinage fourni = « Couple S2 ».
Si rapport cyclique = 50% → Couple fourni = 0mNm.
Si rapport cyclique = 100% → Couple moteur fourni = « Couple S2 ».
Figure 112
Combinaisons des sorties numériques n°3 & 4 « Etat du Moteur » : Permet de connaître l'état dans lequel se
trouve le moteur.
Figure 113

SMi21
C.MO.SAV.00006.FR_V5 Page 96/231
12 Janvier 2016
12.1.7.7. Paramètres de l’onglet « Tuning »
Choix des différents paramètres à représenter graphiquement : soit 1, soit 2 soit les 3 paramètres. On peut
donc comparer la réponse en vitesse du système (mesure vs consigne) tout en visualisant l’évolution du
courant.
Figure 114
Réglage des coefficients du correcteur PID dans l’asservissement de vitesse (cette fonctionnalité est
réservée aux utilisateurs avertis). Les valeurs données dans l’exemple ci-dessous assurent un
fonctionnement correct des produits dans la plupart des cas.
Figure 115
Il est possible de régler la durée d’enregistrement que l’on souhaite visualiser, de 1 à 300 secondes.
Le pas d’échantillonnage est de 10ms.
Pendant l’acquisition des données, les autres fonctions de l’IHM sont indisponibles.
Figure 116
Bouton « Courbes » : permet de lancer l’acquisition des données. L’affichage des courbes ne se fait qu’une
fois l’acquisition terminée.
Bouton « Exporter Données » : permet de récupérer les données correspondant aux paramètres
sélectionnés dans un fichier texte (.txt). Pour que ce fichier soit compatible avec le tableur Excel, modifier
son extension en .csv.
Figure 117

SMi21
C.MO.SAV.00006.FR_V5 Page 97/231
12 Janvier 2016
Exemple : Avec une consigne de vitesse sur l’entrée n°6 à 2000 RPM et une limitation de couple sur l’entrée
n°5 à 1000 mN.m, on obtient la représentation graphique suivante (enregistrement sur une durée de 5
secondes) :
Figure 118
Remarque : Il est possible de modifier les échelles d’affichages avec la molette de la souris. D’autres
fonctionnalités sont disponibles avec un clic droit sur la souris.
Figure 119

SMi21
C.MO.SAV.00006.FR_V5 Page 98/231
12 Janvier 2016
12.1.7.8. Paramètres de l’onglet « Limitations »
AVERTISSEMENT
SURTENSIONS
Lors des phases de freinage, le moteur génère des surtensions
• Vérifier que ses surtensions sont acceptables par les autres
appareils branchés sur la même alimentation.
• Favoriser l’utilisation d’un circuit externe pour limiter les surtensions
En cas d’utilisation intensive du freinage.
Si ces précautions ne sont pas respectées, cela peut entraîner la
mort, des blessures graves ou des dommages matériels.
Paramétrage du seuil de détection d’une surtension : Si la tension aux bornes du moteur dépasse ce seuil,
une erreur est générée, le moteur est arrêté et aucun couple de maintien n’est appliqué (libre sur l’axe).
Figure 120
12.1.7.9. Paramètres de l’onglet « Erreurs »
Pour toutes les erreurs concernant la sécurité du moteur, l'action à réaliser n’est pas paramétrable : en cas
d'erreur, on arrête le moteur, aucun couple de maintien n’est appliqué (libre sur l’axe).
Figure 121
Procédure de redémarrage du moteur suite à la détection d’une erreur :
- Supprimer la cause du défaut.
- Passer en mode arrêt : désactiver l’entrée numérique n°1 « Marche / Arrêt ».
- Repasser en mode marche : activer l’entrée numérique n°1 « Marche / Arrêt ».

SMi21
C.MO.SAV.00006.FR_V5 Page 99/231
12 Janvier 2016
12.1.8. Programme Expert V103
12.1.8.1. Descriptif
Le programme expert V103 permet de :
- Réaliser des profils de vitesse avec une commande de type analogique ou PWM.
- Forcer la commande de vitesse sur une des 3 vitesses préprogrammées.
- Paramétrer les phases d'accélération / décélération via l’IHM.
12.1.8.2. Paramètres de l’onglet « Entrées »
Combinaisons des entrées numériques n°1 à n°3 : Permet de choisir le type de consigne de vitesse
appliquée en entrée du moteur :
- Si aucune entrée n’est active, la consigne sera celle appliquée sur l’entrée n°6.
- Si une de ces 3 entrées est active, la consigne sera la vitesse prioritaire associée à cette entrée.
Nota : si plus de 1 entrée E1 à E3 sont activées, la consigne prise en compte est celle de l’entrée n°6.
Figure 122
Combinaisons des entrées numériques n°4 et n°5 : Permet de choisir le mouvement à réaliser parmi les 4
actions indiquées ci-dessous.
Figure 123

SMi21
C.MO.SAV.00006.FR_V5 Page 100/231
12 Janvier 2016
Entrée consigne n°6 : Permet de choisir le type de commande pour la consigne de vitesse et de fixer les
bornes maxi et mini de cette consigne. Il est possible de fonctionner en échelle inversée.
Figure 124
Réglage des pentes d’accélération et de décélération : Ces valeurs sont fixées via l’IHM et ne peuvent pas
être modifiées par des entrées au cours du fonctionnement du moteur. Par défaut, les pentes sont fixées à
40000 RPM/sec.
Figure 125

SMi21
C.MO.SAV.00006.FR_V5 Page 101/231
12 Janvier 2016
12.1.8.3. Paramètres de l’onglet « Sorties » type 1
Paramétrage de la sortie Pulse n°1 « Vitesse Réelle » : Un top Hall de largeur paramétrable (100 à 800µs)
est généré à chaque fois qu’un des 3 capteurs hall du moteur change d’état.
Les moteurs 80140_SMI21 et 80180_SMI21 ont 12 tops Hall par tour (2 paires de pôles).
Le moteur 80280_SMI21 a 24 tops Hall par tour (4 paires de pôles).
Figure 126
Paramétrage de la sortie PWM n°2 « Couple Réel » : On peut paramétrer la fréquence du signal de cette
sortie et la valeur de couple correspondant à un rapport cyclique de 100% (mise à l’échelle).
Si rapport cyclique = 0% → Couple fourni = 0mNm.
Si rapport cyclique = 100% → Couple fourni = « Couple S2 ».
Figure 127
Etat de la sortie numérique n°3 « Sens de Rotation » : Permet de connaitre le sens de rotation du moteur.
Figure 128
Etat de la sortie numérique n°4 « Erreur » : Permet de savoir si une erreur a été détectée.
Figure 129

SMi21
C.MO.SAV.00006.FR_V5 Page 102/231
12 Janvier 2016
12.1.8.4. Paramètres de l’onglet « Sorties » type 2
Paramétrage de la sortie PWM n°1 « Vitesse Réelle » : On peut paramétrer la fréquence du signal de cette
sortie (impérativement identique à celle de la sortie PWM n°2).
Si rapport cyclique = 0% → Vitesse réelle = 0rpm.
Si rapport cyclique = 100% → Vitesse réelle = consigne de vitesse maximale définie en E6.
Figure 130
Paramétrage de la sortie PWM n°2 « Couple Réel » : On peut paramétrer la fréquence du signal de cette
sortie (impérativement identique à celle de la sortie PWM n°1) et la valeur de couple correspondant à un
rapport cyclique de 100% (mise à l’échelle).
Si rapport cyclique = 0% → Couple fourni = 0mNm.
Si rapport cyclique = 100% → Couple fourni = « Couple S2 ».
Figure 131
Etat de la sortie numérique n°3 « Moteur en Rotation » : Permet de savoir si le moteur est à l’arrêt ou en
rotation.
Figure 132
Etat de la sortie numérique n°4 « Erreur » : Permet de savoir si une erreur a été détectée.
Figure 133

SMi21
C.MO.SAV.00006.FR_V5 Page 103/231
12 Janvier 2016
12.1.8.5. Paramètres de l’onglet « Sorties » type 3
Paramétrage de la sortie fréquence n°1 « Vitesse Réelle » : On peut paramétrer la fréquence du signal de
cette sortie pour laquelle le moteur tourne à 1000 RPM (200, 500 ou 1000 Hz).
Figure 134
Etat de la sortie numérique n°2 « Sens de Rotation » : Permet de connaitre le sens de rotation du moteur.
Figure 135
Etat de la sortie numérique n°3 « Moteur en Rotation » : Permet de savoir si le moteur est à l’arrêt ou en
rotation.
Figure 136
Etat de la sortie numérique n°4 « Erreur » : Permet de savoir si une erreur a été détectée.
Figure 137

SMi21
C.MO.SAV.00006.FR_V5 Page 104/231
12 Janvier 2016
12.1.8.6. Paramètres de l’onglet « Sorties » type 4
Paramétrage de la sortie PWM n°1 : « Vitesse Réelle centrée sur 50% » : On peut paramétrer la fréquence
du signal de cette sortie (impérativement identique à celle de la sortie PWM n°2).
Si rapport cyclique = 0% → rotation en sens aiguille à la consigne de vitesse maximale définie en E6
Si rapport cyclique = 50% → Vitesse réelle = 0 rpm.
Si rapport cyclique = 100% → rotation en sens inverse à la consigne de vitesse maximale définie en E6.
Figure 138
Paramétrage de la sortie PWM n°2 « Couple Réel centré sur 50% » : On peut paramétrer la fréquence du
signal de cette sortie (impérativement identique à celle de la sortie PWM n°1) et la valeur de couple
correspondant à un rapport cyclique de 100% (mise à l’échelle).
Si rapport cyclique = 0% → Couple de freinage fourni = « Couple S2 ».
Si rapport cyclique = 50% → Couple fourni = 0mNm.
Si rapport cyclique = 100% → Couple moteur fourni = « Couple S2 ».
Figure 139
Combinaisons des sorties numériques n°3 & 4 « Etat du Moteur » : Permet de connaître l'état dans lequel se
trouve le moteur.
Figure 140

SMi21
C.MO.SAV.00006.FR_V5 Page 105/231
12 Janvier 2016
12.1.8.7. Paramètres de l’onglet « Tuning »
Choix des différents paramètres à représenter graphiquement : soit 1, soit 2 soit les 3 paramètres. On peut
donc comparer la réponse en vitesse du système (mesure vs consigne) tout en visualisant l’évolution du
courant.
Figure 141
Réglage des coefficients du correcteur PID dans l’asservissement de vitesse (cette fonctionnalité est
réservée aux utilisateurs avertis). Les valeurs données dans l’exemple ci-dessous assurent un
fonctionnement correct des produits dans la plupart des cas.
Figure 142
Il est possible de régler la durée d’enregistrement que l’on souhaite visualiser, de 1 à 300 secondes.
Le pas d’échantillonnage est de 10ms.
Pendant l’acquisition des données, les autres fonctions de l’IHM sont indisponibles.
Figure 143
Bouton « Courbes » : permet de lancer l’acquisition des données. L’affichage des courbes ne se fait qu’une
fois l’acquisition terminée.
Bouton « Exporter Données » : permet de récupérer les données correspondant aux paramètres
sélectionnés dans un fichier texte (.txt). Pour que ce fichier soit compatible avec le tableur Excel, modifier
son extension en .csv.
Figure 144

SMi21
C.MO.SAV.00006.FR_V5 Page 106/231
12 Janvier 2016
Exemple : Avec une vitesse prioritaire sur l’entrée n°1 à 1000 RPM, une vitesse prioritaire sur l’entrée n°2 à
2000 RPM et une vitesse prioritaire sur l’entrée n°3 à 3000 RPM, on obtient la représentation graphique
suivante (enregistrement sur une durée de 15 secondes) :
Figure 145
Remarque : Il est possible de modifier les échelles d’affichages avec la molette de la souris. D’autres
fonctionnalités sont disponibles avec un clic droit sur la souris.
Figure 146

SMi21
C.MO.SAV.00006.FR_V5 Page 107/231
12 Janvier 2016
12.1.8.8. Paramètres de l’onglet « Limitations »
AVERTISSEMENT
MOUVEMENT INATTENDU
Un réglage inapproprié des valeurs de couple peut entrainer des
mouvements inattendus de l’application et la destruction du moteur.
• S'assurer que cela ne peut provoquer aucun dommage.
• Ne procéder à l'essai que si personne ni aucun obstacle ne se
trouve dans la zone de danger.
Si ces précautions ne sont pas respectées, cela peut entraîner la
mort, des blessures graves ou des dommages matériels.
Cet onglet permet de régler les valeurs limites de différents paramètres.
Figure 147
Paramétrage des différents couples : Lorsque le couple de l’application devient supérieur au couple
« CNOMINAL », le moteur peut fournir un couple jusqu’à la valeur « CMAX » pendant la durée maximale « tMAX ».
Au-delà, si le couple de l’application est toujours supérieur à « CNOMINAL », le couple du moteur est limité à la
valeur « CNOMINAL » jusqu'à ce que le couple de l’application redevienne inférieur à cette valeur.
AVERTISSEMENT
SURTENSIONS
Lors des phases de freinage, le moteur génère des surtensions
• Vérifier que ses surtensions sont acceptables par les autres
appareils branchés sur la même alimentation.
• Favoriser l’utilisation d’un circuit externe pour limiter les surtensions
En cas d’utilisation intensive du freinage.
Si ces précautions ne sont pas respectées, cela peut entraîner la
mort, des blessures graves ou des dommages matériels.
Paramétrage du seuil de détection d’une surtension : Si la tension aux bornes du moteur dépasse ce seuil,
une erreur est générée, le moteur est arrêté et aucun couple de maintien n’est appliqué (libre sur l’axe).
Figure 148

SMi21
C.MO.SAV.00006.FR_V5 Page 108/231
12 Janvier 2016
12.1.8.9. Paramètres de l’onglet « Erreurs »
Paramétrage de l’action à réaliser lorsque l’on détecte une erreur de sur-couple : couple réel supérieur au
couple nominal « CNOMINAL » pendant une durée supérieure à « tMAX ».
Figure 149
Pour toutes les erreurs concernant la sécurité du moteur, l'action à réaliser n’est pas paramétrable : en cas
d'erreur, on arrête le moteur, aucun couple de maintien n’est appliqué (libre sur l’axe).
Figure 150
Procédure de redémarrage du moteur suite à la détection d’une erreur :
- Supprimer la cause du défaut.
- Passer en mode arrêt : activer les entrées numériques n°4 et n°5.
- Repasser en mode marche : désactiver soit l’entrée numérique n°4 soit l’entrée numérique n°5.

SMi21
C.MO.SAV.00006.FR_V5 Page 109/231
12 Janvier 2016
12.1.9. Programme Expert V104
12.1.9.1. Descriptif
Le programme expert V104 permet de :
- Réaliser des profils de vitesse avec un choix de 8 valeurs préconfigurées.
- Régler la limitation de couple avec une commande de type analogique ou PWM.
- Paramétrer les phases d'accélération / décélération via l’IHM.
12.1.9.2. Paramètres de l’onglet « Entrées »
Combinaisons des entrées numériques n°1 à n°3 : Permet de choisir le type de consigne de vitesse
appliquée en entrée du moteur : 8 combinaisons possibles.
Figure 151
Combinaisons des entrées numériques n°4 et n°5 : Permet de choisir le mouvement à réaliser parmi les 4
actions indiquées ci-dessous.
Figure 152

SMi21
C.MO.SAV.00006.FR_V5 Page 110/231
12 Janvier 2016
Entrée consigne n°6 : Permet de choisir le type de commande pour la consigne de limitation de couple et de
fixer les bornes maxi et mini de cette consigne. Il est possible de fonctionner en échelle inversée.
Figure 153
Réglage des pentes d’accélération et de décélération : Ces valeurs sont fixées via l’IHM et ne peuvent pas
être modifiées par des entrées au cours du fonctionnement du moteur. Par défaut, les pentes sont fixées à
40000 RPM/sec.
Figure 154

SMi21
C.MO.SAV.00006.FR_V5 Page 111/231
12 Janvier 2016
12.1.9.3. Paramètres de l’onglet « Sorties » type 1
Paramétrage de la sortie Pulse n°1 « Vitesse Réelle » : Un top Hall de largeur paramétrable (100 à 800µs)
est généré à chaque fois qu’un des 3 capteurs hall du moteur change d’état.
Les moteurs 80140_SMI21 et 80180_SMI21 ont 12 tops Hall par tour (2 paires de pôles).
Le moteur 80280_SMI21 a 24 tops Hall par tour (4 paires de pôles).
Figure 155
Paramétrage de la sortie PWM n°2 « Couple Réel » : On peut paramétrer la fréquence du signal de cette
sortie et la valeur de couple correspondant à un rapport cyclique de 100% (mise à l’échelle).
Si rapport cyclique = 0% → Couple fourni = 0mNm.
Si rapport cyclique = 100% → Couple fourni = « Couple S2 ».
Figure 156
Etat de la sortie numérique n°3 « Sens de Rotation » : Permet de connaitre le sens de rotation du moteur.
Figure 157
Etat de la sortie numérique n°4 « Erreur » : Permet de savoir si une erreur a été détectée.
Figure 158

SMi21
C.MO.SAV.00006.FR_V5 Page 112/231
12 Janvier 2016
12.1.9.4. Paramètres de l’onglet « Sorties » type 2
Paramétrage de la sortie PWM n°1 « Vitesse Réelle » : On peut paramétrer la fréquence du signal de cette
sortie (impérativement identique à celle de la sortie PWM n°2).
Si rapport cyclique = 0% → Vitesse réelle = 0rpm.
Si rapport cyclique = 100% → Vitesse réelle = 4000 rpm.
Figure 159
Paramétrage de la sortie PWM n°2 « Couple Réel » : On peut paramétrer la fréquence du signal de cette
sortie (impérativement identique à celle de la sortie PWM n°1) et la valeur de couple correspondant à un
rapport cyclique de 100% (mise à l’échelle).
Si rapport cyclique = 0% → Couple fourni = 0mNm.
Si rapport cyclique = 100% → Couple fourni = « Couple S2 ».
Figure 160
Etat de la sortie numérique n°3 « Moteur en Rotation » : Permet de savoir si le moteur est à l’arrêt ou en
rotation.
Figure 161
Etat de la sortie numérique n°4 « Erreur » : Permet de savoir si une erreur a été détectée.
Figure 162

SMi21
C.MO.SAV.00006.FR_V5 Page 113/231
12 Janvier 2016
12.1.9.5. Paramètres de l’onglet « Sorties » type 3
Paramétrage de la sortie fréquence n°1 « Vitesse Réelle » : On peut paramétrer la fréquence du signal de
cette sortie pour laquelle le moteur tourne à 1000 RPM (200, 500 ou 1000 Hz).
Figure 163
Etat de la sortie numérique n°2 « Sens de Rotation » : Permet de connaitre le sens de rotation du moteur.
Figure 164
Etat de la sortie numérique n°3 « Moteur en Rotation » : Permet de savoir si le moteur est à l’arrêt ou en
rotation.
Figure 165
Etat de la sortie numérique n°4 « Erreur » : Permet de savoir si une erreur a été détectée.
Figure 166

SMi21
C.MO.SAV.00006.FR_V5 Page 114/231
12 Janvier 2016
12.1.9.6. Paramètres de l’onglet « Sorties » type 4
Paramétrage de la sortie PWM n°1 : « Vitesse Réelle centrée sur 50% » : On peut paramétrer la fréquence
du signal de cette sortie (impérativement identique à celle de la sortie PWM n°2).
Si rapport cyclique = 0% → rotation en sens aiguille à la vitesse de 4000 rpm.
Si rapport cyclique = 50% → Vitesse réelle = 0 rpm.
Si rapport cyclique = 100% → rotation en sens inverse à la vitesse de 4000 rpm.
Figure 167
Paramétrage de la sortie PWM n°2 « Couple Réel centré sur 50% » : On peut paramétrer la fréquence du
signal de cette sortie (impérativement identique à celle de la sortie PWM n°1) et la valeur de couple
correspondant à un rapport cyclique de 100% (mise à l’échelle).
Si rapport cyclique = 0% → Couple de freinage fourni = « Couple S2 ».
Si rapport cyclique = 50% → Couple fourni = 0mNm.
Si rapport cyclique = 100% → Couple moteur fourni = « Couple S2 ».
Figure 168
Combinaisons des sorties numériques n°3 & 4 « Etat du Moteur » : Permet de connaître l'état dans lequel se
trouve le moteur.
Figure 169

SMi21
C.MO.SAV.00006.FR_V5 Page 115/231
12 Janvier 2016
12.1.9.7. Paramètres de l’onglet « Tuning »
Choix des différents paramètres à représenter graphiquement : soit 1, soit 2 soit les 3 paramètres. On peut
donc comparer la réponse en vitesse du système (mesure vs consigne) tout en visualisant l’évolution du
courant.
Figure 170
Réglage des coefficients du correcteur PID dans l’asservissement de vitesse (cette fonctionnalité est
réservée aux utilisateurs avertis). Les valeurs données dans l’exemple ci-dessous assurent un
fonctionnement correct des produits dans la plupart des cas.
Figure 171
Il est possible de régler la durée d’enregistrement que l’on souhaite visualiser, de 1 à 300 secondes.
Le pas d’échantillonnage est de 10ms.
Pendant l’acquisition des données, les autres fonctions de l’IHM sont indisponibles.
Figure 172
Bouton « Courbes » : permet de lancer l’acquisition des données. L’affichage des courbes ne se fait qu’une
fois l’acquisition terminée.
Bouton « Exporter Données » : permet de récupérer les données correspondant aux paramètres
sélectionnés dans un fichier texte (.txt). Pour que ce fichier soit compatible avec le tableur Excel, modifier
son extension en .csv.
Figure 173

SMi21
C.MO.SAV.00006.FR_V5 Page 116/231
12 Janvier 2016
Exemple : Avec 8 vitesses préprogrammées, on obtient la représentation graphique suivante :
(enregistrement sur une durée de 30 secondes). La vitesse n°1 est à 0 RPM.
Figure 174
Remarque : Il est possible de modifier les échelles d’affichages avec la molette de la souris. D’autres
fonctionnalités sont disponibles avec un clic droit sur la souris.
Figure 175

SMi21
C.MO.SAV.00006.FR_V5 Page 117/231
12 Janvier 2016
12.1.9.8. Paramètres de l’onglet « Limitations »
AVERTISSEMENT
SURTENSIONS
Lors des phases de freinage, le moteur génère des surtensions
• Vérifier que ses surtensions sont acceptables par les autres
appareils branchés sur la même alimentation.
• Favoriser l’utilisation d’un circuit externe pour limiter les surtensions
En cas d’utilisation intensive du freinage.
Si ces précautions ne sont pas respectées, cela peut entraîner la
mort, des blessures graves ou des dommages matériels.
Paramétrage du seuil de détection d’une surtension : Si la tension aux bornes du moteur dépasse ce seuil,
une erreur est générée, le moteur est arrêté et aucun couple de maintien n’est appliqué (libre sur l’axe).
Figure 176
12.1.9.9. Paramètres de l’onglet « Erreurs »
Pour toutes les erreurs concernant la sécurité du moteur, l'action à réaliser n’est pas paramétrable : en cas
d'erreur, on arrête le moteur, aucun couple de maintien n’est appliqué (libre sur l’axe).
Figure 177
Procédure de redémarrage du moteur suite à la détection d’une erreur :
- Supprimer la cause du défaut.
- Passer en mode arrêt : activer les entrées numériques n°4 et n°5.
- Repasser en mode marche : désactiver soit l’entrée numérique n°4 soit l’entrée numérique n°5.

SMi21
C.MO.SAV.00006.FR_V5 Page 118/231
12 Janvier 2016
12.1.10. Programme Expert V201
12.1.10.1. Descriptif
Le programme expert V201 permet de :
- Régler une vitesse avec une commande de type analogique 0/10V, 0/5V ou PWM. La régulation est basée
sur le principe de la cible mouvante et permet d’atteindre des vitesses très basses (jusqu’à 1 rpm).
- Régler une position relative avec une commande de type analogique 0/10V, 0/5V ou PWM.
- De basculer entre les modes vitesses et positions.
12.1.10.2. Paramètres de l’onglet « Entrées »
Entrée numérique n°1 : « ON/OFF »
Cette entrée permet de démarrer le moteur. La polarité de l’entrée est ajustable.
Figure 178
Entrée numérique n°2 : « Mode »
Cette entrée permet de sélectionner le mode (Vitesse ou Position). La polarité de l’entrée est ajustable.
Figure 179
Entrée numérique n°3 (Mode Vitesse) : « Direction »
Cette entrée permet de définir le sens de rotation. La polarité de l’entrée est ajustable.
Figure 180
Entrée numérique n°3 (Mode Position) : « Go »
Cette entrée permet de donner le départ pour aller à une nouvelle position. Elle n’est prise en compte que
lorsque le dernier positionnement est terminé.
La durée minimale du pulse fonctionne comme un filtre, ce signal ne peut être pris en compte seulement si
la durée de ce pulse est supérieur à la valeur définie en paramètre.
Figure 181

SMi21
C.MO.SAV.00006.FR_V5 Page 119/231
12 Janvier 2016
Entrées numériques n°4 & n°5 (Mode Vitesse) : Codage Vitesse
Permet de sélectionner une « Plage de Vitesse » pour l’entrée 6.
Pour chacune de ces plages, il est possible de définir une vitesse minimale et maximale, ainsi que les
rampes d’accélération et de décélération.
Figure 182
Entrées numériques n°4 & n°5 (Mode Position) : Codage Position
Permet de choisir le « Pas » (Consigne de Position Relative).
Pour chacune de ces positions, il est possible de définir un nombre de pulses (4096 pulses 1 tour
moteur), la vitesse et les rampes d’accélération et de décélération.
La combinaison E4 = 0 et E5 = 0, permet le positionnement analogique via l’entrée 6.
Figure 183
Entrée consigne n°6 (Mode Vitesse) : « Vitesse »
Permet de choisir le type de commande pour la consigne de vitesse.
Cette entrée permet de parcourir la zone de valeur de vitesse définie par le codage des entrées 4 et 5.
Figure 184

SMi21
C.MO.SAV.00006.FR_V5 Page 120/231
12 Janvier 2016
Entrée consigne n°6 (Mode Position) : « Pas »
Cette entrée ajuste la valeur du pas à faire (positionnement relatif), lorsque IN4 = IN5 = 0, en utilisant une
commande analogique (0/10V, 0/5V ou PWM ).
Les paramètres accessibles sont :
- Nombre de Pulses Minimum (4096 1 tour moteur)
- Nombre de Pulses Maximum (4096 1 tour moteur)
- Type du signal (0/10V, 0/5V, PWM)
Figure 185

SMi21
C.MO.SAV.00006.FR_V5 Page 121/231
12 Janvier 2016
12.1.10.3. Paramètres de l’onglet « Sorties »
Etat de la sortie numérique n°1 :« Mode de Fonctionnement » :
Informe sur le mode de fonctionnement du programme en cours.
Figure 186
Etat de la sortie numérique n°2 :« Sens de Rotation » :
Indique le sens de rotation du moteur.
Figure 187
Etat de la sortie numérique n°3 (Mode Vitesse) :« Moteur en Rotation » :
Permet de dire si le moteur est en rotation ou non.
Figure 188
Etat de la sortie numérique n°3 (Mode Position) :« Témoin de cible atteinte » :
Permet de savoir si la consigne de position a été atteinte.
Figure 189
Etat de la sortie numérique n°4 :« Erreur »
Permet de savoir si une erreur a été détectée.
Figure 190

SMi21
C.MO.SAV.00006.FR_V5 Page 122/231
12 Janvier 2016
12.1.10.4. Paramètres de l’onglet « Tuning »
Choix des différents paramètres à représenter graphiquement : soit 1, soit 2, soit 3 soit tout les paramètres.
On peut donc comparer la réponse en vitesse du système (mesure vs consigne) tout en visualisant
l’évolution du courant.
Figure 191
Réglage des coefficients du correcteur PID dans l’asservissement de position (cette fonctionnalité est
réservée aux utilisateurs avertis). Les valeurs données dans l’exemple ci-dessous assurent un
fonctionnement correct des produits dans la plupart des cas.
Figure 192
Il est possible de régler la durée d’enregistrement que l’on souhaite visualiser, de 1 à 300 secondes.
Le pas d’échantillonnage est de 10ms.
Pendant l’acquisition des données, les autres fonctions de l’IHM sont indisponibles.
Figure 193
Bouton « Courbes » : permet de lancer l’acquisition des données. L’affichage des courbes ne se fait qu’une
fois l’acquisition terminée.
Bouton « Exporter Données » : permet de récupérer les données correspondant aux paramètres
sélectionnés dans un fichier texte (.txt). Pour que ce fichier soit compatible avec le tableur Excel, modifier
son extension en .csv.
Figure 194

SMi21
C.MO.SAV.00006.FR_V5 Page 123/231
12 Janvier 2016
Exemple : Avec une consigne de vitesse sur l’entrée n°6 à 2000 RPM, on obtient la représentation
graphique suivante (enregistrement sur une durée de 5 secondes) :
Figure 195
Remarque : Il est possible de modifier les échelles d’affichages avec la molette de la souris. D’autres
fonctionnalités sont disponibles avec un clic droit sur la souris.
Figure 196
12.1.10.5. Paramètres de l’onglet « Limitations »
AVERTISSEMENT
SURTENSIONS
Lors des phases de freinage, le moteur génère des surtensions
• Vérifier que ses surtensions sont acceptables par les autres
appareils branchés sur la même alimentation.
• Favoriser l’utilisation d’un circuit externe pour limiter les surtensions
En cas d’utilisation intensive du freinage.
Si ces précautions ne sont pas respectées, cela peut entraîner la
mort, des blessures graves ou des dommages matériels.

SMi21
C.MO.SAV.00006.FR_V5 Page 124/231
12 Janvier 2016
Paramétrage du seuil de détection d’une surtension : Si la tension aux bornes du moteur dépasse ce seuil,
une erreur est générée, le moteur est arrêté et aucun couple de maintien n’est appliqué (libre sur l’axe).
Figure 197
12.1.10.6. Paramètres de l’onglet « Erreurs »
Pour toutes les erreurs concernant la sécurité du moteur, l'action à réaliser n’est pas paramétrable : en cas
d'erreur, on arrête le moteur, aucun couple de maintien n’est appliqué (libre sur l’axe).
Figure 198
Procédure de redémarrage du moteur suite à la détection d’une erreur :
- Supprimer la cause du défaut.
- Passer en mode arrêt : désactiver l’entrée numérique n°1 « Marche / Arrêt ».
- Repasser en mode marche : activer l’entrée numérique n°1 « Marche / Arrêt ».

SMi21
C.MO.SAV.00006.FR_V5 Page 125/231
12 Janvier 2016
12.1.11. Programme Expert V202
12.1.11.1. Descriptif
Le programme expert V202 permet de :
- Régler une vitesse avec une commande de type analogique 0/10V ou 0/5V ou PWM. La régulation est
basée sur le principe de la cible mouvante et permet d’atteindre des vitesses très basses (jusqu’à 1 rpm).
- Régler une position relative, avec une commande de type analogique 0/10V, 0/5V ou PWM.
- Passer du mode cible mouvante (Mode Vitesse) au mode cible fixe (Mode Position) et réciproquement.
12.1.11.2. Paramètres de l’onglet « Entrées »
Entrée numérique n°1 : « ON/OFF »
Cette entrée permet de mettre en marche le moteur.
Permet de régler la polarité de l’entrée « Marche / Arrêt ».
Figure 199
Entrée numérique n°2 : « Direction »
Cette entrée permet de changer le sens de rotation du moteur. Cette entrée n’inhibe pas l’entrée 4.
Permet de régler la polarité de cette entrée.
Figure 200

SMi21
C.MO.SAV.00006.FR_V5 Page 126/231
12 Janvier 2016
Entrée numérique n°3 : « Reverse »
Permet d’inverser le sens de rotation du moteur avec inhibition de l’entrée IN4 « Sensor ».
Permet de régler la polarité de cette entrée.
Figure 201
Entrée numérique n°4 : « Sensor »
Cette entrée commute du Mode Vitesse au Mode Position et inversement.
La Polarité de cette entrée est sélectionnable.
Permet de régler la polarité pour la détection du détecteur. Le champ « entrée impulsionnelle » permet de
définir une durée minimale du pulse sur E4. La durée du signal doit être supérieure à cette valeur avant
d'être prise en compte.
L’option « Via PLC » permet de choisir si l’application est contrôlée par un automate ou par un détecteur.
Si “Via PLC” est sélectionné: Lorsque E4 est désactivé, le moteur passe directement en mode
"position cible mouvante" (vitesse).
Si “Via PLC” n'est pas sélectionné: Le moteur mémorise l'activation de IN4. Pour retourner en mode
vitesse, IN4 doit être désélectionné et une action Arrêt/Marche sur IN1 est nécessaire.
Figure 202

SMi21
C.MO.SAV.00006.FR_V5 Page 127/231
12 Janvier 2016
Entrée analogique 5 : « Speed 0/10V »
Règle la vitesse de rotation du moteur par une commande analogique 0/10V, 0/5V ou PWM.
Les paramètres de réglages sont la plage de vitesse, l’accélération (Valeur pour E5 et E6) et la décélération,
le type de consigne.
Figure 203
Entrée analogique 6 : « Position»
Règle la consigne de position du moteur par une commande analogique 0/10V, 0/5V ou PWM.
La position « zéro » est donnée par l’activation de l’entrée 4 « Sensor ».
Les paramètres de réglages sont la plage de position d’arrêt, la décélération, le type de consigne.
Le paramètre « Filtrage » : Détermine le temps pendant lequel la consigne doit rester constante
avant d’être prise en compte.
Le paramètre « Mémorisation » :
- Mémorisation: La valeur de consigne (hors PWM) n'est prise en compte que quand la
consigne de vitesse IN5 est inférieure à cette valeur. Ne fonctionne pas en PWM.
- Exemples: Si Mémorisation = 10V, la consigne IN6 est toujours prise en compte (peu
importe la tension sur IN5). Si Mémorisation = 0.2V, la consigne IN6 n'est prise en
compte que quand IN5 < 0,2V.
Ce paramètre peut être modifié quand les signaux analogiques sont perturbés (longueur
de câble importante par exemple).
Figure 204

SMi21
C.MO.SAV.00006.FR_V5 Page 128/231
12 Janvier 2016
12.1.11.3. Paramètres de l’onglet « Sorties »
Etat de la sortie numérique 1 : « Témoin de cible Atteinte » : Cette sortie informe si le moteur est arrêté à la
position cible.
Figure 205
Etat de la sortie numérique 2 : « Direction » Permet de connaitre le sens de rotation du moteur.
Figure 206
Etat de la sortie numérique n°3 : « Run » : Permet de dire si le moteur est en rotation ou non.
Figure 207
Etat de la sortie numérique n°4 : « Error » Permet de savoir si une erreur a été détectée.
Figure 208

SMi21
C.MO.SAV.00006.FR_V5 Page 129/231
12 Janvier 2016
12.1.11.4. Paramètres de l’onglet « Tuning »
Choix des différents paramètres à représenter graphiquement : soit 1, soit 2, soit 3 soit tous les paramètres.
On peut donc comparer la réponse en vitesse du système (mesure vs consigne) tout en visualisant
l’évolution du courant.
Figure 209
Réglage des coefficients du correcteur PID dans l’asservissement de position (cette fonctionnalité est
réservée aux utilisateurs avertis). Les valeurs données dans l’exemple ci-dessous assurent un
fonctionnement correct des produits dans la plupart des cas.
Figure 210
Il est possible de régler la durée d’enregistrement que l’on souhaite visualiser, de 1 à 300 secondes.
Le pas d’échantillonnage est de 10ms.
Pendant l’acquisition des données, les autres fonctions de l’IHM sont indisponibles.
Figure 211
Bouton « Courbes » : permet de lancer l’acquisition des données. L’affichage des courbes ne se fait qu’une
fois l’acquisition terminée.
Bouton « Exporter Données » : permet de récupérer les données correspondant aux paramètres
sélectionnés dans un fichier texte (.txt). Pour que ce fichier soit compatible avec le tableur Excel, modifier
son extension en .csv.
Figure 212

SMi21
C.MO.SAV.00006.FR_V5 Page 130/231
12 Janvier 2016
Exemple : Avec une consigne de vitesse sur l’entrée n°5 à 2000 RPM, on obtient la représentation
graphique suivante (enregistrement sur une durée de 5 secondes) :
Figure 213
Remarque : Il est possible de modifier les échelles d’affichages avec la molette de la souris. D’autres
fonctionnalités sont disponibles avec un clic droit sur la souris.
Figure 214
12.1.11.5. Paramètres de l’onglet « Limitations »
AVERTISSEMENT
SURTENSIONS
Lors des phases de freinage, le moteur génère des surtensions
• Vérifier que ses surtensions sont acceptables par les autres
appareils branchés sur la même alimentation.
• Favoriser l’utilisation d’un circuit externe pour limiter les surtensions
En cas d’utilisation intensive du freinage.

SMi21
C.MO.SAV.00006.FR_V5 Page 131/231
12 Janvier 2016
Si ces précautions ne sont pas respectées, cela peut entraîner la
mort, des blessures graves ou des dommages matériels.
Paramétrage du seuil de détection d’une surtension : Si la tension aux bornes du moteur dépasse ce seuil,
une erreur est générée, le moteur est arrêté et aucun couple de maintien n’est appliqué (libre sur l’axe).
Figure 215
12.1.11.6. Paramètres de l’onglet « Erreurs »
Pour toutes les erreurs concernant la sécurité du moteur, l'action à réaliser n’est pas paramétrable : en cas
d'erreur, on arrête le moteur, aucun couple de maintien n’est appliqué (libre sur l’axe).
Figure 216
Procédure de redémarrage du moteur suite à la détection d’une erreur :
- Supprimer la cause du défaut.
- Passer en mode arrêt : désactiver l’entrée numérique n°1 « Marche / Arrêt ».
- Repasser en mode marche : activer l’entrée numérique n°1 « Marche / Arrêt ».

SMi21
C.MO.SAV.00006.FR_V5 Page 132/231
12 Janvier 2016
12.2. Programmes en position
12.2.1. Typologie des entrées des programmes P100
Le tableau ci-dessous définit la fonction associée à chacune des entrées des 12 programmes de type
P100 (la couleur associée au numéro de l’entrée correspond à celle du faisceau d’Entrées/Sorties) :
Programmes
Entrées
P101
P102
P103
P104
P105
P106
E1
Position 1
Validation
Validation
Validation
Validation
Validation
E2
Position 2
1 à 8
positions
1 à 6
Positions
+ Homing
+ ON / OFF
1 à 6
Positions
+ Homing
+ ON / OFF
1 à 6
Positions
+ Homing
+ ON / OFF
1 à 6 positions
proportionnelles
+ Homing
+ ON / OFF
E3
Position 3
E4
Position 4
E5
Homing
Homing
Rampes
de vitesse
Switch 1 :
butée
Switch 1 :
butée
Switch 1 :
butée
E6
ON / OFF
ON / OFF
Vitesse
Vitesse
Arrêt rapide
Switch 2 :
butée
Entrées
P107
P108
P109
P110
P111
P112
E1
1 à 16
positions
Validation
Validation
Validation
1 à 30
Positions
+ Homing
+ ON / OFF
1 à 30 positions
proportionnelles
+ Homing
+ ON / OFF
E2
1 à 14
Positions
+ Homing
+ ON / OFF
1 à 14
Positions
+ Homing
+ ON / OFF
1 à 14
Positions
+ Homing
+ ON / OFF
E3
E4
E5
Homing
E6
ON / OFF
Vitesse
Switch 1 :
butée
Arrêt rapide
Switch 1 :
butée
Switch 1 :
butée
Légende : Entrée de type numérique
Entrée de type analogique ou PWM
Programmes à venir

SMi21
C.MO.SAV.00006.FR_V5 Page 133/231
12 Janvier 2016
12.2.2. Typologie des entrées des programmes P200
Le tableau ci-dessous définit la fonction associée à chacune des entrées des 6 programmes de type
P200 (la couleur associée au numéro de l’entrée correspond à celle du faisceau d’Entrées/Sorties) :
Programmes
Entrées
P201
P202
P203
E1
00 : Arrêt, désactivation erreur
10 : Lancement Homing
01 : Asservissement position actuelle
11 : Positionnement en live
00 : Arrêt, désactivation erreur
10 : Lancement Homing
01 : Validation consigne de position
11 : Positionnement
ON / OFF
E2
Homing
E3
Switch 1 :
butée
Switch 1 :
butée
Switch 1 :
butée
E4
Choix Profil de Vitesse
Choix Profil de Vitesse
Validation
E5
Consigne Position
Réglage fort
Consigne Position
Réglage fort
Consigne Vitesse
maxi
E6
Consigne Position
Réglage fin
Consigne Position
Réglage fin
Consigne 1024
positions
Programmes
Entrées
P204
P205
P206
E1
ON / OFF
00 : Arrêt, désactivation erreur
10 : Lancement Homing
01 : Validation consigne de position
11 : Positionnement
00 : Arrêt, désactivation erreur
10 : Lancement Homing
01 : Asservissement position actuelle
11 : Positionnement en live
E2
Homing
E3
Switch 1 :
butée
Switch 1 :
butée
Switch 1 :
butée
E4
Switch 2 :
butée
Switch 2 :
butée
Switch 2 :
butée
E5
Validation
Consigne Vitesse maxi
Consigne Vitesse maxi
E6
Consigne 1024
positions
Consigne 1024 positions
Consigne 1024 positions
Légende : Entrée de type numérique
Entrée de type analogique 0-10V
Programmes à venir

SMi21
C.MO.SAV.00006.FR_V5 Page 134/231
12 Janvier 2016
12.2.3. Typologie des sorties des programmes P100 et P200
Pour l’ensemble des programmes experts en position, 5 configurations de sorties paramétrables sont
disponibles (la couleur associée au numéro de la sortie correspond à celle du faisceau d’Entrées/Sorties) :
S1
S2
S3
S4
Type n°5
En attente,
cible atteinte (si 1)
Phase de
homing
terminée (si 0)
Moteur en rotation
(si 1)
Erreur
(si 1)
TOR
TOR
TOR
TOR
Type n°6
En attente,
cible atteinte (si 1)
Phase de
homing
terminée (si 1)
Moteur en rotation
(si 0)
Erreur
(si 0)
TOR
TOR
TOR
TOR
Type n°7
En attente,
cible atteinte (si 1)
Couple Réel
centré sur 50%
00 : erreur détectée
01 : homing non fait OU non terminé
10 : moteur à l’arrêt ET homing terminé
11 : moteur en rotation (positionnement)
TOR
PWM
Combinaisons de TOR
Type n°8
En attente,
cible atteinte (si 1)
Couple Réel
centré sur 50%
00 : erreur détectée OU moteur en mode arrêt
ET homing non fait
01 : moteur en rotation (positionnement)
10 : moteur à l’arrêt ET homing terminé
11 : non utilisé
TOR
PWM
Combinaisons de TOR
Type n°9
Top Hall
Sens de rotation
00 : erreur détectée OU moteur en mode arrêt
01 : non utilisé
10 : moteur à l’arrêt ET cible atteinte
11 : moteur en rotation (positionnement)
pulse
TOR
Combinaisons de TOR
Légende : Sortie de type numérique
Sortie de type PWM / Pulse / Fréquence

SMi21
C.MO.SAV.00006.FR_V5 Page 135/231
12 Janvier 2016
12.2.4. Description des différents types de homing
La séquence de homing est une phase d’initialisation qui permet au moteur d’estimer la course complète de
l’application en allant chercher des butées mécaniques. La détection de ces butées peut se faire de 2
manières :
- Avec 1 capteur de fin de course en récupérant l’information sur une des entrées.
- Par détection de sur-couple lorsque le moteur est en butée mécanique.
Nota : Le sens de rotation par défaut du moteur est le sens aiguille.
12.2.4.1. Phase de homing sans switch
a) Départ en position courante :
Figure 217
Au lancement de la séquence de homing, la position courante sert de référence (position 0).
Aucun paramètre accessible
pour ce type de homing
0
Choix type de homing

SMi21
C.MO.SAV.00006.FR_V5 Page 136/231
12 Janvier 2016
b) Une seule butée mécanique :
Figure 218
Cette phase de homing permet de rechercher la butée mécanique du système de la manière suivante :
- En fonction de la position de la butée « END1 » (à droite ou à gauche), l’utilisateur choisi le « Sens de
rotation » approprié et fixe une « Vitesse Homing ».
- Lorsque le couple de l’application devient supérieur au « Couple Homing », la butée mécanique « END1 »
est détectée, le moteur se trouve en position « zéro mécanique ».
- Pour éviter au moteur de venir en contact sur la butée mécanique « END1 » à chaque retour en position de
référence, on peut régler l’« Offset 1 » (en pulses codeur).
- Cette nouvelle position sera considérée comme la position de référence. Le moteur se positionne en « zéro
logiciel » : la phase de homing est terminée.
- Par mesure de sécurité, si la phase de homing n’est pas terminée au bout de la « Durée Homing Max », le
moteur détecte une erreur de type « Homing » et s’arrête.
Choix type de homing
Paramètres accessibles
« zéro mécanique »
« zéro logiciel »

SMi21
C.MO.SAV.00006.FR_V5 Page 137/231
12 Janvier 2016
c) Deux butées mécaniques :
Figure 219
Cette phase de homing permet de rechercher les 2 butées mécaniques du système de la manière suivante :
- En fonction de la position de la 1ère butée « END1 » (à droite ou à gauche), l’utilisateur choisi le « Sens de
rotation » approprié et fixe une « Vitesse Homing ».
- Lorsque le couple de l’application devient supérieur au « Couple Homing », la butée mécanique « END1 »
est détectée, le moteur se trouve en position « zéro mécanique ».
- Pour éviter au moteur de venir en contact sur la butée mécanique « END1 » à chaque retour en position de
référence, on peut régler l’« Offset 1 » (en pulses codeur) qui nous donne la différence de position entre le
« zéro mécanique » et le « zéro logiciel ».
- Le moteur part alors dans l’autre sens pour rechercher la 2ème butée mécanique « END2 ». De façon
similaire la butée mécanique « END2 » est détectée. Le moteur se trouve en position « fin mécanique ».
- Pour éviter au moteur de venir en contact sur la butée mécanique « END2 », on peut régler l’« Offset 2 »
(en pulses codeur) qui nous donne la différence de position entre la « fin mécanique » et la « course
totale ».
- Après la détection des 2 butées mécaniques, le moteur se positionne en (END2 – offset 2) : la phase de
homing est terminée.
- Par mesure de sécurité, si la phase de homing n’est pas terminée au bout de la « Durée Homing Max », le
moteur détecte une erreur de type « Homing » et s’arrête.
Choix type de homing
Paramètres accessibles
« zéro mécanique »
« zéro logiciel »
« fin mécanique »
« course totale »

SMi21
C.MO.SAV.00006.FR_V5 Page 138/231
12 Janvier 2016
12.2.4.2. Phase de homing avec 1 switch
a) 1 switch et aucune butée mécanique :
Figure 220
Cette phase de homing permet de rechercher la butée type « switch » du système de la manière suivante :
- Configurer au préalable la polarité du switch : « actif à l’état haut » ou « actif à l’état bas ».
- En fonction de la position du switch (à droite ou à gauche), l’utilisateur choisi le « Sens de rotation »
approprié et fixe une « Vitesse Homing ».
- Lorsque le switch change d’état, la butée « Switch 1 » est détectée. Le moteur se trouve en position « zéro
mécanique ».
- Pour éviter au moteur de venir en contact sur le switch à chaque retour en position de référence, on peut
régler l’« Offset 1 » (en pulses codeur).
- Cette nouvelle position sera considérée comme la position de référence. Le moteur se positionne en «
zéro logiciel » : la phase de homing est terminée.
- Par mesure de sécurité, si la phase de homing n’est pas terminée au bout de la « Durée Homing Max », le
moteur détecte une erreur de type « Homing » et s’arrête.
Choix type de homing
Paramètres accessibles
« zéro mécanique »
« zéro logiciel »

SMi21
C.MO.SAV.00006.FR_V5 Page 139/231
12 Janvier 2016
b) 1 switch puis 1 butée mécanique : le zéro étant défini par le switch
Figure 221
Cette phase de homing permet de rechercher dans un 1er temps la butée type « switch » du système puis
dans un 2nd temps la butée mécanique du système de la manière suivante :
- Configurer au préalable la polarité du switch : « actif à l’état haut » ou « actif à l’état bas ».
- En fonction de la position du switch (à droite ou à gauche), l’utilisateur choisi le « Sens de rotation »
approprié et fixe une « Vitesse Homing ».
- Lorsque le switch change d’état, la première butée « Switch 1 » est détectée. Le moteur se trouve en
position « zéro mécanique ».
- Pour éviter au moteur de venir en contact sur la butée « Switch 1 » à chaque retour en position de
référence, on peut régler l’« Offset 1 » (en pulses codeur) qui nous donne la différence de position entre le
« zéro mécanique » et le « zéro logiciel ».
- Le moteur part alors dans l’autre sens pour rechercher la 2ème butée mécanique « END2 ».
- Lorsque le couple de l’application devient supérieur au « Couple Homing », la butée mécanique « END2 »
est détectée, le moteur se trouve en position « fin mécanique ».
- Pour éviter au moteur de venir en contact sur la butée mécanique « END2 », on peut régler l’« Offset 2 »
(en pulses codeur) qui nous donne la différence de position entre la « fin mécanique » et la « course
totale ».
- Après la détection des 2 butées, le moteur se positionne en (END2 – offset 2) : la phase de homing est
terminée.
- Par mesure de sécurité, si la phase de homing n’est pas terminée au bout de la « Durée Homing Max », le
moteur détecte une erreur de type « Homing » et s’arrête.
Choix type de homing
Paramètres accessibles
« zéro mécanique »
« zéro logiciel »
« fin mécanique »
« course totale »

SMi21
C.MO.SAV.00006.FR_V5 Page 140/231
12 Janvier 2016
c) 1 butée mécanique puis 1 switch : le zéro étant défini par la butée mécanique
Figure 222
Cette phase de homing permet de rechercher dans un 1er temps la butée mécanique du système puis dans
un 2nd temps la butée type « switch » du système de la manière suivante :
- Configurer au préalable la polarité du switch : « actif à l’état haut » ou « actif à l’état bas ».
- En fonction de la position de la butée mécanique « END1 » (à droite ou à gauche), l’utilisateur choisi le
« Sens de rotation » approprié et fixe une « Vitesse Homing ».
- Lorsque le couple de l’application devient supérieur au « Couple Homing », la butée mécanique « END1 »
est détectée, le moteur se trouve en position « zéro mécanique ».
- Pour éviter au moteur de venir en contact sur la butée mécanique « END1 » à chaque retour en position de
référence, on peut régler l’« Offset 1 » (en pulses codeur) qui nous donne la différence de position entre le
« zéro mécanique » et le « zéro logiciel ».
- Le moteur part alors dans l’autre sens pour rechercher la 2ème butée « Switch 2 ».
- Lorsque le switch change d’état, la 2ème butée « Switch 2 » est détectée, le moteur se trouve en position
« fin mécanique ».
- Pour éviter au moteur de venir en contact sur la butée « Switch 2 », on peut régler l’« Offset 2 » (en pulses
codeur) qui nous donne la différence de position entre la « fin mécanique » et la « course totale ».
- Après la détection des 2 butées, le moteur se positionne en (Switch 2 – offset 2) : la phase de homing est
terminée.
- Par mesure de sécurité, si la phase de homing n’est pas terminée au bout de la « Durée Homing Max », le
moteur détecte une erreur de type « Homing » et s’arrête.
Choix type de homing
Paramètres accessibles
« zéro mécanique »
« zéro logiciel »
« course totale »
« fin mécanique »

SMi21
C.MO.SAV.00006.FR_V5 Page 141/231
12 Janvier 2016
12.2.5. Description des différents onglets type P100
Pour la description des onglets, le programme expert P101 est pris comme exemple (pour le détail de
chaque programme expert en position, voir les parties « Programme Expert P101 » et « Programme Expert
P111 » de ce document).
12.2.5.1. Page d’accueil
Cette page est commune à tous les programmes experts et applicatifs, que ce soit en mode vitesse, position
ou couple. Elle permet de choisir entre les différents types de programmes applicatifs et experts.
Dans notre cas d’exemple, on choisit dans le groupe « Programmes Experts » la catégorie « Position
P100 », les icones des différents programmes experts de type P100 apparaissent dans la fenêtre en bas à
droite, il faut alors cliquer sur celui correspondant au programme expert « P101 » :
Figure 223
Choix de la catégorie du programme expert : P100
Choix du programme expert : P101
Information décrivant succinctement le programme
expert P101

SMi21
C.MO.SAV.00006.FR_V5 Page 142/231
12 Janvier 2016
12.2.5.2. Onglet « Descriptif »
C’est un onglet d’information dans lequel sont décrits succinctement les différents profils de position qui
peuvent être réalisés à partir de ce mode expert :
Figure 224
Description sommaire des profils réalisables à partir
de ce programme expert : positionnement avec 4
cibles prédéfinies, rampes d’accélération…
Possibilité de nommer le projet
E/S

SMi21
C.MO.SAV.00006.FR_V5 Page 143/231
12 Janvier 2016
12.2.5.3. Onglet « Homing »
Cet onglet permet de choisir le type de homing à réaliser et de le paramétrer : offset(s), vitesse, couple de
détection, durée maxi de la phase de homing, sens de rotation du moteur pour aller chercher la 1ère butée.
Figure 225
12.2.5.4. Onglet « Entrées »
Cet onglet permet de configurer les différentes entrées de ce mode expert (polarité des entrées numériques,
paramétrage des 4 positions cibles : position, vitesse maxi, pente d’accélération et de décélération).
Figure 226
Description sommaire de la
phase de homing choisie
Choix du type de homing à réaliser :
0, 1 ou 2 butées mécaniques
Paramètres associés au
type de homing choisi.

SMI21
C.MO.SAV.00006.FR_V5 Page 144/231
12 Janvier 2016
12.2.5.5. Onglet « Sorties »
Cet onglet permet de choisir et de configurer les différentes sorties de ce mode expert (type 5 à type 9 en position) :
Figure 227
Réglages paramètres
du type de sorties n°5
Réglages paramètres
du type de sorties n°6
Réglages paramètres
du type de sorties n°7
Réglages paramètres
du type de sorties n°9
Réglages paramètres
du type de sorties n°8

SMI21
C.MO.SAV.00006.FR_V5 Page 145/231
12 Janvier 2016
12.2.5.6. Onglet « Tuning »
Cet onglet permet de représenter graphiquement certains paramètres (vitesse, position, couple…) et de
modifier les coefficients de la boucle de régulation de position. Il est commun à tous les programmes experts
en position.
Figure 228
12.2.5.7. Onglet « Limitations »
Cet onglet permet de paramétrer les différentes limites de fonctionnement du moteur : couple nominal et
maximal (autorisation de pic de couple) et le seuil de surtension d’alimentation.
Figure 229
Cette zone permet de visualiser
graphiquement les paramètres
choisis.
Cette zone permet de :
- Choisir les paramètres à
visualiser graphiquement
- Régler les coefficients du
correcteur de position
-Régler le temps d’affichage
- Exporter les données (.csv)
Réglage des paramètres
associés à la gestion
des couples.
Description sommaire de
la gestion de couple.
Réglages du seuil de surtension :
si cette valeur est dépassée, une
erreur sera générée.

SMI21
C.MO.SAV.00006.FR_V5 Page 146/231
12 Janvier 2016
12.2.5.8. Onglet « Erreurs »
Cet onglet informe sur le type d’erreur rencontrée (à partir du code d’erreur) et sur l’action à réaliser par le
moteur suite à cette erreur.
L’action pour l’erreur sur-couple est paramétrable.
Figure 230
Réglage de l’action à réaliser lorsqu’on
rencontre une erreur de sur-couple.
Si on détecte une erreur pouvant remettre
en cause la sécurité du moteur, le moteur
est automatiquement coupé et laissé libre
sur l’axe.
Procédure de redémarrage du moteur suite à la détection d’une erreur :
-Supprimer la cause du défaut.
-Passer en mode arrêt puis repasser en mode marche

SMI21
C.MO.SAV.00006.FR_V5 Page 147/231
12 Janvier 2016
12.2.6. Programme Expert P101
12.2.6.1. Descriptif
Le programme expert P101 permet de :
- Réaliser une phase de homing pour initialiser le système avec détection des fins de course.
- Réaliser différents positionnements en utilisant 4 positions de consigne préréglées, chacune correspondant
à une des entrées numériques « E1 » à « E4 ».
- Régler les phases d'accélération / décélération ainsi que la vitesse maximale à ne pas dépasser entre
chacun des points via l’IHM.
12.2.6.2. Paramètres de l’onglet « Homing »
Réglage de la différence de position (en pulses) entre les butées mécaniques et les limites de la course
complète de l’application : la butée 1 (END1) représente le début de la course, la butée 2 (END2) représente
la fin de la course.
Remarque : Dans le cas où l’on a une seule butée mécanique, le paramètre « Offset 2 » n’est pas
disponible.
Figure 231
Réglage de la vitesse de recherche des butées durant la phase de homing.
Figure 232
Réglage du couple de homing permettant de trouver une butée mécanique par détection de sur-couple.
Figure 233
Réglage de la durée maximale autorisée pour la phase de homing. En cas de dépassement, une erreur sera
générée. Durée limitée à 300 secondes.
Figure 234

SMI21
C.MO.SAV.00006.FR_V5 Page 148/231
12 Janvier 2016
Réglage du sens de rotation pour la recherche de la première butée (END1).
Nota : Par défaut, le moteur tourne en sens aiguille.
Figure 235

SMI21
C.MO.SAV.00006.FR_V5 Page 149/231
12 Janvier 2016
12.2.6.3. Paramètres de l’onglet « Entrées »
Entrée numérique n°1 : Permet de régler la polarité de l’entrée « Position 1 ».
Figure 236
Entrée numérique n°2 : Permet de régler la polarité de l’entrée « Position 2 ».
Figure 237
Entrée numérique n°3 : Permet de régler la polarité de l’entrée « Position 3 ».
Figure 238
Entrée numérique n°4 : Permet de régler la polarité de l’entrée « Position 4 ».
Figure 239

SMI21
C.MO.SAV.00006.FR_V5 Page 150/231
12 Janvier 2016
Réglages des 4 consignes de positions et des profils de vitesses à suivre (rampe d’accélération, palier de
vitesse et rampe de décélération : profil trapèzoïdal) :
Figure 240
Entrée numérique n°5 : Permet de régler la polarité de l’entrée « Lancement phase homing ».
Figure 241
Entrée numérique n°6 : Permet de régler la polarité de l’entrée « Marche / Arrêt ».
Figure 242

SMI21
C.MO.SAV.00006.FR_V5 Page 151/231
12 Janvier 2016
12.2.6.4. Paramètres de l’onglet « Sorties » type 5
Etat de la sortie numérique n°1 « Témoin de cible atteinte » : Permet de savoir si la consigne de position a
été atteinte.
Figure 243
Etat de la sortie numérique n°2 « Information phase Homing » : Permet de savoir où en est la phase de
homing : terminée, en cours ou non faite.
Figure 244
Etat de la sortie numérique n°3 « Moteur en Rotation » : Permet de savoir si le moteur est à l’arrêt ou en
rotation.
Figure 245
Etat de la sortie numérique n°4 « Erreur » : Permet de savoir si une erreur a été détectée.
Figure 246

SMI21
C.MO.SAV.00006.FR_V5 Page 152/231
12 Janvier 2016
12.2.6.5. Paramètres de l’onglet « Sorties » type 6
Etat de la sortie numérique n°1 « Témoin de cible atteinte » : Permet de savoir si la consigne de position a
été atteinte.
Figure 247
Etat de la sortie numérique n°2 « Information phase Homing » : Permet de savoir où en est la phase de
homing : terminée, en cours ou non faite.
Figure 248
Etat de la sortie numérique n°3 « Moteur en Rotation » : Permet de savoir si le moteur est à l’arrêt ou en
rotation.
Figure 249
Etat de la sortie numérique n°4 « Erreur » : Permet de savoir si une erreur a été détectée.
Figure 250

SMI21
C.MO.SAV.00006.FR_V5 Page 153/231
12 Janvier 2016
12.2.6.6. Paramètres de l’onglet « Sorties » type 7
Etat de la sortie numérique n°1 « Témoin de cible atteinte » : Permet de savoir si la consigne de position a
été atteinte.
Figure 251
Paramétrage de la sortie PWM n°2 « Couple Réel centré sur 50% » : On peut paramétrer la fréquence du
signal de cette sortie et la valeur de couple correspondant à un rapport cyclique de 100% (mise à l’échelle).
Si rapport cyclique = 0% → Couple de freinage fourni = « Couple S2 ».
Si rapport cyclique = 50% → Couple fourni = 0mNm.
Si rapport cyclique = 100% → Couple moteur fourni = « Couple S2 ».
Figure 252
Combinaisons des sorties numériques n°3 & 4 « Etat du Moteur » : Permet de connaître l'état dans lequel se
trouve le moteur.
Figure 253

SMI21
C.MO.SAV.00006.FR_V5 Page 154/231
12 Janvier 2016
12.2.6.7. Paramètres de l’onglet « Sorties » type 8
Etat de la sortie numérique n°1 « Témoin de cible atteinte » : Permet de savoir si la consigne de position a
été atteinte.
Figure 254
Paramétrage de la sortie PWM n°2 « Couple Réel centré sur 50% » : On peut paramétrer la fréquence du
signal de cette sortie et la valeur de couple correspondant à un rapport cyclique de 100% (mise à l’échelle).
Si rapport cyclique = 0% → Couple de freinage fourni = « Couple S2 ».
Si rapport cyclique = 50% → Couple fourni = 0mNm.
Si rapport cyclique = 100% → Couple moteur fourni = « Couple S2 ».
Figure 255
Combinaisons des sorties numériques n°3 & 4 « Etat du Moteur » : Permet de connaître l'état dans lequel se
trouve le moteur.
Figure 256

SMI21
C.MO.SAV.00006.FR_V5 Page 155/231
12 Janvier 2016
12.2.6.8. Paramètres de l’onglet « Sorties » type 9
Paramétrage de la sortie Pulse n°1 « Vitesse Réelle » : Un top Hall de largeur paramétrable (100 à 800µs)
est généré à chaque fois qu’un des 3 capteurs hall du moteur change d’état.
Les moteurs 80140_SMI21 et 80180_SMI21 ont 12 tops Hall par tour (2 paires de pôles).
Le moteur 80280_SMI21 a 24 tops Hall par tour (4 paires de pôles).
Figure 257
Etat de la sortie numérique n°2 « Sens de Rotation » : Permet de connaitre le sens de rotation du moteur.
Figure 258
Combinaisons des sorties numériques n°3 & 4 « Etat du Moteur » : Permet de connaître l'état dans lequel se
trouve le moteur.
Figure 259

SMI21
C.MO.SAV.00006.FR_V5 Page 156/231
12 Janvier 2016
12.2.6.9. Paramètres de l’onglet « Tuning »
Choix des différents paramètres à représenter graphiquement : soit 1, soit 2 soit 3, soit les 4 paramètres. On
peut donc comparer la réponse en position du système (mesure vs consigne) tout en visualisant l’évolution
du courant et de la vitesse.
Figure 260
Réglage des coefficients du correcteur PID dans l’asservissement de position (cette fonctionnalité est
réservée aux utilisateurs avertis). Les valeurs données dans l’exemple ci-dessous assurent un
fonctionnement correct des produits dans la plupart des cas.
Figure 261
Il est possible de régler la durée d’enregistrement que l’on souhaite visualiser, de 1 à 300 secondes.
Le pas d’échantillonnage est de 10ms.
Pendant l’acquisition des données, les autres fonctions de l’IHM sont indisponibles.
Figure 262
Bouton « Courbes » : permet de lancer l’acquisition des données. L’affichage des courbes ne se fait qu’une
fois l’acquisition terminée.
Bouton « Exporter Données » : permet de récupérer les données correspondant aux paramètres
sélectionnés dans un fichier texte (.txt). Pour que ce fichier soit compatible avec le tableur Excel, modifier
son extension en .csv.
Figure 263

SMI21
C.MO.SAV.00006.FR_V5 Page 157/231
12 Janvier 2016
Exemple :
- Position 1 : 2000000 points, rampe d’accélération 400rpm/sec, palier de vitesse à 1000 rpm, rampe de
décélération à 100 rpm/sec.
- Position 2 : 0 point, rampe d’accélération 400rpm/sec, palier de vitesse à 1000 rpm, rampe de
décélération à 100 rpm/sec. On obtient la représentation graphique suivante :
Figure 264
Remarque : Il est possible de modifier les échelles d’affichages avec la molette de la souris. D’autres
fonctionnalités sont disponibles avec un clic droit sur la souris.
Figure 265

SMI21
C.MO.SAV.00006.FR_V5 Page 158/231
12 Janvier 2016
12.2.6.10. Paramètres de l’onglet « Limitations »
AVERTISSEMENT
MOUVEMENT INATTENDU
Un réglage inapproprié des valeurs de couple peut entrainer des
mouvements inattendus de l’application et la destruction du moteur.
• S'assurer que cela ne peut provoquer aucun dommage.
• Ne procéder à l'essai que si personne ni aucun obstacle ne se
trouve dans la zone de danger.
Si ces précautions ne sont pas respectées, cela peut entraîner la
mort, des blessures graves ou des dommages matériels.
Cet onglet permet de régler les valeurs limites de différents paramètres.
Figure 266
Paramétrage des différents couples : Lorsque le couple de l’application devient supérieur au couple
« CNOMINAL », le moteur peut fournir un couple jusqu’à la valeur « CMAX » pendant la durée maximale « tMAX ».
Au-delà, si le couple de l’application est toujours supérieur à « CNOMINAL », le couple du moteur est limité à la
valeur « CNOMINAL » jusqu'à ce que le couple de l’application redevienne inférieur à cette valeur.
AVERTISSEMENT
SURTENSIONS
Lors des phases de freinage, le moteur génère des surtensions
• Vérifier que ses surtensions sont acceptables par les autres
appareils branchés sur la même alimentation.
• Favoriser l’utilisation d’un circuit externe pour limiter les surtensions
En cas d’utilisation intensive du freinage.
Si ces précautions ne sont pas respectées, cela peut entraîner la
mort, des blessures graves ou des dommages matériels.
Paramétrage du seuil de détection d’une surtension : Si la tension aux bornes du moteur dépasse ce seuil,
une erreur est générée, le moteur est arrêté et aucun couple de maintien n’est appliqué (libre sur l’axe).
Figure 267

SMI21
C.MO.SAV.00006.FR_V5 Page 159/231
12 Janvier 2016
12.2.6.11. Paramètres de l’onglet « Erreurs »
Paramétrage de l’action à réaliser lorsque l’on détecte une erreur de sur-couple : couple réel supérieur au
couple nominal « CNOMINAL » pendant une durée supérieure à « tMAX ».
Figure 268
Pour toutes les erreurs concernant la sécurité du moteur, l'action à réaliser n’est pas paramétrable : en cas
d'erreur, le moteur s’arrête, aucun couple de maintien n’est appliqué (libre sur l’axe).
Figure 269
Procédure de redémarrage du moteur suite à la détection d’une erreur :
- Supprimer la cause du défaut.
- Passer en mode arrêt : désactiver l’entrée numérique n°6 « Marche / Arrêt ».
- Repasser en mode marche : activer l’entrée numérique n°6 « Marche / Arrêt ».

SMI21
C.MO.SAV.00006.FR_V5 Page 160/231
12 Janvier 2016
12.2.7. Programme Expert P111
12.2.7.1. Descriptif
Le programme expert P111 permet de :
- Réaliser une phase de homing pour initialiser le système avec détection des fins de course (type switch ou
mécanique). Un seul contact type switch est géré dans ce programme.
- Réaliser différents positionnements en utilisant 1 à 30 positions de consignes préréglées, chacune
correspondant à une combinaison spécifique au niveau des entrées numériques « E1 » à « E5 ».
- Régler les phases d'accélération / décélération ainsi que la vitesse maximale à ne pas dépasser entre
chacun des points via l’IHM.
12.2.7.2. Paramètres de l’onglet « Homing »
Réglage de la polarité du switch câblé sur l’entrée numérique « E6 » :
Figure 270
Réglage de la différence de position (en pulses) entre les butées mécaniques et les limites de la course
complète de l’application : la butée 1 (END1) représente le début de la course, la butée 2 (END2) représente
la fin de la course.
Remarque : Dans le cas où l’on a une seule butée mécanique, le paramètre « Offset 2 » n’est pas
disponible.
Figure 271
Réglage de la vitesse de recherche des butées durant la phase de homing.
Figure 272
Réglage du couple de homing permettant de trouver une butée mécanique par détection de sur-couple.
Figure 273

SMI21
C.MO.SAV.00006.FR_V5 Page 161/231
12 Janvier 2016
Réglage de la durée maximale autorisée pour la phase de homing. En cas de dépassement, une erreur sera
générée. Durée limitée à 300s.
Figure 274
Réglage du sens de rotation pour la recherche de la première butée.
Nota : Par défaut, le moteur tourne en sens aiguille.
Figure 275

SMI21
C.MO.SAV.00006.FR_V5 Page 162/231
12 Janvier 2016
12.2.7.3. Paramètres de l’onglet « Entrées »
Information concernant la polarité du switch câblé sur l’entrée numérique n°6. Le choix de cette polarité se
fait dans l’onglet « Homing » (voir ci-dessus).
Figure 276
Choix du nombre de consignes de position à préréglées (voir tableau ci-dessous).
Figure 277
Figure 278

SMI21
C.MO.SAV.00006.FR_V5 Page 163/231
12 Janvier 2016
12.2.7.4. Paramètres de l’onglet « Sorties » type 5
Etat de la sortie numérique n°1 « Témoin de cible atteinte » : Permet de savoir si la consigne de position a
été atteinte.
Figure 279
Etat de la sortie numérique n°2 « Information phase Homing » : Permet de savoir où en est la phase de
homing : terminée, en cours ou non faite.
Figure 280
Etat de la sortie numérique n°3 « Moteur en Rotation » : Permet de savoir si le moteur est à l’arrêt ou en
rotation.
Figure 281
Etat de la sortie numérique n°4 « Erreur » : Permet de savoir si une erreur a été détectée.
Figure 282

SMI21
C.MO.SAV.00006.FR_V5 Page 164/231
12 Janvier 2016
12.2.7.5. Paramètres de l’onglet « Sorties » type 6
Etat de la sortie numérique n°1 « Témoin de cible atteinte » : Permet de savoir si la consigne de position a
été atteinte.
Figure 283
Etat de la sortie numérique n°2 « Information phase Homing » : Permet de savoir où en est la phase de
homing : terminée, en cours ou non faite.
Figure 284
Etat de la sortie numérique n°3 « Moteur en Rotation » : Permet de savoir si le moteur est à l’arrêt ou en
rotation.
Figure 285
Etat de la sortie numérique n°4 « Erreur » : Permet de savoir si une erreur a été détectée.
Figure 286

SMI21
C.MO.SAV.00006.FR_V5 Page 165/231
12 Janvier 2016
12.2.7.6. Paramètres de l’onglet « Sorties » type 7
Etat de la sortie numérique n°1 « Témoin de cible atteinte » : Permet de savoir si la consigne de position a
été atteinte.
Figure 287
Paramétrage de la sortie PWM n°2 « Couple Réel centré sur 50% » : On peut paramétrer la fréquence du
signal de cette sortie et la valeur de couple correspondant à un rapport cyclique de 100% (mise à l’échelle).
Si rapport cyclique = 0% → Couple de freinage fourni = « Couple S2 ».
Si rapport cyclique = 50% → Couple fourni = 0mNm.
Si rapport cyclique = 100% → Couple moteur fourni = « Couple S2 ».
Figure 288
Combinaisons des sorties numériques n°3 & 4 « Etat du Moteur » : Permet de connaître l'état dans lequel se
trouve le moteur.
Figure 289

SMI21
C.MO.SAV.00006.FR_V5 Page 166/231
12 Janvier 2016
12.2.7.7. Paramètres de l’onglet « Sorties » type 8
Etat de la sortie numérique n°1 « Témoin de cible atteinte » : Permet de savoir si la consigne de position a
été atteinte.
Figure 290
Paramétrage de la sortie PWM n°2 « Couple Réel centré sur 50% » : On peut paramétrer la fréquence du
signal de cette sortie et la valeur de couple correspondant à un rapport cyclique de 100% (mise à l’échelle).
Si rapport cyclique = 0% → Couple de freinage fourni = « Couple S2 ».
Si rapport cyclique = 50% → Couple fourni = 0mNm.
Si rapport cyclique = 100% → Couple moteur fourni = « Couple S2 ».
Figure 291
Combinaisons des sorties numériques n°3 & 4 « Etat du Moteur » : Permet de connaître l'état dans lequel se
trouve le moteur.
Figure 292

SMI21
C.MO.SAV.00006.FR_V5 Page 167/231
12 Janvier 2016
12.2.7.8. Paramètres de l’onglet « Sorties » type 9
Paramétrage de la sortie Pulse n°1 « Vitesse Réelle » : Un top Hall de largeur paramétrable (100 à 800µs)
est généré à chaque fois qu’un des 3 capteurs hall du moteur change d’état.
Les moteurs 80140_SMI21 et 80180_SMI21 ont 12 tops Hall par tour (2 paires de pôles).
Le moteur 80280_SMI21 a 24 tops Hall par tour (4 paires de pôles).
Figure 293
Etat de la sortie numérique n°2 « Sens de Rotation » : Permet de connaitre le sens de rotation du moteur.
Figure 294
Combinaisons des sorties numériques n°3 & 4 « Etat du Moteur » : Permet de connaître l'état dans lequel se
trouve le moteur.
Figure 295

SMI21
C.MO.SAV.00006.FR_V5 Page 168/231
12 Janvier 2016
12.2.7.9. Paramètres de l’onglet « Tuning »
Choix des différents paramètres à représenter graphiquement : soit 1, soit 2 soit 3, soit les 4 paramètres. On
peut donc comparer la réponse en position du système (mesure vs consigne) tout en visualisant l’évolution
du courant et de la vitesse.
Figure 296
Réglage des coefficients du correcteur PID dans l’asservissement de position (cette fonctionnalité est
réservée aux utilisateurs avertis). Les valeurs données dans l’exemple ci-dessous assurent un
fonctionnement correct des produits dans la plupart des cas.
Figure 297
Il est possible de régler la durée d’enregistrement que l’on souhaite visualiser, de 1 à 300 secondes.
Le pas d’échantillonnage est de 10ms.
Pendant l’acquisition des données, les autres fonctions de l’IHM sont indisponibles.
Figure 298
Bouton « Courbes » : permet de lancer l’acquisition des données. L’affichage des courbes ne se fait qu’une
fois l’acquisition terminée.
Bouton « Exporter Données » : permet de récupérer les données correspondant aux paramètres
sélectionnés dans un fichier texte (.txt). Pour que ce fichier soit compatible avec le tableur Excel, modifier
son extension en .csv.
Figure 299

SMI21
C.MO.SAV.00006.FR_V5 Page 169/231
12 Janvier 2016
Exemple :
- Position 1 : 2000000 points, rampe d’accélération 400rpm/sec, palier de vitesse à 1000 rpm, rampe de
décélération à 100 rpm/sec.
- Position 2 : 0 point, rampe d’accélération 400rpm/sec, palier de vitesse à 1000 rpm, rampe de
décélération à 100 rpm/sec. On obtient la représentation graphique suivante :
Remarque : Il est possible de modifier les échelles d’affichages avec la molette de la souris. D’autres
fonctionnalités sont disponibles avec un clic droit sur la souris.
Figure 300

SMI21
C.MO.SAV.00006.FR_V5 Page 170/231
12 Janvier 2016
12.2.7.10. Paramètres de l’onglet « Limitations »
AVERTISSEMENT
MOUVEMENT INATTENDU
Un réglage inapproprié des valeurs de couple peut entrainer des
mouvements inattendus de l’application et la destruction du moteur.
• S'assurer que cela ne peut provoquer aucun dommage.
• Ne procéder à l'essai que si personne ni aucun obstacle ne se
trouve dans la zone de danger.
Si ces précautions ne sont pas respectées, cela peut entraîner la
mort, des blessures graves ou des dommages matériels.
Cet onglet permet de régler les valeurs limites de différents paramètres.
Figure 301
Paramétrage des différents couples : Lorsque le couple de l’application devient supérieur au couple
« CNOMINAL », le moteur peut fournir un couple jusqu’à la valeur « CMAX » pendant la durée maximale « tMAX ».
Au-delà, si le couple de l’application est toujours supérieur à « CNOMINAL », le couple du moteur est limité à la
valeur « CNOMINAL » jusqu'à ce que le couple de l’application redevienne inférieur à cette valeur.
AVERTISSEMENT
SURTENSIONS
Lors des phases de freinage, le moteur génère des surtensions
• Vérifier que ses surtensions sont acceptables par les autres
appareils branchés sur la même alimentation.
• Favoriser l’utilisation d’un circuit externe pour limiter les surtensions
En cas d’utilisation intensive du freinage.
Si ces précautions ne sont pas respectées, cela peut entraîner la
mort, des blessures graves ou des dommages matériels.
Paramétrage du seuil de détection d’une surtension : Si la tension aux bornes du moteur dépasse ce seuil,
une erreur est générée, le moteur est arrêté et aucun couple de maintien n’est appliqué (libre sur l’axe).
Figure 302

SMI21
C.MO.SAV.00006.FR_V5 Page 171/231
12 Janvier 2016
12.2.7.11. Paramètres de l’onglet « Erreurs »
Paramétrage de l’action à réaliser lorsque l’on détecte une erreur de sur-couple : couple réel supérieur au
couple nominal « CNOMINAL » pendant une durée supérieure à « tMAX ».
Figure 303
Pour toutes les erreurs concernant la sécurité du moteur, l'action à réaliser n’est pas paramétrable : en cas
d'erreur, on arrête le moteur, aucun couple de maintien n’est appliqué (libre sur l’axe).
Figure 304
Procédure de redémarrage du moteur suite à la détection d’une erreur :
- Supprimer la cause du défaut.
- Passer en mode arrêt : désactiver les entrées numériques n°1 à n°5.
- Repasser en mode marche : activer une des entrées numériques n°1 à n°5.

SMI21
C.MO.SAV.00006.FR_V5 Page 172/231
12 Janvier 2016
12.2.8. Description des différents onglets type P200
Pour la description des onglets, le programme expert P201 est pris comme exemple (pour le détail de
chaque programme expert en position, voir les parties « Programme Expert P201 » et « Programme Expert
P202 » de ce document).
12.2.8.1. Page d’accueil
Cette page est commune à tous les programmes experts et applicatifs, que ce soit en mode vitesse, position
ou couple. Elle permet de choisir entre les différents types de programmes applicatifs et experts.
Dans notre cas d’exemple, on choisit dans le groupe « Programmes Experts » la catégorie « Position
P200 », les icones des différents programmes experts de type P200 apparaissent dans la fenêtre en bas à
droite, il faut alors cliquer sur celui correspondant au programme expert « P201 » :
Figure 305
Choix de la catégorie du programme expert : P200
Choix du programme expert : P201
Information décrivant succinctement le programme
expert P201

SMI21
C.MO.SAV.00006.FR_V5 Page 173/231
12 Janvier 2016
12.2.8.2. Onglet « Descriptif »
C’est un onglet d’information dans lequel sont décrits succinctement les différents profils de position qui
peuvent être réalisés à partir de ce mode expert :
Figure 306
Description sommaire des profils réalisables à partir
de ce programme expert : positionnement en temps
réel, réglage du profil de vitesse à suivre …
Possibilité de nommer le projet
E/S

SMI21
C.MO.SAV.00006.FR_V5 Page 174/231
12 Janvier 2016
12.2.8.3. Onglet « Homing »
Cet onglet permet de choisir le type de homing à réaliser et de le paramétrer : offset(s), vitesse, couple de
détection, durée maxi de la phase de homing, sens de rotation du moteur pour aller chercher la 1ère butée.
Figure 307
12.2.8.4. Onglet « Entrées »
Cet onglet permet de configurer les différentes entrées de ce mode expert (profil de vitesse avec rampe
d’accélération et de décélération, course totale de l’application…).
Figure 308
Description sommaire de la
phase de homing choisie
Choix du type de homing à réaliser :
0, 1 ou 2 butées mécaniques
Paramètres associés au
type de homing choisi.

SMI21
C.MO.SAV.00006.FR_V5 Page 175/231
12 Janvier 2016
12.2.8.5. Onglet « Sorties »
Cet onglet permet de choisir et de configurer les différentes sorties de ce mode expert (type 5 à type 9 en position) :
Figure 309
Réglages paramètres
du type de sorties n°5
Réglages paramètres
du type de sorties n°6
Réglages paramètres
du type de sorties n°7
Réglages paramètres
du type de sorties n°9
Réglages paramètres
du type de sorties n°8

SMI21
C.MO.SAV.00006.FR_V5 Page 176/231
12 Janvier 2016
12.2.8.6. Onglet « Tuning »
Cet onglet permet de représenter graphiquement certains paramètres (vitesse, position, couple…) et de
modifier les coefficients de la boucle de régulation de position. Il est commun à tous les programmes experts
en position.
Figure 310
Cette zone permet de visualiser
graphiquement les paramètres
choisis.
Cette zone permet de :
- Choisir les paramètres à
visualiser graphiquement
- Régler les coefficients du
correcteur de position
-Régler le temps d’affichage
- Exporter les données (.csv)

SMI21
C.MO.SAV.00006.FR_V5 Page 177/231
12 Janvier 2016
12.2.8.7. Onglet « Limitations »
Cet onglet permet de paramétrer les différentes limites de fonctionnement du moteur : couple nominal et
maximal (autorisation de pic de couple), le seuil de surtension d’alimentation et la tolérance sur la précision
du positionnement.
Figure 311
Réglage des paramètres
associés à la gestion
des couples.
Description sommaire de
la gestion de couple.
Réglage du seuil de surtension :
si cette valeur est dépassée, une
erreur sera générée.
Réglage de la tolérance
sur la cible à atteindre lors
du positionnement
Ce paramètre permet de
gérer les oscillations sur
le positionnement
analogique

SMI21
C.MO.SAV.00006.FR_V5 Page 178/231
12 Janvier 2016
12.2.8.8. Onglet « Erreurs »
Cet onglet informe sur le type d’erreur rencontrée (à partir du code d’erreur) et sur l’action à réaliser par le
moteur suite à cette erreur.
L’action pour l’erreur sur-couple et pour l’erreur cible est paramétrable*.
Figure 312
Réglage de l’action à réaliser lorsqu’on
rencontre une erreur de sur-couple (*option).
Si on détecte une erreur pouvant remettre
en cause la sécurité du moteur, le moteur
est automatiquement coupé et laissé libre
sur l’axe.
Procédure de redémarrage du moteur suite à la détection d’une erreur :
-Supprimer la cause du défaut.
-Passer en mode arrêt puis repasser en mode marche
Réglage de l’action à réaliser lorsqu’on
rencontre une erreur cible (*option).

SMI21
C.MO.SAV.00006.FR_V5 Page 179/231
12 Janvier 2016
12.2.9. Programme Expert P201
12.2.9.1. Descriptif
Le programme expert P201 permet de :
- Réaliser une phase de homing pour initialiser le système avec détection de fin(s) de course.
- Réaliser un positionnement analogique en utilisant 2 consignes 0-10V : un réglage fort et un réglage fin (la
course totale de l’application renseignée par l’utilisateur peut être découpée en 65536 positions).
- Régler les phases d'accélération / décélération ainsi que la vitesse maximale à ne pas dépasser entre
chacun des points via l’IHM (2 profils de vitesse peuvent être implémentés).
12.2.9.2. Paramètres de l’onglet « Homing »
Réglage de la polarité du switch câblé sur l’entrée numérique « E3 » :
Figure 313
Réglage de la différence de position (en pulses) entre les butées mécaniques et les limites de la course
complète de l’application : la butée 1 (END1) représente le début de la course, la butée 2 (END2) représente
la fin de la course.
Remarque : Dans le cas où l’on a une seule butée mécanique, le paramètre « Offset 2 » n’est pas
disponible.
Figure 314
Réglage de la vitesse de recherche des butées durant la phase de homing.
Figure 315
Réglage du couple de homing permettant de trouver une butée mécanique par détection de sur-couple.
Figure 316

SMI21
C.MO.SAV.00006.FR_V5 Page 180/231
12 Janvier 2016
Réglage de la durée maximale autorisée pour la phase de homing. En cas de dépassement, une erreur sera
générée. Durée limitée à 300s.
Figure 317
Réglage du sens de rotation pour la recherche de la première butée.
Nota : Par défaut, le moteur tourne en sens aiguille.
Figure 318

SMI21
C.MO.SAV.00006.FR_V5 Page 181/231
12 Janvier 2016
12.2.9.3. Paramètres de l’onglet « Entrées »
Combinaisons des entrées numériques n°1 et n°2 : Permet de choisir le mouvement à réaliser parmi les 4
actions ci-dessous.
Figure 319
Information concernant la polarité du switch câblé sur l’entrée numérique n°3. Le choix de cette polarité se
fait dans l’onglet « Homing » (voir ci-dessus).
Figure 320
Entrée numérique n°4 : Choix et réglage des 2 profils de vitesses sélectionables (rampe d’accélération,
palier de vitesse et rampe de décélération : profil trapèzoïdal) :
Figure 321
Nota : Si l’utilisateur a besoin de changer son profil de vitesse pendant la phase de positionnement, il est
fortement recommandé d’utiliser la même pente de décélération pour les deux profils de vitesse afin d’éviter
d’éventuels dépassements de cible.

SMI21
C.MO.SAV.00006.FR_V5 Page 182/231
12 Janvier 2016
Entrées consignes n°5 et n°6 : Permettent le réglage analogique 0-10V de la consigne de position.
Le paramètre « Course totale de l’application » représente le nombre de pulses codeur correspondant à une
tension de consigne de 10V appliquée sur l’entrée numérique n°5 et sur l’entrée numérique n°6.
Le paramètre « Coefficient de résolution » permet de découper la « Course totale de l’application » en 2048
– 4096 – 8192 – 16384 – 32768 ou 65536 positions.
La répartition de la « Course totale de l’application » sur les 2 entrées de consignes analogiques se fait de la
manière suivante :
- Sur E5 :
codé sur 1024 points (réglage fort)
- Sur E6 :
codé sur 1024 points (réglage fin)
Figure 322
Figure 323
La consigne de position est égale à la somme des consignes appliquées sur les entrées n°5 et n°6.
Dans l’exemple ci-dessus :
- Sur E5 :
codé sur 1024 points (réglage fort)
- Sur E6 :
codé sur 1024 points (réglage fin)
Nota : Le signe (-) des consignes pour 10V dépend du sens de rotation lors de la phase de homing.

SMI21
C.MO.SAV.00006.FR_V5 Page 183/231
12 Janvier 2016
12.2.9.4. Paramètres de l’onglet « Sorties » type 5
Etat de la sortie numérique n°1 « Témoin de cible atteinte » : Permet de savoir si la consigne de position a
été atteinte.
Figure 324
Etat de la sortie numérique n°2 « Information phase Homing » : Permet de savoir où en est la phase de
homing : terminée, en cours ou non faite.
Figure 325
Etat de la sortie numérique n°3 « Moteur en Rotation » : Permet de savoir si le moteur est à l’arrêt ou en
rotation.
Figure 326
Etat de la sortie numérique n°4 « Erreur » : Permet de savoir si une erreur a été détectée.
Figure 327

SMI21
C.MO.SAV.00006.FR_V5 Page 184/231
12 Janvier 2016
12.2.9.5. Paramètres de l’onglet « Sorties » type 6
Etat de la sortie numérique n°1 « Témoin de cible atteinte » : Permet de savoir si la consigne de position a
été atteinte.
Figure 328
Etat de la sortie numérique n°2 « Information phase Homing » : Permet de savoir où en est la phase de
homing : terminée, en cours ou non faite.
Figure 329
Etat de la sortie numérique n°3 « Moteur en Rotation » : Permet de savoir si le moteur est à l’arrêt ou en
rotation.
Figure 330
Etat de la sortie numérique n°4 « Erreur » : Permet de savoir si une erreur a été détectée.
Figure 331

SMI21
C.MO.SAV.00006.FR_V5 Page 185/231
12 Janvier 2016
12.2.9.6. Paramètres de l’onglet « Sorties » type 7
Etat de la sortie numérique n°1 « Témoin de cible atteinte » : Permet de savoir si la consigne de position a
été atteinte.
Figure 332
Paramétrage de la sortie PWM n°2 « Couple Réel centré sur 50% » : On peut paramétrer la fréquence du
signal de cette sortie et la valeur de couple correspondant à un rapport cyclique de 100% (mise à l’échelle).
Si rapport cyclique = 0% → Couple de freinage fourni = « Couple S2 ».
Si rapport cyclique = 50% → Couple fourni = 0mNm.
Si rapport cyclique = 100% → Couple moteur fourni = « Couple S2 ».
Figure 333
Combinaisons des sorties numériques n°3 & 4 « Etat du Moteur » : Permet de connaître l'état dans lequel se
trouve le moteur.
Figure 334

SMI21
C.MO.SAV.00006.FR_V5 Page 186/231
12 Janvier 2016
12.2.9.7. Paramètres de l’onglet « Sorties » type 8
Etat de la sortie numérique n°1 « Témoin de cible atteinte » : Permet de savoir si la consigne de position a
été atteinte.
Figure 335
Paramétrage de la sortie PWM n°2 « Couple Réel centré sur 50% » : On peut paramétrer la fréquence du
signal de cette sortie et la valeur de couple correspondant à un rapport cyclique de 100% (mise à l’échelle).
Si rapport cyclique = 0% → Couple de freinage fourni = « Couple S2 ».
Si rapport cyclique = 50% → Couple fourni = 0mNm.
Si rapport cyclique = 100% → Couple moteur fourni = « Couple S2 ».
Figure 336
Combinaisons des sorties numériques n°3 & 4 « Etat du Moteur » : Permet de connaître l'état dans lequel se
trouve le moteur.
Figure 337

SMI21
C.MO.SAV.00006.FR_V5 Page 187/231
12 Janvier 2016
12.2.9.8. Paramètres de l’onglet « Sorties » type 9
Paramétrage de la sortie Pulse n°1 « Vitesse Réelle » : Un top Hall de largeur paramétrable (100 à 800µs)
est généré à chaque fois qu’un des 3 capteurs hall du moteur change d’état.
Les moteurs 80140_SMI21 et 80180_SMI21 ont 12 tops Hall par tour (2 paires de pôles).
Le moteur 80280_SMI21 a 24 tops Hall par tour (4 paires de pôles).
Figure 338
Etat de la sortie numérique n°2 « Sens de Rotation » : Permet de connaitre le sens de rotation du moteur.
Figure 339
Combinaisons des sorties numériques n°3 & 4 « Etat du Moteur » : Permet de connaître l'état dans lequel se
trouve le moteur.
Figure 340

SMI21
C.MO.SAV.00006.FR_V5 Page 188/231
12 Janvier 2016
12.2.9.9. Paramètres de l’onglet « Tuning »
Choix des différents paramètres à représenter graphiquement : soit 1, soit 2 soit 3, soit les 4 paramètres. On
peut donc comparer la réponse en position du système (mesure vs consigne) tout en visualisant l’évolution
du courant et de la vitesse.
Figure 341
Réglage des coefficients du correcteur PID dans l’asservissement de position (cette fonctionnalité est
réservée aux utilisateurs avertis). Les valeurs données dans l’exemple ci-dessous assurent un
fonctionnement correct des produits dans la plupart des cas.
Figure 342
Il est possible de régler la durée d’enregistrement que l’on souhaite visualiser, de 1 à 300 secondes.
Le pas d’échantillonnage est de 10ms.
Pendant l’acquisition des données, les autres fonctions de l’IHM sont indisponibles.
Figure 343
Bouton « Courbes » : permet de lancer l’acquisition des données. L’affichage des courbes ne se fait qu’une
fois l’acquisition terminée.
Bouton « Exporter Données » : permet de récupérer les données correspondant aux paramètres
sélectionnés dans un fichier texte (.txt). Pour que ce fichier soit compatible avec le tableur Excel, modifier
son extension en .csv.
Figure 344

SMI21
C.MO.SAV.00006.FR_V5 Page 189/231
12 Janvier 2016
Exemple :
- Course totale de l’application = 2000000 pulses
- Profil de vitesse : vitesse = 1000 rpm / accélération = 400 rpm/sec / décélération = 100 rpm/sec
- On obtient la représentation graphique suivante :
Figure 345
Remarque : Il est possible de modifier les échelles d’affichages avec la molette de la souris. D’autres
fonctionnalités sont disponibles avec un clic droit sur la souris.
Figure 346

SMI21
C.MO.SAV.00006.FR_V5 Page 190/231
12 Janvier 2016
12.2.9.10. Paramètres de l’onglet « Limitations »
AVERTISSEMENT
MOUVEMENT INATTENDU
Un réglage inapproprié des valeurs de couple peut entrainer des
mouvements inattendus de l’application et la destruction du moteur.
• S'assurer que cela ne peut provoquer aucun dommage.
• Ne procéder à l'essai que si personne ni aucun obstacle ne se
trouve dans la zone de danger.
Si ces précautions ne sont pas respectées, cela peut entraîner la
mort, des blessures graves ou des dommages matériels.
Cet onglet permet de régler les valeurs limites de différents paramètres.
Figure 347
Paramétrage des différents couples : Lorsque le couple de l’application devient supérieur au couple
« CNOMINAL », le moteur peut fournir un couple jusqu’à la valeur « CMAX » pendant la durée maximale « tMAX ».
Au-delà, si le couple de l’application est toujours supérieur à « CNOMINAL », le couple du moteur est limité à la
valeur « CNOMINAL » jusqu'à ce que le couple de l’application redevienne inférieur à cette valeur.
AVERTISSEMENT
SURTENSIONS
Lors des phases de freinage, le moteur génère des surtensions
• Vérifier que ses surtensions sont acceptables par les autres
appareils branchés sur la même alimentation.
• Favoriser l’utilisation d’un circuit externe pour limiter les surtensions
En cas d’utilisation intensive du freinage.
Si ces précautions ne sont pas respectées, cela peut entraîner la
mort, des blessures graves ou des dommages matériels.
Paramétrage du seuil de détection d’une surtension : Si la tension aux bornes du moteur dépasse ce seuil,
une erreur est générée, le moteur est arrêté et aucun couple de maintien n’est appliqué (libre sur l’axe).
Figure 348

SMI21
C.MO.SAV.00006.FR_V5 Page 191/231
12 Janvier 2016

SMI21
C.MO.SAV.00006.FR_V5 Page 192/231
12 Janvier 2016
Paramétrage de la précision acceptable au niveau de la cible à atteindre : L’information de sortie « Position
de consigne atteinte » est active si la position actuelle est égale à la position de consigne +/- la précision
demandée :
Figure 349
Paramétrage du Delta de Position : Ce paramètre permet de définir un delta pour éviter les oscillations du
moteur en positionnement live :
Figure 350
12.2.9.11. Paramètres de l’onglet « Erreurs »
Paramétrage de l’action à réaliser lorsque l’on détecte une erreur de sur-couple : couple réel supérieur au
couple nominal « CNOMINAL » pendant une durée supérieure à « tMAX » (en option).
Figure 351
Pour toutes les erreurs concernant la sécurité du moteur, l'action à réaliser n’est pas paramétrable : en cas
d'erreur, le moteur s’arrête, aucun couple de maintien n’est appliqué (libre sur l’axe).
Figure 352
Paramétrage de l’action à réaliser lorsque l’on détecte une erreur cible : le moteur n’a pas atteint sa position
de consigne +/- la tolérance « Précision Position Acceptable » dans le temps imparti (en option).

SMI21
C.MO.SAV.00006.FR_V5 Page 193/231
12 Janvier 2016
Figure 353
Procédure de redémarrage du moteur suite à la détection d’une erreur de type sécurité :
- Supprimer la cause du défaut.
- Passer en mode arrêt : désactiver les entrées numériques n°1 et n°2 « Arrêt et désactivation de l’erreur »
- Repasser en mode marche : activer au minimum 1 des entrées numériques n°1 ou n°2.

SMI21
C.MO.SAV.00006.FR_V5 Page 194/231
12 Janvier 2016
12.2.10. Programme Expert P202
12.2.10.1. Descriptif
Le programme expert P202 permet de :
- Réaliser une phase de homing pour initialiser le système avec détection de fin(s) de course.
- Définir une consigne de position en utilisant 2 consignes 0-10V : un réglage fort et un réglage fin (la course
totale de l’application renseignée par l’utilisateur peut être découpée en 65536 positions).
- Mémoriser cette consigne de position.
- Lancer la phase de positionnement.
- Régler les phases d'accélération / décélération ainsi que la vitesse maximale à ne pas dépasser entre
chacun des points via l’IHM (2 profils de vitesse peuvent être implémentés).
12.2.10.2. Paramètres de l’onglet « Homing »
Réglage de la polarité du switch câblé sur l’entrée numérique « E3 » :
Figure 354
Réglage de la différence de position (en pulses) entre les butées mécaniques et les limites de la course
complète de l’application : la butée 1 (END1) représente le début de la course, la butée 2 (END2) représente
la fin de la course.
Remarque : Dans le cas où l’on a une seule butée mécanique, le paramètre « Offset 2 » n’est pas
disponible.
Figure 355
Réglage de la vitesse de recherche des butées durant la phase de homing.
Figure 356
Réglage du couple de homing permettant de trouver une butée mécanique par détection de sur-couple.
Figure 357

SMI21
C.MO.SAV.00006.FR_V5 Page 195/231
12 Janvier 2016
Réglage de la durée maximale autorisée pour la phase de homing. En cas de dépassement, une erreur sera
générée. Durée limitée à 300s.
Figure 358
Réglage du sens de rotation pour la recherche de la première butée.
Nota : Par défaut, le moteur tourne en sens aiguille.
Figure 359

SMI21
C.MO.SAV.00006.FR_V5 Page 196/231
12 Janvier 2016
12.2.10.3. Paramètres de l’onglet « Entrées »
Combinaisons des entrées numériques n°1 et n°2 : Permet de choisir le mouvement à réaliser parmi les 4
actions ci-dessous.
Figure 360
Information concernant la polarité du switch câblé sur l’entrée numérique n°3. Le choix de cette polarité se
fait dans l’onglet « Homing » (voir ci-dessus).
Figure 361
Entrée numérique n°4 : Choix et réglage des 2 profils de vitesses sélectionable (rampe d’accélération, palier
de vitesse et rampe de décélération : profil trapèzoïdal) :
Figure 362
Nota : Si l’utilisateur a besoin de changer son profil de vitesse pendant la phase de positionnement, il est
fortement recommandé d’utiliser la même pente de décélération pour les deux profils de vitesse afin d’éviter
d’éventuels dépassements de cible.

SMI21
C.MO.SAV.00006.FR_V5 Page 197/231
12 Janvier 2016
Entrées consignes n°5 et n°6 : Permettent le réglage analogique 0-10V de la consigne de position.
Le paramètre « Course totale de l’application » représente le nombre de pulses codeur correspondant à une
tension de consigne de 10V appliquée sur l’entrée numérique n°5 et sur l’entrée numérique n°6.
Le paramètre « Coefficient de résolution » permet de découper la « Course totale de l’application » en 2048
– 4096 – 8192 – 16384 – 32768 ou 65536 positions.
La répartition de la « Course totale de l’application » sur les 2 entrées de consignes analogiques se fait de la
manière suivante :
- Sur E5 :
codé sur 1024 points (réglage fort)
- Sur E6 :
codé sur 1024 points (réglage fin)
Figure 363
Figure 364
La consigne de position est égale à la somme des consignes appliquées sur les entrées n°5 et n°6.
Dans l’exemple ci-dessus :
- Sur E5 :
codé sur 1024 points (réglage fort)
- Sur E6 :
codé sur 1024 points (réglage fin)
Nota : Le signe (-) des consignes pour 10V dépend du sens de rotation lors de la phase de homing.

SMI21
C.MO.SAV.00006.FR_V5 Page 198/231
12 Janvier 2016
12.2.10.4. Paramètres de l’onglet « Sorties » type 5
Etat de la sortie numérique n°1 « Témoin de cible atteinte » : Permet de savoir si la consigne de position a
été atteinte.
Figure 365
Etat de la sortie numérique n°2 « Information phase Homing » : Permet de savoir où en est la phase de
homing : terminée, en cours ou non faite.
Figure 366
Etat de la sortie numérique n°3 « Moteur en Rotation » : Permet de savoir si le moteur est à l’arrêt ou en
rotation.
Figure 367
Etat de la sortie numérique n°4 « Erreur » : Permet de savoir si une erreur a été détectée.
Figure 368

SMI21
C.MO.SAV.00006.FR_V5 Page 199/231
12 Janvier 2016
12.2.10.5. Paramètres de l’onglet « Sorties » type 6
Etat de la sortie numérique n°1 « Témoin de cible atteinte » : Permet de savoir si la consigne de position a
été atteinte.
Figure 369
Etat de la sortie numérique n°2 « Information phase Homing » : Permet de savoir où en est la phase de
homing : terminée, en cours ou non faite.
Figure 370
Etat de la sortie numérique n°3 « Moteur en Rotation » : Permet de savoir si le moteur est à l’arrêt ou en
rotation.
Figure 371
Etat de la sortie numérique n°4 « Erreur » : Permet de savoir si une erreur a été détectée.
Figure 372

SMI21
C.MO.SAV.00006.FR_V5 Page 200/231
12 Janvier 2016
12.2.10.6. Paramètres de l’onglet « Sorties » type 7
Etat de la sortie numérique n°1 « Témoin de cible atteinte » : Permet de savoir si la consigne de position a
été atteinte.
Figure 373
Paramétrage de la sortie PWM n°2 « Couple Réel centré sur 50% » : On peut paramétrer la fréquence du
signal de cette sortie et la valeur de couple correspondant à un rapport cyclique de 100% (mise à l’échelle).
Si rapport cyclique = 0% → Couple de freinage fourni = « Couple S2 ».
Si rapport cyclique = 50% → Couple fourni = 0mNm.
Si rapport cyclique = 100% → Couple moteur fourni = « Couple S2 ».
Figure 374
Combinaisons des sorties numériques n°3 & 4 « Etat du Moteur » : Permet de connaître l'état dans lequel se
trouve le moteur.
Figure 375

SMI21
C.MO.SAV.00006.FR_V5 Page 201/231
12 Janvier 2016
12.2.10.7. Paramètres de l’onglet « Sorties » type 8
Etat de la sortie numérique n°1 « Témoin de cible atteinte » : Permet de savoir si la consigne de position a
été atteinte.
Figure 376
Paramétrage de la sortie PWM n°2 « Couple Réel centré sur 50% » : On peut paramétrer la fréquence du
signal de cette sortie et la valeur de couple correspondant à un rapport cyclique de 100% (mise à l’échelle).
Si rapport cyclique = 0% → Couple de freinage fourni = « Couple S2 ».
Si rapport cyclique = 50% → Couple fourni = 0mNm.
Si rapport cyclique = 100% → Couple moteur fourni = « Couple S2 ».
Figure 377
Combinaisons des sorties numériques n°3 & 4 « Etat du Moteur » : Permet de connaître l'état dans lequel se
trouve le moteur.
Figure 378

SMI21
C.MO.SAV.00006.FR_V5 Page 202/231
12 Janvier 2016
12.2.10.8. Paramètres de l’onglet « Sorties » type 9
Paramétrage de la sortie Pulse n°1 « Vitesse Réelle » : Un top Hall de largeur paramétrable (100 à 800µs)
est généré à chaque fois qu’un des 3 capteurs hall du moteur change d’état.
Les moteurs 80140_SMI21 et 80180_SMI21 ont 12 tops Hall par tour (2 paires de pôles).
Le moteur 80280_SMI21 a 24 tops Hall par tour (4 paires de pôles).
Figure 379
Etat de la sortie numérique n°2 « Sens de Rotation » : Permet de connaitre le sens de rotation du moteur.
Figure 380
Combinaisons des sorties numériques n°3 & 4 « Etat du Moteur » : Permet de connaître l'état dans lequel se
trouve le moteur.
Figure 381

SMI21
C.MO.SAV.00006.FR_V5 Page 203/231
12 Janvier 2016
12.2.10.9. Paramètres de l’onglet « Tuning »
Choix des différents paramètres à représenter graphiquement : soit 1, soit 2 soit 3, soit les 4 paramètres. On
peut donc comparer la réponse en position du système (mesure vs consigne) tout en visualisant l’évolution
du courant et de la vitesse.
Figure 382
Réglage des coefficients du correcteur PID dans l’asservissement de position (cette fonctionnalité est
réservée aux utilisateurs avertis). Les valeurs données dans l’exemple ci-dessous assurent un
fonctionnement correct des produits dans la plupart des cas.
Figure 383
Il est possible de régler la durée d’enregistrement que l’on souhaite visualiser, de 1 à 300 secondes.
Le pas d’échantillonnage est de 10ms.
Pendant l’acquisition des données, les autres fonctions de l’IHM sont indisponibles.
Figure 384
Bouton « Courbes » : permet de lancer l’acquisition des données. L’affichage des courbes ne se fait qu’une
fois l’acquisition terminée.
Bouton « Exporter Données » : permet de récupérer les données correspondant aux paramètres
sélectionnés dans un fichier texte (.txt). Pour que ce fichier soit compatible avec le tableur Excel, modifier
son extension en .csv.
Figure 385

SMI21
C.MO.SAV.00006.FR_V5 Page 204/231
12 Janvier 2016
Exemple :
- Course totale de l’application = 2000000 pulses
- Profil de vitesse : vitesse = 1000 rpm / accélération = 400 rpm/sec / décélération = 100 rpm/sec
- On obtient la représentation graphique suivante :
Figure 386
Remarque : Il est possible de modifier les échelles d’affichages avec la molette de la souris. D’autres
fonctionnalités sont disponibles avec un clic droit sur la souris.
Figure 387

SMI21
C.MO.SAV.00006.FR_V5 Page 205/231
12 Janvier 2016
12.2.10.10. Paramètres de l’onglet « Limitations »
AVERTISSEMENT
MOUVEMENT INATTENDU
Un réglage inapproprié des valeurs de couple peut entrainer des
mouvements inattendus de l’application et la destruction du moteur.
• S'assurer que cela ne peut provoquer aucun dommage.
• Ne procéder à l'essai que si personne ni aucun obstacle ne se
trouve dans la zone de danger.
Si ces précautions ne sont pas respectées, cela peut entraîner la
mort, des blessures graves ou des dommages matériels.
Cet onglet permet de régler les valeurs limites de différents paramètres.
Figure 388
Paramétrage des différents couples : Lorsque le couple de l’application devient supérieur au couple
« CNOMINAL », le moteur peut fournir un couple jusqu’à la valeur « CMAX » pendant la durée maximale « tMAX ».
Au-delà, si le couple de l’application est toujours supérieur à « CNOMINAL », le couple du moteur est limité à la
valeur « CNOMINAL » jusqu'à ce que le couple de l’application redevienne inférieur à cette valeur.
AVERTISSEMENT
SURTENSIONS
Lors des phases de freinage, le moteur génère des surtensions
• Vérifier que ses surtensions sont acceptables par les autres
appareils branchés sur la même alimentation.
• Favoriser l’utilisation d’un circuit externe pour limiter les surtensions
En cas d’utilisation intensive du freinage.
Si ces précautions ne sont pas respectées, cela peut entraîner la
mort, des blessures graves ou des dommages matériels.
Paramétrage du seuil de détection d’une surtension : Si la tension aux bornes du moteur dépasse ce seuil,
une erreur est générée, le moteur est arrêté et aucun couple de maintien n’est appliqué (libre sur l’axe).
Figure 389

SMI21
C.MO.SAV.00006.FR_V5 Page 206/231
12 Janvier 2016

SMI21
C.MO.SAV.00006.FR_V5 Page 207/231
12 Janvier 2016
Paramétrage de la précision acceptable au niveau de la cible à atteindre : L’information de sortie « Position
de consigne atteinte » est active si la position actuelle est égale à la position de consigne +/- la valeur ci-
dessous :
Figure 390
12.2.10.11. Paramètres de l’onglet « Erreurs »
Paramétrage de l’action à réaliser lorsque l’on détecte une erreur de sur-couple : couple réel supérieur au
couple nominal « CNOMINAL » pendant une durée supérieure à « tMAX » (en option).
Figure 391
Pour toutes les erreurs concernant la sécurité du moteur, l'action à réaliser n’est pas paramétrable : en cas
d'erreur, le moteur s’arrête, aucun couple de maintien n’est appliqué (libre sur l’axe).
Figure 392
Paramétrage de l’action à réaliser lorsque l’on détecte une erreur cible : la position actuelle n’a pas atteint sa
position de consigne +/- la tolérance « Précision Position Acceptable » dans le temps imparti (en option).
Figure 393

SMI21
C.MO.SAV.00006.FR_V5 Page 208/231
12 Janvier 2016
Procédure de redémarrage du moteur suite à la détection d’une erreur de type sécurité :
- Supprimer la cause du défaut.
- Passer en mode arrêt : désactiver les entrées numériques n°1 et n°2 « Arrêt et désactivation de l’erreur »
- Repasser en mode marche : activer au minimum 1 des entrées numériques n°1 ou n°2.

SMI21
C.MO.SAV.00006.FR_V5 Page 209/231
12 Janvier 2016
12.3. Programmes en couple
12.3.1. Typologie des entrées des programmes C100
Le tableau ci-dessous définit la fonction associée à chacune des entrées des 2 programmes de type
C100 (la couleur associée au numéro de l’entrée correspond à celle du faisceau d’E/S) :
Programmes
Entrées
C101
C102
E1
ON / OFF
000 : Consigne de couple « E6 »
001 : Couple prioritaire n°1
010 : Couple prioritaire n°2
100 : Couple prioritaire n°3
E2
Sens
E3
Non utilisée
E4
Arrêt rapide
00 : Arrêt rapide
10 : Rotation en sens inverse
01 : Rotation en sens aiguille
11 : Arrêt, désactivation erreur
E5
Rampe de couple
E6
Couple
Couple
(si E1 = E2 = E3 = 0)
Légende : Entrée de type numérique
Entrée de type analogique ou PWM
Programmes à venir
12.3.2. Typologie des sorties des programmes C100
Pour l’ensemble des programmes experts en couple, nous disposons de 2 configurations de sorties
paramétrables (la couleur associée au numéro de la sortie correspond à celle du faisceau d’E/S) :
S1
S2
S3
S4
Type n°2
Vitesse Réelle
Couple Réel
Moteur en Rotation
Erreur
PWM
PWM
TOR
TOR
Type n°10
Vitesse Réelle
centrée sur 50%
Couple Réel
centré sur 50%
00 : erreur détectée
01 : moteur en rotation
10 : moteur arrêté, consigne de couple
atteinte et maintenue
11 : moteur arrêté, pas de couple appliqué
PWM
PWM
Combinaisons de TOR
Légende : Sortie de type numérique
Sortie de type PWM / Pulse / Fréquence

SMI21
C.MO.SAV.00006.FR_V5 Page 210/231
12 Janvier 2016
12.3.3. Description des différents onglets
Pour la description des onglets, le programme expert C101 est pris comme exemple (pour le détail de
chaque programme expert en couple, voir la partie « Programme Expert C101 » de ce document).
12.3.3.1. Page d’accueil
Cette page est commune à tous les programmes experts et applicatifs, que ce soit en mode vitesse, position
ou couple. Elle permet de choisir entre les différents types de programmes applicatifs et experts.
Dans notre cas d’exemple, on choisit dans le groupe « Programmes Experts » la catégorie « Couple C100 »,
les icones des différents programmes experts de type C100 apparaissent dans la fenêtre en bas à droite, il
faut alors cliquer sur celui correspondant au programme expert « C101 » :
Figure 394
Choix de la catégorie du programme expert : C100
Choix du programme expert : C101
Information décrivant succinctement le programme
expert C101

SMI21
C.MO.SAV.00006.FR_V5 Page 211/231
12 Janvier 2016
12.3.3.2. Onglet « Descriptif »
C’est un onglet d’information dans lequel sont décrits succinctement les différents profils de couple qui
peuvent être réalisés à partir de ce mode expert :
Figure 395
12.3.3.3. Onglet « Entrées »
Cet onglet permet de configurer les différentes entrées de ce mode expert (polarité des entrées numériques,
valeur, type de commande, borne maxi et mini des commandes…) :
Figure 396
Description sommaire des profils réalisables à
partir de ce programme expert : régulation de
couple avec gestion de rampes…
Possibilité de nommer le projet
E/S

SMI21
C.MO.SAV.00006.FR_V5 Page 212/231
12 Janvier 2016
12.3.3.4. Onglet « Sorties »
Cet onglet permet de choisir et de configurer les différentes sorties de ce mode expert (type 2 et type 10 en
couple) :
12.3.3.5. Onglet « Tuning »
Cet onglet permet de représenter graphiquement certains paramètres (vitesse, couple…) et de modifier les
coefficients de la boucle de régulation de couple. Il est commun à tous les programmes experts en couple.
Réglages paramètres du
type de sorties n°2
Réglages paramètres du
type de sorties n°10
Figure 397

SMI21
C.MO.SAV.00006.FR_V5 Page 213/231
12 Janvier 2016
Figure 398
12.3.3.6. Onglet « Limitations »
Cet onglet permet de régler le seuil de surtension d’alimentation.
Figure 399
12.3.3.7. Onglet « Erreurs »
Cet onglet informe sur le type d’erreur rencontrée (à partir du code d’erreur) et sur l’action à réaliser par le
moteur suite à cette erreur.
Cette zone permet de visualiser
graphiquement les paramètres
choisis.
Cette zone permet de :
- Choisir les paramètres à
visualiser graphiquement
- Régler les coefficients du
correcteur de couple
-Régler le temps d’affichage
- Exporter les données (.csv)
Réglages du seuil de surtension :
si cette valeur est dépassée, une
erreur sera générée.

SMI21
C.MO.SAV.00006.FR_V5 Page 214/231
12 Janvier 2016
Figure 400
Si on détecte une erreur pouvant remettre
en cause la sécurité du moteur, le moteur
est automatiquement coupé et laissé libre
sur l’axe.
Procédure de redémarrage du moteur suite à la détection d’une erreur :
-Supprimer la cause du défaut.
-Passer en mode arrêt.

SMI21
C.MO.SAV.00006.FR_V5 Page 215/231
12 Janvier 2016
12.3.4. Programme Expert C101
12.3.4.1. Descriptif
Le programme expert C101 permet de :
- Réaliser des profils de couple avec une commande de type analogique ou PWM.
- Régler les rampes de montée et descente en couple avec une commande de type analogique ou PWM.
12.3.4.2. Paramètres de l’onglet « Entrées »
Entrée numérique n°1 : Permet de régler la polarité de l’entrée « Marche / Arrêt ».
Figure 401
Entrée numérique n°2 : Permet de régler la polarité de l’entrée « Sens de rotation ».
Figure 402
Entrée numérique n°3 : Non utilisée
Entrée numérique n°4 : Permet de régler la polarité de l’entrée « Arrêt Rapide ».
Cette entrée permet d’arrêter le moteur le plus rapidement possible, sans tenir compte des consignes
appliquées aux autres entrées.
Figure 403

SMI21
C.MO.SAV.00006.FR_V5 Page 216/231
12 Janvier 2016
Entrée consigne n°5 : Permet de choisir le type de commande pour la consigne de rampe de couple et de
fixer les bornes maxi et mini de cette consigne. Il est possible de fonctionner en échelle inversée.
Figure 404
Entrée consigne n°6 : Permet de choisir le type de commande pour la consigne de couple et de fixer les
bornes maxi et mini de cette consigne. Il est possible de fonctionner en échelle inversée.
Figure 405

SMI21
C.MO.SAV.00006.FR_V5 Page 217/231
12 Janvier 2016
12.3.4.3. Paramètres de l’onglet « Sorties » type 2
Paramétrage de la sortie PWM n°1 « Vitesse Réelle » : On peut paramétrer la fréquence du signal de cette
sortie (impérativement identique à celle de la sortie PWM n°2).
Si rapport cyclique = 0% → Vitesse réelle = 0rpm.
Si rapport cyclique = 100% → Vitesse réelle = consigne de vitesse maximale définie en E6.
Figure 406
Paramétrage de la sortie PWM n°2 « Couple Réel » : On peut paramétrer la fréquence du signal de cette
sortie (impérativement identique à celle de la sortie PWM n°1) et la valeur de couple correspondant à un
rapport cyclique de 100% (mise à l’échelle).
Si rapport cyclique = 0% → Couple fourni = 0mNm.
Si rapport cyclique = 100% → Couple fourni = « Couple S2 ».
Figure 407
Etat de la sortie numérique n°3 « Moteur en Rotation » : Permet de savoir si le moteur est à l’arrêt ou en
rotation.
Figure 408
Etat de la sortie numérique n°4 « Erreur » : Permet de savoir si une erreur a été détectée.
Figure 409

SMI21
C.MO.SAV.00006.FR_V5 Page 218/231
12 Janvier 2016
12.3.4.4. Paramètres de l’onglet « Sorties » type 10
Paramétrage de la sortie PWM n°1 : « Vitesse Réelle centrée sur 50% » : On peut paramétrer la fréquence
du signal de cette sortie (impérativement identique à celle de la sortie PWM n°2).
Si rapport cyclique = 0% → rotation en sens aiguille à la consigne de vitesse maximale définie en E6
Si rapport cyclique = 50% → Vitesse réelle = 0 rpm.
Si rapport cyclique = 100% → rotation en sens inverse à la consigne de vitesse maximale définie en E6.
Figure 410
Paramétrage de la sortie PWM n°2 « Couple Réel centré sur 50% » : On peut paramétrer la fréquence du
signal de cette sortie (impérativement identique à celle de la sortie PWM n°1) et la valeur de couple
correspondant à un rapport cyclique de 100% (mise à l’échelle).
Si rapport cyclique = 0% → Couple de freinage fourni = « Couple S2 ».
Si rapport cyclique = 50% → Couple fourni = 0mNm.
Si rapport cyclique = 100% → Couple moteur fourni = « Couple S2 ».
Figure 411
Combinaisons des sorties numériques n°3 & 4 « Etat du Moteur » : Permet de connaître l'état dans lequel se
trouve le moteur.
Figure 412

SMI21
C.MO.SAV.00006.FR_V5 Page 219/231
12 Janvier 2016
12.3.4.5. Paramètres de l’onglet « Tuning »
Choix des différents paramètres à représenter graphiquement : soit 1, soit 2 soit les 3 paramètres. On peut
donc comparer la réponse en couple du système (mesure vs consigne) tout en visualisant l’évolution de la
vitesse.
Figure 413
Réglage des coefficients du correcteur PID dans l’asservissement de couple (cette fonctionnalité est
réservée aux utilisateurs avertis). Les valeurs données dans l’exemple ci-dessous assurent un
fonctionnement correct des produits dans la plupart des cas.
Figure 414
Il est possible de régler la durée d’enregistrement que l’on souhaite visualiser, de 1 à 300 secondes.
Le pas d’échantillonnage est de 10ms.
Pendant l’acquisition des données, les autres fonctions de l’IHM sont indisponibles.
Figure 415
Bouton « Courbes » : permet de lancer l’acquisition des données. L’affichage des courbes ne se fait qu’une
fois l’acquisition terminée.
Bouton « Exporter Données » : permet de récupérer les données correspondant aux paramètres
sélectionnés dans un fichier texte (.txt). Pour que ce fichier soit compatible avec le tableur Excel, modifier
son extension en .csv.
Figure 416

SMI21
C.MO.SAV.00006.FR_V5 Page 220/231
12 Janvier 2016
Exemple : Avec une consigne de couple sur l’entrée n°6 à 200 mN.m et une consigne de rampe de couple
sur l’entrée n°5 à 50 mN.m/s, on obtient la représentation graphique suivante (enregistrement sur une durée
de 20 secondes) :
Figure 417
Remarque : Il est possible de modifier les échelles d’affichages avec la molette de la souris. D’autres
fonctionnalités sont disponibles avec un clic droit sur la souris.
Figure 418

SMI21
C.MO.SAV.00006.FR_V5 Page 221/231
12 Janvier 2016
12.3.4.6. Paramètres de l’onglet « Limitations »
AVERTISSEMENT
SURTENSIONS
Lors des phases de freinage, le moteur génère des surtensions
• Vérifier que ses surtensions sont acceptables par les autres
appareils branchés sur la même alimentation.
• Favoriser l’utilisation d’un circuit externe pour limiter les surtensions
En cas d’utilisation intensive du freinage.
Si ces précautions ne sont pas respectées, cela peut entraîner la
mort, des blessures graves ou des dommages matériels.
Paramétrage du seuil de détection d’une surtension : Si la tension aux bornes du moteur dépasse ce seuil,
une erreur est générée, le moteur est arrêté et aucun couple de maintien n’est appliqué (libre sur l’axe).
Figure 419
12.3.4.7. Paramètres de l’onglet « Erreurs »
Pour toutes les erreurs concernant la sécurité du moteur, l'action à réaliser n’est pas paramétrable : en cas
d'erreur, on arrête le moteur et aucun couple de maintien n’est appliqué (libre sur l’axe).
Figure 420
Procédure de redémarrage du moteur suite à la détection d’une erreur :
- Supprimer la cause du défaut.
- Passer en mode arrêt : désactiver l’entrée numérique n°1 « Marche / Arrêt ».
- Repasser en mode marche : activer l’entrée numérique n°1 « Marche / Arrêt ».

SMI21
C.MO.SAV.00006.FR_V5 Page 222/231
12 Janvier 2016

SMI21
C.MO.SAV.00006.FR_V5 Page 223/231
12 Janvier 2016
13. SAUVEGARDE DES PARAMETRES
Dans tous les programmes experts (vitesse, position et couple), l’utilisateur a la possibilité de donner un nom
à son projet (4 caractères alphanumériques maximum) à l’aide du paramètre « Nom du projet » situé dans
l’onglet « Descriptif » des programmes (le programme expert V101 sera utilisé comme exemple) :
Figure 421
On peut accéder au paramètre « Nom du projet » en cliquant sur l’onglet « Informations Moteur » dans la
barre de menu principal :
Figure 422
Les paramètres du projet peuvent être sauvegardés dans un fichier .xml en cliquant sur « Enregistrer
sous » dans l’onglet « Fichier » du menu principal.
Figure 423
Ils pourront également être réutilisés en cliquant sur « Ouvrir » dans l’onglet « Fichier » du menu principal
puis en sélectionnant le fichier « MOT1.xml » approprié.
Figure 424
Mise à jour du paramètre
« Nom du projet »

SMI21
C.MO.SAV.00006.FR_V5 Page 224/231
12 Janvier 2016
Figure 425
Lorsque le fichier de paramètres est chargé, l’IHM lance automatiquement le programme expert ou applicatif
associé (dans notre cas d’exemple le programme expert V101) :
Figure 426
Appuyer sur le bouton « Charger Programme »pour charger les paramètres du fichier « MOT1.xml » dans le
moteur.
Sélectionner le fichier de
sauvegarde de paramètres
Chargement des
paramètres sauvegardés

SMI21
C.MO.SAV.00006.FR_V5 Page 225/231
12 Janvier 2016
14. UTILISATION DE L’IO BOX
Vous pouvez utiliser votre moteur directement à partir du PC sans avoir besoin de brancher votre faisceau
d’Entrées / Sorties. Pour ce fait dans un premier temps cliquer sur le bouton Home, puis connectez votre
moteur.
Ensuite cliquer sur le bouton IO Box.
Figure 427
Ainsi si vous possédez la dernière mise à jour du Firmware (à partir de 79298011_D, 79298013_D,
79298014_D ), cette nouvelle fenêtre s’ouvre.
Figure 428
Sinon le pop-up suivant apparaît.
Figure 429
Avec cette fonctionnalité vous pouvez directement contrôler votre moteur via le port USB.
Sélection de l’IO Box

SMI21
C.MO.SAV.00006.FR_V5 Page 226/231
12 Janvier 2016
La fonctionnalité IO Box détecte automatiquement le programme chargé dans votre moteur.
Exemple : Ci-dessous nous voyons la capture d’écran de cette IO box.
Figure 430
Une fois que l’IOBox est fermée votre moteur est configuré comme il l’était avant l’utilisation de cette IO Box.
Si vous chargez un nouveau programme pendant que cette boîte est ouverte, celle-ci se ferme
automatiquement, vous aurez alors besoin de ré-ouvrir une IO Box en cliquant sur l’onglet correspondant.
Vous aurez ainsi le contrôle sur le nouveau programme chargé.
Un clic sur le bouton d’arrêt d’urgence STOP, fermera automatiquement cette boîte. Pour ré-ouvrir cette
boîte, un OFF/ON de l’alimentation puissance du moteur est nécessaire ou recharger les paramètres d’un
programme.
Remarque : L’IO Box possède un temps de rafraîchissement de 1 seconde.
Programme Chargé dans le moteur
Consigne(s) Analogique(s)
Entrées Numériques :
Vert « 1 »
Rouge « 0 »
Arrêt d’Urgence
Sorties :
Vert « 1 »
Rouge « 0 »

SMI21
C.MO.SAV.00006.FR_V5 Page 227/231
12 Janvier 2016
Figure 431
15. DIAGNOSTIC ET ELIMINATION D'ERREURS
15.1. Défaillances mécaniques
Erreur
Cause
Suppression de défaut
Échauffement important
Surcharge
Frein de maintien non ouvert
Réduire la charge
Vérifier la commande du frein de
maintien
Sifflements ou cognements
Roulements défectueux
Contacter le service après-vente
Bruits de frottement
Un organe de transmission rotatif frotte
Aligner l'organe de transmission
Vibration radiale
Alignement insuffisant de l'organe de
transmission
Balourd de l'organe de transmission
Arbre tordu
Résonance dans la fixation
Aligner l'organe de transmission
Équilibrer l'organe de transmission
Contacter le service après-vente
Vérifier la rigidité de la fixation du
moteur
Vibration axiale
Alignement insuffisant de l'organe de
transmission
Chocs sur l'organe de transmission
Résonance dans la fixation
Aligner l'organe de transmission
Vérifier l'organe de transmission
Vérifier la rigidité de la fixation du
moteur
15.2. Défaillances électriques
Erreur
Cause
Suppression de défaut
Le moteur ne démarre pas ou
difficilement
Surcharge
Défaut dans les fils de raccordement
Réduire la charge
Contrôler les fils de raccordement
Contacter le service après-vente
Échauffement important du
stator
Surcharge
Réduire la charge
Échauffement des bornes de
raccordement
Fils d’alimentation desserrés ou mal
serrés
Resserrer les vis
16. SERVICE, MAINTENANCE ET ELIMINATION
16.1. Adresses des points de service après-vente
Contacter votre distributeur.
La liste des distributeurs est accessible sur le site de CROUZET Automatismes www.crouzet.com
16.2. Stockage
Les moteurs ne doivent être transportés et stockés que dans des environnements secs, exempts de
poussière et insensibles aux vibrations.
Les conditions ambiantes sont mentionnées dans la fiche technique du produit et doivent être respectées.
La durée de stockage est essentiellement dictée par la stabilité des lubrifiants et devrait être inférieure à 36
mois.
Afin de préserver le bon fonctionnement, une mise en marche occasionnelle de la solution d'entraînement
est recommandée.
16.3. Entretien
Seul le fabricant est habilité à procéder aux réparations. En cas d'interventions personnelles, toute garantie
et responsabilité s'éteint.
La réparation à l'état monté est impossible.

SMI21
C.MO.SAV.00006.FR_V5 Page 228/231
12 Janvier 2016
Avant toute intervention sur le système d'entraînement, veuillez consulter les chapitres Installation
et Mise en service pour connaître les mesures à prendre.
Nous recommandons d'effectuer les travaux suivants à intervalles réguliers.
Branchements et fixation
=> Vérifier régulièrement tous les câbles de raccordement et les connexions à la recherche de dommages.
Remplacer immédiatement les câbles endommagés.
=> Vérifier le bon serrage de tous les organes de transmission.
=> Resserrer toutes les liaisons boulonnées mécaniques et électriques selon le couple de serrage adapté.
AVERTISSEMENT
MOUVEMENT INATTENDU
En cas de dépassement des conditions ambiantes admissibles, des
corps étrangers provenant de l'entourage peuvent pénétrer et
entraîner des déplacements inattendus ou des dommages matériels.
• Vérifier les conditions ambiantes.
• Eviter impérativement toute stagnation de fluides au niveau de la
traversée d'arbre.
Si ces précautions ne sont pas respectées, cela peut entraîner la
mort, des blessures graves ou des dommages matériels.
Nettoyage
Nettoyer régulièrement le moteur de la poussière et de toute saleté. Une dissipation insuffisante de chaleur
dans l'air ambiant peut entraîner des températures anormalement élevées.
Les moteurs ne sont pas conçus pour être nettoyés avec un nettoyeur haute pression. La haute pression
peut faire pénétrer de l'eau à l'intérieur du moteur.
En cas d'utilisation de produits de nettoyage ou de solvants, il faut veiller à ne pas endommager les fils
d’alimentation du moteur et de ses options éventuelles (frein) , les roulement à billes et le revêtement du
moteur.
Vérifier/roder le frein de maintien
Le freinage occasionnel avec une charge déplacée contribue à préserver le couple de maintien du frein de
maintien. Si le frein de maintien ne produit pas de travail mécanique sur une période prolongée (freinage
avec charge déplacée), certaines pièces du frein de maintien peuvent se corroder ou d'autres dépôts
peuvent s'accumuler et réduire ainsi le couple de maintien.
Le frein de maintien est rodé départ usine. Si le frein ne produit pas de travail mécanique pendant une
période prolongée, certaines pièces du frein de maintien peuvent se corroder. Si le frein de maintien devait
ne pas présenter le couple de maintien spécifié dans les caractéristiques techniques, un nouveau rodage
s'avèrerait nécessaire :
=> Le moteur se trouve à l'état démonté. Le frein de maintien est fermé.
=> Mesurer le couple de maintien du frein de maintien à l'aide d'une clé dynamométrique.
=> Comparer la valeur avec le couple de maintien indiqué sur la fiche technique.
=> Si le couple de maintien diffère sensiblement des valeurs indiquées, tourner l'arbre moteur à la main de
25 tours dans les deux sens.
=> Répéter l'opération. Si au bout de 3 répétitions le couple de maintien n'est pas rétabli, veuillez-vous
adresser à votre revendeur.
16.4. Remplacement du moteur
=> Couper toutes les tensions d'alimentation. S'assurer qu'aucune tension n'est plus appliquée (instructions
de sécurité).
=> Repérer tous les branchements et démonter le produit.
=> Le remplacer par un moteur de même référence.
=> Installer le nouveau produit conformément au chapitre 4 "Installation".

SMI21
C.MO.SAV.00006.FR_V5 Page 229/231
12 Janvier 2016
=> Procéder à une mise en service conformément au chapitre 5 "Mise en service".

SMI21
C.MO.SAV.00006.FR_V5 Page 230/231
12 Janvier 2016
16.5. Expédition, stockage, élimination
Respecter les conditions ambiantes décrites au chapitre : « CARACTERISTIQUES TECHNIQUES ».
Expéditions
Ne transporter le produit qu'en le protégeant contre les chocs.
Utiliser pour cela le conditionnement d’origine.
Stockage
Stocker le produit uniquement dans les conditions ambiantes indiquées et admissibles de température et
d’humidité de l'air.
Protéger le produit de la poussière et de l'encrassement.
Elimination
Le produit est constitué de différents matériaux susceptibles d'être réutilisés ou devant faire l’objet d’un
recyclage sélectif. Éliminer le produit conformément aux prescriptions locales.

SMI21
C.MO.SAV.00006.FR_V5 Page 231/231
12 Janvier 2016
16.6. Termes et abréviations
Codeur
Monté sur le moteur, le capteur de position angulaire fourni des impulsions de fréquence proportionnelle à la
vitesse de rotation du moteur.
Degré de protection
Le degré de protection est une détermination normalisée utilisée pour les équipements électriques et
destinée à décrire la protection contre la pénétration de solides et de liquides à l’intérieur de l’enveloppe du
moteur (exemple IP54M). Le M indique que les essais sont réalisés moteur en fonctionnement.
Cette valeur ne prend pas en compte l’étanchéité au niveau de l’axe de sortie, qui doit être prise en compte
par l’installateur.
Forces axiales
Forces de traction ou de compression qui agissent sur l'arbre dans le sens longitudinal.
Forces radiales
Forces agissant de manière radiale sur l'arbre.
Sens de rotation
Sens de rotation positif ou négatif de l'arbre du moteur. Le sens de rotation positif est le sens de rotation de
l'arbre du moteur dans le sens des aiguilles d'une montre, lorsque l'on regarde le moteur du côté de l'arbre
de sortie.
Vitesse nominale
Vitesse de rotation du moteur lorsqu’est appliqué le couple nominal.
Courant nominal
Courant appelé par le moteur lorsqu’est appliqué le couple nominal.
Couple nominal
Couple maximum applicable en fonctionnement continu à l’arbre du moteur.
Firmware
Logiciel de pilotage et contrôle embarqué dans le moteur.
Bootloader
Fonction disponible dans l’IHM permettant la mise à jour du firmware.
Switch
Interrupteur utilisé comme fin de course.
Abréviations couramment utilisées :
IHM : Interface Homme Machine
SMI21 : Nom commercial de la nouvelle gamme brushless CROUZET
Homing : Phase d’initialisation pour la recherche des butées
TOR : Type d’entrées / sorties numériques (Tout Ou Rien)
PWM : Pulse Width Modulation (Modulation de Largeur d’Impulsion)
SA : Sens Aiguille
SI : Sens Inverse
NO : Normalement Ouvert
NF : Normalement Fermé
CEM : Compatibilité Electromagnétique
FOC : Field Oriented Control