Micro Switches Sealed V4 8318 High Current 83180 Part Number 831800
2016-06-27
: Crouzet Micro-Switches-Sealed-V4-Sealed-8318-High-Current-83180-Part Number-831800 micro-switches-sealed-v4-sealed-8318-high-current-83180-Part number-831800 english datasheets
Open the PDF directly: View PDF
.
Page Count: 14

V4 Sealed 8318 High
-
current 83180 Part number made to order
IP 67 protection
Nominal ratings 0.1 A to 10 A / 250 VAC
Minimum rating 1 mA / 4 VDC
Operating temperature -40 °C to +125 °C
Choice of actuators with 2 possible fixing positions
Part numbers
Specifications
Type
Function
Connections
831800
High
-current 83180
I (changeover)
X1A* -
X1S*
- X2A* -
X2S*
- X3A* -
X3S*
-
FB0
-
FG0
-
CD0**
-
CB0**
-
CG0**
Electrical characteristics
Rating nominal / 250 VAC (A)
10
Rating thermal / 250 VAC (A)
12,5
Mechanical characteristics
Maximum operating force (N)
3,4
Min. Release force (N)
1
Maximum total travel force (N)
5
Max. permitted overtravel force (N)
10
Maximum rest position (mm)
9,3
Operating position (mm)
8,4
±
0,3
Maximum differential travel (mm)
0,1
Min. overtravel (mm)
0,6
Ambient operating temperature for blade version (°C)
-
40→+125
Ambient operating temperature for wires/cable version (°
C)
-
40→+105
Mechanical life (operations)
106
Contact gap (mm)
0,4
Weight (g) (tags version)
2
Comments
* Type 83180 available on request
** Cable version for types 83181, 83183 and 83186
Additional specifications
Components
Material
- Case : polyester UL 94VO
- Button : polyester
-
Membrane : silicon
- Contacts : AgCdO or AgSnO2
gold
-
plated AgNi (dual
-current)
-
Terminals : silver
-plated, tinned brass
-
Cable/Lead : PVC
Levers
- Flat : stainless steel
-
Roller : stainless steel, polyamide roller
Principles
Unless otherwise specified, the characteristics given are applicable to all or part of the product range selected
10/04/2014 www.crouzet.com

Fixed by 2 M2 screws Torque with screw only : 0.2 Nm, with screw + washer : 0.3 Nm
Dimensions (mm)
Product
Symmetrical version
types 83180 / 181 / 183 / 186
N
o
Legend
OL = 7.6 max.
Dimensions (mm)
Product
Asymmetrical version
types 83180 / 181 / 183 / 186
Dimensions (mm)
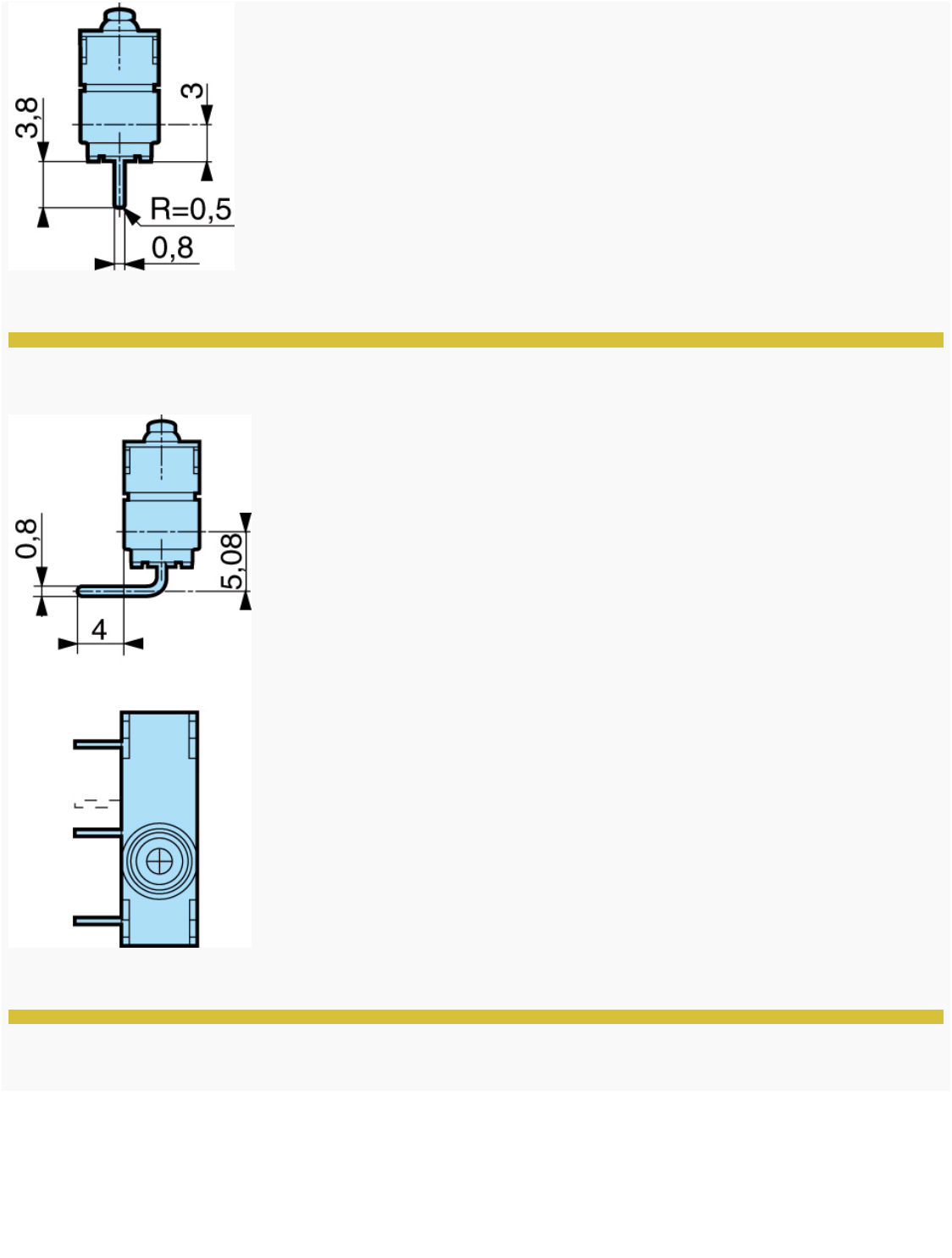
Connections
W2S
Solder
Unless otherwise specified, the characteristics given are applicable to all or part of the product range selected
10/04/2014 www.crouzet.com

Fixed by 2 M2 screws Torque with screw only : 0.2 Nm, with screw + washer : 0.3 Nm
Dimensions (mm)
Connections
W7S
Faston 2.8 x 0.5
Unless otherwise specified, the characteristics given are applicable to all or part of the product range selected
10/04/2014 www.crouzet.com

Fixed by 2 M2 screws Torque with screw only : 0.2 Nm, with screw + washer : 0.3 Nm
Fixed by 2 M2 screws Torque with screw only : 0.2 Nm, with screw + washer : 0.3 Nm
Dimensions (mm)
Connections
X1A
Straight PCB output
Dimensions (mm)
Connections
X1S
Straight PCB output
Unless otherwise specified, the characteristics given are applicable to all or part of the product range selected
10/04/2014 www.crouzet.com

Fixed by 2 M2 screws Torque with screw only : 0.2 Nm, with screw + washer : 0.3 Nm
Fixed by 2 M2 screws Torque with screw only : 0.2 Nm, with screw + washer : 0.3 Nm
Dimensions (mm)
Connections
X2A -
X2S
Side outputs, PCB rear
Dimensions (mm)
Connections
X3A -
X3S
Side outputs, PCB front
Unless otherwise specified, the characteristics given are applicable to all or part of the product range selected
10/04/2014 www.crouzet.com

Fixed by 2 M2 screws Torque with screw only : 0.2 Nm, with screw + washer : 0.3 Nm
Fixed by 2 M2 screws Torque with screw only : 0.2 Nm, with screw + washer : 0.3 Nm
Dimensions (mm)
Drilling
Printed circuit board mounting
Asymmetrical
X1A, X2A, X3A
N
o
Legend
1.C
4.NO
2.NC
Dimensions (mm)
Drilling
Printed circuit board mounting
Symmetrical
X1S, X2S, X3S
Unless otherwise specified, the characteristics given are applicable to all or part of the product range selected
10/04/2014 www.crouzet.com

Fixed by 2 M2 screws Torque with screw only : 0.2 Nm, with screw + washer : 0.3 Nm
Fixed by 2 M2 screws Torque with screw only : 0.2 Nm, with screw + washer : 0.3 Nm
Fixed by 2 M2 screws Torque with screw only : 0.2 Nm, with screw + washer : 0.3 Nm
N
o
Legend
1.C
4.NO
2.NC
Dimensions (mm)
Drilling
Mounting on a printed circuit board with fixing pins
Asymmetrical
Dimensions (mm)
Drilling
Mounting on a printed circuit board with fixing pins
Symmetrical
Unless otherwise specified, the characteristics given are applicable to all or part of the product range selected
10/04/2014 www.crouzet.com

Black = Common
Grey = NC
Blue = NO
Conductor cross-section :
83181 / 83183 / 83186 = 0.5 mm2
83180 = 0.75 mm2
Black = Common
Grey = NC
Blue = NO
Conductor cross-section :
83181 / 83183 / 83186 = 0.5 mm2
83180 = 0.75 mm2
Dimensions (mm)
Connections
Lead outputs
FG0 lead output on left - FD0 lead output on right
N
o
Legend
FG0
FD0
Standard 500 mm
Dimensions (mm)
Connections
Lead/cable output
CB0 cable output on bottom
N
o
Legend
Standard 500 mm
Dimensions (mm)
Connections
Cable outputs
CG0 cable output on left - CD0 cable output on right
Unless otherwise specified, the characteristics given are applicable to all or part of the product range selected
10/04/2014 www.crouzet.com

Black = Common
Grey = NC
Blue = NO
Conductor cross-section :
83181 / 83183 / 83186 = 3 x 0.5 mm2
Black = Common
Grey = NC
Blue = NO
Conductor cross-section :
83181 / 83183 / 83186 = 3 x 0.5 mm2
N
o
Legend
CG0
CD0
Standard 500 mm
Dimensions (mm)
Actuator mounting positions
Fixing position
Dimensions (mm)
Actuators
170 A
Flat
Unless otherwise specified, the characteristics given are applicable to all or part of the product range selected
10/04/2014 www.crouzet.com

Black = Common
Grey = NC
Blue = NO
Conductor cross-section :
83181 / 83183 / 83186 = 3 x 0.5 mm2
Black = Common
Grey = NC
Blue = NO
Conductor cross-section :
83181 / 83183 / 83186 = 3 x 0.5 mm2
Dimensions (mm)
Actuators
170 E
Roller
Dimensions (mm)
Actuators
170 F
Dummy roller
Unless otherwise specified, the characteristics given are applicable to all or part of the product range selected
10/04/2014 www.crouzet.com

Black = Common
Grey = NC
Blue = NO
Conductor cross-section :
83181 / 83183 / 83186 = 3 x 0.5 mm2
Dimensions (mm)
Actuators
Recommendations for operation from the side
Unless otherwise specified, the characteristics given are applicable to all or part of the product range selected
10/04/2014 www.crouzet.com

Black = Common
Grey = NC
Blue = NO
Conductor cross-section :
83181 / 83183 / 83186 = 3 x 0.5 mm2
Black = Common
Grey = NC
Blue = NO
Conductor cross-section :
83181 / 83183 / 83186 = 3 x 0.5 mm2
Dimensions (mm)
Mounting accessories
Fixing pins
N
o
Legend
X2 output
Unless otherwise specified, the characteristics given are applicable to all or part of the product range selected
10/04/2014 www.crouzet.com

Black = Common
Grey = NC
Blue = NO
Conductor cross-section :
83181 / 83183 / 83186 = 3 x 0.5 mm2
Model 83181 is designed to operate equally well on dual-
current (1 mA 4 V minimum) or medium
-current (6 A maximum) circuits. However, a given product should only be used to switch one type
of circuit during its working life.
Dimensions (mm)
Mounting accessories
Fixing pins
N
o
Legend
X3 output
Curves
Operating curve 250 VAC
N
o
Legend
Number of cycles
Resistive circuit
Current in Amps
Curves
Switch rating with DC supply
Unless otherwise specified, the characteristics given are applicable to all or part of the product range selected
10/04/2014 www.crouzet.com

Model 83181 is designed to operate equally well on dual-
current (1 mA 4 V minimum) or medium
-current (6 A maximum) circuits. However, a given product should only be used to switch one type
of circuit during its working life.
Connections
Actuators and fixing positions
Other information
Mounting - Operation
See basic technical concepts
Degree of protection
- Tag version :
→casing=IP67
→terminals=IP00
- Lead/cable version :
→output/casing=IP67
To calculate force : divide the switch force by the coefficient in the table.
To calculate travel : multiply the switch travel by the same coefficient.
Product adaptations
Special levers
Specific fixings
Special leads, cables, cable harnesses
NF
-
UL
- cUL approvals
Unless otherwise specified, the characteristics given are applicable to all or part of the product range selected
10/04/2014 www.crouzet.com