Crown Audio 1160Ma Users Manual
180MA 280MA to the manual b345a613-ad87-b284-d945-f3ecadd73a9b
2015-02-05
: Crown-Audio Crown-Audio-1160Ma-Users-Manual-529980 crown-audio-1160ma-users-manual-529980 crown-audio pdf
Open the PDF directly: View PDF
.
Page Count: 24

Operation Manual
180MA
Obtaining Other Language Versions:
To obtain information in another language about the use of this product, please contact your
local Crown Distributor. If you need assistance locating your local distributor, please contact Crown at 574-294-8000.
This manual does not include all of the details of design, production, or variations of the equipment. Nor does it cover every possible
situation which may arise during installation, operation or maintenance.
The information provided in this manual was deemed accurate as of the publication date. However, updates to this information may have
occurred. To obtain the latest version of this manual, please visit the Crown website at www.crownaudio.com.
Trademark Notice:
Crown, Crown Audio and Amcron are registered trademarks of Crown International. Other trademarks are the
property of their respective owners.
Some models may be exported under the name Amcron.®
©2007 by Crown Audio® Inc., 1718 W. Mishawaka Rd., Elkhart, Indiana 46517-9439 U.S.A. Telephone: 574-294-8200
137783-7D
12/07
Commercial Audio Series
280MA
1160MA

Commercial Audio Series Mixer-Amplifiers
page 2 Operation Manual
Important Safety Instructions
FCC COMPLIANCE NOTICE
This device complies with part 15 of the FCC rules. Operation is subject to the following
two conditions: (1) This device may not cause harmful interference, and (2) this device
must accept any interference received, including interference that may cause undesired
operation.
CAUTION: Changes or modifications not expressly approved by the party responsible for
compliance could void the user’s authority to operate the equipment.
NOTE: This equipment has been tested and found to comply with the limits for a Class B
digital device, pursuant to part 15 of the FCC Rules. These limits are designed to provide
reasonable protection against harmful interference in a residential installation. This
equipment generates, uses, and can radiate radio frequency energy and, if not installed
and used in accordance with the instruction manual, may cause harmful interference to
radio communications. However, there is no guarantee that interference will not occur in a
particular installation. If this equipment does cause harmful interference to radio or televi-
sion reception, which can be determined by turning the equipment off and on, the user is
encouraged to try to correct the interference by one or more of the following measures:
• Reorient or relocate the receiving antenna.
• Increase the separation between the equipment and receiver.
• Connect the equipment into an outlet on a circuit different from that to which the
receiver is connected.
• Consult the dealer or an experienced radio/TV technician for help.
1) Read these instructions.
2) Keep these instructions.
3) Heed all warnings.
4) Follow all instructions.
5) Do not use this apparatus near water.
6) Clean only with a dry cloth.
7) Do not block any ventilation openings. Install
in accordance with the manufacturer’s instruc-
tions.
8) Do not install near any heat sources such as
radiators, heat registers, stoves, or other
apparatus (including amplifiers) that produce
heat.
9) Do not defeat the safety purpose of the polar-
ized or grounding-type plug. A polarized plug
has two blades with one wider than the other.
A grounding-type plug has two blades and a
third grounding prong. The wide blade or the
third prong is provided for your safety. If the
provided plug does not fit into your outlet,
consult an electrician for replacement of the
obsolete outlet.
10) Protect the power cord from being walked on
or pinched, particularly at plugs, convenience
receptacles, and the point where they exit from
the apparatus.
11) Only use attachments/accessories specified
by the manufacturer.
12) Use only with a cart, stand, tripod, bracket, or
table specified by the manufacturer, or sold
with the apparatus. When a cart is used, use
caution when moving the cart/apparatus com-
bination to avoid injury from tip-over.
13) Unplug this apparatus during lightning storms
or when unused for long periods of time.
14) Refer all servicing to qualified service person-
nel. Servicing is required when the apparatus
has been damaged in any way, such as power-
supply cord or plug is damaged, liquid has
been spilled or objects have fallen into the
apparatus, the apparatus has been exposed to
rain or moisture, does not operate normally,
or has been dropped.
15) WARNING: TO REDUCE THE RISK OF FIRE
OR ELECTRIC SHOCK, DO NOT EXPOSE
THIS APPARATUS TO RAIN OR MOISTURE.
16) DO NOT EXPOSE TO DRIPPING OR SPLASH-
ING. DO NOT PLACE OBJECTS FILLED WITH
LIQUID, SUCH AS VASES,ON THIS APPARA-
TUS.
TO PREVENT ELECTRIC SHOCK DO NOT REMOVE
TOP OR BOTTOM COVERS. NO USER SERVICE-
ABLE PARTS INSIDE. REFER SERVICING TO
QUALIFIED SERVICE PERSONNEL.
À PRÉVENIR LE CHOC ÉLECTRIQUE N’ENLEVEZ
PAS LES COUVERCLES. IL N’Y A PAS DES PAR-
TIES SERVICEABLE À L’INTÉRIEUR. TOUS REPA-
RATIONS DOIT ETRE FAIRE PAR PERSONNEL
QUALIFIÉ SEULMENT.
TO COMPLETELY DISCONNECT THIS EQUIPMENT
FROM THE AC MAINS, DISCONNECT THE POWER
SUPPLY CORD PLUG FROM THE AC RECEPTA-
CLE. THE MAINS PLUG OF THE POWER SUPPLY
CORD SHALL REMAIN READILY OPERABLE.
WATCH FOR THESE SYMBOLS:
The lightning bolt triangle is used to alert the user
to the risk of electric shock.
The exclamation point triangle is used to alert the
user to important operating or maintenance instruc-
tions.
IMPORTANT
Commercial Audio Series mixer-amplifiers require
Class 2 output wiring.
MAGNETIC FIELD
CAUTION! Do not locate sensitive high-gain equip-
ment such as preamplifiers or tape decks directly
above or below the unit. Because this amplifier has
a high power density, it has a strong magnetic field
which can induce hum into unshielded devices that
are located nearby. The field is strongest just above
and below the unit.
If an equipment rack is used, we recommend locat-
ing the amplifier(s) in the bottom of the rack and the
preamplifier or other sensitive equipment at the top.

Commercial Audio Series Mixer-Amplifiers
page 3
Operation Manual
DECLARATION of CONFORMITY
Crown International, Inc.
Sue Whitfield
574-294-8289
swhitfield@crownintl.com
European Representative’s Name and Address:
Nick Owen
35, Bassets Field
Thornhill
Cardiff. South Glamorgen
CF14 9UG United Kingdom
Equipment Type: Commercial Audio Mixer-Amplifiers
Family Name: Mixer-Amplifiers
Model Names: 180MA, 280MA, 1160MA
EMC Standards:
EN 55103-1:1997 Electromagnetic Compatibility - Product Family Standard for Audio, Video, Audio-Visual and Entertainment Lighting Control Apparatus for Professional Use, Part 1: Emissions
EN 55103-1:1997 Magnetic Field Emissions-Annex A @ 10 cm and 1 M
EN 61000-3-2:2001 Limits for Harmonic Current Emissions (equipment input current 16A per phase)
EN 61000-3-3:2002 Limitation of Voltage Fluctuations and Flicker in Low-Voltage Supply Systems Rated Current 16A
EN 55022:2003 Limits and Methods of Measurement of Radio Disturbance Characteristics of ITE: Radiated, Class B Limits; Conducted, Class B
EN 55103-2:1997 Electromagnetic Compatibility - Product Family Standard for Audio, Video, Audio-Visual and Entertainment Lighting Control Apparatus for Professional Use, Part 2: Immunity
EN 61000-4-2:2001 Electrostatic Discharge Immunity (Environment E2-Criteria B, 4k V Contact, 8k V Air Discharge)
EN 61000-4-3:2001 Radiated, Radio-Frequency, Electromagnetic Immunity (Environment E2, Criteria A)
EN 61000-4-4:2001 Electrical Fast Transient/Burst Immunity (Criteria B)
EN 61000-4-5:2001 Surge Immunity (Criteria B)
EN 61000-4-6:2003 Immunity to Conducted Disturbances Induced by Radio-Frequency Fields (Criteria A)
EN 61000-4-11:2001 Voltage Dips, Short Interruptions and Voltage Variation
Safety Standard:
IEC 60065: 2002 7th Ed. Safety Requirements - Audio Video and Similar Electronic Apparatus
CAN/CSA-E60065-03 7th Ed. Audio, Video and Similar Electronic Apparatus-Safety Requirements
UL 60065 7th Ed. Audio /Video and Musical Instrument Apparatus for Household, Commercial and Similar General Use.
I certify that the product identified above conforms to the requirements of the EMC Council Directive 89/336/EEC as amended by 92/31/EEC,
and the Low Voltage Directive 73/23/EES as amended by 93/68/EEC.
Signed
Title: Senior Vice President of Manufacturing Date of Issue: Jan. 1, 2006
Issued By: Crown International, Inc.
1718 W. Mishawaka Road
Elkhart, Indiana 46517 U.S.A.
Due to line current harmonics, we recommend that you contact your supply authority before connection.
Larry Coburn
FOR COMPLIANCE QUESTIONS ONLY:

Commercial Audio Series Mixer-Amplifiers
page 4 Operation Manual
Important Safety Instructions .......................................................2
Declaration of Conformity ............................................................3
1 Welcome ................................................................................5
1.1 Features ...........................................................................5
1.2 Front Panel Controls and Indicators ................................6
1.3 Back Panel Controls and Connectors................................7
2 Setup ......................................................................................8
2.1 Installation........................................................................8
2.2 How to Attach Rack Ears...................................................8
2.3 Choose Input Wire and Connectors .................................9
2.4 Choose Output Wire and Connectors ...............................9
2.5 Wire Your System ............................................................10
2.6 Input Routing....................................................................11
2.7 Phantom Power ................................................................11
2.8 Priority Muting .................................................................11
2.9 Link In/Out Switches.........................................................11
2.10 Remote Volume Control..................................................12
2.11 Powering Up...................................................................12
2.12 Included Accessories......................................................12
2.13 Optional Accessories......................................................12
2.14 Block Diagram................................................................13
3 Troubleshooting .................................................................. 14
4 Specifications ..................................................................... 15
5 Service ... .............................................................................. 16
5.1 Worldwide Service .......................................................... 16
5.2 US and Canada Service .................................................. 16
5.2.1 Service at a US or Canada Service Center ............. 16
5.2.2 Factory Service ...................................................... 16
5.2.3 Factory Service Shipping Instructions ................... 16
5.2.4 Packing Instructions .............................................. 16
5.2.5 Estimate Approval................................................... 16
5.2.6 Payment of Non-Warranty Repairs.......................... 16
6 Warranty .............................................................................. 17
Warranty Registration.................................................................. 19
Crown Factory Service Information Form.....................................21
Table of Contents

Commercial Audio Series Mixer-Amplifiers
page 5
Operation Manual
1 Welcome
The Crown® 180MA, 280MA and 1160MA are
high-value mixer-amplifiers for commercial
and industrial audio. They provide 4-ohm and
constant-voltage outputs (70V and 100V). The
mixer-amps are part of Crown’s Commercial
Audio Series, which also includes mixers and
power amplifiers. These low-cost units provide
all necessary features in a simple building-
block format.
1.1 Features
• 4 to 8 inputs, 1 to 2 amplifier output chan-
nels
• Ideal for commercial and industrial use
• Expandable by adding Crown Commercial
Audio mixers or Commercial Audio power
amplifiers (when available)
• Balanced Phoenix-type mic/line inputs;
touch-proofed screw-terminal speaker outputs
• Independent Bass and Treble controls on
each input
• Any input can be sent to any output
• Priority muting
• Advanced protection system includes output
current limiting, DC protection, circuit breaker/
fuse, and thermal protection. Details available
online at www.crownaudio.com.
• Three-Year, No-Fault, Fully Transferable
Warranty completely protects your investment
and guarantees its specifications
1 kHz
Power
80W
Minimum guaranteed power
into 4 ohms or 70V/100V output
180MA
*1 kHz Power: refers to maximum power in watts at
1 kHz with 0.5% THD.
*
1 kHz
Power
160W
Minimum guaranteed power
into 4 ohms or 70V/100V output
1160MA
*1 kHz Power: refers to maximum power in watts at
1 kHz with 0.5% THD.
*
1 kHz
Power
80W
Minimum guaranteed power
per channel into 4 ohms or
70V/100V output
280MA
*1 kHz Power: refers to maximum power in watts at
1 kHz with 0.5% THD.
*

Commercial Audio Series Mixer-Amplifiers
page 6 Operation Manual
Figure 1.1 Front Panel Controls and Indicators
1 Welcome
1.2 Front Panel Controls and Indicators
A. Input Signal Presence Indicator
Green LED, one for each input channel, illuminates when
input signal exceeds –24 dBu (line) or –70 dBu (mic).
B. Input Volume Controls
Microphone/line, four in 180MA and 1160MA, eight in
280MA. Detented potentiometers with knobs.
C. Output Volume Controls
One per output channel. Detented potentiometer with
knob.
D. Output Signal Presence Indicator
Green LED, one for each output channel, illuminates
when output signal level exceeds 100 mV (45 dB below
full power) from the 4-ohm tap. Does not respond to sig-
nals from the AMP INPUT connector.
E. Clip Indicator
Red LED, one per output channel, illuminates at thresh-
old of audible distortion. Does not respond to signals
from the AMP INPUT connector.
F. Power Indicator
Blue LED indicates power on.
G, H. Tone Controls
Bass and Treble non-detented potentiometers on each
input channel. Bass ±10 dB at 100 Hz, Treble ±10 dB at
10 kHz.
I. Power Switch
Pushbutton on-off switch. The power switch does not
affect the 24V DC auxiliary power input (letter “K” on
next page).

Commercial Audio Series Mixer-Amplifiers
page 7
Operation Manual
1 Welcome
Figure 1.2 Back Panel Controls and Connectors
(280MA shown)
M. Amp Config Switch
A DIP switch with two functions:
1. Assigns one of the inputs as the priority input for each
output, thereby temporarily muting the remaining inputs.
Muting is activated by contact closure.
2. Global enable switch for phantom power. Does not affect
RCA inputs. Default position is off.
N. Input Routing Switch (280MA only)
DIP switches that assign each input signal to each output.
Two switches per input.
O. Link In/Out Switch
Slide switch, one per channel. With the Link Switch IN, any
signal applied to the Amp Input connector will be mixed
with the input signal(s). With the Link Switch OUT, only the
signal from the Amp Input Connector will appear at the
amplifier output.
The tone generator has been omitted. Call Crown Tech Sup-
port if you have a tone generator question.
P. Mic/Line Input Connector
3-pin Phoenix-type, balanced, one per input channel.
Q. Mic/line Switch
Selects mic-level or line-level input signals. One switch for
each balanced input.
R. Dual RCA Input Connector
For stereo music signals, unbalanced, summed together,
two connectors per input channel. If required, both the mic/
line and RCA inputs may be used at the same time. The mic/
line gain switch does not affect the RCA gain, which is fixed
relative to mic/line. The mic/line and RCA signals are
mixed. Note: Other equipment connected to the RCA jacks
should be connected to the same AC power source as the
mixer-amp to avoid hum.
S. AC Power Inlet
Detachable IEC.
T. Priority Connector
3-pin Phoenix-type connector allows Input 1 or Input 5
(280MA only) to mute other input signals by contact clo-
sure.
U. Output VCA Connector
4-pin Phoenix-type connector for one (180MA) or two
(280MA) VCA control lines of +10 VDC and ground. Com-
patible with Crown 1-VCAP and 4-VCAP modules.
V. Amp Input Connector
3-pin Phoenix-type, high-impedance balanced, one per
amplifier channel. Used to link an additional mixer to the
mixer-amplifier. Or used to connect an external processor
(see Section 2.9).
W. Line Out Connector
One 3-pin balanced Phoenix-type connector per output
channel. Post master, pre-VCA. Level controlled by master
volume control.
1.3 Back Panel Controls and Connectors
J. Reset Switch
Resets the circuit breaker that protects the power supply.
220/230/240V units have a fuse instead.
K. Auxiliary Power Input
2-position terminal strip for 24 VDC (±10%) backup power.
Accepts up to 10 AWG terminal forks. NOTE: To
prevent a spark when attaching a battery, have
unit turned on and connected to the mains supply.
L. Amplifier Outputs Connectors
One per channel, 4-position terminal strip with COM (Com-
mon), 4 ohms, 70V and 100V terminals. Accepts up to 14
AWG terminal forks. Non-touch cover included.
NO FUNCTION
S T

Commercial Audio Series Mixer-Amplifiers
page 8 Operation Manual
Figure 2.2 How to Connect Rack Ears
2 Setup
2.1 Installation
CAUTION: Before you begin, make sure your
mixer-amplifier is disconnected from the
power source, with the power switch in the
“off” position and all level controls turned
completely down (counterclockwise).
Use a standard 19-inch (48.3 cm) equipment rack
(EIA RS-310B). See Figure 2.1 for amplifier dimen-
sions.
You may also stack mixer-amps without using a
cabinet, or you may place a single mixer-amp on a
surface with 12 inches of air space around the unit
for convection cooling.
NOTE: When transporting in a rack, mixer-amps
should be supported at the front and back.
When using an equipment rack, do not mount units
directly on top of each other. Allow 2 U between
units for convection cooling. The side walls of the
rack should be a minimum of two inches (5.1 cm)
away from the amplifier sides, and the back of the
rack should be a minimum of four inches (10.2 cm)
from the amplifier back panel.
Figure 2.1 Dimensions
17.3 In.
43.8 cm
13.9 In.
35.2 cm
4.1 In.
10.5 cm
3.5 In.
8.9 cm
12.2 In.
31.0 cm
2.2 How to Attach Rack Ears
1. Locate the two rack ears and two rack-ear screws
supplied.
2. See Figure 2.2. Remove the two screws from each
side of the chassis near the front.
3. Place a rack ear flush with the right front of the
chassis.
4. Insert a screw that you removed into the bottom
hole of the rack ear and chassis. Screw it in.
5. Insert a screw that you removed into the center
hole of the rack ear and chassis. Screw it in.
6. Insert one of the supplied screws into the top hole
of the rack ear and chassis. Screw it in.
7. Repeat steps 3-6 for the left side of the chassis.

Commercial Audio Series Mixer-Amplifiers
page 9
Operation Manual
MIXER-AMP INPUT
MIXER-AMP INPUT
2.3 Choose Input Wire and Connectors
Crown recommends using pre-built or professionally wired bal-
anced line (two-conductor plus shield), 22-24 gauge cables and
connectors. You should use 3-pin Phoenix-type cable ends at the
amplifier inputs. Unbalanced line may also be used but may
result in noise over long cable runs.
Figure 2.3 shows connector pin assignments for balanced wir-
ing, and Figure 2.4 shows connector pin assignments for unbal-
anced wiring. The RCA input connectors can also be used for
unbalanced inputs.
Figure 2.3 Balanced Input
Connector Wiring
Figure 2.4 Unbalanced Input
Connector Wiring
2 Setup
2.4 Choose Output Wire and Connectors
For the amplifier output connectors, Crown recommends using
pre-built or professionally wired, high-quality, two-conductor,
heavy gauge speaker wire and connectors. You may use crimp-
on spade lugs for your output connectors (Figure 2.5). To prevent
the possibility of short-circuits, wrap or otherwise insulate
exposed loudspeaker cable connectors. Cover the output con-
nections with the supplied non-touch cover.
Using the guidelines below, select the appropriate size of wire
based on the distance from amplifier to speaker. The wire sizes
apply to the 4-ohm tap.
Distance Wire Size
up to 25 ft. 16 AWG
26-40 ft. 14 AWG
41-60 ft. 12 AWG
61-100 ft. 10 AWG
101-150 ft. 8 AWG
151-250 ft. 6 AWG
NOTE: Custom wiring should only be performed by
qualified personnel. Class 2 wiring is required.
CAUTION: Never use shielded cable for output power
wiring.
Use 2-conductor shielded cable and 3-pin Phoenix-type
connectors for Line Output wiring (Figure 2.6)
Figure 2.5 Two Amplifier Output Connectors on
280MA Back Panel
(One Connector in 180MA and 1160MA)
Figure 2.6 Line Out Wiring.
Top: Balanced. Bottom: Unbalanced.
S
S
BALANCED LINE
TO DESTINATION
UNGROUNDED
PRODUCT WITH
2-PRONG POWER
CORD ONLY
TO DESTINATION
UNBALANCED LINE
OUTPUT
OUTPUT
SHIELD
SHIELD
(This connection reduces
the signal level by 6 dB.)

Commercial Audio Series Mixer-Amplifiers
page 10 Operation Manual
2.5 Wire Your System
Typical input and output wiring is shown in Figure 2.7
INPUTS: Connect microphones or balanced line-level
sources to mixer-amplifier balanced inputs. Set Mic/Line
switches accordingly. Connect unbalanced line-level sig-
nals to RCA input connectors.
OUTPUTS: Maintain proper polarity (+/–) on output con-
nectors.
For each amplifier channel, connect the Amplifier Output
screw terminals to the loudspeaker loads. Use terminals
marked COM and 4 OHMS for a 4-ohm loudspeaker load,
or use terminals marked COM and 70V or 100V for con-
stant-voltage loudspeaker loads.
Connect the COM terminal to speaker negative (–) lead;
connect one of the other terminals to speaker positive (+)
lead.
For more application drawings, see the enclosed
Commercial Audio Mixer-Amplifier Quick-Start Guide.
NOTE: Crown provides a reference of wiring pin assign-
ments for commonly used connector types in the Crown
Amplifier Application Guide available at www.crownaudio.
2 Setup
Figure 2.7 Input and Output Wiring
Satellite Receiver
Dual Drive CD
DVD / VCR
1-VCAP
LM-201
LM-301A
Ceiling Speakers
PZM-11LLWR
CD

Commercial Audio Series Mixer-Amplifiers
page 11
Operation Manual
One DIP-switch selection enables Channel 1 as the priority input, which
mutes all other inputs to Amp 1. In the 280MA only, another DIP switch
selection enables Channel 5 as the priority input, which mutes all other
inputs to Amp 2. In the 280MA only, another set of DIP switches enable
Channel 1 as the priority input into both Amp 1 and Amp 2, effectively
muting any input.
To set the mixer-amplifier for normal mode with no priority:
Set the AMP CONFIG DIP switch as follows:
1 ON
2 OFF
3 OFF
4 OFF
5 ON
6 OFF
To give priority to the Channel-1 input in Amp 1 only:
Set the AMP CONFIG DIP switch as follows:
1 OFF
2 ON
3 OFF
4 OFF
Also, wire a SPST switch to the PRIORITY connector between COM and
CH 1 AMP 1. Close the switch when you want the Channel-1 input to
mute all other inputs feeding Amp 1.
To give priority to the Channel-5 input in Amp 2 only:
Set the AMP CONFIG DIP switch as follows:
5 OFF
6 ON
Also, wire a SPST switch to the PRIORITY connector between COM and
CH 5 AMP 2. Close the switch when you want the Channel-5 input to
mute all other inputs feeding Amp 2.
2.6 Input Routing
In the 280MA, any input can be assigned to Amp 1, Amp 2 or both. The
two DIP switches labeled INPUT ROUTING are used (Figure 2.8). Follow
the settings printed on the back panel next to the INPUT ROUTING switch.
For example, to send input Channel 3 to Amp 1 and Amp 2, turn on DIP
switches 13 and 14.
2.7 Phantom Power
To turn on phantom power on all mic inputs, turn on the switch number 7
in the AMP CONFIG DIP switch.
2.8 Priority Muting
A back-panel AMP CONFIG DIP switch (Figure 2.9) can assign Input Ch.
1 or Input Ch. 5 as the priority input for each amplifier output, which tem-
porarily mutes the remaining inputs. Muting is activated by contact clo-
sures.
For example, suppose you configured Channel 1 as the priority input. Mic
1 is plugged into Channel 1. A press-to-talk switch in Mic 1 is wired to
the Priority connector in the mixer-amplifier. When you press the mic
switch, all other signals are muted so you can make an announcement on
Mic 1.
Figure 2.8 Input Routing DIP Switches
Figure 2.9 AMP CONFIG DIP Switch
To give priority to the Channel-1 input in Amp 1 and Amp 2:
Set the AMP CONFIG DIP switch as follows:
1 OFF
2 ON
3 ON
4 ON
Also, wire a SPST switch to the PRIORITY connector between COM and
CH1 AMP 1. Close the switch when you want the Channel-1 input to
mute all other inputs feeding Amp 1 and Amp 2.
Note: The routing configuration is extremely versatile. Many configura-
tions for additional applications not highlighted in this document can be
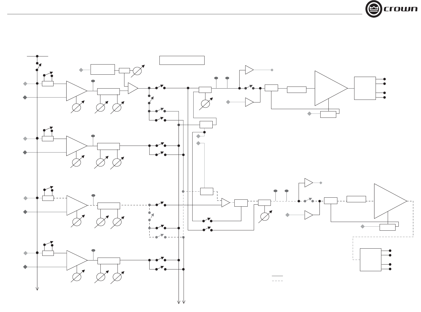
created by examining the signal flow in the block diagram on page 13.
2.9 Link In/Out Switches
These switches (Figure 2.10) affect which signals are heard when another
mixer is wired to the mixer-amplifier. One switch is included per amplifier
channel.
IN: Any signal applied to the AMP INPUT connector will be mixed with
the input signal(s).
OUT: Only the signal from the AMP INPUT connector will appear at the
amplifier output.
How to link another mixer to your mixer-amplifier:
Connect the extra mixer’s LINE OUT connector to the mixer-amplifier’s
AMP INPUT connector. Set the Link switch to IN.
How to set up Music-On-Hold output:
Connect mixer-amp LINE OUT to Music-On-Hold input on telephone
system interface/PBX. Set the LINK SWITCH to IN.
How to set up a processing loop:
Connect mixer-amp LINE OUT to processor input. Connect processor
output to mixer-amp AMP INPUT connector. Set the Link switch to OUT.
Figure 2.10
Link In/Out Switches

Commercial Audio Series Mixer-Amplifiers
page 12 Operation Manual
2 Setup
2.11 Powering Up
1. Turn off any equipment connected to the Line Out connectors.
2. Plug the amplifier’s power cord into a 3-wire grounded AC outlet.
3. Turn down the input volume controls.
4. Turn down the master volume control.
5. Turn on the Power switch. The Power indicator should glow.
6. Turn the input volume controls in use about 3/4 up.
7. Turn up the master volume control(s) until the desired loudness or
power level is achieved.
8. Touch up the input levels as needed for equal loudness from each
microphone.
9. Turn on any equipment connected to the Line Out connectors.
If you ever need to make any wiring or installation changes, disconnect the
power cord.
2.12 Included Accessories
Power cord
Detachable rack ears
Screws for rack ears
Non-touch cover for output connectors
Phoenix-type connectors
Spade lugs
2.13 Optional Accessories
1-VCAP remote volume control for one channel
4-VCAP remote volume control for four channels
Figure 2.11 Wiring a 1-VCAP or 4-VCAP
Level Control to the Output VCA Connector
2.10 Remote Volume Control
You can control the volume of each amplifier channel remotely. To do so,
locate the OUTPUT VCA connector on the back panel. Insert a 4-pin Phoe-
nix-type cable connector into the OUTPUT VCA connector. Wire a Crown
1-VCAP or 4-VCAP level control to the Phoenix-type cable connector ter-
minals as shown in Figure 2.11.
1-VCAP controls one channel; 4-VCAP controls up to four channels.
Phoenix-type
plug
Output VCA Connector
Output VCA Connector

Commercial Audio Series Mixer-Amplifiers
page 13
Operation Manual
2 Setup
Output
Transformer
Power
AMP 1
Ch 1 Priority
[SW2]
CH 1 Tone Control
Master 1
AMP Out 1
Clip 1
Preamp Line Out 1
Mute
Scaling
Bass Trebl e
Gain 1
SP I
Input Gain
Mic/Line
[Bal]
RCA
280MA Block Diagram
Line
Mi c
Pre-Announce
Chim e
Ch 1 Normal
[SW1] Ch 1 to Amp 1
[SW9]
Ch 1 to Amp 2
[SW10]
VC A
Pre-Announce Gain
Phantom Powe
r
VCA HP Filter
SPI 1
100V
70V
4 Ohms
COM
CH 2 Tone Control
Bass Trebl e
Gain 2
SP I
RCA
Line
Mi c
Ch 2 to Amp 1
[SW11]
Ch 2 to Amp 2
[SW12]
Mic/Line
[Bal]
Input Gain
Ch 5 Priority
[SW6]
CH 5 Tone Control
Bass Trebl e
Gain 5
SP I
Input Gain
Mic/Line
[Bal]
RCA
Line
Mi c
Ch 5 Normal
[SW5] Ch 5 to Amp 1
[SW17]
Ch 5 to Amp 2
[SW18]
CH 6 Tone Control
Bass Trebl e
Gain 6
SP I
RCA
Line
Mi c
Ch 6 to Amp 1
[SW19]
Ch 6 to Amp 2
[SW20]
Mic/Line
[Bal]
Input Gain
Ch 3 and Ch 4 similar to Ch 2
Ch 7 and Ch 8 similar to Ch 6
Ou t
In
Amp Input 1
Limiter
VCA 1
Ch 1 Amp 1
Mute
Ch 5 Amp 2
Mute
Output
Transformer
Power
AMP 2
Master 2
AMP Out 2
Clip 2
Pream p
Line Out 2
Scaling
VCA VC A HP Filter
SPI 2
100V
70V
4 Ohms
COM
Ou t
In
Amp Input 2
Limiter
VCA 2
Pre-Announce
Ch 1 Over Ch 5
[SW 4]
Ch 1 Over Ch 5
[SW 3]
Typical Signal Path, Amp 1
Typical Signal Path, Amp 2
Link
Priority
Link
Priority
Version 1.0
2.14 Block Diagram

Commercial Audio Series Mixer-Amplifiers
page 14 Operation Manual
CONDITION: No power to the
mixer-amplifier.
POSSIBLE REASON:
• The mixer-amplifier’s Power switch is off.
• The mixer-amplifier is not plugged into the
power receptacle.
• The mixer-amplifier’s high-voltage power sup-
ply circuit breaker has tripped, or the fuse has
opened on 220/230/240V models. Verify that
the AC mains voltage is correct, then press the
Reset button on the back panel.
• If the unit is operated from a 24V DC supply,
the internal fuse may have opened. (The power
switch has no effect on 24V operation.)
CONDITION: Distorted sound.
POSSIBLE REASON:
• Input signal level is too high. Turn down your
input volume controls. NOTE: Your mixer-
amplifier should never be operated at a level
which causes the Clip LEDS to illuminate con-
stantly.
• Master volume level is too high. Turn it down
to about 3/4 of maximum level.
CONDITION: No sound.
POSSIBLE REASON:
• The amplifier is in “fault” mode. A Fault status
can be triggered when one of the amplifier’s
protection circuits is activated. First disconnect
your speakers from the affected channel(s) one
by one to determine if one of the loads is
shorted. If an amplifier channel has a thermal
fault, there will be no indication on the front
panel, but the amp will recover after cooling. If
operation does not return to normal after
restarting your amp, check the fuse and replace
if necessary, or return mixer-amp to Crown or
an authorized Crown Service Center for servic-
ing.
3 Troubleshooting
• No input signal.
• Input signal level is very low.

Commercial Audio Series Mixer-Amplifiers
page 15
Operation Manual
4 Specifications
Minimum Guaranteed Power 180MA 280MA 1160MA
120 VAC, 60 Hz Units, per channel, all channels driven
1 kHz with 0.5% THD
Minimum guaranteed power per channel into 4 ohms or 70V/100V output 80W 80W 160W
Performance 180MA 280MA 1160MA
Number of input channels 4 8 4
Number of power amplifiers 1 2 1
Input Sensitivity (volts RMS) for full output at maximum gain
Balanced mic inputs
Balanced line inputs
RCA connectors
3 mV
800 mV
400 mV
3 mV
800 mV
400 mV
3 mV
800 mV
400 mV
Frequency Response (at 1 watt from 4-ohm tap, 70 Hz - 19 kHz) ± 1 dB ± 1 dB ± 1 dB
Frequency Response (at line out, 20 Hz to 20 kHz) ± 1 dB ± 1 dB ± 1 dB
Power Bandwidth (at 4-ohm tap, 2 dB below maximum 1 kHz power) 50 Hz to 20 kHz with < 0.5% THD 50 Hz to 20 kHz with < 0.5% THD 50 Hz to 20 kHz with < 0.5% THD
Signal to Noise Ratio (ref. to rated power, master volume at minimum) 85 dB 85 dB 85 dB
Total Harmonic Distortion (THD) at rated power at 1 kHz < 0.5% < 0.5% < 0.5%
DC Output Offset < ± 5 mV < ± 5 mV < ± 5 mV
Input Impedance (nominal) Mic: 400 ohms, Line: 100 kilohms,
RCA: 50 kilohms
Mic: 400 ohms, Line: 100 kilohms,
RCA: 50 kilohms
Mic: 400 ohms, Line: 100 kilohms,
RCA: 50 kilohms
Crosstalk (all controls at “10”) –70 dB at 1 kHz –70 dB at 1 kHz –70 dB at 1 kHz
Line Output Level (nominal) 1V into 10 kilohms 1V into 10 kilohms 1V into 10 kilohms
Phantom Power 15 VDC 15 VDC 15 VDC
AC Line Voltages Available 100V 50/60 Hz
120V 60 Hz
220V 50/60 Hz
230V 50/60 Hz
240V 50/60 Hz
100V 50/60 Hz
120V 60 Hz
220V 50/60 Hz
230V 50/60 Hz
240V 50/60 Hz
100V 50/60 Hz
120V 60 Hz
220V 50/60 Hz
230V 50/60 Hz
240V 50/60 Hz
Operating Temperature/Humidity 0
o
C to 40
o
C at 95% relative humidity
(non-condensing)
0
o
C to 40
o
C at 95% relative humidity
(non-condensing)
0
o
C to 40
o
C at 95% relative humidity
(non-condensing)
Storage Temperature –20
o
C to 85
o
C–20
o
C to 85
o
C–20
o
C to 85
o
C
Construction 180MA 280MA 1160MA
Cooling Convection cooled Convection cooled Convection cooled
Dimensions: Width, Height, Depth (behind mounting surface) EIA Standard 19" W (EIA RS-310-B)
x 3.5" (8.9 cm) H x14" (35.6cm) D
EIA Standard 19" W (EIA RS-310-B)
x 3.5" (8.9 cm) H x14" (35.6cm) D
EIA Standard 19" W (EIA RS-310-B)
x 3.5" (8.9 cm) H x14" (35.6cm) D
Net Weight, Shipping Weight 21.0 lb. (9.5 kg), 26.0 lb. (11.8 kg) 25.3 lb. (11.5 kg), 30.3 lb. (13.7 kg) 2 5 . 3 l b . ( 1 1 . 5 k g ) , 3 0 . 3 l b . ( 1 3 . 7 k g )

Commercial Audio Series Mixer-Amplifiers
page 16 Operation Manual
Crown amplifiers are quality units that rarely require ser-
vicing. Before returning your unit for servicing, please
contact Crown Technical Support to verify the need for
servicing.
This unit has very sophisticated circuitry which should
only be serviced by a fully trained technician. This is one
reason why each unit bears the following label:
CAUTION: To prevent electric shock, do not
remove covers. No user serviceable parts
inside. Refer servicing to a qualified technician.
Complete the Crown Audio Factory Service Information
form, in the back of this manual, when returning a Crown
product to the factory or authorized service center. The
form must be included with your product inside the box
or in a packing slip envelope securely attached to the
outside of the shipping carton. Do not send this form
separately.
Warranty is only valid within the country in which the
product is purchased.
5.1 Worldwide Service
Service may be obtained from an authorized service cen-
ter. (Contact your local Crown/Amcron representative or
our office for a list of authorized service centers.) To
obtain service, simply present the bill of sale as proof of
purchase along with the defective unit to an authorized
service center. They will handle the necessary paperwork
and repair.
Remember to transport your unit in the original factory
pack.
5.2 US and Canada Service
Service may be obtained in one of two ways: from an
authorized service center or from the factory. You may
choose either. It is important that you have your copy of
the bill of sale as your proof of purchase.
5.2.1 Service at a US or Canada Service
Center
This method usually saves the most time and effort. Sim-
ply present your bill of sale along with the defective unit
to an authorized service center to obtain service. They
will handle the necessary paperwork and repair. Remem-
ber to transport the unit in the original factory pack. A list
of authorized service centers in your area can be obtained
from Crown Factory Service, or online from
http://www.crownaudio.com/support/servcent.htm.
5.2.2 Factory Service
Crown accepts no responsibility for non-serviceable
product that is sent to us for factory repair. It is the
owner’s responsibility to ensure that their product is ser-
viceable prior to sending it to the factory. Serviceable
product list is available at
http://crownweb.crownintl.com/crownrma/.
For more information, please contact us direct.
A Service Return Authorization (SRA) is required for
product being sent to the factory for repair. An SRA can
be completed online at www.crownaudio.com/support/
factserv.htm. If you do not have access to the web, please
call Crown’s Customer Service at 574.294.8200 or
800.342.6939 extension 8205 in North America, Puerto
Rico and the Virgin Islands only.
For warranty service, we will pay for ground shipping
both ways in the United States. Contact Crown Customer
Service to obtain prepaid shipping labels prior to send-
ing the unit. Or, if you prefer, you may prepay the cost of
shipping, and Crown will reimburse you. Send copies of
the shipping receipts to Crown to receive reimbursement.
Your repaired unit will be returned via UPS ground.
Please contact us if other arrangements are required.
5.2.3 Factory Service Shipping Instruc-
tions:
1. Service Return Authorization (SRA) is required for
product being sent to the factory for service. Please
complete the SRA by going to www.crownau-
dio.com/support/factserv.htm. If you do not have
access to our website, call 1.800.342.6939, exten-
sion 8205 and we'll create the SRA for you.
2. See packing instructions that follow.
3. Ship product to:
CROWN AUDIO FACTORY SERVICE
1718 W MISHAWKA RD.
ELKHART, IN 46517
4. Use a bold black marker and write the SRA number
on three sides of the box.
5. Record the SRA number for future reference. The
SRA number can be used to check the repair status.
5.2.4 Packing Instructions
Important: These instructions must be followed. If they
are not followed, Crown Audio, Inc. assumes no respon-
sibility for damaged goods and/or accessories that are
sent with your unit.
1. Fill out and include the Crown Audio Factory Ser-
vice Information sheet in the back of this manual.
2. Do not ship any accessories (manuals, cords, hard-
ware, etc.) with your unit. These items are not
needed to service your product. We will not be
responsible for these items.
3. When shipping your Crown product, it is important
that it has adequate protection. We recommend you
use the original pack material when returning the
product for repair (Figure 9.1). If you do not have the
original box, please call Crown at 800.342.6939 or
574.294.8210 and order new pack material. (Do not
ship your unit in a wood or metal cabinet.)
4. If you provide your own shipping pack, the mini-
mum recommended requirements for materials are
as follows:
5 Service
5.2.5 Estimate Approval
Approval of estimate must be given within 30 days after
being notified by Crown Audio Inc. Units still in the pos-
session of Crown after 30 days of the estimate will
become the property of Crown Audio Inc.
5.2.6 Payment of Non-Warranty Repairs
Payment on out-of-warranty repairs must be received
within 30 days of the repair date. Units unclaimed after
30 days become the property of Crown Audio Inc.
If you have any questions, please contact Crown Factory
Service.
Crown Factory Service
1718 W. Mishawaka Rd.,
Elkhart, Indiana 46517 U.S.A.
Telephone:
574.294.8200
800.342.6939 (North America,
Puerto Rico, and Virgin Islands only)
Facsimile:
574.294.8301 (Technical Support)
574.294.8124 (Factory Service)
Internet:
http://www.crownaudio.com
a. 275 P.S.I. burst test, Double-Wall carton that
allows for 2-inch solid Styrofoam on all six
sides of unit or 3 inches of plastic bubble wrap
on all six sides of unit.
b. Securely seal the package with an adequate car-
ton sealing tape.
c. Do not use light boxes or “peanuts”. Damage
caused by poor packaging will not be covered
under warranty.
Enclose the completed Crown Audio Factory Service
Information form (or securely attach it to the outside of
carton) and re-seal the shipping pack with a sturdy carton
sealing tape.
Bag
Cardboard
support
Cardboard
support
Mixer-amp
Figure 9.1 Packing.
Put this assembly in carton.

Commercial Audio Series Mixer-Amplifiers
page 17
Operation Manual
6 Warranty
SUMMARY OF WARRANTY
Crown International, 1718 West Mishawaka Road,
Elkhart, Indiana 46517-4095 U.S.A. warrants to
you, the ORIGINAL PURCHASER and ANY SUB-
SEQUENT OWNER of each NEW Crown product,
for a period of three (3) years from the date of
purchase by the original purchaser (the “warranty
period”) that the new Crown product is free of
defects in materials and workmanship. We further
warrant the new Crown product regardless of the
reason for failure, except as excluded in this War-
ranty.
Warranty is only valid within the country in which
the product was purchased.
ITEMS EXCLUDED FROM THIS
CROWN WARRANTY
This Crown Warranty is in effect only for failure of
a new Crown product which occurred within the
Warranty Period. It does not cover any product
which has been damaged because of any inten-
tional misuse, accident, negligence, or loss which
is covered under any of your insurance contracts.
This Crown Warranty also does not extend to the
new Crown product if the serial number has been
defaced, altered, or removed.
WHAT THE WARRANTOR WILL DO
We will remedy any defect, regardless of the rea-
son for failure (except as excluded), by repair,
replacement, or refund. We may not elect refund
unless you agree, or unless we are unable to pro-
vide replacement, and repair is not practical or
cannot be timely made. If a refund is elected, then
you must make the defective or malfunctioning
product available to us free and clear of all liens
or other encumbrances. The refund will be equal
to the actual purchase price, not including inter-
est, insurance, closing costs, and other finance
charges less a reasonable depreciation on the
product from the date of original purchase. War-
ranty work can only be performed at our autho-
rized service centers or at the factory. Warranty
work for some products can only be performed at
our factory. We will remedy the defect and ship
the product from the service center or our factory
within a reasonable time after receipt of the defec-
tive product at our authorized service center or
our factory. All expenses in remedying the defect,
including surface shipping costs in the United
States, will be borne by us. (You must bear the
expense of shipping the product between any for-
eign country and the port of entry in the United
States including the return shipment, and all
taxes, duties, and other customs fees for such for-
eign shipments.)
HOW TO OBTAIN WARRANTY
SERVICE
You must notify us of your need for warranty ser-
vice within the warranty period. All components
must be shipped in a factory pack, which, if
needed, may be obtained from us free of charge.
Corrective action will be taken within a reason-
able time of the date of receipt of the defective
product by us or our authorized service center. If
the repairs made by us or our authorized service
center are not satisfactory, notify us or our autho-
rized service center immediately.
DISCLAIMER OF CONSEQUENTIAL
AND INCIDENTAL DAMAGES
YOU ARE NOT ENTITLED TO RECOVER FROM
US ANY INCIDENTAL DAMAGES RESULTING
FROM ANY DEFECT IN THE NEW CROWN
PRODUCT. THIS INCLUDES ANY DAMAGE TO
ANOTHER PRODUCT OR PRODUCTS RESULT-
ING FROM SUCH A DEFECT. SOME STATES DO
NOT ALLOW THE EXCLUSION OR LIMITATIONS
OF INCIDENTAL OR CONSEQUENTIAL DAM-
AGES, SO THE ABOVE LIMITATION OR EXCLU-
SION MAY NOT APPLY TO YOU.
WARRANTY ALTERATIONS
No person has the authority to enlarge, amend, or
modify this Crown Warranty. This Crown War-
ranty is not extended by the length of time which
you are deprived of the use of the new Crown
product. Repairs and replacement parts provided
under the terms of this Crown Warranty shall
carry only the unexpired portion of this Crown
Warranty.
DESIGN CHANGES
We reserve the right to change the design of any
product from time to time without notice and with
no obligation to make corresponding changes in
products previously manufactured.
LEGAL REMEDIES OF PURCHASER
THIS CROWN WARRANTY GIVES YOU SPECIFIC
LEGAL RIGHTS, YOU MAY ALSO HAVE OTHER
RIGHTS WHICH VARY FROM STATE TO STATE.
No action to enforce this Crown Warranty shall be
commenced after expiration of the warranty
period.
THIS STATEMENT OF WARRANTY SUPERSEDES
ANY OTHERS CONTAINED IN THIS MANUAL
FOR CROWN PRODUCTS. 9/07
UNITED STATES & CANADA

Commercial Audio Series Mixer-Amplifiers
page 18 Operation Manual
6 Warranty WORLDWIDE EXCEPT USA & CANADA
SUMMARY OF WARRANTY
Crown International, 1718 West Mishawaka Road,
Elkhart, Indiana 46517-4095 U.S.A. warrants to
you, the ORIGINAL PURCHASER and ANY SUB-
SEQUENT OWNER of each NEW Crown1 product,
for a period of three (3) years from the date of pur-
chase by the original purchaser (the “warranty
period”) that the new Crown product is free of
defects in materials and workmanship, and we
further warrant the new Crown product regardless
of the reason for failure, except as excluded in this
Warranty.
Warranty is only valid within the country in which
the product is purchased.
1 Note: If your unit bears the name “Amcron,” please substitute
it for the name “Crown” in this warranty.
ITEMS EXCLUDED FROM THIS CROWN-
WARRANTY
This Crown Warranty is in effect only for failure of
a new Crown product which occurred within the
Warranty Period. It does not cover any product
which has been damaged because of any inten-
tional misuse, accident, negligence, or loss which
is covered under any of your insurance contracts.
This Crown Warranty also does not extend to the
new Crown product if the serial number has been
defaced, altered, or removed.
WHAT THE WARRANTOR WILL DO
We will remedy any defect, regardless of the rea-
son for failure (except as excluded), by repair,
replacement, or refund. We may not elect refund
unless you agree, or unless we are unable to pro-
vide replacement, and repair is not practical or
cannot be timely made. If a refund is elected, then
you must make the defective or malfunctioning
product available to us free and clear of all liens
or other encumbrances. The refund will be equal
to the actual purchase price, not including inter-
est, insurance, closing costs, and other finance
charges less a reasonable depreciation on the
product from the date of original purchase. War-
ranty work can only be performed at our autho-
rized service centers. We will remedy the defect
and ship the product from the service center
within a reasonable time after receipt of the defec-
tive product at our authorized service center.
HOW TO OBTAIN WARRANTY SERVICE
You must notify your local Crown importer of
your need for warranty service within the warranty
period. All components must be shipped in the
original box. Corrective action will be taken within
a reasonable time of the date of receipt of the
defective product by our authorized service center.
If the repairs made by our authorized service cen-
ter are not satisfactory, notify our authorized ser-
vice center immediately.
DISCLAIMER OF CONSEQUENTIAL AND
INCIDENTAL DAMAGES
YOU ARE NOT ENTITLED TO RECOVER FROM US
ANY INCIDENTAL DAMAGES RESULTING FROM
ANY DEFECT IN THE NEW CROWN PRODUCT.
THIS INCLUDES ANY DAMAGE TO ANOTHER
PRODUCT OR PRODUCTS RESULTING FROM
SUCH A DEFECT.
WARRANTY ALTERATIONS
No person has the authority to enlarge, amend, or
modify this Crown Warranty. This Crown Warranty
is not extended by the length of time which you are
deprived of the use of the new Crown product.
Repairs and replacement parts provided under the
terms of this Crown Warranty shall carry only the
unexpired portion of this Crown Warranty.
DESIGN CHANGES
We reserve the right to change the design of any
product from time to time without notice and with
no obligation to make corresponding changes in
products previously manufactured.
LEGAL REMEDIES OF PURCHASER
No action to enforce this Crown Warranty shall be
commenced after expiration of the warranty
period.
THIS STATEMENT OF WARRANTY SUPERSEDES
ANY OTHERS CONTAINED IN THIS MANUAL FOR
CROWN PRODUCTS. 9/07

Commercial Audio Series Mixer-Amplifiers
page 19
Operation Manual
Online registration is also available at http://crownweb.crownintl.com/webregistration.
Warranty is only valid within the country in which the product is purchased.
When this form is used to register your product, it may be mailed or faxed.
Crown Audio, Inc. Fax: 574-294-8329
1718 W Mishawaka Rd
Elkhart IN 46517
Please note that some information is required. Incomplete registrations will not be processed. * Indicates required information.
OWNER'S INFORMATION - PLEASE PRINT
* First name: ______________________ Middle initial: _____ * Last name: ________________________________
Company: _________________________________________________________________________________
* Mailing address: ____________________________________________________________________________
* City: ____________________________* State: ___________________________* Zip Code: ________________
* Country: __________________________ E-mail address: ___________________________________________
* Phone # (include area code): ___________________________ Fax #: __________________________________
* MODEL * SERIAL # * PURCHASE DATE
e.g. IT8000, CDi1000, PCC160 e.g. 8000000000 mo/day/yr
________________________________ ____________________ ______ /_____ /_____
________________________________ ____________________ ______ /_____ /_____
________________________________ ____________________ ______ /_____ /_____
________________________________ ____________________ ______ /_____ /_____
Product purchased from: *(Business/Individual) ___________________________ Country: ________________________
Comments: ____________________________________________________________________________________
_____________________________________________________________________________________________
_____________________________________________________________________________________________
Crown Audio, Inc.
1718 W. Mishawaka Rd.
Elkhart, IN 46517-9439
Phone: 574-294-8000
Fax: 574-294-8329
www.crownaudio.com
PRODUCT REGISTRATION
PRODUCT INFORMATION
CUT ON THIS LINE

Commercial Audio Series Mixer-Amplifiers
page 20 Operation Manual
THIS PAGE INTENTIONALLY LEFT BLANK

Commercial Audio Series Mixer-Amplifiers
page 21
Operation Manual
Crown Audio Factory Service Information
Shipping Address: Crown Audio Factory Service, 1718 W. Mishawaka Rd., Elkhart, IN 46517
PLEASE PRINT CLEARLY
SRA #: __________________(If sending product to Crown factory service.) Model: _________________________________ Serial Number: _____________________ Purchase Date: ________________
PRODUCT RETURN INFORMATION
Individual or Business Name:
___________________________________________________________________________________________________________________________________________________________________________
Phone #: __________________________________________________ Fax #: ________________________________________ E-Mail:
_________________________________________________________
Street Address (please, no P.O. Boxes):
___________________________________________________________________________________________________________________________________________________________________________
City: __________________________________________ State/Prov: ________________________________ Postal Code: _________________ Country: _____________________
Nature of problem:
___________________________________________________________________________________________________________________________________________________________________________
___________________________________________________________________________________________________________________________________________________________________________
___________________________________________________________________________________________________________________________________________________________________________
Other equipment in your system:
___________________________________________________________________________________________________________________________________________________________________________
If warranty is expired, pleae provide method of payment. Proof of purchase may be required to validate warranty.
PAYMENT OPTIONS
I have open account payment terms. Purchase order required. PO#____________________________________________________ COD
Credit Card (Information below is required; however if you do not want to provide this information at this time, we will contact you for the information when your unit is repaired).
Credit card information:
Type of credit card: Master Card Visa American Express Discover
Type of credit card account: Personal/Consumer Business/Corporate
Card # ______________________________________________ Exp. date: _____________ * Card ID #: __________________________
* Card ID # is located on the back of the card following the credit card #, in the signature area. On American Express, it may be located on the front of the card. This number is required to process the charge to your account. If you do not want
to provide it at this time, we will call you to obtain this number when the repair of your unit is complete.
Name on credit card: ____________________________________________________________________________
Billing address of credit card: __________________________________________________________________________
__________________________________________________________________________
__________________________________________________________________________

Commercial Audio Series Mixer-Amplifiers
page 22 Operation Manual
THIS PAGE INTENTIONALLY LEFT BLANK

Commercial Audio Series Mixer-Amplifiers
page 23
Operation Manual
THIS PAGE INTENTIONALLY LEFT BLANK
