Crown Audio Ma 2402 Users Manual
MA-2402 to the manual 214a7a9e-8661-46cb-9ac6-f17e8fc4d2e5
2015-02-05
: Crown-Audio Crown-Audio-Ma-2402-Users-Manual-534237 crown-audio-ma-2402-users-manual-534237 crown-audio pdf
Open the PDF directly: View PDF
.
Page Count: 36

Operation Manual
Obtaining Other Language Versions:
To obtain information in another language about the use of this product, please contact your
local Crown Distributor. If you need assistance locating your local distributor, please contact Crown at 574-294-8000.
This manual does not include all of the details of design, production, or variations of the equipment. Nor does it cover every possible
situation which may arise during installation, operation or maintenance.
The information provided in this manual was deemed accurate as of the publication date. However, updates to this information may have
occurred. To obtain the latest version of this manual, please visit the Crown website at www.crownaudio.com.
Trademark Notice:
Crown, Crown Audio, Amcron, Macro-Tech and ODEP
are registered trademarks of Crown International. PIP and
Grounded Bridge are trademarks of Crown International. Other trademarks are the property of their respective owners.
Some models may be exported under the name Amcron.®
©2007 by Crown Audio®, Inc. 1718 W. Mishawaka Rd., Elkhart, Indiana 46517-9439 U.S.A. Telephone: 574-294-8000
127240-8
2/07
Macro-Tech 2402

Operation Manual
MA 2402 Power Amplifier
page 2
1) Read these instructions.
2) Keep these instructions.
3) Heed all warnings.
4) Follow all instructions.
5) Do not use this apparatus near water.
6) Clean only with a dry cloth.
7) Do not block any ventilation openings. Install in accordance
with the manufacturer’s instructions.
8) Do not install near any heat sources such as radiators, heat reg-
isters, stoves, or other apparatus (including amplifiers) that
produce heat.
9) Do not defeat the safety purpose of the polarized or grounding-
type plug. A polarized plug has two blades with one wider than
the other. A grounding-type plug has two blades and a third
grounding prong. The wide blade or the third prong is provided
for your safety. If the provided plug does not fit into your outlet,
consult an electrician for replacement of the obsolete outlet.
10) Protect the power cord from being walked on or pinched, par-
ticularly at plugs, convenience receptacles, and the point where
they exit from the apparatus.
11) Only use attachments/accessories specified by the manufac-
turer.
12) Use only with a cart, stand, tripod, bracket, or table specified by
the manufacturer, or sold with the apparatus. When a cart is
used, use caution when moving the cart/apparatus combination
to avoid injury from tip-over.
13) Unplug this apparatus during lightning storms or when unused
for long periods of time.
14) Refer all servicing to qualified service personnel. Servicing is
required when the apparatus has been damaged in any way,
such as power-supply cord or plug is damaged, liquid has been
spilled or objects have fallen into the apparatus, the apparatus
has been exposed to rain or moisture, does not operate nor-
mally, or has been dropped.
15) Use the mains plug to disconnect the apparatus from the mains.
16) WARNING: TO REDUCE THE RISK OF FIRE OR ELECTRIC
SHOCK, DO NOT EXPOSE THIS APPARATUS TO RAIN OR
MOISTURE.
17) DO NOT EXPOSE THIS EQUIPMENT TO DRIPPING OR
SPLASHING AND ENSURE THAT NO OBJECTS FILLED WITH
LIQUIDS, SUCH AS VASES, ARE PLACED ON THE EQUIP-
MENT.
18) THE MAINS PLUG OF THE POWER SUPPLY CORD SHALL
REMAIN READILY OPERABLE.
TO PREVENT ELECTRIC SHOCK DO NOT REMOVE TOP OR
BOTTOM COVERS. NO USER SERVICEABLE PARTS INSIDE.
REFER SERVICING TO QUALIFIED SERVICE PERSONNEL.
À PRÉVENIR LE CHOC ÉLECTRIQUE N’ENLEVEZ PAS LES
COUVERCLES. IL N’Y A PAS DES PARTIES SERVICEABLE À
L’INTÉRIEUR. TOUS REPARATIONS DOIT ETRE FAIRE PAR
PERSONNEL QUALIFIÉ SEULMENT.
PARA PREVENIR UN CHOQUE ELÉCTRICO, NO RETIRE LAS
CUBIERTAS SUPERIOR O INFERIOR. NO EXISTEN PARTES
QUE PUEDAN SER REPARADAS POR EL USUARIO AL INTE-
RIOR. REMITA EL SERVICICO AL PERSONAL TÉCHNICAL
CALIFICADO.
TO COMPLETELY DISCONNECT THIS EQUIPMENT FROM
THE AC MAINS, DISCONNECT THE POWER SUPPLY CORD
PLUG FROM THE AC RECEPTACLE. THE MAINS PLUG OF
THE POWER SUPPLY CORD SHALL REMAIN READILY
OPERABLE.
POUR DÉMONTER COMPLÈTEMENT L'ÉQUIPEMENT DE
L'ALIMENTATION GÉNÉRALE, DÉMONTER LE CÂBLE D'ALI-
MENTATION DE SON RÉCEPTACLE. LA PRISE D'ALIMEN-
TATION RESTERA AISÉMENT FONCTIONNELLE.
PARA DESCONECTAR COMPLETAMENTE EL EQUIPO DEL
SUMINSTRO ELECTRICO, DESCONECTE EL CABLE DE ALI-
MENTACION DE LA TOMA DE CA. LAS PATAS DEL CONEC-
TOR DEL CABLE DE ALIMENTACIÓN DEBERAN
MANTENERSE EN BUEN ESTADO.
WATCH FOR THESE SYMBOLS:
The lightning bolt triangle is used to alert the user to the risk
of electric shock.
The exclamation point triangle is used to alert the user to
important operating or maintenance instructions.
REGARDEZ CES SYMBOLES
La triangle avec le sigle ‘’foudre’’ est employée pour alerter
l'utilisateur au risque de décharge électrique. Le triangle avec
un point d'exclamation est employée pour alerter l'utilisateur
d’instruction importantes pour lors opérations de mainte-
nance.
ATENCION CON ESTOS SÍMBOLOS
El triángulo con el símbolo de rayo eléctrico es usado para
alertar al usuario de el riesgo de un choque eléctrico.
El triángulo con el signo de admiración es usado para alertar
al usuario de instrucciones importantes de operación o man-
tenimiento.
Important Safety Instructions
FCC COMPLIANCE NOTICE
This device complies with part 15 of the FCC rules. Operation is subject to the following
two conditions: (1) This device may not cause harmful interference, and (2) this device
must accept any interference received, including interference that may cause undesired
operation.
CAUTION: Changes or modifications not expressly approved by the party responsible for
compliance could void the user’s authority to operate the equipment.
NOTE: This equipment has been tested and found to comply with the limits for a Class B
digital device, pursuant to part 15 of the FCC Rules. These limits are designed to provide
reasonable protection against harmful interference in a residential installation. This
equipment generates, uses, and can radiate radio frequency energy and, if not installed
and used in accordance with the instruction manual, may cause harmful interference to
radio communications. However, there is no guarantee that interference will not occur in a
particular installation. If this equipment does cause harmful interference to radio or televi-
sion reception, which can be determined by turning the equipment off and on, the user is
encouraged to try to correct the interference by one or more of the following measures:
• Reorient or relocate the receiving antenna.
• Increase the separation between the equipment and receiver.
• Connect the equipment into an outlet on a circuit different from that to which the
receiver is connected.
• Consult the dealer or an experienced radio/TV technician for help.
IMPORTANT
The MA-2402 amplifier requires Class 1 output wiring.
L’amplificateur de MA-2402 exige des câbles de sortie de classe 1.
Der MA-2402-Verstärker erfordert Klasse die 1 Produktionsver-
drahtung.
El amplificador de MA-2402 requiere de un cableado de salida
Clase 1.
MAGNETIC FIELD
CAUTION! Do not locate sensitive high-gain equipment such as
preamplifiers or tape decks directly above or below the unit.
Because this amplifier has a high power density, it has a strong
magnetic field which can induce hum into unshielded devices that
are located nearby. The field is strongest just above and below the
unit.
If an equipment rack is used, we recommend locating the ampli-
fier(s) in the bottom of the rack and the preamplifier or other sensi-
tive equipment at the top.
Instrucciones de Seguridad Importantes
Importantes Instructions de Sécurité
Wichtige Sicherheitsinstruktionen

page 3
MA 2402 Power Amplifier
Operation Manual
DECLARATION of CONFORMITY
Crown Audio, Inc. TCF Technical Certificate No: P4300CRI1.IWS
Sue Whitfield
574-294-8289
swhitfield@crownintl.com
European Representative's Name and Address:
David Budge
10 Harvest Close
Yateley GU46 6YS
United Kingdom
Competent Body’s Name and Address:
Technology International (Europe) Limited
41-42 Shrivenham Hundred Business Park,
Shrivenham, Swindon, Wilts, SN6 8TZ
Equipment Type: Commercial Audio Power Amplifiers
Family Name: Macro-Tech
Model Names: Macro-Tech 2402
EMC Standards:
EN 55103-1:1995 Electromagnetic Compatibility - Product Family Standard for Audio, Video, Audio-Visual and Entertainment Lighting Control Apparatus for Professional Use, Part 1: Emissions
EN 55103-1:1995 Magnetic Field Emissions-Annex A @ 10 cm and 1 M
EN 61000-3-2:1995+A14:2000 Limits for Harmonic Current Emissions (equipment input current ≤16A per phase)
EN 61000-3-3:1995 Limitation of Voltage Fluctuations and Flicker in Low-Voltage Supply Systems Rated Current ≤16A
EN 55022:1992 + A1: 1995 & A2:1997 Limits and Methods of Measurement of Radio Disturbance Characteristics of ITE: Radiated, Class B Limits; Conducted, Class B
EN 55103-2:1996 Electromagnetic Compatibility - Product Family Standard for Audio, Video, Audio-Visual and Entertainment Lighting Control Apparatus for Professional Use, Part 2: Immunity
EN 61000-4-2:1995 Electrostatic Discharge Immunity (Environment E2-Criteria B, 4k V Contact, 8k V Air Discharge)
EN 61000-4-3:1996 Radiated, Radio-Frequency, Electromagnetic Immunity (Environment E2, criteria A)
EN 61000-4-4:1995 Electrical Fast Transient/Burst Immunity (Criteria B)
EN 61000-4-5:1995 Surge Immunity (Criteria B)
EN 61000-4-6:1996 Immunity to Conducted Disturbances Induced by Radio-Frequency Fields (Criteria A)
EN 61000-4-11:1994 Voltage Dips, Short Interruptions and Voltage Variation
Safety Standard:
EN 60065: 1998 Safety Requirements - Audio Video and Similar Electronic Apparatus
I certify that the product identified above conforms to the requirements of the EMC Council Directive 89/336/EEC as amended by 92/31/EEC, and the Low Voltage Directive 73/23/EES as amended by 93/68/EEC.
Larry Coburn
Signed
Title: Senior Vice President of Manufacturing Date of Issue: March 28, 2000
Due to line current harmonics, we recommend that you contact your supply authority before connection.
Issued By: Crown Audio, Inc.
1718 W. Mishawaka Road
Elkhart, Indiana 46517 U.S.A.
Technical Construction File Route
FOR COMPLIANCE QUESTIONS ONLY:

Operation Manual
MA 2402 Power Amplifier
page 4
Important Safety Instructions .......................... 2
Declaration of Conformity................................ 3
1 Welcome ................................................... 5
1.1 Features .............................................. 5
2 How to Use This Manual ....................... 5
3 Setup ......................................................... 6
3.1 Unpack Your Amplifier ........................ 6
3.2 Install Your Amplifier .......................... 6
3.3 Ensure Proper Cooling ........................ 6
3.4 Choose Input Wire and Connectors .... 7
3.5 Choose Output Wire and Connectors... 7
3.6 Wire Your System ............................... 8
3.6.1 Stereo Mode ................................ 8
3.6.2 Bridge-Mono Mode ..................... 8
3.6.3 Parallel-Mono Mode .................... 9
3.7 Set Input Sensitivity ............................ 10
3.8 Connect to AC Mains .......................... 10
3.9 Startup Procedure ............................... 10
4 Operation .................................................. 10
4.1 Precautions ......................................... 10
4.2 Front Panel Controls and Indicators .... 11
4.3 Back Panel Controls, Indicators and
Connectors ......................................... 12
4.4 Indicators ............................................ 13
5 Advanced Features and Options .......... 14
5.1 Protection Systems.............................. 14
5.1.1 ODEP............................................ 14
5.1.2 Standby Mode ..........................................14
5.1.3 Transformer Thermal Protection ...............14
5.1.4 Fuses and Circuit Breakers.......................15
5.2 Advanced Features ...........................................15
5.3 Options.............................................................16
5.3.1 PIP and PIP2 Modules ............................16
5.3.2 Cooling Fan Options ...............................17
5.3.3 Level Control Shaft Lock .........................17
6 Troubleshooting....................................................18
7 Theory of Operation .............................................19
7.1 Overview...........................................................19
7.2 Circuit Theory...................................................19
7.2.1 Stereo Operation.......................................19
7.2.2 Bridge-Mono Operation............................20
7.2.3 Parallel-Mono Operation..........................20
8 Specifications........................................................21
9 AC Power Draw and Thermal Dissipation.......25
10 Service .................................................................27
10.1 International and Canada Service ...................27
10.2 US Service......................................................27
10.2.1 Service at a US Service Center ...............27
10.2.2 Factory Service.......................................27
10.2.3 Factory Service Shipping Instructions....27
10.2.4 Packing Instructions...............................27
10.2.5 Estimate Approval...................................27
10.2.6 Payment of Non-Warranty Repairs..........27
11 Warranty...............................................................28
Product Registration Form............................................31
Factory Service Information Form ................................33
Table of Contents

page 5
MA 2402 Power Amplifier
Operation Manual
1 Welcome
Congratulations on purchasing the renowned
Crown® Macro-Tech® 2402 power amplifier. It
is designed to provide enormous levels of pure,
undistorted power in a rugged, low-profile
package — making it the choice for pro sound
reinforcement. It utilizes our patented ODEP®
protection circuitry to keep the show going
long after other amplifiers have shut down. And
with its PIP™ expandability, the amplifier can be
easily customized with one of our many
optional input modules (see Section 5 for a list
of available PIPs).
Modern power amplifiers are sophisticated
pieces of engineering capable of producing
extremely high power levels. They must be
treated with respect and correctly installed if
they are to provide the many years of reliable
service for which they were designed.
In addition, the Macro-Tech 2402 amplifier
includes a number of features which require
some explanation before it can be used to its
maximum advantage.
Please take the time to study this manual so
that you can obtain the best possible service
from your amplifier.
1.1 Features
•Crown’s Grounded-Bridge™ design deliv-
ers large voltage swings without using
easily stressed output-transistor configu-
rations like conventional amplifiers. The
results are lower distortion and superior
reliability.
• Patented ODEP (Output Device Emulation
Protection) circuitry compensates for
overheating and overload to keep the
amplifier working when others would fail.
• Complete protection against shorted,
open, and mismatched loads, overheating,
DC, high-frequency overload, and full
internal fault protection provided by our
latest protection scheme: “Quad-Mute.”
• Two mono modes (Bridge-Mono and
Parallel-Mono) for driving a wide range of
load impedances.
• Dedicated power supply transformers iso-
late channels in Stereo mode for superb
crosstalk characteristics and reliability —
each channel is virtually a separate
amplifier.
• High damping factor provides superior
control over low-frequency drivers for a
clean, accurate low end.
• PIP (Programmable Input Processor) con-
nector accepts accessories that tailor the
amplifier to suit specific applications.
• Enhanced PIP2™ (Programmable Input
Processor) connector accepts new acces-
sory modules that further tailor the ampli-
fier to suit specific applications, including
wideband load current monitoring.
• Backed by the industry’s ONLY three-year,
no-fault, fully transferable warranty.
2 How to Use This
Manual
This manual provides you with the necessary
information to safely and correctly set up and
operate your amplifier. It does not cover every
aspect of installation, setup or operation that
might occur under every condition. For addi-
tional information, please consult Crown’s
Amplifier Application Guide (available online at
www.crownaudio.com), Crown Technical Sup-
port, your system installer or retailer.
We strongly recommend you read all instruc-
tions, warnings and cautions contained in this
manual. Also, for your protection, please send
in your warranty registration card today. And
save your bill of sale—it’s your official proof of
purchase.
2 ohm Dual (per ch.)
1 kHz
Power
1,050W
800W
520W
2,070W
1,585W
850W
750W
505W
1,670W
1,485W
8 ohm Bridge-Mono
4 ohm Bridge-Mono
8 ohm Dual (per ch.)
4 ohm Dual (per ch.)
*1 kHz Power: refers to maximum average power in watts
at 1 kHz with 0.1% THD.
**20 Hz–20 kHz Power: refers to maximum average power
in watts from 20 Hz to 20 kHz with 0.1% THD.
MA-2402 *20 Hz–20 kHz
Power
**

Operation Manual
MA 2402 Power Amplifier
page 6
Figure 3.1 Dimensions
Figure 3.2 Airflow
3.1 Unpack Your Amplifier
Please unpack and inspect your amplifier for any
damage that may have occurred during transit. If
damage is found, notify the transportation company
immediately. Only you can initiate a claim for ship-
ping damage. Crown will be happy to help as
needed. Save the shipping carton as evidence of
damage for the shipper’s inspection.
We also recommend that you save all packing mate-
rials so you will have them if you ever need to trans-
port the unit. Never ship the unit without the factory
pack.
YOU WILL NEED (not supplied):
• Input wiring cables
• Output wiring cables
Rack for mounting amplifier (or a stable surface for
stacking)
WARNING: Before you start to set up your
amplifier, make sure you read and observe
the Important Safety Instructions at the
beginning of this manual.
3.2 Install Your Amplifier
CAUTION: Before you begin, make sure your
amplifier is disconnected from the power
source, with power switch in the “off” posi-
tion and all level controls turned completely
down (counterclockwise).
Use a standard 19-inch (48.3-cm) equipment rack.
See Figure 3.1 for amplifier dimensions.
You may also stack amps without using a cabinet.
NOTE: When transporting, amplifiers should be
supported at both front and back.
3.3 Ensure Proper Cooling
When using an equipment rack, mount units
directly on top of each other. Close any open spaces
in rack with blank panels. DO NOT block front or
rear air vents. The side walls of the rack should be a
minimum of 2 inches (5.1 cm) away from the ampli-
fier sides, and the back of the rack should be a min-
imum of 4 inches (10.2 cm) from the amplifier back
panel.
Figure 3.2 illustrates standard amplifier airflow.
3 Setup
19 in
48.3 cm
16 in
40.6 cm
3.5 in
8.9 cm
2.5 in
6.35 cm
SIDE VIEW
LEVEL LEVEL
ON
OFF
30
27
24
21
18
15
12
9
6
3
0ENABLECH1 CH2
ODEP
30
27
24
21
9
6
3
0
SIGNAL/IOC
18
15
12

page 7
MA 2402 Power Amplifier
Operation Manual
3.4 Choose Input Wire
and Connectors
Crown recommends using pre-built or profes-
sionally wired, balanced line (two-conductor
plus shield), 22-24 gauge cables and connec-
tors.The factory-installed PIP2-FXQ input mod-
ule accepts 3-pin male XLR connectors or TRS
phone connectors. Other PIP modules accept
XLR, phone or Phoenix connectors, or bare
wires.
Regarding the PIP2-FXQ, Figure 3.3 shows con-
nector pin assignments for balanced wiring, and
Figure 3.4 shows connector pin assignments for
unbalanced wiring.
NOTE: Custom wiring should only be per-
formed by qualified personnel.
3.5 Choose Output Wire and Con-
nectors
Crown recommends using pre-built or profes-
sionally wired, high-quality, two-conductor,
heavy gauge speaker wire. Use bare wire, a dual
banana plug or spade lugs on the amplifier end
of each speaker cable (Figure 3.5). To prevent
the possibility of short-circuits, wrap or other-
wise insulate exposed loudspeaker cable con-
nectors.
Using the guidelines below, select the appropri-
ate size of wire based on the distance from
amplifier to speaker.
CAUTION: Never use shielded cable for
output wiring.
Distance Wire Size
up to 25 ft. 16 gauge
26-40 ft. 14 gauge
41-60 ft. 12 gauge
61-100 ft. 10 gauge
101-150 ft. 8 gauge
151-250 ft. 6 gauge
Figure 3.3 Balanced Input
Connector Wiring
Figure 3.4 Unbalanced Input
Connector Wiring
3 Setup
Figure 3.5 Output Connector Wiring

Operation Manual
MA 2402 Power Amplifier
page 8
3.6 Wire Your System
Turn down the Level controls (fully counterclock-
wise) and turn off the amplifier before wiring it as
described below.
3.6.1 Stereo Mode
See Figure 3.6. Set the back panel stereo/mono
switch to Stereo.
INPUTS: Connect input wiring to both channels.
OUTPUTS: Maintain proper polarity (+/-) on output
connectors.
Connect Channel 1 positive (+) speaker load to
Channel 1 positive terminal of amp; repeat for nega-
tive (-). Repeat Channel 2 wiring as for Channel 1.
3.6.2 Bridge-Mono Mode
See Figure 3.7. Set the back panel stereo/mono
switch to Bridge-Mono.
INPUTS: Connect input wiring to Channel 1 only.
OUTPUTS: Connect the speaker across the positive
terminals of each channel. Do not use the nega-
tive terminals when the amp is being oper-
ated in Bridge-Mono mode.
NOTE: The Channel 2 Level control should
be set fully counter-clockwise when operat-
ing the amplifier in Bridge-Mono mode.
CAUTION: Be certain all equipment (meters,
switches, etc.) connected to the mono out-
put is balanced. To prevent oscillations,
both sides of the line must be isolated from
the input grounds.
3 Setup
Figure 3.6 Stereo Wiring
Figure 3.7 Bridge-Mono Wiring

page 9
MA 2402 Power Amplifier
Operation Manual
3.6.3 Parallel-Mono Mode
See Figure 3.8. Set the back panel
stereo/mono switch to Parallel-Mono.
INPUTS: Connect input wiring to Channel 1
only.
OUTPUTS: Add a 14 gauge (or larger) jumper
between the red(+) Channel 1 and Channel 2
binding posts. Connect the speaker positive (+)
lead to the Channel 1 red (+) terminal. Connect
the speaker negative (-) lead to the Channel 1
black (-) terminal.
Crown provides a reference of wiring pin assign-
ments for commonly used connector types in the
Crown Amplifier Application Guide.
NOTE: Use only the Channel 1 level
control.
CAUTION: Parallel-Mono wiring requires
installation of a jumper wire. Do not
switch to Stereo or Bridge-Mono mode
until this output jumper wire is removed.
NOTE: The Channel 2 IOC indicator will
remain lit when operating in
Parallel-Mono mode.
Figure 3.8
Parallel-Mono
Wiring
3 Setup

Operation Manual
MA 2402 Power Amplifier
page 10
3.7 Set Input Sensitivity
The input sensitivity switch inside the amplifier is
set to 0.775 volt RMS at the factory. (Factory setting
for international models is 1.4V). It can be changed
to 1.4 volts or a voltage gain of 26 dB. The 26 dB
gain setting is equivalent to a sensitivity of 3.1 volts
for the Macro-Tech 2402.
To change the input sensitivity:
1. Turn off and unplug the amplifier from the AC
source.
2. Remove the input module on the back panel.
3. Locate the labeled access hole for the sensitivity
switch (Figure 3.9). The sensitivity switch will not
be visible because it is mounted below the hole.
Use your little finger to reach it.
4. Set the switch to the desired position.
5. Replace the input module.
3.8 Connect to AC Mains
Connect your amplifier's power cord to the AC
mains power source (power outlet).
WARNING: The third prong of this connector
(ground) is an important safety feature. Do
not attempt to disable this ground connec-
tion by using an adapter or other methods.
Amplifiers don't create energy. The AC mains volt-
age and current must be sufficient to deliver the
power you expect. You must operate your amplifier
from an AC mains power source with not more than
10% variation above or below the amplifier's speci-
fied line voltage and within the specified frequency
requirements (indicated on the amplifier's back
panel label). If you are unsure of the output voltage
of your AC mains, please consult your electrician.
3.9 Startup Procedure
Use the following procedure when first turning on
your amplifier:
1.Turn down the level of your audio source.
2.Turn down the Level controls of the amplifier.
3.Turn on the Power switch. The Enable indicator
next to the Power switch should glow. The amber
ODEP lights should also be glowing.
4.Turn up the level of your audio source to an opti-
mum level.
5.Turn up the Level controls on the amplifier until
the desired loudness or power level is achieved.
6.Turn down the level of your audio source to its
normal range.
If you ever need to make any wiring or installation
changes, don't forget to disconnect the power
cord.
For help with determining your system's optimum
gain structure (signal levels) please refer to the
Crown Amplifier Application Guide, available online
at www.crownaudio.com.
4 Operation
4.1 Precautions
Your amplifier is protected from internal and exter-
nal faults, but you should still take the following
precautions for optimum performance and safety:
1. Before use, configure your amplifier for proper
operation as described in the Setup section of
this manual. Improper wiring can result in seri-
ous operating difficulties. For advanced setup
techniques, consult Crown's Amplifier Applica-
tion Guide available online at www.crownau-
dio.com.
2. Use care when making connections, selecting
signal sources and controlling the output level.
The load you save may be your own!
3. Do not short the ground lead of an output cable
to the input signal ground. This may form a
ground loop and cause oscillations.
4. Never connect the output to a power supply,
battery or power main. Electrical shock may
result.
5. Tampering with the circuitry, or making unau-
thorized circuit changes may be hazardous and
invalidates all agency listings.
6. Do Not operate the amplifier with the IOC LED
constantly flashing bright green.
7. Do Not overdrive the mixer, which will cause
clipped signal to be sent to the amplifier. Such
signals will be reproduced with extreme accu-
racy, and loudspeaker damage may result.
8. Do Not operate the amplifier with less than the
rated load impedance. Due to the amplifier's
output protection, such a configuration may
result in premature clipping and speaker dam-
age.
Crown is not liable for damage that results from
overdriving other system components.
Figure 3.9 Input Sensitivity Switch
3 Setup
0.77 V
26 dB
SENSITIVITY SWITCH INSIDE ACCESS HOLE
1.4 V

page 11
MA 2402 Power Amplifier
Operation Manual
4.2 Front Panel Controls and
Indicators
The diagram below shows the controls and
indicators on the front panel of the Macro-Tech
2402.
A. Dust Filters
The dust filters remove large particles from the
air drawn in by the cooling fan. Check the filters
regularly to prevent clogging. The filter ele-
ments can be easily removed for cleaning by
gently pulling them away from the front panel.
B. Level Controls
The output level for each channel is set with
these convenient Level controls mounted on
the front panel. Each level control has 31
detents for precise adjustment. A security
option is available to prevent tampering (see
Section 5.3.3).
C. Signal/IOC® Indicators
These green multifunction indicators show sig-
nal presence and distortion for each channel.
As signal presence indicators, they flash syn-
chronously with the output audio signals to
show their presence. As IOC (Input/Output
Comparator) indicators, they flash brightly with
a 0.1 second hold delay if there is a difference
of 0.05% or more between the input and output
signal waveforms. This provides proof of dis-
tortion-free performance. Note: The Channel 2
IOC indicator stays on in Parallel-Mono mode
(see Section 3.6.3).
D. ODEP Indicators
During normal operation of the ODEP (Output
Device Emulation Protection) circuitry, these
amber indicators glow brightly to show the
presence of reserve thermal-dynamic energy.
They dim proportionally as energy reserves
decrease. In the rare event that energy reserves
are depleted, the indicators turn off and ODEP
proportionally limits output drive so the ampli-
fier can safely continue operating even under
severe conditions. These indicators can also
help identify more unusual operating condi-
tions (see Section 5.1.1).
E. Enable Indicator
This indicator lights when the amplifier has
been "enabled" or turned on, and AC power is
available.
F. Enable Switch
This push button is used to turn the amplifier
on and off. When turned on, the output is
muted for approximately four seconds to pro-
tect your system from start-up transients. (This
delay can be changed. Contact Crown's Techni-
cal Support Group for details.)
Figure 4.1 Front Panel Controls & Indicators
4 Operation

Operation Manual
MA 2402 Power Amplifier
page 12
4.3 Back Panel Controls, Indicators and Connec-
tors
G. Power Cord
The power cord has an appropriate plug for the required
voltage. 120 VAC, 60 Hz North American Macro-Tech
2402s have 12 AWG line cords and NEMA 5-20P plugs.
International units are shipped with an appropriate line
cord and plug. See Section 7 for AC power usage.
H. Stereo/Mono Switch
The three operating modes of a Macro-Tech amplifier are
controlled by this switch. Stereo mode is used for nor-
mal two-channel operation, Bridge-Mono mode is used
to drive a single channel with a load impedance of at
least 4 ohms, and Parallel-Mono mode is used to drive a
single channel with an impedance less than 4 ohms.
Important: Turn off the amplifier before changing the
stereo/mono switch (see Sections 3.6.2 and 3.6.3).
I. Reset Switches
The Macro-Tech 2402 has a back panel Reset switch for
each channel. Each switch resets the circuit breaker that
protects the channel's power supply from overload.
J. PIP Module
The standard PIP2-FXQ is included with your amplifier. It
provides female three-pin XLR input connectors. A vari-
ety of other PIP modules can be used in place of the
PIP2-FXQ. They add additional features that customize
the amplifier for different applications (see Section 5.3.1
for information on available PIP modules).
Input Sensitivity Switch (not shown)
The three-position input sensitivity switch located inside
the amplifier can be set after removing the PIP module
(J). It is set at the factory to 0.775 volts for standard 1-
kHz output into 8 ohms. It can also be set to 1.4 volts for
standard 1-kHz output into 8 ohms, or a fixed voltage
gain of 26 dB (see Section 3.7).
K. Balanced Phone Jack Inputs
Balanced 1/4-inch phone jack input connectors are pro-
vided on the PIP2-FXQ. The phone jacks can be wired for
either balanced (tip, ring and sleeve) or unbalanced (tip
and sleeve) input signals. Caution: The Channel 2 input
should NOT be used in either Bridge-Mono or Parallel-
Mono mode.
L. Balanced XLR Inputs
The factory-installed PIP2-FXQ provides a three-pin
female XLR connector for balanced input to each chan-
nel. The XLR inputs are connected in parallel with the
amplifier's phone jack inputs. Because the PIP2-FXQ
does not have any active circuitry, its XLR connectors
can also be used as "daisy chain" outputs to connect sig-
nals from phone jack inputs to multiple amplifiers. Cau-
tion: The Channel 2 input should NOT be used in either
Bridge-Mono or Parallel-Mono mode.
M. Output Jacks
A pair of versatile 5-way binding posts is provided for
the output of each channel. The 5-way binding posts
accept banana plugs, spade lugs or bare wire. (European
models do not accept banana plugs.)
N. Input Ground Lift Switch
The input ground lift switch is located on the PIP2-FXQ.
It is used to isolate the input signal grounds from the AC
(chassis) ground to help prevent ground loops that can
result in unwanted hum and noise (see the Crown Ampli-
fier Application Guide for more information about pre-
venting ground loops).
Figure 4.2 Rear Panel Controls & Connectors
4 Operation

page 13
MA 2402 Power Amplifier
Operation Manual
4.4 Indicators
The amber Enable indicator is provided to
show that the amplifier has been turned on (or
enabled), and that its low-voltage power supply
and forced-air cooling system are working. It
does not indicate the status of the high-voltage
power supplies. For example, the Enable indi-
cator will remain lit during unusual conditions
that would cause the amplifier's protection sys-
tems to put a high-voltage power supply in
"standby" mode (see Section 5.1.2).
The amber ODEP indicators confirm the nor-
mal operation of Crown's patented Output
Device Emulation Protection circuitry. During
normal operation, they glow brightly to show
the presence of reserve thermal-dynamic
energy. They dim proportionally as the energy
reserve decreases. In the rare event that there is
no reserve, the indicators turn off and ODEP
proportionally limits the drive level of the out-
put stages so the amplifier can continue safe
operation even when conditions are severe.
(For a more detailed description of ODEP, see
Section 5.1.1.)
The ODEP indicator for the affected channel will
turn off if a high-voltage power supply is put in
"standby" mode, a high-voltage power supply
fuse (or breaker) blows, or a transformer acti-
vates its thermal protection circuitry (see Sec-
tion 5.1.3). Both ODEP indicators turn off if the
amplifier loses AC power, the power switch is
turned off or the low-voltage power supply fuse
blows.
The green Signal/IOC indicators show sig-
nal presence and distortion. As signal presence
indicators, they flash with normal intensity in
sync with the output audio signals. As IOC
(Input/Output Comparator) indicators, they
flash brightly if there is any difference between
the input and output signal waveforms greater
than 0.05%. Because transient distortion hap-
pens quickly, a 0.1 second "hold delay" keeps
the indicators on long enough to be easily
noticed. The IOC function essentially provides
proof of distortion-free performance. Note: The
Channel 2 IOC indicator will remain lit when
running in Parallel-Mono mode.
Under conditions where one of the amplifier's
high-voltage power supplies is temporarily put
in standby mode, the Signal/IOC indicators will
stay on with full brightness. They will resume
normal operation when the amplifier is no
longer in standby mode.
Figure 4.3 Indicators
4 Operation

Operation Manual
MA 2402 Power Amplifier
page 14
5.1 Protection Systems
Macro-Tech amplifiers provide extensive pro-
tection and diagnostics capabilities. Protection
systems include ODEP, "standby" mode, fuses
(or breakers), and special thermal protection for
the unit's transformers.
5.1.1 ODEP
Crown invented ODEP to solve two long-stand-
ing problems in amplifier design: to prevent
amplifier shutdown during demanding opera-
tion and to increase the efficiency of the output
circuitry.
To do this, Crown established a rigorous pro-
gram to measure the safe operating area (SOA)
of each output transistor before installing it in
an amplifier. Next, Crown designed intelligent
circuitry to simulate the instantaneous operat-
ing conditions of those output transistors. Its
name describes what it does: Output Device
Emulation Protection or ODEP. In addition to
simulating the operating conditions of the out-
put transistors, it also compares their operation
to their known SOA. If it sees that more power
is about to be asked of them than they are capa-
ble of delivering under the present conditions,
ODEP immediately limits the drive level until it
falls within the SOA. Limiting is proportional
and kept to an absolute minimum—only what
is required to prevent output transistor damage.
This level of protection enables Crown to
increase output efficiency to never-before-
achieved levels while greatly increasing ampli-
fier reliability.
The on-board intelligence is monitored in two
ways. First, the front panel ODEP indicators
show whether the amplifier is functioning cor-
rectly or if ODEP is limiting the drive level. Sec-
ond, ODEP data is fed to the back panel PIP
connector so advanced PIP modules like the
IQ-PIP-USP3 can use it to monitor and control
the amplifier.
With ODEP, the show keeps going because you
get the maximum power with the maximum
protection.
5.1.2 Standby Mode
An important part of a Macro-Tech amplifier's
protection systems is standby mode. Standby
protects the amplifier during potentially cata-
strophic conditions. It temporarily removes
bias in all four output stages, protecting the
amplifier and its loads. This advanced protec-
tion implementation, called "Quad-Mute," is
new to the Macro-Tech series amplifiers.
Standby mode can be identified using the indi-
cator table in Section 6, Troubleshooting.
Standby mode can be activated in several situa-
tions. First, if dangerous subsonic frequencies
or direct current (DC) is detected in the ampli-
fier's output, the unit will activate its DC/low-
frequency protection circuitry and put the
affected channels in standby. This protects the
loads and prevent oscillations. The unit
resumes normal operation as soon as the
amplifier no longer detects dangerous low fre-
quency or DC output. Although it is extremely
unlikely that you will ever activate the ampli-
fier's DC/low-frequency protection system,
improper source materials such as subsonic
square waves or input overloads that result in
excessively clipped input signals can activate
this system.
The amplifier's fault protection system will put
an amplifier channel in standby mode in rare
situations where heavy common-mode current
is detected in the channel's output. The ampli-
fier should never output heavy common-mode
current unless its circuitry is damaged in some
way, and putting a channel in standby mode
helps to prevent further damage.
The amplifier's transformer thermal protection
circuitry is activated in very unusual circum-
stances where the unit's transformer tempera-
ture rises to unsafe levels. Under these
abnormal conditions, the amplifier will put the
channel of the affected transformer in standby
mode. The amplifier will return to normal oper-
ation after the transformer cools to a safe tem-
perature. (For more information on transformer
thermal protection, refer to section 5.1.3.)
An IQ-PIP module may also temporarily place
the amplifier in standby mode, typically for
power conservation. The standby mode status
can be triggered manually. The auto standby
can be triggered via the control software, in
which case the standby status will be automati-
cally cancelled when the defined level of input
signal is detected. If the unit has been placed
into a standby state, not auto-standby, this sta-
tus must be manually cleared using either
IQwic or System Architect control software.
5.1.3 Transformer Thermal Protec-
tion
The Macro-Tech 2402 has transformer thermal
protection. It protects the power supplies from
damage under the rare conditions of trans-
former temperatures rising too high. A thermal
switch embedded in each transformer removes
power to the channel if there is excessive heat.
The switch automatically resets when the trans-
former cools to a safe temperature.
It is extremely unlikely that you will ever see a
Macro-Tech 2402 activate transformer thermal
protection as long as it is operated within rated
conditions (see Section 8, Specifications). One
reason is that ODEP keeps the amplifier work-
ing under very severe conditions. Even so,
higher than rated output levels, excessively low
impedance loads and unreasonably high input
signals can generate more heat in the trans-
former than in the output devices. These condi-
tions can overheat the transformer and activate
its protection system.
The Macro-Tech 2402 is designed to keep
working under conditions where other amplifi-
ers would fail. But even when the limits of the
amplifier are exceeded, it will still protect
itself–and your investment–from damage.
5 Advanced Features
and Options

page 15
MA 2402 Power Amplifier
Operation Manual
5.1.4 Fuses and Circuit Breakers
The power supplies of the Macro-Tech 2402 are
protected by circuit breakers. With rated loads
and output levels, the circuit breakers should
only shut down the amplifier in the rare
instance of a catastrophic failure. Other protec-
tion systems like ODEP keep the amplifier
operational under most other severe condi-
tions. The circuit breakers can also shut down
the amplifier in cases where extremely low-
impedance loads and high output levels result
in current draw that exceeds their rating. Again,
this should only be possible when operating
outside rated conditions, such as when the
amplifier is used to drive a 1-ohm load in Ste-
reo mode, or when a signal overloads the input
and is clipped severely.
The Macro-Tech 2402 has a separate fuse for
the low-voltage power supply and breakers for
the high-voltage power supplies.
The Macro-Tech 2402 does not blow its fuse or
trip its breakers unless something is wrong. In
the rare event that an internal fuse blows,
please refer the unit to a qualified technician. If
a breaker trips, try to identify and correct the
problem before resetting the breakers with the
back panel Reset switches. If the problem per-
sists, refer the unit to a qualified technician.
5.2 Advanced Features
The Macro-Tech 2402 uses cutting edge tech-
nology to deliver the ultimate in power and
value for its size, weight and price. It offers
numerous advantages over conventional
designs and provide benefits you can't get in
amplifiers from any other manufacturer.
Here are some of its many features:
• Crown's Grounded Bridge design deliv-
ers large voltage swings without using
easily stressed output-transistor config-
urations like conventional amplifiers.
The results are lower distortion and
superior reliability.
• Patented ODEP (Output Device Emulation
Protection) circuitry compensates for
overheating and overload to keep the
amplifier working when others would
fail.
• IOC (Input/Output Comparator) circuitry
immediately alerts of any distortion
exceeding 0.05%, providing dynamic
proof of distortion-free performance.
• PIP (Programmable Input Processor)
connector accepts accessories that tailor
the amplifier to suit specific applications.
• Enhanced PIP2 (Programmable Input
Processor) connector accepts new
accessory modules that further tailor the
amplifier to suit specific applications,
including wideband load current moni-
toring.
• Two mono modes (Bridge-Mono and
Parallel-Mono) for driving a wide range
of load impedances.
• Very low harmonic and intermodulation
distortion result in the best dynamic
transfer function in the industry.
• High damping factor provides superior
control over low- frequency drivers for a
clean, accurate low end.
• Full protection against shorted outputs,
mismatched loads, input/output DC,
general overheating, high-frequency
overloads and internal faults.
• Dedicated power supply transformers
isolate channels in Stereo mode for
superb crosstalk characteristics and reli-
ability—each channel is virtually a sepa-
rate amplifier.
• Balanced inputs with internal three-posi-
tion sensitivity switch and adjustable
front-panel level controls.
• Full protection from shorted, open and
mismatched loads, general overheating,
DC, high-frequency overloads, and full
internal fault protection are provided by
our latest protection scheme: “Quad-
Mute.”
• Efficient heat sinks and a self-contained
forced-air cooling system dissipate heat
quickly and evenly for extra amplifier
protection and greater power output.
• Extra rugged, extruded aluminum front
panel with ODEP and signal presence/
IOC indicators for each channel, and an
Enable indicator.
• Mounts in a standard 19-inch (48.3-cm)
equipment rack (units can also be
stacked).
• Three-Year, No-Fault, Fully Transferable
warranty completely protects your
investment and guarantees its specifica-
tions.
5 Advanced Features
and Options

Operation Manual
MA 2402 Power Amplifier
page 16
5.3 Options
5.3.1 PIP and PIP2 Modules
Versatile PIP (Programmable Input Processor)
modules provide flexible expansion features
that can be added to customize the amplifier.
PIP modules plug into the connector inside the
back panel of the amplifier. PIP modules are
available with a features ranging from error-
driven compressor/limiters to remote control
and monitoring via IQwic or System Architect.
Your amplifier is a PIP2 amplifier, which means
it can take advantage of the many advanced fea-
tures found in PIP2 modules, as well as all
standard PIP modules. Visit the Crown website
at www.crownaudio.com, or contact Crown
Customer Service, for descriptions of available
PIP and PIP2 modules.
The modules install easily: For PIP units featur-
ing an edge-connector, first attach the ampli-
fier’s ribbon cables to the PIP2 adapter as in
Figure 5.1. Then carefully slide the PIP card
edge into the adapter's edge connector (Figure
5.2). Finally, insert the combined units into the
amplifier and screw securely into place (Figure
5.2).
.
Figure 5.1 PIP2 Adapter Connection
Figure 5.2 Installing a PIP Module
5 Advanced Features
and Options

page 17
MA 2402 Power Amplifier
Operation Manual
For PIP2s featuring ribbon cable connectors,
simply locate the two connectors on the under-
side of the PIP circuit board, then connect the
two input ribbon cables coming from the ampli-
fier (see Figure 5.3). Both ribbon cables should
run smoothly from the amplifier to the PIP card.
Insert the PIP and attached cables into the PIP
opening in the back of the amplifier, then screw
securely into place.
WARNING: Disconnect power to the
amplifier when installing or removing a
PIP module.
5.3.2 Cooling Fan Options
Every Macro-Tech amplifier has a built-in high-
velocity fan that provides optimum cooling. Two
optional replacement fan blades are available for
special cooling requirements. Crown part C 6594-3
is a quieter, low-velocity fan blade that in many
cases can provide adequate cooling. Crown part C
6593-5 is a reverse air-flow fan blade which
changes the direction of the air flow in and out of
the amplifier (not recommended for the Macro-Tech
2402). Important: The optional replacement fan
blades should only be installed by a qualified tech-
nician.
5.3.3 Level Control Shaft Lock
A security accessory, the shaft lock can be used to
secure your amplifier's level controls in situations
where the front panel controls are subject to tamper-
ing. One is needed for each channel. They can be
ordered through the Crown Service/Parts Depart-
ment, part number D 6932-4. For more information,
contact your local Crown dealer or Crown Technical
Support.
Figure 5.3 Installing a PIP2 Module
Figure 5.4 Installing a Level Control Shaft Lock
5 Advanced Features
and Options

Operation Manual
MA 2402 Power Amplifier
page 18
6 Troubleshooting
The table in Figure 6.1 shows the possible
states for the ODEP and Signal/IOC indica-
tors. It also describes the conditions that
may be associated with the different indica-
tor states. The Enable indicator will be off
with the first indicator state, "There is no
power to the amplifier." All other conditions
in the table will occur with the Enable indi-
cator turned on. It is important to note the
possible states of the indicators in the rare
event that you experience a problem. This
can greatly aid in determining the source of
problems. Please contact your local Crown
representative or our Technical Support
Group for further assistance.
Figure 6.1
Macro-Tech ODEP
and Signal/IOC Indicator Status
ODEP
SIGNAL/IOC
OFF
OFF
There is no power to the amplifier and all indicators are off, including the Enable light.
Possible reasons: (1) The amplifier’s Enable switch is off. (2) The amplifier is not plugged into the power
receptacle. (3) The AC circuit breaker has been tripped. (4) The amplifier’s low-voltage power supply
fuse has blown.
Indicator Status Amplifier Condition
ODEP
SIGNAL/IOC
ON
OFF
Normal operation for a channel with NO audio output. Possible reasons: (1) There is no input signal.
(2) The input signal level is very low. (3) The channel’s level control is turned down.
ODEP
SIGNAL/IOC
ON
Normal
Normal operation for a channel with audio output. The ODEP indicator will remain at full intensity
to show that there is reserve thermodynamic energy, and the Signal/IOC indicator will flash with normal
intensity to show that the channel has audio output.
ODEP
SIGNAL/IOC
ON
Bright
The channel’s output is exceeding 0.05% distortion. The input signal level is too high and IOC is
reporting either an input overload or output clipping.
ODEP
SIGNAL/IOC
OFF
Bright
The amplifier channel is in standby mode. Possible reasons: (1) A PIP module like an
IQ-PIP-Lite has turned off the channel’s high-voltage power supply. (2) The amplifier has just been
turned on and is still in the four second turn-on delay. (3) The DC / low-frequency protection circuitry has
been activated. (4) The fault protection circuitry has been activated. (5) The transformer thermal
protection circuitry has been activated.
ODEP limiting has been activated. Possible reasons: (1) The amplifier’s air filters are blocked and
need to be cleaned. (2) There is insufficient cooling because of inadequate air flow or air that is too hot.
(3) The load impedance for the channel is too low because the output is shorted or the amplifier is
driving too many loudspeakers for the selected stereo/mono mode. (4) The amplifier channel is
continuously being driven to very high output levels.
ODEP
SIGNAL/IOC
OFF
Normal
ODEP limiting is about to begin. Possible reasons: (1) The amplifier’s air filters are blocked and need
to be cleaned. (2) There is insufficient cooling because of inadequate air flow or air that is too hot.
(3) The load impedance for the channel is too low because the output is shorted or the amplifier is
driving too many loudspeakers for the selected stereo/mono mode. (4) The amplifier channel is
continuously being driven to very high output levels.
OR
OR
OR
Channel 2 only: The amplifier is in Parallel-Mono mode. The channel 2 Signal/IOC indicator always
turns on to full brightness whenever the amplifier's stereo/mono switch is set to Parallel-Mono mode.
A channel’s fuse has blown or breaker has tripped. Transformer overload can cause a channel’s
internal fuse to blow or can cause the channel’s circuit breaker to trip.

page 19
MA 2402 Power Amplifier
Operation Manual
7.1 Overview
Your Macro-Tech amplifier incorporates several
advanced technological features including real-
time computer simulation of output transistor
stress, low-stress output stages, an advanced
heat sink embodiment and the PIP2 (Program-
mable Input Processor) expansion system.
Custom circuitry is incorporated to limit tem-
perature and current to safe levels, making it
highly reliable and tolerant of faults. Unlike
many lesser amplifiers, it can operate at its
voltage and current limits without self-
destructing.
Real-time computer simulation is used to cre-
ate an analogue of the junction temperature of
the output transistors (hereafter referred to as
"output devices"). Current is limited only when
the device temperature becomes excessive (and
by the minimum amount required). This pat-
ented approach is called Output Device Emula-
tion Protection (or ODEP). It maximizes the
available output power and protects against
overheating-the major cause of device failure.
The amplifier is protected from all common
hazards that plague high-power amplifiers
including shorted, open or mismatched loads;
overloaded power supplies, excessive tempera-
ture, chain-destruction phenomena, input over-
load and high-frequency blowups. The unit
protects loudspeakers from input and output
DC, as well as turn-on and turn-off transients.
The four-quadrant topology used in a Macro-
Tech's grounded output stages is called the
Grounded Bridge. This patented topology
makes full use of the power supplies providing
peak-to-peak voltages to the load that are twice
the voltage seen by the output devices (see Fig-
ure 7.1).
As its name suggests, the Grounded Bridge
topology is referenced to ground. Composite
devices are constructed to function as gigantic
NPN and PNP devices to handle currents which
exceed the limits of available devices. Each
output stage has two composite NPN devices
and two composite PNP devices.
The devices connected to the load are referred
to as "high-side NPN and PNP" and the devices
connected to ground are referred to as "low-
side NPN and PNP." Positive current is deliv-
ered to the load by increasing conductance
simultaneously in the high-side NPN and low-
side PNP stage, while synchronously decreas-
ing conductance of the high-side PNP and low-
side NPN.
The two channels may be used together to dou-
ble the voltage (Bridge-Mono) or the current
(Parallel-Mono) presented to the load. This fea-
ture gives you flexibility to maximize the power
available to the load.
A wide bandwidth, multiloop design is used for
state-of-the-art compensation. This produces
ideal behavior and results in ultra-low distor-
tion values.
Aluminum extrusions have been widely used
for heat sinks in power amplifiers due to their
low cost and reasonable performance. However,
measured on a watts- per-pound or watts-per-
volume basis, the extrusion technology doesn't
perform nearly as well as the heat sink technol-
ogy developed for Macro-Tech amplifiers.
Our heat sinks are fabricated from custom con-
voluted fin stock that provides an extremely
high ratio of area to volume, or area to weight.
All power devices are mounted directly to mas-
sive heat spreaders that are electrically at the
Vcc potential. Electrifying the heat spreaders
improves thermal performance by eliminating
the insulating interface underneath the power
devices. The chassis itself is even used as part
of the thermal circuit to maximize utilization of
the available cooling resources.
7.2 Circuit Theory
Each channel is powered by its own power
transformer T100 or T200. Both channels share
a common low-voltage transformer TF-1. The
secondary output of T100 is full-wave rectified
by D109 and is filtered by a large computer-
grade capacitor. D104 through D107 provide
boosted voltage to power LVAs and predrivers.
A thermal switch embedded in each transformer
protects it from overheating.
The low-voltage transformer output is rectified
by diodes D1, D2, D3 and D4 to generate an
unregulated 24 volts. Monolithic regulators U1
and U2 provide a regulated ±15 volts.
7.2.1 Stereo Operation
For simplicity, the discussion of Stereo opera-
tion will refer to one channel only. Mono opera-
tion will be discussed later.
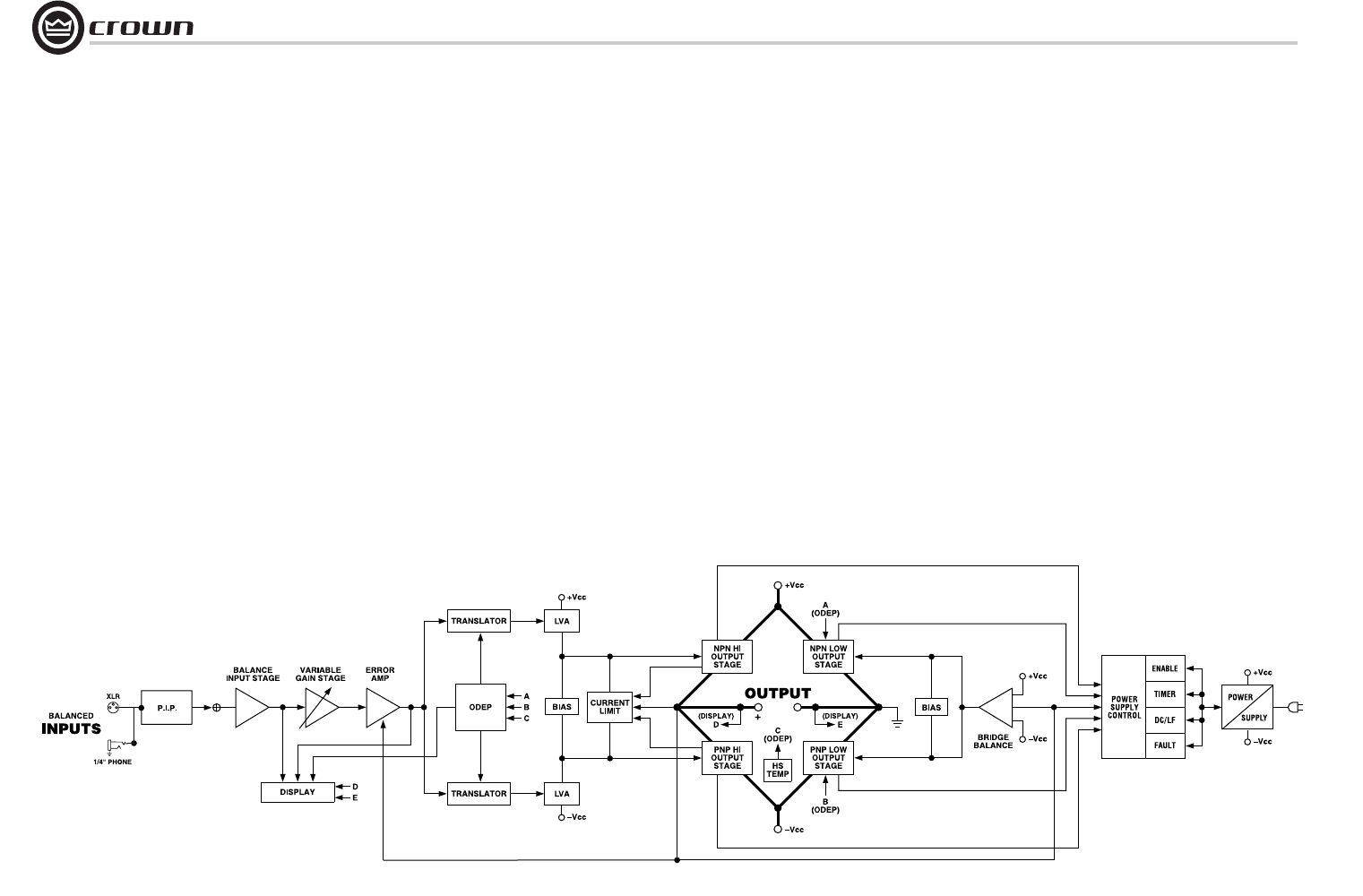
Please refer to the block diagram in Figure 7.1.
The input signal at the phone jack passes
directly into the balanced gain stage (U104-C
and U104-D). When the PIP module is used,
the input signal first passes through the PIP's
circuitry and then to the balanced gain stage.
The balanced gain stage (U104-C and U104-D)
causes balanced to single-ended conversion
using a difference amplifier. From there, gain
can be controlled with a potentiometer. The
error amp (U104-A) amplifies the difference
between the output signal and the input signal
from the gain pot, and drives the voltage trans-
lator stage.
From the error amp U104-A, the voltage trans-
lator stage channels the signal to the Last Volt-
age Amplifiers (LVAs) depending on the signal
polarity. The +LVA (Q104 and Q105) and the -
LVA (Q110 and Q111), with their push-pull
effect through the bias servo Q318, drive the
fully complementary output stage.
The bias servo Q318 is thermally coupled to
the heat sink, and sets the quiescent bias cur-
rent in the output stage to lower the distortion
in the crossover region of the output signal.
Depending on the polarity of the output signal,
D301, D302, D303 and D304 are used to
remove the charge on the unused portion of the
output stage.
With the voltage swing provided by the LVAs,
the signal then gains current amplification
through the Darlington emitter-follower output
stage.
7 Theory of Operation

Operation Manual
MA 2402 Power Amplifier
page 20
The bridge-balanced circuit (U104-B) receives a
signal from the output of the amplifier, and differ-
ences it with the signal at the Vcc supply. The
bridge-balanced circuit then develops a voltage to
drive the bridge-balanced output stage. This results
in the Vcc supply having exactly one half of the out-
put voltage added to their quiescent voltage. D309,
D310, D311 and a trimmer resistor set the quiescent
current point for the bridge-balanced output stage.
The protection mechanisms that affect the signal
path are implemented to protect the amplifier under
real-world conditions. These conditions are high
instantaneous current, excessive temperature, and
output device operation outside safe conditions.
Q107 and Q108 sense current in the output stage
and act as a conventional current limiter. When cur-
rent at any one instant exceeds the design criteria,
the limiters remove the drive from the LVAs, thus
limiting current in the output stage to a safe level.
To further protect the output stages, the patented
ODEP circuitry is used. It produces an analog out-
put proportional to the always-changing safe oper-
ating area of the output transistor. This output
controls the translator stage previously mentioned,
removing any further drive that may exceed the safe
operating area of the output stage.
Thermal sensor S100 gives the ODEP circuits vital
information on the operating temperature of the heat
sink on which the output devices are mounted.
Should the amplifier fail in such a way that would
cause DC across the output leads, the DC protection
circuit senses this on the negative feedback loop
and shuts down the power supply until the DC is
removed.
7.2.2 Bridge-Mono Operation
By setting the back panel stereo/mono switch to
Bridge-Mono, the user can convert the Macro-Tech
into a bridged, single-channel amplifier. With a sig-
nal applied to the Channel 1 input jack and the load
connected across the red (+) back panel 5-way
binding posts, twice the voltage can be output.
The Channel 1 output feeds the Channel 2 error
amp U204-A. Because there is a net inversion, the
channel 2 output is out of polarity with Channel 1.
This produces twice as much voltage across the
load. Each of the channel's protection mechanisms
work independently if a fault occurs.
7.2.3 Parallel-Mono Operation
With the stereo/mono switch set to Parallel-Mono,
the output of Channel 2 is paralleled with the output
of Channel 1. A suitable jumper capable of handling
high current levels must be connected across the
red (+) 5-way binding posts to gain the benefits of
this mode of operation.
The signal path for Channel 1 is the same as previ-
ously discussed, except Channel 1 also drives the
7 Theory of Operation
Figure 7.1 Circuit Block Diagram
output stage of Channel 2. The Channel 2 balanced
input, error amp, translators and LVAs are discon-
nected and no longer control the Channel 2 output
stage. Disconnecting the front-end stages from the
Channel 2 output causes the Channel 2 IOC circuit
to note that the input waveform (which is not
present) does not match the output waveform
(which is driven by the Channel 1 input signal).
This activates the Channel 2 IOC indicator any time
the amplifier is switched to Parallel-Mono. The
Channel 2 output stage and protection mechanisms
are also coupled through S1 and function as one.
In Parallel-Mono mode, twice the current of one
channel alone can be obtained. Because the Chan-
nel 2 ODEP circuit is coupled through S1, this gives
added protection if a fault occurs in the Channel 2
output stage. The ODEP circuit of Channel 2 will
limit the output of both output stages by removing
the drive from the Channel 1 translator stages.
ONLY ONE CHANNEL SHOWN

page 21
MA 2402 Power Amplifier
Operation Manual
Minimum Guaranteed Power Macro-Tech 2402
120 VAC, 60 Hz Units, Stereo mode, per channel, both channels driven
1 kHz with 0.1% THD
Stereo, 2 ohms per ch.
Stereo, 4 ohms per ch.
Stereo, 8 ohms per ch.
1,050 W
800 W
520 W
120 VAC, 60 Hz Units, Bridge mono mode
1 kHz with 0.1% THD
4 ohms
8 ohms
16 ohms
2,070 W
1,585 W
1,035 W
120 VAC, 60 Hz Units, Parallel mono mode
1 kHz with 0.1% THD
1 ohm
2 ohms
4 ohms
2,080 W
1,605 W
1,035 W
Performance Macro-Tech 2402
Frequency Response (at 1 watt, 20 Hz - 20 kHz) ± 0.1 dB
Phase Response (at 1 watt, 10 Hz - 20 kHz) ± 10°
Signal to Noise Ratio below rated full bandwidth power
20 Hz to 20 kHz
A-weighted
> 100 dB
> 105 dB
Total Harmonic Distortion (THD) at rated power, from 20 Hz to 1 kHz < 0.05%
Total Harmonic Distortion (THD) at rated power, at 20 kHz 0.1%
Intermodulation Distortion (IMD) 60 Hz and 7 kHz at 4:1,
from 163 milliwatts to full bandwidth power
< 0.05%
Damping Factor: 10 Hz to 400 Hz > 1000
Crosstalk (below rated power, 20 Hz to 1 kHz) > 85 dB
Controlled Slew Rate > 13 volts/microsecond
Input Impedance (nominal) balanced, unbalanced 20 k ohms, 10 k ohms
8 Specifications

Operation Manual
MA 2402 Power Amplifier
page 22
8 Specifications
Performance (continued) Macro-Tech 2402
Load Impedance (Note: Safe with all types of loads)
Stereo
Bridge Mono
Parallel Mono
2-8 ohms
4-16 ohms
1-4 ohms
Voltage Gain (at maximum level setting, ± 6%)
0.775V sensitivity
1.4V sensitivity
26 dB gain
38 dB ± 0.5 dB
33 dB ± 0.5 dB
26 dB
Required AC Mains 50/60 Hz, 100-240VAC (+10%,–15%)
Power Draw at Idle 100 watts or less
Ventilation Flow-through ventilation from
front to side panels
Cooling Internal heat sinks with forced-air cooling for
rapid, uniform heat dissipation
Dimensions
Width
Height
Depth
EIA Standard 19-inch (48.3 cm) rack mount
(EIA RS-310-B)
3.5 inches (8.9 cm
16 inches (40.6 cm)
Weight
Net Weight
Shipping Weight
51 lb 12 oz (23.5 kg)
65 lb (29.5 kg)

page 23
MA 2402 Power Amplifier
Operation Manual
Figure 8.1 Macro-Tech 2402 Maximum Power Matrix
8 Specifications
Maximum Power Notes:
All maximum power specifications are based on
0.1% regulated AC mains and an ambient room
temperature of 70°F (21°C). International units
with multi-tap transformers are specified for the
best-case transformer tap (normally 240 VAC, 60
Hz). Although it is an unusual condition, your
amplifier can function well with AC mains volt-
ages up to 10% over the specified line voltage.
With overvoltage conditions, your amplifier may
be capable of delivering instantaneous power
levels up to 20% greater than the specifications
in the matrix.
1. A single cycle sine wave is presented to the
amplifier and monitored for nonlinear distortion.
The average power during the burst is reported.
Loudspeakers must be able to withstand this
level if they are to be safely used with this ampli-
fier.
2. A 40-millisecond sine wave burst (10% duty
cycle) is presented to the amplifier and moni-
tored for nonlinear distortion. The average power
during the burst is reported. This power level is a
measurement of the amplifier’s maximum tran-
sient power than can be perceived by the human
ear.

Operation Manual
MA 2402 Power Amplifier
page 24
Figure 8.2 Macro-Tech 2402 Minimum Power Matrix
8 Specifications
Minimum Power Notes:
All minimum power specifications are based on
0.1% regulated AC mains and an ambient room
temperature of 70°F (21°C). International units
with multi-tap transformers are specified for the
worst-case transformer tap (normally 100 VAC,
50 Hz). The standard EIA power measurement
(RS-490) is not identified here because it is
identical to the FTC Continuous Average Power
specification.
1. A 1-kHz sine wave is presented to the ampli-
fier and the output monitored for nonlinear dis-
tortion. The level is increased until the THD
reaches 0.1%. At this level the average power
per channel is reported.
2. A sine wave is presented to the amplifier over
the range from 20 Hz to 20 kHz and the output
monitored for nonlinear distortion. The level at
each frequency is increased until the THD
reaches 0.1%. At this level the average power
per channel is reported.
3. A 1-kHz sine wave is presented to the ampli-
fier and the output monitored for nonlinear dis-
tortion. The level is increased until the THD
reaches 0.05%. At this level the average power
per channel is reported.
4. Continuous power in the context of Federal
Trade Commission testing is understood to be a
minimum of five minutes of operation. Harmonic
distortion is measured as the RMS sum total and
given as a percentage of the fundamental output
voltage. This applies for all wattages greater than
0.25 watts.

page 25
MA 2402 Power Amplifier
Operation Manual
Here are the equations used to calculate the data presented in Figure 9.1:
The quiescent power draw of 90 watts is a maximum value and includes
power drawn by the fan. The following equation converts power draw in
watts to current draw in amperes:
The power factor of 0.83 is needed to compensate for the difference in
phase between the AC mains voltage and current. The following equa-
tion is used to calculate thermal dissipation:
The constant 0.35 is inefficiency (1.00–0.65) and the
factor 3.415 converts watts to btu/hr. Thermal dissipation in btu is
divided by the constant 3.968 to get kcal. If you plan to measure output
power under real-world conditions, the following equation may also be
helpful:
This section provides detailed information about the amount of power
and current drawn from the AC mains by the Macro-Tech 2402 amplifier
and the amount of heat produced under various conditions. The calcula-
tions presented here are intended to provide a realistic and reliable
depiction of the amplifier. The following assumptions or approximations
were made:
• The amplifier’s available channels are loaded, and full power is being
delivered.
• Amplifier efficiency at standard 1 kHz power is estimated to be 65%.
• Quiescent power draw is 90 watts (an almost negligible amount for
full-power calculations).
• Quiescent thermal dissipation equals 105btu/hr at 90 watts.
• The estimated duty cycles take into account the typical crest factor for
each type of source material.
• Duty cycle of pink noise is 50%.
• Duty cycle of highly compressed rock ‘n’ roll midrange is 40%.
• Duty cycle of rock ‘n’ roll is 30%.
• Duty cycle of background music is 20%.
• Duty cycle of continuous speech is 10%.
• Duty cycle of infrequent, short duration paging is 1%.
9 AC Power Draw and Thermal Dissipation
AC Mains Power
Draw (watts) =
Total output power with all
channels driven (watts) xDuty
Cycle
Amplifier Efficiency (.65) +Quiescent Power
Draw (watts)
Current Draw
(amperes) =
AC Mains Power
Draw (watts)
x
AC Mains
Volta
g
e
Power
Factor
(
.83
)
Total output power with all
channels driven (watts)
Thermal
Dissipation
(btu/hr)
=+Quiescent Power
Draw (watts)
xDuty
Cycle
Amplifier Efficiency (.65)
()
x3.415
.35
x
Total measured output power
from all channels (watts)
Thermal
Dissipation
(btu/hr)
=+Quiescent Power
Draw (watts)
.35
x
Amplifier Efficiency (.65)
()
x3.415

Operation Manual
MA 2402 Power Amplifier
page 26
Figure 9.1 Macro-Tech 2402
Power Draw, Current Draw
and Thermal Dissipation at
Various Duty Cycles
9 AC Power Draw and
Thermal Dissipation

page 27
MA 2402 Power Amplifier
Operation Manual
Crown amplifiers are quality units that rarely require ser-
vicing. Before returning your unit for service, please con-
tact Crown Technical Support to verify the need for
servicing.
This unit has very sophisticated circuitry which should
only be serviced by a fully trained technician. This is one
reason why each unit bears the following label:
CAUTION: To prevent electric shock, do not
remove covers. No user serviceable parts
inside. Refer servicing to a qualified technician.
Complete the Crown Audio Factory Service Information
form, in the back of this manual, when returning a Crown
product to the factory or authorized service center. The
form must be included with your product inside the box
or in a packing slip envelope securely attached to the
outside of the shipping carton. Do not send this form
separately.
10.1 International and Canada Service
Service may be obtained from an authorized service cen-
ter. (Contact your local Crown/Amcron representative or
our office for a list of authorized service centers.) To
obtain service, simply present the bill of sale as proof of
purchase along with the defective unit to an authorized
service center. They will handle the necessary paperwork
and repair.
Remember to transport your unit in the original factory
pack.
10.2 US Service
Service may be obtained in one of two ways: from an
authorized service center or from the factory. You may
choose either. It is important that you have your copy of
the bill of sale as your proof of purchase.
10.2.1 Service at a US Service Center
This method usually saves the most time and effort. Sim-
ply present your bill of sale along with the defective unit
to an authorized service center to obtain service. They
will handle the necessary paperwork and repair. Remem-
ber to transport the unit in the original factory pack. A list
of authorized service centers in your area can be obtained
from Crown Factory Service, or online from
http://www.crownaudio.com/support/servcent.htm.
10.2.2 Factory Service
Crown accepts no responsibility for non-serviceable
product that is sent to us for factory repair. It is the
owner’s responsibility to ensure that their product is ser-
viceable prior to sending it to the factory. Serviceable
product list is available at
http://crownweb.crownintl.com/crownrma/.
For more information, please contact us direct.
A Service Return Authorization (SRA) is required for
product being sent to the factory for repair. An SRA can
be completed online at www.crownaudio.com/support/
factserv.htm. If you do not have access to the web, please
call Crown’s Customer Service at 574.294.8200 or
800.342.6939 extension 8205.
For warranty service, we will pay for ground shipping
both ways in the United States. Contact Crown Customer
Service to obtain prepaid shipping labels prior to send-
ing the unit. Or, if you prefer, you may prepay the cost of
shipping, and Crown will reimburse you. Send copies of
the shipping receipts to Crown to receive reimbursement.
Your repaired unit will be returned via UPS ground.
Please contact us if other arrangements are required.
10.2.3 Factory Service Shipping Instruc-
tions:
1. Service Return Authorization (SRA) is required for
product being sent to the factory for service. Please
complete the SRA by going to
www.crownaudio.com/support/factserv.htm. If you
do not have access to our website, call
1.800.342.6939, extension 8205 and we'll create the
SRA for you.
2. See packing instructions that follow.
3. Ship product to:
CROWN AUDIO FACTORY SERVICE
1718 W MISHAWKA RD.
ELKHART, IN 46517
4. Use a bold black marker and write the SRA number
on three sides of the box.
5. Record the SRA number for future reference. The
SRA number can be used to check the repair status.
10.2.4 Packing Instructions
Important: These instructions must be followed. If they
are not followed, Crown Audio, Inc. assumes no respon-
sibility for damaged goods and/or accessories that are
sent with your unit.
1. Fill out and include the Crown Audio Factory Ser-
vice Information sheet in the back of this manual.
2. Do not ship any accessories (manuals, cords, hard-
ware, etc.) with your unit. These items are not
needed to service your product. We will not be
responsibility for these items.
3. When shipping your Crown product, it is important
that it has adequate protection. We recommend you
use the original pack material when returning the
product for repair. If you do not have the original
box, please call Crown at 800.342.6939 or
574.294.8210 and order new pack material. See
instructions for “foam-in-place” shipping pack. (Do
not ship your unit in a wood or metal cabinet.)
4. If you provide your own shipping pack, the mini-
mum recommended requirements for materials are
as follows:
a. 275 P.S.I. burst test, Double-Wall carton that allows
for 2-inch solid Styrofoam on all six sides of unit or
3 inches of plastic bubble wrap on all six sides of
unit.
b. Securely seal the package with an adequate carton
sealing tape.
c. Do not use light boxes or “peanuts”. Damage caused
by poor packaging will not be covered under war-
ranty.
Using your 'foam-in-place' shipping pack
Note: The foam-in-place packing is molded so that there
is only one correct position for your product.
1. Open carton and lift center cushion leaving both
end-cushions in place.
2. Carefully place your product with the product's front
panel facing the same direction as arrows indicate.
10 Service
3. Reset center cushion down over top of product's
chassis. The foam-in-place packing was molded to
accommodate different chassis depth sizes. If your
product's chassis does not completely fill the foam-
in-place cavity, you may use a soft but solid packing
material (such as paper or bubble wrap) behind the
chassis.
4. Enclose the completed Crown Audio Factory Service
Information form (or securely attach it to the outside
of carton) and re-seal the shipping pack with a
sturdy carton sealing tape.
10.2.5 Estimate Approval
Approval of estimate must be given within 90 days after
being notified by Crown Audio Inc. Units still in the pos-
session of Crown after 90 days of the estimate will
become the property of Crown Audio Inc.
10.2.6 Payment of Non-Warranty Repairs
Payment on out-of-warranty repairs must be received
within 90 days of the repair date. Units unclaimed after
90 days become the property of Crown Audio Inc.
If you have any questions, please contact Crown Factory
Service.
Crown Factory Service
1718 W. Mishawaka Rd.,
Elkhart, Indiana 46517 U.S.A.
Telephone:
574.294.8200
800.342.6939 (North America,
Puerto Rico, and Virgin Islands only)
Facsimile:
574.294.8301 (Technical Support)
574.294.8124 (Factory Service)
Internet:
http://www.crownaudio.com

Operation Manual
MA 2402 Power Amplifier
page 28
YEAR
3
SUMMARY OF WARRANTY
Crown International, 1718 West Mishawaka
Road, Elkhart, Indiana 46517-4095 U.S.A. war-
rants to you, the ORIGINAL PURCHASER and
ANY SUBSEQUENT OWNER of each NEW Crown
product, for a period of three (3) years from the
date of purchase by the original purchaser (the
“warranty period”) that the new Crown product is
free of defects in materials and workmanship. We
further warrant the new Crown product regardless
of the reason for failure, except as excluded in
this Warranty.
ITEMS EXCLUDED FROM THIS
CROWN WARRANTY
This Crown Warranty is in effect only for failure of
a new Crown product which occurred within the
Warranty Period. It does not cover any product
which has been damaged because of any inten-
tional misuse, accident, negligence, or loss which
is covered under any of your insurance contracts.
This Crown Warranty also does not extend to the
new Crown product if the serial number has been
defaced, altered, or removed.
WHAT THE WARRANTOR WILL DO
We will remedy any defect, regardless of the rea-
son for failure (except as excluded), by repair,
replacement, or refund. We may not elect refund
unless you agree, or unless we are unable to pro-
vide replacement, and repair is not practical or
cannot be timely made. If a refund is elected, then
you must make the defective or malfunctioning
product available to us free and clear of all liens
or other encumbrances. The refund will be equal
to the actual purchase price, not including inter-
est, insurance, closing costs, and other finance
charges less a reasonable depreciation on the
product from the date of original purchase. War-
ranty work can only be performed at our autho-
rized service centers or at the factory. Warranty
work for some products can only be performed at
our factory. We will remedy the defect and ship
the product from the service center or our factory
within a reasonable time after receipt of the defec-
tive product at our authorized service center or
our factory. All expenses in remedying the defect,
including surface shipping costs in the United
States, will be borne by us. (You must bear the
expense of shipping the product between any for-
eign country and the port of entry in the United
States including the return shipment, and all
taxes, duties, and other customs fees for such
foreign shipments.)
HOW TO OBTAIN WARRANTY
SERVICE
You must notify us of your need for warranty ser-
vice within the warranty period. All components
must be shipped in a factory pack, which, if
needed, may be obtained from us free of charge.
Corrective action will be taken within a reason-
able time of the date of receipt of the defective
product by us or our authorized service center. If
the repairs made by us or our authorized service
center are not satisfactory, notify us or our autho-
rized service center immediately.
DISCLAIMER OF CONSEQUENTIAL
AND INCIDENTAL DAMAGES
YOU ARE NOT ENTITLED TO RECOVER FROM
US ANY INCIDENTAL DAMAGES RESULTING
FROM ANY DEFECT IN THE NEW CROWN
PRODUCT. THIS INCLUDES ANY DAMAGE TO
ANOTHER PRODUCT OR PRODUCTS RESULT-
ING FROM SUCH A DEFECT. SOME STATES DO
NOT ALLOW THE EXCLUSION OR LIMITATIONS
OF INCIDENTAL OR CONSEQUENTIAL DAM-
AGES, SO THE ABOVE LIMITATION OR EXCLU-
SION MAY NOT APPLY TO YOU.
WARRANTY ALTERATIONS
No person has the authority to enlarge, amend, or
modify this Crown Warranty. This Crown War-
ranty is not extended by the length of time which
you are deprived of the use of the new Crown
product. Repairs and replacement parts provided
under the terms of this Crown Warranty shall
carry only the unexpired portion of this Crown
Warranty.
DESIGN CHANGES
We reserve the right to change the design of any
product from time to time without notice and with
no obligation to make corresponding changes in
products previously manufactured.
LEGAL REMEDIES OF PURCHASER
THIS CROWN WARRANTY GIVES YOU SPECIFIC
LEGAL RIGHTS, YOU MAY ALSO HAVE OTHER
RIGHTS WHICH VARY FROM STATE TO STATE.
No action to enforce this Crown Warranty shall be
commenced after expiration of the warranty
period.
THIS STATEMENT OF WARRANTY SUPERSEDES
ANY OTHERS CONTAINED IN THIS MANUAL
FOR CROWN PRODUCTS. 7/01
SUMMARY OF WARRANTY
Crown International, 1718 West Mishawaka Road,
Elkhart, Indiana 46517-4095 U.S.A. warrants to
you, the ORIGINAL PURCHASER and ANY SUB-
SEQUENT OWNER of each NEW Crown1 product,
for a period of three (3) years from the date of
purchase by the original purchaser (the “warranty
period”) that the new Crown product is free of
defects in materials and workmanship, and we
further warrant the new Crown product regardless
11 Warranty
UNITED STATES & CANADA

page 29
MA 2402 Power Amplifier
Operation Manual
YEAR
3
11 Warranty WORLDWIDE EXCEPT USA & CANADA
of the reason for failure, except as excluded in this
Warranty.
1 Note: If your unit bears the name “Amcron,” please substitute it
for the name “Crown” in this warranty.
ITEMS EXCLUDED FROM THIS CROWN-
WARRANTY
This Crown Warranty is in effect only for failure of
a new Crown product which occurred within the
Warranty Period. It does not cover any product
which has been damaged because of any inten-
tional misuse, accident, negligence, or loss which
is covered under any of your insurance contracts.
This Crown Warranty also does not extend to the
new Crown product if the serial number has been
defaced, altered, or removed.
WHAT THE WARRANTOR WILL DO
We will remedy any defect, regardless of the rea-
son for failure (except as excluded), by repair,
replacement, or refund. We may not elect refund
unless you agree, or unless we are unable to pro-
vide replacement, and repair is not practical or
cannot be timely made. If a refund is elected, then
you must make the defective or malfunctioning
product available to us free and clear of all liens
or other encumbrances. The refund will be equal
to the actual purchase price, not including inter-
est, insurance, closing costs, and other finance
charges less a reasonable depreciation on the
product from the date of original purchase. War-
ranty work can only be performed at our autho-
rized service centers. We will remedy the defect
and ship the product from the service center
within a reasonable time after receipt of the defec-
tive product at our authorized service center.
HOW TO OBTAIN WARRANTY SERVICE
You must notify your local Crown importer of
your need for warranty service within the warranty
period. All components must be shipped in the
original box. Corrective action will be taken within
a reasonable time of the date of receipt of the
defective product by our authorized service center.
If the repairs made by our authorized service cen-
ter are not satisfactory, notify our authorized ser-
vice center immediately.
DISCLAIMER OF CONSEQUENTIAL AND
INCIDENTAL DAMAGES
YOU ARE NOT ENTITLED TO RECOVER FROM
US ANY INCIDENTAL DAMAGES RESULTING
FROM ANY DEFECT IN THE NEW CROWN
PRODUCT. THIS INCLUDES ANY DAMAGE TO
ANOTHER PRODUCT OR PRODUCTS RESULT-
ING FROM SUCH A DEFECT.
WARRANTY ALTERATIONS
No person has the authority to enlarge, amend, or
modify this Crown Warranty. This Crown Warranty
is not extended by the length of time which you are
deprived of the use of the new Crown product.
Repairs and replacement parts provided under the
terms of this Crown Warranty shall carry only the
unexpired portion of this Crown Warranty.
DESIGN CHANGES
We reserve the right to change the design of any
product from time to time without notice and with
no obligation to make corresponding changes in
products previously manufactured.
LEGAL REMEDIES OF PURCHASER
No action to enforce this Crown Warranty shall be
commenced after expiration of the warranty
period.
THIS STATEMENT OF WARRANTY SUPERSEDES
ANY OTHERS CONTAINED IN THIS MANUAL FOR
CROWN PRODUCTS. 12/01

Operation Manual
MA 2402 Power Amplifier
page 30
NOTES

page 31
MA 2402 Power Amplifier
Operation Manual
Online registration is also available at http://crownweb.crownintl.com/webregistration
When this form is used to register your product, it may be mailed or faxed.
Crown Audio, Inc. Fax: 574-294-8329
1718 W Mishawaka Rd
Elkhart IN 46517-9439
Please note that some information is required. Incomplete registrations will not be processed. * Indicates required information.
OWNER'S INFORMATION - PLEASE PRINT
* First name: ______________________ Middle initial: _____ * Last name: ________________________________
Company: _________________________________________________________________________________
* Mailing address: ____________________________________________________________________________
* City: ____________________________* State: ___________________________* Zip Code: ________________
* Country: __________________________ E-mail address: ___________________________________________
* Phone # (include area code): ___________________________ Fax #: __________________________________
* MODEL * SERIAL # PURCHASE DATE
ie. I-T8000, CDi 1000, PCC-160 mo/day/yr
________________________________ ____________________ ______ /_____ /_____
________________________________ ____________________ ______ /_____ /_____
________________________________ ____________________ ______ /_____ /_____
________________________________ ____________________ ______ /_____ /_____
Product purchased from: ___________________________ City: __________________ State: ___________
Comments: ____________________________________________________________________________________
_____________________________________________________________________________________________
_____________________________________________________________________________________________
Crown Audio, Inc.
1718 W. Mishawaka Rd.
Elkhart, IN 46517-9439
Phone: 574-294-8000
Fax: 574-294-8329
www.crownaudio.com
PRODUCT REGISTRATION
PRODUCT INFORMATION
CUT ON THIS LINE
THIS PAGE INTENTIONALLY LEFT BLANK

page 33
MA 2402 Power Amplifier
Operation Manual
Crown Factory Service Information
Shipping Address: Crown Factory Service, 1718 W. Mishawaka Rd., Elkhart, IN 46517
PLEASE PRINT CLEARLY
SRA #: __________________(If sending product to Crown factory service.) Model: _________________________________ Serial Number: _____________________ Purchase Date: ________________
PRODUCT RETURN INFORMATION
Individual or Business Name:
___________________________________________________________________________________________________________________________________________________________________________
Phone #: __________________________________________________ Fax #: ________________________________________ Email: ____________________________________________________
Street Address (please, no P.O. Boxes):
___________________________________________________________________________________________________________________________________________________________________________
City: __________________________________________ State/Prov: ________________________________ Postal Code: _________________ Country: _____________________
Nature of problem:
___________________________________________________________________________________________________________________________________________________________________________
___________________________________________________________________________________________________________________________________________________________________________
___________________________________________________________________________________________________________________________________________________________________________
Other equipment in your system:
___________________________________________________________________________________________________________________________________________________________________________
If warranty is expired, please provide method of payment. Proof of purchase may be required to validate warranty.
PAYMENT OPTIONS
I have open account payment terms. Purchase order required. PO#____________________________________________________ COD
Credit Card (Information below is required; however if you do not want to provide this information at this time, we will contact you for the information when your unit is repaired).
Credit card information:
Type of credit card: Master Card Visa American Express Discover
Type of credit card account: Personal/Consumer Business/Corporate
Card # ______________________________________________ Exp. date: _____________ * Card ID #: __________________________
* Card ID # is located on the back of the card following the credit card #, in the signature area. On American Express, it may be located on the front of the card. This number is required to process the charge to your account. If you do not want
to provide it at this time, we will call you to obtain this number when the repair of your unit is complete.
Name on credit card: ____________________________________________________________________________
Billing address of credit card: __________________________________________________________________________
__________________________________________________________________________
__________________________________________________________________________

Operation Manual
MA 2402 Power Amplifier
page 34
THIS PAGE INTENTIONALLY LEFT BLANK

page 35
MA 2402 Power Amplifier
Operation Manual
THIS PAGE INTENTIONALLY LEFT BLANK
