Cub Cadet 1027 Operators Manual 820216 ManualsLib Makes It Easy To Find Manuals Online! User
2016-05-06
User Manual: Cub-Cadet Cub-Cadet-1027-Operators-Manual-820216
Open the PDF directly: View PDF
.
Page Count: 40

IMPORTANT: Read safety rules and instructions carefully before operating equipment.
Riding Mower
Internal Bagging System
Model 1027
(13A-328-101)
PRINTED IN U.S.A.
Operator’s Manual
FORM NO. 770-10094B.fm
(12/99)
CUB CADET CORP. P.O. BOX 368023 CLEVELAND, OHIO 44136-9722
Warning: This unit is equipped with an internal combustion engine and should not be used on or near any unimproved forest-
covered, brush-covered or grass-covered land unless the engine’s exhaust system is equipped with a spark arrester meeting
applicable local or state laws (if any). If a spark arrester is used, it should be maintained in effective working order by the operator.
In the State of California the above is required by law (Section 4442 of the California Public Resources Code). Other states may have
similar laws. Federal laws apply on federal lands. A spark arrester for the muffler is available through your nearest engine authorized
service dealer or contact the service department, P.O. Box 368023 Cleveland, Ohio 44136-9722.

2
TABLE OF CONTENTS
Content Page
Important Safe Operation Practices...................................................................3
Slope Gauge......................................................................................................6
Assembling Your Riding Mower.........................................................................7
Know Your Riding Mower...................................................................................9
Operating Your Riding Mower............................................................................11
Making Adjustments ..........................................................................................13
Servicing Your Rider Mower ..............................................................................15
Maintaining Your Riding Mower .........................................................................17
Off-Season Storage........................................................................................... 19
Troubleshooting.................................................................................................20
Parts List............................................................................................................22
FINDING MODEL NUMBER
This Operator’s Manual is an important part of your new riding mower. It will help you assemble, prepare
and maintain the unit for best performance. Please read and understand what it says.
Before you start assembling your new equipment, please locate the model plate on the
equipment and copy the information from it in the space provided below. The information on
the model plate is very important if you need help from our Customer Dealer Referral line.
• You can locate the model plate by pivoting the cover upward and looking under the frame. A sample
model plate is explained below. For future reference, please copy the model number and the serial
number of the equipment in the space below.
CALLING CUSTOMER SUPPORT
If you have difficulty assembling this product or have any questions regarding the controls, operation or
maintenance of this unit, please call the Customer Dealer Referral Line.
Call 1- (800)-528-1009 to reach a Customer Support representative. Please have your unit’s
model number and serial number ready when you call. See previous section to locate this
information. You will be asked to enter the serial number in order to process your call .
Copy the model number here:
Copy the serial number here:
(Model Number) (Serial Number)
CUB CADET CORP.
CLEVELAND, OHIO 44136
P.O. BOX 368023

3
SECTION 1: IMPORTANT SAFE OPERATION PRACTICES
This symbol points out important safety instructions which, if not followed, could endanger the
personal safety and/or property of yourself and others. Read and follow all instructions in this manual
before attempting to operate your rider mower. Failure to comply with these instructions may result in
personal injury. When you see this symbol—heed its warning.
Your rider mower was built to be operated according to the rules for safe operation in this manual. As with any type
of power equipment, carelessness or error on the part of the operator can result in serious injury. If you violate any
of these rules, you may cause serious injury to yourself or others.
WARNING: The engine exhaust from this product contains chemicals known to the State of
California to casue cancer, birth defects or other reproductive harm.
General Operation
• Read, understand, and follow all instructions in the
manual and on the machine before starting. Keep
this manual in a safe place for future and regular
reference and for ordering replacement parts.
• Only allow responsible individuals familiar with the
instructions to operate the machine. Know controls
and how to stop the machine quickly.
• Do not put hands or feet under cutting deck or near
rotating parts.
• Clear the area of objects such as rocks, toys, wire,
etc., which could be picked up and thrown by the
blade. A small object may have been overlooked
and could be accidentally thrown by the mower in
any direction and cause injury to you or a
bystander. To help avoid a thrown objects injury,
keep children, bystanders and helpers at least 75
feet from the mower while it is in operation. Always
wear safety glasses or safety goggles during
operation or while performing an adjustment or
repair, to protect eyes from foreign objects. Stop
the blade(s) when crossing gravel drives, walks or
roads.
• Be sure the area is clear of other people before
mowing. Stop machine if anyone enters the area.
Never carry passengers.
• Disengage blade(s) before shifting into reverse and
backing up. Always look down and behind before
and while backing.
• Be aware of the mower and attachment discharge
direction and do not point it at anyone. Do not
operate the mower without either the entire grass
catcher or the chute guard in place.
• Slow down before turning. Operate the machine
smoothly. Avoid erratic operation and excessive
speed.
• Never leave a running machine unattended.
Always turn off blade(s), place transmission in
neutral, set park brake, stop engine and remove
key before dismounting.
• Turn off blade(s) when not mowing.
• Stop engine and wait until blade(s) comes to a
complete stop before (a) removing grass catcher or
unclogging chute, or (b) making any repairs,
adjusting or removing any grass or debris.
• Mow only in daylight or good artificial light.
• Do not operate the machine while under the
influence of alcohol or drugs.Watch for traffic when
operating near or crossing roadways.
• Use extra care when loading or unloading the
machine into a trailer or truck. This unit should not
be driven up or down a ramp onto a trailer or truck
under power, because the unit could tip over,
causing serious personal injury. The unit must be
pushed manually on a ramp to load or unload
properly.
• Never make cutting height adjustment while engine
is running, if operator must dismount to do so.
• Wear sturdy, rough-soled work shoes and close-
fitting slacks and shirts. Do not wear loose fitting
clothes or jewelry. They can be caught in moving
parts. Never operate a unit in bare feet, sandals, or
sneakers.
• Check overhead clearance carefully before driving
under power lines, wires, bridges or low hanging
tree branches, before entering or leaving buildings,
or in any other situation where the operator may be
struck or pulled from the unit, which could result in
serious injury.
• Disengage all attachment clutches, thoroughly
depress the brake pedal, and shift into neutral
before attempting to start engine.
• Your mower is designed to cut normal residential
grass of a height no more than 10". Do not attempt
to mow through unusually tall, dry grass (e.g.,
pasture) or piles of dry leaves. Debris may build up
on the mower deck or contact the engine exhaust
presenting a potential fire hazard.
Slope Operation
• Slopes are a major factor related to loss of control
and tip-over accidents which can result in severe

4
injury or death. All slopes require extra caution. If
you cannot back up the slope or if you feel uneasy
on it, do not mow it.
• For your safety, use the slope gauge included as
part of this manual to measure slopes before
operating this unit on a sloped or hilly area. If the
slope is greater than 15° as shown on the slope
gauge, do not operate this unit in that area or
serious injury could result.
Do:
• Mow up and down slopes, not across.
• Remove obstacles such as rocks, limbs, etc.
• Watch for holes, ruts or bumps. Uneven terrain
could overturn the machine. Tall grass can hide
obstacles.
• Use slow speed. Choose a low enough gear so that
you will not have to stop or shift while on the slope.
Always keep machine in gear when going down
slopes to take advantage of engine braking action.
• Follow the manufacturer’s recommendations for
wheel weights or counterweights to improve
stability.
• Use extra care with grass catchers or other
attachments. These can change the stability of the
machine.
• Keep all movement on the slopes slow and gradual.
Do not make sudden changes in speed or direction.
Rapid engagement or braking could cause the front
of the machine to lift and rapidly flip over backwards
which could cause serious injury.
• Avoid starting or stopping on a slope. If tires lose
traction, disengage the blade(s) and proceed slowly
straight down the slope.
Do Not:
• Do not turn on slopes unless necessary; then, turn
slowly and gradually downhill, if possible.
• Do not mow near drop-offs, ditches or
embankments.The mower could suddenly turn over
if a wheel is over the edge of a cliff or ditch, or if an
edge caves in.
• Do not mow on wet grass. Reduced traction could
cause sliding.
• Do not try to stabilize the machine by putting your
foot on the ground.
• Do not use grass catcher on steep slopes.
Children
• Tragic accidents can occur if the operator is not
alert to the presence of children. Children are often
attracted to the machine and the mowing activity.
Never assume that children will remain where you
last saw them.
• Keep children out of the mowing area and in
watchful care of an adult other than the operator.
• Be alert and turn machine off if children enter the
area.
• Before and when backing, look behind and down
for small children.
• Never carry children. They may fall off and be
seriously injured or interfere with the safe machine
operation.
• Never allow children under 14 years old to operate
the machine. Children 14 years and over should
only operate machine under close parental
supervision and proper instruction.
• Use extra care when approaching blind corners,
shrubs, trees or other objects that may obscure
your vision of a child or other hazard.
• Remove key when machine is unattended to
prevent unauthorized operation.
Service
• Use extreme care in handling gasoline and other
fuels. They are extremely flammable and the
vapors are explosive.
a. Use only an approved container.
b. Never remove fuel cap or add fuel with the
engine running. Allow engine to cool at least
two minutes before refueling.
c. Replace fuel cap securely and wipe off any
spilled fuel before starting the engine as it may
cause a fire or explosion.
d. Extinguish all cigarettes, cigars, pipes and
other sources of ignition.
e. Never refuel the machine indoors because fuel
vapors will accumulate in the area.
f. Never store the fuel container or machine
inside where there is an open flame or spark,
such as a gas hot water heater, space heater
or furnace.
• Never run a machine inside a closed area.
• To reduce fire hazard, keep the machine free of
grass, leaves or other debris build-up. Clean up oil
or fuel spillage. Allow machine to cool at least 5
minutes before storing.
• Before cleaning, repairing or inspecting, make
certain the blade and all moving parts have
stopped. Disconnect the spark plug wire, and keep
the wire away from the spark plug to prevent
accidental starting.
• Check the blade and engine mounting bolts at
frequent intervals for proper tightness. Also,
visually inspect blade for damage (e.g., excessive
wear, bent, cracked). Replace with blade which
meets original equipment specifications.
• Keep all nuts, bolts and screws tight to be sure the
equipment is in safe working condition.
• Never tamper with safety devices. Check their
proper operation regularly. Use all guards as
instructed in this manual.
• After striking a foreign object, stop the engine,
remove the wire from the spark plug and thoroughly
inspect the mower for any damage. Repair the
damage before restarting and operating the mower.

5
• Grass catcher components are subject to wear,
damage and deterioration, which could expose
moving parts or allow objects to be thrown. For your
safety protection, frequently check components
and replace with manufacturer’s recommended
parts when necessary.
• Mower blades are sharp and can cut. Wrap the
blade(s) or wear gloves and use extra caution when
servicing blade(s).
• Check brake operation frequently. Adjust and
service as required.
• Muffler, engine and belt guards become hot during
operation and can cause a burn. Allow to cool down
before touching.
• Do not change the engine governor settings or
overspeed the engine. Excessive engine speeds
are dangerous.
• Observe proper disposal laws and regulations.
Improper disposal of fluids and materials can harm
the environment and the ecology.
a. Prior to disposal, determine the proper method
to dispose of waste from your local office of
Environmental Protection Agency. Recycling
centers are established to properly dispose of
materials in an environmentally safe fashion.
b. Use proper containers when draining fluids. Do
not use food or beverage containers that may
mislead someone into drinking from them.
Properly dispose of the containers immediately
following the draining of fluids.
c. DO NOT pour oil or other fluids into the ground,
down a drain or into a stream, pond, lake or
other body of water. Observe Environmental
Protection Agency regulations when disposing
of oil, fuel, coolant, brake fluid, filters, batteries,
tires and other harmful waste.
• Illustrated below are the location and part numbers of all labels found on your rider mower. Please follow the
instruction on these labels. For replacement labels, please order by the part numbers.
LIFT HERE
777I20800

6
SECTION 2: SLOPE GUAGE
15°
SIGHT AND HOLD THIS LEVEL WITH A VERTICAL TREE
A POWER POLE
A CORNER OF A BUILDING
OR A FENCE POST
FOLD ON DOTTED LINE, REPRESENTING A 15° SLOPE
Do not mow on inclines with a slope in excess of 15 degrees (a rise of approximately 2-1/2 feet every 10 feet).
A riding mower could overturn and cause serious injury. If operating a walk-behind mower on such a slope, it
is extremely difficult to maintain your footing and you could slip, resulting in serious injury.
Operate RIDING mowers up and down slopes, never across the face of slopes.
Operate WALK-BEHIND mowers across the face of slopes, never up and down slopes.
WARNING
USE THIS PAGE AS A GUIDE TO DETERMINE SLOPES WHERE YOU MAY NOT
OPERATE RIDER SAFELY:

7
SECTION 3: UNPACKING & ASSEMBLING YOUR RIDER MOWER
•Remove all screws and staples from crate.
•Holding the sides of the crate firmly, lift the top of
the crate up and keep it aside. Avoid tire punctures.
•Remove and discard plastic bag covering the unit.
•Lift the rear of the mower and clear the bottom of
the crate. Repeat for the front.
•Be sure parking brake is disengaged; roll unit out of
the crate’s way.
Loose Parts
•Remove loose parts from the grass catcher and/or
the crate very carefully. Refer to Figure 1.
1. Operator’s manual (not shown in Figure 1)
2. Mulching plug & side-discharge chute
3. Oil drain sleeve
4. Ignition keys (not shown in Figure 1)
5. Bumper (optional)
Figure 1
Attaching Battery Cables
The battery is located under the hood assembly above
the left rear wheel. Refer to Figure 3 .
•To access the battery, lift the hood assembly from
the left side of the hood only. Stand on the right side
of the unit and pivot the hood assembly towards
you until fully opened. See Figure 2 .
CAUTION: Do not lift the hood assembly by the two
vent openings located behind the seat.
Figure 2
•Remove both wing nuts securing the battery and
cover to the battery hold-down rods. See Figure 3 .
•Remove red and black insulation caps from battery
terminals. See Figure 3
•Remove battery terminal screws with a Phillips
screw driver or a 10 mm. socket wrench.
•Attach the red battery cable to the positive terminal
(marked +), and the black battery cable to the
negative terminal (marked -) on the battery. See
Figure 3 .
•Align the cables with the slots in the battery cover
and tighten the screws on the battery terminals.
WARNING: Press the battery cables
against side of battery so that these do not
make contact with flange of rider frame
when it is opened or closed.
•Reassemble the battery cover to the hold-down
rods on two ends with the two wing nuts removed
earlier. Check to ensure that the cables pass easily
through slots in cover.
•Place your right hand on the left side of the seat and
slowly lower the hood assembly untill it is fully
closed.
CAUTION: Do not place your hand around the bottom
edge of the hood assembly; it may get pinched between
the hood assembly and grass catcher or the frame rail.
Figure 3
Attaching Side-Discharge Chute
Your riding mower is shipped to you with the grass
catcher fully assembled on the unit. A side-discharge
chute and a mulching plug are included as loose parts.
Follow the instructions below to attach the side-
discharge chute.
WARNING: Do not operate the mower if
any one of the grass catcher, discharge
chute or mulching plug is not firmly
installed on the mower.
Side-Discharge
Chute
Mulching
Plug Bumper
Oil Drain
Sleeve
Vent
Opening
Hood Assembly
Battery
Cable
Battery
Rider
Frame
Wing
Positive
Wing
Nut Negative
Terminal
Cover
Nut
Terminal

8
•Pivot the hood assembly up and lower the cutting
height adjustment lever to the lowest position.
•Remove the two wing nuts (A and B in Figure 4 )
from two ends of the grasscatcher chute.
•Loosen the two wing nuts (C and D in Figure 4 ) in
the middle of the chute. Do not remove. All four
wing nuts hold the chute to the deck frame.
•Slide the grasscatcher chute to the right and out of
the deck frame. Slide the side-discharge chute in
and place it on the deck so that the four wing nut
positions align with those on the deck.
•Reinsert wing nuts A and B. Tighten to secure.
Tighten the two wing nuts C and D.
Figure 4
Attaching Mulch Plug
While operating your rider mower, you have three
options: (i) to collect grass clippings in the grass
catcher, (ii) to discharge grass clippings on the side, or
(iii) to mulch grass and recirculate clippings back to the
lawn. For the third option, attach the mulching plug to
the side-discharge chute and then to the deck.
•Put two hex bolts through the mulching plug at the
respective openings. See Figure 5 .
Figure 5
•Place speed nuts over the hex bolts.
•Insert the plug into the side-discharge chute
aligning the two slots on two sides of the side-
discharge chute with those on the mulching plug.
•To attach the mulching plug now to the unit, follow
instructions on previous page to attach side-
discharge chute to the deck.
•Place wing nut on each of the hex bolts and thread
a few turns. See Figure 5 . Check that the mulch
plug is aligned correctly within the discharge chute.
•Tighten both wing nuts
Attaching Bumper
•Remove bumper from the grass catcher.
•Loosen and remove the two hex bolts and lock nuts
from the front rail on the rider mower. See Figure 6 .
•Align the two holes on the bumper tube with the
corresponding holes on the rider frame (from where
you removed the hardware). See Figure 6.
•Re-insert the two hex bolts through the bumper and
the rider frame and secure with the two lock nuts.
See Figure 6 .
Figure 6
Attaching Hitch Plate
The hitch plate was loosely attached to the rear frame
of the rider for shipping purposes.
•Loosen the nut attaching the hitch plate to the
frame and swing the plate outward. Make sure that
the wider side of the hitch plate aligns with the rear
frame as shown in Figure 7 .
•Remove the hex bolt, lock washer and hex nut from
the other end of the rear frame. Save the hardware.
•Align the hole on the hitch plate with the
corresponding hole on the rear frame assembly
(from where you removed the hardware).
•Re-insert the hex bolt through the hitch plate and
the rear frame. Secure with the lock washer and
hex nut removed earlier. See Figure 7 . Tighten
both sets of hardware.
Figure 7
Grass Catcher
Chute
Side-
Discharge
Chute
Wing
Nut A
Wing
Nut D
Wing
Nut B
Wing
Nut C
Side Discharge Chute
Mulching
AB
Wing Nut
Speed
Nut
Plug
Hex Bolt
Lock
Nut
Bumper
Hex Bolt
Rider Frame
Rail
Rear
Hitch Plate Hex Bolt
Lock
Washer
Hex
Frame
Nut

9
SECTION 4: KNOW YOUR RIDER MOWER
Compare the illustrations in Figure 8 with your rider mower to familiarize yourself with the location of various
controls and adjustments. The operation of any rider mower can result in foreign objects being thrown into the
operator’s eyes, causing severe eye damage. Always wear safety glasses before operating the mower, or while
performing any adjustments or repairs on it.
Figure 8
Throttle/Choke Control
Use to regulate the engine speed and to start the
engine.
“Go” Pedal
Use to regulate the ground speed of the rider mower.
Ignition Switch
Use to turn the engine ON or OFF.
Shift Lever
Use to change direction of the mower.
Grass Fill Level Indicator
Use to determine the level of grass clipping in the bag
and when to stop and empty it.
Parking Brake
Use to stop the mower from moving while parked.
Blade Engagement Pedal
Use to engage or disengage the blade.
Blade Lock
Use to lock blade at the engaged position.
Side Discharge
Chute
Cutting
Deck
Ignition
Switch
Steering Wheel
Shift Lever
Cutting Height
Pedal Brake
Pedal
Grass Fill Level
Indicator
LeverAdjustment
Throttle/Choke
Control
Blade Engagement
Pedal
Seat
Battery
Engine
Grass
Parking
Brake
Blade
Pedal
Blade
Lock
Hood
“Go”
Engagement
Catcher
Assembly

10
Cutting Height Adjustment Lever
Use to raise and lower the cutting deck which
determines the cutting height.
Brake Pedal
Use to stop the mower’s forward or reverse motion.
Stopping Mower
•Release blade engagement pedal all the way.
•Release the "Go" pedal and depress the brake
pedal.
•When the mower comes to a complete stop, place
the shift lever in neutral.
•Engage the parking brake by pulling up on the
parking brake knob.
•Turn the ignition key to OFF position and remove
the key.
Safety Interlock
This unit is equipped with a safety interlock system for
your protection. The interlock safety switches are
connected to the brake pedal, the blade engagement
pedal, the shift lever, and the seat.
The purpose of the safety interlock system is threefold:
a. to prevent the engine from starting unless the
brake pedal is depressed and the blade
engagement pedal is disengaged;
b. to shut off the engine if the blade pedal is not
disengaged when the shift lever is put into
reverse; and
c. to shut the engine off when the operator leaves
the seat without engaging the parking brake.
WARNING: To avoid the risk of serious
injury, do not operate the rider mower if
the interlock system is malfunctioning.
•Remove objects that could be thrown by the
blade(s).
•Know location and function of all controls.
•Be sure blade(s) and engine are stopped before
placing hands or feet near blade(s).
•Before leaving operator's position, disengage
blade(s), place the shift lever in neutral, engage
parking brake, shut engine off and remove key.
Using Shift Lever
The shift lever is used to regulate the direction of your
rider mower. It can be set at forward, neutral, or reverse
settings. These settings, marked as F, N,and R
respectively, are located next to the shift lever on the
unit. See Figure 9.
•Before you move the shift lever to any of the
positions, depress the brake pedal and stop the
unit. Keep your foot on the brake pedal.
Figure 9
•Move the lever outwards (left) to remove the
locking pin from the lever and slide the lever to the
position desired. Look at the rear and make sure
the path is free of obstacles before positioning the
shift lever to the reverse.
•Do not force the shift lever. If it does not shift,
release the brake pedal slightly to line up the
shifting collar in the transmission, then try to move
the shift lever.
•Slowly release the brake pedal and take your foot
off the pedal. Always make sure that there is no one
in the way when you run the mower.
Grass Fill Level Indicator
This indicator was designed to add convenience to your
riding mower. While the mower is running, air will flow
through the discharge chute and into the grass catcher.
If the grass catcher is empty, air flows through easily
pushing the ball up. If the grass catcher is full, air does
not flow through it allowing the ball to fall. So if you see
the ball in the grass catcher fill level indicator falling
down, you should stop the mower and empty the bag.
Cutting
Height
Shift
Lever
CHOKE

11
SECTION 5: OPERATING YOUR RIDER MOWER
Using Throttle/Choke Control
The throttle/choke control is used to increase or
decrease the speed of the engine.The FAST and the
SLOW positions are marked with illustrations of a rabbit
and a turtle respectively. See Figure 9.
•For normal operation and when using a grass
catcher, move the throttle/choke control to the
FAST position.
•For maximum charging of the battery and also for a
cooler engine while running, move the throttle/
choke control to the FAST position.
•For transport and to tow pull-behind attachments,
move the throttle/choke control to the SLOW
position.
•Do not adjust the governor to increase or decrease
the engine speed. The governor is set at the factory
for maximum engine performance, and should not
be altered.
Using Parking Brake
To engage parking brake
•Completely push the brake pedal down and stop
the unit.
•With your right foot on the brake pedal, move the
shift lever to the neutral position.
•Continuing to hold down the brake pedal with your
right foot, pull up the parking brake knob. Make
sure the parking brake holds the unit.
•Release the brake pedal. Stop the engine and
remove the ignition key. Now your rider mower is
parked.
To release the parking brake
•Depress the brake pedal. The parking brake will be
automatically disengaged.
Before Starting
Service the engine with gasoline as described in the
engine manual. Check oil level.
WARNING: Never fill fuel tank indoors, or
when engine is running or hot. Do not
smoke while filling up the gasoline tank.
Starting Engine
•Attach the wire to the spark plug.
•Depress the brake pedal with your right foot.
•Set throttle/choke control in the CHOKE position
(all the way forward).
•Place the shift lever in the NEUTRAL position.
•Turn the ignition key to the START position. As
soon as the engine starts, let the key return to the
ON position.
•Move throttle/choke control out of CHOKE position
and into FAST throttle position.
Starting Mower
•Depress the brake pedal so that the parking brake
is disengaged.
•Place the shift lever in either the FORWARD or the
REVERSE position as you desire. Look to the rear
and check before backing up.
•Release the brake pedal.
•Depress the "Go" pedal.
•To stop, release the "Go" pedal and depress the
brake pedal.
•Press the blade engagement pedal downward until
the blades are turning.The blades can be engaged
either while the mower is in motion or while it is
standing.
NOTE: Your rider mower is equipped with a blade lock
to keep the blade engaged without the operator having
to depress the blade pedal continuously. See Figure 8 .
•To engage the blade lock: While pressing down
on the blade pedal, push the blade lock down with
your heel. It should click into the “blade engaged”
position. To disengage the blade lock, simply push
down on the blade pedal and release the lock.
WARNING: When the blades are engaged,
keep feet and hands away from the
discharge opening, the blades or any part
of the deck.
Stopping Mower
•Release blade engagement pedal all the way.
•Release the "Go" pedal and depress the brake
pedal.
•When the mower comes to a complete stop, place
the shift lever in neutral.
•Engage the parking brake by pulling up on the
parking brake knob.
•Turn ignition key to OFF position and remove it.
NOTE: Do not leave the key in the ON position when
you are not operating the mower. Such action will drain
the battery dead.
To Empty Grass Catcher
•Stop the mower completely, pull up on the
parking brake knob and take the ignition key out.
Get off the operator’s seat.

12
•Pivot the cover up. Pull up the grasscatcher bag
by the handle and take it to the proper disposal
site. See Figure 10 .
•Hold the bag away from your body. Push down
on the bag lever and let the bottom section of
the bag fall downwards. The grass clippings
will be disposed of from the bottom. See
Figure 10 .
•Tap the bag on the ground so that the three legs
of the bag press against the ground. The bag
lever should snap close while you push the bag
downwards.
•Replace the bag on to the mower making sure
the bag is placed on the flange on top of the
discharge chute. Pivot the cover down.
Figure 10
Using The Mower
Observe safety rules listed on pages 3-5 of this manual
for safe operation of your mower.
•Before mowing, make sure that the cutting deck is
leveled. For deck adjustment, refer to page 14.
•You can engage the blade by pressing on the blade
engagement pedal with your left foot while sitting
on the operator’s seat.
•When mowing an area for the first time, watch out
for objects lying on the grass. If you strike a foreign
object, stop the engine. Remove wire from spark
plug and thoroughly inspect the mower for any
damage. Repair the damage before operating it
again.
•Avoid scalping the lawn by adjusting the cutting
height upwards and/or sharpening the blades.
•Mow at full throttle. Learn the terrain on which you
are mowing. For best mowing results, mow only
when the grass is dry.
•The recommended mowing pattern is given below:
•Mow grass often and in regular intervals so that you
can cut only 1/3 of the grass blade in one mowing.
•To empty grass bag, stop the mower completely,
engage the parking brake, and turn the ignition off.
This will prevent the hot engine exhaust gas from
browning the grass.
•Many communities no longer haul grass clippings
to landfills. Composting the clippings from your
grass catcher is a viable solution. For this you will
have to empty the grass catcher at the designated
composting site.
•Your rider mower is equipped with a mulching plug
to mulch the grass and recycle into the lawn instead
of collecting in the grasscatcher bag.
•Mulch only when the grass is dry. Mulching wet
grass may damage the underside of the deck
because wet grass tends to stick to it. Clean deck
thoroughly if you mulch wet grass.
•For effective mulching, overlap mowing paths so
that the clippings are distributed evenly.
Bag Handle
here
Push
Grass Catcher
Bag
Seat
Frame

13
SECTION 6: MAKING ADJUSTMENTS
WARNING: Do not at any time make any
adjustment to riding mower without first
stopping engine and disconnecting spark
plug wire.
Brake Pedal
During normal operation of the rider mower, the brake
is subject to wear and tear. Check the brake
periodically by carrying out the following test:
•Release the parking brake and place the rider
mower in neutral. Depress the brake pedal and try
to roll the rider mower. The tractor should not move.
If the tractor moves, adjust the brake.
WARNING: Do not adjust the brake while
the engine is running. Be sure to block the
wheels of the rider mower before making
any adjustments on the brake cable.
Adjustment to the brake pedal is made at the cable end.
See Figure 11 .
•Set the parking brake and turn ignition key off.
•Shift the cutting height lever to the lowest position.
•Pivot the cover up and remove the grasscatcher
bag and the side-discharge chute or the mulching
plug from the mower.
•Disconnect wire from the spark plug.
•Locate the brake cable on the right side under the
front housing. See Figure 11 .
•Using a pair of 1/2” wrenches, loosen the jam nuts
and back the cable out to tighten or thread inward
to loosen. See Figure 11 inset.
•Retighten the jam nuts when proper tension is
reached.
•Unlock the parking brake and repeat the test
described above. Readjust if necessary.
“Go” Pedal
Adjustment to the "Go" pedal is made at the cable end.
See Figure 11 .
•Set the parking brake and turn ignition key off.
•Shift the cutting height lever to the lowest position.
•Pivot the hood assembly up and remove the
grasscatcher bag and the side-discharge chute or
the mulching plug from the mower.
•Disconnect wire from the spark plug.
•Locate the speed control cable under the front
housing. See Figure 11 .
•Loosen the jam nuts and back the cable out to
tighten or thread inward to loosen as shown.
•Retighten the jam nuts when proper tension is
reached.
•Reconnect the spark plug wire and pivot the hood
assembly down.
Cutting Height
The deck cutting height adjustment lever is located on
the hood assembly. For a representation of the cutting
height positions, refer to Figure 9.
•Pull the lever out of the slot and slide it upward or
downward to the desired cutting height.
•Lower the cutting height to mow close to the
ground.
•Raise the deck height to the highest position when
you ride on a sidewalk or a road.
•To mow tall or thick grass, move the cutting height
adjustment lever to the highest position and cut.
Then move the lever to a lower position and cut
again.
Figure 11
Speed Control
Cable
Brake
Cable
Cable*
Jam Nuts
Lock Washer
Frame
Tighten
Loosen
*Same type of adjustment on both cables
(only one shown here)

14
Seat Position
The seat position on the rider mower can be adjusted to
maximize the operator’s convenience.
•Stop the mower completely and engage the parking
brake. Turn ignition off.
•Pivot the hood assembly up.
•Loosen the four self-tapping screws on the bottom
of the seat.
•Slide the seat forward or backward in the slot, and
position it as desired. Retighten the four screws.
Blade Brake/PTO
The blade engagement pedal should be adjusted so
that if you depress it about 3/4” from the front of the slot,
it should start engaging the deck belt. The PTO (power
take off) switch is located in the blade brake slot on the
left side of the upper frame. See Figure 12 . The brake
engagement pedal needs to make contact with the PTO
switch for the engine to start.
Under normal operation, the blade engagement pedal
should not require frequent adjustment. However,
perform the following test periodically and make sure
that it is in fine working condition.
•Pivot the hood assembly up and check if there is
enough slack on the deck engagement cable.
•Depress the blade engagement pedal (about 3/4
inch) and check if the belt is engaging.
•If the cable is tight or too loose or the belt is not
engaging, adjust the deck engagement cable.
NOTE: The deck engagement cable will be correctly
adjusted when the cable moves approximately 1/2” off
center line in both directions.
Adjustment to the blade brake will have to be made at
the cable end. See Figure 12.
Figure 12
•If the belt is slipping when you depress the blade
engagement pedal about 3/4”, loosen the two hex
nuts on the cable. See Figure 12.
•If the belt is engaging sooner than when the blade
engagement pedal is 3/4” from the PTO switch,
tighten both hex nuts on the cable. See Figure 12.
•Repeat the blade engagement test and readjust if
necessary.
•Pivot the hood assembly back.
Wheel Alignment
The front wheels should toe-in 1/16-5/16 inch. To adjust
toe-in, follow these steps:
•Remove the 3/8’’ hex nut which holds the ball joint
to the steering segment. See Figure 13.
•Adjust the ball joint in or out until the wheels toe-in
approximately 1/16-5/16" (Dimension ‘‘B’’ should
be approximately 1/16-5/16" less than dimension
‘‘A’’). See Figure 13.
•Replace the ball joint into the steering segment,
and replace the 3/8’’ hex nut.
Figure 13
Adjusting the Deck
IMPORTANT:
Perform adjustments to the deck on a flat,
level surface. Before continuing with deck adjustment,
check air pressure in all four tires. Recommended air
pressure is 12 psi. Please note that the valve stems on
this rider mower are on the inside of the front wheels
and on the outer side of the rear wheels.
•Lift the hood assembly and remove grass catcher
from the rider mower. Place the deck in the highest
position.
•Inspect rear of deck. The front of the deck should
be approximately 1/4” to 3/8” lower than the rear of
the deck. To maintain that, you may have to adjust
the deck pitch. If the deck is contacting the cable
bracket on the front of the transmission, you will
have to adjust the rear deck height. Follow the
steps on the next page for adjustments.
Deck Hex
Nut
PTO
Switch
Blade Engagement
Pedal
Engagement
Cable
Steering
front
B
1/16-5/16’’ less than A
A
Segment
Washer
Lock
Tie
Rod
Ball
Joint
Hex Nut

15
•Completely loosen, but do not remove, the top hex
nut out of the three hex nuts that hold the hex bolt
and the ferrule on the deck hanger link assembly.
Do not try to loosen or tighten the bottom nut.
•Thread the middle nut as far down as possible.
•When desired adjustment is reached, retighten the
two nuts. Adjust both sides if necessary.
Figure 14
SECTION 7: SERVICING YOUR RIDER MOWER
Belt Replacement
There are two drive belts and one deck belt in your rider
mower; follow the description below to identify the belts.
1. The lower drive belt goes from the variable speed
pulley to the transmission pulley.
2. The upper drive belt goes from the variable speed
pulley to the upper sheave of engine pulley.
3. The deck belt goes from the deck pulley to the
lower sheave in engine pulley.
•Periodically check to see if these belts are too loose
or damaged through wear and tear. If so, replace
with new belt.
Deck Belt
•Engage the parking brake and turn the ignition off.
Pivot the hood assembly up and remove the grass
catcher. Remove the spark plug wire.
•Put the deck at the lowest cutting height by
adjusting the cutting height adjustment lever to the
lowest position.
•Using a 1/2” socket wrench, remove two self-
tapping screws, lock washer and hex nut that hold
the deck belt cover to the deck. See Figure 15 . For
this, you will have to work from the top left side of
the mower. Remove the belt cover.
Figure 15
Link
Ferrule
Deck
Height
Lever
Hanger
Do not adjust hex nut
Loosen hex nuts
to adjust
Deck
Deck Belt
Self-Tapping
Screw
Cover
Belt
Pulley
Idler
Pulley
Belt
Hex
Nut
Lock
Hex
Keeper Keeper “A”
Imaginary
Line
Washer
Nut

16
•Using a 9/16” wrench, loosen the hex nut on the
idler pulley. See Figure 15.
•Remove belt from around deck pulley, idler pulley,
and the engine pulley.
•Place the new belt around the deck pulley and the
engine pulley making sure that the belt is routed
inside the belt keepers. There are two belt keepers
under the grass catcher, one on the idler and the
other under the deck belt cover. See Figure 15.
•Reinstall deck belt cover and secure with two self-
tapping screws, lock washer and hex nut.
NOTE: Belt keeper “A” must be mounted on the outside
of the belt.
•Make sure to align the belt keeper in line with the
frame. See Figure 15.
NOTE: An imaginary line between the belt keeper and
idler pulley should be parallel to frame. See Figure 15.
•Replace the grass catcher and pivot the hood
assembly back.
Lower Variable Speed Belt
•Remove the rear deck belt guard following first five
steps for deck belt removal. Remove belt from the
engine pulley.
•Push the spring loaded idler, located on the left side
of the transmission, to the right. Remove belt from
around the idler and then the transmission pulley.
See Figure 16 .
Figure 16
•Using a 9/16” socket, remove bolt, spacer and the
flat washer from the variable speed pulley. See
Figure 16 .
•Drop the pulley down and remove the belt.
•Replace new belt and reassemble following above
instructions in reverse order.
•Make sure that the belt is routed inside of belt
keeper, and the belt keeper is reassembled in the
same location from where it was removed.
Upper Variable Speed Belt
•Remove the engine pulley using a 9/16” socket
wrench with a 6” extension. The engine pulley is
located in front of the transmission.
•Drop the engine pulley down and remove the belt
from around it.
•Push the idler bracket to the right and remove the
belt. See Figure 16 .
•Replace belt and reassemble in reverse order.
Fuse Replacement
The fuse is located next to the spark plug under the rear
frame. Fuses seldom fail without a reason. If the fuse
blows, the source problem must be corrected or the
new fuse will blow again.
•Check for loose connections in the fuse holder and
replace holder if necessary. A dead short may be in
the cranking or charging circuit where insulation
may have rubbed through and exposed bare wire.
•Replace the wire or repair with electrician’s tape if
the wire strands have not been damaged. Also look
for a wire pinched between body panels, burned by
the exhaust pipe or muffler, or rubbed against a
moving part.
•Stop the rider mower and engage the parking
brake. Remove ignition key.
•Pivot the hood assembly up. Disconnect the spark
plug wire and ground it.
•Pull the fuse out of the lead wire.
•Replace with new automotive fuse.
•Make sure to reconnect the spark plug wire before
pivoting the hood assembly back.
Spring
Loaded
Idler
Variable Speed Pulley
Spring
Loaded
Idler
Transmission
Pulley
Deck Belt

17
SECTION 8: MAINTAINING YOUR RIDER MOWER
General Recommendations
•Always observe safety rules when performing any
maintenance.
•The warranty on this rider mower does not cover
items that have been subjected to operator abuse
or negligence. To receive full value from the
warranty, operator must maintain the rider mower
as instructed in this manual.
•We do not recommend the use of pressure
washers or garden hose to clean your unit. These
may cause damage to electrical components,
spindles, pulleys, bearings or the engine. The use
of water may shorten life of your rider mower and
reduce its serviceability.
WARNING: Always stop engine and
disconnect spark plug wire before any
maintenance or adjustments.
Cutting Blade
Removal
WARNING: Protect your hands by
wearing heavy gloves or using a rag to
grasp the cutting blade.
•Remove the 5/8’’ hex flange nut which holds the
blade to the blade spindle.
•Remove blade from the spindle. See Figure 17.
Figure 17
Sharpening
•When sharpening the blade, follow the original
angle of grind as a guide. It is extremely important
that each cutting edge receives an equal amount of
grinding to prevent an unbalanced blade. An
unbalanced blade will cause excessive vibration
when rotating at high speeds, may cause damage
to the mower and/or cause personal injury.
•The blade can be tested for balance by balancing it
on a round shaft screwdriver. Remove metal from
the heavy side until it balances evenly.
Reassembly
•Before reassembling the blade to the unit, lubricate
the spindle with light oil (or engine oil).
•Be sure to properly align “star” fitting on blade with
“star” on spindle.
•When replacing the blade, be sure to install the
blade with the side of the blade marked “Bottom” (or
with part number) facing the ground when the
mower is in the operating position.
•Blade Mounting Torque: 70/90 foot-pounds
maximum.
NOTE: To ensure safe operation, all nuts and bolts
must be checked periodically for correct tightness.
Oil Drain Sleeve
Your rider mower has a plastic oil drain sleeve, packed
with the loose parts, for draining oil from the crankcase.
•To drain the oil, snap small end of the oil drain
sleeve onto oil sump. See Figure 18.
•Remove drain plug and drain oil into a suitable
container.
Figure 18
Engine
Refer to the separate engine manual for engine
maintenance instructions.
•Maintain engine oil as instructed in the separate
engine manual packed with your unit. Read and
follow instructions carefully.
•Poor engine performance and flooding usually
indicates that the air cleaner should be serviced.
Service air cleaner as per the engine manual.
Clean frequently under extremely dusty conditions.
Spindle
Blade
Flange Nut
Deck
Oil Drain
Sleeve

18
•The spark plug should be cleaned and the gap
reset once a season. Spark plug replacement is
recommended at the start of each mowing season.
Check engine manual for correct plug type and gap
specifications.
NOTE: Your engine is equipped with a resistor spark
plug, When replacing plug, make sure to use resistor
type.
Lubrication
See Figure 19 for an illustration of the lube points
described below.
Figure 19: Lubrication Chart
Blade Assembly
•Lubricate blade assembly and deck spindle only
while reassembling the blade either after
sharpening or replacement.
Pivot Points
•Lubricate all pivot points with light oil at least once a
season.
Steering Shaft and Gear
•Lubricate steering shaft and spline at least once a
season with light oil.
•Lubricate teeth of the external steering gears with
automotive multi-purpose grease every 25 hours of
operation or once a season.
Linkage
•Lubricate all deck linkage and height adjustment
linkage with a light oil.
Front Wheels
•Lubricate at least once a season with automotive
multi-purpose grease.
Engine
•Maintain the engine as recommended in the
separate engine manual.
Cleaning Engine
•Promptly wipe off any fuel or oil spilled on the
machine with clean cloth.
•Clean the underside of the blade housing after
each mowing. Do not let clippings or debris
accumulate around the blade which may cause rust
on the deck.
•Using a brush or cloth, remove grass, chaff or
debris from the finger guard on the engine daily to
prevent overheating of the engine. Do not clean
with a forceful spray of water since water
contaminates the fuel system.
•Keep the governor linkage, springs and controls
free of debris.
•If engine muffler is equipped with spark arrester
screen, remove and clean the screen regularly.
Replace if damaged or plugged with debris.Clean
muffler area and remove any grass or other debris
before operating the unit.
Fuel Filter
Your unit is equipped with a replaceable in-line fuel
filter. Replace filter whenever contamination or
discoloration is noticed. Order replacement filter
through your engine authorized service dealer.
Lube
Lube
Lube
Lube
(before
reassemby)
Lube
Viewed from the bottom
Lube

19
SECTION 9: OFF-SEASON STORAGE
If the machine is to be inoperative for a period longer
than 30 days, prepare for storage as follows.
Rider Mower
•Clean the engine and the entire unit thoroughly.
•Lubricate all pivot points. Wipe the entire
machine with an oiled rag to protect the surfaces.
•Store unit in a clean, dry area. Do not store next
to corrosive materials, such as fertilizer.
•When storing any type of power equipment in an
unventilated or metal storage shed, care should
be taken to rustproof the equipment. Using a light
oil or silicone, coat the equipment, especially any
chains, springs, bearings and cables.
Battery
•Charge battery fully. The battery loses some of
its charge each day when the unit is not used.
NEVER store battery without a full charge.
Recharge battery before returning to service or
every two months, whichever occurs first.
•When storing unit for extended periods,
disconnect battery cables and remove the battery
from the unit.
•Clean dirt and chaff from cylinder, cylinder head
fins, blower housing, rotating screen and muffler
area.
Engine
•Refer to the engine manual for storage
instructions. Make sure to store the engine
properly so that your equipment can work
smoothly afterwards.

20
SECTION 10: TROUBLE-SHOOTING
Trouble Possible Cause Remedial Action
Excessive vibration 1. Bent or damaged blade
2. Bent blade.
1. Stop engine immediately. Check all
pulleys, blade adapters, keys and bolts for
tightness and spindle damage. Tighten or
replace any damaged parts.
2. Stop engine immediately. Replace
damaged blade. Only use original
equipment blades.
Mower will not
discharge grass or
leaves uncut strips
1. Engine speed low.
2. Speed selection.
3. Cutting height set too low.
4. Blades short or dull.
1. Throttle must be set at full throttle.
2. Use lower ground speed. Slower the
ground speed, better the quality of cut.
3. Raise the deck.
4. Sharpen or replace blades (uncut strip
problem only).
Broken Belt 1. Sudden stop or shock load to belt
2. Incorrect belt used
3. Belt engaged abruptly
4. Defective or damaged belt
1. Inspect rider for cause such as foreign
objects stuck in between deck and frame or
belt path. Remove obstruction and check
for damage. Replace belt if needed.
2. Replace with proper belt. Check Parts list
in this manual for correct part number.
3. Engage belt slowly by depressing the
blade engagement pedal slowly.
4. Replace with proper belt. Follow
instructions in Service and Adjustments
section.
Belt comes off 1. Belt too loose; stretched
2. Broken or weak idler spring
1. Readjust belt. Replace if needed. Follow
instructions for belt replacement in the
Service and Adjustments section.
2. Replace. Order with correct part number
from Parts List in this manual.
Belt shreds 1. Belt guides or guards incorrectly adjusted
2. Pulleys not aligned
3. Pulley rusted or in otherwise bad condition;
frozen bearing
1. Adjust belt guides and guards so that these
are approximately 1/16 to 1/8 inch from belt
when engaged.
2. Realign pulleys to be within approximately
1/16 inch of each other. Check with straight
edge. Make sure fastening hardware is
tight.
3. Replace pulleys. Order with correct part
number from the Parts List in this manual.
Adjust new pulleys to 1/16 inch.
Engine will not crank 1. Safety switch button not depressed
2. Battery installed incorrectly
3. Battery dead or weak.
4. Blown fuse or circuit breaker
5. Engine ground wire loose.
1. There are two switches in the starting
circuit of your unit. Make sure that the
actuator is fully depressing both switch
buttons. Brake pedal must be depressed
and blade engagement pedal disengaged.
2. Install the battery with negative terminal
attached to the black ground wire. Attach
the positive terminal to the red wire which
goes to the solenoid. Charge the battery
fully before installation.
3. Replace battery.
4. Replace fuse following instructions on
page 16.
5. Make sure the black ground wire runs from
engine to frame or mounting bolt.

21
For repairs beyond those listed in the Trouble-Shooting chart above, please contact an authorized
service dealer or call Cub Cadet Customer Service at 1- (800)-528-1009.
Engine cranks but will
not start 1. Throttle/choke not in starting position.
2. No fuel to the carburetor
3. Fuel line or in-line fuel filter plugged
4. No spark to spark plug
5. Faulty spark plug
6. Dirty air cleaner
1. Check owner's guide for correct position
for throttle control/choke for starting.
2. Gasoline tank empty. Fill with gasoline.
3. Remove and clean fuel line. Replace filter if
necessary.
4. Spark plug lead disconnected. Connect
lead. Hold spark plug lead away from
engine block about 1/8". Crank engine.
There should be a spark. If not, have
engine repaired at authorized engine
service dealer.
5. To test, remove spark plug. Attach spark
plug lead to spark plug. Ground the spark
plug body against the engine block. Crank
the engine. The spark plug should fire at
the electrode. Replace if it does not.
6. If the air cleaner is dirty, the engine may
not start. Clean or replace as
recommended by the engine
manufacturer.
Engine smokes 1. Engine oil has been overfilled
2. Dipstick not seated or broken
3. Engine loses crankcase vacuum
1. Check oil level.
2. Replace defective part.
3. Engine breather defective. Replace.
Trouble Possible Cause Remedial Action

22
SECTION 11: PARTS LIST FOR MODEL 1027
Ref.
No. Part No. Description
1 731-2295 Steering Wheel
2 731-2296 Steering Wheel Insert
Ref.
No. Part No. Description
1. 731-1919 Steering Column: Black
2. 731-1857 Control Knob
3. 712-0142 Hex Nut 8-32
4. 710-3217 Pan Head Machine Screw #8-32
5. 710-0599 Hex Screw TT 1/4-20 x .50”
6. 710-0514 Hex Screw 3/8-16 x 1.0”
7. 712-0431 Lock Nut
8. 749-1099-
0716 Bumper Tube: Front, Yellow
2
4
3
1
5
6
5
8
7
7
2
1

23
Model 1027
26
8
34
2
10
42
1911
1
6
7
28
37 5
20
37
44
35
41
45
33
39
9
30
14
3
22
32
41
32
17
31
21
4
715
36
31
17
43
23
29 18
13
61
12
12
47
25
48
27 25
40
16
24

24
Model 1027
Ref.
No. Part No. Description
1. 17962 Switch Plate
2. 650-0007 Steering Tube Assembly
3. 683-0033A Steering Support Bracket
4. 683-0178A Front Axle Assembly: RH
5. 683-0179A Front Axle Assembly: LH
6. 710-0224 Hex Screw AB
7. 710-0459A Hex Screw 3/8-24 x 1.5” Gr.5 Sp.
8. 710-0643 Lock Screw 5/16-18 x 1.0” Gr.5
9. 710-0689 Hex Screw 1/2-13 x 0.75”
10. 710-0837 Oval C-Sunk Screw #10-16 x 0.625”
11. 710-0958 Hex Screw 1/4-20 x 1.25 Gr.5 Sp.
12. 710-1017 AB Screw 1/4-14 x 0.625”
13. 710-1611 Self-Tapping Screw 5/16-18 x 0.75”
14. 710-3008 Hex Screw 5/16-18 x 0.75”
15. 712-0116 Lock Nut 3/8-24
16. 712-0206 Hex Nut 1/2-13
17. 712-0241 Hex Nut
18. 712-0267 Hex Nut
19. 712-0324 Lock Nut 1/4-20
20. 712-0411 Lock Nut
21. 712-0711 Jam Nut
22. 714-0470 Cotter Pin
23. 723-0156 Ball Joint
24. 726-3046 Ratchet Clip
25. 731-0511 Trim Strip
26. 735-0265A Floor Pad: LH
27. 735-0266A Floor Pad: RH
28. 736-0105 Bell Washer
29. 736-0119 Lock Washer
30. 736-0160 Flat Washer
31. 736-0169 Lock Washer
32. 736-0187 Flat Washer
33. 736-0196 Flat Washer
34. 736-0242 Belleville Washer
35. 736-0272 Flat Washer
36. 736-0320 Flat Washer
37. 736-3078 Flat Washer
38. 737-3007 Grease
39. 738-0541 Spacer
40. 738-3089A Steering Adapter
41. 741-0225 Hex Flange Bearing
42. 741-0356 Bearing: Steering Column
43. 747-0955 Tie Rod
44. 748-0290 Pinion Gear
45. 750-0532 Spacer
46. 783-0411 Gear: Steering Segment
47. 783-0565B Upper Frame Cover
48. 783-0566A Lift Plate
Ref.
No. Part No. Description

25
Model 1027
55

26
Model 1027
Ref.
No. Part No. Description
1. 683-0155 Brake Pedal Assembly
2. 683-0156 Variable Pedal Assembly
3. 683-0275 Deck Pedal Assembly
4. 683-0161 Shift Cam Assembly
6. 710-1017 Ab Screw 1/4-14 X .625
7. 711-0701 Clevis Pin
8. 711-1156 Shaft
9. 712-0287 Hex Nut 1/4-20
10. 712-0324 Lock Nut 1/4-20
11. 712-3017 Hex Nut 3/8-16
12. 714-0104 Internal Cotter Pin
13. 714-0111 Hairpin Clip
14. 714-0470 Hairpin Clip
15. 720-0166 Ball Knob
16. 731-0405 Snap-on Bushing
17. 731-1913 Stop Lever
19. 732-0865 Torsion Spring
20. 732-0815 Extension Spring
21. 735-0262 Deck Pad
22. 735-0261 Drive Pad
23. 735-0263 Brake Pad
24. 736-0117 Flat Washer 3/8 X .620 X .033
25. 736-0159 5/16 Washer
26. 736-0169 Lock Washer
27. 736-0187 Flat Washer
28. 736-0272 Flat Washer .510 X 1.00 X .060
29. 736-0133 Flat Washer .406 x 1.25 x .10
30. 736-0329 Lock Washer
31. 736-0608 Spring Washer
32. 736-3000 Flat Washer
33. 736-3019 Flat Washer .531 X 1.062 X .134
34. 736-3020 Flat Washer .271 X .630 X .065
35. 738-0255 Shoulder Screw .375 Dia X .18
36. 738-0373 Shoulder Screw
37. 738-0974 Shoulder Screw .375 X .380 X 1/4-20
38. 741-0591 Flange Bearing
39. 746-0935A Shift Cable
40. 746-0936 Variable Drive Cable
41. 746-0937 Brake Cable
42. 746-0940 Deck Cable
43. 746-0964 Throttle Choke Cable: 67”
44. 747-0963 Brake Rod
45. 747-0964 Brake Lock Out Rod
46. 750-0736 Shoulder Spacer
47. 783-0473 Brake Lock Out Bracket
48. 783-0525 Self-Propelled Pedal Link
49. 726-0450 Plug Cap
50. 783-0593A Shift Lever
51. 783-0794 Bracket: Lock-out Pedal
52. 726-0157 Cable Tie
53. 736-0300 Flat Washer .406 I.D. x .875 O.D.
54. 726-0100 Push Cap
55. 736-0262 Flat Washer
Ref.
No. Part No. Description

27
Ref.
No. Part No. Description
1. 683-0152 Pivot Link Assembly
2. 683-0194 Lift Arm Assembly
3. 710-0376 Hex Screw 5/16-18 X 1.00 Gr.5
4. 710-3230 Hex Bolt 1/2-13 X 2.75 Gr.5
Special
5. 711-0332 Lift Bracket Pin
6. 711-1120 Lift Rod
7. 711-3319 Ferrule
8. 712-0266 Jam Nut
9. 712-3008 Jam Nut 3/8-16 Gr. 5
10. 712-3010 Hex Nut 5/16-18
11. 712-3048 Jam Nut
12. 714-0104 Cotter Pin
13. 714-0147 Cotter Pin
14. 714-3010 Cotter Pin
15. 720-0298 Handle Grip
16. 732-0829 Extension Spring
17. 732-0837 Torsion Spring
18. 736-0119 Lock Washer 5/16
19. 736-0140 Flat Washer .385 I.D. x .620 O.D.
20. 736-0169 Lock Washer
21. 736-0257 Flat Washer
22. 736-0275 Flat Washer 5/16
23. 736-3019 Flat Washer
24. 738-0145 Shoulder Screw
25. 738-0183 Shoulder Screw
26. 738-0958 Shoulder Spacer
27. 783-0435 Upper Deck Link
28. 783-0437 Axle Bracket: Rear
29. 783-0440 Lower Link
Ref.
No. Part No. Description
10
49
6
8
5
7
3
1
2
11
21
18
13 23
28
27
25
19
14
22
19 12
16
15
20
17
24
26
29
Model 1027
21
13
27

28
Model 1027
Ref.
No. Part No. Description
1. 629-0865 Harness Assembly Adapter
2. 710-1208 Hex TT Screw 5/16-18 x 3.50
3. 710-0227 Hex Washer Head Self-Tap.Scew
4. 710-0805 Hex Screw 5/16-18 x 1.5 Gr. 5
5. 710-0642 Thd. Forming Scr. 1/4-20x .75
6. 712-3010 Hex Nut 5/16-18
7. 714-0115 Cotter Pin
8. 726-0320 Insulator Nut Plate
9. 736-0289 Shoulder Bushing
10. 736-0119 Lock Washer 5/16
11. 736-0173 Flat Washer .28 I.D. x .74 O.D. x .083
12. 750-1064 Spacer
13. 783-0591 Transaxle Bracket
14. 783-0433A Shift Lever
8
3
5
11
13
1
2
710
6
4
9
14
12
2

29
Ref.
No. Part No. Description
1683-0147 Idler Bracket Assembly
2710-0191 Hex Screw 3/8-24 x 1.25
3710-0314 Hex Screw 7/16-20 x 1.0”
4710-0902 Cap Screw 3/8-24 x 3.75
5710-1611 Pan Head TL Screw 5/16-18 x .75
6710-3096 Hex Screw 3/8-16 x 2.0 Special
7712-0116 Jam Lock Nut 3/8-24
8712-0241 Hex Nut 3/8-24
9712-3017 Hex Nut 3/8-16
10 712-3035 Hex Jam Nut 9/16-18 (Gr. 5)
11 714-0114 Square Key
12 717-0884 Variable Speed Pulley Assembly
13 732-0814 Extension Spring
14 732-0815 Extension Spring
15 736-0169 Lock Washer
16 736-0171 Lock Washer 7/16 I.D.
17 736-0219 Bell Washer .406 I.D. x 1.13 O.D.
18 736-0247 Flat Washer 3/8 x 1.25 O.D.
19 736-0427 Belleville Washer
20 737-0167 Grease
21 737-0288 Grease
22 738-0968 Shoulder Spacer
23 741-0405 Bearing
24 750-0705 Spacer
25 754-0453 V-Belt
26 756-0116 Idler Pulley
27 756-0650 Transmission Pulley
28 756-0658 Engine Pulley
29 756-0981 Flat Idler Pulley
30 783-0528 Idler Bracket
31 783-0529 Cable Bracket
32 683-0149B-0716 Frame: Lower, Yellow
Ref.
No. Part No. Description
21
28
11
16
3
25
31
10
19
27
22
29
15
9
7
26
214
25
17
23
24
18
23
12
4
1
8
15
30
20
22 15
9
7
13
2
6
5
Model 1027
32

30
Model 1027
20. 737-3007 Grease
21. 725-0157 Cable Tie
22. 714-0470 Hairpin Clip
23. 714-0147 Hairpin Clip
25. 714-0104 Hairpin Clip
28. 711-1165 Clevis Pin
29. 711-0332 Lift Bracket Pin
30. 710-1611 TT Screw 5/16-18 x .75
31. 710-1017 Torx Mach. AB Scr. 1/4-14 x 0.625”
32. 710-0599 Hex TT Screw 1/4-20
33. 683-0163A Steering Support Bracket
34. 683-0160 Pivot Bracket Ass’y.: Hood
35. 683-0142 Pivot Bar Assembly
Ref.
No. Part No. Description
Ref.
No. Part No. Description
1. 783-0605 Deck Stabilizing Bracket
3. 783-0564A Front Frame: Upper
4. 783-0811-
0716 Steering Gear Cover
5. 683-0264 Front Channel Assembly
6. 783-0554 Cam Bracket
8. 783-0414A Frame Rail: Rear
9. 783-0413 Frame Rail—L.H.
10. 783-0412A Frame Rail—R.H.
11. 747-0985 Deck Rod
12. 736-3019 Flat Washer .531 X 1.062 X .134
14. 736-0275 Flat Washer 5/16
15. 736-0187 Flat Washer .64 I.D. X 1.24 X .06
16. 736-0101 Flat Washer 3/8 X 1.00 X .030
17. 735-0271 Rubber Bumper
18. 735-0199A Rubber Bumper
19. 732-0829 Extension Spring
1
3
4
5
6
8
9
10
11
12
14
15
16
17
18
19
21
22
23
25 28
25
29
30
30
31
31
31
32
30
33
34
35
31
17
17
18
30
17
30
30
22
15
20

31
Model 1027
25
10
36
27
32
5
38
26
33 33
12
22
11
39
43
41
31
18
4
19
28
30
14
17
3
16
42
7
15
20
1
44
35
20
34
11
24
15
9
8
2
29
29
12
28
637
40
21
A
A
B
B
47
28
45 46
46

32
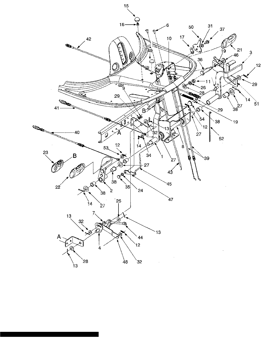
Model 1027
Ref.
No. Part No. Description
1. 683-0149B Frame Assembly
2. 683-0190A Frame Rail Support: RH
3. 683-0191A Frame Rail Support: LH
4. 683-0192 Muffler Pipe Extension
5. 710-0148 Hex Fl. Screw #8-32 x 0.375
6. 710-0157 Hex Screw 5/16-24 x .75” Gr.5
7. 710-0599 Self-Tapping Screw
8. 710-0624 Hex Screw 5/16-24 x 1.5” Gr.5
9. 710-0654A TT Screw 3/8-16 x 1.0”
10. 710-0871 Hex Slot Sems Screw #10-32 x 0.38
11. 710-1237 Hex Washer TT Screw #10-32 x 0.625”
12. 710-1611 TT Screw 5/16-18 x 0.75”
13. 710-1653 Machine Screw #10-32 x 0.5”
14. 711-0222A Battery Hold-Down Rod
15. 712-0271 Hex Sems Nut 1/4-20
16. 712-0291 Lock Nut 1/4-20
17. 712-0397 Wing Nut with Bell Washer
18. 712-3017 Hex Nut
19. 712-3057 Hex Nut 5/16-24 Gr.5
20. 725-0157 Cable Tie
21. 726-0205 Hose Clamp
22. 726-0209 Cable Tie
23. 731-0708 Battery Cover
24. 731-1682A Oil Drain Sleeve
25. 731-1945 Engine Duct
26. 732-3080 Compression Spring
27. 735-0273 Rubber Washer
28. 736-0119 Lock Washer
29. 736-0123 Flat Washer
30. 736-0159 5/16 Washer
31. 736-0169 Lock Washer
32. 736-0188 Flat Washer
33. 736-0400 Flat Washer
34. 736-0607 Lock Washer
35. 737-0169 Motor Oil
36. 738-0960 Shoulder Screw
37. 741-0516 Flange Bearing
38. 741-0591 Flange Bearing
39. 751B213146 Throttle Casing Clamp
40. 751-0535 Fuel Line Hose
41. 751-0656 Fuel Tank
42. 783-0624 Battery Bracket
43. 783-0630 Fuel Tank Bracket
44. 783-0809B Transaxle Support Bracket
45. 783-0561 Hitch Plate
46. 710-3008 Hex Bolt: 5/16-18 x .75”
47. 712-0267 Hex Nut
Ref.
No. Part No. Description
Ref.
No. Part No. Description
1. 634-0139 Rear Wheel Compl.
2. 634-0169 Front Wheel Compl.
3. 734-1727 Rear Tire
4. 734-1382 Front Tire
5. 734-0255 Valve: Tubeless Air
6. 737-0211A Grease Fitting
7. 741-0353 Flange Bearing
8. 634-0138-0499 Rim Assembly: Beige
9. 734-1455A-0499 Rim Assembly: Beige
10. 710-0627 Hex Bolt 5/16-24 x .75”
11. 736-0242 Beleville Washer
12. 714-0115 Cotter Pin
13. 736-0285 Flat Washer
14. 736-0366 Flat Washer
15. 731-0484A Hub cap (not shown)
1
2
3
4
5
6
7
5
8
9
10 11
12
13
14

33
10. 783-0446 Plate: Hood
11. 783-0447 Hood Bracket
12. 783-0448 Hood Bracket: Reinforcement
13. 783-0449 Hinge Bracket: Rear
14. 783-0451A Pivot Plate: Rear Hood
15. 783-0545 Hood Screen
16. 783-0562 Hinge Bracket: Front
17. 757-0381 Seat
Ref.
No. Part No. Description
Ref.
No. Part No. Description
1. 710-0599 TT Screw 1/4-20 x 0.5
2. 710-0870 TT Screw 3/8-16 x 0.62
3. 710-1017 Torx AB Screw 1/4-14 x 0.625
4. 720-0238 Rod End Grip
6. 731-0511 Trim Strip
7. 731-1691 Grass Bag Lens
8. 783-0410 Bracket Reinforcement: Hood
9. 783-0445-0499 Hood: Beige
Model 1027
17
6
15
9
7
1
11
31
11
10
8
4
3
1
2
3
13
11
16
12

34
Model 1027
MTD
13
7
14 77
8
5
2
11
1
4
10 12 9
3
6
Ref.
No. Part No. Description
1. 618-0232 Differential Assembly: Single Speed
2. 618-0248 Drive Shaft assembly: LH Brake
3. 618-0072B Upper Housing Assembly
4. 611-0114 Detent Shaft Assembly
5. 661-0006 Brake Yoke Assembly: LH
6. 710-1206 Hex Washer Hd. TT Screw 1/4-20 x 2.37 Gr.5
7. 710-1325 Hex Washer Hd. TT Screw 1/4-20 x 1.65
8. 717-0678 Brake Puck
9. 719-0313B Lower Housing
10. 732-0863 Spring Detent
11. 737-0148 Grease
12. 741-0862 Ball Detent
13. 761-0202 Brake Disc
14. 777-6318 Label

35
Model 1027
9. 710-0650 Self-Tapp. Screw 5/16-18 x .75
10. 710-0672 Hex Cap Scr. 5/16-24 x 1.25
11. 710-0932 Carriage Screw
12. 710-1611 Torx Screw 5/16-18 x .75
13. 712-0241 Hex Nut 3/8-24
14. 712-0397 Wing Nut With Bell Washer
15. 712-0417A Flange Nut 5/8-18
16. 712-3017 Hex Nut 3/8-16
17. 712-3057 Hex Nut 5/16-24
18. 714-0115 Cotter Pin
19. 726-0201 Speed Nut
20. 726-0233 Push Nut
21. 732-0429A Extension Spring
22. 736-0101 Flat Washer 3/8 x 1.00 x .030
23. 736-0119 Lock Washer 5/16
24. 736-0169 Lock Washer 3/8
25. 736-0289 Bushing
26. 736-0300 Flat Washer .406 x .875 x .059
27. 736-0343 Flat Washer .330 x 1.25 x .120
28. 736-3020 Flat Washer
29. 738-0968 Spacer
30. 742-0651 Three-in-one Blade
31. 747-0957 Link Rod
32. 747-0972 Belt Keeper
33. 747-1172 Belt Keeper
34. 754-0754 V Belt
35. 756-0627 Flat Idler Pulley
36. 783-0463 Idler Bracket
37. 783-0529 Cable Bracket
38. 783-0569A Deck Plate
39. 783-0781 Deck Skirt
40. 783-0594 Deck Cable Bracket
Ref.
No. Part No. Description
1
2
3
4
5
6
7
8
9
10
11
12
13
14
15
16
17
18
19
20
21
22
23
24
25
26
27
28
29
30
31
32
34
35
36
37
38
39
20
14
8
33
5
20
14
9
26
24 9
22
Ref.
No. Part No. Description
1. 618-0250 Spindle Assembly
2. 683-0150C-
0716 Deck Assembly: Yellow
3. 683-0159 Brake Bracket Assembly
4. 683-0173 Deck Belt Cover
5. 710-0134 Carriage Screw 1/4-20 x .62
6. 710-0191 Hex Bolt 3/8-24 x 1.25 Grade 8
7. 710-0347 Hex Screw 3/8-16 x 1.75 Gr. 5
8. 710-0599 Self-Tapp. Screw 1/4-20 x .5

36
Model 1027
Ref.
No. Part No. Description
1 631-0060 Flow Indicator Assembly
2 631-0080 Grass Bag Assembly
3710-0166 Machine Screw 1/4-20 x 1.0
4710-0286 Machine Screw 1/4-20 x 0.5”
5710-0456 Hex Screw #10-16 x 0.5”
6 710-0564 Hex Screw 1/4-20 x 2.75”
7 710-0642 Self-Tapping Screw 1/4-20 x 0.75”
8 710-0825 Hex Screw 1/4-20 x 3.75”
9710-0924 Machine Screw 1/4-20 x 0.75”
10 711-0415 Clevis Pin
11 712-0271 Hex Sems Nut 1/4-20
12 712-0298 Jam Nut
13 712-0397 Wing Nut
14 714-0115 Cotter Pin
15 726-0271 Speed Nut
16 731-1441 Bag Handle
17 731-1743A Discharge Chute: Grass Bag
18 731-1744 Side-Discharge Chute
19 731-1745A Mulching Plug
20 732-0839 Bag Release Lever
21 732-0841 Torsion Spring
22 732-0854 Clip Spring
23 736-0173 Flat Washer
24 736-0329 Lock Washer
25 783-0544A Grass Bag Screen
26 783-0575A Pivot Bracket
27 783-0645 Deflector Plate
14
20
21
26
10
25
3
93
16
23
923
9
23
11
2
23
11
7
8
6
19
13
18
17
23
24
12
4
27
1
15
22
5
9
2423
11
23
23
11

37
Model 1027
ACB
DE
ACB
DE
ACB
DE
Ref.
No. Part No. Description
1. 629-0945 Harness Assembly w/o relays
2. 725-0267 Ignition Switch: 5 Pin
725-1345 Ignition Key (not shown)
3. 725-1426 Solenoid: 12 V. 100 amp.
4. 725-1462 Seat Switch
5. 725-1643 Spring Switch
6. 725-1657A Interlock Switch
7. 725-1381 Fuse: 20 amp.
8. 725-1726 Battery Cover
9. 725-3237 Battery Cover: Red
10. 729-0125 Connecter
11. 729-0139 Connecter
12. 729-0171 Connecter
13. 729-0357 Fuse Holder w/Clip
14. 729-0359 Harness Clip
15. 729-1108 Connecter
5
3
1
6
6
2
4
8
15
6
14
10 10 9
11 9
9
12
9
13
11
7

38
Your Notes
Date Comments

39
Your Notes
Date Comments

MANUFACTURER’S LIMITED WARRANTY FOR:
TWO-YEAR RESIDENTIAL
ONE-YEAR COMMERCIAL
Proper maintenance of your Cadet equipment is the owner’s responsibility. Follow the instructions in your
operator’s manual for correct lubricants and maintenance schedule. Your Cub Cadet dealer carries a
complete line of quality lubricants and filters for your equipment’s engine, transmission, chassis and
attachments.
Riding mowers, lawn tractors, Cadet
attachments and home maintenance products
This limited warranty for residential users, covers any defect in materials or workmanship in your Cadet
equipment for two years from the date of purchase for the first user purchaser. We will replace or repair any
part or parts without charge through your authorized Cub Cadet dealer.
Batteries have a one-year prorated limited warranty with 100% replacement during the first three months.
V-belts for either the traction drive or any attachments are covered for one year only.
Cadet equipment used commercially is warranted for one year only.
(Commercial use is defined as either having hired operators or used for income producing purposes.)
Items not covered
The warranty does not cover routine maintenance items such as lubricants, filters (oil, fuel, air and hydraulic),
cleaning, tune-ups, brake and/or clutch inspection, adjustments made as part of normal maintenance, blade
sharpening, set-up, abuse, accidents and normal wear. It does not cover incidental costs such as transporting
your equipment to and from the dealer, telephone charges or renting a product temporarily to replace a
warranted product.
There is no other express warranty.
How to obtain service
Contact your authorized Cub Cadet servicing dealer who sold you your Cadet equipment. If this dealer is not
available, see the Consumer Yellow Pages under “lawn mowers” for the name of a dealer near you.
If you need further assistance in finding an authorized Cadet servicing dealer, contact:
Cub Cadet Corporation
Post Office Box 368023
Cleveland, Ohio 44136
How does state law apply?
This limited warranty gives you specific legal rights, and you may also have other rights which vary from state
to state.