Cub Cadet 19Hp Enforcer 44 21Hp 48 23Hp 54 Service Manual 02003733 Rev07_0
19HP Enforcer 44, 21HP Enforcer 48, 23HP Enforcer 54 Enforcer_44-48-54_Ow_07
19HP Enforcer 44, 21HP Enforcer 48, 23HP Enforcer 54 to the manual ebbe04c5-5f88-c8b4-bdf9-54caf6d8291b
2015-01-05
: Cub-Cadet Cub-Cadet-19Hp-Enforcer-44-21Hp-Enforcer-48-23Hp-Enforcer-54-Service-Manual-163708 cub-cadet-19hp-enforcer-44-21hp-enforcer-48-23hp-enforcer-54-service-manual-163708 cub-cadet pdf
Open the PDF directly: View PDF
.
Page Count: 32

Hydrostatic Zero-Turn
Commercial Riding Mower
ProfessionalTurf Equipment
OPERATOR’S AND SERVICE MANUAL
MODEL
19HP Enforcer 44
21HP Enforcer 48
23HP Enforcer 54

2
TABLE OF CONTENTS
Foreword. . . . . . . . . . . . . . . . . . . . . . . . . . . . . . . . . . . . . . . . . . . . . . . . . . . . . . . . . . . . . . . 3
General Safety Operations . . . . . . . . . . . . . . . . . . . . . . . . . . . . . . . . . . . . . . . . . . . . . . . . . 4
A. General Operation . . . . . . . . . . . . . . . . . . . . . . . . . . . . . . . . . . . . . . . . . . . . . . . . . 4
B. Slope Operation . . . . . . . . . . . . . . . . . . . . . . . . . . . . . . . . . . . . . . . . . . . . . . . . . . . 5
C. Children . . . . . . . . . . . . . . . . . . . . . . . . . . . . . . . . . . . . . . . . . . . . . . . . . . . . . . . . . 5
D. Service . . . . . . . . . . . . . . . . . . . . . . . . . . . . . . . . . . . . . . . . . . . . . . . . . . . . . . . . . . 6
E.Related to Batteries. . . . . . . . . . . . . . . . . . . . . . . . . . . . . . . . . . . . . . . . . . . . . . . . . 6
F.Related to Fuel. . . . . . . . . . . . . . . . . . . . . . . . . . . . . . . . . . . . . . . . . . . . . . . . . . . . . 7
G.Towing. . . . . . . . . . . . . . . . . . . . . . . . . . . . . . . . . . . . . . . . . . . . . . . . . . . . . . . . . . . 7
H.Suspension Seat. . . . . . . . . . . . . . . . . . . . . . . . . . . . . . . . . . . . . . . . . . . . . . . . . . . 7
Safety Decals . . . . . . . . . . . . . . . . . . . . . . . . . . . . . . . . . . . . . . . . . . . . . . . . . . . . . . . . . . . 8
Specifications . . . . . . . . . . . . . . . . . . . . . . . . . . . . . . . . . . . . . . . . . . . . . . . . . . . . . . . . . . . 9
Operating Instructions . . . . . . . . . . . . . . . . . . . . . . . . . . . . . . . . . . . . . . . . . . . . . . . . . . . 10
A. General. . . . . . . . . . . . . . . . . . . . . . . . . . . . . . . . . . . . . . . . . . . . . . . . . . . . . . . . . 10
B. Controls . . . . . . . . . . . . . . . . . . . . . . . . . . . . . . . . . . . . . . . . . . . . . . . . . . . . . . . . 11
C. Initial Adjustments . . . . . . . . . . . . . . . . . . . . . . . . . . . . . . . . . . . . . . . . . . . . . . . . 13
D. Zero Turn Break-In and Operating Procedures . . . . . . . . . . . . . . . . . . . . . . . . . . 14
E.Mower Cutting Blades . . . . . . . . . . . . . . . . . . . . . . . . . . . . . . . . . . . . . . . . . . . . . . 16
Maintenance and Service. . . . . . . . . . . . . . . . . . . . . . . . . . . . . . . . . . . . . . . . . . . . . . . . . 17
A. Cleaning your Deck . . . . . . . . . . . . . . . . . . . . . . . . . . . . . . . . . . . . . . . . . . . . . . . 17
B.Mower Deck . . . . . . . . . . . . . . . . . . . . . . . . . . . . . . . . . . . . . . . . . . . . . . . . . . . . . 18
C. Hydrostatic Drive System . . . . . . . . . . . . . . . . . . . . . . . . . . . . . . . . . . . . . . . . . . . 19
D. Electrical Circuit . . . . . . . . . . . . . . . . . . . . . . . . . . . . . . . . . . . . . . . . . . . . . . . . . . 19
E. Tires . . . . . . . . . . . . . . . . . . . . . . . . . . . . . . . . . . . . . . . . . . . . . . . . . . . . . . . . . . . 21
F. Brakes . . . . . . . . . . . . . . . . . . . . . . . . . . . . . . . . . . . . . . . . . . . . . . . . . . . . . . . . . 21
G.
Hydraulic System. . . . . . . . . . . . . . . . . . . . . . . . . . . . . . . . . . . . . . . . . . . . . . . . . 22
H.Storage . . . . . . . . . . . . . . . . . . . . . . . . . . . . . . . . . . . . . . . . . . . . . . . . . . . . . . . . . 22
Maintenance Schedule . . . . . . . . . . . . . . . . . . . . . . . . . . . . . . . . . . . . . . . . . . . . . . . . . . . 23
Performance Adjustments . . . . . . . . . . . . . . . . . . . . . . . . . . . . . . . . . . . . . . . . . . . . . . . . 25
A. High Speed Tracking Adjustment . . . . . . . . . . . . . . . . . . . . . . . . . . . . . . . . . . . . . 25
B. Engine RPM Check and Adjustment . . . . . . . . . . . . . . . . . . . . . . . . . . . . . . . . . . 25
C. Deck Corner Ball Wheel Roller Settings. . . . . . . . . . . . . . . . . . . . . . . . . . . . . . . . 26
D. Deck Center Anti-Scalp Roller Settings . . . . . . . . . . . . . . . . . . . . . . . . . . . . . . . . 26
E. Lap Bar Adjustment . . . . . . . . . . . . . . . . . . . . . . . . . . . . . . . . . . . . . . . . . . . . . . . 26
F. Deck Leveling Procedure . . . . . . . . . . . . . . . . . . . . . . . . . . . . . . . . . . . . . . . . . . . 27
Wiring Diagram. . . . . . . . . . . . . . . . . . . . . . . . . . . . . . . . . . . . . . . . . . . . . . . . . . . . . . . . . 28
Slope Gauge. . . . . . . . . . . . . . . . . . . . . . . . . . . . . . . . . . . . . . . . . . . . . . . . . . . . . . . . . . .29
Warranty . . . . . . . . . . . . . . . . . . . . . . . . . . . . . . . . . . . . . . . . . . . . . . . . . 31 and Back cover
This product may be covered by one or more of the following patents:
D409,208; 5,946,894; 6,070,690; 6,662,538; Pending

3
FOREWORD
The Hydrostatic Zero-Turn Riding Mower provides superb maneuverability and mid-mount cut-
ting. The machine incorporates many safety features that should be studied by all operators
before use. The list of safety precautions should receive particular attention.
This manual presents all of the operating and maintenance instructions necessary to keep
your mower at peak efficiency. If operated and maintained properly, your mower will give
dependable service.
CAUTION:
Only thoroughly trained persons should operate and maintain this
mower. This machine can cause serious injury to anyone who mis-
uses it and does not understand its operation. For their personal
safety, all operators are required to read this entire manual before
operating the mower.
Hazard control and accident prevention are partially dependent
upon the design and configuration of the equipment. Awareness,
concern, prudence and proper training of the personnel involved in
the operation, transport, maintenance and storage of the equip-
ment, are essential for hazard control and accident prevention.
NOTE: The engine manufacturer is responsible for all engine-related issues with
regards to performance, power-rating, specifications, warranty and service.
Please refer to the engine manufacturer’s owner’s/operator’s manual,
packed seperately with your unit, for more information.
MODELS LISTED IN THIS MANUAL
19HP 44”, 21HP 48”, 23HP 54”,
53AI3AGF750 53AI3AGV750 53AI3AGT750

4
WARNING
• The engine exhaust, some of its constituents, and certain vehicle components contain or emit chemicals
known to the State of California to cause cancer, birth defects or other reproductive harm.
• This unit is equipped with an internal combustion engine and should not be used on or near any unimproved
forest-covered, brush-covered, or grass-covered land unless the engine’s exhaust system is equipped with a
spark arrester meeting applicable local or state laws (if any). If a spark arrester is used, it should be main-
tained in effective working order by the operator.
• In the State of California, the above is required by law (Section 4442 of the California Public Resources
Code). Other States may have similar laws. Federal laws apply to federal lands. A spark arrester muffler
may be available.
IMPORTANT SAFE OPERATION PRACTICES
THIS SYMBOL POINTS OUT IMPORTANT SAFETY INSTRUCTIONS WHICH, IF NOT FOLLOWED,
COULD ENDANGER THE PERSONAL SAFETY AND/OR PROPERTY OF YOURSELF AND OTH-
ERS. READ AND FOLLOW ALL INSTRUCTIONS IN THIS MANUAL BEFORE ATTEMPTING TO
OPERATE YOUR UNIT. FAILURE TO COMPLY WITH THESE INSTRUCTIONS MAY RESULT IN
PERSONAL INJURY. WHEN YOU SEE THIS SYMBOL-
HEED ITS WARNING.
Your lawn mower was built to be operated according to the rules for safe operation
in this manual. As with any type of power equipment, carelessness or error on the
part of the operator can result in injury. This lawn mower is capable of amputating
hands and feet or throwing objects. Failure to observe the following safety instruc-
tions could result in serious injury or death.
DANGER
GENERAL SAFETY
OPERATIONS
A. GENERAL OPERATION
1. Read, understand and follow all instructions in
the manual and on the machine before start-
ing. Keep this manual in a safe place for
future and regular reference and for ordering
replacement parts.
2. Only allow responsible individuals familiar with
the instructions to operate the machine. Know
the controls and how to stop the machine
quickly.
3. Do not put hands or feet under the cutting
deck or near rotating parts.
4. Clear the area of objects such as rocks, toys,
wire, etc. which could be picked up and thrown
by the blades. A small object may have been
overlooked and could be accidentally thrown
by the mower in any direction and cause injury
to you or a bystander. To help avoid a thrown
objects injury, keep children, animals,
bystanders and helpers at least 75 feet from
the mower while it is in operation. Always
wear safety glasses with side shields or safety
goggles during operation or while performing
and adjustment or repair, to protect eyes from
foreign objects. Stop the blades when cross-
ing gravel drives, walks or roads.
5. Be sure the area is clear of other people
before mowing. Stop machine if anyone
enters the area.
6. Never carry passengers.
7. Disengage the blades before shifting into
reverse and backing up. Always look down
and behind before and while backing.
8. Be aware of the mower and attachment dis-
charge direction and do not point it at anyone.
Do not operate the mower without either the
entire grass catcher or the chute guard in
place.
9. Slow down before turning. Operate the
machine smoothly. Avoid erratic operation
and excessive speed.
10. Never leave a running machine unattended.
Always turn off the blades, place the transmis-
sion in neutral, set the parking brake, stop the
engine and remove key before dismounting.
11. Turn off blades when not mowing.
12. Stop the engine and wait until the blades
come to a complete stop before (a) removing
the grass catcher or unclogging chute, or (b)
making any repairs, adjusting or removing any
grass or debris.
13. Mow only in daylight or good artificial light.
14. Do not operate the machine while under the
influence of alcohol or drugs.
15. Watch for traffic when operating near or cross-
ing roadways.
16. Use extra care when loading or unloading the
machine into a trailer or truck. This unit

5
should not be driven up or down a ramp onto
a trailer or truck under power, because the
unit could tip over causing serious personal
injury. The unit must be pushed manually on
a ramp to load or unload properly.
17. Never make a cutting height adjustment while
the engine is running if the operator must dis-
mount to do so.
18. Wear sturdy, rough-soled work shoes and
closefitting slacks and shirts. Do not wear
loose fitting clothes or jewelry. They can be
caught in moving parts. Never operate a unit
in bare feet, sandals or sneakers.
19. Check overhead clearance carefully before
driving under power lines, wires, bridges or
low hanging tree branches, before entering or
leaving buildings, or in any other situation
where the operator may be struck or pulled
from the unit, which could result in serious
injury.
20. Disengage all attachment clutches, set the
parking brake to the on position and put the
lap bars to the neutral or out position, before
attempting to start the engine.
21. Your mower is designed to cut normal resi-
dential grass of a height no more than 10”.
Do not attempt to mow through unusually tall,
dry grass (e.g. pasture) or piles of dry leaves.
Debris may build up on the mower deck or
contact the engine exhaust presenting a
potential fire hazard.
22. Use only accessories approved for this
machine by Cub Cadet. Read, understand
and follow all instructions provided with the
approved accessory.
B. SLOPE OPERATION
Slopes are a major factor related to loss of con-
trol and tip-over accidents, which can result in
severe injury or death. All slopes require extra
caution. If you cannot back up the slope
or if you feel uneasy on it, do not mow it.
For your safety, use the slope gauge included as
a part of this manual (see pg. 27) to measure
slopes before operating this unit on a sloped or
hilly area. If the slope is greater than 15 degrees
as shown on the slope gauge, do not operate this
unit on that area or serious injury could result.
DO:
• Mow across slopes, not up and down.
• Remove obstacles such as rocks, limbs, etc.
• Watch for holes, ruts or bumps. Uneven terrain
could overturn the machine. Tall grass can hide
obstacles.
• Use slow speed. Choose a low enough speed
so that you will not have to stop while on the
slope.
• Follow the manufacture’s recommendations for
counterweights with attachments to improve sta-
bility.
• Use extra care with grass catchers (material
collection systems) or other attachments. These
can change the stability of the machine.
• Keep all movement on the slopes slow and
gradual. Do not make sudden changes in speed
or direction. Rapid acceleration or deceleration
could cause the front of the machine to lift and
rapidly flip over backwards, which could cause
serious injury.
• Avoid starting or stopping on a slope. If the
tires lose traction, disengage the blades and pro-
ceed slowly straight down the slope.
DO NOT:
• Do not turn on slopes unless necessary; then,
turn slowly and use extra care.
• Do not mow near drop-offs, ditches or embank-
ments. The mower could suddenly turn over if a
wheel is over the edge of a cliff or ditch, or if an
edge caves in.
• Do not mow on wet grass. Reduced traction
could cause sliding.
• Do not try to stabilize the machine by putting
your foot on the ground.
• Do not use the grass catcher on steep slopes.
C. CHILDREN
Tragic accidents can occur if the operator is not
alert to the presence of children. Children are
often attracted to the machine and the mowing
activity. Never assume that children will
remain where you last saw them.
1. Keep children out of the mowing area
and in watchful care of an adult other than the
operator.
2. Be alert and turn the machine off if children
enter the area.
3. Before and when backing up, look behind and
down
for small children.
4. Never carry children, even with the blades off.
They may fall off and be seriously injured or
may interfere with safe machine operation.
5. Never allow children under 14 years old to
operate the machine. Children 14 years and
over should only operate the machine under
close parental supervision and proper instruc-
tion.
6. Use extra care when approaching blind cor-
ners, shrubs, trees or other objects that may
obscure your vision of a child or other hazard.

6
7. Remove the key when the machine is left
unattended to prevent unauthorized opera-
tion.
D. SERVICE
1. Use extreme care in handling gasoline and
other fuels. They are extremely flammable
and the vapors are explosive.
a. Use only an approved con-
tainer.
b. Never remove fuel cap or add fuel with
the engine running. Allow the engine
to cool at least two minutes before
refueling.
c. Replace the fuel cap securely (it will
“click” when correct) and wipe off any
spilled fuel before starting the engine
as it may cause a fire or explosion.
d. Extinguish all cigarettes, cigars, pipes
and other sources of ignition.
e. Never refuel the machine indoors
because fuel vapors will accumulate in
the area.
f. Never store the fuel container or
machine inside where there is an open
flame or spark, such as a gas hot
water heater, space heater or furnace.
2. Never run a machine inside a closed area.
3. To reduce fire hazard, keep the machine free
of grass, leaves or other debris build-up.
Clean up oil or fuel spillage. Allow the
machine to cool at least 5 minutes before stor-
ing.
4. Before cleaning, repairing or inspecting, make
certain the blade and all moving parts have
stopped. Disconnect the spark plug wire, and
keep the wire away from the spark plug to pre-
vent accidental starting.
5. Check the blade and engine mounting bolts at
frequent intervals for proper tightness. Also
visually inspect blades for damage (e.g.,
excessive wear, bent, cracked). Replace with
blades which meet original equipment specifi-
cations.
6. Keep all nuts, bolts and screws tight to be
sure the equipment is in safe working condi-
tion.
7. Never tamper with safety devices. Check
their proper operation regularly. Use all
guards as instructed in this manual.
8. After striking a foreign object, stop the engine,
remove the wire from the spark plug and thor-
oughly inspect the mower for any damage.
Repair the damage before restarting and
operating the machine.
9. Grass catcher components are subject to
wear, damage and deterioration, which could
expose moving parts or allow objects to be
thrown. For your safety protection, frequently
check the components and replace with man-
ufacturers recommended parts when neces-
sary.
10. Mower blades are sharp and can cut. Wrap
the blades or wear gloves, and use extra cau-
tion when servicing blades.
11. Check park brake operation frequently. Adjust
and service as required.
12. Muffler, engine and belt guards become hot
during operation and can cause a burn. Allow
to cool down before touching.
13. Do not change the engine governor settings
or overspeed the engine. Excessive engine
speeds are dangerous.
14. Observe proper disposal laws and regula-
tions. Improper disposal of fluids and materi-
als can harm the environment and the
ecology.
a. Prior to disposal, contact your local
Environmental Protection Agency to
determine the proper method for dis-
posing of the waste. Recycling cen-
ters are established to properly
dispose of materials in an environmen-
tally safe fashion.
b. Use proper containers when draining
fluids. Do not use food or beverage
containers that may mislead someone
into drinking from them. Properly dis-
pose of the containers immediately fol-
lowing the draining of fluids.
c. DO NOT pour oil or other fluids into the
ground, down drain or into a stream,
pond, lake or other body of water.
Observe Environmental Protection
Agency regulations when disposing of
oil, fuel, coolant, brake fluid, filters,
batteries, tires and other harmful
waste.
15. We do not recommend the use of high pres-
sure washers to clean your unit. They may
cause damage to electrical components; spin-
dles; pulleys; bearings; or the engine.
E. Related to Batteries
Batteries are stored electrical energy devices that
may be serviceable with removable caps (the electro-
lyte levels can be checked), or may be non-service-
able (no attempt should be made to open the vents).
Batteries may contain lead (Pb) and sulfuric acid,
and they must be re-cycled and not disposed of nor
abandoned. Sulfuric acid can cause severe burns,
and in the event of contact, the areas should be
flushed with water and a physician contacted. Battery
cases should not be punctured. Lead is poisonous

7
and is
contained within the positive and negative ter-
minals as well as within the battery’s internal grid-
work of plates and active materials.
A. Explosive gases are generated when batteries
are re-charged, so sparks, flames and heat sources
should be avoided. Loose connections at the battery
terminals can produce sprks and heat...connections
to the terminals must be kept tight, and the terminals
and battery surfaces kept clean of acids and corro-
sion. If batteries are re-charged or “jumped” from
external sources, make sure that the connections are
made properly and in the correct sequence...connect
to the positive terminal of the good battery first, then
connect that to the positive terminal of the weak bat-
tery. The third connection should be to the negative
terminal of the good battery, followed by the negative
terminal of the weak battery. If sparks are observed
or heating of the wiring or connectors is detected,
disconnect in reverse order (I.E., the negative termi-
nal of the weak battery first). Batteries should be re-
charged at a constant voltage...generally 14.5 +/- 0.5
volts DC for a nominal 12 volt DC battery.
F. Related to Fuel
1. Fuel is highly flammable and its vapors can
explode if ignited. Please respect it.
2. Do not smoke or permit others to smoke
while handling fuel.
3. Always use approved containers for fuel and
fill slowly to decrease the chance of static
electricity buildup and spillage.
4. Store fuel in well ventilated and unoccupied
buildings away from sparks and flames.
5. When dispensing gasoline into approved con-
tainers, place the container on the ground
when refueling to avoid a possible static elec-
tricity ignition of fuel vapors.
6. Do not fill containers while it is inside a vehi-
cle, trunk, the bed of a pickup or floor of a
trailer.
7. Always shut off the engine and permit it to
cool before removing the fuel tank cap.
8. Always fill the fuel tank outdoors.
9. If the fuel container spout will not fit inside the
fuel tank opening, use a funnel.
10. When filling the fuel tank, stop when the fuel
reaches one inch from the top. This space is
necessary for tank expansion.
Do not overfill
.
11. Wipe up any spilled fuel.
G. Towing
1. Tow only with a machine that has an
approved hitch designed for towing. Do not
attach towed equipment except at the hitch
point.
2. Follow the manufacturers recommendation for
weight limits for towed equipment and towing
on slopes.
3. Never allow children or others in or on towed
equipment.
4. On slopes, the weight of the towed equipment
may cause loss of traction and loss of control.
Note: 5 degrees (9%) maximum slope.
5. Travel slowly and allow extra distance to stop.
H. Suspension Seat
1. This unit is equipped with a heavy-duty vinyl
fabric-covered seat incorporating adjustable
armrests, an adjustable seatback, an adjust-
able fore/aft track, a weight/ride adjustable
mechanical suspension system, and an
Operator Presence Sensor (OPS).
2. An OPS in the form of a switch, is integrated
into the seat bottom and is connected to the
machine electrical system. The weight/ride
adjustment lever is located on the right side
of the seatback and incorporates three set-
tings: light = 110 lbs, medium = 195 lbs, and
heavy = 286 lbs. Lever up is light and down is
heavy. Weight adjustment should be made
without the operator sitting in the seat. The
seatback recline adjustment is also on the
right side between the seat back and seat
bottom, and it provides up to 10 degrees.
3. The fore/aft single-locking adjustment tracks
operate on roller-bearings for smooth and
almost effortless operation. The lever for seat
track actuation is near the right front corner
of the seat bottom, and allows fore/aft adjust-
ment of 4”.
4. The seat is attached to pivotal brackets,
which allow the seat assembly to pivot for-
ward onto the foot platform area.
Note: The Operator Presence Sensor must
be connected to the electrical wiring harness.
WARNING-YOUR RESPONSIBILITY: Restrict the use of this power machine to persons who
read, understand and follow the warnings and instructions in this manual and on the machine.

DANGER
KEEP HANDS AND FEET AWAY.
DO NOT OPERATE MOWER
UNLESS CHUTE DEFLECTOR
OR ENTIRE GRASS CATCHER IS
IN ITS PROPER PLACE.
ASSEMBLE CHUTE DEFLECTOR TO THIS UNIT BEFORE OPERATING.
S30503
Part Number: 777S30503
Part Number: 777S32598
Part Number: 777S30145
Part Number: 777I22444
K EEP HA NDS and FE ET AW AY
DANGER
TO REDUCE THE RISK OF INJURY,
D O N OT O PERATE MOW ER U NLESS
DI SCHARGE CHUT E COVER OR GRASS
CATCHER IS IN ITS PROPER PLACE.
Part Number: 777I22757
Part Number: 777I22741
Part Number: 777S32839
8
SAFETY DECALS AND LABELS

9
SPECIFICATIONS
GENERAL INFO.
Controls: Engine ignition and start switch; throttle & choke; left and right
steering levers; electric blade clutch switch; parking brake;
mower deck lift
Parking Brake: Mechanical linkage attached to the brake handle
Seat: Weight adjustable suspension seat with adjustable seat back
and armrest. 4" Adjustment front-to-rear
Frame: Structural steel, all welded construction
Instrumentation: Hour meter
Front Caster Wheels: 11 x 6.00 - 5
Drive Wheels: 20 x 8.00-10 for 44” & 48”; 20 x 10.00-10 for 54”
Tire Pressure: 8-10 psi rear, 20-25 psi front caster
Fuel Tank: Two 5 gallons with individual shut off valves
Ground Speed: 0-8 MPH forward. 0-4 MPH reverse
Net Weight: 655 lbs 44”; 670 lbs 48”; 685 lbs 54”
ENGINE INFO.
Engine: 19HP Kawasaki 44”; 21HP Kawasaki 48”; 23HP Kawasaki 54”
Type: Vertical air cooled V-Twin
Air Cleaner: Paper element and foam precleaner
Lube System: Pressurized with oil filter, drain valve with hose
Starter: 12-volt electric
Clutch: Electric blade brake clutch
TRACTION DRIVE INFO.
Traction Drive: Variable-speed integrated hydraulic charged ZT-2800 pumps
and wheel motors on each drive wheel
CUTTER DECK INFO.
Cutter Deck;Drive: 44", 48”, 54” belt driven fabricated deck
Deck Lift: Foot lever w/ lock for height adjustment
Cutting Height: 1-1/2" to 4" in 1/4” increments
No. of Blades: 3, belt-driven, power take-off from engine

10
OPERATING INSTRUCTIONS
Figure. 1 Figure. 2
Ignition Switch
Electric Blade
Clutch Switch
Hour Meter
Engine throttle
Choke
parking brake
E. General
1. When Mowing:
a. Keep adults, children, and pets away from
the area to be mowed.
b. When operating this mower, in the forward
direction, do not allow the steering levers
to return to neutral on their own. Always
maintain a firm grip on the levers, operate
them smoothly and avoid any sudden
movements of the levers when starting and
stopping.
c. If the mower is equipped for side dis-
charge, never use the mower without the
discharge chute installed and placed in the
down position.
d. Always remove debris and other objects
from the area to be mowed (Note: debris
and loose grass will reduce traction).
e. Mow only in daylight or good artificial light.
f. Watch for holes, sprinkler heads, and other
hidden hazards.
g. Avoid driving too close to trees, creeks,
ditches, sand traps, and other obstacles.
h. Before backing up, check behind and
watch where you are going.
i. Always reduce speed when making a turn,
and when grass is wet.
j. Always mow across slopes, never up and
down the slope. Do not operate on steep
slopes and slow down before turning.
Avoid turning downhill if possible, start at
the bottom and work up to the top. Use
extra care and go slowly when turning
downhill. Control the speed and direction
of the zero turn machine “primarily” with
the speed/directional control (lap bar) of
the downhill side of the machine...I.E.,
maintain the uphill side lap bar “essen-
tially” in a fixed position.
k. Be careful when crossing gravel paths or
roadways. Always turn off the blade clutch
switch and wait until the blades stop rotat-
ing and raise the cutting deck to the trans-
port position. Always allow other vehicles
to have the right of way.
l. If you hit a solid object while mowing, turn
off the blade clutch switch, place the steer-
ing levers in the neutral, opened-out posi-
tion, move the throttle to slow, set the
parking brake, shut off the engine, and
take the key from the ignition switch.
Inspect for damage. Repair the damage.
Make sure the blades are in good condition
and that the blade bolts are tight before
restarting the engine.
m. Never leave the mower unattended without
performing the following: turn off the blade
clutch switch, placing the steering levers in
the neutral open-out position, moving the
throttle to slow, setting the parking brake,
shutting off the engine and taking the key
from the ignition switch.
n. Never walk or stand on the discharge side
of the mower when the engine is running.
Turn off the blade clutch switch if another
person approaches while you are operat-
ing the mower.
o. Never attempt to operate the traction unit
without having the mowing deck attached.
p. Keep the mower and especially the engine
and hydraulic components clean and free
of grease, grass, and leaves to reduce the
chance of fire and permit proper cooling.
11
2. Safety Awareness when Mowing
a. Do not operate on steep slopes, those
above 15 degrees (27% slope).
b. Avoid turning downhill if possible, use extra
care and go slowly.
c. Avoid turning when going downhill, traction
is at a minimum going downhill.
d. Do not operate with discharge side of the
mower toward streets, buildings, play-
grounds, parking lots, other machines, ani-
mals, and other people.
e. Avoid operation or use extreme care if the
traction surface is wet, unstable, or slip-
pery.
f. Use extra care when grass clippings,
leaves, pine needles, or debris are present
as traction can be reduced.
g. Slow-down before turning and come to a
complete stop before any zero turn maneu-
ver.
h. Do not stop machine or park machine over
combustible materials such as dry grass,
leaves, debris, etc.
3. To Mow Grass and Produce a Striped Pat-
tern
a. Pick a point on the opposite side of the
area to be mowed (post, tree, shrub, etc.).
b. If on a hillside, start at the bottom so that
the turns are uphill rather than downhill.
c. Align the mower so as to head directly
toward the object on the far side.
d. Slowly increase the speed of the machine
to match cutting conditions, terrain, and
operator familiarity with the controls and
keep the machine headed directly toward
the alignment object. Do not go fast as to
reduce cut quality or to be uncomfortable
in controlling the speed and direction of the
machine.
e. When approaching the other end of a strip,
slow down or stop before turning. A U-turn
is recommended unless a zero turn is
required. The speed of a U-turn that will
allow for machine controllability and mini-
mal turf defacement will be dependent on
several factors including: the speed during
turning, the radius of the turn, the tire tread
pattern, the traction coefficient of the tire to
the traction surface, the slope of the trac-
tion surface.
f. Remember, a zero turn requires that the
forward or reverse travel of the machine be
stopped prior to the initiation of the turn or
severe turf defacement can occur.
g. To prevent rutting or grooving of the turf,
change the direction that the strips are
mowed by approximately 45 degrees the
next and each subsequent time that the
area is mowed.
F. Controls
1.
Engine Ignition and Start Switch:
(See Fig-
ure 1.) Located on the instrument housing
below the right side of the operator’s seat.
When the key is inserted and turned clock-
wise, 45 degrees, the ignition circuit is closed.
Turning the switch further against spring pres-
sure starts the engine. The engine will only
start if the blade clutch switch is in the “off”
position, the parking brake is engaged and
the left and right steering levers are in the
neutral, opened-out position. The key should
always be removed from the switch if the
operator leaves the mower’s seat.
2.
Engine Throttle Control:
(See Figure 2.)
Located on the left side of the mower next to
the operator’s seat. Moving the throttle control
from the rear to the front will increase the
engine speed from slow to fast. Stop at the
detent, or the choke will be activated.
3.
Left and Right Steering Levers:
(See Figure
3.) These hinged levers open out to the side
in any position to permit the operator to be
seated or to leave the mower’s seat. The
operator, when seated, can pull the levers up
to the operating position, a comfortable fore-
arm’s length away. These levers control all of
the movements of the mower. Pushing both
levers forward causes the mower to move for-
ward. Pulling both levers back causes the
mower to move backward. Pushing one lever
ahead of the other lever causes the traction
wheel on the side where the lever is ahead to
rotate faster than the other traction wheel,
making the mower turn toward the side where
the lever is behind. When one lever is pushed
forward and the other lever pulled back the
same amount, one traction wheel will turn in
reverse and the mower will turn within its own
length.
In order to start the engine, both steering
levers must be in the neutral position; the
parking brake must be engaged; and the
blade clutch switch must be “off”. However,
once the engine starts, the parking brake
must be released before the operator can
move the steering levers.
Note: The Steering Lever will return toward
neutral when released, but they should be
placed in neutral by the driver. If the Drive
Handles are not placed in neutral, the tractor
may creep.

12
4.
Electric Blade Clutch Switch:
(See Figure
1.) Located on the right side of the mower
beside the ignition switch. This is an “on/off”
push-pull switch that controls the electric
blade clutch which supplies power to the cut-
ting blades through the PTO. The switch must
be turned off to start the engine and should
be turned off for safety any time another per-
son approaches the mower or the mowing
deck is raised to the transport position. Power
to the electric clutch will also be cut off if the
operator leaves the operator’s seat.
5.
Parking Brake:
(See Figure 3.) Located on
the left side of the traction unit. The handle is
an overcenter lever which applies the drum
brakes on the drive wheels when the handle is
pulled to the rear. The brake must be engaged
in order to start the engine.
6.
Steering Levers
Deck Lift Pedal
Figure. 3
Deck Lift Pedal:
(See Figure 3.) Located on
the panel in front of the seat. Raise the mow-
ing deck to the transport position, by pushing
the upper part of the pedal. To lower the mow-
ing deck, push on the upper part of the pedal
and lower it to the desired position.
7.
Fuel Shutoff Valve:
(See Figure 4.) Located
on top of each fuel tank. When turned in a
clockwise direction until it stops, it will shut off
the flow of fuel to the engine. When turned in
a counterclockwise direction it will open and
allow fuel to flow to the engine. Close this
valve if you are not going to run the mower for
a period of 30 minutes or more to prevent
flooding the engine.
8.
Fuel Shutoff Valve
Figure. 4
Seat Position Adjustment Lever:
The Seat
Position Adjustment Lever is located beneath
the seat. The Seat Position Adjustment Lever
is used to move the seat forward and back-
ward. To place the seat in the desired position
pull the seat adjustment lever to the left then
push the seat forward or back to the desired
position. Release the lever so the seat will
lock in place.
9. Weight Adjustment Lever:
The weight
adjustment lever is located on the right side of
the seatback and incorporates three settings:
upper is 110 lbs, middle is 195 lbs, and lower
is 285 lbs.
10.
Seatback Recline Knob:
The seatback
recline knob is located on the
right side
between the seat back and seat bottom
.
Turning it clockwise adds additional recline up
to 10 degrees.
11.
Hour Meter:
(See Figure 1) Located on the
right side of the mower behind the ignition
switch. The hour meter displays running time.
Note: An optional meter provides engine
speed (RPM), service reminders (oil, lube),
and running time (hours).
12.
Choke Lever:
(See Figure 2) The Choke
knob is located on the left side control panel
next to the operator’s seat. Having the Choke
in the ON (up) position helps the engine to
start during initial start-up. During normal
operation the Choke should be in the OFF
(down) position.

13
G. Initial Adjustments
1. Check the fluid levels and tires:
Note: These checks should be made daily,
before starting the engine.
a. Fuel: Using a good grade of unleaded,
regular gasoline, fill the fuel tank (beside
the engine on the left side of the mower).
When the fuel reaches one inch from the
top of the tank, stop. DO NOT OVERFILL.
Space must be left for expansion.
b. Engine Oil: (Filled at the factory before
shipment.) Pull out the oil dipstick, wipe it
off and reinsert it. Pull it out again and read
the oil level. If it is below the operating
range, add oil through the fill tube using a
funnel to bring it up to the top of the operat-
ing range.
Note: Gasoline Engine: For the recom-
mended oil weight refer to engine manual.
c. Hydraulic Oil: (Filled at the factory before
shipment.) The hydraulic oil is contained
within the integrated hydrostatic transaxles
and does not need to be checked or
replaced. The oil level in the expansion
tank needs to be maintained at 1/2” to 1”
above the bottom of the tank.
d. Tires: 8-10 psi rear, 20-25 psi front caster
tires
Note: New tires are overinflated in order to
properly seat the bead to the rim. The normal
working pressure for the traction tires is 8-10
psi. The front caster wheels should be inflated
to 20-25 psi.
2. Check that all Nuts, Bolts and Screws are
Tight.
3. Check the tension of the deck drive belts.
a. Remove the deck cover
b. The tension of the deck drive belts are
maintained by a spring mechanism that
adjusts for wear and stretch.
c. Examine the belts for cuts, fraying, and
excessive wear. Replace if any of these
are detected.
d. Replace the deck cover.
4.
Adjust the Mowing Deck:
The cutting height
is set in 1/4” increments in the range of 1-1/2"
to 4". Do not attempt to raise the mower deck
higher than 4” because you will damage com-
ponents on your mower.
You may need to
adjust the mowing deck to achieve the proper
angle for mowing. Follow the procedures
below to set the appropriate angle to the
mowing deck.
a. Park the mower on a flat paved surface,
engage the parking brake, shut off the
engine, remove the key from the ignition
switch, remove connection of the spark
plugs and using the foot pedal, lower the
mowing deck into the cutting position.
b. Using a ruler, pencil and paper, measure
and note the distance from the paved sur-
face to the bottom edge of the mowing
blade at the front and the back of the deck
on each side of the mower. (Four dimen-
sions.)
Note: The front edge of the mowing deck
should be 1/8"-1/4" below the rear edge of the
deck so that the blades are cutting grass in
only the front half of their circular path. This
decreases friction and reduces the drive
power required.
c. If the dimension at the front of the mowing
deck is 1/8"-1/4" lower than the dimension
at the rear of the deck (pitch) on each side
of the mower, do not adjust. If not, you will
need to adjust the Lift Links (See Figure 5).
Figure. 5
jam nut Trailing Link
Left Side
Adjustable Lift Link
rear nuts
outer nuts
d. To level the deck (side to side), place the
deck in the (3” suggested) cutting position.
With a 3/4” wrench loosen the lower jam
nut of the left side of the Lift Link. To adjust
the side of the deck up or down turn the
upper jam nut clockwise (to raise) or
counter clockwise (to lower) a few turns.
e. To change the pitch (front to rear), loosen
the lower nuts on the rear Lift Links. With a
few turns, adjust clockwise (to raise) or
counter clockwise (to lower) the upper nuts
of the rear Lift Links. Once the deck is
adjusted, retighten lower nuts.
f. Raise the mowing deck to the transport
position using the deck lift pedal.
g. Use the deck lift pedal to lower the mowing
deck to the cutting position and repeat step
“b.” above to make sure that the desired
cutting height and pitch and level have
been attained. If the dimensions are not
correct, repeat steps “c.” through “f.” above.

14
5. Lubricate all fittings listed in the mainte-
nance section.
H. Zero Turn Break-In And Operating
Procedures
DANGER:
Reread the “When Mowing” Safety Precautions.
The following procedures are suggested for opera-
tors of ride-on machines which have zero turn
capabilities.
1. Orientation:
a. Read the entire Operator’s Manual.
b. Sit on the machine, adjust the seat fore-
and-aft, then adjust the speed/directional
(lap bar) controls (they can be adjusted
fore-and-aft, as well as up-and-down — 9/
16" wrench required).
c. Become familiar with all of the machine
controls, instrumentation, safety and
instruction signs, and safety devices.
d. Move (or have moved) the machine to a
safe, level area with no obstructions includ-
ing objects, pedestrians, and animals.
2. Initial Operation:
a. Use protective equipment for eyes, hands,
hearing, feet, legs, head and other areas of
the body if needed — safety eye glasses,
gloves, earplugs, boots, hats, etc.
WARNING:
Hearing Protection is required for all operator
exposure exceeding two (2) hours.
b. Ensure that the area is free of animals and
bystanders, especially children!
c. Survey the area where the equipment is to
be used to make sure it is free of debris,
sticks, stones, wires, bones, and other for-
eign objects which could cause injury to
bystanders, damage to the machine, or
damage to nearby facilities.
d. Inspect the machine to make sure:
1. All guards, shields (including mower
chute deflector) are in their proper place,
are secure, and are functional.
2. That there are no spilled or leaking fuel
or oil sources, nor loose fuel or hydraulic
tank caps, hoses or fittings.
3. That there are no loose or missing hard-
ware nor any missing items.
4. That no non-approved devices are
installed.
5. That all safety signs and decals are
properly installed and legible.
e. This is a one person machine, operator
only! Riders are not permitted under any
circumstance!
f. To start the engine on the machine:
1. Make sure the park brake is set to the
“ON” position, both lap bars are in the
neutral/start position, and the Power
Take Off (PTO also referred to as blade
control switch) is in the “off” (down) posi-
tion.
2. Move the choke and the engine speed
control (throttle) forward to the end of the
slot.
3. Insert the ignition key, turn the switch
toward the spring-loaded “Start” position,
maintain the Start position until the
engine begins to run, then release the
switch (it will return to the “Run” posi-
tion).
4. Move the choke/speed control slowly by
moving it rearward. If the engine is
“cold”, the choke may need to be par-
tially applied for a few minutes. Be sure
to move the choke/throttle after the
engine has “warmed up” to the detent.
g. Check safety devices:
1. With the park brake engaged, try to
move one of the lap bars (speed/direc-
tional control) from the neutral/start posi-
tion, it should not move.
2. Repeat this procedure with the opposite
side lap bars.
3. With the park brake engaged and the lap
bars in the neutral/start position,
advance the engine speed control com-
pletely forward (Hi-idle), engage the PTO
control switch (pull upward), then lift off
the seat — the engine should stop run-
ning. Sit down and the engine should
run. Turn off the PTO by pushing the
control switch down.
h. To drive in the FORWARD direction:
1. Set the engine speed to 2000 to 2500
rpm (refer to optional tachometer on
right control panel). This must be
increased to full speed (3525-3675 rpm)
after becoming familiar with the machine.
2. Release the park brake.
3. Slowly, move both lap bars toward the
front of the machine until the machine
begins to move forward — release the
lap bars and the machine should stop.
The more that the lap bars are moved
toward the front of the machine, the
faster the machine will move in the for-
ward direction. Release the lap bars and
the machine should stop traveling for-
ward. (This is a safety check, the normal
procedure is for the operator to slowly
bring the lap bars to the neutral position).
4. Do not advance the lap bars rapidly as
this could cause turf defacement, loss of
traction, and/or instability.
5. To turn, advance one lap bar ahead of
the other and the machine will turn
15
toward the opposite from the side that
was advanced — I.E. to turn clockwise
(to the Right), move the LEFT lap bar for-
ward more than the right side, and to
turn counter-clockwise (to the LEFT),
move the RIGHT lap bar forward more
than the left side. NOTE: If one lap bar is
in the neutral position and the other is
advanced, the turn side tire will not
rotate and a “pivot turn” will be executed
— turf defacement could occur (if on
grass) as well as potential damages to
the traction surface and the tire. If the lap
bar on the turn side is not brought all the
way to neutral, then the turn side tire will
continue to rotate and a “U-turn” will be
executed with a low potential for turf
defacement as well as traction surface
and tire damage.
i. To drive in the REVERSE direction:
1. Make sure no bystanders, animals, or
objects are behind the machine. Look
behind the machine, and use extreme
care.
2. Slowly, move both lap bars toward the
rear of the machine until the machine
begins to move rearward. Release the
lap bars and the machine should stop.
The more the lap bars are moved toward
the rear of the machine, the faster the
machine will move in the reverse direc-
tion. Release the lap bars and the
machine should stop traveling in reverse
(this is a safety check, the normal proce-
dure is for the operator to slowly bring
the lap bars to the neutral position).
3. Do not move the lap bars rapidly as this
could cause turf defacement and/or loss
of traction.
4. To turn, move one lap bar ahead of the
other and the machine will turn toward
the same side that was moved — I.E., to
turn counter-clockwise (to the LEFT),
move the LEFT lap bar rearward more
than the right side, and to turn clockwise
(to the RIGHT), move the RIGHT lap bar
rearward more than the left side. NOTE:
If one lap bar is in the neutral position
and the other is moved, the turn side tire
will not rotate and a “pivot turn” will be
executed. Turf defacement could occur
(if on grass) as well as potential dam-
ages to the traction surface and the tire.
If the lap bar on the turn side is not
brought all the way to neutral, then the
turn side tire will continue to rotate and a
“U-turn” will be executed with a low
potential for turf defacement as well as
traction surface and tire damage.
j. To perform a “zero turn”:
1. Please note, a zero turn maneuver can
not be executed while the machine is
moving in the forward or, reverse direc-
tions, the machine must come to a stop
first.
2. To turn clockwise, slowly move the LEFT
lap bar forward while simultaneously
moving the RIGHT lap bar rearward.
Release both lap bars and the machine
should stop turning.
3. To turn counter-clockwise, slowly move
the RIGHT lap bar forward while simulta-
neously moving the LEFT lap bar rear-
ward. Release both lap bars and the
machine should stop turning (this is a
safety check, the normal procedure is for
the operator to slowly bring the lap bars
to the neutral position).
Note: If low traction conditions occur, follow
these procedures for “zero turns”:
To turn clockwise (front of machine moves toward RIGHT)
when traveling FORWARD:
1. Come to a stop,
2. Then slowly move both lap bars rearward (no
more than 1/2 maximum reverse speed) to initiate
REVERSE travel,
3. Then slowly move the LEFT lap bar forward while
maintaining the RIGHT lap bar in the rearward travel
position.
4. To stop the turn and reintiate FORWARD travel,
slowly move the RIGHT lap bar from the REVERSE
travel position to a FORWARD travel position equal t
that of the LEFT lap bar.
5. Alternatively, release both lap bars and the
machine should stop turning, (this is a safety check,
the normal procedure is for the operator to slowly
bring the lap bars to the Neutral psoition).
To turn counter-clockwise (front of machine moves toward
LEFT) when traveling FORWARD:
1. Come to a stop,
2. Then slowly move both lap bars rearward (no
more than 1/2 maximum reverse speed) to initiate
REVERSE travel,
3. Then slowly move the RIGHT lap bar forward
while maintaining the LEFT lap bar in the rearward
travel position.
4. To stop the turn and reintiate FORWARD travel,
slowly move the LEFT lap bar from the REVERSE
travel position to a FORWARD travel position equal t
that of the RIGHT lap bar.
5. Alternatively, release both lap bars and the
machine should stop turning, (this is a safety check,
the normal procedure is for the operator to slowly
bring the lap bars to the Neutral psoition).
3. Start the Engine:
a. Open the fuel shutoff valve.
b. Sit on the Seat. Set the parking brake
“On”.
c. Move the left and right steering levers to
the neutral position.

16
d. Turn the electric blade clutch switch “Off”.
e. Push the choke/throttle control to the full
forward position.
f. Insert the key in the ignition and start
switch and turn the switch to “On”.
g. Turn the ignition key in a clockwise direc-
tion to the “Start” position until the engine
starts.
Note: Do not hold the key in the “Start”
position for more than 10 seconds or you may
damage the starter. If the engine does not start
in this time, wait about 30 seconds and try
again.
h. Gasoline Engine: Once the engine starts,
move the choke/throttle to the detent as
the engine warms.
4.
Operating the Mower:
Operating a zero-turn-
ing-radius mower is not like operating a trac-
tor-type riding mower. The zero-turning-radius
mower is much more maneuverable and
much less fatiguing to operate. However, get-
ting used to the fingertip control of the zero-
turning-radius mower takes some practice.
We strongly recommend that you locate a
“test area” where you can operate the mower
for about 30 minutes without being disturbed.
a. Get into the operator’s seat.
b. Start the engine.
c. Use the deck lift pedal to raise the mowing
deck to the transport position. Make sure
the blade clutch switch is off.
d. After the engine has warmed, adjust the
throttle to the fast position.
e. Release the parking brake.
f. Fold in the steering levers to the operating
position.
WARNING:
When operating this mower forward, do not
allow the steering levers to return to the neu-
tral position on their own. Always maintain a
firm grip on the steering levers, operate them
smoothly and avoid any sudden movements of
the levers when starting or stopping.
g. To go forward, move both steering levers
slightly forward and the mower will slowly
move forward. The farther you move the
levers forward the faster the mower will go
forward.
h. To back up, move both steering levers
slightly backward and the mower will
slowly move backward. The farther you
move the levers backward the faster the
mower will go backward.
i. To turn, pull the lever back on the side to
which you want to turn. The farther back
you pull the lever, the faster and more
sharply you will turn. Initially, you will have
to be careful to avoid turning too fast and
too far.
j. After you have mastered operating the
mower, use the transport lever to lower the
mowing deck to the cutting position and
pull on the electric blade clutch switch to
start the blades rotating.
k. Practice mowing in straight passes. When
you feel confident, slowly practice mowing
around obstacles such as trees.
5. Parking the Mower:
a. Push off the electric blade clutch switch.
b. Use the Deck Lift pedal to raise the mow-
ing deck to the transport position.
c. Drive the mower to the cleanup or storage
area.
d. Move the throttle to slow.
e. Place the steering levers in the neutral
position.
f. Set the parking brake.
g. Turn off the ignition switch and take the key
from the switch.
h. Close the fuel shutoff valves.
I. Mower Cutting Blades
The blades normally “factory installed” on a mower
afford the best grass cutting performance on the
majority of grasses and mowing conditions; however,
there will be occasions whereby the grass type,
stage of grass growth, soil conditions, and weather
conditions will require different cutting blade types.
Since the mower decks are designed so that over-lap
of the cutting blades generally exceed 1.5”, there is
no need for orientation of one cutting blade to an
adjacent blade (I.E., the blades do not need to be
“timed” nor synchronized).
Hi-lift- These are generally the best cutting blades
for most grasses and mowing conditions. These
blades will provide extra “lift” for the thinner leaf
grasses, will handle lush grasses, and will provide
maximum grass and debris discharge. These blades
are generally required for material collection sys-
tems. More horsepower is required for these blades
when compared to others, and they generally pro-
duce the highest noise levels.
Medium-lift- These blades require less horsepower
than the hi-lift, and they generally work well in wider
leaf grasses and some mulch applications.
Low-lift- These blades require less horsepower than
hi-lift and medium-lift blades, and they generally work
best with wide leaf grasses, sparse grass growth,
and sandy soil conditions. They generally produce
the lowest noise levels. Bahia blades are configured

Figure. 6
hair pin
Trailing Link
hair pins
17
without offset, and with a maximum amount of sharp-
ened cutting edge.
Mulch- These blades are generally designed for use
in cutting decks equipped with mulch baffles. The
shape of the blade generally produces higher turbu-
lence in order that the grass can be repeatedly cut
and re-cut into smaller pieces. These blades gener-
ally require more horsepower than other blades.
Mulch blades work best when the grasses are cut at
the highest levels, minimal lengths of grasses are
removed, and grass conditions are generally dry.
MAINTENANCE AND
SERVICE
WARNING:
Disconnect the spark plug wires or remove the
key from the ignition to prevent the engine
from accidentally starting before performing
any maintenance on this mower.
A. Cleaning your Deck
Use the Deck Wash System to rinse grass clip-
pings fro the deck’s underside and prevent the
buildup of corrosive chemicals. Complete the fol-
lowing steps after each mowing:
IMPORTANT: Make certain the machine’s dis-
charge chute is directed away from people, chil-
dren, animals, and your house, garage, parked
cars, etc.
a. Drive the machine to a level, clear spot on
your lawn, near enough to a water faucet
(spigot) for your garden hose to reach.
b. Make sure that the PTO (mower deck
blade engage) control is in the “OFF” posi-
tion.
c. Move shift lever or speed control into the
“Neutral” position.
d. Set the parking brake, and turn the ignition
key to the “STOP” position to stop the
engine.
e. Thread hose coupler (packaged with this
manual) onto the end of your garden hose.
See Figure 7.
f. Attach the hose coupler to the water port
on your mower deck’s surface. See Figure
7. Turn the water on.
g. While sitting in the machine operator’s
position, re-start the engine and place
throttle lever in the Fast (rabbit) position.
h. Move the PTO control to the “ON” position.
i. Remain in the machine operator’s position,
and with the mower deck engaged for a
minimum of two minutes per wash out,
start with the trim (operator’s left) side, and
allow the underside of the cutting deck to
thoroughly rinse.
j. Move the PTO control to the “OFF” posi-
tion.
k. Turn the engine off.
l. Turn the water off, and detach the hose
coupler from the water port on your mower
deck.

18
m. Clean up the grass clippings and other
materials washed from underneath the
mower deck, and dispose of them properly.
Hose Coupler
(Shown without
Hose Attached)
Water Port
Figure. 7
B.Mower Deck
1. Removing the Mower Deck:
a. Apply the parking brake. Remove ignition
key and both spark plug caps.
b. Lower the cutter deck to the lowest setting
and capture the lift pedal by placing the
height of cut clevis pin into the “Lock” hole.
c. Remove tension of the PTO belt by moving
the belt tensioning spring.
Note: There is a certain amount of spring
tension due to the weight of the deck. When
removing the lift linkage from the deck the ten-
sion of the springs will go from the deck to the
deck lift pedal. Not capturing the deck lift
pedal while removing the lift linkage from the
deck will cause it to snap back.
d. Detach the mower drive belt.
e. Remove the four hair pins from the right
and left side of the mower. Shift the deck
forward until the Trailing Link is free and
you are able to remove the deck.
f. Turn front caster wheels outward.
g. To install reverse the process
2. Changing a Blade:
a. Remove the key from the ignition and dis-
connect the spark plugs.
b. Jack up the front of the mowing deck about
one foot and block it in that position.
c. Wrap a rag around one end of the blade
and grasp it to prevent it from turning, or
secure the blade by placing a block of
wood between the blade and the deck
housing.
d. Use a 1-1/8" socket wrench on the pulley
side of the spindle bolt.
e. Remove the hex nut at the blade using a 1-
1/8" wrench.
f. Remove the blade.
g. To replace the blade reverse the above
process and tighten nut to 100-120 lb ft.
Note: Add a small amount of multi-purpose
grease to the bolt threads to avoid corrosion
and galvenic action
WARNING:
Never mow with dull blades! Blades that are
bent should be replaced! The cutting blades
are sharp and can cause severe injury. Wrap
the cutting surface of the blade with a rag to
avoid injury.
3. Sharpening the Blade:
a. Set the parking brake.
b. Clean any debris from the blades. Keep
blades sharp and free of build up at all
times.
c. Sharpen blades evenly at the original 30°
angle to maintain balanced cutting blades.
Do not sharpen the underside of the
blades. Use a electric blade sharpener, a
conventional electric grinder or a hand file
to sharpen the blades.
d. Replace any blade with severe nicks or
dents that cannot be removed by filing.
e. Check the balance of the blade after
sharpening by placing it on a blade bal-
ancer. Do not use un-balanced blades.
f. If the blade dips on one end, file stock off
of the cutting surface on that end.
Note: Blades that cannot be easily bal-
anced—REPLACE.
4. Changing the Blade Drive Belts:
a. Set the parking brake. Remove ignition key
and both spark plug caps.
b. Unscrew the nuts from the deck covers
and remove both covers.
c. Using a 1/2" socket breaker bar or socket
ratchet insert the drive end into the 1/2"
square opening in the lower idler arm
assembly and push the idler arm counter-
clockwise. While holding the idler arm
back, loosen the blade drive belt from the
pulley and slide the belt away from the pul-
ley.
d. Remove tension of the PTO belt by moving
the belt tensioning rod. Loosen the belt
retaining bolt.
e. Pull the tensioner pulley away from the belt
and remove the PTO belt then remove the
blade drive belt.
f. Reverse the process to install the belt.
Note: When replacing belts do not over-
tighten. Adjust the idler pulley so that a ten-
pound pull with a spring scale between two
pulleys deflects the belt about 1/2".

19
5.
Figure 8
Spindle
Changing the Spindle Assembly
a. Jack up the front of the mowing deck about
one foot and block it in that position.
b. Make sure the blade clutch is disengaged.
c. Remove the deck cover.
d. Remove the drive belts. (See 4. Changing
Blade Drive Belts.)
e. Remove the cutter blade. (See 2. Chang-
ing a Blade.)
f. Using a wrench or socket ratchet remove
four hex nuts, and the four hex head cap
screws. Remove the spindle assembly.
g. Reverse the process to install the spindle
assembly.
C.Hydrostatic Drive System
1.
Your zero turn riding mower is equipped with
dual integrated hydrostatic pumps, motors, and
gear reduction transaxles that are sealed and
do not require service, maintenance, or adjust-
ments
.
The fluid level in the expansion tank
must be maintained at 1/2” to 1” above the bot-
tom of the tank.
Hydrostatic
Transaxles
Figure 9
D.Electrical Circuit
Danger:
Read General Safety Precautions Nos. 9 and 10.
1.
Battery:
The battery is located beneath the
operator’s seat. If so equipped, remove the
fillcaps and check the level of the liquid elec-
trolyte in the battery every 50 operating hours.
If the level in any of the six cells has dropped
below the bottom of the split ring inside the fill
hole, refill the cell with distilled water. To keep
the outside of the battery clean, brush on a
strong solution of bicarbonate of soda and
water and rinse with clean water. Keep the
contacts and cable ends clean with a wire
brush and make sure the connections are
tight. Coat the terminals with petroleum jelly
to prevent corrosion.
2. Battery Removal
Warning:
When removing the cables from the battery
follow these steps to avoid a short between
the wrench and the frame.
a. Remove the negative (black) cable.
b. Remove the positive (red) cable.
c. Release the hold down straps.
d. Remove the battery without tipping.
3.
Battery Storage:
When storing the mower for
long periods of time the following guidelines
should be performed.
a. Disconnect the battery cables from the ter-
minals and remove the battery.
b. Clean the battery before storing. A dirty
battery will lose its charge over time.
c. Store the battery with a full charge. A dis-
charged battery will freeze (refer to the
table below).
Specific Gravity Freezing Temp (°F)
1.265 -71
1.250 -62
1.200 -16
1.150 5
1.100 16
d. Recharge battery when ever the specific
gravity value is less than 1.225

20
4. Installing the Battery
Note: The battery is delivered from the fac-
tory fully charged and filled with electrolyte.
a. Attach the positive (red) cable.
b. Attach the negative (black) cable.
c. Attach the rubber battery strap.
5. Jump Starting
Warning:
Failure to use this starting procedure can
cause sparking, and the gases in the battery
to explode.
a. Attach the end of the red jumper cable to
the positive terminal (+) of the charged bat-
tery.
b. Attach the other end of the red jumper
cable to the positive terminal (+) of the low
charge battery.
c. Attach the end of the black jumper cable to
the negative terminal of the charged bat-
tery.
d. Attach the other end of the black jumper
cable to the frame of the unit with the low
charge battery.
6.
Fuses:
There is one fuse located in the wiring
between the battery and ignition start switch.
This is a standard plug-in type automotive
fuse rated at 20 amp.
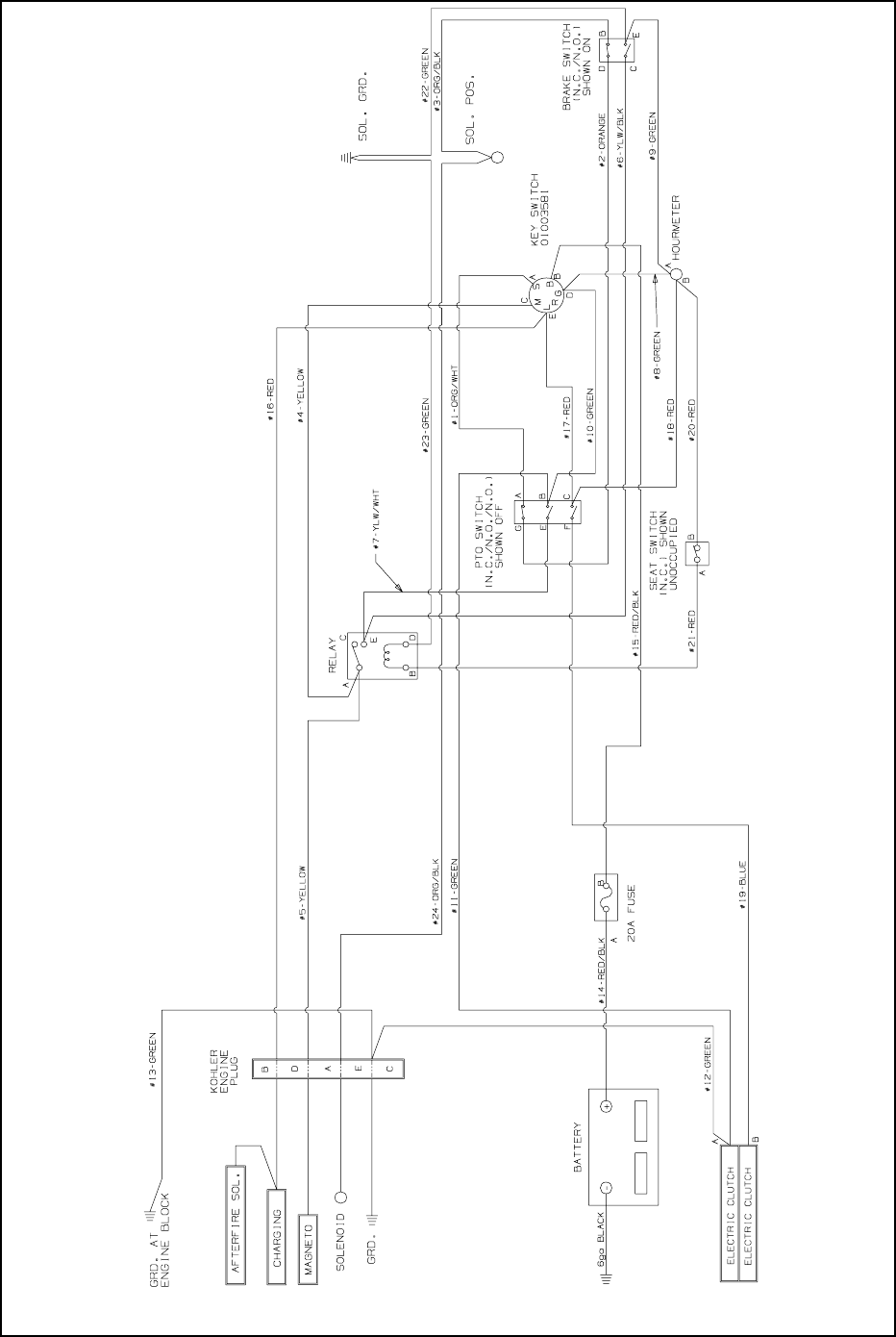
7.
Safety Switches:
There are three safety
switches in the electrical circuit which control
the engine. They are (1) the blade clutch
switch, (2) the parking brake/lap bar switch,
(3) the seat switch.They operate so that in
order to start the engine, the blade clutch
switch must be off, the parking brake must be
engaged, and both steering levers must be in
the neutral position. Once the engine is
started, the seat must be occupied and the
parking brake must be released before either
of the steering levers can be moved. Also, the
seat must be occupied before the blade clutch
switch can cause the blades to rotate.
8.
Safety Switch Operation Checks:
The fol-
lowing operational checks should be made
daily.
a. Blade Clutch Switch: Sit in the operator’s
seat. With both steering levers in the neu-
tral position and the parking brake
engaged, turn the blade clutch switch “on”
and try to start the engine. The engine
should not start. If it does, the blade clutch
switch must be replaced. If the engine
does not start, turn the blade clutch switch
“off” and start the engine. Now turn the
blade clutch switch “on” and the blades
should rotate. If the blades do not turn, the
blade clutch switch must be replaced, the
seat switch must be replaced or the elec-
tric PTO clutch must be repaired. The air-
gap should be checked every 100 hrs. (or
less, if severe operating conditions exist
such as when there are many on/off
cycles, mulching operations, material col-
lection systems used, and dusty/dirty con-
ditions), and the air-gap adjusted if more
than 0.025". To inspect, remove the “nega-
tive” cable from the battery and all spark-
plug wires. The air-gap should be checked
with feeler gages in the three slots of the
BBC (PTO Clutch). The air-gap should be
adjusted to 0.012" to 0.015". There are
three inspection slots in the brake cover. To
adjust, successively tighten each of the
three gap adjustment nuts an equal
amount. Insert a feeler gage (0.012" to
0.015") into each slot as the air gap adjust-
ment nut are tightened. The correct adjust-
ment occurs when slight contact with the
feeler gage occurs. Engage the BBC (PTO
Clutch) a couple of times, and re-check the
air-gap. If it is not between 0.012" and
0.015", repeat the adjustment procedure.
b. Parking Brake Switch: Sit in the opera-
tor’s seat. With both steering levers in the
neutral position and the blade clutch switch
“off”, release the parking brake and try to
start the engine. The engine should not
start. If it does, the parking brake switch
must be repositioned or perhaps replaced.
If the engine does not start, engage the
parking brake and start the engine. Swing
one steering lever up to the operating posi-
tion and the engine should stop. If the
engine does not stop, the parking brake
switch must be repositioned or replaced.
c. Seat Switch: With both steering levers
opened-out to the neutral position, the
parking brake engaged and the blade
clutch switch in the “off” position, start the
engine. Now release the parking brake,
hold down on the back of the operator’s
seat against spring pressure, and swing
one of the steering levers up to the operat-
ing position. Release the operator’s seat
and the engine should stop. If the engine
does not stop, the seat switch must be
replaced. With both steering levers folded
out in the neutral position, the parking
brake engaged and the blade clutch switch
in the “off” position, sit in the operator’s
seat and start the engine. Turn the blade
clutch switch to the “on” position and the
blades should start to rotate. Raise up
slightly off the operator’s seat and the
blades should stop. If the blades do not

21
stop when you dismount from the opera-
tor’s seat, the seat switch must be
replaced.
d. Electric PTO Clutch: This clutch operates
when the engine is running, the operator is
in the operator’s seat and the blade clutch
switch is turned on. This electric clutch is a
fairly trouble free device. If a problem
develops and the blades do not turn, first
check the 20 amp fuse in the yellow, 16-
gauge wire between terminal “L” on the
ignition switch and the hour meter and then
investigate the wiring harness and the con-
nections to the seat switch, the blade
clutch switch and the electric blade clutch.
Then check the seat switch, the blade
clutch switch and finally the electric blade
clutch.
E.Tires
The two front wheels are caster wheels that are free
to swivel to accommodate the direction of the mower.
The two rear wheels are used to propel the mower in
the direction of input from the drive handles. Inflation
pressure of the rear tires is important for stability
while the mower is in operation. If the tire diameter is
not equal between the two tires, the mower will pull to
one side.
1.
Inflation Pressure:
a. Traction Tires—20 psi max; 8-10 psi rec-
ommended
b. Front Caster Wheel—28 psi max; 20-25
psi recommended
c. Cutting Deck Ball Wheels—Solid Polyure-
thane.
Use the Following guidelines for maintaining the tires:
a. Balance inflation pressure between the
rear tires to help maintain straight travel
(see tire side wall for proper inflation pres-
sure).
b. Keep the valve caps tightened to prevent
air pressure loss.
2.
Leaking Tires:
When a flat tire occurs, repair
or replace immediately. The normal procedure
is to remove the wheel and replace it. If a tire
is getting soft, park the mower on the nearest
level, paved area. If the leaking tire is on a
traction wheel, put blocks on each side of the
opposite traction wheel and jack up the tire
that leaks about an inch off the ground.
Loosen and remove the lug nuts and remove
the wheel. Mount a wheel and tire, replace the
lug nuts, and using a torque wrench, tighten
them to 60
±
10 ft-lbs.
If the leaking tire is on a front caster wheel,
block both traction wheels and raise the
caster wheel so that the tire is an inch off the
ground. Loosen and remove the locknut from
the axle assembly and pull the axle assembly
from the caster yoke. The wheel and two
spacer sleeves will drop free. Slip the axle
assembly through one side of the caster
yoke, through a spacer sleeve, a wheel, the
other spacer sleeve and finally through the
other side of the caster yoke. Then tighten
the locknut on the end of the axle assembly.
Lower the mower off the jack and continue
mowing. The wheel with the leaking tire
should be inflated to 20 psi and the wheel
placed in a large bucket of water. Carefully
inspect the tire, rim and valve for escaping air
bubbles which indicate a leak. Mark each
leak with a yellow marking crayon and then
deflate the tire to 8 psi and repeat the
inspection. If the leaks you find are pin hole
size to 1/16" diameter, the tire can be
repaired. If the leaks are larger than 1/16"
diameter, the tire can be repaired. If the tire
bead is damaged, the tire can be repaired or
the tire will have to be replaced.
3.
Creeping:
Creeping is the slight forward or
backward movement of the mower when the
throttle is on and the lapbars are in the
opened-out position. If your mower creeps do
the following.
a. Jack up rear of unit.
b. Place Lapbars in the neutral position.
c. If the tires are rotating, the neutral position
that side transaxle linkage will need to be
adjusted. Contact your service representa-
tive.
F. Brakes
While the mower is in motion, all braking is performed
dynamically through the hydraulic pumps and traction
motors, controlled by the two steering levers. When the
mower is parked with the engine shut off, the hydraulic
system locks the traction wheels.
Note: To move the mower forward or in
reverse by pushing, you must release the
dynamic braking. Locate the release levers at
the rear of the machine. Pull them toward the
rear and lower the wide area of the rod into the
keyhole slot. (See photo below)
Hydro Release Valve
.
22
When the mower is parked with the engine running
and the steering levers in the neutral position, the
parking brakes should be applied. The parking brakes
are internal gear/pawl brakes mounted in each
transaxle. They are both engaged by the same
operating lever.
1.
Adjustments:
The parking brake handle is an
over-center lever in a slot that should engage
with moderate force. The parking brakes pro-
vide a positive means to hold a machine sta-
tionary that is similar to “Park” on an
automobile.
Note: The parking brakes normally do not
need to be adjusted.
To adjust either brake individually, loosen the jam nuts
on the cable near the brake arm on the transaxle. If
the brake is not holding, adjust the nuts so that the
brake cable housing moves away from the lever.
2.
Repair:
The mower is equipped with internal
gear/pawl brakes and will not normally require
maintenance. If they are not working properly,
please contact your service center.
G. Hydraulic System
1.
Hydrostatic Pumps and Motors:
The pumps
in the transaxles are the hardest-working
components in the hydraulic system. They are
in operation all the time the engine is running.
Because of extremely close tolerances, wear
is an important factor in their life.
Note: The pumps and motors are not
owner-repairable. If a pump fails, contact your
Cub Cadet dealer. Do not disassemble the
pump/motors.
2.
Steering Lever Adjustments:
Place the
mower on level ground with the engine run-
ning, parking brake off and steering levers in
neutral position. If the mower begins to creep
contact your service representative.
H. Storage
1.
General:
If your mower will not be in service
for a few months, it should be stored in a dry
location that is not subject to drastic changes
in temperature. Before storing, the following
maintenance procedures should be per-
formed.
a. Clean the mower. The entire tractor and
cutting deck should be washed and
cleaned.
b. Sharpen the blades so that the mower will
be ready to use when needed.
c. Protect the metal surfaces. Repair
scratches with the appropriate touch-up
spray paint. Brush a rust preventive oil on
any unpainted surfaces including the pul-
leys and blades. (Be careful not to get any
oil on the drive belts.)
d. Lubricate the mower.
e. Drain the engine oil. The engine should be
warm so that all the oil drains. Replace the
engine oil filter and refill the crankcase with
fresh oil.
f. Gasoline Engine: Drain all the fuel. Close
the fuel tank shutoff valve. Disconnect the
fuel line from the carburetor and put the
end into an approved fuel container. Open
the fuel tank shutoff valve and drain the
fuel tank and line into the approved con-
tainer. Replace the fuel line on the carbure-
tor. Start the engine and allow it to run out
of fuel. This will prevent gum and varnish
deposits from forming. Replace the fuel fil-
ter.
g. Gasoline Engine Only: Remove the spark
plugs and pour approximately one ounce
of oil into each cylinder. Crank the engine
one or two turns to spread the oil evenly on
the cylinder walls. Replace the spark
plugs.
h. Clean the battery and make sure it is fully
charged.
i. Jack the mower up and store it on blocks to
take the weight off of the tires.
2. To Put the Mower Back in Service:
a. Check the battery. Charge if necessary.
b. Gasoline Engine Only: Remove the spark
plugs and wipe them off. Using the starter,
crank the engine to pump the excess oil
out of the spark plug holes. Replace the
spark plugs and the ignition leads. Refill
the fuel tank with fresh gasoline.
c. Check the level of the oil in the crankcase
and the hydraulic tank.
d. Lower the mower off the block and check
the tire pressure.
e. Push the mower outdoors and start the
engine. Let the engine idle until it has
warmed up completely (4 to 5 minutes).
23
MAINTENANCE SCHEDULE
A. Daily Checks
1. Before starting engine:
a. Check the fuel level by viewing in the tank.
b. Check the engine oil level.**
c. Check the hydraulic transaxels for leaks.
d. Check the tires and tire pressure.
Drive Tires: 8-10 psi.
Front Caster Wheels: 20-25 psi.
e. Check the spindle belt, the mower drive
belt and the hydro drive belt.
f. Check the blades. Make sure they are
sharp and that the blade securing cap
screws are tight.
g. Check the cutting height.
2. When ready to start the engine:
a. Check the seven safety switches for proper
operation.
3. After mowing:
a. Clean the mower.
b. Clean the engine air screen.
c. lubricate the wear points. Follow the Lubri-
cation Chart.
d. After the first five hours, change the engine
oil and engine oil filter.
B. Every 25 Hour Checks
1. Service the engine foam element air cleaner.*
2. Grease the three spindle bearings.
C. Every 50 Hour Checks
1. Change the engine oil. (Every 25 hours under
heavy duty operation.)
2. Clean or replace the engine’s paper air
cleaner element.*
3. Check the battery’s electrolyte level, if
equipped with fill caps.
4. Clean the engine cooling fins and external
surfaces.*
5. Lubricate wear points.
Follow the Oil Chart.
6. Lubricate all grease fittings.
Follow the
Lubrication Chart.
D. Every 100 Hour Checks
1. Change the engine oil filter. (Every 50 hours
under heavy duty operation.)
2. Check the engine spark plugs.
3. Check the air gap on the blade brake clutch
(PTO Clutch) and if it exceeds 0.025” adjust to
0.012” - 0.015”.
E. Every 300 Hour Checks
1. Change the hydrostatic fluid in the transaxles.
2. Change the filter in the transaxles.
* Perform maintenance more frequently under dusty
conditions.
**Reference Engine Owner’s Manual

24
.
OIL CHART
Apply a few drops of SAE 15W-40 engine oil, grease, or use a spray
lubricant. Apply the oil to both sides of pivot points. Wipe off any excess.
Start engine and operate mower briefly to insure that oil spreads evenly.
Number of Oil Points Description
DAILY
4
4
2
2
2
2
1
2
WEEKLY
1
2
2
2
2
Deck Suspension Pivots
Height Adjustment Turnbuckle Clevis Pin
Height Adjustment Handle Pivots
Height Adjustment Stop Pivots
Deck Lift Linkage Pivots
Transport Handle Pivots
Transport Handle Pin
Deck Frame Up-and-Down Pivots
Seat Hinge
Steering Lever Linkage Rod End Bearings
Lever Return Assembly Rod End Bearings
Pump Control Lever Pivots
Grass Collection System Lid Hinges
(If Mower is so equipped)
LUBRICATION CHART
Use a grease-gun filled with NO. 2 Multipurpose Grease
No. of Grease Fittings Description
EVERY 25 HOURS
3
WEEKLY
2
2
4
2
2
Blade Spindle Bearings
Front Caster Wheels
Front Caster Wheel Spindles
Mowing Deck Pivots
Deck Take-Up Idler Pivots
Mower Deck Ball Wheels
Engine oil: Rimula 15W40 recommended or 10W40 engine oil rated SJ or higher.
Hydrostatic Fluid: Rimula 15W40 recommended. To fill the expansion tank to proper level, about 1”
above the tank bottom where “cold”. If the filter and fluid are removed, a new filter should be used and the tran-
saxle filled via the expansion tank with Rimula 15W40.
Spindle Lubricant: Use only Shell Alvania RL 2 grease. This grease is an amber-colored grease
designed for high speed bearing applications. It has a base oil viscosity that reduces running losses, has been
formulated for low noise, has excellent corrosion protection, and has excellent bearing lubrication.
General Purpose Lubricant: Use any NLGI grade 2 multi-purpose grease. Shell Albida EP2 is recom-
mended. Shell Albida EP 2 is a red-colored multi-purpose grease designed for heavy-duty bearing applica-
tions. It has high base oil viscosity for mechanical stability, has been formulated for high load, low-speed
applications, and has excellent lubrication and corrosion protection.

25
Performance Adjustments
A. High Speed Tracking Adjustment
If mower tracks to one side with both lap bars in fully
forward position:
1. Check air pressure in all four tires:
a. Pressure should be within specified ranges
and balanced side-to-side.
b. Rear tires 8-10 psi recommended (20 psi
MAX.)
c. Front tires 20-25 psi recommended (28 psi
MAX.
2. Verify that the mower does not creep when
the engine is running, the lap bars are in the
neutral position and the parking brake is
released. (Refer to section D-3 on page 20 of
this manual if this condition exists).
3. Recheck the tracking after any adjustments
based on the above.
4. If uneven tracking persists, adjust as follows.
(see Fig. 10)
a. Unit tracks to the RIGHT, adjust Left lap
bar stop bolt to make it longer.
b. Unit tracks to the LEFT, adjust Right lap
bar stop bolt to make it longer.
5. Re-check the tracking and make any fine tun-
ing adjustments to the lap bar stop bolts as
required.
Note: If stop bolt is adjusted too far, track-
ing problem will change sides. Make the fine
tuning adjustments by shortening the same
bolt.
Lap Bar Stop Bolt
Figure. 10
B. Engine RPM Check and Adjustment
Description High RPM Spec. Low RPM Spec.
19, 21, 23 Kawasaki 3400 +/-75 1550 +/-100
NOTE: RPM Specs. are for free running engines under no load.
1. Verify that the lap bars are in the neutral posi-
tion, the parking brake is on, and the PTO
drive is disengaged.
2. Start the mower and let it run at approximately
half throttle for 3-5 minutes to bring the engine
up to operating temperature.
3. Locate the (optional) Hour Meter/Tachometer/
Service Minder display on the right hand
operator control panel if so equipped, or use a
hand-held tachometer. (see Fig.1 on page 9
of the manual) This display defaults to the
tachometer mode when engine is running.
4. Move the throttle lever to the high speed posi-
tion and note the RPM reading on the display.
5. Move the throttle lever back to the low speed
position and again note the displayed RPM’s.
6. Compare these noted RPM readings to the
specifications in Table 1, for the engine that is
on your mower.
7. If the readings do not correspond to the
ranges in the table, refer to the engine
owner’s manual for the proper adjustment pro-
cedures.
8. If adjustments per the engine operator’s man-
ual do not result in proper RPM readings, con-
tact your service technician.
9. Note: The throttle cable sheath may shrink or
slip over time, changing the relationship
between the throttle lever on the left hand
operator control panel and the throttle arm on
the engine. To readjust the throttle cable:
a. Make sure the engine is off, place lap bars
in the neutral position, set the parking
brake, and disconnect and ground both of
the spark plug wires.
b. Locate and loosen the cable clamp on the
engine throttle plate.
c. Place the operator’s throttle lever to the
high speed position and then slide the
cable through the clamp until the throttle
arm is in the full throttle position. (ref.
engine owner’s manual)
d. Tighten the cable clamp.
e. Move the operator’s throttle lever between
high and low speed and verify that the
engine throttle arm also moves through it’s
full range of motion.
f. Repeat as required to obtain proper throt-
tle adjustment.
g. Verify proper throttle adjustment by check-
ing RPM readings as outlined above.
Table 1

26
C. Deck Corner Ball Wheel Roller Settings
1. Matching the set heights of the ball rollers on
the four corners of the mower deck to the
desired cut height will prevent edge scalping
and minimize any side-to-side variance in cut
height.
2. There are five height adjustment holes in the
bracket that mount the ball rollers to the deck.
a. Use the top set of holes for cut heights of
1-1/2 inches or lower.
b. Use the middle set of holes for a 2-1/2 - 3-1/2
inch cut height.
c. Use the bottom set of holes for cut heights of
4 inches or higher.
D. Deck Center Anti-Scalp Roller
1. The front roller helps prevent the scalping of
high spots and uneven terrain across the cen-
ter section of the deck.
2. The roller on the front of the deck is fixed at
the factory and can not be adjusted.
E. Lap Bar Adjustment
1. Proper lap bar and seat adjustment will result
in the following:
a. In the neutral position with hands on the
lap bars,
1. Operator’s upper arms should be relaxed
and approximately vertical.
2. Operator’s forearms should be approxi-
mately horizontal.
b. In the full forward position,
1. Operator’s back should stay in contact
with the seat back.
2. Lap bars should not contact operator’s
legs.
c. In the full reverse position,
1. Lap bars should not contact the opera-
tor’s legs or torso.
2. Set the seat to the preferred operating position.
a. Adjustment lever is located under the front
edge of the seat.
b. The seat has five inches of front-to-rear
adjustment available.
3. Check factory settings of lap bars for the con-
ditions listed above.
Note: If lap bar adjustments are required,
height adjustments should be made prior to
angular adjustments.
4. To adjust the height of the lap bars,
a. Remove the nuts from the lap bar mounting
bolts (see Fig. 11 ).
b. Remove the bolts and lap bar and reposi-
tion to the second set of holes in the mount-
ing block.
c. Replace the bolts and nuts, and tighten to
28-34 ft-lbs.
1. If angular adjustments are also required,
nuts can be tightened until snug at this
point.
d. The same adjustments should be made to
both sides of the mower.
5. To adjust the front-to-rear angle of the lap bars,
a. Loosen the nuts on the lap bar mounting
bolts, leaving the bottom one fairly snug.
b. The top hole is slotted, allowing the lap bar
to pivot on the bottom bolt.
c. Move lap bar to the desired angle and
tighten the nuts to 28-34 ft-lbs.
Note: In the neutral position, the handles of
the lap bars should be aligned with approxi-
mately a one inch gap between the tips. Widen
the gap by adding shim washers to the top
mounting bolt between the lap bar and the
mounting block.
d. Check the results of any adjustments to
the conditions described in section a,
above. Repeat any adjustment procedures
as required until all conditions are met.
Lap Bar Mounting Bolt and Nuts
Figure. 11

27
F.Deck leveling Procedure
1. Park the mower on a flat paved surface, engage
the parking brake, shut off the engine, remove
the key from the ignition switch, disconnect the
spark plug wires and using the lift pedal, posi-
tion the mowing deck into the 3" height of cut
position. (The 3" height of cut position is recom-
mended in order for one to see and obtain a
measurement. Any height of cut position is
acceptable as long as a proper measurement
can be taken.)
2. Check the right and left front tire pressure.
Adjust as necessary to 20-25 psi. Tire pressure
can affect blade height by as much as a 1/4”.
3. Check the right and left rear Drive tire pressure.
Adjust as necessary to 8-10 psi.
4. Measure blade-to-ground height at the front tip
of the right blade. To obtain an accurate mea-
sure, align blades in parallel with mower center-
line, (i.e. front to back).
5. Measure blade-to-ground height at the front tip
of the left blade. Be sure to measure at the
blade tip with the blades arranged in proper
position.
6. To level the deck (side to side), place the deck in
the (3” suggested) cutting position. With a 3/4”
wrench loosen the lower jam nut of the left side
of the Lift Link. To adjust the side of the deck up
or down turn the upper jam nut clockwise (to
raise) or counter clockwise (to lower) a few
turns.
7. Measure the blade-to-ground height at the right
rear blade tip. Again be sure to measure at the
blade tip at the rear of the right blade when
aligned along the mower centerline. The blade-
to-ground height at the rear of the blade tip
should be 1/8" to 1/4” higher than the front tip.
This is referred to as blade pitch. The same
height difference should be true for the left
blade, measured front and back.
8. To change the pitch (front to rear), loosen the
lower nuts on the rear Lift Links. With a few
turns, adjust clockwise (to raise) or counter
clockwise (to lower) the upper nuts of the rear
Lift Links. Once the deck is adjusted, retighten
lower nuts.
9. The final adjustment would be to set the Trailing
Link by adjusting the jam nuts on the threaded
link. Loosen the jam nuts and tighten the inner
nut to achieve the correct length and belt ten-
sion. (see Fig. 12).
10. In many cases it will be necessary to adjust
deck height using both eyebolt adjustments and
pitch adjustment to achieve the correct blade-to-
ground heights. If you remember that the front
right blade tip adjustment is fixed and you level
to that height, adjusting the decks will be simpli-
fied.
Left Side
Right
Side
Front
of Unit
Figure. 12
Adjustable Lift Link
inner Jam Nuts
Outer Jam Nuts
Trailing Link
jam nut

28
WIRING DIAGRAM
GD: 02003651

29
SLOPE GAUGE
Do not mow on inclines with a slope in excess of 15 degrees (a rise of approximately 2-1/2 feet every 10 feet). A riding mower
could overturn and cause serious injury. If operating a walk-behind mower on such a slope, it is extremely difficult to maintain
your footing and you could slip, resulting in serious injury.
Operate ZERO-TURN mowers across the face of slopes, never up and down slopes.
Operate WALK-BEHIND mowers across the face of slopes, never up and down slopes.
WARNING
15°
SIGHT AND HOLD THIS LEVEL WITH A VERTICAL TREE
A POWER POLE
A CORNER OF A BUILDING
OR A FENCE POST
FOLD ON DOTTED LINE, REPRESENTING A 15° SLOPE
USE THIS PAGE AS A GUIDE TO DETERMINE SLOPES WHERE YOU MAY NOT OPERATE SAFELY.

30
MAINTENANCE RECORD
DATE WORK PERFORMED DATE WORK PERFORMED

31

Cub Cadet LLC - P.O. Box 361131, Cleveland, Ohio 44136-0019; Phone 1-877-282-8684
MANUFACTURER’S LIMITED WARRANTY FOR CUB CADET COMMERCIAL
ENFORCER ZERO-TURN COMMERCIAL RIDING MOWER
IMPORTANT: To obtain warranty coverage owner may be required
present proof of purchase and applicable maintenance records to the
servicing dealer. Please see the operator’s manual for information on
required maintenance and service intervals. In addition, Cub Cadet
may deny warranty coverage if the hour meter, or any part thereof, is
altered, modified, disconnected or otherwise tampered with.
The limited warranty set forth below is given by Cub Cadet LLC with
respect to new merchandise used for commercial and related purposes
purchased and used in the United States and/or its territories and
possessions, and by MTD Products Limited with respect to new
merchandise purchased and used in Canada and/or its territories and
possessions (either entity respectively, “Cub Cadet”).
Cub Cadet warrants this product (excluding its No-Fault Components,
and Batteries as described below) against defects in material and
workmanship for a period of two (2) years from the date of original
retail purchase or lease and will, at its option, repair or replace, free of
charge, any part found to be defective in materials or workmanship.
Batteries have a one-year prorated limited warranty against defects in
material and workmanship, with 100% replacement during the first
three months. After three months, the battery replacement credit is
based on the months remaining in the twelve (12) month period dating
back to the original date of original sale or lease. Any replacement
battery will be warranted only for the remainder of the original warranty
period.
No-Fault Components include only belts, tires, seats and grass bags
which are warranted to be free from defects in material and
workmanship for a period of thirty (30) days from the date of original
purchase or lease.
HOW TO OBTAIN SERVICE: Warranty service is available, WITH
PROOF OF PURCHASE AND APPLICABLE MAINTAINCE
RECORDS, through your local authorized service dealer. To locate the
dealer in your area;
In the U.S.A.:
Check your Yellow Pages, or contact Cub Cadet LLC at P.O. Box
361131, Cleveland, Ohio 44136-0019, or call 1-877-282- 8684, or log
on to our Web site at www.cubcadetcommercial.com.
In Canada:
For all provinces excluding Quebec contact Modern Power Products
d/o MTD Canada Ltd. At 60 Ottawa Street South, Kitchener, Ontario
N2G 3S7 or call 1-800-567-6775 or log on to our website at
www.cubcadet.ca.
In Quebec contact Les Distributions RVI Ltee. d/o MTD Canada Ltd.
2955 jean-Baptiste Deschamps, Ville Lachine, Quebec H8T 1C5 or
call 1-800-361-5770 or log on to our website at www.cubcadet.info.
This limited warranty does not provide coverage in the following cases:
a. Routine maintenance items such as lubricants, filters, blade
sharpening, tune-ups, brake adjustments, clutch adjustments,
deck adjustments, control linkages, drive system, engines,
and normal deterioration of the exterior finish due to use or
exposure.
b. Service completed by someone other than an authorized
service dealer.
c. For products sold or exported outside of the United States
and/or Canada, and their respective possessions and
territories, except those sold through Cub Cadet’s authorized
channels of export distribution.
d. Damage or failure resulting from the use of defective or
improper peplacement parts and\or accessories other than
genuine Cub Cadet parts.
e. Transportation charges and service calls.
f. Failure to operate and maintain the product in accordance with
the Operator’s Manual furnished with the product,
g. Damages and failures resulting from misuse, abuse, neglect,
accident, improper maintenance, alteration, vandalism, theft,
fire, water, or damage because of other peril or natural
disaster.
There are no implied warranties, including without limitation any
implied warranty of merchantability or fitness for a particular
purpose. No warranties shall apply after the applicable period of
express written warranty above. No other express warranties
beyond those mentioned above, given by any person or entity,
including a dealer or retailer, with respect to any product, shall
bind Cub Cadet. The exclusive remedy is repair or replacement
of the product as set forth above. The terms of this warranty
provide the sole and exclusive remedy arising from the sale
and/or lease of the products covered hereby. Cub Cadet shall not
be liable for any incidental or consequential loss or damage
including, without limitation, expenses incurred for substitute or
replacement lawn care services or for rental expenses to
temporarily replace a warranted product.
Some jurisdictions do not allow the exclusion or limitation of incidental
or consequential damages, or limitations on how long an implied
warranty lasts, so the above exclusions or limitations may not apply to
you. This limited warranty gives you specific legal rights, and you may
also have other rights that vary in different jurisdictions.
In no event shall recovery of any kind be greater than the amount of
the purchase price of the product sold. Alteration of safety features
of the product shall void this warranty. You assume the risk and
liability for loss, damage, or injury to you and your property and/or to
others and their property arising out of improper use, misuse or
inability to use the product. This limited warranty shall not extend to
anyone other than the original purchaser/Leasee or to the person for
whom it was purchased or leased as a gift.
Form No. 02003733 Rev. 07-0 01/17/2007