Cub Cadet 528 Swe Operators Manual
528 SWE to the manual 0b0bda3d-4cd3-d204-d112-c352499531d1
2015-01-05
: Cub-Cadet Cub-Cadet-528-Swe-Operators-Manual-163958 cub-cadet-528-swe-operators-manual-163958 cub-cadet pdf
Open the PDF directly: View PDF
.
Page Count: 12

CUB CADET LLC, P.O. BOX 361131 CLEVELAND, OHIO 44136-0019
Printed In USA
Illustrated Parts Manual
500 Series Snow Thrower —524 SWE & 528 SWE
Form No. 769-03415
(August 8, 2007)

1
17
16
15
4
32
7
6
53
5
13
11
9
10
12
14
51
19
18
14
21
56 55
25
26
27
28
34
33
29
30
48
47
39
45
45
47
48
46
50
31
49
40
43
20
44
42
37
41
42
36
35
24
22
2
55 56
52
54
23
52
56
55
32
8
2
38
57
2
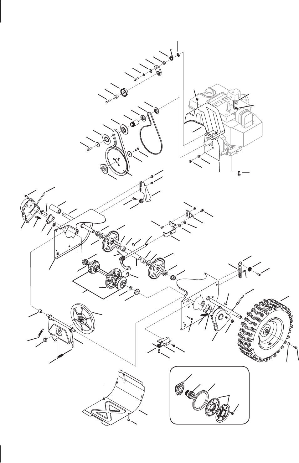
Auger & Auger Housing

Ref. Part Number Description
1. 731-2643 Clean-Out Tool
2. 712-04065 Flange Lock Nut
3. 756-0981B Flat Idler Pulley
4. 710-0347 Hex Bolt, 3/8-16 x 1.75
5. 790-00080A Auger Idler Bracket
6. 736-0174 Wave Washer
7. 738-0281 Shoulder Screw
8. 738-0143 Shoulder Screw
9. 790-00075 Bearing Housing
10. 726-04012 Push Nut
11. 712-04063 Flange Lock Nut, 5/16-18
12. 741-0309 Ball Bearing
13. 732-04460 Extension Spring
14. 710-04484 Hex Screw
15. 731-04705 Chute Adapter
16. 710-0703 Carriage Screw, 1/4-20 x 0.75
17. 731-2635 Clean-out Tool Mtg. Bracket
18. 684-04305 Housing Assembly, Auger, 22”
— 684-04259 Housing Assembly, Auger, 24”
— 684-04256 Housing Assembly, Auger, 26”
— 684-04257 Housing Assembly, Auger, 28”
— 684-04255 Housing Assembly, Auger, 30”
19. 712-04064 Flange Lock Nut, 1/4-20
20. 618-04190A Gearbox Assembly, Auger, 22”
— 618-04191A Gearbox Assembly, Auger, 24”
— 618-04192A Gearbox Assembly, Auger, 26”
— 618-04193A Gearbox Assembly, Auger, 28”
— 618-04194A Gearbox Assembly, Auger, 30”
21. 790-5580 Skid Shoe, Standard
— 790-00091 Skid Shoe, Deluxe
— 790-05984 Skid Shoe, Plastic
— 790-00141 Skid Shoe, Stainless
22. 710-0451 Carriage Bolt
23. 790-00117 Shave Plate, 22”
— 790-00120 Shave Plate, 24”
— 790-00121 Shave Plate, 26”
— 790-00118 Shave Plate, 28”
— 790-00119 Shave Plate, 30”
— 790-00148 Stainless Steel Shave Plate, 26”
— 790-00145 Stainless Steel, Shave Plate, 28
— 790-00146 Stainless Steel Shave Plate, 30”
Ref. Part Number Description
24. 684-04057A Impeller Assembly
25. 717-04126 Worm Shaft
26. 721-0327 Oil Seal
27. 741-0662 Flange Bearing
28. 718-04071 Thrust Collar
29. 741-0663 Flange Bearing
30. 710-0642 TT Screw, 1/4-20 x 0.75
31. 790-00138A Bearing Housing
32. 721-0325 Plug
33. 736-3084 Flat Washer
34. 715-04021 Dowel Pin
35. 684-04108 Spiral Assembly- RH
36. 618-0123 Reducer Hsg.-RH (Incl Ref. 44-45)
37. 717-0528A Worm Gear, 20T
38. 725-0157 Cable Tie
39. 738-04124A Shear Pin
40. 714-0161 Hi-Pro Key
41. 736-0351 Flat Washer
42. 741-0661A Flange Bearing
43. 618-0418 Reducer Hsg.- LH
44. 711-04286 Axle, Auger, 22”
— 711-04285 Axle, Auger, 24”
— 711-04284 Axle, Auger, 26”
— 711-04283 Axle, Auger, 28”
— 711-04282 Axle, Auger, 30”
45. 684-04107 Spiral Assembly- LH
46. 714-04040 Bow Tie Cotter Pin
47. 731-04870 Spacer
48. 741-0493A Flange Bushing
49. 736-0188 Flat Washer
50. 741-0245 Hex Flange Bearing
51. 736-0242 Bell Washer
52. 629-0071 Extension Cord. 3-Prong
53. 746-04230 Auger Clutch Cable
54. 710-04525 Carriage Bolt, 5/16-18 x .750
55. 712-04103 Hex Nut, 5/16-18
56. 736-04216 Bell Washer, .340 x .872 x .060
57. 737-3000 Drive Lube Fitting
3
Auger & Auger Housing

18
53
19
58
59
49
54
50
52
57
55
55 56
62
63
63
71
64
65
48
47
46
66
38
1
3
11
29
82
51
34
7
15
16
76
72 38
73
75
20
74
67
1
68 61744
428
27
13 12
69
24 22 23
22 24
69
13
26
25
41
21
42
25
26
43
37
60
61 35
5
40
1
39
77
78 80
79
81
15
16
36 1
30
6
17
31
70
10 67
38
16
15
14
1
32
33 34
2
1
8
42
12
9
45
A
A
4
Drive System

Ref. Part Number Description
1. 710-1652 AB Screw, 1/4-20 x 0.625
2. 731-05353 Belt Cover
3. 732-0705 Cable Guide
4. 711-1268B Actuator Shaft
5. 746-04229 Drive Clutch Cable
6. 732-04345 Extension Spring
7. 790-00207A Drive Clutch Cable Guide Bracket
8. 684-04156A Shift Rod Assembly
9. 750-04474 Axle Support Tube
10. 714-0126 Hi-pro Key
11. 710-04022 Screw
12. 717-04210 Gear, 56T
13. 741-0245 Hex Flange Bearing
14. 790-00206A Auger Clutch Cable Guide Bracket
15. 756-0625 Cable Roller
16. 738-0924A C Screw, 1/4-28 x 0.375
17. 618-04288 Dogg Assembly - LH
— 618-04287 Dogg Assembly - RH
18. 726-04012 Speed nut
19. 750-04477 Spacer
20. 736-00156 Shift Bracket Spacer
21. 732-04311 Torsion Spring, .750ID x .968 Lg.
22. 731-05297 Spacer
23. 716-0104 E Ring
24. 736-0188 Flat Washer, .76 x 1.49 x .06
25. 736-0626 Flat Washer
26. 741-04076 Ball Bearing
27. 738-04180 Axle
28. 731-04873 Spacer
29. 710-0654A TT Sems Screw, 3/8-16 x 1.0
30. 710-0788 TT Screw, 1/4-20 x 1.0
31. 790-00185 Shaft Retainer - LH
32. 634-04136 Wheel Complete - LH (16x6.5x8)
— 634-04137 Wheel Complete - RH (16x6.5x8)
— 634-04147A Wheel Complete - LH (15x5x6)
— 634-04148A Wheel Complete - RH (15x5x6)
33. 736-0242 Bell Washer
34. 710-0627 Hex Bolt, 5/16-24 x 0.75
35. 684-04154 Friction Wheel Support Brkt. Assy.
36. 790-00096 Auger Cable Guide Bracket
37. 748-0190 Spacer
38. 738-04184A Shoulder Screw
39. 790-00316 Frame Cover
Ref. Part Number Description
40. 656-04025A Friction Wheel Disc Assembly
41. 618-04322A Drive Shaft Assembly
42. 684-04159 Friction Wheel Assembly
43. 716-0136 Retainer Ring
44. 726-0221 Speed Nut
45. 790-00183B Wheel Drive Frame
46. 756-04109 Auger Pulley
47. 736-0505 Flat Washer
48. 710-1245B Hex Bolt, 5/16-24 x 0.875
49. 736-0119 Lock Washer
50. 684-04169 Pulley Assembly
51. 748-0234 Shoulder Spacer
52. 750-04571 Spacer
53. 732-04308A Torsion Spring
54. 710-0672 Hex Screw, 5/16-24 x 1.25
55. 756-04252 Pulley Half
56. 754-0367 V-Belt, ⁄ x 34
57. 710-0809 TT Screw, 1/4-20 x 1.25
58. 790-00208B Drive Clutch Idler Bracket
59. 748-04112A Shoulder Spacer
60. 732-0264 Extension Spring
61. 712-0413 Jam Lock Nut, 5/8-18
62. 750-04303 Spacer
63. 756-04113 Pulley Half
64. 736-0247 Flat Washer
65. 710-0191 Hex Bolt, 3/8-24 x 1.25
66. 748-04053A Pulley Adapter
67. 746-0956A Steering Cable
68. 790-00186 Shaft Retainer - RH
69. 750-0767 Axle Spacer
70. 712-04065 Flange Lock Nut, 3/8-16
71. 754-04050 V-Belt,.500 x 35.00 Lg
72. 710-0751 Hex Screw, 1/4-20 x .620
73. 790-00217A Speed Selector Pivot Bracket
74. 790-00218A Speed Selector Shift Bracket
75. 712-04063 Flange Lock Nut, 5/16-18
76. 712-04064 Flange Lock Nut, 1/4-20
77. 618-0063A Friction Wheel Bearing Assembly
78. 718-04144 Friction Wheel Hub
79. 790-00174 Friction Wheel Plate
80. 735-04054 Friction Wheel Rubber
81. 710-0896 AB Screw
82. 790-00298A Cover Plate
5
Drive System

11
12
13
1
8
5
21
50
17
3
64
67
8
10
14
42
11
40
41
39
38
37
36
26
20
19
34
33
32
35
51 27
28
24
23
44
49
48
58
47
60
59
57
56
55
54
53
46
43
45
45
23
29
52
2
30
15
16
61
22
18
25
31
6
T-Style Handle, Frame & Discharge Chute

Ref. Part Number Description
1. 684-04106B Handle Engagement Assembly RH
2. 738-04194 Flange Shoulder Screw
3. 731-04894C Lock Plate
4. 711-04250 Pivot Rod
5. 735-0199A Rubber Bumper
6. 710-04354 Screw, 1/4-20 x.375
7. 731-04896B Clutch Lock Cam
8. 712-04081A Shoulder Nut, 1/4-20
9. 725-04314 Wire Harness (Not Shown)
10. 725-1649 Light Socket
11. 720-0274 Handle Grip
12. 710-1233 Screw, #10-24 x 0.375
13. 738-04122 Shoulder Screw, 1/4-20 x 1.345
14. 710-04586 Screw, 1/4-20 x 1.625
15. 749-04190A Upper Handle RH
16. 710-0449 Carriage Screw, 5/16-18 x 2.25
17. 720-04039 Shift Knob
18. 631-04187 Handle Panel (Includes Ref. #19)
19. 731-05324 Lens
20. 725-1649 Lamp
21. 631-04134B Handle Clutch Lock RH Assy
22. 725-0157 Cable Tie
23. 712-04064 Flange Lock Nut, 1/4-20
24. 732-0193 Compression Spring
25. 790-00203 Shift Lever
26. 790-00248 Panel Bracket
27. 738-04125 Shoulder Screw
28. 746-04396 Speed Selector Cable
29. 736-0463 Flat Washer, .25 x .630 x .0515
30. 710-0606 Hex Screw, 1/4-20 x 1.50
Ref. Part Number Description
31. 731-04427A Upper Chute
32. 790-00155 Joystick Bracket
33. 710-04187 Hi-Lo Screw, 1/4-15 x 0.5
34. 684-04116B 4-Way Chute Control™ Assembly
35. 749-04191A Upper Handle LH
36. 710-04326 Screw, #8-16 x 0.50
37. 732-04219A Clutch Lock Spring
38 731-04954 Steering Control
39. 738-04126 Pin, 3/16
40. 716-04036 E Ring
41. 631-04133 Handle Clutch Lock LH Assy
42. 684-04105B Handle Engagement Assembly LH
43. 784-5594 Cable Bracket
44. 720-0284 Wing Knob
45. 712-04063 Flange Lock Nut, 5/16-18
46. 731-1313C Chute Tilt Cable Guide
47. 711-04469A Clevis Pin
48. 710-04484 Hex Screw
49. 749-04138 Lower Handle
50. 732-04238 Torsion Spring
51. 736-0267 Flat Washer
52. 731-04890A Joystick Pulley Cover
53. 710-0262 Carriage Bolt, 5/16-18 x 1.50
54. 710-0895 Hi-Lo Screw, 1/4-15 x .75
55. 710-04071 Carriage Bolt, 5/16-18 x 1.0
56. 731-04861B Lower Chute
57. 710-0627 Hex Screw, 5/16-24 x .750
58. 684-04162B Chute Support Bracket
59. 712-3087 Wing Nut, 1/4-20
60. 714-04040 Bow Tie Cotter Pin
61. 726-0470 Cable Tie
7
T-Style Handle, Frame & Discharge Chute

8
Cub Cadet Engine (370-SU)

9
Cub Cadet Engine (370-SU)
Part No. Part Description Ref
No. Qty.
751-10660 Gasket Kit Complete
Oil Seal 2 2
Crankcase Cover Gasket 6 1
O-Ring 9 1
Cylinder Head Gasket 73 1
Muer Gasket 74 1
Head Cover Gasket 80 1
Carb Insulator Gasket 84 1
Carburetor Insulator 85 1
Carburetor Gasket 86 1
Air Filter Gasket 97 1
Paper Gasket 100 1
Oil Drain Washer 112 1
751-10661 Gasket Kit External
Oil Drain Washer 112 1
Muer Gasket 74 1
Carb Insulator Gasket 84 1
Carburetor Insulator 85 1
Carburetor Gasket 86 1
Head Cover Gasket 80 1
751-10668 Cylinder Head Assembly
Rocker Arm 64 2
Intake Valve 57 1
Exhaust Valve 52 1
Valve Spring 54 2
Valve Spring Retainers - Exhaust 55 1
Pivot Adjusting Nut 65 2
Rocker Arm Lock Nut 66 2
Rocker Arm Studs 63 2
Push Rod Guide 62 1
Valve Cover Gasket 80 1
Carburetor Insulator Plate Gasket 84 1
Carburetor Insulator Plate 85 1
Muer Gasket 74 1
Cylinder Head Gasket 170 73 1
Cylinder Head 77 1
Exhaust Valve Adjuster 56 1
Valve Spring Retainer- Intake 58 1
Part No. Part Description Ref
No. Qty.
751-10645 Electric Starter 14 1
751-10646 Ignition Coil 17 1
751-10663 Fan Cover Complete 28 1
751-10658 Recoil Starter Assembly 30 1
751-10654 Governor Spring 35 1
751-10664 Throttle Return Spring 36 1
751-10665 Governor Rod 37 1
751-10655 Dipstick 40 1
751-10656 Dipstick Tube 41 1
751-10662 Cover - Engine/Dipstick 42 1
751-10652 Fuel Filter 45 1
751-10653 Fuel Tank 46 1
751-10642 Muer Shroud 49 1
751-10666 Muer Gasket 74 1
751-10292 Spark Plug 75 1
751-10639 Primer 87 1
751-10638 Carburetor Assembly 88 1
751-10635 Air Filter Heating Pipe Cover 91 1
751-10637 Ignition Switch 92 1
751-10630 Ignition Key 93 1
751-10636 Choke Lever 94 1
751-10634 Engine Shroud 95 1
751-10643 Muer Shield 98 1
751-10640 Choke Push Rod 115 1
751-10651 Fuel Tank Nipple 123 1
751-10307 Flywheel Key N/A 1
731-05696 Starter Handle N/A 1
952Z370-
SU Engine Complete N/A

10
Cub Cadet Engine (370-SU)
Part No. Part Description Ref
No. Qty.
751-10659 Short Block
Crankcase Complete 170 12 1
Oil Pipe Reserve
Crankcase Cover 1 1
Piston 170 69 1
Piston Ring Set - Complete 170 71 1
Piston Pin 170 70 1
Piston Pin Clip 68 1
Connecting Rod Assembly
Complete 67 1
Valve Lifter (Tappet) 60 1
Camshaft Assembly 59 1
Carb Insulator plate gasket 84 1
Crankshaft Assembly 7
Carburetor Insulator Plate 85
Muer Gasket 170 74 1
Governor Arm Shaft 122 1
Pin Lock 10 1
Governor Assembly 8 1
Case Cover Gasket 6 1
Cylinder Head Gasket 170 73 1
Valve Cover Gasket 80 1
Oil Drain Bolt 105 1
Oil Drain Plug Washer 112 1
Dowel Pin 5 1
Dowel Pin 44 1
Dowel Pin 72 2
Bearing 11 2
Bolt 4 6
Oil Seal 2 2
O-Ring - Governor Arm 9 1
Oil Filler Plug 50 1
O-Ring - Oil Filler Plug 51 1
Oil Drain Pipe 15 1
Part No. Part Description Ref
No. Qty.
751-10641 Oil Drain Assembly
Oil Drain Pipe 15 1
Drain Bolt 105 1
751-10647 Valve Kit
Exhaust Valve 52 1
Intake Valve 57 1
751-10648 Push Rod Kit
Push Rod 61 2
751-10649 Fuel Cap Assembly
Fuel Cap Complete 43 1
Packing ( Gasket ) 120 1
Clip ( Gasket Retainer ) 121 1
751-10650 Fuel Line Kit
Fuel Line Clamp 47 2
Fuel Line 48 1
751-10657 Muer Stud Assembly
Muer Stud 78 2
751-10669 Oil Fill Plug Assembly
Oil Fill Plug 50 1
O-Ring 51 1
751-10644 Muer Assembly Complete
Muer Assembly 1
Exhaust Pipe 1

Notes 11
11

CUB CADET LLC, P.O. BOX 361131 CLEVELAND, OHIO 44136-0019
G
E
N
U
I
N
E
F
A
C
T
O
R
Y
P
A
R
T
S