Cub Cadet Cc 760 Users Manual
cc 760 to the manual 786e8ee5-5054-4cc2-bae2-3781fd19ae64
2015-01-05
: Cub-Cadet Cub-Cadet-Cc-760-Users-Manual-163839 cub-cadet-cc-760-users-manual-163839 cub-cadet pdf
Open the PDF directly: View PDF
.
Page Count: 28

CUB CADET LLC, P.O. BOX 361131 CLEVELAND, OHIO 44136-0019
Printed In USA
Il l u s t r a t e d Pa r t s Ma n u a l
Form No. 769-05937
(February 22, 2010)
33” Wide Cut Mowers — CC 760 ES, CC 760

Thank you for purchasing a Cub Cadet Wide Cut Mower. It was
carefully engineered to provide excellent performance when
properly operated and maintained.
All information in this manual is relative to the most recent
product information available at the time of printing. Please be
aware that this Illustrated Part’s Manual may cover a range of
product specifications for various models.
Components listed and/or illustrated in this manual may not be
applicable to all models. We reserve the right to change product
specifications, designs and equipment without notice and
without incurring obligation.
Throughout this manual, all references to right (RH) and left (LH)
are observed from the operating position.
Thank You
0637 Black
4021 Yellow (Cub Cadet)
0499 Beige (Cub Cadet)
0685 Blue (Cub Cadet)
0691 Black Jack (Cub Cadet Commercial)
To The Owner
2
Drive and Deck ........................................................ 4
CC 760 ES Dash ........................................................ 6
CC 760 Dash ............................................................. 8
CC 760 ES Label Map ..............................................10
CC 760 Label Map ...................................................11
Transmission ...........................................................12
CC 760 ES Engine ....................................................14
CC 760 Engine ........................................................ 22
Table of Contents
Record Product Information
To ease in ordering replacement parts, please locate the model
plate on the equipment and record the information in the
provided area to the right. You can locate the model plate by
looking beneath the seat.
Mo d e l nu M b e r
se r I a l nu M b e r
Painted Parts
When ordering painted service parts, a four digit color suffix must be added to the part number (e.g. 783-XXXXX-0637).
Please refer to the table below for current color codes:

3
This page intentionally left blank.

4
11
13
14 14
12
14
3921
14
29
940
28
10
36
32
16
12
34
33 35
25
7
23
4
41
30
18
24
8
5
19
38
37
13
26
3
1
13
31
2
20
47
66
65
64
63
64
13
43
42
51
57
15
46
15
53 45
70
72
73
71
62
55
48
27
15
60
15
15 59
58
61
49
48
36
56
44
54
9
15
50
52
6
67
69
68
22 17
17
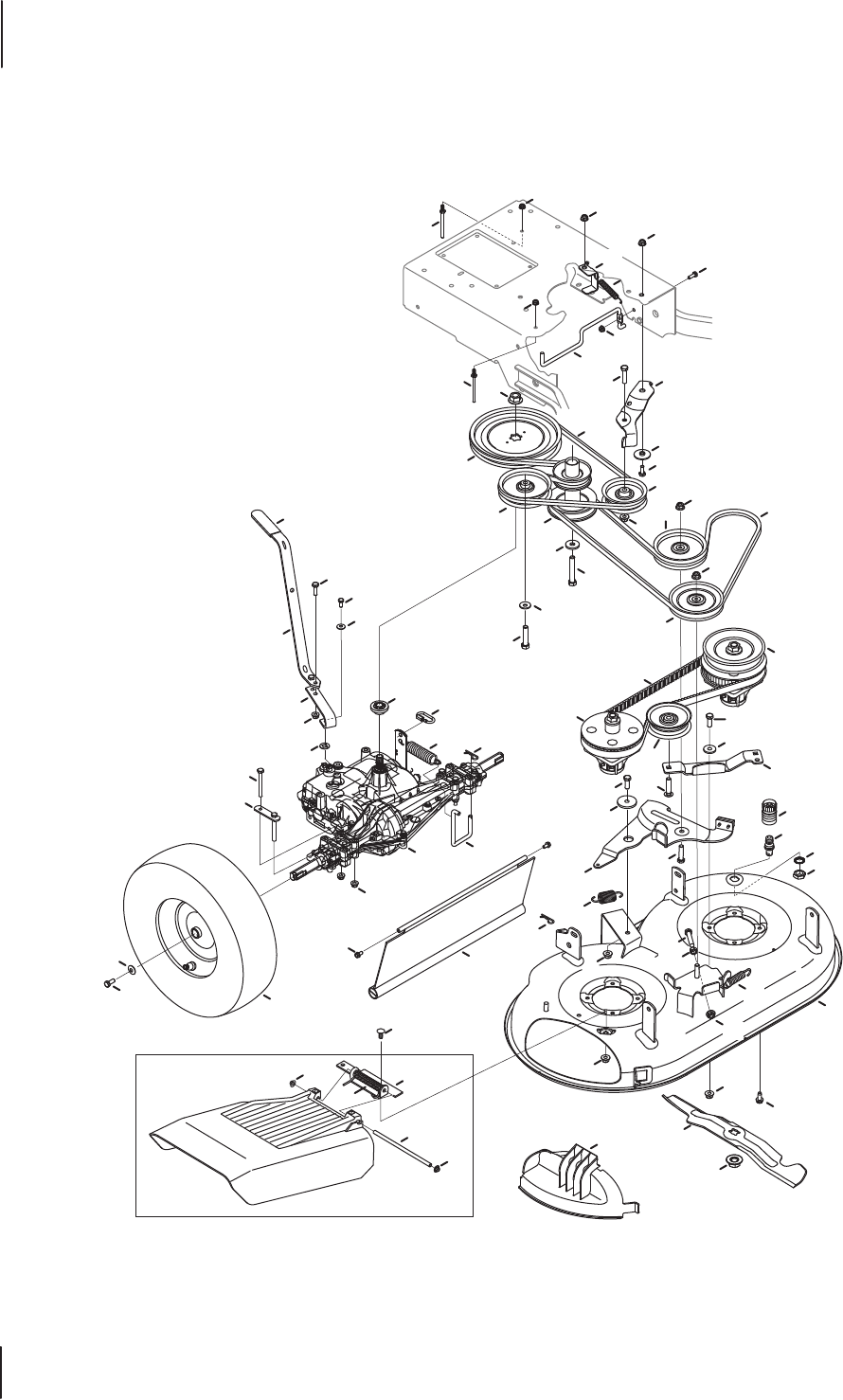
Drive and Deck

5
Drive and Deck
Ref. Part Number Description
117840 Transaxle Mounting Bracket
2918-04639 4 Speed Drive Assembly, Tecumseh
3710-0176 Hex Head Cap Screw, 5/16-18 x 2.75
4710-0347 Hex Head Cap Screw, 3/8-16 x 1.75
5710-0376 Hex Head Cap Screw, 5/16-18 x 1.00
6710-04187 Screw, 1/4-15 x 0.50
7710-04377 Hex Head Cap Screw, 7/16-20 x 2.75
8710-0513 Hex Head Cap Screw, 1/4-28 x .625
9710-0520 Hex Head Cap Screw, 3/8-16 x 1.50
10 710-3008 Hex Head Cap Screw, 5/16-18 x .75
11 710-3015 Hex Head Cap Screw, 1/4-20 x .75
12 911-1000 Belt Keeper, .25 DIA X 3.0
13 712-04063 Flangelock Nut, 5/16-18
14 712-04064 Flangelock Nut, 1/4-20
15 712-04065 Flangelock Nut, 3/8-16
16 712-0700 Flange Nut, 9/16-18
17 914-0145 Click Pin, .092 x 1.64 LG
18 718-04407 Spline Pulley Hub, 5/8
19 720-0142 Grip, Black
20 731-05766 Trailshield, 8.35 x 19.17
21 732-04409 Extension Spring, Wheel Drive
22 732-04443A Extension Spring, Brake
23 736-0105 Washer, Spring, .401 x .870 x .063
24 736-0270 Washer, Bell, .265 x .75 x .062
25 736-0322 Washer, Flat, .450 x 1.250 x .164
26 736-04256 Washer, Flat, .39 x .87 x .06
27 918-04438B Drive Spindle Assembly
28 738-04166 Spacer, Shoulder, .5000 x .1475
29 747-04635A Belt Keeper Rod
30 747-04673 Coupling Link, .188
31 747-04678A Brake Spring Mounting Rod
32 954-04145A V Belt. 4L 64.2
33 756- 04129B Idler Pulley, 4.25 DIA
34 756-04258 Flat Sheave, DIA 7.75
35 756-04260 Engine Pulley, 3.20 x 4.35 DIA
36 756-04280 Idler Pulley, 3.50 DIA
37 787-01469B Lower Shaft Lever
Ref. Part Number Description
38 787-01470A Upper Shaft Lever
39 787-01473 Belt Keeper, .375 x 2.00
40 787-01523A Wheel Drive Idler Bracket
41 918-04439B Spacer Spindle Assembly
42 931-04244 Chute Deector Assembly
43 631-04252 Mulch Cover
44 987-02420 Idler Arm Assembly
45 687-02476 Deck Assembly
46 710-04484 Screw, 5/16-18 x .750
47 710-0451 Bolt, Carriage, 5/16-18 x .750
48 710-0514 Hex Head Cap Screw, 3/8-16 x 1.00
49 710-0560 Screw, Carriage, 3/8-16 x 1.75
50 710-3184A Hex Head Cap Screw, 3/8-16 x 2.00
51 712- 0417A Flange Nut, 5/8-18
52 912-3017 Hex Nut, 3/8-16
53 732-04406 Extension Spring, Timing Belt
54 732-04452 Extension Spring, Deck Brake
55 938-0347 Shoulder Spacer, .625 ID x .169
56 738-04162A Shoulder Spacer, .8840 x .190
57 942-04154A 2 in 1 Blade
58 754-04136 Timing Belt, .315 x .787
59 954-04139 Aramid V Belt, 72.2
60 756- 04129B Idler Pulley, 4.25" DIA
61 756-0616 Idler Pulley, V-Type, 5.0 DIA
62 787-01440 Timing Idler Bracket
63 711- 0 4027 Deector Pin
64 726-04009 Push Cap
65 732-04012 Deector Torsion Spring
66 787-01017A Deector Hinge Bracket
67 634-04349-0931 Wheel, 16 x 4 x 8
68 710-0627 Hex Screw, 5/16-24 x .750
69 736-0242 Washer, Bell, .340 x .872 x .060
70 912-0641 Nut, Hex, M16-1.5
71 921-04041 Water Nozzle Adaptor
72 736-0225 Washer, Lock, 5/8
73 737-04003D Deck Water Nozzle
—977S30145 Danger Label (Not Shown)

6
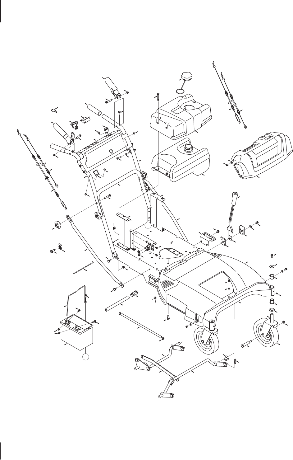
CC 760 ES Dash
B
B
28
30
42
49
54
60
62
67
68
73
12
22
10
18
57
58
61
51
32
22
20
21
16
17
50
4
15
74
41
41
4
72
36
35
43
34
29
40
39
38
39
37
45
46
25
44
47
63
64
11
23
6
7
69
3
29
5
19
55
71 70
13
8
2
9
1
414
48
59
54
8
52
56
13
53
24
8
8
12
65
66
65 7
31
26
27 33
43

7
CC 760 ES Dash
Ref. Part Number Description
1687-02426 RH Lever Assembly Bracket
2687-02427 LH Lever Assembly Bracket
3710-0572 Screw, Carriage, 5/16-18 x 2.25
4710-0599 Screw, 1/4-20 x 0.500
5710-0606 Hex Screw, 1/4-20 x 1.50
6710-1237 Screw, #10-32 x 0.625
7712-04063 Nut, Flangelock, 5/16-18
8912-0442 Lock Nut Cap, 1/4-20
9720-0274 Grip, 1.0 ID x 5.0 LG
10 720-04072A Star Knob, 5/16-18
11 725-0157 Cable Tie, 3/16 x .05 x 7.4
12 938-0140 Screw, Shoulder, .435 x .178-5/16 x .56
13 938-1226 Screw, Shoulder, .375 x 1.355 x 1/4-20
14 946-04604 Throttle/Choke Cable, 38.0 x 1.1 EXT
15 946-04606 RH Brake Cable, Tecumseh Trans.
16 946-04608 LH Brake Cable, Tecumseh Trans.
17 946-04609 Wheel Clutch Cable
18 946-04610 Deck Clutch Cable
19 749-04330 Lower Handle
20 749-04331 Upper LH Handle
21 749-04332 Upper RH Handle
22 749-04333 Adjustable Handle Brace
23 751B221535 Casing Clamp
24 787-01490A RH Cable Mount Bracket
—787-01491A LH Cable Mount Bracket
25 687-02255B Frame Assembly, Tecumseh
26 687-02265 Front Deck Lift Assembly
27 687-02419 Rear Deck Lift Assembly
28 710-04312 Hex Screw, 5/16-18 x .50
29 710-0604A Screw, 5/16-18 x 0.625
30 710-0627 Hex Screw, 5/16-24 x .750
31 914-0145 Click Pin, .092 x 1.64 LG
32 720 - 0311 Grip Handle, 1/2
33 731-05791 Plastic Spacer, .63 ID x .75 LG
34 732-04418A Deck Height Lever
35 736-0242 Washer, Bell, .340 x .872 x .060
36 736-0343 Washer, Flat, .330 x 1.25 x .120
37 936-0351 Washer, Flat, .760 ID x 1.50 OD
38 937-3000 Drive Lube Fitting, 3/16
39 741-0660A Flange Bearing, .760 x .941 x 1.0
Ref. Part Number Description
40 787-01496 Height Adjustment Bracket
41 787-01507 Fuel Tank Mount Bracket
42 787-01510 Link Pivot Bracket
43 787-01521 Lever Pivot Bracket
44 734-04263 Caster, Wheel, 8 x 1.75
—941-0706 Bearing, Flange w/ftg
45 687-02263 Wheel Caster Bracket
46 712-04065 Nut, Flangelock, 3/8-16
47 738-04216A Bolt, Shoulder, .625 x 2.515 x 3/8-16
48 710-0136 Hex Screw, 1/4-20 x 1.75
49 710-0896 Screw, 1/4-14 x 0.625
50 712-3006 Nut, Hex, 1/4-20
51 931-05684 Belt Cover
52 731-05937 Handle Panel, Black
53 736-0270 Washer, Bell, .265 x .75 x .062
54 936-0463 Washer, Flat, .25 x .630 x .0515
55 787-01548 Hour Meter and Key Handle Panel
56 731-05927 Fuel Tank Cover
57 738-04282 Screw, Shoulder, 1/4-20 x .32 x 1.8
58 951-10514 Fuel Cap
59 951-10541 Fuel Tank
60 710-1315 Screw, 3/8-16 x 1.250
61 726-0205 Hose Clamp, .490 DIA.
62 751-10349 Fuel Hose, Low Permeation, 1/4
63 951-10517A Oil Drain
64 751-3141-14 Extension Hose
65 710-04666 Hex Head Flange, 1/4-20 x .75
66 710-0642 Screw, 1/4-20 x 0.750
67 925-1707D Battery, 155 CCA WET
68 712-0271 Sems Nut, 1/4-20
69 712-04064 Nut, Flangelock, 1/4-20
70 925-04022B Hour Meter
71 925-04228 Key Switch
72 725-04439 Solenoid, 12V, 100 AMP
73 747-04657 Battery Hold Down Strap
74 925-1745A Key
—925-2054A Key, Yellow
—925-04476 Wiring Harness (Not Shown)
—725-04478 Starter Wire (Not Shown)
—712-0266A Nut, Jamlock, 3/8-16 (Not Shown)

8
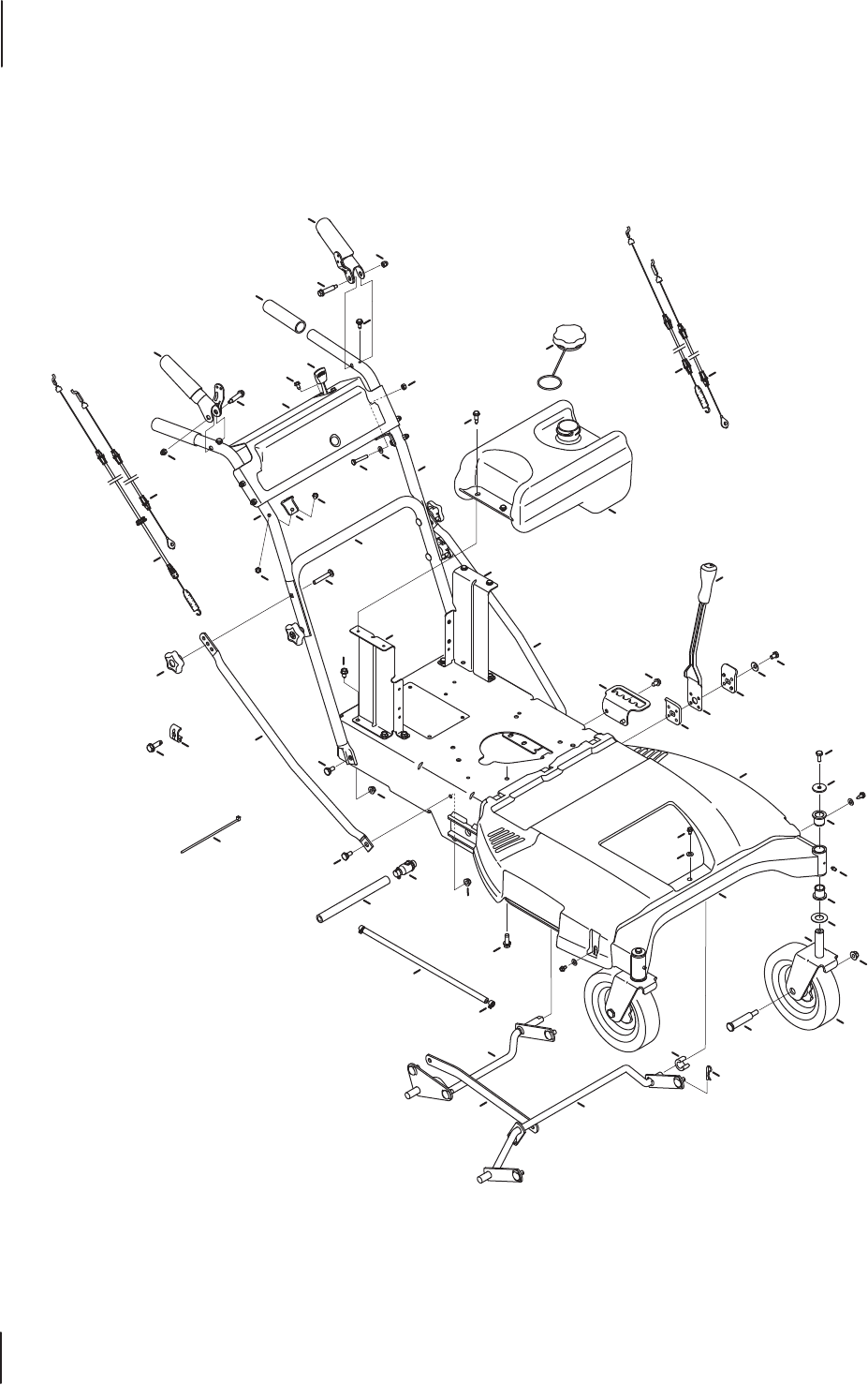
CC 760 Dash
28
30
42
48
51
56
58
12
22
10
18
53
55
57
49
32
22
20
21
16
17
8
4
15
41
41
36
35
43
34
29
40
39
38
39
37
45
46
25
44
47
59
60
23
11
6
7
3
29
5
19
52
13
8
2
9
1
414
5
54
13
50
24
8
8
12
7
31
26
27 33
43

9
CC 760 Dash
Ref. Part Number Description
1687-02426 RH Lever Assembly Bracket
2687-02427 LH Lever Assembly Bracket
3710-0572 Screw, Carriage, 5/16-18 x 2.25
4710-0599 Screw, 1/4-20 x 0.500
5710-0606 Hex Screw, 1/4-20 x 1.50
6710-1237 Screw, #10-32 x 0.625
7712-04063 Nut, Flangelock, 5/16-18
8912-0442 Lock Nut Cap, 1/4-20
9720-0274 Grip, 1.0 ID x 5.0 LG
10 720-04072A Star Knob, 5/16-18
11 725-0157 Cable Tie, 3/16 x .05 x 7.4
12 938-0140 Screw, Shoulder, .435 x .178-5/16 x .56
13 938-1226 Screw, Shoulder, .375 x 1.355 x 1/4-20
14 946-04604 Throttle/Choke Cable, 38.0 x 1.1 EXT
15 946-04606 RH Brake Cable, Tecumseh Trans.
16 946-04608 LH Brake Cable, Tecumseh Trans.
17 946-04609 Wheel Clutch Cable
18 946-04610 Deck Clutch Cable
19 749-04330 Lower Handle
20 749-04331 Upper LH Handle
21 749-04332 Upper RH Handle
22 749-04333 Adjustable Handle Brace
23 751B221535 Casing Clamp
24 787-01490A RH Cable Mount Bracket
—787-01491A LH Cable Mount Bracket
25 687-02255B Frame Assembly, Tecumseh
26 687-02265 Front Deck Lift Assembly
27 687-02419 Rear Deck Lift Assembly
28 710-04312 Hex Screw, 5/16-18 x .50
29 710-0604A Screw, 5/16-18 x 0.625
30 710-0627 Hex Screw, 5/16-24 x .750
Ref. Part Number Description
31 914-0145 Click Pin, .092 x 1.64 LG
32 720 - 0311 Grip Handle, 1/2
33 731-05791 Plastic Spacer, .63 ID x .75 LG
34 732-04418A Deck Height Lever
35 736-0242 Washer, Bell, .340 x .872 x .060
36 736-0343 Washer, Flat, .330 x 1.25 x .120
37 936-0351 Washer, Flat, .760 ID x 1.50 OD
38 937-3000 Drive Lube Fitting, 3/16
39 741-0660A Flange Bearing, .760 x .941 x 1.0
40 787-01496 Height Adjustment Bracket
41 787-01507 Fuel Tank Mount Bracket
42 787-01510 Link Pivot Bracket
43 787-01521 Lever Pivot Bracket
44 734-04263 Caster, Wheel, 8 x 1.75
—941-0706 Bearing, Flange w/ftg
45 687-02263 Wheel Caster Bracket
46 712-04065 Nut, Flangelock, 3/8-16
47 738-04216A Bolt, Shoulder, .625 x 2.515 x 3/8-16
48 710-0896 Screw, 1/4-14 x 0.625
49 931-05684 Belt Cover
50 736-0270 Washer, Bell, .265 x .75 x .062
51 936-0463 Washer, Flat, .25 x .630 x .0515
52 787-01540 Handle Panel
53 938-1225 Screw, Shoulder, .3175 x .188, 1/4-20
54 951-10480 Fuel Tank
55 951-10514 Fuel Cap
56 710-1315 Screw, 3/8-16 x 1.250
57 726-0205 Hose Clamp, .490 DIA.
58 751-10349 Fuel Hose, Low Permeation, 1/4
59 951-10517A Oil Drain
60 751-3141-14 Extension Hose

10
777D14227
777D13924
777D14283
777I22759
777I22760
777I22793
777I22808
777I22809
777I22814
777I22815
777S30117
777S30145
777X43688
Model CC 760 ES

11
777D13924
777D14227
777D14296
777I22758
777I22793
777I22809
777X43688
777S30117
777I22759
777I22760
777S30145
777I22782
Model CC 760

12
Tecumseh Transmission
MODEL and SERIAL
NUMBERS HERE
27
29
29
85
25
2
29
12
28
83
18 49
30 50
30
30
51
52
64
64
65
35
29
63
63
59
58
57
69
56
29B
4
13
31A
157
43
46
40
41
36
37
26
48
11
35
31
29B
6A
70
5
35A
35A
157
31A
15 17
31
42
79
44
25A
3
39
13
47
38
26
29B
6
29
8
29A
67
8
77
87
34
76
82
9
7
34
22
71B
10
21
32
66
32A
14
1
2
14
20

13
Tecumseh Transmission
Ref.
No. Part No. Description
1 TC-772147 Transaxle Cover
2 TC-780086A Needle Bearing (¹/₂” long)
3 TC-770128A Transaxle Case
4 TC-776395 Countershaft
5 TC-776409 Output Shaft
6 TC-778364 Spur Gear (38T-PM/SER)
6A TC-778369 Spur Gear (15T-PM/SER)
7 TC-778330 Spur Gear (11T-PM/SER)
8 TC-792180A Shift Key Set (Qty. 2)
9 TC-784352 Shift Collar
10 TC-784378 Shift Rod & Fork Assembly
11 TC-778334 Bevel Gear (30T-PM)
12 TC-778309 Input Bevel Pinion (13T-PM)
13 TC-778368 Bevel Gear 13T (Incl. ref. 13 & 14)
14 TC-778368 Bevel Gear 13T (Incl. ref. 13 & 14)
15 TC-778370 Ring Gear (43T)
17 TC-786188 Drive Pin
18 TC-786102 Spacer (1.130” x .695”)
20 TC-792077A Ball (Stainless Steel ⁵/₁₆” dia.)
21 TC-792211 Screw, ³/₈-16 x ³/₈”
22 TC-792079 Spring
25 TC-792073A Screw, ¹/₄-20 x 1-¹/₄”
25A TC-792177 Screw, ¹/₄-20 x 1-³/₈”
26 TC-792125 Retaining Ring-package of 2
27 TC-792035 Retaining Ring
28 TC-788040 Retaining Ring
29 TC-780072 Washer .627” ID .031”
29A TC-780160 Thrust Washer (.563” ID x .031”)
29B TC-780051 Thrust Washer (.762” ID X .031”)
30 TC-780108 Shift Washer (Cupped)
31 TC-780001 Washer .750” ID .56”
31A TC-780195 Washer .750” ID .062
32 TC-788083 Oil Seal ⁵/₈”
32A TC-792001 O Ring (.823” OD)
34 TC-780194 Bushing (.563”)
35 TC-780193 Flanged Bushing (.625” ID)
35A TC-780197 Flanged Bushing (.751” ID)
Ref.
No. Part No. Description
36 TC-790075 Brake Disk
37 TC-790007 Brake Pad Plate
38 TC-799021A Brake Pad (pkg. of 2)
39 TC-786026 Dowel Pin .3125” x .750”
40 TC-792076A Washer .312” ID .059”
41 TC-790104 Brake Lever
42 TC-792177 Screw ¹/₄-20 x 1-³/₈”
43 TC-792075 Lock Nut ⁵/₁₆-24
44 TC-790025 Brake Pad Holder
46 TC-786086 Bracket
47 TC-775146 Axle (10.719” long) (Incl. 26)
48 TC-775147 Axle (15.312” long) (Incl. 26)
49 TC-778338 Spur Gear (27T-PM/IC)
50 TC-778342 Spur Gear (22T-PM/IC)
51 TC-778313 Spur Gear (19T-PM/IC)
52 TC-778350 Spur Gear (16T-PM/IC)
56 TC-778337 Spur Gear (13T-PM/SER)
57 TC-778341 Spur Gear (18T-PM/SER)
58 TC-778351 Spur Gear (21T-PM/SER)
59 TC-778349 Spur Gear (24T-PM/SER)
63 TC-786071 Countershaft Spacer 1-¹/₈” x ³/₈’’
64 TC-786072 Brake Shaft Spacer 1-³/₈” x ³/₈’’
65 TC-780189 Washer .563” ID .062
66 TC-776472 Input Shaft
67 TC-776396 Brake Shaft
69 TC-792170 Retaining Ring (.75” x .042”)
70 TC-786187 Spacer (.890”)
71B TC-788092 O-Ring
76 TC-780090 Flat Washer (1.128” ID x .058”)
77 TC-788078A Retaining Ring (1.125” x .050”)
79 TC-792144 Spring
82 TC-778333 Bevel (30T) & Spur Gear
83 TC-778338 Spur Gear (27T-PM/IC)
85 TC-792154 Oil Fill Plug
87 TC-788089A Oil Seal ⁹/₁₆” ID
157 TC-788088A Oil Seal ³/₄” ID

14
Briggs & Stratton Engine Model 215807

15
Briggs & Stratton Engine Model 215807

16
Briggs & Stratton Engine Model 215807

17
Briggs & Stratton Engine Model 215807

18
Briggs & Stratton Engine Model 215807
Ref. Part No. Description
1BS-697377 Cylinder Assembly
2BS-399265 Kit-Bushing/Seal (Magneto Side)
3BS-391086s Seal-Oil (Magneto Side)
4BS-697106 Sump-Engine
5BS-796183 Head-Cylinder
7BS-273280s Gasket-Cylinder Head
9BS-697109 Gasket-Breather
10 BS-697157 Screw (Breather Assembly)
11 BS-794683 Tube-Breather
12 BS - 697110 Gasket-Crankcase
13 BS-690360 Screw (Cylinder Head)
15 BS-690946 Plug-Oil Drain
16 BS-796146 Crankshaft
20 BS-795387 Seal-Oil (PTO Side)
22 BS-692125 Screw (Crankcase Cover/Sump)
23 BS-698281 Flywheel
24 BS-222698s Key-Flywheel
25 BS-797009 Piston Assembly (Standard)
BS-797010 Piston Assembly (.020” Oversize)
26 BS-797011 Ring Set (Standard)
BS-797012 Ring Set (.020” Oversize)
27 BS-698469 Lock-Piston Pin
28 BS-797013 Pin-Piston
29 BS-791633 Rod-Connecting
32 BS-791118 Screw (Connecting Rod)
33 BS-791934 Valve-Exhaust
34 BS-791935 Valve-Intake
35 BS-691279 Spring-Valve (Intake)
36 BS-691279 Spring-Valve (Exhaust)
37 BS-697352 Guard-Flywheel
42 BS-499586 Keeper-Valve
43 BS-691968 Slinger-Governor/Oil
45 BS-690564 Tappet-Valve
46 BS-793880 Camshaft
48 BS-697740 Short Block
50 BS-796188 Manifold-Intake
51 BS-692137 Gasket-Intake
51A BS-796081 Gasket-Intake
53 BS-690227 Stud (Carburetor)
54 BS - 69114 8 Screw (Intake Manifold)
78 BS-691003 Screw (Flywheel Guard)
81 BS - 691178 Lock-Muer Screw
Ref. Part No. Description
94 BS-793610 Kit-Idle Mixture
95 BS-690718 Screw (Throttle Valve)
98 BS-695408 Kit-Idle Speed
104 BS-694918 Pin-Float Hinge
105 BS-696136 Valve-Float Needle
108 BS-698773 Valve-Choke
117 BS-796079 Jet-Main (Standard)
118 BS-796332 Jet-Main (High Altitude)
121 BS-796184 Kit-Carburetor Overhaul
125 BS-794653 Carburetor
127 BS-690727 Plug-Welch
130 BS-698774 Valve-Throttle
131 BS-698776 Kit-Throttle Shaft
133 BS-694914 Float-Carburetor
135 BS-698780 Tube-Fuel Transfer
137 BS-698781 Gasket-Float Bowl
141 BS-698778 Kit-Choke Shaft
146 BS-691639 Key-Timing
186 BS-794873 Connector-Hose
187 BS-791805 Line-Fuel (Cut to required length)
187A BS-791744 Line-Fuel (Formed) (Blower Housing)
188 BS-691693 Screw (Control Bracket)
192 BS-691986 Adjuster-Rocker Arm
202 BS-691841 Link-Mechanical Governor
209 BS-792813 Spring-Governor (Brown)
216 BS-691840 Link-Governor
217 BS-695409 Spring-Choke Return
222 BS-694042 Bracket-Control
227 BS-691374 Lever-Governor Control
232 BS-691842 Spring-Governor Link
238 BS-691843 Cap-Valve
240 BS-394358s Filter-Fuel
265 BS-691024 Clamp-Casing
267 BS-794904 Screw (Casing Clamp)
300 BS-796000 Muer
304 BS-796414 Housing-Blower
305 BS-697102 Screw (Blower Housing) (1/4-20x1.2)
305A BS-793376 Screw (Blower Housing) (1/4-20x.81)
306 BS-697359 Shield-Cylinder
307 BS-691003 Screw (Cylinder Shield)
309 BS-693551 Motor-Starter
310 BS-690323 Screw (Starter Motor)

19
Briggs & Stratton Engine Model 215807
Ref. Part No. Description
311 BS-497608 Brush Set
324 BS-796308 Screen/Cup Assembly
333 BS-795315 Armature-Magneto
334 BS-691061 Screw (Magneto Armature)
337 BS-491055s Plug-Spark
356 BS-398808 Wire-Stop
358 BS-796181 Gasket Set-Engine
359 BS-691077 Washer (Ground Terminal)
373 BS- 691612 Nut (Ground Terminal)
404 BS-691691 Washer (Governor Crank)
415 BS-794129 Plug (Rotating Screen)
431 BS-697122 Elbow-Intake
445 BS-698413 Filter-Air Cleaner Cartridge
474 BS-696578 Alternator
505 BS-691251 Nut (Governor Control Lever)
507 BS-691972 Insulator
510 BS-693699 Drive-Starter
513 BS-692024 Clutch-Drive
520 BS-691084 Terminal-Ground
521 BS-690581 Shield-Cable
523 BS-699908 Dipstick
524 BS-691032 Seal-Dipstick Tube
525 BS-697184 Tube-Dipstick
544 Armature-Starter
552 BS-697144 Bushing-Governor Crank
562 BS - 691119 Bolt (Governor Control Lever)
579 BS-691029 Nut (Starter Cable)
584 BS-794682 Cover-Breather Passage
597 BS-691696 Screw (Pawl Friction Plate)
601 BS-791850 Hose-Clamp (Green)
613 BS-691416 Screw (Muer) (5/16x4.1)
613A BS-691678 Screw (Muer) (5/16x.625)
614 BS-691620 Pin-Cotter (Governor Crank)
616 BS-692012 Crank-Governor
617 BS-692138 Seal-O Ring (Intake Manifold) (Red)
621 BS-692310 Switch-Stop
633 BS-699813 Seal-Choke/Throttle Shaft (Choke Shaft)
634 BS-698779 Spring/Seal Assembly (Choke Shaft)
635 BS-691909 Boot-Spark Plug
643 BS-697155 Retainer-Air Filter
654 BS-690958 Nut (Carburetor)
691 BS-692407 Seal-Governor Shaft
Ref. Part No. Description
697 BS-690372 Screw (Drive Cap)
718 BS-690959 Pin-Locating
729 BS-691224 Clip-Wire
741 BS-697128 Gear-Timing
773 BS-796448 Retainer
783 BS-693713 Gear-Pinion
797 BS-693167 Nut (Brush Retainer)
801 BS- 691283 Cap-Drive
802 BS-691286 Cap-End
803 Housing-Starter
823 BS-698941 Screw (Muer Adapter)
830 BS-691095 Stud-Rocker Arm
842 BS-691031 Seal-O Ring (Dipstick Tube)
847 BS-790442 Dipstick/Tube Assembly
850 BS-100106 Sealant-Liquid
851 BS-692424 Terminal-Spark Plug
864 BS-796002 Adapter-Muer
868 BS-690968 Seal-Valve
883 BS-692236 Gasket-Exhaust
914 B S- 69110 8 Screw (Rocker Cover)
967 BS-697292 Filter-Pre Cleaner
968 BS-697420 Cover-Air Cleaner
975 BS-698783 Bowl-Float
987 BS-698777 Seal-Throttle Shaft
1005 BS-796082 Fan-Flywheel
1022 BS-272475s Gasket-Rocker Cover
1023 BS-797421 Cover-Rocker
1026 BS-794573 Rod-Push (Exhaust)
BS-697394 Rod-Push (Intake)
1029 BS-691751 Arm-Rocker
1034 BS-690822 Guide-Push Rod
1036 Label-Emissions (Available from a Briggs
& Stratton Authorized Dealer)
1040 BS-697381 Plate-Trim
1044 BS-698139 Screw (Flywheel)
1051 BS-691265 Ring-Retaining
1058 BS-276344 Operator’s Manual
1059 BS-698516 Kit-Screw/Washer (Alternator)
1090 BS-691293 Retainer-Brush
1091 BS-691333 Cap-Limiter
1095 BS-795807 Gasket Set-Valve
1119 BS - 691183 Screw (Alternator)

20
Ref. Part No. Description
1127 BS-695407 Screw (Float Bowl)
1263 BS- 697124 Reed-Breather
1264 BS-697104 Screw (Breather Reed)
1266 BS-691917 Seal-O Ring (Intake Elbow) (Red)
1266A BS-697123 Seal-O Ring (Intake Elbow) (Large)
1267 BS-697419 Latch-Blower Housing
1270 BS-793243 Plug-AVS Counterweight
1330 BS-276781 Repair Manual
1397 BS-796449 Washer (Blower Housing)
1329 BS-215807-
0026-G1 Replacement Engine
Briggs & Stratton Engine Model 215807

Notes
21

22
Briggs & Stratton Engine Model 215802

23
Briggs & Stratton Engine Model 215802

24
Briggs & Stratton Engine Model 215802

25
Briggs & Stratton Engine Model 215802

26
Briggs & Stratton Engine Model 215802
Ref. Part No. Description
1BS-697377 Cylinder Assembly
2BS-399265 Kit-Bushing/Seal (Magneto Side)
3BS-391086s Seal-Oil (Magneto Side)
4BS-697106 Sump-Engine
5BS-796183 Head-Cylinder
7BS-273280s Gasket-Cylinder Head
9BS-697109 Gasket-Breather
10 BS-697157 Screw (Breather Assembly)
11 BS-794683 Tube-Breather
12 BS - 697110 Gasket-Crankcase
13 BS-690360 Screw (Cylinder Head)
15 BS-690946 Plug-Oil Drain
16 BS-796146 Crankshaft
20 BS-795387 Seal-Oil (PTO Side)
22 BS-692125 Screw (Crankcase Cover/Sump)
23 BS-695774 Flywheel
24 BS-222698s Key-Flywheel
25 BS-797009 Piston Assembly (Standard)
—BS-797010 Piston Assembly (.020” Oversize)
26 BS-797011 Ring Set (Standard)
—BS-797012 Ring Set (.020” Oversize)
27 BS-698469 Lock-Piston Pin
28 BS-797013 Pin-Piston
29 BS-791633 Rod-Connecting
32 BS-791118 Screw (Connecting Rod)
33 BS-791934 Valve-Exhaust
34 BS-791935 Valve-Intake
35 BS-691279 Spring-Valve (Intake)
36 BS-691279 Spring-Valve (Exhaust)
37 BS-697352 Guard-Flywheel
37A BS-697626 Guard-Flywheel
40 BS-690964 Retainer-Valve
42 BS-499586 Keeper-Valve
43 BS-691968 Slinger-Governor/Oil
45 BS-690564 Tappet-Valve
46 BS-793880 Camshaft
48 BS-697740 Short Block
50 BS-796188 Manifold-Intake
51 BS-692137 Gasket-Intake
51A BS-794312 Gasket-Intake
53 BS-690227 Stud (Carburetor)
54 BS - 69114 8 Screw (Intake Manifold)
Ref. Part No. Description
55 BS-695130 Housing-Rewind Starter
56 BS-695129 Pulley-Starter
57 BS-695131 Spring-Rewind Starter
58 BS-695132 Rope-Starter
60 BS-494212 Grip-Starter Rope
65 BS-690759 Screw (Rewind Starter)
78 BS-691003 Screw (Flywheel Guard) (10/24x.43)
78A BS-690364 Screw (Flywheel Guard) (5/16-18x.37)
81 BS - 691178 Lock-Muer Screw
94 BS-793610 Kit-Idle Mixture
95 BS-690718 Screw (Throttle Valve)
98 BS-695408 Kit-Idle Speed
104 BS-694918 Pin-Float Hinge
105 BS-696136 Valve-Float Needle
108 BS-698773 Valve-Choke
117 BS-796079 Jet-Main (Standard)
118 BS-796332 Jet-Main (High Altitude)
121 BS-796184 Kit-Carburetor Overhaul
125 BS-794653 Carburetor
127 BS-690727 Plug-Welch
130 BS-698774 Valve-Throttle
131 BS-698776 Kit-Throttle Shaft
133 BS-694914 Float-Carburetor
135 BS-698780 Tube-Fuel Transfer
137 BS-698781 Gasket-Float Bowl
141 BS-698778 Kit-Choke Shaft
146 BS-691639 Key-Timing
187 BS-791805 Line-Fuel (Cut to required length)
187A BS-791744 Line-Fuel (Formed)
188 BS-691693 Screw (Control Bracket)
192 BS-691986 Adjuster-Rocker Arm
202 BS-691841 Link-Mechanical Governor
209 BS-792813 Spring-Governor (Brown)
216 BS-691840 Link-Governor
217 BS-695409 Spring-Choke Return
222 BS-694042 Bracket-Control
227 BS-691374 Lever-Governor Control
232 BS-691842 Spring-Governor Link
238 BS-691843 Cap-Valve
240 BS-394358s Filter-Fuel
265 BS-691024 Clamp-Casing
267 BS-794904 Screw (Casing Clamp)

27
Briggs & Stratton Engine Model 215802
Ref. Part No. Description
300 BS-796000 Muer
304 BS-796414 Housing-Blower
305 BS-697102 Screw (Blower Housing) (Long)
305A BS-793376 Screw (Blower Housing) (Short)
306 BS-697359 Shield-Cylinder
307 BS-691003 Screw (Cylinder Shield)
333 BS-795315 Armature-Magneto
334 BS-691061 Screw (Magneto Armature)
337 BS-491055s Plug-Spark
356 BS-398808 Wire-Stop
358 BS-796181 Gasket Set-Engine
359 BS-691077 Washer (Ground Terminal)
373 BS- 691612 Nut (Ground Terminal)
404 BS-691691 Washer (Governor Crank)
431 BS-697122 Elbow-Intake
445 BS-698413 Filter-Air Cleaner Cartridge
455 BS - 69 5113 Cup-Flywheel
456 BS-695128 Plate-Pawl Friction
459 BS-281505s Pawl-Ratchet
505 BS-691251 Nut (Governor Control Lever)
507 BS-691972 Insulator
520 BS-691084 Terminal-Ground
521 BS-690581 Shield-Cable
523 BS-699908 Dipstick
524 BS-691032 Seal-Dipstick Tube
525 BS-697184 Tube-Dipstick
552 BS-697144 Bushing-Governor Crank
562 BS - 691119 Bolt (Governor Control Lever)
584 BS-794682 Cover-Breather Passage
597 BS-691696 Screw (Pawl Friction Plate)
601 BS-791850 Hose-Clamp (Green)
608 BS-695058 Starter-Rewind
613 BS-691416 Screw (Muer) (Long)
613A BS-691678 Screw (Muer) (Short)
614 BS-691620 Pin-Cotter (Governor Crank)
616 BS-692012 Crank-Governor
617 BS-692138 Seal-O Ring (Intake Manifold) (Red)
621 BS-692310 Switch-Stop
633 BS-699813 Seal-Choke/Throttle Shaft (Choke Shaft)
634 BS-698779 Spring/Seal Assembly (Choke Shaft)
635 BS-691909 Boot-Spark Plug
643 BS-697155 Retainer-Air Filter
Ref. Part No. Description
654 BS-690958 Nut (Carburetor)
689 BS-691855 Spring-Friction
691 BS-692407 Seal-Governor Shaft
718 BS-690959 Pin-Locating
741 BS-697128 Gear-Timing
773 BS-796448 Retainer
823 BS-698941 Screw (Muer Adapter)
830 BS-691095 Stud-Rocker Arm
842 BS-691031 Seal-O Ring (Dipstick Tube)
847 BS-790442 Dipstick/Tube Assembly
850 BS-100106 Sealant-Liquid
851 BS-692424 Terminal-Spark Plug
864 BS-796002 Adapter-Muer
868 BS-690968 Seal-Valve
883 BS-692236 Gasket-Exhaust
914 B S- 69110 8 Screw (Rocker Cover)
967 BS-697292 Filter-Pre Cleaner
968 BS-697420 Cover-Air Cleaner
975 BS-698783 Bowl-Float
987 BS-698777 Seal-Throttle Shaft
1005 BS-796082 Fan-Flywheel
1022 BS-272475s Gasket-Rocker Cover
1023 BS-797421 Cover-Rocker
1026 BS-794573 Rod-Push (Exhaust)
—BS-697394 Rod-Push (Intake)
1029 BS-691751 Arm-Rocker
1034 BS-690822 Guide-Push Rod
1036 Label-Emissions (Available from a Briggs
& Stratton Authorized Dealer)
1044 BS-698139 Screw (Flywheel)
1091 BS-691333 Cap-Limiter
1095 BS-796189 Gasket Set-Valve
1127 BS-695407 Screw (Float Bowl)
1263 BS- 697124 Reed-Breather
1264 BS-697104 Screw (Breather Reed)
1266 BS-691917 Seal-O Ring (Intake Elbow) (Red)
1266A BS-697123 Seal-O Ring (Intake Elbow) (Large)
1267 BS-697419 Latch-Blower Housing
1397 BS-796449 Washer (Blower Housing)
1329 BS-215802-
0015-G1 Replacement Engine

CUB CADET LLC, P.O. BOX 361131 CLEVELAND, OHIO 44136-0019
G
E
N
U
I
N
E
F
A
C
T
O
R
Y
P
A
R
T
S
To order replacement parts, call a Customer Support Representative at (800) 965-4CUB.
Locate your nearest Cub Cadet dealer at (877) 282-8684
or visit www.cubcadet.com to find the nearest Cub Cadet dealer in your area.