Cub Cadet Ltx1050 Kw Users Manual
LTX1050KW to the manual 8e8ecfdc-eeb8-4676-8a28-e8b24b8daa0c
2015-01-05
: Cub-Cadet Cub-Cadet-Ltx1050-Kw-Users-Manual-163851 cub-cadet-ltx1050-kw-users-manual-163851 cub-cadet pdf
Open the PDF directly: View PDF
.
Page Count: 60

CUB CADET LLC, P.O. BOX 361131 CLEVELAND, OHIO 44136-0019
Printed In USA
Illustrated Parts Manual
Hydrostatic Lawn Tractor — LTX1050/KW
Form No. 769-08616
November 06, 2012

Thank you for purchasing an Cub Cadet Lawn Tractor. It was
carefully engineered to provide excellent performance when
properly operated and maintained.
All information in this manual is relative to the most recent
product information available at the time of printing. Please be
aware that this Illustrated Part’s Manual may cover a range of
product specifications for various models.
Components listed and/or illustrated in this manual may not be
applicable to all models. We reserve the right to change product
specifications, designs and equipment without notice and
without incurring obligation.
Throughout this manual, all references to right (RH) and left (LH)
are observed from the operating position.
Axle, Front ................................................................ 4
Battery ...................................................................... 6
Head Lamps ............................................................10
Mower Deck, 50-inch .............................................16
Pedal Controls .................................................. 12/14
Dash Panel ..............................................................10
Drive System (Hydro-Gear) .................................... 12
Drive System (Tu-Torq) ........................................14
Electrical Schematic .............................................. 28
Engine Accessories ................................................ 25
Engine, Kawasaki FR691-AS17 ........................44-56
Engine, Kohler SV725-3021 .............................30-43
Fender ...................................................................... 8
Frame ....................................................................... 6
Fuel Tank .................................................................10
Hood .......................................................................10
Deck Lift Handle/Linkage ....................................... 8
Labels ................................................................26-27
Meter, Systems Indicator .......................................10
Muer .................................................................... 25
PTO ........................................................................... 6
Seat ........................................................................... 8
Solenoid ................................................................... 6
Steering .................................................................... 4
Switches, Interlock .................................................. 6
Throttle Control ......................................................10
Transmission, Hydrostatic (Hydro-Gear) .............18
Transmission, Hydrostatic (Tu-Torq) ................. 22
Wheels, Front & Rear ............................................... 3
Table of Contents
Record Product Information
To ease in ordering replacement parts, please locate the model
plate on the equipment and record the information in the
provided area to the right. You can locate the model plate by
looking beneath the seat.
Model NuMber
Serial NuMber
Painted Parts
When ordering painted service parts, a four digit color suffix must be added to the part number (e.g. 783-XXXXX-0637).
Please refer to the table below for current color codes:
0637 Black
4021 Yellow (Cub Cadet)
0499 Beige (Cub Cadet)
0685 Blue (Cub Cadet)
0691 Black Jack (Cub Cadet Commercial)
To The Owner
2

3
4
1
3
9
2
85
5
7
6
Ref. Part Number Description
1. 634-04406-0931 Wheel Ass’y, Complete, 15 x 6 x 6
2. 634-04405-0499 Rim Ass’y, 6.0 x 4.5, Plastic Bearings
3. 741-0990B Bearing, Flange, .760 ID w/ Fitting
4. 741-0516B Bearing, Flange, .760 x 1.00 x 1.20
5. 934-0255 Valve, Tubeless Air
6. 734-1731-0901 Tire, 15 x 6 x 6 Sq Shoulder
7. 634-0104-0931 Wheel, Complete, 20 x 8 x 8
—634-0177-0931 Wheel Assy, Complete, 20 x 10 x 8
8. 634-04369-0499 Rim Ass’y, 8.0 x 7.0 x .750 ID
9. 734-1730-0901 Tire, 20 x 8 x 8 Sq Shoulder
—734-1873-0901 Tire, 20 x 10 x 8 Sq Shoulder
Front and Rear Wheels

4
2
18
14
11
8
9
5
6
12
26
30
25
31
23
24
22
26
25
26
29
15
34
17
3
13
7
10
9
4
16
1
16
7
6
12
24
7
29
33
32
32 33
21
20
27
28
30
19
35
35
35
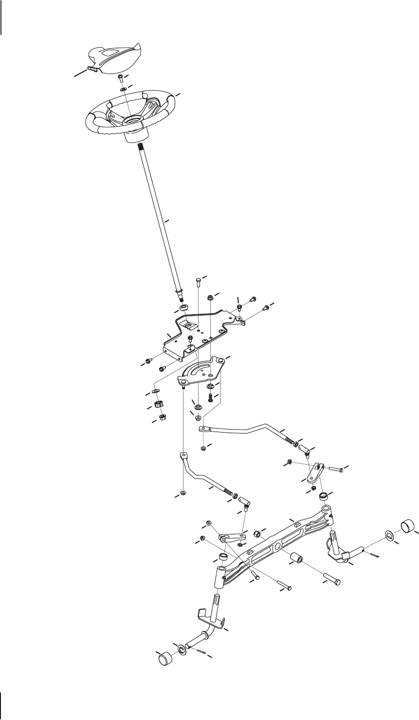
Steering

5
Ref. Part Number Description
1. 710-04095 Hex Screw, 3/8-16, 1.00, Gr5, Spec
2. 710-0514 Hex Screw, 3/8-16, 1.00, Gr5, Std
3. 710-0650 Hex Screw, 5/16-18, .875, Gr5, Lock
4. 711- 0 4998 Link, Drag LH
5. 711-04999 Link, Drag RH
6. 912-0240 Nut, Jam, 7/16-20, Gr2
7. 712-04065 Nut, Flange Lock, 3/8-16, Grf,
8. 712-0459 Nut, Flange Lock, 7/16-20, Grb, Lock
9. 712-3004A Nut, Flange Lock, 5/16-18, Gr5, Sd Lk
10. 717-1550F Gear, Steering, 11/90 Ratio
11. 717-1554 Gear, Pinion, Steering
12. 923-0448A Ball Joint, 7/16-20, Lock
13. 936-3004 Washer, Flat, .406 x .875 x .105
14. 736-3084 Washer, Flat, .51 x 1.12 x .06
15. 738-04262 Shaft, Steering, .625 OD x 25, Cub
16. 738-04363 Spacer, Shoulder, .385x 1.25 x .3025
17. 731-04532B Cover, Steering Wheel, Cub Cadet
18. 741- 04237B Bearing, Flange, Hex 5/8 Pm
19. 783-06043 Bracket, Support, Steering
20. 638-04022 Axle Ass’y, RH .750 Dia.
21. 638-04028 Axle Ass’y, LH .750 Dia.
22. 710-0395 Hex Screw, 5/16-18, 2.25, Gr5, Std
23. 710-0859 Hex Screw, 3/8-16, 2.50, Gr5, Std
24. 710-3180 Hex Screw, 5/16-18, 1.75, Gr5, Std
25. 912-0214 Nut, Hex Lock, 3/8-24, Grb
26. 712- 04063 Nut, Flange Lock, 5/16-18, Grf
27. 714-0162 Pin, Cotter, 5/32, 1.25
28. 719-04413A Axle, Pivot Bar, Cast
29. 748- 04278 Steering, Block
30. 748-04068 Spacer, .71 ID x .125 OD x .56
31. 750-05280 Spacer, .385 x 1.00 x 1.5075
32. 731-08049 Cap, Bumper
33. 736-04228A Washer, Flat, .350 x 1.559 x .062
34. 631-04008A Wheel, Steering, 3 Spoke, Softgrip
35. 710-04484 Screw, Self-tapping, 5/16-18, .750,
Steering

6
1
4
15
3
16
11
14
10
23
22
21
6
9
12
16
13
18
19
17
8
7
5
20
2
24
29
29
27
28
28
25
26
Frame, Electrical and PTO

7
Frame, Electrical and PTO
Ref. Part Number Description
1. 710-04379A Hex Screw, 7/16-20, 3.50, Gr5, Lock
2. 917-05122 Clutch, Electric PTO
725- 06019 Clutch Harness Wire 11.625”
3. 725-0157 Cable, Tie, 3/16 X .05 X 7.4
4. 736-0322 Washer, Flat, .450 x 1.25 x .164
5. 736-0277 Washer, Flat, 1.031 X1.620 X.095
6. 925-1707D Battery
7. 756-0978B Engine Pulley, Electric PTO
8. 710-04666 Hex Flange Screw, 1/4-20, .75, Gr5
9. 712-0271 Nut, Sems, 1/4-20
10. 725-04363 Switch, Interlock
11. 710-0653 Screw, Self-tapping, 1/4-20, 0.375
12. 712-04064 Nut, Flange Lock, 1/4-20, Nylon
13. 747-05195 Rod, Keeper
14. 738-04237A Screw, Shoulder, #10-32, .50
15. 683-04469C Frame Assembly, Lower
16. 710-04484 Screw, Self-tapping, 5/16-18, .750
17. 710-3005 Hex Screw, 3/8-16, 1.25, Gr5
18. 712-04065 Nut, Flange Lock, 3/8-16, Nylon
19. 738-04058 Spacer, Shoulder, .38 X 1.0 X .70
20. 747- 04121A Rod, Battery
21. 783-0349 Tray, Battery
22. 783-06089 Bracket, Frame, Seat
23. 725-04439 Solenoid, 12V, 100 Amp, 4 term
24. 732-0814 Spr, Extn, .56 Dia X 5.52
25. 683-04219B Bumper Assembly, Universal
26. 712- 0130 Hex Lock Nut, 3/8-16
27. 731-05674 Cap, Bumper
28. 738-0143 Bolt, Shoulder, .496 x .336, 3/8-16
29. 714-04061 Pin, Quick Release, 1/2 Dia x .50
— 925-04093 Harness Assembly, Main

8
14
42
24
21
23
27
41
35
18
5
16
13
43
8
7
29
18 22
38
37
32
17
33
39
28
34
2
18
19
25
20
26
40
36
1
4
9
12
2
10
15
3
11
6
30
31
B
C
C
B
Seat, Fender and Lift

9
Seat, Fender and Lift
Ref. Part Number Description
1. 683-04223 Shaft Ass’y, Lift
2. 712-04063 Nut, Flange Lock, 5/16-18, Grf
3. 712-04065 Nut, Flange Lock, 3/8-16, Grf
4. 914-0104 Pin, Cotter, .072 Dia. x 1.13
5. 714-04040 Pin, Cotter, Bow-Tie 72
6. 716-0106A Ring, E Type, .625 Dia. Shaft
7. 720 - 04139B Grip, Handle, Cub, .50 ID
8. 732-0874 Spring, Torsion
9. 736-0105 Washer, Spring, .401 x .870 x .063
10. 738-0138A Screw, Shoulder, .437 x .470, 5/16-18
11. 938-0380 Bolt, Shoulder, .50, 3/8-16
12. 941-0225 Bearing, Hex Flange
13. 746-0968 Cable, Lift, 16.16
14. 747-04962A Handle, Lift,
15. 756-04331 Pulley, Roller, Cable
16. 783-05546A Link, Lift
17. 731-06584 Door, Cover, Fender
18. 710-04484 Screw, Self-tapping, 5/16-18, .750,
19. 712-3004A Nut, Flange Lock, 5/16-18, Gr5, Sd Lk
20. 732-04563 Spring, Compr’, .68 x 1.065 x .055
21. 725-0157 Cable, Tie, 3/16 x .05 x 7.4
22. 732-04849 Spring, Comprs, 1.50 x 3.90 x .200
Ref. Part Number Description
23. 938-0296 Screw, Shoulder, .437 x .268, 5/16-18
24. 783-06049 Bracket, Mounting, Seat
25. 783-06088 Bracket, Pivot, Seat
26. 783-06050 Lever, Seat Adjustment
27. 783-06448 Clip, Retaining, Switch
28. 710 -1260A Hex Screw, 5/16-18, .75, Gr5, Std
29. 710-0599 Screw, Self-tapping, 1/4-20, 0.500,
30. 710-0895 Screw, HL, 1/4-15, 0.750,
31. 731-06700 Cover, Fender, RH
32. 731-06676 Cover, Fender, LH
33. 747-05039 Pin, Door
34. 736-3078 Washer, Flat .344 x 1.00 x .063
35. 710-04482 Hex Flange Screw, 3/8/16, .875, Gr5
36. 78 3- 0 6118 Fender, Cub Hydro
37. 726-3046 Clip, Ratchet, .250 Dia
38. 735-04137 Pad, Foot, LH
39. 735- 04139 Pad, Foot, RH
40. 757- 04131 Seat, High Back Cloth, Cub
41. 925-05013 Switch, Seat
42. 783-06181 Bracket, Lift
43. 732-0934 Spring, Extension, 1.15 OD x 5.99

10
A
14
27
32
20 48
21
51
12
4
52
7
18
16
13
11
50
53
46
8
28
24
25
3
29
1
42 41
39
23
22
33
45
47
35
26
43
44
3
1
40
30
21
2
21
17
5
6
38
9
10
15
31
37
36
19 34
A
49
Fuel Tank, Hood and Dash

11
Ref. Part Number Description
1. 710-04484 Screw, Self-tapping, 5/16-18, .750
2. 710-0599 Screw, Self-tapping, 1/4-20, 0.500
3. 710-0895 Screw, HL, 1/4-15, 0.750
4. 710-1017 Screw, Ab, 1/4-14, 0.625,
5. 710 -1611B Screw, Self-tapping, 5/16-18, 0.750,
6. 710-1652 Screw, Self-tapping, 1/4-20 x .625
7. 710 -3217 Screw, Mach, #8-32, 0.375
8. 712-0142 Nut, Hex, #8-32
9. 714-04040 Pin, Cotter, Bow-Tie 72
10. 726-3046 Clip, Ratchet, .250 Dia
11. 731-05447A Lever, Dash, Cruise/Brake
12. 731-06593 Knob, Throttle
13. 931-06554 Dash Panel, A-Style, Elect PTO
14. 735-0271A Bumper, .62 Dia X .3
15. 735-04076 Net
16. 747- 05009B Rod, Control, Latch Cub
17. 747-1196 Rod, Lever, Bent
18. 783-06098 Support, Dash, Plate LH
19. 783-06099 Support, Dash, Plate RH
20. 925-1649 Socket, Lamp
21. 710-05108 Screw, 1/4 Dia, .750
22. 926-0154 Tie, Cable, Push Mount 7.5 Lg
23. 931-04322 Grille Ass’y (Incl. 26, 27, 32 & 33)
24. 931-06542B Scoop, Hood, RH A-Style
25. 931-06543B Scoop, Hood, LH A-Style
26. 931-06558 Lens, Hood, RH A-Style
27. 931-06559 Lens, Hood, LH A-Style
28. 931-06634 Hood, A-Style
Fuel Tank, Hood and Dash
Ref. Part Number Description
29. 731-06936† Plenum, A-Style
30. 936-3020 Washer, Flat, .271, .630, .065
31. 738-04091A Screw, Shoulder, .43x.29, 5/16-18
32. 777X44055 Reector, Cub A Style, LH
33. 777X44056 Reector, Cub A Style, RH
34. 78 3- 0 6114 Bracket, Pivot, Hood A-Style
35. 951- 0 4311 Tank, Fuel, 3.30 Gal..
36. 710 -1652 Screw, Self-tapping, 1/4-20, .625
37. 747-05040A Rod, Support, Fuel Tank
38. 951-10589 Canister, Carbon, 5 Gallon (CA)
39. 951-10590 Filter, Vent, Canister (CA)
40. 951-10610 Bracket, Adapter, Canister (CA)
41. 751-10749-14 Hose, Fuel, Low Perm, 3/16 Wht (CA)
42. 751-10750-28 Hose, Fuel, Low Perm, 7/32 Yel (CA)
43. 751-12118 Valve, Rollover Grommet
44. 735-04081 Grommet, Rubber, 23.0 ID
45. 951-12179A Cap, Fuel
951-12426 Cap, Fuel Carb
46. 625-05000 Key, Assembly
47. 735-04170 Gasket, Fuel Tank
48. 925-0963 Lamp, 12v
49. 731-1999 Plug, Choke
746 -04120† Control, Choke, 40.5 x 2, Yellow
50. 925-04227B Module Switch, Ignition
51. 946-04556 Cable, Throttle/Choke, 38”
946-1086† Cable, Throttle, 39”
52. 925-04022B Meter, Indicator
53. 725-04258 Switch, Electric PTO, Yellow
† If Equipped

12
30
5
14
45
59
33
66
6
17 19 31
47 3
46
42
43
11
2
18
15
29
21
27
14
4
26
41
34 36
28
10
1
14
20
37
40
14
8
13
5
16
35
56
9
7
39
23
25
12
22
38
C
A
A
51
49
53
61
62 60
48 50
64
5
58
65
57
52
63
5
61
55
5
54
67
68
8
39
69
24
52
44
70
71
32
Drive System (Hydro-Gear)

13
Drive System (Hydro-Gear)
Ref. Part Number Description
1. 918-0319 Transmission, Hydro-Gear 0510
2. 710 - 0176 Hex Screw, 5/16-18, 2.75, Gr5, Std
3. 710-0227 Screw, #8-18, 0.500,
4. 710-0351 Screw, #10-16, 0.500
5. 710-04484 Screw, Self-tapping, 5/16-18, .750
6. 710-0653 Screw, Self-tapping, 1/4-20, 0.375
7. 710-1007 Screw, Self-tapping, 3/8-16, 1.500
8. 710-1325 Screw, Self-tapping, 1/4-20, 1.625
9. 710 - 3011 Hex Screw, 3/8-16, 2.25, Gr5
10. 912-0240 Nut, Jam, 7/16-20, Gr2
11. 912- 0346 Nut, Jam Lock, 1/2-20, Gr5, Nylon
12. 712-04063 Nut, Flange Lock, 5/16-18, Nylon
13. 912- 0431 Nut, Flange Lock, 3/8-16
14. 914 - 0111 Pin, Cotter, 3/32, 1.0
15. 725- 0157 Cable, Tie, 3/16 x .05 x 7.4
16. 725-04791A Jumper Harness, Ground & Reverse
17. 725-1644 Switch, Spring, Short
18. 926 - 0154 Tie, Cable, Push Mount 7.5
19. 926-0320 Plate, Insulator Nut
20. 731-05299A Sleeve, .765 Id x 1.500
21. 731-06098 Fan, Hydro
22. 932-0209 Spring, Extension, .48 Od x 2.03
23. 732-04606 Spring, Extension, .500 Dia x 12.6
24. 732-04624 Spring, Extension, 1.00 Dia x 4.75
25. 732-0716D Spring, Extension, .59 Od x 4.00
26. 732-0729 Ring, Wire
27. 732-3118 Spring, Extension, .375 Od x 1.44
28. 936-0264 Washer, Flat, .330 x .630 x .0635
29. 736-04263 Washer, Lock, Transmission Hydro
30. 936-3008 Washer, Flat, .344 x .750 x .120
31. 736-3010 Washer, Flat, .407x.812x.135, Ht
32. 710-1026 Screw, Self-tapping, 1/4-20 x 1.75
33. 710-05339 Screw, 5/16-24 x .750
34. 738-04420 Spacer, Shoulder, 1.375 x .380 x .183
35. 747- 04139 Rod, Brake, LT Hydro
36. 747- 04957A Rod, Transmission, Bypass
Ref. Part Number Description
37. 747-04979 Rod, Control, Hydro
38. 747-04991 Rod, Hydro Bypass
39. 750-04456 Spacer, .260 x .372 x 1.420
40. 954-04207 Belt, V-Type
41. 756-04224 Pulley, Idler, Flat 2.75 OD
42. 756-04308 Pulley, Input, 4.13 Dia
43. 756-04325 Pulley, Idler, V-Type x 3.06
44. 783-06027B Bracket, Idler, Center Double
45. 783- 06133 Bracket, Mount, Hydro
46. 783-06260 Bracket, Support, Belt Disengage
47. 783-1019B Bracket, Actuator, Switch
48. 647- 04152D Control Assembly, Brake
49. 683-04488 Bracket Assembly, Pedal, Hydro
50. 710-0604A Screw, Self-tapping, 5/16-18, 0.625,
51. 711-05068A Pin, Clevis, 5/16 x 3.985
52. 712-04065 Nut, Flange Lock, 3/8-16, Nylon
53. 714-04040 Pin, Cotter, Bow-Tie 72
54. 783-06059 Bracket, Pedal, Hydro
55. 726-0214 Cap, Push 5/8
56. 732-04587 Spring, Extension, .63 Dia x 4.95
57. 735- 04136 Pad, Pedal, Brake
58. 736-0242 Washer, Bell, .340 x .872 x .060
59. 731-2290A Cap, Hub
60. 938-0380 Bolt, Shoulder, .500 x .270, 3/8-16
61. 741-0495 Bearing, Flange, .630 x .695 x .60
62. 748- 04203 Latch, Cruise
63. 783-05914 Bracket, Support, Pedal Strap
64. 783-05940 Bracket, Support, Pedal Strap 5/8
65. 783- 06103A Bracket, Pedal, Brake
66. 736-0430 Washer, Flat, .350 x 1.59 x .062
67. 735 - 0 4118A Pad, Pedal, Forward
68. 735-04135 Pad, Pedal, Reverse
69. 738-0430 Scr, Shldr, .50 x .685 3/8-16
70. 936-0344 Washer, Flat, .385 x 1.0 x .030
71. 747-05444A Belt Keeper Rod

14
Drive System (Tuff Torq)
15
21
3
5
2
12
22
37
26
37
8
37
920
1
38
10
34
8
31
30
24
44
43
52
2
5
5
60
17
23
7
7
43
6
12
14
16
19
4
14
25
18
14
36
27 14
56
51
49
53
41
42 40
48 50
46
5
32
47
57
52
45
5
41
55
5
54
28
29
39
33
35
13
11
62
5
58
59
61

15
Drive System (Tuff Torq)
Ref. Part Number Description
1. 918-05010 Transmission, Tu Torq K46
2. 710-0378 Hex Screw, 5/16-18, 2.50, Gr5, Std
3. 710-0599 Screw, Self-tapping, 1/4-20, 0.500
4. 710 - 0817 Screw, Self-tapping, 5/16-18, 1.250
5. 710-04484 Screw, Self-tapping, 5/16-18, .750
6. 710-3180 Hex Screw, 5/16-18, 1.75, Gr5
7. 710-1007 Screw, Self-tapping, 3/8-16, 1.500
8. 710-1325 Screw, Self-tapping, 1/4-20, 1.625
9. 710 - 3011 Hex Screw, 3/8-16, 2.25, Gr5
10. 912-0240 Nut, Jam, 7/16-20, Gr2
11. 914 - 0111 Pin, Cotter, 3/32, 1.0
12. 712-04063 Nut, Flange Lock, 5/16-18, Nylon
13. 912- 0431 Nut, Flange Lock, 3/8-16
14. 914 - 0111 Pin, Cotter, 3/32, 1.0
15. 725-05335 Jumper Harness, Ground & Reverse
16. 747-05447 Rod, Control, Tu-Torq
17. 747-05448 Rod, Hydro Bypass
18. 747-05452 Rod, Brake, NX9 Tu-Torq
19. 750- 05512 Spacer, .330 x .715 x .430
20. 954-04297 Belt, V-Type
21. 783-06849 Bracket, Mount, Tu-Torq
22. 783-07349 Bracket, NX9 Tu Torq
23. 783-07260 Bracket, Belt Keeper
24. 732-04792 Spring, Extension, 1.00 Dia x 4.75
25. 732-0716D Spring, Extension, .59 Od x 4.00
26. 710-1026 Screw, Self-tapping, 1/4-20 x 1.75
27. 936-0185 Washer, Flat, .375 x .738 x .063
28. 735 - 0 4118A Pad, Pedal, Forward
29. 735-04135 Pad, Pedal, Reverse
30. 936-0344 Wash, Flat, .385 x 1.00 x .030
31. 738-0430 Scr, Shldr, .50 x .685 3/8-16
Ref. Part Number Description
32. 736-0242 Washer, Bell, .340 x .872 x .060
33. 710-05339 Screw, 5/16-24 x .750
34. 738-04420 Spacer, Shoulder, 1.375 x .380 x .183
35. 736-0430 Washer, Flat, .350 x 1.59 x .062
36. 747- 04957A Rod, Transmission, Bypass
37. 750-04456 Spacer, .260 x .372 x 1.420
38. 756-04224 Pulley, Idler, Flat 2.75 OD
39. 731-2290A Cap, Hub
40. 938-0380 Bolt, Shoulder, .500 x .270, 3/8-16
41. 741- 0495 Bearing, Flange, .630 x .695 x .60
42. 748-04203 Latch, Cruise
43. 756-04325 Pulley, Idler, V-Type x 3.06
44. 783-06027B Bracket, Idler, Center Double
45. 783-05914 Bracket, Support, Pedal Strap
46. 783-05940 Bracket, Support, Pedal Strap 5/8
47. 783-06103A Bracket, Pedal, Brake
48. 647- 04152D Control Assembly, Brake
49. 683-04488 Bracket Assembly, Pedal, Hydro
50. 710-0604A Screw, Self-tapping, 5/16-18, 0.625,
51. 711- 05 06 8 Pin, Clevis, 5/16 x 3.985
52. 712-04065 Nut, Flange Lock, 3/8-16, Nylon
53. 714-04040 Pin, Cotter, Bow-Tie 72
54. 783-06059 Bracket, Pedal, Hydro
55. 726-0214 Cap, Push 5/8
56. 732-04587 Spring, Extension, .63 Dia x 4.95
57. 735- 04136 Pad, Pedal, Brake
58. 731-05299A Sleeve, .765 Id x 1.500
59. 710-0216 Hex Cap Screw, 3/8-16 x .75
60. 783-07295 Bracket, Mount
61. 783-07347 Bracket, Belt
62. 783-07350 Bracket, Support

16
50-inch Deck
42
21
50
39
27
12
2
2
31
55
54
11
7
49
23
9
60
20
19
38
53
64
63
16
19
7
1
9
5
6
19 18
13
25
62
57
58
55
10
26
959
4
14
15
8
36
28
19
34
47
24
37
48
45
35
29
27
27
3
52
32
52 32
2
7
46
19
30
40
65
65
61
56
51
20
2
19
41
6
26
43 44 18
17
22
22
17
33
33

17
50-inch Deck
Ref. Part Number Description
1. 96606 Bracket, Hook, Retainer
2. 918-05016 Spindle Assembly, Pulley, 5.3 Dia.
3. 683-0254B Bracket Assembly, Deck, Hanger LH
4. 983-04648A Deck Assembly, 50”
5. 703-3279 Stop, Chute, Deector
6. 710-04095 Hex Screw, 3/8-16, 1.00, Gr5, Spec
7. 710-04484 Screw, Self-tapping, 5/16-18, .750,
8. 710-0528 Hex Screw, 5/16-18, 1.25, Gr5, Std
9. 710-0599 Screw, Self-tapping, 1/4-20, 0.500
10. 710-1007 Screw, Self-tapping, 3/8-16, 1.500
11. 710-3144 Hex Screw, 3/8-16, 2.00, Gr5, Std
12. 710-3103 Hex Screw, 5/16-18, 2.00, Gr5, Std
13. 710 -3178 Bolt, Carriage, 3/8-16, 0.75, Gr1
14. 747-05279 Rod, Support, Deck
15. 911-3314 Roller Pin-1/2 Dia. x 7.31
16. 712- 0229 Nut, Push, 3/8
17. 731-07487 Deck Wash Nozzle
18. 712-04063 Nut, Flange Lock, 5/16-18, Nylon
19. 712-04065 Nut, Flange Lock, 3/8-16, Nylon
20. 712-0417A Nut, Flange, 5/8-18
21. 712-04243 Nut, 1/2-13
22. 738-04278 Shoulder Screw, 1/4-20 x 0.50
23. 912-3010 Nut, Hex, 5/16-18, Gr5
24. 914 - 0111 Pin, Cotter, 3/32, 1.0
25. 753-04070 Pin, Lynch, .1875
26. 714-04040 Pin, Cotter, Bow-Tie
27. 914-0470 Pin, Cotter, 1/8 x 1.25
28. 917-04074 Gear, Deck, Adjustment
29. 921-04041 Coupler, Water
30. 731-05679 Roller, Front
31. 732-04649 Spring, Extension, 1.0 OD x 6.10
32. 732-04652 Spring, Compr’, .535 OD x 1.751
33. 783-07236 Pulley Cap
Ref. Part Number Description
34. 734- 04155 Wheel, Deck, 5.0 Dia. Ball
35. 734-0973 Wheel, Deck 5.0 x 1.38
36. 93 6 - 0119 Washer, Lock, 5/16, Regular Duty
37. 936- 0179 Washer, Flat, .531 x 1.25 x .100
38. 783-05030 Bracket, Chute 50/54”
39. 936-0275 Washer, Flat, .344 x .688 x .065
40. 738-0976 Shaft, Spindle, 4.1250
41. 703-3511B Finger Guard
42. 736 - 0317 Washer, Bell, .63 x 1.25 x .18
43. 714-04043 Pin, Cotter, Bow-Tie
44. 747- 05701 Rod, Support, Deck (Tu Torq)
45. 938-0373 Bolt, Shoulder, .496 x 1.525, 3/8-16
46. 738-04162C Spacer, Shoulder, .8840 x .190
47. 938-3056 Bolt, Shoulder, .496 x 2.50, 3/8-16
48. 942-04053C Blade, 17.90 Star 2 In 1
49. 783-06368A Belt Guard Bracket
50. 747- 05067A Rod, Lift, Deck, Front, 11.7
51. 756-04216 Pulley, Deck, 5.39 Dia.
52. 747-1116 Rod, Deck Release
53. 732-04372 Spring, Torsion, .44 I.D. x 2.0,
54. 954-04240 Belt, V-Type
55. 756 -04129B Pulley, Idler, 4.25”Dia.
56. 750-1096 Spacer, .800 x 1.100 x 1.5300
57. 783-04399 Cover, Belt, LH 50”
58. 783-04400 Cover, Belt, Rh 50”
59. 783-04414A Skirt, Center, 50”
60. 783- 04415 Skirt, RH, 50”
61. 748-0434 Spacer, .750 x 1.150 x .230
62. 783- 06361A Bracket, Idler, Arm
63. 631-04070A Chute Assembly
64. 711- 0 4565 Pin, Hinge, .3175 Dia. x 14.06 ,1
65. 941-0919A Bearing, Ball, .787id x 1.85 Od x .551

18
A
A
83
19
5
3
5
19
72
29 41
28 72
84
83
109
55
56
32 34 12
36
85
87
88
113
128
9
14
10
11
13
12
1
4
75
46
43
47
107
45
44 121 120
44
108
111
100
114
98
95
99
101
102
62
63
68
70
66
35
12
34
32
17
18
72
94
96
97
16
73
31
31
2
33
33
38
37
37
40
40
24
27
53
52
48
42
30
38
39
54
73
69
7
67
51
49
50
61
65
71
74
60
60 59
110
103
58
116
Hydrostatic Transmission (Hydro-Gear 311-0510)

19
Hydrostatic Transmission (Hydro-Gear 311-0510)
Ref. Part Number Description
1HG-70467 Main Housing Assembly
Main Housing, Machined
Bushing ,865 x 985 x .790
2HG-70483 Main Housing Assembly
Main Housing, Machined
Bushing ,865 x 985 x .790
Bushing 624 x 719 x . 562
3HG-70477 Center Section Assembly
Center Section Machined
Bushing. 707 x . 788 x . 591
4HG-51048 Swashplate, Trunnion Machined
5HG-70331 Block - Assembly
Block - Cylinder
Piston
Spring, Compression
Washer - Thrust
7HG-53246 Hex Flange Screw 1/4-20 x-1,25
9HG-51062 Shaft, Input
10 HG-2000022 Ring - Retaining
11 HG-50951 Spacer
12 HG-50329 Ring - Retaining
13 H G -51161 SeaL Lip .67 x 1.58 x .276
14 HG-50315 Ball Bearing 17mm Id x 40mm Od
16 HG-51064 Bolt. Flange 5/16-24 x .94 (Patch)
17 H G -5114 0 Lip Seal 18 x 32 x 7
18 H G -51119 Arm Control
19 HG-50551P Bearing 30x52 x 13 Thrust
24 HG-50966 Shaft Motor
27 H G -5113 0 Gear - Pinnion 13t
28 HG-51129 10t/48t Gear
29 HG-51043 Gear Jot Jackshaft
30 HG-51044 60t Bull Gear
31 HG-51088 Sleeve Bearing . 75 x 1.750 x .625
32 HG-51089 Sleeve Bearing .75 x 1.575 x ,625
33 HG-44875 Washer 3/4 Id x 1-1/2 Od x .13 Thk
34 HG-51066 Lip Seal Axle Seal
35 HG-51079 Shaft Axle . 75 x 11. 39 ( Dd R. H, )
36 HG-51078 Shaft Axle .75 x 17. 99 ( Dd, L, H.)
37 HG-71310 Miter Gear (Splined)
38 HG-44097 Miter Gear 15t (0 .5 Id)
39 HG-50146 Shaft
Ref. Part Number Description
40 HG-44871 Ring, Spiral Retaining
41 HG-51083 Pin, Jackshaft
42 HG-51100 Magnet, Ring
43 H G -5113 6 Spring, Bypass
44 HG-50016 Hydro Mtg Screw 3/8-24 x 2.5
45 HG-51581 Bottom, Filter
46 HG-51580 Base Filter W/ Poppet
47 HG-51091 Actuator Bypass
48 HG-51098 Rod Bypass Actuator
49 H G -5113 5 Arm, Bypass
50 H G -51116 Retaining Ring 0.250 External
51 HG-51081 Seal, Lip . 741 x .250 x .250 Tc
52 HG-44371 Flat Washer 5/8 Id x 1.0 Od x . 05
53 HG- 44145 Retaining Ring
54 HG-51071 Bearing, Center Block
55 HG-2003014 Spring - Helical Compression
56 HG -20 03017 Washer
58 HG-62589 Kit, Brake Yoke
Brake Yoke
Sq. Hd, Bolt 5/16-24 Ribbed
59 HG-51072 Rotor, Brake
60 917-0678 Brake Puck
61 917-0682 Puck Plate
62 941-0343 Brake Actuating Pin
63 H G -5114 6 Hex Screw 1/4-20 x 2 w/ Patch
65 H G -2 3711 Spacer
66 HG-70896 Kit, Spring
67 N/A So. Hd, Bolt 5/16-24- Ribbed
68 HG-44094 Arm, Brake
69 912-0273 Slotted Hex Nut 5/16-24
70 914-0507 Cotter Pin 3/32 x 3/4
71 HG-50919 Comp. Spring Brake Anti-Drag
72 HG-50132 Washer, Ht .5 I. D. x 1 OD, x .032
73 736-0371 Flat Washer, 11/32 ID x 7/8 OD
74 HG-70719 Kit, Seal
Oil, Seal 625 x Lo x .25
Ring, Ret-Star Washer
Bulletin, Shaft Seal
75 HG-51084 Check Plug Assem, .027 Washer
83 HG-9004800-2506 Pin, Standard Headless
84 H G -51143 Fitting, 5/16 Sae 5/32 Tube
Continued on next page

20
Hydrostatic Transmission (Hydro-Gear 311-0510)
Ref. Part Number Description
85 H G -51147 Hose, Expansion Tank
87 HG-51251 Cap,. Vent
88 HG-50653 Bolt, Self Tapping 10-32 x 112
94 HG- 44147 Ball Bearing .62 Id x 1,38 x 44
95 HG-50837 Cap Screw, 5/16-24 x 1-112
96 HG-51200 Spacer, Locating
97 HG-50870 Screw, Sfhcs
98 H G -5112 0 Arm, Return
99 HG-51097 Puck, Adjusting
100 HG -5112 2 Washer, .325 OD x 1.6 ID x .150
101 H G -51131 Spring, Extension
102 H G -51123 Spacer, .56 x .26 x .87
103 HG-51223 Bracket, Torque
107 H G -5113 4 Deector
108 HG-51069 Washer, Motor Shaft .71 Id 1.15 Od
109 HG-9005110-5600 Plug, SAE #6
110 HG-50868 Torx Head Screw, 5/16-18
111 H G -5114 4 O-Ring, .07 x .301 ID
113 H G -51179 Bracket, Support Expansion Tank
114 H G -5118 4 Spring Guide
116 HG-70503 Silicon Sponge
120 HG-70759 Center Section - Bypass Assm
Center Section Machined
Base Filter w/ Poppet
Check Plug Assembly
Spring Bypass
Actuator Bypass
Deector
Bottom, Filter
Bushing, .707 x .788 x .591
Ref. Part Number Description
121 HG-70756 Filter Assembly
Bottom Filter
Base Filter w/ Poppet
Spring Bypass
Actuator Bypass
Deector
128 HG-70503 Kit, Expansion Tank
Tank, Expansion
Cap, Vent
Bolt, Self Tapping 10-32 x 1/2
Bracket, Support Expansion Tank
Silicon-Sponge 112 x 1/2 x 3/16
—HG-50928 Sealant
—HG-70463 Seal, O-Ring Kit
— — 20w-50 Oil (78.8 oz)

21
Page Left Blank Intentionally

22
Hydrostatic Transmission (Tuff-Torq 918-05010)
1
2
3
7
8
8
8
11
12
13
14
15
16
19 20
21
22
200
201
24
25
27
26
28
29
30
31 32
33
34
34
35
36
37
38
39
40 41 42
43
44
45
46
47
49
50
51
52
53
54
55
56
57
58
59
60
61
62
63
64 65 65
66
67
68
69
70
70
71
71
72
73
73
74
74
75
76
77
78
79
80
81
82
82
72
83
84
85
90
91
95
96
99
114
115
116
120
K46CA Transmission
K46CA Seal Kit
Kit Includes
#19
#20
#26
#30
#59
#72
#81
#91
#99
K46CA Repair Kit
Kit Includes
#24
#31
#38
#200 - Seal Kit

23
Hydrostatic Transmission (Tuff-Torq 918-05010)
Ref. Part Number Description
1918-05010 K46CA Transaxle
2TT-1A646084431 Kit, Upper Case
3TT-1A646084181 Lower Case
7TT-168T2024250 Vent Valve 15
8TT-19216324360 Magnet
11 TT-19215427281 Spring 25
12 TT-1A646029510 Bypass Shaft A
13 TT-1A632029520 Bypass Lever
14 TT-19216829570 Snap Ring 10
15 TT-168T2036300 Sealing Cap 30
16 TT-22252000350 Snap Ring C 35
19 TT-24311240100 O-Ring 1A P10A
20 TT-24421153507 Seal TC 153507
21 TT-26476080552 Tapping Screw 8 x 55
22 TT-26476080302 Tapping Screw 8 x 30
24 TT-1A646099070 Kit, Center Case C
25 TT-19216824760 Pin 3 x 9.8
26 TT-168T2025220 Filter 105
27 TT-168T2099990 Bolt 10 x 75
28 TT-1A646024800 IDS Valve 1.2
29 TT-1A646024761 IDS Spring
30 TT-1A646024790 IDS Filter 300
31 TT-168T2025090 Kit, Cylinder Block (Pump)
32 TT-1A646025200 Spring
33 TT-1A646025230 Pump Shaft
34 TT-22272-000120 E-Ring 15
35 TT-24101062020 Bearing 6202C3
36 TT-19216824210 Motor Housing
37 TT-1A646034750 Thrust Bearing 51106
38 TT-168T2025080 Kit, Cylinder Block
39 TT-19216825230 Washer 12 x 24 x 1
40 TT-1A646025271 Motor Shaft
41 TT-19215425310 Snap Ring C15
42 TT-1A646025400 Brake Disc/Motor Gear (11T)
43 TT-168T2025280 Bearing 6202 RSR C3
44 TT-187T0027060 Thrust, Plastic
45 TT-168T2084530 Swash Plate Assembly
46 TT-19216399000 Kit, Thrust Bearing (Pump)
47 TT-1A646029010 Magnet Holder
Ref. Part Number Description
49 T T-1A6 4 6 02 9911 Control Shaft
50 TT-168T2029920 Fulcrum
51 TT-168T2029800 Torsion Spring, Standard
52 TT-1A646029740 Control Arm A
53 TT-1A646029400 Control Lever F
54 TT-168T2029360 Jerky Plate
55 TT-22137120000 Washer 12
56 TT-1A646029940 Cotter Pin 1/8" x 3/4"
57 TT-22351060036 Spring Pin 6 x 36
58 TT-22351060040 Roll Pin 6 x 40
59 TT-24311000140 O-Ring P14
60 TT-26776120002 Nut 12
61 TT-1A646031570 Di Gear Kit
62 TT-1A646033520 Final Gear (54T)
63 TT-1A646033250 Final Pinion Collar
64 TT-1A646033410 Reduction Shaft
65 TT-19216833420 Washer 12 x 32 x 3.2
66 TT-1A646033450 Reduction Gear (37T)
67 TT-168T2033540 Final Pinion Gear (10T)
68 TT-1A646034370 Axle Shaft, Left
69 TT-1A646034380 Axle Shaft, Right
70 TT-19216334261 Thrust Washer
71 TT-19216834270 Ring 17
72 TT-19216334280 Seal 19 x 32 x 8
73 TT-19216834350 Bushing 19 x 25
74 TT-19216334240 Bushing 19.05
75 TT-1A646036121 Brake Shoe
76 TT-1A646036160 Brake Lever
77 TT-1A646036171 Brake Shaft
78 TT-168T2036180 Brake Return Spring
79 TT-1A646036200 Brake Actuator
80 TT-22351050032 Spring Pin 5 x 32
81 TT-24311000120 O-Ring 1A P12
82 TT-22351040016 Spring Pin 4 x 16
83 TT-1A646025300 Spline Collar
84 TT-1A646025760 Pulley B
85 TT-1A646083070 Fan, Black
90 TT-22351030020 Spring Pin 3.0A x 20
91 TT-1A646024440 Oil Seal 16 x 22 x 03
Continued on next page

24
Hydrostatic Transmission (Tuff-Torq 918-05010)
Ref. Part Number Description
95 TT-22351030016 Spring Pin 3.0A x 16
96 TT-22351035040 Roll Pin 3.5 x 40
99 N/A Sealant
114 T T-1A646083090 Bolt
115 TT-1A646083100 Lock Washer
116 T T-1A6 4 6 0 83110 Washer
120 TT-1A646099980 Pump Shaft/Bearing Kit
200 TT-1A646099140 Kit,Seal Incl. 19, 20, 26, 30, 59, 72,
81, 91 & 99
201 TT-1A646099600 Repair Kit, Incl. 24, 31, 38 & 200

25
10
3
9
2
For chokeStarter nut
56
4
7
3
12
8
11
13
1
14
15
17
16
18
Engine Accessories
Ref. Part Number Description
1. 683-04549 Shield Ass’y, Muer
2. 710-0227 Screw, Ab, #8-18, 0.500,
3. 710-0599 Screw, Self-tapping, 1/4-20, 0.500,
4. 710-04683A Screw, Self-tapping, 3/8-16, 1.0 Koh.
710-1315 Screw, Self-tapping, 3/8-16, 1.25 Kaw.
5. 712-0271 Nut, Sems, 1/4-20
6. 912-3005 Nut, Flange Lock, 3/8-16 Kaw.
7. 725-0157 Cable, Tie, 3/16 x .05 x 7.4
8. 726-0205 Clamp, Hose, .490 Dia.
9. 728-04000† Rivet, Pop, .188 Dia x .300
Ref. Part Number Description
10. 751-3141-14 Hose, Extension, Oil Drain
11. 751-0564B Deector, Muer Koh.
12. 751-10349 Hose, Fuel, Low Permeation, 1/4
13. 751-11053A Deector, Muer, Long
14. 751-10528A Muer, Kohler
751-11471A Muer, Kawasaki Twin
15. 951-10517A Drain, Oil Koh.
16. KH-24-041-49 -S Gasket, Exhaust, Koh.
17. 710 -1314A Screw, Sokt Head, 5/16-18, .750 Koh.
18. 751-12089 -28 Hose, Vent
† If Equipped

26
LTX 1050KW Labels
777I23490
777I23765
777I23150
777X46551
777I23133
777I23295
777S35012
777S30503
777I23293
777D16882
777D16883
777D16533
777D1526 777
9D
15268
777S33185
777D15400 777X45529
777D16298
i23765
MTD CONSUMER GROUP INC.
This equipment meets U.S. EPA EVP
regulations for 2012 model year.
EVP Family: CMTDPNHEQNC1
EMISSION CONTROL INFORMATION
X45529
777D15338
LTX 1050 KW
HYDROSTATI C
•V-T WIN •
LTX 1050 KW
HYDROSTATIC
•V-T WIN •
•KEEP HANDS AND FEET AWAY FROM ROTATING PARTS.
•REMOVE OBJECTS THAT CAN BE THROWN BY THE BLADE IN ANY
DIRECTION. WEAR SAFETY GLASSES.
•DO NOT MOW WHEN CHILDREN OR OTHERS ARE AROUND.
NEVER CARRY CHILDREN EVEN WITH BLADES OFF.
•USE EXTRA CAUTION ON SLOPES. DO NOT MOW SLOPES GREATER
THAN 15˚. MOW UP AND DOWN NOT ACROSS. AVOID SUDDEN TURNS, USE LOW SPEED.
READ OPERATOR'S MANUAL. KEEP SAFETY DEVICES IN PLACE AND WORKING.
AVOID SERIOUS INJURY OR DEAT H
S35012
Oil Filter KM-49065-7007
Air Filter KM-11013-7049
Spark Plug KM-BPR4ES
Fuel Filter KM-49019-0707
Oil Capacity 70.4 oz
Blades 942-04053C (3)
Lower Drive Belt 954-04297
Engine To Deck Belt 954-04240
Deck Spindles
918-05016
Ignition Key 925-2054A
Solenoid 725-04439
Use only Cub Cadet genuine factory parts
www.cubcadet.com
MODEL
LTX 1050KW
REPLACEMENT PARTS
X46551
777X46245
MTD CONSUMER GROUP INC.
This equipment meets U.S. EPA EVP
regulations for 2013 model year.
EVP Family: DMTDPNHEQRP1
EMISSION CONTROL INFORMATION
X46245
®

27
LTX 1050 Labels
777I23490
777I23132
777I23150
777X44920
Blades 942-04053C (3)
Lower Drive Belt 954-04207
Engine To Deck Belt 954-04240
Deck Spindles 918-05016
Ignition Key 925-2054A
Solenoid 725-04439
Use only Cub Cadet genuine factory parts
www.cubcadet.com
Oil Filter KH-12-050-01-S
Air Filter
KH-32-883-03-S1
Spark Plug 759-3336
Fuel Filter
KH-25-050-22-S1
Oil Capacity 57.6 oz
MODEL
LTX 1050
REPLACEMENT PARTS
777I23133
777I23294
777S35012
777S30503
777I23293
777D15418
777D15417
50
V-TWIN • HYDROSTATIC
50
V-TWIN • HYDROSTATIC
777D1526 77
97
D15268
777S33233
777D15400 777X45529
MTD CONSUMER GROUP INC.
This equipment meets U.S. EPA EVP
regulations for 2012 model year.
EVP Family: CMTDPNHEQNC1
EMISSION CONTROL INFORMATION
X45529
777D16533 777D16298
777D15338
•KEEP HANDS AND FEET AWAY FROM ROTATING PARTS.
•REMOVE OBJECTS THAT CAN BE THROWN BY THE BLADE IN ANY
DIRECTION. WEAR SAFETY GLASSES.
•DO NOT MOW WHEN CHILDREN OR OTHERS ARE AROUND.
NEVER CARRY CHILDREN EVEN WITH BLADES OFF.
•USE EXTRA CAUTION ON SLOPES. DO NOT MOW SLOPES GREATER
THAN 15 MOW UP AND DOWN NOT ACROSS. AVOID SUDDEN TURNS, USE LOW SPEED.
READ OPERATOR'S MANUAL. KEEP SAFETY DEVICES IN PLACE AND WORKING.
AVOID SERIOUS INJURY OR DEAT H
S35012
777X46245
MTD CONSUMER GROUP INC.
This equipment meets U.S. EPA EVP
regulations for 2013 model year.
EVP Family: DMTDPNHEQRP1
EMISSION CONTROL INFORMATION
X46245
®

28
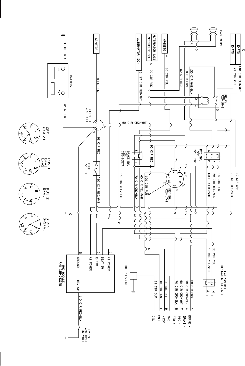
LTX 1050/KW Electrical Schematic

29Notes

30
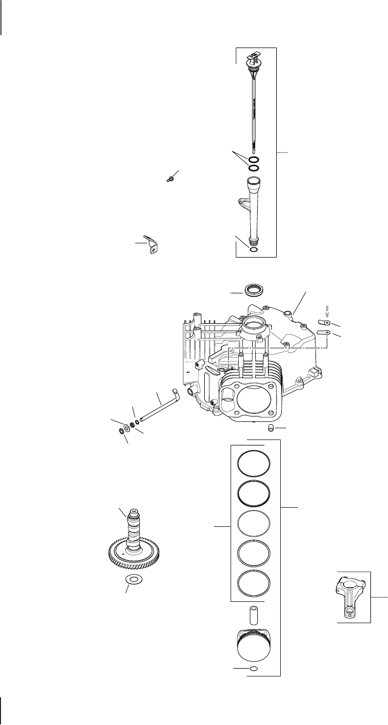
Kohler SV725-3021 Crankcase
7
20
6
19
5
18
14
9
12
3
21
4
8
10
11
15
13
17
16
1
2

31
Kohler SV725-3021 Crankcase
Ref. Part Number Description
1KH-12-402-02 Breather Reed
2KH-24-018-04-S Breather Reed Retainer
3KH-24-380-16-S Locating Pin
4KH-24-032-19-S Oil Seal, 1.78 x 1.26
5KH-12-422-07-S Camshaft Shim, .028 (White)
—KH-12-422-08-S Camshaft Shim, .03 (Blue)
—KH-12-422-09-S Camshaft Shim, .032 (Red)
—KH-12-422-10-S Camshaft Shim, .034 (Yellow)
—KH-12-422-11-S Camshaft Shim, .036 (Green)
—KH-12-422-12-S Camshaft Shim, .038 (Gray)
—KH-12-422-13-S Camshaft Shim, .04 (Black)
6KH-24-018-01-S Piston Pin Retainer
7KH-24-067-30-S Connecting Rod (STD)
8KH-24-018-09-S Ring Retainer
9KH-24-468-15-S Flat Washer, ⁄
10 KH-28-032-09-S Governor Cross Shaft Seal
11 KH-24-144-38-S Governor Cross Shaft
12 KH-24-126-19 Oil Fill Tube Bracket
13 KH-M-545013-S Flange Screw, M5 x .8 x 13
14 KH-M-931010-S Flat Washer, 9mm
15 KH-32-755-04-S Dipstick & Tube Kit
—KH-32-038-08-S Dipstick
—KH-32-123-11-S Tube
16 KH-25-153- 09 -S O-Ring
17 KH-12-153- 01-S Lower Oil Fill Tube O-Ring
18 KH-32-010-05-S Camshaft Assembly
19 KH-25-874- 01-S Piston Kit w/ Ring
—KH-25-874- 03-S Piston Kit w/ Ring (0.25) 83mm
—KH-25-874- 02-S Piston Kit w/ Ring (0.08) 83mm
20 KH-24-108-14-S Ring Set, Piston STD
—KH-24-108-15-S Ring Set, Piston (.08)
—KH-24-108-16-S Ring Set, Piston (.25)
21 N/A Crankcase (Use Short Block)
NS KH-25-357-14-S Camshaft Lubricant

32
Kohler SV725-3021 Head/Valve/Breather
24
17
1
32
27
2
4
5
3
33
13
21
23
14
18
20
12
35
22
28
29
11
26
8
9
6
10
7
15
16
19
25
27
1
32
28
31
30
34

33
Ref. Part Number Description
1KH-12-755- 03 Retainer Kit
2K H -2 35011-S Spring Retainer
3KH-66-032-05-S Valve Stem Seal
4KH-24-016-01 Exhaust Valve (STD)
5KH-24-017-01 Intake Valve (STD)
6KH-32-326-06-S Breather Hose Kit (Inc. #7)
7KH-25-237-31-S Hose Clamp, ⁄
8KH-32-081-02-S Breather Housing Kit (Inc. #9 & 10)
9KH-M-547050-S Lock Nut, M5 x .8
10 KH-32-468-01-S Sealing Washer
11 KH-32-072-03-S Breather Cover Stud
12 KH-32-019-02-S Tappet
13 KH-32-841-02-S Cylinder Head Gasket Kit
14 KH-62-086-08-S Flange Screw, M10 x 1.5 x 90
15 KH-M-645016-S Flange Screw, M6 x 1.0 x 16
16 KH-32-096-04-S Breather Cover Kit
17 KH-32-318-13-S #1 Cylinder Head Assembly Kit (Inc.
Exhaust Mounting Hardware)
18 KH-32-318-14-S #2 Cylinder Head Assembly Kit (Inc.
Exhaust Mounting Hardware)
Kohler SV725-3021 Head/Valve/Breather
Ref. Part Number Description
19 KH-32-146- 09-S Guide Plate
20 KH-32-072-04-S Rocker Stud
21 KH-32-186-03-S Rocker Arm
22 KH-32-100- 05-S Hex Nut Assembly
23 KH-25-599-01-S Rocker Arm Pivot
24 K H -32- 411- 0 4 - S Push Rod
25 KH-32-326-07-S Fuel Pump Hose w/ Clamp Kit
26 KH-32-050-05-S Breather Filter
27 KH-32-089-05-S Valve Spring
28 KH-25- 086-374 -S Pan Head Screw
29 KH-25-237-01-S Hose Clamp
30 KH-25-096-10-S Rocker Stamped Steel Cover
31 KH-25-096-09-S Rocker Stamped Steel Cover
32 KH-25-173-28-S Valve Spring Cap
33 KH-25-445-03-S Lifting Strap
34 KH-32-041-01-S Breather Cover
35 KH-25-086-168-S Set Screw
NS KH-32-755-03-S Cylinder Head Hardware Kit (Inc.
#1-5, 19-22, 23-24)

34
Kohler SV725-3021 Oil Pan/Lubrication
Ref. Part Number Description
1KH -24- 086-17-S Flange Screw, M8 x 1.25 x 45
2KH-25-032-06-S Oil Seal, 2.38 x 1.45
3KH-25-139 -57-S Square Head Pipe Plug, ⁄
4KH-12-144-02 Governor Gear Shaft
5KH-12-380- 01 Governor Regulating Pin
6KH-24 -153-01 Oil Pick-Up O-Ring
7KH-24-448-02-S Locking Tab
8KH-12-050-01-S Oil Filter
9KH-32-123- 01-S Oil Feed Tube (Filter to Pan)
10 KH-32-123- 09-S Oil Feed Tube Assembly
Ref. Part Number Description
11 KH-32-136 - 05-S Oil Filter Nipple
12 KH-32-468-02-S Flat Washer
13 KH-32-123- 06 -S Oil Feed Tube
14 KH-32-153-05-S O-Ring
15 KH-32-086-01-S Screw, M6 x 6.5
16 KH-25-139 - 60-S Pipe Plug, ⁄
NS KH-32-199-14-S Oil Pan Assembly
NS KH-32-310-02-S Governor Gear Kit
NS KH-32-393-16-S Oil Pump Assembly
1
8
3
15
19
2
9
12
13
14
11
6
17
16
10
18
5
7
4

35
Ref. Part Number Description
1KH-52-139-09-S Cup Plug
2KH-32-014-313-S Crankshaft
3KH-X- 43-1-S Key, 1/8 x 1/2
2
1
3
Kohler SV725-3021 Crankshaft

36
Kohler SV725-3021 Ignition/Electrical
1
13
3
2
11
12
7
9
10
8
4
6
5

37
Ref. Part Number Description
1759-3336 Spark Plug
2KH-237878 15 Amp Stator Kit (Inc. KH-25-452-01-S)
3KH-M-548025-S Screw, M5 x 0.8 x 25
4KH-25-086-361-S Hex Flange Screw
5KH-25-340-04-S Square Key
6KH-25-468-09-S Flat Washer
7KH-32-025-16-S Flywheel Assembly
8KH-20-146-05-S Fan Mounting Plate
9KH-32-157- 01-S Fan
10 KH-32-162-03-S Grass Screen
11 KH-24-584-45-S Module Ignition Kit
12 KH-M-545020-S Flange Screw, M5 x .8 x 20
13 KH-25-155-41-S Connector
NS KH-25-454-03-S Wire Tie
NS KH-25-454-05-S Tie
NS KH-32-176-24-S Wiring Harness
Kohler SV725-3021 Ignition/Electrical

38
Kohler SV725-3021 Blower Housing & Baffles
11
2
1
3
6
4
9
5
4
13
7
4
3
10
8
8
12
3
13
Ref. Part Number Description
1KH-32-027-03-S Blower Housing Kit (Fixed Guard)
(Inc. KH-41-037-10-S)
2KH-32-096-08-S Air Cleaner Cover
3KH-M-545016-S Flange Screw, M5 x .8 x 16
4KH-M-645016-S Flange Screw, M6 x 1.0 x 16
5KH-32-146-05-S Backing Plate Kit
6KH-32-063-12-S Cylinder Barrel Bae, #2 Side
7KH-24-063-94-S Valley Bae, #2 Cylinder
8KH-M-0545010 Flange Screw, M5 x .8 x 10
9KH-24-063-93-S Valley Bae, #1 Cylinder
10 KH-32-063-10-S Cylinder Barrel Bae, #1 Side
11 KH-24 - 086 -12 Tap Screw, M6 x 1.7 x 18
12 KH-41-403-10-S Regulator/Rectier
13 KH-25- 086-158-S Screw, M6 x 1.0 x 10
NS KH- 41-037-10-S Service Nameplate

39
4
2
2
11
5
6
10
21 19
18
14
1
13
3
9
7
8
24
15
16
17
25
26
20
12
22
23
Kohler SV725-3021 Engine Controls
Ref. Part-Number Description
1KH-24-089-03 Choke Return Spring
2KH-24-112-27-S Spacer
3KH-32-126-04-S Control Bracket
4KH-24-468-01 Flat Washer, 5.5mm
5KH-25- 086-151-S Screw, M5 x 0.8 x 25mm
6KH-32-089-03-S Speed Control Spring
7KH-32-090-07-S Governor Spring Lever
8KH-32-090-08-S Speed Control Lever
9KH-32-090-09-S Speed Setting Lever
10 KH-32-090-12-S Choke Lever
11 KH-41-468-03 Spring Washer, ⁄
12 KH-M-545016-S Flange Screw, M5 x .8 x 16
13 KH-M-547050-S Lock Nut, M5 x 8
Ref. Part-Number Description
14 KH-M-645016-S Flange Screw, M6 x 1.0 x 16
15 KH-24-211-03-S Bolt, M6 x 1.0 x 25
16 KH-24-090-51-S Governor Lever
17 KH-M-641060-S Flange Nut, M6 x 1.0
18 KH-12-237- 01 Cable Clamp
19 KH-24-086-43-S Screw, M5 x .8 x 16
20 KH-24-089-01 Linkage Spring
21 KH-24-079-22-S Choke Linkage
22 KH-24-089-55-S Governor Spring
23 KH-24-089-25-S Governor Spring
24 KH-24-079-04 Throttle Linkage
25 KH-25-158-08 Linkage Retaining Bushing
26 KH-25-158-11 Throttle Linkage Bushing

40
Kohler SV725-3021 Air Intake/Filtration
9
1
4
78
3
2
6
5
11
12
10
Ref. Part Number Description
1KH-24-041-14 Air Cleaner Base Gasket
2KH-32-344-02-S Air Cleaner Element Latch
3KH-32-883-03-S1 Air Filter Element
4KH-24-164-91-S Intake Manifold Kit
5KH-M-651040-S Screw, M6 x 1.0 x 40
6KH-25-139 - 60-S Pipe Plug, 1/8
7KH-24-041-52-S Carburetor Gasket
8KH-24-153-27-S O-Ring, Intake Port
9KH-32-094-08-S Air Cleaner Base
10 KH-25-326-08-S Evaporative Hose, 20”
11 KH-25-173-33-S Masking Cap
12 KH-25-155-51-S Evaporative Connector

41
Kohler SV725-3021 Fuel System
Ref. Part-Number Description
1KH-32-853-28-S Carburetor Kit
2KH-M-629105-S Stud, M6 x 1.0 x 106
3KH-M-641060-S Flange Nut, M6 x 1.0
4KH-47-154- 01-S Cable Clip
5KH-24 - 086 -12 Screw, M6 x 1.7 x 18
6KH-24-393-16 Fuel Pump
7K H -2 5 -111- 81- S Fuel Line
8KH-25-237-31-S Hose Clamp, ⁄
9KH-25-050-22-S1 Fuel Filter
10 KH-24-041-52-S Carburetor Gasket
11 KH-24-041-14 Air Cleaner Base Gasket
7
5
8
8
8
8
6
9
2
3
1
10
11
4
7

42
2
1
Ref. Part Number Description
1KH-32-098-04-S Starter Assembly
2KH-M-851080-S Flange Screw, M8 x 1.25 x 80
—KH-12-243- 04-S Brush Assembly
—KH-32-211-01-S Thru Bolt
—KH-32-227-01-S End Cap
Kohler SV725-3021 Starting System

43
Kohler SV725-3021 Miscellaneous
Ref. Part Number Description
1K H -2 5 -113 - 39 -S Clear Laminate Decal
2KH-32-113-39-S Decal, 24 HP
2
1

44
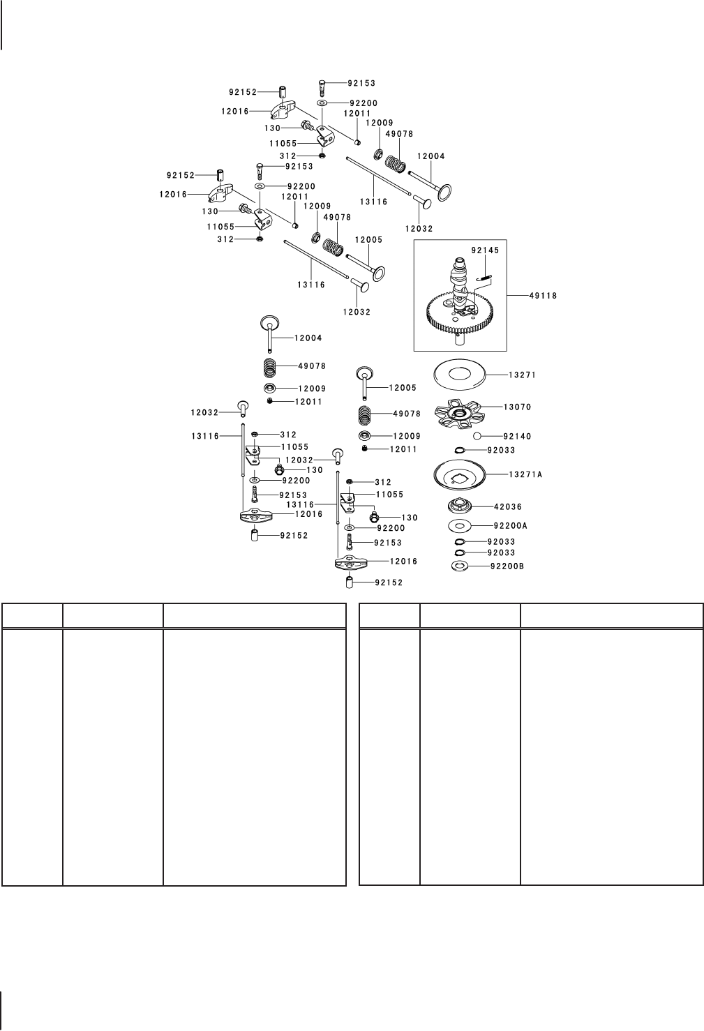
Kawasaki FR691V-AS17 Valve/Camshaft
Ref. Part Number Description
11055 KM-11055-7009 Bracket
12004 KM-12004-7008 Intake Valve
12005 KM-12005-7009 Exhaust Valve
12009 KM-12009-7001 Valvespring Retainer
12011 KM-12011-2056 Collet
12016 KM-12016-2066 Rocker Arm
12032 KM-12032-7001 Tappet
13070 KM-13070-7017 Governor Guide
13116 KM-13116-7007 Push Rod
13271 KM-13271-7007 Plate
13271A KM-13271-7021 Governor Plate
42036 KM-42036-7021 Sleeve
Ref. Part Number Description
49078 KM-49078-7002 Engine Valve Spring, IN
49118 KM-49118-7022 Complete Camshaft
92033 KM-92033-7001 Snap Ring
92140 KM-92140-7005 Ball
92145 KM-92145-7001 Spring
92152 KM-92152-7020 Collar
92153 KM-92153-7100 Bolt, 6 X 29.5
92200 KM-92200-2151 Washer, 8.1 X 18 X 0.5
92200A KM-92200-7009 Washer, 16 X 42 X 0.91
92200B KM-92200-7048 Washer, 16.3 X 30 X 2.28
130 KM-130AA0814 Flanged Bolt, 8 X 14
312 KM-312AA0600 Hex Nut, 6mm

45
Ref. Part Number Description
13001 KM-13001-7027 Engine Piston
13002 KM-13002-0704 Piston Pin
13008 KM-13008-7005 Piston Ring Set
13025 KM-13025-7009 Piston Ring Set, L ,0.5
13029 KM-13029-7010 Engine Piston, L, 0.5
13031 KM-13031-0747 Complete Crankshaft
13031A KM-13031-7084 Complete Crankshaft
13251 KM-13251-7025 Connecting Rod Assembly
92033 KM-92033-7018 Snap Ring
92151 KM-92151-7017 Bolt, 6 X 35
Kawasaki FR691V-AS17 Piston/Crankshaft

46
Kawasaki FR691V-AS17 Cylinder/Crankcase

47
Kawasaki FR691V-AS17 Cylinder/Crankcase
Ref. Part Number Description
110 0 4 KM-11004-7026 Head Gasket
110 0 8 KM-11008-7039 Complete Cylinder Head, #1
110 0 8A KM-11008-7040 Compete Cylinder Head, #2
11022 KM-11022-0710 Rocker Case, #1
11022A KM-11022-7020 Rocker Case, #2
110 61 KM-11061-7083 Rocker Case Gasket
110 61A KM-11061-7094 Breather Gasket
13272 KM-13272-1374 Breather Plate
14091 KM-14091-7064 Breather Cover
16126 KM-16126-7020 Breather Valve
32154 KM-32154-7019 Pipe
32155 KM-32155-7003 Breather Pipe
49015 KM-49015-7106 Crankcase Cover
49120 KM-49120-0733 Complete Crankcase
59071 KM-59071-7025 Joint
92004 KM-92004-7024 Stud, 8x30
92043 KM-92043-1263 Pin
92049 KM-92049-7001 Oil Seal, RVC 26 x 11 x 10.2
92049A KM-92049-7019 Oil Seal, SO 8 x 14 x 5 HS
92049B KM-92049-7010 Oil Seal, SD 35 x 48 x 8 RHS
92049C KM-92049-7019 Oil Seal, 8 x 14 x 5 HS
92049D KM-92049-7028 Oil Seal, 38 x 62 x 8 MTCLV
92066 KM-92066-7023 Plug
92066A KM-92066-7026 Plug
92104 KM-92104-7001 Gasket, TB1217H
92153 KM-92153-7043 Bolt, 6 x 12
92153A KM-92153-7054 Bolt, 8 x 50
130 KM-130AA0625 Flanged Bolt, 6 x 25
130A KM-130CA1050 Flanged Bolt, 10 x 50
130B KM-130CA1065 Flanged Bolt, 10 x 65
214 KM-214AA0408 Pan Screw +-, 4 x 8
670 KM-670B2011 O - R i n g, 11mm

48
Kawasaki FR691V-AS17 Cooling Equipment
Ref. Part Number Description
13070 KM-13070-7019 Cooling Air Guide
13272 KM-13272-7006 Fan Plate
14037 KM-14037-70089H Screen
23062 KM-23062-7022 Complete Bracket
49089 KM-49089-7079 Engine Shroud
49089A KM-49089-7080 Engine Shroud
59041 KM-59041-7014 Fan
59066 KM-59066-7052 Fan Housing
92009 KM-92009-2303 Screw
92026 KM-92026-7007 Spacer
92151 KM-92151-7012 Bolt, 6 X 12
92153 KM-92153-7007 Bolt
92153A KM-92153-7043 Bolt, 6 X 12

49
Ref. Part Number Description
13272 KM-13272-7011 Rotor Plate
14075 KM-14075-7013 Oil Gauge Cap Assembly
16154 KM-16154-7010 Outer Pump Rotor
16154A KM-16154-7011 Inner Pump Rotor
49065 KM-49065-7006 Oil Filter
49065A KM-49065-7007 Oil Filter
49116 KM-49116-7001 Valve Assembly
59071 KM-59071-7008 Joint
59231 KM-59231-0712 Filler
Kawasaki FR691V-AS17 Lubrication Equipment
Ref. Part Number Description
92055 KM-92055-7002 O-Ring, 6MM
92066 KM-92066-7007 Plug
92140 KM-92140-7003 Ball
92145 KM-92145-7002 Spring
92153 KM-92153-7008 Bolt
92153A KM-92153-7043 Bolt, 6 X 12
92210 KM-92210-7012 Nut, M22
555 KM-555A0420 Spring Pin, 4 X 20
670 KM-670D2016 O-Ring, 16mm

50
Kawasaki FR691V-AS17 Control Equipment
Ref. Part Number Description
13107 KM-13107-7047 Shaft
13271 KM-13271-7038 Plate
16171 KM-16171-7022 Link
39129 KM-39129-7035 Governor Spring
49103 KM-49103-7014 Governor Arm
49103A KM-49103-7015 Governor Arm
49113 KM-49113-0727 Complete Control Panel
92145 KM-92145-7057 Spring
92145A KM-92145-7058 Spring
92150 KM-92150-2182 Bolt, 5 X 18
Ref. Part Number Description
92153 KM-92153-0009 Bolt, 6 X 12
92153A KM-92153-7033 Bolt, 6 X 35
92153B KM-92153-7043 Bolt, 6 X 12
92170 KM-92170-7001 Clamp
92172 KM-92172-0792 Screw, 5 X 35
214 KM-214AA0408 Pan Screw +-, 4 X 8
311 KM-311AA0600 Hex Nut, 6mm
312 KM-312AA0500 Hex Nut, 5mm
411 KM-411AA0600 Plain Washer, 6mm

51
Ref. Part Number Description
13272 KM-13272-7012 Plate
21066 KM-21066-7017 Voltage Regulator
21171 K M -21171- 0 711 Ignition Coil Assembly
21193 KM-21193-7038 Flywheel Assembly
26 011 KM-26011-7025 Lead Wire, L = 95
26031 KM-26031-7040 Harness
26031A KM-26031-7041 Harness
26031B KM-26031-7044 Harness
59031 KM-59031-7017 Charging Coil
92009 KM-92009-2303 Screw
Ref. Part Number Description
92009A KM-92009-2308 Screw
92066 KM-92066-7026 Plug
92070 KM-BPR4ES Spark Plug
92072 KM-92072-7003 Band
92154 KM-92154-7003 Bolt, 12 X 30
92171 KM-92171-7008 Clamp
92172 KM-92172-7018 Screw, 5 X 20
92200 KM-92200-7002 Washer
130 KM-130AA0620 Flanged Bolt, 6 X 20
510 KM-510A5100 Woodru Key
Kawasaki FR691V-AS17 Electric Equipment

52
Kawasaki FR691V-AS17 Air Filter/Muffler
Ref. Part Number Description
11011 K M -11011 -7 06 5 Air Filter Case
11013 KM-11013-7049 Air Filter Element
110 60 KM-11060-7016 Muer Gasket
110 61 KM-11061-7086 Carburetor/Pipe Intake Gasket
16060 KM-16060-7038 Intake Pipe
42036 KM-42036-7022 Breather Sleeve
92009 KM-92009-2303 Screw
92015 KM-92015-1367 Nut
92066 KM-92066-0095 Plug
Ref. Part Number Description
92170 KM-92170-2042 Clamp
92173 KM-92173-7003 Clamp
92173A KM-92173-7007 Clamp
92173B KM-92173-7007 Clamp
92192 KM-92192-7146 Tube, 12.6 X 18.6 X 118
92192A KM-92192-7165 Air Filter Tube
92210 KM-92210-7027 Nut, M8
461 KM-461DA0800 Spring Washer, 8mm

53
Ref. Part Number Description
110 61 KM-11061-7009 Chamber Gasket
110 61A KM-11061-7010 Screw Gasket
110 61B KM-11061-7087 Insulator Gasket
110 61C KM-11061-7088 Insulator/Manifold Gasket
110 61D KM-11061-7093 Manifold Gasket
13107 KM-13107-7018 Shaft
15004 KM-15004-7063 Carburetor Assembly
16014 KM-16014-7010 Pilot Air Screw
16020 KM-16020-7003 Float Chamber
16025 KM-16025-7017 Throttle Valve
16030 KM-16030-7003 Float Valve
16031 KM-16031-7002 Float
16041 KM-16041-7050 Choke Carburetor Shaft
16041A KM-16041-7051 Throttle Carburetor Shaft
16073 KM-16073-7013 Insulator
16186 KM-16186-7006 Choke Valve Assembly
21188 KM-21188-7002 Solenoid
Ref. Part Number Description
39074 KM-39074-7001 Throttle Lever Assembly
49121 KM-49121-7018 Main Nozzle
59076 KM-59076-7019 Intake Manifold
92009 KM-92009-2083 Screw
92009A KM-92009-2349 Screw
92009B KM-92009-2402 Screw
92063 KM-92063-7141 Main Jet, #122
92063A KM-92063-7142 Main Jet, #124
92063B KM-92063-7149 Main Jet, #120
92066 KM-92066-7032 Plug
92081 KM-92081-2234 Spring
92093 KM-92093-2100 Seal
92093A KM-92093-7003 Seal
92145 KM-92145-2122 Spring
130 KM-130AA0630 Flanged Bolt, 6 X 30
172 KM-172BA06115 Stud Bolt, 6 X 115
Kawasaki FR691V-AS17 Carburetor

54
Kawasaki FR691V-AS17 Starter
Ref. Part Number Description
14020 KM-14020-7002 Retainer
16146 KM-16146-7027 Cover Assembly
16146A KM-16146-7030 Cover Assembly
21080 KM-21080-0003 Armature
21163 KM-21163-0714 Electric Starter
27012 KM-27012-7008 Hook
39108 KM-39108-0552 Spring Retainer
59051 KM-59051-7034 Spur Gear
92093 KM-92093-7007 Seal
92145 KM-92145-7060 Spring
92154 KM-92154-7001 Bolt
92210 KM-92210-7017 Nut
130 KM-130AA0840 Flanged Bolt, 8 X 40

55
Ref. Part Number Description
42036 KM-42036-7015 Sleeve
49019 KM-49019-0707 Fuel Filter
49040 KM-49040-7008 Fuel Pump
92009 KM-92009-2303 Screw
92170 KM-92170-2009 Clamp
92171 KM-92171-7005 Clamp
92192 KM-92192-7148 Tube, 6.4 X 12.7 X 150
92192A KM-92192-7172 Tube, 6.35 X 12.7 X 185
92192B KM-92192-7188 Tube, 6.35 X 12.7 X 390
Kawasaki FR691V-AS17 Fuel Tank/Fuel Valve

56
Ref. Part Number Description
56033 KM-56033-7001 Manual Label
56071 KM-56071-0216 Warning Label
56080 KM-56080-0815 Brand Label
Kawasaki FR691V-AS17 Engine Labels

Notes
57

58 Notes

59Notes

CUB CADET LLC, P.O. BOX 361131 CLEVELAND, OHIO 44136-0019
G
E
N
U
I
N
E
F
A
C
T
O
R
Y
P
A
R
T
S
To order replacement parts, call a Customer Support Representative at (800) 965-4CUB.
Locate your nearest Cub Cadet dealer at (877) 282-8684
or visit www.cubcadet.com to find the nearest Cub Cadet dealer in your area.