Cub Cadet Time Saver Parts Manual
Time Saver 12AE764N710_CC760ES_Pa_07
Time Saver to the manual 28f0dde5-ca38-4e2f-bbb6-b271d0fc8e90
2015-01-05
: Cub-Cadet Cub-Cadet-Time-Saver-Parts-Manual-163915 cub-cadet-time-saver-parts-manual-163915 cub-cadet pdf
Open the PDF directly: View PDF
.
Page Count: 16

PARTS MANUAL
PRINTED IN U.S.A. CUB CADET LLC, P.O. BOX 361131 CLEVELAND, OHIO 44136-0019 1/29/2007
FORM NO. 769-03049
1-800-965-4CUB
www.cubcadet.com
G
E
N
U
I
N
E
F
A
C
T
O
R
Y
P
A
R
T
S
Time Saver™
Wide Cut Mower

2
12AE764
B
B
C
C
1
2
3
4
4
4
5
6
6
7
7
8
9
10
10
11
11
12
12
13
17
14 15
16
18
19
20
21
21
22
23
24
25
26
27
28
4
4
30
31
32
33
34
35
36
37
38
39
40
41
42
42
43
44
45
45
46
46
A
A
47
48
49
50
50
51
52
53
7
54
55
56
7
57
58
59
60
61
62
63
64
65
66
67
68
69
70
71
72
73
77

3
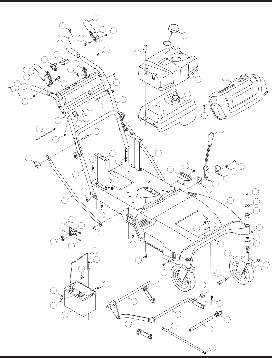
Ref. Part No. Description
1 687-02277 Lever Assembly: LH
2 687-02278 Lever Assembly: RH
3 710-0449 Screw, Carriage: 5/16-18 x 2.25
4 710-0599 Screw, TT: 1/4-20 x 0.500
5 710-0606 Screw, HH Cap: 1/4-20 x 1.50
6 712-04063 Nut, Flange Lock: 5/16-18
7 712-0442 Nut, Lock Cap: 1/4-20
8 720-0274 Grip: 1.0 ID x 5.0 Lg
9 720-04072 Star Knob 5/16-18
10 731-0473 Handle Grip
11 738-0140 Screw, Shoulder: .435 x .178-5/16
12 738-1226 Screw, Shoulder: .375 x 1.355: 1/4-20
13 746-04343 Cable, Clutch Wheel
14 746-04344 Cable, Brake, Transmission: RH
15 746-04346 Cable, Clutch Deck
16 746-04355 Cable, Throttle/Choke: 38 x 1.1 Ext
17 746-04361 Cable, Brake, Transmission: LH
18 749-04330 Lower Handle
19 749-04331 Upper Handle: LH
20 749-04332 Upper Handle: RH
21 749-04333 Brace Tube
22 787-01548 Handle Panel
23 787-01490 Cable Mount Bracket: RH
787-01491 Cable Mount Bracket: LH
24 687-02255 Frame Assembly
25 687-02263 Caster Wheel Bracket Assembly
26 687-02264 Deck Lift Assembly: RR
27 687-02265 Deck Lift Assembly: Front
28 710-0627 Screw, HH Cap: 5/16-24 x .750
29 710-04187 Screw, HL: 1/4-50 x .50
30 710-04312 Screw, HH Cap: 5/16-18 x .50
31 712-04065 Nut, Flange Lock: 3/8-16
32 714-0145 Click Pin: .092 x 1.64
33 720-0311 Handle Grip 1/2
34 731-05684 Belt Cover 33 Wide Cut Mower
35 731-05791 Snap Spacer: .63 ID x .75 LG
36 732-04418 Deck Height Lever
37 736-0242 Washer, Bell: .340 x .872 x .060
38 736-0343 Washer, Flat: .330 x 1.25 x .120
Ref. Part No. Description
39 736-0351 Washer, Flat: .760 ID x 1.50 OD
40 737-3000 Lube Fitting: 3/16: LNC#70
41 738-04216A Bolt, Shoulder: .625 x 2.515 x 3/8-16
42 741-0660A Flange Bearing: .760 x .941 x 1.0
43 787-01496 Height Adjustment Bracket
44 787-01510 Link Pivot Bracket
45 787-01521 Lever Pivot Bracket
46 710-0604A Screw, TT: 5/16-18 x .625
47 738-04282 Screw, Shoulder: .32 x 1.8 x 1/4-20
48 751-10541 Fuel Tank, 2 Gal.
49 751-10514 Fuel Cap
50 787-01507 Fuel Tank Mounting Bracket
51 634-04345 Wheel Caster 8 x 1.75
52 710-1315 Screw, TT: 3/8-16 x 1.25
53 710-0136 Screw, HH Cap: 1/4-20 x 1.75
54 712-3006 Nut, Hex: 1/4-20
55 731-05937 Handle Panel
56 731-05927 Tank Cover
57 725-0157 Cable Tie
58 710-0642 Screw, TT: 1/4-20 x .75
59 710-0703 Screw, Carriage: 1/4-20 x .75
60 710-0271 Nut, Sems: 1/4-20
61 712-04064 Nut, Flange Lock: 1/4-20
62 712-3087 Wing Nut
63 725-04022B Hour Indicator Meter
64 725-04228 Key Switch
65 725-04439 Solenoid, 12V
66 725-1704A Battery
67 736-0222 Lock Washer
68 738-1132 Screw, Shoulder: .250 x .150 x 1/4-20
69 747-04657 Battery Hold Down
70 751-10349 Fuel Hose
71 726-0205 Hose Clamp
72 751-10517 Oil Drain
73 751-3141 Oil Drain Hose
74* 725-2054 Key, Ignition
75* 725-04476 Wiring Harness
76* 725-04478 Starter Wire
77 736-0463 Washer, Flat: .25 x .63 x .0515
* Not pictured
12AE764

4
1
2
3
4
5
6
7
8
9
10
11
11
12
12
12
13
13 12
14
15
16
17
18
19
20
21
22
23
24
25
26
27
28
29
30
32
31
33
34
35
36
37
38
13
39
40
41
42
43
71
45
45
7
7
46
47
11
49
12
14
14
14
14
12
A
A
50
51
52
53
54
55
56
57
58
59
60
61
62
63
64
65
66
67
68
69
70
12AE764

5
For a proper working machine, use Factory Approved Parts. V-belts are specially designed to engage and disengage safely. A substitute (non-OEM)
V-Belt can be dangerous by not disengaging completely.
Ref. No. Part No. Description
1 17840 Transaxle Bracket Mount
2 618-04452 Transmission 4-Speed
3 710-0176 Screw, HH Cap: 5/16-18 x 2.75”
4 710-0376 Screw, HH Cap: 5/16-18 x 1.00”
5 710-04377 Screw, HH Cap: 7/16-20 x 2.75”
6 710-0513 Screw, HH Cap: 1/4-28 x .625”
7 710-0520 Screw, HH Cap: 3/8-16 x 1.50”
8 710-1878 Screw, HH Cap: 3/8-16 x 1.75”
9 710-3008 Screw, HH Cap: 5/16-18 x .75”
10 710-3015 Screw, HH Cap: 1/4-20 x .75”
11 711-1000 Belt Keeper
12 712-04063 Nut, Flange Lock: 5/16-18
13 712-04064 Nut, Flange Lock: 1/4-20
14 712-04065 Nut, Flange Lock: 3/8-16
15 712-0700 Nut, Flange: 9/16-18
16 714-0145 Hairpin Clip: 092” x 1.64” Long
17 718-0758A Pulley Hub
18 720-0142 Grip
19 731-05766 Trailing Shield
20 732-04409 Extension Spring
21 732-04443 Extension Spring
22 736-0105 Washer, Spring: .401” x .870” x .063”
23 736-0322 Washer, Flat: 450” x 1.250” x .164”
24 736-0329 Washer, Lock: 1/4”
25 736-04256 Washer, Flat: .39” x .87” x .06”
26 738-04166 Spacer, Shoulder: .50” x .1475”
27 747-04635 Belt Keeper Rod
28 747-04673 Loop Link Coupling
29 747-04678 Trans Mount Rod
30 754-04145 Belt, V Type, Drive
31 756-04129 Idler Pulley: 4.25” Dia.
32 756-04258 Flat Sheave 7.75”
33 756-04260 Engine Pulley 3.20” x 4.35” Dia.
34 756-04280 Idler Pulley 3.50” Dia.
35 787-01469 Shift Rod, Lower
Ref. No. Part No. Description
36 787-01470 Shift Rod, Upper
37 787-01473 Belt Keeper
38 787-01523 Wheel Drive idler Bracket
39 618-04438 Drive Spindle Assembly
40 618-04439 Spacer Spindle Assembly
41 731-05938 Mulch Plug
42 687-02251 Idler Arm Assembly
43 687-02254 Deck Assembly 33-inch
44 710-0451 Bolt, Carriage: 5/16-18 x .75”
45 710-0514 Screw, HH Cap: 3/8-16 x 1.00”
46 710-3106A Screw, Carriage: 3/8-16 x 1.75”
47 710-1260A Screw, LD: 5/16-18 x .750”
48 710-3184 Screw, HH Cap: 3/8-16 x 2.00”
49 631-04244 Chute Deflector Assembly
50 712-0417A Nut, Flange: 5/8-18
51 712-0641 Nut, Hex
52 712-3017 Nut, Hex 3/8-16
53 732-04406 Extension Spring: Timing Belt Tension
54 732-04452 Extension Spring: Deck Brake
55 736-0760 Washer, Lock
56 738-0347 Spacer, Shoulder: .625” x .169”
57 738-04162A Spacer, Shoulder: .884” x .190”
58 742-04154 Blade: 17.9”
59 754-04136 Belt, Blade Timing
60 754-04139 Belt, V Type, Deck Engagement
61 756-04129 Idler Pulley 4.25”
62 756-04280 Idler Pulley 3.50”
63 756-0616 Idler Pulley V-Type 5.0”
64 787-01440 Idler Timing Bracket
65 721-04041 Water Nozzle Adapter
66 737-04003C Water Nozzle
67 634-04349 Wheel 16 x 4 x 8
68 736-0242 Washer, Bell: .340” x .872” x .060”
69 710-0627 Screw, HH Cap: 5/16-24 x .75”
70 710-1315 Screw, TT: 3/8-16 x 1.25”
71 710-1236 Screw, Carriage: 5/16-18 x 1.00”
12AE764

6
Briggs & Stratton 10.5 H.P. Engine 215707-0507-E1
718
3
1
2
691
552
10 11
584
9
1263
1264
29
32
27
28
26
27
25
43
45
46
741
146
16
24
524
1022
12
9
7
3
358 ENGINE GASKET SET
868
842
691
51
20 617
1266
22
15
1022
868
51
1095 VALVE GASKET SET
7
847 523
842
525
524
307
306
12
20
4
1266A
883

7
Briggs & Stratton 10.5 H.P. Engine 215707-0507-E1
51
53
54
617
45
383
337
635
1026
13
617
830
1034
1022
42
7
238 36
42
868
1029
33
534
192
50
35
654
1022
1023
914
1036 EMISSIONS LABEL
37
78
1070
363
1005
445
1267
305
305A
643
968
304
1044 1058 OPERATOR’S MANUAL
1330 REPAIR MANUAL
48 SHORT BLOCK
1329 REPLACEMENT ENGINE
23
37A
78A
883
1040

8
Briggs & Stratton 10.5 H.P. Engine 215707-0507-E1
104
105
51
634
95
130
127
108 117 118
1091
987
1127
240
187
601
613
81
613A
883
823
300
883
864
125
131
141
98
94
133
975
137
137
135
121 CARBURETOR OVERHAUL KIT
95
104
617
634
51
1266
1266A
987
137
977 CARBURETOR GASKET SET
51
137

9
Briggs & Stratton 10.5 H.P. Engine 215707-0507-E1
202
232 209
222
188
616
404
614
562
505
227
851
334
333
431
1266A
1266
216
521
356
359
507
520
373
267
265
621
802
579
1051
310
803
544
801
311
797
513
783
309
510
1090
697
729
474
877
1119

10
Briggs & Stratton 10.5 H.P. Engine 215707-0507-E1
Ref. No. Part No. Description
1 BS-699045 Cylinder Assembly
2 BS-399265 Kit-Bushing/Seal (Magneto Side)
3 BS-391086s • Seal-Oil (Magneto Side)
4 BS-697106 Sump-Engine
5 BS-792964 Head-Cylinder
7 BS-273280s •+ Gasket-Cylinder Head
9 BS-697109 • Gasket-Breather
10 BS-697157 Screw (Breather Assembly)
11 BS-697113 Tube-Breather
12 BS-697110 • Gasket-Crankcase
13 BS-690360 Screw (Cylinder Head)
15 BS-691680 Plug-Oil Drain
16 BS-698382 Crankshaft
20 BS-791892 • Seal-Oil (PTO Side)
22 BS-692125 Screw (Crankcase Cover)
23 BS-693557 Flywheel
24 BS-222698s Key-Flywheel
25 BS-698767 Piston Assembly (Standard)
BS-698769 Piston Assembly (.020” Oversize)
26 BS-698375 Ring Set (Standard)
BS-698377 Ring Set (.020” Oversize)
27 BS-698469 Lock-Piston Pin
28 BS-697099 Pin-Piston (Standard)
29 BS-791633 Rod-Connecting (Standard)
32 BS-791118 Screw (Connecting Rod)
33 BS-791934 Valve-Exhaust
34 BS-791935 Valve-Intake
35 BS-691279 Spring-Valve (Intake)
36 BS-691279 Spring-Valve (Exhaust)
37 BS-697352 Guard-Flywheel
37A BS-697626 Guard-Flywheel
42 BS-499586 Keeper-Valve
43 BS-691968 Slinger-Governor/Oil
45 BS-690564 Tappet-Valve
46 BS-793583 Camshaft
48 BS-697740 Short Block
50 BS-697361 Manifold-Intake
51 BS-692137 • ؇+ Gasket-Intake
53 BS-690227 Stud (Carburetor)
54 BS-691148 Screw (Intake Manifold)
73 BS-697133 Screen-Rotating
74 BS-697897 Screw (Rotating Screen)
78 BS-691003 Screw (Flywheel Guard)
78A BS-690364 Screw (Flywheel Guard)
81 BS-691178 Lock-Muffler Screw
94 BS-695425 Kit-Idle Mixture
95 BS-690718 Ø Screw (Throttle Valve)
98 BS-695408 Kit-Idle Speed
104 BS-694918 Ø Pin-Float Hinge
105 BS-696136 Valve-Float Needle
108 BS-698773 Valve-Choke
117 BS-699897 Jet-Main (Standard)
118 BS-699898 Jet-Main (High Altitude)
121 BS-698787 Kit-Carburetor Overhaul
125 BS-791178 Carburetor
127 BS-690727 Plug-Welch
130 BS-698774 Valve-Throttle
131 BS-698776 Kit-Throttle Shaft
133 BS-694914 Float-Carburetor
Ref. No. Part No. Description
135 BS-698780 Tube-Fuel Transfer
137 BS-698781 ؇ Gasket-Float Bowl
141 BS-698778 Kit-Choke Shaft
146 BS-691639 Key-Timing
187 BS-791805 Line-Fuel (Cut to Required Length)
188 BS-691693 Screw (Control Bracket)
192 BS-691986 Adjuster-Rocker Arm
202 BS-691841 Link-Mechanical Governor
209 BS-792602 Spring-Governor
216 BS-691840 Link-Choke
222 BS-694042 Bracket-Control
227 BS-691374 Control Lever-Governor
232 BS-691842 Spring-Governor Link
238 BS-691843 Cap-Valve
240 BS-394358s Filter-Fuel
265 BS-691024 Clamp-Casing
267 BS-690804 Screw (Casing Clamp)
300 BS-697048 Muffler
304 BS-698473 Housing-Blower
305 BS-697102 Screw (Blower Housing)
305A BS-793376 Screw (Blower Housing)
306 BS-697359 Shield-Cylinder
307 BS-691003 Screw (Cylinder Shield)
309 BS-693551 Motor-Starter
310 BS-690323 Screw (Starter Motor)
311 BS-497608 Brush Set
333 BS-492341 Armature-Magneto
334 BS-691061 Screw (Armature Magneto)
337 BS-491055s Spark Plug
356 BS-398808 Wire-Stop
358 BS-697151 Gasket Set-Engine
359 BS-691077 Nut (Ground Terminal)
363 BS-19203 Flywheel Puller
373 BS-691612 Nut (Ground Terminal)
383 BS-89838s Wrench-Spark Plug
404 BS-691691 Washer (Governor Crank)
431 BS-697122 Elbow-Intake
445 BS-698413 Filter-Air Cleaner Cartridge
474 BS-696578 Alternator
505 BS-691251 Nut (Governor Control Lever)
507 BS-691972 Insulator
510 BS-693699 Drive-Starter
513 BS-692024 Clutch-Drive
520 BS-691084 Terminal-Ground
521 BS-690581 Shield-Cable
523 BS-699908 Dipstick
524 BS-691032 • Seal-Dipstick Tube
525 BS-697184 Tube-Dipstick
544 Starter-Armature (For Service order 693551
Starter Motor)
552 BS-697144 Bushing-Governor Lever
562 BS-691119 Bolt (Governor Control Lever)
579 BS-691029 Nut (Starter Cable)
584 BS-697112 Cover-Breather Passage
601 BS-791850 Clamp-Hose
613 BS-691416 Screw (Muffler)
613A BS-691678 Screw (Muffler)
614 BS-691620 Pin-Cotter
616 BS-692012 Crank-Governor

11
Briggs & Stratton 10.5 H.P. Engine 215707-0507-E1
Ref. No. Part No. Description
617 BS-692138 • Ø O Ring Seal (Intake Manifold)
621 BS-692310 Switch-Stop
634 BS-698779 Ø Spring/Seal Assembly
635 BS-691909 Boot-Spark Plug
643 BS-697155 Retainer-Air Filter
654 BS-690958 Nut (Carburetor)
691 BS-692407 • Seal-Governor Shaft
697 BS-690372 Screw (Starter Motor)
718 BS-690959 Pin-Locating
729 BS-691224 Clip-Wire
741 BS-697128 Gear-Timing
783 BS-693713 Gear-Pinion
797 BS-693167 Nut (Brush Retainer)
801 BS-691283 Cap-Drive
802 BS-691286 Cap-End
803 Housing-Starter (For Service order 693551
Starter Motor)
823 BS-698941 Screw (Muffler Adapter)
830 BS-691095 Stud (Rocker Arm)
842 BS-691031 • Seal-O Ring (Dipstick Tube)
847 BS-790442 Dipstick/Tube Assembly
851 BS-692424 Terminal-Spark Plug
864 BS-697346 Adapter-Muffler
868 BS-690968 •+ Seal-Valve
883 BS-692236 • Gasket-Exhaust
914 BS-691108 Screw (Rocker Cover)
968 BS-697420 Cover-Air Cleaner
975 BS-698783 Bowl-Float
977 BS-790032 Set-Carburetor Gasket
Ref. No. Part No. Description
987 BS-698777 Ø • Seal-Throttle Shaft
1005 BS-699044 Fan-Flywheel
1022 BS-272475s •+ Gasket-Rocker Cover
1023 BS-791079 Cover-Rocker
1026 BS-697394 Rod-Push (Intake)
BS-697395 Rod-Push (Exhaust)
1029 BS-691751 Arm-Rocker
1034 BS-690822 Guide-Push Rod
1036 Label-Emissions (Available from an Authorized
Briggs & Stratton Service Dealer)
1040 BS-697381 Plate-Trim
1044 BS-698139 Screw (Flywheel)
1051 BS-691265 Ring-Retaining
1058 BS-MS3787 Operator’s Manual
1070 BS-690372 Screw (Flywheel Fan)
1090 BS-691293 Retainer-Brush
1091 BS-691333 Cap-Limiter
1095 BS-691581 Gasket Set-Valve
1119 BS-691183 Screw (Alternator)
1127 BS-695407 Screw (Float Bowl)
1263 BS-697124 Reed-Breather
1264 BS-697104 Screw (Breather Reed)
1266 BS-691917 •Ø O Ring Seal (Intake Elbow)
1266A BS-697123 •Ø O Ring Seal (Intake Elbow) 1267 697419
1329 BS-215707-
0026
Replacement Engine (Transfer Flywheel As-
sembly to the Replacement Engine. Transfer
the Governor Spring to the Replacement
Engine.)
1330 BS-272147 Repair Manual
• Included in Engine Gasket Set, Key. No. 358
Ø Included in Carburetor Overhaul Kit, Key. No. 121
‡ Included in Carburetor Gasket Set, Key. No. 977
+ Included in Valve Gasket Set, Key. No. 1095

12
Transmission EP-17488

13
Transmission EP-17488
Ref. No. Part No. Description Qty.
1 TC-772147 Transaxle Cover 1
2 TC-780086A Needle Bearing (1/2” long) 2
3 TC-770128A Transaxle Case 1
4 TC-776395 Countershaft 1
5 TC-776409 Output Shaft 1
6 TC-778364 Spur Gear (38T-PM/SER) 1
6A TC-778369 Spur Gear (15T-PM/SER) 1
7 TC-778330 Spur Gear (11T-PM/SER) 1
8 TC-792180A Shift Key Set (Qty. 2) 2
9 TC-784352 Shift Collar 1
10 TC-784378 Shift Rod & Fork Assembly 1
11 TC-778334 Bevel Gear (30T-PM) 1
12 TC-778309 Input Bevel Pinion (13T-PM) 1
13 TC-778368 Bevel Gear 13T (Incl. ref. 13 & 14)
Complete Set of 4-gears
1
14 TC-778368 Bevel Gear 13T (Incl. ref. 13 & 14)
Complete Set of 4-gears
1
15 TC-778370 Ring Gear (43T) 1
17 TC-786188 Drive Pin 1
18 TC-786102 Spacer (1.130” x .695”) 1
20 TC-792077A Ball (Stainless Steel 5/16” dia.) 1
21 TC-792211 Screw, 3/8-16 x 3/8” 1
22 TC-792079 Spring 1
25 TC-792073A Screw, 1/4-20 x 1-1/4” 17
25A TC-792177 Screw, 1/4-20 x 1-3/8” 2
26 TC-792125 Retaining Ring-package of 2 4
27 TC-792035 Retaining Ring 1
28 TC-788040 Retaining Ring 1
29 TC-780072 Washer .627” ID .031” 5
29A TC-780160 Thrust Washer (.563” ID x .031”) 1
29B TC-780051 Thrust Washer (.762” ID X .031”) 3
30 TC-780108 Shift Washer (Cupped) 3
31 TC-780001 Washer .750” ID .56” 2
31A TC-780195 Washer .750” ID .062 2
32 TC-788083 Oil Seal 5/8” 1
32A TC-792001 O Ring (.823” OD) 1
34 TC-780194 Bushing (.563”) 2
35 TC-780193 Flanged Bushing (.625” ID) 2
35A TC-780197 Flanged Bushing (.751” ID) 2
36 TC-790075 Brake Disk 1
37 TC-790007 Brake Pad Plate 1
38 TC-799021A Brake Pad (pkg. of 2) 2
39 TC-786026 Dowel Pin .3125” x .750” 2
Ref. No. Part No. Description Qty.
40 TC-792076A Washer .312” ID .059” 1
41 TC-790104 Brake Lever 1
42 TC-792177 Screw 1/4-20 x 1-3/8” 1
43 TC-792075 Lock Nut 5/16-24 1
44 TC-790025 Brake Pad Holder 1
46 TC-786086 Bracket 1
47 TC-775146 Axle (10.719” long) (Incl. 26) 1
48 TC-775147 Axle (15.312” long) (Incl. 26) 1
49 TC-778338 Spur Gear (27T-PM/IC) 1
50 TC-778342 Spur Gear (22T-PM/IC) 1
51 TC-778313 Spur Gear (19T-PM/IC) 1
52 TC-778350 Spur Gear (16T-PM/IC) 1
56 TC-778337 Spur Gear (13T-PM/SER) 1
57 TC-778341 Spur Gear (18T-PM/SER) 1
58 TC-778351 Spur Gear (21T-PM/SER) 1
59 TC-778349 Spur Gear (24T-PM/SER) 1
63 TC-786071 Countershaft Spacer 1-1/8” x 3/8’’ 2
64 TC-786072 Brake Shaft Spacer 1-3/8” x 3/8’’ 2
65 TC-780189 Washer .563” ID .062 1
66 TC-776472 Input Shaft 1
67 TC-776396 Brake Shaft 1
69 TC-792170 Retaining Ring (.75” x .042”) 1
70 TC-786187 Spacer (.890”) 1
71B TC-788092 O-Ring 1
76 TC-780090 Flat Washer (1.128” ID x .058”) 1
77 TC-788078A Retaining Ring (1.125” x .050”) 1
79 TC-792144 Spring 1
82 TC-778333 Bevel (30T) & Spur Gear 1
83 TC-778338 Spur Gear (27T-PM/IC) 1
85 TC-792154 Oil Fill Plug 1
87 TC-788089A Oil Seal 9/16” ID 1
157 TC-788088A Oil Seal 3/4” ID 2

14
NOTES
Use this page to make notes and write down important information.

15
NOTES
Use this page to make notes and write down important information.
CUB CADET LLC, P.O. BOX 361131 CLEVELAND, OHIO 44136-0019