Cub Cadet Z Wing 48 Service Manual 02000822
Z - Wing 48 to the manual bc157ef7-27e5-e304-cd74-4c9816243f2f
2015-01-05
: Cub-Cadet Cub-Cadet-Z-Wing-48-Service-Manual-163916 cub-cadet-z-wing-48-service-manual-163916 cub-cadet pdf
Open the PDF directly: View PDF
.
Page Count: 32

Hydrostatic Zero-Turn
Commercial Riding Mower
Professional Turf Equipment
OPERATOR’S AND SERVICE MANUAL
Z - Wing 48

2
TABLE OF CONTENTS
Foreword. . . . . . . . . . . . . . . . . . . . . . . . . . . . . . . . . . . . . . . . . . . . . . . . . . . . . . . . . . . . . . . 3
General Safety Operations . . . . . . . . . . . . . . . . . . . . . . . . . . . . . . . . . . . . . . . . . . . . . . . . . 4
A.Danger . . . . . . . . . . . . . . . . . . . . . . . . . . . . . . . . . . . . . . . . . . . . . . . . . . . . . . . . . . 4
B. Warning . . . . . . . . . . . . . . . . . . . . . . . . . . . . . . . . . . . . . . . . . . . . . . . . . . . . . . . . . 4
C. Caution . . . . . . . . . . . . . . . . . . . . . . . . . . . . . . . . . . . . . . . . . . . . . . . . . . . . . . . . . . 4
Safety Precautions . . . . . . . . . . . . . . . . . . . . . . . . . . . . . . . . . . . . . . . . . . . . . . . . . . . . . . .4
A. General. . . . . . . . . . . . . . . . . . . . . . . . . . . . . . . . . . . . . . . . . . . . . . . . . . . . . . . . . . 4
B. Related to Fuel . . . . . . . . . . . . . . . . . . . . . . . . . . . . . . . . . . . . . . . . . . . . . . . . . . . . 5
C. When Mowing . . . . . . . . . . . . . . . . . . . . . . . . . . . . . . . . . . . . . . . . . . . . . . . . . . . . . 5
Safety Decals . . . . . . . . . . . . . . . . . . . . . . . . . . . . . . . . . . . . . . . . . . . . . . . . . . . . . . . . . . . 6
Specifications . . . . . . . . . . . . . . . . . . . . . . . . . . . . . . . . . . . . . . . . . . . . . . . . . . . . . . . . . . . 7
Operating Instructions . . . . . . . . . . . . . . . . . . . . . . . . . . . . . . . . . . . . . . . . . . . . . . . . . . . . 8
A. General. . . . . . . . . . . . . . . . . . . . . . . . . . . . . . . . . . . . . . . . . . . . . . . . . . . . . . . . . . 8
B. Controls . . . . . . . . . . . . . . . . . . . . . . . . . . . . . . . . . . . . . . . . . . . . . . . . . . . . . . . . . 9
C. Initial Adjustments . . . . . . . . . . . . . . . . . . . . . . . . . . . . . . . . . . . . . . . . . . . . . . . . 11
D. Zero Turn Break-In and Operating Procedures . . . . . . . . . . . . . . . . . . . . . . . . . . 12
Maintenance and Service . . . . . . . . . . . . . . . . . . . . . . . . . . . . . . . . . . . . . . . . . . . . . . . . . 14
A. Mower Deck . . . . . . . . . . . . . . . . . . . . . . . . . . . . . . . . . . . . . . . . . . . . . . . . . . . . . 14
B. Hydraulic Oil . . . . . . . . . . . . . . . . . . . . . . . . . . . . . . . . . . . . . . . . . . . . . . . . . . . . . 16
C. Electrical System . . . . . . . . . . . . . . . . . . . . . . . . . . . . . . . . . . . . . . . . . . . . . . . . . 17
D. Tires . . . . . . . . . . . . . . . . . . . . . . . . . . . . . . . . . . . . . . . . . . . . . . . . . . . . . . . . . . . 19
E. Brakes . . . . . . . . . . . . . . . . . . . . . . . . . . . . . . . . . . . . . . . . . . . . . . . . . . . . . . . . . 19
F.
Hydraulic System . . . . . . . . . . . . . . . . . . . . . . . . . . . . . . . . . . . . . . . . . . . . . . . . . 20
G.Storage . . . . . . . . . . . . . . . . . . . . . . . . . . . . . . . . . . . . . . . . . . . . . . . . . . . . . . . . . 21
Maintenance Schedule . . . . . . . . . . . . . . . . . . . . . . . . . . . . . . . . . . . . . . . . . . . . . . . . . . . 22
Performance Adjustments . . . . . . . . . . . . . . . . . . . . . . . . . . . . . . . . . . . . . . . . . . . . . . . . 24
A. High Speed Tracking Adjustment . . . . . . . . . . . . . . . . . . . . . . . . . . . . . . . . . . . . . 24
B. Engine RPM Check and Adjustment . . . . . . . . . . . . . . . . . . . . . . . . . . . . . . . . . . 24
C. Deck Corner Ball Wheel Roller Settings . . . . . . . . . . . . . . . . . . . . . . . . . . . . . . . . 25
D. Deck Center Anti-Scalp Roller Settings . . . . . . . . . . . . . . . . . . . . . . . . . . . . . . . .25
E. Lap Bar Adjustment . . . . . . . . . . . . . . . . . . . . . . . . . . . . . . . . . . . . . . . . . . . . . . . 25
F. Deck Leveling Procedure . . . . . . . . . . . . . . . . . . . . . . . . . . . . . . . . . . . . . . . . . . . 26
G.Deck Lift Cable Adjustment Procedure. . . . . . . . . . . . . . . . . . . . . . . . . . . . . . . . . 26
Wiring Diagram. . . . . . . . . . . . . . . . . . . . . . . . . . . . . . . . . . . . . . . . . . . . . . . . . . . . . . . . . 28
Slope Gauge. . . . . . . . . . . . . . . . . . . . . . . . . . . . . . . . . . . . . . . . . . . . . . . . . . . . . . . . . . .29
Warranty
This product may be covered by one or more of the following patents:
D409,208; 5,946,894; 6,070,690; 6,662,538 Pending

3
FORWARD
The Z-Wing 48 Hydrostatic Zero-Turn Commercial Riding Mower provides superb maneuver-
ability, mid-mount cutting capability for professional landscapers, commercial lawn service
companies, professional turf managers and golf course superintendents. The machine incor-
porates many safety features that should be studied by all operators and maintenance person-
nel before use. The list of safety precautions should receive particular attention.
This manual presents all of the operating and maintenance instructions necessary to keep
your mower at peak efficiency. If operated and maintained properly, your mower will give
dependable service.
CAUTION:
Only thoroughly trained persons should operate and maintain this
mower. This machine can cause serious injury to anyone who mis-
uses it and does not understand its operation. For their personal
safety, all operators and maintenance personnel are required to
read this entire manual before operating the mower.
Hazard control and accident prevention are partially dependent
upon the design and configuration of the equipment. Notwithstand-
ing, these factors are also dependent upon the awareness, concern,
prudence and proper training of the personnel involved in the oper-
ation, transport, maintenance and storage of the equipment.
NOTE: The engine manufacturer is responsible for all engine-related issues with
regards to performance, power-rating, specifications, warranty and service.
Please refer to the engine manufacturer’s owner’s/operator’s manual,
packed seperately with your unit, for more information.
WARNING
• The engine exhaust, some of its constituents, and certain vehicle components contain or emit chemicals
known to the State of California to cause cancer, birth defects or other reproductive harm.
• This unit is equipped with an internal combustion engine and should not be used on or near any unim-
proved forest-covered, brush-covered, or grass-covered land unless the engine’s exhaust system is
equipped with a spark arrester meeting applicable local or state laws (if any). If a spark arrester is used, it
should be maintained in effective working order by the operator.
• In the State of California, the above is required by law (Section 4442 of the California Public Resources
Code). Other States may have similar laws. Federal laws apply to federal lands. A spark arrester muffler
may be available.
MODEL LISTED IN THIS MANUAL
23HP Z-Wing 48,
53AI5BBY750
4
GENERAL SAFETY
OPERATIONS
A. DANGER
1. Do not operate machine in confined areas
where exhaust gases can accumulate.
2. Do not operate machine without mower chute
deflector in place and operational.
3. Do not carry passengers.
4. This is a narrow track Zero-Turn mower, and it
should not be operated on steep slopes.
Refer to slope gauge on page 28.
B. WARNING
1. Do not operate machines under the influence
of alcohol or drugs.
2. Do not operate machines without all guards
and safety devices in place and functional.
3. Do not start machines if there are fuel or oil
leaks or spillage — clean it up.
4. Do not operate machines near spilled or leak-
ing fuels.
5. Do not stop or park machine over dry leaves,
grass, debris, etc. that could be combustible.
6. Use extreme care when backing up.
7. Do not operate machine on slopes greater
than 15 degrees (27%).
8. Do not operate machines on slopes when
traction is reduced (wet grass, ice, soft
ground, loose ground, leaves, pine needles,
debris, etc.).
9. Avoid turning downhill if possible, go slowly
and use extra care when turning downhill.
10. Do not operate machines during reduce visi-
bility (low light, fog, rain, etc.).
11. Do not operate machines with non-approved
attachments.
12. Do not operate machines that are dam-
aged.....have machine repaired.
13. Do not operate machines that have not been
properly maintained.
14. Use only replacement parts that are the same
or equivalent to the original equipment.
15. Do not modify machines or any of their com-
ponents, especially the engine governor!
16. Do not operate machine for more than 2 hours
without hearing protection.
C. CAUTION
1. Use proper protective equipment when oper-
ating machine (gloves, boots, and hearing
protection are recommended).
2. Read entire machine Operator’s Manual.
3. Make sure operators are fully trained in the
safe use of the machine.
4. Follow all safety instructions when using the
machine.
5. Keep all safety signs legible and properly
installed.
6. Do not check for hydraulic leaks with any part
of the body.
7. Do not add fuel to a machine when the engine
is running and/or the exhaust system is hot.
8. Keep machine clean and free of debris, grass,
leaves, oil, grease, etc.
9. Place lap bars in neutral/start position, set
park brake, disengage P.T.O., turn engine off,
and remove ignition key before you dismount
from machine.
10. Use machines laterally or diagonally across
slopes, avoid going downhill when possible.
11. Go slowly and use extra care when descend-
ing slopes.
12. Disengage P.T.O. when crossing surfaces
such as asphalt, concrete, loose ground,
sand, gravel, etc.
13. Use extra care when loading and unloading
machines from trucks or trailers.
SAFETY PRECAUTIONS
A. General
1. Read this Operator’s Manual before starting
the mower. Study the controls and learn the
proper sequence of operation.
2. Do not allow anyone to operate or maintain
this machine who has not read this manual.
Never permit children to operate this machine.
3. Never carry passengers.
4. Do not remove any shields, guards or safety
devices. If a shield, guard or safety device is
damaged or does not function, repair or
replace it before operating the mower.
5. Always wear safety glasses and safety shoes
when operating or maintaining this mower. Do
not wear loose-fitting clothing.
6. Disconnect the spark plug wires and remove
the key from the ignition to prevent the engine
from accidentally starting before performing
any maintenance on this mower.
7. Never run the engine indoors without ade-
quate ventilation. Exhaust fumes are deadly.
8. To avoid serious burns, do not touch the
engine, exhaust pipe or muffler while the
engine is running or until it has cooled after it
has been shut off.
9. The liquid in the battery is dilute sulfuric acid.
Always wear safety glasses and rubber gloves
when working on the battery. Do not overfill
the battery.
5
10. Lead-acid batteries generate hydrogen and
oxygen gases which form an explosive mix-
ture. Keep sparks and flames away at all
times.
11. When looking for oil leaks, never run your
hand over hydraulic hoses, lines or fittings.
Never tighten or adjust hydraulic hoses, lines
or fittings while the system is under pressure.
If high-pressure oil penetrates the skin, the oil
must be removed within a few hours by a doc-
tor familiar with this form of injury or serious
complications may result.
B. Related to Fuel
1. Fuel is highly flammable and its vapors can
explode if ignited. Please respect it.
2. Do not smoke or permit others to smoke
while handling fuel.
3. Always use approved containers for fuel and
fill slowly to decrease the chance of static
electricity buildup and spillage.
4. Store fuel in well ventilated and unoccupied
buildings away from sparks and flames.
5. When dispensing gasoline into approved con-
tainers, place the container on the ground
when refueling to avoid a possible static elec-
tricity ignition of fuel vapors.
6. Do not fill containers while it is inside a vehi-
cle, trunk, the bed of a pickup or floor of a
trailer.
7. Always shut off the engine and permit it to
cool before removing the fuel tank cap.
8. Always fill the fuel tank outdoors.
9. If the fuel container spout will not fit inside the
fuel tank opening, use a funnel.
10. When filling the fuel tank, stop when the fuel
reaches one inch from the top. This space is
necessary for tank expansion. Do not overfill.
11. Wipe up any spilled fuel.
C. When Mowing
1. Keep adults, children and pets away from the
area to be mowed.
2. When operating this mower in the forward
direction, DO NOT allow the steering levers to
return to the neutral position on their own.
Always maintain a firm grip on the levers,
operate them smoothly and avoid any sudden
movements of the levers when starting or
stopping.
3. If the mower is equipped for side discharge,
never use the mower without the discharge
chute installed and placed in the down position.
4. Always remove debris and other objects from
the area to be mowed.(Note: debris and loose
grass will reduce traction.)
5. Mow only in daylight.
6. Watch for holes, sprinkler heads and other
hidden hazards.
7. Avoid driving too close to trees, creeks,
ditches, sand traps and other obstacles.
8. Before backing up, check behind you and
watch where you’re going.
9. Always reduce speed when making a turn,
and when grass is wet.
10. Always mow across slopes, never up and
down the slope. Do not operate on steep
slopes and slow down before turning.
11. Be careful when crossing gravel paths or
roadways. Always turn off the blade clutch
switch and wait until the blades stop rotating
and raise the cutting deck to the transport
position. Always allow other vehicles to have
the right-of-way.
12. If you hit a solid object while mowing, turn off
the blade clutch switch, place the left and right
steering levers in the neutral, opened-out
position, move the throttle to slow, set the
parking brake, shut off the engine and take
the key from the ignition switch. Inspect for
damage. Repair any damage. Make sure the
blades are in good condition and that the
blade bolts are tight before restarting the
engine.
13. Never leave the mower unattended without:
turning off the blade clutch switch; placing the
left and right steering levers in the neutral
opened-out position; moving the throttle to
slow; setting the parking brake; shutting off
the engine and taking the key from the ignition
switch.
14. Never walk or stand on the discharge side of a
mower with the engine running. Turn off the
blade clutch switch if another person
approaches while you are operating the
mower.
15. Never attempt to operate the traction unit
without the mowing deck attached.
16. Keep the mower and especially the engine
and hydraulic components clean and free of
grease, grass and leaves to reduce the
chance of fire and to permit proper cooling.

6
SAFETY DECALS AND LABELS
WARNING
SHIELD MISSING
DO NOT OPERATE
Part Number: 00030635
Part Number: 777S30503
KEEP HANDS and FEET AWAY
DANGER
TO REDUCE THE RISK OF INJURY,
DO NOT OPERATE MOWER UNLE S S
DISCHARGE CHUTE COVER OR GRASS
CATCHER IS IN ITS PROPER PLACE.
Part Number: 01002166
DANGER
KEEP HANDS AND FEET AWAY.
DO NOT OPERATE MOWER
UNLESS CHUTE DEFLECTOR
OR ENTIRE GRASS CATCHER IS
IN ITS PROPER PLACE.
ASSEMBLE CHUTE DEFLECTOR TO THIS UNIT BEFORE OPERATING.
S30503
Part Number: 777S30015
Part Number: 777I22490
Part Number: 777I22491
Part Number: 777S32530

7
SPECIFICATIONS
Engine: 23HP Kohler
Type: Vertical air cooled V-Twin
Air Cleaner: Paper Element
Lube System: Pressurized with oil filter
Starter: 12-volt electric
Traction Drive: Variable-speed hydraulic pumps with wheel motors on each drive
wheel
Hydraulic Tank: 2 quart capacity, One pint filter, 5W40 full synthetic oil
Cutter Deck;Drive: 48" Belt Driven, folding-fabricated-floating
Clutch: Electric BBC
Deck Lift: Hand lever w/pin lock for height adjustment
Cutting Height: 1-1/2" to 4"
No. of Blades 3, belt-driven, power take-off from engine
Controls: Engine ignition and start switch; throttle; choke; left and right
steering levers; electric blade clutch switch; parking brake; mower
deck lift, mower power folding
Parking Brake: Mechanical linkage attached to the brake handle
Front Caster Wheels: 13 x 5.00 - 6
Tire Pressure: 10-12 psi Rear, 20-25 psi front caster
Drive Wheels: 21 x 7.00 - 10
Frame: 1” x 2" Steel square tube and plate, all welded construction
Seat: Adjustable seat. 4" Adjustment
Fuel Tank: Two 5.0 gallon w/individual shutoff valves
Ground Speed: 0-8 MPH forward. 0-4 MPH reverse
Instrumentation Hour meter, Tachometer, Maintenance-minder
Net Weight: 778 lbs w/48" deck

8
OPERATING INSTRUCTIONS
A.General
1. When Mowing:
a. Keep adults, children, and pets away from
the area to be mowed.
b. When operating this mower, in the forward
direction, do not allow the steering levers
to return to Neutral on their own. Always
maintain a firm grip on the levers, operate
them smoothly and avoid any sudden
movements of the levers when starting and
stopping.
c. If the mower is equipped for side dis-
charge, never use the mower without the
discharge chute installed and placed in the
down position.
d. Always remove debris and other objects
from the area to be mowed (Note: debris
and loose grass will reduce traction).
e. Mow only in daylight.
f. Watch for holes, sprinkler heads, and other
hidden hazards.
g. Avoid driving too close to trees, creeks,
ditches, sand traps, and other obstacles.
h. Before backing up, check behind and
watch where you are going.
i. Always reduce speed when making a turn,
and when grass is wet.
j. Always mow across slopes, never up and
down the slope. Do not operate on steep
slopes and slow down before turning.
Avoid turning downhill if possible, start at
the bottom and work up to the top. Use
extra care and go slowly when turning
downhill. Control the speed and direction
of the zero turn machine “primarily” with
the speed/directional control (lap bar) of
the downhill side of the machine...I.E.,
maintain the uphill side lap bar “essen-
tially” in a fixed position.
k. Be careful when crossing gravel paths or
roadways. Always turn off the blade clutch
switch and wait until the blades stop rotat-
ing and raise the cutting deck to the trans-
port position. Always allow other vehicles
to have the right of way.
l. If you hit a solid object while mowing, turn
off the blade clutch switch, place the steer-
ing levers in the neutral, opened-out posi-
tion, move the throttle to slow, set the
parking brake, shut off the engine, and
take the key from the ignition switch.
Inspect for damage. Repair the damage.
Make sure the blades are in good condition
and that the blade bolts are tight before
restarting the engine.
m. Never leave the mower unattended without
observing the following: turn off the blade
clutch switch, placing the steering levers in
the neutral open-out position, moving the
throttle to slow, setting the parking brake,
shutting off the engine and taking the key
from the ignition switch.
n. Never walk or stand on the discharge side
of the mower when the engine is running.
Turn off the blade clutch switch if another
person approaches while you are operat-
ing the mower.
o. Never attempt to operate the traction unit
without having the mowing deck attached.
p. Keep the mower and especially the engine
and hydraulic components clean and free
of grease, grass, and leaves to reduce the
chance of fire and permit proper cooling.
2. Safety Awareness when Mowing
a. Do not operate on steep slopes, those
above 15 degrees (27% slope).
Figure. 1 Figure. 2
Ignition Switch
Electric Blade
Clutch Switch Tach and
Hour Meter Engine throttle
Choke Lever
9
b. Avoid turning downhill if possible, if not use
extra care and go slowly.
c. Avoid turning when going downhill, traction
is at a minimum going downhill.
d. Do not operate with discharge side of the
mower toward streets, buildings, play-
grounds, parking lots, other machines, ani-
mals, and other people.
e. Avoid operation or use extreme care if the
traction surface is wet, unstable, or slip-
pery.
f. Use extra care when grass clippings,
leaves, pine needles, or debris are present
as traction can be reduced.
g. Slow-down before turning and come to a
complete stop before any zero turn maneu-
ver.
h. Do not stop machine or park machine over
combustible materials such as dry grass,
leaves, debris, etc.
3. To Mow Grass and Produce a Striped Pat-
tern
a. Pick a point on the opposite side of the
area to be mowed (post, tree, shrub, etc.).
b. If on an hillside, start at the bottom so that
the turns are uphill rather than downhill.
c. Align the mower so as to head directly
toward the object on the far side.
d. Slowly increase the speed of the machine
to match cutting conditions, terrain, and
operator familiarity with the controls and
keep the machine headed directly toward
the alignment object. Do not go fast as to
reduce cut quality or to be uncomfortable
in controlling the speed and direction of the
machine.
e. When approaching the other end of a strip,
slow down or stop before turning. A U-turn
is recommended unless a zero turn is
required. The speed of a U-turn that will
allow for machine controllability and mini-
mal turf defacement will be dependent on
several factors including: the speed of the
turn, the radius of the turn, the tire tread
pattern, the traction coefficient of the tire to
the traction surface, the slope of the trac-
tion surface.
f. Remember, a zero turn requires that the
forward or reverse travel of the machine be
stopped prior to the initiation of the turn or
severe turf defacement can occur.
g. To prevent rutting or grooving of the turf,
change the direction that the strips are
mowed by approximately 45 degrees the
next and each subsequent time that the
area is mowed.
B.Controls
1. Engine Ignition and Start Switch: (See Fig-
ure 1.) Located on the instrument housing of
the seat in the center support. When the key
is inserted and turned clockwise, 45 degrees,
the ignition circuit is closed. Turning the switch
further against spring pressure starts the
engine. The engine will only start if the blade
clutch switch is in the “off” position, the park-
ing brake is engaged and the left and right
steering levers are in the neutral. The key
should always be removed from the switch if
the operator leaves the mower’s seat.
2. Engine Throttle Control: (See Figure 2.)
Located on the left side of the seat support.
Moving the throttle control from the rear to the
front will increase the engine speed from slow
to fast.
3. Left and Right Steering Levers: (See Figure
3.) These levers control all of the movements
of the mower. Pushing both levers forward
causes the mower to move forward. Pulling
both levers back causes the mower to move
backward. Pushing one lever ahead of the
other lever causes the traction wheel on the
side where the lever is ahead to rotate faster
than the other traction wheel, making the
mower turn toward the side where the lever is
behind. When one lever is pushed forward
and the other lever pulled back the same
amount, one traction wheel will turn in reverse
and the mower will turn within its own length.
In order to start the engine, both steering
levers must be in the neutral position; the
parking brake must be engaged; and the
blade clutch switch must be “off”. However,
once the engine starts, the parking brake
must be released before the operator moves
the steering levers out of neutral position or
the engine will automatically shut off.
Note: The Steering Lever will return toward
neutral when released, but they should be
placed in neutral by the driver. If the Drive
Handles are not placed in neutral, the tractor
may creep.

10
4. Electric Blade Clutch Switch: (See Figure
1.) Located on the seat support beside the
ignition switch. This is an “on/off” push pull
switch that controls the electric blade clutch
which supplies power to the cutting blades
through the PTO. The switch must be turned
off to start the engine and should be turned
off for safety any time another person
approaches the mower or the mowing deck is
raised to the transport position. Power to the
electric clutch will also be cut off if the opera-
tor leaves the operator’s seat.
5. Parking Brake: (See Figure 3.) Located on
the left side of the traction unit. The handle is
an overcenter lever which applies the drum-
type brake on each drive wheel when the han-
dle is pulled to the rear. The brake must be
engaged in order to start the engine.
6. Deck Lift Handle: (See Figure 3.) Located on
the right front corner of the mowing deck.
Raise the mowing deck to the transport posi-
tion, by pulling the lever to the rear and mov-
ing it inward into the stop for transport. To
lower the mowing deck, pull the deck lift han-
dle and move it outward. This lower’s the deck
to the cutting position.
7. Fuel Shutoff Valve: (See Figure 4.) Located
on top of the fuel tank(s). When turned in a
clockwise direction until it stops, it will shut off
the flow of fuel to the engine. When turned in
a counterclockwise direction it will open and
allow fuel to flow to the engine. Close this
valve if you are not going to run the mower for
a period of 30 minutes or more to prevent
flooding the engine.
8. Seat Adjustment Lever: The Seat Adjust-
ment Lever is located beneath the seat. The
Seat Adjustment Lever is used to move the
seat forward and backward. To place the seat
in the desired position pull the seat adjust-
ment lever to the left then push the seat for-
ward or back to the desired position. Release
the lever so the seat will lock in place.
9. Digital Tachometer and Hour Meter: (See
Figure 1) Located on the seat support above
the ignition switch. When the machine is run-
ning the tachometer displays engine rpm.
When the machine is off the tachometer dis-
plays running time.
Note: There will be a flashing “LUBE” for
each recommended lubrication interval. There
is a flashing “OIL” at each recommended
engine oil and filter change.
10. Choke Lever: (See Figure 2) The Choke
Lever is located on the left side of the seat
support. The Choke Lever is operated manu-
ally. Having the Choke Lever in the ON posi-
tion helps the engine to start during initial
start-up. During normal operation the Choke
Lever should be in the OFF position.
11. Folding Deck Control: The switch for the
electrically powered deck folding mechanism
is located on the seat support. Pull upward on
the switch to fold up, and push downward to
fold down.
Brake
Steering Levers
Deck Lift Handle
Figure. 3
Fuel Shutoff Valve
Figure. 4

11
C.Initial Adjustments
1. Check the fluid levels and tires:
Note: These checks should be made daily,
before starting the engine.
a. Fuel: Using a good grade of unleaded,
regular gasoline (for a gasoline engine), fill
the fuel tank (beside the engine on the left
or right side of the mower). When the fuel
reaches one inch from the top of the tank,
stop. DO NOT OVERFILL. Space must be
left for expansion.
b. Engine Oil: (Filled at the factory before
shipment.) Pull out the oil dipstick, wipe it
off and reinsert it. Pull it out again and read
the oil level. If it is below the operating
range, add oil through the fill tube using a
funnel to bring it up to the top of the operat-
ing range.
Note: Gasoline Engine: Use SAE 10W30 or
SAE 10W40 engine oil, rated for service SJ.
c. Hydraulic Oil: (Filled at the factory before
shipment.) The hydraulic oil tank is located
beneath the operator’s seat. Always wipe
off the area around the oil tank fill neck
before checking the oil level to prevent dirt
from contaminating the oil. Remove the
cap and make sure the oil level is up to the
lowest hole on the oil tank fill neck. The top
hole is for venting. If the oil level is low, fill
with a good grade of 5W40 full synthetic
Shell Rotella.
d. Tires: 10-12 psi Rear, 20-25 psi Front
Caster Tires
Note: New tires are overinflated in order to
properly seat the bead to the rim. The normal
working pressure for the traction tires is 10-12
psi. The front caster wheels should be inflated
to 20-25 psi.
2. Check that all Nuts, Bolts and Screws are
Tight.
3. Check the tension of the deck drive belts.
a. Remove the deck cover
b. The tension of the deck drive belts are
maintained by a spring mechanism that
adjusts for wear and stretch.
c. Examine the belts for cuts, fraying, and
excessive wear. Replace if any of these
are detected.
d. Replace the deck cover.
4. Adjust the Mowing Deck: The cutting height
is set anywhere in the range of 1-1/2" to 4".
You may need to adjust the mowing deck to
achieve the proper pitch angle for mowing.
Follow the procedures below to set the appro-
priate pitch angle to the mowing deck.
a. Park the mower on a flat paved surface,
engage the parking brake, shut off the
engine, remove the key from the ignition
switch, remove connection of the spark
plugs and using the transport lever, lower
the mowing deck into the cutting position.
b. Using a ruler, pencil and paper, measure
and note the distance from the paved sur-
face to the bottom edge of the mowing
blade at the front and the back of the deck
on each side of the mower. (Four dimen-
sions.)
Note: The front edge of the mowing deck
should be 1/8"-1/4" below the rear edge of the
deck so that the blades are cutting grass in
only the front half of their circular path. This
decreases friction and reduces the drive
power required.
c. If the dimension at the front of the mowing
deck is 1/8"-1/4" lower than the dimension
at the rear of the deck on each side of the
mower, do not adjust. If not, you will need
to adjust the Deck Links (See Performance
Adjustment section under Deck Leveling
Procedure).
5. Lubricate all fittings listed in the mainte-
nance section.
D. Zero Turn Break-In And Operating
Procedures
DANGER:
Reread the “When Mowing” Safety Precautions.
The following procedures are suggested for opera-
tors of ride-on machines which have zero turn
capabilities.
1. Orientation:
a. Read the entire Operator’s Manual.
b. Sit on the machine, adjust the seat fore-
and-aft, then adjust the speed/directional
(lap bar) controls (they can be adjusted
fore-and-aft, as well as up-and-down —
9/16" wrench required).
c. Become familiar with all of the machine
controls, instrumentation, safety and
instruction signs, and safety devices.
d. Move (or have moved) the machine to a
safe, level area with no obstructions includ-
ing objects, pedestrians, and animals.
2. Initial Operation:
a. Use protective equipment for eyes, hands,
hearing, feet, legs, head and other areas of

12
the body if needed — safety eye glasses,
gloves, earplugs, boots, hats, etc.
WARNING:
Hearing Protection is required for all operator
exposure exceeding two (2) hours.
b. Ensure that the area is free of animals and
bystanders, especially children!
c. Survey the area where the equipment is to
be used to make sure it is free of debris,
sticks, stones, wires, bones, and other for-
eign objects which could cause injury to
bystanders, damage to the machine, or
damage to nearby facilities.
d. Inspect the machine to make sure:
1. All guards, shields (including mower
chute deflector) are in their proper place,
are secure, and are functional.
2. That there are no spilled or leaking fuel
or oil sources, nor loose fuel or hydraulic
tank caps, hoses or fittings.
3. That there are no loose or missing hard-
ware nor any missing items.
4. That no non-approved devices are
installed.
5. That all safety signs and decals are
properly installed and legible.
e. This is a one person machine, operator
only! Riders are not permitted under any
circumstance!
f. To start the engine on the machine:
1. Make sure the park brake is set to the
“ON” position, both lap bars are in the
neutral position, and the Power Take Off
(PTO also referred to as blade control
switch) is in the “off” (down) position.
2. Move the choke control forward and the
engine speed control (throttle) forward
(half way).
3. Insert the ignition key, turn the switch
toward the spring-loaded “Start” position,
maintain the Start position until the
engine begins to run, then release the
switch (it will return to the “Run” posi-
tion).
4. Retard the choke slowly by moving it
rearward. If the engine is “cold”, the
choke may need to be partially applied
for a few minutes. Be sure to totally
retard the choke after the engine has
“warmed up”.
g. Check safety devices:
1. With the park brake engaged, move one
of the lap bars (speed/directional control)
from the neutral position toward the front
of the machine — the engine should
stop running. Move the lap bars back to
the neutral position and the engine
should run.
2. Repeat this procedure with the opposite
side lap bars.
3. With the park brake engaged and the lap
bars in the neutral position, advance the
engine speed control completely forward
(Hi-idle), engage the PTO control switch
(pull upward), then lift off the seat — the
engine should stop running. Sit down
and the engine should run. Turn off the
PTO by pushing the control switch down.
4. With the park brake engaged and the lap
bars in the neutral position, engage the
PTO control switch. Pull upward on the
deck folding switch — the mower deck
should stop. Push downward on the deck
folding switch — the mower deck should
start when both sides are latched down
and both switches depressed.
h. To drive in the FORWARD direction:
1. Set the engine speed to 2000 to 2500
rpm (refer to tachometer on right control
panel). This must be increased to full
speed (3525-3675 rpm) after becoming
familiar with the machine.
2. Release the park brake.
3. Slowly, move both lap bars toward the
front of the machine until the machine
begins to move forward — release the
lap bars and the machine should stop.
The more that the lap bars are moved
toward the front of the machine, the
faster the machine will move in the for-
ward direction. Release the lap bars and
the machine should stop traveling for-
ward. (This is a safety check, the normal
procedure is for the operator to slowly
bring the lap bars to the neutral position).
4. Do not advance the lap bars rapidly as
this could cause turf defacement, loss of
traction, and/or instability.
5. To turn, advance one lap bar ahead of
the other and the machine will turn
toward the opposite from the side that
was advanced — I.E. to turn clockwise
(to the Right), move the LEFT lap bar for-
ward more than the right side, and to
turn counter-clockwise (to the LEFT),
move the RIGHT lap bar forward more
than the left side. NOTE: If one lap bar is
in the neutral position and the other is
advanced, the turn side tire will not
rotate and a “pivot turn” will be executed
— turf defacement could occur (if on
grass) as well as potential damages to
13
the traction surface and the tire. If the lap
bar on the turn side is not brought all the
way to neutral, then the turn side tire will
continue to rotate and a “U-turn” will be
executed with a low potential for turf
defacement as well as traction surface
and tire damage.
i. To drive in the REVERSE direction:
1. Make sure no bystanders, animals, or
objects are behind the machine. Look
behind the machine, and use extreme
care.
2. Slowly, move both lap bars toward the
rear of the machine until the machine
begins to move rearward. Release the
lap bars and the machine should stop.
The more the lap bars are moved toward
the rear of the machine, the faster the
machine will move in the reverse direc-
tion. Release the lap bars and the
machine should stop traveling in reverse
(this is a safety check, the normal proce-
dure is for the operator to slowly bring
the lap bars to the neutral position).
3. Do not retard the lap bars rapidly as this
could cause turf defacement and/or loss
of traction.
4. To turn, retard one lap bar ahead of the
other and the machine will turn toward
the same side that was retarded — I.E.,
to turn counter-clockwise (to the LEFT),
move the LEFT lap bar rearward more
than the right side, and to turn clockwise
(to the RIGHT), move the RIGHT lap bar
rearward more than the left side. NOTE:
If one lap bar is in the neutral position
and the other is retarded, the turn side
tire will not rotate and a “pivot turn” will
be executed. Turf defacement could
occur (if on grass) as well as potential
damages to the traction surface and the
tire. If the lap bar on the turn side is not
brought all the way to neutral, then the
turn side tire will continue to rotate and a
“U-turn” will be executed with a low
potential for turf defacement as well as
traction surface and tire damage.
j. To perform a “zero turn”:
1. Please note, a zero turn maneuver can
not be executed while the machine is
moving in the Forward or, Reverse direc-
tions, the machine must come to a stop
first.
2. To turn clockwise, slowly move the LEFT
lap bar forward while simultaneously
moving the RIGHT lap bar rearward.
Release both lap bars and the machine
should stop turning.
3. To turn counter-clockwise, slowly move
the RIGHT lap bar forward while simulta-
neously moving the LEFT lap bar rear-
ward. Release both lap bars and the
machine should stop turning (this is a
safety check, the normal procedure is for
the operator to slowly bring the lap bars
to the neutral position).
3. Start the Engine:
a. Open the fuel shutoff valve.
b. Sit on the Seat. Set the parking brake
“On”.
c. Make sure the left and right steering levers
are in the neutral position.
d. Turn the electric blade clutch switch “Off”.
e. Push the throttle control to a position a
third of the way between slow and fast.
f. Insert the key in the ignition and start
switch and turn the switch to “On”.
g. Gasoline Engine: If the engine is cold,
push the choke to the on position.
h. Turn the ignition key in a clockwise direc-
tion to the “Start” position until the engine
starts.
Note: Do not hold the key in the “Start”
position for more than 10 seconds or you may
damage the starter. If the engine does not start
in this time, wait about 30 seconds and try
again.
i. Gasoline Engine: Once the engine starts,
push the choke on halfway and as the
engine warms, push the choke off all the
way.
4. Operating the Mower: Operating a zero-turn-
ing-radius mower is not like operating a trac-
tor-type riding mower. The zero-turning-radius
mower is much more maneuverable and
much less fatiguing to operate. However, get-
ting used to the fingertip control of the zero-
turning-radius mower takes some practice.
We strongly recommend that you locate a
“test area” where you can operate the mower
for about 30 minutes without being disturbed.
a. Get into the operator’s seat.
b. Start the engine.
c. Use the transport lever to raise the mowing
deck to the transport position. Make sure
the blade clutch switch is off.
d. After the engine has warmed, adjust the
throttle to the fast position.
e. Release the parking brake.

14
f. Fold in the steering levers to the operating
position.
WARNING:
When operating this mower forward, do not
allow the steering levers to return to the neu-
tral position on their own. Always maintain a
firm grip on the steering levers, operate them
smoothly and avoid any sudden movements of
the levers when starting or stopping.
g. To go forward, move both steering levers
slightly forward and the mower will slowly
move forward. The farther you move the
levers forward the faster the mower will go
forward.
h. To back up, move both steering levers
slightly backward and the mower will
slowly move backward. The farther you
move the levers backward the faster the
mower will go backward.
i. To turn, pull the lever back on the side to
which you want to turn. The farther back
you pull the lever, the faster and more
sharply you will turn. Initially, you will have
to be careful to avoid turning to fast and
too far.
j. After you have mastered operating the
mower, use the transport lever to lower the
mowing deck to the cutting position and
pull on the electric blade clutch switch to
start the blades rotating.
k. Practice mowing in straight passes. When
you feel confident, slowly practice mowing
around obstacles such as trees.
5. Parking the Mower:
a. Push off the electric blade clutch switch.
b. Use the Deck Lift Handle to raise the mow-
ing deck to the transport position.
c. Drive the mower to the cleanup or storage
area.
d. Move the throttle to slow.
e. Place the steering levers in the neutral
position.
f. Set the parking brake.
g. Turn off the ignition switch and take the key
from the switch.
h. Close the fuel shutoff valves.
MAINTENANCE AND
SERVICE
WARNING:
Disconnect the spark plug wires or remove the
key from the ignition to prevent the engine
from accidentally starting before performing
any maintenance on this mower.
A. Mower Deck
1. Removing the Mower Deck:
a. Apply the parking brake. Remove ignition
key and both spark plug caps.
b. Lower the cutter deck to the ground. Cap-
ture the lift handle by placing the height of
cut clevis pin above the lift handle.
c. Remove tension of the PTO belt by moving
the belt tensioning rod.
Note: There is a certain amount of spring
tension due to the weight of the deck. When
removing the lift linkage from the deck the ten-
sion of the springs will go from the deck to the
lift handle. Not capturing the lift handle while
removing the lift linkage from the deck will
cause it to snap back.
d. Disconnect the four cables that fold the
deck by loosening the outer hex - nuts. Dis-
connect the wire harness from the location
presence switches.
e. Detach the mower drive belt.

15
f. Remove three hairpins from the deck (See
Fig. 5). Remove the (2) hairpins on the left
and right rear side of the cutter deck, and
(1) hairpin from the front of the deck.
g. Turn front caster wheels outward.
h. Shift the deck toward the operator’s left
side of the mower and remove.
i. To install reverse the process.
2. Changing a Blade:
a. Remove the Key from the ignition and dis-
connect the spark plug and set the parkng
brake.
b. Jack up the front of the mowing deck about
one foot and block it in that position.
c. Use a 1-1/8" socket wrench on the pulley
side of the spindle to secure the blade bolt.
d. Remove the hex nut using a 1-1/8" wrench
or socket.
e. Remove the blade assembly from the bolt.
f. The pivot blades are attached to the blade
assembly with grade 8 shoulder bolts. To
remove the blades hold the head of the
bolt with a 3/4” wrench or socket and rem-
move the nut with a 9/16” wrench or
socket. Replace the 9/16” locknuts and the
grade 8 shoulder bolts, and apply locktite
262, or equivalent to the threads.
WARNING:
Never mow with dull blades! Blades that are
bent should be replaced! The cutting blades
are sharp and can cause severe injury. Wrap
the cutting surface of the blade with a rag to
avoid injury.
g. Clean any debris from the blades. Keep
blades sharp and free of build up at all
times.
h. Sharpen the pivot blades as part of the
blade assembly, so that the balance of the
assembly can be checked. Sharpen blades
evenly at the original 30° angle to maintain
balanced cutting blades. Do not sharpen
the underside of the blades. Use a electric
blade sharpener, a conventional electric
grinder or a hand file to sharpen the
blades.
i. Replace any blade with severe nicks or
dents that cannot be removed by filing.
j. Check the balance of the blade assembly
after sharpening by placing it on a blade
balancer. Do not use un-balanced blades.
k. If the blade dips on one end, file stock off
of the cutting surface on that end.
l. To replace the blade reverse the above
process and tighten 1-1/8” nut to 100-120
lb ft. and the 9/16” nuts to 35-40 lb ft.
Note: Blade assemblies that cannot be eas-
ily balanced—REPLACE. Replace 9/16” lock
nuts if the pivot blades are removed from the
assembly
3. Changing the Blade Drive Belts:
a. Set the parking brake. Remove ignition key
and both spark plug caps.
b. Unscrew the wing nuts from the deck cov-
ers and remove both covers.
c. Using a 1/2" socket breaker bar or socket
rachet insert the male end into the 1/2"
opening in the lower idler arm assembly
and pull the idler arm clockwise. While
holding the idler arm back, loosen the
blade drive belt from the pulley and slide
the belt away from the pulley.
Hair Pins
Figure. 5

16
d. Remove tension of the PTO belt by moving
the belt tensioning rod. Loosen the belt
retaining bolt.
e. Pull the tensioner pulley away from the belt
and remove the PTO belt then remove the
blade drive belt.
f. Reverse the process to install the belt.
Note: When replacing belts do not over-
tighten. Adjust the idler pulley so that a ten-
pound pull with a spring scale between two
pulleys deflects the belt about 1/2".
4. Changing the Spindle Assembly
a. Jack up the front of the mowing deck about
one foot and block it in that position.
b. Make sure the blade clutch is disengaged.
c. Remove the deck cover.
d. Remove the drive belts. (See 3. Changing
Blade Drive Belts.)
e. Remove the cutter blade assembly. (See 2.
Changing a Blade.)
f. Using a wrench or socket rachet remove
four hex nuts, and the four hex head cap
screws. Remove the spindle assembly.
B.Hydraulic Oil
WARNING:
Never overfill the hydraulic units. Damage can
occur if the oil level is not within the proper
operating range.
Note: When adding hydraulic oil, do so in
small quantities and recheck the oil level
before adding more. It is important that you do
not overfill the reservoir.
1. Adding Hydraulic Oil
(5W40 full synthetic)
a. Place the Mower on a level surface and
engage the parking brake.
b. Stop the engine and remove the key
from the ignition switch.
c. Clean the area around the Hydraulic Oil fill
neck.
d. Remove the hydraulic fill cap and check
the level. The correct level is up to the low-
est hole of the oil tank fill neck.
e. Pour hydraulic oil into the reservoir up to
the lowest hole in the oil tank fill neck, if
necessary.
2. Draining Hydraulic Oil
Used hydraulic oil must be disposed of properly. Do not
pour it down a drain or sewer, or dump it on open land, this
creates an environmental hazard. Please be aware of the
environment when disposing of used oil.
a. Place the Mower on a level surface and
engage the parking brake.
b. Stop the engine and remove the key from
the ignition switch.
c. Remove the mower deck. See section on
Mower Deck.
d. Raise the seat forward to expose the
hydraulic oil fill point.
e. Clean the area around the hydraulic fill oil
cap.
f. Remove hydraulic fill oil cap.
g. Place a suitable container (at least 2
quarts) under the hydraulic reservoir and
filter.
h. Remove the hydraulic filter to allow hydrau-
lic oil to drain. Remove the drain plug from
the bottom of the hydraulic oil tank to drain.
Replace the plug.
i. Place a small pan under the pump motor
frame. Remove fill oil cap from hydraulic
reservoir for faster drainage. Remove nut
Spindle
Figure. 6
Hydraulic Tank
Figure. 7

17
caps and drain oil from both left and right
pumps. Replace and retighten nuts.
j. Coat new filter seal with oil before installa-
tion. Install new hydraulic oil filter filled with
new oil.
k. Add proper amount of hydraulic oil to res-
ervoir.
l. Run and purge gearboxes. Check oil level.
m. Add proper amount of hydraulic oil to res-
ervoir and repeat step L.
C.Electrical Circuit
Danger:
Read General Safety Precautions Nos. 9 and 10.
1. Battery: The battery is located beneath the
operator’s seat. To keep the outside of the
battery clean, brush on a strong solution of
bicarbonate of soda and water and rinse with
clean water. Keep the contacts and cable
ends clean with a wire brush and make sure
the connections are tight. Coat the terminals
with petroleum jelly to prevent corrosion.
2. Battery Storage: When storing the Mower for
long periods of time the following guidelines
should be taken.
a. Disconnect the battery cables from the ter-
minals and remove the battery. You will
have to remove the control panel to access
the battery strap. Replace control panel.
b. Clean the battery before storing. A dirty
battery will lose its charge over time.
c. Store the battery with a full charge. A dis-
charged battery will freeze (refer to the
table below).
d. Recharge battery when ever the specific
gravity value is less than 1.225
3. Battery Removal
Warning:
When removing the cables from the battery
follow these steps to avoid a short between
the wrench and the frame.
a. Remove the Negative (black) cable.
b. Remove the Positive (red) cable.
c. Release the hold down straps.
d. Remove the battery without tipping.
4. Installing the Battery
Note: The battery is delivered from the fac-
tory fully charged and filled with electrolyte.
a. Attach the Positive (red) cable.
b. Attach the Negative (black) cable.
c. Attach the rubber battery strap.
5. Jump Starting
Warning:
Failure to use this starting procedure can
cause sparking, and the gases in the battery
to explode.
a. Attach the end of the red jumper cable to
the Positive terminal (+) of the charged
battery.
b. Attach the other end of the red jumper
cable to the Positive terminal (+) of the low
charge battery.
c. Attach the end of the black jumper cable to
the Negative terminal of the charged bat-
tery.
d. Attach the other end of the black jumper
cable to the frame of the unit with the low
charge battery.
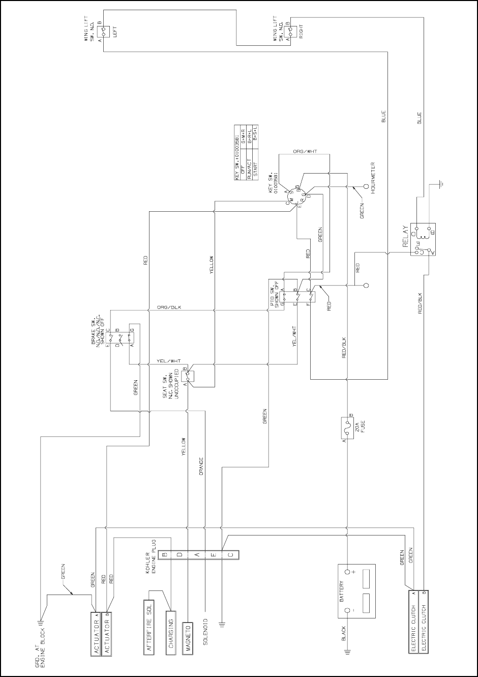
6. Fuses: There is one fuse located in the wiring
between the ignition and start switch and
Figure. 8
Hydraulic pumps
Unfasten hose and drain from
this side of both pumps.
Specific Gravity Freezing Temp (°F)
1.265 -71
1.250 -62
1.200 -16
1.150 5
1.100 16
18
other electrical components. This is a stan-
dard plug-in type automotive fuse rated at 7.5
amp.
7. Safety Switches: There are five safety
switches in the electrical circuit which control
the engine. They are (1) the blade clutch
switch, (2) the parking brake switch, (3) the
left and (4) the right steering lever switches
and (5) the seat switch.They operate so that
in order to start the engine, the blade clutch
switch must be off, the parking brake must be
engaged, and both steering levers must be
opened-out to the side in the neutral position.
Once the engine is started, the seat must be
occupied and the parking brake must be
released before either of the steering levers is
folded up to the operating position or the
engine’s electronic ignition will be grounded
out and the engine will stop. Also, the seat
must be occupied before the blade clutch
switch can cause the blades to rotate. There
are two folding deck position switches that
interrupt power to the Blade Clutch Switch
whenever the folding sections are not latched
down and both switches are not depressed.
8. Safety Switch Operation Checks: The fol-
lowing operational checks should be made
daily.
a. Blade Clutch Switch: Sit in the operator’s
seat. With both steering levers opened-out
in the neutral position and the parking
brake engaged, turn the blade clutch
switch “on” and try to start the engine. The
engine should not start. If it does, the blade
clutch switch must be replaced. If the
engine does not start, turn the blade clutch
switch “off” and start the engine. Now turn
the blade clutch switch “on” and the blades
should rotate. If the blades do not turn, the
blade clutch switch must be replaced, the
seat switch must be replaced or the elec-
tric PTO clutch must be repaired. The air-
gap should be checked every 300 hrs. (or
less, if severe operating conditions exist
such as when there are many on/off
cycles, mulching operations, material col-
lection systems used, and dusty/dirty con-
ditions), and the air-gap adjusted if more
than 0.035". To inspect, remove the “nega-
tive” cable from the battery and all spark-
plug wires. The air-gap should be checked
with feeler gages in the three slots of the
BBC. The air-gap should be adjusted to
0.013" to 0.015". There are three inspec-
tion slots i the brake cover. To adjust, suc-
cessively tighten each of the three gap
adjustment nuts an equal amount. Insert a
feeler gage (0.013" to 0.015") into each
slot as the air gap adjustment nut are tight-
ened. The correct adjustment occurs when
slight contact with the feeler gage occurs.
Engage the BBC a couple of times, and re-
check the air-gap. If it is not between
0.013" and 0.015", repeat the adjustment
procedure.
b. Parking Brake Switch: Sit in the opera-
tor’s seat. With both steering levers
opened-out in the neutral position and the
blade clutch switch “off”, release the park-
ing brake and try to start the engine. The
engine should not start. If it does, the park-
ing brake switch must be repositioned or
perhaps replaced. If the engine does not
start, engage the parking brake and start
the engine. Swing one steering lever up to
the operating position and the engine
should stop. If the engine does not stop,
the parking brake switch must be reposi-
tioned or replaced.
c. Left and Right Steering Lever Switches:
Sit in the operator’s seat. With both steer-
ing levers opened-out in the neutral posi-
tion, the parking brake engaged and the
blade clutch switch “off”, swing the left
steering lever up to the operating position
and try to start the engine. The engine
should not start. If it does, the left steering
lever switch must be repositioned or per-
haps replaced. Open the left steering lever
to the neutral position and swing the right
steering lever up to the operating position
and try to start the engine. The engine
should not start. If it does, the right steer-
ing lever switch must be repositioned or
perhaps replaced. If the engine does not
start, Open the right steering lever to the
neutral position and start the engine.
Swing the left steering lever up to the oper-
ating position and the engine should stop.
If the engine does not stop, the left steering
lever switch must be repositioned or
replaced. Open the left steering lever out
to the neutral position and start the engine.
Swing the right steering lever up to the
operating position and the engine should
stop. If the engine does not stop, the right
steering lever switch must be repositioned
or replaced.
d. Seat Switch: With both steering levers
opened-out to the neutral position, the
parking brake engaged and the blade
clutch switch in the “off” position, start the
engine. Now release the parking brake,
hold down on the back of the operator’s
19
seat against spring pressure, and swing
one of the steering levers up to the operat-
ing position. Release the operator’s seat
and the engine should stop. If the engine
does not stop, the seat switch must be
replaced. With both steering levers folded
out in the neutral position, the parking
brake engaged and the blade clutch switch
in the “off” position, sit in the operator’s
seat and start the engine. Turn the blade
clutch switch to the “on” position and the
blades should start to rotate. Raise up
slightly off the operator’s seat and the
blades should stop. If the blades do not
stop when you dismount from the opera-
tor’s seat, the seat switch must be
replaced.
e. Electric PTO Clutch: This clutch operates
when the engine is running, the operator is
in the operator’s seat and the blade clutch
switch is turned on.This electric clutch is a
fairly trouble free device. If a problem
develops and the blades do not turn, first
check the 7.5 amp fuse in the yellow, 16-
gauge wire between terminal “L” (for the
Gasoline Engine) on the ignition switch
and the hour meter and then investigate
the wiring harness and the connections to
the seat switch, the blade clutch switch and
the electric blade clutch. Then check out
the seat switch, the blade clutch switch and
finally the electric blade clutch.
f. Folding Deck Position Switches: There
are switches located on the folding deck
mechanism of each folding section, both
switches must be depressed to activate the
electric PTO clutch (BBC).
D.Tires
The two front wheels are caster wheels that are free
to swivel to accommodate the direction of the Mower.
The two rear wheels are used to propel the Mower in
the direction of input from the drive handles. Inflation
pressure of the rear tires is important for stability
while the Mower is in operation. If the tire diameter is
not equal between the two tires, the Mower will pull to
one side.
1. Inflation Pressure:
a. Traction Tires—20 psi max; 10-12 psi rec-
ommended
b. Front Caster Wheel—28 psi max; 20-25
psi recommended
c. Cutting Deck Ball Wheels—Solid Polyure-
thane.
Use the Following guidelines for maintaining the tires:
a. Balance inflation pressure between the
rear tires to help maintain straight travel
(see tire side wall for proper inflation pres-
sure).
b. Keep the valve caps tightened to prevent
air pressure loss.
2. Leaking Tires: When a flat tire occurs, repair
or replace immediately. The normal procedure
is to remove the wheel and replace it with a
spare. Take the leaking tire to a maintenance
area and repair. If a tire is getting soft, park
the mower on the nearest level, paved area. If
the leaking tire is on a traction wheel, put
blocks on each side of the opposite traction
wheel and jack up the tire that leaks about an
inch off the ground. Loosen and remove the
lug nuts and remove the wheel. Mount a
spare wheel and tire, replace the lug nuts, and
using a torque wrench, tighten them to 60 ±
10 ft-lbs.
If the leaking tire is on a front caster wheel,
block both traction wheels and raise the
caster wheel so that the tire is an inch off the
ground. Loosen and remove the locknut from
the axle assembly and pull the axle assembly
from the caster yoke. The wheel and two
spacer sleeves will drop free. Slip the axle
assembly through one side of the caster
yoke, through a spacer sleeve, a spare
wheel, the other spacer sleeve and finally
through the other side of the caster yoke.
Then tighten the locknut on the end of the
axle assembly.
Lower the mower off the jack and continue
mowing. The wheel with the leaking tire
should be taken to the maintenance area, the
tire inflated to 20 psi and the wheel placed in
a large bucket of water. Carefully inspect the
tire, rim and valve for escaping air bubbles
which indicate a leak. Mark each leak with a
yellow marking crayon and then deflate the
tire to 8 psi and repeat the inspection. If the
leaks you find are pin hole size to 1/16"
diameter, the tire can be repaired using an
aerosol can of tire inflater and latex sealer
available from any auto supply store. Follow
the directions on the can. If the leaks are
larger than 1/16" diameter, the tire can be
repaired with rubber plugs also available in a
kit from any auto supply store. If the tire bead
is damaged, a tube will have to be installed in
the tire or the tire will have to be replaced.
3. Creeping: Creeping is the slight forward or
backward movement of the mower when the
throttle is on and the lapbars are in the

20
opened-out position. If your mower creeps do
the following.
a. Jack up rear of unit.
b. Place Lapbars in neutral opened-out posi-
tion.
c. Locate jam nuts. (Reference control
assembly in parts list).
d. Loosen jam nuts on both ends of rod con-
nectors. See Control Assembly in the Illus-
trated Parts Book (ONLY if mower creeps.)
e. Start unit and push throttle all the way on.
f. If unit creeps forward rotate rear rod con-
nectors counter-clockwise. And if unit
creeps in reverse, rotate clockwise.
Adjust the appropriate rod connector. The
left rod for the left side of the mower and
the right rod for the right side of mower.
Afterward, retighten jam nuts.
E. Brakes
While the mower is in motion, all braking is performed
dynamically through the hydraulic pumps and traction
motors, controlled by the two steering levers. When the
mower is parked with the engine shut off, the hydraulic
system locks the traction wheels.
Note: To move the mower forward or in
reverse by pushing, you must release the
dynamic braking. Locate the valves on the
pump. Turn valves counter-clockwise one
quarter turn to push the unit. After pushing
the mower to the desired location, return both
valves to the operating position (See photo
below).
When the mower is parked with the engine running
and the steering levers opened out in the neutral
position, the parking brakes should be applied. The
parking brakes are drum-type brakes mounted on
each traction wheel.They are both engaged by the
same operating lever.
1. Adjustments: The parking brake handle is an
overcenter lever that should engage with
moderate force.
Note: To increase parking brake capacity
tighten the brake rods going back to the brake
arms equally. Tighten rods one full turn and
check parking capacity. Repeat Step.
To adjust either brake individually, disconnect the
brake rod from the brake arm by removing the cotter
pin from the clevis pin and pulling the clevis pin from
the brake clevis. Loosen the hex nut and turn the
brake clevis in a clockwise direction one full turn
looking down the brake rod. This will tighten the brake
about .040 inch. Tighten the hex nut and reassemble
the brake clevis to the brake shaft assembly.
Normally, both brakes should be adjusted and equal
amount.
2. Repair: The mower is equipped with drum
brakes and will not normally require mainte-
nance. If they are not working properly, please
contact your service center.
F. Hydraulic System
1. Hoses: Check the hoses from the hydraulic
oil tank to the oil filter to the hydraulic lines
daily for leaks or abrasion and replace any
damaged hoses. Make certain there are no
kinks or twists in any hose.
2. Hydraulic Oil Tank and Filter:
Note: Change the hydraulic oil and the oil
filter after the first 50 hours of operation and
every 500 hours thereafter.
To drain the hydraulic oil tank, place a 2 quart drain
pan under the drain plug on the bottom of the
hydraulic oil tank. Remove the drain plug, drain the
tank, then replace the plug. Place the drain pan under
the filter and remove the filter by unscrewing in a
counterclockwise direction. The filter will be full of oil,
so empty it into the drain pan. You don’t have to drain
the rest of the hydraulic system. Fill the replacement
filter with 5W40 full synthetic oil and lubricate the
sealing surface. Screw the filter onto the filter base
until it seats and then another one-half turn to seal.
Note: Always wipe off the hydraulic tank fill
cap and the area around it before removing
the cap to prevent dirt from contaminating the
oil.
Remove the fill cap and fill the tank with the same
5W40 oil selected for the filter until the oil level is up
to the level of the second hole in the fill tube. Leave
this air space for expansion. Start the engine and let it
run at idle for about five minutes. Check the filter for
leaks. Idling the engine and the pumps in this way will
Hydro Release Valve
21
purge any air from the system. Shut off the engine
and recheck the oil level in the tank. Top-off if
necessary until the oil level is up to the second hole in
the fill tube.
Note: After unit is up to operating tempera-
ture, turn off engine and re-check hydraulic
oil. If oil appears foamy or contains excessive
air bubbles, DO NOT OPERATE UNIT. Contact
service technician.
3. Hydrostatic Pumps and Motors: The pumps
are the hardest-working components in the
hydraulic system. They are in operation all the
time the engine is running. Because of
extremely close tolerances, wear is an impor-
tant factor in their life.
Contaminants
in the
hydraulic oil and
cavitation
does the greatest
harm to the pumps. Cavitation is a blockage in
the supply lines that produces a partial vac-
uum causing violent bubbling in the hydraulic
oil in the pump.
Check the two suction hoses (the hoses con-
nected to the filter) daily before starting the
engine. Look for a flattened condition or any
leaks and repair or replace as necessary. A
flattened or leakng suction hose will permit
cavitation to develop which can destroy the
pumps in a short time.
Contaminants or foreign matter in the oil will
also damage the pumps . To prevent this, use
a filter that captures particles as small as 30
microns or 30 millionths of a meter in diame-
ter. You can help in the battle against dirt by
being very careful when you remove or repair
a component in the hydraulic system. Thor-
oughly clean off any component before you
work on it. Plug the ends of any hose or line
you remove with a rubber or plastic plug. Use
plastic caps to seal off the ends of hydraulic
fittings. Place any component you remove in a
clean plastic bag so it can’t pick up dust or
dirt. Clean your hands frequently when work-
ing on the hydraulic components.
Note: The pumps are not owner-repairable.
If a pump fails, contact your Cub Cadet Com-
mercial dealer. Do not disassemble the pump.
4. Steering Lever Adjustments: Place the
mower on level ground with the engine run-
ning, parking brake off and steering levers
opened out to the neutral position. If the
Mower begins to creep, adjust the Steering
Levers.
If the mower creeps, first determine whether it
creeps to the right or left side and which direc-
tion the mower moves — to the front or the
rear. To make the adjustment, place the steer-
ing levers in the opened-out neutral position
and set the parking brake, shutoff the engine,
take the key from the ignition switch and pivot
the seat forward. If the mower creeps to the
right, you will adjust the linkage on the left
side of the mower and vice-versa. Remove
the cap screw and lock washer that secure
the linkage control arm rod end bearing to the
control lever pivot. Loosen the jam nut which
prevents the rod end bearing from turning. If
the mower creeps forward, thread the rod end
bearing one-half turn clockwise into the link-
age control arm. If the mower creeps back-
ward, thread the rod end bearing one half turn
counterclockwise out of the linkage control
arm. Then tighten the jam nut and reconnect
the rod end bearing to the control lever pivot
by replacing the cap screw and lock washer.
After adjusting the steering linkage, swing the
seat back to its normal position and place the
steering lever on the side you adjusted up to
the operating position. If you feel a slight push
forward or a slight pull backward from the
neutral position you must adjust the lever
return assembly. To do this, swing the steering
lever back out to the neutral position, pivot the
seat forward and loosen the jam nut on the
lever return rod where it is threaded into the
hex-shaped end of the lever return bolt. If the
steering lever was pushed forward, turn the
hex-shaped lever return bolt clockwise one-
half turn off of the lever return rod. If the steer-
ing lever was pulled back, turn the hex shaped
lever return bolt counterclockwise one-half
turn onto the lever return rod. Then tighten the
jam nut, pivot the seat back into the operating
position and start the mower to check that
your adjustments were made correctly.
G. Storage
1. General: If your mower will not be in service
for a few months, it should be stored in a dry
location that is not subject to drastic changes
in temperature. Before storing, the following
maintenance procedures should be per-
formed.
a. Clean the mower. The entire tractor and
cutting deck should be washed and
cleaned.
b. Sharpen the blades so that the mower will
be ready to use when needed.
c. Protect the metal surfaces. Repair
scratches with the appropriate touch-up
spray paint. Brush a rust preventive oil on
any unpainted surfaces including the pul-
22
leys and blades. (Be careful not to get any
oil on the drive belts.)
d. Lubricate the mower.
e. Drain the engine oil. The engine should be
warm so that all the oil drains. Replace the
engine oil filter and refill the crankcase with
fresh oil.
f. Gasoline Engine: Drain all the fuel. Close
the fuel tank shutoff valve. Disconnect the
fuel line from the carbuetor and put the end
into an approved fuel container. Open the
fuel tank shutoff valve and drain the fuel
tank and line into the approved container.
Replace the fuel line on the carburetor.
Start the engine and allow it to run out of
fuel. This will prevent gum and varnish
deposits from forming. Replace the fuel fil-
ter.
g. Gasoline Engine Only: Remove the spark
plugs and pour approximately one ounce
of oil into each cylinder. Crank the engine
one or two turns to spread the oil evenly on
the cylinder walls. Replace the spark
plugs.
h. Disconnect, clean and make sure the bat-
tery is fully charged.
i. Inspect the hydraulic hoses, lines and fit-
tings. Replace as necessary.
j. Jack the mower up and store it on blocks to
take the weight off of the tires.
2. To Put the Mower Back in Service:
a. Check the battery. Charge if necessary.
b. Gasoline Engine Only: Remove the spark
plugs and wipe them off. Using the starter,
crank the engine to pump the excess oil
out of the spark plug holes. Replace the
spark plugs and the ignition leads. Refill
the fuel tank with fresh gasoline.
c. Check the level of the oil in the crankcase
and the hydraulic tank.
d. Lower the mower off the block and check
the tire pressure.
e. Push the mower outdoors and start the
engine. Let the engine idle until it has
warmed up completely (4 to 5 minutes).
MAINTENANCE SCHEDULE
A. Daily Checks
1. Before starting engine:
a. Check the fuel level.**
b. Check the engine oil level.**
c. Check the hydraulic oil level.
d. Check the hydraulic hoses for leaks, abra-
sion, kinks, twists, or a flattened condition.
e. Check the tires and tire pressure.
Drive Tires: 10-12 psi.
Front Caster Wheels: 20-25 psi.
f. Check the spindle belt, the mower drive
belt and the hydro drive belt.
g. Check the blades. Make sure they are
sharp and that the blade securing bolts
and nuts are tight.
h. Check the cutting height.
2. When ready to start the engine:
a. Check the five safety switches for proper
operation.
3. After mowing:
a. Clean the mower.
b. Clean the engine air screen.
c. Oil the wear points. Follow the Oiling
Chart.
d. After the first five hours, Change the
engine oil and engine oil filter.
B. Every 25 Hour Checks
1. Service the engine foam element air pre-
cleaner.*
2. Grease the three spindle bearings.
C. Weekly or Every 50 Hour Checks
1. Change the engine oil. (Every 25 hours under
heavy duty operation.)
2. Clean or replace the engine’s paper air
cleaner element.*
3. Check the battery’s electrolyte level.
4. Clean the engine cooling fins and external
surfaces.*
5. After the first 50 hours, change the hydraulic
oil and the hydraulic oil filter. Change them
every 500 hours thereafter.
6. Oil wear points. Follow the Oiling Chart.
7. Lubricate all grease fittings. Follow the
Lubrication Chart.
D. Every 100 Hour Checks
1. Change the engine oil filter. (Every 50 hours
under heavy duty operation.)
2. Check the engine spark plugs.
3. BBC air gap should not exceed 0.035”
E. Yearly Checks
Check the oil in the hydraulic reservoir.
* Perform maintenance more frequently under dusty
conditions.
**Reference Engine Owner’s Manual

23
.
OIL CHART
Apply a few drops of SAE 20W-50 engine oil or use a spray lubricant. Apply
the oil to both sides of pivot points. Wipe off any excess. Start engine and
operate mower briefly to insure that oil spreads evenly.
Number of Oil Points Description
DAILY
4
4
2
2
2
2
1
2
WEEKLY
1
2
2
2
1
1
1
4
2
2
Deck Suspension Pivots
Height Adjustment Turnbuckle Clevis Pin
Height Adjustment Handle Pivots
Height Adjustment Stop Pivots
Deck Lift Linkage Pivots
Transport Handle Pivots
Transport Handle Pin
Deck Frame Up-and-Down Pivots
Seat Hinge
Steering Lever Linkage Rod End Bearings
Lever Return Assembly Rod End Bearings
Pump Control Lever Pivots
Brake Lever Pivot Clevis Pin
Brake Lever Control Rod Pivot
Brake Control Rod Swivel Joint
Brake Rod Clevis Pins
Brake Shaft Assembly Pivots
Grass Collection System Lid Hinges
(If Mower is so equipped)
LUBRICATION CHART
Use a grease-gun filled with NO. 2 Multipurpose Lithium Base Grease
No. of Grease Fittings Description
EVERY 25 HOURS
3
WEEKLY
2
2
4
2
1
2
1
1
2
Blade Spindle Bearings
Front Caster Wheels
Front Caster Wheel Spindles
Mowing Deck Pivots
Deck Take-Up Idler Pivots
Axle Pivot
Steering Lever Pivots
Hydro Take-up Idler Pivot
Park Brake Pivot
Mower Deck Ball Wheels

24
Performance Adjustments
A. High Speed Tracking Adjustment
If mower tracks to one side with both lap bars in fully
forward position:
1. Check air pressure in all four tires:
a. Pressure should be within specified ranges
and balanced side-to-side.
b. Rear tires 8-10 psi. recommended (20 psi
MAX.)
c. Front tires 20-25 psi. recommended (28 psi
MAX.
2. Check hydraulic fluid level (Ref. Engine
owner’s manual)
3. Verify that the mower does not creep when
the engine is running, the lap bars are in the
neutral position and the parking brake is
released. (Refer to section D-3 on page 19 of
this manual if this condition exists).
4. Recheck the tracking after any adjustments
based on the above.
5. If uneven tracking persists, adjust as follows.
(see Fig. 9)
a. Unit tracks to the RIGHT, adjust Left lap
bar stop bolt to make it longer.
b. Unit tracks to the LEFT, adjust Right lap
bar stop bolt to make it longer.
6. Re-check the tracking and make any fine tun-
ing adjustments to the lap bar stop bolts as
required.
Note: If stop bolt is adjusted too far, track-
ing problem will change sides. Make the fine
tuning adjustments by shortening the same
bolt.
B. Enginge RPM Check and Adjustment
1. Verify that the lap bars are in the neutral posi-
tion, the parking brake is on, and the PTO
drive is disengaged.
2. Start the mower and let it run at approximately
half throttle for 3-5 minutes to bring the engine
up to operating temperature.
3. Locate the Hour Meter/Tachometer/ Service
Minder display on the right hand operator con-
trol panel. (see Fig.1 on page 8 of the manual)
This display defaults to Tachometer mode
when engine is running.
4. Move the throttle lever to the high speed posi-
tion and note the RPM reading on the display.
5. Move the throttle lever back to the low speed
position and again note the displayed RPM’s.
6. Compare these noted RPM readings to the
specifications in Table 1, for the engine that is
on your mower.
7. If the readings do not correspond to the
ranges in the table, refer to the engine
owner’s manual for the proper adjustment pro-
cedures.
8. If adjustments per the engine operator’s man-
ual do not result in proper RPM readings, con-
tact your service technician.
9. Note: The throttle cable sheath may shrink or
slip over time, changing the relationship
between the throttle lever on the left hand
operator control panel and the throttle arm on
the engine. To readjust the throttle cable:
a. Make sure the engine is off, place lap bars
in the neutral position, set the parking
brake, and disconnect and ground both of
the spark plug wires.
b. Locate and loosen the cable clamp on the
engine throttle plate.
c. Place the operator’s throttle lever to the
high speed position and then slide the
cable through the clamp until the throttle
arm is in the full throttle position. (Ref.
Engine owner’s manual)
d. Tighten the cable clamp.
e. Move the operator’s throttle lever between
high and low speed and verify that the
engine throttle arm also moves through it’s
full range of motion.
f. Repeat as required to obtain proper throt-
tle adjustment.
g. Verify proper throttle adjustment by check-
ing RPM readings as outlined above.
Figure. 9
Lap Bar Stop Bolt
Description High RPM Spec. Low RPM Spec.
23 HP Kohler 3600 +/-50 1550 +/-100
NOTE: RPM Specs. are for free running engines under no load.

25
C. Deck Corner Ball Wheel Roller Settings
1. Matching the set heights of the ball rollers on
the four corners of the mower deck to the
desired cut height will prevent edge scalping
and minimize any side-to-side variance in cut
height.
2. There are three height adjustment holes in
the bracket that mount the ball rollers to the
deck.
a. Use the top set of holes for cut heights of 2
inches or lower.
b. Use the middle set of holes for a 2-1/2 - 3-1/2
inch cut height.
c. Use the bottom set of holes for cut heights of
4 inches.
D. Deck Center Anti-Scalp Roller Settings
1. The front and rear rollers help prevent the
scalping of high spots and uneven terrain
across the center section of the deck.
2. The rollers on the front of the deck are fixed at
the factory and can not be adjusted.
3. The rollers on the rear of the deck can be
adjusted downward one inch.
a. Lowering the roller will increase the strip-
ing effect left behind the mower.
b. This positioning of the rear roller will also
help to filter the mulched grass clippings
into the turf.
c. Roller should not be lowered if the cut
height is set at 2-1/2 inches or lower.
E. Lap Bar Adjustment
1. Proper lap bar and seat adjustment will result
in the following:
a. In the neutral position with hands on the
lap bars,
1. Operator’s upper arms should be relaxed
and approximately vertical.
2. Operator’s forearms should be approxi-
mately vertical.
b. In the full forward position,
1. Operator’s back should stay in contact
with the seat back.
2. Lap bars should not contact operator’s
legs.
c. In the full reverse position,
1. Lap bars should not contact the opera-
tor’s legs or torso.
2. Set the seat to the preferred operating position.
a. Adjustment lever is located under the front
edge of the seat.
b. The seat has five inches of front-to-rear
adjustment available.
4. Check factory settings of lap bars for the con-
ditions listed above.
Note: If lap bar adjustments are required,
height adjustments should be made prior to
angular adjustments.
5. To adjust the height of the lap bars,
a. Remove the nuts from the lap bar mounting
bolts (see Fig. 10).
b. Remove the bolts and lap bar and repostion
to the seconc set of holes in the mounting
block.
c. Replace the bolts and nuts and tighten to
28-34 ft-lbs.
1. If angular adjustments are also required,
nuts can be tightened until snug at this
point.
d. The same adjustments should be made to
both sides of the mower.
6. To adjust the front-to-rear angle of the lap bars,
a. Loosen the nuts on the lap bar mounting
bolts, leaving the bottom one fairly snug.
b. The top hole is slotted, allowing the lap bar
to pivot on the bottom bolt.
c. Move lap bar to the desired angle and
tighten the nuts to 28-34 ft-lbs.
Note: In the neutral position, the handles of
the lap bars should be aligned with approxi-
mately a one inch gap between the tips. Adjus-
the gap by adding shim washers to the top
mounting bolt between the lap bar and the
mounting block.
d. Check the results of any adjustments to
the conditions described in section a,
above. Repeat any adjustment procedures
as required until all conditions are met.
Figure. 10
Lap Bar Mounting Bolt and Nuts
26
F. Deck leveling Procedure
1. Park the mower on a flat paved surface, engage
the parking brake, shut off the engine, remove
the key from the ignition switch, disconnect the
spark plug wires and using the transport lever,
lower the mowing deck into the 4" height of cut
position. (The 4" height of cut position is recom-
mended in order for one to see and obtain a
measurement. Any height of cut position is
acceptable as long as a proper measurement
can be taken.)
2. Check the right and left front tire pressure.
Adjust as necessary to 20-25 psi. Tire pressure
can affect blade height by as much as a 1/4”.
3. Check the right and left rear Drive tire pressure.
Adjust as necessary to 10-12 psi.
4. Measure blade-to-ground height at the front tip
of the right blade. To obtain an accurate mea-
sure, align blades in parallel with mower center-
line, (i.e. front to back).
5. Measure blade-to-ground height at the front tip
of the left blade. Be sure to measure at the
blade tip with the blades arranged in proper
position.
6. To level the deck, adjust the threaded bolt on the
left side of the deck (Point B) so that the blade-
to-ground height at the right front blade tip
matches that of the left front blade tip. This is
done by loosening the jam nut on the threaded
bolt and tightening the upper nut to raise the
deck and loosening the nut to lower the deck.
The right front blade tip height is fixed so you
must adjust the left front tip to match it.
7. Measure the blade-to-ground height at the right
rear blade tip. Again be sure to measure at the
blade tip at the rear of the right blade when
aligned along the mower centerline. The blade-
to-ground height at the rear of the blade tip
should be 1/8" to 1/4” higher than the front tip.
This is referred to as blade pitch. The same
height difference should be true for the left
blade, measured front and back.
8. To adjust the blade pitch the deck pitch must be
adjusted. Loosen the inner jam nut at the front
rod end to raise the front of the deck, tighten the
hex-head bolt to reduce the deck pitch.
(see Fig. 11)
G. Deck lift cable adjustment Procedure
Note: Start at either side w/ wings in down
position. Do one side then the other.
1. Remove deck wing latch system covers using
a 9/16” wrench.
2. Activate lift switch quickly “on” then “off” to
raise the wings. (This will slowly tighten the
cable in increments).
3. Observe which cable tightens first.
4. Keep activating the switch until one of the
deck wing latches just begins to release
(slightly disengaged).
5. Tighten the opposite cable using two 1/2”
open end wrenches until that deck wing latch
appears to be at the same relese point as the
other.
6. Again, activate lift switch quickly “on” and “off”
until one of the latches just begins to release.
7. Check the opposite cable to verify that the
deck latch is at the same release point as the
other.
8. Lower the wing and repeat the procedure to
verify that both latches are releasing at the
same point.
9. Repeat the above procedure on the other side
of the deck. (Steps 1 through 8)
10. After adjusting both sides, raise and lower the
wings full up and full down as normal opera-
tion. (20+ cycles required)
11. Wings should come up simultaneously,
smoothly w/o ticking, binding or abrupt
unlatching of the locks.
12. Readjustment is required if there is any stick-
ing or wings obviously do not raise together
(one side starts raising before the other).
13. After 20+ trouble free cycles reinstall latch
sytem covers.

27
Eyebolt
Jam Nuts
Point B
Figure. 11
threaded bolt
Left Side
Front
of Unit
Jam Nut
Point B
Right Side

28
WIRING DIAGRAM

29
SLOPE GAUGE
Do not mow on inclines with a slope in excess of 15 degrees (a rise of approximately 2-1/2 feet every 10 feet). A riding mower
could overturn and cause serious injury. If operating a walk-behind mower on such a slope, it is extremely difficult to maintain
your footing and you could slip, resulting in serious injury.
Operate ZERO-TURN mowers across the face of slopes, never up and down slopes.
Operate WALK-BEHIND mowers across the face of slopes, never up and down slopes.
WARNING
15°
SIGHT AND HOLD THIS LEVEL WITH A VERTICAL TREE
A POWER POLE
A CORNER OF A BUILDING
OR A FENCE POST
FOLD ON DOTTED LINE, REPRESENTING A 15° SLOPE
USE THIS PAGE AS A GUIDE TO DETERMINE SLOPES WHERE YOU MAY NOT OPERATE SAFELY.

30
MAINTENANCE RECORD
DATE WORK PERFORMED DATE WORK PERFORMED

31
MAINTENANCE RECORD
DATE WORK PERFORMED DATE WORK PERFORMED

MANUFACTURER’S LIMITED WARRANTY - TURF EQUIPMENT
This warranty is specific to the product manual to which it is attached.
For a complete list of products and warranties contact your authorized Cub Cadet Commercial dealer.
Proper maintenance of the purchased Cub Cadet Commercial equipment is the owner’s responsibility.
Follow the
instructions in your owner’s manual for correct lubricants and maintenance schedule. Your Cub Cadet Commercial dealer
carries a complete line of quality lubricants and filters for your equipment’s engine, transmission, chassis, and attach-
ments.
What is Covered By This Warranty?
This limited warranty covers any defect in materials and/or workmanship in your
Cub Cadet Commercial equipment to the original owner for the following time periods:
A) First (1
st
) Year of Original Ownership:
Both
Parts
found defective in materials and /or workmanship
and
the
associated
Labor
of the particular repair are covered under the terms of this limited warranty
B) Second (2
nd
) and Third (3
rd
) Year of Original Ownership:
Parts
found defective in materials and /or workmanship are
covered under the terms of this limited warranty.
•Limited Battery Warranty: 90-day free battery replacement in the case of defects in materials and/or
workmanship, thereafter prorated for the period from the fourth (4th) through the twelfth (12
th
) month of
ownership.
•“No-Fault Warranty”: Covers the “No-Fault” to owner replacement of damaged belts, tires, seats, and grass bags
(cutting blades are not included) for a period of One (1) month or One-Hundred (100) hours, whichever comes
first.
•Limited Engine Warranty: Parts and Labor for defects in materials and/or workmanship are covered for the first
two (2) years of original equipment ownership. Refer to the Engine Manual for specific limitations and restric-
tions.
Accordingly, Cub Cadet Commercial will replace or repair any part or parts without charge through your authorized Cub
Cadet Commercial dealer subject to the above time and coverage limitations. Upon completion of your purchase, the
Serial Number/s of the unit will be registered with the Cub Cadet. This will initiate and validate your limited warranty and
the applicable Warranty Period.
What is Not Covered By this Warranty?
Cub Cadet Commercial does not warrant ( a ) routine maintenance items such
as lubricants, filters (oil, fuel, air and hydraulic), cleaning, tune-ups, brake or clutch inspections, adjustments made as part
of normal maintenance, blades, blade sharpening, equipment setup, and normal wear items; ( b ) incidental cost such as
transporting equipment to and from the dealer, telephone charges or renting product temporarily to replace a warranted
product; ( c ) damage caused by use of the equipment for purposes other than those for which it was designed; ( d )
damage caused by accident or Disasters such as fire, flood, wind and lighting: ( e ) damage caused by unauthorized
attachments, modifications, alterations, improper servicing or maintenance, improper storage; or ( f ) any other abuse or
misuse of the equipment.
Exclusive Warranty.
The foregoing warranty is exclusive and in lieu of all other warranties or remedies, whether written,
oral or implied. Any and all implied warranties of merchantability, fitness for particular purpose, course of delaying or
usage of trade are hereby expressly disclaimed and excluded
. (Some states do not allow the exclusion or limitation
of incidental or consequential damages, so the above exclusion or limitation may not apply to you.)
Limitation of Remedies.
Under no circumstances, except to the extent such exclusions are prohibited by applicable law,
shall Cub Cadet Commercial be liable for any loss or damage, direct or indirect, special, incidental or consequential
arising out of the use of or inability to use this equipment including but not limited to any claim for loss of profits, loss of
profits, loss of savings or revenue, loss of use of the equipment or any associated equipment, facilities or continued
service, downtime, the claims of costs of third parties including customers and injury to property. Some states do not
allow limitations on how long an implied warranty lasts of the exclusion or limitation of incidental or consequential
damages, so the above limitations or exclusion may not apply to you.
This warranty gives you specific legal rights,
and you may also have other rights that vary from state to state.
Future Changes
: Cub Cadet Commercial reserves the right to reserve, change or modify the construction and design of
its equipment or any component part or parts thereof without incurring the obligations to make such changes or modifica-
tions in present equipment.
How to Obtain Service:
Contact the authorized Cub Cadet Commercial dealer at the point of original retail purchase to
obtain service or replacement parts.
Products purchased outside the USA are not covered by this warranty
Cub Cadet
P.O. Box 368023
Cleveland, Ohio 44136
Form No. 02000822 Rev. 04-0 12/10/2004