D Link WM800AA1 HSPA+ module User Manual DWM 800B Hardware User Guide
D Link Corporation HSPA+ module DWM 800B Hardware User Guide
  
    D Link   >  
user guide DWM-final

DWM-800A  
HW User 
Guide

2 
CONTENT 
1. INTRODUCTION ............................................................................................................................................... 3 
1.1. OVERVIEW ............................................................................................................................................................................3 
1.2. APPLICATION TYPE ...............................................................................................................................................................3 
1.3. INSTALLATION GUIDELINES .................................................................................................................................................4 
1.4. APPLICATION SCENARIO .......................................................................................................................................................4 
2. DWM-800A  INTERFACES ........................................................................................................................... 5 
2.1. DWM-800A  INTERFACE SUMMARY ....................................................................................................................................5 
2.1.1. RF interface ...............................................................................................................................................................5 
2.2. APPLICATION NOTE OF DWM-800A  INTERFACES ..............................................................................................................7 
2.2.1. Power supply and Ground ............................................................................................................................................7 
2.2.2. USB interface ...............................................................................................................................................................8 
2.2.2.1. Description ...................................................................................................................................................................8 
2.2.3. USIM interface ............................................................................................................................................................9 
2.2.4. PCM  interface ...........................................................................................................................................................10 
2.2.5. SD card tntreface .......................................................................................................................................................11 
2.2.6. Others .........................................................................................................................................................................11 
3. ELECTRICAL CHARACTERISTICS AND SAFETY INFORMATION ..................................................... 12 
3.1. ABSOLUTE MAXIMUM RATINGS .........................................................................................................................................12 
3.2. POWER-UP AND POWER-DOWN SEQUENCE .......................................................................................................................12 
3.3. OPERATING CONDITIONS ...................................................................................................................................................13 
3.4. RF EXPOSURE COMPLIANCE .............................................................................................................................................14 
4. PINS DESCRIPTION OF MINI PCIE CONNECTOR ................................................................................. 15 
FEDERAL COMMUNICATION COMMISSION INTERFERENCE STATEMENT ......................................... 16 

3 
1. Introduction 
1.1. Overview 
The HSPA+ Mini  PCIe module DWM-800A , powered by MT6280 chipset, can be integrated into any devices for 
3G mobile applications. It provides SMS, MMS,  Call  as well as high speed internet access to HSPA+and UMTS 
networks worldwide. Main features of  DWM-800A  is listed in table 1-1 
Table 1-1 Main Features of DWM-800A  
Item 
Description 
Air Interface 
HSPA+/UMTS/EDGE/GPRS/GSM/WCDMA 
Transmit speed 
DL 21 Mbps, UL 11 Mbps  
Frequency 
GSM Band : 850/900/1800/1900MHz  
UMTS Band: 2100/1900/850 MHz 
Operating temperature range 
Normal Operation: 0°C to +45°C 
Storage: -20°C to +65°C 
Size 
51mm*30mm*4.7mm 
Voltage range 
Power Supply: 3.3V-3.6V 
1.2. Application Type 
The application type of the module is shown as bellow: 
All instructions relating to the integration of the module described on the FCC Grant notes must be followed. 

4 
1.3. Installation Guidelines 
Careful planning and preparation of any installation will always benefit the end result, always read and follow all installation 
instructions. Follow ESD precautions and prepare an SD safe workspace for installation. Turn the power to the host off and ground 
yourself to dissipate static charge. 
Mount only in sockets and locations intended for Mini PCIe cards consult manufacturer on thermal management 
recommendations for the module mounted within the host. 
1.4. Application scenario 
The HSPA module DWM-800A  supports Voice Call, SMS, MMS and internet access functions. The  block diagram of 
DWM-800A  is as follows: 
Figure1-1 DWM-800A  block diagram 

5 
2. DWM-800A  interfaces 
2.1. 
 DWM-800A  interface summary 
The module DWM-800A  supports multimode operation: HSPA+, UMTS (850/1900/2100 MHz) and quad-band 
GSM (850/900/1800/1900 MHz). The size of DWM-800A  is 51mm*30mm*4.7mm.  The appearance is shown in Figure 
2-1 and Figure 2-2.  
Figure 2-1 The front view of DWM-800A   Figure 2-2 The rear view of DWM-800A  
The MINI PCI-E is shown as in Figure , which is the main interface for application.  RF antenna pad connector is 
shown as in Figure 2-1 . 
2.1.1. RF interface 
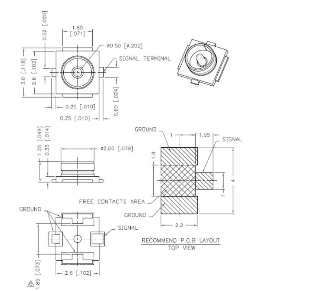
The DWM-800A  module provides an interface for RF antenna by Connector: DWM-800A  uses HRS’s U.FL-R-SMT 
RF connector on the rear side. 
Solder pad mode: The antenna can also be soldered to the pad on the module which has a ground pad close to the 
antenna pad. 
The ground impedance of RF antenna is 50Ω. The RF connector is shown in Figure 2-3. 

6 
Figure 2-3 The sketch map of RF connector 
It’s required to use RF cable of which the insertion loss should comply with: 
• GSM850/900<1dB 
• DCS1800/PCS1900<1.5dB 
• UMTS2100/ UMTS1900/ UMTS850<1.5Db 
There are two RF connectors in DWM-800A ,the description of them is shown in Figure 2-4 below: 

7 
Figure 2-4 description of DWM-800A  RF connectors 
2.2.  Application note of DWM-800A  interfaces 
DWM-800A  provides rich interfaces for secondary development by the MINI PCI-E, such as USIM card interface, 
USB interface,  UART interface, PCM(Pulse Code Modulation) interface, I2C interface, power supply interface and so 
on. The detailed information will be described in the following sections. 
2.2.1.  Power supply and Ground 
The power supply input for DWM-800A  module is listed as 
follows: DC +3.3V~+3.6V, for DWM-800A  working voltage; 
The description of DWM-800A  Power supply and GND pins is shown in Table 2-1 below. 
Table 2-1 The description of DWM-800A Power supply and GND pins 
Power input 
The correlative pins in MINI PCI-E 
SN. of the MINI 
PCI-E 
DC: +3.3V~+3.6V input 
VDD3V3 
2,24,39,41,52 
GND 
GND 
4,9,15,18,21,26,27,29,34,35,37,
43,50 

8 
2.2.2.  USB interface 
2.2.2.1. Description 
DWM-800A  provides a high-speed USB interface by MINI PCI-E, which supports USB 2.0 protocol. The detailed 
information is given in Table 2-2. 
Table 2-2 DWM-800A  USB interface description 
Signals of 
USB interface 
The correlative pins in 
MINI PCI-E 
SN. of MINI PCI-E 
Description 
DM 
USB_HS_DM 
36 
USB Data- 
DP 
USB_HS_DP 
38 
USB Data+ 
GND 
GND 
4,9,15,18,21,26,27,29,34,35,37,
43,50 
GND 
2.2.2.2. Reference circuit 
The reference circuit of USB interface is shown in Figure 2-5 below. 
1) To get the reliable USB power supply, it is recommended to use a 10uF(C406) filter capacitor and a 22pF(C407) 
filter capacitor which need to be grounded. 
2) To reduce the reflection caused by the high frequency alternating signal in the transmission, it is recommended to 
add a resistor with value below 10Ω to the DM and DP in USB interface to ensure correct transmission for USB 
data. Just like the resistors R408 and R409 in Figure 2-5. 
3)  To  avoid static  electricity  in  USB  interface,  it  is  recommended to  use  the  ESD  protection  device.  Just  like  the 
varistor RV406, RV407 and RV408 with capacitor values below 3pF. 
4) To ensure USB working reliably, it is recommended to use additional protection device. 
Figure 2-5 The reference circuit of USB interface 

9 
2.2.3. USIM interface 
DWM-800A  supports USIM card in UMTS mode as well as SIM card in GSM/GPRS/EDGE mode,and UIM card in 
WCDMA mode. 
2.2.3.1. Description 
DWM-800A   provides  USIM card  interface by MINI PCI-E which can  be  used in  both  UMTS  and 
GSM/GPRS/EDGE networks. The Table 2-3 gives more detailed information. 
Table 2-3 DWM-800A  USIM card interface description 
Signals offered 
by 
USIM interface 
The name of the correlative 
pins in 
MINI PCI-E 
SN. of the MINI 
PCI-E 
Description 
DATA 
USIM_DATA 
10 
USIM card data 
CLK 
USIM_CLK 
12 
USIM card CLK 
RST 
USIM_RESET 
14 
Reset signal 
VCC 
VREG_EXTUSIM 
8 
USIM card power 
GND 
GND 
4,9,15,18,21,26,27,29,34,3
5,37,43,50 
GND 
2.2.3.2. Reference circuit 
The reference circuit of USIM interface is shown in Figure 2-6 below. 
1) The DATA line of USIM is connected to SIM power supply by a pull-up resistor with reference value 15KΩ. 
2) To avoid the instantaneous voltage overflowing, the resistor with reference value 22Ω can be used for the DATA, 
CLK and RST line. Just like the resistors R307, R308 and R309 in Figure 2-6. 
3) To avoid the static electricity in USIM socket, it is recommended to use the ESD protection device for the DATA,
CLK and VCC line. Just like the varistors RV301, RV302, RV303 and RV304 in Figure 2-6 this should be close to the 
USIM socket as possible. 
4) To get more flat USIM power supply, it is recommended to use the filter capacitors. Just like C311 and C312 in 
Figure 2-6with reference value 33pF and 100nF. 
5) To eliminate the peak interference and high frequency interference signal on RST and CLK line, the filter capacities 
(C310, C309) can be placed in RST and CLK line, the reference value is 33pF. 

10 
Figure 2-6 The reference circuit of USIM interface 
2.2.4. PCM  interface 
It can just support PCM(Optional). It can provide voice call by PCM ,using external  audio codec . DWM-800A provides a 
UART interface by MINI PCI-E for debug. 
2.2.4.1. Description 
 PCM  interfaces on the DWM-800A  have been designed to be compatible with others so as to meet different needs. And we 
can make corresponding configuration for interfaces on the DWM-800A   according to customer's requirements. The 
information about UART and PCM  interfaces provided by DWM-800A  is described in Table 2-4 
Table 2-4 The connection between phone handle and the MINI PCI-E 
SN.  of MINI PCI-E 
Compatible definition 
45 
PCM_CLK 

11 
47 
PCM_SYNC/PCM_IN 
49 
PCM_OUT/PCM_IN 
51 
PCM_IN/PCM_SYNC 
2.2.5. SD card tntreface 
2.2.5.1. Description 
There are seven pins for SD card in the MINI PCI-E. And the detailed information is given in Table 2-5 below. 
Table 2-5 DWM-800A  SD card interface description 
pcie 
Pin.NO 
Signal name 
Description 
13 
SDC1_CMD 
SD Command/Response 
17 
SDC1_DATA0 
SD Data 0 
19 
SDC1_DATA1 
SD Data 1 
23 
SDC1_DATA2 
SD Data 2 
25 
SDC1_DATA3 
SD Data 3 
31 
SDC1_CLK 
SD Clock 
32 
VREG_SD 
SD Supply voltage 
2.2.6. Others 
DWM-800A also provides some other interfaces listed in Table 2-7. 
Table 2-7 
pins in 
MINI PCI-E 
SN. of the MINI 
PCI-E 
Volt 
Description 
W_DISABLE_N 
20 
2.6 
The W_DISABLE# signal is an active low signal that 
when asserted (driven low) by the system shall disable 
radio operation. 
WAKE_N 
1 
2.6 
The WAKE# signal is an open drain, active low signal that 
is driven low by a PCI Express Mini Card function to 
reactivate the PCI Express Link hierarchy’s main power 
rails and reference clocks. 
I2C_SCL 
30 
2.6 
I2C Interface 

12 
I2C_SDA 
32 
2.6 
I2C Interface 
SPI_SDI 
3 
Serial port control data input 
SPI_SDO 
5 
2.6 
Serial port control data output 
SPI_CS# 
6 
2.6 
Serial port control Chip Select 
SPI_SCLK 
 7 
2.6 
Serial Port Bit Clock 
3. Electrical Characteristics and Safety Information 
3.1. Absolute Maximum Ratings 
Absolute maximum rating for power supply and voltage on I/O pins of  DWM-800A   are list in table1 as 
follows. 
Table 3-1 Absolute maximum ratings 
Symbol 
Description 
Min 
Max 
Units 
VIO 
Voltage on any input or output pin 
-0.5 
VPAD*+0.5 
V 
VBAT 
POWER SUPPLY 
3.3 
3.9 
V 
*VPAD=1.8V 
3.2. Power-Up and Power-Down Sequence 
DWM-800A   is Auto Power On when VBAT is ready. The system would be turned on. The pmic(MT6327) power on 
sequence is as below: 

13 
The CPU(MT6280) power on sequence is as below: 
3.3. Operating conditions 

14 
3.4. RF Exposure Compliance 
The antenna(s) used for this transmitter must be installed to provide a separation distance of at least 
 20 cm from all persons and must not be co-located or operating in conjunction with any other antenna or 
 Transmitter. 
This device is intended only for OEM integrators under the following conditions: 
1) The antenna must be installed such that 20 cm is maintained between the antenna and users, and 
2) The transmitter module may not be co-located with any other transmitter or antenna. 
As long as 2 conditions above are met, further transmitter test will not be required. However, the OEM integrator 
is still responsible for testing their end-product for any additional compliance requirements required with this 
module installed 
IMPORTANT NOTE: In the event that these conditions can not be met (for example certain laptop 
configurations or co-location with another transmitter), then the FCC authorization is no longer considered valid 
and the FCC ID can not be used on the final product. In these circumstances, the OEM integrator will be 
responsible for re-evaluating the end product (including the transmitter) and obtaining a separate FCC 
authorization. 
End Product Labeling: 
This transmitter module is authorized only for use in device where the antenna may be installed such that 20 cm 
may bemaintained between the antenna and users. The final end product must be labeled in a visible area with 
the following: “Contains 
FCC ID: KA2WM800AA1”. The grantee's FCC ID can be used only when all FCC compliance requirements 
are met. 
Manual Information To the End User 
The OEM integrator has to be aware not to provide information to the end user regarding how to install or 
remove this RF module in the user’s manual of the end product which integrates this module. 

15 
            The end user manual shall include all required regulatory information/warning as show in this manual. 
4. Pins description of mini PCIE connector 
SN 
Definition 
Description 
Volt 
Remark 
1 
WAKE_N 
OUTPUT 
1.8 
The WAKE# signal is an open drain, active low signal that 
is driven low by a PCI Express Mini Card function to 
reactivate the PCI Express Link hierarchy’s main power rails 
and reference clocks. 
3 
SPI_SDI 
Serial port control data input 
1.8 
5 
SPI_SDO 
Serial port control data output 
1.8 
7 
SPI_SCLK 
Serial Port Bit Clock 
1.8 
9 
GND 
Ground 
11 
Reserved  
Reserved  
Reserved For Future Use 
13 
SDC1_CMD 
 SD Command/Response 
1.8 
15 
GND 
Ground 
17 
SDC1_DATA0 
SD Data 0 
1.8 
19 
SDC1_DATA1 
SD Data 1 
1.8 
21 
GND 
Ground 
23* 
SDC1_DATA2 
SD Data 2 
1.8 
25* 
SDC1_DATA3 
SD Data 3 
1.8 
27 
GND 
Ground 
29 
GND 
Ground 
31* 
SDC1_CLK 
SD Clock 
 1.8 
33* 
Reserved  
Reserved  
Reserved For Future Use 
35 
GND 
Ground 
37 
GND 
Ground 
39 
VDD3V3 
POWER 
3.3 
Power Supply 
41 
VDD3V3 
POWER 
3.3 
Power Supply 
43 
GND 
Ground 
45* 
PCM_CLK 
PCM Clock 
1.8 
47* 
PCM_SYNC 
PCM data strobe 
1.8 
49* 
PCM_OUT 
PCM data output 
1.8 
51* 
PCM_IN 
PCM data input 
1.8 
2 
VDD3V3 
POWER 
3.3 
Power Supply 
4 
GND 
Ground 
6 
SPI_CS# 
Serial port control Chip Select 
1.8 
8 
VREG_USIM 
USIM Power 
1.8 
USIM Interface, USIM power 
10 
USIM_DATA 
USIM_DATA 
1.8 
USIM Interface 
12 
USIM_CLK 
USIM CLK 
1.8 
USIM Interface 
14 
USIM_RESET 
USIM_RESET 
1.8 
USIM Interface 
16 
Reserved  
Reserved  
Reserved For Future Use 
18 
GND 
Ground 

16 
20 
W_DISABLE_N 
2.6 
The W_DISABLE# signal is an active low signal that when 
asserted (driven low) by the system shall disable radio 
operation. 
22 
EXT_RST_IN 
Reset 
2.6 
Reset module 
24 
VDD3V3 
POWER 
3.3 
Power Supply 
26 
GND 
Ground 
28 
Reserved  
Reserved  
Reserved For Future Use 
30 
I2C_SCL 
I2C Clock 
2.6 
I2C Interface 
32*
** 
I2C_SDA/VMC_PMU 
I2C Data/VMC_PMU 
2.6 
I2C Interface and SD power combine 
34 
GND 
Ground 
36 
USB_HS_DP 
USB Data+ 
USB Interface 
38 
USB_HS_DM 
USB Data- 
USB Interface 
40 
GND 
Ground 
42* 
Reserved  
Reserved  
Reserved For Future Use 
44* 
Reserved  
Reserved  
Reserved For Future Use 
46* 
SLIC_INT# 
SLIC_RESET# 
  SLIC INT 
48 
SLIC_RESET# 
SLIC_RESET# 
SLIC RESET 
50 
GND 
Ground 
52 
VDD3V3 
POWER 
3.3 
Power Supply 
*   UART and PCM  interfaces on the DWM-800A   have been designed to be compatible with others so as to meet different 
needs.  
And we can make corresponding configuration for interfaces on the DWM-800A   according to customer's requirements. 
*  Please contact us to make sure if this pins could be used. 
Federal Communication Commission Interference 
Statement  
This device complies with Part 15 of the FCC Rules. Operation is subject to the following two conditions: (1) 
This device may not cause harmful interference, and (2) this device must accept any interference received, 
including interference that may cause undesired operation. 
This equipment has been tested and found to comply with the limits for a Class B digital device, pursuant to 
Part 15 of the FCC Rules. These limits are designed to provide reasonable protection against harmful 
interference in a residential installation. This equipment generates, uses and can radiate radio frequency 
energy and, if not installed and used in accordance with the instructions, may cause harmful interference to 
radio communications. However, there is no guarantee that interference will not occur in a particular 
installation. If this equipment does cause harmful interference to radio or television reception, which can 
be determined by turning the equipment off and on, the user is encouraged to try to correct the interference 
by one of the following measures: 

17 
- Reorient or relocate the receiving antenna. 
- Increase the separation between the equipment and receiver. 
- Connect the equipment into an outlet on a circuit different from that 
to which the receiver is connected. 
- Consult the dealer or an experienced radio/TV technician for help. 
FCC Caution: Any changes or modifications not expressly approved by the party responsible for compliance 
could void the user's authority to operate this equipment. 
This transmitter must not be co-located or operating in conjunction with any other antenna or transmitter. 
This equipment complies with FCC radiation exposure limits set forth for an uncontrolled environment. This 
equipment should be installed and operated with minimum distance 20cm between the radiator & your body. 
FCC Caution: Any changes or modifications not expressly approved by the party responsible for compliance could void the 
user's authority to operate this equipment. 
This transmitter must not be co-located or operating in conjunction with any other antenna or transmitter.