DISPLAY INSIDE 0207DIVI104S0 TFT LCD AV Monitor User Manual e2 1 ai

DISPLAY INSIDE CO., LTD. TFT LCD AV Monitor e2 1 ai

users manual 3

1󰚟FIRST 󰚟ST EP󰚟NAME󰚟OF󰚟EACH󰚟PARTFront󰚟SideLCD󰚟PanelBui l t-i n󰚟Speak er sPowerIR󰚟Recei v er LED󰚟Indi cati orMENU/EnterVol ume Channel
1󰚟FIRST 󰚟ST EPBACK󰚟SIDE1 2 34567891.󰚟Power󰚟Input󰚟Terminal󰚟󰚟󰚟󰚟󰚟2.󰚟S󰚟-󰚟Video󰚟Input󰚟Terminal3.󰚟External󰚟Input󰚟Terminal󰚟󰚟4.󰚟Audio󰚟Input󰚟Terminal(L)5.󰚟Audio󰚟Input󰚟Terminal(R)󰚟󰚟6.󰚟External󰚟Input󰚟Terminal7.󰚟Earphone󰚟Terminal󰚟󰚟󰚟󰚟󰚟󰚟󰚟󰚟8.󰚟D-Sub󰚟Terminal9.󰚟Antenna󰚟Input󰚟TerminalVIDEO󰚟1(L)󰚟AUDIO󰚟(R)VIDEO󰚟2󰚟󰚟PC ANTS-VIDEODC󰚟12VAV
1󰚟SETTING󰚟UPCONNECT ING󰚟T O󰚟PCCAUTION󰚟:󰚟Before󰚟connecting󰚟your󰚟LCD󰚟monitor󰚟to󰚟PC,󰚟turn󰚟off󰚟the󰚟power.SPK󰚟OUTMIC󰚟INSPK󰚟OUTMIC󰚟IN출력󰚟󰚟󰚟󰚟󰚟󰚟󰚟󰚟󰚟󰚟󰚟󰚟󰚟󰚟󰚟󰚟󰚟󰚟󰚟󰚟󰚟󰚟󰚟󰚟입력󰚟󰚟󰚟󰚟󰚟󰚟󰚟󰚟󰚟󰚟󰚟󰚟󰚟󰚟󰚟󰚟󰚟󰚟󰚟󰚟마이크POWER󰚟SUPPLY󰚟:󰚟Put󰚟a󰚟plug󰚟in󰚟220V󰚟or󰚟110V󰚟exclusive󰚟outlet.(Voltage󰚟is󰚟adjusted󰚟automatically)(L)󰚟AUDIO󰚟(R)Connect󰚟one󰚟end󰚟of󰚟the󰚟sound󰚟cable󰚟to󰚟the󰚟monitor󰚟and󰚟the󰚟other󰚟to󰚟PC󰚟like󰚟the󰚟picture󰚟above.
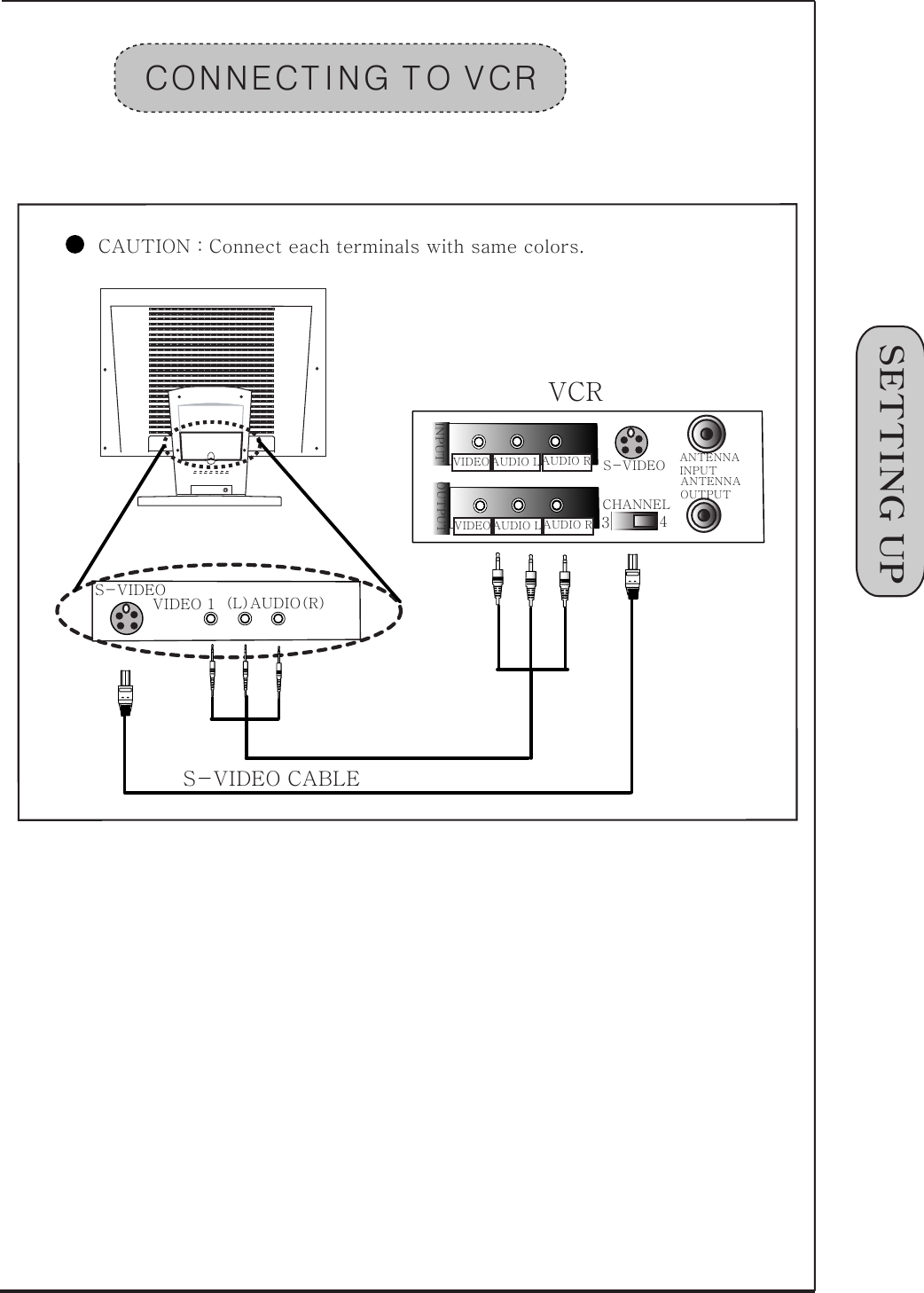
1󰚟SETTING󰚟UPCONNECT ING󰚟T O󰚟VCRVIDEO󰚟1󰚟󰚟󰚟󰚟󰚟󰚟󰚟󰚟󰚟󰚟󰚟󰚟󰚟󰚟󰚟󰚟󰚟󰚟(L)AUDIO(R)INPUTOUTPUT34S-VIDEOS-VIDEOCHANNELANTENNAINPUTANTENNAOUTPUTCAUTION󰚟:󰚟Connect󰚟each󰚟terminals󰚟with󰚟same󰚟colors.VCRS-VIDEO󰚟CABLEVIDEO AUDIO󰚟LAUDIO󰚟RVIDEO AUDIO󰚟L AUDIO󰚟R
1󰚟SETTING󰚟UPCONNECT ING󰚟T O󰚟T V󰚟A NT ENNATV󰚟ANTENNA󰚟CONNECTION󰚟:󰚟Connect󰚟the󰚟cable󰚟of󰚟antenna󰚟orcable󰚟TV󰚟to󰚟the󰚟antenna󰚟termanal.󰚟Connecting󰚟through󰚟VCRAntenna󰚟Converter(Indoor󰚟Antenna)󰚟INPUTOUTPUTS-VIDEOCHANNELANTENNAINPUTANTENNAOUTPUT34VIDEOAUDIO󰚟LAUDIO󰚟RVIDEOAUDIO󰚟LAUDIO󰚟R

Navigation menu