DSP Group DHANM DECT Module User Manual DHX91 DHAN Module Datasheet
DSP Group Ltd DECT Module DHX91 DHAN Module Datasheet
Users Manual
DHAN-M Module
DECT-ULE Platform
Datasheet
Version: 3.0
May 29, 2018

Version 3.0 DHAN-M Module Worldwide Sites
May 2018 DSP Group Confidential 2/24
Headquarters
USA
DSP Group Inc.
161 S San Antonio Rd
Suite 10
Los Altos, CA 94022
Tel: (408)986-4300
Fax:(408)986-4323
Israel
DSP Group Ltd.
5 Shenkar Street
Herzelia, Israel 4672505
Tel: 972-9-952-9696
Fax: 972-9-954-1234
Europe
Germany
DSPG Technologies GmbH
Nelson-Mandela-Platz 18
90459 Nurnberg
Tel: +49-911-2001-0
Fax: +49-911-2001-1210
Scotland
DSPG Edinburgh Ltd.
Geddes House
Kirkton North
Livingston EH54 6GU
Tel: +44-1223-772200
APAC
China
DSP Group (HK) Limited
Unit 1-4, 11/F,
909 Cheung Sha Wan Rd.
Kowloon
Hong Kong
Tel: +852-(3965)-5888
DSP Group (Shenzhen) Limited
Room 1819, 18/F
Kerry Centre, Renminnan Road,
Shenzhen, China 518001
Tel: +(86 755) 2518 1214
Ascend Technology Inc.
Room 1303,
New World Center,
No.6009 Yitian Road,
Futian District,
Shenzhen City, China
Tel: +86-755-820-24598
Fax: +86-755-239-82986
Ascend Technology Inc.
Rm 607,
Hui Huang International Center,
1st Place, Shangdi 10th Road,
Haidian District, Beijing City, P.R.
Japan
DSP Group (Japan) Inc.
1-29-1 Nishi-Gotanda
Shinagawa-Ku Tokyo 141-0031
Tel:+81-(3)-3493-3050
Tomen Electronics
8-27, Kohnan 1 Chome,
Minato-ku, Tokyo
108-8510, Japan
Tel: +81-(3)-5462-9619
Fax: +81-(3)-5462-9686
Korea
Daesung Semiconductors
140-848, RM 401
Wonhyo BD. 46-1
Wonhyo-ro 3ka, Yongsan-gu,
Seoul, Korea
Tel: +82-(2)-3272-7300
Fax: +82-(2)-712-4632-3
India
DSP Technology Indian Private
Limited
Information Technology Park
Nagawara Village Kasaba Hobli
Bangalore 560045
Tel: +91 80 4024 8399
Taiwan
Ascendtek Electronics, Inc
11F-7, No. 77, Sec. 1
Hsin Tai Wu Rd.,
Hsi Chih
Taipei Hsien,
Taiwan, R.O.C
Tel: 886-2-2698-8696
Fax: 886-2-8698-2138
This document is provided by DSP Group, Inc. and/or one or more of its subsidiaries (“DSP Group”). All information and data contained
in this document is for informational purposes only, without any commitment on the part of DSP Group, and is not to be considered as an
offer for a contract. DSP Group shall not be liable, in any event, for any claims for damages or any other remedy in any jurisdiction
whatsoever, whether in an action in contract, tort (including negligence and strict liability) or any other theory of liability, whether in law
or equity including, without limitation, claims for damages or any other remedy in whatever jurisdiction, and shall not assume responsibility
for patent infringements or other rights to third parties, arising out of or in connection with this document. Further, DSP Group reserves
the right to revise this publication and to make changes to its content, at any time, without obligation to notify any person or entity of such
revision changes. These materials are copyrighted and any unauthorized use of these materials may violate copyright, trademark, and other
laws. Therefore, no part of this publication may be reproduced, photocopied, stored on a retrieval system, or transmitted without the express
written consent of DSP Group. Any new issue of this document invalidates previous issues.
DSP Group reserves the right to revise this publication and to make changes to its content, at any time, without obligation to notify any
person or entity of such revision changes.
© 2018 DSP Group Confidential. All rights reserved.

Version 3.0 DHAN-M Module Table of Contents
May, 2018 DSP Group Confidential 3/24
TABLE OF CONTENTS
1. INTRODUCTION ........................................................................................................................................... 5
General Description ............................................................................................................................................ 5
Features ............................................................................................................................................................... 5
Block Diagram .................................................................................................................................................... 5
2. PIN AND SIGNAL DESCRIPTION ............................................................................................................... 6
3. MODULE ELECTRICAL SPECIFICATIONS .............................................................................................. 8
Absolute Maximum Rating ................................................................................................................................. 8
Recommended Operating Conditions ................................................................................................................. 8
Peak Currents and Hibernation Current .............................................................................................................. 8
Transmitter .......................................................................................................................................................... 9
Receiver .............................................................................................................................................................. 9
4. PROTOCOL STACKS .................................................................................................................................. 10
5. REFERENCE SCHEMATICS ...................................................................................................................... 11
Interface to Host Processor via UART and 3.3V Logic .................................................................................... 11
Host to DHAN-M Interface ........................................................................................................................ 11
Power Supply & (Optional) JTAG ............................................................................................................. 11
Interface to the Host Processor via UART and 1.8V Logic .............................................................................. 12
Host to DHAN-M Interface ........................................................................................................................ 12
Power Supply ............................................................................................................................................. 12
Interface to the Host Processor via USB and 3.3V Logic ................................................................................. 13
Host to DHAN-M Interface ........................................................................................................................ 13
Power Supply & (Optional) JTAG ............................................................................................................. 13
JTAG Interface ................................................................................................................................................. 14
RSTN Input ....................................................................................................................................................... 14
MIC and Ear Speaker Interfaces ....................................................................................................................... 14
6. APPLICATION PCB DESIGN RECOMMENDATIONS ............................................................................ 15
7. DIVERSITY ANTENNA (OPTION) ............................................................................................................ 16
8. ASSEMBLY INFORMATION ..................................................................................................................... 17
Mechanical Drawing ......................................................................................................................................... 17
PCB Metal Land Pattern Recommendation ...................................................................................................... 18
PCB Solder Mask Recommendation ................................................................................................................. 19
PCB Stencil Pattern Recommendation .............................................................................................................. 20
Pick & Place, Reflow ........................................................................................................................................ 20
9. SUPPLEMENTARY INFORMATION ........................................................................................................ 21
Labeling (appended to the module shield) ........................................................................................................ 21
RF Exposure information and statement ........................................................................................................... 21
FCC & IC Interference statement
RFPI and EMC .................................................................................................................................................. 22
(DoC) Declaration of conformity
OEM Notes
IC labeling requirements for the final end product
Ordering Information ........................................................................................................................................ 23

Version 3.0 DHAN-M Module Introduction
May 2018 DSP Group Confidential 5/24
1. Introduction
General Description
The DSPG DHAN-M module is based on the state-of-the-art DCX81 - a 2nd generation DECT SOC. The DHAN-
M module is suited for DECT-ULE applications that employ a processor external to the DHAN-M. The DHAN-M
can serve as a DECT-ULE Hub (=Base Station) when loaded with a CMBS SW image. This image includes
standard DECT-ULE MAC-PHY connectivity as well as CAT-IQ functionality for traditional DECT telephony and
HAN-FUN (ie the ULE Alliance Standard) functionality for ULE (low-power packet mode).
The DHAN-M can also be loaded with a SW image that that empowers the module with a DECT “handset” profile
(CMHS). As above, both UART and USB interfaces are available for control and, in the case where audio needs to
be transferred between the CMHS target and the Host Processor, TDM or USB Audio Class can be utilized.
In either case, the DHAN-M interfaces with the Host Processor via UART or USB. Audio is transferred either via
TDM (with control via UART) or via USB (Audio Class).
Features
Excellent radio performance, with over 123dB system gain
A printed antenna is included in the module. A 2nd antenna port is provided and can be routed to an
optional diversity antenna located elsewhere in the application housing
Radio covers all regional DECT bands. A simple re-configuration of the EEPROM is required
Radio is fully compliant with ETSI DECT and ULE standards. Regulatory (EU, FCC) certification is
pending
Compact module footprint of 27.2x15.2x3.3 (including the RF shield height)
Operating Temperature spanning -40ºC to 85ºC
Block Diagram
DHAN-M Module Block Diagram

Version 3.0
DHAN-M Module Pin and Signal Description
May 2018 DSP Group Confidential 6/24
2. Pin and Signal Description
PIN NO. NAME DESCRIPTION/TYPE
1 GND Place many vias in the vicinity of this pin
2 ANT2 Optional port for connection to a diversity antenna
located elsewhere in the housing. Otherwise
terminate with a 51-Ohm resistor
3 GND Place many vias in the vicinity of this pin
4 RSTN Resets the DCX81 SOC. See reference schematic
and comments
5 GPIO17
6 SCL (GPIO0) GPIO or I2C Clock. Open Drain, reset value is
floating
7 SDA (GPIO1) GPIO or I2C Data. Open Drain, reset value is
floating
8 GPIO2 (PCM_Tx) TDM Tx Data
9 GPIO3 (PCM_Rx) TDM_Rx Data
10 GPIO4
(PCM_FSYNC) TDM Frame Sync
11 GPIO5
(PCM_CLK) TDM SCLK
12 GPIO6
(SPI_MOSI) SPI Data Input to the DHAN-M
13 GPIO7
(SPI_MISO) SPI Data Output from the DHAN-M
14 GPIO8 (SPI_CLK) SPI Clock
15 GPIO9 (RxD or
SPI_CS) UART Rx (most typically) or SPI Chip Select
16 GPIO28
(DM_USB) USB Positive Pin
17 GPIO29 (DP_USB) USB Negative Pin
18 GND
19 TDI JTAG Data In. Should be connected to TP
20 TMS JTAG Mode Select. Should be connected to TP
21 TDO JTAG Data Out. Should be connected to TP
22 TCK JTAG Clock. Should be connected to TP
23 RTCK JTAG Reset. Should be connected to TP
24 GPIO10 (TxD) GPIO or UART Tx
25 GND
26 GND

Version 3.0
DHAN-M Module Pin and Signal Description
May 2018 DSP Group Confidential 7/24
PIN NO. NAME DESCRIPTION/TYPE
27 VCC3V Power Supply Input
28 VCCIO Powers the IO level shifters. 1.8 or 3.3V. See
reference schematics
29 VBATANA Power Supply Input for the analog portion of the
SOC
30 DOUBCAP2P
31 LEDSINK/DCIN1
32 DCIN3 ADC. Check of Power. See reference schematic
33 PWM1
34 MIN Microphone negative input
35 MIP Microphone positive input
36 HSSPOT Handset/Headset positive speaker output
37 LOUT Line Output or Handset/Headset negative speaker
output
38 PWM0
39 GND
40 VccRF Power Supply Input to RF. Add 10pF bypass
capacitor adjacent to this pin!
41 ANT1 Test pin. Leave unconnected
42 GND Place many vias in the vicinity of this pin

Version 3.0 DHAN-M Module Module Electrical Specifications
May 2018 DSP Group Confidential 8/24
3. Module Electrical Specifications
All parameters are for 25ºC.
Absolute Maximum Rating
Table 3-1: Absolute Maximum Rating
Minimum Voltage Applied to all pins: -0.3V
Maximum Voltage Applied to all pins: +4.6V
Storage Temperature Range: -45 to 90ºC
Note: Functionality at or above these limits is not implied. Exposure to absolute maximum ratings for
extended periods may affect device reliability.
Recommended Operating Conditions
Table 3-2: Recommended Operating Conditions
RATING CONDITIONS MIN TYP MAX UNIT
Operating ambient
temperature -40 +25 +85 °C
VccRF, VCC 2 3.0 3.6 V
JTAG, UART
VIL
VIH
VOL
VOH
(VCC is at
nominal 3V)
2.0
2.4
0.8
0.4
V
DCIN3 2 3.0 VCC V
Peak Currents and Hibernation Current
PARAMETER TEST CONDITIONS TYP MAX UNIT
Tx Current VccRF=3 V
VCC=3 V
Band=EU @ 23dBm
400 480 mA
Tx Current VccRF=3 V
VCC=3 V
Band=US @ 21 dBm
250 300 mA
Rx Current VccRF=3 V
VCC=3 V
125 135 mA

Version 3.0 DHAN-M Module Module Electrical Specifications
May 2018 DSP Group Confidential 9/24
Transmitter
Table 3-3: Tx Characteristics
CHARACTERISTICS TEST CONDITIONS MIN TYP MAX UNIT
NTP VccRF=3 V
VCC=3 V
Band=EU
21.5 23 24 dBm
NTP VccRF=3 V
VCC=3 V
Band=US
19 20 21 dBm
Harmonics VccRF=3 V
VCC=3 V
Band=EU & US
-40 -35 dBm
Transmission Mask EN 301406
Paragraph 5.3.3
Comply N/A
Frequency Offset EN 301406
Paragraph 5.3.1
-50 8 +50 KHz
Frequency Drift EN 301406
Paragraph 5.3.5
-15 0 +15 KHz/Slot
Emission Due
Modulation EN 301406
Paragraph 5.3.6.2
M±1
M±2
M±3
M>±3
-20
-42
-47
-50
-8
-30
-40
-44
dBm
Receiver
Table 3-4: Rx Characteristics
CHARACTERISTICS TEST CONDITIONS MIN TYP MAX UNIT
Sensitivity, BER <
1000ppm VccRF=3 V
VCC=3 V
-96 -93 dBm
Maximum input power VccRF=3 V
VCC=3 V
15 dBm

Version 3.0 DHAN-M Module Schematic Guide
May 2018 DSP Group Confidential 10/24
4. Protocol Stacks
The module comes configured for the role of a DECT-ULE Hub (=Base Station) with control via the 2-pin
UART interface according to the CMBS API. This API supports both traditional telephony functionality (per
the CAT-IQ standard as well as ULE HAN-FUN functionality. Concurrent audio paths are supported at the
TDM (IOM) interface running between the Host Processor and the DHAN-M. The “division of labor” and
interface between the Host Application and the standard CMBS protocol stack is depicted below:
Alternatively, the customer can request to download an image which uses the USB interface for both control and
audio – as depicted below:
Similarly, customers wanting to implement a high-end DECT-ULE Device (=end point or PP), can request a CMHS
image, with either UART or USB interface options. Reference Schematics for both USB and UART options are
supplied in the following Section.

Version 3.0 DHAN-M Module Schematic Guide
May 2018 DSP Group Confidential 11/24
5. Reference Schematics
General Note: The 3.3V regulator should be capable of regulating the output with the module drawing 450mA for
0.5mS during the Tx burst!
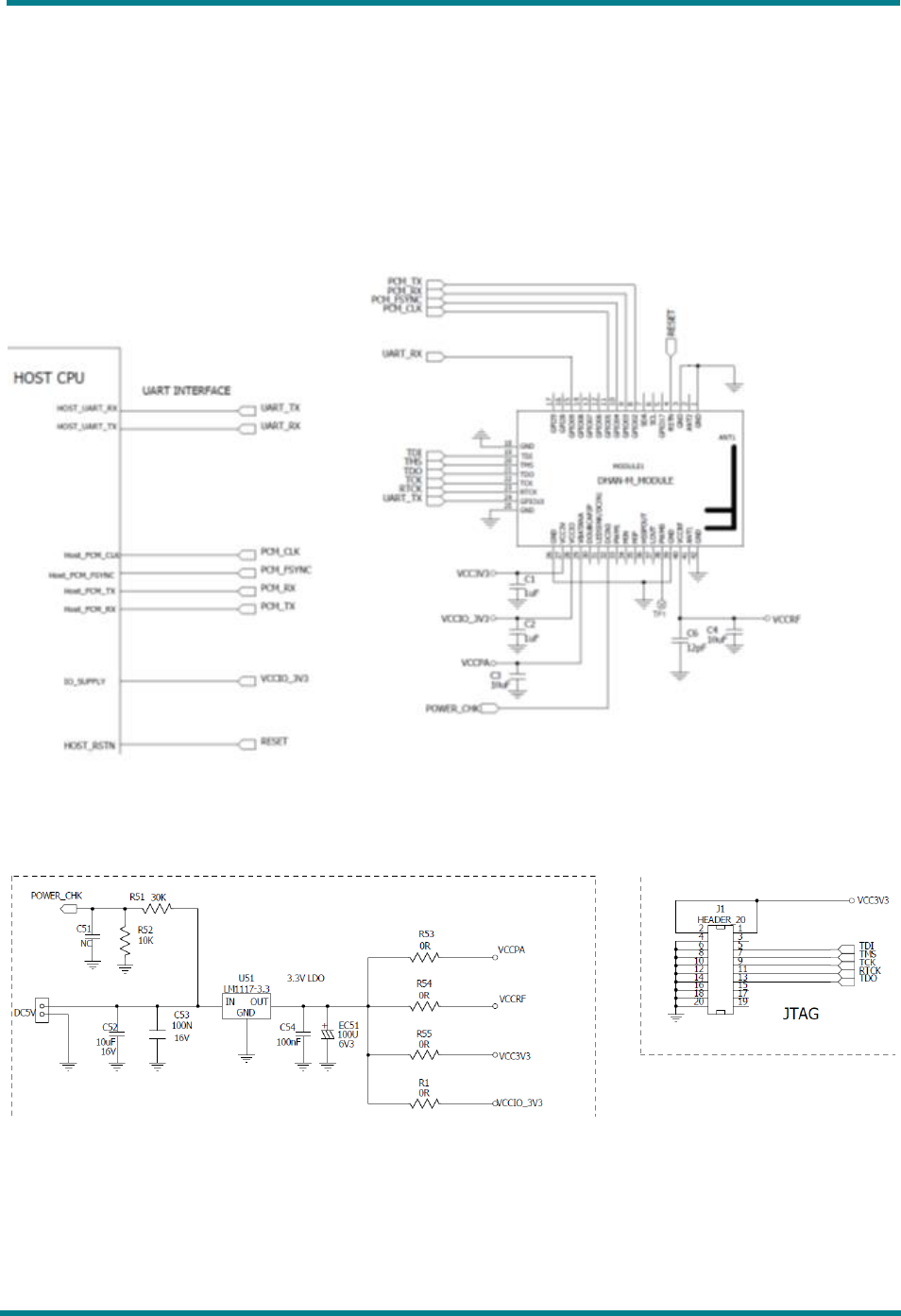
Interface to Host Processor via UART and 3.3V Logic
Host to DHAN-M Interface
Power Supply & (Optional) JTAG
Note: The PCM (=TDM = I2S) Interface is required only in applications where audio must be exchanged between the
DHAN-M and the Host Processor.

Version 3.0 DHAN-M Module Schematic Guide
May 2018 DSP Group Confidential 12/24
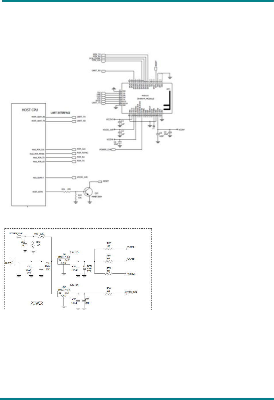
Interface to the Host Processor via UART and 1.8V Logic
Host to DHAN-M Interface
Power Supply

Version 3.0 DHAN-M Module Schematic Guide
May 2018 DSP Group Confidential 13/24
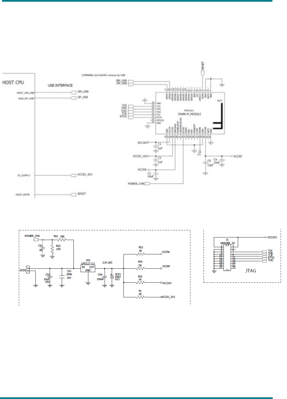
Interface to the Host Processor via USB and 3.3V Logic
Host to DHAN-M Interface
Power Supply & (Optional) JTAG

Version 3.0 DHAN-M Module Schematic Guide
May 2018 DSP Group Confidential 14/24
JTAG Interface
Easy access to the JTAG interface is a MUST for customers requiring a SW image other than the CMBS UART stack
which is standard on the DHAN-M. The standard 20-pin connector shown in the reference schematic is convenient if
the application board can accommodate it. Alternatively, test pins should be added which can be accessed both during
prototyping and production.
RSTN Input
At power-up, the Application Host should hold this pin at logic Low until it is ready to establish communication (via
UART) with the DHAN-M. When ready, the MCU should apply Logic High and wait for the “Hello” indication
from the DHAN-M. If at some point later on the MCU cannot communicate with the DHAN-M, it can apply a low
going pulse of >100uS to reset the DCX81 on the DHAN-M.
MIC and Ear Speaker Interfaces
Some CMHS applications will need to route to/from the DHAN-M MIC and Speaker interfaces – reference
schematics for these connections are shown below:

Version 3.0 DHAN-M Module Schematic Guide
May 2018 DSP Group Confidential 15/24
6. Application PCB Design Recommendations
It is recommended that unused pads on the Application PCB not be left as isolated islands of copper but rather
be anchored with via to inner layers of the PCB. It is also recommend that GND vias be applied liberally in the
vicinity of GND pins 1,3 and 42.
The following layout recommendations need to be apply on Main Board:
1. Implement a solid ground under the DHAN-M module.
2. Do not route signal traces under the module. Use the bottom layer for signal routing.
3. Locate the on-board printed antenna on the edge of the PCB – as pictured below
4. Locate the antenna in the housing in such a way that minimizes obstruction of the radiation pattern by
metallic objects

Version 3.0 DHAN-M Module Schematic Guide
May 2018 DSP Group Confidential 16/24
7. Diversity Antenna (OPTION)
If no diversity antenna is planned, a 51-Ohm chip resistor should be placed as close as possible from Pin2 to GND.
Alternatively, Pin2 can be routed to a Diversity antenna. There are several options for a diversity antenna:
a) Route a 50-ohm line to an RF connector on the Application Board and RF cable to a connectorized
commercial antenna mounted in elsewhere in the device housing
b) Route the 50-ohm line to the antenna feed point located ~8cm from the on-board antenna feed-point. This
antenna can be a ¼ wave monopole wire antenna, chip or printed antenna (similar to the on-board antenna).
Guidelines for such antennas are given below:
A wire antenna can be inserted through a via at the feed-point. It should extend vertically with
respect to the face of the PCB. The total length of the wire antenna should be ¼ Lambda (~40.0
mm). It is important to ensure an adequate ground plane near the feed point in order to obtain
maximal antenna gain and efficiency
Off the shelf chip antennas:
P/N Manufacturer
H2U74W1H1M0100 Unictron
ANT8868LL00R1880A Yageo
CAN4311112001881K Yageo
W3022 Pulse Elect
Inverted-F printed antenna – See www.dspg.com for analysis and database for such an antenna. In
this case, the orientation of the antenna should be rotated 90⁰ with respect to the DHAN-M antenna

Version 3.0 DHAN-M Module Schematic Guide
May 2018 DSP Group Confidential 18/24
PCB Metal Land Pattern Recommendation

Version 3.0 DHAN-M Module Schematic Guide
May 2018 DSP Group Confidential 19/24
PCB Solder Mask Recommendation

Version 3.0 DHAN-M Module Schematic Guide
May 2018 DSP Group Confidential 20/24
PCB Stencil Pattern Recommendation
Pick & Place, Reflow
The DHAN-M module uses a flat shield cover to facilitate a fully automatic assembly process. For backing
and reflow recommendations, use MSL 3 in the JEDEC/IPC standard J-STD-20b. The temperature
classification (TC) for the module is 245° C.

Version 3.0 DHAN-M Module Schematic Guide
May 2018 DSP Group Confidential 21/24
9. Supplementary Information
Labeling (appended to the module shield)
1) Year
2) Week
3) 6-digit serial#
4) HW Version
5) SW Version
Handling Guidance
This module includes highly sensitive electronic circuity. Handling without proper ESD protection may damage the
module permanently.
RF Exposure Information and Statement
This equipment complies with FCC and IC radiation exposure limits set forth for an uncontrolled environment. This
equipment should be installed and operated with minimum distance of 20 cm between the radiator and your body.
This transmitter must not be co-located or operating in conjunction with any other antenna or transmitter.
FCC & IC Interference Statement
This device complies with part 15 of the FCC rules and RSS-213 of Industry Canada. Operation is subject to the
following two conditions: (1) this device may not cause harmful interference, and (2) this device must accept any
interference received, including interference that may cause undesired operation.

Version 3.0 DHAN-M Module Schematic Guide
May 2018 DSP Group Confidential 22/24
Le présent appareil est conforme aux CNR d'Industrie Canada applicables aux appareils radio exempts de licence.
L'exploitation est autorisée aux deux conditions suivantes : (1) l'appareil ne doit pas produire de brouillage, et (2)
l'utilisateur de l'appareil doit accepter tout brouillage radioélectrique subi, même si le brouillage est susceptible d'en
compromettre le fonctionnement.
This Class B digital apparatus complies with Canadian ICES-003.
Cet appareil numérique de la classe B est conforme à la norme NMB-003 du Canada.
NOTE: The manufacturer is not responsible for any radio or TV interference caused by unauthorized modifications
to this equipment. Such modifications could void the user’s authority to operate the equipment.
NOTE: This equipment has been tested and found to comply with the limits for a Class B digital device, pursuant to
part 15 of the FCC Rules. These limits are designed to provide reasonable protection against harmful interference in
a residential installation. This equipment generates uses and can radiate radio frequency energy and, if not installed
and used in accordance with the instructions, may cause harmful interference to radio communications. However,
there is no guarantee that interference will not occur in a particular installation. If this equipment does cause harmful
interference to radio or television reception, which can be determined by turning the equipment off and on, the user
is encouraged to try to correct the interference by one or more of the following measures:
- Reorient or relocate the receiving antenna.
- Increase the separation between the equipment and receiver.
-Connect the equipment into an outlet on a circuit different from that to which the receiver is connected.
-Consult the dealer or an experienced radio/TV technician for help
- This device and its antenna(s) must not be co-located or operating in conjunction with any other antenna or
transmitter
Declaration of Conformance (DOC)
Hereby, DSP Group Ltd declares that the radio equipment type DHAN-M is in compliance with Directive
2014/53/EU.
The full text of the EU Declaration of Conformity is available at the following internet address:
www.dspg.com.hk
ORIGINAL EQUIPMENT MANUFACTURER (OEM) NOTES:
The OEM must certify the final end product to comply with unintentional radiators (FCC Sections 15.107 and
15.109) before declaring compliance of the final product to Part 15 of the FCC rules and regulations. Integration into
devices that are directly or indirectly connected to AC lines must add with Class II Permissive Change.
The OEM must comply with the FCC labeling requirements. If the module’s label is not visible when installed, then
an additional permanent label must be applied on the outside of the finished product which states: “Contains transmit
ter module FCC ID:
Additionally, the following statement should be included on the label and in the final product’s
user manual: “This device complies with Part 15 of the FCC Rules. Operation is subject to the following two conditi
ons: (1) This device may not cause harmful interferences, and (2) this device must accept any interference received
including interference that may cause undesired operation.”
The module is limited to installation in mobile or fixed applications. Separate approval is required for all other opera-
ting configurations, including portable configuration with respect to Part 2.1093 and different antenna configurations
.
2AOUK-DHANM

Version 3.0 DHAN-M Module Schematic Guide
May 2018 DSP Group Confidential 23/24
A module or modules can only be used without additional authorizations if they have been tested and granted under
same intended end-use operational conditions, including simultaneous transmission operations.
When they have not been tested and granted in this manner, additional testing and/or FCC application
filing may be required. The most straightforward approach to address additional testing conditions is to have
The grantee responsible for the certification of at least one of the modules submit a permissive change application.
When having a module grantee file a permissive change is not practical or feasible, the following guidance provides
some additional options for host manufacturers. Integrations using modules where additional testing and/or FCC app
lication filing(s) may be required are: (A) a module used in devices requiring additional RF exposure compliance inf
ormation (e.g., MPE evaluation or SAR testing); (B) limited and/or split modules not meeting all of the module requ
irements; and (C) simultaneous transmissions for independent collocated transmitters not previously granted together
.
This Module is full modular approval,it is limited to OEM installation ONLY. Integration into devices that are directly
or indirectly connected to AC lines must add with Class II Permissive Change. (OEM) Integrator has to assure
compliance of the entire end product including the integrated Module. Additional measurements (15B) and/or
equipment authorizations (e.g Verification) may need to be addressed depending on co-location or simultaneous
transmission issues if applicable. (OEM) Integrator is reminded to assure that these installation instructions will not be
made available to the end user of the final host device.
IC labeling requirement for the final end product
The final end product must be labeled in a visible area with the following “Contains IC:23573-DHANM”
The Host Marketing Name (HMN) must be indicated at any location on the exterior of the host product or product
packaging or product literature, which shall be available with the host product or online.
RFPI and EMC
Each DHAN-M Module is shipped to the customer with a unique RFPI – its DECT identity.
DHAN-M will ship with an “EMC” of 0xFEB. This is the DSP Group “generic” EMC. The EMC setting identifies a
Device as belonging to a specific group of ULE Devices/Hubs that utilize some proprietary signaling.
In either case, the customer is free to re-program these parameters.
Ordering Information
Part #: DCX81MD0CFAE5AMI

Version 3.0 DHAN-M Module Schematic Guide
May 2018 DSP Group Confidential 24/24
Change Log
Table 9-1: List of Changes
REVISION DATE DESCRIPTION
1.0 May 24, 2017 Baseline release
2.0 September 13,
2017
*Add PCB metal, mask and stencil information
*Modify Pinout and Pinout Numbering
*Modify App Schematics to match new pinout
*Modify Vmin from 1.95 to 2V
*Add SW Stack description with options for CMHS, CMBS & UART/USB
*Add detail regarding antenna layout and options for Diversity
*Add reference schematic for MIC and Ear SPK
3.0 In progress *Need to add USB and CMHS Parts
4.0 May 5 2018 *Add OEM Notes
5.0 May 5 2018 *IC Labeling requirements for the final end product

