DT Research 800F WWAN module User Manual ME936 Module QSG English
DT Research, Inc. WWAN module ME936 Module QSG English
User manual

Copyright © Huawei Technologies Co., Ltd. 2012.
All rights reserved.
No part of this document may be reproduced or transmitted in any form or by any means without
prior written consent of Huawei Technologies Co., Ltd.
The product described in this manual may include copyrighted software of Huawei Technologies Co.,
Ltd and possible licensors. Customers shall not in any manner reproduce, distribute, modify,
decompile, disassemble, decrypt, extract, reverse engineer, lease, assign, or sublicense the said
software, unless such restrictions are prohibited by applicable laws or such actions are approved by
respective copyright holders under licenses.
Trademarks and Permissions
, , and are trademarks or registered trademarks of Huawei Technologies
Co., Ltd.
Other trademarks, product, service and company names mentioned are the property of their
respective owners.
Notice
Some features of the product and its accessories described herein rely on the software installed,
capacities and settings of local network, and may not be activated or may be limited by local
network operators or network service providers, thus the descriptions herein may not exactly match
the product or its accessories you purchase.
Huawei Technologies Co., Ltd reserves the right to change or modify any information or
specifications contained in this manual without prior notice or obligation.
NO WARRANTY
THE CONTENTS OF THIS MANUAL ARE PROVIDED “AS IS”. EXCEPT AS REQUIRED BY APPLICABLE
LAWS, NO WARRANTIES OF ANY KIND, EITHER EXPRESS OR IMPLIED, INCLUDING BUT NOT
LIMITED TO, THE IMPLIED WARRANTIES OF MERCHANTABILITY AND FITNESS FOR A PARTICULAR
PURPOSE, ARE MADE IN RELATION TO THE ACCURACY, RELIABILITY OR CONTENTS OF THIS
MANUAL.
TO THE MAXIMUM EXTENT PERMITTED BY APPLICABLE LAW, IN NO CASE SHALL HUAWEI
TECHNOLOGIES CO., LTD BE LIABLE FOR ANY SPECIAL, INCIDENTAL, INDIRECT, OR
CONSEQUENTIAL DAMAGES, OR LOST PROFITS, BUSINESS, REVENUE, DATA, GOODWILL OR
ANTICIPATED SAVINGS.
Import and Export Regulations
Customers shall comply with all applicable export or import laws and regulations and will obtain all
necessary governmental permits and licenses in order to export, re-export or import the product
mentioned in this manual including the software and technical data therein.
i
Contents
Getting to Know the ME936 .......................................................................................................... 1
Installation ..................................................................................................................................... 4
Safety Information…………………………………………………………………………………….5
1
Thank you for purchasing HUAWEI ME936 LTE Module
(hereinafter referred to as the ME936)
Note:
This manual briefly describes the preparation, Assembly and safety precautions.
You are recommended to read the manual before using the ME936
Getting to Know the ME936
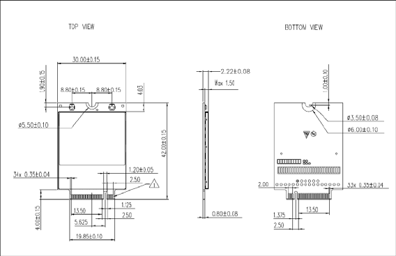
The module is standard M.2 interface with a dimension of 30 mm × 42 mm × 2.3 mm. It is applied
to the user interface board, and can be used as a wireless terminal in a network environment.

2

3
12
3
4
1. AUX/GPS Antenna interface
It is used to connect an antenna which for diversity and GPS
2. MAIN Antenna interface
It is used to connect an antenna which for main TX and RX
3. Fixing hole
A screw, metal fastener, and nut are used to fix an ME936 module on a development board through
this fixing hole.
4. Gold Finger
It is connected to the M.2 connector on the development board.
Note:
In certain cases, your development board may be disassembled only by the professionals.
Before you install the ME936 onto the development board, consult the development board
manufacturer or read the user manual of the development board.

4
Installation Guide
It refers to M.2 specification.
The module will need a mechanical retention at the end of the board. The module specifies a 5.5
mm Dia. keep out zone at the end for attaching a screw.
The module Stand-off and mounting screw also serve as part of the module Electrical Ground path.
The Stand-off should be connected directly to the ground plane on the platform. So that when the
module is mounted and the mounting screw is screwed on to hold the module in place, this will
make the electrical ground connection from the module to the platform ground plane.
The stand-off must provide a Thermal Ground Path. The design requirements for thermal are a
material with a minimum conductivity of 50 watts per meter Kelvin and surface area of 22 Sq mm.
5
Safety Information
Warnings and Precautions
This section contains important information pertaining to the operating instructions of your
device. It also contains information about how to use your device safely. Read this
information carefully before using the device.
Electronic Device
Do not use your device if using the device is prohibited. Do not use the device when using
the device causes danger or interference with electronic devices.
Medical Device
Follow rules and regulations set forth by hospitals and health care facilities. Do not use
your device when using the device is prohibited.
Some wireless devices may affect the performance of hearing aids or pacemakers. For
any such problems, consult your service provider.
If you are using an electronic medical device, consult the doctor or the device
manufacturer to confirm whether radio waves affect the operation of this device.
Potentially Explosive Atmosphere
Do not use your device in any area with a potentially explosive atmosphere, and comply with
all signs and instructions. Areas that may have potentially explosive atmospheres include
the areas where you would normally be advised to turn off your vehicle engine. Triggering of
sparks in such areas could cause an explosion or a fire, resulting in bodily injuries or even
deaths. Do not use your device at refueling points such as service stations. Comply with
restrictions on the use of radio equipment in fuel depots, storage, and distribution areas, and
chemical plants. In addition, adhere to restrictions in areas where blasting operations are in
progress. Before using the device, watch out for areas that have potentially explosive
6
atmospheres that are often, but not always, clearly marked. Such locations include areas
below the deck on boats, chemical transfer or storage facilities, and areas where the air
contains chemicals or particles such as grain, dust, or metal powders. Ask the
manufacturers of vehicles using liquefied petroleum gas (such as propane or butane)
whether this device can be safely used in their vicinity.
Traffic Security
Observe local laws and regulations while using the device. To prevent accidents, do not
use your wireless device while driving.
RF signals may affect electronic systems of motor vehicles. For more information, consult
the vehicle manufacturer.
In a motor vehicle, do not place the device over the air bag or in the air bag deployment
area. Otherwise, the device may hurt you owing to the strong force when the air bag
inflates.
Do not use your device while flying in an aircraft and before boarding an aircraft. Using
wireless devices in an aircraft may cause danger to the operation of the aircraft and
disrupt the wireless telephone network. It may also be considered illegal.
Operating Environment
Do not use the device in dusty, damp, and dirty places or places with magnetic fields.
Otherwise, it may result in malfunction of the circuit.
On a stormy day with thunder, do not use your device when it is being charged, to prevent
any danger caused by lightning.
While using the device, observe the local laws and regulations, and respect others'
privacy and legal rights.
Safety of Children
Comply with all precautions with regard to children's safety. Letting the child play with your
device or its accessories, which may include parts that can be detached from the device,
may be dangerous, as it may present a choking hazard. Ensure that small children are kept
away from the device and accessories.
Accessories
Use the accessories delivered only by the manufacturer. Using accessories of other
7
manufacturers or vendors with this device model may invalidate any approval or warranty
applicable to the device, result in the non-operation of the device, and cause danger.
Cleaning and Maintenance
It is normal that your wireless device gets hot when you use or charge it. Before you clean or
maintain the wireless device, stop all applications and disconnect the wireless device from
your PC.
Use your wireless device and accessories with care and in a clean environment. Keep
the wireless device away from a fire or a lit cigarette.
Protect your wireless device and accessories from water and vapor, and keep them dry.
Do not drop, throw, or bend your wireless device.
Clean your wireless device with a piece of damp and soft antistatic cloth. Do not use any
chemical detergent, powder, or other chemical agents (such as alcohol and benzene) to
clean the device.
Keep the ambient temperature between -10℃ to +55℃ for using the device.
FCC Radiation Exposure Statement:
This equipment complies with FCC radiation exposure limits set forth for an uncontrolled
environment. End users must follow the specific operating instructions for satisfying RF
exposure compliance.
Note 1: This module has been certified to comply with RF exposure requirements under
mobile or fixed condition, this module is to be installed only in mobile or fixed applications.
The system antenna(s) used for this module must not exceed 2.5dBi.
The transmitter module may not be co-located with any other transmitter or antenna. The
FCC ID label on the final system must be labeled with “Contains FCC ID: QISME936
As long as the above conditions are met, further transmitter test will not be required.
However, the OEM integrator is still responsible for testing their end-product for any
additional compliance requirements required with this module installed. To ensure
compliance with all non-transmitter functions the host manufacturer is responsible for
ensuring compliance with the module(s) installed and fully operational. For example, if a
host was previously authorized as an unintentional radiator under the Declaration of
Conformity procedure without a transmitter certified module and a module is added, the
host manufacturer is responsible for ensuring that the after the module is installed and
8
operational the host continues to be compliant with the Part 15B unintentional radiator
requirements.
In case the conditions specified above cannot be met, the FCC authorization would no
longer be considered valid and the FCC ID could not be used on the final product. Under
these circumstances, the OEM integrator will be responsible for re-evaluating the end
product (including the transmitter (s)) and obtaining a separate FCC authorization.
Additional tests for compliance with RF Exposure compliance (i.e. portable applications)
and transmitter / host specific tests could be required.
Note 2: Any modifications made to the module will void the Grant of Certification, this
module is limited to OEM installation only and must not be sold to end-users, end-user
has no manual instructions to remove or install the device, only software or operating
procedure shall be placed in the end-user operating manual of final products.
Note 3: The device must not transmit simultaneously with with any other antenna or
transmitter.
Note 4: The transmitter module must be installed and used in strict accordance with the
manufacturer's instructions as described in the user documentation that comes with the
host product.
FCC Statement
This equipment complies with FCC radiation exposure limits set forth for an uncontrolled
environment. End users must follow the specific operating instructions for satisfying RF
exposure compliance.
La distance d’installation et d’opération entre le radiateur et votre corps de chaque
équipement doit être au minimum 20cm.
15.19
NOTICE:
This device complies with Part 15 of the FCC Rules
Operation is subject to the following two conditions:
1) This device may not cause harmful interference, and
2) This device must accept any interference received, including interference that may
cause undesired operation.
9
15.21
NOTICE:
Changes or modifications made to this device not expressly approved by Huawei
Technologies Co., Ltd. may void the FCC authorization to operate this device.
15.105
NOTE:
This device has been tested and found to comply with the limits for a Class B digital device,
pursuant to Part 15 of the FCC Rules. These limits are designed to provide reasonable
protection against harmful interference in a residential installation. This device generates
uses and can radiate radio frequency energy and, if not installed and used in accordance
with the instructions, may cause harmful interference to radio communications. However,
there is no guarantee that interference will not occur in a particular installation. If this device
does cause harmful interference to radio or television reception, which can be determined
by connecting or disconnecting the device to a PC, the user is encouraged to try to correct
the interference by adopting one or more of the following measures:
Reorient or relocate the receiving antenna.
Increase the distance between the device and the receiver.
Connect the device to an outlet on a circuit different from that to which the receiver is
connected.
Consult the dealer or an experienced radio or TV technician for help.
This device is intended for OEM integrators only.
Host system must be labeled with "Contains FCC ID: QISME936", FCC ID displayed on
label.
Industry Canada Compliance
This device complies with Industry Canada. The Class B digital apparatus complies with
Canadian ICES-003. Cet appareil numérique de la class B est conforme à la norme
NMB-003 du Canada. In the United States and Canada,. The standard incorporates a
substantial margin of safety to give additional protection for the public and to account for any
variations in measurements.