Daewoo Electronics Cp 885 Users Manual 표지
WP-895 to the manual ac100d22-6205-402b-86b2-7f18f345e1d9
2015-02-02
: Daewoo-Electronics Daewoo-Electronics-Cp-885-Users-Manual-404282 daewoo-electronics-cp-885-users-manual-404282 daewoo-electronics pdf
Open the PDF directly: View PDF
.
Page Count: 86

Service Manual
S/M No. : TWP895BEF0
DAEWOO ELECTRONICS CO., LTD
http : //svc.dwe.co.kr AUG. 2001
Colour Television
CHASSIS
WP-895
WP-895F
CP-885
CP-885F

- 1 -
Contents
1 - Main features ........................................................................................................................................................ 4
1-1 Specifications .................................................................................................................................................. 4
1-2 Channel table .................................................................................................................................................. 8
1-3 ATSS sorting method ....................................................................................................................................... 11
2 - Safety instruction ................................................................................................................................................. 13
3 - Alignment instructions ........................................................................................................................................ 14
3-1 Microcontroller configuration : Service mode ................................................................................................... 14
3-2 Service mode navigation ................................................................................................................................. 14
3-3 Microcontroller configuration : Option .............................................................................................................. 15
3-4 TV set Alignment ............................................................................................................................................. 15
3-4-1 Local oscillator alignment .................................................................................................................... 15
3-4-2 G2 alignment ....................................................................................................................................... 15
3-4-3 White balance ..................................................................................................................................... 15
3-4-4 Focus .................................................................................................................................................. 15
3-4-5 Vertical geometry ................................................................................................................................ 15
3-4-6 Horizontal picture centring................................................................................................................... 16
3-4-7 East/West correction ........................................................................................................................... 16
3-4-8 AGC .................................................................................................................................................... 17
4 - IC description ....................................................................................................................................................... 18
4-1 VCT383xA TV signal processor - Teletext decoder with embedded 8 bit -
Controller ............................................................................................................................................................ 18
4-1-1 Block diagram off the VCT ................................................................................................................... 18
4-1-2 TV-signal Processor ........................................................................................................................... 18
4-1-2 -Controller .......................................................................................................................................... 19
4-1-4 Teletext Features ................................................................................................................................ 19
4-1-5 Displaty OSD Features...................................................................................................................... 20
4-1-6 Audio Features ................................................................................................................................... 20
4-1-7 General Features ............................................................................................................................... 20
4-1-8 Data Capture ....................................................................................................................................... 20
4-1-9 Data Capture Features ........................................................................................................................ 20
4-1-10 TV processor version and -Controller capacity .............................................................................. 21
4-1-11 IC marking and version ....................................................................................................................... 21
4-1-12 Pinning ................................................................................................................................................ 21
4-2 MSP341x Multistandard Sound Processor ................................................................................................... 24
4-2-1 Basic Features of the MSP 341x ......................................................................................................... 24
4-3 TDA4470 - Multistandard Video-IF and Quasi Parallel Sound Processor ......................................................28
4-3-1 Description .......................................................................................................................................... 28
4-3-2 Features .............................................................................................................................................. 28
4-3-3 Pinning ................................................................................................................................................ 28
4-3-4 Block diagram .................................................................................................................................... 29
4-4 TDA894xJ Stereo Audio Amplifier ................................................................................................................. 30
4-4-1 Features ............................................................................................................................................... 30
4-5 TDA835xJ Vertical Amplifier ........................................................................................................................... 32
4-5-1 TDA8357J ........................................................................................................................................... 32
Service manual WP-895/895F. CP885/885F
- 2 -
4-5-2 TDA8358J ..............................................................................................................................................33
4-6 TDA6107Q..........................................................................................................................................................34
4-7 24C16 - 16 Kb EEPROM....................................................................................................................................37
4-8 STR - F6653.......................................................................................................................................................38
4-8-1 General description...............................................................................................................................38
4-8-2 Features.................................................................................................................................................38
4-8-3 Block diagram.......................................................................................................................................38
4-8-4 Pin description......................................................................................................................................39
4-8-5 Control part - electrical characteristics.................................................................................................39
4-8-6 MOSFET electrical characteristics.......................................................................................................40
5 - Circuit description..................................................................................................................................................41
5-1 Block diagram....................................................................................................................................................41
5-2 IF section............................................................................................................................................................42
5-2-1 Block diagram.......................................................................................................................................42
5-2-2 Vision IF Amplifier..................................................................................................................................42
5-2-3 Tuner-and VIF-ACG................................................................................................................................43
5-2-4 FPLL, VCO and AFC..............................................................................................................................43
5-2-5 Video Demodulation and Amplifier......................................................................................................44
5-5-6 Sound IF Amplifier and SIF-AGC.......................................................................................................44
5-2-7 Quasi-Parallel-Sound (QPS) Mixer.........................................................................................................44
5-2-8 Standard Switch....................................................................................................................................44
5-2-9 L’ Switch..................................................................................................................................................44
5-2-10Internal Voltage Stabiliser.....................................................................................................................44
5-3 Video - VCT description......................................................................................................................................45
5-3-1 Introduction............................................................................................................................................45
5-3-2 Video Front-end.....................................................................................................................................45
5-3-3 Input Selector........................................................................................................................................45
5-3-4 Clamping ................................................................................................................................................45
5-3-5 Automatic Gain Control........................................................................................................................45
5-3-6 Digitally Controlled Clock Oscillator.....................................................................................................45
5-3-7 Analogue Video Output........................................................................................................................45
5-3-8 Adaptive Comb Filter (VCT3834A only)................................................................................................46
5-3-9 Color Decoder.......................................................................................................................................46
5-3-10Horizontal Scaler...................................................................................................................................46
5-3-11Video Sync Processing........................................................................................................................47
5-3-12Display Processing................................................................................................................................47
5-3-13Chroma Transient Improvement............................................................................................................47
5-3-14Video Back-end.....................................................................................................................................47
5-3-15CRT Measurement and Control...........................................................................................................48
5-3-16Average Beam Current Limiter.............................................................................................................48
5-3-17Analogue RGB Insertion......................................................................................................................48
5-3-18Fast-Blank Monitor................................................................................................................................48
5-3-19Vertical and East/West Deflection.......................................................................................................49
5-3-20EHT Compensation................................................................................................................................49
5-3-21Reset Function......................................................................................................................................49
5-3-22Standby and Power-On........................................................................................................................49
5-4 Micro-controller.........................................................................................................................................................49
Service ma nual WP-895/895F. CP885/885F

Fo
- 3 -
5-4-1 Introduction........................................................................................................................................... 49
5-4-2 CPU ...................................................................................................................................................... 49
............................................................................... 50
5-4-4 Tuning .................................................................................................................................................. 50
5-4-5 Automatic rmat switching and WSS ............................................................................................... 50
5-4-6 EXTERNAL source control logic........................................................................................................... 51
5-4-7 Over Current Protection........................................................................................................................ 53
5-5Teletext Display ................................................................................................................................................. 53
5-6 Sound processing............................................................................................................................................... 54
5-6-1 Analogue sound IF-input section............................................................................................................ 54
5-6-2 Quadrature Mixers ................................................................................................................................ 54
5-6-3 Phase and AM discr imination........................................................................................................... 54
5-6-4 NICAM decoder.................................................................................................................................... 55
5-6-5 DSP section.......................................................................................................................................... 55
5-6-6 Sound Mode switching.......................................................................................................................... 55
5-7 Sound amplification........................................................................................................................................... 55
5-7-1 Power amplifier............................................................................................................ ......................... 55
5-7-2 Mode selection....................................................................................................................................... 56
5-8 Vertical deflection............................................................................................................................................. 56
5-8-1 Flyback voltage..................................................................................................................................... 56
5-8-2 Protection.............................................................................................................................................. 56
5-8-3 Guard circuit.......................................................................................................................................... 56
5-8-4 Damping resistor................................................................................................................................... 56
5-8-5 EAST-WEST Amplifier (TDA8358J only)............................................................................................... 56
5-9 Power supply (STR F6653).. .............................................................................................................................. 57
5-9-1 STR-F6654 generaral description......................................................................................................... 57
5-9-2 Power supply primary par t operations................................................................................................... 57
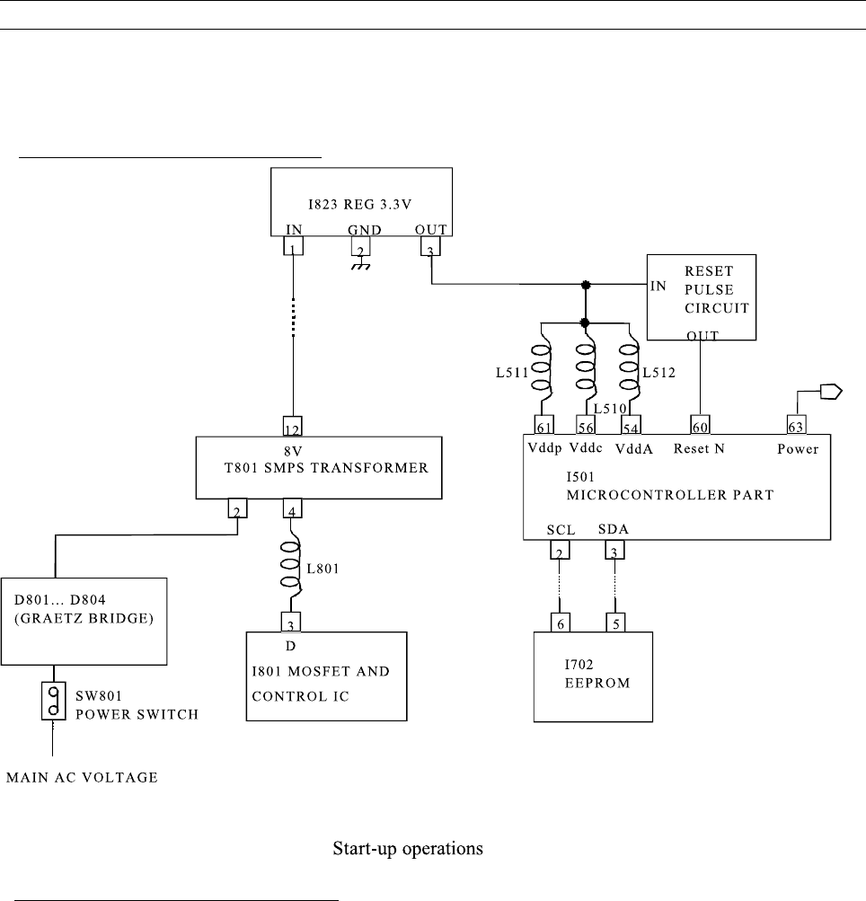
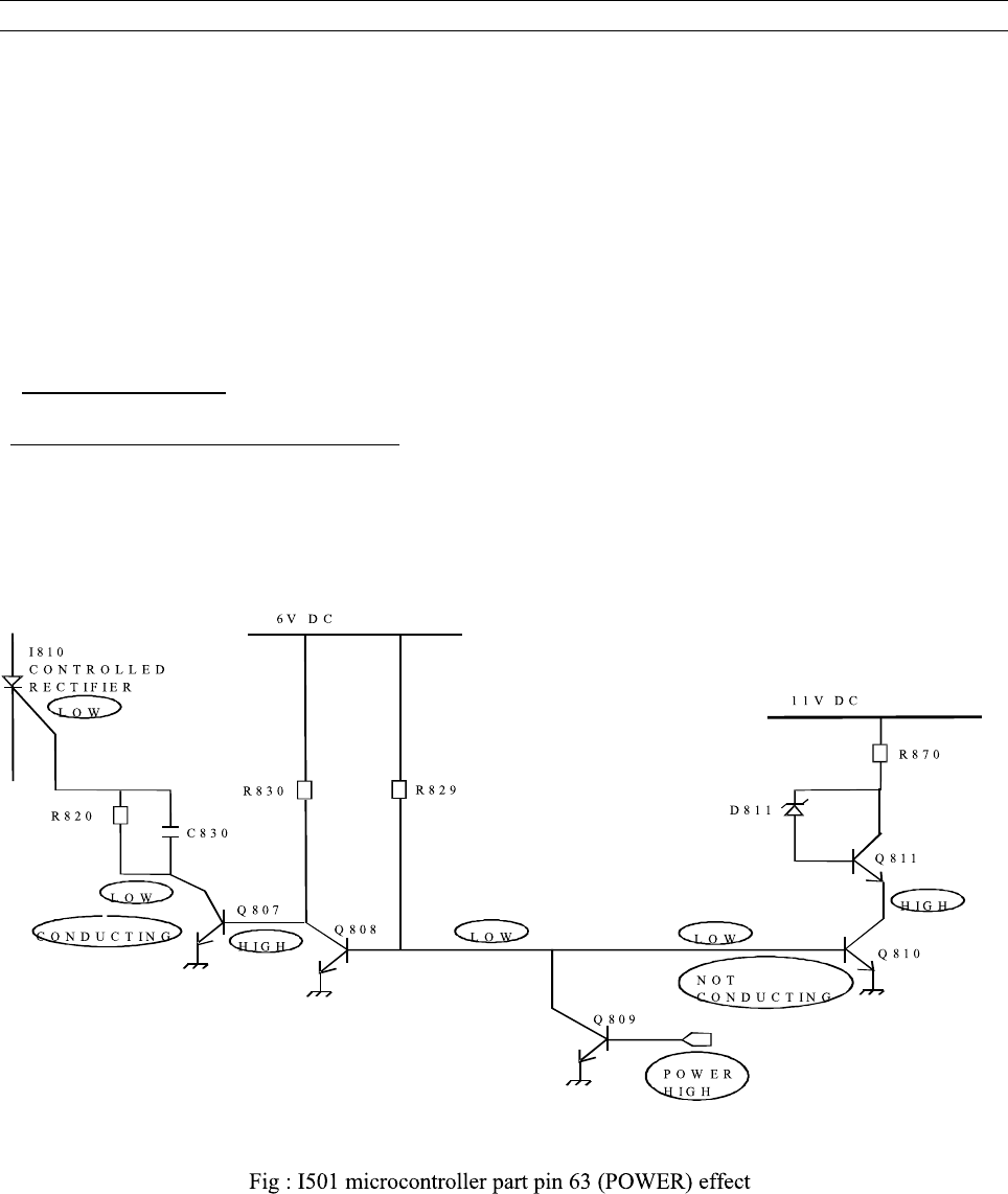
5-10TV start-up, TV normal run and stand by mode operations............................................................................... 61
5-10-1 TV start-up operations.......................................................................................................................... 61
5-10-2 TV normal run and stand-by mode operations....................................................................................... 62
6 - Service parts list...................................................................................................................................................67
7 - Exploded View........................................................................................................................................................75
8 - PCB Layout
9 - Circuit Diagram
Service manual WP-895/895F. CP885/885F
5-4-3
-Controller I/O pin configuration and function
7-1 DWX-28W5
7-2 DWF-28W8
7-3 D T F-29U8
7-4 D T P-28A7
7-5 D T P-28B1
7-6 D T P-28G7
7-7 D T P-28G8
.......................................................................................................................................................
.......................................................................................................................................................
.......................................................................................................................................................
.......................................................................................................................................................
.......................................................................................................................................................
.......................................................................................................................................................
.......................................................................................................................................................
75
76
77
78
79
80
81

- 4 -
Service manual WP 895/895F, CP885/885F
1- Main Features
1-1 Specifications
TV standard PAL - SECAM B/G D/K, PAL I/I, SECAM L/L’
Sound system NICAM B/G, I, D/K, L,
FM 2Carrier B/G, D/K
Power consumption 21” Real Falt : 59 W approx.
28” 4:3, FST : 69 W approx.
Sound Output Power21” : 4.5W x 2 (at 1kHz, 60% mod, 10%THD)
28”, 29" : 7W x 2 (at 1kHz, 60% mod, 10%THD)
Speaker21” : 7W 8 ohm x2
28”, 29” : 12W 8 ohm x2
Teletext system 10 pages memory FASTEXT (FLOF or TOP)
Aerial input 75 ohm unbalanced
Channel coverageOff-air channels, S-cable channels and hyperband
Tuning system frequency synthesiser tuning system
Visual screen 21” : 51 cm
28” : 66 cm
29” : 68 cm
Channel indication On Screen Display
Program Selection 100 programmes
Aux. terminal EURO-SCART 1 : Audio / Video In and Out, R/G/B In, Slow and
Fast switching.
EURO-SCART 2 : Audio / Video In and Out, SVHS In.
AV3 : Audio-Video Jack on front of cabinet.
Headphone jack (3.5 mm) on front of cabinet
SVHS3 (option) : Jack on front of cabinet - sound input common with AV3.
Remote Control Unit R-46G22
29" 4:3, REAL FALT : 74 W approx.
28” 16:9, WIDE : 69 W approx.
Monitor Out(option)

CHASSIS NAME WP895 WP895F CP885 CP885F
VCT VERSION 3834 3834 3832 3834
SOFTWARE VERSION A A B A
REMOTE CONTROL R46G22 R46G22 R46G22 R46G22
PCB SERIAL NUMBER 4859805093 4859805193 4859805093 4859805193
TUBE 16:09 16:9 REAL FLAT 4:03 4:3 REAL FLAT
SVHS3
"PICTURE IMPROVE-
MENTS, COMB FILTER,
HORIZONTAL SCALER"
TELETEXT SPLIT SCREEN
FORMATS AVAILABLE IN
VIDEO MODE
AUTO / 4:3 / 14:9 / ZOOM 14:9 /
ZOOM 16:9 / FULL SCREEN
AUTO / 4:3 / 14:9 / ZOOM 14:9 /
ZOOM 16:9 / FULL SCREEN
AUTO / FULL SCREEN / 14:9 /
16:9
AUTO / FULL SCREEN / 14:9 /
16:9 / WATERGLASS
AV2 MONITOR OUTPUT
MSP VERSION (OPTION) 3410 3411 3410 3411 3410 3415 3410 3411
SOUND EFFECTS OFF / SPATIAL OFF / SPATIAL
/ PANORAMA /
VIRTUAL
DOLBY
OFF / SPATIAL OFF / SPATIAL
/ PANORAMA /
VIRTUAL
DOLBY
OFF / SPATIAL OFF / SPATIAL OFF / SPATIAL OFF / SPATIAL
/ PANORAMA /
VIRTUAL
DOLBY
GRAPHIC EQUALIZER
AV3 AUDIO INPUT DEDICATED DEDICATED DEDICATED DEDICATED DEDICATED AV2 COMMON DEDICATED DEDICATED
TELETEXT PAGE MEMORY 10 PAGE 10 PAGE 10 PAGE 10 PAGE
TOP TELETEXT AVAILABLE : SELECTABLE IN FACTORY/SERVICE MODE BY OPTION BITS
FLOF TELETEXT AVAILABLE : SELECTABLE IN FACTORY/SERVICE MODE BY OPTION BITS
TEXT CHARACTER
SUPPORT
"Pan-European Latin, Cyrillic, Greek"
OSD LANGUAGES "English, French, German, Italian, Spanish, Dutch, Danish, Finnish, Norwegian, Swedish, Greek, Polish, Hungarian, Czech, Slovakian, Roma-
nian, Russian."
TUNER OPTIONS "Philips, ALPS"
Specification matrix
Service manual WP 895/895F, CP885/885F
- 5 -

- 6 -
Service manual WP 895/895F, CP885/885F
21 Pin EURO-SCART 1 :
Pin Signal Description Matching value
1 Audio Output Right 0.5 Vrms, Impedance < 1 , ( RF 54% Mod )
2 Audio Input Right 0.5 Vrms, Impedance > 10
3 Audio Output Left 0.5 Vrms, Impedance < 1 , ( RF 54% Mod )
4 Audio Earth
5 Blue Earth
6 Audio Input Left 0.5 Vrms, Impedance > 10
7 Blue Input 0.7 Vpp ±0.1V, Impedance 75
8 Slow Switching TV : 0 to 2V, AV 16/9 : 4.5 to 7V, AV 4/3 : 9.5 to 12V ,
Impedance > 10
9 Green Earth
10 N.C.
11 Green Input 0.7 Vpp 0.1V, Impedance 75
12 N.C.
13 Red Earth
14 Blanking Earth
15 Red Input 0.7 Vpp 0.1V, Impedance 75
16 Fast Switching 0 to 0.4V : Logic “0”, 1 to 3V : Logic “1”, Impedance 75
17 Video Out Earth
18 Video In Earth
19 Video Output 1 Vpp 3dB, Impedance 75
20 Video Input 1 Vpp 3dB, Impedance 75
21 Common Earth
21 Pin EURO-SCART 2 :
Pin Signal Description Matching value
1 Audio Output Right 0.5 Vrms, Impedance < 1 , ( RF 54% Mod ) - Not available for cp885
2 Audio Input Right 0.5 Vrms, Impedance > 10
3 Audio Output Left 0.5 Vrms, Impedance < 1 , ( RF 54% Mod ) - Not available for cp885
4 Audio Earth
5 Earth
6 Audio Input Left 0.5 Vrms, Impedance > 10
7 N.C.
8 Slow Switching TV: 0 to 2V, AV 16:9: 4.5V to 7V, AV 4:3: 9.5 to 12V
9 N.C.
10 N.C.
11 N.C.
12 N.C.
13 Earth
14 Earth
15 Chroma Input 3dB for a luminance signal of 1 Vpp
16 N.C.
17 Earth
18 Video In Earth

- 7 -
Service manual WP 895/895F, CP885/885F
19 Video Output 1 Vpp 3dB, Impedance 75 ( Monitor output ) - Not available for cp885
20 Video Input, Y In. 1 Vpp 3dB, Impedance 75
21 Common Earth

- 8 -
Service manual WP 895/895F, CP885/885F
CH EUROPE CCIR FRANCE GB(IRELAND) EAST OIRT
C01 46.25 - 47.75 49.75
C02 48.25 55.75 (L’) 53.75 59.25
C03 55.25 60.5 (L’) 61.75 77.25
C04 62.25 63.75 (L’) 175.25 85.25
C05 175.25 176.00 183.25 93.25
C06 182.25 184.00 191.25 175.25
C07 189.25 192.00 199.25 183.25
C08 196.25 200.00 207.25 191.25
C09 203.25 208.00 215.25 199.25
C10 210.25 216.00 223.25 207.25
C11 217.25 189.25 (LUX) 231.25 215.25
C12 224.25 69.25 (L’) 239.25 223.25
C13 53.75 76.25 (L’) 247.25 -
C14 - 83.25 (L’) 49.75 -
C15 82.25 90.25 57.75 -
C16 - 97.25 65.75 -
C17 183.75 - 77.75 -
C18 192.25 - 85.75 -
C19 201.25 - - -
C20 -- - -
C21 471.25 471.25 471.25 471.25
C22 479.25 479.25 479.25 479.25
C23 487.25 487.25 487.25 487.25
C24 495.25 495.25 495.25 495.25
C25 503.25 503.25 503.25 503.25
C26 511.25 511.25 511.25 511.25
C27 519.25 519.25 519.25 519.25
C28 527.25 527.25 527.25 527.25
C29 535.25 535.25 535.25 535.25
C30 543.25 543.25 543.25 543.25
C31 551.25 551.25 551.25 551.25
C32 559.25 559.25 559.25 559.25
C33 567.25 567.25 567.25 567.25
C34 575.25 575.25 575.25 575.25
C35 583.25 583.25 583.25 583.25
C36 591.25 591.25 591.25 591.25
C37 599.25 599.25 599.25 599.25
C38 607.25 607.25 607.25 607.25
C39 615.25 615.25 615.25 615.25
C40 623.25 623.25 623.25 623.25
C41 631.25 631.25 631.25 631.25
1-2 Channel table
FREQUENCY TABLE

- 9 -
Service manual WP 895/895F, CP885/885F
CH EUROPE CCIR FRANCE GB(IRELAND) EAST OIRT
C42 639.25 639.25 639.25 639.25
C43 647.25 647.25 647.25 647.25
C44 655.25 655.25 655.25 655.25
C45 663.25 663.25 663.25 663.25
C46 671.25 671.25 671.25 671.25
C47 679.25 679.25 679.25 679.25
C48 687.25 687.25 687.25 687.25
C49 695.25 695.25 695.25 695.25
C50 703.25 703.25 703.25 703.25
C51 711.25 711.25 711.25 711.25
C52 719.25 719.25 719.25 719.25
C53 727.25 727.25 727.25 727.25
C54 735.25 735.25 735.25 735.25
C55 743.25 743.25 743.25 743.25
C56 751.25 751.25 751.25 751.25
C57 759.25 759.25 759.25 759.25
C58 767.25 767.25 767.25 767.25
C59 775.25 775.25 775.25 775.25
C60 783.25 783.25 783.25 783.25
C61 791.25 791.25 791.25 791.25
C62 799.25 799.25 799.25 799.25
C63 807.25 807.25 807.25 807.25
C64 815.25 815.25 815.25 815.25
C65 823.25 823.25 823.25 823.25
C66 831.25 831.25 831.25 831.25
C67 839.25 839.25 839.25 839.25
C68 847.25 847.25 847.25 847.25
C69 855.25 855.25 855.25 855.25
C70 863.25 863.25 863.25 863.25
C71 69.25 - - -
C72 76.25 - - -
C73 83.25 - - -
C74 90.25 - - -
C75 97.25 - - -
C76 59.25 - - -
C77 93.25 - - -
S01 105.25 104.75 103.25 105.25
S02 112.25 116.75 111.25 112.25
S03 119.25 128.75 119.25 119.25
S04 126.25 140.75 127.25 126.25
S05 133.25 152.75 135.25 133.25
S06 140.25 164.75 143.25 140.25
S07 147.25 176.75 151.25 147.25
S08 154.25 188.75 159.25 154.25
S09 161.25 200.75 167.25 161.25

- 10 -
Service manual WP 895/895F, CP885/885F
CH EUROPE CCIR FRANCE GB(IRELAND) EAST OIRT
S10 168.25 212.75 - 168.25
S11 231.25 224.75 - 231.25
S12 238.25 236.75 - 238.25
S13 245.25 248.75 255.25 245.25
S14 252.25 260.75 263.25 252.25
S15 259.25 272.75 271.25 259.25
S16 266.25 284.75 279.25 266.25
S17 273.25 296.75 287.25 273.25
S18 280.25 136.00 295.25 280.25
S19 287.25 160.00 303.25 287.25
S20 294.25 - - 294.25
S21 303.25 303.25 - 303.25
S22 311.25 311.25 311.25 311.25
S23 319.25 319.25 319.25 319.25
S24 327.25 327.25 327.25 327.25
S25 335.25 335.25 335.25 335.25
S26 343.25 343.25 343.25 343.25
S27 351.25 351.25 351.25 351.25
S28 359.25 359.25 359.25 359.25
S29 367.25 367.25 367.25 367.25
S30 375.25 375.25 375.25 375.25
S31 383.25 383.25 383.25 383.25
S32 391.25 391.25 391.25 391.25
S33 399.25 399.25 399.25 399.25
S34 407.25 407.25 407.25 407.25
S35 415.25 415.25 415.25 415.25
S36 423.25 423.25 423.25 423.25
S37 431.25 431.25 431.25 431.25
S38 439.25 439.25 439.25 439.25
S39 447.25 447.25 447.25 447.25
S40 455.25 455.25 455.25 455.25
S41 463.25 463.25 463.25 463.25

- 11 -
Service manual WP 895/895F, CP885/885F
1-3 ATSS sorting method
The TV set sweeps all the TV bands from beginning of VHF to end of UHF. The TV controlling software for each
program checks if a VPS CNI code is transmitted ( this system exists for German, Swiss and Austrian transmissions).
If no VPS CNI code is found, then the system check if a CNI code is transmitted as part of the teletext transmission
( Packet 8/30 format 1 ). If such a code ( VPS or teletext ) is found and if this code is in the ATSS list, the program is
automatically named.
If the transmission does not have VPS CNI, and no teletext service is available, then there is no possibility of the
program being automatically named.
The programs found are then sorted in 4 groups :
Group I : It contains all the programs from the selected country and named by the TV controlling software. Within this
group the sorting order is fixed by the ATSS list.
Group II : It contains all the programs with a strong signal strength which are not listed in group I.
Group III : It contains all the programs with a weak signal strength which are not listed in group I.
Group IV : If two or more programs with the same code are found, only the strongest ( or if they have the same level
the one with the lowest frequency) is listed in group I, II or III. The others are listed in group IV.
Program
number
1
2 Group I
...
n
n+1
... Group II
m
m+1
... Group III
p
p+1
... Group IV
q
q+1
.... not used
99
0
Group Skip Program
number
1
... Group II
m
m+1
... Group III
p
p+1
... Group IV
q
q+1
.... not used
99
0
Group Skip
Special case : Country selection = Others
Special case : France
Note : If two programs with the same name but a different code are found these two programs are listed in
group I, II or III ( e.g. Regional program SW3 in Germany ).

- 12 -
Service manual WP 895/895F, CP885/885F
The sorting order within group II, III, and IV is based on the channel frequency. The Program with the lowest
frequency is allocated the first rank in its group, and so forth until the last program of the group which has the
highest frequency.
If France is selected, the TV controlling software first sweeps all TV bands with France system selected
( positive video modulation) and the a second time with Europe system selected ( negative video modulation).
Special case : Switzerland
If Switzerland is selected the TV controlling software first sweeps all TV bands with Europe system selected
(negative video modulation) and then a second time with France system selected ( positive video modulation).
Special case : GB
Note for satellite receiver users : Before starting ATSS turn On your satellite receiver and tune “ SKY NEWS ”.
If GB is selected the TV controlling software seeks for programs only in UHF ( C21 to C70 ).
The sorting order is :
1 - BBC1
2 - BBC2
3 - ITV
4 - CH4
5 - CH5
6 - NEWS
If two or more “ identical” programs ( same name but different code e.g. BBC1 and BBC1 Scotland ) are found
the following programs in the list will be shifted up. (1 - BBC1, 2 - BBC1, 3 - BBC2, 4 -ITV, 5 - CH4, 6 - CH5,
7 - NEWS, ..)
If one of the program above is not found, the associated program number remains empty
( freq.=467.25 Mhz - Skip selected - no name - system=GB).
example A : 1 - BBC1, 2 - BBC2, 3 - ITV, 4 - ----, 5 - CH5, 6 - NEW S, ...
example B ( if 2 BBC1 found ) : 1 - BBC1, 2 - BBC1, 3 - BBC2, 4 - IT V, 5 - -----, 6 - CH5, 7 -NEWS, ...
Special case : France

- 13 -
Service manual WP 895/895F, CP885/885F
2 - Safety instruction
WARNING: Only competent service personnel may carry out work involving the testing or repair of this equipment.
X-RAY RADIATION PRECAUTION
1.Excessive high voltage can produce potentially hazardous X-RAY RADIATION. To avoid such hazards, the high
voltage must not exceed the specified limit. The nominal value of the high voltage of this receiver is
26 KV (25” - 28”) at max beam current. The high voltage must not, under any circumstances,
exceed 29.5 KV (25") or 30 KV (28"). Each time a receiver requires servicing, the high voltage should be checked.
It is important to use an accurate and reliable high voltage meter.
2.The only source of X-RAY Radiation in this TV receiver is the picture tube. For continued X-RAY RADIATION
protection, the replacement tube must be exactly the same type tube as specified in the parts list.
SAFETY PRECAUTION
1. Potentials of high voltage are present when this receiver is operating. Operation of the receiver outside the cabinet
or with the back board removed involves a shock hazard from the receiver.
1)Servicing should not be attempted by anyone who is not thoroughly familiar with the precautions necessary
when working on high voltage equipment.
2)Discharge the high potential of the picture tube before handling the tube. The picture tube is highly evacuated
and if broken, glass fragments will be violently expelled.
2. If any Fuse in this TV receiver is blown, replace it with the FUSE specified in the Replacement Parts List.
3. When replacing a high wattage resistor ( metal oxide film resistor) in the circuit board, keep the resistor
10 mm away from circuit board.
4. Keep wires away from high voltage or high temperature components.
5. This receiver must operate under AC 230 volts, 5O Hz. NEVER connect to DC supply or any other power or
frequency.
PRODUCT SAFETY NOTICE
Many electrical and mechanical parts in this equipment have special safety-related characteristics.
These characteristics are often passed unnoticed by a visual inspection and the X-RAY RADIATION protection
afforded by them cannot necessarily be obtained by using replacement components rated for higher voltage,
wattage, etc. Replacement parts which have these special safety characteristics are identified in this manual and its
supplements, electrical components having such features are identified by designated symbol on the parts list.
Before replacing any of these components, read the parts list in this manual carefully. The use of substitutes
replacement parts which do not have the same safety characteristics as specified in the parts list may create X-RAY
Radiation.

- 14 -
Service manual WP 895/895F, CP885/885F
3 - Alignment instructions
3-1 Microcontroller configuration : Service mode
To switch the TV set into service mode please see instruction below.
1 - Select pr. number 91
2 - Adjust sharpness to minimum and exit all menu.
3 - Quickly press the key sequence : RED - GREEN - menu
To software version is displayed beside the word Service, e.g. “ SERVICE V1.00A”.
To exit SERVICE menu press menu key or Std By key.
3-2 Service mode navigation
Pr Up / Down remote keys : cycle through the service items available.
Vol- / + remote keys : Decrement / Increment the values within range.
0~7 digit keys : Toggle bits 0~7 in option byte
Order Item
Default settingh for wp 895
1 PARABOLA
+140
2 HOR WIDTH
-1100
3 CORNER
-80
4 HOR.PARAL
-1
5 V.LINEAR
-2
6 EW TRAPEZ
-12
7 S CORRECT
-15
8 H BOW
+100
9 VERT SIZE
+145
10 VERT CENT
+3939
11 RED GAIN
+92
12 GRN GAIN
+87
13 BLUE GAIN
+95
14 RED BIAS
+128
15 GRN BIAS
+128
16 HOR CEN
98
17 AGC LEVEL
-
18 G2-SCREEN
-
19 AFT
-
20 OPTION
-
21 MAX VOL
Not used

- 15 -
Service manual WP 895/895F, CP885/885F
3-3 Microcontroller configuration : Option bits
These option bits are available from Service mode. First find the OPTION control, and then use keys 0...7 on the
remote keypad to control bits 0 to 7 respectively. The table below shows the options available ;
B7 B6 B5 B4 B3 B2 B1 B0
TOP text FASTEXT SVHS3
off /FLOF off disable
TOP text FASTEXT SVHS3
on (FLOF) on enable
1
0
TUBE 4:3
TUBE 16:9
X
X
X
X
Tuner options
00 = Philips
01 = ALPS
10 = Philips ( AGC intern)
11 = Not used.
Set all the unused bits, marked ‘X’, to be 0 for future compatibility.
3-4 TV set Alignment
3-4-1- Local oscillator alignment
Tune a colour bar pattern . The frequency of the signal carrier must be accurate ( Max +/- 10Khz d eviation from the
nominal channel frequency).
Find “AFT” item in service mode.
Adjust the coil L150 to bring the cursor to central position : 32.
3-4-2- G2 alignment
- Tune a colour bar pattern.
- Find the “G2 - SCREEN” item in service mode.
- Adjust screen volume ( on FBT ) to bring the cursor to central position : 32.
3-4-3- White balance
- Select a dark picture and adjust RED BIAS and GRN BIAS to the desired colour temperature.
- Select a bright picture and adjust RED, GRN and BLUE GAIN to the desired colour temperature.
3-4-4- Focus
Adjust the Focus volume ( on FBT ) to have the best resolution on screen.
3-4-5- Vertical geometry
Adjust V.LINEAR (linearity), S CORRECT
(S. Correction), VERT SIZE (Vertical
amplitude), VERT CENT (vertical centring)
to compensate for vertical distortion.

HOR PARAL
H BOW
HOR WIDTH
PARAROLA
3-4-6- Horizontal picture centring
Adjust HOR CEN(Horizontal center) to have the picture in the center of the screen.
3-4-7- Eau/West comection
Adjust the PARABOLA, HOR WIDTH, CORNER, HOR PARAL, EW TRAPEZ, H BOW, to compensate for
geometrical distorrin,
Service manual WP 895/895F, CP885/885F
- 16 -
For HOR WIDTH, adjust for 91% overscan.

- 17 -
Service manual WP 895/895F, CP885/885F
CORNER
EW TRAPEZ
3-4-8- AGC
- Adjust the antenna signal level at 70 dB V 2
- Tune a colour bar pattern.
- Find the “AGC” item in service mode.
- Adjust AGC volume ( RB10 ) to bring the cursor to central position : 32.

- 18 -
Service manual WP 895/895F, CP885/885F
4 - IC description
4-1 VCT383XA TV signal processor - Teletext decoder with embedded 8 bit - Controller.
4-1-1- Block diagram of the VCT
4-1-2- TV-signal Processor
• Four composite video inputs, two S-VHS inputs
• Analogue YC r C b input
• Composite video monitor
• Multistandard colour decoder ( 1 crystal )
• Multistandard sync decoder
• Black-line detector
• Adaptive 2H comb filter Y/C separator

- 19 -
Service manual WP 895/895F, CP885/885F
• Horizontal scaling ( 0.25 to 4 )
• Panoramavision
• Black-level expander
• Dynamic peaking
• Soft limiter (gamma correction)
• Colour transient improvement
• Programmable RGB matrix
• Analogue RGB/Fastblank input
• Half-contrast switch
• Picture frame generator
• Scan velocity modulation output
• High-performance H/V deflection
• Angle and bow correction
• Separate ADC for tube measurements
• EHT compensation
4-1-3- -Controller
• 8-bit, 10-Mhz CPU (65C02)
• 96 kB program ROM on chip
• 1 kB program RAM on chip
• memory banking
• 16-input, 16-level interrupt controller
• patch module for 10 ROM locations
• two 16-bit reloadable timers
• capture compare module
• watchdog timer
• 14-bit PWM for voltage synthesis
• Four 8-bit PWMs
• 10-bit ADC with 15:1 input MUX
• I2C bus master interface
• 24 programmable I/O ports
• 80C51 -controller core standard instruction set and timing
• 1 s machine cycle
• 32-128Kx8-bit late programmed ROM
• 3-12Kx8-bit Auxiliary RAM (shared with Display and Acquisition)
• Interrupt controller for individual enable/disable with two level priority
• Two 16-bit Timer/Counter registers
• WatchDog timer
• Auxiliary RAM page pointer
• 16-bit Data pointer
• IDLE and Power Down (PD) mode
• 14 bits PWM for Voltage Synthesis Tuning
• 8-bit A/D converter
• 4 pins which can be programmed as general I/O pin, ADC input or PWM (6-bit) output
4-1-4- Teletext Features
• Four programmable video inputs
• Adaptive data slicer
• Signal quality detection
• WST, PDC, VPS, and WSS acquisition

- 20 -
Service manual WP 895/895F, CP885/885F
• High-level command language
• FLOF (Fastext), and TOP support
• 10 pages memory on chip (10kB)
4-1-5- Display OSD Features
• 3kB OSD RAM on chip
• WST level 1.5 compliant
• WST level 2 parallel attributes
• 32 foreground/background colours
• programmable colour look-up table
• 1024 mask programmable characters
• 17 national languages
• (Latin, Cyrillic and Greek caracter sets)
• Character matrix 10x10
• 4-color mode for user font
4-1-6- Audio Features
• Three mono inputs
• Two mono outputs
• Programmable channel select
• Volume control for one mono channel
4-1-7- General Features
• Submicron CMOS technology
• Low-power standby mode
• Single 20.25 MHz crystal
• 64-pin PSDIP package
4-1-8- Data Capture
The Video Front End section takes in the analogue Composite Video and Blanking Signal (CVBS), and from this
extracts the required data, which is then decoded and stored in memory.
The extraction of the data is performed in the digital domain. The first stage is to select and convert the analogue
CVBS signal into a digital form. This is done using 8 bit ADC sampling at 20.25 Mhz.
The digital data services transmitted in the VBI are selected and acquired separately form the video part. This is done
by the use of an adaptive data slicer. The following data types can be extracted : 625 line World System Teletext
(WST), VPS, WSS. The data is acquired and decoded by the teletext decoder (TPU), then stored in an SRAM lnterface.
4-1-9- Data Capture Features
• Video Signal Quality detector
• Data Capture for 625 line WST
• Data Capture for VPS data (PDC system A)
• Data Capture for Wide Screen Signalling (WSS) bit decoding
• Real-time capture and decoding for WST Teletext in Hardware, to enable optimised microprocessor throughput
• 10 page memory stored On-Chip

- 21 -
Service manual WP 895/895F, CP885/885F
IC marking
English, French,
German, Italian,
Spanish, Dutch,
Danish, Finnish,
Norwegian, Swedish,
Greek, Polish,
Hungarian, Czech,
Slovakian, Romanian,
Russian.
• Inventory of transmitted Teletext pages stored in the Page Table
• Signal quality detector for WST data
• Comprehensive Teletext language coverage
• Full Field Vertical Blanking Interval (VBI) data capture of WST data
4-1-10- TV processor version and -Controller capacity
IC version VCT 3832A VCT 3834A
8 bit -controller
ROM size 96k 96k
RAM size 1k 1k
PAL decoder
SECAM decoder
NTSC decoder
Picture improvement
Teletext page memory 10 pages 10 pages
Adaptive Comb filter
Panorama Scaler
4-1-11- IC marking and version
Chassis OSD languages ATSS countries Text
CP885 VCT3832A
CP885F VCT3834A
WP895F VCT3834A
WP895 VCT3834A
Pan-European Latin.
Cyrillic, Greek.
GB, France, Germany,
Italy, Belgium, Spain,
Austria, Poland,
Switzerland, Denmark,
Finland, Netherlands,
Norway, Sweden,
Ireland, Hungary,
Czech Republic, Others
4-1-12- Pinning
PSDIP
64-pin
1 Power OUT High = SMPS ON, Low = SMPS in stand by mode.
2 AGC IN For service only, tuner AGC, TOP alignment.
3 VSUPP1 SUPPLYSupply Voltage, Port ( pin 1, 2, 5, 6, 7, 8, 9, 10, 61, 62, 63, 64).
4 GNDP1 SUPPLYGround, Port.
5 MOD_SW OUT High = Negative modulation, Low = Positive modulation (L/L’).
6 SECAM L/L’ OUT High = L’, Low = L.
7 AFC IN
8IR IN
9 SC1.SW IN
10 SC2.SW IN
11 VOUT OUT Analog Video Output
12 VRT IN Reference Voltage Top, Video ADC
13 SGND IN Signal Ground for Analog Input
Pin Name Type Short Description
X

- 22 -
Service manual WP 895/895F, CP885/885F
14 GNDAF SUPPLY Ground, Analog Front-end
15 VSUPAF SUPPLY Supply Voltage, Analog Front-end
16 CBIN IN Analog Component Cb Input
17 CIN1 IN Analog Chroma 1 Input
18 CIN2/CRIN IN Analog Chroma 2 Input / Analog Component Cr Input
19 VIN1 IN Analog Video 1 Input
20 VIN2 IN Analog Video 2 Input
21 VIN3 IN Analog Video 3 Input
22 VIN4 IN Analog Video 4 Input
23 TEST IN Test Pin, Reserved For Test
24 HOUT OUT Horizontal Drive Output
25 VSUPD SUPPLY Supply Voltage, Digital Circuitry
26 GNDD SUPPLY Ground, Digital Circuitry
27 FBLIN IN Fast Blank Input
28 RIN IN Analog Red Input
29 GIN IN Analog Green Input
30 BIN IN Analog Blue Input
31 VPROT IN Vertical Protection Input
32 SAFETY IN Safety Input
33 HFLB IN Horizontal Flyback Input
34 VERTQ/ INTLC OUT Differential Vertical Sawtooth Output Interlace Control Output
35 VERT OUT Differential Vertical Sawtooth Output
36 EW OUT Vertical Parabola Output
37 SENSE IN Sense ADC Input
38 GNDM SUPPLY Ground, MADC Input
39 RSW1 OUT Range Switch1 for Measurement ADC
40 RSW2 OUT Range Switch2 for Measurement ADC
41 SVMOUT OUT Scan Velocity Modulation Output
42 ROUT OUT Analog Red Output
43 GOUT OUT Analog Green Output
44 BOUT OUT Analog Blue Output
45 VSUPAB SUPPLY Supply Voltage, Analog Back-end
46 GNDAB SUPPLY Ground, Analog Back-end
47 VRD IN DAC Reference
48 XREF IN Reference Input for RGB DACs
49 AIN3 IN Analog Audio 3 Input
50 AIN2 IN Analog Audio 2 Input
51 AIN1 IN Analog Audio 1 Input
52 AOUT2 OUT Analog Audio 2 Output
53 AOUT1 OUT Analog Audio 1 Output
54 VSUPS SUPPLY Supply Voltage, Standby
55 GNDS SUPPLY Ground, Standby
56 XTAL1 IN Analog Crystal Input
57 XTAL2 OUT Analog Crystal Output
58 RESQ IN/OUT Reset Input/Output, Active Low
59 SCL IN/OUT I 2 C Bus Clock
60 SDA IN/OUT I 2 C Bus Data
61 Mute OUT High = Mute active
62 LED OUT High = Green, Low = Red
63 KB IN Local keyboard ADC input
64 OCP IN Over Current Protection input
Pin Name Type Short Description
PSDIP
64-pin

- 23 -
Service manual WP 895/895F, CP885/885F
OCP64
63
62
61
60
58
57
56
55
48
46
45
44
43
42
41
40
39
38
37
36
34
35
33
47
54
53
52
51
50
49
59
KB
LED
MUTE
SDA
SCL
RESET
XTAL in
OSC GND
GND
S/B 3.3V
GND
GND
GND
XREF
VRD
GND
5V
B out
G out
R out
SVM out
RSW2
RSW1
GND
SENSE
EW
VERTQ
VERT
HFLB
Power
1
2
3
4
5
7
8
9
10
17
19
20
21
22
23
24
25
26
27
28
29
31
30
32
18
11
12
13
14
15
16
6
AGC
S/B 5V
Gnd
MOD SW
SECAM L’
AFC/RES
IR
SC1 SW
SC2 SW
Vout
VRT
SGND
GND
5V
Cb in
C in
Cr in
IF-IN
SC1-IN
SC2-IN
RCA VIN
TEST
H out
3.3 V
GND
FBLIN
Rin
Gin
Bin
VPROT
SAFETY
VCT 383X

- 24 -
Service manual WP 895/895F, CP885/885F
4-2 MSP341x Multistandard Sound Processor
The MSP 341x is designed as a single-chip Multistandard Sound Processor for applications in analogue and digital TV
sets, video recorders, and PC cards.
The MSP3411 has all functions of MSP3410 with the addition of a virtual surround sound feature.
A Surround sound affect can be rc produced with two loudspeakers. The MSP3411 includes virtualizer
algorithm “3D Panorama” which has been approved by the Dolby laboratories for compliance with the “Virtual Dolby
Surround” technology. In addition, the MSP3411 includes Micronas “Panorama” algorithm.
MSP 341x features :
- sound IF input
- No external filters required
- Stereo baseband input via integrated AD converters
- Two pairs of DA converters
- Two carrier FM or NICAM processing
- AVC : Automatic Volume Correction
- Bass, treble, volume processing
- Full SCART in/out matrix without restrictions
- Improved FM-identification
- Demodulator short programming
- Autodetection for terrestrial TV - sound standards
- Precise bit-error rate indication
- Automatic switching from NICAM to FM/AM or vice versa
- Improved NICAM synchronisation algorithm
- Improved carrier mute algorithm
- Improved AM-demodulation
- Reduction of necessary controlling
- Less external components
4-2-1- Basic Features of the MSP 341x
4-2-1-1 Demodulator and NICAM Decoder Section
The MSP 341x is designed to simultaneously perform digital demodulation and decoding of NICAM-coded TV stereo
sound, as well as demodulation of FM or AM mono TV sound. Alternatively, two carrier FM systems according to the
German terrestrial specs can be processed with the MSP 341x.
The MSP 341x facilitates profitable multistandard capability, offering the following advantages:
- Automatic Gain Control (AGC) for analogue input: input range: 0.10 - 3 Vpp
- integrated A/D converter for sound-IF input
- all demodulation and filtering is performed on chip and is individually programmable
- easy realisation of all digital NICAM standards (B/G, I, L and D/K)
- FM-demodulation of all terrestrial standards (include identification decoding)
- no external filter hardware is required
- only one crystal clock (18.432 MHz) is necessary

- 25 -
Service manual WP 895/895F, CP885/885F
- high deviation FM-mono mode (max. deviation: approx. ±360 kHz)
4-2-1-2 DSP-Section (Audio Baseband Processing)
- flexible selection of audio sources to be processed
- performance of terrestrial de-emphasise systems (FM, NICAM)
- digitally performed FM-identification decoding and de-matrixing
- digital baseband processing: volume, bass, treble
- simple controlling of volume, bass, treble
4-2-1-3 Analogue Section
- two selectable analogue pairs of audio baseband input (= two SCART inputs) input level: <2 V RMS,
input impedance: >25
- one selectable analogue mono input (i.e. AM sound): Not used in this chassis
- two high-quality A/D converters, S/N-Ratio: >85 dB
- 20 Hz to 20 kHz bandwidth for SCART-to-SCART copy facilities
- loudspeaker: one pair of four-fold oversampled D/A converters. Output level per channel:
max. 1.4 VRMS output resistance: max. 5 . S/N-ratio: >85 dB at maximum volume Max.
noise voltage in mute mode: < 10 V (BW: 20 Hz... 16kHz)
- one pair of four-fold oversampled D/A converters supplying a pair of SCART-outputs.
output level per channel: max. 2 V RMS, output resistance: max. 0.5 , S/N-Ratio: >85 dB (20 Hz... 16 kHz)
4-2-1-4 NICAM plus FM/AM-Mono
According to the British, Scandinavian, Spanish, and French TV-standards, high-quality stereo sound is transmitted
digitally. The systems allow two high-quality digital sound channels to be added to the already existing
FM/AM-channel. The sound coding follows the format of the so-called Near Instantaneous Companding System
(NICAM 728). Transmission is performed using Differential Quadrature Phase Shift Keying (DQPSK. Table below
offers an overview of the modulation parameters.)
In the case of NICAM/FM (AM) mode, there are three different audio channels available: NICAM A, NICAM B, and
FM/AM-mono. NICAM A and B may belong either to a stereo or to a dual language transmission. Information about
operation mode and about the quality of the NICAM signal can be read by the controlling software via the control bus.
In the case of low quality (high bit error rate), the controlling software may decide to switch to the analogue FM/AM-
mono sound. Alternatively, an automatic NICAM-FM/AM switching may be applied.
4-2-1-5 German 2-Carrier System (DUAL FM System)
Since September 1981, stereo and dual sound programs have been transmitted in Germany using the 2-carrier system.
Sound transmission consists of the already existing first sound carrier and a second sound carrier additionally
containing an identification signal. More details of this standard are given in Tables below. For D/K very similar
system is used.

- 26 -
Service manual WP 895/895F, CP885/885F
TV standards
TV Position of sound Sound modulation Color system Country
system carrier (MHz)
B/G 5.5 / 5.7421875 FM Stereo PAL Germany
B/G 5.5 / 5.85 FM-Mono / NICAM PAL Scandinavia,
Spain
L 6.5 / 5.85 AM-Mono / NICAM SECAM-L France
I 6.0 / 6.552 FM-Mono / NICAM PAL UK
D/K 6.5 / 6.2578125 D/K1 FM Stereo SECAM-East USSR
6.5 / 6.7421875 D/K2
6.5 / 5.85 D/K-NICAM FM-Mono / NICAM Hungary
Architecture of MSP341x
Pin connections and short description
Pin No. Pin Name Type Short description
1 TP Out Test pin
2 NC Not Connected
3 NC Not Connected
4 TP Out Test pin
5 TP Out Test pin
6 ADR_SEL In I2C bus Address select
7 STANDBYQ In Standby ( Low-active)
8 NC Not Connected
9 I2C_CL In / Out I2C Clock
10 I2C_DA In / Out I2C data
11 TP In / Out Test pin

- 27 -
Service manual WP 895/895F, CP885/885F
12 TP In / Out Test pin
13 TP Out Test pin
14 NC Not Connected
15 TP Out Test pin
16 TP Out Test pin
17 TP Out Test pin
18 DVSUP Digital power supply +5V
19 DVSS Digital Ground
20 NC Not Connected
21 NC Not Connected
22 NC Not Connected
23 NC Not Connected
24 RESETQ In Power-On-reset
25 NC Not Connected
26 NC Not Connected
27 VREF2 Reference ground 2 high voltage part
28 DACM_R Out Loudspeaker out Right
29 DACM_L Out Loudspeaker out Left
30 NC Not Connected
31 TP Out Test pin
32 NC Not Connected
33 NC Not Connected
34 NC Not Connected
35 VREF1 Reference ground 1 high voltage part
36 SC1_OUT_R Out Scart output 1, right
37 SC1_OUT_L Out Scart output 1, left
38 NC Not Connected
39 AHVSUP Analog power supply 8.0V
40 CAPL_M Volume capacitor MAIN
41 AHVSS Analog ground
42 AGNDC Analog reference voltage high voltage part
43 NC Not Connected
44 NC Not Connected
45 NC Not Connected
46 NC Not Connected
47 NC Not Connected
48 ASG2 Analog Shield Ground 2
49 SC2_IN_L In Scart input 2 in, left
50 SC2_IN_R In Scart input 2 in, right
51 ASG1 Analog Shield Ground 1
52 SC1_IN_L In Scart input 1 in, left
53 SC1_IN_R In Scart input 1 in, right
54 VREFTOP Reference voltage IF A/D converter
55 MONO_IN In Mono input
56 AVSS Analog ground
57 AVSUP Analog power supply
58 ANA_IN1+ In IF input 1
Pin No. Pin Name Type Short description

- 28 -
Service manual WP 895/895F, CP885/885F
Pin No. Pin Name Type Short description
59 ANA_IN1- In IF common
60 NC Not Connected
61 TESTEN In Test pin
62 XTAL_IN In Crystal oscillator
63 XTAL_OUT Out Crystal oscillator
64 NC Test pin
4-3 TDA 4470-Multistandard Video-IF and Quasi Parallel Sound Processor
4-3-1- Description
The TDA 4470 is an integrated bipolar circuit for multi-standard video/sound IF (VIF/SIF) signal processing in
TV/VCR and multimedia applications. The circuit processes all TV video IF signals with negative modulation
(e.g., B/G standard), positive modulation (e.g., L standard) and the AM, FM/NICAM sound IF signals.
4-3-2- Features
- 5V supply voltage ; low power consumption.
- Active carrier generation by FPLL principle (frequency-phase-locked-loop) for true synchronous demodulation.
- Very linear video demodulation, good pulse response and excellent intermodulation figures.
- Alignment-free AFC without external reference circuit, polarity of the AFC curve is switchable.
- VIF-AGC for negative modulated signals (peak sync. detection) and for positive modulation
(peak white/black level detector).
- Tuner AGC with adjustable take over point.
- Alignment-free quasi parallel sound (QPS) mixer for FM/NICAM sound IF signals.
- Intercarrier output signal is gain controlled (necessary for digital sound processing).
- Complete alignment-free AM demodulator with gain controlled AF output.
- Separate SIF-AGC with average detection
- Two independent SIF inputs
- Parallel operation of the AM demodulator and QPS mixer (for NICAM-L stereo sound).
4-3-3- Pinning
Pin Symbol Function
1,2 V
i,SIF1
SIF1 input ( symmetrical)
3V
SW
Input selector switch
4,9,16 GND Ground
5V
AGC
SIF-AGC (time constant)
6,7 V
i,VIF
VIF input (symmetrical)
8C
AGC
VIF-AGC (time constant)
10 R
TOP
Take Over Point, tuner AGC
11 I
tun
Tuner AGC output current
12 V
O,VID
Video output
13 V
SW
Standard switch
14 V
SW
L’switch
15 C
bl
Black level capacitor
17 C
ref
Internal reference voltage
18 LF Loop Filter

- 29 -
Service manual WP 895/895F, CP885/885F
Pin Symbol Function
19 V
SW
AFC switch
20, 21 V
VCO
VCO circuit
22 V
AFC
AFC output
23 V
S
Supply voltage
24 V
O, FM
Intercarrier output
25 V
O, AM
AF output-AM sound
26 R
COMP
Offset compensation
27, 28 V
i,SIF2
SIF2 input (symmetrical)
4-3-4 Block diagram
Offset
26 18 20 21 14
VCO
l' switch
VCO Control
phase shift
FPLL
VIF amp
Loop
filter
comp.
(optional)
+
4,9,16AM det.
FM det.
25
24
17
Cref
23
13
22
19
6
7
8
15
11
10
27
28
3
1
2
SIF 1
CAGC
5
Standard
Video det.
VIF
CAGC
CBL
AGC
(VIF)
Tuner
AGC
AGC
(SIF)
Tuner
SIF 2
SIF input
switch
SIF amp
Take over
point
Video
AFC
AFC
switch
AFC
Supply
Standard
switch
V
AF
(AM)
Intercarrier
(FM/NICAM)

- 30 -
Service manual WP 895/895F, CP885/885F
Pin Symbol Description
1 OUT1- negative loudspeaker
terminal 1
2 GND1 ground channel 1
3 Vcc1 supply voltage channel 1
4 OUT1+ positive loudspeaker
terminal 1
5 n.c. not connected
6 IN1+ poitive input1
7 n.c. not connected
8 IN1- negative input1
9 IN2- negative input2
10 MODE mode selection input
11 SVR half supply voltage
decoupling (ripple rejection)
12 IN2+ positive input2
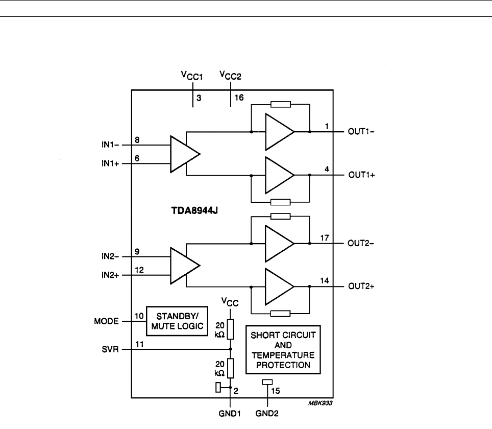
4-4 TDA894xJ Stereo Audio Amplifier
The TDA8944J( TDA 8946J) is a dual-channel audio power amplifier with an output power of 2 x 7W (2 X 15W)
at an 8 load and a 12V supply. The circuit contains two Bridges Tied Load(BTL) amplifiers with an all-NPN output
stage and standby/mute logic. The TDA8944J comes in a 17-pin DIL power package.
4-4-1- Features
- Few external components
- Fixed gain
- Standby and mute mode
- No on/off switching pop noise
- low standby current
- High supply voltage ripple rejection
- Outputs short-circuit protected to ground, supply and across the load
- Thermally protected
Pin description

- 31 -
Service manual WP 895/895F, CP885/885F
Block diagram TDA8944J

- 32 -
Service manual WP 895/895F, CP885/885F
4-5 TDA835xJ Vertical Amplifier
The TDA835xJ are power circuit for use in 90
o
and 110
o
colour deflection systems for field frequencies
of 25 to 200Hz and 16/9 picture tubes. The circuit provides a DC driven vertical deflection output circuit,
operating as a highly efficient class G system. Due to the full bridge output circuit the deflection coils can
be DC coupled.
The IC is constructed in a Low Voltage DMOS process that combines Bipolar, CMOS and DMOS devices.
MOS transistors are used in the output stage because of the absence of second breakdown.
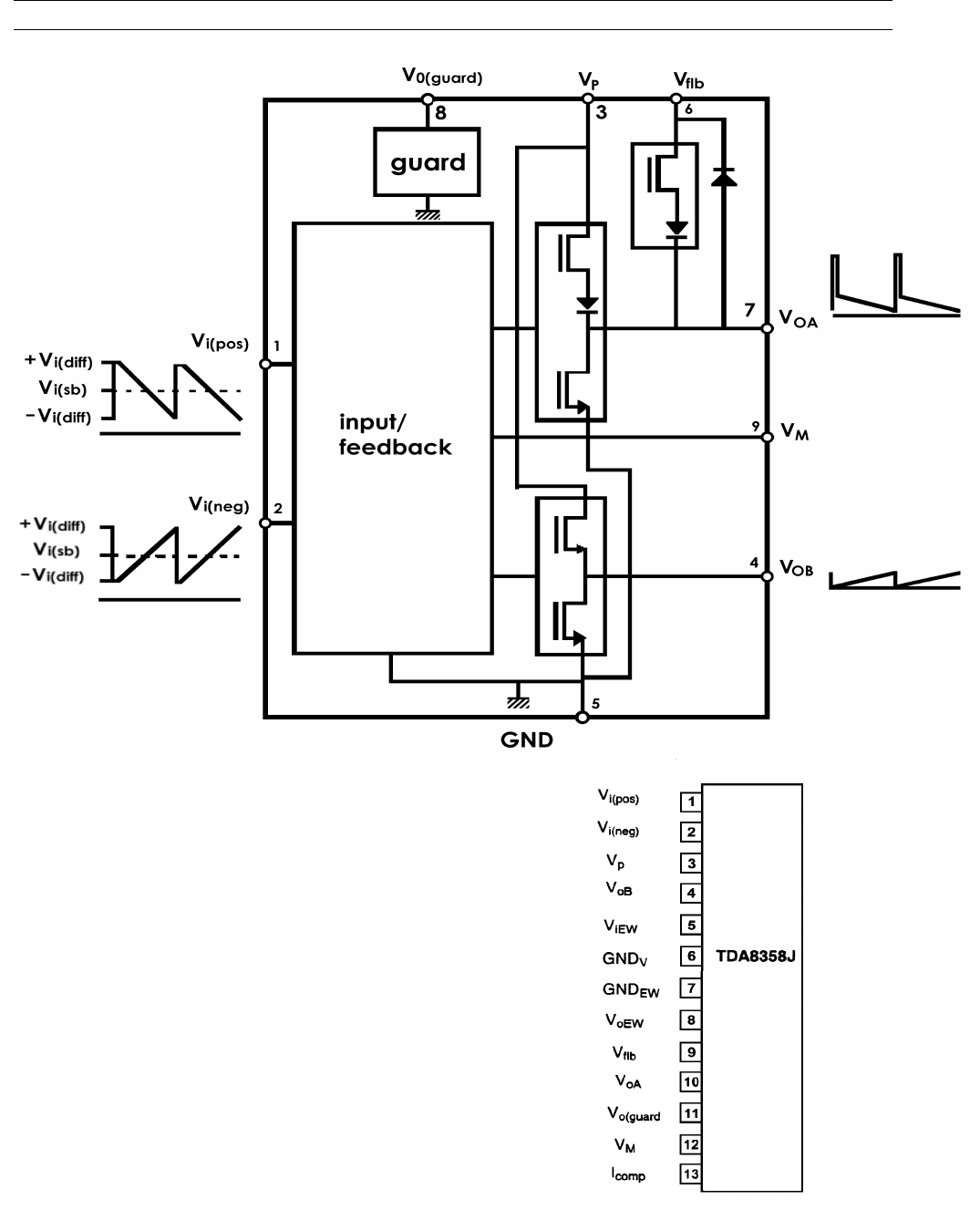
4-5-1 TDA8357J
Features :
- Few external components
- High efficient fully DC-coupled vertical output bridge circuit
- Short rise and fall time of the vertical flyback switch
- Guard circuit
- Temperature (thermal) protection
- High EMC because of common mode inputs
Pinning
Pin Symbol Description
1 Vi(pos) input voltage (positive)
2 Vi(neg) input voltage
(negative)
3 Vp supply voltage
4V
OB
output voltage B
5 GND ground
6 Vflb flyback supply voltage
7V
OA
output voltage A
8V
O(guard)
guard output voltage
9V
M
input measuring
resistor

- 33 -
Service manual WP 895/895F, CP885/885F
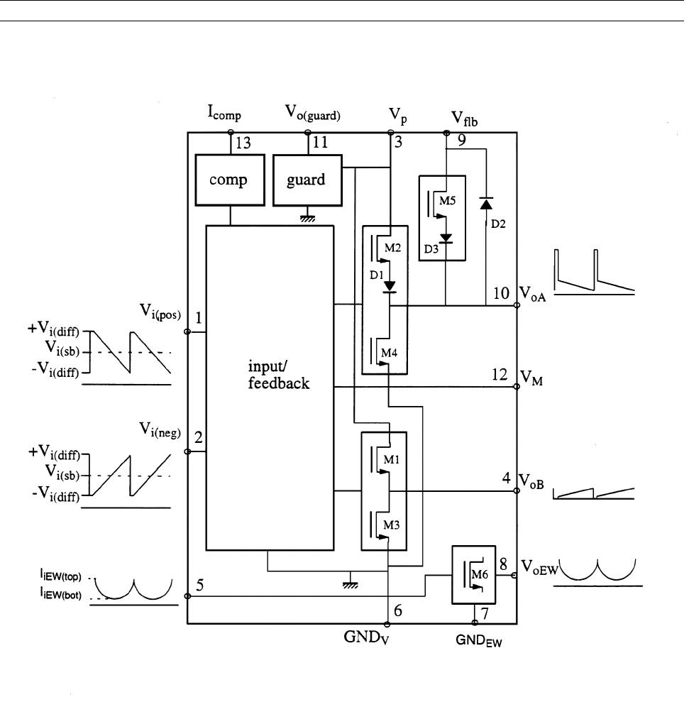
4-5-2 TDA8358J
An East-West output stage is provided that is able to sink current
from the diode modulator circuit.
Features :
- Few external components
- Highly efficient fully DC-coupled vertical output bridge circuit
- Short rise and fall time of the vertical flyback switch
- Guard circuit
- Temperature (thermal) protection
- High EMC because of common mode inputs
- East-West output stage

- 34 -
Service manual WP 895/895F, CP885/885F

- 35 -
Service manual WP 895/895F, CP885/885F
4-6 TDA6107Q
The TDA6107Q includes three video output amplifiers in one plastic DIL-Bent-SIL 9-pin medium power package,
using high voltage DMOS technology, and is intended to drive the three cathodes of a colour CRT directly. To obtain
maximum performance, the amplifier should be used with black-current control.
Features
- Typical bandwidth of 5.5 MHz for an output signal of 60 Vpp
- High slew rate of 900V/ s
- No external components required
- Very simple application
- Single supply voltage of 200V
- Internal reference voltage of 2.5 V
- Fixed gain of 50.
- Black-current stabilisation (BCS) circuit
- Thermal protection
Pin description
Pin Symbol Description
1V
i(1)
inverting input 1
2V
i(2)
inverting input 2
3V
i(3)
inverting input 3
4 GND ground (fin)
5I
om
black current
measurement output
6V
DD
supply voltage
7V
OC(3)
cathode output 3
8V
OC(2)
cathode output 2
9V
OC(1)
cathode output 1

- 36 -
Service manual WP 895/895F, CP885/885F
Block diagram TDA6107Q

- 37 -
Service manual WP 895/895F, CP885/885F
4-6 24C16 - 16 Kb EEPROM
features :
- 16 Kbit serial I2C bus EEPROM
- Single supply voltage : 4.5 V to 5.5 V
- 1 Million Erase/Write cycles (minimum)
- 40 year data retention (minimum)
Pin description
Pin No. Name Description
1, 2, 3 E0, E1, E2 Device address - not used
5 SDA Serral Data/Address Input/Output
6 SCL Serial clock
7 WC Write control
8 Vcc Supply voltage
4 Vss Ground
The memory device is compatible with the I2C memory standard. This is a two wire serial interface that uses a
bi-directionnal data bus and serial clock. The memory carries a built-in 4-bit unique device type identifier code (1010)
in accordance with the I2C bus definition.
Serial Clock (SCL)
The SCL input is used to strobe all data in and out of the memory.
Serial Data (SDA)
The SDA pin is bi-directionnal, and is used to transfer data in or out of the memory

- 38 -
Service manual WP 895/895F, CP885/885F
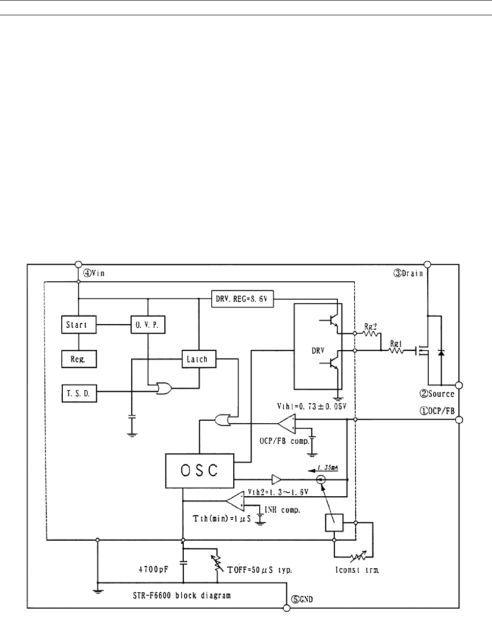
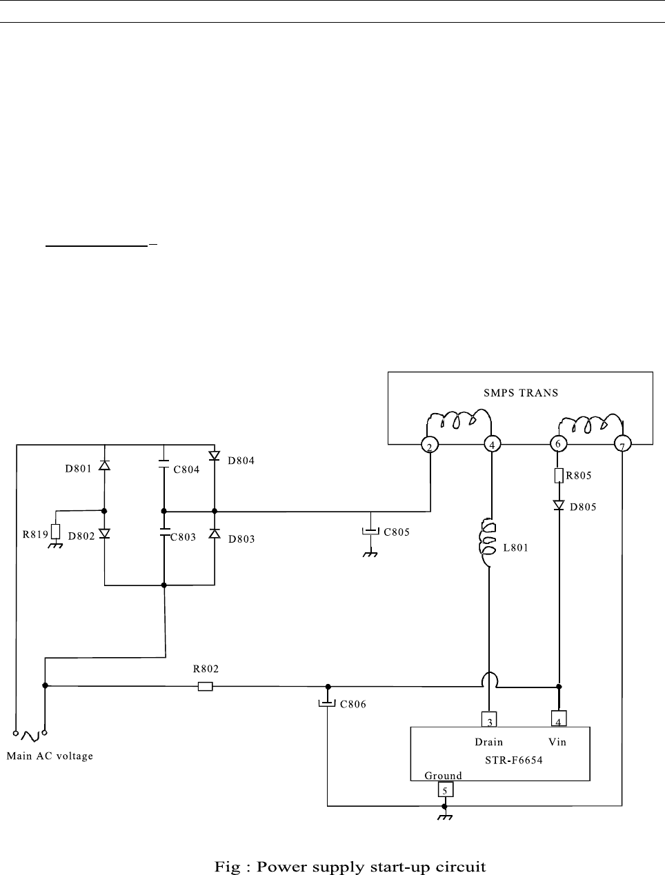
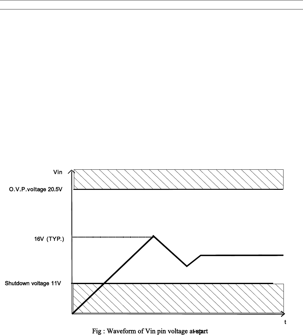
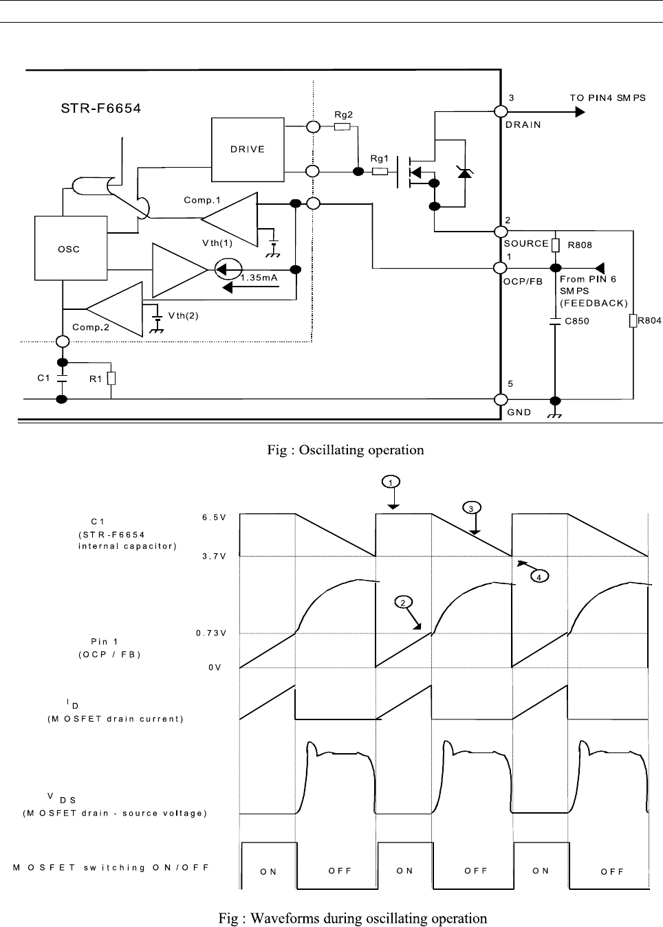
4-8 STR - F6653
4-8-1 General description
The STR-F6653 is an hybrid IC with a build-in MOSFET and control IC, designed for flyback converter type switch
mode power supply applications.
4-8-2 Features
- Small SIP fully isolated molded 5 pins package
- Many protection functions :
* Pulse-by-pulse overcurrent protection (OCP)
* Overvoltage protection with latch mode (OVP)
* Thermal protection with latch mode (TSD)
4-8-3 Block diagram

- 39 -
Service manual WP 895/895F, CP885/885F
4-8-4 Pins description
pin name symbol description
1 Overcurrent / feedback O.C.P./ F.B. Input of over current detection signal and
feedback signal
2 Source S MOSFET source
3 Drain D MOSFET drain
4 Supply V
IN
Input of power supply for control circuit
5 Ground GND Ground
4-8-5 Control part electrical characteristics
IC PIN RATING
NUMBER MIN. TYPE MAX
Operation start voltage 4-5 V
IN
(on) 14.4 16 17.6 V
Operation stop voltage 4-5 V
IN
(off) 9 10 111 V
Circuit current in 4-5 I
IN
(on) - - 30 mA
operation
Circuit current in non- 4-5 I
IN
(off) - - 100 mA A
operation
Maximum OFF time - T
OFF
(max) 45 - 55 SEC
Minimum time for input of 1-5 T
TH
(2) - - 1.0 SEC
quaxi resonant signals
Minimum off time - T
OFF
(min) - - 1.5 SEC
O.C.P./F.B. terminal 1-5 V
TH
(1) 0.68 0.73 0.78 V
threshold voltage 1
O.C.P./F.B. terminal 1-5 V
TH
(2) 1.3 1.45 1.6 V
threshold voltage 2
O.C.P./F.B. terminal extraction 1-2 I
OCP/FB
1.2 1.35 1.5 mA
current
O.V.P. operation voltage 4-5 V
IN
(OVP) 20.5 22.5 24.5 V
Latch circuit sustaining voltage 4-5 I
IN
(H) - - 400 A
Latch circuit release voltage 4-5 V
IN
(La.off) 6.6 - 8.4 V
Thermal shutdown operating - T
J
(TSD) 140 - -
0
C
temperature
SYMBOL UNIT
DESCRIPTION

- 40 -
Service manual WP 895/895F, CP885/885F
DESCRIPTION
4-7-6 MOSFET electrical characteristics
IC PINS RATING
NUMBER MIN. TYPE MAX
Drain-to-source break 3-2 V
DSS
650 - - V
voltage
Drain leakage current 3-2 I
DSS
- - 300 A
On-resistance 3-2 R
DS
(on) - - 1.95
Switching time 3-2 tf - - 2 50 noec
Thermal resistance - O
CH
-F - - 0.95
0
C/W
SYMBOL UNIT

- 41 -
Service manual WP 895/895F, CP885/885F
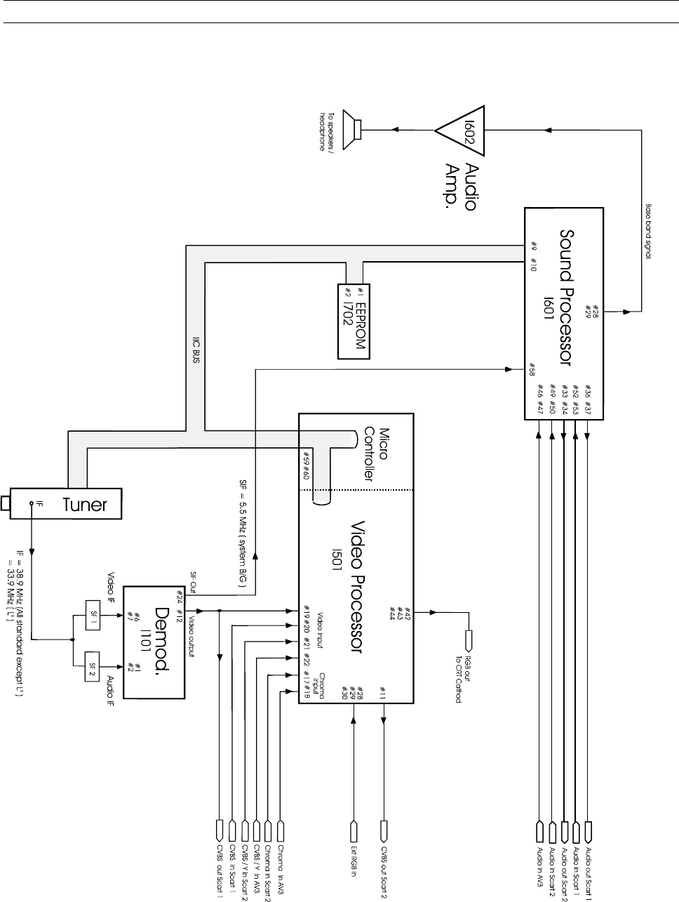
5 - Circuit description
5-1 Block diagram

- 42 -
Service manual WP 895/895F, CP885/885F
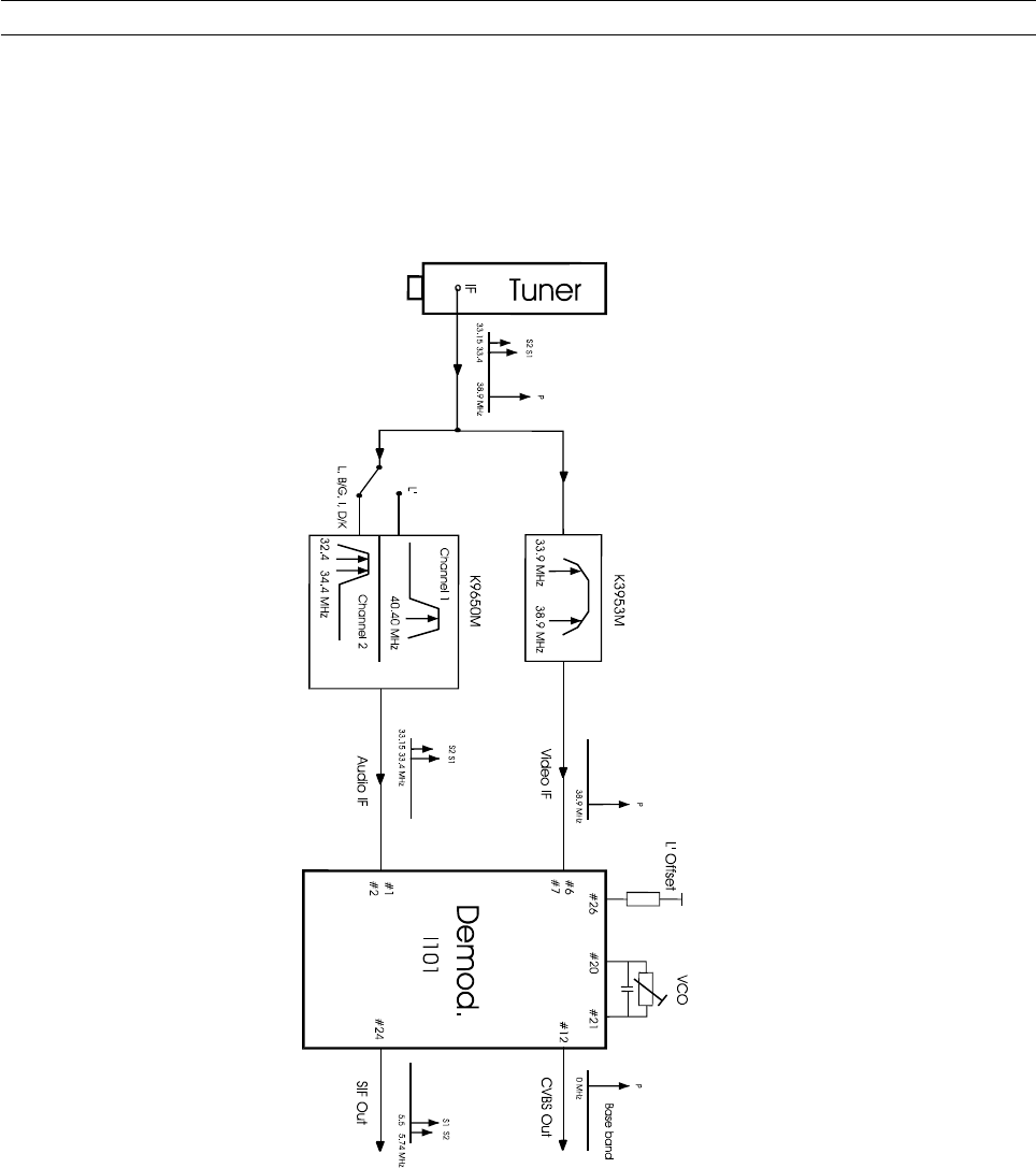
5-2 IF section
5-2-1 Block diagram
The video IF signal (VIF) is fed through a SAW filter to the differential input (Pin 6-7) of the VIF amplifier.
5-2-2 Vision IF Amplifier
This amplifier consists of three AC-coupled amplifier stages. Each differential amplifier is gain controlled by the
automatic gain control circuit (VIF-AGC). The output signal of the VIF amplifier is applied to the FPLL carrier
generation and the video demodulator.

- 43 -
Service manual WP 895/895F, CP885/885F
SAW filters
Ref. Standard Features
K3953M B/G - D/K - I - L/L’ - IF filter for video application
- TV IF filter with Nyquist slopes at 33.9 MHz and
38.9 MHz
- Constant group delay
K9650M B/G - D/K - I - L/L’ - IF filter for audio application
- TV IF audio filter with two channels
- Channel 1 (L’ ) with one pass band for sound
carrier at 40.40 MHz
- Channel 2 ( L, D/K, I, B/G) with one pass band for
sound carriers between 32.40 MHz and 33.40 MHz
5-2-3 Tuner-and VIF-AGC
At Pin 8, the VIF-AGC charges/discharges the AGC capacitor to generate a control Voltage for setting the gain of the
VIF amplifier and tuner in order to keep the video output signal at a constant level. Therefore, in the case of all
negative modulated signals (e.g., B/G standard) the sync. level of the demodulated video signal is the criterion for a
fast charge/discharge of the AGC capacitor. For positive modulation (e.g., L standard) the peak white level of video
signal controls the charge current. In order to reduce reaction time for positive modulation, where a large time constant
is needed, an additional black level detector controls the discharge current in the event of decreasing VIF input signal.
The control voltage (AGC voltage at Pin 8) is transferred to an internal control signal, and is fed to the tuner AGC to
generate the tuner AGC current at Pin 11 (open collector output). The take over point of the tuner AGC can be adjusted
at Pin 10 by a potentiometer or an external dc voltage (from interface circuit or microprocessor).
5-2-4 FPLL, VCO and AFC
The FPLL circuit (frequency phase locked loop) consists of a frequency and phase detector to generate the control
voltage for the VCOtuning. In locked mode, the VCO is controlled by the phase detector and in unlocked mode,
the frequency detector is superimposed. The VCO operates with an external resonance circuit (L and C parallel) and is
controlled by internal varicaps. The VCO control voltage is also converted to a current and represents the AFC output
signal at Pin 22. At the AFC switch (Pin 19) three operating conditions of the AFC are possible:
AFC curve “rising” or “falling” and AFC “off”. A practicable VCO alignment of the external coil is the adjustment to
zero AFC output current at Pin 22. At center frequency the AFC output current is equal to zero. Furthermore, at Pin
14, the VCO center frequency can be switched for setting to the required L’value (L’ standard). The optional
potentiometer at Pin 26 allows an offset compensation of the VCO phase for improved sound quality (fine adjustment).
Without a potentiometer (open circuit at Pin 26), this offset compensation is not active. The oscillator signal passes a
phase shifter and supplies the in-phase signal (0
o
) and the quadrature signal (90
o
) of the generated picture carrier.

- 44 -
Service manual WP 895/895F, CP885/885F
5-2-5 Video Demodulation and Amplifier
The video IF signal, which is applied from the gain controlled IF amplifier, is multiplied with the in-phase component
of the VCO signal. The video demodulator is designed for low distortion and large bandwidth. The demodulator output
signal passes an integrated low pass filter for attenuation of the residual vision carrier and is fed to the video amplifier.
The video amplifier is realised by an operational amplifier with internal feedback and 8 MHz bandwidth (–3 dB). A
standard dependent dc level shift in this stage delivers the same sync. level for positive and negative modulation. An
additional noise clipping is provided. The video signal is fed to VIF-AGC and to the video output buffer. This amplifier
with a 6 dB gain offers easy adaptation of the sound trap. For nominal video IF modulation the video output signal at
Pin 12 is 2 Vpp.
5-2-6 Sound IF Amplifier and SIF-AGC
The SIF amplifier is nearly identical with the 3-stage VIF amplifier. Only the first amplifier stage exists twice and is
switchable by a control voltage at Pin 3. Therefore with minimal external expense it is possible to switch between two
different SAW filters. Both SIF inputs features excellent cross-talk attenuation and an input impedance which is
independent from the switching condition. The SIF-AGC is related to the average level of AM- or FM-carrier and
controls the SIF amplifier to provide a constant SIF signal to the AM demodulator and QPS mixer.
5-2-7 Quasi-Parallel-Sound (QPS) Mixer
The QPS mixer is realised by a multiplier. The SIF signal (FM or NICAM carrier) is converted to the intercarrier
frequency by the regenerated picture carrier (quadrature signal) which is provided from the VCO. The intercarrier
signal is fed via an output amplifier to Pin 24.
5-2-8 Standard Switch
To have equal polarity of the video output signal the polarity can be switched in the demodulation stage in accordance
with the TV standard. Additionally a standard dependent dc level shift in the video amplifier delivers the same sync. level.
In parallel to this, the correct VIF-AGC is selected for positive or negative modulated VIF signals. In the case of
negative modulation (e.g., B/G standard) the AM output signal is switched off. For positive modulation (L standard) the
AM demodulator and QPS mixer is active. This condition allows a parallel operation of the AM sound signal and the
NICAM-L stereo sound.
5-2-9 L’ Switch
With a control voltage at Pin 14 the VCO frequency can be switched for setting to the required L’ value (L’ standard).
Also a fine adjustment of the L’-VCO center frequency is possible via a potentiometer. The L’ switch is only active for
positive modulated video IF-signals (standard switch in L mode).
5-2-10 Internal Voltage Stabiliser
The internal bandgap reference ensures constant performance independent of supply voltage and temperature.

- 45 -
Service manual WP 895/895F, CP885/885F
5-3 Video - VCT description
5-3-1 Introduction
The VCT 38xxA includes complete video, display, and deflection processing.
All processing is done digitally, the video front-end and video back-end are interfacing to the analogue world.
Most functions can be controlled by software via I 2 C bus slave interface.
5-3-2 Video Front-end
This block provides the analogue interfaces to all video inputs and mainly carries out analogue-to-digital conversion for
the following digital video processing. Most of the functional blocks in the front-end are digitally controlled (clamping,
AGC, and clock-DCO). The control loops are closed by the Fast Processor (‘FP’) embedded in the video decoder.
5-3-3 Input Selector
Up to seven analogue inputs can be connected. Four inputs are for input of composite video or S-VHS luma signal.
These inputs are clamped to the sync back porch and are amplified by a variable gain amplifier. Two chroma inputs can
be used for connection of S-VHS carrier-chrominance signal. These inputs are internally biased and have a fixed gain
amplifier.
5-3-4 Clamping
The composite video input signals are AC-coupled to the IC. The clamping voltage is stored on the coupling capacitors
and is generated by digitally controlled current sources. The clamping level is the back porch of the video signal.
S-VHS chrominance is also AC-coupled. The input pin is internally biased to the center of the ADC input range. Each
channel is sampled at 10.125 MHz with a resolution of 8 bit.
5-3-5 Automatic Gain Control
A digitally working automatic gain control adjusts the
magnitude of the selected baseband.
5-3-6 Digitally Controlled Clock Oscillator
The clock generation is also a part of the analogue front-end. The crystal oscillator is controlled digitally by the control
processor. The clock frequency can be adjusted within ±150 ppm. This adjustment is done in factory for every TV set.
5-3-7 Analogue Video Output
The input signal of the Luma ADC is available at the analogue video output pin (#11). The signal at this pin is buffered
by a source follower. The output voltage is 2 V. The magnitude is adjusted with an AGC in 8 steps together with the
main AGC.

- 46 -
Service manual WP 895/895F, CP885/885F
5-3-8 Adaptive Comb Filter (VCT3834A only)
The adaptive comb filter is used for high-quality luminance/chrominance separation for PAL or NTSC signals. The
comb filter improves the luminance resolution (bandwidth) and reduces interferences like cross-luminance and
cross-color artefacts. The adaptive algorithm can eliminate most of the mentioned errors without introducing new
artefacts or noise. The filter uses two line delays to process the information of three adjacent video lines. To have a
fixed phase relationship of the colour subcarrier in the three channels, the system clock (20.25 MHz) is fractionally
locked to the colour subcarrier. This allows the processing of all colour standards and substandards using a single
crystal frequency. The CVBS signal in the three channels is filtered at the subcarrier frequency by a set of bandpass/
notch filters. The output of the three channels is used by the adaptation logic to select the weighting that is used to
reconstruct the luminance/chrominance signal from the 4 bandpass/notch filter signals. By using soft mixing of the 4
signals switching artefacts of the adaption algorithm are completely suppressed. The comb filter uses the middle line as
reference, therefore, the comb filter delay is one line. If the comb filter is switched off, the delay lines are used to pass
the luma/ chroma signals from the A/D converters to the luma/ chroma outputs. Thus, the comb filter delay is always
one line.
5-3-9 Color Decoder
In this block, the standard luma/chroma separation and multi-standard colour demodulation is carried out. The colour
demodulation uses an asynchronous clock, thus allowing a unified architecture for all colour standards.
The colour killer uses the burst-phase/ burst-frequency measurement to identify a PAL/NTSC or SECAM colour signal.
For PAL/NTSC, the colour is switched off (killed) as long as the colour subcarrier PLL is not locked. For SECAM, the
killer is controlled by the toggle of the burst frequency. The burst amplitude measurement is used to switch-off the
colour if the burst amplitude is below a programmable threshold. Thus, colour will be killed for very noisy signals.
The colour amplitude killer has a programmable hysteresis.
The burst-frequency measurement is also used for automatic standard recognition (together with the status of horizontal
and vertical locking) thus allowing a completely independent search of the line and colour standard of the input signal.
The following standards can be distinguished:
PAL B,G,H,I; NTSC M; SECAM; NTSC 44; PAL M; PAL N; PAL 60. In AV mode or when Prg No 0 is selected all the
standards above are enabled by the controlling software. In INSTALL menu the controlling software enables PAL B,G,
H,I and SECAM detection. The colour standard for each program number is stored in EEPROM. Outside INSTALL
menu and for programmes numbers 1 to 99, the auto colour detection is disabled, the colour standard is recall from
EEPROM and forced.
5-3-10 Horizontal Scaler (VCT3834A only)
The 4:2:2 YC r C b signal from the colour decoder is processed by the horizontal scaler. The scaler block allows a
linear or nonlinear horizontal scaling of the input video signal in the range of 0.25 to 4. Nonlinear scaling, also called
“Panoramavision”, provides a geometrical distortion of the input picture. It is used to fit a picture with 4:3 format on a
16:9 screen by stretching the picture geometry at the borders. Also, the inverse effect can be produced by the scaler.
The scaler contains a programmable decimation filter, a 1-line FIFO memory, and a programmable interpolation filter.

- 47 -
Service manual WP 895/895F, CP885/885F
5-3-11 Video Sync Processing
To extract the sync information from the video signal, a linear phase low-pass filter eliminates all noise and video
contents above 1 MHz. The sync is separated by a slicer; the sync phase is measured. A variable window can be
selected to improve the noise immunity of the slicer. The phase comparator measures the falling edge of sync, as well
as the integrated sync pulse. The sync phase error is filtered by a phase-locked loop that is computed by the Fast
Processor. All timing in the front-end is derived from a counter that is part of this PLL, and it thus counts synchro-
nously to the video signal. A separate hardware block measures the signal back porch and also allows gathering the
maximum/minimum of the video signal. This information is processed by the FP and used for gain control and
clamping. For vertical sync separation, the sliced video signal is integrated. The FP uses the integrator value to derive
vertical sync and field information. The information extracted by the video sync processing is multiplexed onto the
hardware front sync signal (FSY) and is distributed to the rest of the video processing system.
The data for the vertical deflection, the sawtooth, and the East-West correction signal is calculated by the VCT 38xxA.
5-3-12 Display Processing
In the display processing the conversion from digital YC r C b to analogue RGB is carried out.
In the luminance processing path, contrast and brightness adjustments and a variety of features, such as black-level
expansion, dynamic peaking and soft limiting, are provided. In the chrominance path, the C r C b signals are converted
to 4:4:4 format and filtered by a colour transient improvement circuit. The YC r C b signals are converted by a program-
mable matrix to RGB colour space. The digital OSD insertion circuit allows the insertion of a 5-bit OSD signal.
The OSD signals and the display clock are synchronised to the horizontal flyback.
5-3-13 Chroma Transient Improvement
The intention of this block is to enhance the chroma resolution. A correction signal is calculated by differentiation of
the colour difference signals. The differentiation can be selected according to the signal bandwidth, e.g. for PAL/NTSC/
SECAM or digital component signals, respectively. The amplitude of the correction signal is adjustable. Small noise
amplitudes in the correction signal are suppressed by an adjustable coring circuit. To eliminate ‘wrong colours’, which
are caused by over and undershoots at the chroma transition, the sharpened chroma signals are limited to a proper value
automatically.
5-3-14 Video Back-end
The digital RGB signals are converted to analogue RGBs using three video digital-to-analogue converters (DAC) with
10-bit resolution. An analogue brightness value is provided by three additional DACs. The adjustment range is 40 % of
the full RGB range. Controlling the white-drive/analogue brightness and also the external contrast and brightness
adjustments is done via the Fast Processor, located in the front-end. Control of the cutoff DACs is done via I 2 C bus
registers. Finally cutoff and blanking values are added to the RGB signals. Cutoff (dark current) is provided by three 9-
bit DACs. The adjustment range is 60 % of full scale RGB range. The analogue RGB-outputs are current outputs with
current-sink characteristics. The maximum current drawn by the output stage is obtained with peak white RGB. An
external half contrast signal can be used to reduce the output current of the RGB outputs to 50% . Cutoff and white-
drive current measurement are carried out during the vertical blanking interval. They always use the small bandwidth
setting.

- 48 -
Service manual WP 895/895F, CP885/885F
5-3-15 CRT Measurement and Control
The display processor is equipped with an 8-bit ADC for all measuring purposes. The ADC is connected to the
SENSE input pin. Cutoff and white-drive current measurement are carried out during the vertical blanking interval.
5-3-16 Average Beam Current Limiter
The average beam current limiter (BCL) uses the SENSE input for the beam current measurement. The BCL uses a
different filter to average the beam current during the active picture. The filter bandwidth is approx. 2 kHz. The beam
current limiter has an automatic offset adjustment that is active two lines before the first cutoff measurement line. The
beam current limiter function is located in the front-end. The data exchange between the front-end and the back-end is
done via a single-wire serial interface. The beam current limiter allows the setting of a thresh-old current. If the beam
current is above the threshold, the excess current is low-pass filtered and used to attenuate the RGB outputs by
adjusting the white-drive multipliers for the internal (digital) RGB signals, and the analogue contrast multipliers for the
analogue RGB inputs, respectively. The lower limit of the attenuator is programmable, thus a minimum contrast can
always be set. During the tube measurement, the ABL attenuation is switched off. After the white-drive measurement
line it takes 3 lines to switch back to BCL limited drives and brightness.
5-3-17 Analogue RGB Insertion
The VCT 38xxA allows insertion of external analogue RGB signals. The RGB signal is key-clamped and inserted into
the main RGB by the Fast-Blank switch. The external RGB input can be overlaid or underlaid to the digital picture.
The external RGB signals can be adjusted independently as regards DC level (brightness) and magnitude (contrast). All
signals for analogue RGB insertion (RIN, GIN, BIN, FBLIN) must be synchronised to the horizontal flyback, other-
wise a horizontal jitter will be visible. The VCT 38xxA has no means for timing correction of the analogue RGB input
signals. RGB signals are not digitalised and therefore cannot be processed by the picture scaler.
5-3-18 Fast-Blank Monitor
The presence of external analog RGB sources can be detected by means of a Fast-Blank monitor. With a special
monitor logic it is possible to detect if there is an external RGB source active and if it is a full screen insertion or only
a box. The monitor logic is connected directly to the FBLIN pin. The controlling software uses this information to
disable all picture format using display scaler.
5-3-19 Vertical and East/West Deflection
The calculations of the vertical and East/West deflection waveforms is done by the internal Fast Processor (FP).
The algorithm uses a chain of accumulators to generate the required polynomial waveforms. To produce the deflection
waveforms, the accumulators are initialised at the beginning of each field. The initialisation values must be computed
by the TV control processor and ar e written to the front-end once.

- 49 -
Service manual WP 895/895F, CP885/885F
5-3-20 EHT Compensation
The vertical waveform can be scaled according to the average beam current. This is used to compensate the effects of
electric high-tension changes due to beam current variations. EHT compensation for East/West deflection is done with
an offset corresponding to the average beam current.
5-3-21 Reset Function
Reset of all VDP functions is performed by the RESQ pin. When this pin becomes active, all internal registers and
counters are lost.
5-3-22 Standby and Power-On
The VDP does not have a standby mode. To disable all the analogue and digital video functions, it is necessary to
switch off the supplies for analogue front-end (VSUP AF ), analogue back-end (VSUP AB ) and digital circuitry
(VSUP D ).
5-4- Microcontroller
5-4-1 Introduction
The TV controller basically consists of the CPU, RAM, ROM, and a number of peripheral modules.
For instance:
– a memory banking module is included to allow access to more than 64 kB memory.
– a bootloader software is included to allow in-system-downloading of external code to Flash memory via the I 2 C
interface.
The TV controller runs the complete software necessary to control a TV set. The software includes control of the audio,
video, OSD, and text processors on chip, as well, as control of external devices like tuner or stereo decoder.
Communication between the TV controller and external devices is done either via I 2 C bus interface or via program-
mable port pins. The TV Controller is clocked with f OSC = f XTAL /2.
5-4-2 CPU
The CPU is fully compatible to WDC’s W65C02 micro-processor. The processor has 8-bit registers/accumulator, an 8-
bit data bus, and a 16-bit address bus.

- 50 -
Service manual WP 895/895F, CP885/885F
configuration
Stand by TV ON
1 Power Push Pull Low Push Pull High Switch OFF / ON SMPS
2 AGC High impedance High impedance Tuner AGC level input –
For factory use only
5 Mod SW High impedance Push Pull High = Negative
modulation, Low = Positive
modulation (L/L’).
6 SECAM L’ High impedance Push Pull Low = L, High =L’
7 AFC High impedance High impedance ADC input
8 IR High impedance High impedance Interrupt input
9 SC1 SW High impedance High impedance SCART 1 slow switching –
ADC input
10 SC2 SW High impedance High impedance SCART 2 slow switching –
ADC input
61 Mute Push Pull Push Pull High = Mute active
62 LED Open Drain Open Drain
63 KB High impedance High impedance Keyboard input – ADC
input
64 OCP High impedance High impedance Over Current Protection –
Switch the set to Std by if < 2.
5-4-3 - Controller I/O pin configuration and function
There exist different kinds of ports. The universal ports serve as digital I/O and have additional special input and output
functions. A subset of the universal ports serves as input for the analogue-to-digital converter.
- Controller I/O pin configuration and function table
pin name description
To reduce power consumption in stand by mode all ports not used are configured in high impedance mode.
5-4-4 Tuning
The AFC information is supplied by the demodulator IC, and becomes available on VCT pin 7 for controlling software.
The controlling software uses this information for tuner frequency tracking ( automatic following ). The AFC window
is typically between 50 KHz and 100 KHz.
The minimum frequency step of the tuner is 50 Khz.
This AFC function is disabled when a program is tuned using the direct frequency entry or after fine tuning adjustment.
Therefore it is recommended to tune channel with the TV search function ( manual or ATSS ) or using the direct
channel entry to enable the Automatic Frequency Control.
5-4-5 Automatic Format switching and WSS
When AUTO mode is selected by the user, the television will automatically select a mode for the user. The format
information is supplied by SCART pin 8 level when in AV mode or by WSS data. The signal contains codes as defined in
the WSS European Telecommunication Standard, ETS 300 294. Briefly, the signal is received at the beginning of line

- 51 -
Service manual WP 895/895F, CP885/885F
Format Zoom factor – TV with Description Application
Name(OSD) 16:9 CRT
Vertical Horizontal
4:3 100% 75% Picture is centred with Standard 4/3 picture with
black bars at the left 576 active lines
and right hand side of
the display
14:9 114% 87% Picture is centred with 14:9 picture – letter box
black bars at the left format with 504 active
and right hand side of lines
the display
ZOOM 14:9 114% 100% Picture is displayed 14:9 picture – letter box
filling the full width of the format with 504 active
screen by incorporating lines
a small horizontal
geometrical error
(typically 8% linear)
ZOOM 16:9 133% 100% Picture is displayed 16:9 picture – letter box
filling the full screen format with 430 active
(width and height) lines
PANORAMA 100% 100% Picture is displayed Used to fit a picture with
filling the full screen 4:3 format on a 16:9
(width and height) screen by stretching the
picture geometry at the
borders.
23, in each frame. This is bi-phase encoded using a clock frequency of 5 MHz. In total, 14 data bits are available, in
4 groups. Group 1 contains the codes for the received format.
The mode chosen is defined by the following table. In effect the default mode is full screen.
The table below gives a summary of the FORMAT modes available (for WP895 and WP895F), and their given
properties.
5-4-6 EXTERNAL source control logic

- 52 -
Service manual WP 895/895F, CP885/885F
The following schematic, illustrates the logic of control for the two SCART connectors.
The terms used in the schematic are described below ;
1. AUTO represents a situation where the television has self-selected its picture source. This could be when the
SCART SLOW SWITCHING pin has gone to a high state, and the AV 1 input is selected without the intervention
of the user.
2. FORCED represents the change of source which has been commanded by the user (using the EXTERNAL button).
The user always has priority, and can override the AUTO change of source by the television.
3. AV KEY represents the EXTERNAL button of the remote control, or on the television.
4. S/SW 1, or S/SW 2 represent the SLOW SWITCHING inputs of the first SCART (AV 1) or second SCART (AV
2), these each being pin number 8.
5. F/SW 1 represents the FAST SWITCHING input of the first SCART (AV 1), on pin number 16. The second
SCART, AV 2, input does not possess a FAST SWITCHING input.
The HIGH state of a slow switching input represents the request from the external source to be selected by the
television. Whether this is accepted or not depends on the position in the logic diagram. The general rule is that the user
always has priority, so the use of the AV KEY will always result in a defined logic path being followed.
Under certain circumstances, defined in the diagram, the change of state of a slow switching input will result in the
automatic change of source by the television. This change, such as the change from RF broadcast to the AV 1 input,

- 53 -
Service manual WP 895/895F, CP885/885F
can always be overridden by the user after the event.
Each line on the diagram, with its associated text, represents the exact conditions under which the change of state will
occur. Sometimes this will be accompanied by another action which will be automatically performed by the television,
being to either ENABLE or DISABLE F/SW 1.
5-4-7 Over Current Protection
In case of overload, the SMPS secondary voltages will drop. The voltage on pin 64 of microcontroller drops below a
reference voltage (2.26V). The controlling software which continuously monitors this voltage will switch the set to
stand by mode. To power on the set again the user must switch it off using the main power switch. Appropriate hyster-
esis guaranrees a reliable operation.
5-5 Teletext Display
National character option bits C12, C13, C14 are transmitted in the page header of a given teletext page. The national
option bits are intended to change (or exchange) 13 characters within the G0 character set, according to the needs of
each national language. However, for Cyrillic and Greek languages, a major character set change (a change of character
mapping) needs to effected for correct display.
These codes represent, for a given broadcaster, the intended language that the teletext page should be displayed in. As
there are only 3 bits, there are only 8 codes available to cover all the possible language combinations. This means that
for a received code there are several possibilities meanings, and therefore several possibilities for display.
This is not as bad as it first seems, as we use the user-selected OSD language to identify the intention of the broadcaster.
For example, a user wishing to see Russian teletext should select Russian OSD language, otherwise he would not have
correct teletext display on the TV.
The table below allows the reader to understand the relationship between selected OSD language (which is under user
control), the teletext language display (selected by national option bits in transmission page header) and the language
mapping (either Latin or Greek/Cyrillic)
An example: For Greek teletext display, (if national option code 1 1 1 is received from the broadcaster), the user should
select the Greek OSD language. Even if English, French, German, Italian, Spanish, Dutch, Danish, Finnish, Norwegian
or Swedish OSD languages are selected, the teletext will be correctly displayed.
However, if Polish, Hungarian, Czech, Slovakian, Rumanian or Russian OSD are selected, Latin font mapping is
selected. The consequence will be incorrect teletext display, with NO GREEK CHARACTERS DISPLAYED. Roma-
nian national font options will be selected.

- 54 -
Service manual WP 895/895F, CP885/885F
OSD Language C C C Teletext Language ESC Mapping
12 13 14 Teletext Language
0 0 0 English English Latin
0 0 1 German German Latin
0 1 0 Swedish/Finnish Swedish/Finnish Latin
0 1 1 Italian Italian Latin
1 0 0 French French Latin
1 0 1 Spanish Spanish Latin
1 1 0 Turkish Turkish Latin
1 1 1 English Greek Greek/Cyrillic
0 0 0 Polish Polish Latin
0 0 1 German German Latin
0 1 0 Hungarian Hungarian Latin
0 1 1 Lettish/Lithuanian Lettish/Lithuanian Latin
1 0 0 French French Latin
1 0 1 Serb/Croat/Slovenian Serb/Croat/Slovenian Latin
1 1 0 Czech/Slovak Czech/Slovak Latin
1 1 1 Rumanian Rumanian LatinRussian
0 0 0 English Serbian/Montenegrin Greek/Cyrillic
0 0 1 German German Latin
0 1 0 Estonian Estonian Latin
0 1 1 Lettish/Lithuanian Lettish/Lithuanian Latin
1 0 0 English Russian/Bulgarian Greek/Cyrillic
1 0 1 English Ukrainian Greek/Cyrillic
1 1 0 Czech/Slovak Czech/Slovak Latin
1 1 1 Rumanian Rumanian Latin
English, French,
German, Italian,
Spanish, Dutch,
Danish, Finnish,
Norwegian,
Swedish, Greek
Polish,
Hungarian,
Czech,
Slovakian,
Rumanial
Russian
5-6 Sound processing
5-6-1 Analogue sound IF - input section
The input pins ANA_IN1+ and ANA_IN- offer the possibility to connect sound IF sources to the MSP 341xD. The
analogue-to-digital conversion of the preselected sound IF signal is done by an A/D converter, whose output is used to
control an analogue automatic gain circuit (AGC), providing an optimal level for a wide range of input levels.
5-6-2 Quadrature Mixers
The digital input coming from the integrated A/D converter may contain audio information at a frequency range of
theoretically 0 to 9 MHz corresponding to the selected standards. By means of two programmable quadrature mixers,
two different audio sources ; for example, NICAM and FM-mono, may be shifted into baseband position.
5-6-3 Phase and AM discrimination
The filtered sound IF signals are demodulated by means of the phase and amplitude discriminator block. On the output,
the phase and amplitude is available for further processing.
AM signals are derived from the amplitude information, whereas the phase information serves for FM and NICAM
demodulation.

- 55 -
Service manual WP 895/895F, CP885/885F
5-6-4 NICAM decoder
In case of NICAM - mode, the phase samples are decoded according the DQPSK - coding scheme. The output of this
block contains the original NICAM bitstream.
5-6-5 DSP section
All audio baseband functions are performed by digital signal processing (DSP). The DSP section controls the source
and output selection, and the signals processing.
5-6-6 Sound Mode switching
In case of NICAM transmission, the controlling software reads the bit error rate and the operation mode from the
NICAM Decoder. When the set is in “Auto detection” mode ( default mode after ATSS ) the controlling software sets
automatically the sound mode ( NICAM mono, NICAM Dual 1 or NICAM Dual 2 ) depending on the transmitted
mode.
In the case of 2 Carrier FM transmission, the controlling software read the transmission mode and the signal quality level
from the Stereo Detection Register. When the set is in “Auto detection” mode the controlling software automatically sets
the sound mode ( mono, Stereo, Dual 1, Dual 2 ) depending on the transmitted mode.
In “Auto detection” mode the controlling software evaluates the signal quality and automatically switches to the analogue
sound carrier 1, if the transmission quality is too poor. To avoid unwanted automatic switching the threshold levels
mono to stereo and stereo to mono are different.
In “forced mono “ mode ( Red OSD in status Display Window), the controlling software configures the MSP341xD to
demodulate onl y the analogue (FM or AM) sound carrier 1, no matter the signal quality. The sound mode “ forced “ or “
Autodetect” is stored for each programme.
5-7 Sound amplification
The TDA8944J (TDA8946J) is a stereo BTL audio amplifier capable of delivering 2 x 7 W (2 x 15 W) output power to
an 8 W load at THD = 10%, using a 12 V power supply and an external heatsink. The voltage gain is fixed at 32dB.
With the three-level MODE input the device can be switched from ‘standby’ to ‘mute’ and to ‘operating’ mode.
The TDA 8944J outputs are protected by an internal thermal shutdown protection mechanism and short-circuit
protection.
5-7-1 Power amplifier
The power amplifier is a Bridge Tied Load (BTL) amplifier with an all-NPN output stage, capable of delivering a peak
output current of 1.5 A.
The BTL principle offers the following advantages :
- Lower peak value of the supply current.
- The ripple frequency on the supply voltage is twice the signal frequency.
- No DC-blocking capacitor
- Good low frequency performance

- 56 -
Service manual WP 895/895F, CP885/885F
5-7-2 Mode selection
The TDA894xJ has several functional modes, which can be selected by applying the proper DC voltage to pin MODE.
Mute : In this mode the amplifier is DC biased but not operational (no audio output). This allows the input coupling
capacitors to be charged to avoid pop-noise. The device is in mute mode when 2.5 V < V
MODE
< (Vcc-1.5 V).
Operating : In this mode the amplifier is operating normally. The operating mode is activated at V
MODE
< 0.5 V.
5-8 Vertical deflection
The vertical driver circuit is a bridge configuration. The deflection coil is connected between the output amplifiers,
which are driven in phase opposition. The differential input circuit is voltage driven. The input circuit is especially
intended for direct connection to driver circuits which deliver symmetrical current signals, but is also suitable for
asymmetrical currents. The output current of these devices is converted to voltages at the input pins via resistors R350
and R351. The differential input voltage is compared with the output current through the deflection coils measured as
voltage across R398, which provides internal feedback information. The voltage across R398 is proportional to the
output current.
5-8-1 Flyback voltage
The flyback voltage is determined by an additional supply voltage V
flb
. The principle of operation with two supply
voltages (class G) makes it possible to fix the supply voltage Vp optimum for the scan voltage and the second supply
voltage V
flb
optimum for the flyback voltage. Using this method, very high efficiency is achieved. The supply voltage
V
flb
is almost totally available as flyback voltage across the coil, this being possible due to the absence of a coupling
capacitor.
5-8-2 Protection
The output circuit has protection circuits for :
- Too high die temperature
- overvoltage of output stage A
5-8-3 Guard circuit
The guard signal is not used.
5-8-4 Damping resistor
For HF loop stability a damping resistor (R331) is connected across the deflection coil.
5-8-5 EAST-WEST Amplifier (TDA8358J)
The East-West amplifier is current driven. It can only sink currents of the diode modulator circuit. A feedback resistor
R397 is connected between the input and output of this inverting amplifier in order to convert the East-West correction
input into an output voltage.

- 57 -
Service manual WP 895/895F, CP885/885F
5-9 Power supply (STR F6654)
5-9-1 STR-F6654 general description
The STR-F6654 is an hybrid IC with a build-in MOSFET and control IC, designed for flyback converter type switch
mode power supply applications.
5-9-2 Power supply primary part operations
An oscillator generates pulses signals which turn on and off a MOSFET transistor.
5-9-2-1 Start-up circuit : V
IN
The start-up circuit is used to start and stop the operation of the control IC, by detecting a voltage appearing at V
IN
pin (pin 4).

- 58 -
Service manual WP 895/895F, CP885/885F
When the power switch is pushed on, V
IN
increases slowly. During this time, C806 is charged through R802.
As soon as V
IN
reaches 16V, the STR-F6654 control circuit starts operating. Then, V
IN
is obtained by smoothing the
winding voltage which appears between pin6 and pin7 of the SMPS transformer.
As this winding voltage does not increase to the set voltage immediately after the control circuit starts operating, V
IN
starts dropping. However, as this winding voltage reaches the set value before V
IN
voltage drops to the shutdown
voltage (at 11V), the control circuit continues operating (see below V
IN
voltage at start-up). R805 resistor prevents that
V
IN
pin voltage varies according to the secondary side output current.
V
IN
must be set higher than the shutdown voltage (V
IN
(off) = 11V
max
) and lower than the O.V.P. (overvoltage
protection) operating voltage
(V
OVP
= 20.5V
min
)

- 59 -
Service manual WP 895/895F, CP885/885F
5-9-2-2 STR-F6654 oscillating operation

- 60 -
Service manual WP 895/895F, CP885/885F
When the MOSFET is ON, the STR-F6654 internal capacitor C1 is charged at the constant voltage 6.5V.
At the same time, the voltage at pin 1 (OCP / FB) increases with the same waveform as the MOSFET drain current.
When the pin 1 voltage reaches the threshold voltage V
TH1
= 0.73V, the STR-F6654 internal comparator 1 starts
operating. The STR-F6654 internal oscillator is inverted and the MOSFET turns OFF.
When the MOSFET turns OFF, charging of STR-F6654 internal capacitor C1 is released and C1 starts discharging
by the STR-F6654 internal resistance R1. So, C1 voltage starts falling in accordance with the gradient regulated by the
constant discharging time of C1 and R1. So, this means that the fixed time determined by C1 and R1 is the OFF-time
of the MOSFET.
When C1 voltage falls to around 3.7V, the STR-F6654 internal oscillator is reversed again and the MOSFET turns
ON. C1 is quickly charged to around 6.5V
The MOSFET continues to oscillate by repeating the above procedure.
5-9-2-3 STR-F6654 protection circuits
• overcurrent protection function (OCP)
Overcurrent protection is performed pulse by pulse detecting at STR-F6654 pin 1 (OCP) the peak of the MOSFET
drain current in every pulse.
• latch circuit
This circuit sustains an output low from the STR-F6654 internal oscillator and stops operation of the power supply
when overvoltage protection (OVP) and thermal shutdown (TSD) circuit are under operation
• thermal shutdown circuit (TSD)
This circuit triggers the latch circuit when the frame temperature of STR-F6654 IC exceeds 140
°
C
• overvoltage protection circuit (OVP)
This circuit triggers the latch circuit when the V
in
voltage exceeds 22V (typ.)

- 61 -
Service manual WP 895/895F, CP885/885F
5-10 TV start-up, TV normal run and stand by mode operations
5-10-1 TV start-up operations
* Schematic diagram for start-up operations
* TV start-up and microcontroller initialisation
- When SW801 power switch is pushed, main AC voltage is applied to T801 transformer (after rectification by D801...
D804 diodes). Then, T801 SMPS transformer starts operating and supplies DC voltage to I823 (5V regulator).
- This regulator provides 5V / 3.3V DC voltage to I501 microcontroller power supply pins (pin 3 / pin 54) and to the
reset pulse circuit which provides reset pulse to I501 microcontroller reset pin (pin 58).
- Then, the microcontroller starts its initialisation. Its power pin (pin 1) is set to high which allows delivery of power
supply voltages (123V, 8V, 5V...). At this step, all IC’s start working but no picture appears on screen: I501 IC
doesn’t provide horizontal drive voltage.
- Then, the microcontroller consults I702 EEPROM via I2C bus to know the last TV set mode (normal run mode or
stand-by mode ) before switching off.

- 62 -
Service manual WP 895/895F, CP885/885F
. If the TV set was on normal run mode before switching off, the microcontroller delivers horizontal drive voltage at pin
24 and picture appears on screen.
. If the TV set was on stand-by mode before switching off, the microcontroller switches TV set to stand-by mode,
decreasing power pin voltage (pin 1).
5-10-2 TV normal run and stand-by mode operations
Depending on remote control commands, I501 microcontroller part pin 1 (power) is set to :
- high for normal run mode
- low for stand-by mode
a) TV on normal run mode
* I501 microcontroller part pin 1 (power) effect
I501 microcontroller part pin 1 (power) is connected to the following circuit :

- 63 -
Service manual WP 895/895F, CP885/885F
On normal run mode, I501 microcontroller pin 1 (power) is set to high
• So, I810 controlled rectifier is not conducting
- Q809 is conducting. So, Q808 is not conducting and Q807 is conducting
- So, Q807 collector is connected to the ground and I810 controlled rectifier gate pin is set to low (no
conducting)
• So, current from 14V DC voltage (from T801 SMPS transformer pin 13) does not flow through Q811 and Q810
transistors but flows through I806 IC error amplifier
- Q809 is conducting. So, Q810 is not conducting and no current flows from Q810 collector to the ground
Therefore, the power circuit diagram is the following one :
* power supply circuit diagram during TV set normal run

- 64 -
Service manual WP 895/895F, CP885/885F
* power supply functioning during TV set normal run mode
- I801 transmits controlled pulses to T801 which generates DC voltages after rectifications by secondary part diodes
and electro capacitors (by example by D820 and C813 on 143V supply voltage line).
- 8V, 5V, 3.3V supply voltage lines have stabilized voltages obtained by I820, I822, I823 voltage regulators.
- On 143V supply voltage line, R823 resistor has been chosen to reach exact DC voltage required on this line.
- 143V supply voltage line includes an IC error amplifier (I806) which corrects unexpected DC voltage variations on
this line.
* power supply IC delivery during TV set normal run
power supply line IC power supply delivery Remarks
143V FBT FBT supplies 43V to I301 vertical IC
FBT supplies 43
V to T401 H- drive for CP785
FBT supplies 12V to I301 vertical IC
FBT supplies 33V to the tuner
FBT supplies 188V to I901 video amplifier pin 6
14.5V I602 sound amplifier pins 3-16
14V T401 H- drive
8V I501 Main IC pins 14-39
I601 Sound Demod pins 38-39-40
5V I703 IR receiver pin 1
I501 Main IC pins 3-15-45
I601 Sound Demod pins 7-18-57
I702 EEPROM pin 8
tuner
3.3V I501 Main IC pins 25-54
b) TV set on stand-by mode
* TV set circuit diagram on stand-by mode

- 65 -
Service manual WP 895/895F, CP885/885F
24
3
DRAIN
I801
MOFSET AND
CONTROL IC
1
MAIN AC VOLTAGE
I804
OPTO
COUPLER
I823 3.3V
REGULATOR
I703 IR
RECEIVER
FRONT
MASK
BUTTONS
I810
CONTROLLED
RECTIFIER
SWITCHING
CIRCUIT
T801 SM PS TRANS
I501
MAIN
IC
OCP
FB
D801...D804
GRAETZ BRIDGE
16
D821
I810
controlled rectifier
HIGH
C841
C840
R713
13
1
2
61
64
56
54
7
63
CONDUCTING
IR IN
µcom
supply
voltage
KEY IN
POWER
R888
C888
Q809
Q810
Q811
D811
D825
R810
L801
D806
C808
SW801
POWER SWITCH
C850
R806
8
4
3
1
2
R870
HIGH
LOW
LOW
CONDUCTING
CONDUCTING
AROUND
6Vdc
AROUND
3.3Vdc
Fig : Power supply operation in stand - by mode

- 66 -
Service manual WP 895/895F, CP885/885F
I810
CONTROLLED
RECTIFIER
R820
R830
C830
R829
Q
808
6V DC
Q
809
Q
807
HIGH
HIGH
HIGH
LOW
POWER
LOW
Fig : I810 controlled rectifier switching circuit
* TV set stand-by mode operations
- On stand-by mode, I501 microcontroller pin 1 (power) is set to low.
- So, Q809 collector is set to high.
- Then, I810 controlled rectifier gate pin is set to high and I810 is conducting.
- So, current flows from pin 16 SMPS transformer to the ground via I804 optocoupler and Q810 and Q811 transistors
(which are conducting).
- In these conditions, I801 delivers pulses on light mode and T801 produces voltages with reduced power.
- As I810 is conducting, current flows also from pin 16 SMPS transformer to I823 (5V / 3.3V regulator) for I501
com, IR receiver and front mask buttons supply voltage (then, remote control or front mask buttons can be activated
to leave stand-by mode).

Service Manual WP-895/895F, CP885/885F
- 67 -
6. Service Parts List
(DWX - 28W5 )
CAUTION
“ ” Parts recommended for stock.
“ ® ” Safety critical componen, Replace only with genuine Deawoo safety parts.
LOC PART CODE PART NAME DECSCRIPTION REMARK
LOC PART CODE PART NAME DESCRIPTION REMARK
M211 4852158911 COVER BACK HIPS GY
M211D 4857817611 CLOTH BLACK FELT 200X20X0.7
M541 4855415800 SPEC PLATE 150ART P/E FILM (C/TV)
M201A 4857818701 CLOTH BLACK FELT T0.7 L=250 W=15
M201B 4857818702 CLOTH BLACK FELT T0.7 L=350 W=15
M211A 7172401612 SCREW TAPPTITE TT2 TRS 4X16 MFZN BK
M211B 7178301212 SCREW TAPPTITE TT2 WAS 3X12 MFZN BK
M281 4852822601 DOOR PC GY
M352 97P4602700 CLAMP CORD NYLON 66 BLK 5280N
M391A 7172401612 SCREW TAPPTITE TT2 TRS 4X16 MFZN BK
M481 4854859511 BUTTON POWER ABS GY
M481A 4856716000 SPRING SWPA PIE0.5
M491 4854934001 BUTTON ABS BK
M491A 7178301011 SCREW TAPPTITE TT2 WAS 3X10 MFZN
M501 4855059901 DECO CTRL PVC T0.25
M561 4855617401 MARK BRAND AL (SILVER)
M681 4856812001 TIE CABLE NYLON66 DA100
M682 4856816300 CLAMP WIRE NYLON 6 (V0)
M791 4857923300 DOOR LOCK LA701(KIFCO)
SP01A 7172401212 SCREW TAPPTITE TT2 TRS 4X12 MFZNCK
SP02A 7172401212 SCREW TAPPTITE TT2 TRS 4X12 MFZNCK
V901A 4856215402 WASHER RUBBER CR T2.0
V901B 4856015800 SCREW CRT FIX L=27
M201 4852077111 MASK FRONT HIPS GY
M801 4858058900 BOX CARTON DW-3
M811 4858196500 PAD EPS 28W5
M822 4858215600 BAG P.E PE FOAM t0.5x1600x1270
V901 4859628160 CRT W66ECK001X13
®
ZZ132 58G0000151 COIL DEGAUSSING DC-28SFW
ZZ131 4851902110 CRT GROUND NET 24/5/0.12-1560+4850702029
ZZ100 48B4846G22
TRANSMITTER REMOCON
R-46G22 ®
00030 4850Q00910 BATTERY R03/NN
M681 4856812400 BAND 18MM X 3M
M801 4858058900 BOX CARTON DW-3
M811 4858196500 PAD EPS 28W5
M822 4858215600 BAG P.E PE FOAM t0.5x1600x1270
0000A 4857027800 HEAT SINK AL EX
0000B 7174300811 SCREW TAPPTITE TT2 RND 3X8 MFZN
SP01 4858311110 SPEAKER 12W 8 OHM SP-58126F ®
SP02 4858311110 SPEAKER 12W 8 OHM SP-58126F ®
PW001 4857417700 TERM CLAMP PT-01-T3
ZZ290
PTMPMSX28W5ZF
PCB MAIN MANUAL AS DWX-28W5ZZF
10 2193100801 SOLDER BAR SN:PB=63:37 3PI(NO FLUX)
40 2291050314 FLUX SOLVENT IM-1000
20 2193011101 SOLDER WIRE RS 60-1.2 1.6A
30 2291050617P FLUX SOLDER CF-329D
50 2291140501 WAX COVER 60G/PC
60 2291051001 FLUX KILLER KFT-7
C106 CEXF1H221V C ELECTRO 50V RSS 220MF (10X16) TP
C118 CMCN1J474K C MYLAR 63V 0.47MF MKT
C315 CEXF2A470V C ELECTRO 100V RSS 47MF (10X16) TP
C402 CMYH3C123J C MYLAR 1.6KV 0.012MF J
C408 CMYE2G304J C MYLAR 400V 0.3MF J (PL)
C415 CEXF2E479V C ELECTRO 250V RSS 4.7MF (10X16)TP
C430 CCXB3D681K C CERA 2KV B 680PF K (TAPPING)
C431 CMXB2G472J C MYLAR 400V 4700PF J TP
C440 CMXE2G273J C MYLAR 400V PU 0.027MF J (T
C499 CEYD1H689W C ELECTRO 50V RHD 6.8MF (16X35.5)
C604 CEXF1E102V C ELECTRO 25V RSS 1000MF (13X20) TP
C801 CL1JB3474K C LINE ACROSS AC250V 0.47MF U/C/SNDF/SV
C805 CEYN2G181P C ELECTRO 400V LHS 180MF (25X35)
C811 CCYR3D681K C CERA 2KV R 680PF K 125C
C812 CH1AFE472M C CERA AC 4KV 4700PF M KX DE1610
C813 CEXF2E101V C ELECTRO 250V RSS 100MF 18X35.5
C814 CEYF2E470V C ELECTRO 250V RSS 47MF (16X25
C820 CCYR3A471K C CERA 1KV 470PF K 125C
C823 CEXF1E102V C ELECTRO 25V RSS 1000MF (13X20) TP
C832 CEXF1E102V C ELECTRO 25V RSS 1000MF (13X20) TP
C840 CEXF1C222V C ELECTRO 16V RSS 2200MF(13X25)TP
C841 CEXF1C332V C ELECTRO 16V RSS 3300MF
C861 CEXF1E102C C ELECTRO 25V RUS 1000MF 13X20 TP
C866 CCYR3A471K C CERA 1KV 470PF K 125C
C900 CCXB3D102K C CERA 2KV B 1000 PF K (TAPPING)
C910 CEXF2E479V C ELECTRO 250V RSS 4.7MF (10X16)TP
C997 CEXF2E100V C ELECTRO 250V RSS 10MF (10X20) TP
D403 DBY228—— DIODE BY228
D404 DBYW76—— DIODE BYW76
D820 DBYW76—— DIODE BYW76
D860 DBYW76—— DIODE BYW76
F801 5FSCB4022R FUSE CERA SEMKO F4AH 4A 250V MF51

- 68 -
Service Manual WP-895/895F, CP885/885F
LOC PART CODE PART NAME DECSCRIPTION REMARK
LOC PART CODE PART NAME DESCRIPTION REMARK
G900 4SG0D00103 SPARK GAP S-23 900V-1.5KV
I101 1TDA4470M- IC IF TDA4470-M
I301 1TDA8358J- IC VERTICAL TDA8358J ®
I301A 4857028227 HEAT SINK AL EX ANODIZING
I301B 7174301011 SCREW TAPPTITE TT2 RND 3X10 MFZN
I501 1DW3834AE1 IC MICOM DW3834A-AE1 ®
I601 1MSP3410G- IC SOUND PROCESSOR MSP3410G ®
I602 1TDA8946J- IC AUDIO TDA8946J ®
I602A 4857028215 HEAT SINK AL EX NO ANODOZING
I602B 7174301011 SCREW TAPPTITE TT2 RND 3X10 MFZN
I702 1AT24C16PC IC MEMORY AT24C16-10PC ®
I703 1TSOP1238W IC PREAMP TSOP1238WI1 ®
I801 1STRF6654- IC SMPS STR-F6654 ®
I801A 4857027701 HEAT SINK AL EX
I801B 7174300811 SCREW TAPPTITE TT2 RND 3X8 MFZN
I804 1KP1010C— IC PHOTO COUPLER KP-1010C
I806 1SE130N— IC SE130N ®
I810 TX0202DA— THYRISTOR X0202DA ®
I820 1KA7805— IC REGULATOR KA7805
I822 1KA7808— IC REGULATOR KA7808
I823 1KA7805— IC REGULATOR KA7805
I901 1TDA6107Q- IC VIDEO TDA6107Q ®
I901A 4857031100 HEAT SINK A1050P-H24 T2.0
I901B 7174300811 SCREW TAPPTITE TT2 RND 3X8 MFZN
JP01 4859102130 JACK EARPHONE YSC-1537
JPA1 4859200401 SOCKET RGB SR-21A1 (ANGLE TYPE)
JPA2 4859200401 SOCKET RGB SR-21A1 (ANGLE TYPE)
JPA3 4859108450 JACK PIN BOARD YSC03P-4120-14A
L150 58E0000041 COIL AFT TRF-A005
L380 58C0000120 COIL CHOKE CH-100Q
L381 58C0000120 COIL CHOKE CH-100Q
L401 58H0000067 COIL H-LINEARITY TRL-240B
L402 58C0000122 COIL CHOKE CH-401B
L802 58C9430599 COIL CHOKE AZ-9004Y(94MH)
LF801 5PLF24A1— FILTER LINE LF-24A1
M351 4858900002 HOLDER LED AS LH-3P
P102 4859231620 CONN WAFER YW025-03
P401 4850706N08 CONNECTOR 6PIN 500MM BOARD IN TYPE
P402 4859240120 CONN WAFER YFW500-06
P501 4850705N14 CONNECTOR BIC-05T-25T+ULW=500
P601 4859231720 CONN WAFER YW025-04
P702 4859231720 CONN WAFER YW025-04
P801 4859242220 CONN WAFER YFW800-02
P802 4859242220 CONN WAFER YFW800-02
P903 4859238620 CONN WAFER YPW500-02
Q401 T2SD1880— TR 2SD1880 ®
Q401A 4857024500 HEAT SINK AL EX
Q401B 7174300811 SCREW TAPPTITE TT2 RND 3X8 MFZN
R398 RD-2Z109J- R CARBON FILM 1/2 1 OHM J
R399 RS02Y180JS R M-OXIDE FILM 2W 18 OHM J SMALL
R415 RS02Y102JS R M-OXIDE FILM 2W 1K OHM J SMALL
R450 RS02Y223JS R M-OXIDE FILM 2W 22K OHM J SMALL
R801 DPC7R0M290 POSISTOR 96709 (PHILIPS)
R802 RS02Y753JS R M-OXIDE FILM 2W 75K OHM J SMALL
R803 RS02Y473JS R M-OXIDE FILM 2W 47K OHM J SMALL
R804 RF02Y228K- R FUSIBLE 2W 0.22 OHM K
R819 RX10T339J- R CEMENT 10W 3.3 OHM J TRIPOD ®
R850 RS02Y229JS R M-OXIDE FILM 2W 2.2 OHM J SMALL
R906 RF01Y479J- R FUSIBLE 1W 4.7 OHM J
SCT1 4859303530 SOCKET CRT PCS629-03C
SF1 5PK3953M— FILTER SAW K3953M
SF2 5PK9650M— FILTER SAW K9650M
SW801 5S40101143 SW PUSH PS3-22SP (P.C.B)
T401 50D19A1— TRANS DRIVE TD-19A1
T402 50H0000225 FBT 1342.0040B , ®
T801 50M4936B2- TRANS SMPS 2094.0057B
U100 4859722430 TUNER VARACTOR UV1316/AIG-3 ®
X501 5XE20R250E CRYSTAL QUARTZ HC-49/U 20.2500MHZ 30PPM
X601 5XE18R432E CRYSTAL QUARTZ HC-49/U 18.43200MHZ 30PPM
Z153 5PYXT5R5MB FILTER CERA XT5.5MB
ZZ200
PTMPJBX28W5LF
PCB MAIN EYE LET AS DWX-28W5ZLF
C402 4856310300 EYE LET BSR T0.2 (R1.6)
C404 4856310300 EYE LET BSR T0.2 (R1.6)
C408 4856310300 EYE LET BSR T0.2 (R1.6)
C805 4856310600 EYE LET BSR 2.3(R2.3)
D403 4856310600 EYE LET BSR 2.3(R2.3)
D404 4856310600 EYE LET BSR 2.3(R2.3)
I301A 4856310600 EYE LET BSR 2.3(R2.3)
I602A 4856310600 EYE LET BSR 2.3(R2.3)
I801A 4856310600 EYE LET BSR 2.3(R2.3)
L401 4856310300 EYE LET BSR T0.2 (R1.6)
Q401 4856310300 EYE LET BSR T0.2 (R1.6)
R819 4856310300 EYE LET BSR T0.2 (R1.6)
SW801 4856310600 EYE LET BSR 2.3(R2.3)
T402 4856310600 EYE LET BSR 2.3(R2.3)
T801 4856310300 EYE LET BSR T0.2 (R1.6)
ZZ200
PTMPJRX28W5LF
PCB MAIN RADIAL AS DWX-28W5ZLF
C102 CEXF1E470V C ELECTRO 25V RSS 47MF (5X11) TP
C110 CXCH1H150J C CERA 50V CH 15PF J (TAPPING)
C117 CEXF1H229V C ELECTRO 50V RSS 2.2MF (5X11) TP
C121 CEXF1H100V C ELECTRO 50V RSS 10MF (5X11) TP
C122 CEXF1H100V C ELECTRO 50V RSS 10MF (5X11) TP
C152 CEXF1H100V C ELECTRO 50V RSS 10MF (5X11) TP
C153 CEXF1H479V C ELECTRO 50V RSS 4.7MF (5*11) TP

Service Manual WP-895/895F, CP885/885F
- 69 -
LOC PART CODE PART NAME DECSCRIPTION REMARK
LOC PART CODE PART NAME DESCRIPTION REMARK
C156 CBXF1H104Z C CERA SEMI 50V F 0.1MF Z (TAPPING)
C157 CEXF1H100V C ELECTRO 50V RSS 10MF (5X11) TP
C158 CBXF1H104Z C CERA SEMI 50V F 0.1MF Z (TAPPING)
C164 CEXF1E470V C ELECTRO 25V RSS 47MF (5X11) TP
C301 CMXM2A224J C MYLAR 100V 0.22MF J BULK
C305 CEXF1E221V C ELECTRO 25V RSS 220MF (8X11.5) TP
C313 CMXM2A104J C MYLAR 100V 0.1MF J TP
C320 CBXF1H104Z C CERA SEMI 50V F 0.1MF Z (TAPPING)
C340 CMXM2A683J C MYLAR 100V 0.068MF J TP
C341 CCXB1H102K C CERA 50V B 1000PF K (TAPPING)
C350 CCXF1H223Z C CERA 50V F 0.022MF Z (TAPPING)
C351 CCXF1H223Z C CERA 50V F 0.022MF Z (TAPPING)
C370 CCXF1H473Z C CERA 50V F 0.047MF Z (TAPPING)
C401 CEXF1H101V C ELECTRO 50V RSS 100MF (8*11.5) TP
C412 CEXF2C339V C ELECTRO 160V RSS 3.3MF (8X16) TP
C418 CCXB1H102K C CERA 50V B 1000PF K (TAPPING)
C420 CCXB2H222K C CERA 500V B 2200PF K (TAPPING)
C424 CMXM2A333J C MYLAR 100V 0.033MF J TP
C502 CEXF1E101V C ELECTRO 25V RSS 100MF (6.3X11) TP
C504 CEXF1E470V C ELECTRO 25V RSS 47MF (5X11) TP
C508 CEXF1H220V C ELECTRO 50V RSS 22MF (5X11) TP
C510 CCXF1H473Z C CERA 50V F 0.047MF Z (TAPPING)
C511 CEXF1H100V C ELECTRO 50V RSS 10MF (5X11) TP
C519 CEXF1H109V C ELECTRO 50V RSS 1MF (5X11) TP
C520 CEXF1H109V C ELECTRO 50V RSS 1MF (5X11) TP
C521 CEXF1H109V C ELECTRO 50V RSS 1MF (5X11) TP
C522 CEXF1H109V C ELECTRO 50V RSS 1MF (5X11) TP
C525 CEXF1H220V C ELECTRO 50V RSS 22MF (5X11) TP
C528 CCXF1H223Z C CERA 50V F 0.022MF Z (TAPPING)
C529 CCXF1H223Z C CERA 50V F 0.022MF Z (TAPPING)
C530 CCXF1H223Z C CERA 50V F 0.022MF Z (TAPPING)
C546 CEXF1H339V C ELECTRO 50V RSS 3.3MF (5X11) TP
C549 CEXF1H229V C ELECTRO 50V RSS 2.2MF (5X11) TP
C553 CEXF1E101V C ELECTRO 25V RSS 100MF (6.3X11) TP
C597 CEXF1H220V C ELECTRO 50V RSS 22MF (5X11) TP
C602 CEXF1E221V C ELECTRO 25V RSS 220MF (8X11.5) TP
C605 CEXF1E470V C ELECTRO 25V RSS 47MF (5X11) TP
C608 CEXF1H100V C ELECTRO 50V RSS 10MF (5X11) TP
C610 CEXF1H100V C ELECTRO 50V RSS 10MF (5X11) TP
C611 CEXF1H339V C ELECTRO 50V RSS 3.3MF (5X11) TP
C612 CEXF1H109V C ELECTRO 50V RSS 1MF (5X11) TP
C613 CEXF1H109V C ELECTRO 50V RSS 1MF (5X11) TP
C614 CEXF1H109V C ELECTRO 50V RSS 1MF (5X11) TP
C615 CEXF1H109V C ELECTRO 50V RSS 1MF (5X11) TP
C616 CEXF1H100V C ELECTRO 50V RSS 10MF (5X11) TP
C617 CBXF1H104Z C CERA SEMI 50V F 0.1MF Z (TAPPING)
C622 CXCH1H680J C CERA 50V CH 68PF J (TAPPING)
C623 CEXF1H109V C ELECTRO 50V RSS 1MF (5X11) TP
C624 CEXF1H109V C ELECTRO 50V RSS 1MF (5X11) TP
C625 CEXF1E101V C ELECTRO 25V RSS 100MF (6.3X11) TP
C626 CEXF1E101V C ELECTRO 25V RSS 100MF (6.3X11) TP
C629 CBXF1H104Z C CERA SEMI 50V F 0.1MF Z (TAPPING)
C630 CEXF1E470V C ELECTRO 25V RSS 47MF (5X11) TP
C634 CEXF1H100V C ELECTRO 50V RSS 10MF (5X11) TP
C635 CCXB1H102K C CERA 50V B 1000PF K (TAPPING)
C636 CEXF1E470V C ELECTRO 25V RSS 47MF (5X11) TP
C641 CEXF1E101V C ELECTRO 25V RSS 100MF (6.3X11) TP
C642 CEXF1E101V C ELECTRO 25V RSS 100MF (6.3X11) TP
C660 CEXF1C100A C ELECTRO 16V RSM 10MF 5X7
C661 CMXM2A224J C MYLAR 100V 0.22MF J BULK
C662 CMXM2A224J C MYLAR 100V 0.22MF J BULK
C665 CCXB1H472K C CERA 50V B 4700PF K (TAPPING)
C666 CBXF1H104Z C CERA SEMI 50V F 0.1MF Z (TAPPING)
C667 CCXB1H472K C CERA 50V B 4700PF K (TAPPING)
C668 CMXM2A224J C MYLAR 100V 0.22MF J BULK
C669 CMXM2A224J C MYLAR 100V 0.22MF J BULK
C670 CEXF1H100V C ELECTRO 50V RSS 10MF (5X11) TP
C690 CEXF1H479V C ELECTRO 50V RSS 4.7MF (5*11) TP
C691 CEXF1H479V C ELECTRO 50V RSS 4.7MF (5*11) TP
C770 CEXF1C101V C ELECTRO 16V RSS 100MF (6.3X11) TP
C803 CCXF3A472Z C CERA 1KV F 4700PF Z (T)
C804 CCXF3A472Z C CERA 1KV F 4700PF Z (T)
C806 CEXF1H330V C ELECTRO 50V RSS 33MF (6.3X11) TP
C807 CCXF1H473Z C CERA 50V F 0.047MF Z (TAPPING)
C808 CEXF1H479V C ELECTRO 50V RSS 4.7MF (5*11) TP
C809 CCXB1H102K C CERA 50V B 1000PF K (TAPPING)
C821 CCXB1H102K C CERA 50V B 1000PF K (TAPPING)
C824 CCXB3A471K C CERA 1KV B 470PF K (T)
C831 CCXB3A471K C CERA 1KV B 470PF K (T)
C835 CEXF1E470V C ELECTRO 25V RSS 47MF (5X11) TP
C844 CEXF1E101V C ELECTRO 25V RSS 100MF (6.3X11) TP
C850 CCXB1H821K C CERA 50V B 820PF K (TAPPING)
C863 CEXF1E101V C ELECTRO 25V RSS 100MF (6.3X11) TP
C888 CEXF1C470V C ELECTRO 16V RSS 47MF (5X11) TP
C902 CMXL2E104K C MYLAR 250V 0.1MF K MEU TP
F801A 4857415001 CLIP FUSE PFC5000-0702
F801B 4857415001 CLIP FUSE PFC5000-0702
L101 5CPX479K— COIL PEAKING 4.7UH K RADIAL
Q103 T2SC5343Y- TR 2SC5343Y
Q104 T2SC5343Y- TR 2SC5343Y
Q120 T2SC5343Y- TR 2SC5343Y
Q150 T2SC5343Y- TR 2SC5343Y
Q151 T2SC5343Y- TR 2SC5343Y
Q333 T2SC5343Y- TR 2SC5343Y

- 70 -
Service Manual WP-895/895F, CP885/885F
LOC PART CODE PART NAME DECSCRIPTION REMARK
LOC PART CODE PART NAME DESCRIPTION REMARK
Q334 T2SC5343Y- TR 2SC5343Y
Q402 T2SD1207T- TR 2SD1207-T (TAPPING)
Q510 T2SC5343Y- TR 2SC5343Y
Q511 T2SC5343Y- TR 2SC5343Y
Q542 T2SA1980Y- TR 2SA1980Y
Q543 T2SA1980Y- TR 2SA1980Y
Q544 T2SA1980Y- TR 2SA1980Y
Q550 T2SC5343Y- TR 2SC5343Y
Q599 T2SA1980Y- TR 2SA1980Y
Q601 T2SA1980Y- TR 2SA1980Y
Q701 T2SC5343Y- TR 2SC5343Y
Q702 T2SA1980Y- TR 2SA1980Y
Q807 T2SC5343Y- TR 2SC5343Y
Q808 T2SC5343Y- TR 2SC5343Y
Q809 T2SC5343Y- TR 2SC5343Y
Q810 T2SC5343Y- TR 2SC5343Y
Q811 T2SC5343Y- TR 2SC5343Y
Q850 T2SC5343Y- TR 2SC5343Y
Q851 T2SC5343Y- TR 2SC5343Y
QA1 T2SC5343Y- TR 2SC5343Y
RB10 RV5426103P R SEMI FIXED RH0638C 10K OHM B
SW700 5S50101090 SW TACT SKHV17910A
SW701 5S50101090 SW TACT SKHV17910A
SW702 5S50101090 SW TACT SKHV17910A
SW703 5S50101090 SW TACT SKHV17910A
SW704 5S50101090 SW TACT SKHV17910A
Z601 5PXF1B471M FILTER EMI CFI 06 B 1H 470PF
Z602 5PXF1B471M FILTER EMI CFI 06 B 1H 470PF
Z603 5PXF1B471M FILTER EMI CFI 06 B 1H 470PF
Z604 5PXF1B471M FILTER EMI CFI 06 B 1H 470PF
Z605 5PXF1B471M FILTER EMI CFI 06 B 1H 470PF
Z606 5PXF1B471M FILTER EMI CFI 06 B 1H 470PF
Z607 5PXF1B471M FILTER EMI CFI 06 B 1H 470PF
Z608 5PXF1B471M FILTER EMI CFI 06 B 1H 470PF
ZZ200 PTMPJAX28W5LF PCB MAIN AXIAL AS DWX-28W5ZLF
20 2TM10006LB TAPE MASKING 3M #232-MAP-C 6.2X2000M
10 2TM14006LB TAPE MASKING 3M #232 6.0X2000M
A001 4859805093 PCB MAIN WP-895
C101 CCZB1H101K C CERA 50V B 100PF K (AXIAL)
C103 CCZB1H102K C CERA 50V B 1000PF K (AXIAL)
C104 CCZB1H102K C CERA 50V B 1000PF K (AXIAL)
C116 CBZF1H104Z C CERA SEMI 50V F 0.1MF Z (AXIAL)
C119 CCZF1H103Z C CERA 50V F 0.01MF Z
C120 CCZB1H102K C CERA 50V B 1000PF K (AXIAL)
C151 CCZF1H103Z C CERA 50V F 0.01MF Z
C154 CCZF1H103Z C CERA 50V F 0.01MF Z
C160 CCZF1H103Z C CERA 50V F 0.01MF Z
C161 CZSL1H220J C CERA 50V SL 22PF J (AXIAL)
C163 CCZF1H103Z C CERA 50V F 0.01MF Z
C500 CCZF1H103Z C CERA 50V F 0.01MF Z
C501 CCZF1H103Z C CERA 50V F 0.01MF Z
C503 CBZF1H104Z C CERA SEMI 50V F 0.1MF Z (AXIAL)
C505 CCZB1H102K C CERA 50V B 1000PF K (AXIAL)
C506 CBZF1H104Z C CERA SEMI 50V F 0.1MF Z (AXIAL)
C507 CCZF1H103Z C CERA 50V F 0.01MF Z
C509 CCZF1H103Z C CERA 50V F 0.01MF Z
C512 CCZF1H103Z C CERA 50V F 0.01MF Z
C516 CCZB1H102K C CERA 50V B 1000PF K (AXIAL)
C526 CBZF1H104Z C CERA SEMI 50V F 0.1MF Z (AXIAL)
C527 CCZB1H102K C CERA 50V B 1000PF K (AXIAL)
C534 CCZB1H333K C CERA 50V B 0.033MF K (AXIAL)
C535 CCZB1H333K C CERA 50V B 0.033MF K (AXIAL)
C536 CCZB1H333K C CERA 50V B 0.033MF K (AXIAL)
C547 CBZF1H104Z C CERA SEMI 50V F 0.1MF Z (AXIAL)
C548 CBZF1H104Z C CERA SEMI 50V F 0.1MF Z (AXIAL)
C554 CBZF1H104Z C CERA SEMI 50V F 0.1MF Z (AXIAL)
C560 CCZB1H101K C CERA 50V B 100PF K (AXIAL)
C561 CCZB1H101K C CERA 50V B 100PF K (AXIAL)
C568 CBZF1H104Z C CERA SEMI 50V F 0.1MF Z (AXIAL)
C571 CCZB1H101K C CERA 50V B 100PF K (AXIAL)
C578 CCZB1H221K C CERA 50V B 220PF K (AXIAL)
C579 CCZB1H221K C CERA 50V B 220PF K (AXIAL)
C581 CCZB1H101K C CERA 50V B 100PF K (AXIAL)
C585 CCZB1H101K C CERA 50V B 100PF K (AXIAL)
C589 CCZB1H221K C CERA 50V B 220PF K (AXIAL)
C590 CZCH1H309C C CERA 50V CH 3PF C (AXIAL)
C591 CZCH1H309C C CERA 50V CH 3PF C (AXIAL)
C601 CCZB1H472K C CERA 50V B 4700PF K (AXIAL)
C603 CCZB1H472K C CERA 50V B 4700PF K (AXIAL)
C620 CZCH1H309C C CERA 50V CH 3PF C (AXIAL)
C621 CZCH1H309C C CERA 50V CH 3PF C (AXIAL)
C631 CBZF1H104Z C CERA SEMI 50V F 0.1MF Z (AXIAL)
C650 CZSL1H680J C CERA 50V SL 68PF J (AXIAL)
C830 CBZF1H104Z C CERA SEMI 50V F 0.1MF Z (AXIAL)
CA1 CCZB1H101K C CERA 50V B 100PF K (AXIAL)
CA10 CCZB1H102K C CERA 50V B 1000PF K (AXIAL)
CA13 CCZB1H471K C CERA 50V B 470PF K (AXIAL)
CA14 CCZB1H471K C CERA 50V B 470PF K (AXIAL)
CA15 CCZB1H471K C CERA 50V B 470PF K (AXIAL)
CA16 CCZB1H471K C CERA 50V B 470PF K (AXIAL)
CA17 CCZB1H471K C CERA 50V B 470PF K (AXIAL)
CA18 CCZB1H471K C CERA 50V B 470PF K (AXIAL)
CA19 CCZB1H222K C CERA 50V B 2200PF K (AXIAL)
CA2 CCZB1H101K C CERA 50V B 100PF K (AXIAL)

Service Manual WP-895/895F, CP885/885F
- 71 -
LOC PART CODE PART NAME DECSCRIPTION REMARK
LOC PART CODE PART NAME DESCRIPTION REMARK
CA20 CCZB1H222K C CERA 50V B 2200PF K (AXIAL)
CA3 CCZB1H101K C CERA 50V B 100PF K (AXIAL)
CA4 CCZB1H102K C CERA 50V B 1000PF K (AXIAL)
CA7 CCZB1H471K C CERA 50V B 470PF K (AXIAL)
CA8 CCZB1H471K C CERA 50V B 470PF K (AXIAL)
D100 DUZ33B—— DIODE ZENER UZ-33B
D101 DBAT85—— DIODE BAT85 (TAPPING)
D103 D1SS85TA— DIODE 1SS85TA
D313 DBYW36—— DIODE BYW36 (TAPPING)
D360 DTZX22C— DIODE ZENER TZX22C (TAPPING)
D361 DUZ33B—— DIODE ZENER UZ-33B
D362 DUZ33B—— DIODE ZENER UZ-33B
D367 DUZ33B—— DIODE ZENER UZ-33B
D405 DBYW36—— DIODE BYW36 (TAPPING)
D407 DBYW36—— DIODE BYW36 (TAPPING)
D408 DBYW36—— DIODE BYW36 (TAPPING)
D410 D1N4004S— DIODE 1N4004S
D411 D1N4004S— DIODE 1N4004S
D450 DBYW36—— DIODE BYW36 (TAPPING)
D520 D1N4148— DIODE 1N4148 (TAPPING)
D521 D1N4148— DIODE 1N4148 (TAPPING)
D533 D1N4148— DIODE 1N4148 (TAPPING)
D534 D1N4148— DIODE 1N4148 (TAPPING)
D537 D1N4148— DIODE 1N4148 (TAPPING)
D550 D1N4148— DIODE 1N4148 (TAPPING)
D551 D1N4148— DIODE 1N4148 (TAPPING)
D591 DUZ2R7B— DIODE ZENER UZ-2.7B
D597 D1N4148— DIODE 1N4148 (TAPPING)
D598 D1N4148— DIODE 1N4148 (TAPPING)
D599 DTZX5V6B— DIODE ZENER TZX5V6B (TAPPING)
D601 D1N4148— DIODE 1N4148 (TAPPING)
D602 D1N4148— DIODE 1N4148 (TAPPING)
D603 D1N4148— DIODE 1N4148 (TAPPING)
D801 DBYT51J— DIODE BYT51J (TAPPING)
D802 DBYT51J— DIODE BYT51J (TAPPING)
D803 DBYT51J— DIODE BYT51J (TAPPING)
D804 DBYT51J— DIODE BYT51J (TAPPING)
D805 DBYW36—— DIODE BYW36 (TAPPING)
D806 DBYW36—— DIODE BYW36 (TAPPING)
D808 DBYW36—— DIODE BYW36 (TAPPING)
D809 DBYW36—— DIODE BYW36 (TAPPING)
D811 DTZX6V2— DIODE ZENER TZX6V2B (TAPPING)
D821 DBYW36—— DIODE BYW36 (TAPPING)
D824 D1N4148— DIODE 1N4148 (TAPPING)
D825 D1N4148— DIODE 1N4148 (TAPPING)
D830 DBYW36—— DIODE BYW36 (TAPPING)
D831 DBYW36—— DIODE BYW36 (TAPPING)
D840 D1N4148— DIODE 1N4148 (TAPPING)
D841 D1N4148— DIODE 1N4148 (TAPPING)
D850 DUZ2R7B— DIODE ZENER UZ-2.7B
D911 DBAV21—— DIODE BAV21 (TAPPING)
D912 DBAV21—— DIODE BAV21 (TAPPING)
D913 DBAV21—— DIODE BAV21 (TAPPING)
D997 DBYT51J— DIODE BYT51J (TAPPING)
DA10 DTZX5V6B— DIODE ZENER TZX5V6B (TAPPING)
DA11 DTZX5V6B— DIODE ZENER TZX5V6B (TAPPING)
DA15 DTZX5V6B— DIODE ZENER TZX5V6B (TAPPING)
DA16 DTZX5V6B— DIODE ZENER TZX5V6B (TAPPING)
DA20 DTZX5V6B— DIODE ZENER TZX5V6B (TAPPING)
DA27 DTZX5V6B— DIODE ZENER TZX5V6B (TAPPING)
DA3 DTZX5V1B— DIODE ZENER TZX5V1B (TAPPING)
DA32 DTZX5V6B— DIODE ZENER TZX5V6B (TAPPING)
DA6 DTZX5V6B— DIODE ZENER TZX5V6B (TAPPING)
DA7 DTZX5V1B— DIODE ZENER TZX5V1B (TAPPING)
DA8 DTZX5V6B— DIODE ZENER TZX5V6B (TAPPING)
DA9 DTZX5V6B— DIODE ZENER TZX5V6B (TAPPING)
J003 85801065GY WIRE COPPER AWG22 1/0.65 TIN COATING
J005 85801065GY WIRE COPPER AWG22 1/0.65 TIN COATING
J006 85801065GY WIRE COPPER AWG22 1/0.65 TIN COATING
J007 85801065GY WIRE COPPER AWG22 1/0.65 TIN COATING
J008 85801065GY WIRE COPPER AWG22 1/0.65 TIN COATING
J009 85801065GY WIRE COPPER AWG22 1/0.65 TIN COATING
J013 85801065GY WIRE COPPER AWG22 1/0.65 TIN COATING
J015 85801065GY WIRE COPPER AWG22 1/0.65 TIN COATING
J016 85801065GY WIRE COPPER AWG22 1/0.65 TIN COATING
J018 85801065GY WIRE COPPER AWG22 1/0.65 TIN COATING
J019 85801065GY WIRE COPPER AWG22 1/0.65 TIN COATING
J022 85801065GY WIRE COPPER AWG22 1/0.65 TIN COATING
J023 85801065GY WIRE COPPER AWG22 1/0.65 TIN COATING
J024 85801065GY WIRE COPPER AWG22 1/0.65 TIN COATING
J025 85801065GY WIRE COPPER AWG22 1/0.65 TIN COATING
J036 85801065GY WIRE COPPER AWG22 1/0.65 TIN COATING
J037 85801065GY WIRE COPPER AWG22 1/0.65 TIN COATING
J038 85801065GY WIRE COPPER AWG22 1/0.65 TIN COATING
J046 85801065GY WIRE COPPER AWG22 1/0.65 TIN COATING
J047 85801065GY WIRE COPPER AWG22 1/0.65 TIN COATING
J053 85801065GY WIRE COPPER AWG22 1/0.65 TIN COATING
J054 85801065GY WIRE COPPER AWG22 1/0.65 TIN COATING
J056 85801065GY WIRE COPPER AWG22 1/0.65 TIN COATING
J057 85801065GY WIRE COPPER AWG22 1/0.65 TIN COATING
J058 85801065GY WIRE COPPER AWG22 1/0.65 TIN COATING
J061 85801065GY WIRE COPPER AWG22 1/0.65 TIN COATING
J065 85801065GY WIRE COPPER AWG22 1/0.65 TIN COATING
J070 85801065GY WIRE COPPER AWG22 1/0.65 TIN COATING

- 72 -
Service Manual WP-895/895F, CP885/885F
LOC PART CODE PART NAME DECSCRIPTION REMARK
LOC PART CODE PART NAME DESCRIPTION REMARK
J072 85801065GY WIRE COPPER AWG22 1/0.65 TIN COATING
J073 85801065GY WIRE COPPER AWG22 1/0.65 TIN COATING
J075 85801065GY WIRE COPPER AWG22 1/0.65 TIN COATING
J076 85801065GY WIRE COPPER AWG22 1/0.65 TIN COATING
J079 85801065GY WIRE COPPER AWG22 1/0.65 TIN COATING
J080 85801065GY WIRE COPPER AWG22 1/0.65 TIN COATING
J082 85801065GY WIRE COPPER AWG22 1/0.65 TIN COATING
J088 85801065GY WIRE COPPER AWG22 1/0.65 TIN COATING
J100 85801065GY WIRE COPPER AWG22 1/0.65 TIN COATING
J101 85801065GY WIRE COPPER AWG22 1/0.65 TIN COATING
J120 85801065GY WIRE COPPER AWG22 1/0.65 TIN COATING
J123 85801065GY WIRE COPPER AWG22 1/0.65 TIN COATING
J124 85801065GY WIRE COPPER AWG22 1/0.65 TIN COATING
J153 85801065GY WIRE COPPER AWG22 1/0.65 TIN COATING
J166 85801065GY WIRE COPPER AWG22 1/0.65 TIN COATING
J201 85801065GY WIRE COPPER AWG22 1/0.65 TIN COATING
J234 85801065GY WIRE COPPER AWG22 1/0.65 TIN COATING
J826 85801065GY WIRE COPPER AWG22 1/0.65 TIN COATING
J827 85801065GY WIRE COPPER AWG22 1/0.65 TIN COATING
J828 85801065GY WIRE COPPER AWG22 1/0.65 TIN COATING
J829 85801065GY WIRE COPPER AWG22 1/0.65 TIN COATING
J833 85801065GY WIRE COPPER AWG22 1/0.65 TIN COATING
J835 85801065GY WIRE COPPER AWG22 1/0.65 TIN COATING
J836 85801065GY WIRE COPPER AWG22 1/0.65 TIN COATING
J840 85801065GY WIRE COPPER AWG22 1/0.65 TIN COATING
J841 85801065GY WIRE COPPER AWG22 1/0.65 TIN COATING
J844 85801065GY WIRE COPPER AWG22 1/0.65 TIN COATING
J845 85801065GY WIRE COPPER AWG22 1/0.65 TIN COATING
J846 85801065GY WIRE COPPER AWG22 1/0.65 TIN COATING
J853 85801065GY WIRE COPPER AWG22 1/0.65 TIN COATING
J858 85801065GY WIRE COPPER AWG22 1/0.65 TIN COATING
J859 85801065GY WIRE COPPER AWG22 1/0.65 TIN COATING
J860 85801065GY WIRE COPPER AWG22 1/0.65 TIN COATING
J865 85801065GY WIRE COPPER AWG22 1/0.65 TIN COATING
J873 85801065GY WIRE COPPER AWG22 1/0.65 TIN COATING
J874 85801065GY WIRE COPPER AWG22 1/0.65 TIN COATING
J876 85801065GY WIRE COPPER AWG22 1/0.65 TIN COATING
J878 85801065GY WIRE COPPER AWG22 1/0.65 TIN COATING
J879 85801065GY WIRE COPPER AWG22 1/0.65 TIN COATING
J880 85801065GY WIRE COPPER AWG22 1/0.65 TIN COATING
J881 85801065GY WIRE COPPER AWG22 1/0.65 TIN COATING
J882 85801065GY WIRE COPPER AWG22 1/0.65 TIN COATING
J883 85801065GY WIRE COPPER AWG22 1/0.65 TIN COATING
J885 85801065GY WIRE COPPER AWG22 1/0.65 TIN COATING
J887 85801065GY WIRE COPPER AWG22 1/0.65 TIN COATING
J888 85801065GY WIRE COPPER AWG22 1/0.65 TIN COATING
J889 85801065GY WIRE COPPER AWG22 1/0.65 TIN COATING
J891 85801065GY WIRE COPPER AWG22 1/0.65 TIN COATING
J896 85801065GY WIRE COPPER AWG22 1/0.65 TIN COATING
J903 85801065GY WIRE COPPER AWG22 1/0.65 TIN COATING
J909 85801065GY WIRE COPPER AWG22 1/0.65 TIN COATING
J912 85801065GY WIRE COPPER AWG22 1/0.65 TIN COATING
J914 85801065GY WIRE COPPER AWG22 1/0.65 TIN COATING
J915 85801065GY WIRE COPPER AWG22 1/0.65 TIN COATING
J916 85801065GY WIRE COPPER AWG22 1/0.65 TIN COATING
J917 85801065GY WIRE COPPER AWG22 1/0.65 TIN COATING
J918 85801065GY WIRE COPPER AWG22 1/0.65 TIN COATING
J919 85801065GY WIRE COPPER AWG22 1/0.65 TIN COATING
J920 85801065GY WIRE COPPER AWG22 1/0.65 TIN COATING
L105 5CPZ479K02 COIL PEAKING 4.7UH 3.5MM K (LAL02TB)
L153 5CPZ120K02 COIL PEAKING 12UH 3.5MM K (LAL02TB)
L501 5CPZ479K02 COIL PEAKING 4.7UH 3.5MM K (LAL02TB)
L502 5CPZ479K02 COIL PEAKING 4.7UH 3.5MM K (LAL02TB)
L503 5CPZ479K02 COIL PEAKING 4.7UH 3.5MM K (LAL02TB)
L504 5CPZ479K02 COIL PEAKING 4.7UH 3.5MM K (LAL02TB)
L601 5CPZ479K02 COIL PEAKING 4.7UH 3.5MM K (LAL02TB)
L602 5CPZ479K02 COIL PEAKING 4.7UH 3.5MM K (LAL02TB)
L605 5CPZ479K02 COIL PEAKING 4.7UH 3.5MM K (LAL02TB)
L650 5MC0000100 COIL BEAD MD-5 (HC-3550)
L801 5MC0000100 COIL BEAD MD-5 (HC-3550)
LA1 5CPZ100K04 COIL PEAKING 10UH 10.5MM K (LAL04TB)
LA2 5CPZ100K04 COIL PEAKING 10UH 10.5MM K (LAL04TB)
LA3 5CPZ100K04 COIL PEAKING 10UH 10.5MM K (LAL04TB)
LA4 5CPZ100K04 COIL PEAKING 10UH 10.5MM K (LAL04TB)
R101 RD-AZ222J- R CARBON FILM 1/6 2.2K OHM J
R103 RD-AZ123J- R CARBON FILM 1/6 12K OHM J
R104 RD-AZ104J- R CARBON FILM 1/6 100K OHM J
R105 RD-AZ272J- R CARBON FILM 1/6 2.7K OHM J
R106 RD-AZ561J- R CARBON FILM 1/6 560 OHM J
R107 RD-AZ561J- R CARBON FILM 1/6 560 OHM J
R110 RD-AZ682J- R CARBON FILM 1/6 6.8K OHM J
R111 RD-AZ222J- R CARBON FILM 1/6 2.2K OHM J
R116 RD-AZ682J- R CARBON FILM 1/6 6.8K OHM J
R117 RD-AZ682J- R CARBON FILM 1/6 6.8K OHM J
R118 RD-AZ151J- R CARBON FILM 1/6 150 OHM J
R120 RD-AZ101J- R CARBON FILM 1/6 100 OHM J
R131 RD-AZ472J- R CARBON FILM 1/6 4.7K OHM J
R151 RD-AZ102J- R CARBON FILM 1/6 1K OHM J
R152 RD-AZ271J- R CARBON FILM 1/6 270 OHM J
R153 RD-AZ470J- R CARBON FILM 1/6 47 OHM J
R154 RD-AZ470J- R CARBON FILM 1/6 47 OHM J
R155 RD-AZ751J- R CARBON FILM 1/6 750 OHM J
R160 RD-AZ472J- R CARBON FILM 1/6 4.7K OHM J
R161 RD-AZ102J- R CARBON FILM 1/6 1K OHM J

Service Manual WP-895/895F, CP885/885F
- 73 -
LOC PART CODE PART NAME DECSCRIPTION REMARK
LOC PART CODE PART NAME DESCRIPTION REMARK
R162 RD-AZ153J- R CARBON FILM 1/6 15K OHM J
R163 RD-AZ752J- R CARBON FILM 1/6 7.5K OHM J
R164 RD-AZ752J- R CARBON FILM 1/6 7.5K OHM J
R177 RD-AZ562J- R CARBON FILM 1/6 5.6K OHM J
R190 RD-AZ221J- R CARBON FILM 1/6 220 OHM J
R191 RD-AZ331J- R CARBON FILM 1/6 330 OHM J
R301 RD-4Z472J- R CARBON FILM 1/4 4.7K OHM J
R310 RD-AZ392J- R CARBON FILM 1/6 3.9K OHM J
R311 RD-AZ392J- R CARBON FILM 1/6 3.9K OHM J
R330 RD-4Z473J- R CARBON FILM 1/4 47K OHM J
R331 RD-2Z201J- R CARBON FILM 1/2 200 OHM J
R333 RD-AZ222J- R CARBON FILM 1/6 2.2K OHM J
R334 RD-AZ222J- R CARBON FILM 1/6 2.2K OHM J
R340 RD-4Z334J- R CARBON FILM 1/4 330K OHM J
R341 RD-4Z333J- R CARBON FILM 1/4 33K OHM J
R350 RD-4Z272J- R CARBON FILM 1/4 2.7K OHM J
R351 RD-4Z272J- R CARBON FILM 1/4 2.7K OHM J
R370 RD-4Z159J- R CARBON FILM 1/4 1.5 OHM J
R394 RD-AZ272J- R CARBON FILM 1/6 2.7K OHM J
R395 RD-4Z394J- R CARBON FILM 1/4 390K OHM J
R396 RD-AZ272J- R CARBON FILM 1/6 2.7K OHM J
R397 RD-AZ104J- R CARBON FILM 1/6 100K OHM J
R401 RD-4Z272J- R CARBON FILM 1/4 2.7K OHM J
R402 RD-4Z220J- R CARBON FILM 1/4 22 OHM J
R404 RD-2Z399J- R CARBON FILM 1/2 3.9 OHM J
R406 RD-2Z821J- R CARBON FILM 1/2 820 OHM J
R420 RD-4Z682J- R CARBON FILM 1/4 6.8K OHM J
R490 RD-4Z101J- R CARBON FILM 1/4 100 OHM J
R500 RD-AZ101J- R CARBON FILM 1/6 100 OHM J
R501 RD-AZ101J- R CARBON FILM 1/6 100 OHM J
R502 RD-AZ101J- R CARBON FILM 1/6 100 OHM J
R503 RD-AZ101J- R CARBON FILM 1/6 100 OHM J
R504 RD-AZ473J- R CARBON FILM 1/6 47K OHM J
R506 RD-AZ223J- R CARBON FILM 1/6 22K OHM J
R507 RD-AZ562J- R CARBON FILM 1/6 5.6K OHM J
R508 RD-AZ562J- R CARBON FILM 1/6 5.6K OHM J
R509 RD-AZ472J- R CARBON FILM 1/6 4.7K OHM J
R511 RD-AZ133J- R CARBON FILM 1/6 13K OHM J
R512 RD-AZ133J- R CARBON FILM 1/6 13K OHM J
R513 85801065GY WIRE COPPER AWG22 1/0.65 TIN COATING
R517 RD-AZ102J- R CARBON FILM 1/6 1K OHM J
R518 RD-AZ102J- R CARBON FILM 1/6 1K OHM J
R530 RD-AZ103J- R CARBON FILM 1/6 10K OHM J
R532 RD-AZ223J- R CARBON FILM 1/6 22K OHM J
R533 RD-AZ103J- R CARBON FILM 1/6 10K OHM J
R535 RD-AZ201J- R CARBON FILM 1/6 200 OHM J
R537 RD-AZ201J- R CARBON FILM 1/6 200 OHM J
R540 RD-AZ101J- R CARBON FILM 1/6 100 OHM J
R541 RD-AZ122J- R CARBON FILM 1/6 1.2K OHM J
R542 RD-AZ223J- R CARBON FILM 1/6 22K OHM J
R543 RD-AZ271J- R CARBON FILM 1/6 270 OHM J
R544 RD-AZ222J- R CARBON FILM 1/6 2.2K OHM J
R548 RD-AZ103J- R CARBON FILM 1/6 10K OHM J
R550 RD-AZ102J- R CARBON FILM 1/6 1K OHM J
R555 RD-AZ102J- R CARBON FILM 1/6 1K OHM J
R560 RD-AZ101J- R CARBON FILM 1/6 100 OHM J
R561 RD-AZ101J- R CARBON FILM 1/6 100 OHM J
R562 RD-AZ152J- R CARBON FILM 1/6 1.5K OHM J
R563 RD-AZ152J- R CARBON FILM 1/6 1.5K OHM J
R566 RD-AZ220J- R CARBON FILM 1/6 22 OHM J
R568 RD-AZ102J- R CARBON FILM 1/6 1K OHM J
R569 RD-AZ181J- R CARBON FILM 1/6 180 OHM J
R570 RD-AZ271J- R CARBON FILM 1/6 270 OHM J
R572 RD-AZ101J- R CARBON FILM 1/6 100 OHM J
R573 RD-AZ101J- R CARBON FILM 1/6 100 OHM J
R576 RD-AZ181J- R CARBON FILM 1/6 180 OHM J
R577 RD-AZ181J- R CARBON FILM 1/6 180 OHM J
R578 RD-AZ330J- R CARBON FILM 1/6 33 OHM J
R579 RD-AZ330J- R CARBON FILM 1/6 33 OHM J
R580 RD-AZ271J- R CARBON FILM 1/6 270 OHM J
R582 RD-AZ101J- R CARBON FILM 1/6 100 OHM J
R583 RD-AZ101J- R CARBON FILM 1/6 100 OHM J
R586 RD-AZ271J- R CARBON FILM 1/6 270 OHM J
R587 RD-AZ101J- R CARBON FILM 1/6 100 OHM J
R588 RD-AZ101J- R CARBON FILM 1/6 100 OHM J
R589 RD-AZ330J- R CARBON FILM 1/6 33 OHM J
R591 RD-AZ431J- R CARBON FILM 1/6 430 OHM J
R592 RD-AZ102J- R CARBON FILM 1/6 1K OHM J
R593 RD-AZ104J- R CARBON FILM 1/6 100K OHM J
R594 RD-AZ222J- R CARBON FILM 1/6 2.2K OHM J
R595 RD-AZ682J- R CARBON FILM 1/6 6.8K OHM J
R596 RD-AZ472J- R CARBON FILM 1/6 4.7K OHM J
R597 RD-AZ153J- R CARBON FILM 1/6 15K OHM J
R598 RD-AZ153J- R CARBON FILM 1/6 15K OHM J
R599 RD-AZ101J- R CARBON FILM 1/6 100 OHM J
R601 RD-AZ101J- R CARBON FILM 1/6 100 OHM J
R602 RD-AZ104J- R CARBON FILM 1/6 100K OHM J
R605 RD-AZ101J- R CARBON FILM 1/6 100 OHM J
R606 RD-AZ101J- R CARBON FILM 1/6 100 OHM J
R608 RD-2Z151J- R CARBON FILM 1/2 150 OHM J
R609 RD-2Z151J- R CARBON FILM 1/2 150 OHM J
R614 RD-AZ102J- R CARBON FILM 1/6 1K OHM J
R615 RD-AZ102J- R CARBON FILM 1/6 1K OHM J
R620 RD-AZ102J- R CARBON FILM 1/6 1K OHM J

- 74 -
Service Manual WP-895/895F, CP885/885F
LOC PART CODE PART NAME DECSCRIPTION REMARK
LOC PART CODE PART NAME DESCRIPTION REMARK
R621 RD-AZ102J- R CARBON FILM 1/6 1K OHM J
R622 RD-AZ102J- R CARBON FILM 1/6 1K OHM J
R641 RD-AZ102J- R CARBON FILM 1/6 1K OHM J
R642 RD-AZ102J- R CARBON FILM 1/6 1K OHM J
R646 RD-AZ102J- R CARBON FILM 1/6 1K OHM J
R647 RD-AZ102J- R CARBON FILM 1/6 1K OHM J
R649 RD-AZ102J- R CARBON FILM 1/6 1K OHM J
R650 RD-AZ752J- R CARBON FILM 1/6 7.5K OHM J
R651 RD-AZ102J- R CARBON FILM 1/6 1K OHM J
R652 RD-AZ102J- R CARBON FILM 1/6 1K OHM J
R660 RD-AZ752J- R CARBON FILM 1/6 7.5K OHM J
R661 RD-AZ123J- R CARBON FILM 1/6 12K OHM J
R662 RD-AZ123J- R CARBON FILM 1/6 12K OHM J
R700 RD-2Z332J- R CARBON FILM 1/2 3.3K OHM J
R709 RD-AZ102J- R CARBON FILM 1/6 1K OHM J
R710 RD-AZ102J- R CARBON FILM 1/6 1K OHM J
R711 RD-AZ103J- R CARBON FILM 1/6 10K OHM J
R712 RD-AZ181J- R CARBON FILM 1/6 180 OHM J
R713 RD-AZ331J- R CARBON FILM 1/6 330 OHM J
R720 RD-AZ122J- R CARBON FILM 1/6 1.2K OHM J
R721 RD-AZ181J- R CARBON FILM 1/6 180 OHM J
R722 RD-AZ221J- R CARBON FILM 1/6 220 OHM J
R723 RD-AZ331J- R CARBON FILM 1/6 330 OHM J
R724 RD-AZ471J- R CARBON FILM 1/6 470 OHM J
R805 RD-2Z100J- R CARBON FILM 1/2 10 OHM J
R806 RD-2Z472J- R CARBON FILM 1/2 4.7K OHM J
R807 RD-2Z272J- R CARBON FILM 1/2 2.7K OHM J
R808 RD-2Z821J- R CARBON FILM 1/2 820 OHM J
R810 RD-4Z102J- R CARBON FILM 1/4 1K OHM J
R811 RC-2Z565KP R CARBON COMP 1/2 5.6M OHM K
R817 RD-AZ473J- R CARBON FILM 1/6 47K OHM J
R820 RD-AZ102J- R CARBON FILM 1/6 1K OHM J
R821 RD-4Z102J- R CARBON FILM 1/4 1K OHM J
R823 RD-2Z472J- R CARBON FILM 1/2 4.7K OHM J
R829 RD-AZ103J- R CARBON FILM 1/6 10K OHM J
R830 RD-AZ332J- R CARBON FILM 1/6 3.3K OHM J
R841 RD-2Z470J- R CARBON FILM 1/2 47 OHM J
R851 RD-AZ391J- R CARBON FILM 1/6 390 OHM J
R852 RD-AZ102J- R CARBON FILM 1/6 1K OHM J
R855 RD-4Z335J- R CARBON FILM 1/4 3.3M OHM J
R870 RD-2Z222J- R CARBON FILM 1/2 2.2K OHM J
R901 RD-AZ221J- R CARBON FILM 1/6 220 OHM J
R902 RD-AZ221J- R CARBON FILM 1/6 220 OHM J
R903 RD-AZ221J- R CARBON FILM 1/6 220 OHM J
R910 RD-AZ101J- R CARBON FILM 1/6 100 OHM J
R911 RD-AZ101J- R CARBON FILM 1/6 100 OHM J
R912 RD-AZ101J- R CARBON FILM 1/6 100 OHM J
R913 RD-AZ101J- R CARBON FILM 1/6 100 OHM J
R921 RC-2Z102K- R CARBON COMP 1/2 1K OHM K
R922 RC-2Z102K- R CARBON COMP 1/2 1K OHM K
R923 RC-2Z102K- R CARBON COMP 1/2 1K OHM K
R983 RD-4Z472J- R CARBON FILM 1/4 4.7K OHM J
R996 RD-2Z105J- R CARBON FILM 1/2 1M OHM J
R997 RD-2Z102J- R CARBON FILM 1/2 1K OHM J
RA1 RD-AZ220J- R CARBON FILM 1/6 22 OHM J
RA10 RD-AZ101J- R CARBON FILM 1/6 100 OHM J
RA11 RD-AZ750J- R CARBON FILM 1/6 75 OHM J
RA12 RD-AZ750J- R CARBON FILM 1/6 75 OHM J
RA13 RD-AZ113J- R CARBON FILM 1/6 11K OHM J
RA14 RD-AZ750J- R CARBON FILM 1/6 75 OHM J
RA16 RD-AZ750J- R CARBON FILM 1/6 75 OHM J
RA19 RD-AZ750J- R CARBON FILM 1/6 75 OHM J
RA2 RD-AZ101J- R CARBON FILM 1/6 100 OHM J
RA29 RD-AZ102J- R CARBON FILM 1/6 1K OHM J
RA3 RD-AZ101J- R CARBON FILM 1/6 100 OHM J
RA32 RD-AZ680J- R CARBON FILM 1/6 68 OHM J
RA4 RD-AZ101J- R CARBON FILM 1/6 100 OHM J
RA44 RD-AZ113J- R CARBON FILM 1/6 11K OHM J
RA5 RD-AZ333J- R CARBON FILM 1/6 33K OHM J
RA6 RD-AZ750J- R CARBON FILM 1/6 75 OHM J
RA7 RD-AZ333J- R CARBON FILM 1/6 33K OHM J
RA8 RD-AZ750J- R CARBON FILM 1/6 75 OHM J
RA9 RD-AZ750J- R CARBON FILM 1/6 75 OHM J
RA90 RD-AZ220J- R CARBON FILM 1/6 22 OHM J
RA91 RD-AZ473J- R CARBON FILM 1/6 47K OHM J
RA92 RD-AZ223J- R CARBON FILM 1/6 22K OHM J

Service Manual WP-895/895F, CP885/885F
- 75 -
7. Exploded View
7-1 DWX-28W5

Service Manual WP-895/895F, CP885/885F
- 76 -
7. Exploded View
7-2 D WF-28W8

Service Manual WP-895/895F, CP885/885F
- 77 -
7. Exploded View
7-3 DTF-29U8

Service Manual WP-895/895F, CP885/885F
- 78 -
7. Exploded View
7-4 DTP-28A7

Service ManualWP-895/895F, CP885/885F
- 79 -
7. ExplodedView
7-5 DTP-28B1

Service ManualWP-895/895F, CP885/885F
- 80 -
7. ExplodedView
7-6 DTP-28G7

Service Manual WP-895/895F, CP885/885F
-81 -
7. Exploded View
7-7 DTP-28G8

PRINTED CIRCUIT BOARD
PCB MAIN



686, AHYEON-DONG MAPO-GU
SEOUL, KOREA
C.P.O. BOX 8003 SEOUL, KOREA
TELEX : DWELEC K28177-8
CABLE : “DAEWOOELEC”
E-mail :djkoo@web.dwe.co.kr