Daewoo Electronics Dtc 20T2 Users Manual
DTZ-29U7U3 to the manual aaeb57b7-df76-4a7e-ba35-f1923564848f
2015-02-02
: Daewoo-Electronics Daewoo-Electronics-Dtc-20T2-Users-Manual-404551 daewoo-electronics-dtc-20t2-users-manual-404551 daewoo-electronics pdf
Open the PDF directly: View PDF
.
Page Count: 85

http : //svc.dwe.co.kr
Caution
: In this Manual, some parts can be changed for improving. their
performance without notice in the parts list. So, if you need the
latest parts information, please refer to PPL(Parts Price List)in
Service Information Center(http://svc.dwe.co.kr)
DAEWOO ELECTRONICS Corp.
Service Manual
June. 2004
COLOR TELEVISION
CHASSIS : CP-520
MODEL : DTY-28A8/28A6/28A7
DTY-2880/28W5
DTY-21U7/21B4
DTY-25G6/25G7
CHASSIS : CP-520A
MODEL : DTC-20T2
DTC-21Y1/21Y2
CHASSIS : CP-520F
MODEL : DTZ-29U7/U3
DTZ-2881/28W8
DTZ-2481
P/N:TCP520BEF0

CP-520/520A/520F Service Manual
DTV R&D Europe 1
CONTENTS
DOCUMENT HISTORY................................................................................................................. 3
1 MAIN FEATURES.................................................................................................................. 4
1.1 SPECIFICATIONS.......................................................................................................... 4
1.1.1 GENERAL................................................................................................................ 4
1.1.2 EURO-SCART 1 (21 Pin)......................................................................................... 4
1.1.3 EURO-SCART 2 (21 Pin)......................................................................................... 5
1.2 CHANNEL/FREQUENCY TABLE.................................................................................. 6
2 SAFETY INSTRUCTION ....................................................................................................... 9
3 ALIGNMENT INSTRUCTIONS............................................................................................ 10
3.1 MICROCONTROLLER CONFIGURATION : SERVICE MODE ................................... 10
3.2 SERVICE MODE NAVIGATION................................................................................... 10
3.3 MICROCONTROLLER CONFIGURATION : OPTION BITS........................................ 10
3.4 OPTION 1..................................................................................................................... 11
3.5 OPTION 2..................................................................................................................... 11
3.6 NVM DEFAULT SETTING............................................................................................ 12
3.7 TV SET ALIGNMENT................................................................................................... 14
3.7.1 G2 ALIGNMENT.................................................................................................... 14
3.7.2 WHITE BALANCE ................................................................................................. 14
3.7.3 FOCUS .................................................................................................................. 14
3.7.4 VERTICAL GEOMETRY........................................................................................ 14
3.7.5 HORIZONTAL PICTURE CENTRING ................................................................... 14
3.7.6 EAST / WEST CORRECTION............................................................................... 14
3.7.7 AGC....................................................................................................................... 15
4 IC DESCRIPTION................................................................................................................ 16
4.1 UOC III SERIES............................................................................................................. 16
4.1.1 IC MARKING AND VERSION................................................................................ 16
4.2 TDA8946J STEREO AUDIO AMPLIFIER.................................................................... 24
4.2.1 FEATURES............................................................................................................ 25
4.3 TDA8358J VERTICAL AMPLIFIER ............................................................................. 27
4.3.1 TDA8358J.............................................................................................................. 27
4.4 TDA6107AJF................................................................................................................ 29
4.4.1 Features................................................................................................................. 29
4.4.2 Pin description ....................................................................................................... 29
4.5 24WC16 - 16 KB EEPROM.......................................................................................... 30
4.6 STR - F6653 ................................................................................................................. 31
4.6.1 GENERAL DESCRIPTION .................................................................................... 31
4.6.2 FEATURES............................................................................................................ 31
4.6.3 BLOCK DIAGRAM................................................................................................. 31
4.6.4 PIN DESCRIPTION ............................................................................................... 32
4.6.5 CONTROL PART - ELECTRICAL CHARACTERISTICS....................................... 32
4.6.6 MOSFET ELECTRICAL CHARACTERISTICS...................................................... 33
5 CIRCUIT DESCRIPTION..................................................................................................... 34
5.1 BLOCK DIAGRAM....................................................................................................... 34
5.2 FUNCTIONAL DESCRIPTION OF VIDEO PROCESSOR ........................................... 35
5.2.1 Vision IF amplifier .................................................................................................. 35
5.2.2 QSS sound circuit.................................................................................................. 35
5.2.3 FM demodulator..................................................................................................... 35
5.2.4 Audio input selector and volume contro................................................................. 36

CP-520/520A/520F Service Manual
DTV R&D Europe 2
5.2.4.1 STEREO AND AV STEREO VERSIONS........................................................... 36
5.2.4.2 MONO VERSIONS ............................................................................................ 36
5.2.5 CVBS and Y/C input signal selection..................................................................... 36
5.2.5.1 ALL VERSIONS ................................................................................................. 36
5.2.6 Synchronisation circuit........................................................................................... 37
5.2.7 Horizontal and vertical drive................................................................................... 38
5.2.8 Chroma, luminance and feature processing .......................................................... 38
5.2.9 Colour decoder ...................................................................................................... 39
5.2.10 RGB output circuit.................................................................................................. 40
5.2.11 I2C-BUS USER INTERFACE DESCRIPTION....................................................... 42
5.3 GENERAL DESCRIPTION OF THE TV SOUND OF SOUND PROCESSOR.............. 42
5.3.1 Supported standards ............................................................................................. 43
5.4 FUNCTIONAL DESCRIPTION SOUND PROCESSOR ............................................... 44
5.4.1 The UOC III TV Sound Concept ............................................................................ 44
5.4.2 Functional Overview Of the digital controller sound part........................................ 45
5.4.3 Demodulator and decoder ..................................................................................... 46
6 SERVICE PARTS LIST ....................................................................................................... 49
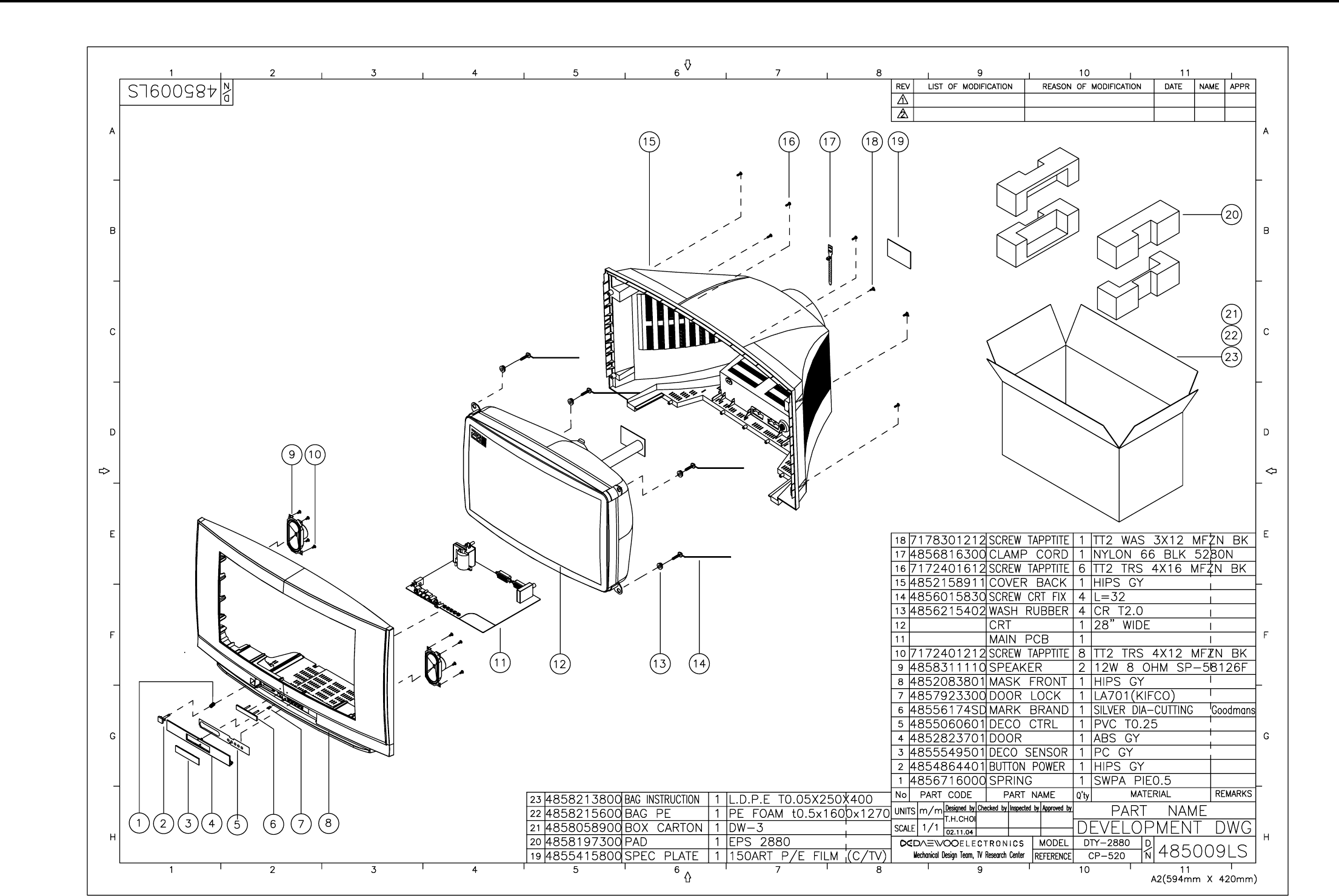
6.1 DTY-28A8FZF-S........................................................................................................... 49
6.2 DTC-20T2FZS-S........................................................................................................... 54
6.3 DTC-21Y1FZF-S........................................................................................................... 59
6.4 DTZ-29U7FZS-S........................................................................................................... 64
7 EXPLODED VIEW............................................................................................................... 69
7.1 DTY-28A8..................................................................................................................... 69
7.2 DTY-2880 ..................................................................................................................... 70
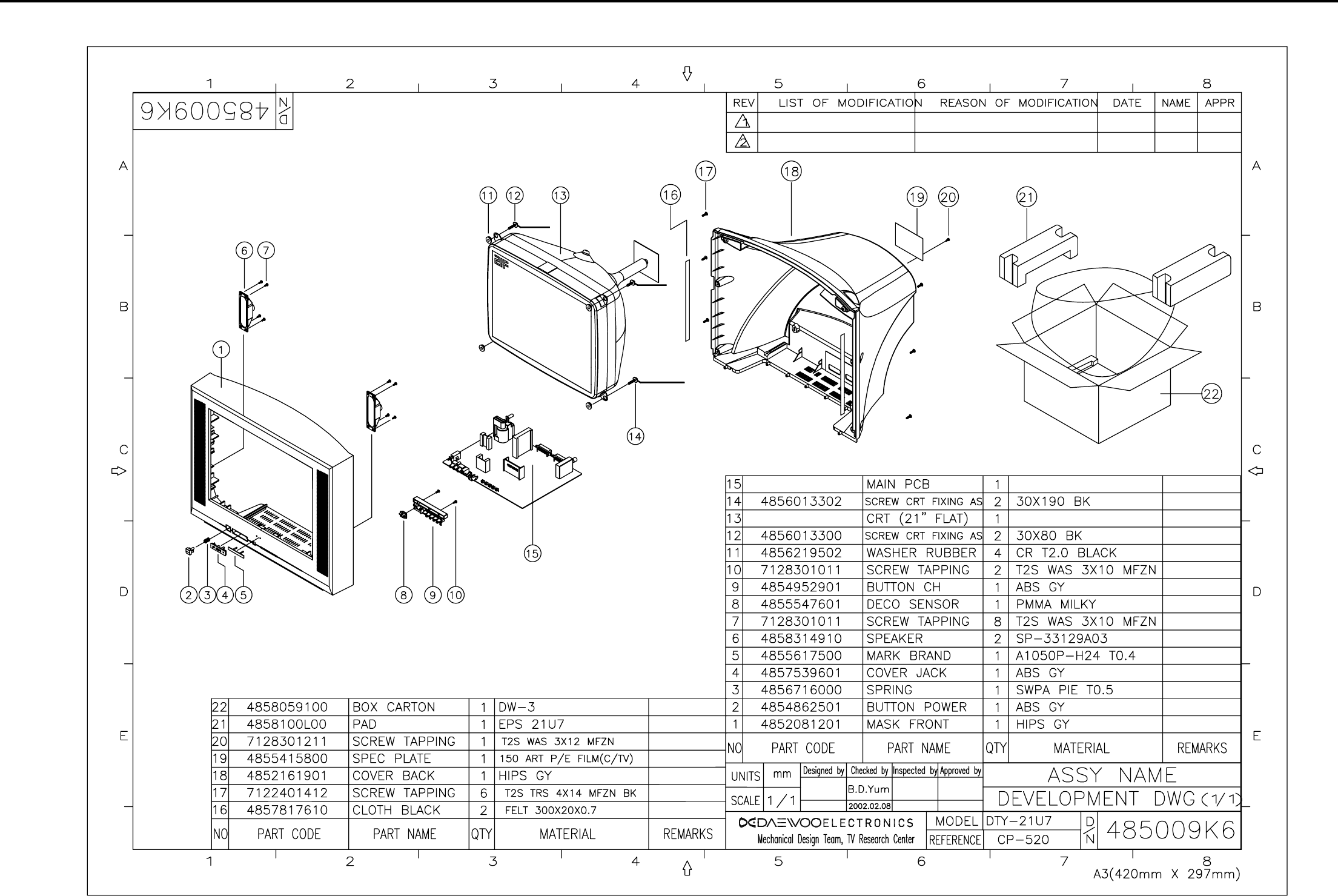
7.3 DTY-21U7..................................................................................................................... 71
7.4 DTC-20T2..................................................................................................................... 72
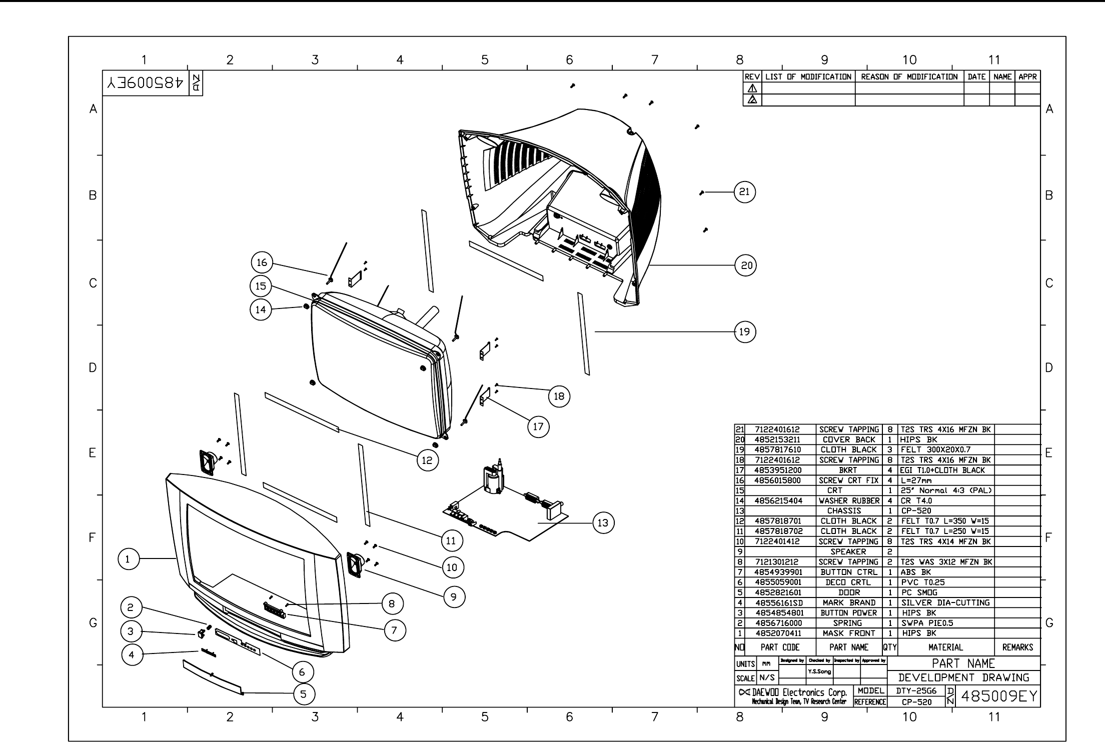
7.5 DTC-21Y1..................................................................................................................... 73
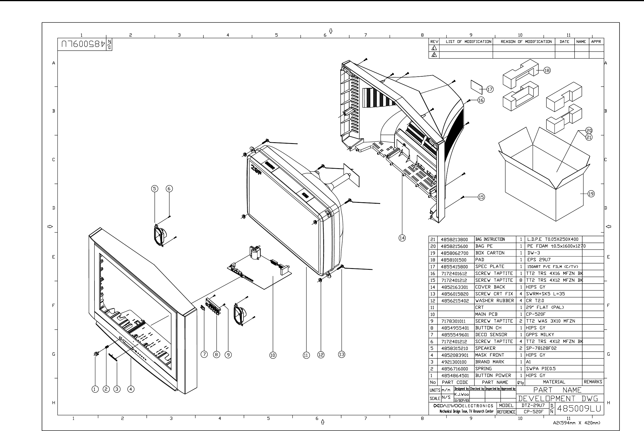
7.6 DTZ-29U7..................................................................................................................... 74
7.7 DTZ-2881...................................................................................................................... 75
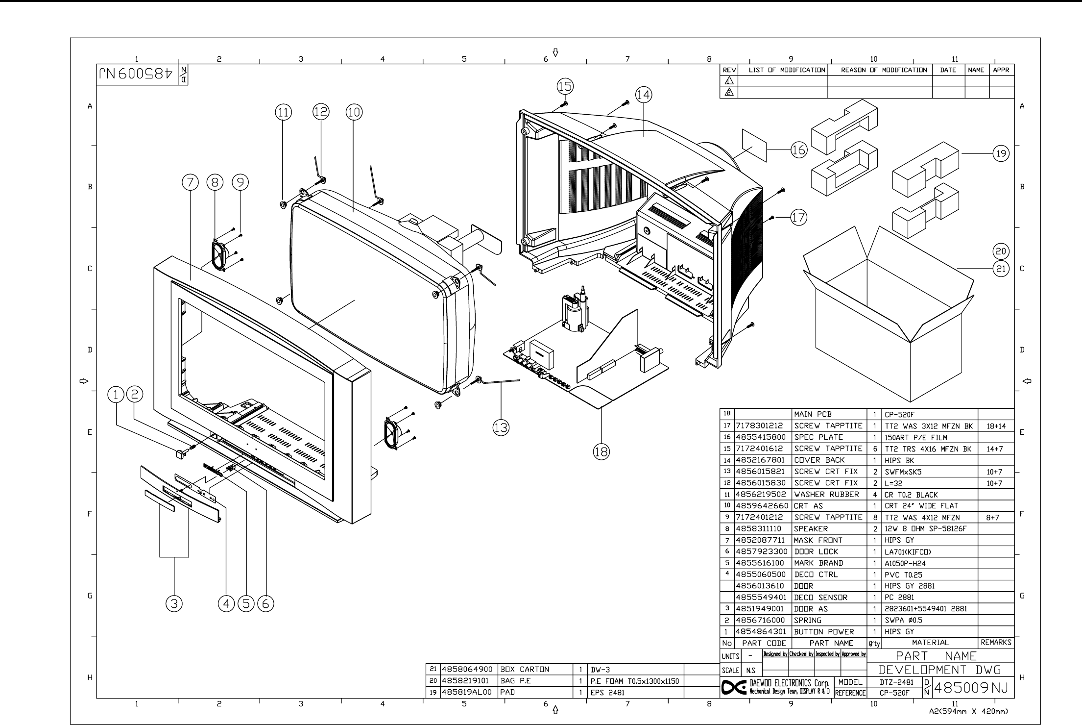
7.8 DTZ-2481...................................................................................................................... 76
8 PRINTED CIRCUIT BOARD................................................................................................ 77
8.1 4859809693(CP-520) ................................................................................................... 77
8.2 4859809893(CP-520A)................................................................................................. 78
8.3 4859809993(CP-520F) ................................................................................................. 79
9 SCHEMATIC DIAGRAM...................................................................................................... 80
9.1 CP-520.......................................................................................................................... 80
9.2 CP-520A....................................................................................................................... 81
9.3 CP-520F ....................................................................................................................... 82

CP-520/520A/520F Service Manual
DTV R&D Europe 3
DOCUMENT HISTORY
VERSION DATE COMMENTS
V1.00 12/05/04 Creation of document (Author JS KIM) for project CP520 50Hz TV.

CP-520/520A/520F Service Manual
DTV R&D Europe 4
1 MAIN FEATURES
1.1 SPECIFICATIONS
1.1.1 GENERAL
TV standard PAL - SECAM B/G D/K, PAL I/I, SECAM L/L’
Tuner PAL, SECAM Colour system
AV PAL, SECAM, PAL 60, NTSC M, NTSC 4.43
Sound system NICAM B/G, I, D/K, L,
FM 2Carrier B/G, D/K
Power
consumption
20”,21” : 49W
21” (4:3) Flat : 59W
28” (4:3) : 69W
28”(16:9) : 69W
Sound Output
Power 20” ~ 24” : 4.5W x 2 (at 60% mod, 10% THD)
25” ~ 29” : 7W x 2 (at 60% mod, 10%THD)
Speaker 20” ~ 24” : 7.5W 8 ohm x 2
25” ~ 29” : 12W 8 ohm x2
Teletext system 10 pages memory FASTEXT (FLOF or TOP)
Aerial input 75 ohm unbalanced
Channel coverage Off-air channels, S-cable channels and hyperband
Tuning system frequency synthesiser tuning system
Visual screen size 20” : 48cm
21” : 51cm
28” : 66cm
Channel indication On Screen Display
Program Selection 100 programmes
Aux. terminal EURO-SCART 1 : Audio / Video In and Out, R/G/B
In, Slow and Fast switching.
EURO-SCART 2 : Audio / Video In and Out, SVHS
In.
AV3 : Audio-Video Jack on front of cabinet.
Headphone jack (3.5 mm) on front of cabinet
SVHS3 (option) : Jack on front of cabinet – sound
input common with AV3.
Remote Control
Unit R-46G22
1.1.2 EURO-SCART 1 (21 Pin)
Pin Signal Description Matching value
1 Audio Output Right 0.5 Vrms, Impedance < 1 kΩ, ( RF 54% Mod )
2 Audio Input Right 0.5 Vrms, Impedance > 10 kΩ
3 Audio Output Left 0.5 Vrms, Impedance < 1 kΩ, ( RF 54% Mod )
4 Audio Earth
5 Blue Earth
6 Audio Input Left 0.5 Vrms, Impedance > 10 kΩ
7 Blue Input 0.7 Vpp ±0.1V, Impedance 75Ω

CP-520/520A/520F Service Manual
DTV R&D Europe 5
8 Slow Switching TV : 0 to 2V, AV 16/9 : 4.5 to 7V, AV 4/3 : 9.5 to 12V , Impedance
> 10 kΩ
9 Green Earth
10 N.C.
11 Green Input 0.7 Vpp ± 0.1V, Impedance 75Ω
12 N.C.
13 Red Earth
14 Blanking Earth
15 Red Input 0.7 Vpp ± 0.1V, Impedance 75Ω
16 Fast Switching 0 to 0.4V : Logic “0”, 1 to 3V : Logic “1”, Impedance 75Ω
17 Video Out Earth
18 Video In Earth
19 Video Output 1 Vpp ± 3dB, Impedance 75Ω
20 Video Input 1 Vpp ± 3dB, Impedance 75Ω
21 Common Earth
1.1.3 EURO-SCART 2 (21 Pin)
Pin Signal Description Matching value
1 Audio Output Right 0.5 Vrms, Impedance < 1 kΩ, ( RF 54% Mod )
2 Audio Input Right 0.5 Vrms, Impedance > 10 kΩ
3 Audio Output Left 0.5 Vrms, Impedance < 1 kΩ, ( RF 54% Mod )
4 Audio Earth
5 Earth
6 Audio Input Left 0.5 Vrms, Impedance > 10 kΩ
7 N.C.
8 N.C.
9 N.C.
10 N.C.
11 N.C.
12 N.C.
13 Earth
14 Earth
15 Chroma Input ± 3dB for a luminance signal of 1 Vpp
16 N.C.
17 Earth
18 Video In Earth
19 Video Output 1 Vpp ± 3dB, Impedance 75Ω ( Monitor output )
20 Video Input, Y In. 1 Vpp ± 3dB, Impedance 75Ω
21 Common Earth

CP-520/520A/520F Service Manual
DTV R&D Europe 6
1.2 CHANNEL/FREQUENCY TABLE
CHANNEL EUROPE CCIR FRANCE GB(IRELAND) EAST OIRT
C01 46.25 - 45.75 49.75
C02 48.25 55.75 (L') 53.75 59.25
C03 55.25 60.5 (L') 61.75 77.25
C04 62.25 63.75 (L') 175.25 85.25
C05 175.25 176.00 183.25 93.25
C06 182.25 184.00 191.25 175.25
C07 189.25 192.00 199.25 183.25
C08 196.25 200.00 207.25 191.25
C09 203.25 208.00 215.25 199.25
C10 210.25 216.00 223.25 207.25
C11 217.25 189.25 (LUX) 231.25 215.25
C12 224.25 69.25 (L') 239.25 223.25
C13 53.75 76.25 (L') 247.25 -
C14 - 83.25 (L') 49.75 -
C15 82.25 90.25 57.75 -
C16 - 97.25 65.75 -
C17 183.75 - 77.75 -
C18 192.25 - 85.75 -
C19 201.25 - - -
C20 - - - -
C21 471.25 471.25 471.25 471.25
C22 479.25 479.25 479.25 479.25
C23 487.25 487.25 487.25 487.25
C24 495.25 495.25 495.25 495.25
C25 503.25 503.25 503.25 503.25
C26 511.25 511.25 511.25 511.25
C27 519.25 519.25 519.25 519.25
C28 527.25 527.25 527.25 527.25
C29 535.25 535.25 535.25 535.25
C30 543.25 543.25 543.25 543.25
C31 551.25 551.25 551.25 551.25
C32 559.25 559.25 559.25 559.25
C33 567.25 567.25 567.25 567.25
C34 575.25 575.25 575.25 575.25
C35 583.25 583.25 583.25 583.25
C36 591.25 591.25 591.25 591.25
C37 599.25 599.25 599.25 599.25
C38 607.25 607.25 607.25 607.25
C39 615.25 615.25 615.25 615.25
C40 623.25 623.25 623.25 623.25
C41 631.25 631.25 631.25 631.25
C42 639.25 639.25 639.25 639.25
C43 647.25 647.25 647.25 647.25
C44 655.25 655.25 655.25 655.25
C45 663.25 663.25 663.25 663.25

CP-520/520A/520F Service Manual
DTV R&D Europe 7
C46 671.25 671.25 671.25 671.25
C47 679.25 679.25 679.25 679.25
C48 687.25 687.25 687.25 687.25
C49 695.25 695.25 695.25 695.25
C50 703.25 703.25 703.25 703.25
C51 711.25 711.25 711.25 711.25
C52 719.25 719.25 719.25 719.25
C53 727.25 727.25 727.25 727.25
C54 735.25 735.25 735.25 735.25
C55 743.25 743.25 743.25 743.25
C56 751.25 751.25 751.25 751.25
C57 759.25 759.25 759.25 759.25
C58 767.25 767.25 767.25 767.25
C59 775.25 775.25 775.25 775.25
C60 783.25 783.25 783.25 783.25
C61 791.25 791.25 791.25 791.25
C62 799.25 799.25 799.25 799.25
C63 807.25 807.25 807.25 807.25
C64 815.25 815.25 815.25 815.25
C65 823.25 823.25 823.25 823.25
C66 831.25 831.25 831.25 831.25
C67 839.25 839.25 839.25 839.25
C68 847.25 847.25 847.25 847.25
C69 855.25 855.25 855.25 855.25
C70 863.25 863.25 863.25 863.25
C71 69.25 - - -
C72 76.25 - - -
C73 83.25 - - -
C74 90.25 - - -
C75 97.25 - - -
C76 59.25 - - -
C77 93.25 - - -
S01 105.25 104.75 103.25 105.25
S02 112.25 116.75 111.25 112.25
S03 119.25 128.75 119.25 119.25
S04 126.25 140.75 127.25 126.25
S05 133.25 152.75 135.25 133.25
S06 140.25 164.75 143.25 140.25
S07 147.25 176.75 151.25 147.25
S08 154.25 188.75 159.25 154.25
S09 161.25 200.75 167.25 161.25
S10 168.25 212.75 - 168.25
S11 231.25 224.75 - 231.25
S12 238.25 236.75 - 238.25
S13 245.25 248.75 255.25 245.25
S14 252.25 260.75 263.25 252.25
S15 259.25 272.75 271.25 259.25
S16 266.25 284.75 279.25 266.25
S17 273.25 296.75 287.25 273.25

CP-520/520A/520F Service Manual
DTV R&D Europe 8
S18 280.25 136.00 295.25 280.25
S19 287.25 160.00 303.25 287.25
S20 294.25 - - 294.25
S21 303.25 303.25 - 303.25
S22 311.25 311.25 311.25 311.25
S23 319.25 319.25 319.25 319.25
S24 327.25 327.25 327.25 327.25
S25 335.25 335.25 335.25 335.25
S26 343.25 343.25 343.25 343.25
S27 351.25 351.25 351.25 351.25
S28 359.25 359.25 359.25 359.25
S29 367.25 367.25 367.25 367.25
S30 375.25 375.25 375.25 375.25
S31 383.25 383.25 383.25 383.25
S32 391.25 391.25 391.25 391.25
S33 399.25 399.25 399.25 399.25
S34 407.25 407.25 407.25 407.25
S35 415.25 415.25 415.25 415.25
S36 423.25 423.25 423.25 423.25
S37 431.25 431.25 431.25 431.25
S38 439.25 439.25 439.25 439.25
S39 447.25 447.25 447.25 447.25
S40 455.25 455.25 455.25 455.25
S41 463.25 463.25 463.25 463.25

CP-520/520A/520F Service Manual
DTV R&D Europe 9
2 SAFETY INSTRUCTION
WARNING: Only competent service personnel may carry out work involving the testing or repair
of this equipment.
X-RAY RADIATION PRECAUTION
1. Excessive high voltage can produce potentially hazardous X-RAY RADIATION. To avoid
such hazards, the high voltage must not exceed the specified limit. The nominal value of the high
voltage of this receiver is 25-26 KV (20”-21”) or 26 KV (25” - 28”) at max beam current. The high
voltage must not, under any circumstances, exceed 27.5 KV (20”), 29KV (21”), 29.5 KV (25") or
30 KV (28"). Each time a receiver requires servicing, the high voltage should be checked. It is
important to use an accurate and reliable high voltage meter.
2. The only source of X-RAY Radiation in this TV receiver is the picture tube. For continued
X-RAY RADIATION protection, the replacement tube must be exactly the same type tube as
specified in the parts list.
SAFETY PRECAUTION
Potentials of high voltage are present when this receiver is operating. Operation of the receiver
outside the cabinet or with the back board removed involves a shock hazard from the receiver.
Servicing should not be attempted by anyone who is not thoroughly familiar with the precautions
necessary when working on high voltage equipment.
Discharge the high potential of the picture tube before handling the tube. The picture tube is
highly evacuated and if broken, glass fragments will be violently expelled.
If any Fuse in this TV receiver is blown, replace it with the FUSE specified in the Replacement
Parts List.
When replacing a high wattage resistor (metal oxide film resistor) in the circuit board, keep the
resistor 10 mm away from circuit board.
Keep wires away from high voltage or high temperature components.
This receiver must operate under AC 230 volts, 50 Hz. NEVER connect to a DC supply or any
other voltage or frequency.
PRODUCT SAFETY NOTICE
Many electrical and mechanical parts in this equipment have special safety-related
characteristics. These characteristics are often passed unnoticed by a visual inspection and the
X-RAY RADIATION protection afforded by them cannot necessarily be obtained by using
replacement components rated for higher voltage, wattage, etc. Replacement parts which have
these special safety characteristics are identified in this manual and its supplements, electrical
components having such features are identified by designated symbol on the parts list. Before
replacing any of these components, read the parts list in this manual carefully. The use of
substitutes replacement parts which do not have the same safety characteristics as specified in
the parts list may create X-RAY Radiation.

CP-520/520A/520F Service Manual
DTV R&D Europe
10
3 ALIGNMENT INSTRUCTIONS
3.1 MICROCONTROLLER CONFIGURATION : SERVICE MODE
To switch the TV set into service mode please see instruction below.
1 - Select PR. number 91
2 - Adjust sharpness to minimum and exit all menus.
3 – Within 2 seconds press the key sequence : RED - GREEN - menu
The software version is displayed beside the word Service, e.g. “SERVICE VER 00.05”.
To exit SERVICE menu press menu key or Std By key.
3.2 SERVICE MODE NAVIGATION
Pr Up/Down remote keys : cycle through the service items available.
Vol -/+ remote keys : Dec./Increment the values within range – Cycle trough option bits.
OK key : Toggle bits in option byte
Order Item Default setting
1 HOR CEN
2 RED GAIN
3 GRN GAIN
4 BLUE GAIN
5 RED BIAS
6 GRN BIAS
7 AGC LEVEL
8 G2 – SCREEN
9 OPTION1
10 OPTION2
11 AVL
12 PARABOLA
13 HOR WIDTH
14 CORNER T
15 CORNER B
16 HOR. PARAL
17 V. LINEAR
18 V. SLOPE
19 EW TRAPEZ
20 S CORRECT
21 VERT CENT
22 VERT SIZE
3.3 MICROCONTROLLER CONFIGURATION : OPTION BITS
There are two option bytes available (16 bits in all). These option bits are available from Service
mode. First find the OPTION1 or OPTION2 control, and then use the Volume PLUS/MINUS
buttons on the remote control keypad to locate the bits, and OK key to toggle them. The table
below shows the two option bytes available;

CP-520/520A/520F Service Manual
DTV R&D Europe
11
3.4 OPTION 1
B7 B6 B5 B4 B3 B2 B1 B0
1 TOP
Teletext
OFF
FASTEXT
(FLOF)
OFF
TUBE
4:3
VAI bit set
to 1 in
SECAM L
Dolby
Virtual
OFF
SVHS3
disable
0 TOP
Teletext
ON
FASTEXT
(FLOF) ON TUBE
16:9
VAI bit set
to 0 in
SECAM L
Dolby
Virtual
ON
SVHS3
enable
TUNER OPTIONS
00 = Philips
01 = Not used
10 = Alps
11 = Parstnic (DW)
3.5 OPTION 2
B7 B6 B5 B4 B3 B2 B1 B0
1 JVC
remote
control
AVL
control
OFF
PICTURE
TILT ON
5 keys
lacal
keyboard
Full
ATSS
Double
Window
Enabled
0
Fixed to
‘0’ Daewoo
Remote
control
AVL
control
ON
PICTURE
TILT OFF
7 keys
lacal
keyboard
Basic
ATSS
Double
Window
Disabled
n.u.
Must
be set
to 1 for
future
compa
tibility
OPTION SETTING BY MODEL
CHASSIS MODEL OPTION
BIT[b7…b0] DW[hex] REMARKS
I 0011 1100 3C DTY-28A6/A7/A8
II 0000 1001 09 OPTION1 “b1,b0” -
depends on Tuner
I 0001 1100 1C
DTY-28W5/80 II 0000 1001 09
OPTION2 “b1” –
From ver. 9.3B
Change to “1” - *1
I 0011 1100 3C
CP-520
DTY-21U7 II 0000 1001 09
I 0011 1100 3C
CP-520A DTC-20T2
DTC-21Y1/Y2 II 0000 1001 09
I 0001 1000 18
DTZ-2881/W8
DTZ-2481 II 0000 1001 09
If Sales Team
Request TILT
function
Change to OP 2 –
“b4” to “1” & *1
I 0011 1000 38
CP-520F
DTZ-29U7/B3 II 0000 1001 09

CP-520/520A/520F Service Manual
DTV R&D Europe
12
3.6 NVM default setting
The purpose of this message, when you change a virgin EEPROM, is to allow to modify
the NVM DATA to desired values.
1 - Introduction :
The NVM default valus are fixed for the user, but for flexibility in service, these data are stored in
NVM and can be changed when the TV set is in a special mode call "NVM EDITOR". This mode
can only be access from "FACTORY" mode.
2 - Entering into "FACTORY" mode.
To switch the TV set into FACTORY mode, use the factory remote control, and press on “SVC”
key. The factory menu will appear on the screen, showing “FACTORY” , plus other relevant
information like software version and date.
WARNING : When in "FACTORY" mode you should not press any key other than the keys
described in the procedure below. Unwanted key stroke could misadjust the TV set.
3 - Entering into "NVM EDITOR" mode.
To switch the TV set into NVM EDITOR mode, use the user remote control, and press on
“PICTURE/OK” key. The NVM EDITOR window will appear on the screen. This mode allow you
to access all data stored in NVM. The current NVM address is given in column "ADDR." in both
DECimal and HEXadecimal format. The column DATA gives the value contained at selected
address in both DECimal and HEXadecimal format.
4 - Navigation in "NVM EDITOR" mode.
Use Program Up/Dwn keys to select the desired address. Use Volume Up/Dwn keys to change
the data at selected address. You must press "PICTURE/OK" key to store value after
modification.
The data can be adjusted between 0 and 63.
5 - Exit "NVM EDITOR" mode.
To switch the TV set back into FACTORY mode, use the user remote control, and press on
“MENU” key.
The factory menu will appear on the screen, showing “FACTORY”.
6 - Exit "FACTORY" mode.
To exit "FACTORY" mode, use the factory remote control, and press on “SVC” key.
The factory menu will disappear from the screen.

CP-520/520A/520F Service Manual
DTV R&D Europe
13
NVM DATA CHANGE LIST (hex) CP-520 CP-520F CP-520A
No Register Name Address Default 28A8 2880 21U7 2881 29U7 21Y1 20T2
1 OCP_THRESHOLD 0x58F 0x91 <- <- <- <- <- <- <-
2 DCXO 0x590 0x4E <- <- <- <- <- <- <-
3 AGC_PHILIPS 0x5C1 0xAB <- <- <- <- <- <- <-
4 AGC_NC 0x5C2 0xAB <- <- <- <- <- <- <-
5 AGC_ALPS 0x5C3 0xB6 <- <- <- <- <- <- <-
6 AGC_PARTSNIC 0x5C4 0xB6 <- <- <- <- <- <- <-
7 AGC_PHILIPS_START 0x5C5 0x16 <- <- <- <- <- <- <-
8 AGC_NC_START 0x5C6 0x16 <- <- <- <- <- <- <-
9 AGC_ALPS_START 0x5C7 0x16 <- <- <- <- <- <- <-
10 AGC_PARTSNIC_START 0x5C8 0x16 <- <- <- <- <- <- <-
11 AVLLEV 0x621 0x5 <- <- <- <- <- <- <-
12 Nor1_Bright 0x64A 0x23 <- <- <- <- <- <- <-
13 Nor1_contrast 0x64B 0x2E <- <- <- <- <- <- <-
14 Nor1_Colour 0x64C 0x1C <- <- <- <- <- <- <-
15 Nor1_Sharpness 0x64D 0x23 <- <- <- <- <- <- <-
16 Nor1_Tint 0x64E 0x20 <- <- <- <- <- <- <-
17 Nor1_JVC_Bri 0x64F 0x2D <- <- <- <- <- 0x22 <-
18 Nor1_JVC_Cont 0x650 0x2A <- <- <- <- <- 0x2E <-
19 Nor1_JVC_Colour 0x651 0x1B <- <- <- <- <- 0x20 <-
20 Nor1_JVC_Sharp 0x652 0x23 <- <- <- <- <- <- <-
21 Nor2_Bright 0x653 0x28 0x23 <- <- <- <- 0x22 <-
22 Nor2_Contrast 0x654 0x13 0x1A <- <- <- <- <- <-
23 Nor2_Colour 0x655 0x19 0x16 <- <- <- <- <- <-
24 Nor2_Sharpness 0x656 0x1B <- <- <- <- <- <- <-
25 Nor2_Tint 0x657 0x20 <- <- <- <- <- <- <-
26 PresetGainRGB 0x673 0x2A <- <- <- <- <- 0x22 <-
27 PresetGainRGB 0x674 0x2A <- <- <- <- <- 0x22 <-
28 PresetGainRGB 0x675 0x2A <- <- <- <- <- 0x22 <-
29 Cathode_Drive 0x67B 0x1 <- <- <- <- <- <- <-
30 Y_delay_PAL_BG 0x686 0x5 <- <- <- <- <- 0x1 <-
31 Y_delay_SECAM_BG 0x687 0x8 <- <- <- <- <- 0x6 <-
32 Y_delay_PAL_DK 0x688 0x5 <- <- <- <- <- 0x0 <-
33 Y_delay_SCM_DK 0x689 0x5 <- <- <- <- <- 0x2 <-
34 Y_delay_PAL_I 0x68A 0x7 <- <- <- <- <- 0x1 <-
35 Y_delay_SECAM 0x68B 0x5 <- <- <- <- <- <- <-
36 Y_delay_SECAM-L 0x68C 0x8 <- <- <- <- <- 0x6 <-
37 Y_delay_AV 0x68D 0xA <- <- <- <- <- 0x2 <-
38 G2_Bright 0x68E 0x1A <- <- 0x28 0x10 0x1A 0x32 <-
39 G2_Contrast 0x68F 0x42 <- <- 0x42 0x42 0x42 0x42 <-

CP-520/520A/520F Service Manual
DTV R&D Europe
14
3.7 TV SET ALIGNMENT
3.7.1 G2 ALIGNMENT
- Tune a colour bar pattern.
- Find the “G2 – SCREEN” item in service mode.
- Adjust screen volume (on FBT) to bring the cursor to central position(Green).
3.7.2 WHITE BALANCE
- Select a dark picture and adjust RED BIAS and GRN BIAS to the desired colour temperature.
- Select a bright picture and adjust RED, GRN and BLUE GAIN to the desired colour temperature.
3.7.3 FOCUS
Adjust the Focus volume (on FBT) to have the best resolution on screen.
3.7.4 VERTICAL GEOMETRY
Adjust V. LINEAR (linearity), S CORRECT (S. Correction), VERT SIZE (Vertical amplitude),
VERT CENT (vertical centring) to compensate for vertical distortion.
3.7.5 HORIZONTAL PICTURE CENTRING
Adjust HOR CEN (Horizontal centre) to have the picture in the centre of the screen.
3.7.6 EAST / WEST CORRECTION
Adjust the PARABOLA, HOR WIDTH, CORNER, HOR PARAL, EW TRAPEZ, to compensate for
geometrical distortion.
HOR PARAL

CP-520/520A/520F Service Manual
DTV R&D Europe
15
HOR WIDTH
adjust for 93% overscan.
PARABOLA
CORNER B & CORNER T
EW TRAPEZ
3.7.7 AGC
- Make sure option bits are correct for the tuner fitted on the chassis (See above how to change
option bits).
- Adjust the antenna signal level at 62 dBµV
- Tune a colour bar pattern.
- Find the “AGC” item in service mode.
- Press the key “OK” on the remote keypad and wait until AGC level stabilise to the optimum
value.
- Alternatively, use “Vol Up/Dwn” keys to adjust manually to the desired Tuner Take Over Point
(TOP).

CP-520/520A/520F Service Manual
DTV R&D Europe
16
4 IC DESCRIPTION
4.1 UOC III Series
The UOCIII series combines the functions of a Video Signal Processor (VSP) together with a
FLASH embedded TEXT/Control/Graphics µ-Controller (TCG µ-Controller) and US Closed
Caption decoder. In addition the following functions can be added:
• Adaptive digital (4H/2H) PAL/NTSC combfilter
• Teletext decoder with 10 page text memory
• Multi-standard stereo decoder
• BTSC stereo decoder
• Digital sound processing circuit
• Digital video processing circuit
4.1.1 IC MARKING AND VERSION
Chassis IC marking OSD languages ATSS countries Text
CP-520A
CP-520
CP-520F
BULGARIAN,
CZECH, GERMAN,
DANISH, SPANISH,
FRENCH, FINNISH,
ENGLISH, GREEK,
HUNGARIAN,
ITALIAN,
NORWEGIAN,
DUTCH, POLISH,
ROMANIAN,
RUSSIAN,
SWEDISH,
SLOVAKIAN.
Austria, Belgium,
Switzerland, Czech
Republic, Germany,
Denmark, Spain,
France, Finland, GB,
Greece, Hungary, Italy,
Ireland, Norway,
Netherlands, Portugal,
Poland, Sweden,
Slovak Republic,
Others
PAN-EUROPEAN
LATIN, CYRILLIC,
GREEK.

CP-520/520A/520F Service Manual
DTV R&D Europe
17
4.1.2. BLOCK DIAGRAM

CP-520/520A/520F Service Manual
DTV R&D Europe
18
4.1.3. PINNING
QFP 128pin Symbol Short Description
1 P1.5/TX Port 1.5 or UART bus
2 P1.4/RX port 1.4 or UART bus
3 P1.2/INT2 port 1.2 or external interrupt 2
4 VSSC3 Ground
5 VDDC3 digital supply to core (1.8V)
6 P2.5/PWM4 port 2.5 or PWM4 output
7 P2.4/PWM3 port 2.4 or PWM3 output
8 VSSC/P digital ground for m-Controller core and periphery
9 P3.3/ADC3 port 3.3 or ADC3 input
10 P3.2/ADC2 port 3.2 or ADC2 input
11 DECV1V8 decoupling 1.8 V supply
12 VDDC1 digital supply to core (+1.8 V)
13 P3.1/ADC1 port 3.1 or ADC1 input
14 P3.0/ADC0 port 3.0 or ADC0 input
15 P2.3/PWM2 port 2.3 or PWM2 output
16 P2.2/PWM1 port 2.2 or PWM1 output
17 P2.1/PWM0 port 2.1 or PWM0 output
18 P2.0/TPWM port 2.0 or Tuning PWM output
19 VDDP(3.3V) supply to periphery and on-chip voltage regulator (3.3
V)
20 P1.7/SDA port 1.7 or I2C-bus data line
21 P1.6/SCL port 1.6 or I2C-bus clock line
22 P1.3/T1 port 1.3 or Counter/Timer 1 input
23 P0.0/I2SDI1/O port 0.0 or I2S digital input 1 or I2S digital output
24 P0.1/I2SDO1 port 0.1 or I2S digital output 1
25 P0.2/I2SDO2 port 0.2 or I2S digital output 2
26 P0.3/I2SCLK port 0.3 or I2S clock
27 P0.4/I2SWS port 0.4 or I2S word select
28 VSSC2 Ground
29 VDDC2 digital supply to core (1.8 V)
30 P1.1/T0 port 1.1 or Counter/Timer 0 input
31 P1.0/INT1 port 1.0 or external interrupt 1
32 INT0/P0.5 external interrupt 0 or port 0.5 (4 mA current sinking
capability for direct drive of LEDs)
33 VDDadc(1.8) supply voltage video ADC
34 VSSadc ground for on-chip temperature sensor
35 VDDA2(3.3) supply voltage SDAC (3.3 V)
36 VDDA(1.8) analogue supply for audio ADCs (1.8 V)
37 GNDA Ground
38 VREFAD reference voltage for audio ADCs (3.3/2 V)
39 VREFAD_POS positive reference voltage (3.3 V)
40 VREFAD_NEG negative reference voltage (0 V)
41 VDDA1 analog supply for TCG m-Controller and digital supply
for
TV-processor (+3.3 V)
42 BO Blue output

CP-520/520A/520F Service Manual
DTV R&D Europe
19
43 GO Green output
44 RO Red output
45 BLKIN black current input
46 BCLIN beam current limiter input
47 VP3 3rd supply for TV processor
48 GND3 ground 3 for TV-processor
49 B/PBIN3 3rd B input / PB input
50 G/YIN3 3rd G input / Y input
51 R/PRIN3 3rd R input / PR input
52 INSSW3 3rd RGB / YPBPR insertion input
53 VOUT(SWO1) V-output for YUV interface (general purpose switch
output)
54 UOUT(INSSW2) U-output for YUV interface (2nd RGB / YPBPR
insertion input)
55 YOUT Y-output (for YUV interface)
56 YSYNC Y-input for sync separator
57 YIN (G/YIN2/CVBS-Yx) Y-input for YUV interface (2nd G input / Y input or
CVBS/YX input))
58 UIN (B/PBIN2) U-input for YUV interface (2nd B input / PB input)
59 VIN (R/PRIN2/CX) V-input for YUV interface (2nd R input / PR input or CX
input)
60 VDDcomb supply voltage for comb filter (5 V)
61 VSScomb ground connection for comb filter
62 HOUT horizontal output
63 FBISO/CSY flyback input/sandcastle output or composite H/V
timing output
64 SVM scan velocity modulation output
65 CVBSO/PIP CVBS / PIP output
66 AUDOUTHPR audio output for headphone channel (right signal)
67 AUDOUTHPL audio output for headphone channel (left signal)
68 AUDOUTLSR audio output for audio power amplifier (right signal)
69 AUDOUTLSL audio output for audio power amplifier (left signal)
70 C2/C3 chroma-2/3 input
71 CVBS3/Y3 CVBS3/Y3 input
72 AUDIOIN3R audio 3 input (right signal)
73 AUDIOIN3L audio 3 input (left signal)
74 CVBS2/Y2 CVBS2/Y2 input
75 AUDIOIN2R audio 2 input (right signal)
76 AUDIOIN2L audio 2 input (left signal)
77 C4 chroma-4 input
78 CVBS4/Y4 CVBS4/Y4 input
79 AUDIOIN4R audio-4 input (right signal)
80 AUDIOIN4L audio-4 input (left signal)
81 IFVO/SVO/CVBSI (2) IF video output / selected CVBS output / CVBS input
82 VP2 2nd supply voltage TV processor (+5 V)
83 AGC2SIF AGC capacitor second sound IF
84 VCC8V 8 Volt supply for audio switches
85 DVBO/FMRO (2) Digital Video Broadcast output / FM radio output
86 DVBO/IFVO/FMRO (2) Digital Video Broadcast output / IF video output / FM
radio output

CP-520/520A/520F Service Manual
DTV R&D Europe
20
87 SIFAGC/DVBAGC (2) AGC sound IF / internal-external AGC for DVB
applications
88 PLLIF IF-PLL loop filter
89 GND2 ground 2 for TV processor
90 QSSO/AMOUT/AUDEE
M (2)
QSS intercarrier output / AM output / deemphasis
(front-end audio
out)
91 DECSDEM decoupling sound demodulator
92 AUDOUTSR audio output for SCART/CINCH (right signal)
93 AUDOUTSL audio output for SCART/CINCH (left signal)
94 AUDIOIN5R audio-5 input (right signal)
95 AUDIOIN5L audio-5 input (left signal)
96 AVL/SWO/SSIF/
REFO/REFIN (2)
Automatic Volume Levelling / switch output / sound IF
input /
subcarrier reference output / external reference signal
input for I
signal mixer for DVB operation
97 EHTO EHT/overvoltage protection input
98 AGCOUT tuner AGC output
99 SIFIN2/DVBIN2 (2) SIF input 2 / DVB input 2
100 SIFIN1/DVBIN1 (2) SIF input 1 / DVB input 1
101 GNDIF ground connection for IF amplifier
102 IREF reference current input
103 VSC vertical sawtooth capacitor
104 VIFIN2 IF input 2
105 VIFIN1 IF input 1
106 VDRA vertical drive A output
107 VDRB vertical drive B output
108 EWD/AVL (1) East-West drive output or AVL capacitor
109 DECBG bandgap decoupling
110 SECPLL SECAM PLL decoupling
111 GND1 ground 1 for TV-processor
112 PH1LF phase-1 filter
113 PH2LF phase-2 filter
114 VP1 1st supply voltage TV-processor (+5 V)
115 DECDIG decoupling digital supply
116 VGUARD/SWIO V-guard input / I/O switch (e.g. 4 mA current sinking
capability for
direct drive of LEDs)
117 VSSA1 Ground
118 XTALOUT crystal oscillator output
119 XTALIN crystal oscillator input
120 VREF_POS_HPR positive reference voltage SDAC (3.3 V)
121 VREF_NEG_HPL+HPR negative reference voltage SDAC (0 V)
122 VREF_POS_LSR+HPR positive reference voltage SDAC (3.3 V)
123 VREF_NEG_LSL+HPL negative reference voltage SDAC (0 V)
124 VREF_POS_LSL positive reference voltage SDAC (3.3 V)
125 VDDA3(3.3V) supply (3.3 V)
126 VDDC4 digital supply to SDACs (1.8V)
127 VSSC4 Ground
128 VSSP2 Ground

CP-520/520A/520F Service Manual
DTV R&D Europe
21
4.1.4 FEATURES
Analogue Video Processing (all versions)
· Multi-standard vision IF circuit with alignment-free PLL demodulator
· Internal (switchable) time-constant for the IF-AGC circuit
· Switchable group delay correction and sound trap (with switchable centre frequency) for the
demodulated CVBS signal
· DVB/VSB IF circuit for preprocessing of digital TV signals.
· Video switch with 3 external CVBS inputs and a CVBS output. All CVBS inputs can be used as
Y-input for Y/C signals. However, only 2 Y/C sources can be selected because the circuit has 2
chroma inputs. It is possible to add an additional CVBS(Y)/C input (CVBS/YX and CX) when the
YUV interface and the RGB/YPRPB input are not needed.
· Automatic Y/C signal detector
· Adaptive digital (4H/2H) PAL/NTSC comb filter for optimum separation of the luminance and the
chrominance signal.
· Integrated luminance delay line with adjustable delay time
· Picture improvement features with peaking (with switchable centre frequency, depeaking,
variable positive/negative peak ratio, variable pre-/overshoot ratio and video dependent coring),
dynamic skin tone control, gamma control and blue- and black stretching. All features are
available for CVBS, Y/C and RGB/YPBPR signals.
· Switchable DC transfer ratio for the luminance signal
· Only one reference (24.576 MHz) crystal required for the TCG m-Controller, digital sound
processor, Teletext and the colour decoder
· Multi-standard colour decoder with automatic search system and various “forced mode”
possibilities
· Internal base-band delay line
· Indication of the Signal-to-Noise ratio of the incoming CVBS signal
· Linear RGB/YPBPR input with fast insertion.
· YUV interface. When this feature is not required some pins can be used as additional
RGB/YPBPR input. It is also possible to use these pins for additional CVBS (or Y/C) input
(CVBS/YX and CX).
· Tint control for external RGB/YPBPR signals
· Scan Velocity Modulation output. The SVM circuit is active for all the incoming CVBS, Y/C and
RGB/YPBPR signals. The SVM function can also be used during the display of teletext pages.
· RGB control circuit with ‘Continuous Cathode Calibration’, white point and black level off-set
adjustment so that the colour temperature of the dark and the light parts of the screen can be
chosen independently.
· Contrast reduction possibility during mixed-mode of OSD and Text signals
· Adjustable ‘wide blanking’ of the RGB outputs
· Horizontal synchronization with two control loops and alignment-free horizontal oscillator
· Vertical count-down circuit
· Vertical driver optimized for DC-coupled vertical output stages
· Horizontal and vertical geometry processing with horizontal parallelogram and bow correction
and horizontal and vertical zoom
· Low-power start-up of the horizontal drive circuit
Analogue video processing (stereo versions)
· The low-pass filtered ‘mixed down’ I signal is available via a single ended or balanced output
stage.
Analogue video processing (mono versions)
· The low-pass filtered ‘mixed down’ I signal is available via a single ended output stage
Digital Video Processing (some versions)
· Double Window mode applications. It is possible to display a video and a text window or 2 text

CP-520/520A/520F Service Manual
DTV R&D Europe
22
windows in parallel.
· Linear and non-linear horizontal scaling of the video signal to be displayed.
Sound Demodulation (all versions)
· Separate SIF (Sound IF) input for single reference QSS (Quasi Split Sound) demodulation.
· AM demodulator without extra reference circuit
· The mono intercarrier sound circuit has a selective FM-PLL demodulator which can be switched
to the different FM sound frequencies (4.5/5.5/6.0/6.5 MHz). The quality of this system is such
that the external band-pass filters can be omitted. In the stereo versions of UOCIII the use of this
demodulator is optional for special applications. Normally the FM demodulators of the stereo
demodulator/decoder part are used (see below).
· The FM-PLL demodulator can be set to centre frequencies of 4.72/5.74 MHz so that a second
sound channel can be demodulated. In such an application it is necessary that an external
bandpass filter is inserted.
· The vision IF and mono intercarrier sound circuit can be used for the demodulation of FM radio
signals. With an external FM tuner also signals with an IF frequency of 10.7 MHz can be
demodulated.
· Switch to select between 2nd SIF from QSS demodulation or external FM (SSIF)
Audio Interfaces and switching (stereo versions with Audio DSP)
· Audio switch circuit with 4 stereo inputs, a stereo output for SCART/CINCH, 1 stereo output for
HEADPHONE. The headphone channel has an analogue volume control circuit for the L and R
channel. Finally 1 stereo SPEAKER output with digital controls.
· AVL (Automatic Volume Levelling) circuit for the headphone channel.
· Digital input crossbar switch for all digital signal sources and destinations
· Digital output crossbar for exchange of channel processing functionality
· Digital audio input interface (stereo I2S input interface)
· Digital audio output interface (stereo I2S output interface)
Audio interfaces and switching (AV stereo versions without Audio DSP)
· Audio switch circuit with 4 stereo inputs, a stereo output for SCART/CINCH and a stereo
SPEAKER output with analogue volume control.
· Analogue mono AVL circuit at left audio channel
Audio interfaces and switching (mono versions)
· Audio switch circuit with 4 external audio (mono) inputs and a volume controlled output
· AVL circuit
Stereo Demodulator and Decoder (full stereo versions)
· Demodulator and Decoder Easy Programming (DDEP)
· Auto standard detection (ASD)
· Static Standard Selection (SSS)
· DQPSK demodulation for different standards, simultaneously with 1-channel FM demodulation
· NICAM decoding (B/G, I, D/K and L standard)
· Two-carrier multistandard FM demodulation (B/G, D/K and M standard)
· Decoding for three analog multi-channel systems (A2, A2+ and A2*) and satellite sound
· Adaptive de-emphasis for satellite FM
· Optional AM demodulation for system L, simultaneously with NICAM
· Identification A2 systems (B/G, D/K and M standard) with different identification time constants
· FM pilot carrier present detector
· Monitor selection for FM/AM DC values and signals, with peak and quasi peak detection option
· BTSC MPX decoder
· SAP decoder
· dbx® noise reduction (4)
· Japan (EIAJ) decoder
· FM radio decoder
· Soft-mute for DEMDEC outputs DEC, MONO and SAP

CP-520/520A/520F Service Manual
DTV R&D Europe
23
· FM overmodulation adaptation option to avoid clipping and distortion
Audio Multi Channel Decoder (stereo versions with Audio DSP)
· Dolby® Pro Logic® (DPL) (1)
· Five channel processing for Main Left and Right, Subwoofer, Centre and Surround. To exploit
this feature an external DAC is required.
Volume and tone control for loudspeakers (stereo versions with Audio DSP)
· Automatic Volume Level (AVL) control
· Smooth volume control
· Master volume control
· Soft-mute
· Loudness
· Bass, Treble
· Dynamic Bass Boost (DBB) (2)
· Dynamic Virtual Bass (DVB) (3)
· BBE® Sound processing (4)
· Graphic equalizer
· Processed or non processed subwoofer
· Programmable beeper
Reflection and delay for loudspeaker channels (stereo versions with Audio DSP)
· Dolby® Pro Logic® Delay (1)
· Pseudo hall/matrix function
Psycho acoustic spatial algorithms, downmix and split in loudspeaker channels (stereo
versions with Audio DSP)
· Extended Pseudo Stereo (EPS) (5)
· Extended Spatial Stereo (ESS) (6)
· Virtual Dolby® Surround (VDS 422,423) (1)
· SRS 3D and SRS TruSurround® (4)
RDS/RBDS
· Demodulation of the European Radio Data system (RDS) or the USA Radio Broadcast Data
System (RBDS) signal
· RDS and RBDS block detection
· Error detection and correction
· Fast block synchronisation
· Synchronisation control (flywheel)
· Mode control for RDS/RBDS processing
· Different RDS/RBDS block information output modes
m-Controller
· 80C51 m-controller core standard instruction set and timing
· 0.4883 ms machine cycle
· maximum of 256k x 8-bit flash programmable ROM
· maximum of 8k x 8-bit Auxiliary RAM
· 12-level Interrupt controller for individual enable/disable with two level priority
· Two 16-bit Timer/Counter registers
· One 24-bit Timer (16-bit timer with 8-bit Pre-scaler)
· WatchDog timer
· Auxiliary RAM page pointer
· 16-bit Data pointer
· Stand-by, Idle and Power Down modes
· 24 general I/O
· 14 bits PWM for Voltage Synthesis Tuning
· 8-bit A/D converter with 4 multiplexed inputs

CP-520/520A/520F Service Manual
DTV R&D Europe
24
· 5 PWM (6-bits) outputs for analogue control functions
· Remote Control Pre-processor (RCP)
· Universal Asynchronous Receiver Transmitter (UART)
Data Capture
· Text memory up to 10 pages
· Inventory of transmitted Teletext pages stored in the Transmitted Page Table (TPT) and Subtitle
Page Table (SPT)
· Data Capture for US Closed Caption
· Data Capture for 525/625 line WST, VPS (PDC system A) and Wide Screen Signalling (WSS)
bit decoding
· Automatic selection between 525 WST/625 WST
· Automatic selection between 625 WST/VPS on line 16 of VBI
· Real-time capture and decoding for WST Teletext in Hardware, to enable optimized m-
processor throughput
· Automatic detection of FASTEXT transmission
· Real-time packet 26 engine in Hardware for processing accented, G2 and G3 characters
· Signal quality detector for video and WST/VPS data types
· Comprehensive teletext language coverage
· Vertical Blanking Interval (VBI) data capture of WST data
Display
· Teletext and Enhanced OSD modes
· Features of level 1.5 WST and US Close Caption
· 50Hz/60Hz display timing modes
· Two page operation for 16:9 screens
· Serial and Parallel Display Attributes
· Single/Double/Quadruple Width and Height for characters
· Smoothing capability of both Double Size, Double Width & Double Height characters
· Scrolling of display region
· Variable flash rate controlled by software
· Soft colours using CLUT with 4096 colour palette
· Globally selectable scan lines per row (9/10/13/16/) and character matrix [12x9, 12x10, 12x13,
12x16, 16x18, (VxH)]
· Fringing (Shadow) selectable from N-S-E-W direction
· Fringe colour selectable
· Contrast reduction of defined area
· Cursor
· Special Graphics Characters with two planes, allowing four colours per character
· 64 software redefinable On-Screen display characters
· 4 WST Character sets (G0/G2) in single device (e.g. Latin, Cyrillic, Greek, Arabic)
· G1 Mosaic graphics, Limited G3 Line drawing characters
· WST Character sets and Closed Caption Character set in single device
· SVM for Text
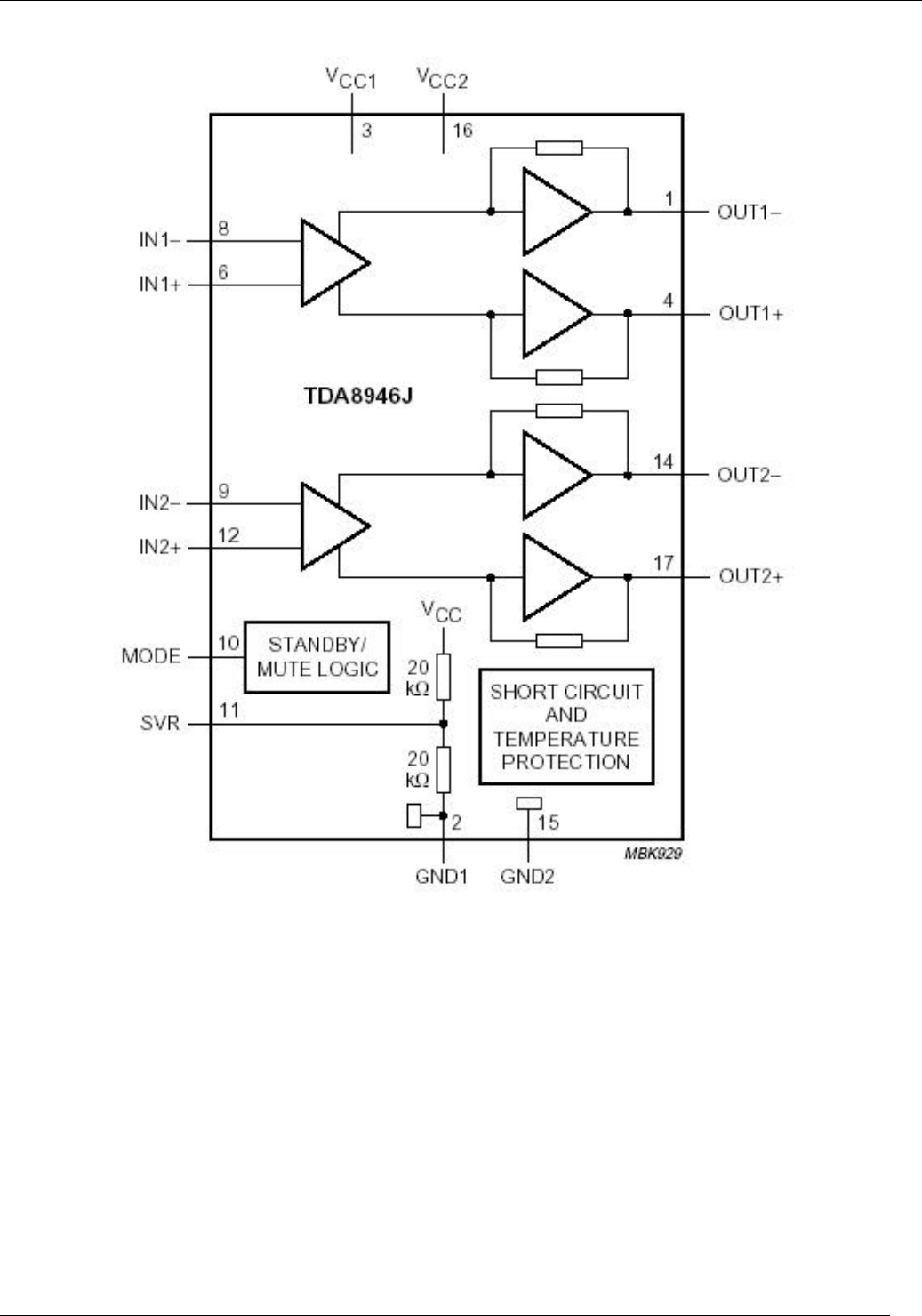
4.2 TDA8946J STEREO AUDIO AMPLIFIER
The TDA 8946J is a dual-channel audio power amplifier with an output power of 2 x 15 W at an 8
Ω load and a 18 V supply. The circuit contains two Bridges Tied Load (BTL) amplifiers with an

CP-520/520A/520F Service Manual
DTV R&D Europe
25
all-NPN output stage and standby/mute logic. The TDA8946J comes in a 17-pin DIL-bent-
SIL(DBS) power package.
4.2.1 FEATURES
§ Few external components
§ Fixed gain
§ Standby and mute mode
§ No on/off switching plops
§ Low standby current
§ High supply voltage ripple rejection
§ Outputs short-circuit protected to ground, supply and across the load
§ Thermally protected
Pin description
Pin Symbol Description
1 OUT1- negative loudspeaker terminal 1
2 GND1 ground channel 1
3 Vcc1 supply voltage channel 1
4 OUT1+ positive loudspeaker terminal 1
5 n.c. not connected
6 IN1+ positive input1
7 n.c. not connected
8 IN1- negative input1
9 IN2- negative input2
10 MODE mode selection input
11 SVR half supply voltage decoupling (ripple rejection)
12 IN2+ positive input2

CP-520/520A/520F Service Manual
DTV R&D Europe
26
Block diagram TDA8946J

CP-520/520A/520F Service Manual
DTV R&D Europe 2
7
4.3 TDA8358J VERTICAL AMPLIFIER
The TDA8358J are power circuit for use in 90° and 110° colour deflection systems for field
frequencies of 25 to 200Hz field frequencies, and for 4:3 and 16/9 picture tubes. The IC contains
a vertical deflection output circuit, operating as a high efficiency class G system. The full bridge
output circuit allows DC coupling of the deflection coil in combination with single positive supply
voltages.
The east-west output stage is able to supply the sink current for a diode modulator circuit.
The IC is constructed in a Low Voltage DMOS(LVDMOS) process that combines bipolar, CMOS
and DMOS devices. DMOS transistors are used in the output stage because of the absence of
second breakdown.
4.3.1 TDA8358J
Features :
§ Few external components
§ Highly efficient fully DC-coupled vertical bridge output circuit
§ Vertical flyback switch with short rise and fal times
§ Built-in guard circuit
§ Thermal protection circuit
§ Improved EMC performance due to differential inputs
§ East-west output stage

CP-520/520A/520F Service Manual
DTV R&D Europe
28
Pinning
Pin Symbol Description
1 INA Positeve vertical input
2 INB Negative vertical input
3 VP Supply voltage
4 OUTB Vertical output voltage B
5 INEW East-west input voltage
6 VGND Vertical ground
7 EWGND East-west ground
8 OUTEW East-west output voltage
9 VFB Flyback supply voltage
10 OUTA Vertical output voltage A
11 GUARD Guard output voltage
12 FEEDB Input measuring resistor
13 COMP Input compensation current
Block diagram TDA8358J

CP-520/520A/520F Service Manual
DTV R&D Europe
29
4.4 TDA6107AJF
The TDA6107AJF includes three video output amplifiers and is intended to drive the three
cathodes of a colour CRT directly. The device is contained in a plastic DIL-bent-SIL 9-pin
medium power(DBS9MPF) package, and uses high-voltage DMOS technology.
To obtain maximum performance, the amplifier should be used with black-current control.
4.4.1 Features
§ Typical bandwidth of 5.5 MHz for an output signal of 60 Vpp
§ High slew rate of 900V/µs
§ No external components required
§ Very simple application
§ Single supply voltage of 200V
§ Internal reference voltage of 2.5 V
§ Fixed gain of 81.
§ Black-current stabilisation (BCS) circuit with voltage window from 1.8 to 6 V and current
window form 100uA to -10mA
§ Thermal protection
§ Internal protection against positive flashover discharges appearing on the CRT
4.4.2 Pin description
Pin Symbol Description
1 Vi(1) inverting input 1
2 Vi(2) inverting input 2
3 Vi(3) inverting input 3
4 GND ground (fin)
5 Iom black current measurement output
6 VDD supply voltage
7 VOC(3) cathode output 3
8 VOC(2) cathode output 2
9 VOC(1) cathode output 1

CP-520/520A/520F Service Manual
DTV R&D Europe
30
Block diagram TDA6107AJF
4.5 24WC16 - 16 KB EEPROM
Features :
§ 16 Kbit serial I2C bus EEPROM
§ 400KHz I2C Bus Compatible
§ supply voltage : 1.8 V to 6.0 V
§ Low Power CMOS Technology
§ 1 Million Erase/Write cycles (minimum)
§ 100 year data retention (minimum)
Pin description
Pin No. Name Description
1, 2, 3 A0, A1, A2 Device address – not used
5 SDA Serial Data/Address Input/Output
6 SCL Serial clock
7 WP Write control
8 Vcc Supply voltage
4 Vss Ground
The memory device is compatible with the I2C memory standard. This is a two wire serial
interface that uses a bi-directional data bus and serial clock. The memory carries a built-in 4-bit
unique device type identifier code (1010) in accordance with the I2C bus definition.
Serial Clock (SCL)
The SCL input is used to strobe all data in and out of the memory.
Serial Data (SDA)
The SDA pin is bi-directional, and is used to transfer data in or out of the memory.

CP-520/520A/520F Service Manual
DTV R&D Europe
31
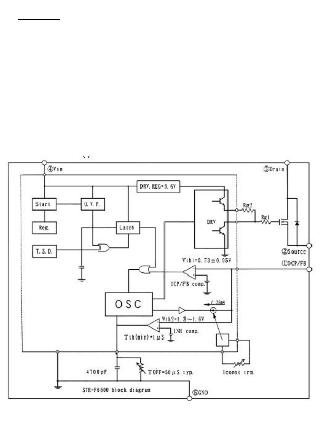
4.6 STR - F6653
4.6.1 GENERAL DESCRIPTION
The STR-F6653 is an hybrid IC with a build-in MOSFET and control IC, designed for flyback
converter type switch mode power supply applications.
4.6.2 FEATURES
§ Small SIP fully isolated moulded 5 pins package
§ Many protection functions :
v Pulse-by-pulse overcurrent protection (OCP)
v Overvoltage protection with latch mode (OVP)
v Thermal protection with latch mode (TSD)
4.6.3 BLOCK DIAGRAM

CP-520/520A/520F Service Manual
DTV R&D Europe
32
4.6.4 PIN DESCRIPTION
PIN NAME SYMBOL DESCRIPTION
1 Overcurrent feedback O.C.
P/E.B. Input of over current detection signal and feedback
signal
2 Source S Mosfet source
3 Drain D Mosfet drain
4 Supply VIN Input of power supply for control circuit
5 Ground GND Ground
4.6.5 CONTROL PART - ELECTRICAL CHARACTERISTICS
IC PIN RATING
DESCRIPTION NUMBER SYMBOL MIN. TYPE MAX UNIT
Operation start voltage 4-5 VIN (on) 14.4 16 17.6 V
Operation stop voltage 4-5 VIN (off) 9 10 111 V
Circuit current in operation 4-5 IIN (on) - - 30 mA
Circ. current in non-operation 4-5 IIN (off) - - 100 µA
Maximum off time - TOFF
(max) 45 - 55 µSEC
Minimum time for input of
quaxi resonant signals 1-5 TTH (2) - - 1.0 µSEC
Minimum off time - TOFF
(min) - - 1.5 µSEC
O.C.P./F.B. terminal
threshold voltage 1 1-5 VTH (1) 0.68 0.73 0.78 V
O.C.P./F.B. terminal
threshold voltage 2 1-5 VTH (2) 1.3 1.45 1.6 V
O.C.P./F.B. terminal
extraction current 1-2 IOCP/FB 1.2 1.35 1.5 mA
OVP operation voltage 4-5 VIN
(OVP) 20.5 22.5 24.5 V
Latch circuit sustaining
voltage 4-5 IIN (H) - - 400 µA
Latch circuit release voltage 4-5 VIN (Loff) 6.6 - 8.4 V
Thermal shutdown operating
temperature - TJ (TSD) 140 - - 0C

CP-520/520A/520F Service Manual
DTV R&D Europe
33
4.6.6 MOSFET ELECTRICAL CHARACTERISTICS
IC PIN RATING
DESCRIPTION NUMBER SYMBOL MIN. TYPE MAX UNIT
Drain-to-source break down
voltage 3-2 VDSS 650 - - V
Drain leakage current 3-2 IDSS - - 300 µA
On-resistance 3-2 RDS (on) - - 1.95 Ω
Switching time 3-2 tf - - 250 noec
Thermal resistance - OCH - F - - 0.95 0C/W

CP-520/520A/520F Service Manual
DTV R&D Europe
34
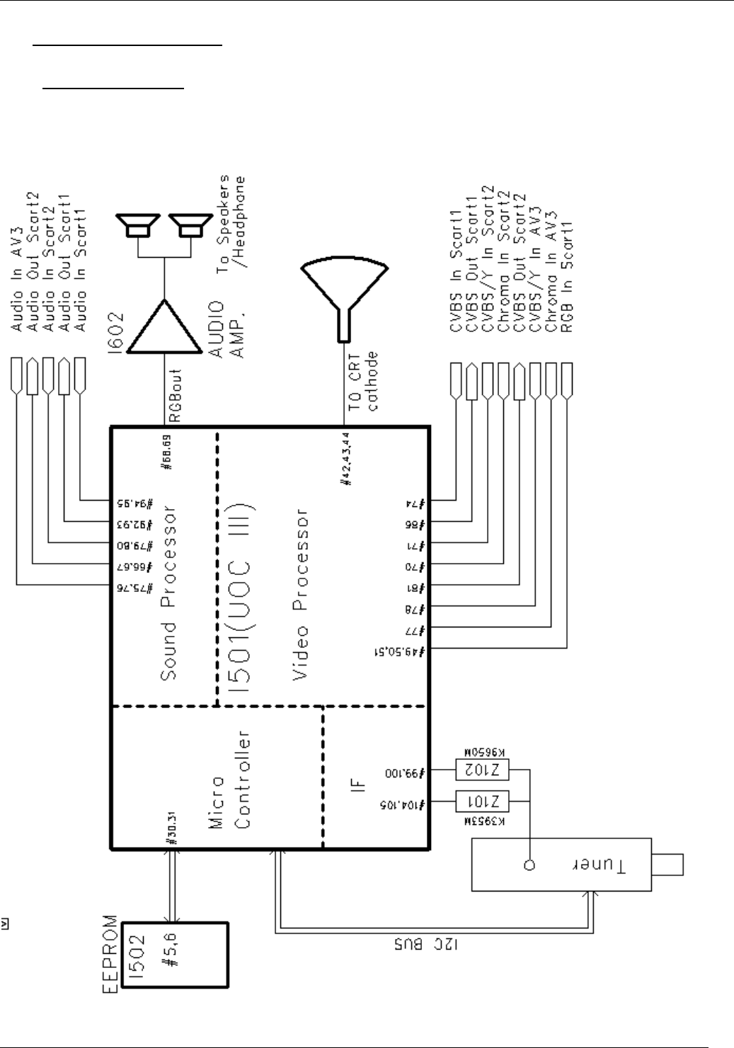
5 CIRCUIT DESCRIPTION
5.1 BLOCK DIAGRAM

CP-520/520A/520F Service Manual
DTV R&D Europe
35
5.2 FUNCTIONAL DESCRIPTION OF VIDEO PROCESSOR
5.2.1 Vision IF amplifier
The vision IF amplifier can demodulate signals with positive and megative modulation. The PLL
demodulator is completely alignment-free.
The VCO of the PLL circuit is internal and the grequency is fixed to the required value by using
the clock ftequency of the TCG u-Controller as a reference. The setting of the various
frequencies (e.g. 38, 38.9, 45.75 and 58.75MHz) can be made via the control bits IFA-IFC in
subaddress 2FH. Because of the internal VCO the IF circuit has a high immunity to EMC
interferences.
The output of the AFC detector can be read from output byte o4H and has a resolution of
7bit(25kHz per step). By means of this information a fast tuning algorithm can be designed.
The IC contains a group delay correction circuit which can be switched between the BG and a
uncompensated group delay response characteristic. This hasthe advantage that in multi-
standard receivers no compromise has to be made for the choice of the SAW filter. This group
delay corection is realised for the demodulated CVBS output signal. The IC contains in addition a
sound trap circuit with a switchable centre frequency.
5.2.2 QSS sound circuit
The sound IF amplifier is similar to the vision IF amplifier and has an external AGC decoupling
capacitor.
ThesinglereferenceQSSmixerisrealisedbyamultiplier. In this multiplier the SIF signal is converted
to the intercarrier frequency by mixing it with the regenerated picture carrier from the VCO. The
mixer output signal is suppliedtotheoutputviaahigh-passfilterforattenuation of the residual video
signals. With this system a high performance hi-fi stereo sound processing can be achieved.
TheAMsounddemodulatorisrealisedbyamultiplier.The modulated sound IF signal is multiplied in
phase with the limited SIF signal. The demodulator output signal is supplied to the output via a
low-pass filter for attenuation of the carrier harmonics.
SwitchingbetweentheQSSoutputandAMoutputismade by means of the AM bit in subaddress 33H.
5.2.3 FM demodulator
TheFMdemodulatorisrealisedasnarrow-bandPLL with internal loop filter, which provides the
necessary selectivity without using an external band-pass filter. To obtain a good selectivity a
linear phase detector and a constant input signal amplitude are required. For this reason the
intercarrier signal is internally supplied to the demodulator via a gain controlled amplifier and
AGC circuit. To improve the selectivity an internal bandpass filter is connected in front of the PLL
circuit.
The nominal frequency of the demodulator is tuned to the required frequency (4.5/5.5/6.0/6.5
MHz) by means of a calibration circuit which uses the clock frequency of the TCG(1)-Controller
as a reference. It is also possible to frequencies of 4.72 and 5.74Mhz so that a second sound
channel can be demodulated. In the latter application an external bandpass filter has to be

CP-520/520A/520F Service Manual
DTV R&D Europe
36
applied to obtain sufficient selectivity (the sound input can be activated by means of the setting of
CMB2-CMB0 bits in subaddress 4AH). The setting to the wanted frequency is realised by means
of the control bits FMA, FMB and FMC in the control bit 33H.
From the output status bytes it can be read whether the PL Lfrequency is inside or outside the
window and whether thePLL is in lock or not. With this information it is possible to make an
automatic search system for the incoming sound frequency. This can be realised by means of a
software loop which switches the demodulator to the various frequencies and then select the
frequency on which a lock condition has been found.
The amplitude deemphasis output signal changed with 6dB by means of the AGN bit. In this way
output signal differences between the 4.5 MHz standard (frequency deviation25 kHz) and the
other standards (frequency deviation50 kHz) can be compensated.
5.2.4 Audio input selector and volume contro
5.2.4.1 STEREO AND AV STEREO VERSIONS
The audio input selector circuit has 4 external stereo inputs, a stereo output for SCART/CINCH
and stereo outputs for headphone and audio power amplifiers. The selection is made with the
bits SAS2/0, SO2/0 and HPO2/0. AV stereo versions without Audio DSP have no headphone
output. The input signal selection for the volumecontrolledaudiooutputsisrealisedbytheHPO2/0
bits.
The gain from an external audio input to each of the (non-controlled) analog output is 0 or
+6dB(controlled by the DSG bit). A supply voltage of 5V allows input and output amplitude of
1VRMS full scale, as required to comply with the SCART specification, the audio supply voltage
must be 8V. In that case the gain of the audio amplifier must be doubled. This can be realised
with the DSG bit in subaddress 32H.
The circuit contains an analogue stereo volume control circuit with a control range of about 70dB.
This volume control circuit is used for the headphone channel (stereo versions with Audio DSP)
or for the main channel (AV stereo versions without Audio DSP). The analogue control circuit
also contains an Automatic Volume Levelling(AVL) function. When this function is activated it
stabilises the audio output signal to a certainl evel so that big fluctuations of the output power are
prevented.
5.2.4.2 MONO VERSIONS
The audio input selector circuit has 4 inputs for mono signals. The selection is made with the
HPO2/0 bits.
The circuit contains an analogue volume control circuit with a control range of about 70dB and an
AVL circuit.
5.2.5 CVBS and Y/C input signal selection
5.2.5.1 ALL VERSIONS

CP-520/520A/520F Service Manual
DTV R&D Europe
37
The Ics have 3 inputs for external CVBS signals. All CVBS inputs can be used as Y input for the
insertion of Y/C signals.However, the CVBS(Y)2 input has to be combined with the C3 input. It is
possible to add and extra CVBS(Y/C) input via the pins which are intended to be used for YUV
interface (or RGB/YPrPb input). The selection of this additional CVBS(Y/C) input is made via the
YC bit.
The function of the IFVO/SVO/CVBSI pin is determined by the SVO1/SVO0 bits. When used as
output a selection can be made between the IF video output signal or the selected CVBS signal
(monitor out). This pin can also be used as additional CVBS input. This signal is inserted in front
of the group delay / sound trap circuit. It is also possible to use the group delay and sound trap
circuit for the CVBS2 signal (via the CV2 bit).
For the CVBS(Y/C) inputs the circuit can detect whether a CVBS or Y/C signal is present on the
input. The result can be read from the status register (YCD bit in subaddress 03H) and this
information can be used to put the input switch in the right position (by means of the INA-IND bits
in subaddress 38H). The Y/C detector is only active for the CVBS(Y)3/C3, CVBS(Y)4/C4 and
CVBS(Y)x/Cx inputs. It is not active for the CVBS(Y)2/C3 input.
The video ident circuit can be connected to all video input signals. This ident circuit is
independent of the synchronisation and can be used to switch the synchronisation and can be
used to switch the presence of a video signal (via the VID bit). In this way a very stable OSD can
be realised. The result of the video ident circuit can be read from the output bit SID (subaddress
00).
5.2.6 Synchronisation circuit
The IC contains separator circuits for the horizontal and vertical sync pulses. To obtain an
accurate timing of the displayed picture the input signal of the sync separator is not derived from
the various CVBS/Y or RGB/YPrPb inputs but from the YOUT pin. For this reason the YOUT pin
must be capacitively coupled to the YSYNC pin. The delay between the various inputs and the
YOUT signal can have rather large differences (e.g. comb filter active or not). By choosing the
YOUT signal as input signal for the sync separator these delays have no effect on the picture
position. Only for RGB signals without sync on green the input of the sync separator has to be
connected to one of the CVBS inputs. This selection is made by means of the SYS bit.
The horizontal drive signal is obtained from an internal VCO which is running at a frequency of
25 MHz. This oscillator is stabilised to this frequency by using the clock signal coming from the
reference oscillator of the TCG -Controller.
To obtain a stable On-Screen-Display (OSD) under all conditions it is important that the first
control loop is switched off or set to low gain when no signal is available at the input. The input
signal condition is detected by the video identification circuit. The video identification circuit can
automatically switch first control loop to a low gain when no input signal is available. This mode is
obtained when the VID bit is set to “0”. When the VID bit is “1” the mode of the first control loop
can be switched by means of the FOA/FOB or POC bits.
For a good performance during normal TV reception (display of the front-end signal) various
connections are active between the vision IF amplifier and the synchronisation circuit (e.g. gating
pulses for the AGC detector and noise gating of the sync separator). These connections are not
allowed when external video signals are displayed. The switching of these connections can be
coupled to the input signal selection bits (INA-IND). This mode is obtained when the VDXEN bit
is “0”. Due to the input signal selector configuration it is possible that the internal CVBS signal is

CP-520/520A/520F Service Manual
DTV R&D Europe
38
available on one of the other CVBS inputs.In this condition the connections between the vision IF
amplifier and the synchronisation circuit can be switched on and off by means of the VDX bit.
The VDXEN bit must be set to “1” for this mode.
The vertical synchronisation is realised by means of a divider circuit.
5.2.7 Horizontal and vertical drive
The horizontal drive is switched on and off via the soft start/stop procedure. The soft start
function is realised by means of variation of the TON of the horizontal drive pulses. During the
soft-stop period the horizontal output frequency is doubled resulting in a reduction of the EHT so
that the picture tube capacitance can easily be discharged. In addition the horizontal drive circuit
has a ‘low-power start-up’ function.
The vertical ramp generator needs an external resistor and capacitor. For the vertical drive a
differential output current is available. The outputs must be DC coupled to the vertical output
stage.
The IC has the following geometry control functions:
n Vertical amplitude
n Vertical slope
n S-correction
n Vertical shift
n Vertical zoom
n Vertical scroll
n Vertical linearity correction. When required the linearity setting for the upper and lower part
of the screen can have a different setting.
n Horizontal shift
n EW width
n EW parabola width
n EW upper and lower corner parabola correction
n EW trapezium correction
n Horizontal parallelogram and bow correction.
When the East-West geometry function is not required (e.g. for 90 picture tubes) the EW output
pin can be used for the connection of the AVL capacitor. This function is chosen by means of the
AVLE bit.
5.2.8 Chroma, luminance and feature processing
Someversionscontaina4H/2H(2D)adaptivePAL/NTSC comb filter. The comb filter is
automatically activated when standard CVBS signals are received.A signal is considered as
“standard signal” when a PAL or NTSC signal is identified and when the vertical divider is in the
modes ‘standard narrow window’ or ‘standard TV norm’.For non-standard signals and for
SECAM signals the comb filter is bypassed and the signal is filtered by means of bandpass and
trap filters.
The chroma band-pass and trap circuits (including the SECAM cloche filter) are realised by
means of internal filters and are tuned to the right frequency by comparing the tuning frequency
with the reference frequency of the colour decoder.

CP-520/520A/520F Service Manual
DTV R&D Europe
39
The circuit contains the following picture improvement features:
n Peaking control circuit. The peaking function can be activated for all incoming CVBS, Y/C
and RGB/YPrPb signals. Various parameters of the peaking circuit can be adapted by means
of the I2C-bus. The main parameters are:
- Peaking centre frequency (via the PF1/PF0 bits in subaddress 19H).
- Ratio of positive and negative peaks (via the RPO1/RPO0 bits in subaddress 47H). The
peaks in the direction “white” are the positive peaks.
- Ratio of pre- and aftershoots (via the RPA1/RPA0 bits in subaddress 47H).
n Video dependent coring in the peaking circuit. The coring can be activated only in the low-
light parts of the screen. This effectively reduces noise while having maximum peaking in the
bright parts of the picture.
n Black stretch. This function corrects the black level for incoming signals which have a
difference between the black level and the blanking level. The amount of stretching (A-A in
Fig. 72) and the minimum required back ground to activate the stretching can be set by
means of the I2C-bus (BSD/AAS in subaddress 45H).
n Gamma control. When this function is active the transfer characteristic of the luminance
amplifier is made non-linear.Thecontrolcurvecanbeadaptedbymeans of I2C-bus settings (see
Fig. 74). It is possible to make the gamma control function dependent on the picture content
(Average Picture Level, APL). The effect is illustrated in Fig. 75. Previously this function was
mentioned under the name “white stretch function”.
n Blue-stretch. This circuit is intended to shift colour near ‘white’ with sufficient contrast values
towards more blue to obtain a brighter impression of the picture.
n Dynamic skin tone (flesh) control. This function is realised in the YUV domain by detecting
the colours near to the skin tone.
n Scan-Velocity modulation output. Also the SVM function can be activated for all incoming
CVBS, Y/C and RGB/YPrPb signals. The delay between the RGB output signals and the
SVM output signal can be adjusted (by means of the SVM2-SVM0 bits in subaddress 48H)
so that an optimum picture performance can be obtained. Furthermore a coring function can
be activated. It is possible to generate Scan Velocity Modulation drive signals during the
display of ‘full screen’ teletext (not in mixed mode). Another feature is that the SVM output
signal can be made dependent on the horizontal position on the screen (parabola on the
SVM output).
5.2.9 Colour decoder
The ICs decode PAL, NTSC and SECAM signals. The PAL/NTSC decoder does not need
external reference crystals but has an internal clock generator which is stabilised to the required
frequency by using the clock signal from the reference oscillator of the TCG u -Controller.
Under bad-signal conditions (e.g. VCR-playback n feature mode), it may occur that the colour
killer is activated although the colour PLL is still in lock. When this killing action is not wanted it is
possible to overrule the colour killer by forcing the colour decoder to the required standard and to
activate the FCO-bit (Forced Colour On) in subaddress3CH. The sensitivity of the colour decoder
for PAL and NTSC can be increased by means of the setting of the CHSE1/CHSE0 bits in
subaddress 3CH.
The Automatic Colour Limiting (ACL) circuit (switchable via the ACL bit in subaddress 3BH)
prevents that oversaturation occurs when signals with a high chroma-to-burst ratio are received.
The ACL circuit is designed such that it only reduces the chroma signal and not the burst signal.
This has the advantage that the colour sensitivity is not affected by this function.

CP-520/520A/520F Service Manual
DTV R&D Europe
40
The SECAM decoder contains an auto-calibrating PLL demodulator which has two references,
viz: the divided reference frequency (obtained from the-Controller) which is used to tune the PLL
to the desired free-running frequency and the bandgap reference to obtain the correct absolute
value of the output signal. The VCO of the PLL is calibrated during each vertical blanking period,
when the IC is in search or SECAM mode. The frequency offset of the B-Y demodulator can be
reduced by means of the SBO1/SBO0 bits in subaddress 3CH.
The base-band delay line is integrated. In devices without CVBS comb filter this delay line is also
active during NTSC to obtain a good suppression of cross colour effects. The demodulated
colour difference signals are internally supplied to the delay line. The baseband comb filter can
be switched off by means of the BPS bit (subaddress 3CH).
The subcarrier output is combined with a 3-level output switch (0 V, 2.1 V and 4.5 V). The output
level and the availability of the subcarrier signal is controlled by the CMB2-CMB0 bits.
5.2.10 RGB output circuit
In the RGB control circuit the signal is controlled on contrast, brightness and saturation. The IC
has a YUV interface so that additional picture improvement ICs can be applied. To compensate
signal delays in the external YUV path the clamp pulse in the control circuit can be shifted by
means of the CLD bit in subaddress 44H. When the YUV interface is not required some of the
pins can be used for the insertion of RGB/YPrPb signals or as additional CVBS(Y)/C input. When
the YUV interface is not used one of the pins (VOUT) is transferred to general purpose output
switch (SWO1). The IC has also a YUV interface to th edigita ldie. Via this loop digital features
like “double window” are added.
A tint control is available for the base-band U/V signals. For this reason this tint control can be
activated for all colour standards. The signals for OSD and text are internally supplied to the
control circuit. The output signal has an amplitude of about 1.2V black-to-white at nominal input
signals and nominal settings of the various controls.
To obtain an accurate biasing of the picture tube the ‘Continuous Cathode Calibration’ system
has been included in these ICs. The system is slightly adapted compared with the previous
circuits. In the new configuration the cut-off level of the picture tube is controlled with a
continuous loop whereas the correction of the amplitude of the output signals is realised by
means of a digital loop. As a consequence the current measurement can be controlled from the-
Processor. The value of the “highcurrent”intheCCCloopcanbechosenviatheSLG0 and SLG1 bits
(subaddresses 42H and 46H). The gain control in the 3 RGB channels is realised by means of 7-
bit DACs. The total gain control range is6 dB. The change in amplitude at the cathodes of the
picture tube for one LSB is about 1.1 Vp-p. The setting of the control DAC is determined by the
following registers:
n The white point setting of the R, G and B channel in subaddress 20H to 22H. This register
has a resolution of 6 bits and the control range in output signal amplitude is +/-3 dB.
n The cathode drive setting (CL3-CL0 in subaddress 42H). This setting is valid for all channels,
there solution is 4 bits and the control range is +/-3 dB.
n The gain setting of the R, G and B channel. During switch on this register is loaded with the
preset gain setting of subaddress 23H to 25H and when necessary it will be adapted by the
CCC control loop. These registers have a resolution of 7 bits. The control of the gain setting
is illustrated in table below.

CP-520/520A/520F Service Manual
DTV R&D Europe
41
The setting of the gain registers of the 3 channels can be stored during switch off and can be
loaded again during switch-on so that the drive conditions are maintained.
When required the operation of the CCC system can be changed into a one-point black current
system. The switching between the 2 possibilities is realised by means of the EGL bit (EGL = 0)
in subaddress 42H. When used asone-point control loop the system will control the black level of
the RGB output signals to the ‘low’ reference current and not on the cut off point of the cathode.
In this way spreads in the picture tube characteristics will not be taken into account. In this
condition the settings of the “white point control registers”(subaddress 20H-22H) and the
“cathode drive level bits” (CL3 - CL0 in subaddress 42H) are added to the settings of the RGB
preset gain registers (subaddress 23H - 25H).
A black level off-set can be made with respect to the level which is generated by the black
current stabilization system. In this way different colour temperatures can be
obtainedforthebrightandthedarkpartofthepicture.The black level control is active on the Red and
the Green output signal. It is also possible to control the black level of the Blue and the Green
output signal (OFB bit = 1).
In the Vg2 adjustment mode (AVG=1) the black current stabilization system checks the output
level of the 3 channels and indicates whether the black level of the highest output is in a certain
window(WBC-bit) or below or above this window (HBC-bit). This indication can be read from the
status byte 01 and can be used for automatic adjustment of the Vg2 voltage during the
production of the TV receiver. During this test the vertical scan remains active so that the
indication of the 2 bits can be made visible on the TV screen.
The control circuit contains a beam current limiting circuit and a peak white limiting circuit. The
control is realised by means of a reduction of the contrast and brightness control settings. The
way of control (first contrast and then brightness or contrast and brightness in parallel) can be
chosen by means of the CBS bit (subaddress 44H). The peak white level is adjustable via the
I2C-bus.
To prevent that the peak white limiting circuit reacts on the high frequency content of the video
signal a low-passfilter is inserted in front of the peak detector. The circuit also contains a soft-
clipper which prevents that the high frequency peaks in the output signal become too high. The
difference between the peak white limiting level and the soft clipping level is adjustable via the
I2C-bus in a few steps.
During switch-off of the TV receiver a fixed beam current is generated by the black current
control circuit. This current ensures that the picture tube capacitance is discharged. During the
switch-off period the vertical deflection can be placed in an overscan position so that the
discharge is not visible on the screen.
A wide blanking pulse can be activated in the RGB outputs by means of the HBL bit in
subaddress 43H. The timing of this blanking can be adjusted by means of the bits WBF/R bits in
subaddress 26H.
WPR(GB) ‘0’ B5 B4 B3 B2 B1 B0 Max 64
CL ‘0’ B3 B2 B1 B0 ‘0’ ‘0’ Max 60
CCC-gain B6 B5 B4 B3 B2 B1 B0 Max 126
R(GB)-gain B6 B5 B4 B3 B2 B1 B0 Max 126

CP-520/520A/520F Service Manual
DTV R&D Europe
42
5.2.11 I2C-BUS USER INTERFACE DESCRIPTION
The UOC III series is fully controlled via the I2C-bus. Control is exercised by writing data to one
or more internal registers. Status information can be read from a set of info registers to enable
the controlling microcontroller determine whether any action is required. The device has an I2C-
bus slave transceiver, in accordance with the fast-mode specification, with a maximum speed of
400 kbits/s. Information concerning the I2C-bus can be found in brochure “I2C-bus and how to
use it” (order number 939839340011). To avoid conflicts in a real application with other ICs
providing similar or complementary functions, there are two possible slave addresses available
which can be selected by the SVM pin(pin 65).
Possible slave address
SVM PIN SLAVE ADDRESS A6 TO A0
Scavem application 1 0 0 0 1 0 1
Tied 5 volts 1 0 0 0 1 1 1
The device will not respond to a ‘generalcall’ on the I2C-bus, i.e. when a slave address of
0000000 is sent by a master.
Write registers
Each address of the address space (see below) can only be written.
Correct operation is not guaranteed if registers in the range $FB to $FF will be addressed!
Read registers
The output registers of the TV processor are only available via auto-increment mode, no address
can be used and all registers must be read.
5.3 GENERAL DESCRIPTION OF THE TV SOUND OF SOUND PROCESSOR
The TV Sound Processor is a digital TV sound processor for analog multi-channel sound
systems in TV sets. It is based on a 24 bit DSP and designed to support several applications.
A new easy-to-use control concept was implemented for easiest configuration programming of
the very complex functionality of the TV Sound Processor. Pre-defined setups are available for
all implemented sound processing modes. Aloud speaker switching concept allows it to adapt the
pre-defined setups to the specific loudspeaker application.The built-in intelligence for pre-defined
standards and Auto Standard Detection (ASD) allows an easy setup of the demodulator and
decoder part.
The control concept for the audio processor is based on the following new features:
n Pre-defined setups for the sound processing modes like Dolby® Pro Logic® and Virtual
Dolby® Surround (422, 423)
n Flexible configuration of audio outputs to the loudspeaker configuration with an additional
output crossbar
n Master volume function
The control concept for the demodulator and decoder (DEMDEC) is based on the following new
features:
n Easy demodulator setup for all implemented standards with Demodulator and Decoder Easy
Programming (DDEP) for a pre-selected standard or combined with Auto Standard Detection
(ASD) for automatic detection of a transmitted standard

CP-520/520A/520F Service Manual
DTV R&D Europe
43
n Automatic decoder configuration and signal routing depending on the selected or detected
standard
n FM overmodulation adaptation option to avoid clipping and distortion
5.3.1 Supported standards
The multistandard capability of the TV Sound Processor covers all terrestrial TV sound standards,
FM Radio and satellite FM.
The AM sound of L/L' standard is normally demodulated in the 1st sound IF. The resulting AF
signal has to been tered into the mono audio input of the TV Sound Processor. A second
possibility is to use the AMdemodulator in the DEMDEC part, however this may result in limited
performance.
Korea has a stereo sound system similar to Europe. It is supported by the TV Sound Processor.
Differences include deviation, modulation contents and identification. It is based on M standard.
Other features of the DEMDEC are:
n M/BTSC and N standards supported
n M/Japan (EIAJ) supported
n FM Radio stereo decoding
n Alignment-free, fully digital system
n For BTSC full dbx® performance
n SAP demodulation (without dbx®) simultaneously with stereo decoding, or mono plus SAP
with dbx®
n Line/pilot frequency selectable from 15.734 kHz and 15.625 kHz (or automatic detection /
auto search)
n High selectivity for pilot detection, high robustness against high-frequent audio components
n Pilot lock indicator
n SAP detector
n Separate noise detectors for stereo and SAP with adjustable threshold levels, hysteresis, and
automute function
An overview of the supported standards and sound systems and their key parameters is given in
the following tables.
The analog multi-channel sound systems (A2, A2+ and A2*) are sometimes also named 2CS (2
carrier systems).
ANALOG 2-CARRIER SYSTEMS
[Table] Frequency modulation
MODULATION
STANDARD SOUND
SYSTEM
CARRIER
FREQUENCY
(MHz)
FM DEVIATION(kHz)
NOM./MAX./OVER SC1 SC2
BANDWIDTH/
DE-EMPHASIS
(kHz/us)
M Mono 4.5 15/25/50 Mono - 15/75
M A2+ 4.5/4.724 15/25/50 1/2(L+R) 1/2(L+R) 15/75(Korea)
B/G A2 5.5/5.742 27/50/80 1/2(L+R) R 15/50
I Mono 6.0 27/50/80 mono - 15/50
D/K(1) A2* 6.5/6.258 27/50/80 1/2(L+R) R 15/50
D/K(2) A2* 6.5/6.742 27/50/80 1/2(L+R) R 15/50
D/K(3) A2* 6.5/5.742 27/50/80 1/2(L+R) R 15/50
[Table] Identification for A2 systems

CP-520/520A/520F Service Manual
DTV R&D Europe
44
PARAMETER A2/A2* A2+ (KOREA)
Pilot frequency 54.6875kHz = 3.5 x line freq. 55.0699 kHz = 3.5 x line freq.
Stereo identification frequency 117.5 Hz = line freq / 133 149.9 Hz = line freq / 105
Dual indetification frequency 274.1 Hz = line freq / 57 276.0 Hz = line freq / 57
AM modulation depth 50% 50%
2-CARRIERSYSTEMSWITHNICAM
[Table] NICAM standards SC1 MODULATION
STANDARD FREQUENCY
(MHz) TYPE INDEX(%)
NOM./MAX.
DEVIATION
(kHz)
NAM./MAX.
/OVER
SC2
(MHz)
NICA
M
DE-
EMPAHSIS ROLL-
OFF (%) NICAM
CODING
B/G 5.5 FM - 27/50/80 5.85 J17 40 Note1
I 6.0 FM - 27/50/80 6.552 J17 100 Note1
D/K 6.5 FM - 27/50/80 5.85 J17 40 Note1
L 6.5 AM 54/100 - 5.85 J17 40 Note1
Note 1. See ‘EBU specification’ or equivalent specification.
5.4 FUNCTIONAL DESCRIPTION SOUND PROCESSOR
5.4.1 The UOC III TV Sound Concept
The UOCIII sound concept is implemented over the video processor and TCG-microcontroller.
Only relevant blocks, functions and signal flows for sound are given.
The tuner receives a RF signal and converts it to IF. Via appropriate SAW filters the SIF signal is
delivered to the QSS stage of the video processor and if channels according to standard L/L’ are
received also to the AM demodulator. The Quasi Split Sound demodulation generates the SSIF
or intercarrier signal. By the SSIF switch it is possible to choose between the internally derived

CP-520/520A/520F Service Manual
DTV R&D Europe
45
intercarrier and an external second SIF(2NDSIFEXT), e.g. an intercarrier coming from a PIP
frontend. In other applications a 10.7MHz radio IF or satellite FM may be connected to this input.
The selected SSIF passes some anti alias filtering, is amplified in an AGC amplifier (SSIF AGC)
and is then converted from analogue to digital (SSIF ADC).
The audio signal out of the AM demodulator is connected to the analogue crossbar at the video
processor. All other inputs to this multiplexer/audio switch come from external, either from a PIP
frontend or SCART/CINCH(AUDINx) or the DAC output signals from the digital controller. The
audio AD converters are digitising the audio signals foreseen for further digital processing. One
stereo output (AUDOUTS) is available for connections to SCART/CINCH sockets.
The sound part on the digital controller consists of the demodulator/decoder(DEMDEC), a digital
input crossbar, the digital audio processing for the loudspeaker and DAC channels, the I2S
processing and interfacing, a digital output crossbar as well as the DA conversion.
An auxiliary audio control (volume control, AUX audio contr.) is available on the video processor.
Here it is applied to the headphone channel.
The part of the concept located in the digital controller will be described in the next chapters.
5.4.2 Functional Overview Of the digital controller sound part
The digital controller sound part consists of the SSIFADC, audio ADCs, DEMDEC HW, the sound
DSP core, audio DACs and I2S interface hardware as shown in fig below. The DEMDEC part of
the Sound DSP is used for the decoder and partly demodulator tasks. The AUDIO part provides
the sound features, from the level adjust unit up to the output crossbar. Audio DACs and I2S
hardware are converting the processed signals to analogue or digital audio.
The SSIF signal is applied to the SSIF ADC for conversion and is then fed to the DEMDEC
hardware processing mainly for demodulation but also some decoding tasks. Remaining

CP-520/520A/520F Service Manual
DTV R&D Europe
46
decoding is done in the DEMDEC block of the Sound DSP. The DEMDEC processing will be
described in the next chapter.
The audio signals (AUD ADC IN) from the analogue crossbar pass the audio ADC and are fed
directly into the AUDIO part of the Sound DSP like the I2S signals, which is coming from I2S
processing hardware. After level adjust all signals from the DEMDEC and the I2S input are
available at the digital input crossbar. A special input is provided for the Noise/Silence Generator
needed for olby® Pro Logic® processing.
In standard TV applications the main channel signal(L,R) will be connected to the DAC2 for
reproduction at the speakers. With multichannel signals centre, surround or subwoofer channels
may be passed to the I2S outputs where external DACs may be applied. By this it is possible to
build Dolby Normal/Wide, Dolby Phantom Centre or Dolby 3 Stereo set-ups and also a VDS423
application.
5.4.3 Demodulator and decoder
INTRODUCTION
The TV sound processor provides an easy-to-use programming interface and built-in intelligence
for the demodulator and decoder part.
The sound demodulator is able to search for sound carriers and react to transmission mode
changes autonomously, without interaction of the micro controller software.
It is possible for a typical terrestrial TV application to setup the entire demodulator with
transmission of few control words.
The control interface still allows access to every detail, called demodulator expert mode, for
special applications such as satellite TV, more elaborated search algorithms etc.
The new TV Sound ProcessorDemodulator and
DecoderEasyProgramming(DDEP)interfaceprovides three possible approaches to setup the
demodulator and decoder parts:
n Auto Standard Detection (ASD)
n Static Standard Selection (SSS)
n Demodulator and Decoder Expert Mode (DDXM)
MIXER
The digitized 2nd SIF input signal is fed to the mixers, which mix one or both input sound carriers
down to zero IF. The mixer frequency is derived by the standard setting (Easy Programming) or
in the Demodulator and Decoder Expert Mode (DDXM) by a 24-bit control word for each carrier.
For NICAM demodulation, a feedback signal is added to the control word of the second carrier
mixer to establish a carrier-frequency loop.
FMANDAMDEMODULATION
An FM or AM input signal is fed via a band-limiting filter to a one of two demodulators that can be
used for either FM or AM demodulation. Four filters with different bandwidth are available. The

CP-520/520A/520F Service Manual
DTV R&D Europe
47
output signal of the first demodulator can be used for further demodulation of multiplex signals
used in the BTSC, EIAJ and FM Radio standards.
FMIDENTIFICATION
The identification of the FM sound mode is performed by AM synchronous demodulation of the
pilot signal and narrow-band detection of the identification frequencies. The result is available via
the control bus interface. A selection can be made for three different modes that represent
different trade-offs between speed and reliability of identification. The mode is set by DDEP (for
FM two-carrier standards) or via expert mode. DDEP also performs automatic FM de-matrix
control in dependence on the identification.
FM/AMDECODING
A high-pass filter suppresses DC offsets from the FM/AM demodulators due to carrier frequency
offsets and supplies the monitor/peak function with DC values and an un-filtered signal, e.g. for
the purpose of carrier detection.
The audio bandwidth is approx. 15 kHz.
The de-emphasis function offers fixed settings for the supported standards (50s, 60s, 75s and
J17).
A matrix performs the de-matrixing of the A2 stereo, dual and mono signals to obtain the left (L)
and right (R) or language A and B signals.
FMPILOTCARRIERPRESENTDETECTOR
The TV Sound Processor provides FM A2 standard pilot carrier detection.
NICAMDEMODULATION
The NICAM signal is transmitted via DQPSK modulation at a bit rate of 728kBit/s. The NICAM
demodulator performs DQPSK demodulation and feeds the resulting bit stream and clock signal
to the NICAM decoder.
A timing loop controls the sample rate conversion circuitry to lock the sampling rate to the symbol
timing of the NICAM data.
NICAM DECODER
The NICAM decoder performs all decoding functions in accordance with theEBU NICAM 728
specification. After locking to the frame alignment word, the data is de scrambled by applying the
defined pseudo-random binary sequence; the NICAM decoder will then synchronize to the
periodic frame flag bitC0.
The status of the NICAM decoder can be read out from the NICAM status register by the user
(see the control-bus register description). The OSB bit indicates that the decoder has locked to
the NICAM data. The VDSP bit indicates that the decoder has locked to the NICAM data and that
the data is valid sound data. The C4 bit indicates that the sound conveyed by the FM mono
channel is identical to the sound conveyed by the NICAM channel. The error byte contains the

CP-520/520A/520F Service Manual
DTV R&D Europe
48
number of sound sample errors, resulting from parity checking, that occurred in the past 128ms
period. The Bit Error Rate (BER) can be calculated using the following equation;
During NICAM mode a switchable J17 de-emphasis is supplied.
NICAM AUTO-MUTE
If the Auto Standard Detection (ASD) or the Static Standard Detection (SSS) feature is activated
the following auto mute function is in effect.
If NICAM B/G, I, D/K is received, the auto-mute is enabled and the signal quality becomes poor,
the built-in control automatically switches the output signal (DEC output) to FM channel 1. The
automatic switching depends on the NICAM bit error rate. The auto-mute function can be
disabled via the control bus.
This function is enabled by setting bit NIC_AMUTE to 0. Upper and lower error limits may be
defined by writing appropriate values to the corresponding control bits (NICLOERRLIM and
NICUPERRLIM). When the number of errors in a 128 ms period exceeds the upper error limit the
auto-mute function will switch the output sound from
NICAMtowhateversoundisonthefirstsoundcarrier(FM or AM). When the error count is smaller than
the lower error limit the NICAM sound is restored.
The auto-mute function can be disabled by setting bit NIC_AMUTE to 1. In this condition clicks
become audible when the error count increases; the user will hear a signal of degrading quality.
For NICAM L applications, it is recommended to demodulate AM sound in the first sound IF. The
demodulated AM is provided by the internal IF processor. For applications with external IF
processing the external demodulated AM signal can be connected to the SCART/Mono input of
the TV Sound Processor. By setting the EXTAM bit, the auto-mute function will switch to the
audio ADC input signal named EXTAM instead of switching to the first sound carrier. The ADC
source selector should be set to internal AM mono signal or to the external SCART/mono input,
where the AM sound signal should be connected.

49
CP-520/520A/520F Service Manual
DTV- R&D Europe
DTV- R&D Europe
6. SERVICE PARTS LIST
6.1 DTY--28A8FZF-S
z_loc z_parts_code parts_name parts_descr remark z_loc z_parts_code parts_name parts_descr remark
ZZ100 PTACPWY28A8F ACCESSORY AS DTY-28A8FZF
12000 48B4846G2201 TRANSMITTER REMOCON R-46G22 (AAA)
13000 4850Q00910 BATTERY AAA R03/NN SUPERGARD
14000 4858213801 BAG INSTRUCTION L. D. P. E. T0. 05X250X40
ZZ120 PTBCSHY28A8S COVER BACK AS DTY-28A8FZF-S
M211 4852163503 COVER BACK 28A8/A9 GY778A
M211D 4857817611 CLOTH BLACK “200 MM 14”” “
M541 4855415800 S/PLATE 150ART P/E FILM (C/TV)
M542 485580002207 LABEL SERIAL ART 90
ZZ130 PTCACAY28A8FFS CABINET AS DTY-28A8FZF-S
61300 2193011101 SOLDER WIRE RS 60-1.2 1.6A
M191 4851949503 DOOR AS 2824003+5550201 28A8
M211A 7172401612 SCREW TAPPING TT2 TRS 4X16 MFZN BK
M352 2TF01612CL TAPE FILAMENT 12MMX55ME CLEAR
M481 4854865103 BUTTON POWER 28A8 GY340A+SV128BP (SILVER)
M481A 4856716000 SPRING 14Q1/M3 SWPA PIE0.5
M501 485506074101 DECO CTRL 28A8 PVC T0.25 BLACK
M561 48556174SD01 MARK BRAND “DAEWOO 28”” BLACK “
M681 4856812001 TIE CABLE NYLON66 DA100
M682 4856816300 CLAMP WIRE NYLON 6 (V0)
M791 4857923300 DOOR LOCK LA701 (KIFCO)
PWC1 4859906210 CORD POWER W/F 6-LO (LOMAX NEW)
SP01A 7172401212 SCREW TAPPING TT2 TRS 4X12 MFZN
SP02A 7172401212 SCREW TAPPING TT2 TRS 4X12 MFZN
V901 4859622160 “CRT (PHILIPS 28””) “ A66EAK071(75)X11
V901A 4856215402 WASHER RUBBER 20’’
V901B 4856017352 SCREW CRT FIX 6X35 L120 YL
V901C 4850706S21 CONN AS YFDH500-06+YLT502+ULW=500
ZZ131 48519A5510 CRT GROUND AS 2801H-1015-2P
ZZ132 58G0000125 COIL DEGAUSSING “DC-2702F (28”” NEW TYPE) “
ZZ200 PTFMSJY28A8S MASK FRONT AS DTY-28A8FZF-S
M201 4852084403 MASK FRONT 28A8 GY340A+SV128BP
ZZ201 PTSPPWY28A8F SPEAKER AS DTY-28A8FZF
51000 4858311110 SPEAKER 12W 8 OHM SP-58126F
51100 4850704S30 CONN AS YH025-04+35098+ULW=700
52000 4858311110 SPEAKER 12W 8 OHM SP-58126F
ZZ290 PTMPMSY28A8FF PCB MAIN MANUAL AS DTY-28A8FZF
10 2193100801 SOLDER BAR SN:PB=63:37 3PI(NO FLUX)
40 2291050314 FLUX SOLVENT IM-1000
20 2193011101 SOLDER WIRE RS 60-1.2 1.6A
30 2291050617P FLUX SOLDER CF-329D
50 2291140501 WAX COVER 60G/PC
60 2291051001 FLUX KILLER KFT-7
C315 CEXF2A470V C ELECTRO 100V RSS 47MF (10X16) TP
C402 CMYH3C562J C MYLAR 1.6KV 5600PF J (BUP)
C404 CMYH3C472J C MYLAR 1.6KV 4700PF J (BUP)
C408 CMYE2G274J C MYLAR 400V 0.27MF J (PU)
C415 CEXF2E479V C ELECTRO 250V RSS 4.7MF (10X16)TP
C430 CCYR3D681K C CERA 2KV R 680PF K 125C
C431 CMXB2G472J C MYLAR 400V 4700PF J TP
C440 CMXE2G243J C MYLAR 400V PU 0.024MF J
C499 CEYD1H689W C ELECTRO 50V RHD 6.8MF (16X35.5)
C604 CEXF1E102V C ELECTRO 25V RSS 1000MF (13X20) TP
C801 CL1UC3474M C LINE ACROSS 0.47MF 1J(UCVSNDF/SV
C805 CEYN2G181P C ELECTRO 400V LHS 180MF (25X35)
C810 CCYR3A102K C CERA HIKR 1KV 1000PF K 125C
C812 CH1BFE472M C CERA AC AC400V 4700PF M U/C/V
C813 CEYF2E470V C ELECTRO 250V RSS 47MF (16X25
C814 CEXF2E101V C ELECTRO 250V RSS 100MF 18X35.5
C820 CCYR3A102K C CERA HIKR 1KV 1000PF K 125C
C823 CEXF1E102V C ELECTRO 25V RSS 1000MF (13X20) TP
C832 CEXF1E102V C ELECTRO 25V RSS 1000MF (13X20) TP
C840 CEXF1C332V C ELECTRO 16V RSS 3300MF
C841 CEXF1C332V C ELECTRO 16V RSS 3300MF
C861 CEXF1E102C C ELECTRO 25V RUS 1000MF 13X20 TP
C866 CCYR3A471K C CERA 1KV 470PF K 125C
C905 CEXF2E479V C ELECTRO 250V RSS 4.7MF (10X16)TP
C965 CBXB3D102K C CERA SEMI 2KV BL(N) 1000PF K (T)
C997 CEXF2E100V C ELECTRO 250V RSS 10MF (10X20) TP
D403 DBY228—— DIODE BY228
D404 DBYW76—— DIODE BYW76
D820 DBYW76—— DIODE BYW76
D860 DBYW76—— DIODE BYW76
F801 5FSCB4022R FUSE CERA SEMKO F4AH 4A 250V MF51
G900 4SG0DY0001 SPARK GAP SSG-102-A1(1.0KV) BULK
G901 4SG0DY0001 SPARK GAP SSG-102-A1(1.0KV) BULK
G902 4SG0DY0001 SPARK GAP SSG-102-A1(1.0KV) BULK
G903 4SG0DY0001 SPARK GAP SSG-102-A1(1.0KV) BULK
G904 4SG0DY0001 SPARK GAP SSG-102-A1(1.0KV) BULK
I301 1TDA8358J- IC VERTICAL TDA8358J
I301A 4857028215 HEAT SINK AL EX NO ANODOZING
I301B 7174301011 SCREW TAPPTITE TT2 RND 3X10 MFZN
I502 1AT24C16PC IC MEMORY AT24C16-10PC
I602 1TDA8946J- IC AUDIO TDA8946J
I602A 4857028215 HEAT SINK AL EX NO ANODOZING
I602B 7174301011 SCREW TAPPTITE TT2 RND 3X10 MFZN
I703 1TS0P1238W IC PREAMP TSOP1238WI1
I801 1STRF6653- IC SMPS STR-F6653
I801A 4857024600 HEAT SINK AL EX B/K
I801B 7174301211 SCREW TAPPTITE TT2 RND 3X12 MFZN
I804 1KP1010C— IC PHOTO COUPLER KP-1010C
I806 1DP142—— IC ERROR AMP DP142
I810 TX0202DA— THYRISTOR X0202DA
I820 1L7805CV— IC REGULATOR L7805CV
I822 1L7808CV— IC REGULATOR L7808CV
I823 1LD1117V33 IC REGULATOR LD1117AV33 3.3V TO-220
I824 1LD1117V50 IC REGULATOR LD1117AV50 5.0V TO-220
I901 1TDA6107AJ IC VIDEO TDA6107AJF
I901A 4857031100 HEAT SINK A1050P-H24 T2.0
I901B 7174300811 SCREW TAPPTITE TT2 RND 3X8 MFZN
JP01 4859102130 JACK EARPHONE YSC-1537
JPA1 4859200401 SOCKET RGB SR-21A1 (ANGLE TYPE)
JPA2 4859200401 SOCKET RGB SR-21A1 (ANGLE TYPE)
JPA3 4859108450 JACK PIN BOARD YSC03P-4120-14A
JX WP-0BK8505 WIRE LEAD 1007 AWG22 7/0.26 BK 5-85-5
L401 58H0000025 COIL H-LINEARITY TRL-330
L402 58C7070085 COIL CHOKE TLN-3062A
L514 5CPZ100K04 COIL PEAKING 10UH 10.5MM K (LAL04TB)
L802 58C9430599 COIL CHOKE AZ-9004Y(94MH)
LF801 5PLF24A1— FILTER LINE LF-24A1
M351 4858900002 HOLDER LED AS LH-3P
P401 4850705N14 CONNECTOR BIC-05T-25T+ULW=500
P402 4859240120 CONN WAFER YFW500-06
P501 4850705N14 CONNECTOR BIC-05T-25T+ULW=500
P601 4859231720 CONN WAFER YW025-04
P701 4859231720 CONN WAFER YW025-04
P801 4859287320 CONN WAFER MKS2822 (LOMAX NEW TYPE)
P802 4859242220 CONN WAFER YFW800-02
P903 4859238620 CONN WAFER YPW500-02
Q401 T2SD2578— TR 2SD2578
Q401A 4857024500 HEAT SINK AL EX
Q401B 7174300811 SCREW TAPPTITE TT2 RND 3X8 MFZN
R398 RW02Y828FS R WIRE WOUND 2W 0.82 OHM F SMALL
R399 RS02Y120JS R M-OXIDE FILM 2W 12 OHM J SMALL
R406 RS02Y471JS R M-OXIDE FILM 2W 470 OHM J SMALL
R450 RS02Y223JS R M-OXIDE FILM 2W 22K OHM J SMALL
R801 DDC7R0M290 POSISTOR ECPCD7R0M290
R802 RS02Y753JS R M-OXIDE FILM 2W 75K OHM J SMALL
R803 RS02Y473JS R M-OXIDE FILM 2W 47K OHM J SMALL
R804 RS01Y228J- R M-OXIDE FILM 1W 0.22 OHM J
R819 RX10B339JN R CEMENT 10W 3.3 OHM J BENCH 4P
R822 RS02Y569JS R M-OXIDE FILM 2W 5.6 OHM J SMALL
R920 RF01Y249JA R FUSIBLE 1W 2.4 OHM J A CURVE
SCT1 4859303530 SOCKET CRT PCS629-03C
SW801 5S40101143 SW PUSH PS3-22SP (P.C.B)
T401 50D19A1—- TRANS DRIVE TD-19A1
T402 50H0000235 FBT 1352.5060
T801 50M4936B1- TRANS SMPS 2094.0041
U100 4859724930 TUNER VARACTOR UV1316/AI-4
X501 5XJ24R576E CRYSTAL QUARTZ HC-49/S 24.576MHZ 30PPM
Caution : In this Service Manual, some parts can be changed for improving, their performance
without notice in the parts list. So, if you need the latest parts information, please refer to PPL(Parts
Price List) in Service Information Center(http://svc.dwe.co.kr)

50
CP-520/520A/520F Service Manual
DTV- R&D Europe
z_loc z_parts_code parts_name parts_descr remark z_loc z_parts_code parts_name parts_descr remark
Z101 5PK3953M— FILTER SAW K3953M
Z102 5PK9650M— FILTER SAW K9650M
ZZ200 PTMPJBY28A8FF PCB MAIN EYE LET AS DTY-28A8FZF
E01 4856310600 EYE LET BSR 2.3(R2.3)
E02 4856310600 EYE LET BSR 2.3(R2.3)
E03 4856310600 EYE LET BSR 2.3(R2.3)
E04 4856310600 EYE LET BSR 2.3(R2.3)
E05 4856310600 EYE LET BSR 2.3(R2.3)
E06 4856310600 EYE LET BSR 2.3(R2.3)
E07 4856310600 EYE LET BSR 2.3(R2.3)
E08 4856310600 EYE LET BSR 2.3(R2.3)
E09 4856310600 EYE LET BSR 2.3(R2.3)
E10 4856310600 EYE LET BSR 2.3(R2.3)
E13 4856310600 EYE LET BSR 2.3(R2.3)
E14 4856310600 EYE LET BSR 2.3(R2.3)
E15 4856310600 EYE LET BSR 2.3(R2.3)
E16 4856310600 EYE LET BSR 2.3(R2.3)
E17 4856310600 EYE LET BSR 2.3(R2.3)
E18 4856310600 EYE LET BSR 2.3(R2.3)
E19 4856310600 EYE LET BSR 2.3(R2.3)
E20 4856310600 EYE LET BSR 2.3(R2.3)
E21 4856310300 EYE LET BSR T0.2 (R1.6)
E22 4856310300 EYE LET BSR T0.2 (R1.6)
E23 4856310300 EYE LET BSR T0.2 (R1.6)
E24 4856310300 EYE LET BSR T0.2 (R1.6)
E25 4856310300 EYE LET BSR T0.2 (R1.6)
E26 4856310300 EYE LET BSR T0.2 (R1.6)
E27 4856310300 EYE LET BSR T0.2 (R1.6)
E28 4856310300 EYE LET BSR T0.2 (R1.6)
E29 4856310300 EYE LET BSR T0.2 (R1.6)
E30 4856310300 EYE LET BSR T0.2 (R1.6)
E31 4856310300 EYE LET BSR T0.2 (R1.6)
E32 4856310300 EYE LET BSR T0.2 (R1.6)
E33 4856310300 EYE LET BSR T0.2 (R1.6)
E34 4856310300 EYE LET BSR T0.2 (R1.6)
E35 4856310300 EYE LET BSR T0.2 (R1.6)
E36 4856310300 EYE LET BSR T0.2 (R1.6)
E37 4856310300 EYE LET BSR T0.2 (R1.6)
E38 4856310300 EYE LET BSR T0.2 (R1.6)
E39 4856310300 EYE LET BSR T0.2 (R1.6)
E40 4856310300 EYE LET BSR T0.2 (R1.6)
E41 4856310300 EYE LET BSR T0.2 (R1.6)
E42 4856310300 EYE LET BSR T0.2 (R1.6)
E43 4856310300 EYE LET BSR T0.2 (R1.6)
E44 4856310300 EYE LET BSR T0.2 (R1.6)
E45 4856310300 EYE LET BSR T0.2 (R1.6)
E46 4856310300 EYE LET BSR T0.2 (R1.6)
E47 4856310300 EYE LET BSR T0.2 (R1.6)
E48 4856310300 EYE LET BSR T0.2 (R1.6)
E49 4856310300 EYE LET BSR T0.2 (R1.6)
E50 4856310300 EYE LET BSR T0.2 (R1.6)
E51 4856310300 EYE LET BSR T0.2 (R1.6)
E52 4856310300 EYE LET BSR T0.2 (R1.6)
E53 4856310300 EYE LET BSR T0.2 (R1.6)
E54 4856310300 EYE LET BSR T0.2 (R1.6)
E55 4856310300 EYE LET BSR T0.2 (R1.6)
E56 4856310600 EYE LET BSR 2.3(R2.3)
E57 4856310600 EYE LET BSR 2.3(R2.3)
ZZ200 PTMPJ2Y28A8FF PCB CHIP MOUNT B AS DTY-28A8FZF
I501 1TDA21HB01 IC MICOM FLASH TDA12021H1/N1 B01
ZZ200 PTMPJRY28A8FF PCB MAIN RADIAL AS DTY-28A8FZF
C102 CEXF1E470V C ELECTRO 25V RSS 47MF (5X11) TP
C104 CCXB1H102K C CERA 50V B 1000PF K (TAPPING)
C106 CEXF1E470V C ELECTRO 25V RSS 47MF (5X11) TP
C121 CEXF1H100V C ELECTRO 50V RSS 10MF (5X11) TP
C122 CEXF1H100V C ELECTRO 50V RSS 10MF (5X11) TP
C305 CEXF1E221V C ELECTRO 25V RSS 220MF (8X11.5) TP
C313 CMXM2A104J C MYLAR 100V 0.1MF J TP
C320 CBXF1H104Z C CERA SEMI 50V F 0.1MF Z (TAPPING)
C350 CCXF1H473Z C CERA 50V F 0.047MF Z (TAPPING)
C351 CCXF1H473Z C CERA 50V F 0.047MF Z (TAPPING)
C370 CCXF1H473Z C CERA 50V F 0.047MF Z (TAPPING)
C401 CEXF1H101V C ELECTRO 50V RSS 100MF (8*11.5) TP
C412 CEXF2C339V C ELECTRO 160V RSS 3.3MF (8X16) TP
C414 CMXM2A104J C MYLAR 100V 0.1MF J TP
C418 CCXB1H102K C CERA 50V B 1000PF K (TAPPING)
C420 CCXB2H222K C CERA 500V B 2200PF K (TAPPING)
C421 CCXF1H473Z C CERA 50V F 0.047MF Z (TAPPING)
C501 CEXF1C470V C ELECTRO 16V RSS 47MF (5X11) TP
C502 CEXF1C470V C ELECTRO 16V RSS 47MF (5X11) TP
C505 CMXL1J224J C MYLAR 63V MEU 0.22MF J TP
C507 CMXL1J224J C MYLAR 63V MEU 0.22MF J TP
C508 CEXF1C470V C ELECTRO 16V RSS 47MF (5X11) TP
C509 CMXL1J224J C MYLAR 63V MEU 0.22MF J TP
C510 CEXF1E101V C ELECTRO 25V RSS 100MF (6.3X11) TP
C511 CCXB1H102K C CERA 50V B 1000PF K (TAPPING)
C513 CMXL1J224J C MYLAR 63V MEU 0.22MF J TP
C514 CCXB1H102K C CERA 50V B 1000PF K (TAPPING)
C515 CMXL1J224J C MYLAR 63V MEU 0.22MF J TP
C516 CMXL1J224J C MYLAR 63V MEU 0.22MF J TP
C517 CEXF1C101V C ELECTRO 16V RSS 100MF (6.3X11) TP
C518 CBXF1H104Z C CERA SEMI 50V F 0.1MF Z (TAPPING)
C519 CMXL1J224J C MYLAR 63V MEU 0.22MF J TP
C520 CEXF1H229V C ELECTRO 50V RSS 2.2MF (5X11) TP
C521 CCXB1H222K C CERA 50V B 2200PF K (TAPPING)
C522 CBXF1H104Z C CERA SEMI 50V F 0.1MF Z (TAPPING)
C524 CMXM2A682J C MYLAR 100V 6800PF J TP
C525 CEXF1H109V C ELECTRO 50V RSS 1MF (5X11) TP
C526 CMXL1J224J C MYLAR 63V MEU 0.22MF J TP
C527 CEXF1H100V C ELECTRO 50V RSS 10MF (5X11) TP
C528 CCXF1H223Z C CERA 50V F 0.022MF Z (TAPPING)
C529 CMXL1J154J C MYLAR 63V MEU 0.15MF J
C534 CEXF1H229V C ELECTRO 50V RSS 2.2MF (5X11) TP
C535 CMXL1J474J C MYLAR 63V 0.47MF MKT
C536 CMXL1J474J C MYLAR 63V 0.47MF MKT
C537 CEXF1H229V C ELECTRO 50V RSS 2.2MF (5X11) TP
C538 CEXF1H229V C ELECTRO 50V RSS 2.2MF (5X11) TP
C539 CMXM2A332J C MYLAR 100V 3300PF J TP
C540 CMXM2A473J C MYLAR 100V 0.047MF J TP
C542 CEXF1H100V C ELECTRO 50V RSS 10MF (5X11) TP
C543 CEXF1H229V C ELECTRO 50V RSS 2.2MF (5X11) TP
C545 CEXF1H229V C ELECTRO 50V RSS 2.2MF (5X11) TP
C547 CEXF1H100V C ELECTRO 50V RSS 10MF (5X11) TP
C548 CEXF1H100V C ELECTRO 50V RSS 10MF (5X11) TP
C549 CMXL1J474J C MYLAR 63V 0.47MF MKT
C552 CMXL1J474J C MYLAR 63V 0.47MF MKT
C553 CMXL1J474J C MYLAR 63V 0.47MF MKT
C554 CMXL1J474J C MYLAR 63V 0.47MF MKT
C556 CCXB1H102K C CERA 50V B 1000PF K (TAPPING)
C558 CBXF1H104Z C CERA SEMI 50V F 0.1MF Z (TAPPING)
C560 CEXF1H229V C ELECTRO 50V RSS 2.2MF (5X11) TP
C561 CEXF1H229V C ELECTRO 50V RSS 2.2MF (5X11) TP
C562 CMXM2A104J C MYLAR 100V 0.1MF J TP
C563 CEXF1H100V C ELECTRO 50V RSS 10MF (5X11) TP
C567 CEXF1H100V C ELECTRO 50V RSS 10MF (5X11) TP
C568 CBXF1H104Z C CERA SEMI 50V F 0.1MF Z (TAPPING)
C569 CEXF1E470V C ELECTRO 25V RSS 47MF (5X11) TP
C574 CMXL1J224J C MYLAR 63V MEU 0.22MF J TP
C576 CMXL1J224J C MYLAR 63V MEU 0.22MF J TP
C577 CEXF1E470V C ELECTRO 25V RSS 47MF (5X11) TP
C579 CCXB1H102K C CERA 50V B 1000PF K (TAPPING)
C581 CMXL1J224J C MYLAR 63V MEU 0.22MF J TP
C582 CEXF1C101V C ELECTRO 16V RSS 100MF (6.3X11) TP
C602 CEXF1C221V C ELECTRO 16V RSS 220MF (8X11.5) TP
C608 CCXB1H222K C CERA 50V B 2200PF K (TAPPING)
C609 CCXB1H222K C CERA 50V B 2200PF K (TAPPING)
C625 CEXF1H479V C ELECTRO 50V RSS 4.7MF (5*11) TP
C660 CEXF1H100V C ELECTRO 50V RSS 10MF (5X11) TP
C661 CMXM2A224J C MYLAR 100V 0.22MF J BULK
C662 CMXM2A224J C MYLAR 100V 0.22MF J BULK
C665 CCXB1H472K C CERA 50V B 4700PF K (TAPPING)
C666 CBXF1H104Z C CERA SEMI 50V F 0.1MF Z (TAPPING)
C667 CCXB1H472K C CERA 50V B 4700PF K (TAPPING)
C668 CMXM2A224J C MYLAR 100V 0.22MF J BULK
C669 CMXM2A224J C MYLAR 100V 0.22MF J BULK
C690 CEXF1H479V C ELECTRO 50V RSS 4.7MF (5*11) TP
C691 CEXF1H479V C ELECTRO 50V RSS 4.7MF (5*11) TP
C770 CEXF1C101V C ELECTRO 16V RSS 100MF (6.3X11) TP
C803 CCXF3A472Z C CERA 1KV F 4700PF Z (T)
C804 CCXF3A472Z C CERA 1KV F 4700PF Z (T)
C806 CEXF1H220V C ELECTRO 50V RSS 22MF (5X11) TP
C807 CMXL1J104J C MYLAR 63V MEU 0.1MF J
C808 CEXF1H100V C ELECTRO 50V RSS 10MF (5X11) TP
C809 CCXB1H102K C CERA 50V B 1000PF K (TAPPING)
C821 CCXB1H102K C CERA 50V B 1000PF K (TAPPING)
C824 CCXB3A471K C CERA 1KV B 470PF K (T)
C831 CCXB3A471K C CERA 1KV B 470PF K (T)
C835 CEXF1E470V C ELECTRO 25V RSS 47MF (5X11) TP
C844 CEXF1E101V C ELECTRO 25V RSS 100MF (6.3X11) TP
C850 CCXB1H821K C CERA 50V B 820PF K (TAPPING)
C862 CEXF1E101V C ELECTRO 25V RSS 100MF (6.3X11) TP
C863 CEXF1E101V C ELECTRO 25V RSS 100MF (6.3X11) TP

51
CP-520/520A/520F Service Manual
DTV- R&D Europe
DTV- R&D Europe
z_loc z_parts_code parts_name parts_descr remark z_loc z_parts_code parts_name parts_descr remark
C901 CCXB1H561K C CERA 50V B 560PF K (TAPPING)
C968 CMXL2E104K C MYLAR 250V 0.1MF K MEU TP
CA10 CCXB1H102K C CERA 50V B 1000PF K (TAPPING)
F801A 4857415001 CLIP FUSE PFC5000-0702
F801B 4857415001 CLIP FUSE PFC5000-0702
L517 5CPX479K— COIL PEAKING 4.7UH K RADIAL
L518 5CPX479K— COIL PEAKING 4.7UH K RADIAL
L519 5CPX479K— COIL PEAKING 4.7UH K RADIAL
Q120 T2SC5343Y- TR 2SC5343Y
Q402 T2SD1207T- TR 2SD1207-T (TAPPING)
Q501 T2SC5343Y- TR 2SC5343Y
Q502 T2SA1980Y- TR 2SA1980Y
Q503 T2SC5343Y- TR 2SC5343Y
Q504 T2SA1980Y- TR 2SA1980Y
Q506 T2SC5343Y- TR 2SC5343Y
Q507 T2SA1980Y- TR 2SA1980Y
Q508 T2SC5343Y- TR 2SC5343Y
Q513 T2SA1980Y- TR 2SA1980Y
Q514 TH2N7000— TR H2N7000
Q515 TH2N7000— TR H2N7000
Q601 T2SC5343Y- TR 2SC5343Y
Q602 T2SA1980Y- TR 2SA1980Y
Q807 T2SC5343Y- TR 2SC5343Y
Q808 T2SC5343Y- TR 2SC5343Y
Q809 T2SC5343Y- TR 2SC5343Y
Q810 T2SC5343Y- TR 2SC5343Y
Q811 T2SC5343Y- TR 2SC5343Y
Q813 T2SA1980Y- TR 2SA1980Y
Q814 T2SC5343Y- TR 2SC5343Y
Q815 T2SA1980Y- TR 2SA1980Y
Q816 T2SC5343Y- TR 2SC5343Y
R415 RN02B102JS R METAL FILM 2W 1K OHM J SMALL
SW700 5S50101090 SW TACT SKHV17910A
SW701 5S50101090 SW TACT SKHV17910A
SW702 5S50101090 SW TACT SKHV17910A
SW703 5S50101090 SW TACT SKHV17910A
SW704 5S50101090 SW TACT SKHV17910A
Z601 5PEFST471Y FILTER EMI EFST 471
Z602 5PEFST471Y FILTER EMI EFST 471
Z603 5PEFST471Y FILTER EMI EFST 471
Z604 5PEFST471Y FILTER EMI EFST 471
Z605 5PEFST471Y FILTER EMI EFST 471
Z606 5PEFST471Y FILTER EMI EFST 471
Z607 5PEFST471Y FILTER EMI EFST 471
Z608 5PEFST471Y FILTER EMI EFST 471
Z609 5PEFST471Y FILTER EMI EFST 471
Z610 5PEFST471Y FILTER EMI EFST 471
Z611 5PEFST471Y FILTER EMI EFST 471
Z612 5PEFST471Y FILTER EMI EFST 471
ZZ200 PTMPJAY28A8FF PCB MAIN AXIAL AS DTY-28A8FZF
20 2TM10006LB TAPE MASKING 3M #232-MAP-C 6.2X2000M
10 2TM14006LB TAPE MASKING 3M #232 6.0X2000M
A001 4859809693 PCB MAIN CP-520 330X246 D1B
C103 CCZB1H102K C CERA 50V B 1000PF K (AXIAL)
C107 CZSL1H470J C CERA 50V SL 47PF J
C108 CZSL1H470J C CERA 50V SL 47PF J
C120 CCZB1H102K C CERA 50V B 1000PF K (AXIAL)
C123 CCZB1H472K C CERA 50V B 4700PF K (AXIAL)
C503 CCZB1H102K C CERA 50V B 1000PF K (AXIAL)
C504 CCZB1H102K C CERA 50V B 1000PF K (AXIAL)
C512 CBZF1H104Z C CERA SEMI 50V F 0.1MF Z (AXIAL)
C523 CCZB1H102K C CERA 50V B 1000PF K (AXIAL)
C530 CCZB1H101K C CERA 50V B 100PF K (AXIAL)
C531 CCZF1H103Z C CERA 50V F 0.01MF Z
C532 CCZF1H103Z C CERA 50V F 0.01MF Z
C533 CCZB1H102K C CERA 50V B 1000PF K (AXIAL)
C541 CBZF1H104Z C CERA SEMI 50V F 0.1MF Z (AXIAL)
C544 CBZF1H104Z C CERA SEMI 50V F 0.1MF Z (AXIAL)
C546 CBZF1H104Z C CERA SEMI 50V F 0.1MF Z (AXIAL)
C550 CCZF1H103Z C CERA 50V F 0.01MF Z
C551 CBZF1H104Z C CERA SEMI 50V F 0.1MF Z (AXIAL)
C555 CCZB1H102K C CERA 50V B 1000PF K (AXIAL)
C557 CBZF1H104Z C CERA SEMI 50V F 0.1MF Z (AXIAL)
C564 CBZF1H104Z C CERA SEMI 50V F 0.1MF Z (AXIAL)
C565 CBZF1H104Z C CERA SEMI 50V F 0.1MF Z (AXIAL)
C566 CBZF1H104Z C CERA SEMI 50V F 0.1MF Z (AXIAL)
C571 CCZB1H101K C CERA 50V B 100PF K (AXIAL)
C572 CCZB1H101K C CERA 50V B 100PF K (AXIAL)
C573 CCZB1H101K C CERA 50V B 100PF K (AXIAL)
C575 CCZB1H102K C CERA 50V B 1000PF K (AXIAL)
C578 CBZF1H104Z C CERA SEMI 50V F 0.1MF Z (AXIAL)
C589 CCZB1H472K C CERA 50V B 4700PF K (AXIAL)
C590 CBZF1H104Z C CERA SEMI 50V F 0.1MF Z (AXIAL)
C591 CBZF1H104Z C CERA SEMI 50V F 0.1MF Z (AXIAL)
C592 CCZF1H103Z C CERA 50V F 0.01MF Z
C701 CCZB1H103K C CERA 50V B 0.01MF K (AXIAL)
C830 CBZF1H104Z C CERA SEMI 50V F 0.1MF Z (AXIAL)
CA01 CCZB1H101K C CERA 50V B 100PF K (AXIAL)
CA02 CCZB1H101K C CERA 50V B 100PF K (AXIAL)
CA03 CCZB1H101K C CERA 50V B 100PF K (AXIAL)
CA04 CCZB1H101K C CERA 50V B 100PF K (AXIAL)
CA05 CCZB1H101K C CERA 50V B 100PF K (AXIAL)
CA06 CCZB1H101K C CERA 50V B 100PF K (AXIAL)
CA28 CCZB1H102K C CERA 50V B 1000PF K (AXIAL)
D101 DBAT85—— DIODE BAT85 (TAPPING)
D102 DBA282—— DIODE BA282
D313 D1N4937G— DIODE 1N4937G
D405 D1N4937G— DIODE 1N4937G
D407 DRGP15J—- DIODE RGP15J
D408 DRGP15J—- DIODE RGP15J
D410 D1N4004S— DIODE 1N4004S
D411 D1N4004S— DIODE 1N4004S
D414 D1N4004S— DIODE 1N4004S
D450 D1N4937G— DIODE 1N4937G
D501 DBAT85—— DIODE BAT85 (TAPPING)
D502 DTZX3V9B— DIODE ZENER TZX3V9B (TAPPING)
D503 DTZX3V9B— DIODE ZENER TZX3V9B (TAPPING)
D504 DTZX5V6B— DIODE ZENER TZX5V6B (TAPPING)
D520 D1N4148—- DIODE 1N4148 (TAPPING)
D521 D1N4148—- DIODE 1N4148 (TAPPING)
D522 DTZX3V9B— DIODE ZENER TZX3V9B (TAPPING)
D523 DTZX3V9B— DIODE ZENER TZX3V9B (TAPPING)
D601 D1N4148—- DIODE 1N4148 (TAPPING)
D602 D1N4148—- DIODE 1N4148 (TAPPING)
D710 DTZX5V6B— DIODE ZENER TZX5V6B (TAPPING)
D801 DLT2A05G— DIODE LT2A05G
D802 DLT2A05G— DIODE LT2A05G
D803 DLT2A05G— DIODE LT2A05G
D804 DLT2A05G— DIODE LT2A05G
D805 D1N4937G— DIODE 1N4937G
D806 D1N4937G— DIODE 1N4937G
D808 D1N4937G— DIODE 1N4937G
D809 D1N4937G— DIODE 1N4937G
D811 DTZX6V2—- DIODE ZENER TZX6V2B (TAPPING)
D821 DRGP15J—- DIODE RGP15J
D822 DTZX9V1B— DIODE ZENER TZX9V1B (TAPPING)
D823 DTZX5V6B— DIODE ZENER TZX5V6B (TAPPING)
D824 D1N4148—- DIODE 1N4148 (TAPPING)
D825 D1N4148—- DIODE 1N4148 (TAPPING)
D830 D1N4937G— DIODE 1N4937G
D831 D1N4937G— DIODE 1N4937G
D840 D1N4004S— DIODE 1N4004S
D841 D1N4148—- DIODE 1N4148 (TAPPING)
D904 DBAV21—— DIODE BAV21 (TAPPING)
D905 DBAV21—— DIODE BAV21 (TAPPING)
D906 DBAV21—— DIODE BAV21 (TAPPING)
D997 DLT2A05G— DIODE LT2A05G
DA01 D1N4148—- DIODE 1N4148 (TAPPING)
DA02 DTZX5V6B— DIODE ZENER TZX5V6B (TAPPING)
DA03 D1N4148—- DIODE 1N4148 (TAPPING)
DA04 DTZX5V6B— DIODE ZENER TZX5V6B (TAPPING)
DA06 DTZX5V6B— DIODE ZENER TZX5V6B (TAPPING)
DA08 DTZX5V6B— DIODE ZENER TZX5V6B (TAPPING)
DA09 DTZX5V6B— DIODE ZENER TZX5V6B (TAPPING)
DA10 DTZX5V6B— DIODE ZENER TZX5V6B (TAPPING)
DA11 DTZX5V6B— DIODE ZENER TZX5V6B (TAPPING)
DA13 DTZX5V6B— DIODE ZENER TZX5V6B (TAPPING)
DA14 DTZX5V6B— DIODE ZENER TZX5V6B (TAPPING)
DA15 DTZX5V6B— DIODE ZENER TZX5V6B (TAPPING)
DA16 DTZX5V6B— DIODE ZENER TZX5V6B (TAPPING)
DA20 DTZX5V6B— DIODE ZENER TZX5V6B (TAPPING)
DA21 DTZX5V6B— DIODE ZENER TZX5V6B (TAPPING)
DA22 DTZX5V6B— DIODE ZENER TZX5V6B (TAPPING)
I805 DTZX33B—- DIODE ZENER TZX33B (TAPPING)
J10 85801065GY WIRE COPPER AWG22 1/0.65 TIN COATING
J100 85801065GY WIRE COPPER AWG22 1/0.65 TIN COATING
J101 85801065GY WIRE COPPER AWG22 1/0.65 TIN COATING
J102 85801065GY WIRE COPPER AWG22 1/0.65 TIN COATING
J103 85801065GY WIRE COPPER AWG22 1/0.65 TIN COATING
J104 85801065GY WIRE COPPER AWG22 1/0.65 TIN COATING
J105 85801065GY WIRE COPPER AWG22 1/0.65 TIN COATING

52
CP-520/520A/520F Service Manual
DTV- R&D Europe
z_loc z_parts_code parts_name parts_descr remark z_loc z_parts_code parts_name parts_descr remark
J106 85801065GY WIRE COPPER AWG22 1/0.65 TIN COATING
J107 85801065GY WIRE COPPER AWG22 1/0.65 TIN COATING
J108 85801065GY WIRE COPPER AWG22 1/0.65 TIN COATING
J109 85801065GY WIRE COPPER AWG22 1/0.65 TIN COATING
J11 85801065GY WIRE COPPER AWG22 1/0.65 TIN COATING
J111 85801065GY WIRE COPPER AWG22 1/0.65 TIN COATING
J112 85801065GY WIRE COPPER AWG22 1/0.65 TIN COATING
J113 85801065GY WIRE COPPER AWG22 1/0.65 TIN COATING
J114 85801065GY WIRE COPPER AWG22 1/0.65 TIN COATING
J12 85801065GY WIRE COPPER AWG22 1/0.65 TIN COATING
J13 85801065GY WIRE COPPER AWG22 1/0.65 TIN COATING
J14 85801065GY WIRE COPPER AWG22 1/0.65 TIN COATING
J15 85801065GY WIRE COPPER AWG22 1/0.65 TIN COATING
J16 85801065GY WIRE COPPER AWG22 1/0.65 TIN COATING
J17 85801065GY WIRE COPPER AWG22 1/0.65 TIN COATING
J18 85801065GY WIRE COPPER AWG22 1/0.65 TIN COATING
J19 85801065GY WIRE COPPER AWG22 1/0.65 TIN COATING
J20 85801065GY WIRE COPPER AWG22 1/0.65 TIN COATING
J21 85801065GY WIRE COPPER AWG22 1/0.65 TIN COATING
J22 85801065GY WIRE COPPER AWG22 1/0.65 TIN COATING
J23 85801065GY WIRE COPPER AWG22 1/0.65 TIN COATING
J24 85801065GY WIRE COPPER AWG22 1/0.65 TIN COATING
J25 RD-AZ101J- R CARBON FILM 1/6 100 OHM J
J26 RD-AZ101J- R CARBON FILM 1/6 100 OHM J
J31 85801065GY WIRE COPPER AWG22 1/0.65 TIN COATING
J32 85801065GY WIRE COPPER AWG22 1/0.65 TIN COATING
J33 85801065GY WIRE COPPER AWG22 1/0.65 TIN COATING
J35 85801065GY WIRE COPPER AWG22 1/0.65 TIN COATING
J36 85801065GY WIRE COPPER AWG22 1/0.65 TIN COATING
J37 85801065GY WIRE COPPER AWG22 1/0.65 TIN COATING
J39 85801065GY WIRE COPPER AWG22 1/0.65 TIN COATING
J4 85801065GY WIRE COPPER AWG22 1/0.65 TIN COATING
J40 85801065GY WIRE COPPER AWG22 1/0.65 TIN COATING
J41 85801065GY WIRE COPPER AWG22 1/0.65 TIN COATING
J42 85801065GY WIRE COPPER AWG22 1/0.65 TIN COATING
J43 85801065GY WIRE COPPER AWG22 1/0.65 TIN COATING
J44 85801065GY WIRE COPPER AWG22 1/0.65 TIN COATING
J45 85801065GY WIRE COPPER AWG22 1/0.65 TIN COATING
J46 85801065GY WIRE COPPER AWG22 1/0.65 TIN COATING
J47 85801065GY WIRE COPPER AWG22 1/0.65 TIN COATING
J48 85801065GY WIRE COPPER AWG22 1/0.65 TIN COATING
J49 85801065GY WIRE COPPER AWG22 1/0.65 TIN COATING
J50 RD-AZ101J- R CARBON FILM 1/6 100 OHM J
J51 85801065GY WIRE COPPER AWG22 1/0.65 TIN COATING
J52 85801065GY WIRE COPPER AWG22 1/0.65 TIN COATING
J53 85801065GY WIRE COPPER AWG22 1/0.65 TIN COATING
J54 85801065GY WIRE COPPER AWG22 1/0.65 TIN COATING
J56 85801065GY WIRE COPPER AWG22 1/0.65 TIN COATING
J57 85801065GY WIRE COPPER AWG22 1/0.65 TIN COATING
J58 85801065GY WIRE COPPER AWG22 1/0.65 TIN COATING
J59 85801065GY WIRE COPPER AWG22 1/0.65 TIN COATING
J60 85801065GY WIRE COPPER AWG22 1/0.65 TIN COATING
J61 85801065GY WIRE COPPER AWG22 1/0.65 TIN COATING
J62 85801065GY WIRE COPPER AWG22 1/0.65 TIN COATING
J63 85801065GY WIRE COPPER AWG22 1/0.65 TIN COATING
J64 85801065GY WIRE COPPER AWG22 1/0.65 TIN COATING
J65 85801065GY WIRE COPPER AWG22 1/0.65 TIN COATING
J66 85801065GY WIRE COPPER AWG22 1/0.65 TIN COATING
J67 85801065GY WIRE COPPER AWG22 1/0.65 TIN COATING
J68 85801065GY WIRE COPPER AWG22 1/0.65 TIN COATING
J69 85801065GY WIRE COPPER AWG22 1/0.65 TIN COATING
J7 RD-AZ101J- R CARBON FILM 1/6 100 OHM J
J70 85801065GY WIRE COPPER AWG22 1/0.65 TIN COATING
J71 85801065GY WIRE COPPER AWG22 1/0.65 TIN COATING
J72 85801065GY WIRE COPPER AWG22 1/0.65 TIN COATING
J73 85801065GY WIRE COPPER AWG22 1/0.65 TIN COATING
J74 85801065GY WIRE COPPER AWG22 1/0.65 TIN COATING
J76 RD-AZ202J- R CARBON FILM 1/6 2K OHM J
J78 RD-AZ101J- R CARBON FILM 1/6 100 OHM J
J80 85801065GY WIRE COPPER AWG22 1/0.65 TIN COATING
J81 85801065GY WIRE COPPER AWG22 1/0.65 TIN COATING
J82 85801065GY WIRE COPPER AWG22 1/0.65 TIN COATING
J83 RD-AZ101J- R CARBON FILM 1/6 100 OHM J
J84 RD-AZ101J- R CARBON FILM 1/6 100 OHM J
J86 85801065GY WIRE COPPER AWG22 1/0.65 TIN COATING
J87 85801065GY WIRE COPPER AWG22 1/0.65 TIN COATING
J88 85801065GY WIRE COPPER AWG22 1/0.65 TIN COATING
J89 85801065GY WIRE COPPER AWG22 1/0.65 TIN COATING
J90 85801065GY WIRE COPPER AWG22 1/0.65 TIN COATING
J91 85801065GY WIRE COPPER AWG22 1/0.65 TIN COATING
J92 85801065GY WIRE COPPER AWG22 1/0.65 TIN COATING
J93 85801065GY WIRE COPPER AWG22 1/0.65 TIN COATING
J94 85801065GY WIRE COPPER AWG22 1/0.65 TIN COATING
J95 85801065GY WIRE COPPER AWG22 1/0.65 TIN COATING
J96 85801065GY WIRE COPPER AWG22 1/0.65 TIN COATING
J97 85801065GY WIRE COPPER AWG22 1/0.65 TIN COATING
J98 85801065GY WIRE COPPER AWG22 1/0.65 TIN COATING
J99 85801065GY WIRE COPPER AWG22 1/0.65 TIN COATING
L101 5CPZ100K02 COIL PEAKING 10UH 3.5MM K (LAL02TB)
L350 5CPZ109M04 COIL PEAKING 1UH 10.5MM M (LAL04TB)
L351 5CPZ109M04 COIL PEAKING 1UH 10.5MM M (LAL04TB)
L505 5CPZ479K02 COIL PEAKING 4.7UH 3.5MM K (LAL02TB)
L506 5CPZ479K02 COIL PEAKING 4.7UH 3.5MM K (LAL02TB)
L507 5CPZ479K02 COIL PEAKING 4.7UH 3.5MM K (LAL02TB)
L508 5CPZ479K02 COIL PEAKING 4.7UH 3.5MM K (LAL02TB)
L509 5CPZ479K02 COIL PEAKING 4.7UH 3.5MM K (LAL02TB)
L510 5CPZ479K02 COIL PEAKING 4.7UH 3.5MM K (LAL02TB)
L512 5CPZ479K02 COIL PEAKING 4.7UH 3.5MM K (LAL02TB)
L513 5CPZ479K02 COIL PEAKING 4.7UH 3.5MM K (LAL02TB)
L515 5CPZ100K02 COIL PEAKING 10UH 3.5MM K (LAL02TB)
L516 5CPZ479K02 COIL PEAKING 4.7UH 3.5MM K (LAL02TB)
L523 5CPZ479K02 COIL PEAKING 4.7UH 3.5MM K (LAL02TB)
L650 5MC0000100 COIL BEAD MD-5 (HC-3550)
L801 5MC0000100 COIL BEAD MD-5 (HC-3550)
R103 RD-AZ123J- R CARBON FILM 1/6 12K OHM J
R104 RD-AZ683J- R CARBON FILM 1/6 68K OHM J
R105 RD-AZ103J- R CARBON FILM 1/6 10K OHM J
R106 RD-AZ101J- R CARBON FILM 1/6 100 OHM J
R107 RD-AZ101J- R CARBON FILM 1/6 100 OHM J
R114 RD-AZ473J- R CARBON FILM 1/6 47K OHM J
R115 RD-AZ101J- R CARBON FILM 1/6 100 OHM J
R120 RD-AZ101J- R CARBON FILM 1/6 100 OHM J
R131 RD-AZ472J- R CARBON FILM 1/6 4.7K OHM J
R310 RD-AZ471J- R CARBON FILM 1/6 470 OHM J
R311 RD-AZ471J- R CARBON FILM 1/6 470 OHM J
R331 RD-2Z201J- R CARBON FILM 1/2 200 OHM J
R340 RD-4Z473J- R CARBON FILM 1/4 47K OHM J
R350 RN-AZ2201F R METAL FILM 1/6 2.2K OHM F
R351 RN-AZ2201F R METAL FILM 1/6 2.2K OHM F
R370 RD-4Z159J- R CARBON FILM 1/4 1.5 OHM J
R394 RD-AZ272J- R CARBON FILM 1/6 2.7K OHM J
R395 RD-4Z394J- R CARBON FILM 1/4 390K OHM J
R396 RD-AZ103J- R CARBON FILM 1/6 10K OHM J
R397 RD-AZ823J- R CARBON FILM 1/6 82K OHM J
R401 RD-4Z272J- R CARBON FILM 1/4 2.7K OHM J
R402 RD-4Z220J- R CARBON FILM 1/4 22 OHM J
R403 RD-4Z102J- R CARBON FILM 1/4 1K OHM J
R404 RD-4Z399J- R CARBON FILM 1/4 3.9 OHM J
R405 RD-4Z102J- R CARBON FILM 1/4 1K OHM J
R407 RD-4Z182J- R CARBON FILM 1/4 1.8K OHM J
R420 RD-4Z103J- R CARBON FILM 1/4 10K OHM J
R422 RD-4Z102J- R CARBON FILM 1/4 1K OHM J
R423 RD-4Z472J- R CARBON FILM 1/4 4.7K OHM J
R500 RD-AZ101J- R CARBON FILM 1/6 100 OHM J
R501 RD-AZ332J- R CARBON FILM 1/6 3.3K OHM J
R502 RD-AZ332J- R CARBON FILM 1/6 3.3K OHM J
R503 RD-AZ102J- R CARBON FILM 1/6 1K OHM J
R504 RD-AZ472J- R CARBON FILM 1/6 4.7K OHM J
R505 RD-AZ101J- R CARBON FILM 1/6 100 OHM J
R506 RD-AZ103J- R CARBON FILM 1/6 10K OHM J
R507 RD-AZ332J- R CARBON FILM 1/6 3.3K OHM J
R508 RD-AZ332J- R CARBON FILM 1/6 3.3K OHM J
R510 RD-AZ103J- R CARBON FILM 1/6 10K OHM J
R511 RD-AZ103J- R CARBON FILM 1/6 10K OHM J
R514 RD-AZ101J- R CARBON FILM 1/6 100 OHM J
R515 RD-AZ101J- R CARBON FILM 1/6 100 OHM J
R516 RD-AZ153J- R CARBON FILM 1/6 15K OHM J
R517 RD-AZ101J- R CARBON FILM 1/6 100 OHM J
R518 RD-AZ101J- R CARBON FILM 1/6 100 OHM J
R519 RD-AZ102J- R CARBON FILM 1/6 1K OHM J
R527 RD-AZ101J- R CARBON FILM 1/6 100 OHM J
R528 RD-AZ101J- R CARBON FILM 1/6 100 OHM J
R529 RD-AZ101J- R CARBON FILM 1/6 100 OHM J
R530 RD-AZ101J- R CARBON FILM 1/6 100 OHM J
R531 RD-AZ181J- R CARBON FILM 1/6 180 OHM J
R532 RD-AZ102J- R CARBON FILM 1/6 1K OHM J
R533 RD-AZ102J- R CARBON FILM 1/6 1K OHM J
R534 RD-AZ472J- R CARBON FILM 1/6 4.7K OHM J
R537 RD-AZ183J- R CARBON FILM 1/6 18K OHM J
R538 RD-AZ101J- R CARBON FILM 1/6 100 OHM J
R539 RD-AZ471J- R CARBON FILM 1/6 470 OHM J

53
CP-520/520A/520F Service Manual
DTV- R&D Europe
DTV- R&D Europe
z_loc z_parts_code parts_name parts_descr remark z_loc z_parts_code parts_name parts_descr remark
R540 RD-AZ471J- R CARBON FILM 1/6 470 OHM J
R541 RN-AZ3902F R METAL FILM 1/6 39K OHM F
R542 RD-AZ682J- R CARBON FILM 1/6 6.8K OHM J
R543 RD-AZ222J- R CARBON FILM 1/6 2.2K OHM J
R544 RD-AZ222J- R CARBON FILM 1/6 2.2K OHM J
R545 RD-AZ473J- R CARBON FILM 1/6 47K OHM J
R546 RD-AZ181J- R CARBON FILM 1/6 180 OHM J
R547 RD-AZ563J- R CARBON FILM 1/6 56K OHM J
R551 RD-AZ823J- R CARBON FILM 1/6 82K OHM J
R552 RD-AZ103J- R CARBON FILM 1/6 10K OHM J
R553 RD-AZ103J- R CARBON FILM 1/6 10K OHM J
R554 RD-AZ103J- R CARBON FILM 1/6 10K OHM J
R555 RD-AZ103J- R CARBON FILM 1/6 10K OHM J
R556 RD-AZ101J- R CARBON FILM 1/6 100 OHM J
R557 RD-AZ101J- R CARBON FILM 1/6 100 OHM J
R558 RD-AZ152J- R CARBON FILM 1/6 1.5K OHM J
R559 RD-AZ222J- R CARBON FILM 1/6 2.2K OHM J
R560 RD-AZ222J- R CARBON FILM 1/6 2.2K OHM J
R561 RD-AZ101J- R CARBON FILM 1/6 100 OHM J
R562 RD-AZ101J- R CARBON FILM 1/6 100 OHM J
R563 RD-AZ101J- R CARBON FILM 1/6 100 OHM J
R564 RD-AZ101J- R CARBON FILM 1/6 100 OHM J
R565 RD-AZ154J- R CARBON FILM 1/6 150K OHM J
R566 RD-AZ103J- R CARBON FILM 1/6 10K OHM J
R567 RD-AZ103J- R CARBON FILM 1/6 10K OHM J
R568 RD-AZ103J- R CARBON FILM 1/6 10K OHM J
R569 RD-AZ103J- R CARBON FILM 1/6 10K OHM J
R571 RD-AZ102J- R CARBON FILM 1/6 1K OHM J
R572 RD-AZ103J- R CARBON FILM 1/6 10K OHM J
R573 RD-AZ103J- R CARBON FILM 1/6 10K OHM J
R574 RD-AZ103J- R CARBON FILM 1/6 10K OHM J
R575 RD-AZ103J- R CARBON FILM 1/6 10K OHM J
R576 RD-AZ102J- R CARBON FILM 1/6 1K OHM J
R577 RD-AZ102J- R CARBON FILM 1/6 1K OHM J
R578 RD-AZ102J- R CARBON FILM 1/6 1K OHM J
R579 RD-AZ101J- R CARBON FILM 1/6 100 OHM J
R580 RD-AZ123J- R CARBON FILM 1/6 12K OHM J
R581 RD-AZ101J- R CARBON FILM 1/6 100 OHM J
R582 RD-AZ101J- R CARBON FILM 1/6 100 OHM J
R583 RD-AZ101J- R CARBON FILM 1/6 100 OHM J
R584 RD-AZ101J- R CARBON FILM 1/6 100 OHM J
R585 RD-AZ101J- R CARBON FILM 1/6 100 OHM J
R586 RD-AZ101J- R CARBON FILM 1/6 100 OHM J
R587 RD-AZ101J- R CARBON FILM 1/6 100 OHM J
R588 RD-AZ102J- R CARBON FILM 1/6 1K OHM J
R589 RD-AZ102J- R CARBON FILM 1/6 1K OHM J
R590 RD-AZ334J- R CARBON FILM 1/6 330K OHM J
R598 RD-AZ182J- R CARBON FILM 1/6 1.8K OHM J
R599 RD-AZ224J- R CARBON FILM 1/6 220K OHM J
R601 RD-AZ152J- R CARBON FILM 1/6 1.5K OHM J
R602 RD-AZ104J- R CARBON FILM 1/6 100K OHM J
R608 RD-2Z151J- R CARBON FILM 1/2 150 OHM J
R609 RD-2Z151J- R CARBON FILM 1/2 150 OHM J
R610 RD-AZ103J- R CARBON FILM 1/6 10K OHM J
R611 RD-AZ474J- R CARBON FILM 1/6 470K OHM J
R612 RD-AZ474J- R CARBON FILM 1/6 470K OHM J
R650 RD-AZ303J- R CARBON FILM 1/6 30K OHM J
R660 RD-AZ303J- R CARBON FILM 1/6 30K OHM J
R661 RD-AZ682J- R CARBON FILM 1/6 6.8K OHM J
R662 RD-AZ682J- R CARBON FILM 1/6 6.8K OHM J
R700 RD-2Z332J- R CARBON FILM 1/2 3.3K OHM J
R713 RD-AZ681J- R CARBON FILM 1/6 680 OHM J
R720 RD-AZ122J- R CARBON FILM 1/6 1.2K OHM J
R721 RD-AZ181J- R CARBON FILM 1/6 180 OHM J
R722 RD-AZ221J- R CARBON FILM 1/6 220 OHM J
R723 RD-AZ331J- R CARBON FILM 1/6 330 OHM J
R724 RD-AZ471J- R CARBON FILM 1/6 470 OHM J
R805 RD-2Z100J- R CARBON FILM 1/2 10 OHM J
R806 RD-2Z472J- R CARBON FILM 1/2 4.7K OHM J
R807 RD-2Z272J- R CARBON FILM 1/2 2.7K OHM J
R808 RD-2Z821J- R CARBON FILM 1/2 820 OHM J
R810 RD-4Z102J- R CARBON FILM 1/4 1K OHM J
R811 RC-2Z565KP R CARBON COMP 1/2 5.6M OHM K
R812 RD-4Z473J- R CARBON FILM 1/4 47K OHM J
R813 RD-4Z473J- R CARBON FILM 1/4 47K OHM J
R814 RD-AZ472J- R CARBON FILM 1/6 4.7K OHM J
R815 RD-AZ472J- R CARBON FILM 1/6 4.7K OHM J
R816 RD-4Z399J- R CARBON FILM 1/4 3.9 OHM J
R817 RD-AZ473J- R CARBON FILM 1/6 47K OHM J
R820 RD-AZ102J- R CARBON FILM 1/6 1K OHM J
R821 RD-4Z102J- R CARBON FILM 1/4 1K OHM J
R823 85801065GY WIRE COPPER AWG22 1/0.65 TIN COATING
R829 RD-AZ103J- R CARBON FILM 1/6 10K OHM J
R830 RD-AZ332J- R CARBON FILM 1/6 3.3K OHM J
R840 85801065GY WIRE COPPER AWG22 1/0.65 TIN COATING
R841 RD-2Z479J- R CARBON FILM 1/2 4.7 OHM J
R842 85801065GY WIRE COPPER AWG22 1/0.65 TIN COATING
R850 85801065GY WIRE COPPER AWG22 1/0.65 TIN COATING
R870 RD-2Z222J- R CARBON FILM 1/2 2.2K OHM J
R901 RD-AZ561J- R CARBON FILM 1/6 560 OHM J
R910 RD-AZ101J- R CARBON FILM 1/6 100 OHM J
R911 RD-AZ101J- R CARBON FILM 1/6 100 OHM J
R912 RD-AZ101J- R CARBON FILM 1/6 100 OHM J
R913 RC-2Z102K- R CARBON COMP 1/2 1K OHM K
R914 RC-2Z102K- R CARBON COMP 1/2 1K OHM K
R915 RC-2Z102K- R CARBON COMP 1/2 1K OHM K
R921 RD-AZ221J- R CARBON FILM 1/6 220 OHM J
R922 RD-AZ221J- R CARBON FILM 1/6 220 OHM J
R923 RD-AZ221J- R CARBON FILM 1/6 220 OHM J
R996 RD-2Z105J- R CARBON FILM 1/2 1M OHM J
R997 RD-2Z102J- R CARBON FILM 1/2 1K OHM J
RA02 RD-AZ101J- R CARBON FILM 1/6 100 OHM J
RA03 RD-AZ101J- R CARBON FILM 1/6 100 OHM J
RA04 RD-AZ101J- R CARBON FILM 1/6 100 OHM J
RA05 RD-AZ103J- R CARBON FILM 1/6 10K OHM J
RA06 RD-AZ750J- R CARBON FILM 1/6 75 OHM J
RA07 RD-AZ332J- R CARBON FILM 1/6 3.3K OHM J
RA08 RD-AZ750J- R CARBON FILM 1/6 75 OHM J
RA09 RD-AZ750J- R CARBON FILM 1/6 75 OHM J
RA10 RD-AZ470J- R CARBON FILM 1/6 47 OHM J
RA11 RD-AZ680J- R CARBON FILM 1/6 68 OHM J
RA12 RD-AZ102J- R CARBON FILM 1/6 1K OHM J
RA13 RD-AZ222J- R CARBON FILM 1/6 2.2K OHM J
RA14 RD-AZ220J- R CARBON FILM 1/6 22 OHM J
RA15 RD-AZ750J- R CARBON FILM 1/6 75 OHM J
RA16 RD-AZ750J- R CARBON FILM 1/6 75 OHM J
RA17 RD-AZ103J- R CARBON FILM 1/6 10K OHM J
RA18 RD-AZ332J- R CARBON FILM 1/6 3.3K OHM J
RA19 RD-AZ750J- R CARBON FILM 1/6 75 OHM J
RA23 RD-AZ220J- R CARBON FILM 1/6 22 OHM J
RA24 RD-AZ222J- R CARBON FILM 1/6 2.2K OHM J
RA25 RD-AZ102J- R CARBON FILM 1/6 1K OHM J
RA29 RD-AZ101J- R CARBON FILM 1/6 100 OHM J
RA32 RD-AZ470J- R CARBON FILM 1/6 47 OHM J
RA35 RD-AZ750J- R CARBON FILM 1/6 75 OHM J
ZZ140 PTPKCPY28A8F PACKING AS DTY-28A8FZF
M681 2TP06575CL TAPE OPP T0.065XW75X500M CLEAR
M801 GPBBW5B1122 BOX DTE-28B1 (NEW)
M811 4858199C01UP PAD UP EPS 28A8
M811A 4858199C01DN PAD DOWN EPS 28A8
M822 4858215601 BAG P.E. “PE FOAM T0.5X1600X1270 25””-28”” “

54
CP-520/520A/520F Service Manual
DTV- R&D Europe
z_loc z_parts_code parts_name parts_descr remark z_loc z_parts_code parts_name parts_descr remark
ZZ100 PTACPWC20T2FS ACCESSORY AS DTC-20T2FZS-S
12000 48B4846G2201 TRANSMITTER REMOCON R-46G22 (AAA)
13000 4850Q00910 BATTERY AAA R03/NN SUPERGARD
14000 4858213801 BAG INSTRUCTION L. D. P. E. T0. 05X250X40
ZZ120 PTBCSHC20T2S COVER BACK AS DTC-20T2FZS-S
M211 4852147601G COVER BACK 20T2 GY503A
M541 4855415800 S/PLATE 150ART P/E FILM (C/TV)
M542 485580002207 LABEL SERIAL ART 90
M781 4857817611 CLOTH BLACK “200 MM 14”” “
M782 4857817620 CLOTH BLACK 100 MM
ZZ130 PTCACAC20T2FSS CABINET AS DTC-20T2FZS-S
20 2193011101 SOLDER WIRE RS 60-1.2 1.6A
40 4856812001 TIE CABLE NYLON66 DA100
M191 485192570101 BUTTON CTRL AS 20T2 GY503A (GRAY)+PMMA
M201A 4856017303 SCREW CRT FIX 5X30 L80 BK
M201B 4856215402 WASHER RUBBER 20’’
M201C 4856017310 SCREW CRT FIX 5X30 L190 BK
M211A 7172401412 SCREW TAPPING TT2 TRS 4X14 MFZN BK
M211B 7178301011 SCREW TAPPING TT2 WAS 3X10 MFZN
M481 485484850201 BUTTON POWER 20T2 GY503A (GRAY)
M481A 4856716000 SPRING 14Q1/M3 SWPA PIE0.5
M561 48556159SS01 MARK BRAND “DAEWOO 20”” (SILVER) “
PWC1 4859906210 CORD POWER W/F 6-LO (LOMAX NEW)
V901 4859637960 “CRT 20””SAMSUNG “ A48ECR43X56
ZZ131 58G0000146 COIL DEGAUSSING DC-20SF
ZZ132 48519A5010 CRT GROUND AS 20A5
ZZ200 PTFMSJC20T2S MASK FRONT AS DTC-20T2FZS-S
M201 4852061001G MASK FRONT 20T2 GY503A+SV503BP
ZZ210 PTSPPWC20T2S SPEAKER AS DTC-20T2FZS-S
SP01 4858310910 SPEAKER 7.5W 8 OHM 95BF03LC
SP01A 4850704S28 CONN AS YH025-04+35089+ULW=600
SP02 4858310910 SPEAKER 7.5W 8 OHM 95BF03LC
ZZ290 PTMPMSC20T2FS PCB MAIN MANUAL AS DTC-20T2FZS
10 2193100801 SOLDER BAR SN:PB=63:37 3PI(NO FLUX)
40 2291050314 FLUX SOLVENT IM-1000
20 2193011101 SOLDER WIRE RS 60-1.2 1.6A
30 2291050617P FLUX SOLDER CF-329D
50 2291140501 WAX COVER 60G/PC
60 2291051001 FLUX KILLER KFT-7
C315 CEXF2A470V C ELECTRO 100V RSS 47MF (10X16) TP
C402 CMYH3C822J C MYLAR 1.6KV 8200PF J (BUP)
C408 CMYE2D474J C MYLAR 200V 0.47MF J (PL)
C415 CEXF2E330V C ELECTRO 250V RSS 33MF (13X25) TP
C430 CCYR3D681K C CERA 2KV R 680PF K 125C
C431 CMXB2G472J C MYLAR 400V 4700PF J TP
C604 CEXF1E102V C ELECTRO 25V RSS 1000MF (13X20) TP
C801 CL1UC3474M C LINE ACROSS 0.47MF 1J(UCVSNDF/SV
C805 CEYN2G181P C ELECTRO 400V LHS 180MF (25X35)
C810 CCYR3A102K C CERA HIKR 1KV 1000PF K 125C
C812 CH1BFE472M C CERA AC AC400V 4700PF M U/C/V
C813 CEYF2E470V C ELECTRO 250V RSS 47MF (16X25
C814 CEXF2E101V C ELECTRO 250V RSS 100MF 18X35.5
C820 CCYR3A102K C CERA HIKR 1KV 1000PF K 125C
C823 CEXF1E102V C ELECTRO 25V RSS 1000MF (13X20) TP
C832 CEXF1E102V C ELECTRO 25V RSS 1000MF (13X20) TP
C840 CEXF1C332V C ELECTRO 16V RSS 3300MF
C841 CEXF1C332V C ELECTRO 16V RSS 3300MF
C861 CEXF1E102C C ELECTRO 25V RUS 1000MF 13X20 TP
C866 CCYR3A471K C CERA 1KV 470PF K 125C
C905 CEXF2E479V C ELECTRO 250V RSS 4.7MF (10X16)TP
C965 CBXB3D102K C CERA SEMI 2KV BL(N) 1000PF K (T)
C997 CEXF2E100V C ELECTRO 250V RSS 10MF (10X20) TP
D403 DBY228—— DIODE BY228
D820 DBYW76—— DIODE BYW76
D860 DBYW76—— DIODE BYW76
F801 5FSCB4022R FUSE CERA SEMKO F4AH 4A 250V MF51
G900 4SG0DY0001 SPARK GAP SSG-102-A1(1.0KV) BULK
G901 4SG0DY0001 SPARK GAP SSG-102-A1(1.0KV) BULK
G902 4SG0DY0001 SPARK GAP SSG-102-A1(1.0KV) BULK
G903 4SG0DY0001 SPARK GAP SSG-102-A1(1.0KV) BULK
G904 4SG0DY0001 SPARK GAP SSG-102-A1(1.0KV) BULK
I301 1TDA8358J- IC VERTICAL TDA8358J
I301A 4857024421 HEAT SINK I602A (CP-385)
I301B 7174301011 SCREW TAPPTITE TT2 RND 3X10 MFZN
I502 1AT24C16PC IC MEMORY AT24C16-10PC
I602 1TDA8946J- IC AUDIO TDA8946J
I602A 4857024421 HEAT SINK I602A (CP-385)
I602B 7174301011 SCREW TAPPTITE TT2 RND 3X10 MFZN
I703 1TS0P1238W IC PREAMP TSOP1238WI1
I801 1STRF6653- IC SMPS STR-F6653
I801A 4857024600 HEAT SINK AL EX B/K
I801B 7174301211 SCREW TAPPTITE TT2 RND 3X12 MFZN
I804 1KP1010C— IC PHOTO COUPLER KP-1010C
I806 1DP110—— IC ERROR AMP DP110
I810 TX0202DA— THYRISTOR X0202DA
I820 1L7805CV— IC REGULATOR L7805CV
I822 1L7808CV— IC REGULATOR L7808CV
I823 1LD1117V33 IC REGULATOR LD1117AV33 3.3V TO-220
I824 1LD1117V50 IC REGULATOR LD1117AV50 5.0V TO-220
I901 1TDA6107AJ IC VIDEO TDA6107AJF
I901A 4857031100 HEAT SINK A1050P-H24 T2.0
I901B 7174300811 SCREW TAPPTITE TT2 RND 3X8 MFZN
JP01 4859102130 JACK EARPHONE YSC-1537
JPA1 4859200401 SOCKET RGB SR-21A1 (ANGLE TYPE)
JPA2 4859200401 SOCKET RGB SR-21A1 (ANGLE TYPE)
JPA3 4859108450 JACK PIN BOARD YSC03P-4120-14A
L401 58H0000020 COIL H-LINEARITY L-76(76.5UH)
L514 5CPZ100K04 COIL PEAKING 10UH 10.5MM K (LAL04TB)
L802 58C9430599 COIL CHOKE AZ-9004Y(94MH)
LF801 5PLF24A1— FILTER LINE LF-24A1
M351 4858900002 HOLDER LED AS LH-3P
P401 4850705N14 CONNECTOR BIC-05T-25T+ULW=500
P402 4859240120 CONN WAFER YFW500-06
P501 4850705N14 CONNECTOR BIC-05T-25T+ULW=500
P601 4859231720 CONN WAFER YW025-04
P701 4859231720 CONN WAFER YW025-04
P801 4859287320 CONN WAFER MKS2822 (LOMAX NEW TYPE)
P802 4859242220 CONN WAFER YFW800-02
P905 4859262120 CONN WAFER YFW 800-01 A5MODELS
Q401 T2SD2578— TR 2SD2578
Q401A 4857024500 HEAT SINK AL EX
Q401B 7174300811 SCREW TAPPTITE TT2 RND 3X8 MFZN
R398 RS02Y189JS R M-OXIDE FILM 2W 1.8 OHM J SMALL
R415 RS02Y102JS R M-OXIDE FILM 2W 1K OHM J SMALL
R450 RS02Y223JS R M-OXIDE FILM 2W 22K OHM J SMALL
R801 DDC7R0M290 POSISTOR ECPCD7R0M290
R802 RS02Y753JS R M-OXIDE FILM 2W 75K OHM J SMALL
R803 RS02Y473JS R M-OXIDE FILM 2W 47K OHM J SMALL
R804 RS02Y278JS R M-OXIDE FILM 2W 0.27 OHM J SMALL
R819 RX10B339JN R CEMENT 10W 3.3 OHM J BENCH 4P
R822 RS02Y569JS R M-OXIDE FILM 2W 5.6 OHM J SMALL
R920 RF01Y688JA R FUSIBLE 1W 0.68 OHM J A
SCT1 4859303530 SOCKET CRT PCS629-03C
SW801 5S40101143 SW PUSH PS3-22SP (P.C.B)
T401 50D10A2—- TRANS DRIVE TD-10A2
T402 50H0000204 FBT 1142.5106
T801 50M3934A2- TRANS SMPS 2084.0046
U100 4859724930 TUNER VARACTOR UV1316/AI-4
U100B 4851900130 GROUND TUNER AS DS-W1015-S
X501 5XJ24R576E CRYSTAL QUARTZ HC-49/S 24.576MHZ 30PPM
Z101 5PK3953M— FILTER SAW K3953M
Z102 5PK9650M— FILTER SAW K9650M
ZZ200 PTMPJBC20T2FS PCB MAIN EYE LET AS DTC-20T2FZS
E01 4856310600 EYE LET BSR 2.3(R2.3)
E02 4856310600 EYE LET BSR 2.3(R2.3)
E03 4856310600 EYE LET BSR 2.3(R2.3)
E04 4856310600 EYE LET BSR 2.3(R2.3)
E05 4856310600 EYE LET BSR 2.3(R2.3)
E06 4856310600 EYE LET BSR 2.3(R2.3)
E13 4856310600 EYE LET BSR 2.3(R2.3)
E14 4856310600 EYE LET BSR 2.3(R2.3)
E17 4856310600 EYE LET BSR 2.3(R2.3)
E18 4856310600 EYE LET BSR 2.3(R2.3)
E19 4856310600 EYE LET BSR 2.3(R2.3)
E20 4856310600 EYE LET BSR 2.3(R2.3)
E21 4856310300 EYE LET BSR T0.2 (R1.6)
E22 4856310300 EYE LET BSR T0.2 (R1.6)
E23 4856310300 EYE LET BSR T0.2 (R1.6)
E24 4856310300 EYE LET BSR T0.2 (R1.6)
E25 4856310300 EYE LET BSR T0.2 (R1.6)
E26 4856310300 EYE LET BSR T0.2 (R1.6)
E27 4856310300 EYE LET BSR T0.2 (R1.6)
E28 4856310300 EYE LET BSR T0.2 (R1.6)
E29 4856310300 EYE LET BSR T0.2 (R1.6)
6.2 DTC-20T2FZS-S

55
CP-520/520A/520F Service Manual
DTV- R&D Europe
DTV- R&D Europe
z_loc z_parts_code parts_name parts_descr remark z_loc z_parts_code parts_name parts_descr remark
E30 4856310300 EYE LET BSR T0.2 (R1.6)
E31 4856310300 EYE LET BSR T0.2 (R1.6)
E32 4856310300 EYE LET BSR T0.2 (R1.6)
E33 4856310300 EYE LET BSR T0.2 (R1.6)
E34 4856310300 EYE LET BSR T0.2 (R1.6)
E35 4856310300 EYE LET BSR T0.2 (R1.6)
E36 4856310300 EYE LET BSR T0.2 (R1.6)
E37 4856310300 EYE LET BSR T0.2 (R1.6)
E38 4856310300 EYE LET BSR T0.2 (R1.6)
E42 4856310300 EYE LET BSR T0.2 (R1.6)
E43 4856310300 EYE LET BSR T0.2 (R1.6)
E44 4856310300 EYE LET BSR T0.2 (R1.6)
E47 4856310300 EYE LET BSR T0.2 (R1.6)
E48 4856310300 EYE LET BSR T0.2 (R1.6)
E49 4856310300 EYE LET BSR T0.2 (R1.6)
E50 4856310300 EYE LET BSR T0.2 (R1.6)
E51 4856310300 EYE LET BSR T0.2 (R1.6)
E54 4856310300 EYE LET BSR T0.2 (R1.6)
E55 4856310300 EYE LET BSR T0.2 (R1.6)
E56 4856310600 EYE LET BSR 2.3(R2.3)
E57 4856310600 EYE LET BSR 2.3(R2.3)
ZZ200 PTMPJ2C20T2FS PCB CHIP MOUNT B AS DTC-20T2FZS
I501 1TDA20HB01 IC MICOM FLASH TDA12020H1/N1 B01
ZZ200 PTMPJRC20T2FS PCB MAIN RADIAL AS DTC-20T2FZS
C102 CEXF1E470V C ELECTRO 25V RSS 47MF (5X11) TP
C104 CCXB1H102K C CERA 50V B 1000PF K (TAPPING)
C106 CEXF1E470V C ELECTRO 25V RSS 47MF (5X11) TP
C121 CEXF1H100V C ELECTRO 50V RSS 10MF (5X11) TP
C122 CEXF1H100V C ELECTRO 50V RSS 10MF (5X11) TP
C305 CEXF1E221V C ELECTRO 25V RSS 220MF (8X11.5) TP
C313 CMXM2A104J C MYLAR 100V 0.1MF J TP
C320 CBXF1H104Z C CERA SEMI 50V F 0.1MF Z (TAPPING)
C350 CCXF1H473Z C CERA 50V F 0.047MF Z (TAPPING)
C351 CCXF1H473Z C CERA 50V F 0.047MF Z (TAPPING)
C370 CCXF1H473Z C CERA 50V F 0.047MF Z (TAPPING)
C401 CEXF1H101V C ELECTRO 50V RSS 100MF (8*11.5) TP
C412 CEXF2C339V C ELECTRO 160V RSS 3.3MF (8X16) TP
C414 CMXM2A104J C MYLAR 100V 0.1MF J TP
C418 CCXB1H102K C CERA 50V B 1000PF K (TAPPING)
C420 CCXB2H222K C CERA 500V B 2200PF K (TAPPING)
C421 CCXF1H473Z C CERA 50V F 0.047MF Z (TAPPING)
C501 CEXF1C470V C ELECTRO 16V RSS 47MF (5X11) TP
C502 CEXF1C470V C ELECTRO 16V RSS 47MF (5X11) TP
C505 CMXL1J224J C MYLAR 63V MEU 0.22MF J TP
C507 CMXL1J224J C MYLAR 63V MEU 0.22MF J TP
C508 CEXF1C470V C ELECTRO 16V RSS 47MF (5X11) TP
C509 CMXL1J224J C MYLAR 63V MEU 0.22MF J TP
C510 CEXF1E101V C ELECTRO 25V RSS 100MF (6.3X11) TP
C511 CCXB1H102K C CERA 50V B 1000PF K (TAPPING)
C513 CMXL1J224J C MYLAR 63V MEU 0.22MF J TP
C514 CCXB1H102K C CERA 50V B 1000PF K (TAPPING)
C515 CMXL1J224J C MYLAR 63V MEU 0.22MF J TP
C516 CMXL1J224J C MYLAR 63V MEU 0.22MF J TP
C517 CEXF1C101V C ELECTRO 16V RSS 100MF (6.3X11) TP
C518 CBXF1H104Z C CERA SEMI 50V F 0.1MF Z (TAPPING)
C519 CMXL1J224J C MYLAR 63V MEU 0.22MF J TP
C520 CEXF1H229V C ELECTRO 50V RSS 2.2MF (5X11) TP
C521 CCXB1H222K C CERA 50V B 2200PF K (TAPPING)
C522 CBXF1H104Z C CERA SEMI 50V F 0.1MF Z (TAPPING)
C524 CMXM2A682J C MYLAR 100V 6800PF J TP
C525 CEXF1H109V C ELECTRO 50V RSS 1MF (5X11) TP
C526 CMXL1J224J C MYLAR 63V MEU 0.22MF J TP
C527 CEXF1H100V C ELECTRO 50V RSS 10MF (5X11) TP
C528 CCXF1H223Z C CERA 50V F 0.022MF Z (TAPPING)
C529 CMXL1J154J C MYLAR 63V MEU 0.15MF J
C534 CEXF1H229V C ELECTRO 50V RSS 2.2MF (5X11) TP
C535 CMXL1J474J C MYLAR 63V 0.47MF MKT
C536 CMXL1J474J C MYLAR 63V 0.47MF MKT
C537 CEXF1H229V C ELECTRO 50V RSS 2.2MF (5X11) TP
C538 CEXF1H229V C ELECTRO 50V RSS 2.2MF (5X11) TP
C539 CMXM2A332J C MYLAR 100V 3300PF J TP
C540 CMXM2A473J C MYLAR 100V 0.047MF J TP
C542 CEXF1H100V C ELECTRO 50V RSS 10MF (5X11) TP
C543 CEXF1H229V C ELECTRO 50V RSS 2.2MF (5X11) TP
C545 CEXF1H229V C ELECTRO 50V RSS 2.2MF (5X11) TP
C547 CEXF1H100V C ELECTRO 50V RSS 10MF (5X11) TP
C548 CEXF1H100V C ELECTRO 50V RSS 10MF (5X11) TP
C549 CMXL1J474J C MYLAR 63V 0.47MF MKT
C552 CMXL1J474J C MYLAR 63V 0.47MF MKT
C553 CMXL1J474J C MYLAR 63V 0.47MF MKT
C554 CMXL1J474J C MYLAR 63V 0.47MF MKT
C556 CCXB1H102K C CERA 50V B 1000PF K (TAPPING)
C558 CBXF1H104Z C CERA SEMI 50V F 0.1MF Z (TAPPING)
C560 CEXF1H229V C ELECTRO 50V RSS 2.2MF (5X11) TP
C561 CEXF1H229V C ELECTRO 50V RSS 2.2MF (5X11) TP
C562 CMXM2A104J C MYLAR 100V 0.1MF J TP
C563 CEXF1H100V C ELECTRO 50V RSS 10MF (5X11) TP
C567 CEXF1H100V C ELECTRO 50V RSS 10MF (5X11) TP
C568 CBXF1H104Z C CERA SEMI 50V F 0.1MF Z (TAPPING)
C569 CEXF1E470V C ELECTRO 25V RSS 47MF (5X11) TP
C574 CMXL1J224J C MYLAR 63V MEU 0.22MF J TP
C576 CMXL1J224J C MYLAR 63V MEU 0.22MF J TP
C577 CEXF1E470V C ELECTRO 25V RSS 47MF (5X11) TP
C579 CCXB1H102K C CERA 50V B 1000PF K (TAPPING)
C581 CMXL1J224J C MYLAR 63V MEU 0.22MF J TP
C582 CEXF1C101V C ELECTRO 16V RSS 100MF (6.3X11) TP
C602 CEXF1C221V C ELECTRO 16V RSS 220MF (8X11.5) TP
C608 CCXB1H222K C CERA 50V B 2200PF K (TAPPING)
C609 CCXB1H222K C CERA 50V B 2200PF K (TAPPING)
C625 CEXF1H479V C ELECTRO 50V RSS 4.7MF (5*11) TP
C660 CEXF1H100V C ELECTRO 50V RSS 10MF (5X11) TP
C661 CMXM2A224J C MYLAR 100V 0.22MF J BULK
C662 CMXM2A224J C MYLAR 100V 0.22MF J BULK
C665 CCXB1H472K C CERA 50V B 4700PF K (TAPPING)
C666 CBXF1H104Z C CERA SEMI 50V F 0.1MF Z (TAPPING)
C667 CCXB1H472K C CERA 50V B 4700PF K (TAPPING)
C668 CMXM2A224J C MYLAR 100V 0.22MF J BULK
C669 CMXM2A224J C MYLAR 100V 0.22MF J BULK
C690 CEXF1H479V C ELECTRO 50V RSS 4.7MF (5*11) TP
C691 CEXF1H479V C ELECTRO 50V RSS 4.7MF (5*11) TP
C770 CEXF1C101V C ELECTRO 16V RSS 100MF (6.3X11) TP
C803 CCXF3A472Z C CERA 1KV F 4700PF Z (T)
C804 CCXF3A472Z C CERA 1KV F 4700PF Z (T)
C806 CEXF1H220V C ELECTRO 50V RSS 22MF (5X11) TP
C807 CMXL1J104J C MYLAR 63V MEU 0.1MF J
C808 CEXF1H100V C ELECTRO 50V RSS 10MF (5X11) TP
C809 CCXB1H102K C CERA 50V B 1000PF K (TAPPING)
C821 CCXB1H102K C CERA 50V B 1000PF K (TAPPING)
C824 CCXB3A471K C CERA 1KV B 470PF K (T)
C831 CCXB3A471K C CERA 1KV B 470PF K (T)
C835 CEXF1E470V C ELECTRO 25V RSS 47MF (5X11) TP
C844 CEXF1E101V C ELECTRO 25V RSS 100MF (6.3X11) TP
C850 CCXB1H821K C CERA 50V B 820PF K (TAPPING)
C862 CEXF1E101V C ELECTRO 25V RSS 100MF (6.3X11) TP
C863 CEXF1E101V C ELECTRO 25V RSS 100MF (6.3X11) TP
C901 CCXB1H561K C CERA 50V B 560PF K (TAPPING)
C968 CMXL2E104K C MYLAR 250V 0.1MF K MEU TP
CA10 CCXB1H102K C CERA 50V B 1000PF K (TAPPING)
F801A 4857415001 CLIP FUSE PFC5000-0702
F801B 4857415001 CLIP FUSE PFC5000-0702
L517 5CPX479K— COIL PEAKING 4.7UH K RADIAL
L518 5CPX479K— COIL PEAKING 4.7UH K RADIAL
L519 5CPX479K— COIL PEAKING 4.7UH K RADIAL
Q120 T2SC5343Y- TR 2SC5343Y
Q402 T2SD1207T- TR 2SD1207-T (TAPPING)
Q501 T2SC5343Y- TR 2SC5343Y
Q502 T2SA1980Y- TR 2SA1980Y
Q503 T2SC5343Y- TR 2SC5343Y
Q504 T2SA1980Y- TR 2SA1980Y
Q506 T2SC5343Y- TR 2SC5343Y
Q507 T2SA1980Y- TR 2SA1980Y
Q508 T2SC5343Y- TR 2SC5343Y
Q513 T2SA1980Y- TR 2SA1980Y
Q514 TH2N7000— TR H2N7000
Q515 TH2N7000— TR H2N7000
Q601 T2SC5343Y- TR 2SC5343Y
Q602 T2SA1980Y- TR 2SA1980Y
Q807 T2SC5343Y- TR 2SC5343Y
Q808 T2SC5343Y- TR 2SC5343Y
Q809 T2SC5343Y- TR 2SC5343Y
Q810 T2SC5343Y- TR 2SC5343Y
Q811 T2SC5343Y- TR 2SC5343Y
Q813 T2SA1980Y- TR 2SA1980Y
Q814 T2SC5343Y- TR 2SC5343Y

56
CP-520/520A/520F Service Manual
DTV- R&D Europe
z_loc z_parts_code parts_name parts_descr remark z_loc z_parts_code parts_name parts_descr remark
Q815 T2SA1980Y- TR 2SA1980Y
Q816 T2SC5343Y- TR 2SC5343Y
SW700 5S50101090 SW TACT SKHV17910A
SW701 5S50101090 SW TACT SKHV17910A
SW702 5S50101090 SW TACT SKHV17910A
SW703 5S50101090 SW TACT SKHV17910A
SW704 5S50101090 SW TACT SKHV17910A
Z601 5PEFST471Y FILTER EMI EFST 471
Z602 5PEFST471Y FILTER EMI EFST 471
Z603 5PEFST471Y FILTER EMI EFST 471
Z604 5PEFST471Y FILTER EMI EFST 471
Z605 5PEFST471Y FILTER EMI EFST 471
Z606 5PEFST471Y FILTER EMI EFST 471
Z607 5PEFST471Y FILTER EMI EFST 471
Z608 5PEFST471Y FILTER EMI EFST 471
Z609 5PEFST471Y FILTER EMI EFST 471
Z610 5PEFST471Y FILTER EMI EFST 471
Z611 5PEFST471Y FILTER EMI EFST 471
Z612 5PEFST471Y FILTER EMI EFST 471
ZZ200 PTMPJAC20T2FS PCB MAIN AXIAL AS DTC-20T2FZS
20 2TM10006LB TAPE MASKING 3M #232-MAP-C 6.2X2000M
10 2TM14006LB TAPE MASKING 3M #232 6.0X2000M
A001 4859809893 PCB MAIN CP-520A DTC
C103 CCZB1H102K C CERA 50V B 1000PF K (AXIAL)
C107 CZSL1H470J C CERA 50V SL 47PF J
C108 CZSL1H470J C CERA 50V SL 47PF J
C120 CCZB1H102K C CERA 50V B 1000PF K (AXIAL)
C123 CCZB1H472K C CERA 50V B 4700PF K (AXIAL)
C503 CCZB1H102K C CERA 50V B 1000PF K (AXIAL)
C504 CCZB1H102K C CERA 50V B 1000PF K (AXIAL)
C512 CBZF1H104Z C CERA SEMI 50V F 0.1MF Z (AXIAL)
C523 CCZB1H102K C CERA 50V B 1000PF K (AXIAL)
C530 CCZB1H101K C CERA 50V B 100PF K (AXIAL)
C531 CCZF1H103Z C CERA 50V F 0.01MF Z
C532 CCZF1H103Z C CERA 50V F 0.01MF Z
C533 CCZB1H102K C CERA 50V B 1000PF K (AXIAL)
C541 CBZF1H104Z C CERA SEMI 50V F 0.1MF Z (AXIAL)
C544 CBZF1H104Z C CERA SEMI 50V F 0.1MF Z (AXIAL)
C546 CBZF1H104Z C CERA SEMI 50V F 0.1MF Z (AXIAL)
C550 CCZF1H103Z C CERA 50V F 0.01MF Z
C551 CBZF1H104Z C CERA SEMI 50V F 0.1MF Z (AXIAL)
C555 CCZB1H102K C CERA 50V B 1000PF K (AXIAL)
C557 CBZF1H104Z C CERA SEMI 50V F 0.1MF Z (AXIAL)
C564 CBZF1H104Z C CERA SEMI 50V F 0.1MF Z (AXIAL)
C565 CBZF1H104Z C CERA SEMI 50V F 0.1MF Z (AXIAL)
C566 CBZF1H104Z C CERA SEMI 50V F 0.1MF Z (AXIAL)
C571 CCZB1H101K C CERA 50V B 100PF K (AXIAL)
C572 CCZB1H101K C CERA 50V B 100PF K (AXIAL)
C573 CCZB1H101K C CERA 50V B 100PF K (AXIAL)
C575 CCZB1H102K C CERA 50V B 1000PF K (AXIAL)
C578 CBZF1H104Z C CERA SEMI 50V F 0.1MF Z (AXIAL)
C589 CCZB1H472K C CERA 50V B 4700PF K (AXIAL)
C590 CBZF1H104Z C CERA SEMI 50V F 0.1MF Z (AXIAL)
C591 CBZF1H104Z C CERA SEMI 50V F 0.1MF Z (AXIAL)
C592 CCZF1H103Z C CERA 50V F 0.01MF Z
C701 CCZB1H103K C CERA 50V B 0.01MF K (AXIAL)
C830 CBZF1H104Z C CERA SEMI 50V F 0.1MF Z (AXIAL)
CA01 CCZB1H101K C CERA 50V B 100PF K (AXIAL)
CA02 CCZB1H101K C CERA 50V B 100PF K (AXIAL)
CA03 CCZB1H101K C CERA 50V B 100PF K (AXIAL)
CA04 CCZB1H101K C CERA 50V B 100PF K (AXIAL)
CA05 CCZB1H101K C CERA 50V B 100PF K (AXIAL)
CA06 CCZB1H101K C CERA 50V B 100PF K (AXIAL)
CA28 CCZB1H102K C CERA 50V B 1000PF K (AXIAL)
D101 DBAT85—— DIODE BAT85 (TAPPING)
D102 DBA282—— DIODE BA282
D313 D1N4937G— DIODE 1N4937G
D405 D1N4937G— DIODE 1N4937G
D407 DRGP15J—- DIODE RGP15J
D408 DRGP15J—- DIODE RGP15J
D410 D1N4004S— DIODE 1N4004S
D414 D1N4004S— DIODE 1N4004S
D450 D1N4937G— DIODE 1N4937G
D501 DBAT85—— DIODE BAT85 (TAPPING)
D502 DTZX3V9B— DIODE ZENER TZX3V9B (TAPPING)
D503 DTZX3V9B— DIODE ZENER TZX3V9B (TAPPING)
D504 DTZX5V6B— DIODE ZENER TZX5V6B (TAPPING)
D520 D1N4148—- DIODE 1N4148 (TAPPING)
D521 D1N4148—- DIODE 1N4148 (TAPPING)
D522 DTZX3V9B— DIODE ZENER TZX3V9B (TAPPING)
D523 DTZX3V9B— DIODE ZENER TZX3V9B (TAPPING)
D601 D1N4148—- DIODE 1N4148 (TAPPING)
D602 D1N4148—- DIODE 1N4148 (TAPPING)
D710 DTZX5V6B— DIODE ZENER TZX5V6B (TAPPING)
D801 DLT2A05G— DIODE LT2A05G
D802 DLT2A05G— DIODE LT2A05G
D803 DLT2A05G— DIODE LT2A05G
D804 DLT2A05G— DIODE LT2A05G
D805 D1N4937G— DIODE 1N4937G
D806 D1N4937G— DIODE 1N4937G
D808 D1N4937G— DIODE 1N4937G
D809 D1N4937G— DIODE 1N4937G
D811 DTZX6V2—- DIODE ZENER TZX6V2B (TAPPING)
D821 DRGP15J—- DIODE RGP15J
D822 DTZX9V1B— DIODE ZENER TZX9V1B (TAPPING)
D823 DTZX5V6B— DIODE ZENER TZX5V6B (TAPPING)
D824 D1N4148—- DIODE 1N4148 (TAPPING)
D825 D1N4148—- DIODE 1N4148 (TAPPING)
D830 D1N4937G— DIODE 1N4937G
D831 D1N4937G— DIODE 1N4937G
D840 D1N4004S— DIODE 1N4004S
D841 D1N4148—- DIODE 1N4148 (TAPPING)
D904 DBAV21—— DIODE BAV21 (TAPPING)
D905 DBAV21—— DIODE BAV21 (TAPPING)
D906 DBAV21—— DIODE BAV21 (TAPPING)
D997 DLT2A05G— DIODE LT2A05G
DA01 D1N4148—- DIODE 1N4148 (TAPPING)
DA02 DTZX5V6B— DIODE ZENER TZX5V6B (TAPPING)
DA03 D1N4148—- DIODE 1N4148 (TAPPING)
DA04 DTZX5V6B— DIODE ZENER TZX5V6B (TAPPING)
DA06 DTZX5V6B— DIODE ZENER TZX5V6B (TAPPING)
DA08 DTZX5V6B— DIODE ZENER TZX5V6B (TAPPING)
DA09 DTZX5V6B— DIODE ZENER TZX5V6B (TAPPING)
DA10 DTZX5V6B— DIODE ZENER TZX5V6B (TAPPING)
DA11 DTZX5V6B— DIODE ZENER TZX5V6B (TAPPING)
DA13 DTZX5V6B— DIODE ZENER TZX5V6B (TAPPING)
DA14 DTZX5V6B— DIODE ZENER TZX5V6B (TAPPING)
DA15 DTZX5V6B— DIODE ZENER TZX5V6B (TAPPING)
DA16 DTZX5V6B— DIODE ZENER TZX5V6B (TAPPING)
DA20 DTZX5V6B— DIODE ZENER TZX5V6B (TAPPING)
DA21 DTZX5V6B— DIODE ZENER TZX5V6B (TAPPING)
DA22 DTZX5V6B— DIODE ZENER TZX5V6B (TAPPING)
I805 DTZX33B—- DIODE ZENER TZX33B (TAPPING)
J10 85801065GY WIRE COPPER AWG22 1/0.65 TIN COATING
J100 85801065GY WIRE COPPER AWG22 1/0.65 TIN COATING
J101 85801065GY WIRE COPPER AWG22 1/0.65 TIN COATING
J102 85801065GY WIRE COPPER AWG22 1/0.65 TIN COATING
J103 85801065GY WIRE COPPER AWG22 1/0.65 TIN COATING
J104 85801065GY WIRE COPPER AWG22 1/0.65 TIN COATING
J105 85801065GY WIRE COPPER AWG22 1/0.65 TIN COATING
J106 85801065GY WIRE COPPER AWG22 1/0.65 TIN COATING
J107 85801065GY WIRE COPPER AWG22 1/0.65 TIN COATING
J108 85801065GY WIRE COPPER AWG22 1/0.65 TIN COATING
J109 85801065GY WIRE COPPER AWG22 1/0.65 TIN COATING
J11 85801065GY WIRE COPPER AWG22 1/0.65 TIN COATING
J111 85801065GY WIRE COPPER AWG22 1/0.65 TIN COATING
J112 85801065GY WIRE COPPER AWG22 1/0.65 TIN COATING
J113 85801065GY WIRE COPPER AWG22 1/0.65 TIN COATING
J114 85801065GY WIRE COPPER AWG22 1/0.65 TIN COATING
J12 85801065GY WIRE COPPER AWG22 1/0.65 TIN COATING
J13 85801065GY WIRE COPPER AWG22 1/0.65 TIN COATING
J14 85801065GY WIRE COPPER AWG22 1/0.65 TIN COATING
J15 85801065GY WIRE COPPER AWG22 1/0.65 TIN COATING
J16 85801065GY WIRE COPPER AWG22 1/0.65 TIN COATING
J17 85801065GY WIRE COPPER AWG22 1/0.65 TIN COATING
J18 85801065GY WIRE COPPER AWG22 1/0.65 TIN COATING
J19 85801065GY WIRE COPPER AWG22 1/0.65 TIN COATING
J20 85801065GY WIRE COPPER AWG22 1/0.65 TIN COATING
J21 85801065GY WIRE COPPER AWG22 1/0.65 TIN COATING
J22 85801065GY WIRE COPPER AWG22 1/0.65 TIN COATING
J23 85801065GY WIRE COPPER AWG22 1/0.65 TIN COATING
J24 85801065GY WIRE COPPER AWG22 1/0.65 TIN COATING
J25 RD-AZ101J- R CARBON FILM 1/6 100 OHM J
J26 RD-AZ101J- R CARBON FILM 1/6 100 OHM J
J3 85801065GY WIRE COPPER AWG22 1/0.65 TIN COATING
J300 85801065GY WIRE COPPER AWG22 1/0.65 TIN COATING
J31 85801065GY WIRE COPPER AWG22 1/0.65 TIN COATING
J32 85801065GY WIRE COPPER AWG22 1/0.65 TIN COATING
J33 85801065GY WIRE COPPER AWG22 1/0.65 TIN COATING
J35 85801065GY WIRE COPPER AWG22 1/0.65 TIN COATING
J36 85801065GY WIRE COPPER AWG22 1/0.65 TIN COATING
J37 85801065GY WIRE COPPER AWG22 1/0.65 TIN COATING

57
CP-520/520A/520F Service Manual
DTV- R&D Europe
DTV- R&D Europe
z_loc z_parts_code parts_name parts_descr remark z_loc z_parts_code parts_name parts_descr remark
J39 85801065GY WIRE COPPER AWG22 1/0.65 TIN COATING
J4 85801065GY WIRE COPPER AWG22 1/0.65 TIN COATING
J40 85801065GY WIRE COPPER AWG22 1/0.65 TIN COATING
J41 85801065GY WIRE COPPER AWG22 1/0.65 TIN COATING
J42 85801065GY WIRE COPPER AWG22 1/0.65 TIN COATING
J43 85801065GY WIRE COPPER AWG22 1/0.65 TIN COATING
J44 85801065GY WIRE COPPER AWG22 1/0.65 TIN COATING
J45 85801065GY WIRE COPPER AWG22 1/0.65 TIN COATING
J46 85801065GY WIRE COPPER AWG22 1/0.65 TIN COATING
J47 85801065GY WIRE COPPER AWG22 1/0.65 TIN COATING
J48 85801065GY WIRE COPPER AWG22 1/0.65 TIN COATING
J49 85801065GY WIRE COPPER AWG22 1/0.65 TIN COATING
J5 85801065GY WIRE COPPER AWG22 1/0.65 TIN COATING
J50 RD-AZ101J- R CARBON FILM 1/6 100 OHM J
J500 85801065GY WIRE COPPER AWG22 1/0.65 TIN COATING
J51 85801065GY WIRE COPPER AWG22 1/0.65 TIN COATING
J52 85801065GY WIRE COPPER AWG22 1/0.65 TIN COATING
J54 85801065GY WIRE COPPER AWG22 1/0.65 TIN COATING
J56 85801065GY WIRE COPPER AWG22 1/0.65 TIN COATING
J57 85801065GY WIRE COPPER AWG22 1/0.65 TIN COATING
J58 85801065GY WIRE COPPER AWG22 1/0.65 TIN COATING
J59 85801065GY WIRE COPPER AWG22 1/0.65 TIN COATING
J6 85801065GY WIRE COPPER AWG22 1/0.65 TIN COATING
J60 85801065GY WIRE COPPER AWG22 1/0.65 TIN COATING
J61 85801065GY WIRE COPPER AWG22 1/0.65 TIN COATING
J62 85801065GY WIRE COPPER AWG22 1/0.65 TIN COATING
J63 85801065GY WIRE COPPER AWG22 1/0.65 TIN COATING
J64 85801065GY WIRE COPPER AWG22 1/0.65 TIN COATING
J65 85801065GY WIRE COPPER AWG22 1/0.65 TIN COATING
J66 85801065GY WIRE COPPER AWG22 1/0.65 TIN COATING
J67 85801065GY WIRE COPPER AWG22 1/0.65 TIN COATING
J68 85801065GY WIRE COPPER AWG22 1/0.65 TIN COATING
J69 85801065GY WIRE COPPER AWG22 1/0.65 TIN COATING
J7 RD-AZ101J- R CARBON FILM 1/6 100 OHM J
J70 85801065GY WIRE COPPER AWG22 1/0.65 TIN COATING
J71 85801065GY WIRE COPPER AWG22 1/0.65 TIN COATING
J72 85801065GY WIRE COPPER AWG22 1/0.65 TIN COATING
J73 85801065GY WIRE COPPER AWG22 1/0.65 TIN COATING
J74 85801065GY WIRE COPPER AWG22 1/0.65 TIN COATING
J76 RD-AZ202J- R CARBON FILM 1/6 2K OHM J
J78 RD-AZ101J- R CARBON FILM 1/6 100 OHM J
J80 85801065GY WIRE COPPER AWG22 1/0.65 TIN COATING
J800 85801065GY WIRE COPPER AWG22 1/0.65 TIN COATING
J81 85801065GY WIRE COPPER AWG22 1/0.65 TIN COATING
J82 85801065GY WIRE COPPER AWG22 1/0.65 TIN COATING
J83 RD-AZ101J- R CARBON FILM 1/6 100 OHM J
J84 RD-AZ101J- R CARBON FILM 1/6 100 OHM J
J86 85801065GY WIRE COPPER AWG22 1/0.65 TIN COATING
J87 85801065GY WIRE COPPER AWG22 1/0.65 TIN COATING
J88 85801065GY WIRE COPPER AWG22 1/0.65 TIN COATING
J89 85801065GY WIRE COPPER AWG22 1/0.65 TIN COATING
J90 85801065GY WIRE COPPER AWG22 1/0.65 TIN COATING
J91 85801065GY WIRE COPPER AWG22 1/0.65 TIN COATING
J92 85801065GY WIRE COPPER AWG22 1/0.65 TIN COATING
J94 85801065GY WIRE COPPER AWG22 1/0.65 TIN COATING
J95 85801065GY WIRE COPPER AWG22 1/0.65 TIN COATING
J96 85801065GY WIRE COPPER AWG22 1/0.65 TIN COATING
J97 85801065GY WIRE COPPER AWG22 1/0.65 TIN COATING
J98 85801065GY WIRE COPPER AWG22 1/0.65 TIN COATING
J99 85801065GY WIRE COPPER AWG22 1/0.65 TIN COATING
L101 5CPZ100K02 COIL PEAKING 10UH 3.5MM K (LAL02TB)
L350 5CPZ109M04 COIL PEAKING 1UH 10.5MM M (LAL04TB)
L351 5CPZ109M04 COIL PEAKING 1UH 10.5MM M (LAL04TB)
L505 5CPZ479K02 COIL PEAKING 4.7UH 3.5MM K (LAL02TB)
L506 5CPZ479K02 COIL PEAKING 4.7UH 3.5MM K (LAL02TB)
L507 5CPZ479K02 COIL PEAKING 4.7UH 3.5MM K (LAL02TB)
L508 5CPZ479K02 COIL PEAKING 4.7UH 3.5MM K (LAL02TB)
L509 5CPZ479K02 COIL PEAKING 4.7UH 3.5MM K (LAL02TB)
L510 5CPZ479K02 COIL PEAKING 4.7UH 3.5MM K (LAL02TB)
L512 5CPZ479K02 COIL PEAKING 4.7UH 3.5MM K (LAL02TB)
L513 5CPZ479K02 COIL PEAKING 4.7UH 3.5MM K (LAL02TB)
L515 5CPZ100K02 COIL PEAKING 10UH 3.5MM K (LAL02TB)
L516 5CPZ479K02 COIL PEAKING 4.7UH 3.5MM K (LAL02TB)
L523 5CPZ479K02 COIL PEAKING 4.7UH 3.5MM K (LAL02TB)
L650 5MC0000100 COIL BEAD MD-5 (HC-3550)
L801 5MC0000100 COIL BEAD MD-5 (HC-3550)
R103 RD-AZ123J- R CARBON FILM 1/6 12K OHM J
R104 RD-AZ683J- R CARBON FILM 1/6 68K OHM J
R105 RD-AZ103J- R CARBON FILM 1/6 10K OHM J
R106 RD-AZ101J- R CARBON FILM 1/6 100 OHM J
R107 RD-AZ101J- R CARBON FILM 1/6 100 OHM J
R114 RD-AZ473J- R CARBON FILM 1/6 47K OHM J
R115 RD-AZ101J- R CARBON FILM 1/6 100 OHM J
R120 RD-AZ101J- R CARBON FILM 1/6 100 OHM J
R131 RD-AZ472J- R CARBON FILM 1/6 4.7K OHM J
R310 RD-AZ471J- R CARBON FILM 1/6 470 OHM J
R311 RD-AZ471J- R CARBON FILM 1/6 470 OHM J
R331 RD-2Z201J- R CARBON FILM 1/2 200 OHM J
R340 RD-4Z473J- R CARBON FILM 1/4 47K OHM J
R350 RN-4Z2001F R METAL FILM 1/4 2K OHM F
R351 RN-4Z2001F R METAL FILM 1/4 2K OHM F
R370 RD-4Z159J- R CARBON FILM 1/4 1.5 OHM J
R394 RD-AZ272J- R CARBON FILM 1/6 2.7K OHM J
R395 RD-4Z394J- R CARBON FILM 1/4 390K OHM J
R396 RD-AZ103J- R CARBON FILM 1/6 10K OHM J
R401 RD-4Z272J- R CARBON FILM 1/4 2.7K OHM J
R403 RD-4Z102J- R CARBON FILM 1/4 1K OHM J
R404 RD-4Z399J- R CARBON FILM 1/4 3.9 OHM J
R405 RD-4Z102J- R CARBON FILM 1/4 1K OHM J
R407 RD-4Z182J- R CARBON FILM 1/4 1.8K OHM J
R420 RD-4Z103J- R CARBON FILM 1/4 10K OHM J
R422 RD-4Z102J- R CARBON FILM 1/4 1K OHM J
R423 RD-4Z622J- R CARBON FILM 1/4 6.2K OHM J
R500 RD-AZ101J- R CARBON FILM 1/6 100 OHM J
R501 RD-AZ332J- R CARBON FILM 1/6 3.3K OHM J
R502 RD-AZ332J- R CARBON FILM 1/6 3.3K OHM J
R503 RD-AZ102J- R CARBON FILM 1/6 1K OHM J
R504 RD-AZ472J- R CARBON FILM 1/6 4.7K OHM J
R505 RD-AZ101J- R CARBON FILM 1/6 100 OHM J
R506 RD-AZ103J- R CARBON FILM 1/6 10K OHM J
R507 RD-AZ332J- R CARBON FILM 1/6 3.3K OHM J
R508 RD-AZ332J- R CARBON FILM 1/6 3.3K OHM J
R510 RD-AZ103J- R CARBON FILM 1/6 10K OHM J
R511 RD-AZ103J- R CARBON FILM 1/6 10K OHM J
R514 RD-AZ101J- R CARBON FILM 1/6 100 OHM J
R515 RD-AZ101J- R CARBON FILM 1/6 100 OHM J
R516 RD-AZ153J- R CARBON FILM 1/6 15K OHM J
R517 RD-AZ101J- R CARBON FILM 1/6 100 OHM J
R518 RD-AZ101J- R CARBON FILM 1/6 100 OHM J
R519 RD-AZ102J- R CARBON FILM 1/6 1K OHM J
R527 RD-AZ101J- R CARBON FILM 1/6 100 OHM J
R528 RD-AZ101J- R CARBON FILM 1/6 100 OHM J
R529 RD-AZ101J- R CARBON FILM 1/6 100 OHM J
R530 RD-AZ101J- R CARBON FILM 1/6 100 OHM J
R531 RD-AZ181J- R CARBON FILM 1/6 180 OHM J
R532 RD-AZ102J- R CARBON FILM 1/6 1K OHM J
R533 RD-AZ102J- R CARBON FILM 1/6 1K OHM J
R534 RD-AZ472J- R CARBON FILM 1/6 4.7K OHM J
R537 RD-AZ183J- R CARBON FILM 1/6 18K OHM J
R538 RD-AZ101J- R CARBON FILM 1/6 100 OHM J
R539 RD-AZ471J- R CARBON FILM 1/6 470 OHM J
R540 RD-AZ471J- R CARBON FILM 1/6 470 OHM J
R541 RN-AZ3902F R METAL FILM 1/6 39K OHM F
R542 RD-AZ682J- R CARBON FILM 1/6 6.8K OHM J
R543 RD-AZ222J- R CARBON FILM 1/6 2.2K OHM J
R544 RD-AZ222J- R CARBON FILM 1/6 2.2K OHM J
R545 RD-AZ473J- R CARBON FILM 1/6 47K OHM J
R546 RD-AZ181J- R CARBON FILM 1/6 180 OHM J
R547 RD-AZ563J- R CARBON FILM 1/6 56K OHM J
R551 RD-AZ823J- R CARBON FILM 1/6 82K OHM J
R552 RD-AZ103J- R CARBON FILM 1/6 10K OHM J
R553 RD-AZ103J- R CARBON FILM 1/6 10K OHM J
R554 RD-AZ103J- R CARBON FILM 1/6 10K OHM J
R555 RD-AZ103J- R CARBON FILM 1/6 10K OHM J
R556 RD-AZ101J- R CARBON FILM 1/6 100 OHM J
R557 RD-AZ101J- R CARBON FILM 1/6 100 OHM J
R558 RD-AZ152J- R CARBON FILM 1/6 1.5K OHM J
R559 RD-AZ222J- R CARBON FILM 1/6 2.2K OHM J
R560 RD-AZ222J- R CARBON FILM 1/6 2.2K OHM J
R561 RD-AZ101J- R CARBON FILM 1/6 100 OHM J
R562 RD-AZ101J- R CARBON FILM 1/6 100 OHM J
R563 RD-AZ101J- R CARBON FILM 1/6 100 OHM J
R564 RD-AZ101J- R CARBON FILM 1/6 100 OHM J
R565 RD-AZ154J- R CARBON FILM 1/6 150K OHM J
R566 RD-AZ103J- R CARBON FILM 1/6 10K OHM J
R567 RD-AZ103J- R CARBON FILM 1/6 10K OHM J
R568 RD-AZ103J- R CARBON FILM 1/6 10K OHM J
R569 RD-AZ103J- R CARBON FILM 1/6 10K OHM J

58
CP-520/520A/520F Service Manual
DTV- R&D Europe
z_loc z_parts_code parts_name parts_descr remark z_loc z_parts_code parts_name parts_descr remark
R571 RD-AZ102J- R CARBON FILM 1/6 1K OHM J
R572 RD-AZ103J- R CARBON FILM 1/6 10K OHM J
R573 RD-AZ103J- R CARBON FILM 1/6 10K OHM J
R574 RD-AZ103J- R CARBON FILM 1/6 10K OHM J
R575 RD-AZ103J- R CARBON FILM 1/6 10K OHM J
R576 RD-AZ102J- R CARBON FILM 1/6 1K OHM J
R577 RD-AZ102J- R CARBON FILM 1/6 1K OHM J
R578 RD-AZ102J- R CARBON FILM 1/6 1K OHM J
R579 RD-AZ101J- R CARBON FILM 1/6 100 OHM J
R580 RD-AZ123J- R CARBON FILM 1/6 12K OHM J
R581 RD-AZ101J- R CARBON FILM 1/6 100 OHM J
R582 RD-AZ101J- R CARBON FILM 1/6 100 OHM J
R583 RD-AZ101J- R CARBON FILM 1/6 100 OHM J
R584 RD-AZ101J- R CARBON FILM 1/6 100 OHM J
R585 RD-AZ101J- R CARBON FILM 1/6 100 OHM J
R586 RD-AZ101J- R CARBON FILM 1/6 100 OHM J
R587 RD-AZ101J- R CARBON FILM 1/6 100 OHM J
R588 RD-AZ102J- R CARBON FILM 1/6 1K OHM J
R589 RD-AZ102J- R CARBON FILM 1/6 1K OHM J
R590 RD-AZ334J- R CARBON FILM 1/6 330K OHM J
R598 RD-AZ182J- R CARBON FILM 1/6 1.8K OHM J
R599 RD-AZ224J- R CARBON FILM 1/6 220K OHM J
R601 RD-AZ152J- R CARBON FILM 1/6 1.5K OHM J
R602 RD-AZ104J- R CARBON FILM 1/6 100K OHM J
R608 RD-2Z151J- R CARBON FILM 1/2 150 OHM J
R609 RD-2Z151J- R CARBON FILM 1/2 150 OHM J
R610 RD-AZ103J- R CARBON FILM 1/6 10K OHM J
R611 RD-AZ474J- R CARBON FILM 1/6 470K OHM J
R612 RD-AZ474J- R CARBON FILM 1/6 470K OHM J
R650 RD-AZ513J- R CARBON FILM 1/6 51K OHM J
R660 RD-AZ513J- R CARBON FILM 1/6 51K OHM J
R661 RD-AZ682J- R CARBON FILM 1/6 6.8K OHM J
R662 RD-AZ682J- R CARBON FILM 1/6 6.8K OHM J
R700 RD-2Z332J- R CARBON FILM 1/2 3.3K OHM J
R701 RN-AZ1002F R METAL FILM 1/6 10K OHM F
R702 RN-AZ1502F R METAL FILM 1/6 15K OHM F
R713 RD-AZ681J- R CARBON FILM 1/6 680 OHM J
R720 RD-AZ122J- R CARBON FILM 1/6 1.2K OHM J
R721 RD-AZ181J- R CARBON FILM 1/6 180 OHM J
R722 RD-AZ221J- R CARBON FILM 1/6 220 OHM J
R723 RD-AZ331J- R CARBON FILM 1/6 330 OHM J
R724 RD-AZ471J- R CARBON FILM 1/6 470 OHM J
R805 RD-2Z100J- R CARBON FILM 1/2 10 OHM J
R806 RD-2Z472J- R CARBON FILM 1/2 4.7K OHM J
R807 RD-2Z272J- R CARBON FILM 1/2 2.7K OHM J
R808 RD-2Z821J- R CARBON FILM 1/2 820 OHM J
R810 RD-4Z102J- R CARBON FILM 1/4 1K OHM J
R811 RC-2Z565KP R CARBON COMP 1/2 5.6M OHM K
R812 RD-4Z473J- R CARBON FILM 1/4 47K OHM J
R813 RD-4Z473J- R CARBON FILM 1/4 47K OHM J
R814 RD-AZ472J- R CARBON FILM 1/6 4.7K OHM J
R815 RD-AZ472J- R CARBON FILM 1/6 4.7K OHM J
R816 RD-4Z399J- R CARBON FILM 1/4 3.9 OHM J
R817 RD-AZ473J- R CARBON FILM 1/6 47K OHM J
R820 RD-AZ102J- R CARBON FILM 1/6 1K OHM J
R821 RD-4Z102J- R CARBON FILM 1/4 1K OHM J
R823 RD-4Z622J- R CARBON FILM 1/4 6.2K OHM J
R829 RD-AZ103J- R CARBON FILM 1/6 10K OHM J
R830 RD-AZ332J- R CARBON FILM 1/6 3.3K OHM J
R840 85801065GY WIRE COPPER AWG22 1/0.65 TIN COATING
R841 RD-2Z479J- R CARBON FILM 1/2 4.7 OHM J
R842 85801065GY WIRE COPPER AWG22 1/0.65 TIN COATING
R850 85801065GY WIRE COPPER AWG22 1/0.65 TIN COATING
R870 RD-2Z222J- R CARBON FILM 1/2 2.2K OHM J
R901 RD-AZ561J- R CARBON FILM 1/6 560 OHM J
R910 RD-AZ101J- R CARBON FILM 1/6 100 OHM J
R911 RD-AZ101J- R CARBON FILM 1/6 100 OHM J
R912 RD-AZ101J- R CARBON FILM 1/6 100 OHM J
R913 RC-2Z102K- R CARBON COMP 1/2 1K OHM K
R914 RC-2Z102K- R CARBON COMP 1/2 1K OHM K
R915 RC-2Z102K- R CARBON COMP 1/2 1K OHM K
R921 RD-AZ221J- R CARBON FILM 1/6 220 OHM J
R922 RD-AZ221J- R CARBON FILM 1/6 220 OHM J
R923 RD-AZ221J- R CARBON FILM 1/6 220 OHM J
R996 RD-2Z105J- R CARBON FILM 1/2 1M OHM J
R997 RD-2Z102J- R CARBON FILM 1/2 1K OHM J
RA02 RD-AZ101J- R CARBON FILM 1/6 100 OHM J
RA03 RD-AZ101J- R CARBON FILM 1/6 100 OHM J
RA04 RD-AZ101J- R CARBON FILM 1/6 100 OHM J
RA05 RD-AZ103J- R CARBON FILM 1/6 10K OHM J
RA06 RD-AZ750J- R CARBON FILM 1/6 75 OHM J
RA07 RD-AZ332J- R CARBON FILM 1/6 3.3K OHM J
RA08 RD-AZ750J- R CARBON FILM 1/6 75 OHM J
RA09 RD-AZ750J- R CARBON FILM 1/6 75 OHM J
RA10 RD-AZ470J- R CARBON FILM 1/6 47 OHM J
RA11 RD-AZ680J- R CARBON FILM 1/6 68 OHM J
RA12 RD-AZ102J- R CARBON FILM 1/6 1K OHM J
RA13 RD-AZ222J- R CARBON FILM 1/6 2.2K OHM J
RA14 RD-AZ220J- R CARBON FILM 1/6 22 OHM J
RA15 RD-AZ750J- R CARBON FILM 1/6 75 OHM J
RA16 RD-AZ750J- R CARBON FILM 1/6 75 OHM J
RA17 RD-AZ103J- R CARBON FILM 1/6 10K OHM J
RA18 RD-AZ332J- R CARBON FILM 1/6 3.3K OHM J
RA19 RD-AZ750J- R CARBON FILM 1/6 75 OHM J
RA23 RD-AZ220J- R CARBON FILM 1/6 22 OHM J
RA24 RD-AZ222J- R CARBON FILM 1/6 2.2K OHM J
RA25 RD-AZ102J- R CARBON FILM 1/6 1K OHM J
RA29 RD-AZ101J- R CARBON FILM 1/6 100 OHM J
RA32 RD-AZ470J- R CARBON FILM 1/6 47 OHM J
RA35 RD-AZ750J- R CARBON FILM 1/6 75 OHM J
ZZ140 PTPKCPC20T2FS PACKING AS DTC-20T2FZS-S
M641 6520010200 STAPLE PIN #3417 ALL
M801 GPBBW2T1312 BOX 20T1/T2/T8 UNIVERSAL (NEW)
M811 4858179600 PAD 20T2
M821 4858210702 BAG P.E. PE FILM T0.05X1150X1000

59
CP-520/520A/520F Service Manual
DTV- R&D Europe
DTV- R&D Europe
z_loc z_parts_code parts_name parts_descr remark z_loc z_parts_code parts_name parts_descr remark
ZZ100 PTACPWC21Y1FS ACCESSORY AS DTC-21Y1FZF-S
12000 48B4846G2201 TRANSMITTER REMOCON R-46G22 (AAA)
13000 4850Q00910 BATTERY AAA R03/NN SUPERGARD
14000 4858213801 BAG INSTRUCTION L. D. P. E. T0. 05X250X40
ZZ120 PTBCSHC21Y1S COVER BACK AS DTC-21Y1FZF-S
M211 4852156101S COVER BACK 21Y1 GY778A
M541 4855415800 S/PLATE 150ART P/E FILM (C/TV)
M542 485580002207 LABEL SERIAL ART 90
M781 4857817612 CLOTH BLACK FELT T0.7 L=250
ZZ130 PTCACAC21Y1FFS CABINET AS DTC-21Y1FZF-S
20 2193011101 SOLDER WIRE RS 60-1.2 1.6A
40 4856812001 TIE CABLE NYLON66 DA100
M191 4851939401S BUTTON CTRL AS 21Y1 (GRAY)+830C
M201A 4856017303 SCREW CRT FIX 5X30 L80 BK
M201B 4856215402 WASHER RUBBER 20’’
M201C 4856017310 SCREW CRT FIX 5X30 L190 BK
M211A 7172401412 SCREW TAPPING TT2 TRS 4X14 MFZN BK
M211B 7178301011 SCREW TAPPING TT2 WAS 3X10 MFZN
M481 4854856501S BUTTON POWER 21Y1 GY340A (GRAY)
M481A 4856716000 SPRING 14Q1/M3 SWPA PIE0.5
M561 48556175SD01 MARK BRAND DAEWOO 21T5 (SILVER)
PWC1 4859906210 CORD POWER W/F 6-LO (LOMAX NEW)
V901 4859607660N “CRT (PHILIPS 21””) “ A51EAL135X17
ZZ131 58G0000147 COIL DEGAUSSING DC-21SF
ZZ132 48519A5210 CRT GROUND AS 21A5
ZZ200 PTFMSJC21Y1S MASK FRONT AS DTC-21Y1FZF-S
M201 4852074101S MASK FRONT 21Y1 GY340A+SV128BP
ZZ210 PTSPPWC21Y3S SPEAKER AS DTC-21Y3FZFJS
SP01 4858310910 SPEAKER 7.5W 8 OHM 95BF03LC
SP01A 4850704S28 CONN AS YH025-04+35089+ULW=600
SP02 4858310910 SPEAKER 7.5W 8 OHM 95BF03LC
ZZ290 PTMPMSC21Y2FF PCB MAIN MANUAL AS DTC-21Y2FZF
10 2193100801 SOLDER BAR SN:PB=63:37 3PI(NO FLUX)
40 2291050314 FLUX SOLVENT IM-1000
20 2193011101 SOLDER WIRE RS 60-1.2 1.6A
30 2291050617P FLUX SOLDER CF-329D
50 2291140501 WAX COVER 60G/PC
60 2291051001 FLUX KILLER KFT-7
C315 CEXF2A470V C ELECTRO 100V RSS 47MF (10X16) TP
C402 CMYH3C752J C MYLAR 1.6KV 7500PF J (BUP)
C408 CMYE2D474J C MYLAR 200V 0.47MF J (PL)
C415 CEXF2E330V C ELECTRO 250V RSS 33MF (13X25) TP
C430 CCYR3D681K C CERA 2KV R 680PF K 125C
C431 CMXB2G472J C MYLAR 400V 4700PF J TP
C604 CEXF1E102V C ELECTRO 25V RSS 1000MF (13X20) TP
C801 CL1UC3474M C LINE ACROSS 0.47MF 1J(UCVSNDF/SV
C805 CEYN2G181P C ELECTRO 400V LHS 180MF (25X35)
C810 CCYR3A102K C CERA HIKR 1KV 1000PF K 125C
C812 CH1BFE472M C CERA AC AC400V 4700PF M U/C/V
C813 CEYF2E470V C ELECTRO 250V RSS 47MF (16X25
C814 CEXF2E101V C ELECTRO 250V RSS 100MF 18X35.5
C820 CCYR3A102K C CERA HIKR 1KV 1000PF K 125C
C823 CEXF1E102V C ELECTRO 25V RSS 1000MF (13X20) TP
C832 CEXF1E102V C ELECTRO 25V RSS 1000MF (13X20) TP
C840 CEXF1C332V C ELECTRO 16V RSS 3300MF
C841 CEXF1C332V C ELECTRO 16V RSS 3300MF
C861 CEXF1E102C C ELECTRO 25V RUS 1000MF 13X20 TP
C866 CCYR3A471K C CERA 1KV 470PF K 125C
C905 CEXF2E479V C ELECTRO 250V RSS 4.7MF (10X16)TP
C965 CBXB3D102K C CERA SEMI 2KV BL(N) 1000PF K (T)
C997 CEXF2E100V C ELECTRO 250V RSS 10MF (10X20) TP
D403 DBY228—— DIODE BY228
D820 DBYW76—— DIODE BYW76
D860 DBYW76—— DIODE BYW76
F801 5FSCB4022R FUSE CERA SEMKO F4AH 4A 250V MF51
G900 4SG0DY0001 SPARK GAP SSG-102-A1(1.0KV) BULK
G901 4SG0DY0001 SPARK GAP SSG-102-A1(1.0KV) BULK
G902 4SG0DY0001 SPARK GAP SSG-102-A1(1.0KV) BULK
G903 4SG0DY0001 SPARK GAP SSG-102-A1(1.0KV) BULK
G904 4SG0DY0001 SPARK GAP SSG-102-A1(1.0KV) BULK
I301 1TDA8358J- IC VERTICAL TDA8358J
I301A 4857024421 HEAT SINK I602A (CP-385)
I301B 7174301011 SCREW TAPPTITE TT2 RND 3X10 MFZN
I502 1AT24C16PC IC MEMORY AT24C16-10PC
I602 1TDA8946J- IC AUDIO TDA8946J
I602A 4857024421 HEAT SINK I602A (CP-385)
I602B 7174301011 SCREW TAPPTITE TT2 RND 3X10 MFZN
I703 1TS0P1238W IC PREAMP TSOP1238WI1
I801 1STRF6653- IC SMPS STR-F6653
I801A 4857024600 HEAT SINK AL EX B/K
I801B 7174301211 SCREW TAPPTITE TT2 RND 3X12 MFZN
I804 1KP1010C— IC PHOTO COUPLER KP-1010C
I806 1DP110—— IC ERROR AMP DP110
I810 TX0202DA— THYRISTOR X0202DA
I820 1L7805CV— IC REGULATOR L7805CV
I822 1L7808CV— IC REGULATOR L7808CV
I823 1LD1117V33 IC REGULATOR LD1117AV33 3.3V TO-220
I824 1LD1117V50 IC REGULATOR LD1117AV50 5.0V TO-220
I901 1TDA6107AJ IC VIDEO TDA6107AJF
I901A 4857031100 HEAT SINK A1050P-H24 T2.0
I901B 7174300811 SCREW TAPPTITE TT2 RND 3X8 MFZN
JP01 4859102130 JACK EARPHONE YSC-1537
JPA1 4859200401 SOCKET RGB SR-21A1 (ANGLE TYPE)
JPA2 4859200401 SOCKET RGB SR-21A1 (ANGLE TYPE)
JPA3 4859108450 JACK PIN BOARD YSC03P-4120-14A
L401 58H0000020 COIL H-LINEARITY L-76(76.5UH)
L514 5CPZ100K04 COIL PEAKING 10UH 10.5MM K (LAL04TB)
L802 58C9430599 COIL CHOKE AZ-9004Y(94MH)
LF801 5PLF24A1— FILTER LINE LF-24A1
M351 4858900002 HOLDER LED AS LH-3P
P401 4850705N14 CONNECTOR BIC-05T-25T+ULW=500
P402 4859240120 CONN WAFER YFW500-06
P501 4850705N14 CONNECTOR BIC-05T-25T+ULW=500
P601 4859231720 CONN WAFER YW025-04
P701 4859231720 CONN WAFER YW025-04
P801 4859287320 CONN WAFER MKS2822 (LOMAX NEW TYPE)
P802 4859242220 CONN WAFER YFW800-02
P905 4859262120 CONN WAFER YFW 800-01 A5MODELS
Q401 T2SD2578— TR 2SD2578
Q401A 4857024500 HEAT SINK AL EX
Q401B 7174300811 SCREW TAPPTITE TT2 RND 3X8 MFZN
R398 RS02Y189JS R M-OXIDE FILM 2W 1.8 OHM J SMALL
R415 RS02Y102JS R M-OXIDE FILM 2W 1K OHM J SMALL
R450 RS02Y223JS R M-OXIDE FILM 2W 22K OHM J SMALL
R801 DDC7R0M290 POSISTOR ECPCD7R0M290
R802 RS02Y753JS R M-OXIDE FILM 2W 75K OHM J SMALL
R803 RS02Y473JS R M-OXIDE FILM 2W 47K OHM J SMALL
R804 RS02Y278JS R M-OXIDE FILM 2W 0.27 OHM J SMALL
R819 RX10B339JN R CEMENT 10W 3.3 OHM J BENCH 4P
R822 RS02Y569JS R M-OXIDE FILM 2W 5.6 OHM J SMALL
R920 RF01Y109JA R FUSIBLE 1W 1 OHM J A CURVE
SCT1 4859303530 SOCKET CRT PCS629-03C
SW801 5S40101143 SW PUSH PS3-22SP (P.C.B)
T401 50D10A2—- TRANS DRIVE TD-10A2
T402 50H0000204 FBT 1142.5106
T801 50M3934A2- TRANS SMPS 2084.0046
U100 4859724930 TUNER VARACTOR UV1316/AI-4
U100B 4851900130 GROUND TUNER AS DS-W1015-S
X501 5XJ24R576E CRYSTAL QUARTZ HC-49/S 24.576MHZ 30PPM
Z101 5PK3953M— FILTER SAW K3953M
Z102 5PK9650M— FILTER SAW K9650M
ZZ200 PTMPJBC21Y2FF PCB MAIN EYE LET AS DTC-21Y2FZF
E01 4856310600 EYE LET BSR 2.3(R2.3)
E02 4856310600 EYE LET BSR 2.3(R2.3)
E03 4856310600 EYE LET BSR 2.3(R2.3)
E04 4856310600 EYE LET BSR 2.3(R2.3)
E05 4856310600 EYE LET BSR 2.3(R2.3)
E06 4856310600 EYE LET BSR 2.3(R2.3)
E13 4856310600 EYE LET BSR 2.3(R2.3)
E14 4856310600 EYE LET BSR 2.3(R2.3)
E17 4856310600 EYE LET BSR 2.3(R2.3)
E18 4856310600 EYE LET BSR 2.3(R2.3)
E19 4856310600 EYE LET BSR 2.3(R2.3)
E20 4856310600 EYE LET BSR 2.3(R2.3)
E21 4856310300 EYE LET BSR T0.2 (R1.6)
E22 4856310300 EYE LET BSR T0.2 (R1.6)
E23 4856310300 EYE LET BSR T0.2 (R1.6)
E24 4856310300 EYE LET BSR T0.2 (R1.6)
E25 4856310300 EYE LET BSR T0.2 (R1.6)
E26 4856310300 EYE LET BSR T0.2 (R1.6)
E27 4856310300 EYE LET BSR T0.2 (R1.6)
E28 4856310300 EYE LET BSR T0.2 (R1.6)
E29 4856310300 EYE LET BSR T0.2 (R1.6)
E30 4856310300 EYE LET BSR T0.2 (R1.6)
E31 4856310300 EYE LET BSR T0.2 (R1.6)
E32 4856310300 EYE LET BSR T0.2 (R1.6)
6.3 DTC-21Y1FZF-S

60
CP-520/520A/520F Service Manual
DTV- R&D Europe
z_loc z_parts_code parts_name parts_descr remark z_loc z_parts_code parts_name parts_descr remark
E33 4856310300 EYE LET BSR T0.2 (R1.6)
E34 4856310300 EYE LET BSR T0.2 (R1.6)
E35 4856310300 EYE LET BSR T0.2 (R1.6)
E36 4856310300 EYE LET BSR T0.2 (R1.6)
E37 4856310300 EYE LET BSR T0.2 (R1.6)
E38 4856310300 EYE LET BSR T0.2 (R1.6)
E42 4856310300 EYE LET BSR T0.2 (R1.6)
E43 4856310300 EYE LET BSR T0.2 (R1.6)
E44 4856310300 EYE LET BSR T0.2 (R1.6)
E47 4856310300 EYE LET BSR T0.2 (R1.6)
E48 4856310300 EYE LET BSR T0.2 (R1.6)
E49 4856310300 EYE LET BSR T0.2 (R1.6)
E50 4856310300 EYE LET BSR T0.2 (R1.6)
E51 4856310300 EYE LET BSR T0.2 (R1.6)
E54 4856310300 EYE LET BSR T0.2 (R1.6)
E55 4856310300 EYE LET BSR T0.2 (R1.6)
E56 4856310600 EYE LET BSR 2.3(R2.3)
E57 4856310600 EYE LET BSR 2.3(R2.3)
ZZ200 PTMPJ2C21Y2FF PCB CHIP MOUNT B AS DTC-21Y2FZF
I501 1TDA20HB01 IC MICOM FLASH TDA12020H1/N1 B01
ZZ200 PTMPJRC21Y2FF PCB MAIN RADIAL AS DTC-21Y2FZF
C102 CEXF1E470V C ELECTRO 25V RSS 47MF (5X11) TP
C104 CCXB1H102K C CERA 50V B 1000PF K (TAPPING)
C106 CEXF1E470V C ELECTRO 25V RSS 47MF (5X11) TP
C121 CEXF1H100V C ELECTRO 50V RSS 10MF (5X11) TP
C122 CEXF1H100V C ELECTRO 50V RSS 10MF (5X11) TP
C305 CEXF1E221V C ELECTRO 25V RSS 220MF (8X11.5) TP
C313 CMXM2A104J C MYLAR 100V 0.1MF J TP
C320 CBXF1H104Z C CERA SEMI 50V F 0.1MF Z (TAPPING)
C350 CCXF1H473Z C CERA 50V F 0.047MF Z (TAPPING)
C351 CCXF1H473Z C CERA 50V F 0.047MF Z (TAPPING)
C370 CCXF1H473Z C CERA 50V F 0.047MF Z (TAPPING)
C401 CEXF1H101V C ELECTRO 50V RSS 100MF (8*11.5) TP
C412 CEXF2C339V C ELECTRO 160V RSS 3.3MF (8X16) TP
C414 CMXM2A104J C MYLAR 100V 0.1MF J TP
C418 CCXB1H102K C CERA 50V B 1000PF K (TAPPING)
C420 CCXB2H222K C CERA 500V B 2200PF K (TAPPING)
C421 CCXF1H473Z C CERA 50V F 0.047MF Z (TAPPING)
C501 CEXF1C470V C ELECTRO 16V RSS 47MF (5X11) TP
C502 CEXF1C470V C ELECTRO 16V RSS 47MF (5X11) TP
C505 CMXL1J224J C MYLAR 63V MEU 0.22MF J TP
C507 CMXL1J224J C MYLAR 63V MEU 0.22MF J TP
C508 CEXF1C470V C ELECTRO 16V RSS 47MF (5X11) TP
C509 CMXL1J224J C MYLAR 63V MEU 0.22MF J TP
C510 CEXF1E101V C ELECTRO 25V RSS 100MF (6.3X11) TP
C511 CCXB1H102K C CERA 50V B 1000PF K (TAPPING)
C513 CMXL1J224J C MYLAR 63V MEU 0.22MF J TP
C514 CCXB1H102K C CERA 50V B 1000PF K (TAPPING)
C515 CMXL1J224J C MYLAR 63V MEU 0.22MF J TP
C516 CMXL1J224J C MYLAR 63V MEU 0.22MF J TP
C517 CEXF1C101V C ELECTRO 16V RSS 100MF (6.3X11) TP
C518 CBXF1H104Z C CERA SEMI 50V F 0.1MF Z (TAPPING)
C519 CMXL1J224J C MYLAR 63V MEU 0.22MF J TP
C520 CEXF1H229V C ELECTRO 50V RSS 2.2MF (5X11) TP
C521 CCXB1H222K C CERA 50V B 2200PF K (TAPPING)
C522 CBXF1H104Z C CERA SEMI 50V F 0.1MF Z (TAPPING)
C524 CMXM2A682J C MYLAR 100V 6800PF J TP
C525 CEXF1H109V C ELECTRO 50V RSS 1MF (5X11) TP
C526 CMXL1J224J C MYLAR 63V MEU 0.22MF J TP
C527 CEXF1H100V C ELECTRO 50V RSS 10MF (5X11) TP
C528 CCXF1H223Z C CERA 50V F 0.022MF Z (TAPPING)
C529 CMXL1J154J C MYLAR 63V MEU 0.15MF J
C534 CEXF1H229V C ELECTRO 50V RSS 2.2MF (5X11) TP
C535 CMXL1J474J C MYLAR 63V 0.47MF MKT
C536 CMXL1J474J C MYLAR 63V 0.47MF MKT
C537 CEXF1H229V C ELECTRO 50V RSS 2.2MF (5X11) TP
C538 CEXF1H229V C ELECTRO 50V RSS 2.2MF (5X11) TP
C539 CMXM2A332J C MYLAR 100V 3300PF J TP
C540 CMXM2A473J C MYLAR 100V 0.047MF J TP
C542 CEXF1H100V C ELECTRO 50V RSS 10MF (5X11) TP
C543 CEXF1H229V C ELECTRO 50V RSS 2.2MF (5X11) TP
C545 CEXF1H229V C ELECTRO 50V RSS 2.2MF (5X11) TP
C547 CEXF1H100V C ELECTRO 50V RSS 10MF (5X11) TP
C548 CEXF1H100V C ELECTRO 50V RSS 10MF (5X11) TP
C549 CMXL1J474J C MYLAR 63V 0.47MF MKT
C552 CMXL1J474J C MYLAR 63V 0.47MF MKT
C553 CMXL1J474J C MYLAR 63V 0.47MF MKT
C554 CMXL1J474J C MYLAR 63V 0.47MF MKT
C556 CCXB1H102K C CERA 50V B 1000PF K (TAPPING)
C558 CBXF1H104Z C CERA SEMI 50V F 0.1MF Z (TAPPING)
C560 CEXF1H229V C ELECTRO 50V RSS 2.2MF (5X11) TP
C561 CEXF1H229V C ELECTRO 50V RSS 2.2MF (5X11) TP
C562 CMXM2A104J C MYLAR 100V 0.1MF J TP
C563 CEXF1H100V C ELECTRO 50V RSS 10MF (5X11) TP
C567 CEXF1H100V C ELECTRO 50V RSS 10MF (5X11) TP
C568 CBXF1H104Z C CERA SEMI 50V F 0.1MF Z (TAPPING)
C569 CEXF1E470V C ELECTRO 25V RSS 47MF (5X11) TP
C574 CMXL1J224J C MYLAR 63V MEU 0.22MF J TP
C576 CMXL1J224J C MYLAR 63V MEU 0.22MF J TP
C577 CEXF1E470V C ELECTRO 25V RSS 47MF (5X11) TP
C579 CCXB1H102K C CERA 50V B 1000PF K (TAPPING)
C581 CMXL1J224J C MYLAR 63V MEU 0.22MF J TP
C582 CEXF1C101V C ELECTRO 16V RSS 100MF (6.3X11) TP
C602 CEXF1C221V C ELECTRO 16V RSS 220MF (8X11.5) TP
C608 CCXB1H222K C CERA 50V B 2200PF K (TAPPING)
C609 CCXB1H222K C CERA 50V B 2200PF K (TAPPING)
C625 CEXF1H479V C ELECTRO 50V RSS 4.7MF (5*11) TP
C660 CEXF1H100V C ELECTRO 50V RSS 10MF (5X11) TP
C661 CMXM2A224J C MYLAR 100V 0.22MF J BULK
C662 CMXM2A224J C MYLAR 100V 0.22MF J BULK
C665 CCXB1H472K C CERA 50V B 4700PF K (TAPPING)
C666 CBXF1H104Z C CERA SEMI 50V F 0.1MF Z (TAPPING)
C667 CCXB1H472K C CERA 50V B 4700PF K (TAPPING)
C668 CMXM2A224J C MYLAR 100V 0.22MF J BULK
C669 CMXM2A224J C MYLAR 100V 0.22MF J BULK
C690 CEXF1H479V C ELECTRO 50V RSS 4.7MF (5*11) TP
C691 CEXF1H479V C ELECTRO 50V RSS 4.7MF (5*11) TP
C770 CEXF1C101V C ELECTRO 16V RSS 100MF (6.3X11) TP
C803 CCXF3A472Z C CERA 1KV F 4700PF Z (T)
C804 CCXF3A472Z C CERA 1KV F 4700PF Z (T)
C806 CEXF1H220V C ELECTRO 50V RSS 22MF (5X11) TP
C807 CMXL1J104J C MYLAR 63V MEU 0.1MF J
C808 CEXF1H100V C ELECTRO 50V RSS 10MF (5X11) TP
C809 CCXB1H102K C CERA 50V B 1000PF K (TAPPING)
C821 CCXB1H102K C CERA 50V B 1000PF K (TAPPING)
C824 CCXB3A471K C CERA 1KV B 470PF K (T)
C831 CCXB3A471K C CERA 1KV B 470PF K (T)
C835 CEXF1E470V C ELECTRO 25V RSS 47MF (5X11) TP
C844 CEXF1E101V C ELECTRO 25V RSS 100MF (6.3X11) TP
C850 CCXB1H821K C CERA 50V B 820PF K (TAPPING)
C862 CEXF1E101V C ELECTRO 25V RSS 100MF (6.3X11) TP
C863 CEXF1E101V C ELECTRO 25V RSS 100MF (6.3X11) TP
C901 CCXB1H561K C CERA 50V B 560PF K (TAPPING)
C968 CMXL2E104K C MYLAR 250V 0.1MF K MEU TP
CA10 CCXB1H102K C CERA 50V B 1000PF K (TAPPING)
F801A 4857415001 CLIP FUSE PFC5000-0702
F801B 4857415001 CLIP FUSE PFC5000-0702
L517 5CPX479K— COIL PEAKING 4.7UH K RADIAL
L518 5CPX479K— COIL PEAKING 4.7UH K RADIAL
L519 5CPX479K— COIL PEAKING 4.7UH K RADIAL
Q120 T2SC5343Y- TR 2SC5343Y
Q402 T2SD1207T- TR 2SD1207-T (TAPPING)
Q501 T2SC5343Y- TR 2SC5343Y
Q502 T2SA1980Y- TR 2SA1980Y
Q503 T2SC5343Y- TR 2SC5343Y
Q504 T2SA1980Y- TR 2SA1980Y
Q506 T2SC5343Y- TR 2SC5343Y
Q507 T2SA1980Y- TR 2SA1980Y
Q508 T2SC5343Y- TR 2SC5343Y
Q513 T2SA1980Y- TR 2SA1980Y
Q514 TH2N7000— TR H2N7000
Q515 TH2N7000— TR H2N7000
Q601 T2SC5343Y- TR 2SC5343Y
Q602 T2SA1980Y- TR 2SA1980Y
Q807 T2SC5343Y- TR 2SC5343Y
Q808 T2SC5343Y- TR 2SC5343Y
Q809 T2SC5343Y- TR 2SC5343Y
Q810 T2SC5343Y- TR 2SC5343Y
Q811 T2SC5343Y- TR 2SC5343Y
Q813 T2SA1980Y- TR 2SA1980Y
Q814 T2SC5343Y- TR 2SC5343Y
Q815 T2SA1980Y- TR 2SA1980Y
Q816 T2SC5343Y- TR 2SC5343Y
SW700 5S50101090 SW TACT SKHV17910A
SW701 5S50101090 SW TACT SKHV17910A
SW702 5S50101090 SW TACT SKHV17910A
SW703 5S50101090 SW TACT SKHV17910A
SW704 5S50101090 SW TACT SKHV17910A
Z601 5PEFST471Y FILTER EMI EFST 471
Z602 5PEFST471Y FILTER EMI EFST 471
Z603 5PEFST471Y FILTER EMI EFST 471
Z604 5PEFST471Y FILTER EMI EFST 471

61
CP-520/520A/520F Service Manual
DTV- R&D Europe
DTV- R&D Europe
z_loc z_parts_code parts_name parts_descr remark z_loc z_parts_code parts_name parts_descr remark
Z605 5PEFST471Y FILTER EMI EFST 471
Z606 5PEFST471Y FILTER EMI EFST 471
Z607 5PEFST471Y FILTER EMI EFST 471
Z608 5PEFST471Y FILTER EMI EFST 471
Z609 5PEFST471Y FILTER EMI EFST 471
Z610 5PEFST471Y FILTER EMI EFST 471
Z611 5PEFST471Y FILTER EMI EFST 471
Z612 5PEFST471Y FILTER EMI EFST 471
ZZ200 PTMPJAC21Y2FF PCB MAIN AXIAL AS DTC-21Y2FZF
20 2TM10006LB TAPE MASKING 3M #232-MAP-C 6.2X2000M
10 2TM14006LB TAPE MASKING 3M #232 6.0X2000M
A001 4859809893 PCB MAIN CP-520A DTC
C103 CCZB1H102K C CERA 50V B 1000PF K (AXIAL)
C107 CZSL1H470J C CERA 50V SL 47PF J
C108 CZSL1H470J C CERA 50V SL 47PF J
C120 CCZB1H102K C CERA 50V B 1000PF K (AXIAL)
C123 CCZB1H472K C CERA 50V B 4700PF K (AXIAL)
C503 CCZB1H102K C CERA 50V B 1000PF K (AXIAL)
C504 CCZB1H102K C CERA 50V B 1000PF K (AXIAL)
C512 CBZF1H104Z C CERA SEMI 50V F 0.1MF Z (AXIAL)
C523 CCZB1H102K C CERA 50V B 1000PF K (AXIAL)
C530 CCZB1H101K C CERA 50V B 100PF K (AXIAL)
C531 CCZF1H103Z C CERA 50V F 0.01MF Z
C532 CCZF1H103Z C CERA 50V F 0.01MF Z
C533 CCZB1H102K C CERA 50V B 1000PF K (AXIAL)
C541 CBZF1H104Z C CERA SEMI 50V F 0.1MF Z (AXIAL)
C544 CBZF1H104Z C CERA SEMI 50V F 0.1MF Z (AXIAL)
C546 CBZF1H104Z C CERA SEMI 50V F 0.1MF Z (AXIAL)
C550 CCZF1H103Z C CERA 50V F 0.01MF Z
C551 CBZF1H104Z C CERA SEMI 50V F 0.1MF Z (AXIAL)
C555 CCZB1H102K C CERA 50V B 1000PF K (AXIAL)
C557 CBZF1H104Z C CERA SEMI 50V F 0.1MF Z (AXIAL)
C564 CBZF1H104Z C CERA SEMI 50V F 0.1MF Z (AXIAL)
C565 CBZF1H104Z C CERA SEMI 50V F 0.1MF Z (AXIAL)
C566 CBZF1H104Z C CERA SEMI 50V F 0.1MF Z (AXIAL)
C571 CCZB1H101K C CERA 50V B 100PF K (AXIAL)
C572 CCZB1H101K C CERA 50V B 100PF K (AXIAL)
C573 CCZB1H101K C CERA 50V B 100PF K (AXIAL)
C575 CCZB1H102K C CERA 50V B 1000PF K (AXIAL)
C578 CBZF1H104Z C CERA SEMI 50V F 0.1MF Z (AXIAL)
C589 CCZB1H472K C CERA 50V B 4700PF K (AXIAL)
C590 CBZF1H104Z C CERA SEMI 50V F 0.1MF Z (AXIAL)
C591 CBZF1H104Z C CERA SEMI 50V F 0.1MF Z (AXIAL)
C592 CCZF1H103Z C CERA 50V F 0.01MF Z
C701 CCZB1H103K C CERA 50V B 0.01MF K (AXIAL)
C830 CBZF1H104Z C CERA SEMI 50V F 0.1MF Z (AXIAL)
CA01 CCZB1H101K C CERA 50V B 100PF K (AXIAL)
CA02 CCZB1H101K C CERA 50V B 100PF K (AXIAL)
CA03 CCZB1H101K C CERA 50V B 100PF K (AXIAL)
CA04 CCZB1H101K C CERA 50V B 100PF K (AXIAL)
CA05 CCZB1H101K C CERA 50V B 100PF K (AXIAL)
CA06 CCZB1H101K C CERA 50V B 100PF K (AXIAL)
CA28 CCZB1H102K C CERA 50V B 1000PF K (AXIAL)
D101 DBAT85—— DIODE BAT85 (TAPPING)
D102 DBA282—— DIODE BA282
D313 D1N4937G— DIODE 1N4937G
D405 D1N4937G— DIODE 1N4937G
D407 DRGP15J—- DIODE RGP15J
D408 DRGP15J—- DIODE RGP15J
D410 D1N4004S— DIODE 1N4004S
D414 D1N4004S— DIODE 1N4004S
D450 D1N4937G— DIODE 1N4937G
D501 DBAT85—— DIODE BAT85 (TAPPING)
D502 DTZX3V9B— DIODE ZENER TZX3V9B (TAPPING)
D503 DTZX3V9B— DIODE ZENER TZX3V9B (TAPPING)
D504 DTZX5V6B— DIODE ZENER TZX5V6B (TAPPING)
D520 D1N4148—- DIODE 1N4148 (TAPPING)
D521 D1N4148—- DIODE 1N4148 (TAPPING)
D522 DTZX3V9B— DIODE ZENER TZX3V9B (TAPPING)
D523 DTZX3V9B— DIODE ZENER TZX3V9B (TAPPING)
D601 D1N4148—- DIODE 1N4148 (TAPPING)
D602 D1N4148—- DIODE 1N4148 (TAPPING)
D710 DTZX5V6B— DIODE ZENER TZX5V6B (TAPPING)
D801 DLT2A05G— DIODE LT2A05G
D802 DLT2A05G— DIODE LT2A05G
D803 DLT2A05G— DIODE LT2A05G
D804 DLT2A05G— DIODE LT2A05G
D805 D1N4937G— DIODE 1N4937G
D806 D1N4937G— DIODE 1N4937G
D808 D1N4937G— DIODE 1N4937G
D809 D1N4937G— DIODE 1N4937G
D811 DTZX6V2—- DIODE ZENER TZX6V2B (TAPPING)
D821 DRGP15J—- DIODE RGP15J
D822 DTZX9V1B— DIODE ZENER TZX9V1B (TAPPING)
D823 DTZX5V6B— DIODE ZENER TZX5V6B (TAPPING)
D824 D1N4148—- DIODE 1N4148 (TAPPING)
D825 D1N4148—- DIODE 1N4148 (TAPPING)
D830 D1N4937G— DIODE 1N4937G
D831 D1N4937G— DIODE 1N4937G
D840 D1N4004S— DIODE 1N4004S
D841 D1N4148—- DIODE 1N4148 (TAPPING)
D904 DBAV21—— DIODE BAV21 (TAPPING)
D905 DBAV21—— DIODE BAV21 (TAPPING)
D906 DBAV21—— DIODE BAV21 (TAPPING)
D997 DLT2A05G— DIODE LT2A05G
DA01 D1N4148—- DIODE 1N4148 (TAPPING)
DA02 DTZX5V6B— DIODE ZENER TZX5V6B (TAPPING)
DA03 D1N4148—- DIODE 1N4148 (TAPPING)
DA04 DTZX5V6B— DIODE ZENER TZX5V6B (TAPPING)
DA06 DTZX5V6B— DIODE ZENER TZX5V6B (TAPPING)
DA08 DTZX5V6B— DIODE ZENER TZX5V6B (TAPPING)
DA09 DTZX5V6B— DIODE ZENER TZX5V6B (TAPPING)
DA10 DTZX5V6B— DIODE ZENER TZX5V6B (TAPPING)
DA11 DTZX5V6B— DIODE ZENER TZX5V6B (TAPPING)
DA13 DTZX5V6B— DIODE ZENER TZX5V6B (TAPPING)
DA14 DTZX5V6B— DIODE ZENER TZX5V6B (TAPPING)
DA15 DTZX5V6B— DIODE ZENER TZX5V6B (TAPPING)
DA16 DTZX5V6B— DIODE ZENER TZX5V6B (TAPPING)
DA20 DTZX5V6B— DIODE ZENER TZX5V6B (TAPPING)
DA21 DTZX5V6B— DIODE ZENER TZX5V6B (TAPPING)
DA22 DTZX5V6B— DIODE ZENER TZX5V6B (TAPPING)
I805 DTZX33B—- DIODE ZENER TZX33B (TAPPING)
J10 85801065GY WIRE COPPER AWG22 1/0.65 TIN COATING
J100 85801065GY WIRE COPPER AWG22 1/0.65 TIN COATING
J101 85801065GY WIRE COPPER AWG22 1/0.65 TIN COATING
J102 85801065GY WIRE COPPER AWG22 1/0.65 TIN COATING
J103 85801065GY WIRE COPPER AWG22 1/0.65 TIN COATING
J104 85801065GY WIRE COPPER AWG22 1/0.65 TIN COATING
J105 85801065GY WIRE COPPER AWG22 1/0.65 TIN COATING
J106 85801065GY WIRE COPPER AWG22 1/0.65 TIN COATING
J107 85801065GY WIRE COPPER AWG22 1/0.65 TIN COATING
J108 85801065GY WIRE COPPER AWG22 1/0.65 TIN COATING
J109 85801065GY WIRE COPPER AWG22 1/0.65 TIN COATING
J11 85801065GY WIRE COPPER AWG22 1/0.65 TIN COATING
J111 85801065GY WIRE COPPER AWG22 1/0.65 TIN COATING
J112 85801065GY WIRE COPPER AWG22 1/0.65 TIN COATING
J113 85801065GY WIRE COPPER AWG22 1/0.65 TIN COATING
J114 85801065GY WIRE COPPER AWG22 1/0.65 TIN COATING
J12 85801065GY WIRE COPPER AWG22 1/0.65 TIN COATING
J13 85801065GY WIRE COPPER AWG22 1/0.65 TIN COATING
J14 85801065GY WIRE COPPER AWG22 1/0.65 TIN COATING
J15 85801065GY WIRE COPPER AWG22 1/0.65 TIN COATING
J16 85801065GY WIRE COPPER AWG22 1/0.65 TIN COATING
J17 85801065GY WIRE COPPER AWG22 1/0.65 TIN COATING
J18 85801065GY WIRE COPPER AWG22 1/0.65 TIN COATING
J19 85801065GY WIRE COPPER AWG22 1/0.65 TIN COATING
J20 85801065GY WIRE COPPER AWG22 1/0.65 TIN COATING
J21 85801065GY WIRE COPPER AWG22 1/0.65 TIN COATING
J22 85801065GY WIRE COPPER AWG22 1/0.65 TIN COATING
J23 85801065GY WIRE COPPER AWG22 1/0.65 TIN COATING
J24 85801065GY WIRE COPPER AWG22 1/0.65 TIN COATING
J25 RD-AZ101J- R CARBON FILM 1/6 100 OHM J
J26 RD-AZ101J- R CARBON FILM 1/6 100 OHM J
J3 85801065GY WIRE COPPER AWG22 1/0.65 TIN COATING
J300 85801065GY WIRE COPPER AWG22 1/0.65 TIN COATING
J31 85801065GY WIRE COPPER AWG22 1/0.65 TIN COATING
J32 85801065GY WIRE COPPER AWG22 1/0.65 TIN COATING
J33 85801065GY WIRE COPPER AWG22 1/0.65 TIN COATING
J35 85801065GY WIRE COPPER AWG22 1/0.65 TIN COATING
J36 85801065GY WIRE COPPER AWG22 1/0.65 TIN COATING
J37 85801065GY WIRE COPPER AWG22 1/0.65 TIN COATING
J39 85801065GY WIRE COPPER AWG22 1/0.65 TIN COATING
J4 85801065GY WIRE COPPER AWG22 1/0.65 TIN COATING
J40 85801065GY WIRE COPPER AWG22 1/0.65 TIN COATING
J41 85801065GY WIRE COPPER AWG22 1/0.65 TIN COATING
J42 85801065GY WIRE COPPER AWG22 1/0.65 TIN COATING
J43 85801065GY WIRE COPPER AWG22 1/0.65 TIN COATING
J44 85801065GY WIRE COPPER AWG22 1/0.65 TIN COATING
J45 85801065GY WIRE COPPER AWG22 1/0.65 TIN COATING
J46 85801065GY WIRE COPPER AWG22 1/0.65 TIN COATING
J47 85801065GY WIRE COPPER AWG22 1/0.65 TIN COATING
J48 85801065GY WIRE COPPER AWG22 1/0.65 TIN COATING

62
CP-520/520A/520F Service Manual
DTV- R&D Europe
z_loc z_parts_code parts_name parts_descr remark z_loc z_parts_code parts_name parts_descr remark
J49 85801065GY WIRE COPPER AWG22 1/0.65 TIN COATING
J5 85801065GY WIRE COPPER AWG22 1/0.65 TIN COATING
J50 RD-AZ101J- R CARBON FILM 1/6 100 OHM J
J500 85801065GY WIRE COPPER AWG22 1/0.65 TIN COATING
J51 85801065GY WIRE COPPER AWG22 1/0.65 TIN COATING
J52 85801065GY WIRE COPPER AWG22 1/0.65 TIN COATING
J54 85801065GY WIRE COPPER AWG22 1/0.65 TIN COATING
J56 85801065GY WIRE COPPER AWG22 1/0.65 TIN COATING
J57 85801065GY WIRE COPPER AWG22 1/0.65 TIN COATING
J58 85801065GY WIRE COPPER AWG22 1/0.65 TIN COATING
J59 85801065GY WIRE COPPER AWG22 1/0.65 TIN COATING
J6 85801065GY WIRE COPPER AWG22 1/0.65 TIN COATING
J60 85801065GY WIRE COPPER AWG22 1/0.65 TIN COATING
J61 85801065GY WIRE COPPER AWG22 1/0.65 TIN COATING
J62 85801065GY WIRE COPPER AWG22 1/0.65 TIN COATING
J63 85801065GY WIRE COPPER AWG22 1/0.65 TIN COATING
J64 85801065GY WIRE COPPER AWG22 1/0.65 TIN COATING
J65 85801065GY WIRE COPPER AWG22 1/0.65 TIN COATING
J66 85801065GY WIRE COPPER AWG22 1/0.65 TIN COATING
J67 85801065GY WIRE COPPER AWG22 1/0.65 TIN COATING
J68 85801065GY WIRE COPPER AWG22 1/0.65 TIN COATING
J69 85801065GY WIRE COPPER AWG22 1/0.65 TIN COATING
J7 RD-AZ101J- R CARBON FILM 1/6 100 OHM J
J70 85801065GY WIRE COPPER AWG22 1/0.65 TIN COATING
J71 85801065GY WIRE COPPER AWG22 1/0.65 TIN COATING
J72 85801065GY WIRE COPPER AWG22 1/0.65 TIN COATING
J73 85801065GY WIRE COPPER AWG22 1/0.65 TIN COATING
J74 85801065GY WIRE COPPER AWG22 1/0.65 TIN COATING
J76 RD-AZ202J- R CARBON FILM 1/6 2K OHM J
J78 RD-AZ101J- R CARBON FILM 1/6 100 OHM J
J80 85801065GY WIRE COPPER AWG22 1/0.65 TIN COATING
J800 85801065GY WIRE COPPER AWG22 1/0.65 TIN COATING
J81 85801065GY WIRE COPPER AWG22 1/0.65 TIN COATING
J82 85801065GY WIRE COPPER AWG22 1/0.65 TIN COATING
J83 RD-AZ101J- R CARBON FILM 1/6 100 OHM J
J84 RD-AZ101J- R CARBON FILM 1/6 100 OHM J
J86 85801065GY WIRE COPPER AWG22 1/0.65 TIN COATING
J87 85801065GY WIRE COPPER AWG22 1/0.65 TIN COATING
J88 85801065GY WIRE COPPER AWG22 1/0.65 TIN COATING
J89 85801065GY WIRE COPPER AWG22 1/0.65 TIN COATING
J90 85801065GY WIRE COPPER AWG22 1/0.65 TIN COATING
J91 85801065GY WIRE COPPER AWG22 1/0.65 TIN COATING
J92 85801065GY WIRE COPPER AWG22 1/0.65 TIN COATING
J94 85801065GY WIRE COPPER AWG22 1/0.65 TIN COATING
J95 85801065GY WIRE COPPER AWG22 1/0.65 TIN COATING
J96 85801065GY WIRE COPPER AWG22 1/0.65 TIN COATING
J97 85801065GY WIRE COPPER AWG22 1/0.65 TIN COATING
J98 85801065GY WIRE COPPER AWG22 1/0.65 TIN COATING
J99 85801065GY WIRE COPPER AWG22 1/0.65 TIN COATING
L101 5CPZ100K02 COIL PEAKING 10UH 3.5MM K (LAL02TB)
L350 5CPZ109M04 COIL PEAKING 1UH 10.5MM M (LAL04TB)
L351 5CPZ109M04 COIL PEAKING 1UH 10.5MM M (LAL04TB)
L505 5CPZ479K02 COIL PEAKING 4.7UH 3.5MM K (LAL02TB)
L506 5CPZ479K02 COIL PEAKING 4.7UH 3.5MM K (LAL02TB)
L507 5CPZ479K02 COIL PEAKING 4.7UH 3.5MM K (LAL02TB)
L508 5CPZ479K02 COIL PEAKING 4.7UH 3.5MM K (LAL02TB)
L509 5CPZ479K02 COIL PEAKING 4.7UH 3.5MM K (LAL02TB)
L510 5CPZ479K02 COIL PEAKING 4.7UH 3.5MM K (LAL02TB)
L512 5CPZ479K02 COIL PEAKING 4.7UH 3.5MM K (LAL02TB)
L513 5CPZ479K02 COIL PEAKING 4.7UH 3.5MM K (LAL02TB)
L515 5CPZ100K02 COIL PEAKING 10UH 3.5MM K (LAL02TB)
L516 5CPZ479K02 COIL PEAKING 4.7UH 3.5MM K (LAL02TB)
L523 5CPZ479K02 COIL PEAKING 4.7UH 3.5MM K (LAL02TB)
L650 5MC0000100 COIL BEAD MD-5 (HC-3550)
L801 5MC0000100 COIL BEAD MD-5 (HC-3550)
R103 RD-AZ123J- R CARBON FILM 1/6 12K OHM J
R104 RD-AZ683J- R CARBON FILM 1/6 68K OHM J
R105 RD-AZ103J- R CARBON FILM 1/6 10K OHM J
R106 RD-AZ101J- R CARBON FILM 1/6 100 OHM J
R107 RD-AZ101J- R CARBON FILM 1/6 100 OHM J
R114 RD-AZ473J- R CARBON FILM 1/6 47K OHM J
R115 RD-AZ101J- R CARBON FILM 1/6 100 OHM J
R120 RD-AZ101J- R CARBON FILM 1/6 100 OHM J
R131 RD-AZ472J- R CARBON FILM 1/6 4.7K OHM J
R310 RD-AZ471J- R CARBON FILM 1/6 470 OHM J
R311 RD-AZ471J- R CARBON FILM 1/6 470 OHM J
R331 RD-2Z201J- R CARBON FILM 1/2 200 OHM J
R340 RD-4Z473J- R CARBON FILM 1/4 47K OHM J
R350 RN-AZ2201F R METAL FILM 1/6 2.2K OHM F
R351 RN-AZ2201F R METAL FILM 1/6 2.2K OHM F
R370 RD-4Z159J- R CARBON FILM 1/4 1.5 OHM J
R394 RD-AZ272J- R CARBON FILM 1/6 2.7K OHM J
R395 RD-4Z394J- R CARBON FILM 1/4 390K OHM J
R396 RD-AZ103J- R CARBON FILM 1/6 10K OHM J
R401 RD-4Z272J- R CARBON FILM 1/4 2.7K OHM J
R403 RD-4Z102J- R CARBON FILM 1/4 1K OHM J
R404 RD-4Z399J- R CARBON FILM 1/4 3.9 OHM J
R405 RD-4Z102J- R CARBON FILM 1/4 1K OHM J
R407 RD-4Z182J- R CARBON FILM 1/4 1.8K OHM J
R420 RD-4Z103J- R CARBON FILM 1/4 10K OHM J
R422 RD-4Z102J- R CARBON FILM 1/4 1K OHM J
R423 RD-4Z622J- R CARBON FILM 1/4 6.2K OHM J
R500 RD-AZ101J- R CARBON FILM 1/6 100 OHM J
R501 RD-AZ332J- R CARBON FILM 1/6 3.3K OHM J
R502 RD-AZ332J- R CARBON FILM 1/6 3.3K OHM J
R503 RD-AZ102J- R CARBON FILM 1/6 1K OHM J
R504 RD-AZ472J- R CARBON FILM 1/6 4.7K OHM J
R505 RD-AZ101J- R CARBON FILM 1/6 100 OHM J
R506 RD-AZ103J- R CARBON FILM 1/6 10K OHM J
R507 RD-AZ332J- R CARBON FILM 1/6 3.3K OHM J
R508 RD-AZ332J- R CARBON FILM 1/6 3.3K OHM J
R510 RD-AZ103J- R CARBON FILM 1/6 10K OHM J
R511 RD-AZ103J- R CARBON FILM 1/6 10K OHM J
R514 RD-AZ101J- R CARBON FILM 1/6 100 OHM J
R515 RD-AZ101J- R CARBON FILM 1/6 100 OHM J
R516 RD-AZ153J- R CARBON FILM 1/6 15K OHM J
R517 RD-AZ101J- R CARBON FILM 1/6 100 OHM J
R518 RD-AZ101J- R CARBON FILM 1/6 100 OHM J
R519 RD-AZ102J- R CARBON FILM 1/6 1K OHM J
R527 RD-AZ101J- R CARBON FILM 1/6 100 OHM J
R528 RD-AZ101J- R CARBON FILM 1/6 100 OHM J
R529 RD-AZ101J- R CARBON FILM 1/6 100 OHM J
R530 RD-AZ101J- R CARBON FILM 1/6 100 OHM J
R531 RD-AZ181J- R CARBON FILM 1/6 180 OHM J
R532 RD-AZ102J- R CARBON FILM 1/6 1K OHM J
R533 RD-AZ102J- R CARBON FILM 1/6 1K OHM J
R534 RD-AZ472J- R CARBON FILM 1/6 4.7K OHM J
R537 RD-AZ183J- R CARBON FILM 1/6 18K OHM J
R538 RD-AZ101J- R CARBON FILM 1/6 100 OHM J
R539 RD-AZ471J- R CARBON FILM 1/6 470 OHM J
R540 RD-AZ471J- R CARBON FILM 1/6 470 OHM J
R541 RN-AZ3902F R METAL FILM 1/6 39K OHM F
R542 RD-AZ682J- R CARBON FILM 1/6 6.8K OHM J
R543 RD-AZ222J- R CARBON FILM 1/6 2.2K OHM J
R544 RD-AZ222J- R CARBON FILM 1/6 2.2K OHM J
R545 RD-AZ473J- R CARBON FILM 1/6 47K OHM J
R546 RD-AZ181J- R CARBON FILM 1/6 180 OHM J
R547 RD-AZ563J- R CARBON FILM 1/6 56K OHM J
R551 RD-AZ823J- R CARBON FILM 1/6 82K OHM J
R552 RD-AZ103J- R CARBON FILM 1/6 10K OHM J
R553 RD-AZ103J- R CARBON FILM 1/6 10K OHM J
R554 RD-AZ103J- R CARBON FILM 1/6 10K OHM J
R555 RD-AZ103J- R CARBON FILM 1/6 10K OHM J
R556 RD-AZ101J- R CARBON FILM 1/6 100 OHM J
R557 RD-AZ101J- R CARBON FILM 1/6 100 OHM J
R558 RD-AZ152J- R CARBON FILM 1/6 1.5K OHM J
R559 RD-AZ222J- R CARBON FILM 1/6 2.2K OHM J
R560 RD-AZ222J- R CARBON FILM 1/6 2.2K OHM J
R561 RD-AZ101J- R CARBON FILM 1/6 100 OHM J
R562 RD-AZ101J- R CARBON FILM 1/6 100 OHM J
R563 RD-AZ101J- R CARBON FILM 1/6 100 OHM J
R564 RD-AZ101J- R CARBON FILM 1/6 100 OHM J
R565 RD-AZ154J- R CARBON FILM 1/6 150K OHM J
R566 RD-AZ103J- R CARBON FILM 1/6 10K OHM J
R567 RD-AZ103J- R CARBON FILM 1/6 10K OHM J
R568 RD-AZ103J- R CARBON FILM 1/6 10K OHM J
R569 RD-AZ103J- R CARBON FILM 1/6 10K OHM J
R571 RD-AZ102J- R CARBON FILM 1/6 1K OHM J
R572 RD-AZ103J- R CARBON FILM 1/6 10K OHM J
R573 RD-AZ103J- R CARBON FILM 1/6 10K OHM J
R574 RD-AZ103J- R CARBON FILM 1/6 10K OHM J
R575 RD-AZ103J- R CARBON FILM 1/6 10K OHM J
R576 RD-AZ102J- R CARBON FILM 1/6 1K OHM J
R577 RD-AZ102J- R CARBON FILM 1/6 1K OHM J
R578 RD-AZ102J- R CARBON FILM 1/6 1K OHM J
R579 RD-AZ101J- R CARBON FILM 1/6 100 OHM J
R580 RD-AZ123J- R CARBON FILM 1/6 12K OHM J
R581 RD-AZ101J- R CARBON FILM 1/6 100 OHM J
R582 RD-AZ101J- R CARBON FILM 1/6 100 OHM J
R583 RD-AZ101J- R CARBON FILM 1/6 100 OHM J

63
CP-520/520A/520F Service Manual
DTV- R&D Europe
DTV- R&D Europe
z_loc z_parts_code parts_name parts_descr remark z_loc z_parts_code parts_name parts_descr remark
R584 RD-AZ101J- R CARBON FILM 1/6 100 OHM J
R585 RD-AZ101J- R CARBON FILM 1/6 100 OHM J
R586 RD-AZ101J- R CARBON FILM 1/6 100 OHM J
R587 RD-AZ101J- R CARBON FILM 1/6 100 OHM J
R588 RD-AZ102J- R CARBON FILM 1/6 1K OHM J
R589 RD-AZ102J- R CARBON FILM 1/6 1K OHM J
R590 RD-AZ334J- R CARBON FILM 1/6 330K OHM J
R598 RD-AZ182J- R CARBON FILM 1/6 1.8K OHM J
R599 RD-AZ224J- R CARBON FILM 1/6 220K OHM J
R601 RD-AZ152J- R CARBON FILM 1/6 1.5K OHM J
R602 RD-AZ104J- R CARBON FILM 1/6 100K OHM J
R608 RD-2Z151J- R CARBON FILM 1/2 150 OHM J
R609 RD-2Z151J- R CARBON FILM 1/2 150 OHM J
R610 RD-AZ103J- R CARBON FILM 1/6 10K OHM J
R611 RD-AZ474J- R CARBON FILM 1/6 470K OHM J
R612 RD-AZ474J- R CARBON FILM 1/6 470K OHM J
R650 RD-AZ513J- R CARBON FILM 1/6 51K OHM J
R660 RD-AZ513J- R CARBON FILM 1/6 51K OHM J
R661 RD-AZ682J- R CARBON FILM 1/6 6.8K OHM J
R662 RD-AZ682J- R CARBON FILM 1/6 6.8K OHM J
R700 RD-2Z332J- R CARBON FILM 1/2 3.3K OHM J
R701 RN-AZ1002F R METAL FILM 1/6 10K OHM F
R702 RN-AZ1502F R METAL FILM 1/6 15K OHM F
R713 RD-AZ681J- R CARBON FILM 1/6 680 OHM J
R720 RD-AZ122J- R CARBON FILM 1/6 1.2K OHM J
R721 RD-AZ181J- R CARBON FILM 1/6 180 OHM J
R722 RD-AZ221J- R CARBON FILM 1/6 220 OHM J
R723 RD-AZ331J- R CARBON FILM 1/6 330 OHM J
R724 RD-AZ471J- R CARBON FILM 1/6 470 OHM J
R805 RD-2Z100J- R CARBON FILM 1/2 10 OHM J
R806 RD-2Z472J- R CARBON FILM 1/2 4.7K OHM J
R807 RD-2Z272J- R CARBON FILM 1/2 2.7K OHM J
R808 RD-2Z821J- R CARBON FILM 1/2 820 OHM J
R810 RD-4Z102J- R CARBON FILM 1/4 1K OHM J
R811 RC-2Z565KP R CARBON COMP 1/2 5.6M OHM K
R812 RD-4Z473J- R CARBON FILM 1/4 47K OHM J
R813 RD-4Z473J- R CARBON FILM 1/4 47K OHM J
R814 RD-AZ472J- R CARBON FILM 1/6 4.7K OHM J
R815 RD-AZ472J- R CARBON FILM 1/6 4.7K OHM J
R816 RD-4Z399J- R CARBON FILM 1/4 3.9 OHM J
R817 RD-AZ473J- R CARBON FILM 1/6 47K OHM J
R820 RD-AZ102J- R CARBON FILM 1/6 1K OHM J
R821 RD-4Z102J- R CARBON FILM 1/4 1K OHM J
R823 RD-4Z392J- R CARBON FILM 1/4 3.9K OHM J
R829 RD-AZ103J- R CARBON FILM 1/6 10K OHM J
R830 RD-AZ332J- R CARBON FILM 1/6 3.3K OHM J
R840 85801065GY WIRE COPPER AWG22 1/0.65 TIN COATING
R841 RD-2Z479J- R CARBON FILM 1/2 4.7 OHM J
R842 85801065GY WIRE COPPER AWG22 1/0.65 TIN COATING
R850 85801065GY WIRE COPPER AWG22 1/0.65 TIN COATING
R870 RD-2Z222J- R CARBON FILM 1/2 2.2K OHM J
R901 RD-AZ561J- R CARBON FILM 1/6 560 OHM J
R910 RD-AZ101J- R CARBON FILM 1/6 100 OHM J
R911 RD-AZ101J- R CARBON FILM 1/6 100 OHM J
R912 RD-AZ101J- R CARBON FILM 1/6 100 OHM J
R913 RC-2Z102K- R CARBON COMP 1/2 1K OHM K
R914 RC-2Z102K- R CARBON COMP 1/2 1K OHM K
R915 RC-2Z102K- R CARBON COMP 1/2 1K OHM K
R921 RD-AZ221J- R CARBON FILM 1/6 220 OHM J
R922 RD-AZ221J- R CARBON FILM 1/6 220 OHM J
R923 RD-AZ221J- R CARBON FILM 1/6 220 OHM J
R996 RD-2Z105J- R CARBON FILM 1/2 1M OHM J
R997 RD-2Z102J- R CARBON FILM 1/2 1K OHM J
RA02 RD-AZ101J- R CARBON FILM 1/6 100 OHM J
RA03 RD-AZ101J- R CARBON FILM 1/6 100 OHM J
RA04 RD-AZ101J- R CARBON FILM 1/6 100 OHM J
RA05 RD-AZ103J- R CARBON FILM 1/6 10K OHM J
RA06 RD-AZ750J- R CARBON FILM 1/6 75 OHM J
RA07 RD-AZ332J- R CARBON FILM 1/6 3.3K OHM J
RA08 RD-AZ750J- R CARBON FILM 1/6 75 OHM J
RA09 RD-AZ750J- R CARBON FILM 1/6 75 OHM J
RA10 RD-AZ470J- R CARBON FILM 1/6 47 OHM J
RA11 RD-AZ680J- R CARBON FILM 1/6 68 OHM J
RA12 RD-AZ102J- R CARBON FILM 1/6 1K OHM J
RA13 RD-AZ222J- R CARBON FILM 1/6 2.2K OHM J
RA14 RD-AZ220J- R CARBON FILM 1/6 22 OHM J
RA15 RD-AZ750J- R CARBON FILM 1/6 75 OHM J
RA16 RD-AZ750J- R CARBON FILM 1/6 75 OHM J
RA17 RD-AZ103J- R CARBON FILM 1/6 10K OHM J
RA18 RD-AZ332J- R CARBON FILM 1/6 3.3K OHM J
RA19 RD-AZ750J- R CARBON FILM 1/6 75 OHM J
RA23 RD-AZ220J- R CARBON FILM 1/6 22 OHM J
RA24 RD-AZ222J- R CARBON FILM 1/6 2.2K OHM J
RA25 RD-AZ102J- R CARBON FILM 1/6 1K OHM J
RA29 RD-AZ101J- R CARBON FILM 1/6 100 OHM J
RA32 RD-AZ470J- R CARBON FILM 1/6 47 OHM J
RA35 RD-AZ750J- R CARBON FILM 1/6 75 OHM J
ZZ140 PTPKCPC21Y1FS PACKING AS DTC-21Y1FZF-S
M641 6520010200 STAPLE PIN #3417 ALL
M801 GPBBW3Y1512 BOX DTA 21Y1 UNIVERSAL (NEW)
M811 4858193600 PAD EPS 21Y1
M821 4858211801 BAG P.E. PE FILM T0.05X1300X1000

64
CP-520/520A/520F Service Manual
DTV- R&D Europe
z_loc z_parts_code parts_name parts_descr remark z_loc z_parts_code parts_name parts_descr remark
ZZ100 PTACPWZ29U7F ACCESSORY AS DTZ-29U7FZS-S
12000 48B4846G2201 TRANSMITTER REMOCON R-46G22 (AAA)
13000 4850Q00910 BATTERY AAA R03/NN SUPERGARD
14000 4858213801 BAG INSTRUCTION L. D. P. E. T0. 05X250X40
ZZ120 PTBCSHZ29U7S COVER BACK AS DTZ-29U7FZS-S
M211 4852163301 COVER BACK 29U7 GY778A
M541 4855415800 S/PLATE 150ART P/E FILM (C/TV)
M542 485580002207 LABEL SERIAL ART 90
M782 4857817610 CLOTH BLACK “300 MM 20”” “
ZZ130 PTCACAZ29U7FSS CABINET AS DTZ-29U7FZS-S
M201A 4856017352 SCREW CRT FIX 6X35 L120 YL
M201B 4856215402 WASHER RUBBER 20’’
M201D 4856818300 CLAMP WIRE PH-WL-5034
M211A 7172401612 SCREW TAPPING TT2 TRS 4X16 MFZN BK
M352 2TF01612CL TAPE FILAMENT 12MMX55ME CLEAR
M481 4854864501 BUTTON POWER 29U7 GY340A+SV128BP (SILVER)
M481A 4856716000 SPRING 14Q1/M3 SWPA PIE0.5
M491 4851950201 BUTTON CTRL AS 29U7 GY340A+SV128BP (SILVER)
M491A 7178301011 SCREW TAPPING TT2 WAS 3X10 MFZN
M561 48556174SD01 MARK BRAND “DAEWOO 28”” BLACK “
M681 4856812001 TIE CABLE NYLON66 DA100
P402A 4850706S21 CONN AS YFDH500-06+YLT502+ULW=500
PWC1 4859906210 CORD POWER W/F 6-LO (LOMAX NEW)
SP01A 7172401212 SCREW TAPPING TT2 TRS 4X12 MFZN
SP02A 7172401212 SCREW TAPPING TT2 TRS 4X12 MFZN
V901 4859641860 “CRT (SAMSUNG 29””) “ A68QCP993X926
ZZ131 58G0000149 COIL DEGAUSSING DC-29SF
ZZ132 48519A4210 CRT GROUND NET 2901H-1015-2P
ZZ200 PTFMSJZ29U7S MASK FRONT AS DTZ-29U7FZS-S
M201 4852083901 MASK FRONT 29U7 GY503A+SV128BP
ZZ201 PTSPPWY28A8F SPEAKER AS DTY-28A8FZF
51000 4858311110 SPEAKER 12W 8 OHM SP-58126F
51100 4850704S30 CONN AS YH025-04+35098+ULW=700
52000 4858311110 SPEAKER 12W 8 OHM SP-58126F
ZZ290 PTMPMSZ29U7FS PCB MAIN MANUAL AS DTZ-29U7FZS
10 2193100801 SOLDER BAR SN:PB=63:37 3PI(NO FLUX)
40 2291050314 FLUX SOLVENT IM-1000
20 2193011101 SOLDER WIRE RS 60-1.2 1.6A
30 2291050617P FLUX SOLDER CF-329D
50 2291140501 WAX COVER 60G/PC
60 2291051001 FLUX KILLER KFT-7
C315 CEXF2A470V C ELECTRO 100V RSS 47MF (10X16) TP
C402 CMYH3C123J C MYLAR 1.6KV 0.012MF J
C408 CMYE2G394J C MYLAR 400V PU 0.39MF J
C415 CEXF2E479V C ELECTRO 250V RSS 4.7MF (10X16)TP
C430 CCYR3D681K C CERA 2KV R 680PF K 125C
C431 CMXB2G472J C MYLAR 400V 4700PF J TP
C440 CMXE2G243J C MYLAR 400V PU 0.024MF J
C499 CEYD1H689W C ELECTRO 50V RHD 6.8MF (16X35.5)
C604 CEXF1E102V C ELECTRO 25V RSS 1000MF (13X20) TP
C801 CL1UC3474M C LINE ACROSS 0.47MF 1J(UCVSNDF/SV
C805 CEYN2G181P C ELECTRO 400V LHS 180MF (25X35)
C810 CCYR3A102K C CERA HIKR 1KV 1000PF K 125C
C812 CH1BFE472M C CERA AC AC400V 4700PF M U/C/V
C813 CEYF2E470V C ELECTRO 250V RSS 47MF (16X25
C814 CEXF2E101V C ELECTRO 250V RSS 100MF 18X35.5
C820 CCYR3A102K C CERA HIKR 1KV 1000PF K 125C
C823 CEXF1E102V C ELECTRO 25V RSS 1000MF (13X20) TP
C832 CEXF1E102V C ELECTRO 25V RSS 1000MF (13X20) TP
C840 CEXF1C332V C ELECTRO 16V RSS 3300MF
C841 CEXF1C332V C ELECTRO 16V RSS 3300MF
C861 CEXF1E102C C ELECTRO 25V RUS 1000MF 13X20 TP
C866 CCYR3A471K C CERA 1KV 470PF K 125C
C905 CEXF2E479V C ELECTRO 250V RSS 4.7MF (10X16)TP
C965 CBXB3D102K C CERA SEMI 2KV BL(N) 1000PF K (T)
C997 CEXF2E100V C ELECTRO 250V RSS 10MF (10X20) TP
D403 DBY228—— DIODE BY228
D404 DBYW76—— DIODE BYW76
D820 DBYW76—— DIODE BYW76
D860 DBYW76—— DIODE BYW76
F801 5FSCB4022R FUSE CERA SEMKO F4AH 4A 250V MF51
G900 4SG0DY0001 SPARK GAP SSG-102-A1(1.0KV) BULK
G901 4SG0DY0001 SPARK GAP SSG-102-A1(1.0KV) BULK
G902 4SG0DY0001 SPARK GAP SSG-102-A1(1.0KV) BULK
G903 4SG0DY0001 SPARK GAP SSG-102-A1(1.0KV) BULK
G904 4SG0DY0001 SPARK GAP SSG-102-A1(1.0KV) BULK
I301 1TDA8358J- IC VERTICAL TDA8358J
I301A 4857028215 HEAT SINK AL EX NO ANODOZING
I301B 7174301011 SCREW TAPPTITE TT2 RND 3X10 MFZN
I502 1AT24C16PC IC MEMORY AT24C16-10PC
I602 1TDA8946J- IC AUDIO TDA8946J
I602A 4857028215 HEAT SINK AL EX NO ANODOZING
I602B 7174301011 SCREW TAPPTITE TT2 RND 3X10 MFZN
I703 1TS0P1238W IC PREAMP TSOP1238WI1
I801 1STRF6654- IC SMPS STR-F6654
I801A 4857024600 HEAT SINK AL EX B/K
I801B 7174301211 SCREW TAPPTITE TT2 RND 3X12 MFZN
I804 1KP1010C— IC PHOTO COUPLER KP-1010C
I806 1DP130—— IC ERROR AMP DP130
I810 TX0202DA— THYRISTOR X0202DA
I820 1L7805CV— IC REGULATOR L7805CV
I822 1L7808CV— IC REGULATOR L7808CV
I823 1LD1117V33 IC REGULATOR LD1117AV33 3.3V TO-220
I824 1LD1117V50 IC REGULATOR LD1117AV50 5.0V TO-220
I901 1TDA6107AJ IC VIDEO TDA6107AJF
I901A 4857031100 HEAT SINK A1050P-H24 T2.0
I901B 7174300811 SCREW TAPPTITE TT2 RND 3X8 MFZN
JP01 4859102130 JACK EARPHONE YSC-1537
JPA1 4859200401 SOCKET RGB SR-21A1 (ANGLE TYPE)
JPA2 4859200401 SOCKET RGB SR-21A1 (ANGLE TYPE)
JPA3 4859108450 JACK PIN BOARD YSC03P-4120-14A
JPA4 4859106740 SVHS JACK PH-SJ-9505A
L401 58H0000067 COIL H-LINEARITY TRL-240B
L402 58C7070085 COIL CHOKE TLN-3062A
L514 5CPZ100K04 COIL PEAKING 10UH 10.5MM K (LAL04TB)
L802 58C9430599 COIL CHOKE AZ-9004Y(94MH)
LF801 5PLF24A1— FILTER LINE LF-24A1
M351 4858900002 HOLDER LED AS LH-3P
P401 4850705N14 CONNECTOR BIC-05T-25T+ULW=500
P402 4859240120 CONN WAFER YFW500-06
P501 4850705N14 CONNECTOR BIC-05T-25T+ULW=500
P601 4859231720 CONN WAFER YW025-04
P701 4859231720 CONN WAFER YW025-04
P801 4859287320 CONN WAFER MKS2822 (LOMAX NEW TYPE)
P802 4859242220 CONN WAFER YFW800-02
P903 4859238620 CONN WAFER YPW500-02
Q401 T2SD2578— TR 2SD2578
Q401A 4857024500 HEAT SINK AL EX
Q401B 7174300811 SCREW TAPPTITE TT2 RND 3X8 MFZN
R398 RS02Y129JS R M-OXIDE FILM 2W 1.2 OHM J SMALL
R399 RS02Y120JS R M-OXIDE FILM 2W 12 OHM J SMALL
R406 RS02Y471JS R M-OXIDE FILM 2W 470 OHM J SMALL
R450 RS02Y223JS R M-OXIDE FILM 2W 22K OHM J SMALL
R801 DDC7R0M290 POSISTOR ECPCD7R0M290
R802 RS02Y753JS R M-OXIDE FILM 2W 75K OHM J SMALL
R803 RS02Y473JS R M-OXIDE FILM 2W 47K OHM J SMALL
R804 RF01Y188K- R FUSIBLE 1W 0.18 OHM K
R819 RX10B339JN R CEMENT 10W 3.3 OHM J BENCH 4P
R822 RS02Y399JS R M-OXIDE FILM 2W 3.9 OHM J SMALL
R920 RF01Y129JA R FUSIBLE 1W 1.2 OHM J A CURVE
SCT1 4859303530 SOCKET CRT PCS629-03C
SW801 5S40101143 SW PUSH PS3-22SP (P.C.B)
T401 50D19A1—- TRANS DRIVE TD-19A1
T402 50H0000233 FBT 1362.5018C
T801 50M4936B2- TRANS SMPS 2094.0057B
U100 4859724930 TUNER VARACTOR UV1316/AI-4
X501 5XJ24R576E CRYSTAL QUARTZ HC-49/S 24.576MHZ 30PPM
Z101 5PK3953M— FILTER SAW K3953M
Z102 5PK9650M— FILTER SAW K9650M
ZZ200 PTMPJBZ29U7FS PCB MAIN EYE LET AS DTZ-29U7FZS
E01 4856310600 EYE LET BSR 2.3(R2.3)
E02 4856310600 EYE LET BSR 2.3(R2.3)
E03 4856310600 EYE LET BSR 2.3(R2.3)
E04 4856310600 EYE LET BSR 2.3(R2.3)
E05 4856310600 EYE LET BSR 2.3(R2.3)
E06 4856310600 EYE LET BSR 2.3(R2.3)
E07 4856310600 EYE LET BSR 2.3(R2.3)
E08 4856310600 EYE LET BSR 2.3(R2.3)
E09 4856310600 EYE LET BSR 2.3(R2.3)
E10 4856310600 EYE LET BSR 2.3(R2.3)
E13 4856310600 EYE LET BSR 2.3(R2.3)
E14 4856310600 EYE LET BSR 2.3(R2.3)
E15 4856310600 EYE LET BSR 2.3(R2.3)
E16 4856310600 EYE LET BSR 2.3(R2.3)
E17 4856310600 EYE LET BSR 2.3(R2.3)
6.4 DTZ-29U7FZF-S

65
CP-520/520A/520F Service Manual
DTV- R&D Europe
DTV- R&D Europe
z_loc z_parts_code parts_name parts_descr remark z_loc z_parts_code parts_name parts_descr remark
E18 4856310600 EYE LET BSR 2.3(R2.3)
E19 4856310600 EYE LET BSR 2.3(R2.3)
E20 4856310600 EYE LET BSR 2.3(R2.3)
E21 4856310300 EYE LET BSR T0.2 (R1.6)
E22 4856310300 EYE LET BSR T0.2 (R1.6)
E23 4856310300 EYE LET BSR T0.2 (R1.6)
E24 4856310300 EYE LET BSR T0.2 (R1.6)
E25 4856310300 EYE LET BSR T0.2 (R1.6)
E26 4856310300 EYE LET BSR T0.2 (R1.6)
E27 4856310300 EYE LET BSR T0.2 (R1.6)
E28 4856310300 EYE LET BSR T0.2 (R1.6)
E29 4856310300 EYE LET BSR T0.2 (R1.6)
E30 4856310300 EYE LET BSR T0.2 (R1.6)
E31 4856310300 EYE LET BSR T0.2 (R1.6)
E32 4856310300 EYE LET BSR T0.2 (R1.6)
E33 4856310300 EYE LET BSR T0.2 (R1.6)
E34 4856310300 EYE LET BSR T0.2 (R1.6)
E35 4856310300 EYE LET BSR T0.2 (R1.6)
E36 4856310300 EYE LET BSR T0.2 (R1.6)
E37 4856310300 EYE LET BSR T0.2 (R1.6)
E38 4856310300 EYE LET BSR T0.2 (R1.6)
E39 4856310300 EYE LET BSR T0.2 (R1.6)
E40 4856310300 EYE LET BSR T0.2 (R1.6)
E41 4856310300 EYE LET BSR T0.2 (R1.6)
E42 4856310300 EYE LET BSR T0.2 (R1.6)
E43 4856310300 EYE LET BSR T0.2 (R1.6)
E44 4856310300 EYE LET BSR T0.2 (R1.6)
E45 4856310300 EYE LET BSR T0.2 (R1.6)
E46 4856310300 EYE LET BSR T0.2 (R1.6)
E47 4856310300 EYE LET BSR T0.2 (R1.6)
E48 4856310300 EYE LET BSR T0.2 (R1.6)
E49 4856310300 EYE LET BSR T0.2 (R1.6)
E50 4856310300 EYE LET BSR T0.2 (R1.6)
E51 4856310300 EYE LET BSR T0.2 (R1.6)
E52 4856310300 EYE LET BSR T0.2 (R1.6)
E53 4856310300 EYE LET BSR T0.2 (R1.6)
E54 4856310300 EYE LET BSR T0.2 (R1.6)
E55 4856310300 EYE LET BSR T0.2 (R1.6)
E56 4856310600 EYE LET BSR 2.3(R2.3)
E57 4856310600 EYE LET BSR 2.3(R2.3)
ZZ200 PTMPJ2Z29U7FS PCB CHIP MOUNT B AS DTZ-29U7FZS
I501 1TDA21HB01 IC MICOM FLASH TDA12021H1/N1 B01
ZZ200 PTMPJRZ29U7FS PCB MAIN RADIAL AS DTZ-29U7FZS
C102 CEXF1E470V C ELECTRO 25V RSS 47MF (5X11) TP
C104 CCXB1H102K C CERA 50V B 1000PF K (TAPPING)
C106 CEXF1E470V C ELECTRO 25V RSS 47MF (5X11) TP
C121 CEXF1H100V C ELECTRO 50V RSS 10MF (5X11) TP
C122 CEXF1H100V C ELECTRO 50V RSS 10MF (5X11) TP
C305 CEXF1E221V C ELECTRO 25V RSS 220MF (8X11.5) TP
C313 CMXM2A104J C MYLAR 100V 0.1MF J TP
C320 CBXF1H104Z C CERA SEMI 50V F 0.1MF Z (TAPPING)
C350 CCXF1H473Z C CERA 50V F 0.047MF Z (TAPPING)
C351 CCXF1H473Z C CERA 50V F 0.047MF Z (TAPPING)
C370 CCXF1H473Z C CERA 50V F 0.047MF Z (TAPPING)
C401 CEXF1H101V C ELECTRO 50V RSS 100MF (8*11.5) TP
C412 CEXF2C339V C ELECTRO 160V RSS 3.3MF (8X16) TP
C414 CMXM2A104J C MYLAR 100V 0.1MF J TP
C418 CCXB1H102K C CERA 50V B 1000PF K (TAPPING)
C420 CCXB2H222K C CERA 500V B 2200PF K (TAPPING)
C421 CCXF1H473Z C CERA 50V F 0.047MF Z (TAPPING)
C501 CEXF1C470V C ELECTRO 16V RSS 47MF (5X11) TP
C502 CEXF1C470V C ELECTRO 16V RSS 47MF (5X11) TP
C505 CMXL1J224J C MYLAR 63V MEU 0.22MF J TP
C507 CMXL1J224J C MYLAR 63V MEU 0.22MF J TP
C508 CEXF1C470V C ELECTRO 16V RSS 47MF (5X11) TP
C509 CMXL1J224J C MYLAR 63V MEU 0.22MF J TP
C510 CEXF1E101V C ELECTRO 25V RSS 100MF (6.3X11) TP
C511 CCXB1H102K C CERA 50V B 1000PF K (TAPPING)
C513 CMXL1J224J C MYLAR 63V MEU 0.22MF J TP
C514 CCXB1H102K C CERA 50V B 1000PF K (TAPPING)
C515 CMXL1J224J C MYLAR 63V MEU 0.22MF J TP
C516 CMXL1J224J C MYLAR 63V MEU 0.22MF J TP
C517 CEXF1C101V C ELECTRO 16V RSS 100MF (6.3X11) TP
C518 CBXF1H104Z C CERA SEMI 50V F 0.1MF Z (TAPPING)
C519 CMXL1J224J C MYLAR 63V MEU 0.22MF J TP
C520 CEXF1H229V C ELECTRO 50V RSS 2.2MF (5X11) TP
C521 CCXB1H222K C CERA 50V B 2200PF K (TAPPING)
C522 CBXF1H104Z C CERA SEMI 50V F 0.1MF Z (TAPPING)
C524 CMXM2A682J C MYLAR 100V 6800PF J TP
C525 CEXF1H109V C ELECTRO 50V RSS 1MF (5X11) TP
C526 CMXL1J224J C MYLAR 63V MEU 0.22MF J TP
C527 CEXF1H100V C ELECTRO 50V RSS 10MF (5X11) TP
C528 CCXF1H223Z C CERA 50V F 0.022MF Z (TAPPING)
C529 CMXL1J154J C MYLAR 63V MEU 0.15MF J
C534 CEXF1H229V C ELECTRO 50V RSS 2.2MF (5X11) TP
C535 CMXL1J474J C MYLAR 63V 0.47MF MKT
C536 CMXL1J474J C MYLAR 63V 0.47MF MKT
C537 CEXF1H229V C ELECTRO 50V RSS 2.2MF (5X11) TP
C538 CEXF1H229V C ELECTRO 50V RSS 2.2MF (5X11) TP
C539 CMXM2A332J C MYLAR 100V 3300PF J TP
C540 CMXM2A473J C MYLAR 100V 0.047MF J TP
C542 CEXF1H100V C ELECTRO 50V RSS 10MF (5X11) TP
C543 CEXF1H229V C ELECTRO 50V RSS 2.2MF (5X11) TP
C545 CEXF1H229V C ELECTRO 50V RSS 2.2MF (5X11) TP
C547 CEXF1H100V C ELECTRO 50V RSS 10MF (5X11) TP
C548 CEXF1H100V C ELECTRO 50V RSS 10MF (5X11) TP
C549 CMXL1J474J C MYLAR 63V 0.47MF MKT
C552 CMXL1J474J C MYLAR 63V 0.47MF MKT
C553 CMXL1J474J C MYLAR 63V 0.47MF MKT
C554 CMXL1J474J C MYLAR 63V 0.47MF MKT
C556 CCXB1H102K C CERA 50V B 1000PF K (TAPPING)
C558 CBXF1H104Z C CERA SEMI 50V F 0.1MF Z (TAPPING)
C559 CCXF1H103Z C CERA 50V F 0.01MF Z (TAPPING)
C560 CEXF1H229V C ELECTRO 50V RSS 2.2MF (5X11) TP
C561 CEXF1H229V C ELECTRO 50V RSS 2.2MF (5X11) TP
C562 CMXM2A104J C MYLAR 100V 0.1MF J TP
C563 CEXF1H100V C ELECTRO 50V RSS 10MF (5X11) TP
C567 CEXF1H100V C ELECTRO 50V RSS 10MF (5X11) TP
C568 CBXF1H104Z C CERA SEMI 50V F 0.1MF Z (TAPPING)
C569 CEXF1E470V C ELECTRO 25V RSS 47MF (5X11) TP
C574 CMXL1J224J C MYLAR 63V MEU 0.22MF J TP
C576 CMXL1J224J C MYLAR 63V MEU 0.22MF J TP
C577 CEXF1E470V C ELECTRO 25V RSS 47MF (5X11) TP
C579 CCXB1H102K C CERA 50V B 1000PF K (TAPPING)
C581 CMXL1J224J C MYLAR 63V MEU 0.22MF J TP
C582 CEXF1C101V C ELECTRO 16V RSS 100MF (6.3X11) TP
C602 CEXF1C221V C ELECTRO 16V RSS 220MF (8X11.5) TP
C608 CCXB1H222K C CERA 50V B 2200PF K (TAPPING)
C609 CCXB1H222K C CERA 50V B 2200PF K (TAPPING)
C625 CEXF1H479V C ELECTRO 50V RSS 4.7MF (5*11) TP
C660 CEXF1H100V C ELECTRO 50V RSS 10MF (5X11) TP
C661 CMXM2A224J C MYLAR 100V 0.22MF J BULK
C662 CMXM2A224J C MYLAR 100V 0.22MF J BULK
C665 CCXB1H472K C CERA 50V B 4700PF K (TAPPING)
C666 CBXF1H104Z C CERA SEMI 50V F 0.1MF Z (TAPPING)
C667 CCXB1H472K C CERA 50V B 4700PF K (TAPPING)
C668 CMXM2A224J C MYLAR 100V 0.22MF J BULK
C669 CMXM2A224J C MYLAR 100V 0.22MF J BULK
C690 CEXF1H479V C ELECTRO 50V RSS 4.7MF (5*11) TP
C691 CEXF1H479V C ELECTRO 50V RSS 4.7MF (5*11) TP
C770 CEXF1C101V C ELECTRO 16V RSS 100MF (6.3X11) TP
C803 CCXF3A472Z C CERA 1KV F 4700PF Z (T)
C804 CCXF3A472Z C CERA 1KV F 4700PF Z (T)
C806 CEXF1H220V C ELECTRO 50V RSS 22MF (5X11) TP
C807 CMXL1J104J C MYLAR 63V MEU 0.1MF J
C808 CEXF1H100V C ELECTRO 50V RSS 10MF (5X11) TP
C809 CCXB1H102K C CERA 50V B 1000PF K (TAPPING)
C821 CCXB1H102K C CERA 50V B 1000PF K (TAPPING)
C824 CCXB3A471K C CERA 1KV B 470PF K (T)
C831 CCXB3A471K C CERA 1KV B 470PF K (T)
C835 CEXF1E470V C ELECTRO 25V RSS 47MF (5X11) TP
C844 CEXF1E101V C ELECTRO 25V RSS 100MF (6.3X11) TP
C850 CCXB1H821K C CERA 50V B 820PF K (TAPPING)
C862 CEXF1E101V C ELECTRO 25V RSS 100MF (6.3X11) TP
C863 CEXF1E101V C ELECTRO 25V RSS 100MF (6.3X11) TP
C901 CCXB1H561K C CERA 50V B 560PF K (TAPPING)
C968 CMXL2E104K C MYLAR 250V 0.1MF K MEU TP
CA10 CCXB1H102K C CERA 50V B 1000PF K (TAPPING)
F801A 4857415001 CLIP FUSE PFC5000-0702
F801B 4857415001 CLIP FUSE PFC5000-0702
L517 5CPX479K— COIL PEAKING 4.7UH K RADIAL
L518 5CPX479K— COIL PEAKING 4.7UH K RADIAL
L519 5CPX479K— COIL PEAKING 4.7UH K RADIAL
Q120 T2SC5343Y- TR 2SC5343Y
Q402 T2SD1207T- TR 2SD1207-T (TAPPING)
Q501 T2SC5343Y- TR 2SC5343Y
Q502 T2SA1980Y- TR 2SA1980Y
Q503 T2SC5343Y- TR 2SC5343Y

66
CP-520/520A/520F Service Manual
DTV- R&D Europe
z_loc z_parts_code parts_name parts_descr remark z_loc z_parts_code parts_name parts_descr remark
Q504 T2SA1980Y- TR 2SA1980Y
Q506 T2SC5343Y- TR 2SC5343Y
Q507 T2SA1980Y- TR 2SA1980Y
Q508 T2SC5343Y- TR 2SC5343Y
Q513 T2SA1980Y- TR 2SA1980Y
Q514 TH2N7000— TR H2N7000
Q515 TH2N7000— TR H2N7000
Q601 T2SC5343Y- TR 2SC5343Y
Q602 T2SA1980Y- TR 2SA1980Y
Q807 T2SC5343Y- TR 2SC5343Y
Q808 T2SC5343Y- TR 2SC5343Y
Q809 T2SC5343Y- TR 2SC5343Y
Q810 T2SC5343Y- TR 2SC5343Y
Q811 T2SC5343Y- TR 2SC5343Y
Q813 T2SA1980Y- TR 2SA1980Y
Q814 T2SC5343Y- TR 2SC5343Y
Q815 T2SA1980Y- TR 2SA1980Y
Q816 T2SC5343Y- TR 2SC5343Y
R415 RN02B102JS R METAL FILM 2W 1K OHM J SMALL
SW700 5S50101090 SW TACT SKHV17910A
SW701 5S50101090 SW TACT SKHV17910A
SW702 5S50101090 SW TACT SKHV17910A
SW703 5S50101090 SW TACT SKHV17910A
SW704 5S50101090 SW TACT SKHV17910A
Z601 5PEFST471Y FILTER EMI EFST 471
Z602 5PEFST471Y FILTER EMI EFST 471
Z603 5PEFST471Y FILTER EMI EFST 471
Z604 5PEFST471Y FILTER EMI EFST 471
Z605 5PEFST471Y FILTER EMI EFST 471
Z606 5PEFST471Y FILTER EMI EFST 471
Z607 5PEFST471Y FILTER EMI EFST 471
Z608 5PEFST471Y FILTER EMI EFST 471
Z609 5PEFST471Y FILTER EMI EFST 471
Z610 5PEFST471Y FILTER EMI EFST 471
Z611 5PEFST471Y FILTER EMI EFST 471
Z612 5PEFST471Y FILTER EMI EFST 471
ZZ200 PTMPJAZ29U7FS PCB MAIN AXIAL AS DTZ-29U7FZS
20 2TM10006LB TAPE MASKING 3M #232-MAP-C 6.2X2000M
10 2TM14006LB TAPE MASKING 3M #232 6.0X2000M
A001 4859809993 PCB MAIN CP-520F DTZ (330X246)
C103 CCZB1H102K C CERA 50V B 1000PF K (AXIAL)
C107 CZSL1H470J C CERA 50V SL 47PF J
C108 CZSL1H470J C CERA 50V SL 47PF J
C120 CCZB1H102K C CERA 50V B 1000PF K (AXIAL)
C123 CCZB1H103K C CERA 50V B 0.01MF K (AXIAL)
C503 CCZB1H102K C CERA 50V B 1000PF K (AXIAL)
C504 CCZB1H102K C CERA 50V B 1000PF K (AXIAL)
C512 CBZF1H104Z C CERA SEMI 50V F 0.1MF Z (AXIAL)
C523 CCZB1H102K C CERA 50V B 1000PF K (AXIAL)
C530 CCZB1H101K C CERA 50V B 100PF K (AXIAL)
C531 CCZF1H103Z C CERA 50V F 0.01MF Z
C532 CCZF1H103Z C CERA 50V F 0.01MF Z
C533 CCZB1H102K C CERA 50V B 1000PF K (AXIAL)
C541 CBZF1H104Z C CERA SEMI 50V F 0.1MF Z (AXIAL)
C544 CBZF1H104Z C CERA SEMI 50V F 0.1MF Z (AXIAL)
C546 CBZF1H104Z C CERA SEMI 50V F 0.1MF Z (AXIAL)
C550 CCZF1H103Z C CERA 50V F 0.01MF Z
C551 CBZF1H104Z C CERA SEMI 50V F 0.1MF Z (AXIAL)
C555 CCZB1H102K C CERA 50V B 1000PF K (AXIAL)
C557 CBZF1H104Z C CERA SEMI 50V F 0.1MF Z (AXIAL)
C564 CBZF1H104Z C CERA SEMI 50V F 0.1MF Z (AXIAL)
C565 CBZF1H104Z C CERA SEMI 50V F 0.1MF Z (AXIAL)
C566 CBZF1H104Z C CERA SEMI 50V F 0.1MF Z (AXIAL)
C571 CCZB1H101K C CERA 50V B 100PF K (AXIAL)
C572 CCZB1H101K C CERA 50V B 100PF K (AXIAL)
C573 CCZB1H101K C CERA 50V B 100PF K (AXIAL)
C575 CCZB1H102K C CERA 50V B 1000PF K (AXIAL)
C578 CBZF1H104Z C CERA SEMI 50V F 0.1MF Z (AXIAL)
C589 CCZB1H472K C CERA 50V B 4700PF K (AXIAL)
C590 CBZF1H104Z C CERA SEMI 50V F 0.1MF Z (AXIAL)
C591 CBZF1H104Z C CERA SEMI 50V F 0.1MF Z (AXIAL)
C592 CCZF1H103Z C CERA 50V F 0.01MF Z
C701 CCZB1H103K C CERA 50V B 0.01MF K (AXIAL)
C830 CBZF1H104Z C CERA SEMI 50V F 0.1MF Z (AXIAL)
CA01 CCZB1H101K C CERA 50V B 100PF K (AXIAL)
CA02 CCZB1H101K C CERA 50V B 100PF K (AXIAL)
CA03 CCZB1H101K C CERA 50V B 100PF K (AXIAL)
CA04 CCZB1H101K C CERA 50V B 100PF K (AXIAL)
CA05 CCZB1H101K C CERA 50V B 100PF K (AXIAL)
CA06 CCZB1H101K C CERA 50V B 100PF K (AXIAL)
CA28 CCZB1H102K C CERA 50V B 1000PF K (AXIAL)
D101 DBAT85—— DIODE BAT85 (TAPPING)
D102 DBA282—— DIODE BA282
D313 D1N4937G— DIODE 1N4937G
D405 D1N4937G— DIODE 1N4937G
D407 DRGP15J—- DIODE RGP15J
D408 DRGP15J—- DIODE RGP15J
D410 D1N4004S— DIODE 1N4004S
D411 D1N4004S— DIODE 1N4004S
D414 D1N4004S— DIODE 1N4004S
D450 D1N4937G— DIODE 1N4937G
D501 DBAT85—— DIODE BAT85 (TAPPING)
D502 DTZX3V9B— DIODE ZENER TZX3V9B (TAPPING)
D503 DTZX3V9B— DIODE ZENER TZX3V9B (TAPPING)
D520 D1N4148—- DIODE 1N4148 (TAPPING)
D521 D1N4148—- DIODE 1N4148 (TAPPING)
D522 DTZX3V9B— DIODE ZENER TZX3V9B (TAPPING)
D523 DTZX3V9B— DIODE ZENER TZX3V9B (TAPPING)
D601 D1N4148—- DIODE 1N4148 (TAPPING)
D602 D1N4148—- DIODE 1N4148 (TAPPING)
D710 DTZX5V6B— DIODE ZENER TZX5V6B (TAPPING)
D801 DLT2A05G— DIODE LT2A05G
D802 DLT2A05G— DIODE LT2A05G
D803 DLT2A05G— DIODE LT2A05G
D804 DLT2A05G— DIODE LT2A05G
D805 D1N4937G— DIODE 1N4937G
D806 D1N4937G— DIODE 1N4937G
D808 D1N4937G— DIODE 1N4937G
D809 D1N4937G— DIODE 1N4937G
D811 DTZX6V2—- DIODE ZENER TZX6V2B (TAPPING)
D821 DRGP15J—- DIODE RGP15J
D822 DTZX9V1B— DIODE ZENER TZX9V1B (TAPPING)
D823 DTZX5V6B— DIODE ZENER TZX5V6B (TAPPING)
D824 D1N4148—- DIODE 1N4148 (TAPPING)
D825 D1N4148—- DIODE 1N4148 (TAPPING)
D830 D1N4937G— DIODE 1N4937G
D831 D1N4937G— DIODE 1N4937G
D840 D1N4004S— DIODE 1N4004S
D841 D1N4148—- DIODE 1N4148 (TAPPING)
D904 DBAV21—— DIODE BAV21 (TAPPING)
D905 DBAV21—— DIODE BAV21 (TAPPING)
D906 DBAV21—— DIODE BAV21 (TAPPING)
D997 DLT2A05G— DIODE LT2A05G
DA01 D1N4148—- DIODE 1N4148 (TAPPING)
DA02 DTZX5V6B— DIODE ZENER TZX5V6B (TAPPING)
DA03 D1N4148—- DIODE 1N4148 (TAPPING)
DA04 DTZX5V6B— DIODE ZENER TZX5V6B (TAPPING)
DA06 DTZX5V6B— DIODE ZENER TZX5V6B (TAPPING)
DA08 DTZX5V6B— DIODE ZENER TZX5V6B (TAPPING)
DA09 DTZX5V6B— DIODE ZENER TZX5V6B (TAPPING)
DA10 DTZX5V6B— DIODE ZENER TZX5V6B (TAPPING)
DA11 DTZX5V6B— DIODE ZENER TZX5V6B (TAPPING)
DA13 DTZX5V6B— DIODE ZENER TZX5V6B (TAPPING)
DA14 DTZX5V6B— DIODE ZENER TZX5V6B (TAPPING)
DA15 DTZX5V6B— DIODE ZENER TZX5V6B (TAPPING)
DA16 DTZX5V6B— DIODE ZENER TZX5V6B (TAPPING)
DA20 DTZX5V6B— DIODE ZENER TZX5V6B (TAPPING)
DA21 DTZX5V6B— DIODE ZENER TZX5V6B (TAPPING)
DA22 DTZX5V6B— DIODE ZENER TZX5V6B (TAPPING)
I805 DTZX33B—- DIODE ZENER TZX33B (TAPPING)
J10 85801065GY WIRE COPPER AWG22 1/0.65 TIN COATING
J100 85801065GY WIRE COPPER AWG22 1/0.65 TIN COATING
J101 85801065GY WIRE COPPER AWG22 1/0.65 TIN COATING
J102 85801065GY WIRE COPPER AWG22 1/0.65 TIN COATING
J103 85801065GY WIRE COPPER AWG22 1/0.65 TIN COATING
J104 85801065GY WIRE COPPER AWG22 1/0.65 TIN COATING
J105 85801065GY WIRE COPPER AWG22 1/0.65 TIN COATING
J106 85801065GY WIRE COPPER AWG22 1/0.65 TIN COATING
J107 85801065GY WIRE COPPER AWG22 1/0.65 TIN COATING
J108 85801065GY WIRE COPPER AWG22 1/0.65 TIN COATING
J109 85801065GY WIRE COPPER AWG22 1/0.65 TIN COATING
J11 85801065GY WIRE COPPER AWG22 1/0.65 TIN COATING
J110 85801065GY WIRE COPPER AWG22 1/0.65 TIN COATING
J111 85801065GY WIRE COPPER AWG22 1/0.65 TIN COATING
J112 85801065GY WIRE COPPER AWG22 1/0.65 TIN COATING
J113 85801065GY WIRE COPPER AWG22 1/0.65 TIN COATING
J114 85801065GY WIRE COPPER AWG22 1/0.65 TIN COATING
J12 85801065GY WIRE COPPER AWG22 1/0.65 TIN COATING
J13 85801065GY WIRE COPPER AWG22 1/0.65 TIN COATING
J14 85801065GY WIRE COPPER AWG22 1/0.65 TIN COATING
J15 85801065GY WIRE COPPER AWG22 1/0.65 TIN COATING
J16 85801065GY WIRE COPPER AWG22 1/0.65 TIN COATING

67
CP-520/520A/520F Service Manual
DTV- R&D Europe
DTV- R&D Europe
z_loc z_parts_code parts_name parts_descr remark z_loc z_parts_code parts_name parts_descr remark
J17 85801065GY WIRE COPPER AWG22 1/0.65 TIN COATING
J18 85801065GY WIRE COPPER AWG22 1/0.65 TIN COATING
J19 85801065GY WIRE COPPER AWG22 1/0.65 TIN COATING
J20 85801065GY WIRE COPPER AWG22 1/0.65 TIN COATING
J21 85801065GY WIRE COPPER AWG22 1/0.65 TIN COATING
J22 85801065GY WIRE COPPER AWG22 1/0.65 TIN COATING
J23 85801065GY WIRE COPPER AWG22 1/0.65 TIN COATING
J24 85801065GY WIRE COPPER AWG22 1/0.65 TIN COATING
J25 RD-AZ101J- R CARBON FILM 1/6 100 OHM J
J26 RD-AZ101J- R CARBON FILM 1/6 100 OHM J
J31 85801065GY WIRE COPPER AWG22 1/0.65 TIN COATING
J32 85801065GY WIRE COPPER AWG22 1/0.65 TIN COATING
J33 85801065GY WIRE COPPER AWG22 1/0.65 TIN COATING
J35 85801065GY WIRE COPPER AWG22 1/0.65 TIN COATING
J36 85801065GY WIRE COPPER AWG22 1/0.65 TIN COATING
J37 85801065GY WIRE COPPER AWG22 1/0.65 TIN COATING
J38 85801065GY WIRE COPPER AWG22 1/0.65 TIN COATING
J39 85801065GY WIRE COPPER AWG22 1/0.65 TIN COATING
J4 85801065GY WIRE COPPER AWG22 1/0.65 TIN COATING
J40 85801065GY WIRE COPPER AWG22 1/0.65 TIN COATING
J41 85801065GY WIRE COPPER AWG22 1/0.65 TIN COATING
J42 85801065GY WIRE COPPER AWG22 1/0.65 TIN COATING
J43 85801065GY WIRE COPPER AWG22 1/0.65 TIN COATING
J44 85801065GY WIRE COPPER AWG22 1/0.65 TIN COATING
J45 85801065GY WIRE COPPER AWG22 1/0.65 TIN COATING
J46 85801065GY WIRE COPPER AWG22 1/0.65 TIN COATING
J47 85801065GY WIRE COPPER AWG22 1/0.65 TIN COATING
J48 85801065GY WIRE COPPER AWG22 1/0.65 TIN COATING
J49 85801065GY WIRE COPPER AWG22 1/0.65 TIN COATING
J50 RD-AZ101J- R CARBON FILM 1/6 100 OHM J
J500 85801065GY WIRE COPPER AWG22 1/0.65 TIN COATING
J51 85801065GY WIRE COPPER AWG22 1/0.65 TIN COATING
J52 85801065GY WIRE COPPER AWG22 1/0.65 TIN COATING
J53 85801065GY WIRE COPPER AWG22 1/0.65 TIN COATING
J54 85801065GY WIRE COPPER AWG22 1/0.65 TIN COATING
J56 85801065GY WIRE COPPER AWG22 1/0.65 TIN COATING
J57 85801065GY WIRE COPPER AWG22 1/0.65 TIN COATING
J58 85801065GY WIRE COPPER AWG22 1/0.65 TIN COATING
J59 85801065GY WIRE COPPER AWG22 1/0.65 TIN COATING
J60 85801065GY WIRE COPPER AWG22 1/0.65 TIN COATING
J61 85801065GY WIRE COPPER AWG22 1/0.65 TIN COATING
J62 85801065GY WIRE COPPER AWG22 1/0.65 TIN COATING
J63 85801065GY WIRE COPPER AWG22 1/0.65 TIN COATING
J64 85801065GY WIRE COPPER AWG22 1/0.65 TIN COATING
J65 85801065GY WIRE COPPER AWG22 1/0.65 TIN COATING
J66 85801065GY WIRE COPPER AWG22 1/0.65 TIN COATING
J67 85801065GY WIRE COPPER AWG22 1/0.65 TIN COATING
J68 85801065GY WIRE COPPER AWG22 1/0.65 TIN COATING
J69 85801065GY WIRE COPPER AWG22 1/0.65 TIN COATING
J7 RD-AZ101J- R CARBON FILM 1/6 100 OHM J
J70 85801065GY WIRE COPPER AWG22 1/0.65 TIN COATING
J71 85801065GY WIRE COPPER AWG22 1/0.65 TIN COATING
J72 85801065GY WIRE COPPER AWG22 1/0.65 TIN COATING
J73 85801065GY WIRE COPPER AWG22 1/0.65 TIN COATING
J74 85801065GY WIRE COPPER AWG22 1/0.65 TIN COATING
J76 RD-AZ202J- R CARBON FILM 1/6 2K OHM J
J78 RD-AZ101J- R CARBON FILM 1/6 100 OHM J
J80 85801065GY WIRE COPPER AWG22 1/0.65 TIN COATING
J81 85801065GY WIRE COPPER AWG22 1/0.65 TIN COATING
J82 85801065GY WIRE COPPER AWG22 1/0.65 TIN COATING
J83 RD-AZ101J- R CARBON FILM 1/6 100 OHM J
J84 RD-AZ101J- R CARBON FILM 1/6 100 OHM J
J86 85801065GY WIRE COPPER AWG22 1/0.65 TIN COATING
J87 85801065GY WIRE COPPER AWG22 1/0.65 TIN COATING
J88 85801065GY WIRE COPPER AWG22 1/0.65 TIN COATING
J89 85801065GY WIRE COPPER AWG22 1/0.65 TIN COATING
J90 85801065GY WIRE COPPER AWG22 1/0.65 TIN COATING
J91 85801065GY WIRE COPPER AWG22 1/0.65 TIN COATING
J92 85801065GY WIRE COPPER AWG22 1/0.65 TIN COATING
J93 85801065GY WIRE COPPER AWG22 1/0.65 TIN COATING
J94 85801065GY WIRE COPPER AWG22 1/0.65 TIN COATING
J95 85801065GY WIRE COPPER AWG22 1/0.65 TIN COATING
J96 85801065GY WIRE COPPER AWG22 1/0.65 TIN COATING
J97 85801065GY WIRE COPPER AWG22 1/0.65 TIN COATING
J98 85801065GY WIRE COPPER AWG22 1/0.65 TIN COATING
J99 85801065GY WIRE COPPER AWG22 1/0.65 TIN COATING
L101 5CPZ100K02 COIL PEAKING 10UH 3.5MM K (LAL02TB)
L350 5CPZ109M04 COIL PEAKING 1UH 10.5MM M (LAL04TB)
L351 5CPZ109M04 COIL PEAKING 1UH 10.5MM M (LAL04TB)
L505 5CPZ479K02 COIL PEAKING 4.7UH 3.5MM K (LAL02TB)
L506 5CPZ479K02 COIL PEAKING 4.7UH 3.5MM K (LAL02TB)
L507 5CPZ479K02 COIL PEAKING 4.7UH 3.5MM K (LAL02TB)
L508 5CPZ479K02 COIL PEAKING 4.7UH 3.5MM K (LAL02TB)
L509 5CPZ479K02 COIL PEAKING 4.7UH 3.5MM K (LAL02TB)
L510 5CPZ479K02 COIL PEAKING 4.7UH 3.5MM K (LAL02TB)
L512 5CPZ479K02 COIL PEAKING 4.7UH 3.5MM K (LAL02TB)
L513 5CPZ479K02 COIL PEAKING 4.7UH 3.5MM K (LAL02TB)
L515 5CPZ100K02 COIL PEAKING 10UH 3.5MM K (LAL02TB)
L516 5CPZ479K02 COIL PEAKING 4.7UH 3.5MM K (LAL02TB)
L523 5CPZ479K02 COIL PEAKING 4.7UH 3.5MM K (LAL02TB)
L650 5MC0000100 COIL BEAD MD-5 (HC-3550)
L801 5MC0000100 COIL BEAD MD-5 (HC-3550)
R103 RD-AZ123J- R CARBON FILM 1/6 12K OHM J
R104 RD-AZ683J- R CARBON FILM 1/6 68K OHM J
R105 RD-AZ103J- R CARBON FILM 1/6 10K OHM J
R106 RD-AZ101J- R CARBON FILM 1/6 100 OHM J
R107 RD-AZ101J- R CARBON FILM 1/6 100 OHM J
R114 RD-AZ473J- R CARBON FILM 1/6 47K OHM J
R115 RD-AZ101J- R CARBON FILM 1/6 100 OHM J
R120 RD-AZ101J- R CARBON FILM 1/6 100 OHM J
R131 RD-AZ472J- R CARBON FILM 1/6 4.7K OHM J
R310 RD-AZ471J- R CARBON FILM 1/6 470 OHM J
R311 RD-AZ471J- R CARBON FILM 1/6 470 OHM J
R331 RD-2Z201J- R CARBON FILM 1/2 200 OHM J
R340 RD-4Z473J- R CARBON FILM 1/4 47K OHM J
R350 RN-AZ2201F R METAL FILM 1/6 2.2K OHM F
R351 RN-AZ2201F R METAL FILM 1/6 2.2K OHM F
R370 RD-4Z159J- R CARBON FILM 1/4 1.5 OHM J
R394 RD-AZ272J- R CARBON FILM 1/6 2.7K OHM J
R395 RD-4Z394J- R CARBON FILM 1/4 390K OHM J
R396 RD-AZ103J- R CARBON FILM 1/6 10K OHM J
R397 RD-AZ823J- R CARBON FILM 1/6 82K OHM J
R401 RD-4Z272J- R CARBON FILM 1/4 2.7K OHM J
R402 RD-4Z220J- R CARBON FILM 1/4 22 OHM J
R403 RD-4Z102J- R CARBON FILM 1/4 1K OHM J
R404 RD-4Z399J- R CARBON FILM 1/4 3.9 OHM J
R405 RD-4Z102J- R CARBON FILM 1/4 1K OHM J
R407 RD-4Z182J- R CARBON FILM 1/4 1.8K OHM J
R420 RD-4Z103J- R CARBON FILM 1/4 10K OHM J
R422 RD-4Z102J- R CARBON FILM 1/4 1K OHM J
R423 RD-4Z512J- R CARBON FILM 1/4 5.1K OHM J
R444 85801065GY WIRE COPPER AWG22 1/0.65 TIN COATING
R500 RD-AZ101J- R CARBON FILM 1/6 100 OHM J
R501 RD-AZ332J- R CARBON FILM 1/6 3.3K OHM J
R502 RD-AZ332J- R CARBON FILM 1/6 3.3K OHM J
R503 RD-AZ102J- R CARBON FILM 1/6 1K OHM J
R504 RD-AZ472J- R CARBON FILM 1/6 4.7K OHM J
R505 RD-AZ101J- R CARBON FILM 1/6 100 OHM J
R506 RD-AZ103J- R CARBON FILM 1/6 10K OHM J
R507 RD-AZ332J- R CARBON FILM 1/6 3.3K OHM J
R508 RD-AZ332J- R CARBON FILM 1/6 3.3K OHM J
R510 RD-AZ103J- R CARBON FILM 1/6 10K OHM J
R511 RD-AZ103J- R CARBON FILM 1/6 10K OHM J
R514 RD-AZ101J- R CARBON FILM 1/6 100 OHM J
R515 RD-AZ101J- R CARBON FILM 1/6 100 OHM J
R516 RD-AZ153J- R CARBON FILM 1/6 15K OHM J
R517 RD-AZ101J- R CARBON FILM 1/6 100 OHM J
R518 RD-AZ101J- R CARBON FILM 1/6 100 OHM J
R519 RD-AZ102J- R CARBON FILM 1/6 1K OHM J
R527 RD-AZ101J- R CARBON FILM 1/6 100 OHM J
R528 RD-AZ101J- R CARBON FILM 1/6 100 OHM J
R529 RD-AZ101J- R CARBON FILM 1/6 100 OHM J
R530 RD-AZ101J- R CARBON FILM 1/6 100 OHM J
R531 RD-AZ181J- R CARBON FILM 1/6 180 OHM J
R532 RD-AZ102J- R CARBON FILM 1/6 1K OHM J
R533 RD-AZ102J- R CARBON FILM 1/6 1K OHM J
R534 RD-AZ472J- R CARBON FILM 1/6 4.7K OHM J
R537 RD-AZ183J- R CARBON FILM 1/6 18K OHM J
R538 RD-AZ101J- R CARBON FILM 1/6 100 OHM J
R539 RD-AZ471J- R CARBON FILM 1/6 470 OHM J
R540 RD-AZ471J- R CARBON FILM 1/6 470 OHM J
R541 RN-AZ3902F R METAL FILM 1/6 39K OHM F
R542 RD-AZ682J- R CARBON FILM 1/6 6.8K OHM J
R543 RD-AZ222J- R CARBON FILM 1/6 2.2K OHM J

68
CP-520/520A/520F Service Manual
DTV- R&D Europe
z_loc z_parts_code parts_name parts_descr remark z_loc z_parts_code parts_name parts_descr remark
R544 RD-AZ222J- R CARBON FILM 1/6 2.2K OHM J
R545 RD-AZ473J- R CARBON FILM 1/6 47K OHM J
R546 RD-AZ181J- R CARBON FILM 1/6 180 OHM J
R547 RD-AZ563J- R CARBON FILM 1/6 56K OHM J
R551 RD-AZ823J- R CARBON FILM 1/6 82K OHM J
R552 RD-AZ103J- R CARBON FILM 1/6 10K OHM J
R553 RD-AZ103J- R CARBON FILM 1/6 10K OHM J
R554 RD-AZ103J- R CARBON FILM 1/6 10K OHM J
R555 RD-AZ103J- R CARBON FILM 1/6 10K OHM J
R556 RD-AZ101J- R CARBON FILM 1/6 100 OHM J
R557 RD-AZ101J- R CARBON FILM 1/6 100 OHM J
R558 RD-AZ152J- R CARBON FILM 1/6 1.5K OHM J
R559 RD-AZ222J- R CARBON FILM 1/6 2.2K OHM J
R560 RD-AZ222J- R CARBON FILM 1/6 2.2K OHM J
R561 RD-AZ101J- R CARBON FILM 1/6 100 OHM J
R562 RD-AZ101J- R CARBON FILM 1/6 100 OHM J
R563 RD-AZ101J- R CARBON FILM 1/6 100 OHM J
R564 RD-AZ101J- R CARBON FILM 1/6 100 OHM J
R565 RD-AZ154J- R CARBON FILM 1/6 150K OHM J
R566 RD-AZ103J- R CARBON FILM 1/6 10K OHM J
R567 RD-AZ103J- R CARBON FILM 1/6 10K OHM J
R568 RD-AZ103J- R CARBON FILM 1/6 10K OHM J
R569 RD-AZ103J- R CARBON FILM 1/6 10K OHM J
R571 RD-AZ102J- R CARBON FILM 1/6 1K OHM J
R572 RD-AZ103J- R CARBON FILM 1/6 10K OHM J
R573 RD-AZ103J- R CARBON FILM 1/6 10K OHM J
R574 RD-AZ103J- R CARBON FILM 1/6 10K OHM J
R575 RD-AZ103J- R CARBON FILM 1/6 10K OHM J
R576 RD-AZ102J- R CARBON FILM 1/6 1K OHM J
R577 RD-AZ102J- R CARBON FILM 1/6 1K OHM J
R578 RD-AZ102J- R CARBON FILM 1/6 1K OHM J
R579 RD-AZ101J- R CARBON FILM 1/6 100 OHM J
R580 RD-AZ123J- R CARBON FILM 1/6 12K OHM J
R581 RD-AZ101J- R CARBON FILM 1/6 100 OHM J
R582 RD-AZ101J- R CARBON FILM 1/6 100 OHM J
R583 RD-AZ101J- R CARBON FILM 1/6 100 OHM J
R584 RD-AZ101J- R CARBON FILM 1/6 100 OHM J
R585 RD-AZ101J- R CARBON FILM 1/6 100 OHM J
R586 RD-AZ101J- R CARBON FILM 1/6 100 OHM J
R587 RD-AZ101J- R CARBON FILM 1/6 100 OHM J
R588 RD-AZ102J- R CARBON FILM 1/6 1K OHM J
R589 RD-AZ102J- R CARBON FILM 1/6 1K OHM J
R590 RD-AZ334J- R CARBON FILM 1/6 330K OHM J
R598 RD-AZ182J- R CARBON FILM 1/6 1.8K OHM J
R599 RD-AZ224J- R CARBON FILM 1/6 220K OHM J
R601 RD-AZ152J- R CARBON FILM 1/6 1.5K OHM J
R602 RD-AZ104J- R CARBON FILM 1/6 100K OHM J
R608 RD-2Z151J- R CARBON FILM 1/2 150 OHM J
R609 RD-2Z151J- R CARBON FILM 1/2 150 OHM J
R610 RD-AZ103J- R CARBON FILM 1/6 10K OHM J
R611 RD-AZ474J- R CARBON FILM 1/6 470K OHM J
R612 RD-AZ474J- R CARBON FILM 1/6 470K OHM J
R650 RD-AZ303J- R CARBON FILM 1/6 30K OHM J
R660 RD-AZ303J- R CARBON FILM 1/6 30K OHM J
R661 RD-AZ682J- R CARBON FILM 1/6 6.8K OHM J
R662 RD-AZ682J- R CARBON FILM 1/6 6.8K OHM J
R700 RD-2Z332J- R CARBON FILM 1/2 3.3K OHM J
R701 RN-AZ1002F R METAL FILM 1/6 10K OHM F
R702 RN-AZ1502F R METAL FILM 1/6 15K OHM F
R713 RD-AZ681J- R CARBON FILM 1/6 680 OHM J
R720 RD-AZ122J- R CARBON FILM 1/6 1.2K OHM J
R721 RD-AZ181J- R CARBON FILM 1/6 180 OHM J
R722 RD-AZ221J- R CARBON FILM 1/6 220 OHM J
R723 RD-AZ331J- R CARBON FILM 1/6 330 OHM J
R724 RD-AZ471J- R CARBON FILM 1/6 470 OHM J
R805 RD-2Z100J- R CARBON FILM 1/2 10 OHM J
R806 RD-2Z472J- R CARBON FILM 1/2 4.7K OHM J
R807 RD-2Z272J- R CARBON FILM 1/2 2.7K OHM J
R808 RD-2Z821J- R CARBON FILM 1/2 820 OHM J
R810 RD-4Z102J- R CARBON FILM 1/4 1K OHM J
R811 RC-2Z565KP R CARBON COMP 1/2 5.6M OHM K
R812 RD-4Z473J- R CARBON FILM 1/4 47K OHM J
R813 RD-4Z473J- R CARBON FILM 1/4 47K OHM J
R814 RD-AZ472J- R CARBON FILM 1/6 4.7K OHM J
R815 RD-AZ472J- R CARBON FILM 1/6 4.7K OHM J
R816 RD-4Z399J- R CARBON FILM 1/4 3.9 OHM J
R817 RD-AZ473J- R CARBON FILM 1/6 47K OHM J
R820 RD-AZ102J- R CARBON FILM 1/6 1K OHM J
R821 RD-4Z102J- R CARBON FILM 1/4 1K OHM J
R823 RD-4Z102J- R CARBON FILM 1/4 1K OHM J
R829 RD-AZ103J- R CARBON FILM 1/6 10K OHM J
R830 RD-AZ332J- R CARBON FILM 1/6 3.3K OHM J
R840 85801065GY WIRE COPPER AWG22 1/0.65 TIN COATING
R841 RD-2Z479J- R CARBON FILM 1/2 4.7 OHM J
R842 85801065GY WIRE COPPER AWG22 1/0.65 TIN COATING
R850 85801065GY WIRE COPPER AWG22 1/0.65 TIN COATING
R870 RD-2Z222J- R CARBON FILM 1/2 2.2K OHM J
R901 RD-AZ561J- R CARBON FILM 1/6 560 OHM J
R910 RD-AZ101J- R CARBON FILM 1/6 100 OHM J
R911 RD-AZ101J- R CARBON FILM 1/6 100 OHM J
R912 RD-AZ101J- R CARBON FILM 1/6 100 OHM J
R913 RC-2Z102K- R CARBON COMP 1/2 1K OHM K
R914 RC-2Z102K- R CARBON COMP 1/2 1K OHM K
R915 RC-2Z102K- R CARBON COMP 1/2 1K OHM K
R921 RD-AZ221J- R CARBON FILM 1/6 220 OHM J
R922 RD-AZ221J- R CARBON FILM 1/6 220 OHM J
R923 RD-AZ221J- R CARBON FILM 1/6 220 OHM J
R996 RD-2Z105J- R CARBON FILM 1/2 1M OHM J
R997 RD-2Z102J- R CARBON FILM 1/2 1K OHM J
RA02 RD-AZ101J- R CARBON FILM 1/6 100 OHM J
RA03 RD-AZ101J- R CARBON FILM 1/6 100 OHM J
RA04 RD-AZ101J- R CARBON FILM 1/6 100 OHM J
RA05 RD-AZ103J- R CARBON FILM 1/6 10K OHM J
RA06 RD-AZ750J- R CARBON FILM 1/6 75 OHM J
RA07 RD-AZ332J- R CARBON FILM 1/6 3.3K OHM J
RA08 RD-AZ750J- R CARBON FILM 1/6 75 OHM J
RA09 RD-AZ750J- R CARBON FILM 1/6 75 OHM J
RA10 RD-AZ470J- R CARBON FILM 1/6 47 OHM J
RA11 RD-AZ680J- R CARBON FILM 1/6 68 OHM J
RA12 RD-AZ102J- R CARBON FILM 1/6 1K OHM J
RA13 RD-AZ222J- R CARBON FILM 1/6 2.2K OHM J
RA14 RD-AZ220J- R CARBON FILM 1/6 22 OHM J
RA15 RD-AZ750J- R CARBON FILM 1/6 75 OHM J
RA16 RD-AZ750J- R CARBON FILM 1/6 75 OHM J
RA17 RD-AZ103J- R CARBON FILM 1/6 10K OHM J
RA18 RD-AZ332J- R CARBON FILM 1/6 3.3K OHM J
RA19 RD-AZ750J- R CARBON FILM 1/6 75 OHM J
RA23 RD-AZ220J- R CARBON FILM 1/6 22 OHM J
RA24 RD-AZ222J- R CARBON FILM 1/6 2.2K OHM J
RA25 RD-AZ102J- R CARBON FILM 1/6 1K OHM J
RA29 RD-AZ101J- R CARBON FILM 1/6 100 OHM J
RA32 RD-AZ470J- R CARBON FILM 1/6 47 OHM J
RA35 RD-AZ750J- R CARBON FILM 1/6 75 OHM J
ZZ140 PTPKCPZ29U7F PACKING AS DTZ-29U7FZS-S
10 6520010200 STAPLE PIN #3417 ALL
M681 2TP06575CL TAPE OPP T0.065XW75X500M CLEAR
M801 GPBBW6U7122 BOX DTF-29U7 (NEW)
M811 4858101500DN PAD DOWN 29U7
M811A 4858101500UP PAD UP 29U7
M821 4858215601 BAG P.E. “PE FOAM T0.5X1600X1270 25””-28”” “

CP-520/520A/520F Service Manual
DTV R&D Europe
7. Exploded View
7-1 DTY-28A8
69

CP-520/520A/520F Service Manual
DTV R&D Europe
7. Exploded View
7-2 DTY-2880
70

CP-520/520A/520F Service Manual
DTV R&D Europe
7. Exploded View
7-3 DTY-21U7
71

CP-520/520A/520F Service Manual
DTV R&D Europe
7. Exploded View
72
7-4 DTY-25G6

CP-520/520A/520F Service Manual
DTV R&D Europe
7. Exploded View
7-5 DTC-20T2
73

CP-520/520A/520F Service Manual
DTV R&D Europe
7. Exploded View
7-6 DTC-21Y1
74

CP-520/520A/520F Service Manual
DTV R&D Europe
7. Exploded View
7-7 DTZ-29U7
75

CP-520/520A/520F Service Manual
DTV R&D Europe
7. Exploded View
7-8 DTZ-2881
76

CP-520/520A/520F Service Manual
DTV R&D Europe
7. Exploded View
7-9 DTZ-2481
77

CP-520/520A/520F Service Manual
DTV R&D Europe
8. Printed Circuit Board
8-1 4859809693(CP-520)
78

CP-520/520A/520F Service Manual
DTV R&D Europe
8. Printed Circuit Board
8-2 4859809893(CP-520A)
79

CP-520/520A/520F Service Manual
DTV R&D Europe
8. Printed Circuit Board
8-3 4859809993(CP-520F)
80

CP-520/520A/520F Service Manual
DTV R&D Europe
9. Schematic Diagram
9-1 CP-520
81

CP-520/520A/520F Service Manual
DTV R&D Europe
9. Schematic Diagram
9-2 CP-520A
82

CP-520/520A/520F Service Manual
DTV R&D Europe
9. Schematic Diagram
9-3 CP-520F
83
