Daewoo Electronics Rd 400 Users Manual BOM_RD430X CE LPP(PSM)
RD-400 to the manual 56fc34b9-750d-4573-87c7-1470e134abdc
2015-02-02
: Daewoo-Electronics Daewoo-Electronics-Rd-400-Users-Manual-404338 daewoo-electronics-rd-400-users-manual-404338 daewoo-electronics pdf
Open the PDF directly: View PDF  .
.
Page Count: 62

Service Manual
S/N No. :  
FEB. 2004
DAEWOO DAT CO., LTD.
Mini Component System
Model:  
DVD Micro System
RD-400()
Series
9CD8303000
JAN. 2005
series
only

1. SAFETY PRECAUTIONS......................................................1/2
2. SPECIFICATIONS....................................................................3
3. LOCATION OF USERS CONTROLS....................................4/6
FRONT PANEL
REAR PANEL
DISPLAY
REMOTE CONTROLLER
4. CONNECTING TO EQUIPMENT...........................................7/8
CONNECTING TO TV
CONNECTING TO AUDIO & VIDEO
CONNECTING TO SPEAKER
CONNECTING TO RECORDING EQUIPMENT
5. FIRMWARE UPGRADE .....................................................9/10
6. TROUBLE SHOOTING GUIDE.........................................11/20
7. WAVEFORMS OF MAJOR CHECK POINT......................21/23
AUDIO OUT SIGNAL WAVEFORM
DAC OUTPUT SIGNAL WAVEFORM
OPTICAL OUTPUT AUDIO DATA SIGNALFORM
L/R CLOCK DATA WAVEFORM DURING NORMAL PLAY
SERIAL DATA OUTPUT WAVEFORM DURING NORMAL PLAY
Pr OUTPUT DATA WAVEFORM IN COMPONENT OUTPUT
Pb OUTPUT DATA WAVEFORM IN COMPONENT OUTPUT
Y OUTPUT DATA WAVEFORM IN COMPONENT OUTPUT
COMPOSITEOUTPUT DATA WAVEFORM IN MONITOR OUTPUT
S-VIDEO OUTPUT DATA WAVEFORM
8. INTERNAL BLOCK DIAGRAM OF ICs..........................24/28
9. BLOCK DIAGRAM...............................................................29
10. WIRING DIAGRAM...............................................................30
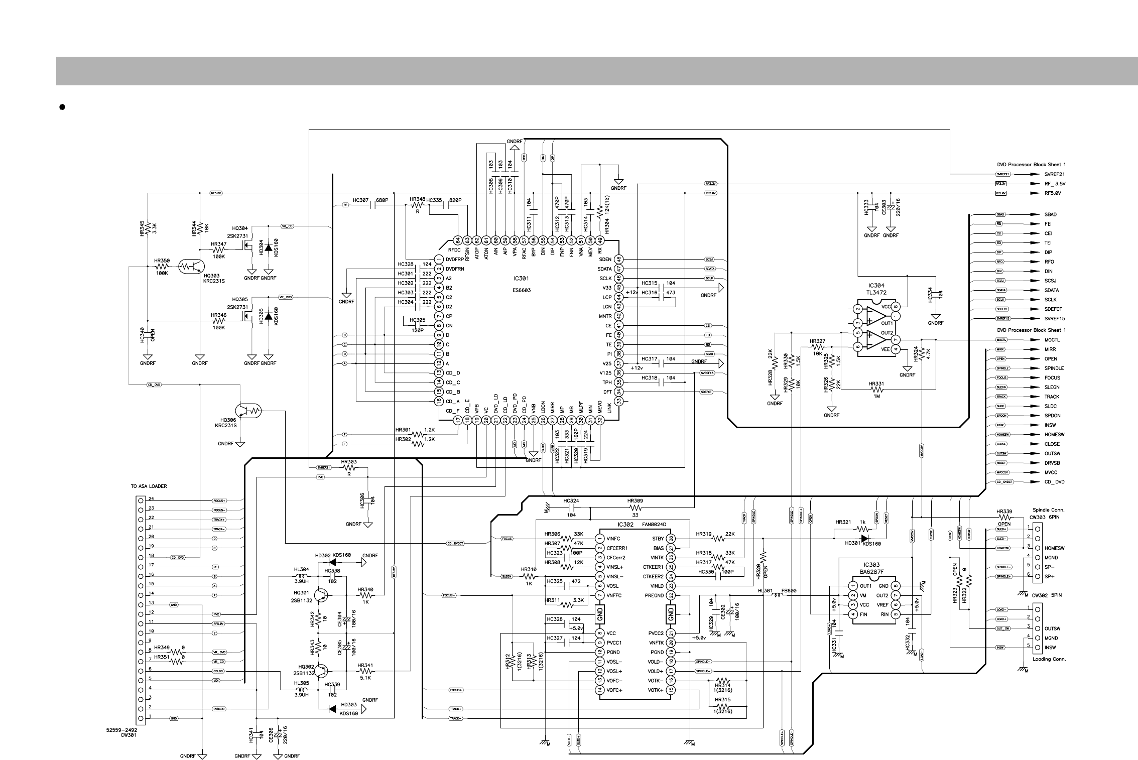
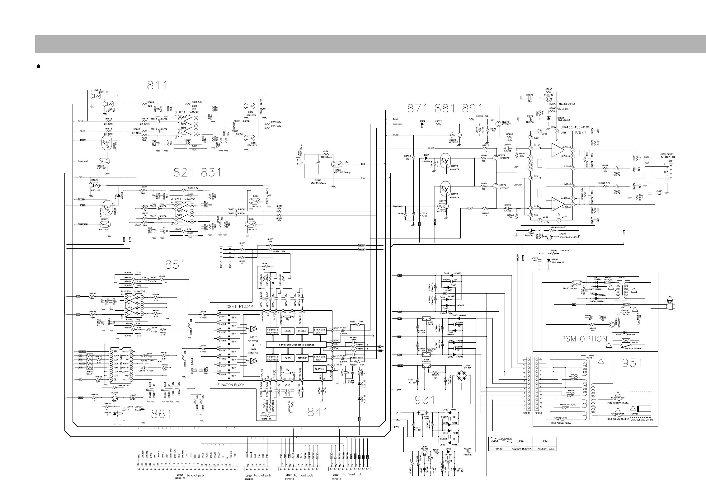
11. SCHEMATIC DIAGRAM..................................................31/35
MPEG Section
MPEG RF Section
I/A Section
FRONT Section
POWER Section
12. PRINTED CIRCUIT DIAGRAM........................................36/41
Front
Main
MPEG
13. EXPLODED VIEW AND MECHANICAL PARTS LIST ..42/43
MECHANICAL EXPLODED VIEW
MECHANICAL PARTS LIST
14. ELECTRICAL PARTS LIST......................................Appendix
ELECTRICAL PARTS LIST
ELECTRICAL PARTS LIST [OPTION LIST]
Contents
DVDMICROSYSTEM
RD-400()
Series

1.SafetyPrecautions
WARNING
: TO PREVENT FIRE OR ELECTRIC SHOCK, DO NOT EXPOSE 
THIS APPLIANCE TO RAIN OR MOISTURE.
  CAUTION :
TO REDUCE THE RISK IF ELECTRIC SHOCK, DO NOT
REMOVE COVER (OR BACK). NO USER SERVICEABLE PARTS 
INSIDE.
REFER SERVICING TO QUALIFIED SERVICE PERSONNEL.
THIS SYMBOL IS INTENDED TO ALERT THE USER TO THE 
PRESENCE OF UNINSULTED "DANGEROUS VOLTAGE"
  WITHIN THE PRODUCT'S ENCLOSURE THAT MAY BE 
SUFFICIENT  MAGNITUDE TO CONSTITUTE A RISK OF 
ELECTRIC SHOCK TO PERSONS.
THIS SYMBOL IS INTENDED TO ALERT THE USER TO THE
PRESENCE OF IMPORTANT OPERATING  AND MAINTENANCE 
(SERVICING) INSTRUCTIONS IN THE LITERATURE 
ACCOMPANYING THE APPLIANCE.
CAUTION
  TO PREVENT ELECTRIC SHOCK, DO NOT USE THIS POLARIZED AC    
  PLUG WITH AN EXTENSION CORD, RECEPTACLE  OR OTHER OUTLET  
  UNLESS THE BLADES CAN BE FULLY INSERTED TO PREVENT BLADE 
  EXPOSURE.
LASER SAFETY
  THIS UNIT EMPLOYS A  LASER. ONLY QUALIFIED SERVICE  PERSONNEL 
  SHOULD REMOVE THE COVER OR ATTEMPT TO SERVICE THIS DEVICE 
  DUE  TO POSSIBLE EYE INJURY.
  CAUTION :
 USE OF ANY CONTROLS, ADJUSTMENTS,  OR PROCEDURES 
  OTHER THAN THOSE SPECIFIED HEREIN MAY RESULT IN HAZARDOUS
  RADIATION EXPOSURE.
CAUTION :
 TO PREVENT  ELECTRIC SHOCK, MATCH WIDE BLADE OF 
PLUG TO WIDE SLOT, FULLY INSERT.
ATTENTION :
  POUR EVITER  LES CHOCS  ELECTRIQUES, INTRODUIRE 
LA LAME LA PLUS LARGE DE LA FICHE DANS LA BORNE CORRESPON-
DANTE   DE LA   PRISE ET  POUSSER JUSQU'AU FOND.
Important Safety Instructions
- All the safety and operating instructions should be read before   
the appliance is operated.
- The safety and operating instructions should be retained for 
future reference.
- All warnings on the appliance and in the operating instructions 
should be adhered to.
- All operating and use instructions should be followed.
1.  Water and Moisture - The appliance should not be used near 
water - for example, near a bathtub, washbowl, kitchen sink,
laundry tub, in a wet basement, or near a swimming pool,
and the like. 2.  Carts and Stands - The appliance
should be used only with a cart or
stand that is recommended by th
manufacturer.
3.  An appliance and cart combination 
should be moved with care. Quick 
stops, excessive force, and uneven
surfaces may cause the appliance 
and cart combination to overturn.
4.  Wall or Ceiling Mounting - The appli-
ance should be mounted to a wall or
 ceiling only as recommended by the manufacturer.
5.  Ventilation - The appliance should be situated so that its 
location or position does not interfere with its proper 
ventilation.  For example, the appliance should not be situated 
on a bed, sofa, rug, or similar surface that may block the 
ventilation openings; or, placed in a built-in installation, such 
as a bookcase or cabinet that may impede the flow of air 
through the ventilation openings.
6.  Heat - The appliance should be situated away from heat 
sources such as radiators, heat registers, stoves, or other 
appliances (including amplifiers) that produce heat.
7.  Power Sources - The appliance should be connected to a 
power supply only of the type described in the operating 
instructions or as marked on the appliance.
8.  Grounding or Polarization - The precautions that should be 
taken so that the grounding or polarization means of an 
appliance is not defeated.
9.  Power - Cord Protection - Power-supply cords should be 
routed so that they are not likely to be walked on or pinched 
by items placed upon or against them, paying particular 
attention to cords at plugs, convenience receptacles, and the 
point where they exit from the appliance.
10.Protective Attachment Plug - If the appliance is equipped with 
an attachment plug having overload protection.  This is a 
safety feature. See Instruction Manual for replacement or 
resetting of protective device. If replacement of the plug is 
required, be sure the service technician has used a 
replacement plug specified by the manufacturer that has the 
same overload protection as the original plug.
11.Cleaning - The appliance should be cleaned only as 
recommended by the manufacturer.
12.Power Lines - An outdoor antenna should be located away 
from power lines.
CAUTION
RISK OF ELECTRIC SHOCKS
DO NOT OPEN
PORTABLE CART 
Figure 2
1

1.SafetyPrecautions
13.Outdoor Antenna Grounding - If an outside antenna is 
connected to the receiver be sure the antenna system is 
grounded so as to provide some protection against voltage 
surges and built-up static charges. Article 810 of the National 
Electrical Code, ANSI/NFPA 70, provides information with 
regard to proper grounding of the mast and supporting
structure, grounding of the lead-in wire to an antenna-dis
charge unit, size of grounding conductors,location of antenna-
discharge unit, connection to grounding electrodes and 
requirements for the grounding electrode.  See Figure 1.
14.Non-use Periods - The power cord of the appliance should be 
unplugged from the outlet when left unused for a long period 
of time.
15.Object and Liquid Entry - Care should be taken so that objects 
do not fall and liquids are not spilled into the enclosure through 
openings. 
16.Damage Requiring Service - The appliance should be 
serviced by qualified service personnel when:
  a) The power-supply cord or the plug has been damaged; or
  b) Objects have fallen, or liquid has been spilled into the
      appliance; or
  c) The appliance has been exposed to rain; or
  d) The appliance does not appear to operate normally or 
      exhibits a marked change in performance; or
  e) The appliance has been dropped, or the enclosure 
      damaged.
 17.Servicing - The user should not attempt to service the 
appliance beyond that described in the operating instructions. 
All other servicing should be referred to qualified service 
personnel.
ANTENNA DISCHARGE UNIT
(NEC SECTION 810-20)
ANTENNA LEAD
IN WIRE
POWER SERVICE GROUNDING
ELECTRODE SYSTEM
(NEC ART 250 PART H)
GROUND CLAMP
ELECTRIC
SERVICE
EQUIPMENT
GROUNDING CONDUCTORS
(NEC SECTION 810-21)
GROUND CLAMPS
EXAMPLE OF ANTENNA 
GROUNDING 
NEC - NATIONAL ELECTRICAL CODE
2

2. Specifications
3

3.LocationofUsersControls
4
Front Panel
1. Remote Control Sensor
2. Display
3. DISC TRAY
4. STANDBY/ON button
5. STANDBY/ON LED lamp
6. PHONES jack
7. PLAY ()
button
8. STOP ()
button
9. PREV ()
button
10. NEXT ()
button
11. USB jack(Option)
12. Microphone jack
13. Mic. VOLUME Control
14. FUNCTION button
15. OPEN/CLOSE ()
button
16. MASTER VOLUME Control
1
2
3
5
6
4
7 8 11 12 13
15
14
16
910

3.LocationofUsersControls
5
Rear Panel
Display
1 4 11 13 16 18 19 212 6 8
3 5 7 9 10 12 14 15 17 20
23
22
24
1. DOLBY DIGITAL indicator
2. Pro Logic II indicator
3. DTS indicator
4. TITLE indicator
5. DVD indicator
6. CHAPTER indicator
7. VCD indicator
8. TRACK indicator
9. MP3 indicator
10. SLEEP indicator
11. STEREO indicator
12. REPEAT indicator
13. RANDOM indicator
14. ALL indicator
15. TOTAL indicator
16. MUTE indicator
17. REMAIN indicator
18. PBC(Playback Control) indicator
19.EQindicator
20. PROGRESSIVE indicator
21. RDS indicator
22. PAUSE indicator
23. PLAY indicator
24. Multi-Function Information Displaying Area
1. COMPONENT VIDEO OUTPUT
Y/Pb/Pr jacks (Optional)
2. Power cord
3. COAXIAL OUTPUT jack
4. AUDIO INPUT(R/L) jacks
5. VIDEO INPUT jacks
6. VIDEO OUTPUT jacks
7. SUBWOOFER OUTPUT
connectors : For Active subwoofer
speaker(User option)
8. S-VIDEO MONITOR OUT jack
9. FRONT SPEAKER connectors
10. AM(MW) ANTENNA connector
11. FM ANTENNA connector
12. SCART jack
2
1
875 64
9
12
11
10
3

6
3.LocationofUsersControls
Remote Controller
1. STANDBY/ON button
2. OPEN/CLOSE button
3. MUTE button
4. INPUT SELECTOR: DVD button/
TV SYSTEM(PAL/NTSC: DVD only) button
5. INPUT SELECTOR: VIDEO button
6. INPUT SELECTOR: TUNER button
7. FAST REVERSE(FR) ( ) button
8. FAST FORWARD(FF) ( ) button
9. SKIP PREV ( ) button
10. SKIP NEXT ( ) button
11. Direction ( ) buttons
12. Enter button
13. PLAY ( ) button
14. VOLUME( ) buttons
15. SETUP button
16. STOP( ) button
17. MENU/RETURN button
18. PAUSE/STEP button
19.GOTO/AUTOMEMORYbutton
20. PROGRESSIVE button
21. Number buttons(0~9)
22. CH-LEVEL button(Not Used)
23. DISPLAY/FM MODE button
24. A-B REPEAT button
25. REPEAT button
26. RANDOM/RDS MODE button
27. SLOW button
28. EQ button
29. SURROUND MODE button(Not Used)
30. ZOOM button
31. SLEEP button
32. SUBTITLE/MPX button
33. TITLE/PBC button
34. AUDIO/PTY SEARCH button
35. ANGLE/DIGEST button
ENTER
45
1
2 3
5
6
8
10
11
14
14
28
19
20
23
26
27
30
31
34
35
4
7
9
11
12
11
11
13
15
16
17
18
21
22
24
25
29
32
33

4.ConnectingtoEquipment
7
If the TV or monitor is equipped with an S video input, make the S video connection in addition to the normal video
connection. The S video connection will provide higher quality picture playback.
21-Pin SCART Cable(not included) to 21-pin SCART input terminal on TV
SCART Specification : Composite and Component Video output(DVD, Video)Audio L/R Output(DVD only)
Connecting to TV
Connecting to Audio & Video
for EU version: optional
Audio/Video connection cable
Video connection cable
To audio output
To S video input
To video output
To video output
S video connection cable

4.ConnectingtoEquipment
8
Connecting to Speaker
Connecting to Recoring Equipment
Before connecting
This machine is designed to reproduce optimum sound quality when speakers with the specified impedance below
are connected. Please check the following information and choose speakers with appropriate impedance for the
connections.
Front speakers(L/R) : 6 ohms min. per speaker
To prevent damage to circuits, never short-circuit the positive (+) and negative (-) speaker wires.
Do not connect the speaker cable to the L and R connectors at the same time and do not connect more than one
speaker to the same speaker connectors.
Right speakerLeft speaker
R         L R         L
NO!
NO!NO!
DVD Micro System

5.FirmwareUpgrade
Preparing the Firmware Upgrade
Activating the Firmware Upgrade
1. Write a disc to update file by
PC Writing Program.
2. A size of dummy folder is more than
10M bite. (ex : font_dw, attached picture)
3. Put firmware file in a disc.
1. Open the door of DVD receiver.
2. Insert the update disc into the disc tray.
3. Close the door, then DVD receiver reads the disc,
and update the firmware itself.
•
Basic Model : A400L_8.ROM
•
DivX Model : A400L_16.ROM
DISC LOADING
9
Starting Update.
1. Detect the update disc.(Lead Free)
2. Display for update ROM Version.
•
Basic Model : A400L_8.ROM
•
DivX Model : A400L_16.ROM
FLASH
A400L_16.ROM

5.FirmwareUpgrade
Read the disc.
1. Automatically open the door, after read from disc.
2. Take a disc out of a tray
Completed Update.
1. Automatically power off (about 15 sec),after complete update.
2. Press POWER button, the System is working.
DONE
10
Check the Update Version.
1. Open the door of DVD receiver.
2. Press AUDIO button or SUBTITLE button.
•
AUDIO Button : Check for MPEG Firmware Version.
•
SUBTITLE Button : Check for Loader Firmware Version.
• While updating, if the door opened or closed by touch, or power button is pressed,
the Flash Memory will be damaged.
Caution
Firmware
Model Firmware
Version Flash
Size
READING OK
FLASH
CHECKSUM OK
ERASE/WRITE
Checksum check & Update new firmware.

6.TroubleShootingGuide
11
START
1. BASIC OPERATING
Is Standby LED
on?
Check Power Supply Circuit.
Check Connection CN901, CN951.
No
Turn Power on.
Is Power on?
Yes
Check DVD Processor Circuit.
IC501 Block. 
No
Does Initial
read work? 
Yes
Check DVD Mechanism.
Check RF Circuit IC301.
No
Does It Play?
Yes
No
Check DVD Region.
Check RF Circuit IC301.
Yes
Does It Output
Audio? No
Check Audio Section.
Yes
OK
Audio Part

12
6.TroubleShootingGuide
START
1. INITIAL OPERATING
Is Standby
LED on?  No
Initial Operation OK.
Yes
Check OSC
waveform of
XC501.  
Check I2C Line
of IC504. 
Yes
Yes
Check interface
of VFD Driver  
Yes
Is Power on?
Check Connection CN901/CN951.
Check Power Supply.
No
No
No
No
Yes
Check DVD Power Supply
Check Devices connected
I2C Line. 
Check VFD Data Interface.
VFD_DATA/CLK.
Replace Front PCB Ass'y.
Check interface
of SDRAM No
Check CLK of SDRAM.
Replace Flash Memory.
Is Power on?
1
No
Yes
Yes
Front Circuit

3. AUDIO Abnormal
Check if the I2S
Output of IC501
is ok?  
Replace IC501.
No
Check if theI2S
Input of IC861
is ok? 
Yes
Check Chip Resistor
HA861
Check if the
Output of IC861
is ok?  
Yes
No
Yes
Yes
Yes
OK
Audio Abnormal of
DVD Function 
Check if
suppled power
is ok?
Check Regulator Circuit.
IC904.
Yes
No
No
No
Check Regulator Circuit
IC902
No
Check Power Circuit
CE903, CE904
Check if 
the Output of
IC871 is ok?
Check if 
the Output of
IC841 is ok?
1
3
Video Output
Funtion
Digital Audio
Input Funtion
13
6.TroubleShootingGuide
Audio Part

14
6.TroubleShootingGuide
3. AUDIO Abnormal
Check if the
Audio output of 
IC401 is ok?
Check if the
Audio output of 
IC421 is ok?
Check if the
Audio Input of
IIC401 is ok?
No
Yes No
Check Audio In Line of J481
Check Regulator Circuit
IC902, 903
Yes
No
Yes
1
Audio Abnormal of Tuner
/Video Input Function 
Audio Part
4. AUDIO LINE OUTPUT Abnormal
No
Yes
Yes
OK
Audio Abnormal
of H/P Output 
Check if the
Output of IC811
is ok?
Check if the
Output of J701
is ok?
Check Regulator Circuit
IC902, 903
No
Check Audio Circuit

5. AUDIO CONTROL Abnormal 
Yes
No
OK Check Remote Receiver RM701
Yes
No
Replace IC501
Check if the 
data of IC501 
is ok?
Check Input  
data of RMC 
is ok?
Audio Abnormal of 
Remote Control 
6.TroubleShootingGuide
5. AUDIO CONTROL Abnormal 
No
Yes
Check if the
data of IC501 is
ok? 
No
Yes
OK
Audio Abnormal of
Volume Control 
Check Encoder SW. VR701
Yes
No
Replace IC501
Check if the
I2C Waveform of 
IC841 is ok?
Check between IC501 to IC841
Check Input
Data of  Volume
is ok?
15
Audio Part

6.TroubleShootingGuide
6. VIDEO OUTPUT Abnormal
Yes
Check if the
Output of IC501
is ok? 
OK
VIDEO Abnormal of
Component 
Check Setup
is ok? 
Setting for RGB Mode.
Yes
No
Replace IC501
No
Check the
output of Jack
is ok?
Yes
No
Check Filter Circuit.
Check Crystal
is ok? 
Yes Replace Cystal, XC501.
No
16
Audio Part

6.TroubleShootingGuide
6. VIDEO OUTPUT Abnormal
Yes
Check if the
Output of IC501
is ok? 
OK
VIDEO Abnormal
of S-VIDEO
Check Setup
is ok? 
Setting for S-VIDEO Mode.
Yes
No
Replace IC501
No
Check the
output of Jack
is ok? 
Yes
No
Check Filter Circuit.
Check Crystal
is ok?
Replace Crystal, XC501. 
No
17
Audio Part

6.TroubleShootingGuide
6. VIDEO OUTPUT Abnormal
Yes
Check if the
Output of IC501
is ok? 
OK
VIDEO Abnormal of
Composite 
Yes
Replace IC501
Check the
output of IC481
is ok?
No
No
Check the
output of Jack
is ok?
Yes
Yes
No
Check Filter Circuit.
Check Crystal
is ok? 
Replace Crystal, XC501. 
No
Check the
control of Select
is ok?  Check Power Supply Circuit.
Check Control Line between
IC510 : Pin12, 15
No
Replace IC481
Yes
18
Audio Part

6.TroubleShootingGuide
7. MECHA CONTROL Abnormal
Yes
Check if the
data input of
IC501 is ok? 
OK
Control Abnormal of
Open/Close 
Yes
Replace IC501
Check the
output of IC303
pin 1,7 is ok?
No
No
Yes
Check VFD
data is ok?
Replace Front PCB Ass'y.
Check Connection CN701.
Check data waveforn of 
VFD_DATA, CLK, CS
No
Check the
Supplied power
is ok? 
Check Power Supply Circuit.
No
Replace IC303
Yes
19
Audio Part

6.TroubleShootingGuide
7. MECHA CONTROL Abnormal
Yes
Check if the
data input of
IC501 is ok? 
OK
Control Abnormal of
Disc Loading 
Yes
Replace IC501
Check the
output of IC302
is ok?
No
No
Yes
Check VFD
data is ok?
Replace Front PCB Ass'y.
Check Connection CN701.
Check data waveforn of 
VFD_DATA, CLK, CS
No
Check the
Supplied power
is ok?
Check Power Supply Circuit.
No
Replace IC302
Yes
Check the
interface data
is ok? 
Check data between IC501.
No
Yes
20
Audio Part

7.WaveformsofMajorCheckMethod
•
Audio Out Signal Waveform
•
DAC Output Signal Waveform
•
Optical Output Audio Data Signal waveform
•
PWM Output Waveform During Normal Play
•
Serial Data Output Waveform During Normal Play
21
Test Point : DVD Test Disc MDVD-W111 TRACK2 Color Bar

•
Pr Output Data Waveform in Component Output
•
Pb Output Data Waveform in Component Output
•
Y Output Data Waveform in Component Output
7.WaveformsofMajorCheckMethod
Test Point : DVD Test Disc MDVD-W111 TRACK2 Color Bar
22

•
Composite Output Data Waveform in Monitor Output
•
S-Video Output Data Waveform
7.WaveformsofMajorCheckMethod
Test Point : DVD Test Disc MDVD-W111 TRACK2 Color Bar
23

8.InternalBlockDiagramofICs
•
74HC374
24
•
74HCU04
•
BA6287F
•
BU4052
Y01
Y22
COMMON
Y3
Y34
Y15
INH 6
VEE 7
VSS 8
16
15
14
13
12
11
10
9
VDD
X2
X1
X
X0
X3
A
B
Y0
B
Y
OUT / IN
INH
VEE
X
OUT / IN
A
COMMON
Y2
Y3
Y1
X2
X1
X0
X3

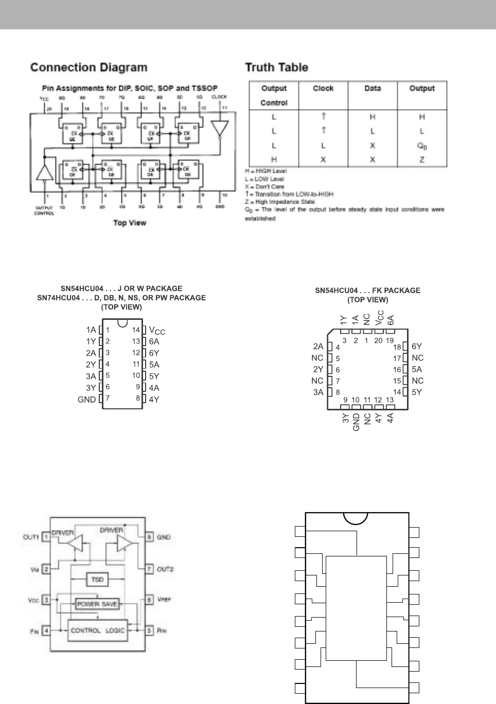
•
LD1117A
8.InternalBlockDiagramofICs
25
•
CS4340
•
FAN8024DB
•
LA7952

8.InternalBlockDiagramofICs
26
•
ES6629FD/ES6698FD
•
M29W800DB

8.InternalBlockDiagramofICs
27
PT2314

8.InternalBlockDiagramofICs
28
•
PT6315
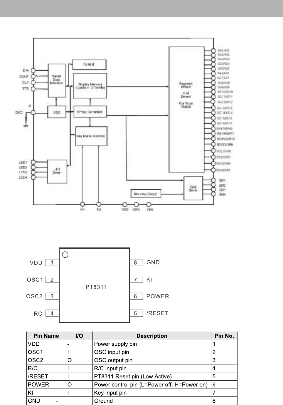
•
PT8311

9.BlockDiagram
TUO WS
T
U
O 
EN
I
L
TU
O
OE
DIV
NI
O
ID
UA
NI OEDIV
PMA CIM
CIM
R
EKAEPS
DFV
T
U
O
OED
IV
TUO LATIGID
T
UO OEDIV-S
PMA FR
RE
VIRD
R
O
TOM
REDOCED
D
F
9266SE DF8966SE
1
0
5
C
I
REFFUB TUO ENIL
RETREVNOC A
/D
N
O
I
T
CNUF G
O
LAN
A
RETLIF SSAP WOL
REF
F
UB 
G
OLANA
MARDS
ENOHPDAEH
SNART NIAM
SNART BUS
NI CA
1
0
3
C
I3
0
66SE HSA
L
F
REFFU
B TUO 
WS
PMA ENOHPDAEH REVIRD DFV
29

10.WiringDiagram
30

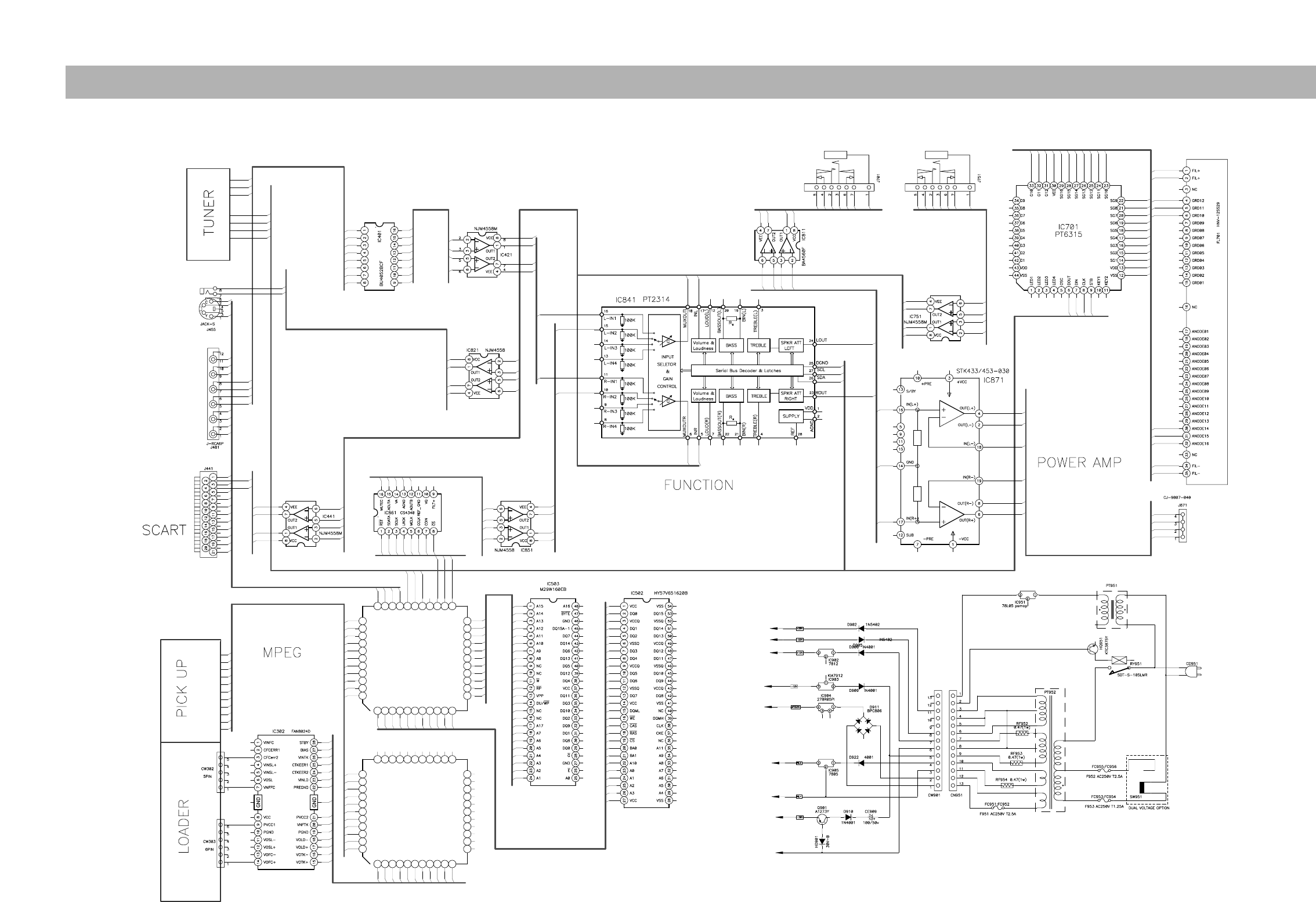
11.SchematicDiagram
MPEG Section
DF8966SE
DF9266SE 105CI
31

11.SchematicDiagram
MPEG RF Section
32

11.SchematicDiagram
I/O Section
33

11.SchematicDiagram
FRONT Section
34

11.SchematicDiagram
KCOLB TP
POWER Section
35

12.PrintedCircuitDiagram
36
FRONT [Top View]

12.PrintedCircuitDiagram
37
FRONT [Bottom View]

12.PrintedCircuitDiagram
38
MAIN [Top View]

12.PrintedCircuitDiagram
39
MAIN [Bottom View]

12.PrintedCircuitDiagram
40
MPEG [Top View]

12.PrintedCircuitDiagram
41
MPEG [Bottom View]

14.ExplodedViewandMechanicalPartsList
42

14.ExplodedViewandMechanicalPartsList
43

Loc. Part Code Part Name Description Remark
B801 9CD6596500 PCB MAIN 247X247X1.6T
CE811 CEXF1E470V C ELECTRO 25V RSS 47MF (5X11)
CE812 CEXF1E470V C ELECTRO 25V RSS 47MF (5X11)
CE813 CEXF1H339V C ELECTRO 50V RSS 3.3MF (5X11)
CE814 CEXF1H339V C ELECTRO 50V RSS 3.3MF (5X11)
CE815 CEXF1H339V C ELECTRO 50V RSS 3.3MF (5X11)
CE816 CEXF1H339V C ELECTRO 50V RSS 3.3MF (5X11)
CE817 CEXF1E100V C ELECTRO 25V RSS 10MF (5X11)
CE821 CEXF1E470V C ELECTRO 25V RSS 47MF (5X11)
CE822 CEXF1H339V C ELECTRO 50V RSS 3.3MF (5X11)
CE823 CEXF1H339V C ELECTRO 50V RSS 3.3MF (5X11)
CE824 CEXF1E470V C ELECTRO 25V RSS 47MF (5X11)
CE825 CEXF1H339V C ELECTRO 50V RSS 3.3MF (5X11)
CE826 CEXF1H339V C ELECTRO 50V RSS 3.3MF (5X11)
CE827 CEXF1E470V C ELECTRO 25V RSS 47MF (5X11)
CE841 CEXF1H229V C ELECTRO 50V RSS 2.2MF (5X11)
CE842 CEXF1H229V C ELECTRO 50V RSS 2.2MF (5X11)
CE843 CEXF1H229V C ELECTRO 50V RSS 2.2MF (5X11)
CE844 CEXF1H229V C ELECTRO 50V RSS 2.2MF (5X11)
CE845 CEXF1E470V C ELECTRO 25V RSS 47MF (5X11)
CE846 CEXF1H339V C ELECTRO 50V RSS 3.3MF (5X11)
CE847 CEXF1H339V C ELECTRO 50V RSS 3.3MF (5X11)
CE848 CEXF1H100V C ELECTRO 50V RSS 10MF (5X11)
CE849 CEXF1H339V C ELECTRO 50V RSS 3.3MF (5X11)
CE850 CEXF1H339V C ELECTRO 50V RSS 3.3MF (5X11)
CE851 CEXF1E470V C ELECTRO 25V RSS 47MF (5X11)
CE852 CEXF1E470V C ELECTRO 25V RSS 47MF (5X11)
CE853 CEXF1H339V C ELECTRO 50V RSS 3.3MF (5X11)
CE854 CEXF1H339V C ELECTRO 50V RSS 3.3MF (5X11)
CE855 CEXF1H339V C ELECTRO 50V RSS 3.3MF (5X11)
CE856 CEXF1H339V C ELECTRO 50V RSS 3.3MF (5X11)
CE861 CEXF1E470V C ELECTRO 25V RSS 47MF (5X11)
CE864 CEXF1H339V C ELECTRO 50V RSS 3.3MF (5X11)
CE865 CEXF1H339V C ELECTRO 50V RSS 3.3MF (5X11)
CE867 CEXF1H109V C ELECTRO 50V RSS 1MF (5X11)
CE868 CEXF1H109V C ELECTRO 50V RSS 1MF (5X11)
CE869 CEXF1E470V C ELECTRO 25V RSS 47MF (5X11)
CE871 CEXF1H100V C ELECTRO 50V RSS 10MF (5X11)
CE872 CEXF1H339V C ELECTRO 50V RSS 3.3MF (5X11)
CE873 CEXF1H339V C ELECTRO 50V RSS 3.3MF (5X11)
CE874 CEXF1E470V C ELECTRO 25V RSS 47MF (5X11)
CE875 CEXF1H339V C ELECTRO 50V RSS 3.3MF (5X11)
CE876 CEXF1H339V C ELECTRO 50V RSS 3.3MF (5X11)
CE878 CEXF1H339V C ELECTRO 50V RSS 3.3MF (5X11)
CE879 CEXF1H101V C ELECTRO 50V RSS 100MF (8X12)
CE880 CEXF1H101V C ELECTRO 50V RSS 100MF (8X12)
CE903 CEXF1V332V C ELECTRO 35V RSS 3300MF (16X31.5)
CE904 CEXF1V332V C ELECTRO 35V RSS 3300MF (16X31.5)
CE905 CEXF1E470V C ELECTRO 25V RSS 47MF (5X11)
CE906 CEXF1E102V C ELECTRO 25V RSS 1000MF (12X22) 
CE907 CEXF1E102V C ELECTRO 25V RSS 1000MF (12X22) 
CE908 CEXF1E470V C ELECTRO 25V RSS 47MF (5X11)
CE909 CEXF1H101V C ELECTRO 50V RSS 100MF (8X12)
CE910 CEXF1H101V C ELECTRO 50V RSS 100MF (8X12)
CE911 CEXF1E470V C ELECTRO 25V RSS 47MF (5X11)
CE912 CEXF1E222V C ELECTRO 25V RSS 2200MF (13X25)
CE913 CEXF1H101V C ELECTRO 50V RSS 100MF (8X12)
CE914 CEXF1E470V C ELECTRO 25V RSS 47MF (5X11)
CE915 CEXF1C101V C ELECTRO 16V RSS 100MF (6.3X11)
CM871 CMXM2A104J C MYLAR 100V 0.1MF J
CM872 CMXM2A104J C MYLAR 100V 0.1MF J
PCB MAIN Ass'y [9CDC074900] : RD400 MAIN
Page 1

Loc. Part Code Part Name Description Remark
CM901 HCBK104KBA C CHIP CERA 50V X7R 0.1MF Z 1608
CM902 HCBK104KBA C CHIP CERA 50V X7R 0.1MF Z 1608
CM903 HCBK104KBA C CHIP CERA 50V X7R 0.1MF Z 1608
CM904 HCBK104KBA C CHIP CERA 50V X7R 0.1MF Z 1608
CM907 HCBK104KBA C CHIP CERA 50V X7R 0.1MF Z 1608
CM908 HCBK104KBA C CHIP CERA 50V X7R 0.1MF Z 1608
CW861 9728811800 CONN WAFER 2.0MM PH-6A 6P
CN871 9736407800 CONN PIN 53095-1010 10PIN BASE
CN881 9736407800 CONN PIN 53095-1010 10PIN BASE
CW841 9728808800 CONN WAFER 2.0MM PH-3AW 3P
CW851 9CD6269000 CONN WAFER 52806-2510
CW901 9736408700 PIN WAFER 52075-1310
D902 DIN5402--- DIODE IN5402
D903 DIN5402--- DIODE IN5402
D904 DIN5402--- DIODE IN5402
D905 DIN5402--- DIODE IN5402
D906 DIN4001--- DIODE IN4001
D907 DIN4001--- DIODE IN4001
D908 DIN4001--- DIODE IN4001
D909 DIN4001--- DIODE IN4001
D910 DIN4001--- DIODE IN4001
D911 DKBPC806-- DIODE KBPC806
D912 DIN4001--- DIODE IN4001
D919 DIN4001--- DIODE IN4001
D920 DIN4001--- DIODE IN4001
D921 DIN4001--- DIODE IN4001
D922 DIN4001--- DIODE IN4001
HA861 HRTT8101J R ARRAY CHIP 1/10 100X4 OHM 1608
HC811 HCBK392KBA C CHIP CERA 50V X7R 3900PF K 1608
HC812 HCBK104KBA C CHIP CERA 50V X7R 0.1MF Z 1608
HC813 HCQK221JBA C CHIP CERA 50V CH 220PF J 1608
HC814 HCQK221JBA C CHIP CERA 50V CH 220PF J 1608
HC815 HCBK104KBA C CHIP CERA 50V X7R 0.1MF Z 1608
HC816 HCBK392KBA C CHIP CERA 50V X7R 3900PF K 1608
HC821 HCBK392KBA C CHIP CERA 50V X7R 3900PF K 1608
HC822 HCBK104KBA C CHIP CERA 50V X7R 0.1MF Z 1608
HC823 HCQK221JBA C CHIP CERA 50V CH 220PF J 1608
HC824 HCQK221JBA C CHIP CERA 50V CH 220PF J 1608
HC825 HCBK104KBA C CHIP CERA 50V X7R 0.1MF Z 1608
HC826 HCBK392KBA C CHIP CERA 50V X7R 3900PF K 1608
HC839 HCBK223KBA C CHIP CERA 50V X7R 0.022MF M 1608
HC841 HCBK104KBA C CHIP CERA 50V X7R 0.1MF Z 1608
HC842 HCBK104KBA C CHIP CERA 50V X7R 0.1MF Z 1608
HC843 HCBK104KBA C CHIP CERA 50V X7R 0.1MF Z 1608
HC844 HCBK272KBA C CHIP CERA 50V X7R 2700PF K 1608
HC845 HCBK104KBA C CHIP CERA 50V X7R 0.1MF Z 1608
HC846 HCBK104KBA C CHIP CERA 50V X7R 0.1MF Z 1608
HC847 HCBK104KBA C CHIP CERA 50V X7R 0.1MF Z 1608
HC848 HCBK272KBA C CHIP CERA 50V X7R 2700PF K 1608
HC849 HCQK101JBA C CHIP CERA 50V CH 100PF J 1608
HC850 HCQK101JBA C CHIP CERA 50V CH 100PF J 1608
HC851 HCBK331KBA C CHIP CERA 50V CH 330PF J 1608
HC852 HCBK332KBA C CHIP CERA 50V X7R 3300PF K 1608
HC853 HCBK104KBA C CHIP CERA 50V X7R 0.1MF Z 1608
HC854 HCBK332KBA C CHIP CERA 50V X7R 3300PF K 1608
HC855 HCBK104KBA C CHIP CERA 50V X7R 0.1MF Z 1608
HC856 HCBK331KBA C CHIP CERA 50V CH 330PF J 1608
HC863 HCBK332KBA C CHIP CERA 50V X7R 3300PF K 1608
HC864 HCBK332KBA C CHIP CERA 50V X7R 3300PF K 1608
HC866 HCBK104KBA C CHIP CERA 50V X7R 0.1MF Z 1608
HC867 HCBK104KBA C CHIP CERA 50V X7R 0.1MF Z 1608
HC868 HCBK104KBA C CHIP CERA 50V X7R 0.1MF Z 1608
HC871 HCBK104KBA C CHIP CERA 50V X7R 0.1MF Z 1608
Page 2

Loc. Part Code Part Name Description Remark
HC872 HCBK222KBA C CHIP CERA 50V X7R 2200PF K 1608
HC873 HCQK100JBA C CHIP CERA 50V CH 10PF J 1608
HC874 HCBK102KBA C CHIP CERA 50V X7R 1000PF K 1608
HC875 HCBK102KBA C CHIP CERA 50V X7R 1000PF K 1608
HC876 HCQK100JBA C CHIP CERA 50V CH 10PF J 1608
HC877 HCBK222KBA C CHIP CERA 50V X7R 2200PF K 1608
HC878 HCBK104KBA C CHIP CERA 50V X7R 0.1MF Z 1608
HC902 HCBK104KBA C CHIP CERA 50V X7R 0.1MF Z 1608
HC903 HCBK104KBA C CHIP CERA 50V X7R 0.1MF Z 1608
HC904 HCBK104KBA C CHIP CERA 50V X7R 0.1MF Z 1608
HD821 DZDS160--- DIODE SW CHIP KDS160
HD841 DZDS160--- DIODE SW CHIP KDS160
HD842 HRFT000-BA R CHIP 1/10 0 OHM 1608
HD871 DZDS160--- DIODE SW CHIP KDS160
HD901 DRLZ30B--- DIODE ZENER CHIP RLZ30B
HL863 HLC104J01A COIL CHIP 120 OHM 100MHZ 2012
HQ811 TZRC111S-- TR CHIP KRC111S
HQ812 TZRC111S-- TR CHIP KRC111S
HQ813 TZRC111S-- TR CHIP KRC111S
HQ814 TZRC111S-- TR CHIP KRC111S
HQ815 TZRC231S-- TR CHIP KRC231S
HQ816 TZRA107S-- TR CHIP KRA107S
HQ820 TZRC231S-- TR CHIP KRC231S
HQ821 TZRC111S-- TR CHIP KRC111S
HQ823 TZRC111S-- TR CHIP KRC111S
HQ824 TZRC111S-- TR CHIP KRC111S
HQ825 TZRC231S-- TR CHIP KRC231S
HQ826 TZRA107S-- TR CHIP KRA107S
HQ871 TZTC3875S- TR CHIP KTC3875Y
HQ872 TZTC3875S- TR CHIP KTC3875Y
HQ873 TZRA107S-- TR CHIP KRA107S
HQ874 TZTC3875S- TR CHIP KTC3875Y
HQ875 TZRA107S-- TR CHIP KRA107S
HQ877 TZRC231S-- TR CHIP KRC231S
HR803 HRFT333JBA R CHIP 1/10 33K OHM J 1608
HR804 HRFT333JBA R CHIP 1/10 33K OHM J 1608
HR805 HRFT000-BA R CHIP 1/10 0 OHM 1608
HR806 HRFT000-BA R CHIP 1/10 0 OHM 1608
HR811 HRFT152JBA R CHIP 1/10 1.5K OHM J 1608
HR812 HRFT121JBA R CHIP 1/10 120 OHM J 1608
HR813 HRF4220JEA R CHIP 1/4W 22 OHM J 3216
HR814 HRF4220JEA R CHIP 1/4W 22 OHM J 3216
HR815 HRF4220JEA R CHIP 1/4W 22 OHM J 3216
HR816 HRF4220JEA R CHIP 1/4W 22 OHM J 3216
HR817 HRFT121JBA R CHIP 1/10 120 OHM J 1608
HR818 HRFT152JBA R CHIP 1/10 1.5K OHM J 1608
HR819 HRFT101JBA R CHIP 1/10 100 OHM J 1608
HR820 HRFT101JBA R CHIP 1/10 100 OHM J 1608
HR821 HRFT152JBA R CHIP 1/10 1.5K OHM J 1608
HR822 HRFT221JBA R CHIP 1/10 220 OHM J 1608
HR823 HRFT101JBA R CHIP 1/10 100 OHM J 1608
HR824 HRFT102JBA R CHIP 1/10 1K OHM J 1608
HR825 HRFT101JBA R CHIP 1/10 100 OHM J 1608
HR826 HRFT102JBA R CHIP 1/10 1K OHM J 1608
HR827 HRFT221JBA R CHIP 1/10 220 OHM J 1608
HR828 HRFT333JBA R CHIP 1/10 33K OHM J 1608
HR829 HRFT333JBA R CHIP 1/10 33K OHM J 1608
HR830 HRFT152JBA R CHIP 1/10 1.5K OHM J 1608
HR831 HRFT183JBA R CHIP 1/10 18K OHM J 1608
HR832 HRFT183JBA R CHIP 1/10 18K OHM J 1608
HR833 HRFT333JBA R CHIP 1/10 33K OHM J 1608
HR834 HRFT333JBA R CHIP 1/10 33K OHM J 1608
HR835 HRFT183JBA R CHIP 1/10 18K OHM J 1608
Page 3

Loc. Part Code Part Name Description Remark
HR836 HRFT183JBA R CHIP 1/10 18K OHM J 1608
HR839 HRFT820JBA R CHIP 1/10 82 OHM J 1608
HR841 HRFT102JBA R CHIP 1/10 1K OHM J 1608
HR842 HRFT104JBA R CHIP 1/10 100K OHM J 1608
HR843 HRFT104JBA R CHIP 1/10 100K OHM J 1608
HR844 HRFT562JBA R CHIP 1/10 5.6K OHM J 1608
HR845 HRFT102JBA R CHIP 1/10 1K OHM J 1608
HR846 HRFT104JBA R CHIP 1/10 100K OHM J 1608
HR847 HRFT104JBA R CHIP 1/10 100K OHM J 1608
HR848 HRFT562JBA R CHIP 1/10 5.6K OHM J 1608
HR849 HRFT000-BA R CHIP 1/10 0 OHM 1608
HR850 HRFT000-BA R CHIP 1/10 0 OHM 1608
HR851 HRFT822JBA R CHIP 1/10 8.2K OHM J 1608
HR852 HRFT563JBA R CHIP 1/10 56K OHM J 1608
HR853 HRFT563JBA R CHIP 1/10 56K OHM J 1608
HR854 HRFT822JBA R CHIP 1/10 8.2K OHM J 1608
HR855 HRFT101JBA R CHIP 1/10 100 OHM J 1608
HR856 HRFT101JBA R CHIP 1/10 100 OHM J 1608
HR857 HRFT152JBA R CHIP 1/10 1.5K OHM J 1608
HR858 HRFT152JBA R CHIP 1/10 1.5K OHM J 1608
HR859 HRFT333JBA R CHIP 1/10 33K OHM J 1608
HR860 HRFT333JBA R CHIP 1/10 33K OHM J 1608
HR861 HRFT682JBA R CHIP 1/10 6.8K OHM J 1608
HR862 HRFT682JBA R CHIP 1/10 6.8K OHM J 1608
HR863 HRFT101JBA R CHIP 1/10 100 OHM J 1608
HR864 HRFT821JBA R CHIP 1/10 820 OHM J 1608
HR865 HRFT821JBA R CHIP 1/10 820 OHM J 1608
HR866 HRFT000-BA R CHIP 1/10 0 OHM 1608
HR868 HRFT563JBA R CHIP 1/10 56K OHM J 1608
HR869 HRFT563JBA R CHIP 1/10 56K OHM J 1608
HR870 HRFT000-BA R CHIP 1/10 0 OHM 1608
HR871 HRRT272JBA R CHIP 1/10 2.7K OHM J 1608
HR873 HRFT333JBA R CHIP 1/10 33K OHM J 1608
HR874 HRFT332JBA R CHIP 1/10 3.3K OHM J 1608
HR875 HRFT102JBA R CHIP 1/10 1K OHM J 1608
HR876 HRFT103JBA R CHIP 1/10 10K OHM J 1608
HR877 HRFT563JBA R CHIP 1/10 56K OHM J 1608
HR878 HRF4479JEA R CHIP 1/4W 4.7 OHM J 3216
HR879 HRFT563JBA R CHIP 1/10 56K OHM J 1608
HR880 HRFT182JBA R CHIP 1/10W 1.8K OHM J 1608
HR882 HRFT103JBA R CHIP 1/10 10K OHM J 1608
HR883 HRFT182JBA R CHIP 1/10W 1.8K OHM J 1608
HR884 HRF4479JEA R CHIP 1/4W 4.7 OHM J 3216
HR886 HRFT563JBA R CHIP 1/10 56K OHM J 1608
HR887 HRFT102JBA R CHIP 1/10 1K OHM J 1608
HR888 HRFT332JBA R CHIP 1/10 3.3K OHM J 1608
HR889 HRFT563JBA R CHIP 1/10 56K OHM J 1608
HR890 HRFT562JBA R CHIP 1/10 5.6K OHM J 1608
HR893 HRFT103JBA R CHIP 1/10 10K OHM J 1608
HR894 HRFT333JBA R CHIP 1/10 33K OHM J 1608
HR895 HRFT000-BA R CHIP 1/10 0 OHM 1608
HR896 HRFT000-BA R CHIP 1/10 0 OHM 1608
HR897 HRFT563JBA R CHIP 1/10 56K OHM J 1608
HR898 HRFT563JBA R CHIP 1/10 56K OHM J 1608
HR901 HRFT100JBA R CHIP 1/10 10 OHM J 1608
HR902 HRFT102JBA R CHIP 1/10 1K OHM J 1608
HR903 HRFT103JBA R CHIP 1/10 10K OHM J 1608
HR905 HRFT103JBA R CHIP 1/10 10K OHM J 1608
IC811 1BA4560F-- IC BA4560F
IC821 1NJM4558M- IC CHIP NJM4558M
IC841 1PT2314--- IC FUNCTION PT2314
IC851 1NJM4558M- IC CHIP NJM4558M
IC861 1CS4340--- IC CS4340 (DAC)
Page 4

Loc. Part Code Part Name Description Remark
IC871 1STK433030 IC POWER STK433-030
IC902 1KIA7812AP IC REGULATOR KIA7812AP
IC903 1KIA7912AP IC KIA7912AP (MOLD)
IC904 1KA278R05- IC REGULATOR KA278R05PI
IC905 1KIA7805AP IC REGULATOR KIA7805AP
J871 9736323400 JACK SPEAKER SP024 B4, CJ9007-040
JW801 W581GY7595 WIRE JUMPER AWG22 1/0.65 SN 7.5 AUTO
JW802 W581GY7595 WIRE JUMPER AWG22 1/0.65 SN 7.5 AUTO
JW803 W581GY7595 WIRE JUMPER AWG22 1/0.65 SN 7.5 AUTO
JW804 W581GY7595 WIRE JUMPER AWG22 1/0.65 SN 7.5 AUTO
JW805 W581GY7595 WIRE JUMPER AWG22 1/0.65 SN 7.5 AUTO
JW806 W581GY12J5 WIRE JUMPER AWG22 1/0.65 SN 12.5 AUTO
JW807 W581GY1005 WIRE JUMPER AWG22 1/0.65 SN 10 AUTO
JW808 W581GY7595 WIRE JUMPER AWG22 1/0.65 SN 7.5 AUTO
JW809 W581GY7595 WIRE JUMPER AWG22 1/0.65 SN 7.5 AUTO
JW810 W581GY1005 WIRE JUMPER AWG22 1/0.65 SN 10 AUTO
JW811 W581GY1005 WIRE JUMPER AWG22 1/0.65 SN 10 AUTO
JW812 W581GY12J5 WIRE JUMPER AWG22 1/0.65 SN 12.5 AUTO
JW813 W581GY1005 WIRE JUMPER AWG22 1/0.65 SN 10 AUTO
JW814 W581GY1005 WIRE JUMPER AWG22 1/0.65 SN 10 AUTO
JW815 W581GY1505 WIRE JUMPER AWG22 1/0.65 GY 15 AUTO
JW816 W581GY7595 WIRE JUMPER AWG22 1/0.65 SN 7.5 AUTO
JW817 W581GY7595 WIRE JUMPER AWG22 1/0.65 SN 7.5 AUTO
JW818 W581GY7595 WIRE JUMPER AWG22 1/0.65 SN 7.5 AUTO
JW819 W581GY6095 WIRE JUMPER AWG22 1/0.65 SN 6 AUTO
JW820 W581GY1005 WIRE JUMPER AWG22 1/0.65 SN 10 AUTO
JW821 W581GY1505 WIRE JUMPER AWG22 1/0.65 GY 15 AUTO
JW822 W581GY1005 WIRE JUMPER AWG22 1/0.65 SN 10 AUTO
JW823 W581GY17J5 WIRE JUMPER AWG22 1/0.65 GY 17.5 AUTO
JW824 W581GY17J5 WIRE JUMPER AWG22 1/0.65 GY 17.5 AUTO
JW825 W581GY17J5 WIRE JUMPER AWG22 1/0.65 GY 17.5 AUTO
JW826 W581GY7595 WIRE JUMPER AWG22 1/0.65 SN 7.5 AUTO
JW827 W581GY7595 WIRE JUMPER AWG22 1/0.65 SN 7.5 AUTO
JW828 W581GY6095 WIRE JUMPER AWG22 1/0.65 SN 6 AUTO
JW829 W581GY7595 WIRE JUMPER AWG22 1/0.65 SN 7.5 AUTO
JW830 W581GY12J5 WIRE JUMPER AWG22 1/0.65 SN 12.5 AUTO
JW831 W581GY12J5 WIRE JUMPER AWG22 1/0.65 SN 12.5 AUTO
JW832 W581GY1505 WIRE JUMPER AWG22 1/0.65 GY 15 AUTO
JW833 W581GY1505 WIRE JUMPER AWG22 1/0.65 GY 15 AUTO
JW834 W581GY1505 WIRE JUMPER AWG22 1/0.65 GY 15 AUTO
JW835 W581GY12J5 WIRE JUMPER AWG22 1/0.65 SN 12.5 AUTO
JW836 W581GY6095 WIRE JUMPER AWG22 1/0.65 SN 6 AUTO
JW837 W581GY12J5 WIRE JUMPER AWG22 1/0.65 SN 12.5 AUTO
JW838 W581GY6095 WIRE JUMPER AWG22 1/0.65 SN 6 AUTO
JW839 W581GY7595 WIRE JUMPER AWG22 1/0.65 SN 7.5 AUTO
JW840 W581GY1005 WIRE JUMPER AWG22 1/0.65 SN 10 AUTO
JW841 W581GY7595 WIRE JUMPER AWG22 1/0.65 SN 7.5 AUTO
JW843 W581GY12J5 WIRE JUMPER AWG22 1/0.65 SN 12.5 AUTO
JW844 W581GY1005 WIRE JUMPER AWG22 1/0.65 SN 10 AUTO
JW845 W581GY1005 WIRE JUMPER AWG22 1/0.65 SN 10 AUTO
JW846 W581GY12J5 WIRE JUMPER AWG22 1/0.65 SN 12.5 AUTO
JW847 W581GY12J5 WIRE JUMPER AWG22 1/0.65 SN 12.5 AUTO
JW848 W581GY12J5 WIRE JUMPER AWG22 1/0.65 SN 12.5 AUTO
JW849 W581GY12J5 WIRE JUMPER AWG22 1/0.65 SN 12.5 AUTO
JW850 W581GY12J5 WIRE JUMPER AWG22 1/0.65 SN 12.5 AUTO
JW851 W581GY12J5 WIRE JUMPER AWG22 1/0.65 SN 12.5 AUTO
JW852 W581GY7595 WIRE JUMPER AWG22 1/0.65 SN 7.5 AUTO
JW853 W581GY12J5 WIRE JUMPER AWG22 1/0.65 SN 12.5 AUTO
JW854 W581GY1505 WIRE JUMPER AWG22 1/0.65 GY 15 AUTO
JW855 W581GY1505 WIRE JUMPER AWG22 1/0.65 GY 15 AUTO
JW856 W581GY7595 WIRE JUMPER AWG22 1/0.65 SN 7.5 AUTO
JW857 W581GY6095 WIRE JUMPER AWG22 1/0.65 SN 6 AUTO
JW858 W581GY1005 WIRE JUMPER AWG22 1/0.65 SN 10 AUTO
Page 5

Loc. Part Code Part Name Description Remark
JW859 W581GY1005 WIRE JUMPER AWG22 1/0.65 SN 10 AUTO
JW860 W581GY1005 WIRE JUMPER AWG22 1/0.65 SN 10 AUTO
JW861 W581GY1005 WIRE JUMPER AWG22 1/0.65 SN 10 AUTO
JW862 W581GY1005 WIRE JUMPER AWG22 1/0.65 SN 10 AUTO
JW863 W581GY1005 WIRE JUMPER AWG22 1/0.65 SN 10 AUTO
JW864 W581GY1005 WIRE JUMPER AWG22 1/0.65 SN 10 AUTO
JW865 W581GY1005 WIRE JUMPER AWG22 1/0.65 SN 10 AUTO
JW866 W581GY1005 WIRE JUMPER AWG22 1/0.65 SN 10 AUTO
JW867 W581GY6095 WIRE JUMPER AWG22 1/0.65 SN 6 AUTO
JW868 W581GY6095 WIRE JUMPER AWG22 1/0.65 SN 6 AUTO
JW869 W581GY12J5 WIRE JUMPER AWG22 1/0.65 SN 12.5 AUTO
JW870 W581GY1005 WIRE JUMPER AWG22 1/0.65 SN 10 AUTO
JW871 W581GY1505 WIRE JUMPER AWG22 1/0.65 GY 15 AUTO
JW872 W581GY6095 WIRE JUMPER AWG22 1/0.65 SN 6 AUTO
JW873 W581GY6095 WIRE JUMPER AWG22 1/0.65 SN 6 AUTO
JW874 W581GY1005 WIRE JUMPER AWG22 1/0.65 SN 10 AUTO
JW875 W581GY6095 WIRE JUMPER AWG22 1/0.65 SN 6 AUTO
JW876 W581GY1005 WIRE JUMPER AWG22 1/0.65 SN 10 AUTO
JW877 W581GY1005 WIRE JUMPER AWG22 1/0.65 SN 10 AUTO
JW878 W581GY1005 WIRE JUMPER AWG22 1/0.65 SN 10 AUTO
JW879 W581GY6095 WIRE JUMPER AWG22 1/0.65 SN 6 AUTO
JW880 W581GY1005 WIRE JUMPER AWG22 1/0.65 SN 10 AUTO
JW881 W581GY1005 WIRE JUMPER AWG22 1/0.65 SN 10 AUTO
JW882 W581GY12J5 WIRE JUMPER AWG22 1/0.65 SN 12.5 AUTO
JW883 W581GY7595 WIRE JUMPER AWG22 1/0.65 SN 7.5 AUTO
JW884 W581GY17J5 WIRE JUMPER AWG22 1/0.65 GY 17.5 AUTO
JW885 W581GY17J5 WIRE JUMPER AWG22 1/0.65 GY 17.5 AUTO
JW886 W581GY17J5 WIRE JUMPER AWG22 1/0.65 GY 17.5 AUTO
JW887 W581GY1005 WIRE JUMPER AWG22 1/0.65 SN 10 AUTO
JW888 W581GY7595 WIRE JUMPER AWG22 1/0.65 SN 7.5 AUTO
JW889 W581GY7595 WIRE JUMPER AWG22 1/0.65 SN 7.5 AUTO
JW890 W581GY1005 WIRE JUMPER AWG22 1/0.65 SN 10 AUTO
JW891 W581GY1005 WIRE JUMPER AWG22 1/0.65 SN 10 AUTO
JW892 W581GY1005 WIRE JUMPER AWG22 1/0.65 SN 10 AUTO
JW893 W581GY12J5 WIRE JUMPER AWG22 1/0.65 SN 12.5 AUTO
JW894 W581GY1005 WIRE JUMPER AWG22 1/0.65 SN 10 AUTO
JW895 W581GY7595 WIRE JUMPER AWG22 1/0.65 SN 7.5 AUTO
JW896 W581GY6095 WIRE JUMPER AWG22 1/0.65 SN 6 AUTO
JW897 W581GY17J5 WIRE JUMPER AWG22 1/0.65 GY 17.5 AUTO
JW898 W581GY1005 WIRE JUMPER AWG22 1/0.65 SN 10 AUTO
Q901 TZTA1273Y- TR KTA1273Y(A966Y) (KSA928A-Y)
R871 RD-4Z101J- R CARBON FILM 1/4W 100 OHM J
R872 RD-4Z101J- R CARBON FILM 1/4W 100 OHM J
Loc. Part Code Part Name Description Remark
B501 9CD6596600 PCB MPEG 212X160X1.6T
CE302 CEXF1C101V C ELECTRO 16V RSS 100MF (6.3X11)
CE303 CEXF1C471V C ELECTRO 16V RSS 470MF (8X12)
CE304 CEXF1C101V C ELECTRO 16V RSS 100MF (6.3X11)
CE305 CEXF1C101V C ELECTRO 16V RSS 100MF (6.3X11)
CE306 CEXF1C471V C ELECTRO 16V RSS 470MF (8X12)
CE501 CEXF1C471V C ELECTRO 16V RSS 470MF (8X12)
CE502 CEXF1C101V C ELECTRO 16V RSS 100MF (6.3X11)
CE503 CEXF1H479V C ELECTRO 50V RSS 4.7MF (5X11) 
CE504 CEXF1C471V C ELECTRO 16V RSS 470MF (8X12)
CE506 CEXF1C471V C ELECTRO 16V RSS 470MF (8X12)
CE508 CEXF1C101V C ELECTRO 16V RSS 100MF (6.3X11)
CE509 CEXF1C101V C ELECTRO 16V RSS 100MF (6.3X11)
CE510 CEXF1H109V C ELECTRO 50V RSS 1MF (5X11)
CN502 9728828200 CONN AS UL1007 #22 6P 170MM TO HOUSING
CN501 9728828300 CONN AS FFC 25P P=1.0X170MM R
PCB MPEG Ass'y [9CDC074800] : RD400 MPEG
Page 6

Loc. Part Code Part Name Description Remark
CW301 9CD6273500 CONN WAFER 52559-2492
CW302 9728810900 CONN WAFER 2.0MM PH-5A 5P
CW303 9728811800 CONN WAFER 2.0MM PH-6A 6P
CW501 9CD6269000 CONN WAFER 52806-2510
CW502 9736408600 CONN WAFER SMAW200-34
CW503 9728811800 CONN WAFER 2.0MM PH-6A 6P
HA501 HRTT8100J R ARRAY CHIP 1/10 10X4 OHM 1608
HA502 HRTT8100J R ARRAY CHIP 1/10 10X4 OHM 1608
HA503 HRTT8100J R ARRAY CHIP 1/10 10X4 OHM 1608
HA504 HRTT8330J R ARRAY CHIP 1/10 33X4 OHM 1608
HA505 HRTT8330J R ARRAY CHIP 1/10 33X4 OHM 1608
HA506 HRTT8330J R ARRAY CHIP 1/10 33X4 OHM 1608
HA507 HRTT8100J R ARRAY CHIP 1/10 10X4 OHM 1608
HA508 HRTT8100J R ARRAY CHIP 1/10 10X4 OHM 1608
HA509 HRTT8100J R ARRAY CHIP 1/10 10X4 OHM 1608
HA510 HRTT8100J R ARRAY CHIP 1/10 10X4 OHM 1608
HA511 HRTT8332J R ARRAY CHIP 1/10 3.3kX4 OHM 1608
HC301 HCBK222KBA C CHIP CERA 50V X7R 2200PF K 1608
HC302 HCBK222KBA C CHIP CERA 50V X7R 2200PF K 1608
HC303 HCBK222KBA C CHIP CERA 50V X7R 2200PF K 1608
HC304 HCBK222KBA C CHIP CERA 50V X7R 2200PF K 1608
HC305 HCQK121JBA C CHIP CERA 50V CH 120PF J 1608
HC306 HCBK104KBA C CHIP CERA 50V X7R 0.1MF Z 1608
HC307 HCQK681JBA C CHIP CERA 50V CH 680PF J 1608
HC308 HCBK103KBA C CHIP CERA 50V X7R 0.01MF M 1608
HC309 HCBK103KBA C CHIP CERA 50V X7R 0.01MF M 1608
HC310 HCBK104KBA C CHIP CERA 50V X7R 0.1MF Z 1608
HC311 HCBK104KBA C CHIP CERA 50V X7R 0.1MF Z 1608
HC312 HCQK471JBA C CHIP CERA 50V CH 470PF J 1608
HC313 HCQK471JBA C CHIP CERA 50V CH 470PF J 1608
HC314 HCBK103KBA C CHIP CERA 50V X7R 0.01MF M 1608
HC315 HCBK104KBA C CHIP CERA 50V X7R 0.1MF Z 1608
HC316 HCBK473KBA C CHIP CERA 50V X7R 0.047MF M 1608
HC317 HCBK104KBA C CHIP CERA 50V X7R 0.1MF Z 1608
HC318 HCBK104KBA C CHIP CERA 50V X7R 0.1MF Z 1608
HC319 HCBK224KBA C CHIP CERA 50V X7R 0.22MF Z 1608
HC320 HCQK161JBA C CHIP CERA 50V CH 160PF J 1608
HC321 HCBK333KBA C CHIP CERA 50V X7R 0.033MF M 1608
HC322 HCBK103KBA C CHIP CERA 50V X7R 0.01MF M 1608
HC323 HCQK101JBA C CHIP CERA 50V CH 100PF J 1608
HC324 HCBK104KBA C CHIP CERA 50V X7R 0.1MF Z 1608
HC325 HCBK472KBA C CHIP CERA 50V X7R 4700PF K 1608
HC326 HCBK104KBA C CHIP CERA 50V X7R 0.1MF Z 1608
HC327 HCBK104KBA C CHIP CERA 50V X7R 0.1MF Z 1608
HC328 HCBK104KBA C CHIP CERA 50V X7R 0.1MF Z 1608
HC329 HCBK104KBA C CHIP CERA 50V X7R 0.1MF Z 1608
HC330 HCQK101JBA C CHIP CERA 50V CH 100PF J 1608
HC331 HCBK104KBA C CHIP CERA 50V X7R 0.1MF Z 1608
HC332 HCBK104KBA C CHIP CERA 50V X7R 0.1MF Z 1608
HC333 HCBK104KBA C CHIP CERA 50V X7R 0.1MF Z 1608
HC334 HCBK104KBA C CHIP CERA 50V X7R 0.1MF Z 1608
HC335 HCQK821JBA C CHIP CERA 50V CH 820PF J 1608
HC338 HCBK102KBA C CHIP CERA 50V X7R 1000PF K 1608
HC339 HCBK102KBA C CHIP CERA 50V X7R 1000PF K 1608
HC341 HCBK104KBA C CHIP CERA 50V X7R 0.1MF Z 1608
HC501 HCBK104KBA C CHIP CERA 50V X7R 0.1MF Z 1608
HC502 HCQK200JBA C CHIP CERA 50V CH 20PF J 1608
HC503 HCQK200JBA C CHIP CERA 50V CH 20PF J 1608
HC504 HCBK104KBA C CHIP CERA 50V X7R 0.1MF Z 1608
HC505 HCBK104KBA C CHIP CERA 50V X7R 0.1MF Z 1608
HC506 HCBK104KBA C CHIP CERA 50V X7R 0.1MF Z 1608
HC507 HCBK104KBA C CHIP CERA 50V X7R 0.1MF Z 1608
HC508 HCBK104KBA C CHIP CERA 50V X7R 0.1MF Z 1608
Page 7

Loc. Part Code Part Name Description Remark
HC509 HCBK104KBA C CHIP CERA 50V X7R 0.1MF Z 1608
HC510 HCBK104KBA C CHIP CERA 50V X7R 0.1MF Z 1608
HC511 HCBK104KBA C CHIP CERA 50V X7R 0.1MF Z 1608
HC512 HCBK104KBA C CHIP CERA 50V X7R 0.1MF Z 1608
HC513 HCBK104KBA C CHIP CERA 50V X7R 0.1MF Z 1608
HC514 HCBK104KBA C CHIP CERA 50V X7R 0.1MF Z 1608
HC515 HCBK104KBA C CHIP CERA 50V X7R 0.1MF Z 1608
HC516 HCBK104KBA C CHIP CERA 50V X7R 0.1MF Z 1608
HC517 HCBK104KBA C CHIP CERA 50V X7R 0.1MF Z 1608
HC518 HCBK104KBA C CHIP CERA 50V X7R 0.1MF Z 1608
HC519 HCBK104KBA C CHIP CERA 50V X7R 0.1MF Z 1608
HC520 HCBK104KBA C CHIP CERA 50V X7R 0.1MF Z 1608
HC521 HCBK104KBA C CHIP CERA 50V X7R 0.1MF Z 1608
HC522 HCBK104KBA C CHIP CERA 50V X7R 0.1MF Z 1608
HC523 HCBK104KBA C CHIP CERA 50V X7R 0.1MF Z 1608
HC524 HCBK104KBA C CHIP CERA 50V X7R 0.1MF Z 1608
HC526 HCBK104KBA C CHIP CERA 50V X7R 0.1MF Z 1608
HC527 HCBK104KBA C CHIP CERA 50V X7R 0.1MF Z 1608
HC528 HCBK272KBA C CHIP CERA 50V X7R 2700PF K 1608
HC529 HCBK104KBA C CHIP CERA 50V X7R 0.1MF Z 1608
HC530 HCQK330JBA C CHIP CERA 50V CH 33PF J 1608
HC531 HCQK330JBA C CHIP CERA 50V CH 33PF J 1608
HC532 HCQK330JBA C CHIP CERA 50V CH 33PF J 1608
HC533 HCBK153KBA C CHIP CERA 50V X7R 0.015MF M 1608
HC534 HCBK104KBA C CHIP CERA 50V X7R 0.1MF Z 1608
HC535 HCQK561JBA C CHIP CERA 50V CH 560PF J 1608
HC536 HCBK153KBA C CHIP CERA 50V X7R 0.015MF M 1608
HC537 HCQK561JBA C CHIP CERA 50V CH 560PF J 1608
HC538 HCBK153KBA C CHIP CERA 50V X7R 0.015MF M 1608
HC539 HCBK104KBA C CHIP CERA 50V X7R 0.1MF Z 1608
HC540 HCBK104KBA C CHIP CERA 50V X7R 0.1MF Z 1608
HC541 HCBK104KBA C CHIP CERA 50V X7R 0.1MF Z 1608
HC542 HCBK104KBA C CHIP CERA 50V X7R 0.1MF Z 1608
HC543 HCBK104KBA C CHIP CERA 50V X7R 0.1MF Z 1608
HC544 HCQK470JBA C CHIP CERA 50V CH 47PF J 1608
HC545 HCBK104KBA C CHIP CERA 50V X7R 0.1MF Z 1608
HC546 HCQK561JBA C CHIP CERA 50V CH 560PF J 1608
HC547 HCBK473KBA C CHIP CERA 50V X7R 0.047MF M 1608
HC550 HCBK682KBA C CHIP CERA 50V X7R 6800PF K 1608
HC552 HCBK472KBA C CHIP CERA 50V X7R 4700PF K 1608
HC555 HCBK472KBA C CHIP CERA 50V X7R 4700PF K 1608
HC556 HCBK104KBA C CHIP CERA 50V X7R 0.1MF Z 1608
HC557 HCBK105KBA C CHIP CERA 50V X7R 1MF K 1608
HC558 HCBK105KBA C CHIP CERA 50V X7R 1MF K 1608
HC559 HCBK104KBA C CHIP CERA 50V X7R 0.1MF Z 1608
HC560 HCBK105KBA C CHIP CERA 50V X7R 1MF K 1608
HC561 HCBK102KBA C CHIP CERA 50V X7R 1000PF K 1608
HC562 HCBK102KBA C CHIP CERA 50V X7R 1000PF K 1608
HC563 HCBK102KBA C CHIP CERA 50V X7R 1000PF K 1608
HC564 HCBK102KBA C CHIP CERA 50V X7R 1000PF K 1608
HC565 HCBK104KBA C CHIP CERA 50V X7R 0.1MF Z 1608
HC566 HCBK104KBA C CHIP CERA 50V X7R 0.1MF Z 1608
HC567 HCBK104KBA C CHIP CERA 50V X7R 0.1MF Z 1608
HC568 HCBK104KBA C CHIP CERA 50V X7R 0.1MF Z 1608
HC569 HCBK104KBA C CHIP CERA 50V X7R 0.1MF Z 1608
HC570 HCBK104KBA C CHIP CERA 50V X7R 0.1MF Z 1608
HC571 HCBK104KBA C CHIP CERA 50V X7R 0.1MF Z 1608
HC572 HCBK104KBA C CHIP CERA 50V X7R 0.1MF Z 1608
HC573 HCBK104KBA C CHIP CERA 50V X7R 0.1MF Z 1608
HC574 HCQK471JBA C CHIP CERA 50V CH 470PF J 1608
HC575 HRFT000-BA R CHIP 1/10 0 OHM 1608
HC576 HCQK471JBA C CHIP CERA 50V CH 470PF J 1608
HC577 HCBK104KBA C CHIP CERA 50V X7R 0.1MF Z 1608
Page 8

Loc. Part Code Part Name Description Remark
HC578 HCBK104KBA C CHIP CERA 50V X7R 0.1MF Z 1608
HC579 HCBK104KBA C CHIP CERA 50V X7R 0.1MF Z 1608
HC580 HCQK471JBA C CHIP CERA 50V CH 470PF J 1608
HC581 HCQK471JBA C CHIP CERA 50V CH 470PF J 1608
HC582 HCQK471JBA C CHIP CERA 50V CH 470PF J 1608
HC583 HCQK471JBA C CHIP CERA 50V CH 470PF J 1608
HC584 HCQK471JBA C CHIP CERA 50V CH 470PF J 1608
HC585 HCQK471JBA C CHIP CERA 50V CH 470PF J 1608
HD301 DZDS160--- DIODE SW CHIP KDS160
HD302 DZDS160--- DIODE SW CHIP KDS160
HD303 DZDS160--- DIODE SW CHIP KDS160
HD304 DZDS160--- DIODE SW CHIP KDS160
HD305 DZDS160--- DIODE SW CHIP KDS160
HD501 D1SR156--- DIODE RECTIFER 1SR156 4526 50V 1A
HD502 DZDS160--- DIODE SW CHIP KDS160
HL301 HLC104J01A COIL CHIP 120 OHM 100MHZ 2012
HL303 HLC104J01A COIL CHIP 120 OHM 100MHZ 2012
HL304 HLC399J03A CHIP COIL 3.9UH
HL305 HLC399J03A CHIP COIL 3.9UH
HL501 HLC104J01A COIL CHIP 120 OHM 100MHZ 2012
HL502 HLC104J01A COIL CHIP 120 OHM 100MHZ 2012
HL503 HLC104J01A COIL CHIP 120 OHM 100MHZ 2012
HL504 HLC104J01A COIL CHIP 120 OHM 100MHZ 2012
HL505 HLC104J01A COIL CHIP 120 OHM 100MHZ 2012
HL506 HLC104J01A COIL CHIP 120 OHM 100MHZ 2012
HL507 HLC104J01A COIL CHIP 120 OHM 100MHZ 2012
HL508 HLC104J01A COIL CHIP 120 OHM 100MHZ 2012
HL509 HLC229J02A COIL CHIP 2.2UH CHIP 1608
HL510 HLC229J02A COIL CHIP 2.2UH CHIP 1608
HL511 HLC229J02A COIL CHIP 2.2UH CHIP 1608
HL512 HLC229J02A COIL CHIP 2.2UH CHIP 1608
HL513 ?
HL514 ?
HQ301 T2SB1132T1 TR CHIP TR,2SB1132,SOT89EBC
HQ302 T2SB1132T1 TR CHIP TR,2SB1132,SOT89EBC
HQ303 TZRC111S-- TR CHIP KRC111S
HQ304 T2SK2731T1 FET CHIP TR, 2SK2731(30V,0.1A),FET
HQ305 T2SK2731T1 FET CHIP TR, 2SK2731(30V,0.1A),FET
HQ306 TZRC111S-- TR CHIP KRC111S
HQ501 TZRC107S-- TR CHIP KRC107S
HR301 HRFT122JBA R CHIP 1/10 1.2K OHM J 1608
HR302 HRFT122JBA R CHIP 1/10 1.2K OHM J 1608
HR304 HRFT123FBA R CHIP 1/10W 12K OHM F 1608
HR306 HRFT333JBA R CHIP 1/10 33K OHM J 1608
HR307 HRFT473JBA R CHIP 1/10 47K OHM J 1608
HR308 HRFT123JBA R CHIP 1/10 12K OHM J 1608
HR309 HRFT330JBA R CHIP 1/10 33 OHM J 1608
HR310 HRFT102JBA R CHIP 1/10 1K OHM J 1608
HR311 HRFT332JBA R CHIP 1/10 3.3K OHM J 1608
HR312 HRF2109JEA R CHIP 1/2W 1 OHM J 3216
HR313 HRF2109JEA R CHIP 1/2W 1 OHM J 3216
HR314 HRF2109JEA R CHIP 1/2W 1 OHM J 3216
HR315 HRF2109JEA R CHIP 1/2W 1 OHM J 3216
HR317 HRFT473JBA R CHIP 1/10 47K OHM J 1608
HR318 HRFT333JBA R CHIP 1/10 33K OHM J 1608
HR319 HRFT223JBA R CHIP 1/10 22K OHM J 1608
HR321 HRFT102JBA R CHIP 1/10 1K OHM J 1608
HR322 HRFT000-BA R CHIP 1/10 0 OHM 1608
HR324 HRFT472JBA R CHIP 1/10 4.7K OHM J 1608
HR325 HRFT152JBA R CHIP 1/10 1.5K OHM J 1608
HR326 HRFT223JBA R CHIP 1/10 22K OHM J 1608
HR327 HRFT103JBA R CHIP 1/10 10K OHM J 1608
HR328 HRFT223JBA R CHIP 1/10 22K OHM J 1608
Page 9

Loc. Part Code Part Name Description Remark
HR329 HRFT103JBA R CHIP 1/10 10K OHM J 1608
HR330 HRFT152JBA R CHIP 1/10 1.5K OHM J 1608
HR331 HRFT105JBA R CHIP 1/10 1M OHM J 1608
HR340 HRFT102JBA R CHIP 1/10 1K OHM J 1608
HR341 HRFT512JBA R CHIP 1/10 5.1K OHM J 1608
HR342 HRFT100JBA R CHIP 1/10 10 OHM J 1608
HR343 HRFT100JBA R CHIP 1/10 10 OHM J 1608
HR344 HRFT103JBA R CHIP 1/10 10K OHM J 1608
HR345 HRFT332JBA R CHIP 1/10 3.3K OHM J 1608
HR346 HRFT104JBA R CHIP 1/10 100K OHM J 1608
HR347 HRFT104JBA R CHIP 1/10 100K OHM J 1608
HR349 HRFT000-BA R CHIP 1/10 0 OHM 1608
HR350 HRFT104JBA R CHIP 1/10 100K OHM J 1608
HR351 HRFT000-BA R CHIP 1/10 0 OHM 1608
HR501 HRFT104JBA R CHIP 1/10 100K OHM J 1608
HR502 HRFT471JBA R CHIP 1/10 470 OHM J 1608
HR503 HRFT271JBA R CHIP 1/10 270 OHM J 1608
HR504 HRFT330JBA R CHIP 1/10 33 OHM J 1608
HR505 HRFT000-BA R CHIP 1/10 0 OHM 1608
HR506 HRFT000-BA R CHIP 1/10 0 OHM 1608
HR510 HRFT000-BA R CHIP 1/10 0 OHM 1608
HR511 HRFT331JBA R CHIP 1/10 330 OHM J 1608
HR512 HRFT102JBA R CHIP 1/10 1K OHM J 1608
HR513 HRFT102JBA R CHIP 1/10 1K OHM J 1608
HR514 HRFT330JBA R CHIP 1/10 33 OHM J 1608
HR515 HRFT330JBA R CHIP 1/10 33 OHM J 1608
HR516 HRFT330JBA R CHIP 1/10 33 OHM J 1608
HR517 HRFT682JBA R CHIP 1/10 6.8K OHM J 1608
HR518 HRFT682JBA R CHIP 1/10 6.8K OHM J 1608
HR519 HRFT512JBA R CHIP 1/10 5.1K OHM J 1608
HR521 HRFT682JBA R CHIP 1/10 6.8K OHM J 1608
HR522 HRFT682JBA R CHIP 1/10 6.8K OHM J 1608
HR523 HRFT682JBA R CHIP 1/10 6.8K OHM J 1608
HR524 HRFT223JBA R CHIP 1/10 22K OHM J 1608
HR525 HRFT512JBA R CHIP 1/10 5.1K OHM J 1608
HR526 HRFT103JBA R CHIP 1/10 10K OHM J 1608
HR527 HRFT122JBA R CHIP 1/10 1.2K OHM J 1608
HR529 HRFT203JBA R CHIP 1/10 20K OHM J 1608
HR530 HRFT683JBA R CHIP 1/10 68K OHM J 1608
HR531 HRFT000-BA R CHIP 1/10 0 OHM J 1608
HR533 HRFT272JBA R CHIP 1/10 2.7K OHM J 1608
HR534 HRFT333JBA R CHIP 1/10 33K OHM J 1608
HR535 HRFT103JBA R CHIP 1/10 10K OHM J 1608
HR537 HRFT330JBA R CHIP 1/10 33 OHM J 1608
HR538 HRFT330JBA R CHIP 1/10 33 OHM J 1608
HR539 HRFT331JBA R CHIP 1/10 330 OHM J 1608
HR540 HRFT472JBA R CHIP 1/10 4.7K OHM J 1608
HR542 HRFT472JBA R CHIP 1/10 4.7K OHM J 1608
HR544 HRFT472JBA R CHIP 1/10 4.7K OHM J 1608
HR546 HRFT472JBA R CHIP 1/10 4.7K OHM J 1608
HR548 HRFT181JBA R CHIP 1/10 180 OHM J 1608
HR551 HRFT101FCA R CHIP 1/10 100 OHM J 2012
HR552 HRFT131FCA R CHIP 1/10W 130 OHM 2012
HR553 HRFT472JBA R CHIP 1/10 4.7K OHM J 1608
HR554 HRFT181JBA R CHIP 1/10 180 OHM J 1608
HR555 HRFT750JBA R CHIP 1/10 75 OHM J 1608
HR556 HRFT102JBA R CHIP 1/10 1K OHM J 1608
HR557 HRFT102JBA R CHIP 1/10 1K OHM J 1608
HR558 HRFT750JBA R CHIP 1/10 75 OHM J 1608
HR559 HRFT750JBA R CHIP 1/10 75 OHM J 1608
HR562 HRFT750JBA R CHIP 1/10 75 OHM J 1608
HR563 HRFT271JBA R CHIP 1/10 270 OHM J 1608
IC301 1ES6603S-- IC RF RFAMP IC, ES6603S
Page 10

Loc. Part Code Part Name Description Remark
IC302 1FAN8024CD IC IC,MOTOR DRIVER
IC303 1BA6287F-- IC BA6287F DRIVER
IC304 1TL3472CD- IC OPAMP,TL3472
IC501 1ES6698FD- IC MPEG  IC, MPEG DECODER ES6698FD
IC502 1L128168A- IC SDRAM M12L 128168A SDRAM(128M)
IC503 1M29W160EB IC FLASH M29W160DB FLASH(16M)
IC504 1M24C04MN- IC M24C04MN SOP
IC505 1LD1117A33 IC REGULATOR LD1117ADT33 DPAK
IC506 1LD1117A-R IC REGULATOR LD1117ADT-R DPAK
IC510 174HC374NS IC SN74HC374NSR SOP
IC511 174HC374NS IC SN74HC374NSR SOP
XC501 5XJ27M000E X-TAL 27MHZ 10 OHM 20PPM
Loc. Part Code Part Name Description Remark
B401 9CD6596700 PCB INOUT
CE401 CEXF1E470V C ELECTRO 25V RSS 47MF (5X11)
CE402 CEXF1H339V C ELECTRO 50V RSS 3.3MF (5X11)
CE403 CEXF1H339V C ELECTRO 50V RSS 3.3MF (5X11)
CE404 CEXF1E470V C ELECTRO 25V RSS 47MF (5X11)
CE421 CEXF1H339V C ELECTRO 50V RSS 3.3MF (5X11)
CE422 CEXF1H339V C ELECTRO 50V RSS 3.3MF (5X11)
CE423 CEXF1H339V C ELECTRO 50V RSS 3.3MF (5X11)
CE424 CEXF1H339V C ELECTRO 50V RSS 3.3MF (5X11)
CE425 CEXF1E470V C ELECTRO 25V RSS 47MF (5X11)
CE426 CEXF1E470V C ELECTRO 25V RSS 47MF (5X11)
CE441 CEXF1E470V C ELECTRO 25V RSS 47MF (5X11)
CE442 CEXF1H339V C ELECTRO 50V RSS 3.3MF (5X11)
CE443 CEXF1H339V C ELECTRO 50V RSS 3.3MF (5X11)
CE444 CEXF1H339V C ELECTRO 50V RSS 3.3MF (5X11)
CE445 CEXF1H339V C ELECTRO 50V RSS 3.3MF (5X11)
CE446 CEXF1E470V C ELECTRO 25V RSS 47MF (5X11)
CE455 CEXF1E221V C ELECTRO 25V RSS 220MF (8X12)
CE456 CEXF1E221V C ELECTRO 25V RSS 220MF (8X12)
CE457 CEXF1E221V C ELECTRO 25V RSS 220MF (8X12)
CE458 CEXF1E221V C ELECTRO 25V RSS 220MF (8X12)
CE459 CEXF1E221V C ELECTRO 25V RSS 220MF (8X12)
CE460 CEXF1E220V C ELECTRO 25V RSS 22MF (5X11)
CE461 CEXF1E220V C ELECTRO 25V RSS 22MF (5X11)
CE462 CEXF1E220V C ELECTRO 25V RSS 22MF (5X11)
CE481 CEXF1C102V C ELECTRO 16V RSS 1000MF (10X17)
CE482 CEXF1E221V C ELECTRO 25V RSS 220MF (8X12)
CE483 CEXF1E221V C ELECTRO 25V RSS 220MF (8X12)
CE484 CEXF1E221V C ELECTRO 25V RSS 220MF (8X12)
CE485 CEXF1E221V C ELECTRO 25V RSS 220MF (8X12)
CE491 CEXF1E470V C ELECTRO 25V RSS 47MF (5X11)
CN101 9728828400 CONN AS FFC 13P P=1.25X220MM R
CN401 9736408500 CONN PIN CNSMH200-34
CW401 9CD6264500 CONN WAFER 52045-1345
HC401 HCQK101JBA C CHIP CERA 50V CH 100PF J 1608
HC402 HCQK101JBA C CHIP CERA 50V CH 100PF J 1608
HC403 HCQK101JBA C CHIP CERA 50V CH 100PF J 1608
HC404 HCQK101JBA C CHIP CERA 50V CH 100PF J 1608
HC405 HCQK221JBA C CHIP CERA 50V CH 220PF J 1608
HC406 HCQK221JBA C CHIP CERA 50V CH 220PF J 1608
HC407 HCQK101JBA C CHIP CERA 50V CH 100PF J 1608
HC408 HCQK101JBA C CHIP CERA 50V CH 100PF J 1608
HC421 HCBK392KBA C CHIP CERA 50V X7R 3900PF K 1608
HC422 HCBK392KBA C CHIP CERA 50V X7R 3900PF K 1608
HC441 HCBK392KBA C CHIP CERA 50V X7R 3900PF K 1608
HC442 HCBK392KBA C CHIP CERA 50V X7R 3900PF K 1608
HC443 HCQK101JBA C CHIP CERA 50V CH 100PF J 1608
PCB INOUT Ass'y [9CDC075000] : RD400 INOUT
Page 11

Loc. Part Code Part Name Description Remark
HC455 HCQK101JBA C CHIP CERA 50V CH 100PF J 1608
HC456 HCBK104KBA C CHIP CERA 50V X7R 0.1MF Z 1608
HC457 HCBK104KBA C CHIP CERA 50V X7R 0.1MF Z 1608
HC458 HCQK101JBA C CHIP CERA 50V CH 100PF J 1608
HC459 HCQK101JBA C CHIP CERA 50V CH 100PF J 1608
HC461 HCQK101JBA C CHIP CERA 50V CH 100PF J 1608
HC462 HCQK101JBA C CHIP CERA 50V CH 100PF J 1608
HC481 HCBK104KBA C CHIP CERA 50V X7R 0.1MF Z 1608
HC482 HCQK101JBA C CHIP CERA 50V CH 100PF J 1608
HC483 HCQK101JBA C CHIP CERA 50V CH 100PF J 1608
HC484 HCQK101JBA C CHIP CERA 50V CH 100PF J 1608
HC491 HCBK104KBA C CHIP CERA 50V X7R 0.1MF Z 1608
HC494 HCQK101JBA C CHIP CERA 50V CH 100PF J 1608
HC495 HCQK220JBA C CHIP CERA 50V CH 22PF J 1608
HC496 HCBK104KBA C CHIP CERA 50V X7R 0.1MF Z 1608
HQ441 TZRA107S-- TR CHIP KRA107S
HQ442 TZRA107S-- TR CHIP KRA107S
HQ443 TZRC107S-- TR CHIP KRC107S
HQ444 TZRC107S-- TR CHIP KRC107S
HQ455 TZTC3875S- TR CHIP KTC3875Y
HQ456 TZTC3875S- TR CHIP KTC3875Y
HQ457 TZTC3875S- TR CHIP KTC3875Y
HQ458 TZTC3875S- TR CHIP KTC3875Y
HQ459 TZTC3875S- TR CHIP KTC3875Y
HQ481 TZTC3875S- TR CHIP KTC3875Y
HQ482 TZTC3875S- TR CHIP KTC3875Y
HR401 HRFT332JBA R CHIP 1/10 3.3K OHM J 1608
HR402 HRFT332JBA R CHIP 1/10 3.3K OHM J 1608
HR403 HRFT223JBA R CHIP 1/10 22K OHM J 1608
HR404 HRFT183JBA R CHIP 1/10 18K OHM J 1608
HR405 HRFT223JBA R CHIP 1/10 22K OHM J 1608
HR406 HRFT183JBA R CHIP 1/10 18K OHM J 1608
HR407 HRFT223JBA R CHIP 1/10 22K OHM J 1608
HR408 HRFT223JBA R CHIP 1/10 22K OHM J 1608
HR409 HRFT223JBA R CHIP 1/10 22K OHM J 1608
HR410 HRFT223JBA R CHIP 1/10 22K OHM J 1608
HR411 HRFT332JBA R CHIP 1/10 3.3K OHM J 1608
HR412 HRFT102JBA R CHIP 1/10 1K OHM J 1608
HR413 HRFT102JBA R CHIP 1/10 1K OHM J 1608
HR414 HRFT332JBA R CHIP 1/10 3.3K OHM J 1608
HR415 HRFT102JBA R CHIP 1/10 1K OHM J 1608
HR416 HRFT102JBA R CHIP 1/10 1K OHM J 1608
HR421 HRFT563JBA R CHIP 1/10 56K OHM J 1608
HR422 HRFT563JBA R CHIP 1/10 56K OHM J 1608
HR423 HRFT102JBA R CHIP 1/10 1K OHM J 1608
HR424 HRFT102JBA R CHIP 1/10 1K OHM J 1608
HR425 HRFT152JBA R CHIP 1/10 1.5K OHM J 1608
HR426 HRFT152JBA R CHIP 1/10 1.5K OHM J 1608
HR427 HRFT101FBA R CHIP 1/10W 100 OHM 1608
HR428 HRFT101FBA R CHIP 1/10W 100 OHM 1608
HR441 HRFT101FBA R CHIP 1/10W 100 OHM 1608
HR442 HRFT152JBA R CHIP 1/10 1.5K OHM J 1608
HR443 HRFT471JBA R CHIP 1/10 470 OHM J 1608
HR444 HRFT223JBA R CHIP 1/10 22K OHM J 1608
HR445 HRFT223JBA R CHIP 1/10 22K OHM J 1608
HR446 HRFT152JBA R CHIP 1/10 1.5K OHM J 1608
HR447 HRFT471JBA R CHIP 1/10 470 OHM J 1608
HR449 HRFT222JBA R CHIP 1/10 2.2K OHM J 1608
HR450 HRFT104JBA R CHIP 1/10 100K OHM J 1608
HR451 HRFT101FBA R CHIP 1/10W 100 OHM 1608
HR455 HRFT750JBA R CHIP 1/10 75 OHM J 1608
HR456 HRFT104JBA R CHIP 1/10 100K OHM J 1608
HR457 HRFT391JBA R CHIP 1/10 390 OHM J 1608
Page 12

Loc. Part Code Part Name Description Remark
HR458 HRFT473JBA R CHIP 1/10 47K OHM J 1608
HR459 HRFT104JBA R CHIP 1/10 100K OHM J 1608
HR460 HRFT750JBA R CHIP 1/10 75 OHM J 1608
HR461 HRFT104JBA R CHIP 1/10 100K OHM J 1608
HR462 HRFT391JBA R CHIP 1/10 390 OHM J 1608
HR463 HRFT473JBA R CHIP 1/10 47K OHM J 1608
HR464 HRFT750JBA R CHIP 1/10 75 OHM J 1608
HR465 HRFT104JBA R CHIP 1/10 100K OHM J 1608
HR466 HRFT391JBA R CHIP 1/10 390 OHM J 1608
HR467 HRFT473JBA R CHIP 1/10 47K OHM J 1608
HR468 HRFT750JBA R CHIP 1/10 75 OHM J 1608
HR469 HRFT104JBA R CHIP 1/10 100K OHM J 1608
HR470 HRFT391JBA R CHIP 1/10 390 OHM J 1608
HR471 HRFT473JBA R CHIP 1/10 47K OHM J 1608
HR472 HRFT750JBA R CHIP 1/10 75 OHM J 1608
HR473 HRFT104JBA R CHIP 1/10 100K OHM J 1608
HR474 HRFT391JBA R CHIP 1/10 390 OHM J 1608
HR475 HRFT473JBA R CHIP 1/10 47K OHM J 1608
HR476 HRFT223JBA R CHIP 1/10 22K OHM J 1608
HR477 HRFT223JBA R CHIP 1/10 22K OHM J 1608
HR478 HRFT223JBA R CHIP 1/10 22K OHM J 1608
HR481 HRFT101FBA R CHIP 1/10W 100 OHM 1608
HR482 HRFT750JBA R CHIP 1/10 75 OHM J 1608
HR483 HRFT750JBA R CHIP 1/10 75 OHM J 1608
HR484 HRFT750JBA R CHIP 1/10 75 OHM J 1608
HR485 HRFT750JBA R CHIP 1/10 75 OHM J 1608
HR486 HRFT473JBA R CHIP 1/10 47K OHM J 1608
HR487 HRFT391JBA R CHIP 1/10 390 OHM J 1608
HR488 HRFT391JBA R CHIP 1/10 390 OHM J 1608
HR489 HRFT473JBA R CHIP 1/10 47K OHM J 1608
HR490 HRFT104JBA R CHIP 1/10 100K OHM J 1608
HR498 HRFT221JBA R CHIP 1/10 220 OHM J 1608
IC401 1BU4052BCF IC BU4052
IC421 1NJM4558M- IC CHIP NJM4558M
IC441 1NJM4558M- IC CHIP NJM4558M
IC481 1LA7952--- IC SWITCH LA7952
IC491 EIC740404200 IC IC,INVERTER 74HCU04
J441 9736324801 JACK SCART 21P
J455 9736325200 JACK S-VIDEO C5026030 (S-VIDEO+RCA)
J481 9736327800 JACK RCA RCA-603EA-39
JW401 W581GY1505 WIRE JUMPER AWG22 1/0.65 GY 15 AUTO
JW402 W581GY7595 WIRE JUMPER AWG22 1/0.65 SN 7.5 AUTO
JW403 W581GY7595 WIRE JUMPER AWG22 1/0.65 SN 7.5 AUTO
JW404 W581GY6095 WIRE JUMPER AWG22 1/0.65 SN 6 AUTO
JW405 W581GY7595 WIRE JUMPER AWG22 1/0.65 SN 7.5 AUTO
JW406 W581GY7595 WIRE JUMPER AWG22 1/0.65 SN 7.5 AUTO
JW407 W581GY7595 WIRE JUMPER AWG22 1/0.65 SN 7.5 AUTO
JW408 W581GY7595 WIRE JUMPER AWG22 1/0.65 SN 7.5 AUTO
JW409 W581GY6095 WIRE JUMPER AWG22 1/0.65 SN 6 AUTO
JW410 W581GY6095 WIRE JUMPER AWG22 1/0.65 SN 6 AUTO
JW411 W581GY6095 WIRE JUMPER AWG22 1/0.65 SN 6 AUTO
JW412 W581GY12J5 WIRE JUMPER AWG22 1/0.65 SN 12.5 AUTO
JW413 W581GY12J5 WIRE JUMPER AWG22 1/0.65 SN 12.5 AUTO
JW416 W581GY7595 WIRE JUMPER AWG22 1/0.65 SN 7.5 AUTO
JW417 W581GY7595 WIRE JUMPER AWG22 1/0.65 SN 7.5 AUTO
JW418 W581GY7595 WIRE JUMPER AWG22 1/0.65 SN 7.5 AUTO
JW419 W581GY7595 WIRE JUMPER AWG22 1/0.65 SN 7.5 AUTO
JW420 W581GY7595 WIRE JUMPER AWG22 1/0.65 SN 7.5 AUTO
JW421 W581GY7595 WIRE JUMPER AWG22 1/0.65 SN 7.5 AUTO
JW422 W581GY7595 WIRE JUMPER AWG22 1/0.65 SN 7.5 AUTO
JW423 W581GY6095 WIRE JUMPER AWG22 1/0.65 SN 6 AUTO
JW425 W581GY1505 WIRE JUMPER AWG22 1/0.65 GY 15 AUTO
JW426 W581GY7595 WIRE JUMPER AWG22 1/0.65 SN 7.5 AUTO
Page 13

Loc. Part Code Part Name Description Remark
JW427 W581GY7595 WIRE JUMPER AWG22 1/0.65 SN 7.5 AUTO
JW428 W581GY7595 WIRE JUMPER AWG22 1/0.65 SN 7.5 AUTO
JW429 W581GY7595 WIRE JUMPER AWG22 1/0.65 SN 7.5 AUTO
JW430 W581GY7595 WIRE JUMPER AWG22 1/0.65 SN 7.5 AUTO
JW431 W581GY6095 WIRE JUMPER AWG22 1/0.65 SN 6 AUTO
JW432 W581GY12J5 WIRE JUMPER AWG22 1/0.65 SN 12.5 AUTO
JW433 W581GY12J5 WIRE JUMPER AWG22 1/0.65 SN 12.5 AUTO
JW434 W581GY12J5 WIRE JUMPER AWG22 1/0.65 SN 12.5 AUTO
JW435 W581GY12J5 WIRE JUMPER AWG22 1/0.65 SN 12.5 AUTO
JW436 W581GY1505 WIRE JUMPER AWG22 1/0.65 GY 15 AUTO
JW437 W581GY12J5 WIRE JUMPER AWG22 1/0.65 SN 12.5 AUTO
JW438 W581GY7595 WIRE JUMPER AWG22 1/0.65 SN 7.5 AUTO
JW439 W581GY6095 WIRE JUMPER AWG22 1/0.65 SN 6 AUTO
JW440 W581GY12J5 WIRE JUMPER AWG22 1/0.65 SN 12.5 AUTO
JW441 W581GY1505 WIRE JUMPER AWG22 1/0.65 GY 15 AUTO
JW442 W581GY1505 WIRE JUMPER AWG22 1/0.65 GY 15 AUTO
JW443 W581GY1505 WIRE JUMPER AWG22 1/0.65 GY 15 AUTO
JW444 W581GY1505 WIRE JUMPER AWG22 1/0.65 GY 15 AUTO
JW445 W581GY7595 WIRE JUMPER AWG22 1/0.65 SN 7.5 AUTO
JW446 W581GY12J5 WIRE JUMPER AWG22 1/0.65 SN 12.5 AUTO
JW447 W581GY7595 WIRE JUMPER AWG22 1/0.65 SN 7.5 AUTO
JW448 W581GY1505 WIRE JUMPER AWG22 1/0.65 GY 15 AUTO
JW449 W581GY7595 WIRE JUMPER AWG22 1/0.65 SN 7.5 AUTO
JW450 W581GY7595 WIRE JUMPER AWG22 1/0.65 SN 7.5 AUTO
Loc. Part Code Part Name Description Remark
B701 9CD6596400 PCB FRONT 197X163X1.6T
CE701 CEXF1H339V C ELECTRO 50V RSS 3.3MF (5X11)
CE702 CEXF1H339V C ELECTRO 50V RSS 3.3MF (5X11)
CE703 CEXF1E470V C ELECTRO 25V RSS 47MF (5X11)
CE704 CEXF1E470V C ELECTRO 25V RSS 47MF (5X11)
CE705 CEXF1E470V C ELECTRO 25V RSS 47MF (5X11)
CE706 CEXF1E470V C ELECTRO 25V RSS 47MF (5X11)
CE707 CEXF1E470V C ELECTRO 25V RSS 47MF (5X11)
CE751 CEXF1H339V C ELECTRO 50V RSS 3.3MF (5X11)
CE752 CEXF1E470V C ELECTRO 25V RSS 47MF (5X11)
CE753 CEXF1E470V C ELECTRO 25V RSS 47MF (5X11)
CE754 CEXF1H478V C ELECTRO 50V RSS 0.47MF (5X11) 
CE755 CEXF1H108V C ELECTRO 50V RSS 0.1MF (5X11)
CF701 5P1H101MF- FILTER CERA CFI 06B 1H 101MF
CF702 5P1H101MF- FILTER CERA CFI 06B 1H 101MF
CF703 5P1H101MF- FILTER CERA CFI 06B 1H 101MF
CW701 9736407900 CONN WAFER 52084-1010 10P BOTTOM
CW702 9736407900 CONN WAFER 52084-1010 10P BOTTOM
CW751 9728815800 CONN AS #26 UL2547 SHIELD 3P BOARD-IN 250MM
FL701 DHNV12SS29 VFD HNA-12SS29
HC701 HCQK101JBA C CHIP CERA 50V CH 100PF J 1608
HC702 HCQK101JBA C CHIP CERA 50V CH 100PF J 1608
HC703 HCBK104KBA C CHIP CERA 50V X7R 0.1MF Z 1608
HC704 HCBK104KBA C CHIP CERA 50V X7R 0.1MF Z 1608
HC705 HCBK104KBA C CHIP CERA 50V X7R 0.1MF Z 1608
HC706 HCBK104KBA C CHIP CERA 50V X7R 0.1MF Z 1608
HC707 HCQK101JBA C CHIP CERA 50V CH 100PF J 1608
HC708 HCQK101JBA C CHIP CERA 50V CH 100PF J 1608
HC751 HCQK101JBA C CHIP CERA 50V CH 100PF J 1608
HC752 HCQK471JBA C CHIP CERA 50V CH 470PF J 1608
HC753 HCQK101JBA C CHIP CERA 50V CH 100PF J 1608
HC754 HCBK103KBA C CHIP CERA 50V X7R 0.01MF M 1608
HC755 HCBK103KBA C CHIP CERA 50V X7R 0.01MF M 1608
HC756 HCQK681JBA C CHIP CERA 50V CH 680PF J 1608
HD701 DZDS160--- DIODE SW CHIP KDS160
PCB FRONT Ass'y [9CDC075200] : RD400 FRONT
Page 14

Loc. Part Code Part Name Description Remark
HD702 DZDS160--- DIODE SW CHIP KDS160
HD703 DZDS160--- DIODE SW CHIP KDS160
HD704 DZDS160--- DIODE SW CHIP KDS160
HD705 DZDS160--- DIODE SW CHIP KDS160
HD706 DZDS160--- DIODE SW CHIP KDS160
HD707 DZDS160--- DIODE SW CHIP KDS160
HD751 DZDS160--- DIODE SW CHIP KDS160
HQ701 TZRC231S-- TR CHIP KRC231S
HQ702 TZRC231S-- TR CHIP KRC231S
HQ703 TZRC231S-- TR CHIP KRC231S
HQ704 TZRC231S-- TR CHIP KRC231S
HQ705 TZRC231S-- TR CHIP KRC231S
HQ751 TZTC3875S- TR CHIP KTC3875Y
HQ752 TZTC3875S- TR CHIP KTC3875Y
HR701 HRFT103JBA R CHIP 1/10 10K OHM J 1608
HR702 HRFT100JBA R CHIP 1/10 10 OHM J 1608
HR703 HRFT103JBA R CHIP 1/10 10K OHM J 1608
HR704 HRFT103JBA R CHIP 1/10 10K OHM J 1608
HR705 HRFT562JBA R CHIP 1/10 5.6K OHM J 1608
HR706 HRFT823JBA R CHIP  1/10 82K OHM J 1608
HR707 HRF4221JEA R CHIP 1/4W 220 OHM J 3216
HR708 HRFT103JBA R CHIP 1/10 10K OHM J 1608
HR709 HRFT103JBA R CHIP 1/10 10K OHM J 1608
HR710 HRFT100JBA R CHIP 1/10 10 OHM J 1608
HR711 HRFT103JBA R CHIP 1/10 10K OHM J 1608
HR712 HRF4221JEA R CHIP 1/4W 220 OHM J 3216
HR713 HRF4221JEA R CHIP 1/4W 220 OHM J 3216
HR714 HRFT000-BA R CHIP 1/10 0 OHM 1608
HR715 HRFT000-BA R CHIP 1/10 0 OHM 1608
HR716 HRFT000-BA R CHIP 1/10 0 OHM 1608
HR717 HRFT000-BA R CHIP 1/10 0 OHM 1608
HR718 HRFT103JBA R CHIP 1/10 10K OHM J 1608
HR719 HRFT103JBA R CHIP 1/10 10K OHM J 1608
HR720 HRFT562JBA R CHIP 1/10 5.6K OHM J 1608
HR751 HRFT103JBA R CHIP 1/10 10K OHM J 1608
HR752 HRFT101JBA R CHIP 1/10 100 OHM J 1608
HR753 HRFT101JBA R CHIP 1/10 100 OHM J 1608
HR754 HRFT391JBA R CHIP 1/10 390 OHM J 1608
HR755 HRFT393JBA R CHIP 1/10W 39K OHM J 1608
HR756 HRFT103JBA R CHIP 1/10 10K OHM J 1608
HR757 HRFT153JBA R CHIP 1/10 15K OHM J 1608
HR758 HRFT102JBA R CHIP 1/10 1K OHM J 1608
HR759 HRFT153JBA R CHIP 1/10 15K OHM J 1608
HR760 HRFT104JBA R CHIP 1/10 100K OHM J 1608
HR761 HRFT103JBA R CHIP 1/10 10K OHM J 1608
HR762 HRFT223JBA R CHIP 1/10 22K OHM J 1608
HR763 HRFT182JBA R CHIP 1/10W 1.8K OHM J 1608
HR764 HRFT472JBA R CHIP 1/10 4.7K OHM J 1608
HR765 HRFT561JBA R CHIP 1/10 560 OHM J 1608
HR766 HRFT473JBA R CHIP 1/10 47K OHM J 1608
HR767 HRFT562JBA R CHIP 1/10 5.6K OHM J 1608
HR768 HRFT103JBA R CHIP 1/10 10K OHM J 1608
HR769 HRFT102JBA R CHIP 1/10 1K OHM J 1608
HZ701 DRLZ4R3B-- DIODE ZENER CHIP RLZ4.3B
HZ702 DRLZ4R3B-- DIODE ZENER CHIP RLZ4.3B
IC701 1PT6315--- IC DRIVER PT6315
IC702 1PT8311--- IC PSM PT8311
IC751 1NJM4558M- IC CHIP NJM4558M
J701 9736325300 JACK HTJ-035-18A(H/P)
J751 9736325300 JACK HTJ-035-18A(H/P)
JW701 W581GY1005 WIRE JUMPER AWG22 1/0.65 SN 10 AUTO
JW702 W581GY1005 WIRE JUMPER AWG22 1/0.65 SN 10 AUTO
JW703 W581GY1005 WIRE JUMPER AWG22 1/0.65 SN 10 AUTO
Page 15

Loc. Part Code Part Name Description Remark
JW704 W581GY1505 WIRE JUMPER AWG22 1/0.65 GY 15 AUTO
JW705 W581GY1505 WIRE JUMPER AWG22 1/0.65 GY 15 AUTO
JW706 W581GY1005 WIRE JUMPER AWG22 1/0.65 SN 10 AUTO
JW707 W581GY12J5 WIRE JUMPER AWG22 1/0.65 SN 12.5 AUTO
JW708 W581GY12J5 WIRE JUMPER AWG22 1/0.65 SN 12.5 AUTO
JW709 W581GY1505 WIRE JUMPER AWG22 1/0.65 GY 15 AUTO
JW710 W581GY7595 WIRE JUMPER AWG22 1/0.65 SN 7.5 AUTO
JW711 W581GY6095 WIRE JUMPER AWG22 1/0.65 SN 6 AUTO
JW712 W581GY6095 WIRE JUMPER AWG22 1/0.65 SN 6 AUTO
JW713 W581GY6095 WIRE JUMPER AWG22 1/0.65 SN 6 AUTO
JW714 W581GY6095 WIRE JUMPER AWG22 1/0.65 SN 6 AUTO
JW715 W581GY6095 WIRE JUMPER AWG22 1/0.65 SN 6 AUTO
JW716 W581GY12J5 WIRE JUMPER AWG22 1/0.65 SN 12.5 AUTO
JW717 W581GY12J5 WIRE JUMPER AWG22 1/0.65 SN 12.5 AUTO
JW718 W581GY12J5 WIRE JUMPER AWG22 1/0.65 SN 12.5 AUTO
JW719 W581GY12J5 WIRE JUMPER AWG22 1/0.65 SN 12.5 AUTO
JW720 W581GY1005 WIRE JUMPER AWG22 1/0.65 SN 10 AUTO
JW721 W581GY1005 WIRE JUMPER AWG22 1/0.65 SN 10 AUTO
JW722 W581GY1005 WIRE JUMPER AWG22 1/0.65 SN 10 AUTO
JW724 W581GY1005 WIRE JUMPER AWG22 1/0.65 SN 10 AUTO
JW725 W581GY6095 WIRE JUMPER AWG22 1/0.65 SN 6 AUTO
JW726 W581GY12J5 WIRE JUMPER AWG22 1/0.65 SN 12.5 AUTO
JW727 W581GY1505 WIRE JUMPER AWG22 1/0.65 GY 15 AUTO
JW728 W581GY1505 WIRE JUMPER AWG22 1/0.65 GY 15 AUTO
JW729 W581GY1005 WIRE JUMPER AWG22 1/0.65 SN 10 AUTO
JW730 W581GY1005 WIRE JUMPER AWG22 1/0.65 SN 10 AUTO
JW731 W581GY12J5 WIRE JUMPER AWG22 1/0.65 SN 12.5 AUTO
JW732 W581GY12J5 WIRE JUMPER AWG22 1/0.65 SN 12.5 AUTO
JW733 W581GY12J5 WIRE JUMPER AWG22 1/0.65 SN 12.5 AUTO
JW734 W581GY12J5 WIRE JUMPER AWG22 1/0.65 SN 12.5 AUTO
JW735 W581GY12J5 WIRE JUMPER AWG22 1/0.65 SN 12.5 AUTO
JW736 W581GY12J5 WIRE JUMPER AWG22 1/0.65 SN 12.5 AUTO
JW737 W581GY1005 WIRE JUMPER AWG22 1/0.65 SN 10 AUTO
JW738 W581GY6095 WIRE JUMPER AWG22 1/0.65 SN 6 AUTO
JW739 W581GY1005 WIRE JUMPER AWG22 1/0.65 SN 10 AUTO
JW740 W581GY7595 WIRE JUMPER AWG22 1/0.65 SN 7.5 AUTO
JW741 W581GY12J5 WIRE JUMPER AWG22 1/0.65 SN 12.5 AUTO
JW742 W581GY7595 WIRE JUMPER AWG22 1/0.65 SN 7.5 AUTO
JW743 W581GY12J5 WIRE JUMPER AWG22 1/0.65 SN 12.5 AUTO
JW744 W581GY12J5 WIRE JUMPER AWG22 1/0.65 SN 12.5 AUTO
JW745 W581GY12J5 WIRE JUMPER AWG22 1/0.65 SN 12.5 AUTO
JW746 W581GY12J5 WIRE JUMPER AWG22 1/0.65 SN 12.5 AUTO
JW747 W581GY12J5 WIRE JUMPER AWG22 1/0.65 SN 12.5 AUTO
JW748 W581GY1005 WIRE JUMPER AWG22 1/0.65 SN 10 AUTO
JW750 W581GY1005 WIRE JUMPER AWG22 1/0.65 SN 10 AUTO
JW751 W581GY12J5 WIRE JUMPER AWG22 1/0.65 SN 12.5 AUTO
JW752 W581GY6095 WIRE JUMPER AWG22 1/0.65 SN 6 AUTO
JW753 W581GY6095 WIRE JUMPER AWG22 1/0.65 SN 6 AUTO
JW754 W581GY6095 WIRE JUMPER AWG22 1/0.65 SN 6 AUTO
JW755 W581GY6095 WIRE JUMPER AWG22 1/0.65 SN 6 AUTO
JW757 W581GY6095 WIRE JUMPER AWG22 1/0.65 SN 6 AUTO
LD701 DSLR332VC3F LED SLR332VC3F(RED)PI3
LD702 DLBH4155-- LED LBH4155(BL) OVAL PI4.3
LD703 DLBH4155-- LED LBH4155(BL) OVAL PI4.3
RM701 1354HF7--- IC PRE AMP 354HF7
SW702 5S50101001 SW TACT KPT-1105A IC-1P
SW703 5S50101001 SW TACT KPT-1105A IC-1P
SW704 5S50101001 SW TACT KPT-1105A IC-1P
SW705 5S50101001 SW TACT KPT-1105A IC-1P
SW706 5S50101001 SW TACT KPT-1105A IC-1P
SW707 5S50101001 SW TACT KPT-1105A IC-1P
SW708 5S50101001 SW TACT KPT-1105A IC-1P
VR701 5SH122403- SW ENCODER EC12E24204 24P W/DETENT
Page 16

Loc. Part Code Part Name Description Remark
VR751 5V1503730B VR ROTARY XV09211NPV20F1B50K
XC701 ZTB455ET3C RESONATOR CERA 455KHz
Loc. Part Code Part Name Description Remark
B951 9CD6596800 PCB POWER
CD951 9736910800 AC CORD LY-21 1800MM H03VVH2-F 2*0.75
CE951 CEXF1C102V C ELECTRO 16V RSS 1000MF (10X17)
CN951 9736407600 CONN PIN 53095-1310 13PIN BASE
CW981 9728808400 CONN WAFER VH-2A WAFER
D951 DIN4001--- DIODE IN4001
D952 DIN4001--- DIODE IN4001
D953 DIN4001--- DIODE IN4001
D954 DIN4001--- DIODE IN4001
F951 5FSGB2522L FUSE GLASS TUBE VDE TL 2.5A 250V MF51
F953 5FSGB6312L FUSE GLASS TUBE VDE TL 630MA 250V MF51
FC951 9734600700 CLIP FUSE FC-5N
FC952 9734600700 CLIP FUSE FC-5N
FC953 9734600700 CLIP FUSE FC-5N
FC954 9734600700 CLIP FUSE FC-5N
HC951 HCBK104KBA C CHIP CERA 50V X7R 0.1MF Z 1608
HD955 DZDS160--- DIODE SW CHIP KDS160
HQ951 TZTC3875S- TR CHIP KTC3875Y
HR951 HRFT103JBA R CHIP 1/10 10K OHM J 1608
HR952 HRFT103JBA R CHIP 1/10 10K OHM J 1608
HR953 HRFT101FCA R CHIP 1/10 100 OHM J 2012
IC951 1KIA78L05B IC REGULATOR KIA78L05BP
JW951 W581GY1505 WIRE JUMPER AWG22 1/0.65 SN 15 AUTO
JW957 W581GY1005 WIRE JUMPER AWG22 1/0.65 SN 10 AUTO
JW958 W581GY17J5 WIRE JUMPER AWG22 1/0.65 GY 17.5 AUTO
PT951 5TP8028875 TRANS POWER EI=28X12 230V 50HZ
PT952 5TP8066941 TRANS POWER 230V/50Hz
RF951 RF01F4780J-32 R FUSEABLE 1W 0.47 OHM (32倍)
RF952 RF01F4780J-32 R FUSEABLE 1W 0.47 OHM (32倍)
RF953 RF01F4780J-32 R FUSEABLE 1W 0.47 OHM (32倍)
RF954 RF01F4780J-32 R FUSEABLE 1W 0.47 OHM (32倍)
RY951 5SC2001A01 SW RELAY SDT-S-105LMR
Loc. Part Code Part Name Description Remark
10 9CDM053400 REMOCON AM-43D
Loc. Part Code Part Name Description Remark
10 97C8527700 SPEAKER SYSTEM MS-400UD
SPEAKER Ass'y [9CDM056400] : MS-400UD
PCB POWER Ass'y [9CDC075100] : RD400 POWER
REMOCON  Ass'y [9CDM053400] : AM-43D
Page 17