Daewoo Precision RK950NAT Remote Keyless Entry System (Transmitter) User Manual DPI Instruction Manual

Daewoo Precision Industries Ltd Remote Keyless Entry System (Transmitter) DPI Instruction Manual

Users Manual

       DPI Remote Keyless Entry System  TECHNICAL SPECIFICATION  ORIGINATING  CENTER:  DPI  TECHNICAL CENTER FILENAME:   RKE_RECEIVER.doc   REVISION NO.:  A0   DATE:    10 / Nov / 2003       BAN DONG HOON                                                                                                        THCHNICAL CENTER:     Phone:   082 - (0)51 – 509 – 2287   Fax:   082 - (0)51 – 508 - 3994
                                                                          R&D / Automotive Electronics Title  Remote Keyless Entry System Specification  Spec. No.  DPE-AE-RK019912S Written by   Ban Dong Hoon  Rev. No.   A0 Date 10th . Nov. 2003  Page  2 / 25  TABLE OF CONTENTS 1. INTRODUCTION...............................................................................................................4 1.1 REMOTE KEYLESS ENTRY FUNCTION ........................................................................4 1.2 ANTI-THEFT FUNCTION ..................................................................................................4 2. System Description..............................................................................................................5 3. RKE FUNCTION................................................................................................................7 3.1 DOOR LOCK / UNLOCK USING TRANSMITTER..........................................................7 3.1.1 TRANSMITTER LOCK / UNLOCK ...................................................................................7 3.1.2 TRANSMITTER DOOR / TRUNK......................................................................................8 3.2 BURGLAR ALARM ............................................................................................................9 3.3 DISARMING BY KEY CYLINDER .................................................................................10 3.4 SAFETY LOCK(AUTO DOOR LOCK AFTER 30SEC)..................................................11 3.5 SECURITY INDICATOR ..................................................................................................11 3.6 DIAGNOSTIC ....................................................................................................................11 3.7 ACTIVE RANGE ...............................................................................................................11 4. SYSTEM CONFIGRATION ...........................................................................................13 4.1 RECEIVER .........................................................................................................................13 4.1.1 FUNCTION.........................................................................................................................13 4.1.2 ELECTRIC SPEC ...............................................................................................................13 4.1.3 METHOD OF CODING TRANSMITTER ........................................................................13 4.2 TRANSMITTER.................................................................................................................14 4.2.1 ELECTRIC SPEC ...............................................................................................................14 4.2.2 DATA FORMATION.........................................................................................................14 4.2.3 TRANSMITTER FUNCTION............................................................................................15 4.2.4 BATTERY ..........................................................................................................................15 4.2.5 LED.....................................................................................................................................16 5. SYSTEM INPUT/OUTPUT CIRCUIT...........................................................................17 5.1.1 SERIAL DATA LINK(NO. A17).......................................................................................17 5.1.2 ELECTRIC OUTPUT.........................................................................................................17 5.1.2.1 HAZARD LAMP (LEFT : A26, RIGHT : A13).................................................................17 5.1.2.2 SECURITY INDICATOR(A19).........................................................................................17 5.1.2.3 LOCK(A10) ........................................................................................................................17 5.1.2.4 UNLOCK(A11)...................................................................................................................17 5.1.2.5 2 STEP UNLOCK (A16, PROVISION).............................................................................18 5.1.2.6 SIREN(A1)..........................................................................................................................18 5.1.2.7 TRUNK RELEASE(A14)...................................................................................................18 5.1.3 ELECTRIC INPUT.............................................................................................................18 5.1.3.1 TRUNK KEY CYLINDER UNLOCK SWITCH INPUT(A4) ..........................................19 5.1.3.2 DDRIVER KEY CYLINDER LOCK SWITCH INPUT(A6) ............................................19 5.1.3.3 PASSENGER KEY Cylinder UNLOCK SWITCH INPUT(A22)......................................19 5.1.3.4 HOOD OPEN SWITCH INPUT(A7) .................................................................................19 5.1.3.5 TRUNK(TAIL GATE) OPEN SWITCH INPUT(A5)........................................................20 5.1.3.6 DOOR OPEN SWITCH INPUT(A8) .................................................................................20 5.1.3.7 IGNITION SWITCH INPUT(A15) ....................................................................................21 5.1.3.8 KEY REMINDER SWITCH INPUT(A18) ........................................................................21 5.1.3.9 DOOR  LOCK  MONITORING  SWITCH  INPUT(A9) ..................................................21 6. SIREN ................................................................................................................................22 6.1.1 ELECTRIC SPECIFICATION ...........................................................................................22 6.1.2 APPEARANCE DRAWING ..............................................................................................22 6.1.3 MEASURING METHOD...................................................................................................23 6.1.4 Internal Oscillating Circuit..................................................................................................23 6.1.5 MECHANICAL CHARACTERISTICS.............................................................................24
                                                                          R&D / Automotive Electronics Title  Remote Keyless Entry System Specification  Spec. No.  DPE-AE-RK019912S Written by   Ban Dong Hoon  Rev. No.   A0 Date 10th . Nov. 2003  Page  3 / 25  6.1.6 Environment Test................................................................................................................24                      Compliance Statement  THIS DEVICE COMPLIES WITH PART 15 OF THE FCC RULES   Operating is subject to the following two conditions; (1) this device may not cause harmful interference, and (2) this device must accept ant interference received, including interference that may cause undesired operation.   CAUTION: Changes or modifications not expressly approved by the part responsible for compliance could void the user’s authority to operate the equipment.
                                                                          R&D / Automotive Electronics Title  Remote Keyless Entry System Specification  Spec. No.  DPE-AE-RK019912S Written by   Ban Dong Hoon  Rev. No.   A0 Date 10th . Nov. 2003  Page  4 / 25    1.   INTRODUCTION  This document is the technical specification of the remote keyless entry (RKE) System for the car consisting of DPI (Daewoo Precision Industries,. LTD) receiver (RX),  DPI transmitter (TX) and siren.  The purpose of the DPI RKE system is to provide the remote control function and the anti-theft function in which it is installed and to prevent it from being driven by unauthorized users. The verification of the user authorization is done by using a remote control operation with the security code.  The diagnosis of the RKE is realized by the ALDL-function modes. They are realized by the ALDL test equipment. To avoid manipulation of the usage of the test equipment, especially the use of the key coding procedure has to be protected against unauthorized use.    1.1    REMOTE KEYLESS ENTRY FUNCTION  remote keyless entry occur the follow function. a.  remote door lock / unlock  b.  remote trunk Release c. vehicle locator d. dream-net communication   1.2   ANTI-THEFT FUNCTION  anti theft alarm system occurs the follow function. a. burglar alarm b.  display the ATAS status using security indicator. c. safety lock
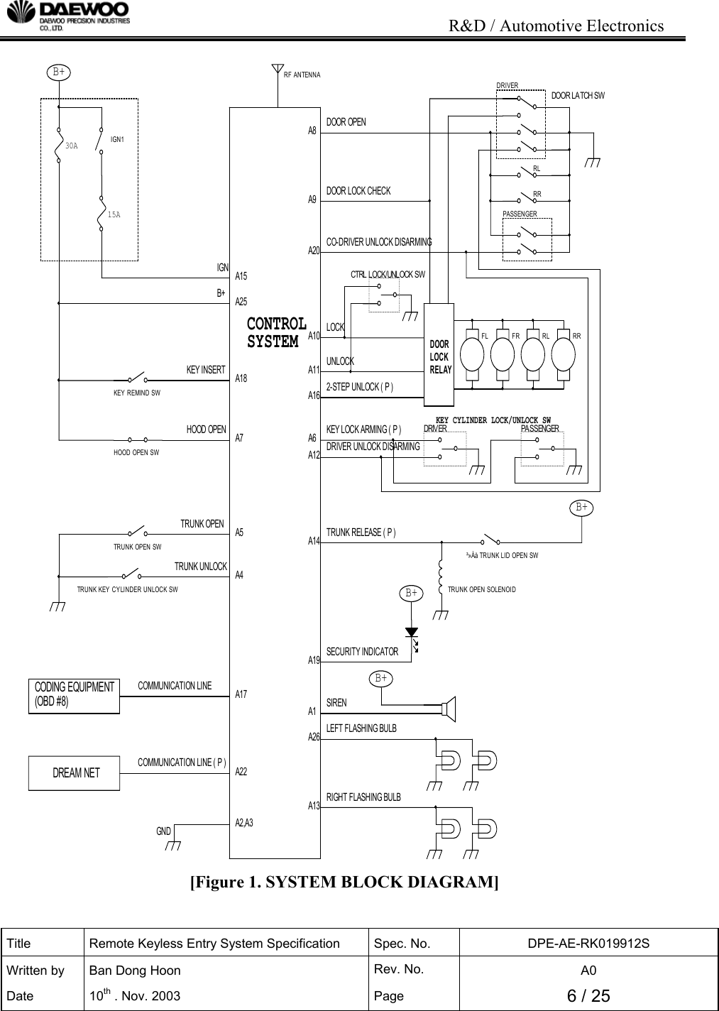
                                                                          R&D / Automotive Electronics Title  Remote Keyless Entry System Specification  Spec. No.  DPE-AE-RK019912S Written by   Ban Dong Hoon  Rev. No.   A0 Date 10th . Nov. 2003  Page  5 / 25    2.   SYSTEM DESCRIPTION  The RKE system consist of     • maximum 5 of in-key type transmitter(TX)     • a security led for displaying the RKE state     • a siren for the alarm state     • Receiver control unit with  - power supply - microprocessor - EEPROM -  drivers for the external status led -  drivers for the external siren, flashing bulb and door lock relay unit -  drivers for the external trunk open actuator -  serial data link for communication with the test equipment  -  ignition signal input circuit -  theft detection input circuit(door open, hood open, trunk open) -  key cylinder lock / unlock input circuit - RF signal receiver -  RF signal receiving antenna
                                                                          R&D / Automotive Electronics Title  Remote Keyless Entry System Specification  Spec. No.  DPE-AE-RK019912S Written by   Ban Dong Hoon  Rev. No.   A0 Date 10th . Nov. 2003  Page  6 / 25                                           [Figure 1. SYSTEM BLOCK DIAGRAM]  A12A18³»Àå TRUNK LID OPEN SW TRUNK UNLOCKA26KEY INSERTA5  RIGHT FLASHING BULBCOMMUNICATION LINE ( P )UNLOCKDOORLOCKRELAYB+B+DRIVERDOOR LA TCH SWRR  RF ANTENNA15A  A8LOCKSIRENA20 A1A4DOOR LOCK CHECKA16A11 RLSECURITY INDICATORCODING EQUIPMENT(OBD #8) RR TRUNK KEY CYLINDER UNLOCK SWDRIVER UNLOCK DISARMINGDOOR OPENA9A25A2,A3A14 TRUNK OPEN SWTRUNK OPENA22A17KEY REMIND SWLEFT FLASHING BULB FRKEY LOCK ARMING ( P )TRUNK OPEN SOLENOID  IGNDRIV ERA13CTRL LOCK/UNLOCK SW FLA15A192-STEP UNLOCK ( P )A7HOOD OPENCONTROLSYSTEMCO-DRIVER UNLOCK DISARMINGCOMMUNICATION LINEDREAM NETB+ PASSENGER  A6  B+KEY CYLINDER LOCK/UNLOCK SW PASSENGERGNDB+TRUNK RELEASE ( P ) IGN1RL A10  HOOD OPEN SW  30A
                                                                          R&D / Automotive Electronics Title  Remote Keyless Entry System Specification  Spec. No.  DPE-AE-RK019912S Written by   Ban Dong Hoon  Rev. No.   A0 Date 10th . Nov. 2003  Page  7 / 25   3.   RKE FUNCTION 3.1    DOOR LOCK / UNLOCK USING TRANSMITTER 3.1.1    TRANSMITTER LOCK / UNLOCK  This system function by using two buttons of the valid Tx is shown at Table 1. Now we define the “VALID Tx” as the ID code (Fixed code + Crypto code) of the Tx is memorized by the Control Unit.   Status  Button  Function A  Unset  "UNLOCK"  All door unlock, Hazard lamp blink twice, Disarming ModeB  Set  "LOCK"   All door lock, Hazard lamp blink once, Arming Mode [Table 1. System Function by Using Two Buttons of the Valid Tx]  When the ignition is off, the key reminder is off and all doors(door / hood / trunk) are closed, door lock by the Tx lock button. The Rx status goes to the arming mode in the condition of the arming mode. For the information of the remote door lock, the hazard lamp blinks once for 0.5sec and the siren operates once 0.05sec. When remote door lock is operated and not in the condition of the arming mode, hazard lamp does not blink and Siren does not operation because of not changing Rx status.  When the ignition is off and the key reminder is off, the Rx drives the door actuator in order to unlock all doors by the Tx unlock button. The Rx status goes to the disarming mode. For the information of the remote door unlock, the hazard lamp blinks twice, the period is 1sec and the duty ratio is 0.5sec. But if there was the burglar alarm, the hazard lamp blinking period is 2s (0.5sec On and 1.5sec Off).
                                                                          R&D / Automotive Electronics Title  Remote Keyless Entry System Specification  Spec. No.  DPE-AE-RK019912S Written by   Ban Dong Hoon  Rev. No.   A0 Date 10th . Nov. 2003  Page  8 / 25  3.1.2    TRANSMITTER DOOR / TRUNK This system function by using two buttons of the valid Tx is shown at Table 2. Now we define the “VALID Tx” as the ID code (Fixed code + Crypto code) of the Tx is memorized by the Control Unit.   Status  Button  Function A  set / unset  "DOOR"   all door lock or unlock  according to lock_monitoring status B  set / unset  "TRUNK"   operating trunk solenoid and                     chirp operating(0.05sec on / 0.45sec off) [Table 2. System Function by Using Two Buttons of the Valid Tx]  When the ignition is off, the key reminder is off, all doors (door / hood / trunk) are closed and the lock_monitoring signal is GND, door lock by the Tx door button. The Rx status goes to the arming mode in the condition of the arming mode. For the information of the remote door lock, the hazard lamp blinks once for 0.5sec and the siren operates once 0.05sec. When remote door lock is operated and not in the condition of the arming mode, hazard lamp does not blink and Siren does not operation because of not changing Rx status.  When the ignition is off, the key reminder is off and the lock_monitoring signal is open, the Rx drives the door actuator in order to unlock all doors by the Tx door button. The Rx status goes to the disarming mode. For the information of the remote door unlock, the hazard lamp blinks twice, the period is 1sec and the duty ratio is 0.5sec. But if there was the burglar alarm, the hazard lamp blinking period is 2s (0.5sec On and 1.5sec Off).  When the trunk function by the Tx trunk button operates, trunk solenoid is actuated for 500ms.  For the information of the remote trunk open, the siren operates twice, the period is 0.5sec (0.05sec on 0.45sec off). But it does not change the Rx status.
                                                                          R&D / Automotive Electronics Title  Remote Keyless Entry System Specification  Spec. No.  DPE-AE-RK019912S Written by   Ban Dong Hoon  Rev. No.   A0 Date 10th . Nov. 2003  Page  9 / 25                  [Figure 2. FUNCTION FLOW] 3.2   BURGLAR ALARM At the arming mode, if below signal input is recognized by the Rx, the burglar alarm (audible alarm (siren)  and visible alarm(hazard Lamp) ) is activated 8 times during 28 seconds operated and 5 seconds paused. The alarm activating count is the option by customer. ①  When the door open switch input is turned to low(GND) (at the moment of opening the door) ②  When the hood open switch input is turned to low(OPEN) (at the moment of opening the hood) ③ When the trunk open switch input is turned to low(GND) (at the moment of opening the trunk) ④  When the  ignition switch input is turned to high(BAT)  (at the moment of IGN on)
                                                                          R&D / Automotive Electronics Title  Remote Keyless Entry System Specification  Spec. No.  DPE-AE-RK019912S Written by   Ban Dong Hoon  Rev. No.   A0 Date 10th . Nov. 2003  Page  10 / 25   If the above theft detection input is received at the arming mode, the type of theft is memorized at the Rx EEPROM. But the alarm duration is not prolonged even if theft detection signal is recognized during the alarm mode. That is, the Rx ignores the theft detection input until the alarm is finished.  During the alarm is activated, if the “lock” , “unlock”, “door” function code is received, the Rx performs the function according to be received code and the burglar alarm (audible alarm and visible alarm) is deactivated. If the “trunk” function code is received, the Rx does not perform the function and the burglar alarm is deactivated. And if the tamper switch (passenger unlock disarming / driver unlock disarming / trunk unlock disarming) is ON, the Rx stops the burglar alarm and goes to the disarming mode.                  TIME   sec        OUTPUT           0        0.25      0.5       0.75                     27       27.25     27.5       27.75        28       SIREN          HAZARD          LAMP [Figure 3. Timing Chart for Burglar Alarm]  3.3    DISARMING BY KEY CYLINDER If the tamper switch (passenger unlock disarming / driver unlock disarming / trunk unlock disarming) is ON, the Rx stops the burglar alarm and goes to the disarming mode.
                                                                          R&D / Automotive Electronics Title  Remote Keyless Entry System Specification  Spec. No.  DPE-AE-RK019912S Written by   Ban Dong Hoon  Rev. No.   A0 Date 10th . Nov. 2003  Page  11 / 25  3.4    SAFETY LOCK(AUTO DOOR LOCK AFTER 30SEC) At the arming mode, if the door / trunk / hood open and the ignition on is not occurred during 30 seconds after all door is unlocked by the Tx unlock button or the Tx door button, then all door is locked again and the Rx also goes to the arming mode. At the case of the safety lock, even though the Rx goes to the arming mode, the EEPROM data of the Rx about alarm is not changed. If the remote door unlock is actuated again during the waiting time (30 seconds), the safety lock process is restarted.  3.5   SECURITY INDICATOR If the Rx status enters to the arming mode, the security indicator is blinking period 1sec (0.12sec ON 0.88sec OFF).  Security Indicator  RKE & ATAS Status Blinking(f=1Hz) Duty cycle 1:7(ON/OFF)  Arming, Trunk Rearming State OFF Disarming Status [Table 3. Security Indicator Operating timing Chart]  3.6                 DIAGNOSTIC Communication between the ECU and the diagnostic tester takes place in accordance with ISO9141-2, with line K only but without line L. Line K is a bidirectional data line used to convey request messages from the diagnostic tester to the ECU and response messages from the ECU to the diagnostic tester. Additional DIAGNOSTIC function refers to the document SPECIFICATION #DPE-AE-RK509603S Keyless Entry System Diagnostic Specification.  3.7                 ACTIVE RANGE Active functions of the receiver shall be operable when the Tx is with in the specified range of the vehicle, as follows:  FUNCTION RANGE All functions  ≥10m : Ignition OFF ≥ 6m : Ignition OB [Table 4. Active Range]
                                                                          R&D / Automotive Electronics Title  Remote Keyless Entry System Specification  Spec. No.  DPE-AE-RK019912S Written by   Ban Dong Hoon  Rev. No.   A0 Date 10th . Nov. 2003  Page  12 / 25   Active range requirements shall be met with the receiver mounted in the vehicle in its production intent mounting location and orientation. Range requirements are specified for open, flat, paved terrain, with fair weather (no rain or snow), temperatures between 0°C and 80°C, and fob height between 0.5 and 1.5 meters above the ground surface.  Range shall be measured from the center of the vehicle, and is independent of fob orientation.   'remote function' and 'ignition ON' range shall be determined with the engine running, and all applicable vehicle functions (radio, rear defog, alarm, etc) in operation.
                                                                          R&D / Automotive Electronics Title  Remote Keyless Entry System Specification  Spec. No.  DPE-AE-RK019912S Written by   Ban Dong Hoon  Rev. No.   A0 Date 10th . Nov. 2003  Page  13 / 25  4.   SYSTEM CONFIGRATION 4.1   RECEIVER 4.1.1              FUNCTION The control unit is operating the section “3. RKE FUNCTION” 4.1.2              ELECTRIC SPEC  ITEM DISCRIPTION operating voltage  8V ~ 16V(Test Voltage : 12.6V) standby current  MAX 5mA sensitivity -100dbm(Min) operating frequency  315(NA)/433.92(EU)MHz + 5KHz operating temperature  -40 ℃ ~ 85℃ Antenna type  pole antenna PCB thickness  16mm PCB material  FR - 4 [Table 5. Electric specification for Receiver]  4.1.3              METHOD OF CODING TRANSMITTER The receiver is able to save 5EA transmitter security key (fixed code + hopping code) Method for Tx coding (save the transmitter) a.  connect diagnostic connector and ALDL diagnostic device(SCAN-100 for GMDAT) b.  ALDL diagnostic device selects the coding mode c.  It is pressing the transmitter button 3 times. d.  confirm the message for coding ok of ALDL diagnostic device. e.  disconnect diagnostic connector and ALDL diagnostic device
                                                                          R&D / Automotive Electronics Title  Remote Keyless Entry System Specification  Spec. No.  DPE-AE-RK019912S Written by   Ban Dong Hoon  Rev. No.   A0 Date 10th . Nov. 2003  Page  14 / 25  4.2   TRANSMITTER 4.2.1              ELECTRIC SPEC ITEM DISCRIPTION operating voltage  2.5V ~ 3.2V standby current  MAX 1uA operating current  Typically 9mA , MAX 14mA output power  2000uV/m modulation FSK operating frequency  315(NA)/433.92(EU)MHz + 3KHz operating temperature  -20℃ ~ +70℃ Antenna type  PCB Pattern ANTENNA PCB thickness  8mm PCB material  FR-4 [Table 6. Electric specification for Transmitter] 4.2.2              DATA FORMATION    [Figure 4. Data Code Formation]
                                                                          R&D / Automotive Electronics Title  Remote Keyless Entry System Specification  Spec. No.  DPE-AE-RK019912S Written by   Ban Dong Hoon  Rev. No.   A0 Date 10th . Nov. 2003  Page  15 / 25  unit : us ALL Symbol Characteristic Number of TE  Min. Typ. Max TE  Basic pulse element  1  260  400  660 TBP  PQM bit pulse width  3  780  1200  1980 TP Preamble duration 23 6.0  9.2 15.2 TH Header duration 10 2.6 4.0 6.6 THOP  Hopping Code duration  96  25.0  38.4  63.4 TFIX  Fixed Code duration  102  26.5  40.8  67.3 TG Guard Time 39 10.1 15.6 25.7   Total Transmit Time  270  70.2  108.0  178.2  PWM data rate  1282 833 505 [Table 7. Data Bit Timing Table]  4.2.3               TRANSMITTER FUNCTION  The transmitter trans the high frequency signal using the PWM (Pulse Width Modulation) method. The synchronization information, fixed information and switch information will be encrypted to form the hopping code. The encrypted or hopping code portion of the transmission will change every time a button is pressed, even if the same button is pushed again. Keeping a button pressed for a long time will result in the same code word being transmitted until the button is released or time-out occurs.  If in the transmit process, it is detected that a new button is pressed, the current code word will be aborted. A new code word will be transmitted and the time-out counter will reset. If all the buttons are released, the minimum code words will be completed.    4.2.4              BATTERY Battery removal shall be able to be performed without specialized tools.  Average time to replace a battery shall be less than 5 minutes.  No damage to the transmitter shall result if the batteries
                                                                          R&D / Automotive Electronics Title  Remote Keyless Entry System Specification  Spec. No.  DPE-AE-RK019912S Written by   Ban Dong Hoon  Rev. No.   A0 Date 10th . Nov. 2003  Page  16 / 25  are installed backwards.  Battery replacement shall not require the customer to handle any loose components (i.e. circuit boards, battery clips, etc.). Battery life shall exceed 2 years at 25°C based on usage specified in section 3.1.1, with transmission time corresponding to 1 second duration button press activations.  4.2.5              LED During the normal transmission the led operating is ON. If the supply voltage drops below the low voltage trip point, the led is toggled at approximately 5Hz during the transmission.
                                                                          R&D / Automotive Electronics Title  Remote Keyless Entry System Specification  Spec. No.  DPE-AE-RK019912S Written by   Ban Dong Hoon  Rev. No.   A0 Date 10th . Nov. 2003  Page  17 / 25  5.   SYSTEM INPUT/OUTPUT CIRCUIT 5.1.1               SERIAL DATA LINK(NO. A17) It is the line for communicate receiver and diagnostic device. It defines RKE diagnostic protocol regulation(#DPE-AE-RK509603S) 5.1.2               ELECTRIC OUTPUT 5.1.2.1            HAZARD LAMP (LEFT : A26, RIGHT : A13) - Type                     : Normal open Relay(V23072-C1061-A408) - Output Level        :  Battery voltage to GND - Max. switching current       : 2 x 60 A - Max. continuous current                : 2 x 10 A @ +23℃ - Fault Diagnostic Request     : No - State During Reset      : Off  - Short Circuit Protection Request : No - Over Current Protection Request  : No             - RIGHT LOAD                                           : 21W x 2EA, 5W x 1EA             - LEFT    LOAD                                           : 21W x 2EA, 5W x 1EA 5.1.2.2             SECURITY INDICATOR(A19) - Type       : Low Side Drive - Output Level        : 1V to GND - Max. Output Current       : 100mA   - Min./Max. Duty Cycle                   : 0 / 100 % - Fault Diagnostic Request     : No - State During Reset      : Off  - Short Circuit Protection Request : No - Over Current Protection Request  : Yes  5.1.2.3              LOCK(A10) - Type           : Low Side Drive - Max. Low Output Level      : 1V to GND - Max. Output Current       : 500mA  - Fault Diagnostic Request    : No - State During Reset      : Off  - Short Circuit Protection Request  : Yes - Over Current Protection Request  : Yes  5.1.2.4             UNLOCK(A11) - Type           : Low Side Drive
                                                                          R&D / Automotive Electronics Title  Remote Keyless Entry System Specification  Spec. No.  DPE-AE-RK019912S Written by   Ban Dong Hoon  Rev. No.   A0 Date 10th . Nov. 2003  Page  18 / 25  - Max. Low Output Level      : 1V to GND - Max. Output Current       : 500mA  - Fault Diagnostic Request    : No - State During Reset      : Off  - Short Circuit Protection Request  : Yes - Over Current Protection Request  : Yes  5.1.2.5            2 STEP UNLOCK (A16, PROVISION) - Type           : Low Side Drive - Max. Low Output Level      : 1V to GND - Max. Output Current       : 500mA  - Fault Diagnostic Request    : No - State During Reset      : Off  - Short Circuit Protection Request  : Yes - Over Current Protection Req’d   : Yes  5.1.2.6           SIREN(A1) - Type           : Low Side Drive - Max. Low Output Level      : 1V to GND - Max. Output Current       : 500mA - Fault Diagnostic Request    : No - State During Reset      : Off  - Short Circuit Protection Request  : No - Over Current Protection Request  : No   5.1.2.7           TRUNK RELEASE(A14) - Type       : Normal Open Relay - Output Level        : Battery Voltage to GND - Max. Switching Current       : 60 A - Max. Continuous current      : 10 A @ +23℃ - Fault Diagnostic Request     : No - State During Reset      : Off  - Short Circuit Protection Request : No - Over Current Protection Request  : No  5.1.3               ELECTRIC INPUT
                                                                          R&D / Automotive Electronics Title  Remote Keyless Entry System Specification  Spec. No.  DPE-AE-RK019912S Written by   Ban Dong Hoon  Rev. No.   A0 Date 10th . Nov. 2003  Page  19 / 25  5.1.3.1             TRUNK KEY CYLINDER UNLOCK SWITCH INPUT(A4)  ■ Switch character - Type          : Normally Open Switch to Ground - Function          : Switch Closed – Unlock switch is ON                 Switch Open – Unlock switch is OFF - Open Resistance       : >50kΩ - Closed Resistance      : <50Ω - Open to Close Time        : ≤5msec - Close to Open Time        : ≤5msec - Noise & GND Offset Margin     : ±1V   5.1.3.2             DDRIVER KEY CYLINDER LOCK SWITCH INPUT(A6)  ■ Switch character - Type          : Normally Open Switch to Ground - Function          : Switch Closed – Lock switch is ON                 Switch Open – Lock switch is OFF - Open Resistance       : >50kΩ - Closed Resistance      : <50Ω - Open to Close Time        : ≤5msec - Close to Open Time        : ≤5msec - Noise & GND Offset Margin     : ±1V   5.1.3.3            PASSENGER KEY Cylinder UNLOCK SWITCH INPUT(A22)  ■ Switch character - Type          : Normally Open Switch to Ground - Function          : Switch Closed – Unlock switch is ON                 Switch Open – Unlock switch is OFF - Open Resistance       : >50kΩ - Closed Resistance      : <50Ω - Open to Close Time        : ≤5msec - Close to Open Time        : ≤5msec - Noise & GND Offset Margin     : ±1V   5.1.3.4           HOOD OPEN SWITCH INPUT(A7)
                                                                          R&D / Automotive Electronics Title  Remote Keyless Entry System Specification  Spec. No.  DPE-AE-RK019912S Written by   Ban Dong Hoon  Rev. No.   A0 Date 10th . Nov. 2003  Page  20 / 25  ■ Switch character     - Type          : Normally Close Switch to Battery     - Function        : Switch Closed –  HOOD Open                 Switch Open  –  HOOD Close     - Open Resistance      : >2MKΩ      - Closed Resistance      : <50Ω      - Open to Close Time      : ≤ 5msec     - Close to Open Time      : ≤ 5msec     - Noise & GND. Offset Margin   : ±1V   5.1.3.5           TRUNK(TAIL_GATE) OPEN SWITCH INPUT(A5) ■ Switch character     - Type          : Normally Open Switch to Ground     - Function        : Switch Closed –  TRUNK Open                Switch Open  –  TRUNK Close      - Open Resistance      : >50KΩ      - Closed Resistance      : <50Ω      - Open to Close Time      : ≤ 5msec     - Close to Open Time      : ≤ 5msec     - Noise & GND. Offset Margin   : ±1V  5.1.3.6            DOOR OPEN SWITCH INPUT (A8) ■ Switch character     - Type          : Normally Open Switch to Ground     - Function        : Switch Closed –  DOOR Open                 Switch Open  –  DOOR Close     - Open Resistance      : >50KΩ      - Closed Resistance      : <50Ω      - Open to Close Time      : ≤ 5msec     - Close to Open Time      : ≤ 5msec     - Noise & GND. Offset Margin   : ±1V
                                                                          R&D / Automotive Electronics Title  Remote Keyless Entry System Specification  Spec. No.  DPE-AE-RK019912S Written by   Ban Dong Hoon  Rev. No.   A0 Date 10th . Nov. 2003  Page  21 / 25  5.1.3.7           IGNITION SWITCH INPUT (A15) ■ Switch character     - Type          : Normally Open Switch to Battery     - Function        : Switch Closed –  IGNITION is ON                 Switch Open  –  IGNITION is OFF     - Open Resistance      : >2MΩ      - Closed Resistance      : <50Ω      - Open to Close Time      : ≤ 5msec     - Close to Open Time      : ≤ 5msec       -  Noise & GND. Offset Margin   : ±1V   5.1.3.8            KEY REMINDER SWITCH INPUT (A18) ■ Switch Character     - Type          : Normally Open Switch to Battery     - Function        : Switch Closed – Key Reminder is ON                 Switch Open –  Key Reminder is OFF     - Open Resistance      : >2MΩ      - Closed Resistance      : <50Ω      - Open to Close Time      : ≤ 5msec     - Close to Open Time      : ≤ 5msec        - Noise & GND. Offset Margin   : ±1V   5.1.3.9            DOOR  LOCK  MONITORING  SWITCH  INPUT (A9) ■ Switch character - Type                 : Normally Open Switch to Ground - Function               : Switch Closed –  Lock switch is ON                       Switch Open –  Lock switch is OFF - Open Resistance             : >50kΩ  - Closed Resistance            : <50Ω  - Open to Close Time             : ≤ 5msec - Close to Open Time             : ≤ 5msec -  Noise & GND Offset Margin                       : ±1V
                                                                          R&D / Automotive Electronics Title  Remote Keyless Entry System Specification  Spec. No.  DPE-AE-RK019912S Written by   Ban Dong Hoon  Rev. No.   A0 Date 10th . Nov. 2003  Page  22 / 25  NON-ULBlackBlue6.   SIREN 6.1.1               ELECTRIC SPECIFICATION No. Item  Unit Specification  Condition 1  Operating frequency range  KHz 1.5 ~ 4.0   2  Operating Volt. range  VDC 6 ~ 16   3  Current Consumption  mA  MAX 260  at 12VDC 4  Inrush current  A  MAX 2  at 12VDC 5  Sound pressure level  dB  MIN 105  at 1 m/12VDC 6 Tone   Siren   7  Sweep  Hz  2.7 ± 20%  at 12VDC 8 Operating temp.  ℃ -30 ~ +100   9 Storage temp.  ℃ -40 ~ +110    10 Dimension  mm φ54.5 x H55.0  see appearance drawing 11 Weight (MAX) gram 107.0   12 Material  ABS UL-94 1/16” HB HIGH HEAT  (ALL BLACK)  6.1.2              APPEARANCE DRAWING
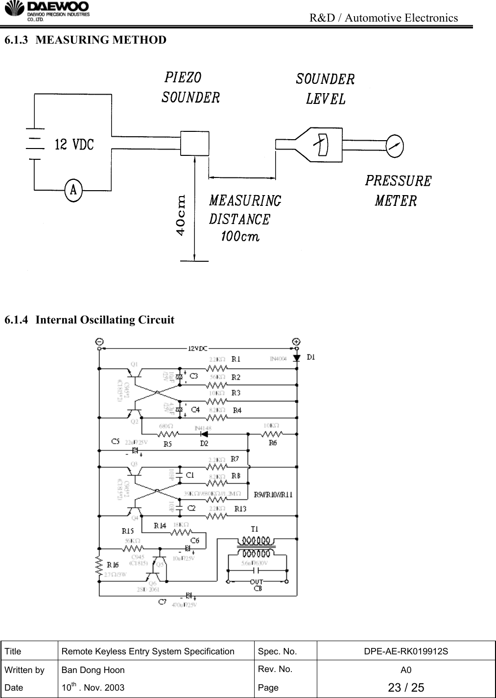
                                                                          R&D / Automotive Electronics Title  Remote Keyless Entry System Specification  Spec. No.  DPE-AE-RK019912S Written by   Ban Dong Hoon  Rev. No.   A0 Date 10th . Nov. 2003  Page  23 / 25  6.1.3  MEASURING METHOD                   6.1.4  Internal Oscillating Circuit
                                                                          R&D / Automotive Electronics Title  Remote Keyless Entry System Specification  Spec. No.  DPE-AE-RK019912S Written by   Ban Dong Hoon  Rev. No.   A0 Date 10th . Nov. 2003  Page  24 / 25  6.1.5 MECHANICAL CHARACTERISTICS  6.1.6 Environment Test No. Item  Test Condition Evaluation standard 1 frost  Placed at -40 ℃ for 8 hours and removed to at +38 ℃,95%RH.Device testing will be done when an uniform frost coating is observed on the device 2  thermal shock   The part shall be subjected to 5 thermal cycles. One cycle shall be consisted of :  +110℃                   -40℃   1 hr      1hr   Using 2 shuttle chambers with a 2 minutes minimum transition.  3  storage  The part shall be subjected the uninterrupted storage schedule as below; -40℃:70hours +110℃:118hours Being placed for 2 hours at  +25℃, buzzer shall be measured. The value of  current consumption should be in ±20% compared with initial ones .The SPL(min.):100dB. The tone should be normal  No. Item  Test Condition Evaluation standard 1 solder ability Stripped wires of lead wires are immersed in rosin for 5 seconds and then immersed in solder bath of +230±5℃ for 3±0.5 seconds. 90% min. stripped wires shall be wet with solder.(except the edge of terminal) 2  soldering heat resistance Stripped wires are immersed up to 1.5mm from insulation  in solder bath of +300±5℃ for 3±0.5 seconds or +260±5℃ for 10±1 seconds, and then sounder shall be measured after being placed in natural condition for 4 hours. no interference in operation 3  lead wire pull strength The pull force shall be applied to lead wire : horizontal  3.0N   vertical   2.0N no damage and cutting off. 4 vibration  The test shall last 4 hours and be performed in 3 primary axis with a RMS G level=3.2G from 10 to 2000Hz.. operation shall be checked at the end of each axis test. Maintain the tolerance of ±4dB
                                                                          R&D / Automotive Electronics Title  Remote Keyless Entry System Specification  Spec. No.  DPE-AE-RK019912S Written by   Ban Dong Hoon  Rev. No.   A0 Date 10th . Nov. 2003  Page  25 / 25  4 temperature. and humidity cycle test The part shall be subjected to 5 cycles. One cycle shall be consisted of::                                                               +100℃              +37℃,98%RH                             -40℃               12hrs             6hrs          6hrs              Perform a functional check of each unit every 12 hours

Navigation menu