Damm Cellular Systems A S 104013 Door System Transmitter User Manual TetraFlex 7 5 Manual
Damm Cellular Systems A/S Door System Transmitter TetraFlex 7 5 Manual
Contents
- 1. User manual - warning statements
- 2. User manual 1
- 3. User manual 2
- 4. User manual 3
- 5. Statements for user manual
- 6. User manual - 4
- 7. Revised Notes to Installers
- 8. Revised pages 4 and 5 of the user's manual 11 01 2012
- 9. User addendum 4 carrier 11 01 12
- 10. User addendum 8 carrier 11 01 2012
- 11. Note to installers to be placed in user manual
User manual - 4

Doc. No.
Rev.
Date
1.00
2011-12-08
Damm Cellular Systems A/S, Denmark
TETRAFLEX® V7.5 MANUAL - Dispatcher
TetraFlex® 7.5
Manual
3-84
3.5.9 DGNA
Dynamic Group Assignment (DGNA) is used to send Groups to radios that not already have
these groups programmed.
3.5.9.1 Assigning subscribers to DGNA
1: Right click on a group to be assigned
If it is not desirable to assign a group already programmed into the tetra
terminals, a new group specific for DGNA should be defined in the Subscriber
Register
2: Select function; “Add Group(s) to DGNA”
This selects the parent group for the DGNA
Figure 3-63: DGNA group Assignment
3: Right click on a subscriber(s) to be assigned to the DGNA group. More subscribers
may be selected by holding down the <Shift> or <Ctrl> keys
4: Select “Add mobile(s) to DGNA)
Figure 3-64: DGNA subscriber selection

Doc. No.
Rev.
Date
1.00
2011-12-08
Damm Cellular Systems A/S, Denmark
TETRAFLEX® V7.5 MANUAL - Dispatcher
TetraFlex® 7.5
Manual
3-85
5: Accept the selection
Figure 3-65: DGNA subscriber Assignment
Alternatively it is possible to drag and drop the selections to the DGNA group window
Figure 3-66: DGNA Drag and Drop Selection

Doc. No.
Rev.
Date
1.00
2011-12-08
Damm Cellular Systems A/S, Denmark
TETRAFLEX® V7.5 MANUAL - Dispatcher
TetraFlex® 7.5
Manual
3-86
6: Repeat 3 and 4 if more subscribers are to be assigned to the DGNA group
7: After assigning subscribers, the DGNA group is transferred to the mobile by selecting
“Assign the parent group to the mobile”
Figure 3-67: DGNA Assignment
3.5.9.2 De-assigning subscribers to DGNA
1: Select group or subscriber to be de-assigned and press the de-assign icon
Figure 3-68: DGNA de-assign
Figure 3-69: DGNA de-assigned terminals
3.5.9.3 Showing DGNA history
Right click on the group or subscriber
Select DGNA History

Doc. No.
Rev.
Date
1.00
2011-12-08
Damm Cellular Systems A/S, Denmark
TETRAFLEX® V7.5 MANUAL - Dispatcher
TetraFlex® 7.5
Manual
3-87
Figure 3-70: Individual Subscriber DGNA history
Figure 3-71: Group DGNA history
3.5.10 SDS Functionality
All outgoing SDS traffic from the Dispatcher is initiated from the Call Dialog which is available
in the SDS and Phone Book windows. The predefined Status SDS’s in the list are
Organization in-depended, since they are completely transparent to the infrastructure. The
predefined Status SDS list is located in a file named StatusSds.txt on the local dispatcher PC.
All incoming SDS traffic to the dispatcher is placed in the inbox; please see Figure 3-72. This
includes both text and status SDS’s.
An open or closed envelope indicates whether the SDS has been read or not
Figure 3-72: SDS Inbox
All outgoing SDS traffic from the Dispatcher are copied to the SDS Outbox, see Figure 3-73.
This includes both text and status SDS’s. The status of any requested SDS Reports is
indicated here by icons.
The types of SDS reports which are supported are:

Doc. No.
Rev.
Date
1.00
2011-12-08
Damm Cellular Systems A/S, Denmark
TETRAFLEX® V7.5 MANUAL - Dispatcher
TetraFlex® 7.5
Manual
3-88
Delivery/consumed Report Request
The receiving Terminal shall report when the SDS has been received.
Action accomplished
The receiving Terminal has opened (read) the SDS.
Figure 3-73: SDS Outbox
In the figure above, the left icon shows a SDS send with flag for Delivery- and Consumed
Report set.
The figure changes to when the SDS has been read / consumed
3.5.10.1 SDS details
SDS details may be displayed by right click on the specific SDS message and selecting
“Details”
Figure 3-74: SDS Details
3.5.10.2 Receiving Emergency SDS
Emergency calls will be indicated in the SDS call window as a red bar containing the
standard SDS options.

Doc. No.
Rev.
Date
1.00
2011-12-08
Damm Cellular Systems A/S, Denmark
TETRAFLEX® V7.5 MANUAL - Dispatcher
TetraFlex® 7.5
Manual
3-89
Also an alarm tone will be played and can be reset by answering / selecting the call
Figure 3-75: Emergency SDS
The icons associated with the emergency SDS are:
SDS received
SDS answered
3.5.10.3 ADU200 emergency alarm box
Please refer to the configuration section 3.5.3.2.6 external devices

Doc. No.
Rev.
Date
1.00
2011-12-08
Damm Cellular Systems A/S, Denmark
TETRAFLEX® V7.5 MANUAL - Dispatcher
TetraFlex® 7.5
Manual
3-90
3.5.11 Map
3.5.12 Detach Map
The map window may be detached from the main dispatcher window and placed anywhere
on the PC monitor(s)
This detachment is accomplished by selecting the detach/attach icon
positioned in the upper right hand corner of the map window. To attach again, select the
detach/attach icon once more
3.5.12.1 Positioning
The TetraFlex® dispatcher offers GPS positioning
Positions may be shown as a function of automatic positioning information send from the
terminals or as a manual request from the dispatcher. This functionality uses WG84 map
coordinates together with Google Maps or one of the other supported map formats.
It is also possible to add layers in ESRI Shapefile format on top of one of the supported maps
(except the standard Goggle map format) e.g..for showing details that are not on standard
maps.
Positions are shown as green circles and position history as yellow. When moving the mouse
over the circle, the data and time for the subscriber is shown.
Figure 3-76: Positioning Google

Doc. No.
Rev.
Date
1.00
2011-12-08
Damm Cellular Systems A/S, Denmark
TETRAFLEX® V7.5 MANUAL - Dispatcher
TetraFlex® 7.5
Manual
3-91
To request the position of a subscriber, right click on the phonebook entry and select the
option you want:
○ Select mobile on map - This highlights the GPS position of the radio on the map
with big green circle and subscriber details
○ Center on map – Center the GPS position on the map
○ Position History – Shows the Position History window and the historic GPS position
on the map as yellow circles
○ Request position – This request the actual GPS position from the radio. This could
be usefull when the radio has a long scan period for delivering GPS coordinates and
you want a position here and now.
○ Start Sepura Performance Reports – This function is at the moment only avaliable in
Sepura radios and is use for getting the RSSI downlink measurment from the radio.
3.5.12.2 Configuring positioning
At present the TetraFlex® relies on the mobile to send positioning to a group.
Any group may be used, but it is recommended to create a specific positioning group. This
GPS to Group assignment must be set from the radio programming tool.
The position information SDS from the mobile is send to the group. The dispatcher is as rule
“member” of all groups, so the dispatcher will pick up the SDS information, process and show
it as a position on the map.
Positioning SDS’s are filtered out and will not be shown in the dispatcher SDS inbox
3.5.12.3 Overlay file in ESRI map (.shp) format
NOTE: The use of overlay files in ESRI format is dongle controlled.
You can use ESRI overlay maps on top Google premier maps, OpenStreet maps, Raster
maps and the Empty map option. Standard Google maps are not supported with overlay
maps. The Dispatcher uses a flag in the Dongle in order to enable and disable the ESRI
shape file view.
The current used overlay files are saved together with the used map and will be re-loaded
when the map view / dispatcher is started again.

Doc. No.
Rev.
Date
1.00
2011-12-08
Damm Cellular Systems A/S, Denmark
TETRAFLEX® V7.5 MANUAL - Dispatcher
TetraFlex® 7.5
Manual
3-92
I
Figure 3-77: Overlay on Google map
To load a new overlay file use the folder icon. When loaded it will be available in the
overlay list
By Right clicking on the overlay in the menu, you get the possibility to Delete them again,
make them Visible or not Visible and to move the layer up and down (Move up, Move
down) in the different layers on the map e.g. if two layers are overlaying each other you can
change which one should be in front.

Doc. No.
Rev.
Date
1.00
2011-12-08
Damm Cellular Systems A/S, Denmark
TETRAFLEX® V7.5 MANUAL - Dispatcher
TetraFlex® 7.5
Manual
3-93
3.5.12.4 Other map options
The Show (all) menu makes it possible to select what GPS coordinates you want to show on
the map:
○ Show all – Shows the GPS coordinates for all radios, registered and not registered
(not registered are shown with a dark green color).
○ Show registered – Shows only the registered radios. If a Radio comes out of coverage,
the battery is removed or in another way comes unavailable without de-registering is
will still be shown on the map as registered.
○ Show history – Shows the historical plot of GPS coordinates for the selected radio.
With the icon you can change the map view between Road map, Satellite or Hybrid
This option is only available in Google premier maps and on Google standard map (map and
satellite).
Toggles between showing grid line on the map and no grid lines (not available on
Google standard map)
Toggles between showing the nodes on the map or not. (not available on Google
standard map)
Show / hides lines between history points on the map. (not available on Google
standard map)

Doc. No.
Rev.
Date
1.00
2011-12-08
Damm Cellular Systems A/S, Denmark
TETRAFLEX® V7.5 MANUAL - Dispatcher
TetraFlex® 7.5
Manual
3-94
3.5.12.5 RSSI measurement plot
(not available on Google standard map)
When changing the map view to History view you get the option to plot RSSI measurement
on the map as different colors depending on the RSSI level. This can be used for making a
coverage map or just to see the RSSI levels of a radio on the map.
○ Only history – shows only the historical GPS positions
○ Uplink RSSI – Shows the RSSI level the actual node measures for a given radio
○ Downlink RSSI – Shows the RSSI level the radio measures to the connected node
(only possible on Sepura radios with the Sepura Performance Report enabled)
3.5.12.6 Send file
It is possible to send files between two dispatchers by clicking the on the dispatcher you want
to send the file to in the Phone book list:
When selecting Send Files you get the file transfer container:

Doc. No.
Rev.
Date
1.00
2011-12-08
Damm Cellular Systems A/S, Denmark
TETRAFLEX® V7.5 MANUAL - Dispatcher
TetraFlex® 7.5
Manual
3-95
Here you can either drag and drop the files you want to send from e.g.. the file manger or you
can use the file menu to get the open dialog from where you can select the files you
want to send.
When the receiving dispatcher receives the file(s) a notice will come in the mail box icon in
the process line and the file(s) will be shown in the File Transfer window that you can choose
from the menu:

Doc. No.
Rev.
Date
1.00
2011-12-08
Damm Cellular Systems A/S, Denmark
TETRAFLEX® V7.5 MANUAL - Log Server
TetraFlex® 7.5
Manual
3-96
3.6 LOG SERVER
3.6.1 Description
A TetraFlex® Log Server is a network component that can be placed anywhere in the
TetraFlex® Network’s infrastructure. Once connected, it will automatically start to record the
status of all Nodes in the TetraFlex® network, without any configuration. Furthermore it can
be setup to log statistics (default, always present), SDS, Call records and Voice
Communication, or a combination of these functions (dongle controlled)
The TetraFlex® system supports the attachment of one or more Log Servers to the system.
The Log Server is developed to run on a Windows platform.
For single-site and small systems the Log Server can be installed on and run from the
BSC412 or BSC421.
For bigger systems the Log Server must run on DAMM Log Work Station or on a DAMM Log
Server Station.
3.6.2 General Description
3.6.2.1 The TetraFlex® Network and the Log Server
The TetraFlex® network infrastructure consists of TetraFlex® Nodes which are connected
through a backbone IP net as illustrated in Figure 3-78
Log Servers are passive network elements that can be attached anywhere in the
infrastructure, only requirement is IP connectivity to the backbone network. When attached
the LogServer will automatically be joining a specific log server IP multicast address on which
all Nodes send status and call information.
The Log Server is capable of:
Logging the status from all Nodes in the TetraFlex® network.
Logging Call information (Call Data Records) for all mobiles.
Logging Voice Communication for selected mobiles.
Logging the mobiles Node location and on/off state for selected mobiles.
The Log Server automatically starts to log the status from the TetraFlex® Nodes. In addition,
it can be setup to log all calls (CDR without voice) and SDS on the system, and optionally log
Voice Communication and Node location for selected mobiles. The Log Server logs all data
to a database, managed by a SQL Server.
In Figure 3-78 TetraFlex® Network with Log Server, the SQL Server and the Log Server are
running on the TetraFlex® Log Server machine.

Doc. No.
Rev.
Date
1.00
2011-12-08
Damm Cellular Systems A/S, Denmark
TETRAFLEX® V7.5 MANUAL - Log Server
TetraFlex® 7.5
Manual
3-97
Figure 3-78 TetraFlex® Network with Log Server
It is possible to attach one or more TetraFlex® Log Servers to the infrastructure, either on
dedicated Log Server machines or on a BSC412 or BSC421, all depending on the network
load.
3.6.3 Log Server Maintenance
The database should be backed up on a daily basis; the backup should be saved to an
external media, such as Tape, external disk, and network server or similar.
The Log server can be setup to perform a scheduled maintenance, which can run on
specified interval. It is also possible to make the “Maintenance now”.
The Maintenance parameters are setup via the LogClient, but the LogClient itself has nothing
to do with the execution of the maintenance this is totally done by the log server based on the
settings made by the client.
The maintenance is performed by the LogServer, which executes 2 steps: An optional
backup of the database files to a network share, and an optional cleanup old data. Each of
these steps can be disabled independently of each other.
It is recommended to enable the scheduled maintenance with backup and automatic cleanup
enabled. There are several of good reasons for this:
- Keep the database from running out of disk space.
- backup the database to an external disk to ensure data in case of disk crash.
- Keep high performance when querying data from the database.

Doc. No.
Rev.
Date
1.00
2011-12-08
Damm Cellular Systems A/S, Denmark
TETRAFLEX® V7.5 MANUAL - Log Server
TetraFlex® 7.5
Manual
3-98
3.6.3.1 Scheduled Maintenance
The scheduled maintenance parameters are set up via the LogClient. Open the settings view
and select the database tab.
Figure 3-79 Log Client Setting view –Database tab
1. In the Database maintenance group box, you can enable/disable “scheduled
maintenance”, “database backup” and “Cleanup database records”.
2. To set up scheduled maintenance set a check mark in “Enable scheduled
maintenance”.
3. Now set the start time to a time where the TetraFlex traffic load possibly is low, i.e.
midnight.
4. Finally set how often this operation should be performed in “Maintenance interval”. The
Maintenance task can be executed each day, every week, every 2nd week, or every
4th week, depending on the selected “Maintenance interval”.
To enable backup of database put a check mark in the “Backup database” checkbox.
Now you must supply a fully qualified network path to the backup share you are using. This
must be on the form \\<BackupServer-IP>\<Share> seen from the LogServer; local drives and
mapped drives are not allowed because they are not available when the LogServer is running
with no one logged in. Login credentials must have write permissions in the supplied
destination share.
E.g.:Figure 3-79 the Backup network share is set to:

Doc. No.
Rev.
Date
1.00
2011-12-08
Damm Cellular Systems A/S, Denmark
TETRAFLEX® V7.5 MANUAL - Log Server
TetraFlex® 7.5
Manual
3-99
\\Server-File\Damm\Support\John\TetraStar_Logserver_Backup this is a network destination
where the log server has access.
To enable the scheduled database maintenance settings you have to click the “Save settings”
button. When you do this, you will be requested to enter the login credentials for the Backup
Destination Login.
Figure 3-80 Backup destination login credentials
When the scheduled maintenance is saved and enabled, you can see when the next
scheduled maintenance task is executed in the Next scheduled maintenance task field, see
Error! Reference source not found..
Figure 3-81 next scheduled maintenance task
To enable or disable cleanup of old database records set or remove the check mark in
“Cleanup database records (after backup)”, and specify the cleanup threshold in the “Delete
record older than” edit box. The scheduled maintenance executes the database backup as
the first step (if selected), when this succeeds it continues to clean up the old database
records from database.
3.6.3.2 Maintenance Now
The LogClient offers the possibility to check/test your database maintenance settings by
initiating the database maintenance immediately. Be aware that the “Maintenance now” is
executed with the saved “Backup database” and “Cleanup database records” settings. These
settings are shown in the confirm dialog, see Error! Reference source not found..
Figure 3-82 Confirm manual maintenance

Doc. No.
Rev.
Date
1.00
2011-12-08
Damm Cellular Systems A/S, Denmark
TETRAFLEX® V7.5 MANUAL - Log Server
TetraFlex® 7.5
Manual
3-100
When accepting the settings by clicking OK, the maintenance is initiated by the LogClient,
and will be executed by the LogServer within the next minute. It is possible to follow the
maintenance progress by accepting this, see fig.3.82.
Figure 3-83 Follow maintenance progress
The Maintenance progress is shown in the “Additional info maintenance” dialog, see Fig.
3.83. The rows and fields in this dialog are filled as the progress information becomes
available.
3.6.3.3 Maintenance History
Once the maintenance has finished, the result of the maintenance can be found in the
Maintenance history. Open the “Maintenance History” dialog to see the list of executed
maintenance jobs. Each maintenance job has a row containing info about: start- and end
time, the result (OK or Error), the type of maintenance executed, backup destination and
cleanup of old records. See Maintenance history in Error! Reference source not found.
below.
Figure 3-84 Maintenance history
To remove an old Maintenance job choose the row, then press the remove button. The
Maintenance registration and the corresponding backup files will be removed and deleted.
To get additional info about a specific maintenance job, select a job and press the button
“Additional info”, see fig. 3.84

Doc. No.
Rev.
Date
1.00
2011-12-08
Damm Cellular Systems A/S, Denmark
TETRAFLEX® V7.5 MANUAL - Log Server
TetraFlex® 7.5
Manual
3-101
Figure 3-85 Additional info maintenance
In the Additional info maintenance dialog each action performed in the maintenance job is
listed.
3.6.3.4 Manual backup of the database
The MySql Server is set up to use the MyISAM storage engine. MyISAM manages non-
transactional tables which provides high-speed storage and retrieval of data.
The database can be backed up simply by copying the database files. Don’t forget to backup
(copy) the logClient executable which is located at:
\\<logServer>\Tetraflex\LogClient\Files\LogClient.exe.
The TetraFlexLogDb database is stored either under the default MySql data path:
C:\Program Files\MySQL\MySQL Server 5.0\data\tetraflexlogdb
or on systems with more partitions:
E:\Tetra\Applications\LogServer\Database\ tetraflexlogdb
Copy this folder and the LogClient executable to an external storage to make your manual
backup.
To find the physical database files location look in the MySql configuration file:
C:\Program Files\MySQL\MySQL Server 5.0\my.ini find the following line starting with datadir,
i.e: datadir="C:/Program Files/MySQL/MySQL Server 5.0/Data/"
3.6.3.5 Restoring a database
The scheduled maintenance backup files are stored under the supplied path entered in
Scheduled maintenance; see section 3-98 Scheduled Maintenance for further info. The
backup contains the database files as well as the LogClient which is able to read it.

Doc. No.
Rev.
Date
1.00
2011-12-08
Damm Cellular Systems A/S, Denmark
TETRAFLEX® V7.5 MANUAL - Log Server
TetraFlex® 7.5
Manual
3-102
Figure 3-86 Backed up files
Copy the backup directory which is named with the timestamp on the form <YYYY-MM-
DD_hhmmss> to the MySql database directory.
Important: When the copy has finished, the MySql Server locks the files and you will no
longer be able to rename or delete the database files. The MySql service has to be stopped
to delete or rename a database folder.
It should now be possible to connect to the MySql server and select the database with the
LogClient, see fig. 3.87. To restore the backup press the connect button. On success you will
get a “Connect to database succeeded” dialog, see fig. 3.88.
Figure 3-87 Selection the database backup

Doc. No.
Rev.
Date
1.00
2011-12-08
Damm Cellular Systems A/S, Denmark
TETRAFLEX® V7.5 MANUAL - TetraFlex® Log Client
TetraFlex® 7.5
Manual
3-103
Figure 3-88 Backup restored
The LogClient is now connected to the restored database and you can only browse through
the “old” data till you select the active running database named “TetraFlexLogDb”.
Note: if you have not saved the “database settings (Client)”, then a restart of the LogClient
will make the LogClient connect to the previous selected database.
3.7 TETRAFLEX® LOG CLIENT
3.7.1 Description
The TetraFlex® Log Client application is developed to run on a Windows XP or Win7 platform
or a Terminal Server where multiple users can run their own instance of the TetraFlex® Log
Client at a time.
The TetraFlex® Log Client application requires access to the SQL-Server and has the
following properties:
There is no user validation. Dongle configuration controls the level of database
query
Hardware Dongle required.
It is able to query CDR records from the database for:
Group- and individual calls
SDS Status
SDS TL
SDS Data
SDS Application
Queries can be made for a specified time interval as well as “Only from”, “Only to” and
combination of this.

Doc. No.
Rev.
Date
1.00
2011-12-08
Damm Cellular Systems A/S, Denmark
TETRAFLEX® V7.5 MANUAL - TetraFlex® Log Client
TetraFlex® 7.5
Manual
3-104
Set up query and replay Voice data from the database for voice logged group- and
individual calls for a specified call.
Set up the latest MS Registrations, and also historical registration data for the
mobiles.
Set up to monitor the status of the Tetra network.
Set up to present statistical data showing the performance of the TetraFlex®
Network.
Set up the Subscriber configuration, meaning setting up which mobiles should be
“location and voice logged”, and which groups should be voice logged.
Set up the logging priority for the selected individual and groups
It is able to switch database without restart of the application.
Selecting temporary storage for voice playback files
3.7.2 Functionality
When the TetraFlex® Log Client application is launched the main window appears:
Figure 3-89: Log Client - Main window
From the Log Client toolbar it is possible to open the Statistics-, CDR-, MS Reg.-, Status- and
the Settings view.
Note that the title bar indicates which SQL Server and database the application is connected
to.
3.7.3 Statistics View
The Statistics view has five tabs
On the statistics window of each tab it is possible to right click to open the configuration
dialogue. The configuration dialogue also includes export options

Doc. No.
Rev.
Date
1.00
2011-12-08
Damm Cellular Systems A/S, Denmark
TETRAFLEX® V7.5 MANUAL - TetraFlex® Log Client
TetraFlex® 7.5
Manual
3-105
Figure 3-90: Configuration Dialog example
Figure 3-91: Export Dialog example
3.7.3.1 Node
Shows the Node Alarm as percentage of time
Indications are
OK
Warning (L1)
Alarm (L2)
Blocked (L3)
Shutdown
Missing

Doc. No.
Rev.
Date
1.00
2011-12-08
Damm Cellular Systems A/S, Denmark
TETRAFLEX® V7.5 MANUAL - TetraFlex® Log Client
TetraFlex® 7.5
Manual
3-106
Figure 3-92: Node
3.7.3.2 Radio
The Radio tab has 3 sub-tabs
All tabs has a selection of resolution to 1 minute, 10 minutes, 1 hour or 1 day
All tabs has the selection of table or graphic view
3.7.4 Radio Cell Alarm
Shows alarms as percentage of time
Figure 3-93: Radio, Alarm
3.7.4.1 Radio Cell Timeslot
Shows timeslots as function of Erlang

Doc. No.
Rev.
Date
1.00
2011-12-08
Damm Cellular Systems A/S, Denmark
TETRAFLEX® V7.5 MANUAL - TetraFlex® Log Client
TetraFlex® 7.5
Manual
3-107
Figure 3-94: Radio, Timeslot
Congestion shows the traffic load in percentage, and Timeslot showing the average timeslot
distribution for a specific node. The user has to enter resolution time and specify a Node.
The timeslot types displayed are:
Timeslot table
Timeslot type
Description
CCH
Control Channel. (MCCH and SCCH)
Group Call TS (GTCH)
Timeslots used for group calls.
Individual Call TS (ITCH)
Timeslots used for individual calls.
Packet Data TS (PDCH)
Timeslots used for packet data.
Idle TS
Unused/Idle timeslots ready for traffic.
Blocked TS
Blocked timeslots which cannot be used for traffic.
Spare TS
Spare timeslots used for redundancy if a transceiver drops
out.
Missing Data
No connection between node and log server
3.7.4.2 Radio Cell Congestion
Shows timeslot usage as percentage of time
Figure 3-95: Radio, Congestion

Doc. No.
Rev.
Date
1.00
2011-12-08
Damm Cellular Systems A/S, Denmark
TETRAFLEX® V7.5 MANUAL - TetraFlex® Log Client
TetraFlex® 7.5
Manual
3-108
3.7.5 Voice GW
Voice GW tab has 3 sub-tabs
3.7.5.1 Voice GW Alarm
Shows alarms as percentage of time
Figure 3-96: Voice GW, Alarms
3.7.5.2 Voice GW Channels
Shows GW channels related to Erlang
Figure 3-97: Voice GW, Channels
3.7.5.3 Voice GW Congestion
Shows GW congestion related to percent of time

Doc. No.
Rev.
Date
1.00
2011-12-08
Damm Cellular Systems A/S, Denmark
TETRAFLEX® V7.5 MANUAL - TetraFlex® Log Client
TetraFlex® 7.5
Manual
3-109
Figure 3-98: Voice GW, Congestion
3.7.6 Packet Data GW
Shows GW alarms related to percent of time
Figure 3-99: Packet Data GW, Alarms
3.7.7 Application GW
Application GW has 2 sub-tabs
3.7.7.1 Application GW alarms
Shows GW alarms related to percentage of time

Doc. No.
Rev.
Date
1.00
2011-12-08
Damm Cellular Systems A/S, Denmark
TETRAFLEX® V7.5 MANUAL - TetraFlex® Log Client
TetraFlex® 7.5
Manual
3-110
Figure 3-100: Application GW, Alarms
3.7.7.2 Application GW congestion
Shows GW channels related to Erlang
Figure 3-101: Application GW, Connections

Doc. No.
Rev.
Date
1.00
2011-12-08
Damm Cellular Systems A/S, Denmark
TETRAFLEX® V7.5 MANUAL - TetraFlex® Log Client
TetraFlex® 7.5
Manual
3-111
3.7.8 CDR View
In the CDR View the Call Data Records are presented. The user must enter Search Criterion
as the time period and specify whether it is group-, individual- or SDS type- calls to narrow
the number of hits. It is also possible to specify a single From and/or To subscriber. When
Search Criterion is entered, press Search button to load the Search Results from the SQL
Server.
Figure 3-102: Log Client, Call Data Records
The Search Result lists all the calls matching the Search Criterion, and it contains the
relevant call information like Call Begin, Call End, From, To, From Node, Call Priority etc.
One row in the result grid reflects one call.
When the Search Result is loaded it is possible to get additional information on a single call,
either by double clicking on a single row or by selecting a row and press the Additional Info
button.
Figure 3-103: Log Client. Additional Call Info

Doc. No.
Rev.
Date
1.00
2011-12-08
Damm Cellular Systems A/S, Denmark
TETRAFLEX® V7.5 MANUAL - TetraFlex® Log Client
TetraFlex® 7.5
Manual
3-112
In the Additional Call Information view, the Talking Parties in simplex calls are listed. It is also
indicated whether the Talking Party has preemptive rights and which node the MS is located
under.
From this view it will also be possible (if client dongle allows this) to load and playback calls
that have been recorded.
3.7.9 MS Registration View
The MS Registration view has tree tabs, the Latest MS Registration, the MS Registration
History tab and the MS RSSI history tab. When a mobile registers it indicates an Update
Type to the Node.
There are 3 Update Types:
Update Type Table
Update Type
Description
ITSI Attach (Power on)
The mobile has been turned on.
Roaming
The mobile has moved and is covered by a new Node.
ITSI Detach (Power off)
The mobile has been switched off.
3.7.9.1 Latest MS Registrations
The Latest MS Registrations tab shows a live view of the mobiles and their Node location.
The list contains one entry pr MS, showing its current Update Type state and which Node that
has received it.
Figure 3-104: Log Client, Latest MS Registrations

Doc. No.
Rev.
Date
1.00
2011-12-08
Damm Cellular Systems A/S, Denmark
TETRAFLEX® V7.5 MANUAL - TetraFlex® Log Client
TetraFlex® 7.5
Manual
3-113
3.7.9.2 MS Registration History
The MS Registration History tab shows the historical registration data. The user must enter
the Search Criterion such as time interval and specify mobiles and Nodes of interest. It is
possible to exclude roaming registrations.
The list might contain the same mobile several times.
Figure 3-105: Log Client, MS Registration History
3.7.9.3 MS RSSI History
The MS RSSI history view shows the uplink RSSI values in dBm for the different calls made.
Figure 3-106: Log Client, MS RSSI History
It is also possible to the approximately distance to the node and what Transceiver there was
used for the call.
NB: MS RSSI history data older than 24 hours will be deleted in ver. 7.52

Doc. No.
Rev.
Date
1.00
2011-12-08
Damm Cellular Systems A/S, Denmark
TETRAFLEX® V7.5 MANUAL - TetraFlex® Log Client
TetraFlex® 7.5
Manual
3-114
3.7.10 Status View
The status view shows the latest received Status messages of the TetraFlex® Node. Each
TetraFlex® node in the network reports its status on regular interval (default interval is 10
seconds). This means that the Status view should always have status messages no older
than the interval.
On each status tab the nodes in the TetraFlex® network are listed including the reception
timestamp of the TetrtaFlexLogServer and their latest status.
The Status tab gives an overview of the nodes and their status. Each Status generally has
these states:
Status Table
Status type
Description
OK
Everything in perfect order.
Warning [L1]
Level 1 warning, informational only.
Alarm [L2]
Level 2 Alarm, reduced functionality of component.
Blocked [L3]
Level 3 Blocking Alarm, dropout of component.
Start-up
The component is starting up.
Not Alive
The component is not responding.
[BLANK]
The component is not configured on this node.
The list can be refreshed manually by pressing Refresh.
3.7.10.1 Status
The Status tab shown below gives an overview of the status window.
The view is essential the same as shown in the Network Management, so refer to the
Network Management Manual for detailed description of the tabs
Figure 3-107: Log Client, Status view
3.7.10.2 Common
On the Common tab it is possible to see the Repetition time interval, which the node uses for
sending its status message.

Doc. No.
Rev.
Date
1.00
2011-12-08
Damm Cellular Systems A/S, Denmark
TETRAFLEX® V7.5 MANUAL - TetraFlex® Log Client
TetraFlex® 7.5
Manual
3-115
3.7.10.3 Subscriber
On the Subscriber Register tab it is possible to see which node is Master, and the subscriber
counts and checksums which should be the same for all Nodes.
Figure 3-108: Log Client, Status Subscriber Register
3.7.10.4 Radio Status
On the Radio Status tab it is possible in real time to see active time slots.
Figure 3-109: Log Client, Radio Status
3.7.10.5 Radio Config
On the Radio Config tab it is possible see how frequencies are configured.

Doc. No.
Rev.
Date
1.00
2011-12-08
Damm Cellular Systems A/S, Denmark
TETRAFLEX® V7.5 MANUAL - TetraFlex® Log Client
TetraFlex® 7.5
Manual
3-116
Figure 3-110: Log Client, Radio Config
3.7.10.6 Voice GW
On the Voice GW tab the status for the Voice Gateway can be seen, including number of
active and idle calls.
Figure 3-111: Log Client, Voice GW
3.7.10.7 PD-GW
Figure 3-112: Log Client, Status Packet Data GW
3.7.10.8 App-GW

Doc. No.
Rev.
Date
1.00
2011-12-08
Damm Cellular Systems A/S, Denmark
TETRAFLEX® V7.5 MANUAL - TetraFlex® Log Client
TetraFlex® 7.5
Manual
3-117
Figure 3-113: Log Client. Status App GW
3.7.11 Settings View
The Settings view has six sections: Database, nodes, subscriber, sound, logserver licenses
and log server config.
3.7.11.1 Database
Database settings used by the TetraFlex® Log Client is shown.
It is possible to replace SQL Server by specifying the IP address and login credentials.
By pressing the Connect to Database! Button the client establishes the connection to the
SQL Server and database specified. This can be done on the fly.
The Reload Database Settings- and Save Database Settings respectively load and save
the database settings to a local file Log Client.ini located in the same folder as the Log Client
executable.
In the maintenance section it is possible to setup backup and cleanup intervals (please see
the section 3.6.3 Log Server Maintenance)

Doc. No.
Rev.
Date
1.00
2011-12-08
Damm Cellular Systems A/S, Denmark
TETRAFLEX® V7.5 MANUAL - TetraFlex® Log Client
TetraFlex® 7.5
Manual
3-118
Figure 3-114: Log Client, Settings database
3.7.11.2 Nodes
Node descriptions and last status received information
If a node has managed to send status messages prior to the node being configured
with the correct node number etc. the node may be deleted here and will reappear
with the correct settings at the next status message (10 sec.)
A deleted node will be removed from node status and node statistics views and
database.

Doc. No.
Rev.
Date
1.00
2011-12-08
Damm Cellular Systems A/S, Denmark
TETRAFLEX® V7.5 MANUAL - TetraFlex® Log Client
TetraFlex® 7.5
Manual
3-119
Figure 3-115: Log Client, Node information
3.7.11.3 Subscriber
The configured subscribers are listed. The list is a positive list, meaning that subscribers not
in the list will be treated as subscribers with Voice- and Location Logging disabled.
NOTE: In case the Log Server settings has a selection “Log all MS by default”, then
subscribers which has NOT been added to the list will be voice and location logged
The Voice Logging Priority only applies to the subscribers where Voice Logging is enabled.
In this view it is possible to add, edit, or delete subscribers.
Note that the LogServer hardware Dongle settings can override the Voice- and Location
Logging settings.
Note Voice Logging:
For individual calls the following rule applies: If either the calling or the called party is on the
positive list, the call is voice logged otherwise not.
For group calls the following rule applies: If the called group TSI appears in the positive list,
then the group call is voice logged otherwise not.
If all voice logging channels are occupied (number of voice logging channels is defined by
LogServer dongle), then the priority is used to interrupt and stop voice logging for lower
priority calls. If no voice logging channel is free when a new call is established, then the
lowest priority ongoing voice logged channel is freed for the new higher priority call.

Doc. No.
Rev.
Date
1.00
2011-12-08
Damm Cellular Systems A/S, Denmark
TETRAFLEX® V7.5 MANUAL - TetraFlex® Log Client
TetraFlex® 7.5
Manual
3-120
Figure 3-116: Log Client, Subscriber List
3.7.11.4 Sound
This setting are for the voice recording playback

Doc. No.
Rev.
Date
1.00
2011-12-08
Damm Cellular Systems A/S, Denmark
TETRAFLEX® V7.5 MANUAL - TetraFlex® Log Client
TetraFlex® 7.5
Manual
3-121
Figure 3-117: Log Client, Sound settings
○ Sound Settings - Setup and test of output sound device
○ Temporary Sound Files:
○ Setup, save/reload and deletion of the path to the temporary sound
files saved whenever a CDR is played
○ Standard setting %USERPROFILE%\Tetra\LogClient\<LogServer
name>\Wav Files

Doc. No.
Rev.
Date
1.00
2011-12-08
Damm Cellular Systems A/S, Denmark
TETRAFLEX® V7.5 MANUAL - TetraFlex® Log Client
TetraFlex® 7.5
Manual
3-122
3.7.11.5 LogServer Licens
License dongle information shows the license dongle settings for the Log Server
Figure 3-118: LogServer Licenses
3.7.11.6 LogServer Config
This shows how the log server is configured. It is not possible to make changes to the
settings from here. Please see the chapter 2.10.3 for setting the parameters.

Doc. No.
Rev.
Date
1.00
2011-12-08
Damm Cellular Systems A/S, Denmark
TETRAFLEX® V7.5 MANUAL - TetraFlex® Log Client
TetraFlex® 7.5
Manual
3-123
Figure 3-119: LogServer config
Log Server Settings may be overruled by the dongle configuration. Logging selection may be
set equal or less than the settings in the license dongle. As an example license dongle
settings gives privilege to do SDS Content Logging (=Allowed) but if the flag “Enable SDS
Logging” is not set, the SDS content is not logged, i.e. log server settings overrules dongle
settings.

Doc. No.
Rev.
Date
1.00
2011-12-08
Damm Cellular Systems A/S, Denmark
TETRAFLEX® V7.5 MANUAL - Antenna System for BS41x
TetraFlex® 7.5
Manual
4-1
PART-4: Technical References

Doc. No.
Rev.
Date
1.00
2011-12-08
Damm Cellular Systems A/S, Denmark
TETRAFLEX® V7.5 MANUAL - Antenna System for BS41x
TetraFlex® 7.5
Manual
4-2
4.1 ANTENNA SYSTEM FOR BS41X
4.1.1 Introduction
This application note describes the recommended antenna configuration for the BS41x Tetra
Base station.
The BS41x Tetra BS includes either the TMA412 Tower Mounted Amplifier or the TMD412
Tower Mounted Amplifier and Duplexer. The use of the RX amplifier section in the TMA/TMD
is mandatory. It shall preferably be mounted in the top of the mast as close as possible to the
RX antennas or alternatively ground mounted at the BS rack.
The TMD412 in addition contains a Duplex Filter, which optionally can combine the TX and
one RX to run on same antenna.
Whenever possible it is however recommended to run with two separate RX antennas
and one TX antenna.
When using the TMD412 Tower Mounted Amplifier/Duplexer it is recommended not to
use the duplex filter option for more than 1 carrier, as the usage of the duplex filter
may increase disturbances in the receiver i.e. reduced sensitivity.
When using the duplex filter option, care shall be taken not to use TX frequencies
generating 5th order IM products on the used RX frequencies
The antenna system shall in addition contain one GPS antennas for each installed BSC.

Doc. No.
Rev.
Date
1.00
2011-12-08
Damm Cellular Systems A/S, Denmark
TETRAFLEX® V7.5 MANUAL - Antenna System for BS41x
TetraFlex® 7.5
Manual
4-3
4.1.2 Typical antenna configuration
The drawing below shows a typical antenna arrangement for a base station. If the duplexer is
used it combines the RX-A and TX feeder to e single antenna. The feeder system from the
BS to the top of the mast is the same for both cases.
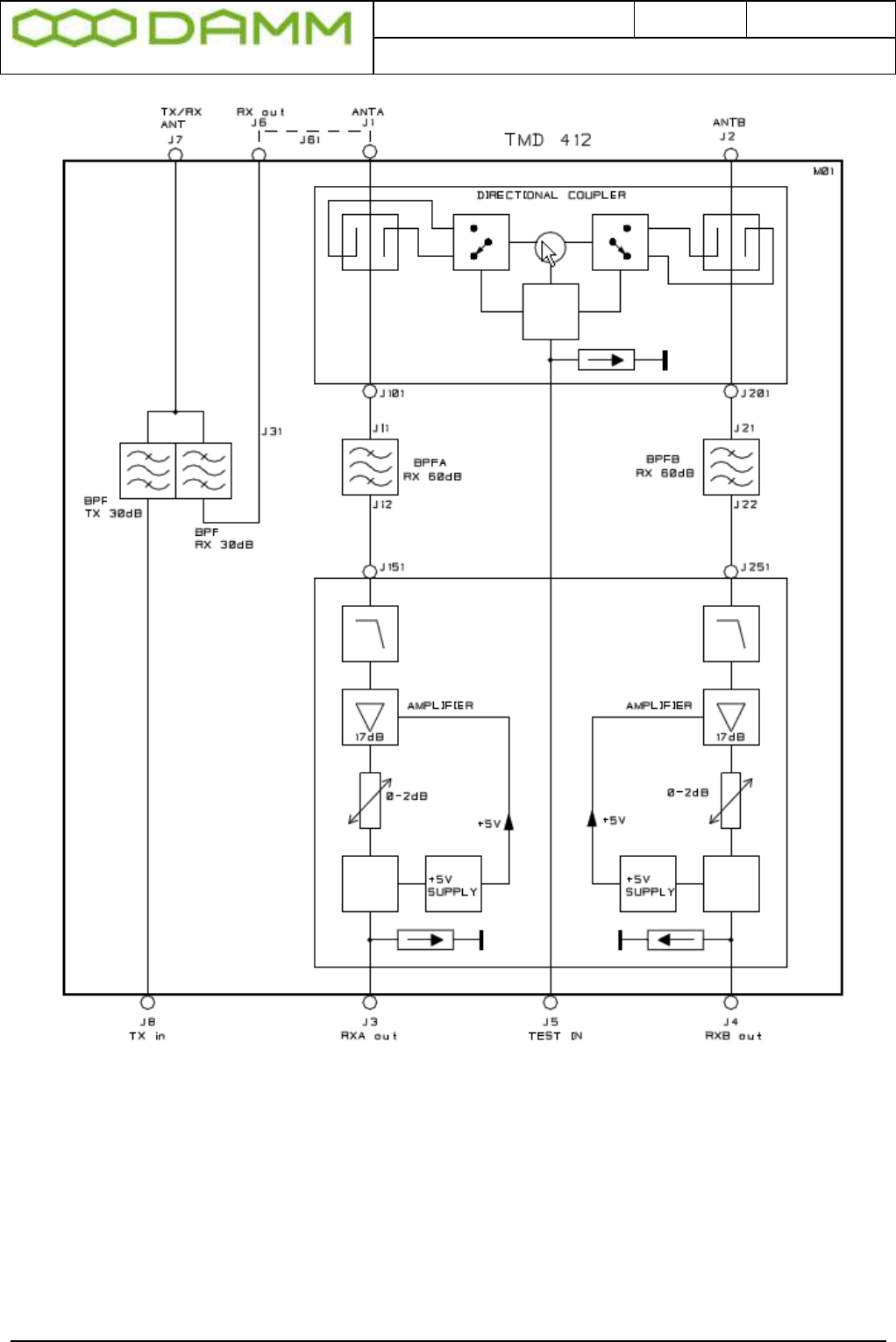
4.1.2.1 TMA412/TMD412
A block diagram of the TMD412 is shown below. The TMA412 is identical except for the
omitted Duplexer.
RX-A TEST RX-B GPS1 GPS2 TX
Base Station
ANT-A ANT-B
TMA412
RX-A TEST RX-B
RX-A
RX-B
TX
RX+Test feeders:
Cable: ¼”
Loss: <8dB
Conn.: N-male
TX jumper feeder:
Cable: ¼”
Conn.: 7/16 male
TX jumper feeder:
Cable: ¼”
Conn.: 7/16 male
TX feeder:
Cable: 7/8”
Conn.: 7/16 female
RX jumper feeders:
Cable: RG214
Conn.: N male
>30dB
GPS1 GPS2
GPS feeders:
Cable: RG174
Loss: <10dB
Conn.: BNC male
+6dB nom.
+15dB typ.

Doc. No.
Rev.
Date
1.00
2011-12-08
Damm Cellular Systems A/S, Denmark
TETRAFLEX® V7.5 MANUAL - Antenna System for BS41x
TetraFlex® 7.5
Manual
4-4
4.1.2.2 RX antenna
The BS uses two receiver antennas for its dual RX diversity implementation. The TMA is
provided with a dual tower-mounted amplifier with input filters, amplifiers and test circuits for
measurements. The BS includes all the required circuitry to supply the two amplifiers with DC
power and to control the test circuit through the feeders.
The two RX antennas should be mounted as widely spaced as possible to optimize the gain
of the diversity reception. In addition they should be mounted to have a coupling with the TX

Doc. No.
Rev.
Date
1.00
2011-12-08
Damm Cellular Systems A/S, Denmark
TETRAFLEX® V7.5 MANUAL - Antenna System for BS41x
TetraFlex® 7.5
Manual
4-5
antenna of >30dB to ensure proper operation. The TX separation is normally achieved
without much effort.
Three identical low-cost feeders are required for the RX antenna system. As the main RX
filters are located in the TMA, cables with good screening are needed to avoid radiation into
the cables. Cables should either be double shielded or with solid screen. For most
applications ¼ inch corrugated cables is the optimum choice. Cables of type RG58/U and
RG213/U should not be used.
The TMA has a nominal gain of 15 dB and the system is designed to have a nominal total
gain from TMA input to BS RX connector input of +6dB. With some margins this allows a
maximum feeder loss of 8dB. Attenuators are provided in the BS to adjust the total gain. Note
that use of lower-loss cables will not improve system performance, just increase the cost.
The following table indicates the maximum allowed length of different possible cable types:
Cable with 8dB loss
450MHz
850MHz
RG223/U
28m
19m
RG214/U
50m
35m
1/4 inch (RFS CF14-50)
85m
60m
3/8 inch (RFS LC38F-50)
105m
75m
1/2 inch (RFS LCF12-50)
170m
120m
5/8 inch (RFS LCF58-50)
220m
155m
If very thick cables are used, jumper feeders in both ends may be needed.
Cables and connectors between antenna and TMA412/TMD412 shall be resistance to water
ingress and migration.
4.1.2.3 TX antenna
The BS uses a TX antenna for all the installed TETRA carrier units, which may optionally also
be used for receiving. All components used in the TX antenna system need to be high quality
components with low inter-modulation to avoid distortion product to jam the receiver inputs.
The requirements include the TX antenna itself and also the feeders and connectors.
The TX antenna feeder should be provided with connectors of type 7/16. Other connector
types should be avoided, including connectors of type N. For 2-carrier only base stations
without Duplexer N-type connectors can be used at antenna and BS.
The feeder cables shall have as low as possible insertion loss and have a solid screen.
Cables with woven shields of thin wires should never be used.
The TX cable loss can be compensated, by increasing the TX output power to balance the
system requirements. For a low-power Base Station this can be an acceptable solution but
for a high-power BS this can give an unacceptable increase in the mains power consumption
or may not be possible at all.
As guideline, the TX antenna feeder loss for a high-power BS should not exceed 2dB. This
can be achieved when not exceeding the following cable lengths:

Doc. No.
Rev.
Date
1.00
2011-12-08
Damm Cellular Systems A/S, Denmark
TETRAFLEX® V7.5 MANUAL - Antenna System for BS41x
TetraFlex® 7.5
Manual
4-6
Cable 2dB loss
450MHz
850MHz
1/4 inch (RFS CF14-50)
21m
15m
3/8 inch (RFS LC38F-50)
27m
19m
1/2 inch (RFS LCF12-50)
42m
30m
5/8 inch (RFS LCF58-50)
55m
39m
1 1/4 inch (RFS LCF114-50)
93m
65m
1 5/8 inch (RFS LCF158-50)
128m
88m
For normal installations 5/8 inch cables or thicker is recommended. When thick cables are
used it is normal needed to have jumper cables in both ends to avoid stress to the connectors
on the antenna and BS.
Cables and connectors between antenna and TMD412/BS41x shall be resistance to water
ingress and migration.
4.1.3 GPS antenna
Each Base Station Controller includes a GPS receiver, which requires an antenna. The GPS
antenna connector delivers +5V for an antenna with built-in amplifier. The GPS antenna
should preferably be mounted on top of the building with good all round vision the whole
horizon. It should NOT be mounted in top of a high mast and should be kept at the greatest
possible distance from any transmit antenna.
The GPS signal is received on 1575.42 MHz with a bandwidth of a little more than 2 MHz
Special care with separation from the TX antenna is important especially, if any transmitter is
located in the range 393.5-394.2 MHz (4th harmonic). The current used GPS receiver module
in the BSC411 is a Motorola M12 and in BSC412 it is an iTrax.
Several manufactures have appropriate antennas, which match the receiver. An example is
shown below.
The GPS antenna shall include an amplifier with a gain of about 25dB. As a guideline the
cable loss should not exceed 14 dB, which gives the following maximum cable lengths:
Cable type
14dB
RG223/U
23m
RG214/U
46m
¼ inch (RFS CF14-50)
70m

Doc. No.
Rev.
Date
1.00
2011-12-08
Damm Cellular Systems A/S, Denmark
TETRAFLEX® V7.5 MANUAL - Antenna System for BS41x
TetraFlex® 7.5
Manual
4-7
Cables and connectors between antenna and BS41x shall be resistance to water ingress and
migration.
4.1.4 TX inter-modulation considerations
One of the most critical aspects about antenna systems for a multi-carrier base station is to
control the inter-modulation generated between the different transmitters in the BS.
Inter-modulation happens in many different places on different levels. One major place is the
TX output amplifier itself. When a signal from another TX reaches a TX output amplifier, all
typical transmitters will generate 3rd order IM products with a level typically 15dB below the
interfering signal. The BS41x Base Station is provided with double circulators in the TX
output to make sure, that IM3 products close in frequency will be at least 70dB below the
carrier.
At greater differences in frequency the inter-modulation products are further reduced by the
selectivity of the TX cavity combiner and the TX output filter. In the RX frequency band of the
BS spurious and 5th-order IM products measured at the TX antenna connector are verified to
be less that –106dBm. With the expected RX-TX antenna separation of 30 dB, any generated
product in the receiver input will be less than –136dBm, well below the RX sensitivity level.
This verification has been done with up to 16 simultaneous transmitters of 50W each.
For carrier output of 20W (+43dBm) the –106dBm gives a rejection of –149dB. To reach this
level, extreme care is needed to avoid inter-modulation at any point.
Some connector manufacturers have recently started to specify 2-tone 3rd-order IM for their
high quality connectors. These specifications typically is about –150dB. IM with more than 2
carriers are not specified. It is recommended only to use DIN 7/16mm connectors in the TX
antenna feeder section. N-connectors are an order of magnitude worse and should never be
used for more than 2 carriers.
Feeders shall be with solid screen and inner conductors to avoid any possibility for un-
linearity due to undefined connections between individual cores in the cable. High quality
RG214/U cable has been demonstrated to produce noise when bent mechanically in the lab,
simulating a windy condition on a mast.
The larger antenna vendors have in the last years established test set-ups to verify IM
properties of their cellular antennas for 900 and 1800MHz. For 400MHz this is almost non-
existent. It is recommended that if a tested antenna cannot be purchased, then ask the
vendor to confirm that all construction principles are identical to those used in verified
antennas in the 900 or 1800 MHz range.
One very critical thing to remember about inter-modulation is, that it is very difficult to predict
accurately. For antenna constructions two factors heavily degrade the performance. Over
years connectors etc. starts to corrode, degrading IM. Additionally, IM properties can also
degrade under windy conditions. Therefore a short verification of a new antenna set-up after
installation does not guarantee performance in the longer term.

Doc. No.
Rev.
Date
1.00
2011-12-08
Damm Cellular Systems A/S, Denmark
TETRAFLEX® V7.5 MANUAL - Antenna System for BS41x
TetraFlex® 7.5
Manual
4-8
Inter-modulation can be calculated with the formulas:
3rd: f = 2xf1 – f2
5th: f = 3xf1 – 2xf2
7th: f = 4xf1 – 3xf2
RX frequencies should never be selected to be on frequencies, where 3rd-order IM is present
for high-power Base Stations. However, 3rd order IM is only possible with special Base
Stations with a TX frequency separation larger than the guard-band between RX and TX
bands.
For high power Base Stations running with Duplex Filter, 5th order should always be avoided,
and 7th-order should preferably be avoided as well.
The BS41x is provided with an RSSI indication accurate down the RX noise floor. This can be
easily used to check for disturbance from the transmitters.
First, display the RSSI for all carriers with the OM command:
B/21/1
Note the actual RSSI and the try to key all the transmitters simultaneously with the command:
B/10+
Check the RSSI again. The difference in RSSI indicates directly the reduction in sensitivity
due to disturbance from the Transmitters.

Doc. No.
Rev.
Date
1.00
2011-12-08
Damm Cellular Systems A/S, Denmark
TETRAFLEX® V7.5 MANUAL - TX Combiner for BS41x
TetraFlex® 7.5
Manual
4-9
4.2 TX COMBINER FOR BS41X
4.2.1 Introduction
The BS41x Tetra Radio Base Stations are provided with a TX combiner system to combine
all the installed transmitters to a single antenna.
The combiner system has the following requirements:
Combine the transmitters to a single feeder with lowest possible insertion loss.
o Give isolation between the TX input ports to avoid the signal from one transmitter to
reach the other transmitters and generate inter-modulation. The isolation
requirement is normally minimum 55dB in order to reach a suppression of the inter-
modulation signals of 70dB relative to the individual carriers.
o Filter the TX antenna output to reduce any unwanted signal in the receiver band of
the Base Station to be less than –106dBm in order to avoid interference in the
receiver with an TX/RX antenna separation of >=30dB.
o Make wide-band filtering of the TX output signal to avoid interference to other radio
equipment installed in the same mast.
Two different methods exist in order to combine several transmitters to a single antenna:
o Cavity Combiner (combining with filters)
o Hybrid Combiner (combining with 3-dB couplers)
The cavity combiner has the advantage that it can combine a high number of transmitters
selectively with almost constant insertion loss independent of the number of transmitters
used. The disadvantage of the Cavity Combiner is that it requires minimum frequency
spacing between each individual transmitter of minimum 175 kHz for the 400MHz band and
250 kHz for the 800MHz band.
The Hybrid Combiner has the advantage that is can combine transmitters with no frequency
spacing restrictions and without any adjustment. For a 2-way Hybrid Combiner the insertion
loss is almost equal to a Cavity Combiner. However to combine more transmitters the
insertion loss increases rapidly. The theoretical insertion loss for a 2-way hybrid is 3dB, for a
4-way hybrid 6dB and for an 8-way hybrid 9dB.
The BS412 2-carrier BS is provided with a hybrid combiner whereas the BS411 and BS414
as standard are provided with cavity combiners. The BS414 can however also be delivered
with a 4-way hybrid combiner.
4.2.2 Cavity combiner system
The Cavity combiner system consists of the TC411 TX Combiner 4-way module and the
TF411 TX Filter. Kits with junction and connection cables connects the units together.

Doc. No.
Rev.
Date
1.00
2011-12-08
Damm Cellular Systems A/S, Denmark
TETRAFLEX® V7.5 MANUAL - TX Combiner for BS41x
TetraFlex® 7.5
Manual
4-10
The schematics of the cavity combining system are shown below:
4.2.2.1 Circulator
The TX output signals come from the TR41x to the TC411 in cables attached to the
Cassettes. In the TC411 it first passes a dual circulator, which gives a reverse isolation of at
least 50dB.
A circulator is a very special device with different insertion loss in the two directions. It is a
passive but non-linear device, which do not follow Ohm’s law.
A circulator is a 3-port device, which behaves as a turn-around with the rule, that when you
enter a port you follow the direction of the arrow around and leave the first-coming outlet
again.
The function of a dual circulator is shown on the drawing below:

Doc. No.
Rev.
Date
1.00
2011-12-08
Damm Cellular Systems A/S, Denmark
TETRAFLEX® V7.5 MANUAL - TX Combiner for BS41x
TetraFlex® 7.5
Manual
4-11
The TX signal enters the port on the lower circulator and follows the green line. It enters the
first circulator, follows the arrow and leaves it again in the first-coming port. The same
happens in the second circulator. The TX signal passes the circulator with an insertion loss of
around 0.5dB.
Any signal entering the upper port in the reverse direction will follow the red line. This could
be the transmitter signal reflected at the cavity filter or at the antenna, or a signal from
another transmitter.
Most of the reverse signal will be dissipated in the big high-power resistor connected to the
first port. A diode detector connected to the resistor makes it possible to monitor the size of
the reverse signal.
Some of the signal will be reflected at the high-power resistor and follow the red line to the
low-power resistor on the next circulator, where most of the remaining signal will be
dissipated. However a small fraction will be reflected and end up at the TX input port. The
total rejection in the reverse direction will normally be higher than 50dB.
The size of the reverse signal can be monitored either by a voltmeter attached directly to the
Test Point or via the O&M interface and the TR41x or the TCC411. The test point is used for
adjustment of manually tuned combiners. The TR41x will also monitor the level on the TP
and generate an alarm if the reverse signal becomes too high.
Note, that when the Base Station runs without antenna or with the cavity filter tuned to a
wrong frequency, all the reflected power ends up in the high power resistor, which is
designed to dissipate the total transmitted power continuously. The PA of the TR41x will
always look into a perfect load as long as the cable is correctly connected between the
TR41x and the circulator.
4.2.2.2 Cavity Filter
From the Circulator the TX signal enters the Cavity filter to combine the TX signals
selectively. For the 400MHz range the cavity is a ¼ lambda TEM resonator with an unloaded
Q of about 10.000. For the 800MHz range the cavity is a ¾ lambda TEM resonator with an
unloaded Q of about 13.000.
The cavity is fully temperature compensated, and is tuned to the center frequency of the
transmitter either automatically with a stepper motor or optionally manually by hand.

Doc. No.
Rev.
Date
1.00
2011-12-08
Damm Cellular Systems A/S, Denmark
TETRAFLEX® V7.5 MANUAL - TX Combiner for BS41x
TetraFlex® 7.5
Manual
4-12
The TC411 module contains 4 cavity filters, which are internally combined together with a 4-
way ¼-lambda junction, which transforms the short circuit of the cavity at out-of-band
frequencies to open circuit at the junction point.
4.2.2.3 Junction cables
The TC411 combiner module can either be connected directly to the TF411 filter or expanded
with junction cables to 8 channels (optionally up to 16 channels). The junction cables are ½-
lambda (or multiply thereof) long in order to keep the high impedance for all out-band
frequencies in all junction points.
The junction cables are manufactured with extremely high precision and measured
individually for electrical length. Never try to create these cables on your own.
4.2.2.4 Filter connection cable
The combiner output from the junction point is connected to the TF411 TX output filter with a
cable with a specific electrical length. The electrical length is important for out-band
frequencies due to the serial connection of two filters.
4.2.2.5 TX output filter
The TF411 high-power TX output filter gives an additional rejection of the TX noise of 25dB in
the RX frequency band, which together with the cavity filters gives a total RX band rejection
of 60dB minimum.
The output connector of the filter is a DIN 7/16mm connector with good inter-modulation
properties.
The filter output also contains two directional couplers with BNC connectors with an
accurately adjusted coupling of -40dB and a directivity of minimum 25dB.

Doc. No.
Rev.
Date
1.00
2011-12-08
Damm Cellular Systems A/S, Denmark
TETRAFLEX® V7.5 MANUAL - TX Combiner for BS41x
TetraFlex® 7.5
Manual
4-13
4.2.2.6 Power measurement
The outputs of the two directional couplers are connected with BNC cables to the rear of
AI411, which contains two precision RMS detectors to convert the actual power into DC
current.
The current outputs are forwarded to the BSC412 Base Station Controller, which can display
the actual output and reflected power at the TX antenna connector.
The following OM commands can be used to check the output
F15/F (output and freq for each running TR412)
F13 (summarized output after combiner)
The AI411 is provided with two adjustments on the front plate, to allow accurate calibration of
the displayed power.
4.2.2.7 TCC411 TX Combiner Controller
The TC411 Cavity Combiner is equipped with the TCC411 TX Combiner Controller, which
controls the position of the stepper motors based on channel information received from the
TR41x Transceiver.
At power-up the Micro-Controller tunes the cavity to the upper mechanical end stop to know
its exact position.
When receiving a channel command from the TR41x the MC calculates the required motor
position and automatically tunes the cavity to the required position. The required motor
position is calculated from a calibration table inside the MC, created when the TC411 is
factory adjusted.
The channel command to the TCC411 is automatically generated in the TR41x when a
channel change is done.
If the TR41x is powered off or removed, the TCC411 will automatically after about 30
seconds in brackets return the cavity to the upper end stop to avoid it to interference with
other cavities.
The TCC411 is provided with an O&M interface and can be accessed from the BSC411.
The center frequency of the cavity can be fine adjusted with the 13 command in the TCC411.
This is normally not needed but could be done if e.g. the BS is placed at a high altitude,
where the air pressure is lower, which will increase the cavity frequency.

Doc. No.
Rev.
Date
1.00
2011-12-08
Damm Cellular Systems A/S, Denmark
TETRAFLEX® V7.5 MANUAL - TX Combiner for BS41x
TetraFlex® 7.5
Manual
4-14
4.2.3 BS414 4-way Hybrid Combiner system
The BS414 can optionally be fitted with a 4-way Hybrid Combiner module instead of the
Cavity Combiner. To compensate for the missing filtering in the cavity the TF411 is replaced
with the TF412 60dB TX Filter.
TH414 TF412
The TH414 consists of four dual circulators followed of a 3-dB Wilkinson combining tree
giving a theoretical insertion loss of 6dB.

Doc. No.
Rev.
Date
1.00
2011-12-08
Damm Cellular Systems A/S, Denmark
TETRAFLEX® V7.5 MANUAL - RX Multi coupler for BS41x
TetraFlex® 7.5
Manual
4-15
4.3 RX MULTI COUPLER FOR BS41X
4.3.1 Introduction
The purpose of the RX multi-coupler system is to distribute signals from the RX antennas to
the RX inputs of the TR41x Transceiver.
The Base Station is provided with two completely independent RX signal paths to connect the
two RX antennas.
The use of two RX antennas in a diversity scheme gives a considerably improvement in
sensitivity of the Base Station. The improvement is described in the Diversity Application
Note.
In addition the use of two RX antennas with completely separate signal paths gives
redundancy to the BS RX. If a fault occur in one leg of any of the components (antenna,
feeder, amplifier etc.), the BS will still be able to operate with the other antenna, only loosing
the sensitivity of the diversity gain.
The system includes as standard a Tower Mounted Amplifier to eliminate the sensitivity
degradation normally caused of the RX feeder loss. The TMA can compensate for up to 8dB
feeder loss with no change in RX sensitivity, allowing the use of thin feeders with a
considerably saving in feeder expenses. See the Antenna application note for antenna and
feeder configurations.
The Base Station is provided with an RF Test Loop feature, which allows a transmitter to
generate a test signal for test of the complete RX section, including measurement of RX
sensitivity at the TMA input and measurement of RX antenna return loss.
Dependent of the type of Base Station used, up to 16 TR41x can be connected to a single
Radio Cell, and up to 4 Radio Cells can be configured in a BSC411 Base Station Controller.
4.3.2 RX signal path description
The RX signal normally comes from the RX antenna to the TMA input with a short jumper
cable. The TMA is provided with an N-female connector.
Inside the TMA the signal first passes a dual directional coupler used to insert test signals in
forward and reverse directions. This feature is described in the RFTL section.
The signal then passes a big low-loss pre-selection filter. The input of the filter is DC
grounded to ensure that no DC voltage can be build-up on the antenna feeder. The filter has
the following specifications:
Parameter
400MHz
800MHz
Pass-band width
5MHz
14MHz
Guard-band width
5MHz
25MHz
Out-band rejection
60dB min.
60dB min.
The high 60dB out-band rejection ensures proper duplex operation of the Base Station. With
the required RX-TX antenna isolation of 30dB a total rejection of the TX signal of 90dB is

Doc. No.
Rev.
Date
1.00
2011-12-08
Damm Cellular Systems A/S, Denmark
TETRAFLEX® V7.5 MANUAL - RX Multi coupler for BS41x
TetraFlex® 7.5
Manual
4-16
obtained before reaching the first amplifier. The filter also ensures good rejection of signals
from other transmitters in the same mast.
The filter is followed of an LNA with a GaAs PHEMT transistor with simultaneous very low
noise figure and high IM intercept point.
The amplifier output goes to the N-female output connector, where the DC-feed from the BS
to supply the amplifier is extracted. An over-voltage arrestor is provided on the connector to
protect the amplifier during lightning.
The RX signal is then going from the TMA to the RX input connector on top of the BS through
the RX feeder, and further internally in the BS to the RM input of rear side of the AI411
Antenna Interface Unit.
The AI411 input is also provided with an over-voltage arrestor. After passing the DC insertion
circuit, the RX signal passes a directional coupler, which can be used to provide a test input
signal through the TNC connector on the AI411 front plate.
Afterwards follows the attenuator used to balance the RX feeder loss, adjustable through the
hole in the front plate marked “Gain”.
The signal is amplified in a low-noise high dynamic range transistor to compensate for the
following splitters. The AI411 is provided with two outputs coming from a 2-way Wilkinson
splitter.
The two outputs can either feed up to eight TR41x through external splitters with 13dB
insertion loss (used in 4- and 8-carrier BS versions) or feed two TR41x directly (used in the 2-
carrier BS version).
A jumper internally in the AI411 changes the output level with 13 dB to compensate for the
splitter. The actual setting of this jumper is marked outside the AI411 besides the type plate.
4.3.3 Supply and alarm circuits
Each RX path is provided with independent voltage regulators to feed the TMA and RM
amplifiers.
The TMA DC feed is provided with circuitry to detect low-current alarm (no TMA connection)
and low-voltage (TMA connection short-circuit).
Similarly the RM amplifier is provided with circuitry to detect low-current and high-current
alarms.
The alarms are connected to the BSC and send to the TR41x’s assigned to the particular
Radio Cell. If faults exist in one leg only, a warning alarm is generated. If alarms exist in both
legs, a blocking alarm is generated.
4.3.4 RF Test Loop path description

Doc. No.
Rev.
Date
1.00
2011-12-08
Damm Cellular Systems A/S, Denmark
TETRAFLEX® V7.5 MANUAL - TR412 Transceiver Description
TetraFlex® 7.5
Manual
4-17
The Base Station is provided with an RF Test Loop feature allowing extensive test of the
whole Base Station both locally and remotely without any additional equipment.
Each TR41x is provided with an RFTL output (BNC connector) on the front plate. The output
can be activated with either a high level output (-40dB relative to the TX output connector),
low level output (-50dBr) or turned off (<-80dBr).
The output signals are either combined in RFTL combiner modules and brought to the AI411
RFTL inputs (4- and 8-carrier versions) or brought directly to the AI411 inputs (2-carrier
versions).
In the AI411 the two inputs are combined, followed of and attenuator/jumper to compensate
for the loss of the external combiner. This setting always follows the similar settings in the
RM.
Afterwards follows a variable attenuator adjustable through the AI411 front hole marked IN.
This attenuator is used to compensate for output power selection of the TR41x.
The signal now enters a double balanced mixer, where the frequency is converted from the
TX band to the RX band. A Crystal oscillator running on the RX/TX duplex frequency offset
provides the injection signal.
The mixer is followed of a HPF and a buffer amplifier before it reaches the variable output
attenuator, accessible from the front of the AI411 through the hole marked OUT. This
attenuator is used to compensate for actual cable loss of the TEST feeder going to the TMA.
A combining circuit at the output connector allows the insertion of an external test signal from
the BNC connector on the AI411 front plate marked TEST IN.
At the output connector a DC control signal insertion circuit is provided to the TMA, together
with an over-voltage arrestor.
From the TNC output connector on the rear of the AI411 the test signal is connected
internally in the BS to the N-female TEST connector on the BS top, from where it goes to the
TMA in the top of the mast with a feeder similar to the RX feeders.
The TEST input in the TMA is also provided with an over-voltage arrestor and a DC
separation circuit.
In the TMA the test signal is divided in two, one for the A-path and one for the B-path. The
test signal is then inserted in either the forward direction of the two paths to the BS (-50dBr)
or optionally in the reverse direction against the antennas (-40dBr).
The direction is controlled of the DC signal in the TEST feeder and reverse direction can be
activated of each of the TR41x, when RX antenna return loss measurement is performed.

Doc. No.
Rev.
Date
1.00
2011-12-08
Damm Cellular Systems A/S, Denmark
TETRAFLEX® V7.5 MANUAL - TR412 Transceiver Description
TetraFlex® 7.5
Manual
4-18
4.4 TR412 TRANSCEIVER DESCRIPTION
4.4.1 Introduction
The TR412 Transceiver is a complete Tetra Carrier Unit containing a dual diversity receiver,
a highly linear transmitter and all the necessary computer power to handle the lower
protocols and control functions. The TR412 is an upgraded plug-in replacement for the
TR411.
The TR412 is able to run different modulation and protocol types depending on the actual
software running on the DSP and controller. The standard TETRA version also support
analogue PM modulation for testing purposes, to allow complete testing of a site with
analogue test equipment.
4.4.2 Receiver
The receiver contains two completely independent signal paths for dual diversity reception as
standard.
Each RX signal comes from the Receiver Multi-coupler system into the TR412 via the TNC
connector on the front plate, and is amplified with about 17dB in the RF amplifier, followed of
a 3-pole BPF.
The signal now enters 1st mixer, where it is converted down to 1st IF of 45MHz. 1st mixer is a
high-level double balanced mixer running with an injection level of +17dBm to obtain a high
dynamic range.
The 1st mixer is followed of a 4-pole 45MHz crystal filter, an IF amplifier with about 30dB gain
and a second 2-pole crystal filter. The crystal filters are of linear phase type to avoid distortion
of the digital modulation.
From the output of the second crystal filter the signal enters 2nd mixer, where it is converted
down to 2nd IF of 144kHz. The signal is then amplified and balanced with op-amps before it
goes from the RX Front End Board to the Main Board, where it is converted to digital.
The ADC samples the 2nd IF signal of 144kHz directly with a sampling frequency of 576kHz
and a resolution of 16bit. The digital signal is going to the DSP on a serial interface.
In the DSP the signal is first down-converted to base-band and is then passing the channel
definition filter, which determines the actual bandwidth of the receiver. In TETRA mode the
filter is the root-raised cosine filter.
Afterwards frame synchronization, diversity combination and demodulation takes place.
The Local Oscillators for the RX is generated on the RX FS board, locked to a 12.8MHz
reference coming from the Main Board.
1st LO is a Voltage Controlled Oscillator running either 45MHz below or above the actual
receiver frequency. The VCO is phase locked to the 12.8MHz reference with a fractional-N

Doc. No.
Rev.
Date
1.00
2011-12-08
Damm Cellular Systems A/S, Denmark
TETRAFLEX® V7.5 MANUAL - TR412 Transceiver Description
TetraFlex® 7.5
Manual
4-19
PLL circuit, controlled through a serial interface from the Micro-Controller. The VCO signal is
amplified to about +23dBm and brought to the RX Front End via the attached cable. Here it is
first filtered in a 3-pole ceramic filter before it is split into two +17dBm injection signals for the
two 1st mixers.
2nd LO is a Voltage Controlled X-tal Oscillator running on 44.856MHz and this is also phase-
locked to the 12.8MHz reference. The signal is amplifier to about +13dBm and brought in
another cable to the RX Front End, where it is split into two +7dBm injection signals for the
two 2nd mixers.
4.4.3 Transmitter
The transmitter of the TR412 is build around a Cartesian loop to meet the demanding TETRA
linearity requirements. The TX signal is generated directly on the transmit frequency to
optimize spurious and wide-band noise performance. The transmitter is able to deliver
60Wpep at the output connector of the TR412, equal to 25W TETRA.
The carrier frequency is generated of a Voltage Controlled Oscillator on the actual TX
frequency. The VCO is phase locked to the 12.8MHz reference coming from the Main Board
with a fractional-N PLL controlled through a serial interface from the MC. The VCO is running
independent of whether the TX is keyed.
The output signal from the VCO is amplified to about +23dBm and split into two signals, a
+11dBm signal for the I/Q modulator in the forward leg and a +21dBm signal for the I/Q de-
modulator in the feedback leg.
The I/Q modulation signals are generated directly of the DSP and send on a serial interface
to the dual 16-bit DAC with associated low pass filters. The I/Q signals acts as reference
signals for the Cartesian feed-back loop.
After the comparator comes a variable phase circuitry to adjust for the Cartesian loop phase
and the loop filter before the modulation is applied to the I/Q modulator. A linear amplifier
increases the output level from the Exciter to +14dBm pep.
The Power Amplifier consists of one LDMOS driver and one output transistor, delivering 60W
pep output power with good linearity. An attenuator in the input is used to fine adjust the total
gain of the Power Amplifier. Both transistors are running in class AB for an optimum
compromise between linearity and efficiency and are supplied with +26V DC.
After the PA four directional couplers are provided. A forward and a reverse coupler are used
for the Power Meter to allow the display of forward and reflected power. One directional
coupler is used to sample the output signal for the RFTL switch, and the last directional
coupler is used to take a sample of the output signal for the Cartesian loop feedback.
The feedback signal is brought back to the Exciter in a thin cable. After passing an attenuator
to adjust the level it enters the I/Q demodulator, where the signal is converted back to base-
band. After the base-band feedback amplifier the signal is compared with the I/Q modulation
reference signal from the two DAC.

Doc. No.
Rev.
Date
1.00
2011-12-08
Damm Cellular Systems A/S, Denmark
TETRAFLEX® V7.5 MANUAL - TR412 Transceiver Description
TetraFlex® 7.5
Manual
4-20
Running with a DSB signal with 60W pep the forward leg IM3 of about 30dBc. The linearity is
improved with the loop gain of about 40dB to reach the Adjacent Channel Power specification
for TETRA of 60dB with good margin.
Hardware and software support is provided for open-loop operation with different modulation
types to allow easy adjustment and test of the transmitter.
A dual RMS power detector is provided on the main board to permit the read-out of forward
and reflected power from the controller as well as for alarm monitoring.
At the TX output the RF Test Loop switch unit is provided with a BNC connector on the front
plate. This allows the controller to activate a test output from the TX with an accurately
calibrated level of –40dBr and –50dBr relative to the TX output. In off state the maximum
level of –80dBr.
4.4.4 Reference oscillators
The TR412 is normally running fully frequency and time synchronized with the BSC. The
synchronization is done with the 2.048MHz, the 8kHz and the 1sec. hardware signals and the
1 sec. HDLC message, all coming from the BSC.
The TR412 contains a 12.8MHz VCXO, which is phase locked to the 2.048MHz input signal.
This acts as reference for the RX and TX frequencies.
The TR412 also contains a 36.864MHz VCXO, which is phase locked to the 8kHz input
signal. This acts as clock reference for the controller, the DSP and for the ADC and DAC and
thereby the TETRA symbol-generation.
The TX and RX TETRA framing is normally time synchronized to the 1-second hardware
input signal together with the information provided in the HDLC message. This ensures that
all TETRA counters are running synchronized on the whole BS. If GPS synchronization is
present on the BSC, it will also run synchronized with surrounding Base Stations.
4.4.5 DSP
The TR412 is provided with a single high performance DSP handling modulation and de-
modulation task directly in software. This gives a high degree of freedom to adapt to any
changes necessary. When running in TETRA mode the DSP also handles the LMAC and
UMAC protocol parts.
The DSP is connected directly via its serial interface to the PCM highway on the back-plane.
Four timeslots are reserved for each TR position. All circuit-mode communication is going this
way to the PCM switch in the BSC.
The MC is connected to the DSP through its host port and controls its functionality, including
software installation and booting. All packed-type communication also passes the host port of
the DSP and goes to the BSC via the MC and the HDLC bus.

Doc. No.
Rev.
Date
1.00
2011-12-08
Damm Cellular Systems A/S, Denmark
TETRAFLEX® V7.5 MANUAL - TR412 Transceiver Description
TetraFlex® 7.5
Manual
4-21
4.4.6 Micro Controller
The MC is handling the over-all administration of the TR412.
The MC is provided with 1024kByte segmented FLASH memory, containing all the code for
the MC as well as for the DSP. One segment contains the boot program, which is used
during start-up and software download from the BSC. A 50-pin connector inside the TR412
allows the insertion of an external boot card, which is needed to update the internal boot
section. Two segments of the FLASH memory are used to save the factory and system
configuration of the TR412.
One of the MC’s internal HDLC controllers is used to communicate with the BSC via the
HDLC bus and carries all message type communication with the BSC, including TETRA
messages, packed-type voice and date, O&M and house-keeping.
Its UART is connected to the UART bus giving an alternative way of O&M communication.
The MC is provided with a watchdog, which will make a restart of the TR at improper
operation of the software.

Doc. No.
Rev.
Date
1.00
2011-12-08
Damm Cellular Systems A/S, Denmark
TETRAFLEX® V7.5 MANUAL - RX Diversity for BS41x
TetraFlex® 7.5
Manual
4-22
4.5 RX DIVERSITY FOR BS41X
The BS41x TETRA Base Stations are provided with a dual RX diversity scheme allowing the
connection of two RX antennas simultaneously to improve the RX sensitivity.
The Base Station can run with only one antenna connected. Connecting a second antenna
can however give a considerably improvement of the total BS sensitivity, especially under
fading conditions. It is therefore highly recommended to make use of the dual diversity
receiver feature.
The BS41x runs with a typical TX output power of about 10 W Tetra at the rack connector.
Compared with the typical output power of 1W of a handheld mobile station, a difference of
about 10dB in the link budget exists between down-link and up-link, if the same RX sensitivity
is present.
Considerably effort has been made in the BS41x to improve RX sensitivity to compensate for
the low output power of the handheld subscriber units.
The use of an RX Tower Mounted Amplifier removes the influence of the RX feeders,
effectively improving the link balance with the loss of the TX feeder, which could be 2 dB for a
typical system.
The use of a dual RX antenna diversity system (space diversity) can improve the sensitivity of
BS receiver by up to 7 dB and thereby almost compensate for the remaining difference in the
link budget.
This application note describes the implemented diversity scheme of the BS41x and gives
typical measured sensitivities and diversity improvements under various conditions.
4.5.1 Diversity implementation
The dual diversity system is implemented with two completely independent receive sections
from the RX antenna via the TMA, feeder and RX multi-coupler into the carrier unit. In the
carrier unit two independent RX sections exists with first and second IF and two Analog-to-
Digital converters connected directly to the DSP.
The DSP thereby receives two completely independent RX signals. First it tries to recover the
timing synchronization independently of the two signals and to make a signal quality
evaluation.
If the two signals are not very different in quality, they will be added and the combined signal
will be used to improve the sensitivity.
If the two signals are very different in quality the best signal will be selected and the other
signal will not be used. This is done when the addition of the bad signal to the good one
reduces the sensitivity.

Doc. No.
Rev.
Date
1.00
2011-12-08
Damm Cellular Systems A/S, Denmark
TETRAFLEX® V7.5 MANUAL - RX Diversity for BS41x
TetraFlex® 7.5
Manual
4-23
The improvement of sensitivity is considerably under fading conditions. If the two received
signals are close to being uncorrelated, the probability, that a low input signal level is present
on both inputs simultaneously becomes low, effectively removing the fading.
The sensitivity will however also be improved under static conditions, when the two signals
are fully correlated. Here close to a 3dB improvement in sensitivity is achieved. This is the
same result as if the two antennas were combined directly, however without the problem in
obtaining the correct phase of the combination.
The gain of combining under static conditions can also be seen from the result of the
combining process. If two equal signals are added, the two input signals are added,
effectively giving the double input voltage equal to an increase in input signal of 6dB. The
noise is also added. However the two noise signals are fully uncorrelated, and adding the
power of the two signals only gives an increase in noise of 3dB. The difference between the
6dB and the 3dB gives the resulting improvement of sensitivity under static conditions of 3dB.
The same improvement of 3 dB is achieved if two signals with fully correlated fading are
present. When the two received signals become uncorrelated, the sensitivity improvement
will increase.
In the following sections graphs are shown with typical measured RX sensitivity
improvements under various conditions.
4.5.2 Diversity gain versus correlation factor
This curve shows the diversity gain (RX sensitivity improvement) for an SCH/F channel
(signaling channel) with TU50 fading profile and an MER (Message Error Rate) of 4.7%.
For two fully correlated signals the gain is almost 3dB as described. When the correlation
factor approaches zero, the diversity gain is about 7.5 dB.
0
1
2
3
4
5
6
7
8
00,2 0,4 0,6 0,8 1
Diversity gain
Correlation
Diversity gain/Correlation

Doc. No.
Rev.
Date
1.00
2011-12-08
Damm Cellular Systems A/S, Denmark
TETRAFLEX® V7.5 MANUAL - RX Diversity for BS41x
TetraFlex® 7.5
Manual
4-24
4.5.3 BER versus input signal TCH7.2
These curves show the measured BER (Bit Error Rate) for a standard TCH7.2 traffic channel
with the TU50 fading profile. The correlation factor between the two signals is 0.2.
4.5.4 MER versus input signal SCH/F
These curves show the measured MER (Message Error Rate) for a standard SCH/F
(Signaling Channel Full) with the TU50 fading profile. The correlation factor between the two
signals is 0.2.
0
1
2
3
4
5
6
7
8
9
10
-120 -115 -110 -105 -100 -95 -90 -85
BER %
dBm.
BER vs. Input level TCH7.2 TU50
Only
RXA
Diversit
y

Doc. No.
Rev.
Date
1.00
2011-12-08
Damm Cellular Systems A/S, Denmark
TETRAFLEX® V7.5 MANUAL - RX Diversity for BS41x
TetraFlex® 7.5
Manual
4-25
0
5
10
15
20
25
30
-120 -115 -110 -105 -100
MER %
dBm input
TCH/F MER vs. Input level
RXA
Diversity

Doc. No.
Rev.
Date
1.00
2011-12-08
Damm Cellular Systems A/S, Denmark
TETRAFLEX® V7.5 MANUAL - Power Supply for BS41x
TetraFlex® 7.5
Manual
4-26
4.6 POWER SUPPLY FOR BS41X
4.6.1 Introduction
The BS41x Base Stations are provided with a flexible Power Supply scheme allowing it to run
in a variety of different configurations. It can run from either mains AC directly, run from a DC
battery source or a combination hereof with battery charging.
The different BS versions have space for from 2 to 4 PS411 Power Supply units running in
parallel with full power share on all sections. Redundant n+1 operation is provided as all
Base Stations can run with full specification with one PS411 out of operation.
All the variants can be connected with an external –48V lead-acid battery and has all the
needed circuitry to charge the battery
The PS411 Power Supply contains 4 major parts:
AC Rectifier providing –48V DC
DC/DC converter providing +26VDC (for the TX PA)
DC/DC converter providing +14V DC (for all other BS parts)
Microprocessor (for charging control, monitoring and alarm generation)
The following number of PS411 is needed depending on the number of carriers installed in
the Base Station:
Carriers
No redundancy
N+1 redundancy
1 carrier
1 x PS411
2 x PS411
2 carriers
1 x PS411
2 x PS411
3 carriers
2 x PS411
3 x PS411
4 carriers
2 x PS411
3 x PS411
5 carriers
2 x PS411
3 x PS411
6 carriers
3 x PS411
4 x PS411
7 carriers
3 x PS411
4 x PS411
8 carriers
3 x PS411
4 x PS411
4.6.2 Rectifier
The Rectifier section converts the mains AC input to –48VDC, which can charge the battery
and feed the two DC/DC converters. The connection of the battery is optional.
The Rectifier accepts a wide voltage input range, supporting the 3 different standards used
worldwide, namely 100V, 115V and 230V. It also accepts both 47Hz and 63Hz. No jumper or
setting changes are needed to switch between the variants. However a change of the size of
the fuse mounted from the front of the PS411 is needed when changing from 230V to
100/115V. The values are marked on the front plate.
The –48V DC output is fed to a common –48V power rail on the back plane of the cassette. A
power sharing circuit ensures close to equal load on all inserted PS411.

Doc. No.
Rev.
Date
1.00
2011-12-08
Damm Cellular Systems A/S, Denmark
TETRAFLEX® V7.5 MANUAL - Power Supply for BS41x
TetraFlex® 7.5
Manual
4-27
The actual produced output voltage depends of the configuration. When battery charging is
active, the delivered output voltage will vary around 54V, controlled of the micro-controller.
The accurate value is determined of the charging voltage setting, consisting of a fixed voltage
part and an associated temperature compensation setting.
When charging is not selected or the external temperature sensor is not working, the rectifier
will deliver 48.0V fixed.
Two different connections are provided on the back plane:
–48V Battery connection
–48V DC external load
The –48V battery connection is provided with a current sensor to measure the actual battery
charge/discharge current.
The –48V DC external load connection allows the Base Station to drive external units, e.g.
Ethernet switches, E1 modems etc.
4.6.3 +14V and +26V DC/DC converters
The PS411 Power Supply contains two independent DC/DC converters providing +14V and
+26V respectively from the –48V DC input.
The outputs are fed to two power rails on the back plane. Independent power-share circuits
on each converter ensures about equal load on all inserted PS411.
The input to the two converters comes from the external –48V rail. An internal feed is also
provided allowing the converters to run even if the external –48V rail is short-circuiting to
ground.
The DC/DC converters are able to run on –48V as provided of the rectifier or an external
battery.
The input of the DC/DC converters are provided with an under-voltage detector to turn off the
load on the battery when nearly discharged to prevent deeply discharge of the battery, which
could affect its lifetime. The turn-on voltage is about 45V DC and the turn-off voltage about
40V DC. The 5V hysteresis is provided to prevent oscillations between on and off.
4.6.4 Micro-controller

Doc. No.
Rev.
Date
1.00
2011-12-08
Damm Cellular Systems A/S, Denmark
TETRAFLEX® V7.5 MANUAL - Power Supply for BS41x
TetraFlex® 7.5
Manual
4-28
The PS411 is provided with a micro-controller to allow close monitoring of the actual
operating condition of the Power Supply. In addition the micro-controller also controls the
battery charging voltage.
The PS411 is connected to HDLC-bus in the Base States as well as the serial UART
interface. O&M communication is possible on both interfaces.
The PS411 is provided with internal resident settings to hold the charging configurations etc.
When used in a BS41x these settings will normally be overwritten of the common
configuration received from the active BSC at power-up. The yellow power led on front of the
PS411 will flash until the configuration from the BSC is received.

Doc. No.
Rev.
Date
1.00
2011-12-08
Damm Cellular Systems A/S, Denmark
TETRAFLEX® V7.5 MANUAL - Hardware Unit References
TetraFlex® 7.5
Manual
5-1
Part-5: Hardware Units

Doc. No.
Rev.
Date
1.00
2011-12-08
Damm Cellular Systems A/S, Denmark
TETRAFLEX® V7.5 MANUAL - Hardware Unit References
TetraFlex® 7.5
Manual
5-2
5.1 HARDWARE UNIT REFERENCES
Description
Doc. No.
Indoor:
BS 414 Base Station 4-Carrier
D100200-REF
BS 411 Base Station 8-Carrier
D100300-REF
BS 411 Base Station 8-Carrier High Power
D100300 HP-REF
BSC412 Base Station Controller
D104211-REF
TR412 Transceiver
D104011-REF
CAB411 BS Cabinet for BS411
D104811-REF
CAS411 TR Cassette for BS411
D104307-REF
CAS414 Cassette for BS414
D104306-REF
CAS417 PS Cassette
D104352-REF
CON411 Connection Box
D104803-REF
External Battery kit for BS41x
D104260-REF
PS411 Power Supply with rectifier
D104251-REF
RMD411 Dual 8-way div.
D104431-REF
RMD414 Dual 4-way div.
D104441-REF
RTC411 RFTL 8-way combiner
D104451-REF
RTC414 RFTL 4-way combiner
D104461-REF
TC411 4-way TX combiner
D104601-REF
TF411 TX filter 25dB
D104701-REF
TH414 4-way hybrid combiner
D104661-REF
TMD412 Tower mounted duplexer
D104531-REF
AI411 Ant. Interface
D104401-REF
Outdoor:
BS421 Base Station Outdoor
D105001-REF
SB421 Service Box, 1,4GHz
D105101-REF
CS421 2-way Combiner/Splitter
D105911-REF
External log units:
External log workstation
D105638-REF
External log server
D105639-REF

Doc. No.
Rev.
Date
1.00
2011-12-08
Damm Cellular Systems A/S, Denmark
TETRAFLEX® V7.5 MANUAL - Recommended hardware
TetraFlex® 7.5
Manual
5-3
5.2 RECOMMENDED HARDWARE
The following hardware represents the items used at DAMM
These items are not mandatory, but the list indicates items which are tested, and thus can be
recommended for use
All listed items may be purchased from DAMM
If this recommendation is not used, it is mandatory to procure hardware with similar of better
characteristic to ensure a problem free operation of the system
DAMM item
No.
Description
Page No.
880014
Sealed coaxial cable got BS to BS and BS to Antenna
5-4
105091
Ethernet Cable (Reel of 150m)
5-6
105092
Ethernet Cable (Reel of 500m)
5-6
105093
Power cable BS/BSC421 (Reel of 150m)
5-10
105094
Power cable BS/BSC421 (Reel of 500m)
5-10
798001
Internal Battery SB421 1 piece (4 total in SB421)
5-11
823001
GPS antenna
5-13

Doc. No.
Rev.
Date
1.00
2011-12-08
Damm Cellular Systems A/S, Denmark
TETRAFLEX® V7.5 MANUAL - Recommended hardware
TetraFlex® 7.5
Manual
5-4
5.2.1 Sealed Coaxial cable 880014

Doc. No.
Rev.
Date
1.00
2011-12-08
Damm Cellular Systems A/S, Denmark
TETRAFLEX® V7.5 MANUAL - Recommended hardware
TetraFlex® 7.5
Manual
5-5

Doc. No.
Rev.
Date
1.00
2011-12-08
Damm Cellular Systems A/S, Denmark
TETRAFLEX® V7.5 MANUAL - Recommended hardware
TetraFlex® 7.5
Manual
5-6
5.2.2 Ethernet cable 105091 / 105092

Doc. No.
Rev.
Date
1.00
2011-12-08
Damm Cellular Systems A/S, Denmark
TETRAFLEX® V7.5 MANUAL - Recommended hardware
TetraFlex® 7.5
Manual
5-7

Doc. No.
Rev.
Date
1.00
2011-12-08
Damm Cellular Systems A/S, Denmark
TETRAFLEX® V7.5 MANUAL - Recommended hardware
TetraFlex® 7.5
Manual
5-8

Doc. No.
Rev.
Date
1.00
2011-12-08
Damm Cellular Systems A/S, Denmark
TETRAFLEX® V7.5 MANUAL - Recommended hardware
TetraFlex® 7.5
Manual
5-9

Doc. No.
Rev.
Date
1.00
2011-12-08
Damm Cellular Systems A/S, Denmark
TETRAFLEX® V7.5 MANUAL - Recommended hardware
TetraFlex® 7.5
Manual
5-10
5.2.3 Power cable 105093 / 105094

Doc. No.
Rev.
Date
1.00
2011-12-08
Damm Cellular Systems A/S, Denmark
TETRAFLEX® V7.5 MANUAL - Recommended hardware
TetraFlex® 7.5
Manual
5-11
5.2.4 SB421 internal battery 7980001

Doc. No.
Rev.
Date
1.00
2011-12-08
Damm Cellular Systems A/S, Denmark
TETRAFLEX® V7.5 MANUAL - Recommended hardware
TetraFlex® 7.5
Manual
5-12

Doc. No.
Rev.
Date
1.00
2011-12-08
Damm Cellular Systems A/S, Denmark
TETRAFLEX® V7.5 MANUAL - Recommended hardware
TetraFlex® 7.5
Manual
5-13
5.2.5 GPS antenna 8230001

Doc. No.
Rev.
Date
1.00
2011-12-08
Damm Cellular Systems A/S, Denmark
TETRAFLEX® V7.5 MANUAL - Recommended hardware
TetraFlex® 7.5
Manual
xiv
5.2.6 MPE declaration

Doc. No.
Rev.
Date
1.00
2011-12-08
Damm Cellular Systems A/S, Denmark
TETRAFLEX® V7.5 MANUAL - Recommended hardware
TetraFlex® 7.5
Manual
xv
Part-6: List of Figures & Index

Doc. No.
Rev.
Date
1.00
2011-12-08
Damm Cellular Systems A/S, Denmark
TETRAFLEX® V7.5 MANUAL - List of Figures
TetraFlex® 7.5
Manual
xvi
6.1 LIST OF FIGURES
FIGURE 1-1: SB421 VARIANTS 1-3
FIGURE 1-2: BSC421 1-4
FIGURE 1-3: BSC LED'S 1-5
FIGURE 1-4: FUSE LISTING 1-6
FIGURE 1-5: INTERCONNECTION BOARD 1-7
FIGURE 1-6: TR CONNECTION MODULE 1-7
FIGURE 1-7: LAN/WAN AND RJ-45 PLUG 1-8
FIGURE 1-8: SEC CONNECTIONS 1-9
FIGURE 1-9: TEMPERATURE SENSOR CONNECTION 1-11
FIGURE 1-10: INTERCONNECTION BOARD JUMPERS 1-12
FIGURE 1-11: CABLE ASSEMBLY 1-13
FIGURE 1-12: INTERNAL BATTERY ASSEMBLY 1-14
FIGURE 1-13: INTERCONNECTION MODULE 1-15
FIGURE 1-14: TEMPERATURE SENSOR 1-15
FIGURE 1-15: BS421 MAIN COMPONENTS 1-18
FIGURE 1-16: SINGLE CARRIER 1-19
FIGURE 1-17: DUAL CARRIER 1-19
FIGURE 1-18: POWER CONNECTION 1-20
FIGURE 1-19: SYSTEM CONNECTOR 1-21
FIGURE 1-20: LEVEL ADJUSTMENT 1-24
FIGURE 1-21: GROUNDING 1-24
FIGURE 1-22: ANTENNA CONNECTORS 1-25
FIGURE 1-23: POWER SELECTION 1-26
FIGURE 1-24: POWER TERMINALS 1-26
FIGURE 1-25: TEMPERATURE SENSOR CONNECTION 1-26
FIGURE 1-26: MAINS CONNECTION BLOCK 1-27
FIGURE 1-27: CONNECTION BOX 1-29
FIGURE 1-28: CB412 CONNECTION BOARD 1-29
FIGURE 2-1: DONGLE COMBINATIONS 2-40
FIGURE 2-2: DONGLE READOUT 2-41
FIGURE 2-3: MISCELLANEOUS 2-55
FIGURE 2-4: BOOT CONFIGURATION 2-56
FIGURE 2-5: DISPLAY CONFIGURATION 2-56
FIGURE 2-6: I/O SELECTION 2-57
FIGURE 2-7: PORT CONFIGURATION 2-57
FIGURE 2-8: BIOS MAIN SELECTION 2-58
FIGURE 2-9: USER TYPE CHANGE 2-58
FIGURE 2-10: START MACMAKEUP APPLICATION 2-59
FIGURE 2-11: CHANGE MAC 2-60
FIGURE 2-12: DHCP SETUP 2-61
FIGURE 2-13: DHCP REDUNDANT SETUP 2-62
FIGURE 2-14: STATIC IP SETUP 2-64
FIGURE 2-15: TETRAOM IP DEFINITION 2-64
FIGURE 2-16: NK.BIN COPY 2-68
FIGURE 2-17: CONFIGURE ADMIN AND USER 2-68

Doc. No.
Rev.
Date
1.00
2011-12-08
Damm Cellular Systems A/S, Denmark
TETRAFLEX® V7.5 MANUAL - List of Figures
TetraFlex® 7.5
Manual
xvii
FIGURE 2-18: CONFIGURE HOST NAME 2-69
FIGURE 2-19: CONFIGURE USER AND PASSWORD 2-70
FIGURE 2-20: 1 SECOND SYNC INDICATORS 2-76
FIGURE 2-21: NETWORK MANAGEMENT MAIN SCREEN 2-88
FIGURE 22: THE DAMM-GLOBAL-MODULE 2-92
FIGURE 2-23: VOICE GATEWAY STATUS 2-111
FIGURE 2-24: VOICE GW IP 2-111
FIGURE 2-25: GATEKEEPER REGISTRATION 2-112
FIGURE 2-26: OBJECTS IN PABX MODE (EXAMPLE) 2-113
FIGURE 2-27: ROUTE TABLE EXAMPLE 2-113
FIGURE 2-28: API FUNCTION 2-121
FIGURE 2-29: APPLICATION SUBSCRIBER 2-123
FIGURE 2-30: CONFIGURATION METHODS. CONFIGURATION FILE AND DISPATCHER CONNECTION 2-125
FIGURE 2-31: NODE DONGLE FIGURE 2-32: CLIENT DONGLE 2-126
FIGURE 2-33: C# TEST 2-128
FIGURE 2-34: C# TEST API 2-128
FIGURE 2-35: C# TEST API CONNECTION 2-129
FIGURE 2-36: TETRAOM CONNECTIONS 2-129
FIGURE 2-37: API CONNECTION STATUS 2-130
FIGURE 2-38: GUI WINDOW 2-130
FIGURE 2-39: SUBSCRIBER WINDOW 2-131
FIGURE 2-40: IP PING 2-132
FIGURE 2-41: OM CONNECTION 2-137
FIGURE 2-42: TETRAOM COMMUNICATIONS WINDOW 2-138
FIGURE 2-43: TR IDENTITY 2-139
FIGURE 2-44: OM HELP 2-140
FIGURE 2-45: OM HELP 2-140
FIGURE 2-46: OM SYNTAX 2-141
FIGURE 2-47: VNC PICTURE 2-148
FIGURE 2-48: VNC MY DEVICE 2-148
FIGURE 2-49: VNC CF CARD DIRECTORY 2-149
FIGURE 2-50: FILE TRANSFER 2-149
FIGURE 2-51: TR SETUP AND SYNC 2-150
FIGURE 2-52: BACKBONE NETWORK PRINCIPLE 2-152
FIGURE 2-53: BSC MULTICAST SETTINGS 2-154
FIGURE 2-54: APPLICABLE OM COMMANDS 2-154
FIGURE 2-55: ADDING PERSISTENT ROUTE ENTRY 2-156
FIGURE 2-56: ADDRESSING EXAMPLES 2-158
FIGURE 2-57: VIEWING IP CONFIGURATION 2-159
FIGURE 2-58: APPLICABLE OM COMMANDS 2-159
FIGURE 2-59: IP CONFIGURATION OF LAN INTERFACE CARD 2-160
FIGURE 3-1: BSC-GUI 3-4
FIGURE 3-2: NETWORK MANAGEMENT MAIN SCREEN 3-9
FIGURE 3-3: NM TOOLBAR 3-9
FIGURE 3-4: NM COMMAND LINE 3-10
FIGURE 3-5: NETWORK 3-10
FIGURE 3-6: TETRAOM PATH 3-11
FIGURE 3-7: LOG CLIENT PATH SETUP 3-11
FIGURE 3-8: REMOTE DESKTOP SETUP 3-11
FIGURE 3-9: LANGUAGE SELECTION 3-12
FIGURE 3-10: SECURITY SETTING 3-12
FIGURE 3-11: ALARM SOUND CONFIGURATION 3-13
FIGURE 3-12: APPLICATION SELECT AND ALARMS 3-14
FIGURE 3-13: NODE OPTIONS SHOWING ACTIVE AND STANDBY BSC 3-16
FIGURE 3-14: STATUS 3-17
FIGURE 3-15: MAP 3-18
FIGURE 3-16: BSC LIST 3-19
FIGURE 3-17: OM COMMAND S13 - VOICE GATEWAY STATUS 3-28

Doc. No.
Rev.
Date
1.00
2011-12-08
Damm Cellular Systems A/S, Denmark
TETRAFLEX® V7.5 MANUAL - List of Figures
TetraFlex® 7.5
Manual
xviii
FIGURE 3-18: SUBSCRIBER PROFILE 3-35
FIGURE 3-19: SUBSCRIBER PROFILE CONFIGURATION 3-36
FIGURE 3-20: SERVICE RESTRICTIONS 3-37
FIGURE 3-21: RADIO CELL RESTRICTIONS 3-39
FIGURE 3-22: SUBSCRIBER CLASS 3-39
FIGURE 3-23: PROFILE SECURITY MODE 3-40
FIGURE 3-24: TEA DETAILS 3-41
FIGURE 3-25: SHORT NUMBER DETAILS 3-41
FIGURE 3-26: SUBSCRIBER DETAILS 3-45
FIGURE 3-27: CALL TRANSFER DETAILS 3-46
FIGURE 3-28: GROUP SUBSCRIBER 3-47
FIGURE 3-29: GROUP INCLUDE 3-47
FIGURE 3-30: APPLICATION SUBSCRIBER 3-48
FIGURE 3-31: SECURITY KEY 3-51
FIGURE 3-32: KEY PRINCIPLES 3-55
FIGURE 3-33: DISPATCHER MAIN WINDOW 3-58
FIGURE 3-34: DISPATCHER TOOL BAR 3-59
FIGURE 3-35: VIEWS 3-59
FIGURE 3-36: CONNECTION CONFIGURATION 3-60
FIGURE 3-37: DISPATCHER CONFIGURATION 3-61
FIGURE 3-38: LANGUAGE SETTING 3-62
FIGURE 3-39: MAP VIEW (GOOGLE) 3-64
FIGURE 3-40: MOBILE POSITIONS STORAGE 3-66
FIGURE 3-41: ONTRAK ALARM BOX 3-67
FIGURE 3-42: SUBSCRIBER REGISTER 3-68
FIGURE 3-43: SUBSCRIBER REGISTER CHANGE 3-69
FIGURE 3-44: PHONEBOOK 3-70
FIGURE 3-45: SEARCH DIALOGUE 3-71
FIGURE 3-46: GROUP CALL DIALOGUE 3-73
FIGURE 3-47: INDIVIDUAL CALL DIALOGUE 3-74
FIGURE 3-48: ASSOCIATED ORGANIZATIONS 3-75
FIGURE 3-49: FAVORITES 3-75
FIGURE 3-50: SUBSCRIBER VIEW 3-76
FIGURE 3-51: ACTIVE CALL WINDOW WITH GROUP CALLS 3-77
FIGURE 3-52: CALL VOLUME CONTROL 3-77
FIGURE 3-53: ACTIVE CALL WINDOW WITH MASTER PTT 3-78
FIGURE 3-54: FIXED GROUP INDICATION 3-79
FIGURE 3-55: VOICE CALL OPTION 3-80
FIGURE 3-56: ALWAYS DISPLAYED 3-80
FIGURE 3-57: CAD SERVICE RESTRICTIONS 3-81
FIGURE 3-58: CALL MERGE 3-82
FIGURE 3-59: EMERGENCY CALL 3-82
FIGURE 3-60: MISSED EMERGENCY CALL 3-82
FIGURE 3-61: MISSED EMERGENCY CALL 3-82
FIGURE 3-62: VOICE CALL HISTORY 3-83
FIGURE 3-63: DGNA GROUP ASSIGNMENT 3-84
FIGURE 3-64: DGNA SUBSCRIBER SELECTION 3-84
FIGURE 3-65: DGNA SUBSCRIBER ASSIGNMENT 3-85
FIGURE 3-66: DGNA DRAG AND DROP SELECTION 3-85
FIGURE 3-67: DGNA ASSIGNMENT 3-86
FIGURE 3-68: DGNA DE-ASSIGN 3-86
FIGURE 3-69: DGNA DE-ASSIGNED TERMINALS 3-86
FIGURE 3-70: INDIVIDUAL SUBSCRIBER DGNA HISTORY 3-87
FIGURE 3-71: GROUP DGNA HISTORY 3-87
FIGURE 3-72: SDS INBOX 3-87
FIGURE 3-73: SDS OUTBOX 3-88
FIGURE 3-74: SDS DETAILS 3-88
FIGURE 3-75: EMERGENCY SDS 3-89

Doc. No.
Rev.
Date
1.00
2011-12-08
Damm Cellular Systems A/S, Denmark
TETRAFLEX® V7.5 MANUAL - List of Figures
TetraFlex® 7.5
Manual
xix
FIGURE 3-76: POSITIONING GOOGLE 3-90
FIGURE 3-77: OVERLAY ON GOOGLE MAP 3-92
FIGURE 3-78 TETRAFLEX® NETWORK WITH LOG SERVER 3-97
FIGURE 3-79 LOG CLIENT SETTING VIEW –DATABASE TAB 3-98
FIGURE 3-80 BACKUP DESTINATION LOGIN CREDENTIALS 3-99
FIGURE 3-81 NEXT SCHEDULED MAINTENANCE TASK 3-99
FIGURE 3-82 CONFIRM MANUAL MAINTENANCE 3-99
FIGURE 3-83 FOLLOW MAINTENANCE PROGRESS 3-100
FIGURE 3-84 MAINTENANCE HISTORY 3-100
FIGURE 3-85 ADDITIONAL INFO MAINTENANCE 3-101
FIGURE 3-86 BACKED UP FILES 3-102
FIGURE 3-87 SELECTION THE DATABASE BACKUP 3-102
FIGURE 3-88 BACKUP RESTORED 3-103
FIGURE 3-89: LOG CLIENT - MAIN WINDOW 3-104
FIGURE 3-90: CONFIGURATION DIALOG EXAMPLE 3-105
FIGURE 3-91: EXPORT DIALOG EXAMPLE 3-105
FIGURE 3-92: NODE 3-106
FIGURE 3-93: RADIO, ALARM 3-106
FIGURE 3-94: RADIO, TIMESLOT 3-107
FIGURE 3-95: RADIO, CONGESTION 3-107
FIGURE 3-96: VOICE GW, ALARMS 3-108
FIGURE 3-97: VOICE GW, CHANNELS 3-108
FIGURE 3-98: VOICE GW, CONGESTION 3-109
FIGURE 3-99: PACKET DATA GW, ALARMS 3-109
FIGURE 3-100: APPLICATION GW, ALARMS 3-110
FIGURE 3-101: APPLICATION GW, CONNECTIONS 3-110
FIGURE 3-102: LOG CLIENT, CALL DATA RECORDS 3-111
FIGURE 3-103: LOG CLIENT. ADDITIONAL CALL INFO 3-111
FIGURE 3-104: LOG CLIENT, LATEST MS REGISTRATIONS 3-112
FIGURE 3-105: LOG CLIENT, MS REGISTRATION HISTORY 3-113
FIGURE 3-106: LOG CLIENT, MS RSSI HISTORY 3-113
FIGURE 3-107: LOG CLIENT, STATUS VIEW 3-114
FIGURE 3-108: LOG CLIENT, STATUS SUBSCRIBER REGISTER 3-115
FIGURE 3-109: LOG CLIENT, RADIO STATUS 3-115
FIGURE 3-110: LOG CLIENT, RADIO CONFIG 3-116
FIGURE 3-111: LOG CLIENT, VOICE GW 3-116
FIGURE 3-112: LOG CLIENT, STATUS PACKET DATA GW 3-116
FIGURE 3-113: LOG CLIENT. STATUS APP GW 3-117
FIGURE 3-114: LOG CLIENT, SETTINGS DATABASE 3-118
FIGURE 3-115: LOG CLIENT, NODE INFORMATION 3-119
FIGURE 3-116: LOG CLIENT, SUBSCRIBER LIST 3-120
FIGURE 3-117: LOG CLIENT, SOUND SETTINGS 3-121
FIGURE 3-118: LOGSERVER LICENSES 3-122
FIGURE 3-119: LOGSERVER CONFIG 3-123

Doc. No.
Rev.
Date
1.00
2011-12-08
Damm Cellular Systems A/S, Denmark
TETRAFLEX® V7.5 MANUAL - Alphabetic Index
TetraFlex® 7.5
Manual
xx
6.2 ALPHABETIC INDEX
A
ADU200 · 3-67, 3-82, 3-89
always displayed · 3-77
Always Displayed · 3-80
Always shown · 3-77
API · 18, 2-94, 3-57, 3-58
Application · 2-114
Application Date · 18, 2-38, 2-39, 2-43, 2-44, 2-45, 2-98, 3-2
Application Gateway · 2-94, 3-57, 3-58, 3-70
Application GW · 3-4
Application PC · 18
Associated · 3-57, 3-70, 3-74, 3-75
Associated Organizations · 3-57, 3-74
audio · 2-50, 3-61, 3-79
Audio · 2-50, 3-61, 3-78, 3-79
authorize · 3-81
Authorized · 18, 3-80
B
Backup · 1-31, 3-16, 3-55
BS · 18, 1-2, 1-8, 1-11, 1-17, 1-18, 1-19, 1-23, 1-24, 1-25, 1-26,
1-27, 1-30, 1-31, 1-32, 1-33, 2-43, 2-62, 2-66, 2-76, 2-78, 2-
84, 2-85, 2-86, 2-87, 2-131, 3-4, 4-2, 4-3, 4-4, 4-5, 4-6, 4-7,
4-9, 4-13, 4-15, 4-16, 4-17, 4-20, 4-22, 4-26, 5-2
BSC · 18, 1-3, 1-5, 1-9, 1-11, 1-32, 2-38, 2-40, 2-41, 2-43, 2-47,
2-49, 2-50, 2-51, 2-53, 2-54, 2-59, 2-60, 2-61, 2-65, 2-71, 2-
72, 2-76, 2-79, 2-80, 2-84, 2-85, 2-88, 2-94, 2-96, 2-112, 2-
120, 2-123, 2-124, 2-131, 2-132, 2-134, 2-135, 2-136, 2-137,
2-138, 2-140, 2-142, 2-143, 2-148, 2-149, 2-151, 2-152, 2-
153, 2-156, 2-157, 3-2, 3-4, 3-5, 3-15, 3-16, 3-18, 3-21, 3-
54, 4-2, 4-16, 4-20, 4-21, 4-28
BSC412 · 2-108
BSC421 · 2-108
C
CAD · 18, 3-80, 3-81
call dialog · 3-74, 3-77
Call Dispatching · 3-81
CDR · 18, 2-98, 3-96, 3-103, 3-104, 3-111, 3-121
Cell ID · 18
CF · 18, 1-2, 1-3, 1-5, 1-18, 2-46, 2-48, 2-55, 2-57, 2-59, 2-66,
2-67, 2-68, 2-70, 2-101, 2-148, 2-149
Circulator · 4-10, 4-11
Configuration · 2-34, 2-38, 2-66, 2-98, 2-111, 2-121, 2-124, 2-
126, 2-135, 3-13, 3-59, 3-60, 3-61, 3-79, 3-105
Consumed Report · 3-88
D
Date Limit · 18, 2-38, 2-39, 2-43, 2-44, 2-45, 2-98, 3-2
DB · 18
DCK · 18
Delivery Report · 3-88
deregistration · 3-76
de-registration · 3-76
DGNA · 18, 2-120, 3-47, 3-57, 3-59, 3-84, 3-85, 3-86, 3-87
Dispatcherinstall.bat · 2-94
Display only when active · 3-77
docking · 3-71
dongle · 18, 2-35, 2-38, 2-39, 2-40, 2-41, 2-42, 2-43, 2-44, 2-45,
2-51, 2-55, 2-94, 2-97, 2-98, 2-106, 2-121, 2-125, 2-143, 3-
2, 3-28, 3-30, 3-40, 3-51, 3-54, 3-56, 3-57, 3-62, 3-77, 3-79,
3-112, 3-119, 3-122, 3-123
Dongle · 18, 1-5, 2-38, 2-39, 2-40, 2-41, 2-43, 2-44, 2-45, 2-98,
2-120, 2-121, 2-125, 3-19, 3-54, 3-57, 3-103, 3-119
drag
Drag and Drop · 3-81
DSP · 18, 4-18, 4-19, 4-20, 4-21, 4-22
E
Emergency · 3-50, 3-82, 3-88, 3-89
ESRI · 3-65, 3-90, 3-91
F
F13 · 3-78
favorites · 3-75
Feature List · 3-58
foot switch · 3-78
FTP · 18, 3-74
G
Gateway · 2-108, 2-114
GCK · 18
GIS · 16, 3-91, 3-92
GIS-ESRI · 16, 3-91
GPS · 18, 1-19, 1-25, 2-72, 2-76, 2-144, 3-18, 3-20, 3-90, 4-2, 4-
6, 4-20
group call · 3-72, 3-77
Group Call · 3-107
GSI · 18
GUI · 18, 2-94, 3-57, 3-58
GW · 18, 19, 2-38, 2-40, 2-58, 2-94, 2-110, 2-111, 2-112, 2-113, 2-
114, 2-115, 2-117, 2-119, 2-121, 2-143, 3-2, 3-4, 3-27, 3-28,
3-29, 3-30, 3-43, 3-58, 3-108, 3-109, 3-110, 3-116, 3-117
GW node · 2-94
H
Hardware dongle · 3-58
history · 3-66, 3-82, 3-86, 3-87
Home Organization · 3-57, 3-74

Doc. No.
Rev.
Date
1.00
2011-12-08
Damm Cellular Systems A/S, Denmark
TETRAFLEX® V7.5 MANUAL - Alphabetic Index
TetraFlex® 7.5
Manual
xxi
I
icon · 3-79
Individual Call · 3-107
Individual duplex call · 3-72
IP · 18, 19, 2-49, 2-54, 2-58, 2-59, 2-60, 2-61, 2-62, 2-63, 2-64,
2-65, 2-67, 2-68, 2-70, 2-76, 2-77, 2-88, 2-94, 2-96, 2-99, 2-
100, 2-108, 2-110, 2-111, 2-112, 2-114, 2-115, 2-117, 2-119, 2-
120, 2-121, 2-123, 2-126, 2-128, 2-131, 2-132, 2-141, 2-148,
2-149, 2-150, 2-152, 2-154, 2-156, 2-157, 2-158, 2-159, 2-
160, 2-161, 3-11, 3-20, 3-22, 3-23, 3-28, 3-29, 3-43, 3-45, 3-
57, 3-58, 3-96, 3-117
IP addresses · 3-57
IP backbone network · 3-58
ITSI · 18, 3-112
L
L1 Warning · 18
L2 Alarm · 18, 3-14
L3 Blocked · 18, 3-14
LAN · 18, 1-2, 1-5, 1-6, 1-7, 1-8, 1-9, 1-11, 1-15, 1-20, 1-29, 2-
49, 2-54, 2-59, 2-60, 2-64, 2-78, 2-88, 2-151, 2-152, 2-154,
2-156, 2-157, 2-158, 2-159, 3-11, 3-22, 3-23
Language · 3-62
lock · 1-3, 3-78
Log Client · 16, 2-40, 2-47, 2-52, 2-97, 2-106, 2-107, 3-103, 3-
104, 3-111, 3-112, 3-113, 3-114, 3-115, 3-116, 3-117, 3-118,
3-119, 3-120, 3-121
Log Server · 16, 2-38, 2-39, 2-40, 2-43, 2-46, 2-48, 2-52, 2-97,
2-98, 2-101, 2-107, 3-22, 3-96, 3-97, 3-98, 3-99, 3-119, 3-
122, 3-123
M
Map · 3-14, 3-18, 3-90
Master PTT · 3-78
MCC · 18, 19, 2-126, 3-20, 3-45
MCCH · 18, 3-23, 3-42, 3-107
Merge · 3-81, 3-82
Microphone · 3-61
Microsoft .NET Framework · 3-57
missed call · 3-82
Missed Call · 3-59
MNC · 18, 19, 2-126, 3-20, 3-45
MS · 18, 2-117, 2-118, 2-119, 3-57, 3-104, 3-112, 3-113, 3-119
multicast · 3-57
N
Never displayed · 3-80
NM · 18, 2-38, 2-40, 2-47, 2-51, 2-88, 2-126, 3-9, 3-10, 3-13
Node · 18, 2-38, 2-39, 2-41, 2-43, 2-108, 2-110, 2-115, 2-116, 2-
143, 2-157, 3-2, 3-4, 3-14, 3-16, 3-18, 3-19, 3-20, 3-29, 3-
57, 3-59, 3-96, 3-105, 3-106, 3-107, 3-111, 3-112, 3-118, 3-
119
O
Ontrak · 3-67
organization · 2-108
OS · 18, 2-46, 2-47, 2-55
P
PABX · 18, 1-29, 2-110, 2-113, 3-28
Packet Data · 18, 2-38, 2-39, 2-43, 2-114, 2-115, 2-118, 2-143,
3-4, 3-20, 3-24, 3-30, 3-43, 3-107, 3-109, 3-116
PC · 18, 2-38, 2-40, 2-44, 2-47, 2-49, 2-52, 2-54, 2-55, 2-61, 2-
76, 2-88, 2-94, 2-118, 2-119, 2-120, 2-121, 2-122, 2-128, 2-
135, 2-161, 3-2, 3-4, 3-20, 3-30, 3-58, 3-87
PD · 18, 2-115, 3-43, 3-116
PEI · 18
Phone Book · 3-71
Phonebook · 3-57, 3-59, 3-70, 3-71
PIN-code · 3-57
Position · 3-59, 3-66
positioning · 3-90
Positioning · 18, 3-90, 3-91, 3-92
PSTN · 19, 2-152, 3-41, 3-48
PTT · 19, 2-156, 3-38, 3-42, 3-77, 3-78
PTT button · 3-77
R
RAM · 19, 1-3, 2-48, 2-52, 2-101, 2-135
redundant · 2-108, 2-114
registered · 3-76
Release Date · 18, 19, 3-2
Release number · 19, 3-2
Restore · 3-16, 3-55
router · 2-114
S
SACCH · 19
SCCH · 19, 3-23, 3-24, 3-107
SCK · 19
SDS · 19, 3-57, 3-59, 3-70, 3-87, 3-88
search · 2-67, 2-121, 3-71
SELV · 19, 1-10, 1-15, 1-20, 2-54, 2-60
Service restrictions · 3-81
Service Restrictions · 3-81
Shapefile · 3-90
SIP · 2-108
Site · 19, 2-38, 2-136, 3-2, 3-11
SLA · 19, 2-44, 2-45
Software package · 18, 19, 3-2
Sound · 3-17, 3-120, 3-121
Speaker · 3-61
Speed · 3-66
SSI · 19, 2-108, 2-122, 2-123, 3-57, 3-58
Status SDS · 3-87
subscriber · 2-122, 2-123, 3-57, 3-70, 3-72, 3-74, 3-81, 3-84, 3-
86, 3-91
subscriber register · 2-122, 2-123, 3-57
Subscriber register · 19, 3-55, 3-68, 3-69

Doc. No.
Rev.
Date
1.00
2011-12-08
Damm Cellular Systems A/S, Denmark
TETRAFLEX® V7.5 MANUAL - Alphabetic Index
TetraFlex® 7.5
Manual
xxii
Subscriber Register · 2-108, 2-114, 3-68, 3-84
T
TEA · 2-43, 3-40, 3-41
TEI · 19, 3-46, 3-51, 3-54
template · 3-91
TetraFlexApi.dll · 2-94, 3-57, 3-58
TetraOM · 19, 1-4, 1-11, 2-39, 2-41, 2-53, 2-62, 2-64, 2-65, 2-
71, 2-72, 2-76, 2-85, 2-109, 2-110, 2-111, 2-115, 2-116, 2-126,
2-128, 2-129, 2-130, 2-131, 2-132, 2-134, 2-135, 2-137, 2-
138, 2-140, 2-141, 2-142, 2-143, 2-152, 2-153, 2-156, 2-157,
2-158, 3-9, 3-11, 3-16, 3-17, 3-29, 3-45
third party application · 2-94, 3-57
third party dispatcher · 2-94
ToIP · 19
TSI · 19, 3-45, 3-46, 3-71, 3-119
U
UDP · 19, 2-141, 3-57
Unread SDS · 3-59
USB · 18, 1-18, 2-54, 2-55, 2-76, 2-94, 2-97, 3-67, 3-78
USB port · 2-94
user number · 2-123, 3-58
User number · 19
UTP · 19
V
Views · 2-124
Voice · 2-108
Voice Call History · 3-82, 3-83
Voice Call Option · 3-79
Voice Call window · 3-77
Voice Calls · 3-59, 3-77
voice streams · 2-43, 2-44, 3-79
VoIP · 19
Volume · 3-77
W
WAN · 19, 1-6, 1-8, 1-9, 1-11, 1-15, 1-29, 2-49, 2-54, 2-58, 2-
59, 2-77, 2-94, 2-96, 2-112, 2-121, 2-123, 2-151, 2-157, 3-
22, 3-23, 3-57
WG84 · 3-90
Win7 · 3-57, 3-58
Windows XP · 3-57, 3-58