Datalogic Scanning Ds1500 Users Manual
DS1500 to the manual 74ba416d-227e-40d3-a3c6-cc41100c27c4
2015-02-02
: Datalogic-Scanning Datalogic-Scanning-Ds1500-Users-Manual-425516 datalogic-scanning-ds1500-users-manual-425516 datalogic-scanning pdf
Open the PDF directly: View PDF
.
Page Count: 65

www.datalogic.com
DS1500
Reference Manual

DATALOGIC S.p.A.
Via Candini 2
40012 - Lippo di Calderara di Reno
Bologna - Italy
DS1500 Reference Manual
Ed.: 11/2007
ALL RIGHTS RESERVED
Datalogic reserves the right to make modifications and improvements without prior notification.
Datalogic shall not be liable for technical or editorial errors or omissions contained herein, nor for incidental or
consequential damages resulting from the use of this material.
Product names mentioned herein are for identification purposes only and may be trademarks and or
registered trademarks of their respective companies.
© Datalogic S.p.A. 2006-2007
821001303 (Rev. C)

CONTENTS
REFERENCES ............................................................................................. v
Conventions .................................................................................................. v
Reference Documentation ............................................................................ v
Services and Support.................................................................................... v
SAFETY REGULATIONS............................................................................ vi
Laser Safety..................................................................................................vi
Power Supply...............................................................................................vii
cE Compliance............................................................................................ viii
WEEE Compliance ..................................................................................... viii
GENERAL VIEW .......................................................................................... x
GUIDE TO INSTALLATION ........................................................................ xi
1 INTRODUCTION .......................................................................................... 1
1.1 Product Description....................................................................................... 1
1.2 Applications................................................................................................... 2
1.3 Model Description ......................................................................................... 2
1.4 Indicators ...................................................................................................... 3
1.5 Test Key Functioning .................................................................................... 4
1.5.1 Restoring Dual RS232 Interface ................................................................... 4
1.5.2 Activating Test Operating Mode.................................................................... 5
1.6 Accessories................................................................................................... 6
2 INSTALLATION............................................................................................ 7
2.1 Package Contents......................................................................................... 7
2.2 Mechanical Installation.................................................................................. 8
2.2.1 Mounting DS1500 ....................................................................................... 10
2.3 Electrical Connections ................................................................................ 11
2.3.1 Power Supply.............................................................................................. 12
2.3.2 Main Serial Interface ................................................................................... 12
2.3.3 Auxiliary RS232 Interface ........................................................................... 17
2.3.4 Inputs .......................................................................................................... 18
2.3.5 Outputs ....................................................................................................... 19
2.4 User Interface ............................................................................................. 20
2.5 Positioning .................................................................................................. 21
2.6 Typical Layouts ........................................................................................... 23
2.6.1 Point-to-Point .............................................................................................. 23
2.6.2 Pass-Through ............................................................................................. 25
2.6.3 RS232 Master/Slave ................................................................................... 26
2.6.4 Multiplexer Layout....................................................................................... 27
iii

3 READING FEATURES............................................................................... 28
3.1 Advanced Code Builder (ACB).................................................................... 28
3.1.1 Important ACB Reading Conditions ............................................................ 29
3.1.2 Tilt Angle Improvement with ACB ............................................................... 30
3.2 Linear Code Reading .................................................................................. 30
3.2.1 Step-Ladder Mode ...................................................................................... 31
3.2.2 Picket-Fence Mode ..................................................................................... 32
3.3 Performance ............................................................................................... 33
3.4 Reading Diagrams ...................................................................................... 34
4 MAINTENANCE ......................................................................................... 36
4.1 Cleaning...................................................................................................... 36
5 TROUBLESHOOTING ............................................................................... 37
5.1 General Guidelines ..................................................................................... 37
6 TECHNICAL FEATURES........................................................................... 40
GLOSSARY................................................................................................ 47
INDEX......................................................................................................... 51
iv

REFERENCES
CONVENTIONS
This manual uses the following conventions:
“User” or “Operator” refers to anyone using a DS1500.
“Device” refers to the DS1500.
“You” refers to the System Administrator or Technical Support person using this
manual to install, mount, operate, maintain or troubleshoot a DS1500.
REFERENCE DOCUMENTATION
The documentation related to the DS1500 management is listed below:
• WinHost Help On Line
SERVICES AND SUPPORT
Datalogic provides several services as well as technical support through its website.
Log on to www.datalogic.com and click on the links indicated for further information
including:
• PRODUCTS
Search through the links to arrive at your product page where you can download
specific Manuals and Software & Utilities.
• SERVICES & SUPPORT
- Datalogic Services - Warranty Extensions and Maintenance Agreements
- Authorised Repair Centres
• CONTACT US
E-mail form and listing of Datalogic Subsidiaries
v

SAFETY REGULATIONS
LASER SAFETY
The following information is provided to comply with the rules imposed by
international authorities and refers to the correct use of the DS1500 scanner.
Standard Regulations
This scanner utilizes a low-power laser diode. Although staring directly at the laser
beam momentarily causes no known biological damage, avoid staring at the beam as
one would with any very strong light source, such as the sun. Avoid that the laser
beam hits the eye of an observer, even through reflective surfaces such as mirrors,
etc.
This product conforms to the applicable requirements of both EN 60825-1and CDRH
21 CFR 1040 at the date of manufacture. The scanner is classified as a Class 2 laser
product according to EN 60825-1 regulations and as a Class II laser product
according to CDRH regulations.
There is a safety device, which allows the laser to be switched on only if the motor is
rotating above the threshold for its correct scanning speed.
The laser beam can be switched off through a software command (see also the
WinHost Help On Line).
WARNING
Use of controls or adjustments or performance of procedures other
than those specified herein may result in exposure to hazardous
visible laser light.
The laser light is visible to the human eye and is emitted from the window on the front
of the scanner (Figure A, 8).
vi

Warning labels indicating exposure to laser light and the device classification are
applied onto the body of the scanner (Figure A, 6).
Warning and Device Class Label
For installation, use and maintenance it is not necessary to open the scanner.
The laser diode used in this device is classified as a class 3B laser product according
to EN 60825-1 regulations and as a Class IIIb laser product according to CDRH
regulations. As it is not possible to apply a classification label on the laser diode used
in this device, the following label is reproduced on the right.
LASER LIGHT
AVOID EXPOSURE TO BEAM
CLASS 3B LASER PRODUCT
MAX. OUTPUT RADIATION 35 mW
EMITTED WAVE LENGTH 630~680 nm
TO EN 60825-1 (2001)
Laser Diode Class Label
Any violation of the optic parts in particular can cause radiation up to the maximum
level of the laser diode (35 mW at 630 to 680 nm).
POWER SUPPLY
This device is intended to be supplied by a UL Listed or CSA Certified Power Unit
with «Class 2» or LPS power source, which supplies power directly to the scanner
via the 15-pin connector.
vii

CE COMPLIANCE
Warning:
This is a Class A product. In a domestic environment this product may cause radio
interference in which case the user may be required to take adequate measures.
WEEE COMPLIANCE
ENGLISH
Information for the user in accordance with the European Commission Directive
2002/96/EC
At the end of its useful life, the product marked with the crossed out wheeled wastebin must be
disposed of separately from urban waste.
Disposing of the product according to this Directive:
• avoids potentially negative consequences to the environment and human health
which otherwise could be caused by incorrect disposal
• enables the recovery of materials to obtain a significant savings of energy and
resources.
For more detailed information about disposal, contact the supplier that provided you with the
product in question or consult the dedicated section at the website
www.automation.datalogic.com.
ITALIANO
Informazione degli utenti ai sensi della Direttiva Europea 2002/96/EC
L’apparecchiatura che riporta il simbolo del bidone barrato deve essere smaltita, alla fine della
sua vita utile, separatamente dai rifiuti urbani.
Smaltire l’apparecchiatura in conformità alla presente Direttiva consente di:
• evitare possibili conseguenze negative per l’ambiente e per la salute umana che
potrebbero invece essere causati dall’errato smaltimento dello stesso;
• recuperare materiali di cui è composto al fine di ottenere un importante risparmio di
energia e di risorse.
Per maggiori dettagli sulle modalità di smaltimento, contattare il Fornitore dal quale è stata
acquistata l’apparecchiatura o consultare la sezione dedicata sul sito
www.automation.datalogic.com.
viii

DEUTSCH
Benutzerinformation bezüglich Richtlinie 2002/96/EC der europäischen Kommission
Am Ende des Gerätelebenszyklus darf das Produkt nicht über den städtischen Hausmüll
entsorgt werden. Eine entsprechende Mülltrennung ist erforderlich.
Beseitigung des Produkts entsprechend der Richtlinie:
• verhindert negative Auswirkungen für die Umwelt und die Gesundheit der Menschen
• ermöglicht die Wiederverwendung der Materialien und spart somit Energie und
Ressourcen
Weitere Informationen zu dieser Richtlinie erhalten Sie von Ihrem Lieferanten, über den Sie das
Produkt erworben haben, oder besuchen Sie unsere Homepage unter
www.automation.datalogic.com.
FRANÇAIS
Information aux utilisateurs concernant la Directive Européenne 2002/96/EC
Au terme de sa vie utile, le produit qui porte le symbole d'un caisson à ordures barré ne doit pas
être éliminé avec les déchets urbains.
Éliminer ce produit selon cette Directive permet de:
• éviter les retombées négatives pour l'environnement et la santé dérivant d'une
élimination incorrecte
• récupérer les matériaux dans le but d'une économie importante en termes d'énergie
et de ressources
Pour obtenir des informations complémentaires concernant l'élimination, veuillez contacter le
fournisseur auprès duquel vous avez acheté le produit ou consulter la section consacrée au site
Web www.automation.datalogic.com.
ESPAÑOL
Información para el usuario de accuerdo con la Directiva Europea 2002/96/CE
Al final de su vida útil, el producto marcado con un simbolo de contenedor de bassura móvil
tachado no debe eliminarse junto a los desechos urbanos.
Eliminar este producto de accuerdo con la Directiva permite de:
• evitar posibles consecuencias negativas para el medio ambiente y la salud derivadas
de una eliminación inadecuada
• recuperar los materiales obteniendo así un ahorro importante de energía y recursos
Para obtener una información más detallada sobre la eliminación, por favor, póngase en
contacto con el proveedor donde lo compró o consultar la sección dedicada en el Web site
www.automation.datalogic.com.
ix

GENERAL VIEW
DS1500
2
1
3
4 56 7
9
10 11
8
Figure A
1
2
3
4 8
7
6
5Mounting Holes
Good Read LED
External Trigger/Ready LED
Tx Data/Active LED
Laser On LED
Laser Beam Output Window
Test Key
Power On LED
Warning and Device Class Label
9
Product Label
10
15-pin D-sub High-density
Male Connector
11
x

GUIDE TO INSTALLATION
The following can be used as a checklist to verify all of the steps necessary for
complete installation of the DS1500 scanner.
1) Read all information in the section "Safety Precautions” at the beginning of this
manual.
2) Correctly mount the reader using the bracket provided according to the
information in par.2.2.1.
3) Position the reader at the correct reading distance according to your model as
shown in paragraphs 2.5 and 3.4.
4) Make electrical connections to your DS1500 scanner by either:
a) Connecting the test cable to the DS1500 scanner as described in par.2.4.
b) Providing correct and complete system cabling according to the signals
necessary for the layout of your application.
• Layout: Point-to-point, Pass-Through, RS232 Master/Slave, Multiplexer.
See sub-paragraphs under 2.6 for reference.
• Cabling: Power, Main Serial Interface, Auxiliary Interface (RS232),
Inputs, Outputs, etc. For further details, see all sub-paragraphs under
2.3.
5) Configure the DS1500 scanner by installing and running the WinHost
configuration program from the CD-ROM (part number 93ACC1771). The main
steps are:
a) Select the codes to be read
b) Set-up the communication parameters
c) Define data formatting parameters
d) Fine tune your DS1500 scanner using the Test Mode as described in
WinHost.
Specific parameter details are available in the Help On Line. See also the Guide
To Rapid Configuration link.
6) Exit the configuration program and run your application.
The installation is now complete.
xi

xii

INTRODUCTION 1
1 INTRODUCTION
1.1 PRODUCT DESCRIPTION
The new DS1500 industrial laser scanner is the combination of extremely compact
dimension and powerful high-speed reading capabilities, which makes the scanner
ideal for OEM integration projects.
DS1500 miniaturization allows an easy OEM integration in pieces of equipment and
automatic machinery. Concurrently, the high scan rate and code reconstruction
software effectively address demanding applications.
The availability of ACB™ (Advanced Code Builder) embedded reconstruction
software algorithm allows effective decoding of damaged or normally unreadable
codes due to a high tilt angle.
DS1500 installation and configuration is easy and simple thanks to the compact size
and to the new test operating mode with bar graph. Test Mode is activated by means
of a key on the scanner (no external PC is required), and the bar graph shows real
time scan rate, which is of great help for installation and reading performance
monitoring purposes.
DS1500 operates at a speed up to 1200scan/s. Furthermore, the scanner motor can
be switched ON and OFF via software command while keeping the unit powered.
This allows a prompt restore of full operation and drastically increases the product
life.
DS1500 is equipped with a software selectable serial link (RS232 or RS485) thus
minimizing the number of models needed to fit all possible applications.
The main DS1500 features are:
• Extremely compact dimensions and light weight
• High scan rate software programmable (up to 1200 scan/s)
• ACB (Advanced Code Builder) code reconstruction software embedded
• Ease of use thanks to Test Mode with reading performance bar graph
• Reads all popular barcode symbologies
• 5 operating modes available to suit most common application requirements
• Code verifier option embedded
• Completely configurable via serial interface (WinHost™ configuration SW)
• Serial communication interfaces software selectable (RS232, RS485)
• Low power consumption
1

DS1500
1
1.2 APPLICATIONS
DS1500 target applications are primarily OEM integration in application characterized
by space constraints, demanding reading performance, ruined or low quality
barcodes, chemical and biomedical analysis machines, ATL (Automated Tape
Library), packaging machines.
1.3 MODEL DESCRIPTION
The following scheme illustrates the model description of the DS1500 scanner:
DS1500 - X X 0 0
Optical Resolution
1 = Standard Resolution
2 = High Resolution
Communication Interface
1 = RS232/RS485main + RS232 aux
The following tables display the scanner reading performance.
Version Max Code Resolution Speed
mm (mils) scans/s
1100 0.15 (6) 800
1100 0.20 (8) 1200
2100 0.10 (4) 800
Version Reading Distance
1100 40 mm (1.6 in) - 240 mm (9.4 in) on 0.50mm (20 mils) codes
2100 50 mm (2 in) - 125 mm (4.9 in) on 0.20mm (8 mils) codes
See reading diagrams in par. 3.4 for further details.
2

INTRODUCTION 1
1.4 INDICATORS
The five LEDs indicate the following:
LED Standard Mode Test Mode Restore Double
RS232
POWER ON
(green)
(Figure A, 3)
Indicates the reader
is connected to the
power supply.
GOOD READ
(green)
(Figure A, 4)
Indicates the
possibility of a
successful barcode
reading.
EXT TRIG/RDY
(yellow)
(Figure A, 5)
Indicates external
trigger activity.
Refer to par. 2.3.4.
Refer to par. 1.5.2.
TX DATA/ACT
(red)
(Figure A, 6)
When blinking, it
indicates data
transmission.
Refer to par. 1.5.2. Refer to par. 1.5.1.
LASER ON
(red)
(Figure A, 7)
Indicates laser ON
state.
3

DS1500
1
1.5 TEST KEY FUNCTIONING
DS1500 provides an external key, which can be used for the following:
- Restoring dual RS232 interface at power on
- Activating Test Mode from the current operating mode
1.5.1 Restoring Dual RS232 Interface
To launch the Restoring Dual RS232 Interface function, proceed as follows:
1. Press the Test key before powering the scanner on;
2. Power ON the scanner while keeping the Test key pressed;
3. When the TX Data/ACT LED switches on, the function is activated;
4. When the TX Data/ACT LED switches off, the restore default of the RS232
interface is achieved;
5. The Test key can be released.
If the Test key is released before the TX Data/ACT LED is off, the Restoring Dual
RS232 is not executed.
To restart the procedure, it is first necessary to switch off the DS1500 scanner.
NOTE
The Restore Dual RS232 is not permanently saved.
4

INTRODUCTION 1
1.5.2 Activating Test Operating Mode
To launch the Test Mode by the external key, proceed as follows:
1. From any operating mode, press the Test key: the TX Data/ACT LED turns on.
2. Keep the Test key pressed for minimum one second while the Ext Trig/RDY LED
turns on. Both LEDs hold this status if the key is not released.
3. Release the Test key. Both LEDs turn off, the Test Mode starts and the Bar
Graph is active.
If the Test key is released before Ext Trig/RDY LED turns on, the test mode is not
executed. The device holds the previous operating mode.
During the Test Mode, the Bar Graph repeatedly indicates the Good Read Rate
(GRR) every 100 scans (about 1 second). At the end of each sampling all the LEDs
turn OFF.
The test mode data are transmitted on the serial interfaces according to the current
configuration.
100
80
60
40
20
100
80
60
40
20
This LED blinks when GRR = < 20%
To exit the Test Mode, repeat the above procedure: when the TX Data/ACT and the
Ext Trig/RDY LEDs turn off the Test Mode has been disabled.
The previous operating mode will be restored.
NOTE
If the scanner has been configured in Test Mode via software, a first
Test key press will produce no effect. A second Test key press will
exit the Test Mode and enable the Default On Line mode.
5

DS1500
1
NOTE
The Test Mode is not permanently saved.
NOTE
You must not be in Test Mode activated by Test Key when
configuring DS1500 parameters.
1.6 ACCESSORIES
The following accessories are available on request for the DS1500:
Name Description Part Number
CONFIG / DOC PKG DS1500 Configuration SW, Reference
Manual, Test Chart, other documentation
93ACC1771
6

INSTALLATION 2
2 INSTALLATION
2.1 PACKAGE CONTENTS
Verify that the DS1500 reader and all the parts supplied with the equipment are
present and intact when opening the packaging; the list of parts includes:
• DS1500 reader with cable
• DS1500 Quick Guide
• Mounting kit: - bracket
- screws
Figure 1 - DS1500 Package Contents
7

DS1500
2
2.2 MECHANICAL INSTALLATION
DS1500 can be installed to operate in different positions. The two screw holes (M2 x
4) on the body of the reader are for mechanical fixture (Figure A, 1). The diagrams
below give the overall dimensions of the scanner and mounting bracket and may be
used for installation.
Refer to par. 2.5 and 3.4 for correct positioning.
3.9
[0.15]
30
[1.18]
13.7
[0.54]
34.1
[1.34]
=
5.3
[0.21]
7.6
[0.30]
=
31.3
[1.23]
3.1
[0.12]
N°2
4.6
[0.18]
22
[0.87]
40
[1.57] 1
[0.04]
mm
inch
*
MØ2
* The quote refers to the scan line.
Figure 2 – DS1500 Overall Dimensions
8

INSTALLATION 2
3.2
[0.13]
3.2
[0.13]
=
11
[0.43]
6
[0.24]
=
62
[2.44]
20
[0.79]
25
[0.98]
1.5
[0.06]
inch
mm
7.1
[0.28]
31.8
[1.25]
31.8
[1.25]
25.1
[0.99]
12
[0.47]
==
Figure 3 – Mounting Bracket Overall Dimensions
9

DS1500
2
2.2.1 Mounting DS1500
Using the DS1500 mounting bracket you can obtain the most suitable position for the
reader as shown in the figure below:
Skew
Pitch
Figure 4 – Positioning with Mounting Bracket
10

INSTALLATION 2
2.3 ELECTRICAL CONNECTIONS
All DS1500 models are equipped with a cable terminated by a 15-pin male D-sub
high-density connector for connection to the power supply and input/output signals.
The details of the connector pins are indicated in the following table.
CAUTION
Do not connect GND and SGND to different (external) ground
references. GND and SGND are internally connected through
filtering circuitry which can be permanently damaged if subjected to
voltage drops over 0.8 Vdc.
Figure 5 - 15-pin D-sub High-Density Male Connector
15-pin D-sub HD male connector pinout
Pin Name Function
1 VS Power supply input voltage +
5 GND Power supply input voltage -
8 PE Protective Earth Ground
13 SHIELD Cable Shield
9 EXT TRIG- External Trigger -
7 OUT1 + Output 1 +
14 OUT2 + Output 2 +
11, 12, 15 NC Not Connected
Pin RS232
RS485
Full-Duplex RS485
Half-Duplex
2 TX232 Main TX485- RTX485-
3 RX232 Main RX485+
6 TXAUX TX485+ RTX485+
10 RXAUX RX485-
4
Serial
interface
signals, see
par. 2.3.2. SGND SGND SGND
11

DS1500
2
2.3.1 Power Supply
Power can be supplied to the scanner through the pins provided on the 15-pin
connector used for communication with the host (Figure 6):
1
8
5
VS
GND
USER INTERFACE
GND
V+ (5 Vdc)
DS1500
Earth Ground
Figure 6 - Power Supply Connections
The power must be 5 Vdc only.
It is recommended to connect pin 8 (Protective Earth Ground) to a common earth
ground.
NOTE
GND is internally connected to the chassis.
2.3.2 Main Serial Interface
The signals relative to the following serial interface types are available on the
input/output connector of DS1500.
If the interface type is not compatible with the current communication handshaking,
then the system forces the handshake to none.
The main interface type and the relative parameters (baud rate, data bits, etc.)
can be set using the WinHost utility program or "Host Mode Programming”
procedure through ESC sequences.
Details regarding the connections and use of the interfaces are given in the next
paragraphs.
12

INSTALLATION 2
RS232 Interface
The serial interface is used in this case for point-to-point connections; it handles
communication with the host computer and allows both transmission of code data
and the programming of the scanner. This is the default setting.
The following pins are used for RS232 interface connection:
Pin Name Function
2 TX232 transmit data
3 RX232 receive data
4 SGND signal ground
It is always advisable to use shielded cables. The overall maximum cable length
must be less than 15 m (49.2 ft).
DS1500
4
13
3
SGND
RX232
TX232
2
USER INTERFACE
SGND
SHIELD
TXD
RXD
Earth Ground
Figure 7 – RS232 Main Interface Connections
NOTE
The pin 13 of the SHIELD line is not internally connected to the
chassis.
13

DS1500
2
RS485 Full-Duplex Interface
The RS485 full-duplex (5 wires + shield) interface is used for non-polled
communication protocols in point-to-point connections over longer distances (max
1200 m / 3940 ft) than those acceptable for RS232 communications or in electrically
noisy environments.
The connector pinout follows:
Pin Name Function
6 TX485+ RS485 transmit data +
2 TX485- RS485 transmit data -
3 RX485+ RS485 receive data +
10 RX485- RS485 receive data -
4 SGND signal ground
DS1500
TX485+
6
TX485-
2
RX485+
3
RX485
RX485-
10 TX485
4 SGND SGND
USER INTERFACE
+
-
+
-
13 SHIELD
Earth Ground
Figure 8 - RS485 Full-duplex Connections
14

INSTALLATION 2
RS485 Half-Duplex Interface
The RS485 half-duplex (3 wires + shield) interface is used for polled communication
protocols.
It can be used for Multidrop connections with a Datalogic Multiplexer, (see par. 2.6.3
and 2.6.4) exploiting a proprietary protocol based on polled mode called MUX32
protocol, where a master device polls slave devices to collect data.
The connector pinout follows:
Pin Name Function
6 RTX485+ RS485 transmit/receive data +
2 RTX485- RS485 transmit/receive data -
4 SGND signal ground
RTX485 +
6
RTX485 -
2
RTX485 +
RTX485 -
4 SGND
MULTIPLEXER
RS485REF
DS1500
13 SHIELD
Earth Ground
Figure 9 - RS485 Half-duplex Connections
This interface is forced by software when the protocol selected is MUX32 protocol.
In a Multiplexer layout or for slaves, the Multidrop address must also be set via the
serial channel by the WinHost utility or by ESC sequences.
15

DS1500
2
Figure 10 shows a multidrop configuration with DS1500 scanners connected to a
Multiplexer.
CAUTION
To avoid any possible Ground loop, keep the chassis isolated from
the Ground.
CAUTION
This is an example of multidrop wiring. Consult the multiplexer
manual for complete wiring instructions.
max 2 m
DS1500
# x
(up to 31)
DS1500
# 1
DS1500
# 0
RTX485 -
RTX485 +
Three wires +
shield
120 Ohm
120 Ohm
max 1200 m
RS485 REF
SHIELD
MULTIPLEXER
RTX485 -
RTX485 +
SGND
6
2
4
6
2
4
6
2
4
Figure 10 - DS1500 Multidrop Connection to a Multiplexer
16

INSTALLATION 2
2.3.3 Auxiliary RS232 Interface
The auxiliary serial interface is used exclusively for RS232 point-to-point
connections.
The parameters relative to the aux interface (baud rate, data bits, etc.) as well as
particular communication modes such as LOCAL ECHO can be defined using the
WinHost utility program or "Host Mode Programming".
The following pins of the 15-pin connector are used to connect the RS232 auxiliary
interface:
Pin Name Function
10 RXAUX Receive data
6 TXAUX Transmit data
4 SGND Signal ground
DS1500
4
13
3
SGND
RX232
TX232
2
USER INTERFACE
SGND
SHIELD
TXD
RXD
Earth Ground
Figure 11 - RS232 Auxiliary Interface Connections
NOTE
The Auxiliary RS232 interface is only available when the main
interface is RS232.
17

DS1500
2
Code Verifier
If the DS1500 is used as a Code Verifier, it is possible to indicate to the scanner what
code to store as the verifier code through the WinHost program, (refer to the WinHost
Help On Line).
2.3.4 Inputs
The input available on the connector supplied with the scanner is the pin relative to
the External Trigger, as indicated below:
Pin Name Function
9 EXT TRIG- external trigger -
5 GND
The External Trigger input is used in the On-Line operating Mode and tells the
scanner to scan for a code. The active state of this input is selected in software.
Refer to the WinHost Help On Line.
The yellow LED (Figure A, 5) is on when the External Trigger forces a current flow
through the EXT TRIG- and GND pins.
This input is designed to be driven by an NPN type command. The connections are
indicated in the following diagrams.
1
9
VS
EXT TRIG -
5 GND
EXTERNAL TRIGGER
Ground
V
DS1500
Signal
+ 5 V
47 K
Figure 12 - External Trigger Input Command using Scanner Power
1
9
VS
EXT TRIG -
5 GND
EXTERNAL TRIGGER
Ground
V
DS1500
Signal
+ 5 V
47 K
40 Vdc max
Figure 13 - External Trigger Input Command using External Power
18

INSTALLATION 2
An anti-disturbance hardware filter is implemented on the External Trigger input (< 5
milliseconds delay).
An additional 15 ms (typical) delay can be implemented through a dedicated software
parameter (refer to WinHost Help On Line).
2.3.5 Outputs
Two general purpose outputs are available. These outputs can only be connected as
open collector configurations. The following pins are present on the 15-pin connector
of the scanner:
Pin Name Function
7 OUT1+ output 1 +
14 OUT2+ output 2 +
5 GND output reference
The meaning of the two outputs OUT1 and OUT2 can be defined by the user (No
Read, Right, Wrong, or a combination). Refer to the WinHost Help On Line.
By default, OUT1 is associated with the No Read event, which activates when the
code signaled by the external trigger is not decoded, and OUT2 is associated with
the Right event, which activates when the code is correctly decoded.
These outputs are both level and pulse configurable.
USER INTERFACE
Vext 40Vdc max., 20 mA max.
DS1500
7/14
5
+
GND Ground
Figure 14 - DS1500 Output Connections
VCE max = 40 Vdc
I max = 20 mA continuous
19

DS1500
2
2.4 USER INTERFACE
The following table contains the pinout for standard RS232 PC Host interface. For
other user interface types please refer to their own manual.
RS232 PC-side connections
1 5
9 6
9-pin male connector
13
25 14
1
25-pin male connector
Pin Name Pin Name
2 RX 3 RX
3 TX 2 TX
5 GND 7 GND
7 RTS 4 RTS
8 CTS 5 CTS
How To Build A Simple Interface Test Cable:
The following wiring diagram shows a simple test cable including power, external
(push-button) trigger and PC RS232 COM port connections.
PC
15-pin D-sub high-density female
4
10
SGND
RXAUX
TXAUX
6
DS1500 5
1
GND
VS
9-pin D-sub female
GND
TX
RX
2
3
5
Power Supply
VS (5 Vdc)
Power GND
Trigger
EXT TRIG-
9
Test Cable for DS1500
NOTE
The Auxiliary RS232 interface is only available when the main
interface is RS232.
20

INSTALLATION 2
2.5 POSITIONING
The DS1500 scanner is able to decode moving barcode labels at a variety of angles,
however significant angular distortion may degrade reading performance.
When mounting the DS1500 take into consideration these three ideal label position
angles: Pitch 0°, Skew 15° to 30° and Tilt 0°.
Follow the suggestions for the best orientation:
The Pitch angle is represented by the value P in Figure 15. Position the reader in
order to minimize the Pitch angle.
P
Figure 15 - Pitch Angle
The Skew angle is represented by the value S in Figure 16. Position the reader to
assure at least 10° for the Skew angle. This avoids the direct reflection of the laser
light emitted by the DS1500.
S
Figure 16 - Skew Angle
21

DS1500
2
The Tilt angle is represented by the value T in Figure 17. Position the reader in order
to minimize the Tilt angle.
T
Figure 17 - Tilt Angle
By using the ACB (Advanced Code Builder) software parameter, the tilt angle is less
critical and can be decoded even if the scan line doesn’t cross the entire code.
See par. 3.1 or the Help On Line for details.
22

INSTALLATION 2
2.6 TYPICAL LAYOUTS
The following typical layouts refer to system hardware configurations. Dotted lines in
the figures refer to optional hardware configurations within the particular layout.
These layouts also require the correct setup of the software configuration
parameters. Complete software configuration procedures can be found in the Guide
To Rapid Configuration in the WinHost Help On Line.
2.6.1 Point-to-Point
In this layout the data is transmitted to the Host on the main serial interface. Host
Mode programming can be accomplished either through the main interface or the
Auxiliary interface.
In Local Echo communication mode, data is transmitted on the RS232 auxiliary
interface independently from the main interface selection.
When On-Line Operating mode is used, the scanner is activated by an External
Trigger (photoelectric sensor) when the object enters its reading zone.
Terminal Host
DS1500
3
1
2
Main serial interface
A
uxiliary serial interface (Local Echo)
External Trigger (for On-Line mode)
1
2
3
Figure 18 – RS232 Point-to-Point Layout
NOTE
The Auxiliary RS232 interface is only available when the main
interface is RS232.
23

DS1500
2
In this layout the data is transmitted to the Host on the main serial interface. Host
Mode programming can be accomplished through the main interface.
When On-Line Operating mode is used, the scanner is activated by an External
Trigger (photoelectric sensor) when the object enters its reading zone.
Host
DS1500
2
1
RS485 Full Duplex Main serial interface
External Trigger (for On-Line mode)
1
2
Figure 19 – RS485 Point-to-Point Layout
NOTE
The Auxiliary RS232 interface is only available when the main
interface is RS232.
24

INSTALLATION 2
2.6.2 Pass-Through
Pass-through mode allows two or more devices to be connected to a single external
serial interface.
Each DS1500 transmits the messages received by the Auxiliary interface onto the
Main interface. All messages will be passed through this chain to the host.
When On-Line Operating mode is used, the scanner is activated by an External
Trigger (photoelectric sensor) when the object enters its reading zone.
The Main and Auxiliary ports are connected as shown in the figure below:
Host
1
DS1500 2
33
1
DS1500
Main serial interface
A
uxiliary serial interface
External Trigger (for On-Line mode)
1
2
3
Figure 20 – Pass-Through Layout
NOTE
The Auxiliary RS232 interface is only available when the main
interface is RS232.
25

DS1500
2
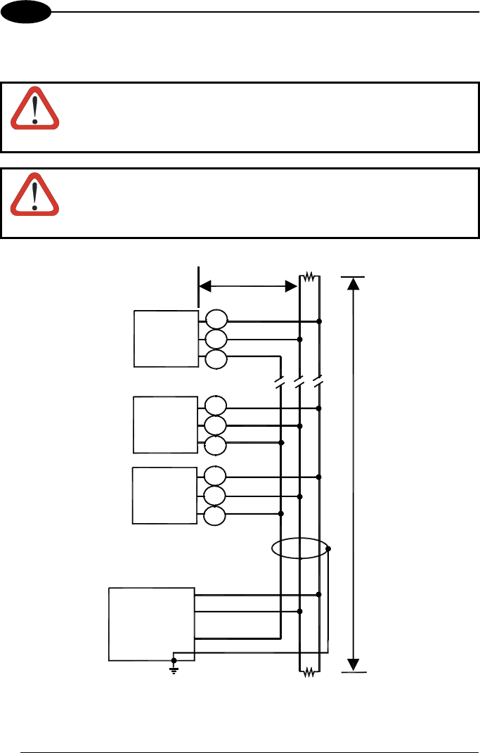
2.6.3 RS232 Master/Slave
The RS232 master/slave connection is used to collect data from several scanners to
build either a multi-point or a multi-sided reading system; there can be one master and
up to 9 slaves connected together.
The Slave scanners use RS232 only on the main and auxiliary serial interfaces. Each
slave DS1500 transmits the messages received by the auxiliary interface onto the main
interface. All messages will be passed through this chain to the Master.
The Master scanner is connected to the Host on the main serial interface. The main
interface type for the master scanner is RS232.
There is a single reading phase and a single message from the master scanner to the
Host computer.
Either On-Line or Serial On-Line Operating modes can be used in this layout.
When On-Line Operating mode is used, the external trigger signal is unique to
the system, however it is not necessary to bring the external trigger signal to the
Slave scanners.
The main and auxiliary ports are connected as shown in the figure below.
Host
1
2
3
1
2
3
Main serial interface
A
uxiliary serial interface
External Trigger (for On-Line mode)
2
DS1500
Slave
1
1
DS1500
Slave DS1500
Master
Figure 21 – RS232 Master/Slave Layout
26

INSTALLATION 2
2.6.4 Multiplexer Layout
Each scanner is connected to a Multiplexer (for example MX4000) with the RS485
half-duplex main interface.
Host
2
1
2
Main Interface
External Trigger (for On-Line mode)
1
MX4000
22
0 131
Figure 22 - Multiplexer Layout
When On-Line Operating mode is used, the scanner is activated by an External
Trigger (photoelectric sensor) when the object enters its reading zone.
27

DS1500
3
3 READING FEATURES
3.1 ADVANCED CODE BUILDER (ACB)
In addition to linear reading, the Advanced Code Builder (ACB) allows code reading
by “stitching” together two partial reads of it. ACB is not as powerful as Advanced
Code Reconstruction due to limits on tilt angle, speed and Multi-label function; but it
is effective in the case of close-to-linear, small height codes, damaged codes, or poor
print quality codes.
ACB is used to read a code label when the scan line does not cross the label along
its entire length (excessive tilt angle).
Linear Reading
Linear Reading
ACB Reading
ACB Reading
ACB reads two fragments of a label containing a start or a stop character and a
number of digits, and puts them together to build the complete label.
ACB also has an intrinsic ability to increase the reading percentage of damaged
codes as in the examples below:
ACB Readable
Not ACB Readable
28

READING FEATURES 3
ACB Readable
ACB is disabled by default but can be enabled for the following code types:
• Code 25 Interleaved • Code 128/EAN128
• Code 39 Family • EAN/UPC (without ADD-Ons)
• Codabar • Code 93
3.1.1 Important ACB Reading Conditions
• Do not use ACB for omni-directional reading stations.
• ACB can be activated for each symbology independently from the others.
• ACB requires that the code be in movement with respect to the scanner.
• ACB requires fixed length barcode reading.
• The codes read with ACB enabled must pass in front of the scanner one at a
time.
Not valid for ACB Valid for ACB
• Code concatenation and ACB are not compatible and therefore cannot be
enabled simultaneously on the same code.
• For correct operation, ACB requires at least 5 scans for each of the two
fragments
29

DS1500
3
3.1.2 Tilt Angle Improvement with ACB
ACB allows barcode reading with an increased tilt angle. The tilt angle depends upon
the code aspect ratio defined as H/L according to the table below:
L
Hbarcode label
Aspect Ratio
H/L
Max theoretical
linear tilt angle
Max practical
ACB angle
0.33 18° 30°
0.25 14° 23°
0.125 7° 11°
3.2 LINEAR CODE READING
The number of scans performed on the code by the DS1500 and therefore the
decoding capability is influenced by the following parameters:
• number of scans per second
• code motion speed
• label dimensions
• scan direction with respect to code motion
At least 5 scans during the code passage should be allowed to ensure a successful
read.
30

READING FEATURES 3
3.2.1 Step-Ladder Mode
If scanning is perpendicular to the code motion direction (Figure 23), the number of
effective scans performed by the reader is given by the following formula:
SN = [(LH/LS) * SS] – 2 Where: SN = number of effective scans
LH = label height (in mm)
LS = label movement speed
in (mm/s)
SS = number of scans per second
Direction of code
movement at LS speed
LH
DS1500
Laser beam
Figure 23 - "Step-Ladder" Scanning Mode
For example, the DS1500 (1200 scans/sec.) for a 20 mm high code moving at 1200
mm/s performs:
[(20/1200) * 1200] - 2 = 18 effective scans.
31

DS1500
3
3.2.2 Picket-Fence Mode
If scanning is parallel to the code motion, the number of effective scans is given by
the following formula:
SN = [((FW-LW)/LS) * SS] -2 Where: SN = number of effective scans
FW = reading field width (in mm)
LW = label width (in mm)
LS = label movement speed
(in mm/s)
SS = scans per second
Direction of code movement
at LS speed
Laser beam
DS1500
FW
LW
Figure 24 - "Picket-Fence" Scanning Mode
For example, for a 60 mm wide code moving in a point where the reading field is 100
mm wide at a 1500 mm/s speed, the DS1500 (1200 scans per sec.), performs:
[((100-60)/1500) * 1200] - 2 = 30 effective scans
32

READING FEATURES 3
3.3 PERFORMANCE
The DS1500 scanner has the following performances:
Version Max Code Resolution Speed
mm (mils) scans/s
1100 0.15 (6) 800
1100 0.20 (8) 1200
2100 0.10 (4) 800
Version Reading Distance
1100 40 mm (1.6 in) - 240 mm (9.4 in) on 0.50 mm (20 mils) codes
2100 50 mm (2 in) - 125 mm (4.9 in) on 0.20mm (8 mils) codes
Refer to the diagrams given in par. 3.4 for further details on the reading features.
They are taken on various resolution sample codes at a 25 °C ambient temperature,
depending on the conditions in the notes under the diagrams.
33

DS1500
3
3.4 READING DIAGRAMS
DS1500-1100
2
1
0
1
5
4
3
2
3
4
5
(in)
0 1 32 106(in)
45 7 89
0 20 40 60
80 100 120 140 160 180 200 220 240 260 (mm)
120
100
80
60
40
20
0
20
40
60
80
100
120
(mm)
0.50 mm
(20 mils)
0.20 mm
(8 mils)
0.15 mm
(6 mils)
0.30 mm
(12 mils)
NOTE: (0,0) is the center of the laser beam output window.
CONDITIONS
Code = Interleaved 2/5 or Code 39
PCS = 0.90
"Pitch" angle = 0°
"Skew" angle = 15°
"Tilt" angle = 0°
*Motor Control = Speed_3 (800 scans/s) for 0.15mm codes, Speed_4 (1200 scans/s) for
0.20mm codes and greater
• Parameter selectable in Winhost
34

READING FEATURES
35
3
DS1500-2100
1
0.5
0
0.5
2.5
2
1.5
1
1.5
2
2.5
(in)
01 53 (in)
24
0 10 20 30
40 50 60 70 80 90 100 110 120 130 (mm)
60
50
40
30
20
10
0
10
20
30
40
50
60
(mm)
0.20 mm
(8 mils)
0.12 mm
(5 mils)
0.10 mm
(4 mils)
0.5 3.5 4.5
1.5 2.5
0.15 mm
(6 mils)
NOTE: (0,0) is the center of the laser beam output window.
CONDITIONS
Code = Interleaved 2/5 or Code 39
PCS = 0.90
"Pitch" angle = 0°
"Skew" angle = 15°
"Tilt" angle = 0°
*Motor Control = Speed_3 (800 scans/s)
• Parameter selectable in Winhost

DS1500
4
4 MAINTENANCE
4.1 CLEANING
Clean the laser beam output window periodically for continued correct operation of
the reader.
Dust, dirt, etc. on the window may alter the reading performance.
Repeat the operation frequently in particularly dirty environments.
Use soft material and alcohol to clean the window and avoid any abrasive
substances.
WARNING
Clean the window of the DS1500 when the scanner is turned off or,
at least, when the laser beam is deactivated.
36

TROUBLESHOOTING 5
5 TROUBLESHOOTING
5.1 GENERAL GUIDELINES
When wiring the device, pay careful attention to the pin number of the signals.
If you need information about a certain reader parameter you can refer to the
WinHost program help files. Either connect the device and select the parameter
you’re interested in by pressing the F1 key, or select Help/Contents/DS1500
Configuration from the command menu.
If you’re unable to fix the problem and you’re going to contact your local Datalogic
office or Datalogic Partner or ARC, we suggest providing (if possible) the Device
Configuration files (*.cfg). Connect through WinHost and click the Save icon from the
edit configuration window. Also note the exact Model, Serial Number and Order
Number of the device.
37

DS1500
5
TROUBLESHOOTING GUIDE
Problem Suggestions
Power On:
the “Power On” LED
is not lit
Is power connected?
If using a power adapter (like PG 220), is it connected to a
wall outlet?
If using rail power, does rail have power?
Measure voltage at pin 1 and pin 5.
On line Mode:
EXT TRIG LED is
not lit (when external
trigger activates)
Is sensor connected to EXT TRIG pins (9 and 5 for 15-pin
connector)?
Is power supplied to photo sensor?
Are the photo sensor LEDS (if any) working correctly?
Is the sensor/reflector system aligned?
On line Mode:
EXT TRIG LED is
correctly lit but
nothing happens (no
reading results)
Is the software configuration consistent with the application
condition (operating mode etc.)?
In the WinHost program select the OPERATING MODE
tab and check for related parameters
Serial On line
Mode:
the reader is not
triggered (no reading
results)
In the WinHost program select the OPERATING MODE
tab and check if serial on line is enabled as operating
mode
Are the Start – Stop characters correctly assigned?
Is the serial trigger source correctly connected and
configured?
On line Mode and
Serial On Line:
Reader doesn’t
respond correctly to
the expected
external signals end
In the WinHost program select the OPERATING MODE
tab and check the TIMEOUT parameterization.
38

TROUBLESHOOTING 5
TROUBLESHOOTING GUIDE
Problem Suggestions
Reading:
Not possible to read
the target barcode
(always returns No
Read)
Check synchronization of reading pulse with object to read
Is the scan line correctly positioned?
Place barcode in the center of scan line and run TEST
MODE (by WinHost as an Operating Mode or by the
external key, see par. 1.5.2).
If you still have trouble, check the following:
• Is the reading distance within that allowed (see
reading diagrams)?
• Is the Tilt angle too large?
• Is the Skew angle less than 10° (direct reflection)?
• Choose the CODE tab and enable different code
types (except Pharmacode). LENGTH = Variable
• Is the Bar Code quality sufficient?
If you had no success, try to perform the test using the
BARCODE TEST CHART.
Communication:
Device is not
transmitting anything
to the host
• Is the cable connected?
• Is the correct wiring respected?
• Are serial host settings equivalent to the serial device
setting?
Communication:
Data transferred to
the host are
incorrect, corrupted
or incomplete
• In the WinHost program select the DATA FORMAT
tab and check for values of HEADER, TERMINATOR,
SEPARATOR, FILL CHARACTERS
• Also check the CODE FIELD LENGTH value
• Are the COM port parameters correctly assigned?
Communication:
Always returns the
Reader Failure
Character (<BEL>
char as default)
• Contact your local Datalogic office or Datalogic
Partner or ARC, because either a Motor or Laser
failure has occurred.
• Note the exact model and Serial Number of the device
How do I obtain my
units’ serial
numbers?
• The device’s serial number is printed on a label that is
affixed to the body of the reader.
• Serial numbers consist of 9 characters: one letter, 2
numbers, and another letter followed by 5 numbers.
39

DS1500
6
6 TECHNICAL FEATURES
ELECTRICAL FEATURES
Input Power
Supply voltage 5 Vdc ± 5%
Power consumption max. 2 W
Serial Interfaces
Main RS232; RS485 Full-duplex / Half-duplex
Auxiliary RS232
Baud Rates 150 to 115200
Inputs External Trigger
Voltage max. 40 Vdc
Outputs OUT1, OUT2
VCE max. 40 Vdc
Collector current max. 20 mA continuous;
VCE saturation 0.3V at 6 mA max.
Power dissipation max. 100 mW at 45 °C (Ambient temp.)
OPTICAL FEATURES
Light source Semiconductor laser diode
Wave length (Note 1) 630 to 680 nm
Safety class Class 2 - EN 60825-1; Class II - CDRH
READING FEATURES (Note 2)
Scan rate (software programmable) 800 to 1200 scans/sec
Aperture angle
Maximum Reading distance
Maximum resolution
See reading diagrams
USER INTERFACE
LED indicators Laser ON, Tx Data/ACT, Ext Trig/RDY,
Good Read, Power ON
40

TECHNICAL FEATURES 6
SOFTWARE FEATURES
READABLE CODE SYMBOLOGIES
* EAN/UPC * Code 93
EAN/UPC (including Add-on 2 and Add-on 5) * Code 128
* 2/5 Interleaved * EAN 128
* Code 39 (Standard and Full ASCII) ISBT 128
* Codabar Pharmacode
*ACB Readable. Other symbologies available on request.
Code Selection up to six different codes during one reading phase
Decoding Safety can enable multiple good reads of same code
Headers and Terminators up to four headers and four terminators
Operating Modes On-Line, Serial-On-Line, Automatic, Continuous, Test
Configuration Modes • through menus using WinHost utility
• receiving commands from one of the serial ports (HOST
MODE)
Special Functions ACB (Advanced Code Builder)
Motor Off
Parameter Storage Non-volatile internal EEPROM
ENVIRONMENTAL FEATURES
Operating temperature (Note 3) 0° to 45 °C (32° to 113 °F)
Storage temperature -20° to 70 °C (-4° to 158 °F)
Humidity max. 90% non condensing
Vibration resistance 14 mm @ 2 to 10 Hz
1.5 mm @ 13 to 55 Hz
EN 60068-2-6
2 hours on each axis 2 g @ 70 to 200 Hz
Shock resistance
EN 60068-2-27
3 shocks on each axis 30 g; 11 ms
Protection class IP65
PHYSICAL FEATURES
Mechanical dimensions 40 x 30 x 22 mm (1.57 x 1.18 x 0.86 in)
Weight without cable 44 g (1.55 oz)
Note 1: The features given are typical at a 25 °C ambient temperature (if not otherwise
indicated).
Note 2: Further details given in par. 3.3.
Note 3: If the reader is used in high temperature environments (over 40 °C), it is advised the
use of the Beam-shutter (see the WinHost configuration program) and/or a thermal
conductive support (such as the metal bracket provided).
41

DS1500
A
A DEFAULT CONFIGURATION
The following table shows the default values of the Standard Application Program
configuration Parameters.
Parameter Default Setting
Code Setup
Options for All Codes
Multi Label Disabled
Decoding Safety 1
Decoding Severity Level 3
Global No Read Character <CAN>
Code Position Test Disabled
ACB Disabled for all Codes
Code 1*
Code Type Code 39
Check Digit Disabled
Check Digit Tx Disabled
Codabar Start/Stop Tx Disabled
Code Length Variable
Minimum Code Length 1
Maximum Code Length 48
Min. Position in Scan Line 0
Max. Position in Scan Line 54
Bar Count Variable
Matching String Character 1 Disabled
Matching String Character 2 Disabled
Matching String Character 3 Disabled
Matching String Character 4 Disabled
Local No Read Character <CAN>
* Code 2-6 are disabled by default.
42

DEFAULT CONFIGURATION
A
Parameter Default Setting
Advanced Code Options
Linear Reading Options
Required Quiet Zone Both
ACB Parameters
Max Scan Gap 100
Min. Fragment Length Half code
Min Overlap Length 0
Concatenation
ABC Codabar Do Not Chain
ISBT 128 Do Not Chain
Chain n # - Left None
Chain n # - Right None
Main Interface Parameters
Serial Interface Type RS232
Protocol Type No Protocol
Baud Rate 9600
Parity None
Data Bits 8
Stop Bits 1
Handshake None
Data Transmission Enabled
MUX32 Protocol
Multidrop Address 31
Siemens Protocol
Checksum Disabled
Priority High
Header n. 5 $0A
Header n. 6 $01
Header n. 9 $7E
Header n. 10 $7E
Fill Character $30
Fill Position Before Data
43

DS1500
A
Parameter Default Setting
Auxiliary Interface Parameters
Communication Mode Local Echo
Baud Rate 9600
Parity None
Data Bits 8
Stop Bits 1
Handshake None
Output Lines
Output 1
Event No Read
Idle State Normally Open
Mode 50 ms pulse
Event Counter LSB $01 (1)
Event Counter MSB $00
Event Counter Mode Consecutive
Output 2
Event Right
Idle State Normally Open
Mode 50 ms pulse
Event Counter LSB $01 (1)
Event Counter MSB $00
Event Counter Mode Consecutive
Output Lines Activation
Output Lines Active On Decoding
Data Format
Data Format
Header 1 <STX>
Header 2 Disabled
Header 3 Disabled
Header 4 Disabled
Code Field Length Variable
Data Justification Left
Fill Character Space
Laser Failure Character <NUL>
Motor Failure Character <BEL>
Motor Off Character !
Data Packet Separator 1 <CR>
44

DEFAULT CONFIGURATION
A
Parameter Default Setting
Data Format (continued)
Data Packet Separator 2 <LF>
Terminator 1 <CR>
Terminator 2 <LF>
Terminator 3 Disabled
Terminator 4 Disabled
Reading Phase Error Character Disabled
Info Field Separator 1 <CR>
Info Field Separator 2 <LF>
Code Position Tx Disabled
Code Identifier Tx Disabled
Data Format
Header Tx Start With Data
Data Tx Start On Decoding
Code Identifiers AIM Standard
Operating Mode
Operating Mode Selection
Operating Mode On-Line
Operating Mode Options
External Trigger Standard
External Trigger Filter Disabled
Serial Start Character <STX>
Serial Stop Character <ETX>
Code Filter Depth 3
Reading Phase Timeout Disabled
Reading Phase Off Trigger Off/Serial Stop Character
Automatic Threshold 50
Test On Good Read Rate
On Line Counters Disabled
Reading System Layout
Device Assignment Alone
Number of Slaves (Type A) 1
45

DS1500
A
Parameter Default Setting
Reading Parameters
Beam Shutter Triggered
Overflow Automatic
Overflow Ratio 7
Motor Control Speed_4
Serial Motor Start Disabled
Serial Motor Stop Disabled
Verifier
Verifier Options
Code Verifier Disabled
Store in EEPROM Enabled
Wrong Code Character Disabled
Verifier Code Values
Verifier Code Length Variable
Character n All Disabled
Function Key
Key Options
Key Access Enabled
Test Mode Data Tx Disabled
46

GLOSSARY
ACB (Advanced Code Builder)
Advanced Code Builder (ACB) allows code reading by “stitching” together two partial
reads of it. ACB is effective in reading codes positioned close-to-linear, small height
codes, damaged codes, or poor print quality codes. See par. 3.1
Aperture
Term used on the required CDRH warning labels to describe the laser exit window.
Barcode
A pattern of variable-width bars and spaces which represents numeric or
alphanumeric data in machine-readable form. The general format of a barcode
symbol consists of a leading margin, start character, data or message character,
check character (if any), stop character, and trailing margin. Within this framework,
each recognizable symbology uses its own unique format.
Barcode Label
A label that carries a barcode and can be affixed to an article.
Baud Rate
A unit used to measure communications speed or data transfer rate.
CDRH (Center for Devices and Radiological Health)
This organization (a service of the Food and Drug Administration) is responsible for
the safety regulations governing acceptable limitations on electronic radiation from
laser devices. Datalogic devices are in compliance with the CDRH regulations.
Code Positioning
Variation in code placement that affects the ability of a scanner to read a code. The
terms Pitch, Skew, and Tilt deal with the angular variations of code positioning in the
X, Y and Z axes. See pars. 2.2.1 and 2.5. Variations in code placement affect the
pulse width and therefore the decoding of the code. Pulse width is defined as a
change from the leading edge of a bar or space to the trailing edge of a bar or space
over time. Pulse width is also referred to as a transition. Tilt, pitch, and skew impact
the pulse width of the code.
Decode
The process of translating a barcode into data characters using a specific set of rules
for each symbology.
Decoder
As part of a barcode reading system, the electronic package which receives the
signals from the scanner, performs the algorithm to interpret the signals into
47

meaningful data and provides the interface to other devices. The decoder is normally
integrated into the scanner.
EAN
European Article Number System. The international standard barcode for retail food
packages.
EEPROM
Electrically Erasable Programmable Read-Only Memory. An on-board non-volatile
memory chip.
Full Duplex
Simultaneous, two-way, independent transmission in both directions.
Half Duplex
Transmission in either direction, but not simultaneously.
Host
A computer that serves other terminals in a network, providing services such as
network control, database access, special programs, supervisory programs, or
programming languages.
Interface
A shared boundary defined by common physical interconnection characteristics,
signal characteristics and meanings of interchanged signals.
LED (Light Emitting Diode)
A low power electronic device that can serve as a visible or near infrared light source
when voltage is applied continuously or in pulses. It is commonly used as an
indicator light and uses less power than an incandescent light bulb but more than a
Liquid Crystal Display (LCD). LEDs have extremely long lifetimes when properly
operated.
Multidrop Line
A single communications circuit that interconnects many stations, each of which
contains terminal devices. See RS485.
Parameter
A value that you specify to a program. Typically parameters are set to configure a
device to have particular operating characteristics.
Picket-Fence Orientation
When the barcode’s bars are positioned vertically on the product, causing them to
appear as a picket fence. The first bar will enter the scan window first. See par. 3.2.2.
48

Pitch
Rotation of a code pattern about the X-axis. The normal distance between center line
or adjacent characters. See pars. 2.2.1 and 2.5.
Position
The position of a scanner or light source in relation to the target of a receiving
element.
Protocol
A formal set of conventions governing the formatting and relative timing of message
exchange between two communicating systems.
Raster
The process of projecting the laser beam at varied angles spaced evenly from each
other. Typically, the mirrored rotor surfaces are angled to create multiple scan lines
instead of a single beam.
Resolution
The narrowest element dimension which can be distinguished by a particular reading
device or printed with a particular device or method.
RS232
Interface between data terminal equipment and data communication equipment
employing serial binary data interchange.
RS485
Interface that specifies the electrical characteristics of generators and receivers for
use in balanced digital multipoint systems such as on a Multidrop line.
Scanner
A device that examines a printed pattern (barcode) and either passes the
uninterpreted data to a decoder or decodes the data and passes it onto the Host
system.
Serial Port
An I/O port used to connect a scanner to your computer, generally identifiable by a 9-
pin or 25-pin connector.
Signal
An impulse or fluctuating electrical quantity (i.e.: a voltage or current) the variations of
which represent changes in information.
Skew
Rotation about the Y-axis. Rotational deviation from correct horizontal and vertical
orientation; may apply to single character, line or entire encoded item. See pars.
2.2.1 and 2.5.
49

Step-Ladder orientation
When the barcode’s bars are positioned horizontally on the product, causing them to
appear as a ladder. The ends of all bars will enter the scan window first. See par.
3.2.1.
Symbol
A combination of characters including start/stop and checksum characters, as
required, that form a complete scannable barcode.
Tilt
Rotation around the Z axis. Used to describe the position of the barcode with respect
to the laser scan line. See pars. 2.5 and 3.1.
Trigger Signal
A signal, typically provided by a photoelectric sensor or proximity switch, which
informs the scanner of the presence of an object within its reading zone.
UPC
Acronym for Universal Product Code. The standard barcode type for retail food
packaging in the United States.
Visible Laser Diode
A light source used in scanners to illuminate the barcode symbol. Generates visible
red light at wavelengths between 630 and 680 nm.
50

INDEX
A
Accessories; 6
Advanced Code Builder; 28
Applications; 2
C
Cleaning; 35
E
Electrical Connections; 11
Auxiliary RS232 Interface; 17
Inputs; 18
Main Serial Interface; 12
Outputs; 19
G
General View; viii
Glossary; 46
Guide to Installation; ix
I
Important ACB Reading Conditions;
29
Indicators; 3
Installation; 7
Mounting DS1500; 10
M
Maintenance; 35
Mechanical Installation; 8
P
Package Contents; 7
Performance; 33
Positioning; 21
Power Supply; 12
R
Reading Diagrams; 34
Reading Features; 28
Picket-Fence Mode; 32
Step-Ladder Mode; 31
Reference Documentation; v
RS232 Interface; 13
RS485 Full-Duplex Interface; 14
RS485 Half-Duplex Interface; 15
S
Safety Regulations; vi
Laser Safety; vi
Power Supply; vii
Weee Compliance; vii
T
Technical Features; 39
Tilt Angle Improvement with ACB; 30
Troubleshooting; 36
Typical Layouts; 23
Multiplexer Layout; 27
Pass-Through; 25
Point-to-Point; 23
RS232 Master
/Slave; 26
51

DECLARATION OF CONFORMITY
07
Datalogic Automation S.r.l.,
Via S. Vitalino 13
40012 - Lippo di Calderara
Bologna - Italy
dichiara che
declares that the
déclare que le
bescheinigt, daß das Gerät
declare que el
DS1500-XXXX ; LASER SCANNER e tutti i suoi modelli
and all its models
et tous ses modèles
und seine Modelle
y todos sus modelos
sono conformi alle Direttive del Consiglio Europeo sottoelencate:
are in conformity with the requirements of the European Council Directives listed below:
sont conformes aux spécifications des Directives de l'Union Européenne ci-dessous:
der nachstehend angeführten Direktiven des Europäischen Rats:
cumple con los requisitos de las Directivas del Consejo Europeo, según la lista siguiente:
89/336/EEC EMC Directive e 92/31/EEC, 93/68/EEC emendamenti successivi
and further amendments
et ses successifs amendements
und späteren Abänderungen
y succesivas enmiendas
Basate sulle legislazioni degli Stati membri in relazione alla compatibilità elettromagnetica ed alla sicurezza dei
prodotti.
On the approximation of the laws of Member States relating to electromagnetic compatibility and product safety.
Basée sur la législation des Etats membres relative à la compatibilité électromagnétique et à la sécurité des produits.
Über die Annäherung der Gesetze der Mitgliedsstaaten in bezug auf elektromagnetische Verträglichkeit und
Produktsicherheit entsprechen.
Basado en la aproximación de las leyes de los Países Miembros respecto a la compatibilidad electromagnética y las
Medidas de seguridad relativas al producto.
Questa dichiarazione è basata sulla conformità dei prodotti alle norme seguenti:
This declaration is based upon compliance of the products to the following standards:
Cette déclaration repose sur la conformité des produits aux normes suivantes:
Diese Erklärung basiert darauf, daß das Produkt den folgenden Normen entspricht:
Esta declaración se basa en el cumplimiento de los productos con las siguientes normas:
EN 55022 (CLASS A ITE), August 1994:
AMENDMENT A1 (CLASS A ITE), October 2000
LIMITS AND METHODS OF MEASUREMENTS OF RADIO DISTURBANCE
CHARACTERISTICS OF INFORMATION TECHNOLOGY EQUIPMENT
EN 61000-6-2, October 2001: ELECTROMAGNETIC COMPATIBILITY (EMC).
PART 6-2: GENERIC STANDARDS – IMMUNITY FOR INDUSTRIAL
ENVIRONMENTS
Lippo di Calderara, April 2nd, 2007 Lorenzo Girotti
Product & Process Quality Manager
www.datalogic.com
DS1500
Reference Manual