Dekolink Wireless CBDAPS910W80 Bi-Directional Amplifier and Booster User Manual INSTALLATION
Dekolink Wireless Ltd Bi-Directional Amplifier and Booster INSTALLATION
Contents
- 1. Amplifier Installation Operation Tuneup inst
- 2. Booster PS9 Installation Operation Tuneup inst
Amplifier Installation Operation Tuneup inst

Dekolink Wireless Ltd.;16 Bazel St.Qiryat-Arieh Petah-Tikva Israel, 49510
Tel- 972-3-9180-180; Fax-972-3- 190-9180 ; Email-marketing@dekolink.com
INSTALLATION
AND
OPERATING INSTRUCTIONS
FOR
MW-CBDA SERIES 10W-80-A
COMPACT BI-DIRECTIONAL
AMPLIFIERS
;
Web site- www.dekolink.com rev 5 11/02 page 1 of 12

Dekolink Wireless Ltd.;16 Bazel St.Qiryat-Arieh Petah-Tikva Israel, 49510
Tel- 972-3-9180-180; Fax-972-3- 190-9180 ; Email-marketing@dekolink.com
INSTALLATION &
OPERATING INSTRUCTIONS
CBDA 10W-80-A
COMPACT BI-DIRECTIONAL AMPLIFIERS
TABLE OF CONTENTS
PARAGRAPH PAGE No
BDA OVERVIEW 3
BLOCK DIAGRAM DESCRIPTION 3
STEP ATTENUATOR & RF GAIN & SETTING 4
AGC FUNCTION 5
AGC & GAIN CONTROLS 5
BDA INSTALLATION 6
BASE/DONOR ANTENNA INSTALLATION 6
REMOTE/MOBILE ANTENNA INSTALLATION 6
ANTENNA ISOLATION 6
INSTALLATION STEPS 7
DIAGNOSTICS GUIDE 8
ELECTRICAL SPECIFICATIONS 9
SYSTEM FREQUENCY RANGE 9
ENVIRONMENTAL CONDITIONS 10
MECHANICAL SPECIFICATIONS 10
RF EXPOSURE WARNING 10
LIMITED WARRANTY 12
LIST OF DRAWINGS
DRAWING PAGE No
BDA RF BLOCK DIAGRAM 4
AGC AMPLIFIER 5
MECHANICAL OUTLINE 11
;
Web site- www.dekolink.com rev 5 11/02 page 2 of 12

Dekolink Wireless Ltd.;16 Bazel St.Qiryat-Arieh Petah-Tikva Israel, 49510
Tel- 972-3-9180-180; Fax-972-3- 190-9180 ; Email-marketing@dekolink.com
:BDA OVERVIEW
The Compact Bi-Directional Amplifier (CBDA) assembly provides an exceptional
repeater/booster performances to extend the coverage area of radio
communications in buildings and RF shielded environments.
Features such as high linearity power amplifiers are contributing for the overall
improved system linearity performances. The unit is based on a duplexed path
configuration, having sharp out of band attenuation for improved isolation
between the receiving and transmitting paths.
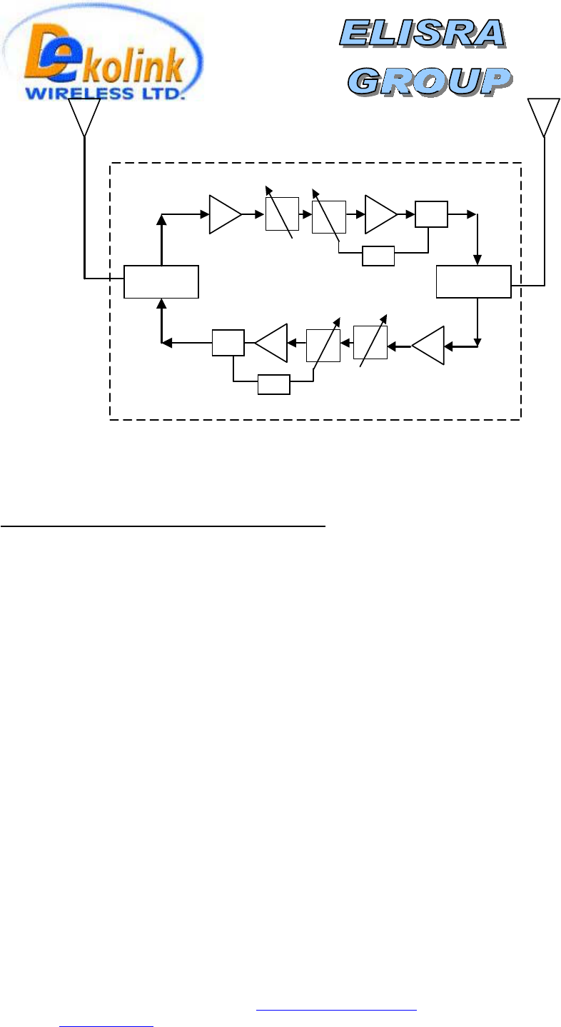
:BLOCK DIAGRAM DESCRIPTION
The CBDA Downlink path receives the RF signals from base station amplifies
them and transmits them to the subscriber. The BDA Uplink path receives the
RF signals from the subscriber amplifies them and transmits them to the base
station. Two duplexers frequency separate the signals to the proper amplifying
path and isolate the two signals.
For each path two amplifiers do the path signal amplification; a low noise
amplifier (LNA) and a high power amplifier. The low noise amplifier has a 30 dB
step attenuator at its output. The step attenuator is used to set the BDA
repeater gain.
The power amplifiers in the BDA have an AGC option switch. When switched on,
the AGC circuit limits the amplifier output power. The AGC circuit senses the
output power and introduces more attenuation, when the output power exceeds
the preset level. This way the gain of the amplifier is reduced, its output power is
limited and the intermodulations products are kept below the desired level.
The AGC amplifier has a Power LED lamp that illuminates when the output
power has reached the preset power limit.
;
Web site- www.dekolink.com rev 5 11/02 page 3 of 12

Duplexer
Downlink
Duplexer
Uplink
LNA
Attenuator
Power
Monitor
PA
AGC
LNA
Attenuator
Power
Monitor
PA
AGC
BDA RF BLOCK DIAGRAM
TO
BASE
TO
MOBILE
Dekolink Wireless Ltd.;16 Bazel St.Qiryat-Arieh Petah-Tikva Israel, 49510
Tel- 972-3-9180-180; Fax-972-3- 190-9180 ; Email-marketing@dekolink.com;
Web site- www.dekolink.com rev 5 11/02 page 4 of 12
Step Attenuator & RF Gain Setting
For proper operation of the BDA; the isolation between the base station antenna
and the mobile antenna should exceed the BDA gain by at least 12 dB. If the
BDA gain were higher than the isolation between the antennas, oscillation would
start and would saturate the amplifier. Isolation few dB higher than the BDA gain
cannot start oscillations but would cause gain ripple in the band.
The step attenuator on the low noise amplifier can reduce the BDA gain. The
BDA gain can be stepped down by the amount indicated on the step attenuator.

Dekolink Wireless Ltd.;16 Bazel St.Qiryat-Arieh Petah-Tikva Israel, 49510
Tel- 972-3-9180-180; Fax-972-3- 190-9180 ; Email-marketing@dekolink.com
AGC FUNCTION
The BDA has AGC function on both paths that serve to prevent the saturation of the
power amplifier. Their amplifier has a directional coupler and a detector at the output of
the high power amplifier to monitor the output power. When a high signal is received
the automatic level control detects the amplitude and sends a feedback signal to a
voltage variable attenuator which attenuates the signal level so that the output power of
the amplifier does not exceed the preset limit. The LED on the amplifier illuminates
when the power out the amplifier is within the set limit (when the AGC is On and when
the AGC is OFF).
The switch on the RF amplifier enables the AGC function. If the AGC is disabled then
the amplifier gives maximum gain.
AGC AND GAIN CONTROLS
The AGC and GAIN SETTING functions for the up link path are reached by opening the
small slide door located on the CBDA left side, adjacent to the BASE antenna port. For
the down link path the door is on the right side adjacent to the MOBILE antenna port
RF Power LED: The LED illuminates when the output power exceeds the AGC Set .
AGC ON / OFF Switch: When OFF the amplifier works with its highest gain (AGC
Function OFF). When set to ON (AGC Function ON) the amplifier power output cannot
exceed the set limit.
Gain setting: By using the rotary knob , the attenuation can be adjusted in 2 dB
steps.
;
Web site- www.dekolink.com rev 5 11/02 page 5 of 12

Dekolink Wireless Ltd.;16 Bazel St.Qiryat-Arieh Petah-Tikva Israel, 49510
Tel- 972-3-9180-180; Fax-972-3- 190-9180 ; Email-marketing@dekolink.com
BDA INSTALLATION
Install the BDA Repeater in a shielded, ventilated and easy to reach area. Use low loss cables
to connect antennas to the BDA. Install the BDA close to the service area to improve output
power and noise figure. Mount the BDA with RF connecters pointing down. The RF connection is
made via two type “N” female connectors. The RF connector labeled “Base” must be connected
to the antenna; usually a Yagi; pointing to the base station. The RF connection labeled “Mobile”
must be connected to the antenna pointing into the area to be covered by the BDA.
DONOR ANTENNA INSTALLATION/ BASE
Typically this is a directional antenna such as Yagi or Dish antenna of 10 to 15 dB gain. This
antenna is pointed to the base station to get maximum input power. This antenna should be in
line of sight with the base site. Raise this antenna higher if no line of sight is achieved. The
required Base signals should be the dominant signals; at least 6 dB higher power than other
signals.
Choose the antenna site to get the maximum isolation from the remote (mobile serving) antenna.
MOBILE ANTENNA INSTALLATION/ REMOTE
The remote antenna is an Omni antenna or a directional antenna according to the coverage
requirements.
For indoor applications covering a large building, the RF signals are split using power dividers
and distributed to many antennas each covering a floor or a small area.
ANTENNA ISOLATION
For proper operation the isolation between these two antennas must be at least 12 dB higher
than the BDA gain. Lower isolation would lead to high in-band ripple. Oscillations will build up
when the isolation is lower than BDA gain.
The isolation between the antennas is critical for high gain outdoor repeaters.
To measure the isolation; inject a known signal into one antenna and measure the power at the
other antenna. This should be done across the frequency range of both uplink and downlink
bands.
;
Web site- www.dekolink.com rev 5 11/02 page 6 of 12

Dekolink Wireless Ltd.;16 Bazel St.Qiryat-Arieh Petah-Tikva Israel, 49510
Tel- 972-3-9180-180; Fax-972-3- 190-9180 ; Email-marketing@dekolink.com
INSTALLATION STEPS
1. Install all antennas and connect them to the BDA inputs.
2. Open the access windows at the sides of the BDA so that the variable attenuator is reached
and the LED is visible.
3. Turn the AGC On. This AGC limits the output power of the BDA. The AGC on the Downlink
path guarantees constant downlink power when and if the Donor power changes.
4. Set downlink gain to minimum; uplink gain to minimum (by increasing the attenuation).
5. Increase the downlink channel gain (by decreasing the attenuation) till the LED turns from off
to on. This is the best gain setting giving highest usable power.
6. The LED on the downlink power amplifier will illuminate if adequate donor power has
reached the BDA. If the donor power is low the LED will not lit and the BDA usable power is
not used efficiently.
7. Set the uplink gain to the same as the downlink gain.
8. Check that the uplink LED on the BDA monitor does not lit permanently. This LED would lit
permanently If the isolation between antennas is low (BDA oscillations) or the BDA is faulty.
9. If the uplink LED light permanently then:
• Disconnect one of the cables from the BDA connectors and connect a load at the
connectors.
• If the LED on this amplifier illuminates permanently then the BDA is faulty
(oscillating) and needs replacing.
• If the LEDs stops illuminating then the isolation between the donor and remote
antennas is low. Either improve the isolation (e.g. increase separation) or reduce
BDA gain.
• To reduce gain, reconnect the antenna cables. Reduce the gain at both uplink and
downlink path until this LED stops illuminating. Reduce the gain further by 10 dB.
This is the maximum usable gain.
;
Web site- www.dekolink.com rev 5 11/02 page 7 of 12

Dekolink Wireless Ltd.;16 Bazel St.Qiryat-Arieh Petah-Tikva Israel, 49510
Tel- 972-3-9180-180; Fax-972-3- 190-9180 ; Email-marketing@dekolink.com
DIAGNOSTICS GUIDE
The BDA provides long term, carefree operation and requires no periodic maintenance.
This section covers possible problems related to the installation environment.
RF Faults and RF Power Amplifiers LED Indications:
The LEDs on the power amplifier are set to turn on when the transmitted power has
reached or exceeded the specified composite power.
Normally the LED at the downlink power amplifier should be on indicating good forward
power transmission. The LED on the uplink power amplifier turns on only when a near
by mobile is transmitting.
Indication Cause Action
Downlink LED does
not light
Indicates low RF power at
downlink path
Check base antenna connection
Check antenna alignment to base.
Increase BDA RFgain.
Downlink LED lights
(This is not a fault)
Indicates good power
transmission in the downlink
amplifier.
Make sure the amplifier is
not overloaded
Turn AGC on, or reduce gain so that LED
just turns from off to on.
Set the same gain for the uplink channel
Uplink LED lights all
the time
Bad antenna isolation
causing the repeater system
to oscillate
Improve the isolation between the
antennas or reduce RF gain. To verify
disconnect one RF port; LED should turn
off
Uplink LED lights all
the time
Faulty system. Can be
diplexer or power amplifier
fault
System fault. To verify disconnect one RF
port to verify. If LED remains on then
system is faulty.
Excessive
intermodulation or
spurious
Amplifier oscillation caused
by insufficient isolation
Improve the isolation between the
antennas or reduce RF gain.
Excessive noise in
downlink
High input power causing
amplifier overload
Turn AGC on, or reduce gain so that LED
just turns from off to on. Set the same
gain for the uplink channel
;
Web site- www.dekolink.com rev 5 11/02 page 8 of 12

Dekolink Wireless Ltd.;16 Bazel St.Qiryat-Arieh Petah-Tikva Israel, 49510
Tel- 972-3-9180-180; Fax-972-3- 190-9180 ; Email-marketing@dekolink.com
:TRICAL SPECIFICATIONSELEC
Frequency Range (MHz) SEE TABLE
Passband Gain @Min attenuation 80 dB nominal
Passband Ripple ± 1.5 dB typical
Manual Attenuation Range 0 to 30 dB in 2 dB step
Noise Figure 6.0 dB max
Impedance level 50 ohms
V.S.W.R In/Out 1.5 : 1 max
AGC Selection By ON/OFF Switch
AGC Attenuation Range 25 dB typical
AGC LED Indication LED turn ON when power reaches AGC Set
Power Level. (both at On and Off positions).
AGC Factory Power Preset Up link: +24 dBm nom.
Down link: +30 dBm nom.
Amplifier Power Output
@1 dB Compression
Up Link : 1 Watts
Down Link : 10 Watts
3rd Order output Intercept point Up Link : +45 dBm typical
Down Link :+50 dBm typical
Power Supply 110/220V AC, 50-60 Hz /1A
System Frequency Range
SYSTEM TYPE
MODEL No
DOWN-
LINK
UP-
LINK
E-SMR (iDEN) MW-CBDA-ESMR-10W80A 851-866 806-821
SMR 800-Public Safety MW-CBDA-SMR-10W80A-PS8 851-869 806-824
SMR - 900 MHz MW-CBDA-SMR-10W80A-PS9 935-941 896-902
GSM MW-CBDA-GSM-10W80A 935-960 890-915
TDMA Band B MW-CBDA-CELLB-10W80A 880-894 835-849
CDMA/TDMA/N-AMPS MW-CBDA-AB-10W80A 870-894 825-849
;
Web site- www.dekolink.com rev 5 11/02 page 9 of 12

Dekolink Wireless Ltd.;16 Bazel St.Qiryat-Arieh Petah-Tikva Israel, 49510
Tel- 972-3-9180-180; Fax-972-3- 190-9180 ; Email-marketing@dekolink.com
:ENVIRONMENTAL CONDITIONS
Operating temperature C
°
C to + 50
°
- 30
Storage temperature - 50°C to + 90°C
:CIFICATIONSEMECHANICAL SP
Size mm(Inch) 265(10.4) x 250(9.8) x140(5.5)
RF Connectors N-type Female
Weight 8 kg. Approx
RF EXPOSURE WARNING
In order to satisfy the FCC RF exposure requirements, you must ensure that the installation
complies with the following:
One antenna is connected via cable that has typical 1~10 dB attenuation (depends on the length
of the cable) to the BDA BASE port. This antenna is installed outdoor and has very sharp beam
(Yagi type or similar) pointed to the donor (BTS). This type of antenna has about 10 dBi gain.
Typical specifications: gain: 8 dBd (=10.1 dBi), VSWR: better than 1.5:1 , Impedance: 50 ohm.
The outdoor antenna must be installed to provide a minimum separation distance of 0.5 m (50
cm) from persons within the area.
The second antenna is connected via cable that has typical 1~10 dB attenuation (depends on
the length of the cable) to the CBDA MOBILE port. This type of antenna is omnidirecttional
(isotropic), or wide beam, with 0 to 2 dBi typical gain and is installed and distributes indoor (in
buildings, tunnels, basements, park lots, shopping centers etc.). Typical specifications: gain: 2
dBi, VSWR: better than 2:1 , Impedance: 50 ohm. The indoor antenna must be installed to
provide a minimum separation distance of 0.2 m (20 cm) from persons within the area.
;
Web site- www.dekolink.com rev 5 11/02 page 10 of 12

Dekolink Wireless Ltd.;16 Bazel St.Qiryat-Arieh Petah-Tikva Israel, 49510
Tel- 972-3-9180-180; Fax-972-3- 190-9180 ; Email-marketing@dekolink.com;
Web site- www.dekolink.com rev 5 11/02 page 11 of 12
MECHANICAL OUTLINE

Dekolink Wireless Ltd.;16 Bazel St.Qiryat-Arieh Petah-Tikva Israel, 49510
Tel- 972-3-9180-180; Fax-972-3- 190-9180 ; Email-marketing@dekolink.com
DEKOLINK WIRELESS
LIMITED WARRANTY
Dekolink Wireless [Ltd.] (“Dekolink”), manufacturer of this product (the “Product”)
warrants to the original purchaser (“Purchaser”) that the Product is free from defects in
materials and workmanship for a term that ends on the earlier of twelve (12) months from
the date of activation of the Product or fifteen (15) months from the date of shipment of
the Product by Dekolink. The obligations of Dekolink under this warranty shall be limited
solely to the repair or exchange or giving credit for, at the option of Dekolink, any Product
that may prove defective in accordance with evidence satisfactory to Dekolink. Any repair
or replacement of the Product by Dekolink shall not extend the original warranty period.
This warranty is exclusive to the original Purchaser and is not assignable.
This warranty applies only upon the condition that the Product has been installed,
maintained and operated under conditions of normal use. The provisions of this warranty
shall not apply if, in Dekolink’s judgment, the Product has been subject to misuse or
neglect, damaged in an accident or by act of vandalism, or repaired or altered in any way
that adversely affects its performance or reliability.
To obtain warranty service, Purchaser may, upon the prior written authorization of
Dekolink or its authorizerd service representative, return the defective Product to
Dekolink’s authorized service center. All shipping and insurance charges are the sole
responsibility of Purchaser and are not included in this warranty.
Dekolink expressly excludes and disclaims all other warranties, including but not limited to
any warranties of merchantability or fitness for a particular purpose.
Dekolink shall in no event be liable for any special, indirect, incidental, consequential or
punitive damages or for loss, damage, or expense, including loss of use, profits, revenue, or
goodwill, directly or indirectly arising from purchaser’s use or inability to use the
merchandise, or for loss or destruction of other property or from any other cause, even if
Dekolink. has been advised of the possibility of such damage. some states do not allow the
exclusion or limitation of incidental or consequential damages so these limitations may not
apply under certain circumstances.
The liability of Dekolink shall in no event exceed an amount equivalent to the purchase price
paid by the purchaser for the defective product.
This warranty shall not be extended, altered or varied except by a written instrument duly
signed by Dekolink.
;
Web site- www.dekolink.com rev 5 11/02 page 12 of 12