Dekolink Wireless IBDBESMR10W40 Bi-Directional Booster User Manual INSTALLATION
Dekolink Wireless Ltd Bi-Directional Booster INSTALLATION
Installation instructions

Dekolink Wireless Ltd., 16 Bazel St., Qiryat-Arieh Petah-Tikva Israel, 49510
Tel: 972-3-9180-180; Fax: 972-3-9180190 Email: marketing@dekolink.com
INSTALLATION
AND
OPERATING INSTRUCTIONS
FOR
MW-IBDB10W40
BOOSTER
;
Web site: www.dekolink.com Rev 0 02/03 Page 1 of 9

Dekolink Wireless Ltd., 16 Bazel St., Qiryat-Arieh Petah-Tikva Israel, 49510
Tel: 972-3-9180-180; Fax: 972-3-9180190 Email: marketing@dekolink.com
TABLE OF CONTENTS
PARAGRAPH PAGE No
BOOSTER OVERVIEW 3
BLOCK DIAGRAM DESCRIPTION 3
BOOSTER OPERATION 4
AGC FUNCTION 4
AGC AND GAIN CONTROLS 5
ELECTRICAL SPECIFICATIONS 6
ENVIRONMENTAL CONDITIONS 7
MECHANICAL SPECIFICATIONS 7
RF EXPOSURE WARNING 7
DEKOLINK WIRELESS LIMITED WARRANTY 9
LIST OF DRAWINGS
DRAWING PAGE No
BOOSTER RF BLOCK DIAGRAM 4
AGC AMPLIFIER 5
MECHANICAL OUTLINE 8
;
Web site: www.dekolink.com Rev 0 02/03 Page 2 of 9

Dekolink Wireless Ltd., 16 Bazel St., Qiryat-Arieh Petah-Tikva Israel, 49510
Tel: 972-3-9180-180; Fax: 972-3-9180190 Email: marketing@dekolink.com
:BOOSTER OVERVIEW
The Booster provides an exceptional performances to extend the coverage area of radio
communications in buildings and RF shielded environments.
The unit is based on a duplexed path configuration, having sharp out of band attenuation for
improved isolation between the receiving and transmitting paths.
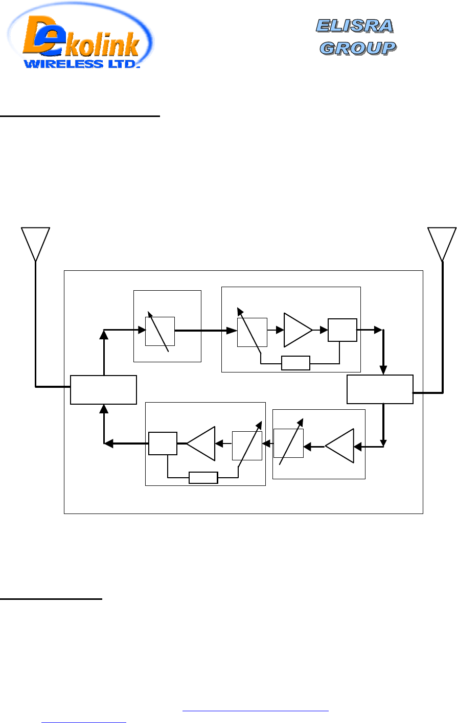
:BLOCK DIAGRAM DESCRIPTION
The Downlink path receives the RF signals from base station, amplifies them and transmits them for
further distribution to the subscriber.
The Uplink path receives the RF signals from the subscribers, amplifies them and transmits them to
the base station.
Two duplexers separate the signals to the proper amplifying path and isolate between the the two
paths.
For each path there is a 40dB gain and a 30 dB step attenuator to set the Booster gain.
The power amplifiers in the Booster have an AGC option switch. When switched on, the AGC circuit
limits the amplifier output power. The AGC circuit senses the output power and introduces more
attenuation, when the output power exceeds the preset level. This way the gain of the amplifier is
reduced, its output power is limited and the intermodulations products are kept below the desired
level.
The AGC amplifier has a Power LED lamp that illuminates when the output power has reached the
preset power limit.
;
Web site: www.dekolink.com Rev 0 02/03 Page 3 of 9

Dekolink Wireless Ltd., 16 Bazel St., Qiryat-Arieh Petah-Tikva Israel, 49510
Tel: 972-3-9180-180; Fax: 972-3-9180190 Email: marketing@dekolink.com
BOOSTER OPERATION
The RF connection is made via two type “N” female connectors. The RF connector labeled “Base” is
connected to the base station. The RF connection labeled “Mobile” is connected to the antenna of
area to be covered by the Booster; such as inside the building.
Duplexer
Downlink
Duplexer
Uplink
LNA
Attenuator
Power
Monitor PA
AGC
Attenuator Power
Monitor
PA
AGC
IBDB-10W40
RF BLOCK DIAGRAM
TO
BASE
TO
MOBILE
AGC FUNCTION
The Booster has AGC function on both paths that serve to prevent the saturation of the power
amplifier. Their amplifier has a directional coupler and a detector at the output of the high power
amplifier to monitor the output power. When a high signal is received the automatic level control
detects the amplitude and sends a feedback signal to a voltage variable attenuator which attenuates
;
Web site: www.dekolink.com Rev 0 02/03 Page 4 of 9

Dekolink Wireless Ltd., 16 Bazel St., Qiryat-Arieh Petah-Tikva Israel, 49510
Tel: 972-3-9180-180; Fax: 972-3-9180190 Email: marketing@dekolink.com
the signal level so that the output power of the amplifier does not exceed the preset limit. The LED on
the amplifier illuminates when the power output of the amplifier is within the set limit (either when the
AGC is On or OFF).
The switch on the RF amplifier enables the AGC function. If the AGC is disabled then the amplifier
gives maximum gain.
AGC AND GAIN CONTROLS
The AGC ON/OFF and GAIN SETTING functions for the up link path are reached by opening the
small slide door located on the Booster left side, adjacent to the BASE antenna port. For the down
link path the door is on the right side adjacent to the MOBILE antenna port.
RF Power LED: The LED illuminates when the output power exceeds the AGC Set .
AGC ON / OFF Switch: When OFF the amplifier works with its highest gain (AGC Function
OFF). When set to ON (AGC Function ON) the amplifier power output cannot exceed the set limit.
Warning: The AGC switch must be always ON in order to limit the spurious
signals.
Gain setting: By using the rotary knob, the attenuation can be adjusted in 2 dB
steps.
;
Web site: www.dekolink.com Rev 0 02/03 Page 5 of 9

Dekolink Wireless Ltd., 16 Bazel St., Qiryat-Arieh Petah-Tikva Israel, 49510
Tel: 972-3-9180-180; Fax: 972-3-9180190 Email: marketing@dekolink.com
:ELECTRICAL SPECIFICATIONS
Frequency Range (MHz) See table
Passband Gain @Min attenuation 40 dB nominal
Passband Ripple +/- 1.5 dB typical
Manual Attenuation Range 0 to 30 dB in 2 dB step
Isolation between up and down link 70 dB min
Noise Figure 6.0 dB max
3rd Order output Intercept point
Downlink +50 dBm typical
Uplink +43 dBm typical
3rd Order IMD
Downlink @2 tone +27 dBm each
Uplink @2 tone +20 dBm each
45 dBc typical
45 dBc typical
AGC Factory Power Preset Downlink +30 dBm nom.
Uplink +24 dBm nom.
Impedance level 50 ohms
V.S.W.R In/Out 1.5 : 1 max
AGC Attenuation Range 25 dB typical
AGC Selection By ON/OFF Switch
AGC LED Indication LED turn ON when power reaches AGC Set
Power Level. (both at On and Off Positions).
Power Supply : 110/220V AC, 50-60 Hz
System Frequency Range
SYSTEM TYPE
MODEL No
DOWN-
LINK
UP-
LINK
E-SMR (iDEN) MW-IBDB-ESMR-10W40A 851-866 806-821
SMR - 900 MHz MW-IBDB-SMR-10W40A-PS9 935-941 896-902
;
Web site: www.dekolink.com Rev 0 02/03 Page 6 of 9

Dekolink Wireless Ltd., 16 Bazel St., Qiryat-Arieh Petah-Tikva Israel, 49510
Tel: 972-3-9180-180; Fax: 972-3-9180190 Email: marketing@dekolink.com
:L CONDITIONSENVIRONMENTA
Operating temperature : - 10°C to + 50°C
Storage temperature : - 50°C to + 90°C
:MECHANICAL SPECIFICATIONS
Size mm(Inch) 265(10.4) x 250(9.8) x140(5.5)
RF Connectors N-type Female
Weight 8 kg. Approx
RF EXPOSURE WARNING
In order to satisfy the FCC RF exposure requirements, you must ensure that the installation complies
with the following:
One antenna is connected via cable that has typical 1~10 dB attenuation (depends on the length of
the cable) to the BDA base port. This antenna is installed outdoor and has very sharp beam (Yagi
type or similar) pointed to the donor (BTS). This type of antenna has about 10 dBi gain. Typical
specifications: gain: 8 dBd (=10.1 dBi), VSWR: better than 1.5:1 , Impedance: 50 ohm. The outdoor
antenna must be installed to provide a minimum separation distance of 0.5 m (50 cm) from persons
within the area.
The second antenna is connected via cable that has typical 1~10 dB attenuation (depends on the
length of the cable) to the BDA MOBILE port. This type of antenna is omnidirecttional (isotropic), or
wide beam, with 0 to 2 dBi typical gain and is installed and distributes indoor (in buildings, tunnels,
basements, park lots, shopping centers etc.). Typical specifications: gain: 2 dBi, VSWR: better than
2:1 , Impedance: 50 ohm. For direct connection to the BDA this antenna must be installed to provide
a minimum separation distance of 0.5 m (50 cm) from persons within the area.
;
Web site: www.dekolink.com Rev 0 02/03 Page 7 of 9

Dekolink Wireless Ltd., 16 Bazel St., Qiryat-Arieh Petah-Tikva Israel, 49510
Tel: 972-3-9180-180; Fax: 972-3-9180190 Email: marketing@dekolink.com;
Web site: www.dekolink.com Rev 0 02/03 Page 8 of 9
MECHANICAL OUTLINE

DEKOLINK WIRELESS
LIMITED WARRANTY
Dekolink Wireless [Ltd.] (“Dekolink”), manufacturer of this product (the “Product”) warrants to the
original purchaser (“Purchaser”) that the Product is free from defects in materials and workmanship
for a term that ends on the earlier of twelve (12) months from the date of activation of the Product or
fifteen (15) months from the date of shipment of the Product by Dekolink. The obligations of Dekolink
under this warranty shall be limited solely to the repair or exchange or giving credit for, at the option
of Dekolink, any Product that may prove defective in accordance with evidence satisfactory to
Dekolink. Any repair or replacement of the Product by Dekolink shall not extend the original warranty
period. This warranty is exclusive to the original Purchaser and is not assignable.
This warranty applies only upon the condition that the Product has been installed, maintained and
operated under conditions of normal use. The provisions of this warranty shall not apply if, in
Dekolink’s judgment, the Product has been subject to misuse or neglect, damaged in an accident or
by act of vandalism, or repaired or altered in any way that adversely affects its performance or
reliability.
To obtain warranty service, Purchaser may, upon the prior written authorization of Dekolink or its
authorized service representative, return the defective Product to Dekolink’s authorized service
center. All shipping and insurance charges are the sole responsibility of Purchaser and are not
included in this warranty.
Dekolink expressly excludes and disclaims all other warranties, including but not limited to any
warranties of merchantability or fitness for a particular purpose.
Dekolink shall in no event be liable for any special, indirect, incidental, consequential or punitive
damages or for loss, damage, or expense, including loss of use, profits, revenue, or goodwill, directly
or indirectly arising from purchaser’s use or inability to use the merchandise, or for loss or destruction
of other property or from any other cause, even if Dekolink has been advised of the possibility of
such damage. Some states do not allow the exclusion or limitation of incidental or consequential
damages so these limitations may not apply under certain circumstances.
The liability of Dekolink shall in no event exceed an amount equivalent to the purchase price paid by
the purchaser for the defective product.
This warranty shall not be extended, altered or varied except by a written instrument duly signed by
Dekolink.
Dekolink Wireless Ltd., 16 Bazel St., Qiryat-Arieh Petah-Tikva Israel, 49510
Tel: 972-3-9180-180; Fax: 972-3-9180190 Email: marketing@dekolink.com;
Web site: www.dekolink.com Rev 0 02/03 Page 9 of 9