Delonghi Defsgg 36 Users Manual Inst C36 .2698 .4
DEFSGG 36 to the manual ba2a72f8-e70d-4bc1-a7f2-e23c85651c57
2015-01-24
: Delonghi Delonghi-Defsgg-36-Users-Manual-311549 delonghi-defsgg-36-users-manual-311549 delonghi pdf
Open the PDF directly: View PDF
.
Page Count: 28

IMPORTANT - PLEASE READ AND FOLLOW
✓Before beginning, please read these instructions completely and carefully.
✓Do not remove permanently affixed labels, warnings, or plates from the product. This
may void the warranty.
✓Please observe all local and national codes and ordinances.
✓Please ensure that this product is properly grounded.
✓The installer should leave these instructions with the consumer who should retain
for local inspector's use and for future reference.
✓The electrical plug should always be accessible.
Installation must conform with local codes or in the absence of codes, the National Fuel
Gas Code ANSIZ223.1 - Iatest edition. Electrical installation must be in accordance with the
National Electrical Code, ANSI/NFPA70 - latest edition and/or local codes. IN CANADA:
Installation must be in accordance with the current CAN/CGA-B149.1 National Gas
Installation Code or CAN/CGA-B149.2, Propane Installation Code and/or local codes.
Electrical installation must be in accordance with the current CSA C22.1 Canadian
Electrical Codes Part 1 and/or local codes.
INSTALLATION IN MANUFACTURED (MOBILE) HOME: The installation must conform with
the Manufactured Home Construction and Safety Standard, Title 24 CFR, Part 3280 [for-
merly the Federal Standard for Mobile Home Construction and Safety, Title 24, HUD (Part
280)] or, when such standard is not applicable, the Standard for Manufactured Home
Installations, ANSI/NCSBCS A225.1, or with local codes where applicable.
INSTALLATION IN RECREATIONAL PARK TRAILERS: The installation must conform with
state or other codes or, in the absence of such codes, with the Standard for Recreational
Park Trailers, ANSI A119.5.
Installation of any gas-fired equipment should be made by a Iicensed plumber. A manual
gas shut-off valve must be installed in the gas supply line ahead of the appliance in the gas
stream for safety and ease of service.
If an external electrical source is utilized, the appliance, when installed, must be electrical-
ly grounded in accordance with local codes or, in the absence of local codes, with the
national Electrical Code, ANSI/NFPA 70.
This range is supplied with a protective film on steel and aluminium parts.
This film must be removed before installing/using the appliance.
FOR INSTALLER ONLY
THIS RANGE IS FOR RESIDENTIAL USE ONLY
•INSTALLATION INSTRUCTIONS
IMPORTANT - PLEASE READ AND FOLLOW
DOUBLE OVEN GAS RANGE
for residential use only
Models: DEFSGG 36 D..

2
✓Do not store or use gasoline or other flammable vapors and liquids
in the vicinity of this or any other appliance.
✓WHAT TO DO IF YOU SMELL GAS:
• Do not try to light any appliance.
• Do not touch any electrical switch; do not use any phone in your
building.
• lmmediately call your gas supplier from a neighbor's phone.
Follow the gas supplier's instructions.
• lf you cannot reach your gas supplier, call the fire department.
✓Installation and service must be performed by a qualified installer,
service agency, or the gas supplier.
WARNING: IF THE INFORMATION IN THIS MANUAL IS NOT
FOLLOWED EXACTLY, A FIRE OR EXPLOSION MAY RESULT
CAUSING PROPERTY DAMAGE, PERSONAL INJURY, OR DEATH.
WARNING
• ALL RANGES CAN TIP
• INJURY TO PERSON COULD RESULT
• INSTALL ANTI-TIP DEVICE PACKED
WITH RANGE
• SEE INSTALLATION INSTRUCTIONS

3
DATA PLATE
CONVERSION LABEL
This appliance is designed and manufactured solely for the cooking of domestic (household)
food and in not suitable for any none domestic application and therefore should not be used
in a commercial environmement.
The appliance guarantee will be void if the appliance is used within a none domestic
environnement i.e. a semi commercial, commercial or communal environment.

4
WARNING!
THIS APPLIANCE HAS TO BE INSTALLED BY A QUALIFIED INSTALLER.
Improper installation, adjustment, alteration, services, or maintenance can cause injury or property damage. Consult a
qualified installer, service agent, or the gas supplier.
IMPORTANT: The use of suitable protective clothing/gloves is recommended when handling, installing of this appliance.
INSTALLATION INSTRUCTIONS
TOOLS NEEDED FOR INSTALLATION
Screwdriver 2 - Wrench T-handle
wrench Tape
measurePencil
Adjustable
pliers
Adjustable
wrench
Suitable protective
gloves Drill
Hammer

5
GENERAL INFORMATION
1. Installation must conform with local codes or, in the
absence of local codes, with the National Fuel Gas Code,
ANSI Z223.1-Latest Edition.
2. Installation in manufactured (mobile) home: installation
must conform with the Manufactured Home Construction
and Safety Standard, Title 24 CFR, Part 3280 [formerly
the Federal Standard for Mobile Home Construction and
Safety, Title 24, HUD (Part 280)] or, when such standard
is not applicable, the Standard for Manufactured Home
Installations, ANSI/NCSBCS A225.1, or with local codes
where applicable.
3. Installation in Recreational Park Trailers: installation must
conform with state or other codes or, in the absence of
such codes, with the Standard for Recreational Park
Trailers, ANSI A119.5.
4. WARNING!!
This appliance shall not be used for space heating. This
information is based on safety considerations.
5. AlI openings in the wall behind the appliance and in the floor
under the appliance shall be sealed.
6. Keep appliance area clear and free from combustible
materials, gasoline, and other flammable vapors.
7. Do not obstruct the flow of combustion and ventilation air.
8. Disconnect the electrical supply to the appliance before
servicing.
9. When removing appliance for cleaning and/or service;
A. Shut off gas at main supply.
B. Disconnect AC power supply.
C. Disconnect gas line to the inlet pipe.
D. Carefully remove the range by pulling outward.
CAUTION: Range is heavy; use care in handling.
10. Electrical Requirement
Electrical installation should comply with national and local
codes.
11. Air Supply and Ventilation
The installer must refers to local/national codes.
12. Gas Manifold Pressure
Natural gas - 4.0” W.C.P.
LP/Propane - 11.0” W.C.P.
13. The misuse of oven door (e.g. stepping, sitting, or leaning
on them) can result in potential hazards and/or injuries.
14. When installing or removing the range for service, a rolling
lift jack should be used. Do not push against any of the
edges of the range in an attempt to slide it into or out of
the installation. Pushing or pulling a range (rather than using
a lift jack) also increases the possibility of bending the leg
spindles or the internal coupling connectors.
WARNING!!
ELECTRICAL GROUNDING INSTRUCTIONS
The range must be electrically grounded in accordance
with local codes or, in the absence of local codes, with the
National Electrical Code, ANSI/NFPA No. 70-latest edition.
Installation should be made by a Iicensed electrician.
FOR PERSONAL SAFETY, THIS APPLIANCE MUST BE
PROPERLY GROUNDED.
If an external electrical source is utilized, the installation must
be electrically grounded in accordance with local codes or, in
the absence of local codes, with the national Electrical Code,
ANSI/NFPA 70.
This appliance is equipped with a three-prong grounding plug
for your protection against shock hazard and should be
plugged directly into a properly grounded socket.
Do not under any circumstances cut or remove the third
(ground) prong from the power plug.
REPLACEMENT PARTS
Only authorized replacement parts may be used in performing
service on the range. Replacement parts are available from
factory authorized parts distributors. Contact the nearest parts
distributor in your area.

6
installation
PROXIMITY TO SIDE CABINETS
1. This range may be installed directly adjacent to existing 36"
(914 mm) high base cabinets.
Range dimensions:
•width: 35” 7/8 (911 mm)
•depth: 23” 31/32 (609 mm)
•height (without backguard / island trim): MIN 35” 7/16
(900 mm) MAX 37” 13/32 (950 mm)
•backguard (height): 8” (203 mm)
•island trim (height): 3” (76 mm)
Gas line opening:
Wall - 7” 15/32 (190 mm) from the floor; 15” 3/4 (400 mm) from
the rear right side of the range.
Grounded outlet: the electric cord with 3-prong ground plug
has a length of 72” (1830 mm). Grounded outlet should be
located 20” 1/8 (511 mm) from the left side to centre of range
and from 5” 1/8 (130 mm) to 7” 3/32 (180 mm) [depending on
feet regulation] from the floor.
8"
(203 mm)
23"
31/32
(609 mm)
(911 mm)
35" 7/8
MIN 35" 7/16 (900 mm)
MAX 37" 13/32 (950 mm)
3"
(76 mm)
23" 31/32
(609 mm)
(911 mm)
35" 7/8
MIN 35" 7/16 (900 mm)
MAX 37" 13/32 (950 mm)
Fig. 1.1a
Fig. 1.1b
2. The range CANNOT be installed directly adjacent to side-
walls, tall cabinets, tall appliances, or other side vertical sur-
faces above 36” (914 mm) high.
There must be a minimum of 11” 13/16 (300 mm) side clear-
ance from the range to such combustible surfaces TO THE
LEFT or TO THE RIGHT above the 36” (914 mm) high coun-
tertop.
IMPORTANT: One side (left or right) above the 36” (914
mm) high countertop must always be kept clear.
Installation with island trim: There must be a minimum of 12”
(305 mm) clearance from the back of the island trim to such
combustible surface on the back of the range above the 36”
(914 mm) high countertop.
3. The maximum upper cabinet depth recommended is 13” (330
mm). Wall cabinet above the range must be a minimum of 30”
(762 mm) above the countertop for a width of minimum 35”
7/8 (911 mm): it has to be centred with the range. Side wall
cabinets above the range must be a minimum of 18” (457
mm) above the countertop.
Backguard
Island trim

7
A
B
D
C
GAS AND ELECTRIC CONNECTION
Dotted line showing the position
of the range when installed
* : Depending on feet regulation
Area for ELECTRICAL connection Area for GAS connection
Fig. 1.2
Rif. inch mm
A7” 15/32 190
B15” 3/4 400
C5” 1/8 ÷ 7” 3/32 (*) 130 ÷ 180 (*)
D20” 1/8 511

(457 mm)
18" min.
30" min.
(762 mm)
(914 mm)
36"
0"
(0 mm)
0"
(0 mm)
20" min. (500 mm)
11"
13/16
min. (300 mm)
13" max. (330 mm)
(457 mm)
18" min.
30" min.
(762 mm)
(914 mm)
36"
0"
0"
(0 mm)
(0 mm)
20" min. (500 mm)
11"
13/16
min. (300 mm)
13" max. (330 mm)
OVEN VENT
OVEN VENT
8
Fig. 1.3b
Fig. 1.3a
PROXIMITY TO SIDE CABINETS
RANGE WITH BACKGUARD

9
Fig. 1.3c
Fig. 1.3d
PROXIMITY TO SIDE
CABINETS
RANGE WITH ISLAND TRIM
(457 mm)
18" min.
30" min.
(762 mm)
(914 mm)
36"
0"
0"
(0 mm)
(0 mm)
20" min. (500 mm)
13" max. (330 mm)
11"
13/16
min. (300 mm)
12"
min. (305 mm)
(457 mm)
18" min.
30" min.
(762 mm)
(914 mm)
36"
0"
(0 mm)
0"
(0 mm)
20" min. (500 mm)
11"
13/16
min. (300 mm)
13" max. (330 mm)
12"
min. (305 mm)
OVEN VENT
OVEN VENT
OVEN VENT

10
Fig. 1.4
FITTING THE ADJUSTABLE FEET
The adjustable feet must be fitted to the base of the cooker before use.
Rest the rear of the cooker on a piece of the polystyrene packaging exposing the base
for the fitting of the feet.
ATTENTION: Most important! Pay special attention not to damage the range dur-
ing this operation.
Fit the 4 legs by screwing them tight into the support base as shown in picture 1.5.
Fig. 1.5
LEVELLING THE COOKER
The cooker may be levelled by screwing the lower ends of the feet IN or OUT (fig. 1.6).
It is important to observe the directions of figure 1.6.
+ 1" 31/32
+ 50 mm
0 mm
0"
Fig. 1.6
Fig. 1.7a Fig. 1.7b Fig. 1.7c
MOVING THE COOKER
WARNING
When raising cooker to upright position always ensure two people carry out this
manoeuvre to prevent damage to the adjustable feet (fig. 1.7a).
WARNING
Be careful: do not lift the cooker by the door handle when raising to the upright
position (fig. 1.7b).
WARNING
When moving cooker to its final position DO NOT DRAG (fig. 1.7c).
Lift feet clear of floor (fig. 1.7a).

11
AB
A
B
A
AB
B
Fig. 1.8
Fig. 1.9
ASSEMBLING THE BACKGUARD
OR THE ISLAND TRIM
It is mandatory to install the
backguard or the island trim
•Assemble the backguard or the island trim as
shown in figure 1.8 or 1.9 and fix it by screw-
ing the 5 screws “A” (which are already fixed
on the back of the cooktop).
•Do not remove the 3 spacers "B" already fitted
on the back of the backguard or island trim.

12
ANTI-TIP STABILITY DEVICE INSTALLATION INSTRUCTIONS
1. The anti-tip bracket has to be attached as shown on figure below, it has to be fixed on
the rear wall by no. 2 (two) suitable screws (supplied with the anti-tip kit).
2. After fixing the anti-tip bracket, slide range into place. Be sure the anti-tip bracket is
fully inserted in the slot of the range back.
28" 15/16 (735 mm)
from top of cooktop
with range installed
in final position
(158.5 mm)
6" 15/64
Dotted line showing the position
of the range when installed
Slot for inserting
the anti-tip bracket
ANTI-TIP STABILITY
DEVICE FIXING
Fig. 1.10
Anti-tip
stability device
YOU MUST USE STABILITY
ANTI TIP BRACKET TO
PREVENT UNIT FROM
TIPPING.

13
Gas supply line
Shutoff valve
“open” position
To range
Fig. 2.1
All gas connections must be made according to national and local codes. This gas
supply (service) line must be the same size or greater than the inlet line of the
appliance. Sealant on all pipe joints must be resistant to te action of LP/Propane
gas.
The range is equipped for the use with NATURAL gas. It is design-certified by CSA
International for NATURAL and L.P. gases with appropriate conversion.
The model/serial rating plate, located on the inner side of the storage compartment
pivoting panel, has information on the type of gas that can be used. If this information
does not agree with the type of gas available, check with the local gas supplier. See
page from 19 to 23 for L.P. gas conversion inctructions.
1. Manual Shut-off Valve (fig. 2.1):
The supply line shall be equipped with an approved shutoff valve. This valve should
be located in the same room as the range and should be in a location that allows
ease of opening and closing (in a position where it can be reached quickly in the
event of an emergency).
Do not block access to the shutoff valve. The valve is for turning on or shutting off
gas to the appliance.
2. Pressure Regulator:
a) All heavy duty, commercial type cooking equipment must have a pressure regulator
on the incoming service line for safe and efficient operation, since service pressure
may fluctuate with local demand.
Before installing the regulator mount the 1/2” NPT (conical) male connector to the
regulator (see picture 2.2a). Gasket supplied have to be placed between 1/2” NPT
(conical) connector/extension pipe male pipe fitting (see picture 2.2b).
The regulator supplied with this range must be installed before any gas connections
are made.
Use supplied pressure regulator only.
b) Assemble the extension pipe + pressure regulator group to the range manifold
interposing the gasket supplied.
gas connection
Explosion Hazard
Use a new CSA or UL approved
gas supply line.
Install a shut-off valve.
Securely tighten all gas connec-
tions.
If connected to LP, have a quali-
fied person make sure gas pres-
sure does not exceed 14" water
column.
Examples of a qualified person
include licensed heating per-
sonnel, authorized gas compa-
ny personnel, and authorized
service personnel.
Failure to do so can result in
death, explosion, or fire.

14
PRESSURE REGULATOR INSTALLATION
LOCK Arrow
STEP 2
Assemble the 1/2” NPT connector + pressure regulator group to the
extension pipe interposing the gasket supplied. The regulator cover
must be ordiented toward the front side of the range.
IMPORTANT: use two spanners to tighten the connection.
Regulator
cover
Fig. 2.2a
Fig. 2.2b
STEP 1
Mount the 1/2” NPT (conical) male connector to the pressure
regulator and tighten by using a wrench.
Do not over tighten the connector.
Over tightening may crack regulator.

15
A
A
STEP 3
Insert the extension pipe + pressure regulator
group in the “A” bracket.
STEP 4
Assemble the extension pipe + pressure
regulator group to the range manifold
interposing the gasket supplied. The regulator
cover must be ordiented toward the front side
of the range.
IMPORTANT: use two spanners to tighten the
connection.
Fig. 2.2c
Fig. 2.2d

16
B
B
STEP 5
Fix the “B” bracket on the back of the range
by the 2 (two) screws supplied with the kit for
gas connection.
The regulator cover must be ordiented toward
the front side of the range.
Fig. 2.2e

17
Connector
Pressure
regulator
1/2” G cylindrical
(ISO 228-1) female
1/2” NPT
(conical)
male
1/2” NPT
female
1/2” NPT
female
1/2” G cylindrical
(ISO 228-1) male
Extension
pipe male
pipe fitting
Gasket
Range
manifold
Manifold male
pipe fitting
1/2” G cylindrical
(ISO 228-1) male
Extension
pipe female
pipe fitting
1/2” G cylindrical
(ISO 228-1) female
Gasket
Extension
pipe
Extension
pipe female
pipe fitting
Arrow
WARNING: check the right
positioning of the gas regulator.
The arrow on the gas regulator must
be oriented toward the connector.
To mains
connection
To range
PRESSURE REGULATOR INSTALLATION
Fig. 2.3

18
Fig. 2.4
TEST POINT ADAPTER
The Test Point adapter is available from
the After-Sales Service.
c) Any conversion required must be performed by your dealer or a qualified licensed
plumber or gas service company. Please provide the service person with this
manual before work is started on the range. (Gas conversions are the responsibility
of the dealer or end user.)
d) This range can be used with NATURAL or LP/PROPANE gas. It is shipped from
the factory adjusted for use with NATURAL gas.
e) Manifold pressure should be checked with a manometer and by operating as below
detailed:
-Remove the injector from the front left burner and mount the proper test point
adapter which is available from the After-Sales Service (see side figure and the
“OPERATIONS TO BE PERFORMED WHEN SUBSTITUTING THE INJECTORS”
chapter).
-Turn the front left burner control knob to the maximum position ( position)
-Press the knob and keeping it pressed check the manifold pressure with a
manometer; NATURAL gas requires 4.0” W.C.P. and LP/PROPANE requires 11.0”
W.C.P.
-Incoming line pressure upstream from the regulator must be 1” W.C.P. higher
than the manifold pressure in order to check the regulator.
-The regulator used on this range can withstand a maximum input pressure of
1/2 PSI (14.0” W.C.P). If the line pressure is in excess of that amount, a step-
down regulator will be required.
f) The appliance, its individual shut-off valve, and pressure regulator must be
disconnected from the gas supply piping system during any pressure testing of
that system at pressures in excess of 1/2 PSI (3.5 kPa).
g) The appliance must be isolated from the gas supply piping system by closing its
individual manual shut-off valve during any pressure testing of the gas supply
piping system at test pressure equal to or less than 1/2 PSI (3.5 kPa).
3. Flexible Connections:
If local codes permit, CSA design-certified, flexible metal appliance connector is
recommended for connecting this range to the gas supply line. Do Not kink or damage
the flexible connector when moving the range. The pressure regulator has 1/2" NPT
female pipe threads.You will need to determine the fittings required, depending on
the size of your gas supply line, flexible metal connector and shutoff valve.
4. Rigid Pipe Connections:
If rigid pipe is used as a gas supply line, a combination of pipe fittings must be used
to obtain an in-line connection to the range. All strains must be removed from the
supply and fuel lines so range will be level and in line.
•Use joint compounds and gaskets that are resistant to action of natural or
propane gas on all male pipe threads.
•Do not over tighten gas fitting when attaching to pressure regulator. Over
tightening may crack regulator.
5. Leak Testing:
IMPORTANT: Leak testing of the appliance shall be conducted as follows:
•After final gas connection is made, turn on manual gas valve and test all
connections in gas supply piping and appliance for gas leaks with a soapy water
solution. During this test all appliance gas valves have to be closed.
•In order to avoid property damage or serious personal injury, never use a Iighted
match. If a leak is present, tighten joint or unscrew, apply more joint compound,
tighten again and retest connection for leak.

19
1
2
NATURAL GAS
REGULATION
LP/PROPANE
REGULATION
A
component
Fig. 2.5
REGULATOR
COVER
Pressure
regulator
CONVERSION TO LP/PROPANE GAS
Every range is provided with a set of injectors for the various types of gas.
Select the injectors to be replaced according to the “INJECTORS TABLE”.
The nozzle diameters, expressed in hundredths of a millimetre, are marked on the
body of each injector.
SETTING THE PRESSURE REGULATOR (fig. 2.5)
The pressure regulator is accessible through the storage compartment by opening
the bottom pivoting panel; the pressure regulator is positioned on the rear right side
of the range.
To set the pressure regulator:
1. Unscrew the regulator cover;
2. Unscrew the A component, reverse and screw it according to the LP/PROPANE
regulation.

20
OPERATIONS TO BE PER-
FORMED WHEN SUBSTI-
TUTING THE INJECTORS
✓Remove the gratings and the burner
covers;
✓Using a wrench substitute the nozzle
injectors “J” (figs. 2.6a - 2.6b - 2.6c)
with those most suitable for the kind of
gas for which it is to be used.
The burner are conceived in such a
way so as not to require the regulation
of the primary air.
Fig. 2.6a Fig. 2.6b
Fig. 2.6c
INJECTORS TABLE
Semi-rapid
burner
Triple ring
burner
DUAL
burner
BURNERS NOMINAL POWER
BTU/hr
REDUCED POWER
BTU/hr
LP/PROPANE
11” W.C.P.
NATURAL GAS
4” W.C.P.
Ø injector
[1/100 mm]
By-pass
[1/100 mm] Ø injector
[1/100 mm]
By-pass
[1/100 mm]
Semi-rapid (R) 6000 1500 72 32 118 adjustable
Triple ring (TC) 12000 5000 102 65 170 adjustable
Oven burner (left) 13000 1500 109 34 180 adjustable
Oven burner (right) 9000 1400 88 33 145 adjustable
Broil burner (left) 8500 -88 -146 -
Broil burner (right) 8000 -83 -140 -
Dual (D)
Inner crown
2800 for NATURAL GAS (*)
3500 for LP/PROPANE GAS (*) 1000 (*) 55
(no. 1 central) 27 80
(no. 1 central) adjustable
Outer crowns
16000 for NATURAL GAS (#)
15000 for LP/PROPANE GAS (#) 6500 for NATURAL GAS (#)
4500 for LP/PROPANE GAS (#) 72
(no. 2 outer) 60 130
(no. 2 outer) adjustable
J
Injector for inner crown
J
Injectors for
outer crowns
J
J
(*) Power calculated only with inner crown operating
(#) Power calculated with inner and outer crowns operating

21
SETTING THE BURNER MINIMUM
When switching from one type of gas to another, the minimum flow rate must also be
correct: the flame should not go out even when passing suddenly from maximum to
minimum flame.
To regulate the flame follow the instructions below:
Semirapid and triple ring burners
–Light the burner
–Set the gas valve to position
–Remove the knob
–With a thin screwdriver pass by the hole of microswitch and turn the screw F until
adjustment is correct (fig. 2.7).
Inside crown of DUAL burner
–Light the DUAL burner
–Set the gas valve to position
–Remove the knob
–Using a screwdriver turn the screw H until the correct setting is obtained (fig. 2.8).
Outside crowns of DUAL burner
–Light the DUAL burner
–Set the gas valve to position
–Remove the knob
–Using a screwdriver turn the screw G until the correct setting is obtained (fig. 2.8).
For LP/PROPANE gas, tighten the adjustment screws completely.
Fig. 2.7
Fig. 2.8
F
G
H

22
Fig. 2.9
Fig. 2.10
Fig. 2.11
Fig. 2.12
OPERATIONS TO BE EXECUTED FOR THE REPLACEMENT OF
THE INJECTORS
OF THE OVEN AND BROIL BURNERS
(LEFT and RIGHT OVEN)
a) Oven Burner
– Lift and remove the lower panel inside the oven.
– Remove the burner securing screw (fig. 2.9).
– Withdraw the burner as shown in figure 2.10 and rest it inside the oven. Take care not
to damage the wire to the ignition electrode and the safety valve probe.
– Using a 7 mm box spanner, unscrew the injector (indicated by the arrow in fig. 2.10)
and replace it by the proper one according to the kind of gas.
Then replace the burner repeating the above steps in reverse order.
b) Broil Burner
– Remove the burner by unscrewing the front screw (fig. 2.11).
Gently suspend the burner as shown in figure 2.12. Be careful not to damage the
wire of the electric ignition and the probe of the safety valve.
– Using a 7 mm box spanner, replace the injector (indicated by the arrow in fig. 2.12)
by the proper one according to the kind of gas.
– Replace the burner repeating the above steps in reverse order.

23
ADJUSTMENT OF THE OVEN BURNER MINIMUM
(LEFT and RIGHT OVEN)
This needs to be done only for the oven burner (the broil is a fixed capacity) by acting on
the thermostat in the following way:
– Turn on the burner by setting the thermostat knob on position .
– Remove the knob and unscrew the by-pass screw "G" (fig. 2.13) about three times by
passing a small flat screwdriver (Ø 3 mm blade, 100 mm length) through the panel
opening.
– Re-mount the knob and let the oven heat up for about 10 minutes, then bring the knob
to position (minimum) to operate the thermostat by-pass.
– After having removed the knob again and being very careful not to turn the tap rod,
slowly screw the by-pass screws “G” (fig. 2.13) until you obtain a flame of 3-4 mm in
height.
N.B. For LP/PROPANE gas the by-pass screw must be fixed thoroughly.
After regulation repeat the operations indicated in paragraph “2. Pressure regulator” at
pages 13 and 18.
If the range has been disconnected and then connected again to the gas supply line
repeat the operations indicated in paragraph “5. Leak Testing” at page 18.
IMPORTANT:
After conversion to LP/PROPANE gas has been carried out affix inside the drawer, near
the data plate, the conversion label supplied and also affix a conversion label at page 3
of this instruction manual.
G
Fig. 2.13

24
If codes permit and a separate ground wire is used, it is recommended that a
qualified electrician determine that the ground path is adequate.
Check with a qualified electrician if you are not sure whether the range is proper-
ly grounded.
Do Not ground to a gas pipe.
A 120-volt, 60-Hz, AC-only, 15-ampere, fused electrical supply is required. A time-delay
fuse or circuit breaker is recommended. It is recommended that a separate circuit serv-
ing only this appliance be provided.
The outlet must be checked by a qualified electrician to see if it is wired with correct
polarity.
This appliance, when installed, must be electrically grounded in accordance with local
codes.
Recommended ground method
For your personal safety, this range must be grounded. This range is equipped with a
3-prong ground plug. To minimize possible shock hazard, the cord must be plugged
into a mating 3-prong ground-type outlet, grounded in accordance with the National
Electrical Code ANSI/NFPA 70 latest edition and local codes and ordinances. If a mat-
ing outlet is not available, it is the personal responsibility and obligation of the customer
to have a properly polarized and grounded, 3-prong outlet installed by a qualified elec-
trician.
WARNING
Electrical Shock Hazard
Plug into a grounded 3-prong
outlet.
Do not remove ground prong.
Do not use an adapter.
Failure to follow these instructions
can result in death, fire, or
electrical shock.
3-prong polarized
ground-type outlet
ground
prong
3-prong
ground plug
power
supply cord
Fig. 3.2
Fig. 3.1
Before any operation of maintenance
disconnect the appliance from the
electrical mains supply.
WARNING
VERY IMPORTANT
electrical connection

25
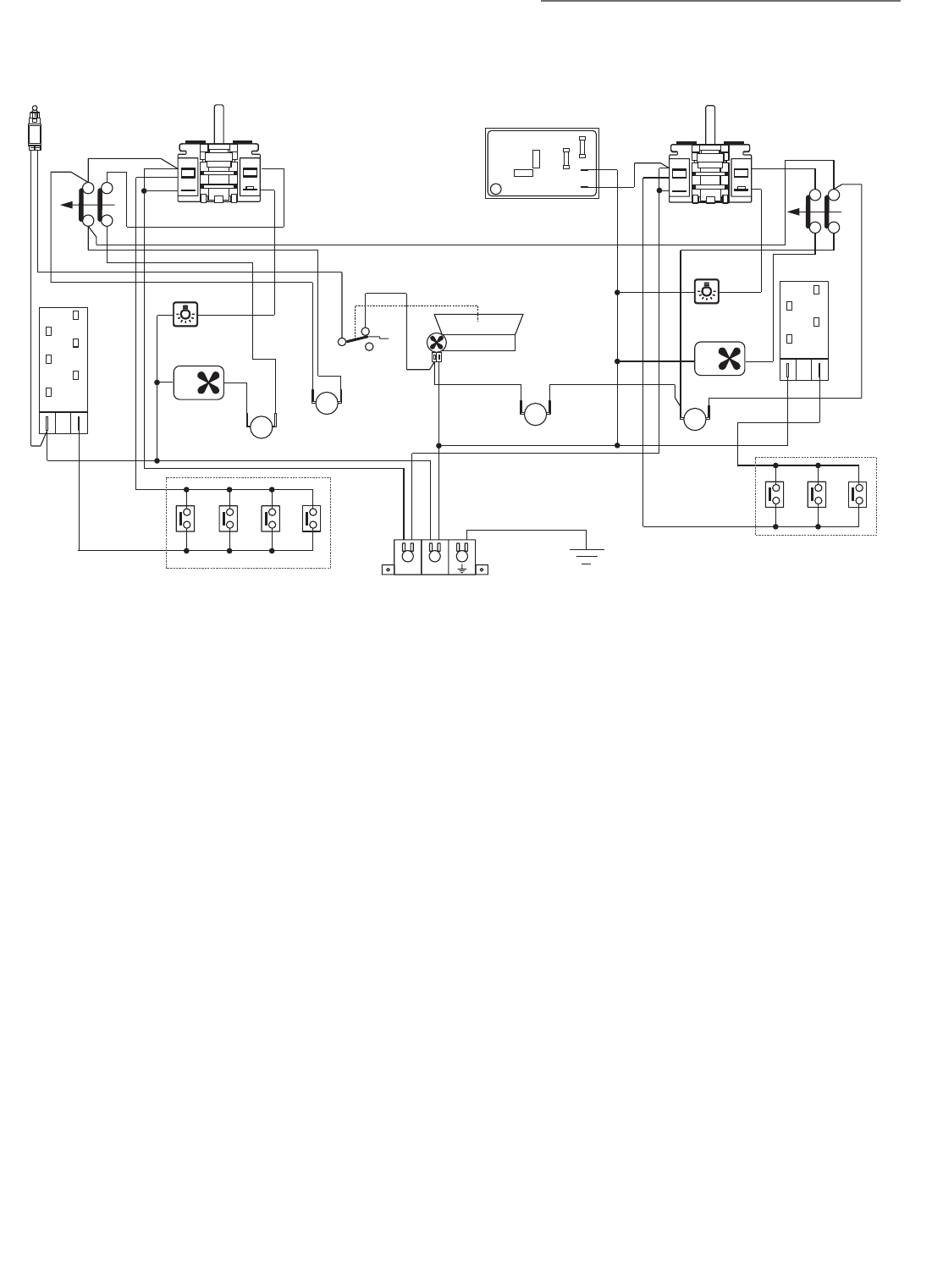
WIRING DIAGRAM
ELECTRIC DIAGRAM KEY
RIGHT OVEN
F1 Switch
MS Security switch
S1Cooling fan failure lamp
LFOven lamp
ASAir switch
VFan motor
TL1/2Thermal overload
PAIgnition switches group
AIgnition coil
LEFT OVEN
F2 Switch
MS1Security switch
LF1Oven lamp
ECElectronic clock
V1Fan motor
PA1Ignition switches group
A1Ignition coil
TL4Thermal overload
CFCooling fan motor
TL3Thermal overload
MTerminal block
TEarth connection
N/7
L/8
LF
AS
M
N
L
CF
V
LF1
V1
TL1
TL2 TL3 TL4
F1
S1
MS
EC F2
MS1
A1
A
PA
PA1
T
1
2
P2
P1
1
2
P2
P1

26

27

Cod. 1102698 - ß6
The manufacturer cannot be held responsible for possible inaccuracies due to printing or transcription errors in
the present booklet.
The manufacturer reserves the right to make all modifications to its products deemed necessary for manufacture
or commercial reasons at any moment and without prior notice, without jeopardising the essential functional and
safety characteristics of the appliances.