Delta Electronics Optical Transceiver Modules Opt 155Axxxx Users Manual 155A 0F
Delta-Optical-Transceiver-Modules-Opt-155Axxxx-Users-Manual-244684 delta-optical-transceiver-modules-opt-155axxxx-users-manual-244684
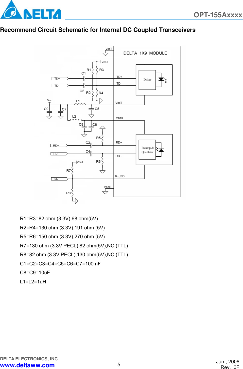
OPT-155Axxxx to the manual af8e5e1d-f799-4e3e-bb5c-e3d19474d4d0
2015-01-24
: Delta-Electronics Delta-Electronics-Optical-Transceiver-Modules-Opt-155Axxxx-Users-Manual-338804 delta-electronics-optical-transceiver-modules-opt-155axxxx-users-manual-338804 delta-electronics pdf
Open the PDF directly: View PDF
.
Page Count: 9








