Delta Electronics Vfd L Series Users Manual
Delta-Vfd-L-Series-Users-Manual-244765 delta-vfd-l-series-users-manual-244765
VFD-L Series to the manual a8dcc626-6c56-4db1-b1bb-f1f57b9362d6
2015-01-24
: Delta-Electronics Delta-Electronics-Vfd-L-Series-Users-Manual-338796 delta-electronics-vfd-l-series-users-manual-338796 delta-electronics pdf
Open the PDF directly: View PDF .
Page Count: 17


1
ΔϣΪϘϣ
Χϻ ήϜѧѧηΔϠδѧѧϠγ ΎѧѧΘϟΩ ήѧѧΗήϔϧ ϢϛέΎѧѧϴΘVFD-L .ϥ·ΔϠδѧѧϠγVFD–LΔѧѧϴϟΎϋ ΕΎѧѧϧϮϜϣ ϡΪΨΘѧѧγΎΑ ΔϋϮϨμѧѧϣ ΔόϠѧѧγ ϲѧѧϫ
ΔΣΎΘϤϟ ΓήϐμϤϟ ΕΎΠϟΎόϤϟ ΕΎϴϨϘΗ ΙΪΣ ϡΪΨΘδΗ ˬ ΓΩϮΠϟ.
ˬ ΕήΘϣέΎΒϟ ςΒο ˬ ΐϴϛήΘϟ ϰϠϋ ϙΪϋΎδϴγ ΐϴΘϜϟ άϫϞτόϟ ήμΣήΗήϔϧϼϟ ΔϴϣϮϴϟ ΔϧΎϴμϟϭ ˬ
ΰϴϬΠΘϠϟ Ϧϣϵ ϞϴϐθΘϟ ϥΎϤπϟˬΕήϗήΗήϔϧϼϟ ΔϳάϐΘϟ ϞϴλϮΗ ϞΒϗ ΔϨϣϵ ΩΎηέϹ ΕΎϬϴΟϮΗ.
ϦϴϣΪΨΘδϤϟ ϊϴϤΟ ϰϠϋ ϊΟήϤϛ Ϫϋίϭϭ ΐϴΘϜϟ άϫ ϰϠϋ φϓΎΣ.
ΔϣΎϫ ΕΎψΣϼϣ :
ήτΧ:
ΔϧΎϴѧλ Δѧϳ ϞѧΒϗ ΔϟϮѧλϮϣ ήϴϏ ϥϮϜΗ ϥ ΐΠϳ ΏϭΎϨΘϤϟ ϞΧΪϟ ΔϳάϐΗ .ϻ ΔѧϳάϐΘϟ ϥϮѧϜΗ ΎϣΪѧϨϋ ϙϼѧγϷ ΩΪѧϤΗ ϭ ϞѧλϮΗ
ϟ ϰϠϋ ΔϘΒτϣΓέΪ .ϟ ΔϠδϠδϟ ΔϧΎϴμϟ ίΎΠϧϻ ϦϴϠϫΆϣ ϦϴϴϨϔϟ ςϘϓ˰VFD – L .
ήϳάΤΗ
: ΔϋϮΒτϤϟ ΓέΪϟ ΕΎΣϮϟ ϰϠϋ ΔϴγΎδΤϟ ΔϴϟΎϋ ήλΎϨϋ ϙΎϨϫ . ΔϨϛΎδϟ ˯ΎΑήϬϜϟ ϲϓ ΔλΎΧ ΔϴγΎδΣ ΕΫ ήλΎϨόϟ ϩάϫ .
ήλΎϨόϟ ϩάϫ έήο ϱΩΎϔΘϟˬϻϳέΎόϟ ϚϳΪϴΑ ϭ ΔϴϧΪόϤϟ ϞϛΎϴϬϟ ϊϣ ΓέΪϟ ΕΎΣϮϟ βϤϠΗϦϴΘ.
ήτΧ:
ϰϘΒΗ ΎϤΑέΔϨΤη ήϤΘδѧϤϟ ςΑήѧϟ ϒѧΜϜϣ ϲϓ ΔϨϛΎγ ΔѧϳάϐΘϟ Ϟμѧϓ ΪѧόΑ ϰѧΘΣ ΓήѧτΨϟ ΩϮѧϬΠϟ ΪѧϨϋ . κΨθѧϟ ϯΫ ΐѧϨΠΘϟ
ϞϣΎόϟˬϻ ϰΘΣ ήΗήϔϧϻ ˯ΎτϏ ωΰϨΗΊϔτϨΗ ϰϠϋ ΕΪϴϠϟ ϊϴϤΟΔѧηΎη ϴΗΎѧϔϤϟ ΔѧΣϮϟ . ˱˯ Ύ ѧ Ο έϻ ΎϣΪѧϨϋ ΔϓϮθѧϜϣ ήѧλΎϨόϟ ωΪѧΗ
ΡϮΘϔϣ ήΗήϔϧϻ ϥϮϜϳˬϠϋ ΎμϳήΣ Ϧϛ˯ΰΟϷ ϩάϫ βϤϟ ϡΪϋ ϰ.
ήϳάΤΗ:
ϢϗΑϟ ΔϠδϠγ ξϳέ΄Θ˰VFD - LϡΪΨΘγΎΑϙϼγξϳέ΄Θϟ .ϤΗ ϥ ΐΠϳΘϞΜξϳέ΄Θϟ ΔϘϳήσϟ ΔϟϭΪϟ ϦϴϧϮϘΑϲΘ ϢΘѧϳ
ΐϴϛήΗήΗήϔϧϻΎϬϴϓ.
ήτΧ:
έΎϬϨϳ Ϊϗ ήΗήϔϧϻΔϧΎϴμϠϟ ϞΑΎϗ ήϴϏ Βμϳ ϭΫ·ϞΧΪϟ ϑήσ ϰϠϋ ϴΤλ ήϴϏ ΔϳάϐΘϟ ϖϴΒτΗ ϥΎϛΝήΨϟϭ.
ϻήΗήϔϧϻ ΝήΧ ϑήσ ϞλϮΗU/ T1 , V/ T2 , W/ T3 ΓήηΎΒϣϰϟ·Δϴδϴήϟ ΔϳάϐΘϟ ΓέΩ ϊΒϨϣΔΑϭΎϨΘϤϟ.

2
ϟϞμϔϝϭϷ–κΤϔϟϭ ϡϼΘγϻ
ήΗήϔϧϻ ΔϠδϠγVFD – L ΓήΧΎѧΒϟ ϲѧϓ ϊϠδѧϟ ϦΤѧη ϞѧΒϗ ϊϨμѧϤϟ ϲѧϓ ΔΒόѧλϭ ΔϴѧγΎϗ ϢѧϜΤΗ ΕέΎΒΘΧϻ ΔόοΎΧ. ϙΎѧϨϫ ˯Ύϴѧη
ϨΛ ΙΪΤΗ ΎϤΑέ ΓΪϳΪϋ˯ΎϟϦΤθϲϓΓήΧΎΒϟ ϲϓ ϭ ΓήΎτϟˬ˯ΎΟήϟ˯ήΟ·ήΗήϔϧϻ ϡϼΘγ ΪόΑ ΔϴϟΎΘϟ ΕΎλϮΤϔϟ:
1-ϦΤθϟ ˯ΎϨΛ ϩέήπΗ ϡΪόϟ ήΗήϔϧϼϟ Ϧϴϣ΄Θϟ Ϛλ ϭ ΔϟΎϔϜϟ Ϧϣ Ϊϛ΄Η.
2-ΩΪϋ ϊϣ ΎϬϘΑΎσϭ ΔϴϤγϻ ΔΣϮϠϟ ϰϠϋ ΔϟΪϟ ˯ΰΟϷ ΩΪϋ Ϧϣ Ϊϛ΄Η˯ΰΟϷΪϟ ΔΑϮϠτϤϟϚϳ.
ΔϴϤγϻ ΔΣϮϠϟ ΕΎϣϮϠόϣ:ήΗήϔϧϻ ϝΎΜϣ1ϭ ϥΎμΣ230ΖϟϮϓ
ΝΫϮϤϨϟ ϴοϮΗ:
VFD : ήϴϐΘϤϟ ΩΩήΘϟ ΓΩΎϴϗ
07 :ΐγΎϨϤϟ ϙήΤϤϟ ΔϋΎτΘγ
0.2 KW:002
004 : 0.4 KW
007 : 0.75 KW
015 : 1.5 KW
L : ΔϠδϠγVFD – L
21:ϞΧΪϟ ΪϬΟ
11 : 115ΖϟϮϓ-έϮτϟ ϱΩΎΣ
21 : 230ΖϟϮϓ–έϮτϟ ϱΩΎΣ
23 : 230ΖϟϮϓ–έϮτϟ ϲΛϼΛ
A : ΔΨδϨϟ
: A ϲγΎϴϗ)ΪΣϮϣ(
B : ΓήΘϠϓ ϦϤπΘϣ)ϲδϴσΎϨϐϣϭήϬϜϟ ζϳϮθΘϟ ΓήΘϠϓ(
ϲϠδϠδΘϟ Ϣϗήϟ ϴοϮΗ :
T :ΞΘϨϤϟ ϊϨμϤϟ
3 :ΔϨγΝΎΘϧϹ2003
10 :ωϮΒγΝΎΘϧϹ
001 :ϢϗέΝΎΘϧϹ
Ϋ·ϊϣ ΔϘΑΎτΘϣ ήϴϏ ΔϴϤγϻ ΔΣϮϠϟ ϰϠϋ ΕΎϣϮϠόϣ Δϳ ΕΪΟϭΕΎΒϠσϝΎμΗϻ ˯ΎΟήϟ ˬ ΔϠϜθϣ ϱ ϭ ϚϳΪϟ ˯ήθϟϞϴϛϮϟΎΑ.

3
ΩΎόΑϷ :

4
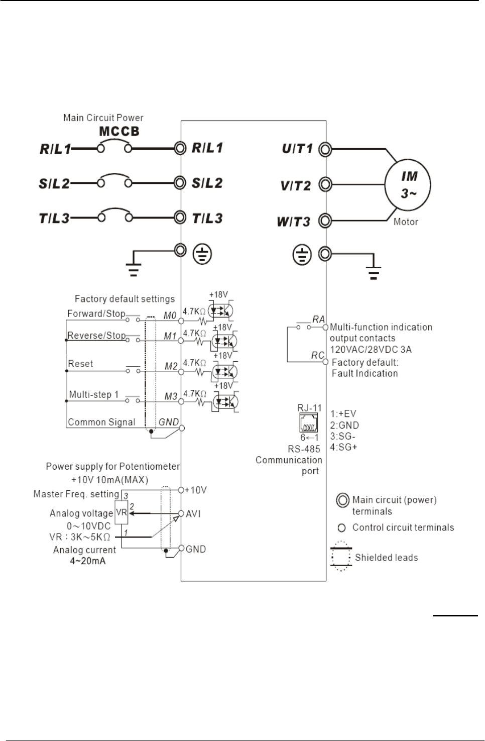
ϟϞμϔϲϧΎΜϟ–ϞϴλϮΘϟ
ϲγΎγϷ ϞϴλϮΘϟ ςτΨϣ:
ϴѧλϮΗ ϦϴϣΪΨΘδѧϤϟ ϊϴϤΟ ϰϠϋ ΐΠϳ ΎѧϘϓϭ ϙϼѧγϷ Ϟϰѧϟ· ϞϔѧγϷΎΑ ϦϴѧΒϤϟ ΓέΪѧϟ ςѧτΨϣ . ˯ΎѧΟήϟ ϭ ΔѧϴϤϟΎόϟ ήϴϳΎѧόϤϟ ϡΪΨΘѧγ
ΔϴϠΤϤϟϟϞϴλϮΘϠˬϟ ΔϠδϠγ ϞϴλϮΗ ΪϨϋ˰VFD – L .
Δϴδϴήϟ ΓέΪϟ ΔϳάϐΗ:
ΔѧѧѧѧѧѧψΣϼϣ:ϻϞѧѧѧѧѧѧλϮΗ ϒΗΎѧѧѧѧѧѧϬϟ ςѧѧѧѧѧѧΧ ϭ ϡΩϮѧѧѧѧѧѧϤϟϰѧѧѧѧѧѧϟ·άѧѧѧѧѧѧϔϨϣϝΎμѧѧѧѧѧѧΗϻRS–485ˬέήπѧѧѧѧѧѧΑ ΏΎμѧѧѧѧѧѧϳ ΪѧѧѧѧѧѧϘϓϢѧѧѧѧѧѧΩ .
ϑήσϷ2 & 1ΔϳάϐΘϟ έΪμϣ ϲϫςΒπϟ ΔηΎθϟΎϬϣΪΨΘγ ίϮΠϳ ϻϭ˯ΎϨΛΔϠλϮϟ ϡΪΨΘγRS – 485 .
1-Ϋ·ήΗήϔϧϻ ΝΫϮϤϧ ϥΎϛ:VFD002L11A/B , VFD004L11A/B ,VFD002L21B ,VFD004L21B
VFD007L21BΔϳάϐΘϟ ϑήσ ϡΪΨΘγ ˯ΎΟήϟR /L1ϭS /L2 .
2-Ϋ·ϥΎϛΝΫϮϤϧήΗήϔϧϻ: VFD002L21A , VFD004L21A or VFD007L21AϡΪΨΘγ ϦϜϤϳΔϳάϐΗ
έϮτϟ ϲΛϼΛϰϠϋςΑήϤϟR /L1 , S /L2 , T/ L3 . .ϰϠϋ ϞΧΪϟ ΪϬΟ βϔϨΑ έϮτϟ ΔϳΩΎΣ ΔϳάϐΗ ϡΪΨΘγ ϭ
ΔΛϼΜϟ ςΑήϤϟ Ϧϣ ςϘϓ ϦϴτΑήϣR /L1 , S /L2 , T/ L3 .
3-Ϋ·ϥΎϛήΗήϔϧϻ ΝΫϮϤϧϮϫ : VFD015L23AϞλϮϟ ϥΎϓέϮτϟ ϱΩΎΣΡϮϤδϣ ήϴϏ.

5
λϮΗϴΔϴδϴήϟ ΓέΪϟ Ϟ:
ϢϜΤΘϟ ΓέΩ ϞϴλϮΗ:

6
ϞϴλϮΘϟ ΕΎψΣϼϣ:Γ˯ήϗ ˯ΎΟήϟϞΒϗ ϲϠϳ ΎϣΐϴϛήΘϟ.
1-ήϳάΤΗ :ϻΏϭΎϨΘϤϟ ϞΧΪϟ ϞλϮΗϰϟ·ςΑήϤϟ Ϧϣ ϱ U /T1 ,V /T2 , W /T3 ϥϷϴγ ϚϟΫΑήπήΗήϔϧϻΎ.
2-ϪϴΒϨΗ :ΐγΎϨϣϭ ϲϓΎϛ ϡΰόΑ ΓΩϭΪθϣ ϲϏήΒϟ ϊϴϤΟ ϥ Ϧϣ Ϊϛ΄Η.
3-˯ΎϨΛΐϴϛήΘϟ:ϲϓ Δϣϼδϟ Ε˯ήΟ· ϭ ΔϴϠΤϤϟ ϭ ΔϴϟϭΪϟ ήϴϳΎόϤϟΎΑ ΪϴϘΗϪϴϓ ήΗήϔϧϻ ΐϛήΗ ϱάϟ ΪϠΒϟ.
4-ΔΒγΎϨϤϟ ΔϳΎϤΤϟ ΓΰϬΟ ϥ Ϧϣ Ϊϛ΄Η)ΕίϮϴϔϟ ϭ ΓέΪϟ ϊσΎϗ (Ϩϣ ϦϴΑ ΔϟϮλϮϣϭ ΔϳάϐΘϟ ϊΒήΗήϔϧϻ.
5- ϭ ϴΤλ ϞϜθΑ ΔϟϮλϮϣ ΓΩΎϴϘϟ ϥ Ϧϣ Ϊϛ΄Η ΐѧγΎϨϣ ϞϜθѧΑ νέΆѧϣ ήѧΗήϔϧϻ) . ΐѧΠϳ ξϳέ΄ѧΘϟ ΔѧϣϭΎϘϣϥϻίϭΎѧΠΘΗ
0.1ϡϭ. (
6-ϡΪΨΘγϙϼγϤϤϟ ξϳέ΄ΘϟΎΔϠΛϟήϴϳΎόϤϠAWG/MCMϭϦϜϤϳ Ύϣ ήμϗ ϥϮϜΗ ϥ ϝϭΎΣ.
7-ΕΪΣϭVFD – L ΓΩΪόΘϤϟϣ ϲϓ ΐϛήΗ ϥ ϦϜϤϳΪΣϭ ϊϗϮ .ΕΪΣϮϟ ϩάϫ ϊϴϤΟΐΠϳΗϥΓήηΎΒϣ νέΆϰϟ·ΐτϗ
ϙήΘθϤϟ ξϳέ΄Θϟ.ϥϮϜΗ ϥ ϦϜϤϳΏΎτϗΔϠδϠδϠϟ ξϳέ΄ΘϟVFD – L ωήϔΘϟ ϰϠϋ ΔϟϮλϮϣˬϞϜθϟΎΑ ϦϴΒϣ Ϯϫ ΎϤϛ
ϩΎϧΩ .Ϧϣ Ϊϛ΄ΗϡΪϋΕΎϘϠΣ ΩϮΟϭ΄Θϟ ϲϓέξϳ
.
8- ϥϮѧϜΗ ΎϣΪѧϨϋϑήѧσ ήѧΗήϔϧϻ ΝήѧΧU/T1 ,V/T2 , W/T3 ϮѧλϮϣΔϟϰѧϟ· ϙήѧΤϤϟ ϑήѧσ U , V , WϰѧϠϋ
ˬ ϲϟϮΘϟ ΔϋΎδѧϟ ΏέΎѧϘϋ βѧϜόΑ έϭΪϴѧγ ϙήѧΤϤϟ ϥΎѧϓ) ϰѧϠϋ ϚѧϟΫ ήϬψϴѧγ ΎѧϤϛ ϙήѧΤϤϟ έϮѧΤϣ ΕΎѧϳΎϬϧ( ѧϜϳ ΎϣΪѧϨϋϮϥ
ϣϷ ϩΎΠΗϻΎΑ ϞϤόϳϭ ϪΑ ϢϜΤΘϣϲϣΎ .ϥέϭΩ ϩΎΠΗ βϜόϟˬ ϙήΤϤϟϦϴτΧ ϱ ϦϴΑ ϞϳΪΒΘϟ ΐΠϳϙήΤϤϟ ρϮτΧ Ϧϣ.
9-Ϥϟ ϥ Ϧϣ Ϊϛ΄ΗϊΒϨϰϠϋ έΩΎϗήΗήϔϧϼϟ ΏϮϠτϤϟ έΎϴΘϟϭ ϴΤμϟ ΪϬΠϟ ΔϳάϐΗ.
10-ϻήΗήϔϧϻ ϰϠϋ ΔϘΒτϣ ΔϳάϐΘϟ ϥϮϜΗ ΎϣΪϨϋ ϚϠγ ϱ ωΰϨΗ ϭ ςΑήΗ.
11-ΐϗήΗ ϻΕέΎηϹϞϤϋ ΔϟΎΣ ϲϓ ήΗήϔϧϻ ϥ ΎϤϟΎσ ΓέΪϟ ΔΣϮϟ ϰϠϋ.
12-ϞϴλϮΘΑ ϢϗμϔϨϣ ϞϜθΑ ϢϜΤΘϟ ϙϼγϭ ΔϳάϐΘϟ ϙϼγϞϥϮϜΗ ϥ ϰϠϋξόΒϟ ΎϬπόΑ Ϧϋ ΔϟΰόϨϣ.
13-Ϋ·˱Ύϳέϭήο ήΘϠϔϟ ϥΎϛιΎϘϧϹϪΒϛέ ˬ ϲδϴσΎϨϐϣϭήϬϜϟ ζϳϮθΘϟϰϟ· ϥϮϜϳ Ύϣ ΏήϗήΗήϔϧϻ .
κϘϨϳ ϥ ϦϜϤϳξϴϔΨΘΑ ˱Ύπϳ ϲδϴσΎϨϐϣϭήϬϜϟ ζϳϮθΘϟΩΩήΘϟϞϣΎΤϟ.
14-Ϋ·ϲϓ ΐϛήϣ ήΗήϔϧϻ ϥΎϛϥΎϜϣ˱ϼϤΣ ϦϤπΘϳ˱ΎϴοήΤΗΑ ήΘϠϔϟ ΐϛέ ˬϦϣ ˱ΎΒϳήϗ ϥϮϜϳ ΚϴΤ ΝήѧΨϟ ϑήσU/T1 ,
V /T2 ,W /T3ήϔϧϼϟήΗ.ϻηήϤϟ ϭ ϒΜϜϤϟ ϡΪΨΘδΗ L – C )ϒϠϤϟΔόδϟ ϭ (ηήϤϟ ϭR-C
)
Δόδϟϭ ΔϣϭΎϘϤϟ. (
15-ϡΪΨΘγ ΪϨϋ) GFCIϲοέϷ Ϟτόϟ ΓέΩ ϊτϗ (Θϟ αΎδΣ ήΘΧ ˬϱήϐλ έΎϴΘΑ έΎϴ mA )200 ( ˬ
ϱήϐλϷ ΔΑΎΠΘγϻ Ϧϣίϭ )sec0.1 ( ΄τΨϟ έήο ΐϨΠΘϟ.

7
ϟϞμϔΚϟΎΜϟ–ΕήΘϣέΎΒϟ κΨϠϣ
ΔϋϮϤΠϤϟ0 : ϡΪΨΘδϤϟ ΕήΘϣέΎΑ
˯ΎϨΛ ΕήΘϣέΎΒϟ ςΒο ϦϜϤϳϞϤόϟ.
ΕήΘϣέΎΒϟϒΎχϮϟΕΩΪϋϹϊϨμϤϟ ςΒο
0-00
ΰϣέΔϋΎτΘγήΗήϔϧϻ
)ςϘϓ Γ˯ήϘϠϟ(
1: 40 W
2 : 100 W
3 : 200 W
4 : 400 W
5 : 750 W
6 : 1.5 KW
0-01
έΎϬχ·ϲϤγϻ έΎϴΘϟϞϤΤϠϟ
)˯ήϘϠϟΓςϘϓ (
40 W : 0.4 A
100 W : 0.8 A
200 W : 1.6 A
400 W : 2.5 A
750 W : 4.2 A
1.5 KW : 7.0 A
0-02ΕήΘϣέΎΒϟ ήϴϔμΗ10 :ΓΩΎϋ·ϊϨμϤϟ ΕήΘϣέΎΑ ςΒο0
0-03ωϮϧΔϐϴλέΎϬχϹ
Ηήϔϧϻ ΔϳάϐΗ ΪϨϋή
0 :ΓΩΎϴϘϟ ΩΩήΗF
1 :ΝήΨϟ ΩΩήΗH
2 :ϡΪΨΘδϤϟ ϒϳήόΗ ΓΪΣϭU
3 :ΝήΨϟ έΎϴΗA
0
0-04ϒϳήόΗ ΓΪΣϭϡΪΨΘδϤϟ
)ΪΎϋϰϟ·Pr.0-03 :2 (
0:ϡΪΨΘδϤϟ ϒϳήόΗ ΓΪΣϭ νήϋu
1:ΩΪόϟ ΔϤϴϗ νήϋC
2:ΔΠϟΎόϤϟ ΔϴϠϤϋ νήϋ)1=tt(
3:ήϤΘδϤϟ ΪϬΠϟ νήϋU
4:ΝήΨϟ ΪϬΟ νήϋE
0
0-05ϡΪΨΘδϤϟ ϒϳήόΗ ϞϣΎόϣK160 ~ 0.11.0
0-06ΞϣήΒϟ ΔΨδϧςϘϓ Γ˯ήϘϠϟ # .#
0-07ϝΎΧΩ·ϟ ΔϤϠϛήδ0 ~ 9990
0-08ήδϟ ΔϤϠϛ
)ΎϬϣΪΨΘγ ϡΪϋ Ϟπϔϳϻ·ϦϴϓήΘΤϤϠϟ(
0 ~ 9990
ϰϟϭϷ ΔϋϮϤΠϤϟ :ΔϴγΎγϷ ΕήΘϣέΎΒϟ
ΕήΘϣέΎΒϟϒΎχϮϟΕΩΪϋϹϊϨμϤϟ ςΒο
1-00ϲϤψϋϷ ϞϤόϟ ΩΩήΗ50.0 ~ 400 Hz
60.0
1-01ϲϤψϋϷ ςΒπϟ ΩΩήΗ)ϙήΤϤϟ ΩΩήΗ(10.0 ~ 400 Hz
60.0
1-02ϲϤψϋϷ ΝήΨϟ ΪϬΟ)ϙήΤϤϟ ΪϬΟ(2.0 ~ 255 V
220
1-03ΩΩήΗτϘϨϟΔΔϴτγϮϟ1.0 ~ 400 Hz
1.0
1-04
ΪϬΟΔϴτγϮϟ ςϘϨϟ
)άϫ ϡΪΨΘδϳ
ϡΰϋ ΓΩΎϳΰϟ ήΘϣέΎΒϟωϼϗϹϥ ΐΠϳϭ
ϻίϭΎΠΘϳ25ΩΩήΘϟ ΪϨϋ ΖϟϮϓ1ΰΗήϫ(
2.0 ~ 255 V
12.0
1-05Ϸ ΝήΨϟ ΩΩήΗϱήϐλ1.0 ~ 60.0 Hz
1.0
1-06ΝήΨϟ ΪϬΟϷϱήϐλ2.0 ~ 255 V
12.0
1-07ΪΤϟϰϠϋϷΩΩήΘϠϟ1 ~ 110 %
100
1-08ΪΤϟϰϧΩϷΩΩήΘϠϟ0 ~ 100 %
0.0
1.09ϝϭϷ ωέΎδΘϟ Ϧϣί)Tacc1(0.1 ~ 600 sec
10.0

8
1-10ϝϭϷ ΆσΎΒΘϟ Ϧϣί) Tdec1(0.1 ~ 600 sec
10.0
1-11ϲϧΎΜϟ ωέΎδΘϟ Ϧϣί0.1 ~ 600 sec
10.0
1-12ϲϧΎΜϟ ΆσΎΒΘϟ Ϧϣί0.1 ~ 600 sec
10.0
1-13ωέΎδΗ Ϧϣί˰ϟ ΩΩήΗJog0.1 ~ 600 sec
10.0
1-14ϦϣίΆσΎΒΗΩΩήΗ˰ϟJog0.0 ~ 600 sec
10.0
1-15ΩΩήΗ˰ϟJog1.0 ~ 400 Hz
6.0
1-16ωέΎδΘϟ /ΆσΎΒΘϟϲΎϘϠΘϟ
0 : ωέΎδΘϟ /ϲτΨϟ ΆσΎΒΘϟ
1:ωέΎδΘϟϲΎϘϠΘϟσΎΒΘϟˬΆϲτΨϟ
2:ΆσΎΒΘϟˬ ϲτΨϟ ωέΎδΘϟϲΎϘϠΘϟ
3:ωέΎδΘϟ/ΆσΎΒΘϟϲΎϘϠΘϟ
4:ϲτΨϟ ωέΎδΘϟ.ΆσΎΒΘϟϲΎϘϠΘϟ
ϊϨϣϒϗϮΘϟΆσΎΒΘϟ ˯ΎϨΛ
5:ωέΎδΘϟϲΎϘϠΘϟ.ΆσΎΒΘϟϲΎϘϠΘϟ
ϊϨϣϒϗϮΘϟΆσΎΒΘϟ ˯ΎϨΛ
0
1-17ςΒοϢϴόϨΗέΎδΘϟ ϲϨΤϨϣω0 ~ 7
0
1-18ςΒοϢϴόϨΗΆσΎΒΘϟ ϲϨΤϨϣ0 ~ 7
0
ΔϴϧΎΜϟ ΔϋϮϤΠϤϟ :ΕήΘϣέΎΑϞϤόϟ
ΕήΘϣέΎΒϟϒΎχϮϟΕΩΪϋϹϊϨμϤϟ ςΒο
2-00
έΪμϣΑ ϢϜΤΘϟϟ ΩΩήΘϞϤό
0 :έΎϬχϹ ΔηΎηΔϴϤϗήϟ
1:V 0 ~ 10ϲϬΑΎθΘϟ ϞΧΪϟ ΪϬΟ Ϧϣ
2 : 4 ~ 20 mAϲϬΑΎθΘϟ ϞΧΪϟ έΎϴΗ Ϧϣ
3 : ήΗήϔϧϻ ϰϠϋ ΓήϴϐΘϣ ΔϣϭΎϘϣ ϡΪΨΘγΎΑ ϢϜΤΘϟ
4 : άϔϨϣϝΎμΗϻRS – 485
0
2-01έΪμϣήϣϭϞϤόϟ
0 : ΔϴϤϗήϟ έΎϬχϹ ΔηΎη ϡΪΨΘγΎΑ
1 : ϢϜΤΗ ϞΧΪϣ ϡΪΨΘγΎΑˬ ΔϴΟέΎΧϞϴόϔΗϹϑΎϘϳ
ϦϣέΎϬχϹ ΔηΎη ) ϴΗΎϔϤϟ ΔΣϮϟ(
2 : ϡΪΨΘγΎΑϢϜΤΗ ϞΧΪϣϞϴόϔΗ ϡΪϋ ˬ ΔϴΟέΎΧ
ϑΎϘϳϹϦϣέΎϬχϹ ΔηΎη
3 : ϡΪΨΘγΎΑάϔϨϣϝΎμΗϻRS - 485ˬ
ΔϴϧΎϜϣ·έΎϬχϹ ΔηΎη Ϧϣ ϒϗϮΘϟ
4 : ϡΪΨΘγΎΑάϔϨϣϝΎμΗϻRS - 485ˬ
ϡΪϋΔϴϧΎϜϣ·Ύη Ϧϣ ϒϗϮΘϟέΎϬχϹ Δη.
0
2-02ΔϘϳήσϑΎϘϳϹ
0 : ϒϗϮΘϴϟ ΊσΎΒΘϳ
1 : ϑΎϘϳ·ϙήΤϤϠϟ ήΣ ) ϑΎϘϳ·ΝήΨϟ ΩΩήΘϟ ϲΎΠϓ(
0
2-03ΩΩήΘϟϞϣΎΤϟ3 ~ 10 KHz
10
2-04ϊϨϣϥέϭΪϟ βϜϋ
0 : ϦϴϜϤΗβϜϋϩΎΠΗϻ
1 : ϦϴϜϤΗ ϡΪϋϒϠΨϠϟ ϥέϭΪϟ
2 : ϦϴϜϤΗ ϡΪϋϥέϭΪϟϸϟϡΎϣ
0
2-05
·ΓέΎη· ϝϭί ˯ήΟ
ϞΧΪϤϟ ϰϠϋ έΎϴΘϟACI
0 : ΊσΎΒΘϳήΗήϔϧϻϰϟ·ήϔμϟ
1 : ˬ ΓήηΎΒϣ ϒϗϮΘϟέΎϬχ·EF
2 : ΔϴϠϤϋ ήΧ ΩΩήΘΑ ϞϴϐθΘϟ )ϖΑΎδϟ ΩΩήΘϟ(.
0
2-06
Ϟλϭ ΪϨϋ ϲϟ ϞϴϐθΗ
ΔϳάϐΘϟ
0 : ϝΎόϓ
1 : ήϴϏϝΎόϓ
0

9
ΔΜϟΎΜϟ ΔϋϮϤΠϤϟ :ΝήΨϟ ΕήΘϣέΎΑ Δϔϴχϭ
έΎΒϟΕήΘϣϒΎχϮϟΕΩΪϋϹϊϨμϤϟ ςΒο
3-00ΩΩήΘϟϑΪϬϟ
1.0 ~ 400 Hz1.0
3-01ΔϴΎϬϨϟ Ϊόϟ ΔϤϴϗ
0 ~ 9990
3-02ΔϴΪΘΑϻ Ϊόϟ ΔϤϴϗ
0 ~ 9990
3-03
ΓΩΪόΘϤϟ ϒΎχϮϟ )ϪϴϠϳήϟ ΝήΧ(
0 : ϡΪΨΘδϣ ήϴϏ
1 : ϞϤϋ ˯ΎϨΛ ϞϤόΗήΗήϔϧϻ
2 : ψϋϷ ΝήΨϟ ΩΩήΗϖϘΤϤϟ ϲϤ
3 : Δϳήϔμϟ Δϋήδϟ
4 : ίϭΎΠΗϟϡΰό
5 : ϞϴϐθΘϟ ΓΩΎϋ·
6 : ξϔΨϨϤϟ ΪϬΠϟ ΔψΣϼϣ
7 : ϧςϤήΗήϔϧϻ ϞϤϋ
8 : Ϟτόϟ ϰϠϋ ΔϟϻΪϟ
9 : ϟ ϝϮλϮϟΩΩήΘϠϑΪϬϟ
10 : ΞϣΎϧήΑ ϞϴϐθΗPLC
11 : ΓϮτΧ ϝΎϤΘϛήΑϧΞϣΎPLC
12 : ΞϣΎϧήΑ ϝΎϤΘϛPLC
13 : ϑΎϘϳ·Ϥόϟ ΖϗΆϣΞϣΎϧήΑ ϞPLC
14 :ΔϘϘΤϤϟ ΔϴΎϬϨϟ Ϊόϟ ΔϤϴϗ
15 : ΔϘϘΤϤϟ ΔϴΪΘΑϻ Ϊόϟ ΔϤϴϗ
16 : ΔϳΰϫΎΠϟ ΔϟΎΣ ϰϠϋ ΔϟϻΪϟ
8
ΔόΑήϟ ΔϋϮϤΠϤϟ :ϞΧΪϟ ΕήΘϣέΎΑ Δϔϴχϭ
ΕήΘϣέΎΒϟϒΎχϮϟΕΩΪϋϹϊϨμϤϟ ςΒο
4-00
ΩΩήΘϟ ΔϤϴϗ ΡΎϳΰϧ
ΩΩήΗ ΔϤϴϗ ϦϋΎϨϗΓ
ΔϴϬΑΎθΘϟ ϞΧΪϟ
0.0 ~ 350 Hz0.0
4-01
ϑήΤϧ ΔϴΒτϗ
αΎϴϘϤϟ
0 : ΡΎϳΰϧΐΟϮϣ
1 : ΡΎϳΰϧΐϟΎγ
0
4-02
ΩΩήΗ ΑέϞΧΪϟ
ϲϬΑΎθΘϟ
1 ~ 200 %100
4-03
ϥέϭΪϟ βϜϋ ϦϴϜϤΗ
ϞΧΪϟ ΔτγϮΑ
ϲϬΑΎθΘϟ
0 : ϡΪΨΘδϣ ήϴϏ
1 : ΔϨϜϤϣ ΔϛήΤϟ βϜϋ
2 : ςϘϓ ΔϴϣΎϣ ΔϛήΣ
0
4-04
ϭϭΫϞΧΩϒΎχ
ΓΩΪόΘϣ
ϞΧΪϟ1)M1(
1
4-05
ϒΎχϭ ϭΫ ϞΧΩ
ΓΩΪόΘϣ
ϟϞΧΪ2)M2(
6
4-06
ϒΎχϭ ϭΫ ϞΧΩ
ΓΩΪόΘϣ
ϞΧΪϟ3)M3(
0 : ϡΪΨΘδϣ ήϴϏ
1:M0 :ϑΎϘϳ·/ϲϣΎϣˬM1:ϑΎϘϳ·/ϲδϜϋ
2: M0 :ϑΎϘϳ·/ˬ ϞϴϐθΗM1:ϲδϜϋ/ϲϣΎϣ
3:M0 , M1, M2:ϢϜΤΘϟ ΔϴϠϤϋ ωϮϧΔΛϼΛϙϼγ
4 : ˱ΎϴόϴΒσ ΡϮΘϔϣ ˬ ϲΟέΎΧ Ϟτϋ
5 : ˱ΎϴόϴΒσ ϖϠϐϣ ˬ ϲΟέΎΧ Ϟτϋ
6 : ήϴϔμΗ
7 : ήϣΓΩΪόΘϤϟ ΕΎϋήδϟ έΎϴΘΧ–ϞΧΪϣ1
8 : ΓΩΪόΘϤϟ ΕΎϋήδϟ έΎϴΘΧ ήϣ–ϞΧΪϣ2
9 : ˰ϟ ΔϴϠϤϋJog ) ϱϭΪϴϟ ϞϴϐθΘϟ(
10 : ΔϴϟΎΤϟ Δϋήδϟ ΖϴΒΜΗ
)ωέΎδΘϟ ϝΎϤϛ· ϊϨϣ/ΆσΎΒΘϟ(
11:έΎϴΘΧΆσΎΒΘϟ Ϧϣί/ωέΎδΘϟϲϧΎΜϟ ϭ ϝϭϷ
12 : ϞϴϐθΘϟ ΓΩΎϋ·˱ΎϴόϴΒσ ΡϮΘϔϣ ˬ
13 : ϞϴϐθΘϟ ΓΩΎϋ·˱ΎϴόϴΒσ ϖϠϐϣ ˬ
14 : ΪΎϘϟ ΩΩήΗ ΓΩΎϳί
7

10
15 : ΪΎϘϟ ΩΩήΗ ϥΎμϘϧ
16 : ϟ ΞϣΎϧήΑ ϞϴϐθΗ˰PLC
17 : ϑΎϘϳ·ΞϣΎϧήΑϟ˰ PLC ΖϗΆϣ ϞϜθΑ
18 : ΓέΎη·ΩΪόϟ ΡΪϗ
19 : ΩΪόϟ ήϴϔμΗ
20 : ϦϴϜϤΗ /ΪϋϡϲϬΑΎθΘϟ ϞΧΪϟ ϦϴϜϤΗ
ΔδϣΎΨϟ ΔϋϮϤΠϤϟ :ϭ ΓΩΪόΘϤϟ ΓϮτΨϟ ΔϋήγΕήΘϣέΎΑΞϣΎϧήΑϟ˰PLC
ΕήΘϣέΎΒϟϒΎχϮϟΕΩΪϋϹϊϨμϤϟ ςΒο
5-00ΓϮτΨϟ Δϋήγ ΩΩήΗϰϟϭϷ1st
0.0 ~ 400 Hz0.0
5-01ΓϮτΨϟ Δϋήγ ΩΩήΗΔϴϧΎΜϟ2nd
0.0 ~ 400 Hz0.0
5-02ΓϮτΨϟ Δϋήγ ΩΩήΗΔΜϟΎΜϟ3rd
0.0 ~ 400 Hz0.0
5-03ϞϤϋ ςϤϧΞϣΎϧήΑϟ˰PLC
0 : ϟ ΔϴϠϤϋ˰PLC ΔϨϜϤϣ ήϴϏ
1 : άϴϔϨΗϟΞϣΎϧήΒΓήϣΪΣϭΓ
2 : ΞϣΎϧήΒϟ άϴϔϨΗ έήϜΗ
3 : ΞϣΎϧήΒϟ άϴϔϨΗ έήϜΗ)ϞμϔϨΗ ΚϴΤΑ
ϒϗϮΘϟΎΑ ΎϬπόΑ Ϧϋ ΕέήϜΘϟ(
4 : ΓΪΣϭ Γήϣ ΞϣΎϧήΒϟ άϴϔϨΗ )ϞμϔϨΗ ΚϴΤΑ
ϒϗϮΘϟΎΑ ΎϬπόΑ Ϧϋ ΕϮτΨϟ(
0
5-04ϟ ΔϛήΣ˰PLCϣΎϣϲ /ϲδϜϋ0 ~ 15 ) 0 : ˬ ϲϣΎϣ1 : ϲδϜϋ(*0
5-05ΓϮτΨϟ Ϧϣί ΓΪϣ00 ~ 65500 Sec 0
5-06ΓϮτΨϟ Ϧϣί ΓΪϣ10 ~ 65500 Sec0
5-07ΓϮτΨϟ Ϧϣί ΓΪϣ20 ~ 65500 Sec0
5-08ΓϮτΨϟ Ϧϣί ΓΪϣ30 ~ 65500 Sec0
* :ήΘϣέΎΒϠϟ Δϳήθόϟ ΔϤϴϘϟ5-04Ϧϣ ϥϮϜϣ ϲΎϨΛ ΩΪϋ ϞΜϤΗ4ΔϘϓϮϤϟ ΓϮτΨϟ ϩΎΠΗ ΩΪΤΗ ΎϬϨϣ ΔϧΎΧ Ϟϛ ΕΎϧΎΧ
ϚϟΫ Ϧϋ ΔϠΜϣ οϮϳ ϲϟΎΘϟ ϝϭΪΠϟ ϭ:
ΔϤϴϘϟΔϧΎΨϟ0ΔϧΎΨϟ1ΔϧΎΨϟ2ΔϧΎΨϟ3ΕϮτΨϟ ϩΎΠΗ
71110
ΕϮτΨϟ~20 : ϲδϜϋ
ΓϮτΨϟ3 : ϲϣΎϣ
51010
ΕϮτΨϟ,20 : ϲδϜϋ
ΕϮτΨϟ1,3 : ϲδϜϋ
151111ΕϮτΨϟ ϊϴϤΟ :ϲδϜϋ

11
ΔγΩΎδϟ ΔϋϮϤΠϤϟ:ΕήΘϣέΎΑΔϳΎϤΤϟ
ΕήΘϣέΎΒϟϒΎχϮϟΕΩΪϋϹϊϨμϤϟ ςΒο
6-00ϯϮΘδϣΔϳΎϗϮϟϦϣϟΪϬΠΪΰϟ
0 :ήϴϏϝΎόϓ
350 ~ 410 V
390
6-01ΔϳΎϗϮϟ ϯϮΘδϣϦϣϟέΎϴΘΪΰϟ
0 : ήϴϏϝΎόϓ
20 ~ 200 %
170
6-02
ϟ κΤϓϡΰόΪΰϟ
0 : ήϴϏϝΎόϓ
1 : ΔΘΑΎΛ ΔϋήδΑ ϞϤόϟ ˯ΎϨΛ ϦϜϤϣ
ϝϮλϮϟ ϰΘΣ έήϤΘγϻϭϰϟ·ΔϳΎϬϨϟ
2:ΔΘΑΎΛ ΔϋήδΑ ϞϤόϟ ˯ΎϨΛ ϦϜϤϣϒϗϮΘϳϭ
ΪόΑϣΔψΣϼΪΰϟ ϡΰόϟ
3 : ϦϜϤϣωέΎδΘϟ ˯ΎϨΛήϤΘδϳ ϭϞΒϗϝϮλϮϟ
ΝήΨϟ Ϧϣί ΪΣ ϰϟ·ΖΑΎΜϟ
4 : ωέΎδΘϟ ˯ΎϨΛ ϦϜϤϣϒϗϮΘϳ ϭΪόΑ
ϑΎθΘϛϡΰόϟΪΰϟ
0
6-03ϡΰόϟ ΔψΣϼϣ ϯϮΘδϣΪΰϟ30 ~ 200 %150
6-04ϡΰόϟ ΔψΣϼϣ ϦϣίΪΰϟ0.1 ~ 10.0 Sec0.1
6-05
ΔϟϮϤΤϟ ΓΩΎϳΰϟ ΔϴϧϭήΘϜϟ ϪϴϠϳέ
ΔϳέήΤϟ
0 : ΔϣΪΨΘδϣ ήϴϏ
1 : ActϲγΎϴϗ ϙήΤϣ ϊϣ
2 : ActιΎΧ ϙήΤϣ ϊϣ
0
6-06ΔϴϧϭήΘϜϟϻ ΔϳέήΤϟ ΓΰϴϤϟ30 ~ 600 Sec60
6-07ϲϟΎΤϟ Ϟτόϟ ϞΠγ
6-08Ϟτόϟ ϞΠγϲϧΎΜϟ
6-09Ϟτόϟ ϞΠγΚϟΎΜϟ
6-10Ϟτόϟ ϞΠγϊΑήϟ
6-11Ϟτόϟ ϞΠγβϣΎΨϟ
6-12Ϟτόϟ ϞΠγαΩΎδϟ
0 : ϻϞτϋ ΙΪΤϳ
1 : Ϊί έΎϴΗOC
2 : Ϊί ΪϬΟOV
3 : ΓΪί ΓέήΣOH
4 : ϞϤΣΪίOL
5 : ΔϴϧϭήΘϜϟ ΔϳέήΣOL1
6 : ϲΟέΎΧ ϞτϋEF
7 : ϡΪΨΘδϣ ήϴϏ
8 : ϡΪΨΘδϣ ήϴϏ
9 : ωέΎδΘϟ ˯ΎϨΛ έΎϴΘϟ ίϭΎΠΗOCA
10 :ΆσΎΒΘϟ ˯ΎϨΛ έΎϴΘϟ ίϭΎΠΗOCD
11 :έΎϴΘϟ ίϭΎΠΗ˯ΎϨΛΔϟΎΤϟΓήϘΘδϤϟOCN
0
ΔόΑΎδϟ ΔϋϮϤΠϤϟ :ϙήΤϤϟ ΕήΘϣέΎΑ
ΕήΘϣέΎΒϟϒΎχϮϟΕΩΪϋϹϊϨμϤϟ ςΒο
7-00ϙήΤϤϠϟ ϲϤγϻ έΎϴΘϟ30 ~ 120 %85
7-01έΎϴΗϞϤΣϼϟϙήΤϤϠϟ0 ~ 90 %50
7-02ϡΰόϟ ξϳϮόΗ0 ~ 101
7-03ϕϻΰϧϻ ξϳϮόΗ0.0 ~ 10.00.0

12
ΔϨϣΎΜϟ ΔϋϮϤΠϤϟ :ΔλΎΨϟ ΕήΘϣέΎΒϟ
ΕήΘϣέΎΒϟϒΎχϮϟΕΩΪϋϹϊϨμϤϟ ςΒο
8-00ΒϜϟ ΪϬΟ ϯϮΘδϣDC0 ~ 30 %0
8-01ΒϜϟ ϦϣίDC˯ΎϨΛωϼϗϹ0.0 ~ 60.0 Sec0.0
8-02ΒϜϟ ϦϣίDC˯ΎϨΛϑΎϘϳϹ0.0 ~ 60.0 Sec0.0
8-03ΔτϘϧ˯ΪΑϞϴϐθΗΒϜϟDC0.0 ~ 400.0 Sec0.0
8-04Δϴϧϵ ΔϋΎτΘγϻ ΕΎϋΎϴο
0 :ϑΎϘϳ·ΕΎϋΎϴο ΪόΑ ϞϤόϟ
Δϴϧϵ ΔϋΎτΘγϻ
1 : ΕΎϋΎϴο ΪόΑ έήϤΘγϻ
ΚΤΑ ˯ΪΑ ˬ Δϴϧϵ ΔϋΎτΘγϻ
ΓΩΎϴϘϟ ΩΩήΗ ϊϣ Δϋήδϟ
2:έήϤΘγϻΕΎϋΎϴο ΪόΑ
ϵ ΔϋΎτΘγϻΚΤΑ ˯ΪΑ ˬ Δϴϧ
ΔϋήδϟΩΩήΗ ΪϨϋΝήΨϟϱήϐλϷ
0
8-05ΡϮϤδϤϟ ΔϴϤψϋϷ ΔϋΎτΘγϻ ωΎϴο Ϧϣί0.3 ~ 5.0 Sec2.0
8-06ϦϣίΚΤΒϟΔϋήδϟ Ϧϋ0.3 ~ 5.0 Sec0.5
8-07ϯϮμϘϟ Δϋήδϟ Ϧϋ ΚΤΒϟ έΎϴΗ ϯϮΘδϣ30 ~ 200 %150
8-08ΩΩήΘϟ ϞϫΎΠΗ ϝΎΠϣ1–ϱϮϠόϟ ΪΤϟ0.0 ~ 400 Hz0.0
8-09ΩΩήΘϟ ϞϫΎΠΗ ϝΎΠϣ1–ϲϠϔδϟ ΪΤϟ0.0 ~ 400 Hz0.0
8-10ΩΩήΘϟ ϞϫΎΠΗ ϝΎΠϣ2–ϱϮϠόϟ ΪΤϟ0.0 ~ 400 Hz0.0
8-11ΩΩήΘϟ ϞϫΎΠΗ ϝΎΠϣ2–ϲϠϔδϟ ΪΤϟ0.0 ~ 400 Hz0.0
8-12ΩΩήΘϟ ϞϫΎΠΗ ϝΎΠϣ3–ϱϮϠόϟ ΪΤϟ0.0 ~ 400 Hz0.0
8-13ΩήΘϟ ϞϫΎΠΗ ϝΎΠϣΩ3–ϲϠϔδϟ ΪΤϟ0.0 ~ 400 Hz0.0
8-14ΓΩΎϋ·Ϟτόϟ ΪόΑ ϲΎϘϠΘϟ ϞϴϐθΘϟ0 ~ 100
8-15
ΔϔϴχϭAVR
)ϲΎϘϠΘϟ ΪϬΠϟ ϢϴψϨΗ(
0 : ΔϔϴχϭAVRΔϟΎόϓ
1 : ΔϔϴχϭAVRήϴϏΔϟΎόϓ
2
8-16ϲϜϴϣΎϨϳΪϟ ΒϜϟ ΪϬΟ350 ~ 450 V380
8-17ΒϜϟ Γΰϔϗ ΔϳΎϬϧDCΔπϔΨϨϤϟ0.0 ~ 400 Hz0.0

13
ΔόγΎΘϟ ΔϋϮϤΠϤϟ :ϝΎμΗϻ ΕήΘϣέΎΑ
ΕήΘϣέΎΒϟϒΎχϮϟ
ΕΩΪϋϹ
ϊϨμϤϟ ςΒο
9-00ϝΎμΗϻ ϥϮϨϋ1 ~ 2471
9-01ΔϋήγϝΎγέϹ
0 : ΔϋήγϝΎγέϹ4800
1 : ΔϋήγϝΎγέϹ9600
2 : ΔϋήγϝΎγέϹ19200
1
9-02
ΔΠϟΎόϣϝΎμΗϻ Ϟθϓ
0 : ϞϴϐθΘϟ έήϤΘγϭ ϪϴΒϨΗ
1 : ϪϴΒϨΗϑΎϘϳ·ϭσΎΒΘϟ Ϧϣί ϖϓϭΆ
2 : ϭ ϪϴΒϨΗϑΎϘϳ·ΆσΎΒΗ ϥϭΪΑ
3 : ϞϴϐθΘϟ έήϤΘγ ϊϣ ϪϴΒϨΗ ϥϭΪΑ
0
9-03
ΖϗΆϣΔΒϗήϣϝΎμΗ
˰ϟModbus
0 : ϦϜϤϣ ήϴϏ
1~20 : 1~ 20 Sec
0
ςϤϧ
ASCII
: 7, N , 20
7, E , 11 :
2 : 7, O , 1
: 8 , N , 23
4 : 8 , E , 1
5 : 8 , O , 1
9-04ϝϮϛϮΗϭήΑϝΎμΗϻ
ςϤϧ
RTU
6 : 8 , N , 2
7 : 8 , E , 1
8 : 8 , O , 1
0

14
ϟϞμϔϊΑήϟ–ϝΎτϋϷ ΕΎϣϮϠόϣϭ ϝΎτϋϷ ήμΣ
ήΗήϔϧϻ ΔϠδϠγVFD – L ϞϣΎη ϝΎτϋ κϴΨθΗ ϡΎψϧ ΎϬϟϭϱάϟϦϤπΘϳΕέάϧ·ϭΓΩΪόΘϣϭ ΔϔϠΘΨϣ ϝΎτϋ ϞΎγέ.
ˬϞτϋ ΩϮΟϭ ϒθΘϜϳ ΎϤϟΎΣ ΔϘϓϮϤϟ ΔϳΎϤΤϟ Ε˯ήΟ· ϞϴόϔΗ ϢΘϴγ . ϰϠϋ ΓήϫΎχ ϥϮϜΘγ ΔϴϟΎΘϟ ϝΎτϋϷ ΔѧϴϤϗήϟ έΎѧϬχϹ ΔηΎη
ϟήΗήϔϧϼ . νήόΘγΎΑ ΔϴϤϗήϟ έΎϬχϹ ΔηΎη ϰϠϋ ϝΎτϋ ΔΘγ ΙΪΣ Γ˯ήϗ ϦϜϤϳΕήΘϣέΎΒϟPr 6-07 ~ Pr 6-12.
ψΣϼϣΔ:
ϦϜϤϳΔϟί·ϰϠϋ ήϴϔμΘϟ ΡΎΘϔϣ ϰϠϋ ςϐπϟΎΑ ϝΎτϋϷέΎϬχϹ ΔηΎηϭΪΣ ϡΪΨΘγΎΑϟϤΪϞΧ.
ϝϮϠΤϟϭ ΔόΎθϟ ϞϛΎθϤϟ :
Ϣγ
Ϟτόϟ
Ϟτόϟ ϒλϭϝΎϤϋΡϼλϹ
ΙϭΪΤϟ ήΗήϔϧϻ ϑΎθΘϛ
έΎϴΘϟ ϲϓ ΔϴόϴΒσ ήϴϏ ΓΩΎϳί
1 : ϙήΤϤϟ ΔϋΎτΘγ ΖϧΎϛ Ϋ· ΎϤϴϓ κΤϓϥΎμΤϟΎΑ
ΔϘΑΎτϣΘγϻΔϋΎτήΗήϔϧϻ ΝήΧ.
2 : ϙήΤϤϟϭ ήΗήϔϧϻ ϦϴΑ ϙϼγϷ ΕϼϴλϮΗ κΤϓϦϋΕέΩ
ΔϠϤΘΤϣ ήμϗ .
3 : ΑϢϗωέΎδΘϟ Ϧϣί ΓΩΎϳΰ), Pr . 1-11 Pr. 1-09 .(
4 : κΤϓϙήΤϤϟ ϰϠϋ ϞϴϤΤΘϟ ϑϭήχ ΓΩΎϳί ΔϴϧΎϜϣ·
5 : ΕϻΎΣ ϱ ϙΎϨϫ ϥΎϛ ΫΔϴόϴΒσ ήϴϏήϔϧϻ ϞϤϋ ΪϨϋΪόΑ ήΗΔϟί·
ΓέΩϟϰϟ· ήΗήϔϧϻ Ϟγέ ˬ ήμϘΪϤΘόϤϟ ϞϴϛϮϟ.
ΪϬΟ ϥ ϰϠϋ ϝΪϳ ήΗήϔϧϻήδΟ
ϢϳϮϘΘϟίϭΎΠΗ Ϫϴϓ ήϤΘδϤϟΕΔϤϴϗ
ϲϤψϋϷ ΪϬΠϟϪΑ ΡϮϤδϤϟ.
1 : κΤϓϥΎϛ Ϋ· ΎϤϴϓϞΧΪϟ ΪϬΟ ϊϣ ϞΧΪϟ ΪϬΟ ρϮΒϫ
ήΗήϔϧϼϟ ϲϤγϻ.
2 : ΔϠϤΘΤϤϟ ΓήΑΎόϟ ΩϮϬΠϟ κΤϓ
3 : ΪϬΟ ϰϠϋήδΠϟϢϳϮϘΘϟϥϮϜϳ ΎϤΑέΐΒδΑϞϤϋϙήΤϤϟςϤϧ ϲϓ
ΪϟϮϤϟ .ΑϢϗΆσΎΒΘϟ Ϧϣί ΓΩΎϳΰ.
ήϴθϳ ήΗήϔϧϻ ΓέήΣ αΎδΣϰϟ·
ΓΪί ΓέήΣ
1 : ΔτϴΤϤϟ ΓέήΤϟ ϥ Ϧϣ Ϊϛ΄ΗϤϟ ΓέήΤϟ ϝΎΠϣ ϦϤο ϊϘΗϪΑ ΡϮϤδ
2 : ΔϳϮϬΘϟ ΕΎΤΘϓ ϰϠϋ ϖϮϋ ΩϮΟϭ ϡΪϋ Ϧϣ Ϊϛ΄Η.
3:ϋ ΔΒϳήϏ ϡΎδΟ Δϳ ωΰϧΗ ϭ ϱέήΤϟ έΎϴϬϧϻ ϰϠϡΪϋ Ϧϣ ϖϘΤ
ΩήΒϤϟ Εήϔη ϦϴΑ ΥΎγϭ ΩϮΟϭ.
4 : ΔΒγΎϨϣ ΔϳϮϬΗ ϰϠϋ ϝϮμΤϠϟ ΔϴϓΎϛ ΔΣΎδϣ ϰϠϋ φϓΎΣ .
ΔϤϴϘΑ ϢϳϮϘΘϟ ήδΟ ΪϬΟ νΎϔΨϧ
ϱήϐλϷ ΪϬΠϟ Ϧϋ ΓήϴΒϛ
κΤϓϥΎϛ Ϋ· ΎϤϴϓϞΧΪϟ ΪϬΟϦϤο ϊϘϳϼϟ ϲϤγϻ ϞΧΪϟ ΪϬΟήΗήϔϧ.
ΔϴϧϭήΘϜϟϻ ΓΪΰϟ ΔϟϮϤΤϟ ϲϓ ΄τΧ
ΔϴϠΧΪϟ
1 : Ϧϣ ϖϘΤΗΔϠϤΘΤϣ ΔϟϮϤΣ ΓΩΎϳίϰϠϋϙήΤϤϟ.
2 : ΔϴϧϭήΘϜϟϻ ΔϳέήΤϟ ΔϳΎϤΤϟ ςΒο κΤϓ
3 : ΑϢϗϙήΤϤϟ ΔϋΎτΘγ ΓΩΎϳΰ
4 : έΎϴΘϟ ϯϮΘδϣ κϘϧήΗήϔϧϼϟ ΝήΨϟ έΎϴΗ ίϭΎΠΘϳ ϻ ΚϴΤΑΔϤϴϗ
ήΤϤϟ έΎϴΘϟ ςΒπϟϲϤγϻ ϙPr . 7-00 .
ϑήτϟϲΟέΎΨϟEF - GND
Ϧϣ ϝϮΤΘΗ OFFϰϟON
ϳ ΎϣΪϨϋϲΟέΎΨϟ ϑήτϟ ϥϮϜEF – GND Βμϴγ ˬ ϖϠϐϣΝήΨϟ
OFF
ϙήΤϤϟ ϞϤΣ ΓΩΎϳί
ΕήΘϣέΎΒϟ ςΒο κΤϓ
)Pr.6-03 to Pr.6-05(
1 : ϙήΤϤϟ ϞϤΣ κϘϧ
2 : ςΒοΔϤϴϗΔψΣϼϣϟ ϡΰόϟΪΰΔϤϴϘϟΎΑΒγΎϨϤϟΔ .

15
ωέΎδΘϟ ˯ΎϨΛ Ϊί έΎϴΗ:
1 : ΝήΧ ϲϓ ήμϗ ΓέΩϙήΤϤϟ
2 : ˱ΪΟ ϝΎϋ ϡΰόϟ ϊϓέ
3 : ˱ΪΟ ήϴμϗ ωέΎδΘϟ Ϧϣί
4:ΔϋΎτΘγήΗήϔϧϻ ΝήΧΓήϴϐλ
˱ Ϊ Ο
1 : ΝήΨϟ ςΧ ϲϓ ϞϤΘΤϤϟ ϒϴόπϟ ϝΰόϟ ϞΟ Ϧϣ κΤϓ
2 : κϘϧϡΰόϟ ϢϴϋΪΗ ΔϤϴϗ )ήΘϣέΎΒϟPr.7-02(
3:ϢϗΑωέΎδΘϟ Ϧϣί ΓΩΎϳΰ
4 : ΒΘγΪήΒϛ ΝήΧ ΔϋΎτΘγΎΑ ήΗήϔϧϻ ϝ
ΆσΎΒΘϟ ˯ΎϨΛ Ϊί έΎϴΗ :
1 : ϙήΤϤϟ ΝήΧ ϲϓ ήμϗ ΓέΩ
2 : ΆσΎΒΘϟ Ϧϣί˱ΪΟ ήϴϗ
3:ήΗήϔϧϻ ΝήΧ ΔϋΎτΘγΓήϴϐλ
˱ΪΟ
1 : ΝήΨϟ ςΧ ϲϓ ϞϤΘΤϤϟ ϒϴόπϟ ϝΰόϟ ϞΟ Ϧϣ κΤϓ
2 : ΑϢϗΆσΎΒΘϟ Ϧϣί ΓΩΎϳΰ
3 : ΒΘγΪήΒϛ ΝήΧ ΔϋΎτΘγΎΑ ήΗήϔϧϻ ϝ
ΔϟΎΤϟ ϞϤϋ ˯ΎϨΛ Ϊί έΎϴΗΓήϘΘδϤϟ
1 : ϙήΤϤϟ ΝήΧ ϲϓ ήμϗ ΓέΩ
2 : ΔΌΟΎϔϣ ΓΩΎϳίϙήΤϤϟ ΔϟϮϤΤϟ
3:ήΗήϔϧϻ ΝήΧ ΔϋΎτΘγΓήϴϐλ
˱ΪΟ
1 : ΝήΨϟ ςΧ ϲϓ ϞϤΘΤϤϟ ϒϴόπϟ ϝΰόϟ ϞΟ Ϧϣ κΤϓ
2 : ϞϤΘΤϣ Ϟτϋ ΩϮΟϭ Ϧϣ ϖϘΤΗϙήΤϤϟ ϲϓ
3 : ΒΘγΪήΒϛ ΝήΧ ΔϋΎτΘγΎΑ ήΗήϔϧϻ ϝ
ΔϴϠΧΪϟ Γήϛάϟ ΔΠϣήΑ ϦϜϤϳ ϻ
1 : ΔϳάϐΘϟ ϊΒϨϣ Ϟμϓ
2 : ήΗήϔϧϼϟ ϲϤγϻ ϞΧΪϟ ΪϬΟ ϊϣ ϞΧΪϟ ΪϬΟ κϗΎϨΗ ΎϳϮγ κΤϓ
3 : ήΗήϔϧϻ Ϟμϓ
ΔϴϠΧΪϟ Γήϛάϟ Γ˯ήϗ ϦϜϤϳ ϻ
1 : ΣϮϟϭ Δϴδϴήϟ ϢϜΤΘϟ ΔΣϮϟ ϦϴΑ ΕϼϴλϮΘϟ κΤϓΔϳάϐΘϟ Δ
2 : ήΗήϔϧϻ ήϴϔμΗϝΎϤϫϹϊϨμϤϟ.
ϲόϴΒσ ήϴϏ ˯ΩϟΔϴϠΧΪϟ ΓέΪϠ
ήΗήϔϧϼϟ
1 : ΔϳάϐΘϟ ϊΒϨϣ Ϟμϓ
2 : Ϧϣ ϖϘΤΗϲϟϮΣ ϞΧΪϟ ΪϬΟ ϥήΗήϔϧϼϟ ϲϤγϻ ϞΧΪϟ ΪϬΟ
ΔϳΎϤΣ ϞθϓΔϴϠΧΪϟ ΕΎϧϮϜϤϟϊϨμϤϟ ϰϟ ΎϫΪϋ
ΞϣήΒϟ ΔϳΎϤΣ ϞθϓΎϫΪϋϰϟ·ϊϨμϤϟ
ωέΎδΘϟ Ϟθϓ /ϲΎϘϠΘϟ ΆσΎΒΘϟωέΎδΘϟ Δϔϴχϭ ϡΪΨΘδΗ ϻ /ϲΎϘϠΘϟ ΆσΎΒΘϟ
ϝΎμΗϻ ϲϓ ΄τΧ
1 : κΤϓϝΎμΗϻ ϞΒϛϦϴΑΐγΎΤϟϭ ήΗήϔϧϻ
2 : ϝϮϛϮΗϭήΑ ΕΩΪϋ· κΤϓΚϴΤΑ ϝΎμΗϻΔΤϴΤλ ϥϮϜΗ
ϞϴϐθΘϟ ΓΩΎϋ· ήϣ
ήΗήϔϧϻ ΝήΧΊϔτϣ.
1 : ΎϣΪϨϋϳϥϮϜϟϤΨϟ ϞΧΪϲΟέΎ)B.B (˱ϻ Ύ ό ϓˬϥΈϓΝήΧήΗήϔϧϻ
ΒμϴγOFF.
2 : ˬϞΧΪϤϟ άϫ ήϣ ϞμϓϭΪΒϴγΪϳΪΟ Ϧϣ ϞϤόϟΎΑ ήΗήϔϧϻ
ήϴθϳ ήΗήϔϧϻϰϟ·ΝήΧ έΎϴΗ ΓΩΎϳί
ήΗήϔϧϻ
1 : ϙήΤϤϟ ΔϟϮϤΣ ΓΩΎϳί κΤϓ
2 : κϘϧΔϤϴϗϲϓ ϡΰόϟ ξϳϮόΗήΘϣέΎΒϟPr.7-02
3 : ΑϢϗ ϲϓ ΓΩΎϳΰήΗήϔϧϻ ΝήΧ ΔϋΎτΘγ
4 : ΔψΣϼϣ :ϦϜϤϳ ήΗήϔϧϻϥΤϳΘϞϤ 150 % έΎϴΘϟ Ϧϣ
ϲϤψϋ Ϧϣΰϟ ϲϤγϻ 60 ΔϴϧΎΛ.

16
ΔϴγΎϴϘϟ ΕΎϔλϮϤϟ:
ΪϬΠϟ ϒϴϨμΗ115 V230 V
Ϣϗήϟ ΝΫϮϤϧVFD – LA/B002004002004007015
ΐγΎϨϤϟ ϙήΤϤϟ ΝήΧ)KW(0.20.40.20.40.71.5
ΝήΨϟ ΔϋΎτΘγΔϴϤγϻ
)KVA(
0.61.00.61.01.62.7
ϲϤγϻ ΝήΨϟ έΎϴΗ1.62.51.62.54.27.0
ϲϤψϋϷ ΝήΨϟ ΪϬΟ
έϮτϟ ϲΛϼΛ
ΪϬΟ ϊϣ ΔϘΑΎτϣ
ϒϋΎπϤϟ ϞΧΪϟ
ϞΧΪϟ ΪϬΟ ϊϣ ΔϘΑΎτϣ έϮτϟ ϲΛϼΛ
ϲϤγϻ ΝήΨϟ
ϲϤγϻ ΩΩήΘϟ1.0 ~ 400 Hz
ϲϤγϻ ϞΧΪϟ έΎϴΗ
694.9/1.96.5/2.79.7/5.1*/9
ϪϠϤΤΘϳ ϞΧΩ ΪϬΟ ήΒϛ
έϮτϟ ϱΩΎΣ
90~132V
50/60 Hz
ϱΩΎΣ/ϲΛϼΛ
180 -264 V 50/60Hz
ϲΛϼΛ
180-264V
50/60 Hz
ΔϋΎτΘγϻ
ϪϠϤΤΘϳ ΩΩήΗ ήΒϛ 5 %±
ϢϜΤΘϟ ϡΎψϧΩΩήΘϟ ˬ ΔϴΒϴΠϟ ΔπΒϨϟ νήϋ ϞϳΪόΗϞϣΎΤϟ3KHz -10KHz
ΝήΨϟ ΩΩήΗ ΕΎΒΛ0.1 Hz
ϡΰόϟ ΎϳΰϣΕΎΑΎδΣϡΰόϟΔϴΎϘϠΘϟϕϻΰϧϻ ξϳϮόΗ ˬϲΎϘϠΘϟϡΰϋ ˬωϼϗϹϥϮϜϳ ϥ ϦϜϤϳ
150 %ΩΩήΗ ΪϨϋ5 Hz
ί ϞϤΤΗΔϟϮϤΤϟ ΓΩΎϳ150 %ΓΪΣϭ ΔϘϴϗΪϟ ϲϤγϻ έΎϴΘϟ Ϧϣ
ωέΎδΘϟ Ϧϣί/ΆσΎΒΘϟ 0.1 – 600 Sec )ΩήϔϨϣ ϞϜθΑ ςΒπΗ ϥ ϦϜϤϳ(
ΝΫϮϤϧV/FΝΫϮϤϧV / F ϞϳΪόΘϠϟ ϞΑΎϗ
ϣϢϜΤΘϟ Ύϳΰ
ϊϨϣ ϯϮΘδϣϲϧϵ ϒϗϮΘϟ20 – 200 %ϲϤγϻ έΎϴΘϟ ςΒο
ϴΗΎϔϤϟ ΔΣϮϟϴΗΎϔϤϟ ϡΪΨΘγΎΑ ςΒοϭVR
ΩΩήΘϟ ςΒο
ΓέΎη·ΔϴΟέΎΧ
ϥϮϤϛ ϢδϘϣ5K/0.5WˬDC0 ~ +10 V)ϞΧΪϟ ΔόϧΎϤϣ47K (
ˬ4~20 mA)ΝήΨϟ ΔόϧΎϤϣ250 ( ϞΧΪϤϟ ˬ1ϰϟ3ϒΎχϮϟ ΩΪόΘϣ
)3ˬ ΕϮτΧJogˬup/Down ( ˬΕΩΪϋ·ϝΎμΗϻ
ΔϴϠϤόϟ ςΒοϴΗΎϔϤϟ ΔΣϮϟϴΗΎϔϤϟ ϡΪΨΘγΎΑ ςΒπϟRun / Stop
ΓέΎηϹΓέΎη·ΔϴΟέΎΧ
M0,M1,M2,M3ϥ ϦϜϤϳΔϔϠΘΨϣ ϞϤϋ ρΎϤϧ ϱΩΆΘϟ ΎϬπόΑ ϊϣ ΞϣΪΗˬ
ϣάϔϨϝΎμΗϻRS – 485
ΓέΎη·ΓΩΪόΘϣ ϞΧΩϒΎχϮϟ
έΎϴΘΧΕΎϋήδϟϦϣ ΓΩΪόΘϤϟ0ϰϟ3ˬJogϊϨϣ ˬωέΎδΘϟ/ˬ ΆσΎΒΘϟϞϳΪΒΘϟ
ϦϴΑωέΎδΘϟ /ϝϭϷ ΆσΎΒΘϟ/ϞϤϋ ˬ ΩΪόϟ ˬ ϲϧΎΜϟΞϣΎϧήΑϟ˰PLCˬ
ήϣϲΟέΎΧϹϞϴϐθΘϟ ΓΩΎϋ )NO , NC (.
ϞϴϐθΘϟ Ύϳΰϣ
ΓέΎη·ϒΎχϮϟ ΓΩΪόΘϣ ΝήΧ
ˬ ήΗήϔϧϻ ϞϤϋϝϮλϮϟϑΪϬϟ ΩΩήΘϠϟϟ ˬΔϋήδΔϳήϔμϟˬˬ ϞϴϐθΘϟ ΓΩΎϋ·
ΓέΎη··ˬ Ϟτόϟ ϰϟΓέΎη·ϰϟ·ςϤϨϟϲϠΤϤϟ/ΪόΑ ϦϋˬΓέΎη·ϰϟ·ϟ ϞϤϋ˰PLC
ϯήΧϷ ϒΎχϮϟ
AVRϲϨΤϨϣˬSˬ Ϊΰϟ ΪϬΠϟ Ϟτϋ ϊϨϣ ˬΒϛDCˬϷ ϞϴΠδΗτϋΎϞϳΪόΗˬ ϝ
ΩΩήΘϟϞϣΎΤϟˬϟ Βϛ ϞϴϐθΗ ΩΩήΗ ςΒο˰DCˬ Ϊΰϟ έΎϴΘϟ Ϟτϋ ϊϨϣˬΓΩΎϋ·
ΪϘϓ ΪϨϋ ϞϴϐθΘϟΔϳάϐΘϟˬβϜϋ ϊϨϣΔϛήΤϟˬΩϭΪΣ ςΒοΩΩήΘϟˬϞϔϗ /ήϴϔμΗ
ΕήΘϣέΎΒϟ.
ΔϳΎϤΤϟ
ΔϳέήΣ ϪϴϠϳέ ˬ ϞϤΤϟ ΓΩΎϳί ˬ ξϔΨϨϤϟ ΪϬΠϟ ˬ Ϊΰϟ έΎϴΘϟ ˬ Ϊΰϟ ΪϬΠϟ
ΕέΎΒΘΧϻ ˬ ΓΪί ΓέήΣ ˬ ΔϴϧϭήΘϜϟΔϴΗάϟ
ΕΎϓΎο·ϯήΧϲδϴσΎϨϐϣϭήϬϜϟ ζϳϮθΘϟ ΓήΘϠϓ ϦϤπΘϣ
ΪϳήΒΘϟΪϳήΒΗϟΎΑϮϬ˯
ΐϴϛήΗϱΰϛήϣωΎϔΗέ1000 m ϞϮδϟϭ έΎΒϐϟ ˬ ΕίΎϐϟ ϞϛΗ Ϧϣ ϪψϔΣ ˬ Ϟϗ ϭ
ΔτϴΤϤϟ ΓέήΤϟ-10 C ~ +40 C ) ΪϤΠϣ ήϴϏϭ ϒΜϜϣ ήϴϏ(
ΔϧΰΨϤϟ ΓέήΤϟ-20 C to 60 C
ΔτϴΤϤϟ ΔΑϮσήϟϦϣ Ϟϗ90 % RH ) ϒΜϜϣ ήϴϏ(
ϮΠϟςϴΤϤϟ
ίΰΘϫϻ9.80665 m/s2 (1 G )
20Hz, 5.88m/s2 (0.6Gat) 20 to 50Hz Ϧϣ Ϟϗ