Delta Tau 3U Amp 1 Users Manual INTRODUCTION
2015-07-14
: Delta-Tau Delta-Tau-3U-Amp-1-Users-Manual-773810 delta-tau-3u-amp-1-users-manual-773810 delta-tau pdf
Open the PDF directly: View PDF
.
Page Count: 16
- Copyright Information
- Operating Conditions
- INTRODUCTION
- HARDWARE DESCRIPTION
- SAMPLE WIRING DIAGRAM
- ANALOG AMPLIFIER BACKPLANE BOARD

^2 AMP 1
^1USER MANUAL
^3 40W 4-Channel Linear Brush Motor
^4 3Ax-603489-xUxx
^5 August 22, 2006
Single Source Machine Control Power // Flexibility // Ease of Use
21314 Lassen Street Chatsworth, CA 91311 // Tel. (818) 998-2095 Fax. (818) 998-7807 // www.deltatau.com

Copyright Information
© 2003 Delta Tau Data Systems, Inc. All rights reserved.
This document is furnished for the customers of Delta Tau Data Systems, Inc. Other uses are
unauthorized without written permission of Delta Tau Data Systems, Inc. Information contained in
this manual may be updated from time-to-time due to product improvements, etc., and may not
conform in every respect to former issues.
To report errors or inconsistencies, call or email:
Delta Tau Data Systems, Inc. Technical Support
Phone: (818) 717-5656
Fax: (818) 998-7807
Email: support@deltatau.com
Website: http://www.deltatau.com
Operating Conditions
All Delta Tau Data Systems, Inc. motion controller products, accessories, and amplifiers contain
static sensitive components that can be damaged by incorrect handling. When installing or handling
Delta Tau Data Systems, Inc. products, avoid contact with highly insulated materials. Only
qualified personnel should be allowed to handle this equipment.
In the case of industrial applications, we expect our products to be protected from hazardous or
conductive materials and/or environments that could cause harm to the controller by damaging
components or causing electrical shorts. When our products are used in an industrial environment,
install them into an industrial electrical cabinet or industrial PC to protect them from excessive or
corrosive moisture, abnormal ambient temperatures, and conductive materials. If Delta Tau Data
Systems, Inc. products are exposed to hazardous or conductive materials and/or environments, we
cannot guarantee their operation.

REVISION HISTORY
REV. DESCRIPTION DATE CHG APPVD
1 E-POINT JUMPER & AMP SPEC REVISIONS 08/22/06 CP R. UNADKAT

Amp 1
Table of Contents
INTRODUCTION ........................................................................................................................................ 1
Power Supply Considerations .................................................................................................................... 1
Selecting Current vs. Voltage Mode .......................................................................................................... 1
Maximum Current Output E-Point Jumpers..........................................................................................1
Amplifier-Enable/Fault Polarity Selection ............................................................................................ 2
Torque/Velocity Control ............................................................................................................................ 2
HARDWARE DESCRIPTION ................................................................................................................... 3
TB1: 8-Pin PMAC Interface Terminal Block ............................................................................................ 3
TB2: 13-Pin Motor Amplifier Output Terminal Block .............................................................................. 3
TB3: External Power Ground..................................................................................................................... 3
TB4: External Power.................................................................................................................................. 3
TB5: External Logic Power........................................................................................................................ 4
P1: 96 Pin Power Input Connector............................................................................................................. 4
Amplifier Specifications ............................................................................................................................ 5
Power Stage Specifications.................................................................................................................... 5
Mechanical Specifications..................................................................................................................... 5
Environmental ....................................................................................................................................... 5
Amplifier User Components Description................................................................................................... 5
Fuses...................................................................................................................................................... 5
LEDs...................................................................................................................................................... 5
Offset Pots ............................................................................................................................................. 6
SAMPLE WIRING DIAGRAM.................................................................................................................. 7
ANALOG AMPLIFIER BACKPLANE BOARD ..................................................................................... 9
Single Quad H-Bridge Amplifier Backplane Layout .................................................................................9
Dual Quad H-Bridge Amplifier Backplane Layout.................................................................................. 10
Table of Contents i

Amp 1
INTRODUCTION
The Amp 1 Linear Amplifier is a 3U-size amplifier designed to drive small DC brushed type motors or
proportional hydraulic valve actuators. This amplifier provides four 40W continuous (60W intermittent)
linear amplifiers. The Amp 1 Linear Amplifier may be interfaced conveniently to the PMAC controller
via Acc-24E2A. The maximum bus voltage for this amplifier is 24VDC and the continuous rating for
each drive is 0.5A.
The amplifiers on this product will output a current or voltage that is proportional to the voltage input.
The amplifier can receive its logic power supply (_15V) from the 3U-power supply and the bus voltage is
supplied from a separate supply.
Power Supply Considerations
The Amp 1 Linear Amplifier requires a single power supply of +12V to +24V max. The current
requirement can vary depending on the load, but should not exceed 4A (1A per channel) continuous and
8A peak (2A per channel) for a one-second period. A slow blow 5A fuse is installed to protect the shunt
and a fast acting 8A fuse to protect the main bus.
If the amplifier is driven beyond its rated power, driver overheating may occur. In this event, the driver
will output a fault signal on the corresponding pin of Terminal Block 2 (TB2) and turn on the
corresponding red LED next to Terminal Block 1, TB1, shown in the Amplifier Layout Diagram.
Selecting Current vs. Voltage Mode
The Amp 1 Linear Amplifier can be configured in either current or voltage mode. This is configured by
setting the following E-point jumpers.
Maximum Current Output E-Point Jumpers
Each of the amplifiers has an E-point jumper that allows changing the transconductance factor of the
amplifier.
Jumper Description Default
Channel 1 Setup
E1A Jumper 1-2 Current Mode with gain of 0.2 A/V X
E1B Jumper 1-2 Current Mode with gain of 0.04 A/V
E1A & E2 Jumper 1-2 Voltage Mode with gain of 1V in = 2.6V out
No jumper Jumper 1-2 Current Mode with gain of 0.02 A/V
Channel 2 Setup
E3A Jumper 1-2 Current Mode with gain of 0.2 A/V X
E3B Jumper 1-2 Current Mode with gain of 0.04 A/V
E3A & E4 Jumper 1-2 Voltage Mode with gain of 1V in = 2.6V out
No jumper Jumper 1-2 Current Mode with gain of 0.02 A/V
Channel 3 Setup
E5A Jumper 1-2 Current Mode with gain of 0.2 A/V X
E5B Jumper 1-2 Current Mode with gain of 0.04 A/V
E5A & E6 Jumper 1-2 Voltage Mode with gain of 1V in = 2.6V out
No jumper Jumper 1-2 Current Mode with gain of 0.02 A/V
Channel 4 Setup
E7A Jumper 1-2 Current Mode with gain of 0.2 A/V X
E7B Jumper 1-2 Current Mode with gain of 0.04 A/V
E7A & E8 Jumper 1-2 Voltage Mode with gain of 1V = 2.6V out
No jumper Jumper 1-2 Current Mode with gain of 0.02 A/V
Introduction 1

Amp 1
Jumpers are provided to lower the current output rating either 200 or 400mA, for motors with smaller
current needs. Effectively, this cuts the amplifier transconductance factor in half, allowing use of the full
+10V from PMAC’s DAC outputs rather than scaling the system to output +2V via Ix69.
Note:
If the amplifier is driving a DC motor at high speeds, the current supply to the
motor may be reduced if the back EMF voltage of the motor is sufficiently large
(refer to the motor manufacture’s data sheet).
Amplifier-Enable/Fault Polarity Selection
The controller (PMAC or UMAC) should be configured for low-true amplifier-enable signals. A green
LED next to Terminal Block 1 (TB1) for each amplifier on the 3U linear amplifier is lit when the board is
receiving power and that amplifier is enabled.
Also, if the amplifier fault signal is fed back to PMAC, bit 23 (the most significant bit) of Ix25 (PMAC)
or bit 23 of Ix24 for Turbo PMAC should be set to zero for Low True fault input. The red LED for each
channel is lit when the amplifier faults (overheats).
Torque/Velocity Control
For direct torque or velocity control, the following I-variables may be adjusted as part of the motor
software setup (Example for PMAC2-Turbo):
Ixx00 Set to 1 to activate motor.
Ixx02 Motor xx Command Output Address. For example:
I102=$078003 to use DAC1 with motor 1.
Ixx03 Motor xx Position Loop Feedback Address. For
example: I103=$3501 to use Encoder 1.
Ixx04 Motor xx Velocity Loop Feedback Address. For
example: I104=$3501 to use Encoder 1.
Ixx24 Set motor xx Flag Mode Control. For example:
I124=$100001 to specify high true fault input.
Ixx25 Set motor xx Flag Address. For example:
I125=$078000 to specify channel 1 flags.
Ixx69 Set motor xx Output Command Limit.
Refer to the Turbo PMAC/PMAC2 Software Reference Manual for full descriptions of these I-variables.
2 Introduction

Amp 1
HARDWARE DESCRIPTION
There are six connectors on the QUAD H-Bridge Amplifier board:
TB1: 8-Pin PMAC Interface Terminal Block •
•
•
•
•
•
TB2: 13-Pin Motor Amplifier Output Terminal Block
TB3: External Power Ground
TB4: External Bus Power
TB5: External logic power
P1: 96-Pin Power Input Connector
TB1: 8-Pin PMAC Interface Terminal Block
This terminal block provides the actual connection to the motors.
Pin Symbol Function Description
1 AMPOUT1 Output First Motor + Lead
2 AMPOUT1/ Output First Motor - Lead
3 AMPOUT2 Output Second Motor + Lead
4 AMPOUT2/ Output Second Motor - Lead
5 AMPOUT3 Output Third Motor + Lead
6 AMPOUT3/ Output Third Motor - Lead
7 AMPOUT4 Output Fourth Motor + Lead
8 AMPOUT4/ Output Fourth Motor - Lead
TB2: 13-Pin Motor Amplifier Output Terminal Block
This connector brings in up to four analog command signals and amplifier-enable lines. It also sends the
amplifier fault signal back to the controller.
Pin Symbol Function Description Notes
1 DAC1+ Input Command Signal 1 Reference to AGND
2 AENA1- Input Amplifier Enable 1 Reference to AGND
3 FAULT1- Output Amplifier Fault 1 Reference to AGND
4 DAC2 Input Command Signal 2 Reference to AGND
5 AENA2- Input Amplifier Enable 2 Reference to AGND
6 FAULT2- Output Amplifier Fault 2 Reference to AGND
7 AGND Analog Ground
8 DAC3 Input Command Signal 3 Reference to AGND
9 AENA3- Input Amplifier Enable 3 Reference to AGND
10 FAULT3- Output Amplifier Fault 3 Reference to AGND
11 DAC4 Input Command Signal 4 Reference to AGND
12 AENA4- Input Amplifier Enable 4 Reference to AGND
13 FAULT4- Output Amplifier Fault 4 Reference to AGND
TB3: External Power Ground
Pin Symbol Function Description
1 PGND Input Bus power reference
TB4: External Power
Pin Symbol Function Description
1 A+24V Input Bus power reference
Hardware Description 3

Amp 1
TB5: External Logic Power
Pin Symbol Function Description
1 AGND Input/Output Reference for logic supply
2 A+15V Input For logic power (usually from backplane)
3 AGND Input/Output Reference for logic supply
4 A-15V Input For logic power (usually from backplane)
P1: 96 Pin Power Input Connector
Pin# Row A Row B Row C
1 PGND PGND PGND
2 PGND PGND PGND
3 PGND PGND PGND
4 PGND PGND PGND
5 PGND PGND PGND
6 PGND PGND PGND
7 PGND PGND PGND
8 PGND PGND PGND
9 NC NC NC
10 +24V (bus) +24V (bus) +24V (bus)
11 +24V (bus) +24V (bus) +24V (bus)
12 +24V (bus) +24V (bus) +24V (bus)
13 +24V (bus) +24V (bus) +24V (bus)
14 +24V (bus) +24V (bus) +24V (bus)
15 +24V (bus) +24V (bus) +24V (bus)
16 +24V (bus) +24V (bus) +24V (bus)
17 +24V (bus) +24V (bus) +24V (bus)
18 NC NC NC
19 DB R+ DB R+ DB R+
20 DB R+ DB R+ DB R+
21 DB R+ DB R+ DB R+
22 DB R+ DB R+ DB R+
23 NC NC NC
24 DB R- DB R- DB R-
25 DB R- DB R- DB R-
26 DB R- DB R- DB R-
27 DB R- DB R- DB R-
28 NC NC NC
29 AGND AGND AGND
30 A+15V A+15V A+15V
31 AGND AGND AGND
32 A-15V A-15V A-15V
4 Hardware Description

Amp 1
Amplifier Specifications
Power Stage Specifications
Description Specification
V+ input voltage 12V minimum, 24V maximum
Logic power 15V @ 100mA, -15V @ 50mA
Transconductance factor 0.2 A/V, 0.04 A/V, or 0.02 A/V
Max continuous current 4A (1A per channel)
Peak current 8A (2A per channel)
Command input voltage +/- 10V
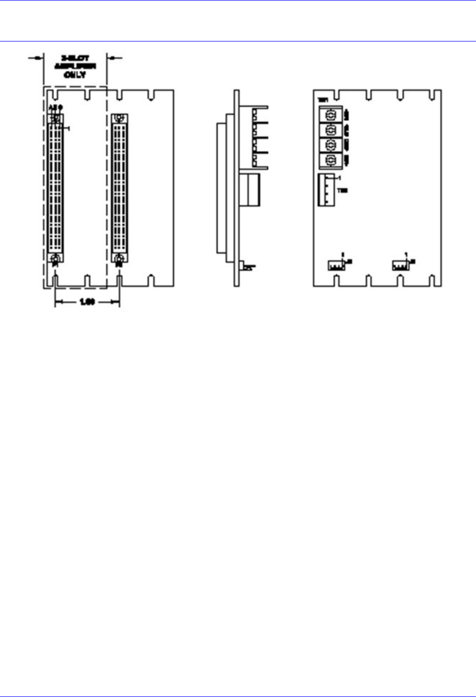
Mechanical Specifications
Size & Dimension See Diagram
TB1 Connector 8-pin Screw Terminal
TB2 Connector 13-pin Phoenix
TB3 Connector 1-pin Screw Terminal
TB5 Connector 1-pin Screw Terminal
TB4 Connector 4-pin Screw Terminal
P1 Connector 96-pin 3U back plane
Environmental
Operating Temperature 0 C to 55 C (32 F to 135 F)
Storage temperature -12 C to 82 C (10 F to 180 F)
Humidity 0% to 95%, non-condensing
Amplifier User Components Description
Fuses
Label Type Description
F1 8A Fast Blow for BUS
LEDs
Label Function
LD1 Channel 1 Enable
LD2 Channel 1 Fault
LD3 Channel 2 Enable
LD4 Channel 2 Fault
LD5 Channel 3 Enable
LD6 Channel 3 Fault
LD7 Channel 4 Enable
LD8 Channel 4 Fault
LD10 Over Temperature Fault
Hardware Description 5

Amp 1
Offset Pots
Name Label Function
A R6 Channel 1 Current Offset
B R46 Channel 2 Current Offset
C R86 Channel 3 Current Offset
D R126 Channel 4 Current Offset
6 Hardware Description

Amp 1
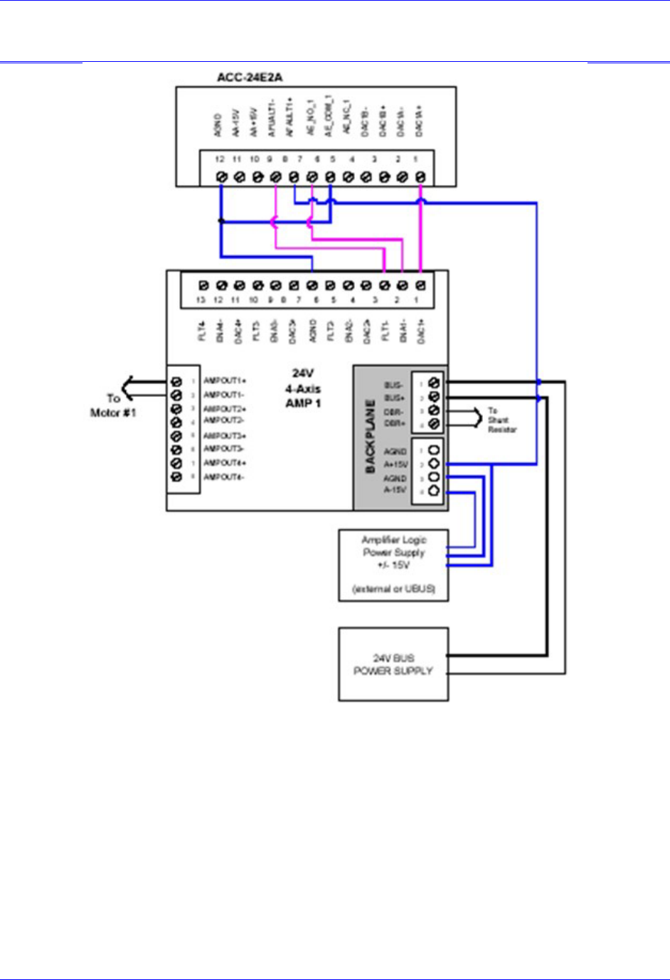
SAMPLE WIRING DIAGRAM
Sample Wiring Diagram 7

Amp 1
8 Sample Wiring Diagram

Amp 1
ANALOG AMPLIFIER BACKPLANE BOARD
The analog amplifier backplane board allows easy access to power the Quad H-Bridge amplifier units
when placed in the 3U racks. The amplifier backplane boards come in two options: single amplifier 2-slot
assemblies or dual amplifier 4-slot assemblies. The board itself has terminal screws for the external bus,
external shunt resistors, a Molex connector for the logic power, and another Molex connector for the
cooling fans.
Backplane Board Part Number 3U Slots used
Single Amplifier 603490-10x 2
Dual Amplifier 603470-10x 4
Single Quad H-Bridge Amplifier Backplane Layout
Analog Amplifier Backplane Board 9

Amp 1
10 Analog Amplifier Backplane Board
Dual Quad H-Bridge Amplifier Backplane Layout