Desa Tech A375Lp Owners Manual 37 0877 JD SPACE HEATER AC 375LP ENGLISH
Desa-Tech-Ac-375Lp-Owners-Manual desa-tech-ac-375lp-owners-manual
2014-07-19
: Desa-Tech Desa-Tech-A375Lp-Owners-Manual desa-tech-a375lp-owners-manual desa-tech pdf
Open the PDF directly: View PDF
.
Page Count: 72

AC-375LP
SPACE HEATER

2 Operator’s Manual
Introduction
THANK YOU for purchasing a John Deere product.
READ THIS MANUAL carefully to learn how to operate
and service your machine correctly. Failure to do so
could result in personal injury or equipment damage.
This manual and safety signs on your machine may
also be available in other languages. (See your John
Deere dealer to order.)
THIS MANUAL SHOULD BE CONSIDERED a
permanent part of your machine and should remain
with the machine when you sell it.
MEASUREMENTS in this manual are given in both
metric and customary U.S. unit equivalents. Use only
correct replacement parts and fasteners. Metric and
inch fasteners may require a specific metric or inch
wrench.
The SERIAL NUMBER is located in the Specification
or Identification Numbers section. Accurately record all
the numbers to help in tracing the machine should it be
stolen. Your dealer also needs these numbers when you
order parts. File the identification numbers in a secure
place off the machine.
WARRANTY is provided from your John Deere dealer
for customers who operate and maintain their equipment
as described in this manual. The warranty is explained
on the warranty certificate shown in this manual.
This warranty provides you the assurance that your
dealer will back products where defects appear within the
warranty period. Should the equipment be abused, or
modified to change its performance beyond the original
factory specifications, the warranty will become void.
GENERAL HAZARD WARNING:
FAILURE TO COMPLY WITH THE PRECAUTIONS
AND INSTRUCTIONS PROVIDED WITH THIS
HEATER, CAN RESULT IN DEATH, SERIOUS
BODILY INJURY AND PROPERTY LOSS
OR DAMAGE FROM HAZARDS OF FIRE,
EXPOSITION, BURN, ASPHYXIATION, AND/OR
CARBON MONOXIDE POISONING.
ONLY PERSONS WHO CAN UNDERSTAND AND
FOLLOW THE INSTRUCTIONS SHOULD USE
OR SERVICE THIS HEATER.
IF YOU NEED ASSISTANCE OR HEATER
INFORMATION SUCH AS AN INSTRUCTIONS
MANUAL, LABELS, ETC. CONTACT THE
MANUFACTURER.
WARNING: FIRE, BURN, INHALATION
AND EXPLOSION HAZARD. KEEP SOLID
COMBUSTIBLES, SUCH AS BUILDING
MATERIALS, PAPER OR CARDBOARD, A
SAFE DISTANCE AWAY FROM THE HEATER
AS RECOMMENDED BY THE INSTRUCTIONS
NEVER USE THE HEATER IN SPACES WHICH
DO OR MAY CONTAIN VOLATILE OR AIRBORNE
COMBUSTIBLES OR PRODUCTS SUCH AS
GASOLINE, SOLVENTS, PAINT THINNER, DUST
PARTICLES OR UNKNOWN CHEMICALS.
WARNING: NOT FOR HOME OR
RECREATIONAL VEHICLE USE.
The heater is designed for use as a construction heater in
accordance with ANSI Z83.7/CGA 2.14. Other standards
govern the use of fuel gases and heating products for
specific uses. Your local authority can advise you about
these. The primary purpose of construction heaters is to
provide temporary heating of buildings under construction,
alteration or repair. Properly used, the heater provides
safe economical heating. Products of combustion are
vented into the area being heated.
We cannot foresee every use which may be made of our
heaters. Check with your local fire safety authority if
you have questions about heater use.
Other standards govern the use of fuel gases and
heat producing products for specific uses. Your local
authorities can advise you about these.
Propane gas is odorless. An odor-making agent is added
to propane gas. The odor helps you detect a propane
gas leak. However, the odor added to propane gas can
fade. Propane gas may be present even though no
odor exists.
Install and use heater with care. Follow all local
ordinances and codes. In the absence of local
ordinances and codes, refer to the Standard for Storage
and Handling of Liquefied Petroleum Gas, ANSI/NFPA
58 and the Propane Installation Code, CAN/CGA
B149.2. This instructs on the safe storage and handling
of propane gases.

Operator’s Manual 3
Contents
Page
Safety ........................................................................ 4
Controls ................................................................... 9
Preparation ............................................................... 10
Installation ................................................................ 12
Operation ................................................................ 13
Troubleshooting ..................................................... 14
Service .................................................................... 16
Storage .................................................................... 19
Specifications ......................................................... 20
Wire Diagram ............................................................ 21
Warranty .................................................................. 22
Notes ......................................................................... 23
All information, illustrations and specifications in this manual are based on the latest
information available at the time of publication. The right is reserved to make changes at any
time without notice.

4 Operator’s Manual
W
A
R
N
I
N
G
W
A
R
N
I
N
G
SI
N
TH
E
M
A
N
U
A
L
S
.
W
A
R
N
I
N
G
SI
N
TH
E
M
A
N
U
A
L
S
.
C
A
U
T
I
O
N
OCAU
T
I
O
N
S
I
N
O
T
H
E
M
A
N
U
A
L
S
OCAU
T
I
O
N
S
I
N
O
T
H
E
M
A
N
U
A
L
S
OCAU
T
I
O
N
S
I
N
O
T
H
E
M
A
N
U
A
L
S
OCAU
T
I
O
N
S
I
N
O
T
H
E
M
A
N
U
A
L
S
Safety
RECOGNIZE SAFETY INFORMATION
This is the safety alert symbol. When you see this
symbol on your machine or in this manual, be alert to
the potential for personal injury.
Follow recommended precautions and safe operating
practices.
UNDERSTAND SIGNAL WORDS
A signal word--DANGER, WARNING or CAUTION--is
used with the safety-alert symbol. DANGER identifies
the most serious hazards.
DANGER or WARNING safety signs are located near
specific hazards. General precautions are listed on
CAUTION safety signs. CAUTION also calls attention
to safety messages in this manual.
FOLLOW SAFETY INSTRUCTIONS
Carefully read all safety messages in this manual and on
your machine safety signs. Keep safety signs in good
condition. Replace missing or damaged safety signs.
Be sure new equipment components and repair parts
include the current safety signs. Replacement safety
signs are available from your John Deere dealer.
Read this owner’s manual carefully and completely before
trying to assemble, operate, or service this space heater.
Improper use of this space heater can cause serious injury
or death from burns, fire, explosion, electrical shock, and
carbon monoxide poisoning.
Make certain you read and understand all warnings.
Keep this manual for reference. It is your guide to safe
and proper operation of this space heater.
If you do no understand any part of this manual and need
assistance, contact your John Deere dealer.

Operator’s Manual 5
CARBON MONOXIDE - POISONOUS GAS
DANGER: CARBON MONOXIDE POISONING MAY LEAD TO
DEATH!
Space heaters exhaust contains carbon monoxide - a poisonous gas
that can kill you. You CAN NOT smell or see this gas.
Carbon Monoxide Poisoning: Early signs of carbon monoxide poisoning
resemble the flu, with headaches, dizziness, and/or nausea. If you have
these signs, the space heater may not be working properly. Get fresh air at
once! Have space heater serviced. Some people are more affected by carbon
monoxide than others. These include pregnant women, persons with heart
or lung disease or anemia, those under the influence of alcohol, and those
at high altitudes.
Never use a space heater in enclosed or partially-enclosed spaces without
proper ventilation. Use only in well-vented areas. Before using space heater,
provide at least a three-square-foot (2800 square cm) opening of fresh,
outside air for each 100,000 Btu / Hr (30 kw) of rating. Space heaters can
produce high levels of carbon monoxide very quickly. When you use a space
heater, remember that you cannot smell or see carbon monoxide. Even if you
can’t smell exhaust fumes, you may still be exposed to carbon monoxide.
If you start to feel sick, dizzy, or weak while using a space heater, get to fresh
air RIGHT AWAY. DO NOT DELAY. The carbon monoxide from space heaters
can rapidly lead to full incapacitation and death.
If you experience serious symptoms, get medical attention immediately.
Inform medical staff that carbon monoxide poisoning is suspected. If you
experienced symptoms while indoors, have someone call the fire department
to determine when it is safe to re-enter the building.
NEVER operate the space heater in an explosive atmosphere, near
combustible materials or where ventilation is not sufficient to carry away
exhaust fumes. Exhaust fumes can cause serious injury or death.
NEVER run space heaters inside homes, garages, sheds, or other semi-
enclosed spaces without proper ventilation. These spaces can trap poisonous
gases EVEN IF you run a fan or open doors and windows. Use only in well-
vented areas. Before using space heater, provide at least a three-square-foot
(2800 square cm) opening of fresh, outside air for each 100,000 Btu / Hr (30
kw) of rating.
If you start to feel sick, dizzy, or weak while using the space heater, shut
if off and get fresh air RIGHT AWAY. See a doctor. You may have carbon
monoxide poisoning.
Install battery-operated carbon monoxide alarms or plug-in carbon monoxide
alarms with battery back-up in your home, according to the manufacturer’s
installation instructions. The carbon monoxide alarms should be certified to
the requirements of the latest safety standards for carbon monoxide alarms.
(UL 2034, IAS 6-96, or CSA 6.19.01).
Test your carbon monoxide alarm frequently and replace dead batteries.

6 Operator’s Manual
ELECTRICAL HAZARDS
DANGER- IMPROPER CONNECTION OF THE EQUIPMENT-
GROUNDING CONDUCTOR CAN RESULT IN A RISK OF
ELECTROCUTION. CHECK WITH A QUALIFIED
ELECTRICIAN OR SERVICE PERSON IF YOU ARE IN
DOUBT AS TO WHETHER THE UNIT IS PROPERLY
GROUNDED.
Use only the electrical voltage and frequency specified on model
plate. The electrical connections and grounding of the heater shall
follow the National Electric Code, ANSI/NFPA 70 or the Canadian
Electrical Code, Part 1.
Space heater must be grounded. Use only a properly grounded
three-wire extension cord. Plug into grounded outlet only. If it should
malfunction or breakdown, grounding provides a path of least
resistance for electric current to reduce the risk of electric shock.
The space heater is a potential source of electrical shock if not
kept dry. Keep the space heater dry and do not use in rain or wet
conditions. To protect from moisture, operate it on a dry surface
under an open, canopy-like structure. Dry your hands if wet before
touching the space heater.
Check that the entire cord is free of cuts or tears and that the plug
has all three prongs, especially a grounding pin.
IMPORTANT SAFETY INSTRUCTIONS
Make certain you read and understand all warnings. Keep this
manual for reference. It is your guide to safe and proper operation
of this heater.
1. Use only in areas free of flammable vapors or high dust
content.
2. Minimum heater clearances from combustible materials: Outlet:
8 Ft. (2.44 m), Sides: 2 Ft. (60.96 cm), Top: 6 Ft. (1.83 m), Rear:
2 Ft. (60.96 cm).
3. Locate space heater on a stable and level surface while hot or
operating or a fire may occur.
4. Use only in well-vented areas. Before using space heater, provide
at least a three-square-foot (2800 square cm) opening of fresh,
outside air for each 100,000 Btu / Hr (30 kw) of rating.
5. Keep children and animals away from space heater at all times.
6. Use space heater only in accordance with local ordinances and
codes.
7. Keep space heater area clear and free from combustible materials,
gasoline, paint thinner and other flammable vapors and liquids.
8. Never use space heater in living or sleeping areas.
9. Never leave a space heater plugged in without adult supervision
if children or animals are likely to be present. Do not leave heater
unattended.
10. Never move, handle or service a hot or operating heater. Severe
burns may result. You must wait 15 minutes after turning heater
off.
W
A
R
N
I
N
G
W
A
R
N
I
N
G
S
I
N
TH
E
M
A
N
U
A
L
S
.
W
A
R
N
I
N
G
S
I
N
TH
E
M
A
N
U
A
L
S
.
C
A
U
T
I
O
N
OCAU
T
I
O
N
S
I
N
O
T
H
E
M
A
N
U
A
L
S
OCAU
T
I
O
N
S
I
N
O
T
H
E
M
A
N
U
A
L
S
OCAU
T
I
O
N
S
I
N
O
T
H
E
M
A
N
U
A
L
S
OCAU
T
I
O
N
S
I
N
O
T
H
E
M
A
N
U
A
L
S

Operator’s Manual 7
IMPORTANT SAFETY INSTRUCTIONS
11. Never attach duct work to front or rear of space heater.
12. Space heaters used in the vicinity of tarpaulins, canvas, or
similar enclosure materials shall be located a safe distance from
such materials. The recommended minimum safe distance is
10 feet (304.8cm). It is further recommended that these enclosure
materials be of a fire retardant nature. These enclosure materials
shall be securely fastened to prevent them from igniting or from
upsetting the space heater due to wind action.
13. Unplug space heater when not in use.
14. This product has been approved for use in the Commonwealth
of Massachusetts.
15. Use only the hose and factory preset regulator provided with
the heater.
16. Use only propane gas set up for vapor withdrawal.
17. For indoor use only. Do not use heater outdoors.
18. Do not use heater in basement or below ground level. Propane
gas is heavier than air. If a leak occurs, propane gas will sink
to the lowest possible level.
19. Keep heater at least six feet from propane tank(s). Do
not point heater at propane tank(s) within 20 feet.
20. Keep propane tank(s) below 100° F (37.8° C).
21. Check heater for damage before each use. Do not use
a damaged heater.
22. Check hose before each use of heater. If highly worn or
cut, replace with hose specified by manufacturer before using
heater.
23. Never block air inlet (rear) or air outlet (front) of heater.
24. Keep heater away from strong drafts, wind, water spray, rain
or dripping water.
25. To prevent injury, wear gloves when handling heater.
26. Do not alter heater. Keep heater in its original state.
27. Do not use heater if altered.
28. Turn off propane supply to heater when not in use.
29. Use only original replacement parts. This heater must
use design-specific parts. Do not substitute or use generic parts.
Improper replacement parts could cause serious or fatal
injuries.
30. This heater is equipped with a thermostat. Heater may start at
anytime!
31. Do not adjust regulator below 7 PSIG or above 20 PSIG.
SAVE THESE INSTRUCTIONS
W
A
R
N
I
N
G
W
A
R
N
I
N
G
S
I
N
TH
E
M
A
N
U
A
L
S
.
W
A
R
N
I
N
G
S
I
N
TH
E
M
A
N
U
A
L
S
.
C
A
U
T
I
O
N
OCAU
T
I
O
N
S
I
N
O
T
H
E
M
A
N
U
A
L
S
OCAU
T
I
O
N
S
I
N
O
T
H
E
M
A
N
U
A
L
S
OCAU
T
I
O
N
S
I
N
O
T
H
E
M
A
N
U
A
L
S
OCAU
T
I
O
N
S
I
N
O
T
H
E
M
A
N
U
A
L
S

8 Operator’s Manual
WEAR PROTECTIVE CLOTHING
Wear close fitting clothing and safety equipment appropriate
to the job.
Wear a suitable hearing protective device such as
earmuffs or earplugs to protect against objectionable or
uncomfortable loud noises.
Operating equipment safely requires the full attention of
the operator. Do not wear radio or music headphones while
operating machine.
INSPECT SPACE HEATER
Be sure all covers, guards and shields are tight and in
place.
Locate all operating controls and safety labels.
Inspect power cord for damage before using. There is a
hazard of electrical shock from crushing, cutting or heat
damage.
Remove all packing items applied to space heater for
shipment. Remove all items from carton. Check items for
any shipping damage. If space heater is damaged, promptly
inform dealer where you bought space heater.
PREPARE FOR EMERGENCIES
Keep a first aid kit and fire extinguisher handy.
Keep emergency numbers for doctors, ambulance service,
hospital and fire department near your telephone.
Be prepared if a fire starts.
SERVICE SPACE HEATER SAFELY
Before servicing the space heater, disconnect all equipment
and battery (if equipped) and allow unit to cool down.
Service space heater in a clean dry flat area.

Operator’s Manual 9
Controls
A -- Hot Air Outlet (Front)
B -- Handle
C -- Fan Guard
D -- Power Cord
E -- Hose / Regulator Assembly
F -- Inlet Connector
CONTROLS
AC-375LP
G -- On / Off Switch
H -- Outer Shell
I -- Thermostat Knob
REAR VIEW
A
B
C
D
E
F
G
H
I

10 Operator’s Manual
Preparation
VENTILATION
WARNING: FOLLOW THE MINIMUM FRESH, OUTSIDE
AIR VENTILATION REQUIREMENTS. IF PROPER
FRESH, OUTSIDE AIR VENTILATION IS NOT
PROVIDED, CARBON MONOXIDE POISONING
CAN OCCUR. PROVIDE PROPER FRESH, OUTSIDE
AIR VENTILATION BEFORE RUNNING HEATER.
Provide a fresh air opening of at least three square feet for
each 100,000 Btu/Hr rating. Provide extra fresh air if more
heaters are being used.
PROPANE SUPPLY
Propane / L.P. gas and Propane / L.P. tank(s) are to be
furnished by the user.
Use this heater only with a propane vapor withdrawal
supply system. See Chapter 5 of the Standard for Storage
and Handling of Liquefied Petroleum Gas, ANSI/NFPA 58
and the Propane Installation Code CAN/CGA B149.2. Your
local library or fire department will have this booklet.
The amount of Propane / L.P. gas ready for use from
Propane / L.P. tanks varies. Two factors decide this amount:
1. The amount of Propane / L.P. gas in tank(s)
2. The temperature of tank(s)
The chart below shows the number of 100 pound (45
kg) tanks needed to run this heater. Do not operate this
product with any tanks smaller than 100 pounds.
Less gas is vaporized at lower temperatures. You may
need two or more 100 pound (45 kg) tanks or one larger
tank in colder weather. Your local propane gas dealer will
help you select the proper supply system. The minimum
surrounding air temperature rating for each heater is
-20° F (-29° C).
Temperature at Tank # of Tanks
40°F (5°C) and above 3
Below 40°F (5°C) (Use larger tank)

Preparation
Operator’s Manual 11
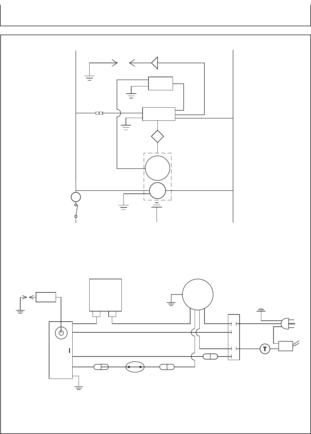
THEORY OF OPERATION
The Fuel System: The hose / regulator assembly attaches to the propane gas supply. The propane gas moves
through the solenoid valve and out the nozzle.
The Air System: The motor turns the fan. The fan pushes air into and around the combustion chamber. This air
is heated and provides a stream of clean, hot air.
The Ignition System: The direct spark ignitor (DSI) sends voltage to the ignitor. The ignitor ignites the fuel and
air mixture.
The Safety Control System: This system causes the heater to shut down if the flame goes out. The motor will
continue to run, but no heat is produced.
Air For Combustion Air For Heating
Cool
Air In
(Back)
Motor
Nozzle
Power Cord
Hose/
Regulator
Assembly
Solenoid Valve
Ignitor
Combustion Chamber
DSI
Fan
Clean
Heated
Air Out
(Front)

12 Operator’s Manual
Installation
INSTALLATION
IMPORTANT: Review and understand the warnings in
the Safety Information section. They are needed to safely
operate this space heater. Follow all local ordinances and
codes when using this space heater.
WARNING: TEST ALL GAS PIPING AND
CONNECTIONS FOR LEAKS AFTER
INSTALLING OR SERVICING. NEVER
USE AN OPEN FLAME TO CHECK FOR
A LEAK. APPLY A MIXTURE OF LIQUID
SOAP AND WATER TO ALL JOINTS.
BUBBLES FORMING SHOW A LEAK.
CORRECT ALL LEAKS AT ONCE.
1. Provide Propane / L.P. supply system (see Propane / L.P.
Supply section).
2. Connect POL fitting on hose / regulator assembly to
Propane / L.P. tank(s). Turn POL fitting counterclockwise
into threads on tank. Tighten firmly using wrench.
IMPORTANT: Tighten regulator with black adjustment
knob pointing down. Pointing adjustment knob down
protects regulator from weather damage.
3. Connect hose to inlet connector. Tighten firmly using a
wrench. (Fig. 2)
IMPORTANT: Extra hose or piping may be used if needed.
Install extra hose or piping between hose/regulator
assembly and Propane / L.P. tank. You must use the
regulator supplied with heater.
4. Open propane supply valve on Propane / L.P. tank(s)
slowly.
Note: If not opened slowly, excess-flow check valve on
Propane / L.P. tank will stop gas flow. If this happens,
you may hear a click inside the regulator assembly. To
reset the excess flow check valve, close Propane / L.P.
supply valve and open again slowly.
5. Adjust regulator between 7 and 20 PSIG.
Note: Higher regulator setting will allow heater to produce
more heat.
6. Check all connections for leaks.
7. Close Propane / L.P. supply valve.
WARNING: DO NOT ADJUST REGULATOR
BELOW 7 PSIG OR ABOVE 20 PSIG.
HEATER MAY NOT RUN PROPERLY.
Propane/LP
Tank
Supply
Valve Hose
POL Fitting
Regulator
Adjustment Knob
(pointing down)
(Fig. 1)
Hose
Inlet Connector
(Fig. 2)

Operator’s Manual 13
Operation
OPERATION
WARNING: FOLLOW THE MINIMUM FRESH,
OUTSIDE AIR VENTILATION REQUIREMENTS.
IF PROPER FRESH, OUTSIDE AIR VENTILATION
IS NOT PROVIDED, CARBON MONOXIDE
POISONING CAN OCCUR. PROVIDE PROPER
FRESH, OUTSIDE AIR VENTILATION BEFORE
RUNNING HEATER.
START SPACE HEATER:
1.
Follow all ventilation and safety information.
2. Place the space heater in an area that provides maximum
circulation of the heated air. Follow all location requirements
noted in the Safety Information.
3. Locate heater on stable and level surface. Make sure strong
drafts do not blow into front or rear of heater.
4. Plug power cord of heater into a three-prong, grounded
extension cord. Extension cord must be at least 6 feet (1.83
m) long, UL listed and of a proper size. See Extension Cord
Chart.
5. Plug extension cord into a 120 volt/60 hertz, 3-hole, grounded
outlet.
6. Open propane supply valve on Propane / L.P. tank(s) slowly.
Note: If not opened slowly, excess-flow check valve on
Propane / L.P. tank will stop gas flow. If this happens, you may
hear a click inside the regulator assembly. To reset the excess-
flow check valve,close Propane / L.P. supply valve and open
again slowly.
7. Make sure regulator is set between 7 and 20 psig.
Note: Higher regulator setting will allow heater to produce more
heat.
8. Turn on/off switch to the ON position. Adjust thermostat to
desired setting. If heater does not start, thermostat setting may
be too low. Turn thermostat knob to higher position to start
heater.
Note: If heater does not start, turn on/off switch to the OFF position.
Wait ten seconds for safety control to reset, then try again.
STOP SPACE HEATER:
1. Tightly close Propane / L.P. supply valve on propane
tank(s).
2. Wait a few seconds. Heater will burn gas left in supply
hoses.
3. Turn ON/OFF switch to the OFF position.
4. Unplug heater.
TO RESTART HEATER:
If safety control stops gas flow to heater, motor will continue to
run.
1. Turn on/off switch to the OFF position.
2. Wait ten seconds, then turn on/off switch to the ON position.
If heater does not restart:
1. Check manual valves (if any) and supply valves (on Propane
/ L.P. tank). Make sure they are open.
2. Check fuel level in Propane / L.P. tank(s). If fuel level is too
low, contact local Propane / L.P. gas company.
If heater still does not restart, contact your local service center.
Extension Cord Size Requirement
Length of Cord: Rated Cord:
Up to 50 feet (15 m) 18 AWG
51 to 100 feet (15.5 to 30.48 m) 16 AWG
101 to 200 feet (30.78 to 60.96 m) 14 AWG

14 Operator’s Manual
Symptom Problem Solution
Fan does not turn when heater
is plugged in.
Heater will not ignite.
No electrical power to heater.
Fan hitting inside of heater shell.
Fan blades bent.
Defective motor.
User did not follow installation or
operation instructions properly.
No spark at ignitor. To test for spark,
see "Service: Ignitor" and follow
step 8. If you see spark at ignitor,
have heater serviced by qualified
service person. If no spark seen:
a. Loose or disconnected ignitor
wire
b. Wrong spark gap
c. Bad ignitor electrode
d. Bad spark transformer
Check voltage to electrical outlet. If volt-
age is good, check heater power cord
for breaks.
Adjust motor / fan mount to keep fan
from hitting inside of heater shell.
Replace fan.
Replace motor.
Repeat installation and operation
instructions.
a. Check ignitor wire. Tighten or reattach
loose ignitor wire. See "Maintenance:
Spark Transformer" for ignitor wire
location
b. Set gap between ignitor electrode and
nozzle to .13"/.15" (3.3/3.8 mm)
c. Replace ignitor electrode. See
"Maintenance: Ignitor".
d. Replace spark transformer. See
"Maintenance: Spark Transformer".
Troubleshooting
WARNING: HIGH VOLTAGE. NEVER SERVICE SPACE HEATER WHILE IT IS PLUGGED IN,
OPERATING, OR HOT. SEVERE BURNS AND ELECTRICAL SHOCK CAN OCCUR.

Troubleshooting
Operator’s Manual 15
Symptom Problem Solution
Heater shuts down while
running.
Heater producing odor.
Propane supply may be inadequate.
High surrounding air temperature
causing thermal limit device to shut
down heater.
Restricted air flow.
Damaged fan.
Excessive dust or debris in
surrounding area.
Gas leak
Heater not operating on a 100 lb.
propane / L.P. cylinder. Insufficient
propane / L.P. gas will result in odor.
Propane / L.P.... supply tank is
"freezing up". Evaporation and
consumption rate of propane from
supply tank is to great for the size of
the tank and air temperature
a. Refill tank
b. Provide additional and/or larger
tanks. See "Preparation: Propane
Supply".
This can happen when running heater
in temperatures above 85° F (30° C).
Run heater in cooler temperatures.
Check heater inlet and outlet. Re-
move any obstructions.
Replace fan. See "Maintenance:
Fan".
Clean heater. See "Maintenance".
Check all connections for leaks. Apply
mixture of liquid soap and water to
gas joints. Bubbles forming show a
leak that must be corrected
To obtain correct mixture of propane
/ L.P. gas and air, use a larger cylin-
der size, i.e. 100 lb. (minimum) See
"Preparation: Propane Supply".
a. Use a larger supply cylinder size,
i.e. 100 lb. (minimum).
b. Reduce consumption rate by
operating the heater at LOW
setting temporarily until frost
disappears from the tank
WARNING: HIGH VOLTAGE. NEVER SERVICE SPACE HEATER WHILE IT IS PLUGGED IN,
OPERATING, OR HOT. SEVERE BURNS AND ELECTRICAL SHOCK CAN OCCUR.
WARNING: Use only in areas free
of high dust content.

16 Operator’s Manual
Service
MAINTENANCE:
WARNING: TO AVOID RISK OF BURN AND
ELECTRICAL SHOCK, NEVER ATTEMPT
TO SERVICE SPACE HEATER WHILE IT IS
PLUGGED IN, OPERATING, OR HOT.
KEEP HEATER CLEAR AND FREE FROM
COMBUSTIBLE MATERIALS, GASOLINE AND
OTHER FLAMMABLE VAPORS AND LIQUIDS
DO NOT BLOCK THE FLOW OF COMBUSTION
OR VENTILATION AIR.
1. Keep heater clean. Clean heater annually or as
needed to remove dust and debris. If heater is dirty or
dusty, clean heater with a damp cloth. Use household
cleaners on difficult spots.
2. Inspect heater before each use. Check connections
for leaks. Apply mixture of liquid soap and water to
connections. Bubbles forming show a leak. Correct
all leaks at once.
3. Inspect hose / regulator assembly before each use. If
hose is highly worn or cut, replace with hose specified
by manufacturer.
4. Have heater inspected yearly by a qualified service
agency.
5. Keep inside of heater free from combustible and
foreign objects. Remove motor and other internal
parts if needed to clean inside of heater.
6. Clean fan blades each season or as needed.

Service
Operator’s Manual 17
MAINTENANCE (CONTINUED):
(Fig. 3)
(Fig. 4)
(Fig. 5)
WARNING: NEVER SERVICE HEATER WHILE
IT IS PLUGGED IN, CONNECTED TO
PROPANE SUPPLY, OPERATING OR
HOT. SEVERE BURNS AND ELECTRICAL
SHOCK CAN OCCUR.
CLEANING FAN:
Clean fan every 500 hours of operation or as needed.
1. Remove screws on side cover using 5/16" nut-driver.
2. Remove side cover.
3. Detach the five motor wires from parts under heater
shell. Be sure to detach only wires coming from motor.
(Fig. 3)
The five motor wires are:
• white wire—to terminal board
• black wire—to terminal board
• blue wire—to thermal switch wire
• orange wire—to solenoid valve
• green wire—to grounding screw on shell
4. Remove fan guard from rear of heater.
5. Reach into rear of heater shell. Carefully pull motor wires
through hole in bottom of shell. (Fig. 4)
Note: Pull wires through hole one at a time.
6. Remove nuts and mounting bolts holding motor mount
to shell. Use 3/8" nut-driver and 7/16" wrench.
7. Carefully pull motor and fan out of shell.
IMPORTANT: Be careful not to damage fan. Do not set
motor and fan down with the weight resting on fan. This
could damage fan pitch.
8. Turn motor and fan around. Place motor and fan into
shell backwards.
Note: Motor will go into shell first (Fig. 5).
9. Line up rear mounting holes in shell with first hole on
each side of motor mount (Fig. 5).
Note: When holes are lined up, fan should be outside of
shell.
10. Holding mounting bolt, carefully reach through fan
blades into rear of heater. Be careful not to damage
fan pitch. Insert bolt through motor mount and shell.
With free hand, attach nut, finger tight. Repeat process
for other mounting hole.
11. Use 1/8" hex wrench to loosen setscrew which holds
fan to motor shaft (Fig. 6).
12. Slip fan off motor shaft.
13. Clean fan using soft cloth moistened with kerosene or
solvent.
Terminal
Board
Grounding Screw
Thermal
Switch Wire
Solenoid
Valve
Motor Wires
Mounting
Bolts Motor
Mount
Rear
Mounting
Hole
First
Hole
Motor
Shaft
Fan
Setscrew
(Fig. 6)

Service
18 Operator’s Manual
CLEANING FAN (CONT.):
14. Dry fan thoroughly.
15. Replace fan on motor shaft. Make sure setscrew is
touching back of flat surface on motor shaft (Fig. 7).
16. Place setscrew on flat of shaft. Tighten setscrew firmly
(40-50 inch-pounds).
17. Remove two nuts and bolts securing motor mount to
shell.
18. Pull motor and fan from shell. Turn motor and fan
around. Carefully place back in shell. Note: Fan will
go into shell first.
19. Line up mounting holes in shell with holes on motor
mount. Replace four bolts through shell and motor
mount. Insert bolts from outside of heater. Tighten nuts
firmly.
20. Route motor wires through hole in bottom of shell
(Fig. 4).
21. Connect motor wires as follows (Fig. 3):
• white wire—to terminal board
Note: Attach to empty connector on white wire side of
terminal board.
• black wire—to terminal board
Note: Attach to empty connector on black wire side of
terminal board.
• blue wire—to thermal switch wire
• orange wire—to solenoid valve
• green wire—to grounding screw on shell
22. Replace side cover.
23. Replace fan guard.
(Fig. 7)
Fan
Hub
Setscrew
Motor
Shaft

Operator’s Manual 19
STORAGE
CAUTION: DISCONNECT HEATER FROM
PROPANE / L.P. SUPPLY TANK(S).
1. Store Propane / L.P. tank(s) in safe manner. See
Chapter 5 of Standard for Storage and Handling of
Liquefied Petroleum Gases, ANSI/NFPA 58 and the
Propane Installation Code CAN/CGA B149.2. Follow
all local codes. Always store propane tanks outdoors.
2. Place plastic cover caps over brass fittings on inlet
connector and hose / regulator assembly.
3. Store in dry, clean and safe place. Do not store
hose / regulator assembly inside heater combustion
chamber.
4. When taking heater out of storage, always check
inside of heater. Insects and small animals may place
foreign objects in heater. Keep inside of heater free
from combustible and foreign objects.
Storage

20 Operator’s Manual
ITEM SPECIFICATION
Model Size AC-375LP
Output Rating (BTU / Hr) 225,000 to 375,000
Fuel Propane / L.P. Vapor Only
Fuel Consumption:
(Gal. Per Hr / Liters Per Hr) Min: 2.5 / 9.4
Max: 4.0 / 15
(Pounds Per Hr / Kilograms Per Hr) Min: 10.4 / 4.7
Max: 17.4 / 7.9
Supply Pressure to Regulator:
Minimum (for input adjustment) 25 PSIG / 172kPa
Maximum Tank Pressure
Regulator Outlet Pressure 7-20 PSIG / 48 to 138 kPa
Hot Air Output (Approx.) 1500 CFM / 42.5 cubic meter / minute
Motor RPM 1725
Motor HP 1/5
Electric Input 120V / 60Hz
Amperage (Normal Run) 4.2
Ignition Electronic Direct Spark, D.S.I.
Shipping Weight
(Approximate Pounds /
Kilograms) 48 / 21.8
Space Heater Weight
(Approximate Pounds /
Kilograms) 41 / 18.6
Specifications
RECORD SERIAL NUMBER
Write you model number, machine serial number and
date of purchase in the spaces provided below. Your
dealer needs this information when ordering parts.
Model No. ______________________________________________
Machine Serial No. _______________________________________
Date of Purchase ________________________________________
(To be filled in by purchaser)

Operator’s Manual 21
Wire Diagram
Electrical Ladder Diagram
Green
Black White
Thermal Switch
Blue
Motor
Line Ground Neutral
White
White
Orange
Orange
Green
Black
Connector
Blue
Blue
Ignitor
Solenoid
Valve
Direct Spark
Ignitor
Centrifugal
Switch
Green
Green
Black
T
T
Green
Green
Solenoid
Valve Motor
On/Off
Switch
Green
Power
Cord
T
Blue
Blue
Black
White
DSI
Control
Orange
Ignitor
Thermal
Switch
Orange
Terminal
Board
White White
Black Black
Blue
Connector
Blue
Connector
Connector
Blue
Black
T
Wiring Diagram

22 Operator’s Manual
STATEMENT OF WARRANTY
John Deere warrants all parts, (except those referred to below), of your new space heater
to be free from defects in materials and workmanship during the following periods:
For One (1) Year from the date of original purchase.
Defective parts not subject to normal wear and tear will be repaired or replaced at
our option during the warranty period. In any event, reimbursement is limited to the
purchase price paid.
EXCLUSIONS
1. This warranty does not cover parts damaged due to normal wear, misapplication,
misuse, operation at other than recommended. Failure to follow recommended
operating and maintenance procedures also voids warranty.
2. The use of other than genuine manufacturer repair parts will void warranty.
3. Warranty will be void if used in any application other than consumer / homeowner.
Parts returned, prepaid to our factory or to an Authorized John Deere Service Center
will be inspected and replaced free of charge if found to be defective and subject
to warranty. There are no warranties which extend beyond the description of the
face hereof. Under no circumstances shall the manufacturer bear any responsibility
for loss of use of the unit, loss of time or rental, inconvenience, commercial loss or
consequential damages.
For Service or Warranty Consideration, contact
Mi-T-M® Corporation, 8650 Enterprise Drive, Peosta, IA 52068
1-877-JD-KLEEN / (1-877-535-5336) Fax 563-556-1235
Monday - Friday 8:00 a.m. - 5:00 p.m. CST

Manuel de l’utilisateur 23
Notes

24 Manuel de l’utilisateur
Introduction
Introduction
MERCI de la confiance témoignée par l’achat d’un
produit John Deere.
LIRE CE MANUEL ATTENTIVEMENT AFIN de pouvoir
utiliser et entretenir correctement votre appareil, sinon
des dommages corporels ou matériels pourraient en
résulter. Ce manuel et les symboles de sécurité sur votre
appareil peuvent également être disponible en d’autres
langues. (Voir votre concessionnaire John Deere pour
les commander.)
CE MANUEL DOIT ÊTRE CONSIDÉRÉ comme faisant
partie intégrante de votre appareil et doit l’accompagner
en cas de revente.
LES MESURES dans ce manuel sont indiquées à la fois
dans leurs équivalents métriques et en unités usuelles
des USA. Utiliser seulement les pièces de rechange
et les éléments de fixation corrects. Les éléments de
fixation métriques et en pouces peuvent nécessiter des
clés spécifiques à leurs système d’unités.
Le NUMÉRO DE SÉRIE de l’appareil se situe dans la
section Caractéristiques ou Numéros d’Identification.
Noter correctement tous les numéros afin de faciliter les
recherches en cas de vol. Les communiquer également
au concessionnaire lors de toute commande de pièces.
Ranger les numéros d’identification dans un endroit sûr
et séparé de l’appareil.
LA GARANTIE fait partie du programme de soutien John
Deere destiné aux clients qui utilisent et entretiennent
leur équipement tel qu’il est décrit dans ce manuel. Les
conditions de garantie dont bénéficie cet appareil figurent
sur le certificat de garantie dans ce manuel.
Cette garantie vous fournit l’assurance que votre
concessionnaire fournira du support pour les produits
où des défauts apparaîtraient au cours de la période
de garantie. Toute utilisation abusive de l’équipement
ou modification visant à dépasser les performances
spécifiées par le constructeur annuleront la garantie.
Cet appareil est conçu comme appareil de chauffage
pour le travail en bâtiment conformément à ANSI Z83.7/
CGA 2.14. D’autres normes gouvernent l’utilisation
des gaz combustibles et des produits de chauffage à
utilisations spécifiques. Les autorités locales peuvent
vous conseiller à ce sujet. L’usage principal des
appareils de chauffage de construction est de fournir
un chauffage temporaire aux bâtiments en construction,
sous transformations ou en réparations. Quand il est
utilisé correctement, l’appareil de chauffage fournit un
chauffage économique et sans danger. Les produits
de combustion sont évacués dans l’endroit qui est
chauffé.
Nous ne pouvons pas prévoir tous les emplois
possibles de nos appareils de chauffage. Consulter
les responsables locaux de la sécurité incendie si
vous avez des questions à propos de l’utilisation de
l’appareil de chauffage.
D’autres normes déterminent l’utilisation des gaz
combustibles et des produits de chauffage à utilisations
spécifiques. Les autorités locales peuvent vous
conseiller à ce sujet.
Le gaz de propane n’a pas d’odeur. Un agent qui
fabrique une odeur est ajouté au gaz de propane.
Cette odeur vous aide à détecter une fuite de propane.
Cependant, l’odeur qui est ajouté au gaz de propane
peut s’estomper. Le gaz de propane peut être présent
même s’il n’y a pas d’odeur.
Installer et utiliser l’appareil de chauffage avec soin.
Respecter toutes les ordonnances et codes locaux. S’il
n’y a pas d’ordonnances et de codes locaux, consulter
La Norme pour l’Entreposage et la Manipulation du
Gaz de Pétrole Liquéfié, ANSI/NFPA 58 et le Code
d’Installation de Propane, CAN/CGA B149.2. Vous y
trouverez des instructions décrivant la façon la plus sûre
pour entreposer et manipuler les gaz propane.
AVERTISSEMENT GÉNÉRAL DE RISQUE :
LISEZ ATTENTIVEMENT ET ENTIÈREMENT CE
MANUEL D’UTILISATION AVANT DE TENTER
D’ASSEMBLER, DE FAIRE FONCTIONNER OU
DE RÉPARER CE RADIATEUR. UNE MAUVAISE
UTILISATION DE CET APPAREIL DE CHAUFFAGE
PEUT CAUSER DE GRAVES BLESSURES, VOIRE
LA MORT, SUITE À DES BRÛLURES, UN INCENDIE,
UNE EXPLOSION, UNE DÉCHARGE ÉLECTRIQUE
OU UN EMPOISONNEMENT AU MONOXYDE DE
CARBONE.
LISEZ ET COMPRENEZ TOUS LES AVERTISSEMENTS.
CONSERVEZ CE MANUEL POUR CONSULTATION
FUTURE. IL VOUS PERMETTRA DE FAIRE
FONCTIONNER CET APPAREIL DE CHAUFFAGE
CORRECTEMENT ET EN TOUTE SÉCURITÉ.
AVERTISSEMENT: RISQUE D’INCENDIE,
DE BRÛLURES,D’INHALATION ET D’EXPLOSION.
MAINTENIR LES MATÉRIAUX COMBUSTIBLES
SOLIDES, TELS QUE LES MATÉRIAUX DE
CONSTRUCTION, LE PAPIER OU LE CARTON À
UNE DISTANCE RESPECTUEUSE DE L’APPAREIL
DE CHAUFFAGE TEL QU’IL EST RECOMMANDÉ
DANS LES INSTRUCTIONS. NE JAMAIS SE SERVIR
DE L’APPAREIL DE CHAUFFAGE DANS DES
ENDROITS QUI CONTIENNENT OU QUI PEUVENT
CONTENIR DES COMBUSTIBLES EN SUSPENSION
OU DES PRODUITS TELS QUE L’ESSENCE, LES
DISSOLVANTS, LES DILUANTS DE PEINTURE, LES
PARTICULES DE POUSSIÈRE OU DES PRODUITS
CHIMIQUES INCONNUS.
AVERTISSEMENT: NE PAS UTILISER DANS
LES DOMICILES OU LES CAMPING-CARS.

Manuel de l’utilisateur 25
Table des matières
Page
Sécurité ................................................................... 26
Commandes ............................................................. 32
Préparation .............................................................. 33
Installation ................................................................ 35
Fonctionnement ...................................................... 36
Dépannage ............................................................... 38
Entretien ................................................................. 40
Entreposage ............................................................. 43
Caractéristiques ..................................................... 44
Schéma de câblage ................................................. 45
Garantie ................................................................... 46
Note .......................................................................... 47
Toutes les informations, illustrations et caractéristiques contenues
dans la présente publication sont à jour au moment de la publication,
le constructeur se réservant le droit d’apporter sans notification toute
modification jugée appropriée.

26 Manuel de l’utilisateur
W
A
R
N
I
N
G
W
A
R
N
I
N
G
SI
N
TH
E
M
A
N
U
A
L
S
.
W
A
R
N
I
N
G
SI
N
TH
E
M
A
N
U
A
L
S
.
C
A
U
T
I
O
N
OCAU
T
I
O
N
S
I
N
O
T
H
E
M
A
N
U
A
L
S
OCAU
T
I
O
N
S
I
N
O
T
H
E
M
A
N
U
A
L
S
OCAU
T
I
O
N
S
I
N
O
T
H
E
M
A
N
U
A
L
S
OCAU
T
I
O
N
S
I
N
O
T
H
E
M
A
N
U
A
L
S
RECONNAITRE LES SYMBOLES DE SÉCURITÉ
Voici le symbole d’alerte de sécurité. Lorsqu’il apparaît
sur votre appareil ou dans ce manuel, rester conscient du
risque potentiel de blessures.
Respecter tous les conseils de sécurité ainsi que les
consignes générales de prevention des accidents.
COMPRENDRE LES MOTS D’ALERTE
Un mot d’alerte—DANGER, AVERTISSEMENT ou
ATTENTION—est utilisé avec le symbole d’alerte de
sécurité. Le terme DANGER identifie les dangers les
plus graves.
Les signes de sécurité avec DANGER ou AVERTISSEMENT
se trouvent près des dangers spécifiques. Les signes de
sécurité avec ATTENTION se réfèrent à des précautions
d’ordre général. Le terme ATTENTION demande aussi
de prêter attention aux messages de sécurité dans ce
manuel.
RESPECTER LES CONSEILS DE SÉCURITÉ
Lire attentivement tous les conseils de sécurité contenus
dans ce manuel et ceux apposés sur l’appareil. Veiller à ce
que les signes de sécurité soient lisibles. Remplacer ceux
qui manqueraient ou seraient endommagés. S’assurer
que les nouveaux composants ou pièces de rechange
incluent les signes de sécurité courants. Des signes de
rechange sont disponibles chez votre concessionnaire
John Deere.
Lisez attentivement et entièrement ce manuel d’utilisation
avant de tenter d’assembler, de faire fonctionner ou de
réparer ce radiateur. Une mauvaise utilisation de cet
appareil de chauffage peut causer de graves blessures,
voire la mort, suite à des brûlures, un incendie, une
explosion, une décharge électrique ou un empoisonnement
au monoxyde de carbone.
Lisez et comprenez tous les avertissements. Conservez
ce manuel pour consultation future. Il vous permettra de
faire fonctionner cet appareil de chauffage correctement
et en toute sécurité.
Si vous ne comprenez pas toute partie de ce manuel
et avez besoin d’assistance, prenez contact avec votre
concessionnaire John Deere.
Sécurité

Manuel de l’utilisateur 27
OXYDE DE CARBONE – GAZ TOXIQUE
DANGER:
L’EMPOISONNEMENT AU MONOXYDE DE
CARBONE PEUT ÊTRE MORTEL
!
Le gaz d’échappement du carburant contient de l’oxyde de carbone
– un gaz toxique qui peut vous tuer. Vous NE POUVEZ PAS sentir ou
voir ce gaz.
Empoisonnement au monoxyde de carbone: Les premiers symptômes d’un
empoisonnement au monoxyde de carbone ressemblent à la grippe avec des
maux de tête, des vertiges ou de la nausée.
Si vous avez ces symptômes, il se pourrait que l’appareil de chauffage ne
fonctionne pas bien. Respirez tout de suite de l’air frais ! Faites réparer
l'appareil
de chauffage
. Certaines personnes sont plus affectées par le monoxyde de
carbone que d’autres. Celles-ci comprennent les femmes enceintes, les personnes
souffrant de maladies cardiaques ou pulmonaires ou d’anémie, celles qui sont en
état d’ébriété et celles qui vivent à haute altitude.
Ne jamais se servir d’un carburant dans des espaces fermés ou partiellement
fermés sans ventilation appropriée. Ne l’utilisez que dans des endroits bien
aérés. Avant d’utiliser l’appareil de chauffage, aménagez une ouverture d’air
frais provenant de l’extérieur d’au moins 0,28 m² (3 pi²) pour chaque 30 kW
(100 000 BTU/h) de puissance. Les l'appareil de chauffage peuvent produire
de hauts niveaux d’oxyde de carbone très rapidement. Pendant l’utilisation
d’un carburant, se rappeler que vous ne pouvez pas sentir ou voir l’oxyde de
carbone. Même si vous ne sentez pas les gaz d’échappement, vous pouvez
tout de même être exposé à l’oxyde de carbone.
Si vous commencez à vous sentir malade, étourdi, ou faible pendant
l’utilisation d’un l'appareil de chauffage, sortez au grand air immédiatement.
NE PAS ATTENDRE. L’oxyde de carbone provenant des l'appareil de
chauffage peut rapidement être la cause d’une incapacité complète ou de
mort.
En cas des symptômes sérieux, trouver de l’aide médicale immédiatement.
Informer le personnel médical qu’une intoxication à l’oxyde de carbone est
possible. Si vos symptômes sont apparus à l’intérieur, ne pas retourner dans
le bâtiment avant que les sapeurs pompiers s’assurent que le bâtiment est
sans danger.
NE JAMAIS utiliser le l'appareil de chauffage dans une atmosphère explosible,
près de matériaux combustibles ou dans un endroit où la ventilation n’est pas
suffisante pour évacuer les gaz d’échappement. Les gaz d’échappement
peuvent être la cause de blessures graves ou de mort.
NE JAMAIS se servir d’un l'appareil de chauffage à l’intérieur, que ce soit
dans des maisons, garages, sous-sols, vides de comble ou vides sanitaire, et
autres espaces fermés ou partiellement fermés, sans ventilation appropriée.
Le fait d’ouvrir des fenêtres et des portes ou d’utiliser des ventilateurs
n’empêchera pas l’accumulation d’oxyde de carbone dans la maison. Ne
l’utilisez que dans des endroits bien aérés. Avant d’utiliser l’appareil de
chauffage, aménagez une ouverture d’air frais provenant de l’extérieur d’au
moins 0,28 m² (3 pi²) pour chaque 30 kW (100 000 BTU/h) de puissance.
Si vous commencez à vous sentir malade, étourdi, ou faible tout en en
utilisant le réchauffeur de l’espace, a fermé si au loin et obtient l’air frais
TOUT DE SUITE. Voir le docteur. Vous pouvez avoir l’empoisonnement
d’oxyde de carbone.
Installer des alarmes d’oxyde de carbone à piles ou des alarmes d’oxyde de
carbone avec batterie de secours qui se branche dans votre maison, selon
les instructions d’installation du fabricant. Les alarmes d’oxyde de carbone
doivent être conforme aux exigences des dernières normes de sécurité pour
les alarmes d’oxyde de carbone. (UL 2034, IAS 6-96, ou CSA 6.19.01).
Tester votre alarme d’oxyde de carbone fréquemment et remplacer les piles
à plat.

28 Manuel de l’utilisateur
RISQUES ÉLECTRIQUES
DANGER - UN BRANCHEMENT INCORRECT DU
CONDUCTEUR DE MISE À LA TERRE
DE L’ÉQUIPEMENT PEUT ENTRAÎNER
DES RISQUES D’ÉLECTROCUTION. VÉRIFIER
AVEC UN DÉPANNEUR OU UN ÉLECTRICIEN
QUALIFIÉ EN CAS DE DOUTES CONCERNANT
LA MISE À LA TERRE.
N’utiliser que la tension et la fréquence électrique indiquées sur
la plaque signalétique. Le câblage électrique et la mise à la terre
de l’appareil de chauffage doivent respecter le Code National
Electrique, ANSI/NFPA 70 ou le Code Canadien Electrique,
Partie 1.
L’appareil de chauffage doit être mis à la terre. N’utiliser qu’une
rallonge électrique trifilaire avec mise à la terre. Ne le brancher
que dans une prise avec mise à la terre. En cas de mauvais
fonctionnement ou de panne, la mise à la terre fournit un chemin
de moindre résistance au courant électrique, réduisant ainsi les
risques de décharge électrique.
L’appareil de chauffage est une source potentielle de décharge
électrique s’il n’est pas gardé au sec. Maintenir l’appareil de
chauffage au sec et ne pas l’utiliser par temps de pluie ou dans des
conditions humides. Pour protéger l’appareil de chauffage contre
l’humidité, ne s’en servir que sur une surface sèche et sous une
structure ouverte tel qu’un auvent. Ne jamais toucher l’appareil de
chauffage avec les mains mouillées.
Vérifier que toute la rallonge est en bon état, sans entailles ou
déchirures et que la fiche a bien trois broches, et surtout une lame
de terre.

Manuel de l’utilisateur 29
W
A
R
N
I
N
G
W
A
R
N
I
N
G
SI
N
TH
E
M
A
N
U
A
L
S
.
W
A
R
N
I
N
G
SI
N
TH
E
M
A
N
U
A
L
S
.
C
A
U
T
I
O
N
OCAU
T
I
O
N
S
I
N
O
T
H
E
M
A
N
U
A
L
S
OCAU
T
I
O
N
S
I
N
O
T
H
E
M
A
N
U
A
L
S
OCAU
T
I
O
N
S
I
N
O
T
H
E
M
A
N
U
A
L
S
OCAU
T
I
O
N
S
I
N
O
T
H
E
M
A
N
U
A
L
S
CONSEILS DE SÉCURITÉ IMPORTANTS
Assurez-vous vous lire et comprendre tous les avertissements. Gardez
ce manuel pour la référence. C’est votre guide de fonctionnement sûr
et approprié de ce réchauffeur.
1. N’utilisez que dans des endroits libres de vapeur inflammable et
de poussière.
2. Distance minimale de tout matériau combustible : 2,44 m (8 pi) de
toute sortie d’air brûlant, 1,83 m (6 pi) du dessus et 60,96 cm (2
pi) des côtés et de l’admission d’air.
3. Placez l’appareil de chauffage sur une surface stable et de niveau
lorsqu’il est chaud ou lorsqu’il est en marche, pour éviter tout risque
d’incendie.
4. Ne l’utilisez que dans des endroits bien aérés. Avant d’utiliser
l’appareil de chauffage, aménagez une ouverture d’air frais
provenant de l’extérieur d’au moins 0,28 m² (3 pi²) pour chaque
30 kW (100 000 BTU/h) de puissance.
5. Gardez les enfants et les animaux éloignés de l’appareil de
chauffage en tout temps.
6. Ne se servir de l’appareil de chauffage que conformément aux
ordonnances et codes locaux.
7. S’assurer que la zone où se trouve l’appareil de chauffage est libre
de toute substance combustible, d’essence, de diluant de peinture
et d’autres liquides et vapeurs inflammables.
8. Ne jamais se servir de l’appareil de chauffage dans les espaces
d’habitation.
9. Ne jamais laisser un appareil de chauffage branché sans la
surveillance d’un adulte s’il est possible que des enfants ou
animaux soient présents. Ne pas laisser l’appareil de chauffage
sans surveillance.
10. Ne jamais déplacer, manipuler ou réparer un appareil
de chauffage chaud ou en marche. Des blessures graves
pourraient en résulter. Il faut attendre 15 minutes après l’arrêt
de l’appareil.
11. N’installer jamais de système de conduits d’air à l’avant ou à
l’arrière de l’appareil de chauffage.
12. Les appareils de chauffage à proximité de bâches, de toiles
et d’autres matériaux semblables doivent être maintenus
à une bonne distance de ces derniers. La distance
minimale de sécurité recommandée est de 3,05 m (10 pi).
De plus, il est conseillé d’utiliser des bâches de protection
ignifuges. Ces matériaux doivent être solidement attachés
pour les empêcher de s’enflammer ou de nuire à l’appareil
de chauffage sous l’action du vent.
13.
Débranchez l’appareil lorsqu’il n’est pas utilisé.

30 Manuel de l’utilisateur
CONSEILS DE SÉCURITÉ IMPORTANTS
14. N
e bloquez jamais la prise d’air (à l’arrière) ou la sortie d’air
(en avant) de l’appareil de chauffage.
15. Cet appareil a été approuvé pour être utilisé dans l’état du
Massachusetts.
16. Ne se servir que du tuyau et du détendeur programmés en
usine fournis avec cet appareil de chauffage.
17. Utiliser uniquement des réservoirs de Propane/GPL équipés
pour le soutirage de gaz.
18. S’utilise uniquement à l’intérieur. Ne pas se servir de l’appareil
de chauffage à l’extérieur.
19. Ne pas se servir de l’appareil de chauffage dans un sous-sol
ou sous le niveau du sol. Le gaz Propane/GPL est plus lourd
que l’air. Si une fuite se produit, le gaz Propane/GPL s’enfoncera
au niveau le plus bas possible.
20. Maintenir l’appareil de chauffage à une distance minimale
de 6 pieds (1m 82) du/des réservoir(s) de Propane/GPL. Ne
pas orienter l’appareil de chauffage vers un/des réservoir(s) de
Propane/GPL se trouvant à moins de 20 pieds (6m10).
21. Maintenir le/les réservoirs de Propane/GPL en dessous de
100° F (37.8°C).
22. S’assurer que l’appareil de chauffage n’est pas endommagé
avant chaque utilisation. Ne pas se servir d’un appareil
endommagé.
23. Vérifier l’état du tuyau avant chaque utilisation de l’appareil
de chauffage. Si le tuyau est très usé ou entaillé, le remplacer
avec un tuyau spécifié par le fabricant avant d’utiliser l’appareil
de chauffage.
24. Maintenir l’appareil de chauffage à l’écart de forts courants d’air,
du vent, des giclements d’eau, de la pluie ou d’eau qui
goutte.
25. Pour éviter les blessures, porter des gants lors du maniement
de l’appareil de chauffage.
26. Ne pas modifier l’appareil de chauffage. Maintenir l’appareil
de chauffage dans son état original.
27. Ne pas se servir de l’appareil de chauffage s’il a été altéré.
28. Fermer l’approvisionnement en propane de l’appareil quand il
ne sert pas.
29. Ne se servir que de pièces de rechange d’origine. Cet appareil
ne doit utiliser que des pièces à caractéristiques spécifiques.
Ne pas substituer ou utiliser des pièces de rechange génériques.
Des pièces de rechange incorrectes peuvent être la cause de
blessures graves ou mortelles.
30. Cet appareil est équipé d’un thermostat. L’appareil de chauffage
peut démarrer à tout moment!
31. Ne pas régler le détendeur en dessous de 7 PSIG ou au dessus
de 20 PSIG.
CONSERVER CES INSTRUCTIONS
W
A
R
N
I
N
G
W
A
R
N
I
N
G
S
I
N
TH
E
M
A
N
U
A
L
S
.
W
A
R
N
I
N
G
S
I
N
TH
E
M
A
N
U
A
L
S
.
C
A
U
T
I
O
N
OCAU
T
I
O
N
S
I
N
O
T
H
E
M
A
N
U
A
L
S
OCAU
T
I
O
N
S
I
N
O
T
H
E
M
A
N
U
A
L
S
OCAU
T
I
O
N
S
I
N
O
T
H
E
M
A
N
U
A
L
S
OCAU
T
I
O
N
S
I
N
O
T
H
E
M
A
N
U
A
L
S

Manuel de l’utilisateur 31
PORTER DES VÊTEMENTS DE PROTECTION
Porter des vêtements ajustés et un équipement de sécurité
adapté au travail.
Porter un dispositif protecteur d’audition approprié tel que
des couvre-oreilles ou des bouche-oreilles pour se protéger
contre des bruits forts réprehensibles ou inconfortables.
La pleine attention de l’opérateur est requise afin d’utiliser
l’équipement en toute sécurité. Ne pas porter des écouteurs
de radio ou de musique tout en actionnant la machine.
PRÉPARATION POUR LES URGENCES
Garder une trousse des premiers secours et un extincteur
à portée de la main.
Garder les numéros d’urgence des docteurs, du service
d’ambulance, de l’hôpital et des pompiers en cas d’urgence
près du téléphone.
Etre prêt si un incendie débute.
FAIRE L’ENTRETIEN DE L'APPAREIL DE CHAUFFAGE
EN TOUTE SÉCURITÉ
Avant d’entretenir l’appareil de chauffage, mettre
l’appareil à l’arrêt et permettre à l’appareil de refroidir.
Faire l’entretien de l’appareil de chauffage dans un endroit
propre, sec et plat.
Faire l’entretien du de l'appareil de chauffage dans un endroit
propre, sec et plat.
INSPECTER L’APPAREIL DE CHAUFFAGE
S’assurer que tous les couvercles, gardes et plaques de
protection sont serrés et bien en place.
Repérer toutes les commandes et les étiquettes de sécurité.
Inspectez le cordon pour déceler les dommages avant
utilisation. Il y a un risque de choc électrique de l’écrasement,
de la coupure ou du dommage par la chaleur.
Oter tous les éléments d’emballage appliqués sur
l’appareil de chauffage pour son transport. Enlever tous
les articles du carton. Vérifier que les articles n’ont pas
été endommagés pendant le transport. Si l’appareil de
chauffage est endommagé, il faut rapidement informer
le concessionnaire où vous avez acheté l’appareil de
chauffage.

32 Manuel de l’utilisateur
A -- Sortie d’air chaud (Avant)
B -- Poignée
C -- Grille de protection du
ventilateur
D -- Cordon d’alimentation
E -- Assemblage du tuyau/détendeur
F -- Raccord de la prise d’air
AC-375LP
G -- Commutateur “Marche/Arrêt”
H -- Couverture
I -- Bouton De Thermostat
COMMANDES
Commandes
REAR VIEW
A
B
C
D
E
F
G
H
I
Vue Arrière

Manuel de l’utilisateur 33
VENTILATION
AVERTISSEMENT: RESPECTER LES NORMES
MINIMALES DE VENTILATION DES LOCAUX.
SI UNE VENTILATION ADÉQUATE PAR APPORT
D’AIR FRAIS EXTÉRIEUR N’EST PAS ASSURÉE,
UNE INTOXICATION À L’OXYDE DE CARBONE
EST POSSIBLE. CET APPORT D’AIR FRAIS
DOIT AUSSI ÊTRE ASSURÉ AVANT MÊME LE
D É M A R R A G E DE L’ A P PA R E I L D E
CHAUFFAGE.
Prévoir une ouverture d’air frais d’au moins 0,28 m² (3
pieds²) pour chaque 100,000 Btu/Heure de puissance.
Fournir davantage d’air frais si plus d’un appareil de
chauffage est utilisé.
ALIMENTATION EN PROPANE
Le gaz Propane/GPL et le/les réservoir(s) de Propane/GPL
doivent être fournis par l’utilisateur.
Ne se servir de cet appareil de chauffage qu’avec un
système d’alimentation de Propane qui assure un soutirage
de vapeur. Voir Chapitre 5 de La Norme pour l’Entreposage
et la Manipulation du Gaz de Pétrole Liquéfié, ANSI/NFPA
58 et le Code d’Installation de Propane, CAN/CGA B149.2.
Votre bibliothèque locale ou les responsables locaux de la
sécurité incendie auront cette brochure.
Le débit de gaz disponible en sortie du réservoir est
variable. Il dépend de deux facteurs:
1. La quantité de gaz Propane/GPL dans le/les
réservoir(s)
2. La température du/des réservoir(s.)
Le tableau ci-dessous montre le nombre de réservoirs de
100 livres (45 kg) nécessaires pour faire fonctionner cet
appareil de chauffage. Ne pas utiliser cet appareil avec
des réservoirs de moins de 100 livres (45 kg).
Moins de gaz est vaporisé à des températures plus basses.
Vous aurez peut être besoin de deux ou plus réservoirs
de 100 livres (45 kg) ou d’un réservoir plus grand lors de
températures très froides. Votre fournisseur local de gaz
Propane/GPL vous aidera à sélectionner le bon système
d’alimentation. Les appareils de chauffage sont certifiés
pour fonctionner jusqu’à une température ambiante
minimum de –20° F (-29° C).
Température au réservoir Nombres de réservoirs
40°F (5°C) et en haut 3
En dessous de 40°F (5°C) (Se servir d’un
réservoir plus grand)
Préparation

34 Manuel de l’utilisateur
Préparation
THÉORIE DE FONCTIONNEMENT
Système d’alimentation en carburant: L’assemblage du tuyau/détendeur est relié à l’alimentation de gaz
Propane/GPL. Le gaz Propane/GPL se déplace à travers le électrovalve et sort par la buse.
Le système d’admission d’air: Le moteur fait tourner le ventilateur. Le ventilateur pousse l’air à l’intérieur et
autour de la chambre de combustion. L’air est chauffé et fournit un courant d’air propre et chaud.
Le système d’allumage: L’allumeur d’étincelles directes (DSI) envoie de la tension à la allumeur. La allumeur
enflamme le mélange de carburant et d’air.
Le système de contrôle de sécurité: Ce système provoque l’arrêt de l’appareil de chauffage en cas d’extinction
de la flamme. Le moteur continuera de tourner mais aucune chaleur ne sera produite.
DSI

Manuel de l’utilisateur 35
Installation
INSTALLATION
IMPORTANT: Revoir et comprendre les avertissements de
la partie Information de Sécurité. Ils sont requis pour faire
fonctionner cet appareil de chauffage sans danger. Se conformer
à tous les règlements et codes locaux lors de l’utilisation de cet
appareil de chauffage.
AVERTISSEMENT : TESTER TOUTE LA TUYAUTERIE
ET TOUS LES RACCORDS AFIN DE S’ASSURER
QU’IL N’Y A AUCUNE FUITE APRÈS
L’INSTALLATION OU L’ENTRETIEN. NE
JAMAIS SE SERVIR D’UNE FLAMME NUE
POUR TROUVER UNE FUITE. APPLIQUER
UN MÉLANGE D’EAU ET DE SAVON LIQUIDE
À TOUS LES JOINTS. L’APPARITION DE
BULLES INDIQUE UNE FUITE. RECTIFIER
TOUTES LES FUITES IMMÉDIATEMENT.
1. Fournir le système d’alimentation en propane (voir
Alimentation en Propane).
2. Raccorder l’ajustage POL de l’assemblage du tuyau/détendeur
au/aux réservoir(s) de Propane/GPL. Tourner l’ajustage
POL dans le sens inverse des aiguilles d’une montre sur le
filetage de la bouteille. Serrer solidement en utilisant une clé
à écrous.
IMPORTANT : Serrer le détendeur en s’assurant que le
bouton noir de réglage est orienté vers le bas. Le fait d’orienter
le bouton de réglage vers le bas protége le détendeur de
dégâts dus aux intempéries.
3. Raccorder le tuyau au raccord de la prise d’air. Serrer
solidement en se servant d’une clé. (Fig. 2)
IMPORTANT: De la tuyauterie ou du tuyau supplémentaire
peuvent être utilisés si nécessaire. Installer le tuyau ou la
tuyauterie supplémentaire entre l’assemblage du tuyau/
détendeur et le réservoir de Propane/GPL. Vous devez vous
servir du détendeur fourni avec l’appareil de chauffage.
4. Ouvrir lentement le robinet d’alimentation de propane du/des
réservoir(s) de Propane/GPL.
Note : Si le robinet d’alimentation n’est pas ouvert lentement,
le clapet d’excès de débit sur le réservoir de Propane/GPL
coupera l’alimentation en gaz. En ce cas, il est possible que vous
entendiez un déclic à l’intérieur de l’assemblage du détendeur.
Pour réenclencher le clapet d’excès de débit, fermer le robinet
d’alimentation en Propane/GPL et le rouvrir lentement.
5. Régler le détendeur entre 7 et 20 PSIG.
Note : Un réglage élevé du détendeur permettra à l’appareil de
chauffage de produire plus de chaleur.
6. Vérifier tous les raccords afin de s’assurer qu’il n’y a pas de
fuites.
7. Fermer le robinet d’alimentation de Propane.
AVERTI SS EMENT : NE PAS R ÉGLER LE
DÉTENDEUR EN DESSOUS DE 7 PSIG OU
AU DESSUS DE 20 PSIG. IL SE PEUT
QUE L’APPAREIL DE CHAUFFAGE NE
MARCHE PAS CORRECTEMENT.
(Fig. 1)
(Fig. 2)

36 Manuel de l’utilisateur
FONCTIONNEMENT
IMPORTANT : Revoir et comprendre les avertissements
de la partie Information de Sécurité. Ils sont requis pour
faire fonctionner cet appareil de chauffage sans danger.
Se conformer à tous les règlements et codes locaux lors de
l’utilisation de cet appareil de chauffage.
AVERTISSEMENT: RESPECTER LES NORMES
MINIMALES DE VENTILATION DES LOCAUX. SI
UNE VENTILATION ADÉQUATE PAR APPORT
D’AIR FRAIS EXTÉRIEUR N’EST PAS ASSURÉE,
UNE INTOXICATION À L’OXYDE DE CARBONE
EST POSSIBLE. CET APPORT D’AIR FRAIS
DOIT AUSSI ÊTRE ASSURÉ AVANT MÊME LE DE
MARRAGE DE L’APPAREIL DE CHAUFFAGE.
POUR DÉMARRER L’APPAREIL DE CHAUFFAGE:
1. Respecter toutes les consignes de ventilation et de
sécurité.
2. Placer l’appareil de chauffage de façon à fournir une
circulation d’air chaud maximale. Suivre toutes les
exigences d’emplacement précisées sous la rubrique
d’Information de Sécurité.
3. Placer l’appareil de chauffage sur une surface stable et
plane. S’assurer que des courants d’air forts ne soufflent
pas dans l’avant ou l’arrière de l’appareil de chauffage.
4. Brancher le cordon d’alimentation de l’appareil de
chauffage dans une rallonge électrique trifilaire avec mise
à la terre. La rallonge électrique doit mesurer au moins
6 pieds (1,80 m), être de classe UL/CSA et de section
suffisante. Voir le tableau de rallonge électrique.
5. Brancher la rallonge électrique dans une prise de courant
à trois branches de 120 volts/60 hertz avec mise à la
terre.
6. Ouvrir lentement le robinet d’alimentation en propane
du/des réservoir(s) de propane/GPL.
Note: Si le robinet d’alimentation n’est pas ouvert lentement,
le clapet d’excès de débit sur le réservoir dePpropane/GPL
coupera l’alimentation en gaz. Vous entendrez peut être
un déclic provenant du clapet d’excès de débit qui se
ferme. En ce cas, réenclencher le clapet d’excès de débit
en fermant le robinet d’alimentation en propane/GPL et le
rouvrir lentement.
7. S’assurer que le détendeur est réglé entre 7 et 20 psig.
Note : Un réglage élevé du détendeur permettra à l’appareil
de chauffage de produire plus de chaleur.
8. Tourner le bouton de marche/arrêt (on/off) à la position
de marche (ON). Régler le thermostat à la température
désirée. Si l’appareil de chauffage ne démarre pas, il se
peut que le réglage du thermostat soit trop bas. Tourner
le bouton du thermostat à une position plus élevée pour
démarrer l’appareil de chauffage.
Note : Si l’appareil de chauffage ne démarre pas, tourner le
bouton de marche/arrêt à la position d’arrêt (OFF). Attendre
10 secondes pour que le système de contrôle de sécurité
se réenclenche puis essayer de nouveau.
Fonctionnement
Exigences des dimensions de rallonge électrique
Longueur rallonge: Calibre AWG de
la rallonge:
Jusqu’à 50 pieds (15 m) 18 AWG
51 à 100 pieds (15.5 à 30.48 m) 16 AWG
101 à 200 pieds (30.78 à 60.96 m) 14 AWG

Manuel de l’utilisateur 37
Fonctionnement
FONCTIONNEMENT (SUITE)
POUR ARRÊTER L’APPAREIL DE CHAUFFAGE :
1. Bien fermer le robinet d’alimentation en propane du/des
réservoir(s) de Propane/GPL.
2. Attendre quelques secondes. L’appareil de chauffage va
brûler le gaz qui reste dans les tuyaux d’alimentation.
3. Tourner l’interrupteur de Marche/Arrêt (ON/OFF) à la
position d’arrêt (OFF).
4. Débrancher l’appareil de chauffage.
POUR REDÉMARRER L’APPAREIL DE CHAUFFAGE:
Si le système de contrôle de sécurité arrête le débit de
gaz de l’appareil de chauffage, le moteur continuera de
tourner.
1. Tourner l’interrupteur de marche/arrêt (ON/OFF) à la
position d’arrêt (OFF).
2. Attendre 10 secondes, puis tourner l’interrupteur de
marche/arrêt (ON/OFF) à la position de marche (ON).
Si l’appareil de chauffage ne redémarre pas:
1. Inspecter les valves manuelles (si elles sont présentes)
et les robinets d’alimentation (sur le réservoir de
Propane/GPL). S’assurer que les valves et les robinets
sont ouverts.
2. Vérifier le niveau de carburant dans le/les réservoir(s)
de Propane/GPL. Si le niveau de carburant est trop
bas, contacter votre compagnie locale de gaz Propane/
GPL.
Si l’appareil de chauffage ne redémarre toujours pas,
contacter votre centre de service après vente.

38 Manuel de l’utilisateur
Symptôme Problème Solution
Le ventilateur ne tourne pas
quand l’appareil de chauffage
est branché.
L’appareil de chauffage ne
s’allume pas.
Pas de courant se rendant à
l’appareil de chauffage
Le ventilateur frappe l’intérieur de la
coque de l’appareil de chauffage.
Les pales du ventilateur sont
tordues.
Moteur défectueux.
L’utilisateur n’a pas bien suivi les
consignes d’installation ou de
fonctionnement.
Pas d’étincelle au niveau de
l’allumeur. Pour voir si des étincelles
sont présentes, voir la rubrique “En-
tretien: Allumeur” et suivre l’étape
8. Si une étincelle est présente au
niveau de l’allumeur, faire entretenir
l’appareil de chauffage par une per-
sonne qualifiée. Si aucune étincelle
n’est présente:
a. Fil d’allumage desserré ou dé
branché.
b. Mauvais écartement des pointes.
c. Electrode de l’allumeur
défectueux.
d. Transformateur d’allumage
défectueux.
Vérifier que la prise électrique émet
du courant. Si la tension est bonne,
vérifier que le cordon d’alimentation
de l’appareil de chauffage n’a pas de
coupures.
Régler le support du moteur/ventilateur
pour éviter que le ventilateur frappe
l’intérieur de la coque de l’appareil de
chauffage.
Remplacer le ventilateur.
Remplacer le moteur.
Répéter les consignes d’installation et
de fonctionnement.
a. Examiner le fil d’allumage. Resserrer
ou rattacher le fil d’allumage
desserré. Voir “Entretien:
Transformateur d’allumage” pour
l’emplacement du fil d’allumage.
b. Régler l’écartement entre l’électrode
de l’allumeur et la buse à .13”/.15”
(3.3/3.8 mm.)
c. Remplacer l’électrode de l’allumeur.
Voir “Entretien: Allumeur.”
d. Remplacer le transformateur
d’allumage. Voir “Entretien:
Transformateur d’allumage.”
AVERTISSEMENT : HAUTE TENSION. NE JAMAIS FAIRE L’ENTRETIEN DE L’APPAREIL DE
CHAUFFAGE PENDANT QU’IL EST BRANCHÉ, EN MARCHE OU CHAUD. DES BRÛLURES
GRAVES ET DES DÉCHARGES ÉLECTRIQUES POURRAIENT EN RÉSULTER.
Dépannage

Manuel de l’utilisateur 39
Dépannage
Symptôme Problème Solution
L’appareil de chauffage s’ar-
rête lors du fonctionnement
L’appareil de chauffage émet
une odeur.
L’alimentation en Propane/GPL est
insuffisante.
Le thermocouple limiteur arrête
l’appareil de chauffage en cas de
température ambiante élevée.
Débit d’air limité.
Ventilateur endommagé.
Poussière et débris excessifs dans
la zone environnante.
Fuite de gaz.
L’appareil de chauffage fonctionne
avec un réservoir de Propane/GPL
de 20 livres (9 kg). Une quantité de
gaz Propane/GPL insuffisante sera
fournie par un réservoir de 9 kg (20
livres) résultant en une odeur.
Le réservoir d’alimentation en
Propane/GPL “gèle”. La consom-
mation de propane et son taux
d’évaporation sont trop importants
pour la taille du réservoir et la tem-
pérature ambiante.
a. Remplir le réservoir.
b. Utiliser des réservoirs
supplémentaires et/ou plus grands.
Voir “Préparation: Alimentation en
Propane.”
Ceci peut arriver quand l’appareil de
chauffage fonctionne dans des tem-
pératures plus élevées que 85° F (30°
C). Utiliser l’appareil de chauffage
dans des températures plus basses.
Vérifier l’entrée et la sortie de
l’appareil de chauffage. Retirer toutes
obstructions.
Remplacer le ventilateur. Voir “En-
tretien: Ventilateur.”
Nettoyer l’appareil de chauffage. Voir
“Entretien.”
Inspecter tous les raccords à la
recherche de fuites. Appliquer un
mélange d’eau et de savon liquide
aux raccords de gaz. L’apparition de
bulles indique une fuite qui doit être
réparée.
Pour obtenir un mélange correct de
gaz Propane/GPL et d’air, utiliser un
réservoir plus gros, c-à-d de 45 kg
(100 lbs.) Voir “Préparation: Alimen-
tation en Propane.”
a. Utiliser un réservoir d’alimentation
plus gros, c-à-d de 45 kg (100 lbs).
b. Réduire le taux de consommation
en utilisant temporairement
l’appareil de chauffage à son
réglage le plus bas jusqu’à ce que
le gel disparaisse du réservoir.
AVERTISSEMENT: N’utiliser que
dans des endroits libres de haute
concentration de poussière.
AVERTISSEMENT : HAUTE TENSION. NE JAMAIS FAIRE L’ENTRETIEN DE L’APPAREIL DE
CHAUFFAGE PENDANT QU’IL EST BRANCHÉ, EN MARCHE OU CHAUD. DES BRÛLURES
GRAVES ET DES DÉCHARGES ÉLECTRIQUES POURRAIENT EN RÉSULTER.

40 Manuel de l’utilisateur
ENTRETIEN:
AVERTISSEMENT : AFIN D’ÉVITER LES RISQUES DE
BRÛLURES ET DE DÉCHARGES ÉLECTRIQUES, NE
JAMAIS TENTER DE FAIRE L’ENTRETIEN DE
L’APPAREIL DE CHAUFFAGE PENDANT QU’IL EST
BRANCHÉ, EN MARCHE OU CHAUD.
S’ASSURER QUE LA ZONE OÙ SE TROUVE
L’APPAREIL DE CHAUFFAGE EST LIBRE DE TOUTE
SUBSTANCE COMBUSTIBLE, D’ESSENCE ET
D ’ A U T R E S L I Q U I D E S E T VA P E U R S
INFLAMMABLES.
NE PAS BLOQUER LA CIRCULATION DES PRODUITS
DE COMBUSTION OU LA VENTILATION D’AIR.
1. L’appareil de chauffage doit rester propre. Nettoyer
l’appareil de chauffage annuellement ou au besoin
pour enlever la poussière et les débris. Si l’appareil de
chauffage est sale ou poussiéreux, le nettoyer avec un
chiffon humide. Utiliser un produit de nettoyage ménager
sur les endroits difficiles.
2. Inspecter l’appareil de chauffage avant chaque utilisation.
Vérifier tous les raccords afin de s’assurer qu’il n’y a pas
de fuites. Appliquer un mélange d’eau et de savon liquide
aux raccords. L’apparition de bulles indique une fuite.
Réparer toutes les fuites immédiatement.
3. Inspecter l’assemblage du tuyau/détendeur avant chaque
utilisation. Si le tuyau est très usé ou entaillé, le remplacer
par un tuyau spécifié par le fabricant.
4. Faire inspecter l’appareil de chauffage annuellement par
un centre de service qualifié.
5. S’assurer que l’intérieur de l’appareil de chauffage ne
contient aucune substance combustible et aucun corps
étranger. Enlever le moteur et autres composants internes
si nécessaire pour nettoyer l’intérieur de l’appareil de
chauffage.
6. Nettoyer les pales du ventilateur chaque saison ou au
besoin.
Entretien

Manuel de l’utilisateur 41
Entretien
ENTRETIEN (SUITE)
(Fig. 3)
(Fig. 4)
(Fig. 5)
AVERTISSEMENT : NE JAMAIS FAIRE L’ENTRETIEN DE
L’APPAREIL DE CHAUFFAGE PENDANT QU’IL
EST BRANCHÉ, CONNECTÉ À L’ALIMENTATION
EN PROPANE, EN MARCHE OU CHAUD. DES
BRÛLURES GRAVES ET DES DÉCHARGES
ÉLECTRIQUES POURRAIENT EN RÉSULTER.
NETTOYAGE DU VENTILATEUR :
Nettoyer le ventilateur toutes les 500 heures d’opération ou au
besoin.
1. Retirer les vis du panneau latéral à l’aide d’un tourne-écrou de
5/16 pouces.
2. Retirer le panneau latéral.
3. Détacher les cinq fils du moteur des pièces sous la coque
du moteur. Il faut faire attention à ne détacher que les fils en
provenance du moteur. (Fig. 3)
Les cinq fils du moteur sont :
• Le fil blanc—relié à la plaque à bornes
• Le fil noir—relié à la plaque à bornes
• Le fil bleu—relié au fil du thermorupteur
• Le fil orange—relié à l’électrovalve
• Le fil vert—relié à la vis de mise à la terre sur la coque
4. Retirer la grille de protection du ventilateur de l’arrière de
l’appareil de chauffage.
5. En passant votre bras étendu à l’arrière de la coque, tirer
précautionneusement les fils à travers le trou en bas de la coque.
(Fig. 4)
Note : Tirer les fils du moteur par le trou un par un.
6. Retirer les écrous et les boulons de fixation qui maintiennent le
support du moteur à la coque. Utiliser un tourne-écrou de 3/8
pouces et une clé de 7/16 pouces.
7. Retirer délicatement le moteur et le ventilateur de la coque.
IMPORTANT : Faire attention à ne pas endommager le ventilateur.
Ne poser pas le moteur et son ventilateur de telle sorte que tout
le poids repose sur ce dernier. Ceci pourrait déformer l’angle des
pales.
8. Tourner le moteur et le ventilateur dans l’autre sens. Placer le
moteur et le ventilateur dans la coque à l’envers.
Note : Le moteur sera placé dans la coque en premier (Fig. 5).
9. Aligner les trous de montage arrières de la coque avec les
premiers trous de chaque côté du support du moteur (Fig. 5).
Note : Quand les trous sont alignés, le ventilateur doit être en
dehors de la coque.
10. Tout en tenant le boulon de montage, passer
précautionneusement votre bras étendu à travers les pales
du moteur Faire attention à ne pas endommager l’angle des
pales du ventilateur. Insérer le boulon à travers le support
du moteur et la coque. Avec votre main libre, attacher l’écrou
en le serrant avec les doigts. Recommencer le procédé avec
l’autre trou de montage.
11. Utiliser une clé Allen de 1/8 pouces pour desserrer la vis de
fixation qui retient le ventilateur à l’arbre du moteur (Fig. 6).
12. Faire glisser le ventilateur pour le libérer de l’arbre du
moteur.
13. Nettoyer le ventilateur à l’aide d’un linge doux légèrement
mouillé avec du kérosène ou du solvant. (Fig. 6)

42 Manuel de l’utilisateur
Entretien
ENTRETIEN (SUITE)
NETTOYAGE DU VENTILATEUR (SUITE) :
14. Sécher le ventilateur complètement.
15. Replacer le ventilateur sur l’arbre du moteur. S’assurer
que l’embout de la vis de fixation est bien en contact
avec la partie plate de l’arbre du moteur (Fig. 7).
16. Placer la vis de fixation sur la partie plate de l’arbre
Serrer la vis de fixation solidement (40-50 pouce-livres
/ 46.08-57.60 kilos-centimètres).
17. Retirer les deux écrous et boulons qui retiennent le
support du moteur à la coque.
18. Retirer le moteur et le ventilateur de la coque. Tourner
le moteur et le ventilateur dans l’autre sens. Les
replacer dans la coque avec soin. Note: Le ventilateur
ira dans la coque en premier.
19. Aligner les trous de montage de la coque avec les trous
sur le support du moteur. Replacer les quatre boulons
à travers la coque et le support du moteur. Insérer
les boulons par l’extérieur de l’appareil de chauffage.
Serrer les écrous solidement.
20. Acheminer les fils du moteur par le trou dans le fond
de la partie inférieure de la coque (Fig. 4).
21. Brancher les fils du moteur comme suit (Fig. 3) :
• Fil blanc—relié à la plaque à bornes
Note: Attacher au raccord vide du coté du fil blanc de la
plaque à bornes.
• Fil noir--- relié à la plaque à bornes
Note : Attacher au raccord vide du coté du fil noir de la
plaque à bornes.
• Fil bleu--- relié au fil du thermorupteur
• Fil orange--- relié à l’électrovalve
• fil vert--- relié à la vis de mise à la terre de la
coque
22. Replacer le panneau latéral.
23. Replacer la grille de protection du ventilateur.
(Fig. 7)

Manuel de l’utilisateur 43
ATTENTION: DÉBRANCHER L’APPAREIL DE
CHAUFFAGE DU/DES RÉSERVOIR(S)
D’ALIMENTATION EN PROPANE/GPL.
1. Entreposer le/les réservoir(s) de Propane/GPL d’une
façon sûre. Consulter le Chapitre 5 de La Norme pour
l’Entreposage et la Manipulation du Gaz de Pétrole
Liquéfié, ANSI/NFPA 58 et le Code d’Installation de
Propane, CAN/CGA B149.2. Respecter tous les codes
locaux. Entreposer toujours les réservoirs de Propane/
GPL à l’extérieur.
2. Placer des capuchons protecteurs en plastique sur les
raccords en laiton du raccord de la prise d’air et de
l’assemblage du tuyau/détendeur.
3. Entreposer dans un endroit sec, propre et sûr. Ne pas
entreposer l’assemblage du tuyau/détendeur dans la
chambre de combustion de l’appareil de chauffage.
4. Vérifier toujours l’intérieur de l’appareil de chauffage
après l’avoir entreposé. Il se peut que des insectes et
petits animaux aient déposé des corps étrangers dans
l’appareil de chauffage. S’assurer que l’intérieur de
l’appareil de chauffage reste libre de tout combustible et
corps étrangers.
Entreposage

44 Manuel de l’utilisateur
Caractéristiques
ARTICLE SPECIFICATION
Taille du modèle AC-375LP
Puissance de sortie (BTU/Heure) 225,000 to 375,000
Combustible Propane Vaporisé Seulement
Consommation de combustible
(gallons par heure/Litres par heure) Min: 2.5 / 9.4
Max: 4.0 / 15
(livres par heure/Kilogrammes par heure) Min: 10.4 / 4.7
Max: 17.4 / 7.9
Pression d’alimentation du détendeur
Minimum (pour le réglage de la pression d’admission) 25 PSIG / 172kPa
Maximum Pression du réservoir
Pression de sortie du détendeur 7-20 PSIG / 48 to 138 kPa
Sortie d’air chaud (approx.) 1500 CFM / mètre cube/minute
Régime du moteur (tour/minute) 1725
Puissance du moteur (HP) 1/5
Alimentation électrique 120V / 60Hz
Ampérage (fonctionnement normal) 4.2
Allumage Etincelle Electronique Directe, D.S.I.
Poids d’expédition
(approximatif en livres/kilos) 48 / 21.8
Poids de l’appareil de chauffage
(approximatif en livres/kilos) 41 / 18.6
NOTER LE NUMÉRO DE SÉRIE
Noter ci-dessous le numéro de modèle ainsi que le
numéro de série et la date d’achat de votre appareil. Votre
concessionnaire a besoin de ces renseignements lors des
commandes de pièces
Numéro de modèle _______________________________________
Numéro de série _________________________________________
Date d’achat ____________________________________________
(À remplir par l’acheteur)

Manuel de l’utilisateur 45
Schéma de câblage

46 Manuel de l’utilisateur
CONDITIONS DE LA GARANTIE
John Deere garantit toutes les pièces (à l’exception de celles stipulées ci-dessous), de
votre nouveau appareil de chauffage sans carburant en cas de défauts de matériaux et
de fabrication pendant les périodes suivantes:
Pendant un (1) année à partir de la date d’achat initiale.
Les pièces défectueuses ne résultant pas d’une usure normale seront réparées ou
remplacées à notre choix pendant la période de garantie. Quoi qu’il arrive, le remboursement
est limité au prix d’achat.
PIECES EXCLUES DE LA GARANTIE
1. Cette garantie ne couvre pas les pièces endommagées par l’usure normale,
une mauvaise utilisation, une utilisation abusive ou un fonctionnement autre que
recommandé. La garantie ne couvre pas les dégâts provoqués par un mauvais suivi
des procédures de fonctionnement et d’entretien .
2. L’utilisation de pièces de réparation autres que celles d’origine annule la garantie.
3. La garantie sera annulée si l’appareil est utilisé pour tout autre usage que consommateur/
propriétaire. Les pièces renvoyées en port payé, à notre usine ou à un centre de
réparation John Deere agréé seront inspectées et remplacées gratuitement si elles
s’avérent être défectueuses et couvertes par la garantie. Il n’existe aucune garantie
prolongeant les dates d’expiration stipulées ci-dessus. Le fabricant n’est en aucun cas
responsable des pertes d’usage, de temps ou de location, des dérangements causés,
des pertes commerciales ou des dommages qui en résultent.
Pour toute question de service ou de garantie, s’adresser à
Mi-T-M Corporation, 8650 Enterprise Drive, Peosta, IA 52068-0050
Tél.: JD-KLEEN (1-877-535-5336) Fax 563-556-1235
Du lundi au vendredi de 8h00 à 17h00, heure centrale

Note
Manuel de l’utilisateur 47

48 Manual del Operador
Introducción
Gracias para comprando este John Deere producto.
Lea este manual con cuidado para aprender como
operar y heacerie servicao su máquina correcto. Falla
resultaría en lesiones personales o daño a equipo.
Este el manual y muestras de seguridad en su máquina
pueden también estar disponibles en otras idiomas.
(véase a su distribuidor de John Deere para ordenar)
Este manual debe considerar una parte permanente
de su máquina y debe quedar con máquina cuando
venderla.
Medidas en este manual se dan en sistema métrico y
en equivalentes de unidades de Estado Unidos. Use
sólo partes y cierres de reemplazar correctos. Cierres
métricos y pulgadas necesitarian un tirón especial de
métrico o pulgada.
El número de serie está situada en sección de
especificaciones o números de identificación. Escriba
correcta todos números para ayndaría en encontrar
la máquina si sea robado. Su concesionario también
necesite estos números cuando ordenaría partes. Ponga
números de identificación en lugar seguro atuera de
máquina.
Garantía provece de concesionario John Deere para
quien opere y mantenga su equipo como describido en
este manual. Este manual está explicado en certificado
de garantía que se vea en este manual.
Esta garantía provece la seguridad que su concesionario
John Deere daría garantia de productos donde defectos
aparecen durante tiempo de garantia. Debe abusar al
equipo o cambios para modificar la función atrás de
especificaciones de fabrica la garantia será vació.
Este calentador sea diseño para uso en acuerdo con
ANSI-283./CGA2.14. Otros estandardes gobierna el
uso de gases de combustible y productos de calentar
para usos éspecificos. Su administración local puede
le advisar sobre estos. Los propósitos primeros de
calentadores de construcción es para provecer calor
temporal de edificios que están en construcción,
alteracción, o reparamiento. Si uso correcto, el
calentador provece calor seguro y economico. Los
productos de la combustión se descarga en el área
para sea calentado.
Nosotros no podemos prever cada uso que puede
estar hecho de nuestros calentadores. HABLE CON
SU ADMINISTRACION LOCAL DE SEGURIDAD
DE FUEGO SI TIENE PREGUNTAS DEL USO DE
CALENTADOR.
Otros estandardes gobierna el uso de gases de
combustible y productos de calentar para usos
éspecificos. Su administración local puede le advisar
sobre estos.
El gas de propano es inodoro. Un agente que hace olor
agrega a gas de propano. El olor le ayuda detectar un
agujero de gas de propano. Sin embargo, el olor que
agregó a propano puede apagarse. El gas propano
puede estar presente aunque no existe el olor.
Instale y use calentador con cuidado. Siga todas
ordenanzas y los códigos locales. En ausencia de
ordenanzas y códigos locales, refiérase al Estandard
para Almacenamiento y Manejo de Gases licuados
del petróleo, ANASI/NFPA 58 y Código de Instalación
de Propano, CAN/CGA B149.2. Este enseña en
almacenamiento y manejo seguro de gases de
propano.
ADVERTENCIAS DE SEGURIDAD:
LEA ESTE MANUAL DEL PROPIETARIO
CUIDADOSA Y COMPLETAMENTE ANTES DE
INTENTAR ENSAMBLAR, OPERAR O DAR
SERVICIO A ESTE CALENTADOR. EL USO
INADECUADO DE ESTE CALENTADOR PUEDE
CAUSAR LESIONES GRAVES O LA MUERTE
POR QUEMADURAS, INCENDIO, EXPLOSIÓN,
ELECTROCUCIÓN E INTOXICACIÓN CON
MONÓXIDO DE CARBONO.
ASEGÚRESE DE LEER Y COMPRENDER
TODAS LAS ADVERTENCIAS. CONSERVE
ESTE MANUAL PARA REFERENCIA. ES SU
GUÍA PARA UN FUNCIONAMIENTO SEGURO
Y CORRECTO DE ESTE CALENTADOR.
ADVERTENCIA: INCENDIDO,
QUEMADURA, INHALACION,Y RIESGO DE
EXPLOSION. MANTENGA COMBUSTIBLES
SOLIDOS COMO MATERIAS DE CONSTRUIR,
PAPEL O CARTON, UNA DISTANCIA
SEGURA AFUERA DE CALENTADOR COMO
RECOMIENDE DE INSTRUCCIONES. NUNCA
USE CALENTADOR EN SPACIOS QUE
TIENEN O PUEDEN TENER COMBUSTBLES
O PRODUCTOS VOLATILES O AIREADOS
COMO GASOLINA, SOLVENTOS REBAJADOR
DE PINTA, ESCOMBOS, QUIMICAS
DESCONOCIDOS.
ADVERTENCIA: NO USES PARA CASA
O VEHICULO DE RECREO.

Manual del Operador 49
Materias
Pagiña
Seguridad ............................................................... 50
Mandos .................................................................. 56
Preparando ............................................................... 57
Instalación ................................................................ 59
Operación ............................................................... 60
Localización de fallas ............................................ 62
Servicio ................................................................... 64
Almacenamiento ..................................................... 67
Especificaciónes .................................................... 68
Diagrama de Alambre .............................................. 69
Garantia .................................................................... 70
Nota ........................................................................... 71
Toda información, ilustraciónes, y especificaciones en este manual se
basa en información lo último que disponible al tiempo de publicación. Se
reserva el dercho de efectuar combios sin previo aviso.

50 Manual del Operador
W
A
R
N
I
N
G
W
A
R
N
I
N
G
SI
N
TH
E
M
A
N
U
A
L
S
.
W
A
R
N
I
N
G
SI
N
TH
E
M
A
N
U
A
L
S
.
C
A
U
T
I
O
N
OCAU
T
I
O
N
S
I
N
O
T
H
E
M
A
N
U
A
L
S
OCAU
T
I
O
N
S
I
N
O
T
H
E
M
A
N
U
A
L
S
OCAU
T
I
O
N
S
I
N
O
T
H
E
M
A
N
U
A
L
S
OCAU
T
I
O
N
S
I
N
O
T
H
E
M
A
N
U
A
L
S
Seguridad
RECONOZCA INFORMACIÓN DE
SEGURIDAD
Este es el símbolo de alerta de seguridad. Cuando mire
este símbolo en la máquina o manual, sea alerta de
posibilidad o potencia de graves personales.
Siga precauciones recomendables y prácticas de
operación.
COMPRENDA PALABRAS DE ALERTAS
Una palabra de alerta -- Peligro, Advertencia, Precaución
-- se usa con el símbolo de alerta de seguridad. Peligro
indica la situación más seria.
Señales de seguridad como PELIGRO y ADVERTENCIA
está situada cerca de riesgos específicos. Precauciones
generales están en una lista en las señales de seguridad
precaución a mensajes de seguridad en este manual.
PELIGRO
ADVERTENCIA
PRECAUCION
SIGA LAS INSTRUCCIÓNES DE
SEGURIDAD
Lea con ciudado todos mensajes de seguridad en este
manual y en las señales de seguridad en máquina.
Mantengase señales de seguridad en condición bueno.
Reemplace desaparecidos o señales de seguridad con
daño. Asegurese que componentes nuevos de equipo
y partes de reparación incluir las señales de seguridad
último. Señales de seguridad para reemplace son
disponibles de su concesario.
Lea este manual del propietario cuidadosa y completamente
antes de intentar ensamblar, operar o dar servicio a este
calentador. El uso inadecuado de este calentador puede
causar lesiones graves o la muerte por quemaduras, incendio,
explosión, electrocución e intoxicación con monóxido de
carbono.
Asegúrese de leer y comprender todas las advertencias.
Conserve este manual para referencia. Es su guía para un
funcionamiento seguro y correcto de este calentador.
Aprenda como operar la máquina y como usar los
mandos correcta. No permita nadie para operar sin
instrucciones.

Manual del Operador 51
MONÓXIDO DE CARBONO- GAS VENENOSO
PELIGRO: ¡LA INTOXICACIÓN CON MONÓXIDO DE CARBONO
PUEDE SER MORTAL!
Exhausto de calentador contiene monóxido de carbono- un gas
venenoso que puede matarle. No puede oler o ver este gas.
Intoxicación con monóxido de carbono: los síntomas iniciales de la
intoxicación con monóxido de carbono son semejantes a los de la
gripe, con dolores de cabeza, mareos y/o náusea. Si usted presenta
estos síntomas, es posible que el calentador no esté funcionando
correctamente. ¡Respire aire fresco inmediatamente! Haga que reparen
el calentador. El monóxido de carbono afecta más a algunas personas
que a otras. Las más afectadas incluyen mujeres embarazadas, personas
con enfermedades del corazón o de los pulmones o anemia, aquellas
bajo la influencia del alcohol y aquellas a elevadas alturas.
Nunca use calentador en espacios cerrados o parcialamente cerrados
sin apropiado ventilación. Úsese solamente en áreas bien ventiladas.
Antes de usar el calentador, procure tener una abertura de cuando menos
2 800 cm2 (3 pies2) para el aire fresco exterior por cada 30 kw (100 000
BTU/h) de servicio nominal. Calentadores puede producir neveles altas
de monóxido de carbono muy rápido. Cuando use un calentador, recuerde
que no puede oler o ver monóxido de carbono. Aunque si no pueda oler
gases de exhausto, puede exponerle a monóxido de carbono.
Si empieza sentir enfermo, mareo, o débil cuando usando calentador,
vaya adentro PRONTO. NO RETRASE. Monóxido de carbono de
generardores puede llevar rápidamente a todo incapacitado y muerte.
Si tenga síntomas serias, tenga atención medica immediamente .
Diga empleados medicos que sospechar de venenoso de monóxido
de carbono. Si tenga síntomas mientras adentro diga alguien llamar el
departamento de fuegos para determinar cuando seguro para entrar otra
vez el edificio.
NUNCA opere calentador en atmósfera explosivo, cerca materias
combustibles o donde ventilación no es suficiente para llevar gases de
exhausto afuera. Gases de exhausto puede causar lesiones graves
o muerte.
NUNCA use calentador adentro, incluyendo en casas, garajes, sótanos,
espacios pequeños, y otras áreas cerradas o parcialamente cerradas, sin
apropiado ventilación. Abriendo puertas y ventanas o usando ventiladores
no prevenir acumulación de monóxido de carbono en casas. Úsese
solamente en áreas bien ventiladas. Antes de usar el calentador, procure
tener una abertura de cuando menos 2 800 cm2 (3 pies2) para el aire fresco
exterior por cada 30 kw (100 000 BTU/h) de servicio nominal.
Si usted comienza a sentirse enfermo, mareado, o débil mientras que
usa el calentador del espacio, cerró si apagado y consigue el aire fresco
ENSEGUIDA. Vea a doctor. Usted puede tener intoxicación con monóxido
de carbono.
Instale alarmasde monóxido de carbono que operados de bateria o
alarmas de monóxido de carbono enchufadas con seguridad de batería
en su casa según las instrucciones de instalación de fabricante. Las
alarmas de monóxido de carbono deben tener certificación de requisitos
de calidades de seguridad últimos para alarmas de monóxido de carbono.
(UL 2034, IAS 6-96 o CSA 6.19.01).
Examine su alarma de monóxido de carbono frecuentemente y reemplace
baterías muertas.

52 Manual del Operador
RIESGOS DE ELECTRICOS
PELIGRO-CONECCIÓN INCORRECTA DE EQUIPOCONDUCTOR
DE TIERRA PUEDE RESULTAR EN RIESGO DE
ELECTROCUCIÓN. HABLE CON UN ELECTRICISTA
CALIFICADO O REPRESENTANTE DE SERVICIO SI TENGA
DUDA SOBRE QUE LA UNIDAD TIENE LA TOMA A TIERRA
CORRECTA.
Sólo use el voltaje y frecuencia eléctricos especificaron en el plato modelo. Las
conexiones eléctricas y la toma a tierra de calentador seguirá el Código Eléctrico
Nacional, ANSI/NFPA 70 o el Código Eléctrico Canadiense, Parte 1.
Calentadores de espacio tiene que toma a tierra. Use sólo un córdon de extensión
con tres alambres que toma a tierra correcta. Tape entre salida de tierra sólo. Si
debe fallar o la avería, toma a tierra provece un sendero de menos resistencia
para la corriente eléctrica reducir el riesgo de descarga eléctrica.
El calentador de espacio es un suministro de descarga eléctrica si no mantenga
seco. Mantenga el calentador seco y no use en condiciones mojadas o de
lluvia. Para proteger de humedad, operelo en un superficie seco debajo de una
estructura abierta como un dosel. Seque sus manos si son mojados antes de
tocando el calentador de espacio.
Revise que todo el córdon es libre de cortes o roturas y que el tapón tiene tres
puntas, especialmente un perno de toma a tierra.

Manual del Operador 53
INSTRUCCIONES IMPORTANTES DE SEGURIDAD
Asegurése que leer y comprender todas advertencias. Mantenga
este manual para referencia. Es su guía para operación seguro y
correcto de este calentador.
1. Use solamente en áreas libres de vapores inflamables o de alto
contenido de polvo.
2. Distancia mínima con respecto a los materiales combustibles:
2,44 m (8 pies) de la salida de aire caliente; 1,83 m (6 pies) de la
parte superior; y 60,96 cm (2 pies) de los laterales y la entrada.
3. Sitúe el calentador en una superficie estable y nivelada si está
caliente o en funcionamiento, de lo contrario puede ocurrir un
incendio.
4. Úsese solamente en áreas bien ventiladas. Antes de usar el
calentador, procure tener una abertura de cuando menos 2 800
cm2 (3 pies2) para el aire fresco exterior por cada 30 kw (100 000
BTU/h) de servicio nominal.
5. Mantenga siempre a los niños y animales alejados del
calentador.
6. Use calentador solamente en acuerdo de acuerdo con las
ordenanzas locales y códigos.
7. Mantenga área de calentador limpie y sin materias combustibles,
gasolina, desolvente de pinta, y otros vapores y liquidos
flammables.
8. Nunca use calentador en áreas de viviendo o dormiendo.
9. Nunca quede calentador tapado sin supervisión de adulto si
niños o animales están o hay una posibilidad que ellos estén.
No mantenga su calentador desatendido.
10. Nunca mueva, toque, o dé servicio a un calentador caliente o un
que está operando. Quemaduras serias pueden resultar. Tiene
que esperar 15 minutos después de apagado del calentador.
11. Nunca sujete trabajo de conductor al frente o al trasero de
calentador.
12. Los calentadores utilizados cerca de toldos, lonas
o materiales similares de protección deben situarse a
una distancia segura de dichos materiales. La
distancia mínima recomendada para su seguridad
es de 3,05 m (10 pies). También se recomienda que
dichos materiales de protección tengan propiedades
retardadoras de fuego. Estos materiales de protección
deben estar seguramente sujetados para prevenir
que se enciendan o que afecten el funcionamiento del
calentador debido a la acción del viento.
13.
Desconecte el calentador cuando no esté en uso.
14. Nunca bloquee la entrada de aire (posterior) o la salida
de aire (anterior) del calentador.
15. Este producto obtiene la aprobación para uso del Commonwealth
de Massachusetts.
16. Use solamente con la manguera y regulador preprogramado
de fabrica que provece con el calentador.
17. Use solamente gasolina Propano / L.P. para retirada de
vapor.
18. Para uso adentro sólo. No use el calentador en aire libre.
W
A
R
N
I
N
G
W
A
R
N
I
N
G
S
I
N
TH
E
M
A
N
U
A
L
S
.
W
A
R
N
I
N
G
S
I
N
TH
E
M
A
N
U
A
L
S
.
C
A
U
T
I
O
N
OCAU
T
I
O
N
S
I
N
O
T
H
E
M
A
N
U
A
L
S
OCAU
T
I
O
N
S
I
N
O
T
H
E
M
A
N
U
A
L
S
OCAU
T
I
O
N
S
I
N
O
T
H
E
M
A
N
U
A
L
S
OCAU
T
I
O
N
S
I
N
O
T
H
E
M
A
N
U
A
L
S

54 Manual del Operador
INSTRUCCIONES IMPORTANTES DE SEGURIDAD
19. No use el calentador en el sótano o debajo del nivel de tierra.
Gasolina de Propano / L.P. es más pesada de aire. Si un
agujero occure, gasolina de Propano / L.P. bajará al nivel más
abajo que es posible.
20. Mantenga calentador más de seis pies afuera de tanque(s) de
Propano / L.P. No ponga el calentador en dirección de tanque(s)
de Propano / L.P. dentro de 20 pies.
21. Mantenga tanque(s) de Propano / L.P. debajo de 100° F
(37.8° C).
22. Revise calentador para daño antes de cada uso. No use un
calentador que tiene daño.
23. Revise manguera antes de cada uso de calentador. Si muy
gastado o cortado, reemplace con manguera especificado por
el fabricante antes de usar el calentador.
24. Mantenga el calentador afuera de los giros fuertes, el viento,
el rocío del agua, la lluvia o agua goteado.
25. Para prevenir la herida, lleve guantes cuando manejando el
calentador.
26. No cambie el calentador. Mantenga el calentador en estado
original.
27. No use el calentador si es cambiado.
28. Apague suministro del propano a calentador cuando no está
en un uso.
29. Sólo use las partes originales del reemplazo. Este calentador
debe usar el diseño las partes específicas. No sustituya ni use
las partes genéricas. Las partes impropias del reemplazo
podrían causar las heridas graves o fatales.
30. El calentador es equipado con termostato. ¡Calentador puede
empezar en cualquier tiempo!
31. No ajuste el regulador abajo de 7 PSIG o arriba de 20 PSIG.
GUARDE ESTAS INSTRUCCIONES
W
A
R
N
I
N
G
W
A
R
N
I
N
G
S
I
N
TH
E
M
A
N
U
A
L
S
.
W
A
R
N
I
N
G
S
I
N
TH
E
M
A
N
U
A
L
S
.
C
A
U
T
I
O
N
OCAU
T
I
O
N
S
I
N
O
T
H
E
M
A
N
U
A
L
S
OCAU
T
I
O
N
S
I
N
O
T
H
E
M
A
N
U
A
L
S
OCAU
T
I
O
N
S
I
N
O
T
H
E
M
A
N
U
A
L
S
OCAU
T
I
O
N
S
I
N
O
T
H
E
M
A
N
U
A
L
S

Manual del Operador 55
SERVICIO CON CIUDADO CALENTADOR
Antes de servicio del calentador, apague el calentador y
permite enfriarse de la unidad.
Preste servicio en un área limpie, seca y planca.
USE ROPA PROTECTORA
Use ropa medida cerca y equipo de seguridad apropiado
al trabajo.
Use devise protector de oído como orejeras o tapón para
el oído para protectar en contra de ruidos inaceptables
y altos.
Operando equipo de seguridad necesita toda atención de
operador. No use auriculares de radio o música mientras
operando máquina.
PREPARE PARA EMERGENCIAS
Mantenga primeros auxilios y extinguidor cerca.
Mantenga números de emergencia para doctores, servicio
de ambulancia, hospital, y departamento de fuego cerca
de telefono.
Sea preparado si un fuego empiece.
INSPECCIONES CALENTADOR
Asegúrese que todas tapas, guardias, y escudos son
ajustados y en posición.
Encuentre todos controles operando y etiguetas de
seguridad. Inspeccione cordón eléctrico para daño antes
de usando. Hay un riesgo de electrocución de aplastante,
cortando, o daño de calor.
Quite todos los artículos del embalaje aplicados del
calentador para el envío. Quite todos los artículos del
cartón. Compruebe los artículos para saber si hay
cualquier daño del envío. Si se daña el calentador,
informe puntualmente al distribuidor donde usted compró
el calentador.

56 Manual del Operador
A -- Salida de Aire Caliente (Frente)
B -- Manivela
C -- Guardía de Ventilador
D -- Córdon de corriente
E -- Asamblea de Manguera / Regulador
F -- Conectador de Entrada
AC-375LP
G -- Interruptor ON/OFF
H -- Cubierta externa
I -- erilla Del Termóstato
MANDOS
Mandos
REAR VIEW
A
B
C
D
E
F
G
H
I

Manual del Operador 57
Temperatura a Tanque # de tanques
40°F (5°C) y arriba 3
Debajo 40°F (5°C) (Use tanque más grande)
Preparando
VENTILACIÓN
ADVERTENCIA : SIGA LOS REQUISITOS MINIMOS
DE AIRE FRESCO Y FUERA DE VENTILACION. SI
APROPIADO AIRE FRESCO Y FUERA DE LA
VENTILACION NO ES PROPORCIONADO, EL
ENVENAMIENTO DE MONOXIDO DE CARBONO
PUEDE OCURRIR. PROVECE VENTILACION DE
AIRE APROPIADO DE FRESCO Y FUERA ANTES
DE OPERAR EL CALENTADOR.
Provece una abierta de aire fresco de un mínimo de tres
pies cuadrados para cada 100,000 Btu/Hr valador. Provece
más aire fresco si más calentadores están usado.
SUMINISTRO DE PROPANO
Gasolina de Propano / L.P. y tanque(s) de Propano / L.P.
tiene que obtener de usador.
Use este calentador solamente con sistema de un retirada
de vapor propano. Vea Capítulo 5 de Almacenamiento y
Manejo Estandard de Gases Licuados del Petróleo, ANSI
/ NFPA 58 y Código de Instalación de Propano CAN/CGA
B 149.2. Su biblioteca o departamento de Fuego local
tendrá este folleto.
La cantidad de gasolina Propano / L.P. que está lista para
uso de tanques de Propano / L.P. varia. Dos factores que
decide esta cantidad:
1. La cantidad de gasolina de Propano / L.P. en
tanque(s).
2. La temperatura de tanque(s).
La tabla abajo muestra el número de tanques de 100 libras
(45 kg) que son necesarios para operar este calentador.
No opere este producto con algunos tanques más
pequeños de 100 libras.
Menos gasolina es vaporado en temperaturas bajas.
Puede necesitar dos o más tanques de 100 libras (45kg)
o un tanque más grande en tiempo frío. Su comerciante
local del gas del Propano/ L.P. lo ayudará a escoger el
sistema apropiado del suministro. El mínimo de calificación
de aire circundante de la temperatura para cada calentador
es -20° F (29° C).

Preparando
58 Manual del Operador
LA TEORIA DE LA OPERACIÓN
El Sistema de Combustible: La asamblea de manguera / regulador sujeta al suministro de combustible de
Propano / L.P. El combustible de Propano / L.P. mueve por la válvula de solenoid y se va la boquilla.
El Sistema de Aire: El motor dobla la ventilador. La ventilador empuja aire entre y alrededor de cámara de
combustión. El aire se calenta y provece un corriente de aire limpie y caliente.
El Sistema de Ignción: Ignición de Chispa Directa (DSI) manda voltaje al ignición. El ignición ignita el combustible
y mezcla de aire.
El Sistema de Seguridad de Control: El sistema tiene que apagar de calentador si el fuego apague o termine.
El motor continuará funcionar, pero nada calor produce.

Manual del Operador 59
INSTALACIÓN
IMPORTANTE: Lea y comprenda las advertencias
en la sección de Información de Seguridad. Ellos son
necesitados para operar con seguridad este calentador.
Siga todas ordenanzas locales y codigos cuando se usa
este calentador.
ADVERTENCIA: EXAMINE TODA TUBERIA
DE GAS Y CONEXIONES PARA ESCAPES
DESPUES DE INSTALAR O SERVICIO.
NUNCA UTILICE UNA LLAMA ABIERTA
PARA VERIFICAR PARA UN ESCAPE.
APLIQUE UNA MEZCLA DEL JABON
Y E L A G U A LIQUIDO S A T ODAS
COYU NT UR AS . FORMACION D E
BURBUJEAS MUESTRA UN ESCAPE.
C O R R I J A T O D O S E S A L E
INMEDIATAMENTE.
1. Provece un sistema de suministro de propano. (vea
Suministro de Propano).
2. Conecte instalación de conectador de combusible en
asamblea de manguera / regulador a tanque(s) de Propano
/ L.P. Doble en sentido contrario a las agujas del reloj
entre hilos en la válvula de tanque. Aprete con fuerza
usando tirón.
IMPORTANTE: Aprete regulador con perilla negra de
ajustado hacia abajo. Esta posición de perilla de ajustado
protege regulador de daño de tiempo. (Fig 1)
3. Conecte manguera a conectador de entrada. Aprete con
fuerza usando un tirón. (Fig. 2)
IMPORTANTE: Puede usar extra manguera o tuberia si
es necesario. Instale manguera o tuberia extra entre
asamblea de manguera / regulador y tanque de Propano /
L.P. Tiene que usar regulador que viene con calentador.
4. Abra válvula de suministro de propano en tanque(s) de
Proapano / L.P. muy despacio.
Nota: Si no abre muy despacio, la válvula que revisa el flujo-
excesivo en tanque de Propano / L.P. parará el flujo de gas.
Si este ocurre, puede escuchar un clic adentro de asamblea
de regulador. Para reprogramar la válvula de flujo excesivo
que revisa, cierra válvula de suministro de Propano/L.P. y
abre una otra vez despacio.
5. Ajuste regulador entre 7 y 20 PSIG.
Nota: Posición más alta permitará el calentador producir
más calor.
6. Revise todas conexiones para fugas.
7. Cierre válvula de suministro de propano.
ADVERTENCIA: NO AJUSTE EL REGULADOR
ABAJO DE 7 PSIG O ARRIBA DE 20 PSIG.
CALENTADOR PUEDE FUNCIONAR MAL.
(Fig. 1)
(Fig. 2)
Instalación

60 Manual del Operador
FUNCIONAMIENTO
IMPORTANTE: Lea y comprenda las advertencias
en la sección de Información de Seguridad. Ellos son
necesitados para operar con seguridad este calentador.
Siga todas ordenanzas locales y codigos cuando se usa
este calentador.
ADVERTENCIA: SIGA EL MINIMO REQUISITOS DE
A I R E F R E S C O Y FUE R A DE
VENTILACION. SI AIRE APROPIADO
FRESCO Y FUERA DE LA VENTILACION
NO ES PROPORCIONADO, EL
M O N O X I D O D E C A R B O N O
POISIONING PUEDE OCURRIR.
PROVECE AIRE APROPIADO FRESCO Y
FUERA DE LA VENTILACION ANTES DE
OPERAR EL CALENTADOR.
ARRANQUE EL CALENTADOR:
1. Siga toda información de seguridad y ventilación.
2. Ponga calentador en un área que provece la máxima
de circulación de aire caliente. Siga todos requisitos
de locación que están en Información de Seguridad.
3. Encuentre calentador en superficie nivel y estable.
Asegúrese que no vientos fuertes muevan entre el
frente o trasero de calentador.
4. Tape cárdon de corriente de calentador entre córdon
extensión de tierra con tres puntas. Córdon de
extensión tiene que ser de un mínimo de 6 pies (1.83m)
largo, UL/CSA lista y de un tamaño correcto. Vea Tabla
de Córdon de Extensión.
5. Tape córdon de extensión entre una salida de tierra de
120 voltaje/60 hertz, 3-agujeros.
6. Abre válvula de suministro de propano en tanque(s) de
Propano muy despacio.
Nota: Si no abre muy despacio, la válvula que revisa el
flujo excesivo en tanque de Propano / L.P. parará el
flujo de gas. Es posible que esuchará un clic de cierra
de válvula que revisa el flujo excesivo. Si este ocurre,
reprogramar válvula que revisa el flujo excesivo como
cerrando válvula de suministro de Propano / L.P. y abre
una otra vez despacio.
7. Cerciórese de que el regulador esté fijado entre 7 y 20
psig.
Nota: Posición más alta permitará el calentador producir
más calor.
8. Doble interruptor de ON/OFF a posición de ON.
Ajuste termostato a posición deseable. Si calentador
no arranque, posición de termostato puede estar
demasiado bajo. Doble perilla de termostato a un
posición más alto para arrancar el calentador.
Nota: Si calentador no arranque, doble interruptor de
on/off a posición de OFF. Espere diez segundos para
control de seguridad para reprogramar, entonces tratar
una otra vez.
Requisito de Tamaño de Córdon de Extensión
la longitud de córdon: córdon valorada:
Hasta 50 pies (15 m) 18 AWG
51 a 100 pie (15.5 a 30.48m) 16 AWG
101 a 200 pie (30.78 a 60.96m) 14 AWG
Operación

Operación
Manual del Operador 61
FUNCIONAMIENTO (CONTINUACIÓN)
PARE EL CALENTADOR:
1. Cierre apretado la válvula de suministro de propano en
tanque(s) de Propano / L.P.
2. Espere unas segundas. Calentador quemará restos de
gasolina en mangueras de suministro.
3. Doble interruptor de ON/OFF a posición de OFF.
4. Desconecte el calentador.
PARA REARRANQUE CALENTADOR:
Si control de seguridad para flujo de gasolina a calentador,
el motor continuará.
1. Doble interruptor de ON/OFF a posición de OFF.
2. Espere diez segundos, entonces doble interruptor de
ON/OFF a posición de ON.
Si calentador no rearranque:
1. Revise válvulas manuales (si algo) y válvulas de
suministro (en tanque de Propano / L.P.). Asegure que
están abiertos.
2. Revise nivel de combustible en tanque (s) de Propano
/ L.P. Si nivel del combustible sea demasiado bajo,
contacte su compania local de gasolina Propano/L.P.
Si calentador no ya rearranque, contacte su centro local
de servicio.

62 Manual del Operador
Condición de falla Causa Posible Remedio
Ventilador no empiece cuando
calentador está tapado.
Heater no ignitará.
Nada corriente eléctrica a
calentador.
Ventilador tocando adentro de
cáscara de calentador.
Palas de ventilador están torcidos.
Motor defectivo
Usador no siga instrucciones de
instalación de operación correcto.
No chispa a ignición. Para examinar
para chispa, vea “Servicio: Ignición”
y siga paso 8. Si vea chispa a
ignición, tiene servicio de calentador
por un persona cualificado de
servicio. Si no vea chispa:
a. Afloje o desconecte alambre de
ignición
b. área de chispa equivocada
c. electrodo de ignición malo
d. transformador de chispa malo
Revise voltaje a salida eléctrica. Si
voltaje es bueno, revise córdon de
corriente de calentador para rompios.
Ajuste soporte de motor / ventilador
para quitar el ventilador tocando el
dentro de cáscara de calentador.
Reemplace el ventilador.
Reemplace el motor.
Repite instrucciones de instalación y
operación.
a. Revise alambre de ignición. Aprete o
resujete alambre suelto de ignición.
Vea “Mantenimiento: Transformador
de Chipa” para posición de alambre
de ignición.
b. Haga área entre electrodo de
ignición y plato de fijado a .13”/.15”
(3.3/3.8mm)
c. Reemplace electrodo de ignición.
Vea “Mantenimiento: Ignición.”
d. Reemplace transformador de chispa.
Vea “Mantenimiento: Transformador
de Chispa.
Localización de Fallas
ADVERTENCIA: NUNCA REALICE REPARACIONES AL CALENTADOR MIENTRAS ESTÉ CONECTADO,
EN FUNCIONAMIENTO O CALIENTE. PUEDEN OCURRIR QUEMADURAS GRAVES Y CHOQUES
ELÉCTRICOS.

Localización de Fallas
Manual del Operador 63
Condición de falla Causa Posible Remedio
Calentador apague mientras
funcionando
Calentador está produciendo
olor.
Suministro de Propano /
L.P. puede ser inadecuado.
Temperatura Alta de aire alrededor
que causa el aparato de limito
termal a apagar el calentador.
Flujo de aire es restringido.
El ventilador tiene daño.
Polvo o escombo excesivo en área
de alrededor.
Agujero de Gasolina
Calentador funciona en un 20 lb.
cilindro de Propano / L.P. Gasolina
insuficient de Propano / L.P.
suministrará de un cilindro de 20lb.
que resultará en un olor.
Tanque de suministro de Propano
/ L.P. está “ parando porque está
frío.” La tasa de la evaporación y
el consumo del propano del tanque
del suministro está demasiado
grande para el tamaño del tanque
y la temperatura de aire.
a. Rellene el tanque.
b. Provece más tanques y / o tanques
más grande. Vea “ Preparación:
Suministro de Propano”.
Este puede ocurrir cuando funcionando
el calentador en temperaturas más
altas de 85* F (30*C). Funcione
calentador en temperaturas más
frías.
Revise entrada y salida de calentador.
Quite algunas obstrucciones.
Reemplace el ventilador. Vea
“Mantenimiento: Ventilador.”
Limpie el calentador. Vea “
Mantenimiento”.
Revise todas conexciones para
agujeros. Aplique una mezcla de
jabón liquido y agua a conjuntos
de gasolina. Burbujas que están
formando significa que hay un agujero
que necesita correctar.
Para obtener una mezla correcta
de gasolina y aire de Propano /
L.P., use un tamaño de cilindro más
grande, por ejemplo 100lb. (mínimo)
Vea “ Preparación : Suministro de
Propano”.
a. Use un tamaño más grande de
cilindro de suministro, por ejemplo
100 lb (mínimo) .
b. Reduzca la tasa del consumo como
operando la calentadora posición
BAJA por un poco tiempo hasta
escarcha desaparece del tanque.
ADVERTENCIA: Use sólo en areas
libre de contento arriba de polvo.
ADVERTENCIA: NUNCA REALICE REPARACIONES AL CALENTADOR MIENTRAS ESTÉ CONECTADO,
EN FUNCIONAMIENTO O CALIENTE. PUEDEN OCURRIR QUEMADURAS GRAVES Y CHOQUES
ELÉCTRICOS.

64 Manual del Operador
Servicio
MANTENIMIENTO:
ADVERTENCIA: PARA QUITAR EL RIESGO DE
QUEMADURAS Y DESCARGA ELECTRICA,
NUNCA TRAT E A DAR SERVICIO A
CALENTADOR MIENTRAS SE TAPADO,
FUNCIONANDO, O CALIENTE.
MANTENGA EL CALENTADOR LIBRE DE O
SIN DE MATERIAS COMBUSTIBLES,
GASOLINA, Y OTROS VAPORES Y LIQUIDOS
FLAMMABLES.
NO BLOQUEE EL FLUJO DE COMBUSTIÓN O
AIRE DE VENTILACIÓN.
1. Mantenga calentador limpie. Limpie claentador
anualamente o como necesario para quitar polvo
y escombro. Si calentador está sucio o tiene
escombros, limpie calentador con tela mojada. Use
limpiadores de casa en mangas difíciles.
2. Inspecte calentador antes de cada uso. Revise
conexciones para agujeros. Aplique mezcla de jabón,
liquido y agua a conexciones. Si hay burbujas que
están formando, hay un agujero. Correcte todos
agujeros pronto.
3. Inspecte asamblea de manguera / regulador antes de
cada uso. Si manguera está muy gastado, reemplace
con manguera éspecifica de fabricante.
4. Tiene que inspectar calentador cada año por una
agencia calificada de servicio.
5. Mantenga adentro de calentatdor libre y sin de
objectos extranjeros y combustibles. Quite motor y
otros partes interior si es necesario para limpiar el
adentro de calentador.
6. Limpie palas de ventilador cada estación o como es
necesario.

Servicio
Manual del Operador 65
MANTENIMIENTO (CONTINUACIÓN):
(Fig. 3)
(Fig. 4)
(Fig. 5)
ADVERTENCIA: NUNCA REPARAR CALENTADOR
MIENTRAS ESTA TAPADO, CONECTADO
A SUMINISTRO DE PROPANO / L.P. ,
OPERANDO O CALIENTE. QUEMADURAS
SERIAS Y GOLPE DE CORRIENTE PUEDE
OCURRIR.
LIMPIANDO EL VENTILADOR:
Limpie el ventilador cada 500 horas de operación o como es
necesario.
1. Quite tornillos en cubierto de lado usando conductor de
tuerca de 5/16”.
2. Quite cubierto de lado.
3. Separe los cinco alambres de motor de partes bajo de
cáscara de calentador. Asegure que sólo separe alambres
que veniendo de calentador. (Fig 3)
Los cinco alambres de Motor son:
• alambre blanco ----- a tabla terminal
• alambre negro ----- a tabla terminal
• alambre azul ---- a alambre de interruptor termal
• alambre anaranjado ---- a válvula de solenoid
• alambre verde ---- a tornillo de tierra en cáscara
4. Quite guardía de ventilador de trasero de calentador.
5. Alcance en el trasero del cáscara de calentador. Tire con
cuidado alambres de motor por agujero en el fondo del
cáscara.
Nota: Tire alambres por agujero de uno a uno.
6. Quite tuercas y tornillos de soporte que tiene soporte de
motor a cáscara. Use 3/8" conductor de tuerca para y
7/16" tirón.
7. Con ciudado tire motor y ventilador afuera de cáscara.
IMPORTANTE: Ten cuidado para no da daño a ventilador. NO
ponga debajo del motor y ventilador con peso sorportando en
ventilador. Este puede dar daño a punto de ventilador.
8. Doble motor y ventilador alrededor. Ponga motor y ventilador
entre cáscara hacia atrás.
Nota: Motor irá entre cáscara primero. (Fig 5)
9. Forme fila agujeros de soporte de trasero en el cáscara con
primer agujero en cada lado del soporte de motor. (Fig 5).
Nota: Cuando agujeros están en una linea , ventilador debe
estar afuera de cáscara.
10. Teniendo en mano el tornillo de soporte, con cuidado
alcance por palas de ventilador entre trasero de calentador.
Ten cuidado para no dañar el punto de ventilador. Inserte
un tornillo por soporte y cáscara de motor. Con mano libre,
sujete apretado el dedo de tuerca. Repite este proceso
para el otro agujero de soporte.
11. Use tirón de hex de 1/8” para soltar el tornillo de conjunto
que mantenga ventilador a eje de motor (Fig 6).
12. Mueva el ventilador afuera de eje de motor.
13. Limpie ventilador usando una tela suave que está mojada
con Kerosane o sovente. (Fig. 6)

Servicio
66 Manual del Operador
LIMPIANDO EL VENTILADOR:
14. Seque ventilaor en total.
15. Reemplace ventilador en eje de motor. Asegure que
tornillo de presión está tocando el atraso de superficie
plano en eje de motor. (Fig 7).
16. Ponga tornillo de presión en plano de eje. Aprete
con firmeza tornillo de presión (40-50 pulgadas – libras
/ 46.08-57.60 kilogramos – centimetros.)
17. Quite dos tuercas y tornillos que segurar el soporte
de motor a cáscara.
18. Tire el motor y ventilador afuera de cáscara. Con
cuidado, ponga en cáscara otra vez. Nota: Ventilador
irá cáscara primero.
19. Ponga en una linea agujeros de soporte en cáscara
con agujeros en soporte de motor. Reemplace cuatro
tornillos por cáscara y soporte de motor. Inserte
tornillos de afuera de calentador. Aprete tuercas con
fuerza.
20. Con cuidado ponga alambres de motor por agujero
en el abajo de cáscara (Fig. 4).
21. Conecte alambres de motor como siga (Fig 3):
• alambre blanco – a tabla terminal
Nota: Sujete conectador vacío en lado de alambre blanco
de tabla terminal.
• alambre negro ----- a tabla terminal
Nota: Sujete conectador vacío en lado de alambre negro
de tabla terminal.
• alambre azul ---- alambre de interruptor termal
• alambre anaranjado----- a válvula de solenoid
• alambre verde ----- a tornillo de tierra en cáscara
22. Reemplace cubierto de lado.
23. Reemplace guardía de ventilador.
(Fig. 7)

Manual del Operador 67
PRECAUCION: DESCONECTE CALENTADOR
DE TANQUE(S) DE PROPANO / L.P.
SUMINISTRO.
1. Mantenga tanque(s) de Propano / L.P. en manera
con seguridad. Vea Capítulo 5 de Almacenamiento
y Manejo Estandard de Gases Licuados del Petróleo,
ANSI / NFPA 58 y Código de Instalación de Propano
CAN/CGA B 149.2. Siga todos códigos locales.
Siempre mantena tanques de Propano / L.P. en aire
libre.
2. Ponga tapa plástica de cubierta encima de instalaciones
de latón en entrada de conector y asamblea de
manguera / regulador.
3. Mantenga en lugar seco, limpie, y seguro. No
mantenga asamblea de manguera y regulador
adentro de cámara de combustión de caliente.
4. Cuando quitando calentador afuera de almacenamiento,
siempre revise adentro de calentador. Insectos y
animales pequeños pueden poner objectos extranjeros
en calentador. Mantenga el adentro de calentador sin
de objectos extranjeros y combustibles.
Almacenamiento

68 Manual del Operador
ARTÍCULO ESPECIFICACIÓN
Tamaño de Modelo AC-375LP
Clase de Salida (BTU / Hr) 225,000 á 375,000
Combustible Sólo Vapor de Propano
Consumpción de Combustible
(Gal Cada Hora/ Litros Cada Hora) Mín: 2.5 / 9.4
Máx: 4.0 / 15
(Libras Cada Hora / Kilogramos Cada Hora) Mín: 10.4 / 4.7
Máx: 17.4 / 7.9
Suministro de Presión a Regulador
Mínimo (para ajustado de entrada) 25 PSIG / 172kPa
Máxima Presión de Tanque
Presión de Salida de Regulador 7-20 PSIG / 48 á 138 kPa
Salida de Aire Caliente (aprox.) 1500 CFM / 42.5 metro cúbico / minuto
Motor RPM 1725
Motor HP 1/5
Entrada de Eléctrica 120V / 60Hz
Amperios (Corriente Normal) 4.2
Ignición Chispa Directa Electrónica, D.S.I.
Peso de Mandando
(Libras / Kilogramos Aproximados ) 48 / 21.8
Peso de Calentador
(Libras / Kilogramos Aproximados ) 41 / 18.6
Especificaciónes
ANOTE NÚMERO SERIE
Escriba número de modelo, numero serie de máquina (vea etiqueta
de número serie (A) en ilustración y fecha de compra en espacios
abajo. Su concesario necesita esta información cuando ordenando
partes.
Num. de modelo _________________________________________
Num. serie de máquina ___________________________________
Fecha de compra ________________________________________
(llene de comprador)

Manual del Operador 69
Diagrama de Alambre

70 Manual del Operador
DECLARACIÓN DE GARANTÍA
John Deere garantiza que todas las piezas (excepto aquellas a las que se hace referencia
abajo), de su nueva calentador libres de defectos en materiales y mano de obra durante
los periodos siguientes:
Por uno (1) año a partir de la fecha original de compra.
Las piezas defectuosas que no están sujetas a deterioro causado por el uso serán
reparadas o reemplazadas a nuestra opción durante el periodo de garantía. En todo caso,
el reembolso está limitado al precio de compra pagado.
EXCLUSIONES
1. Esta garantía no cubre las piezas que son dañadas debido al desgaste normal,
aplicación incorrecta, uso erroneo, operación en otro que recomendado. La falta
de seguir funcionar recomendado y los procedimientos de mantenimiento anular la
garantía también.
2. El uso de otras piezas de reparación genuinas del fabricante anulará la garantía.
3. La garantía será vacío si está utilizada en cualquiera uso con excepcion de consumidor/
dueño de casa. Las piezas vueltas, pagado por adelantado a nuestra fábrica o a
un centro de servicio autorizado de John Deere serán examinadas y reemplacen
gratuitamente si estan encontradas para ser defectuosas y conforme a garantía. No
hay garantías que extienden más de la descripción de la cara de esto. Debajo de
ningunas circunstancias el fabricante tendrá algo responsibilidad de perdida de uso de
la unidad, la perdida de tiempo o de alquiler, la inconveniencia, la perdida comercial
o los daños consecuentes.
PARA SERVICIO O CONSIDERACION DE LA GARANTIA CONSULTE CON:
Mi-T-M® Corporation/8650 Enterprise Drive, Box 50/Peosta, IA 52068-0050
Telefono: 1-877-JD-KLEEN / (1-877-535-5336) Fax: 563-556-1235
Lunes - Viernes 8:00 a.m. - 5:00 p.m. CST

Manual del Operador 71
Nota

72 Manual del Operador
Manufactured for Deere & Company
Moline, Illinois 61265
Space Heaters Operator's Manual
Form #37-0877-071805
117227-01A