Digigram PCX924E PCI Express Sound Cards User Manual VX222HR VX222HR Mic 07 2007
Digigram PCI Express Sound Cards VX222HR VX222HR Mic 07 2007
Digigram >
Contents
- 1. Manual 1
- 2. Manual 2
Manual 2

D i g i g r a m
VX222e
VX222e-Mic
Professional Stereo
Sound Cards
User’s manual

D i g i g r a m
2
For technical support,
please contact your system supplier
Digigram S.A.
Parc de Pré Milliet, 38330 Montbonnot - FRANCE
Tel: +33 (0)4 76 52 55 01• Fax: +33 (0) 4 76 52 53 07• E-mail: info@digigram.com
Digigram Inc.
2000 North 14th Street - Suite 530, Arlington, VA 22201-USA
Tel: +1 703 875 9100 • Fax: +1 703 875 9161 • E-mail: input@digigram.com
Digigram Asia Pte Ltd.
350 Orchard Road - #19-07 Shaw House Singapore 238868-SINGAPORE
Tel: +65 6291 2234• Fax: Fax: +65 6291 3433 • E-mail: info_asia@digigram.com

VX222e & VX222e-Mic
User’s Manual
3
Table of Contents
INFORMATION FOR THE USER
.......................................................................5
IMPORTANT NOTICE
................................................................................................5
CONTENTS OF THIS PACKAGE
.......................................................................6
FEATURES
.............................................................................................................................6
VX222e & VX222e-Mic main hardware features .....................................................6
Additional hardware features VX222e-Mic .................................................................. 7
Main software features ......................................................................................................7
HARDWARE REQUIREMENTS
..........................................................................8
Minimum requirements......................................................................................................8
Software requirements........................................................................................................8
Supported operating systems............................................................................................ 8
HARDWARE INSTALLATION
............................................................................8
Installing the card................................................................................................................. 8
Interrupt and memory address......................................................................................... 8
SOFTWARE INSTALLATION
................................................................................9
Standard installation under Windows XP, Server 2003,
and Windows Vista..............................................................................................................9
Parameterizing the ASIO and Wave drivers .............................................................. 11
Removing the driver under Windows XP, and Server 2003.................................. 12
Removing the driver under Windows Vista ................................................................ 12
HOW TO CHECK THE INSTALLATION
.................................................. 12
THE ‘DIGIGRAM HARDWARE SETTINGS’ (‘DHS’)
CONTROL PANEL
....................................................................................................... 14
SPECIFICATIONS
......................................................................................................... 15
Configuration...................................................................................................................... 15
Inputs ................................................................................................................................... 15
Additional inputs VX222e-Mic ...................................................................................... 16
Outputs................................................................................................................................16
Connectors .......................................................................................................................... 16
Audio specifications........................................................................................................... 17
Analog audio performance.............................................................................................. 17
Sample rate converter performance ............................................................................ 17
Analog mono microphone input features VX222e-Mic .......................................... 18
AES42 microphone input features - VX222e-Mic ................................................... 18
Development environments............................................................................................ 19

D i g i g r a m
4
APPENDICES
.................................................................................................................... 20
VX222e schematic diagram........................................................................................... 20
VX222e-Mic schematic diagram .................................................................................. 20
Layout................................................................................................................................... 21
VX222e - analog cable diagram................................................................................... 22
VX222e-Mic - analog cable diagram........................................................................... 22
Wiring diagram - analog cable VX222e..................................................................... 23
Wiring diagram - analog cable VX222e..................................................................... 23
VX222e - digital cable with GPIOs............................................................................... 24
VX222e - digital cable without GPIOs......................................................................... 24
Wiring diagram - digital cable with GPIOs (VX222e) ............................................. 25
Wiring Diagram - digital cable without GPIOs (VX222e) ...................................... 25
VX222e-Mic - digital cable with GPIOs....................................................................... 26
VX222e-Mic - digital cable without GPIOs................................................................. 26
Wiring diagram - digital cable with GPIOs (VX222e-Mic) ..................................... 27
Wiring diagram - digital cable without GPIOs (VX222e-Mic) ............................... 27
VX222e cable pinout....................................................................................................... 28
VX222e-Mic cable pinout............................................................................................... 28
Warning:
Electrostatic discharge (ESD) can damage several
components on the board. To avoid such damage in
handling the board, take the following precautions:
Bring the device and everything that contacts it to
ground potential by providing a conductive surface and
discharge paths. As a minimum, observe these
precautions:
• Disconnect all power and signal sources.
• Place the device on a grounded conductive work surface.
• Ground yourself via a grounding wrist strap or by holding a grounded
object.
• Ground any tool that will contact the device.
Due to the reduced length of the PCI EXPRESSTM bus connector and the
resulting lack of mechanical stability, we strongly advise against transporting
the card(s) installed in a computer, unless its chassis or case provides a
dedicated support to keep the card securely in place in order to avoid physical
damage.
Copyright 2007 Digigram. All rights reserved.
No portion of this manual may be reproduced without prior written consent from Digigram. The copyright protection
claimed here includes photocopying, translation and/or reformatting of the information contained in this manual.
While every effort has been made to ensure accuracy, Digigram is not responsible for errors and omissions, and
reserves the right to make improvements or changes in the products and programs described without notice.
Digigram and the Digigram logo, VX222e and VX222e-Mic are registered trademarks or trademarks of Digigram S.A..
All other trademarks are property of their respective holders.

VX222e & VX222e-Mic
User’s Manual
5
INFORMATION FOR THE USER
This device complies with part 15 of FCC rules. Operation is subject to the following
two conditions: (1) This device may not cause harmful interference, and (2) This device
must accept any interference received, including interference that may cause undesired
operation.
This equipment has been tested and found to comply with the limits for a CLASS B
digital device, pursuant to Part 15 of the FCC Rules. These limits are designed to
provide reasonable protection against harmful interference in a residential installation.
This equipment generates, uses, and can radiate radio frequency energy and, if not
installed and used in accordance with the instructions contained in this data sheet, may
cause harmful interference to radio and television communications. However, there is
no guarantee that interference will not occur in a particular installation.
If this equipment does cause harmful interference to radio or television reception, which
can be determined by turning the equipment off and on, the user is encouraged to try to
correct the interference by one or more of the following measures:
* reorient or relocate the receiving antenna
* increase the separation between the equipment and the receiver
* connect the equipment into an outlet on a circuit different from that of the receiver
* consult the dealer or an experienced audio television technician.
Note: Connecting this device to peripheral devices that do not comply with CLASS B
requirements or using an unshielded peripheral data cable could also result in
harmful interference to radio or television reception. The user is cautioned
that any changes or modifications not expressly approved by the party
responsible for compliance could void the user’s authority to operate this
equipment. To ensure that the use of this product does not contribute to
interference, it is necessary to use shielded I/O cables.
IMPORTANT NOTICE
This card has been tested and found to comply with the following standards:
• International: CISPR22 Class B.
• Europe: EMC 89/336/CEE (1992) specifications.
• United States: FCC Rules-Part 15-Class B (digital device).
In order to guarantee compliance with the above standards in an installation, the
following must be done:
• the provided cable must not be modified.
• additional cables used must have their respective shield connected to each
extremity.

D i g i g r a m
6
CONTENTS OF THIS PACKAGE
Thank you for purchasing a Digigram VX sound card.
The package consists of the following components:
• a VX222e or VX222e-Mic sound card
• the User’s Manual at hand.
The end user version additionally includes:
• two breakout cables (analog and digital)
• a CD-Rom with drivers, installation notices, FAQs, etc…
• a registration form
For the OEM version, the cables are available optionally.
FEATURES
VX222e and VX222e-Mic are audio cards for PCI EXPRESSTM (PCIe®) bus.
They are in PCI EXPRESSTM x1 format and can thus be plugged into any PCIe®
slot (x1, x2, x4, x8, x16, x32).
VX222e & VX222e-Mic main hardware features
• 2 balanced∗ analog mono line inputs, with software adjustable gain and a
maximum input level of +24 dBu
• 2 servo-balanced∗∗ analog mono line outputs, with software adjustable
gain and a maximum output level of +24 dBu
• 1 AES/EBU∗∗∗ stereo input
The selection of the digital input for recording excludes the selection of
the analog inputs.
It is possible to use the signal on the digital input as reference clock.
• 1 AES/EBU∗∗∗ stereo output
Always transmits the digital version of the analog outputs 1 and 2.
• 1 LTC (Linear Time Code) input
• 1 mini jack headphone stereo output
This output is in parallel of the analog outputs 1 and 2.
• 2 General Purpose inputs and 2 outputs (GPIOs)
• Inter-card synchronization connector
∗ can be used with unbalanced signals
∗∗ electronically servo-balanced outputs provide automatic level adjustment to accommodate
either balanced or unbalanced lines
∗∗∗ can be used as S/PDIF interface as well

VX222e & VX222e-Mic
User’s Manual
7
Additional hardware features VX222e-Mic
• 1 analog microphone input with
- high-quality preamplifier
- switchable 48 V phantom power
- analog expander/compressor/limiter
This input is mixed with the two line inputs before A/D conversion.
• 1 AES/EBU Sync input
• The AES/EBU input is AES42 compatible and features a hardware sample
rate converter (for details see chapter ‘Specifications’)
The two AES/EBU inputs on the VX222e-Mic allow:
- recording of a digital signal on the AES/EBU data input; this input is
also used as source of synchronization with a digital clock
- recording of a digital signal on the AES/EBU data input, synchronized
on a digital clock connected to the AES/EBU synchronization input;
- the synchronization of analog recording and playback on an AES/EBU
clock connected to the AES/EBU Sync input.
The selection of the digital input excludes the selection of the analog
inputs.
Note: AES42 is an extension of the digital audio standard of interface AES3 providing for
interfacing digital microphones.
Main software features
• Real-time, simultaneous PCM record and playback (8, 16 and 24 bits),
Float IEEE754 (with 24-bit fixed-point dynamic range)
• When using the np SDK, real-time on-board mixing of several PCM
audio streams, direct monitoring, level adjustment, panning, cross-fades,
punch-in/punch-out, scrubbing
• Possibility to control the parameters of the inputs and outputs (gains,
mutes, 48 V switch, analog compressor-limiter-expander parameters),
from the provided ‘Digigram Hardware Settings’ application, or from any
application that addresses these controls
• 24-bit DSP effects in playback and recording: 3-band parametric
equalizer plus Maximizer
• Low latency DirectSound, ASIO, and Wave∗ drivers
Note: the HR Runtime package for Windows Vista does not include a Wave
driver. In case your audio application explicitly requires a Wave
interface, a Wave driver is available on request. In this case, please
contact Digigram.
∗ Windows XP and Server 2003 only

D i g i g r a m
8
HARDWARE REQUIREMENTS
Minimum requirements
PC with one free PCI EXPRESSTM (PCIe®) slot (x1, x2, x4, x8, x16 or x32).
CPU power and memory required depend on the operating system and on the
audio application used.
Software requirements
To use your VX222e or VX222e-Mic, install the driver from the HR Runtime
package version 1.70 or higher. This package includes:
• a Digigram np driver enabling OEM applications to best capitalize on the
boards
• a WDM DirectSound driver
• a Wave driver∗ (installation optional)
• an ASIO driver (installation optional)
Supported operating systems
VX222e and VX222e-Mic cards run under Windows XP∗∗, Server 2003** , and
Windows Vista∗∗.
HARDWARE INSTALLATION
Due to the reduced length of the PCI EXPRESSTM bus connector and the
resulting lack of mechanical stability, we strongly advise against transporting the
card(s) installed in a computer, unless its chassis or case provides a dedicated
support to keep the card securely in place in order to avoid physical damage.
The card has to be installed in the computer prior to installing its driver.
Installing the card
Gently plug the card into a free PCIe® slot and press it down firmly to position
it. Tighten the screw.
Interrupt and memory address
Hardware interrupt and addresses are automatically set up at start-up by the
PCI PnP BIOS.
∗ Windows XP and Server 2003 only; for Windows Vista, a Wave driver is available on
request.
∗∗ 32-bit version

VX222e & VX222e-Mic
User’s Manual
9
SOFTWARE INSTALLATION
Note: the installation of the software requires administrator rights on your
computer
Please visit the Digigram web site at www.digigram.com for the most recent
driver.
In case you run a specific application developed or installed by a Digigram
partner, it might require the use of a specific driver version. In this case, make
sure that the updated driver has been approved by your supplier.
Standard installation under Windows XP,
Windows Server 2003, and Windows Vista
If the driver has been downloaded from our web site, it has to be expanded
prior to the driver’s installation as follows: double-click on the downloaded
file (self-expanding). You can use the default destination location (Windows
temporary folder) or select another directory.
Important note
: this default procedure installs the ‘Digigram Hardware Settings’
control panel. This application allows the configuration of the hardware resources of
Digigram cards for all audio applications. The DHS allows for instance to define the
clock of the card, the input source, input and output analog and digital gain,
Sample Rate Converters, digital output format, etc...
Please note that, with the DHS installed, controls available through the DirectSound
control panel are limited to:
• Volume control for input and output
• Wave control
Under Windows XP, and Server 2003 you may also install the driver without
installing the DHS control panel, and in this case more controls are available
through the DirectSound control panel:
• Volume control for input
• Wave control
• Monitoring control
• Analog input level
• Digital input level
• Clock selection: AES Sync, AES1, Word Clock
• Digital output format: professional, consumer

D i g i g r a m
10
To do so, install the driver with the command line: “
setup x_topology
” (not
available under Windows Vista). For detailed information, please refer to the
dedicated document on our web site.
• Shut down your computer and insert your VX card.
• Restart your computer.
• Click on Cancel if the “Found New Hardware” Wizard appears.
• Double-click on the HR Runtime vxx.msi/HR Runtime vxx.msi for
Vista icon to launch the driver installation.
• A welcome message is displayed, click Next to continue.
• The “License Agreement” window appears: read it, and click on
“I accept the terms in the license agreement” to approve it.
• Do the same in the next window for Virtual PCX and PC Codec Legal
Notice.
• In the “Custom Setup” window, the “Drivers for the HR boards” are
displayed; by default, both WDM DirectSound and ASIO HR are
installed.
To install the Wave driver∗, select ‘Wave’.
To be able to use your VX card through np, select the ‘Digigram np’
component option (or make sure that the np application explicitly sets
the ‘VX_FLAG’ with PCXInitialize()).
Next.
• In the “Ready to Install the Program Window”, click on Install to
start copying the files.
• Note: In case you use an unsigned driver version, the “Digital
Signature Not Found” message may appear because a non-Microsoft
software is about to be installed.
Click on Continue in the “Hardware installation” window
(Windows XP, Server 2003).
• Under Windows Vista:
Click Allow in the “User Account Control” window.
Click Install in the “Windows Security” window.
• In the “Digigram drivers” window, select the number and the size of
buffers required by your applications. Click on Ok.
• Click Finish to complete the driver installation.
∗ Windows XP and Server 2003 only; for Windows Vista, a Wave driver is available on
request.

VX222e & VX222e-Mic
User’s Manual
11
Parameterizing the ASIO and Wave drivers
For all sound cards of the VX range, “PCM only” is the only operating mode,
therefore this button is disabled in the Digigram control panel (CPL). (To
access this control panel, go to <Start>, <Programs>, <Digigram>,
<Digigram Control Center>). For detailed information on how to use the
Digigram control panel, please refer to its online help (“? Help” button).

D i g i g r a m
12
Removing the driver under Windows XP, and
Windows Server 2003
• Open the Windows Control Panel and double-click on the
Add/Remove Software icon.
• Select Digigram HR Runtime …, and Change/Remove.
• Select Remove in the “HR Runtime” window.
• Follow the instructions to finish the driver removal.
Removing the driver under Windows Vista
• Open the Windows Control Panel and double-click on the
Programs and Features icon.
• Select “Digigram HR Runtime for Vista…”, and Change/Remove.
• Select Remove in the HR Runtime window.
• Follow the instructions to finish removing the driver.
How to check the installation
Once the cards and the driver have been installed according to the procedure
described in this manual, you can verify that the card is properly installed and
works fine as follows:
• Menu <Start> <Settings> <Control panel>, <Sound and
Multimedia>, tab “Audio”, Default device (Playback device,
Recording device). The card’s channels can be selected. The card can
be used with any DirectSound application.
• The card is also visible via the np interface: go to <Start>
<Programs> <Digigram> and select <Digigram Control Center>.
• In the “Digigram drivers” window, select the ‘General
Information’ tab.
In the “Modules Information” window, you can see the HR
Runtime modules that have been installed, and their versions.
• In the “Digigram drivers” window, select the ‘Diagnostics’
tab.
You should see here the icons of the cards you have installed.

VX222e & VX222e-Mic
User’s Manual
13
• If the card you have installed is listed:
• Right click on the icon of the card.
• Select ‘Diagnostics’, and Play Sine. This plays in loop a
sine signal on the outputs of the card. You can also select
Play file to play in loop a file of your choice (PCM only).
If the playback is correct, the card is correctly installed
and works.
• To stop the playback, right click on the card icon, and
select Stop Activities.
• If the card is not displayed:
• Make sure that during the HR runtime installation the
“Driver for the HR boards” has been selected in the
“Select components” window.
• Make sure that the card is correctly inserted in the PCI
slot, and screwed on the PC chassis.
• If necessary, uninstall the HR runtime package as
described in this manual, and re-install it.
• If the Wave driver has been installed∗:
• Go to menu <Start>, <Settings>, <Control panel>,
<Sound and Multimedia>, tab “Audio”, Default device
(Playback device, Recording device). The card’s channels
can be selected. The card can be used with any Wave
application.
• If the ASIO driver has been installed:
• The card is visible from any ASIO application.
∗ Windows XP and Server 2003 only; for Windows Vista, a Wave driver is available on
request.

D i g i g r a m
14
The ‘Digigram Hardware Settings’
(‘DHS’) control panel
Digigram hardware settings (DHS) is an application allowing to configure the
hardware resources of Digigram cards for all audio applications using them.
A resource being managed by the DHS application can not be modified by any
other applications. To enable an audio application to modify a Digigram card
resource, this resource must not be managed by the DHS.
Note: As soon as a resource of a card is managed by the DHS, the clock
selection of this card MUST be defined in the DHS.
The DHS allows to:
• Select the clock the card uses
• Select the input source
• Set analog and digital gains of an input
• Enable Sample Rate Converters of an input
• Select the input monitored on an output
• Set the monitoring gains
• Set the analog and digital gains of an output
• Define the digital output format
For help on how to use this control panel, please refer to its on-line help.

VX222e & VX222e-Mic
User’s Manual
15
SPECIFICATIONS
Configuration
VX222e VX222e-Mic
Bus/Format PCI EXPRESSTM (PCIe®) x1
(x2, x4, x8, x16, x32 compatible)
Digital Signal Processor Motorola 56303 at 100 MHz
RAM 128 kWords 512 kWords
Size 168 mm x 99 mm x 20 mm
Power requirements
(+3.3V/ +12V) 1 A / 0.2 A 1.3 A∗ / 0,22 A
Operating:
temp / humidity
(non-condensing)
0°C / +50°C • 5% / 90%
Storage: temp / humidity
(non-condensing) -5°C / +70°C • 0% / 95%
Inputs
VX222e VX222e-Mic
Analog line inputs (mono) 2 balanced∗∗ 2 balanced∗ ∗
Maximum input
level/impedance +24 dBu / <10 kΩ +24 dBu / >10 kΩ
Digital inputs (stereo) 1 AES/EBU∗∗∗ cf. separate table
Programmable input gain analog: from –94 dB to +16 dB⊗
digital: from –110 dB to +18 dB
Other inputs 2 GPI (dry contact),
LTC
AES11 synchronization Yes
∗
enabling phantom power (48 V) may increase this value by 50%
using the 10 V AES42 power to feed the microphone may increase this value by 90%
∗∗
can be used with unbalanced signals
∗∗∗
can be used as S/PDIF interface as well
⊗ maximum sensitivity: 0 dBFs for –16 dBu input

D i g i g r a m
16
Additional inputs VX222e-Mic
Microphone input
1 professional mono with
- high-quality preamplifier
- switchable 48 V phantom power
- analog expander/compressor/limiter
This input is mixed with the two line inputs before
A/D conversion.
Digital input (stereo)
1 AES/EBU, AES42 compatible
- with hardware sample rate converter (SRC)
- supplying 10 V to feed a digital microphone
- allowing remote microphone control
Other inputs AES/EBU Sync (up to 200 kHz)
Outputs
VX222e VX222e-Mic
Analog line outputs (mono) 2 servo-balanced∗∗
Maximum output level /
impedance +24 dBu / < 100 Ω
Digital outputs (stereo) 1 AES/EBU, up to 200 kHz
Programmable output gain analog: from –24 dB to +24 dB
digital: from –110 dB à +18 dB
Other outputs 1 stereo headphone output (600 Ω)
2 GPO (relay, 0.5 A, 48 VCC)
Connectors
VX222e VX222e-Mic
Internal connector Inter board synchronization
External connectors
• 15-pin Sub-D for analog I/Os
• 15-pin HD Sub-D for digital I/Os, Sync.,
and GPIO
• Mini jack headphone stereo output
(3,5 mm TRS female jack)
∗∗ electronically servo-balanced outputs provide automatic level adjustment to accommodate
either balanced or unbalanced lines

VX222e & VX222e-Mic
User’s Manual
17
Audio specifications
VX222e VX222e-Mic
Sampling frequencies available Programmable from 8 to 192 kHz
A/D and D/A converter
resolution 24 bits 24 bits
Supported audio formats PCM (8, 16, 24 bits), Float IEEE754
Analog audio performance
Measurements done at Fs=48 kHz unless stated otherwise, with filter on the
22 Hz- 22 kHz range
VX222e VX222e-Mic
Frequency response
(record + play)
at 48 kHz: 20 Hz - 20 kHz: +0 /-0.3 dB
at 96 kHz: 20 Hz - 40 kHz: +0 /-0.4 dB
at 192 kHz: 20 Hz - 80 kHz: +0 /-1.1 dB
Channel phase difference:
20/20kHz <0.2°/2°
Dynamic range
(A-weighted)
Analog In: >104 dB
Analog Out: > 106 dB
THD + noise 1 kHz at –2 dBfs Analog In: <–97 dB
Analog Out: <-95 dB
Crosstalk
(Analog in or out)
1 kHz at 24 dBu: <–115 dB
15 kHz at 24 dBu: <-100 dB
Sample rate converter performance
VX222e-Mic
Maximum frequency 192 kHz
Frequency ratio from 1:8 to 7,5:1
THD + noise 1 kHz at –2 dBfs <-130 dB

D i g i g r a m
18
Analog mono microphone input features
VX222e-Mic
Power supply switchable 48 V phantom power
Programmable mic gain 0 to 66 dB in 0.5 dB steps
Maximum input
level/impedance +10 dBu / >10 kΩ
Equivalent Input Noise,
A/D-D/A at 48kHz, G=60 dB <-125 dBu
Programmable noise-gate
threshold -52 dB, -42 dB, -32 dB
Programmable
compressor/limiter threshold from –26 dB to 0 dB
Programmable compressor ratio 1, 1.2, 1.5, 1.8, 2, 2.5, 3, 3.5, 4, 4.5
Programmable
compressor/limiter gain from 0 to 16 dB
Limiter ratio 15:1
Compressor/limiter release time 150 ms
Management of line and mic
inputs
Mixed together before A/D, with independent
level and mute controls
AES42 microphone input features - VX222e-Mic
Power supply 10 V min / 250 mA max
Remote control Yes
Supported synchronization Operational mode 1
(the microphone generates its own clock)

VX222e & VX222e-Mic
User’s Manual
19
Development environments
VX222e VX222e-Mic
Digigram management np SDK (HR runtime, PCM only)
Other management Wave∗, ASIO, DirectSound (all PCM only)
Supported operating
systems
Windows XP∗∗, Windows Server 2003∗ ∗ , and
Windows Vista∗∗
Main on-board processing
features (with np SDK)
PCM play, rec, Float IEEE754, direct monitoring,
real-time mixing, level adjustment, panning, cross-
fade, punch-in/punch-out, scrubbing, 3-band
parametric equalizer plus Maximizer
∗ Windows XP and Server 2003 only; for Windows Vista, a Wave driver is available on
request.
∗∗ 32-bit version

D i g i g r a m
20
APPENDICES
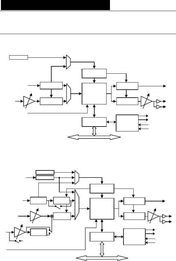
VX222e schematic diagram
PCI EXPRESS
BUS
AES/EBU IN
DAC
Level adjust
TRANSMIT AES/EBU OUT
CLOCK
GENERATION
DSP
INTERFACE GPIO
CONTROL
GP OUT
GP IN
RECEIVE
ADC
ANALOG
LINE IN 1 - 2 LINE OUT
Headphones OUT
LTC
CRYSTAL
VX222e-Mic schematic diagram
PCI EXPRESS
BUS
AES/EBU IN
AES42 compatible
DAC
Level adjust
TRANSMIT AES/EBU OUT
CLOCK
GENERATION
DSP
INTERFACE
RECEIVE
ADC
ANALOG
LINE IN
1 – 2
SRC
LTC
Bypass
AES/EBU
SYNC RECEIVE
LINE OUT
Headphones
OUT
GPIO
CONTROL
GP OUT
GP IN
Level setting
48 V
MICRO IN
(mono) LIMITER
CRYSTAL

VX222e & VX222e-Mic
User’s Manual
21
Layout
J1: Headphone connector:
(3.5 mm TRS female jack)
Contact Signal
Sleeve Ground
Tip Left channel
Ring Right channel
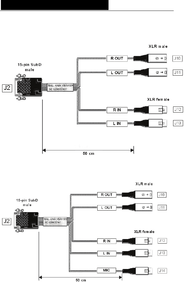
J2: Analog cable
J3: Digital cable
J4: Inter-card synchronization connector

D i g i g r a m
22
VX222e - analog cable diagram
Analog cable delivered by Digigram:
VX222e-Mic - analog cable diagram
Analog cable delivered by Digigram:

VX222e & VX222e-Mic
User’s Manual
23
Wiring diagram - analog cable VX222e
J13
female
+
-2
3
1Left IN
J12
female
+
-2
3
1Right IN
J11
male
+
-2
3
1
Left OUT
J10
male
+
-2
3
1
Right OUT
XLR
1
9
10
3
13
6
7
15
J2
Signal number
Wiring diagram - analog cable VX222e
J14
female
+
-2
3
1Mic
J13
female
+
-2
3
1Left IN
J12
female
+
-2
3
1Right IN
J11
male
+
-2
3
1
Left OUT
J10
male
+
-2
3
1
Right OUT
XLR
1
9
10
3
13
6
7
15
12
5
J2
Signal number

D i g i g r a m
24
VX222e - digital cable with GPIOs
Schematic diagram of the cable delivered by Digigram*:
VX222e - digital cable without GPIOs
Schematic diagram of the cable delivered by Digigram*:
* Your cable may look different if it is not a Digigram cable.

VX222e & VX222e-Mic
User’s Manual
25
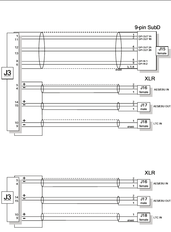
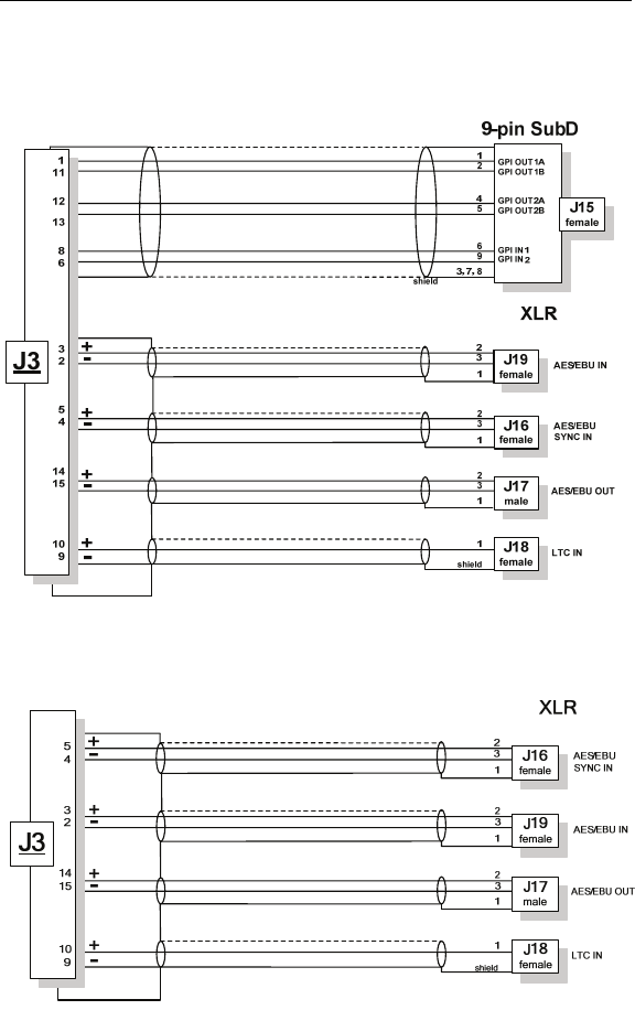
Wiring diagram - digital cable with GPIOs (VX222e)
Wiring Diagram – digital cable without GPIOs
(VX222e)

D i g i g r a m
26
VX222e-Mic - digital cable with GPIOs
Schematic diagram of the cable delivered by Digigram*:
VX222e-Mic - digital cable without GPIOs
Schematic diagram of the cable delivered by Digigram*:
* Your cable may look different if it is not a Digigram cable.

VX222e & VX222e-Mic
User’s Manual
27
Wiring diagram - digital cable with GPIOs
(VX222e-Mic)
Wiring diagram - digital cable without GPIOs
(VX222e-Mic)

D i g i g r a m
28
VX222e cable pinout
Pin # ANALOG DIGITAL
1 R OUT + GPO OUT 1A
2 GND NC
3 L OUT - NC
4 GND AES/EBU IN -
5 NC AES/EBU IN +
6 R IN - GPI INPUT 2
7 L IN + GND/GPO COMMON INPUT
8 GND GPI INPUT 1
9 R OUT - GND
10 L OUT + LTC IN
11 GND GPO OUT 1B
12 NC GPO OUT 2A
13 R IN + GPO OUT 2B
14 GND AES/EBU OUT +
15 L IN - AES/EBU OUT -
VX222e-Mic cable pinout
Pin # ANALOG DIGITAL
1 R OUT + GPO OUT 1A
2 GND AES/EBU IN -
3 L OUT - AES/EBU IN +
4 GND AES/EBU SYNC IN -
5 MIC IN AES/EBU SYNC IN +
6 R IN - GPI INPUT 2
7 L IN + GND/GPI INPUT COMMON
8 GND GPI INPUT 1
9 R OUT - GND
10 L OUT + LTC IN
11 GND GPI OUT 1B
12 MIC IN + GPI OUT 2A
13 R IN + GPI OUT 2B
14 GND AES/EBU OUT +
15 L IN - AES/EBU OUT -