Digigram X1222HR PCI Bus Audio Cards User Manual VX881 882HR 11 2004
Digigram PCI Bus Audio Cards VX881 882HR 11 2004
Digigram >
Contents
- 1. Manual PCX
- 2. Manual VX
Manual PCX

D i g i g r a m
PCX1221HR
PCX1222HR
Professional Multichannel
Sound Cards
User’s manual

D i g i g r a m
2
For technical support,
please contact your system supplier
Digigram S.A.
Parc de Pré Milliet, 38330 Montbonnot - FRANCE
Tel: +33 (0)4 76 52 55 01• Fax: +33 (0) 4 76 52 53 07• E-mail: info@digigram.com
Digigram Inc.
2101 Wilson Boulevard, Suite 1004, Arlington, VA 22201-USA
Tel: +1 703 875 9100 • Fax: +1 703 875 9161 • E-mail: input@digigram.com
Digigram Asia Pte Ltd.
350 Orchard Road - #19-07 Shaw House Singapore 238868-SINGAPORE
Tel: +65 6291 2234 • Fax: +65 6291 3433 • E-mail: info_asia@digigram.com

PCX1221HR & PCX1222HR
User’s Manual
3
Table of Contents
INFORMATION FOR THE USER
................................................................................................................... 5
IMPORTANT NOTICE
............................................................................................................................................. 5
CONTENTS OF THIS PACKAGE
................................................................................................................... 6
FEATURES
........................................................................................................................................................................... 6
PCX1221HR main hardware features........................................................................................................................ 6
PCX1222HR main hardware features........................................................................................................................ 7
Main software features.................................................................................................................................................... 7
REQUIREMENTS
........................................................................................................................................................... 7
Hardware requirements................................................................................................................................................... 7
SOFTWARE REQUIREMENTS
........................................................................................................................... 8
Supported operating systems ......................................................................................................................................... 8
HARDWARE INSTALLATION
......................................................................................................................... 8
Installing the card .............................................................................................................................................................. 8
Interrupt and memory address...................................................................................................................................... 8
SOFTWARE INSTALLATION
............................................................................................................................ 8
Installation under Windows 2000 and XP................................................................................................................. 9
Parameterizing the ASIO driver.............................................................................................................................. 9
Parameterizing the Wave driver..........................................................................................................................10
Removing the driver under Windows 2000 and XP.............................................................................................10
HOW TO CHECK THE INSTALLATION
...............................................................................................11
DIRECTSOUND CONTROL PANEL
..........................................................................................................12
Playback controls .............................................................................................................................................................12
Recording controls ...........................................................................................................................................................14
Clock selection ..................................................................................................................................................................16
Digital outputs format selection...................................................................................................................................18
ASIO CONTROL PANEL
......................................................................................................................................19
WAVE CONTROL PANEL
...................................................................................................................................19
SPECIFICATIONS
.......................................................................................................................................................20
Configuration .............................................................................................................................................................20
Inputs...........................................................................................................................................................................20
Outputs .......................................................................................................................................................................21
Connectors .................................................................................................................................................................21
Audio specifications..................................................................................................................................................21
Audio Performance ..................................................................................................................................................22
Development environments...................................................................................................................................22
APPENDICES
..................................................................................................................................................................23
PCX1221HR Schematic Diagram.......................................................................................................................23
PCX1222HR Schematic Diagram.......................................................................................................................23
Layout..........................................................................................................................................................................24
PCX1221HR cable diagram.................................................................................................................................25
PCX1221HR wiring diagram................................................................................................................................25
PCX1222HR cable diagram.................................................................................................................................26
PCX1222HR wiring diagram................................................................................................................................27
PCX1221HR cable pinout.....................................................................................................................................28
PCX1222HR cable pinout.....................................................................................................................................28
Copyright 2005 Digigram. All rights reserved.
No portion of this manual may be reproduced without prior written consent from Digigram. The copyright protection
claimed here includes photocopying, translation and/or reformatting of the information contained in this manual.
While every effort has been made to ensure accuracy, Digigram is not responsible for errors and omissions, and
reserves the right to make improvements or changes in the products and programs described without notice.
Digigram and the Digigram logo, PCX1222HR, and PCX1221HR are registered trademarks or trademarks of Digigram
S.A. Other trademarks are property of their respective holders.

D i g i g r a m
4
INFORMATION FOR THE USER
This device complies with part 15 of FCC rules. Operation is subject to the following
two conditions: (1) This device may not cause harmful interference, and (2) This device
must accept any interference received, including interference that may cause undesired
operation.
This equipment has been tested and found to comply with the limits for a CLASS B
digital device, pursuant to Part 15 of the FCC Rules. These limits are designed to
provide reasonable protection against harmful interference in a residential installation.
This equipment generates, uses, and can radiate radio frequency energy and, if not
installed and used in accordance with the instructions contained in this data sheet, may
cause harmful interference to radio and television communications. However, there is
no guarantee that interference will not occur in a particular installation.
If this equipment does cause harmful interference to radio or television reception, which
can be determined by turning the equipment off and on, the user is encouraged to try to
correct the interference by one or more of the following measures:
* reorient or relocate the receiving antenna
* increase the separation between the equipment and the receiver
* connect the equipment into an outlet on a circuit different from that of the receiver
* consult the dealer or an experienced audio television technician.
Note: Connecting this device to peripheral devices that do not comply with CLASS B
requirements or using an unshielded peripheral data cable could also result in
harmful interference to radio or television reception. The user is cautioned
that any changes or modifications not expressly approved by the party responsible
for compliance could void the user’s authority to operate this equipment. To ensure
that the use of this product does not contribute to interference, it is necessary to use
shielded I/O cables.
IMPORTANT NOTICE
This card has been tested and found to comply with the following standards:
• International: CISPR22 Class B
• Europe: EMC 89/336/CEE (1992) specifications
• United States: FCC Rules-Part 15-Class B (digital device)
In order to guarantee compliance with the above standards in an installation,
the following must be done:
• the provided cable must not be modified
• additional cables used must have their respective shield connected to
each extremity

PCX1221HR & PCX1222HR
User’s Manual
5
CONTENTS OF THIS PACKAGE
Thank you for purchasing a Digigram PCX sound card.
The package consists of the following components:
* a PCX1222HR or PCX1221HR sound card
* the user’s manual at hand
The breakout cables to connect the card’s I/Os are not part of this package.
They are delivered separately.
Also available (optional):
2U 19-inch breakout box allowing straightforward and secure connection to
all the cards’ I/Os
FEATURES
PCX1222HR and PCX1221HR are audio cards for PCI bus. They are
‘Universal PCI 64-bit/66 MHz’, which means they can be plugged in 32-bit/33
MHz 5 V PCI slots as well as in 64-bit/66 MHz 3.3 V keyed PCI slots. The
cards are also compatible with PCI-X interfaces.
PCX1221HR main hardware features
• 1 digital AES/EBU∗ stereo input, with hardware sample rate converter
(up to 96 kHz) and programmable digital gain
• 6 digital AES/EBU∗ stereo outputs (up to 192 kHz) with programmable
digital gain
• 1 digital AES/EBU∗ stereo sync input (up to 192 kHz in play and record)
• 1 standard Word Clock input (up to 96 kHz)
• 1 standard Word Clock output (up to 96 kHz)
• 1 video sync input
• 1 SMPTE/LTC (Linear Time Code) sync input
∗ can be used as S/PDIF interface as well

D i g i g r a m
6
PCX1222HR main hardware features
All features of the PCX1221HR, plus:
• 2 balanced∗∗ analog mono line inputs, with software programmable
analog and digital gain
• 12 servo-balanced∗∗∗ analog mono line outputs, with software
programmable analog and digital gain
• 192 kHz / 24-bit converters
• Maximum level on analog inputs and outputs: +24 dBu
Note: The digital outputs always play the digital version of the corresponding analog output.
The selection of the AES/EBU input excludes the selection of the analog inputs.
Main software features
• Real-time, simultaneous record and playback in PCM (8, 16 and 24 bits)
as well as in MPEG Audio Layer I, Layer II and Layer IIIL, Float IEEE754
conversion supported (with 24-bit fixed-point dynamic range)
• When using the np SDK, real-time mixing of several PCM and MPEG
audio streams, direct monitoring, level adjustment, panning, cross-fades,
punch-in/punch-out, scrubbing, time-stretching, pitch-shifting, 3-band
parametric equalizer, maximizer, format and frequency conversions
• Low latency DirectSound, Wave, and ASIO drivers. Under DirectSound
and ASIO, the cards operate in PCM mode only (nevertheless, an
application can integrate coders/decoders on the host PC). Under Wave,
HR boards can operate in both PCM and MPEG (layer 1 and layer 2).
L MPEG Layer III play-only on DSP;
MPEG Layer III recording on the host computer is available through
Digigram's PC Codec option using the np SDK
REQUIREMENTS
Hardware requirements
• Pentium III minimum (or equivalent)
• 128 MB RAM
• One free PCI or PCI-X slot (5 V or 3.3 V)
∗∗ can be used with unbalanced signals
∗∗∗ Electronically servo-balanced outputs provide automatic level adjustment to accommodate
either balanced or unbalanced lines

PCX1221HR & PCX1222HR
User’s Manual
7
Software requirements
To use your PCX1221HR or PCX1222HR, install the driver from the np
Runtime HR package version 1.01 or higher. This package includes:
• a Digigram np driver enabling OEM applications to best capitalize
on the HR boards
• a WDM DirectSound driver. Microsoft DirectX 9 or higher must be
installed on your computer
• a Wave driver (installation optional).
• an ASIO driver (installation optional)
Supported operating systems
PCX1221HR and PCX1222HR cards run under Windows 2000 and Windows
XP.
HARDWARE INSTALLATION
The card has to be installed in the computer prior to installing its driver.
Installing the card
Gently plug the card in a free PCI slot and press it down to position it firmly.
Tighten the screw.
Interrupt and memory address
Hardware interrupt and addresses are automatically set up at start-up by the
PCI PnP BIOS.
SOFTWARE INSTALLATION
Please visit the Digigram web site at www.digigram.com for the most recent
driver.
In case you run a specific application developed or installed by a Digigram
Partner, this application might require the use of a specific driver version. In
this case, make sure that the updated driver has been approved by your
supplier.
To update an HR driver, please uninstall the old version, then install the more
recent one.

D i g i g r a m
8
Installation under Windows 2000 and XP
If the driver has been downloaded from our web site, it has to be expanded
prior to the driver’s installation as follows: double-click on the downloaded
file (self-expanding). You can use the default destination location (Windows
temporary folder) or select another directory.
• Shut down your computer and insert your PCX card.
• Restart your computer.
• Click on Cancel if the Found New Hardware Wizard appears.
• Double-click on the setup.exe icon to launch the driver
installation.
• A welcome message is displayed, click Next to continue.
• The “License Agreement” window appears: read it, and click on
Yes to approve it. Do the same for the “Read Me First” window.
• Choose the destination folder where Setup will install the
application files (..\pcxnp by default). Note that the driver files are
installed in ..\windows\system32\Drivers\Digigram\PCXHR. Click
Next.
• In the “Select components” window make sure that the “Driver
for the HR boards” has been selected.
• Check the drivers to be installed in addition to DirectSound and
Digigram np: Wave (MME), ASIO.
• Select the program folder where the program icons will be added
(default: DIGIGRAM). Click Next.
• Click Next to start copying the files.
• Click on Continue anyway in the “Hardware installation”
window (Windows XP).
• In the “Digigram drivers” window, select the number and the size
of buffers required by your applications. Click on Ok.
• Click Finish to complete the driver installation.
Parameterizing the ASIO driver
• To use the ASIO driver on your on chart PCX HR sound card, the option
“PCM only” has to be activated in the Digigram control panel (CPL). To
access this control panel, go to <Start>, <Programs>, <Digigram>,
<Digigram Control Center>.

PCX1221HR & PCX1222HR
User’s Manual
9
Parameterizing the Wave driver
• In the case of an application managing exclusively PCM audio, the
latency of the Wave driver can be optimized activating the option “PCM
only” in the Digigram control panel (CPL). With this option enabled, the
latency of the Wave driver is optimized (in this case the PCX HR on-
board MPEG encoding/decoding is disabled). To access this control
panel, go to <Start>, <Programs>, <Digigram>, <Digigram Control
Center>.
Removing the driver under Windows 2000 and XP
• Open the Windows Control Panel and double-click on the
Add/Remove Software icon.
• Select “Digigram HR Runtime …”, and Change/Remove.
• Select Remove in the np Runtime window.
• Follow the instructions to finish driver removal.

D i g i g r a m
10
How to check the installation
Once the driver and the cards have been installed according to the procedure
described in this manual, you can verify that the card is properly set up and
works fine as follows:
• The card is visible under the DirectSound interface:
Menu <Start>, <Settings>, <Control panel>, <Sound and
Multimedia>, tab “Audio”, Default device (Playback device, Recording
device). Pull-down menus allow for the card's channel selection (e.g.
“VPCX1222HR 1+2 (WDM)” for the card's first stereo channel). The card
can be used with any DirectSound compliant application (see following
pages).
• The card is also visible through the np interface: Go to <Start>
<Programs> <Digigram> and select <Digigram Control Center>.
• In the “Digigram drivers” window, select the General
Information tab. In the Modules Information window you can see
the HR Runtime modules that have been installed, and their
versions.
• In the “Digigram drivers” window, select the Diagnostics tab.
You should see here the icons of the cards you have installed.
If the card you have installed is listed:
• Right click on the icon of the card.
• Select Diagnostics, and Play sine. This plays in loop a sine wave
signal on the outputs of the card.
You can also select Play file to play in loop a file of your choice
(PCM). If the playback is accurate, the card is correctly installed and
works.
• To stop the playback, right click on the card icon, and select Stop
Activities.
• If the “Wave (MME)...”option has been checked during installation, go to
Menu <Start>, <Settings>, <Control panel>, <Sound and
Multimedia>, tab Audio, <Default device> (Playback device, Recording
device). The card's channels can be selected (e.g. PCX1222HR 1+2 for
the card’s first stereo channel). The card can be used with any Wave
compliant application.
• If the ASIO option has been selected during installation, the card is
visible through any ASIO compliant application.
If the card is not displayed:
• Make sure that during the HR Runtime installation the “Driver for the
HR boards” has been selected in the “Select components” window.
• Make sure that the card is correctly inserted in the PCI slot, and screwed
on the PC chassis.
• if necessary, uninstall HR Runtime package as described in this manual,
and re-install it.

PCX1221HR & PCX1222HR
User’s Manual
11
DIRECTSOUND CONTROL PANEL
Some parameters of the PCX1222/PCX1221HR cards (such as volume,
balance, mute, clock selection, input selection…) can be adjusted from the
Windows DirectSound volume control panel.
Note: Keep in mind that there are no analog I/Os on PCX1221HR!
Whenever reference is made to these inputs or outputs in the
following chapters, it refers exclusively to the PCX1222HR.
Playback controls
To adjust the playback parameters, open the Volume Control application, go
to the Options menu, and select Properties.
Select the mixer device to be parameterized, and select “Playback” in the
“Adjust volume for” area.
In the “Show the following volume controls” section, select the controls
you’d like to adjust.
Click Ok.

D i g i g r a m
12
Balance, Mute, and Volume can be adjusted for:
• The device output (Volume control):
Volume and Balance use the analog output gain; Mute is digital.
• The stream coming from the application (Wave):
Windows applies all controls to the digital stream coming from the
application.
• The Monitoring:
the controls use the cards’ digital output gains.

PCX1221HR & PCX1222HR
User’s Manual
13
Recording controls
To adjust the recording parameters, open the Volume Control application, go
to the Options menu, and select Properties.
Select the mixer device you want to control, and select “Recording” in the
“Adjust volume for” area.
In the “Show the following volume controls” section, select the controls
you’d like to adjust.
Click Ok.

D i g i g r a m
14
From this Recording Control window, you can select the input the application
will use by clicking on one of the “Select” check boxes: Analog Input, Digital
Input, or digital SYNC Input.
• Analog Input:
Volume and Balance use the analog input gains.
Digital Input Volume and Balance can also be used when the Analog
Input is selected.
• Digital Input:
Volume and Balance use the digital input gains.
• SYNC Input
This input is available only with the Mixer device 1/2 selected. On
this device digital data can be recorded either from input
AES/EBU IN 1 or from the AES/EBU SYNC input.
Volume and Balance use the digital input gains.
Note: It is possible to select the analog input for one device, and the digital
input for another device.

PCX1221HR & PCX1222HR
User’s Manual
15
Clock selection
To select the clock, open the Volume Control application, go to the Options
menu and select Properties.
Select the mixer device to be controlled, and select “Other” in the “Adjust
volume for” section, then “Board Clock” from the pull-down menu.
In the “Show the following volume controls” section, select the controls
you’d like to adjust.
Click Ok.
Note: If the selected digital source has a clock other than the clock selected in
this “Properties” dialog, the on-board sample rate converter is used
(except for AES/EBU Sync).

D i g i g r a m
16
In the Board Clock window, you can then choose the clock that will be used
for both recording and playback, by selecting the corresponding check boxes.
Note: Checking the ‘Select’ boxes is only possible with a signal present on
the corresponding I/O.

PCX1221HR & PCX1222HR
User’s Manual
17
Digital outputs format selection
To select the digital outputs’ format (“Consumer” or “Professional”), open the
Volume Control application, go to the Options menu, and select Properties.
Select the mixer device you’d like to control, and select “Other” in the
“Adjust volume for” section, then select “Digital output” from the pull-down
menu.
In the “Show the following volume controls” area, select the controls you
want to adjust (“Consumer” and “Professional”).
Click Ok.

D i g i g r a m
18
In the “Digital Output” window, click on one of the “Select” check boxes to
select the required format.
ASIO CONTROL PANEL
With the ASIO driver installed, the card’s settings can be adjusted through the
ASIO control panel. To launch this interface, go to Start, Programs,
Digigram, ASIO HR Settings.
For details regarding its use, please refer to the on-line help of this interface.
WAVE CONTROL PANEL
When the card is used through the Wave interface, its parameters can be
adjusted from the Digigram Wave mixer. This mixer can be found in the
Windows task bar, or it can be started from <Start>, <Programs>,
<Digigram>. For help on how to use this Wave control panel, please refer to
its on-line help.

PCX1221HR & PCX1222HR
User’s Manual
19
SPECIFICATIONS
Configuration
PCX1221HR PCX1222HR
Bus/Format 64-bit/66 Mhz Universal PCI master mode,
PCI-X compatible
Digital Signal Processor Motorola 56321 at 240 MHz
RAM 512 kWords
Size 175 mm × 99 mm x 20 mm
Power requirements
(+3.3V / +5V / +12V / –12V)
0 A / 0.8 A / 0.1 A /
0 A
0 A / 1.8 A / 0.1 A /
0.1 A
Operating: temp / humidity
(non-condensing) 0°C / +50°C • 5% / 90%
Storage: temp / humidity
(non-condensing) -5°C / +70°C • 0% / 95%
Inputs
PCX1221HR PCX1222HR
Analog line inputs (mono) - 2 balanced∗
Maximum input level/
impedance - +24 dBu/ >10 kΩ
Digital input (stereo) 1 AES/EBU∗∗ with hw Sample Rate Converter,
1:3 to 3:1, up to 96 kHz
Programmable input gain digital:
from –110 dB to +18 dB
analog:
from –94.5dB à +15.5 dB⊗
digital:
from –110 dB à +18 dB
Other inputs AES/EBU Sync (up to 192 kHz),
Word clock (up to 96 kHz), LTC, Video
AES11 synchronization Yes
∗
can be used with unbalanced signals
∗∗
can be used as S/PDIF interface as well
⊗ maximum sensitivity: 0 dBFs for –15.5 dBu input

D i g i g r a m
20
Outputs
PCX1221HR PCX1222HR
Analog line outputs (mono) - 12 servo-balanced∗∗∗
Maximum output level /
impedance - +24 dBu / <100 Ω
Digital outputs (stereo) 6 AES/EBU∗∗, up to 192 kHz
Programmable output gain digital:
from –110 dB to +18 dB
analog:
from –86 dB to +24 dB
digital:
from –110 dB to +18 dB
Other outputs Word clock (up to 96 kHz)
Connectors
PCX1221HR PCX1222HR
Internal connectors Inter-board Sync and Companion Board Link
External connector 62-pin Sub-D
Digigram accessories
available Breakout cable or 2U 19" Breakout Box
Audio specifications
PCX1221HR PCX1222HR
Sampling frequencies
available Programmable from 8 to 192 kHz
A/D and D/A
converter resolution - 24 bits
Supported audio formats PCM (8, 16, 24 bits), Float IEEE754
∗∗∗
electronically servo-balanced outputs provide automatic level adjustment to accommodate
either balanced or unbalanced lines

PCX1221HR & PCX1222HR
User’s Manual
21
Audio Performance
measured at Fs=48 kHz
PCX1221HR PCX1222HR
Frequency response
(record + play) - 20 Hz–20 kHz: ±0.3 dB
Channel phase difference:
20/20kHz - <0.2°/2°
Dynamic range
(A-weighted) - Analog In: >104 dB
Analog Out: >110 dB
THD + noise 1 kHz at –1 dBfs - Analog In: <–96 dB
Analog Out: <–98 dB
Crosstalk (Analog in or out) - 1 kHz at 22 dBu: <–100 dB
15 kHz at 22 dBu: <–90 dB
Development environments
PCX1221HR PCX1222HR
Digigram management np SDK (HR Runtime, PCM only)
Other management Wave (PCM, MPEG),
ASIO, and DirectSound (PCM only)
OS supported Windows 2000 and XP
Main on-board processing
features (with np SDK)
PCM play, rec, Float IEEE754, and MPEG layer 1 et
layer 2 (layer 3 in playback) direct monitoring, real-
time mixing, level adjustment, panning, cross-fade,
punch-in/punch-out, scrubbing

D i g i g r a m
22
APPENDICES
PCX1221HR Schematic Diagram
PCI BUS
CLOCK
GENERATION
DSP
INTERFACE
AES/EBU Sync
Word Clock
CRYSTAL
Video
LTC
AES/EBU
IN 1 RECEIVE SRC
Bypass
TRANSMIT AES/EBU
OUT 1 - 6
RECEIVE
PCX1222HR Schematic Diagram
PCI BUS
AES/EBU
IN 1
DAC
Level adjust
TRANSMIT AES/EBU
OUT 1 - 6
CLOCK
GENERATION
DSP
INTERFACE
RECEIVE
ADC
ANALOG
LINE IN 1 – 2
LINE OUT
1 - 12
Video
Word Clock
CRYSTAL
SRC
LTC
Bypass
AES/EBU Sync RECEIVE

PCX1221HR & PCX1222HR
User’s Manual
23
LAYOUT
J1
PCX1221HR
PCX1222HR
Inter-board
sync
Companion
board connector
J1:
• Digital cable (PCX1221HR)
• Analog/digital cable (PCX1222HR)

D i g i g r a m
24
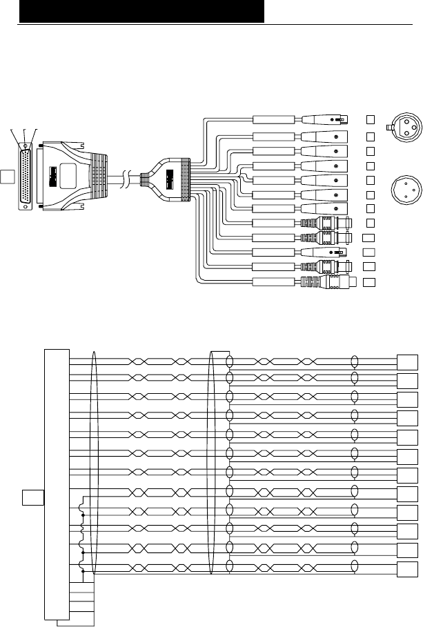
PCX1221HR cable diagram
Schematic diagram of the analog cable delivered by Digigram*:
43 22 1
J1
2
1
1
2
3
3
RCA Female
BNC Female
XLR-3P Male
XLR-3P Female
J3
J4
J5
J6
J7
J8
J9
J10
J2
J13
J11
2
2
2
2
AES EBU IN 1
2
2
AES EBU SYNC
LTC IN
VIDEO IN
2
2
AES EBU OUT 4
AES EBU OUT 3
AES EBU OUT 2
AES EBU OUT 1
WORD CLOCK OUT
WORD CLOCK IN
2
2
2
2
AES EBU OUT 5
AES EBU OUT 6
J12
* Your cable may look different if it is not a Digigram cable.
PCX1221HR wiring diagram
J8
J11
J13
J12
J10
J9
J7
J6
J4
J5
J3
J1
J2
Shell
Shell
9
27,30,
39,42
33,36,
22,24,
45
+
+
23
+
4
3
+
49
50 +
6
5
+
28
+
8
+
46
7
47
48 +
26
+
29
25
+
Outside
Shell
Shell
Shell
Shell
Shell
Shell
Shell
1
Outside
Center
Outside
Center
2
1
3
Center
Outside
Center
2
1
3
1
3
3
2
1
2
2
1
3
2
3
2
1
3
+
44
43
3
1
2

PCX1221HR & PCX1222HR
User’s Manual
25
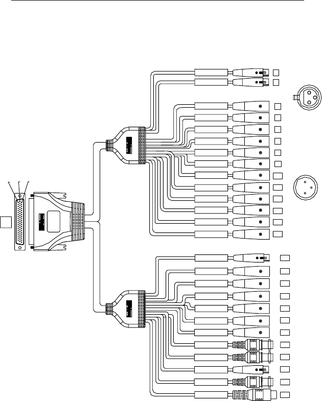
PCX1222HR cable diagram
Schematic diagram of the cable delivered by Digigram*:
3
3
3
3
43 22 1
J1
OUT 3 J10
OUT 8
OUT 7
OUT 6
OUT 5
OUT 4
AES EBU IN 1
23
3
3
1
3
3
3
3
J15
3
3
3
J8
J9
2
1
J12
J13
J14
1
J11
2
OUT 2
OUT 12
OUT 11
OUT 10
OUT 9
OUT 1
3
3
3
3
AES EBU SYNC
LTC IN
VIDEO IN
3
3
AES EBU OUT 4
AES EBU OUT 3
AES EBU OUT 2
AES EBU OUT 1
WORD CLOCK OUT
WORD CLOCK IN
3
3
3
3
3IN 2
IN 1
3
3
3
RCA Female
BNC Female
XLR-3P Male
XLR-3P Female
J2
J3
J4
J5
J6
J7
J16
J17
J18
J21
J22
J24
J25
J27
J23
AES EBU OUT 5
AES EBU OUT 6
J26
J20
J19
* Your cable may look different if it is not a Digigram cable.

D i g i g r a m
26
PCX1222HR wiring diagram
Shell
Shell
9
27,30,
39,42
33,36,
22,24,
45
+
+
23
+
4
3
+
49
50 +
6
5
+
28
+
8
+
46
7
47
48 +
26
+
29
25
+
Outside
Shell
Shell
Shell
Shell
Shell
Shell
Shell
J24
1
J27
Outside
Center
Outside
Center
2
1
3
Center
Outside
Center
J26
2
1
3
J25
1
J23
3
3
2
1
2
2
1
3
J22
J20
2
3
2
1
J21
3
J19
+
35
+
+
44
43
10
11 +
13
12
+
52
51
J1
53
+
54
+
17
55
+
15
14
16
56 +
31
+
58
57
34
32 +
+
62
40
38
37
+
+
41
20
+
21
61
2
Shell
Shell
Shell
Shell
Shell
Shell
Shell
Shell
Shell
Shell
1
3
1
2
J18
3
1
2
J15
3
2
3
1
1
2
3
2
J14
2
J12
3
2
1
3
1
J13
1
2
3
J11
J9
3
2
3
1
1
J10
1
2
3
J8
Shell
Shell
Shell
Shell
2J2
3
J5
J6
1
3
1
2
J7
2
3
1
J4
2
3
1
J3
J17
J16

PCX1221HR & PCX1222HR
User’s Manual
27
PCX1221HR cable pinout
Pin Signal Pin Signal Pin Signal
1 NC 22 GND 43 AES/EBU IN 1 -
2 NC 23 Vidéo IN 44 AES/EBU IN 1 +
3 AES/EBU SYNC - 24 GND 45 AES/EBU OUT 3 -
4 AES/EBU SYNC + 25 AES/EBU OUT 5 - 46 AES/EBU OUT 3 +
5 AES/EBU OUT 4 - 26 AES/EBU OUT 5 + 47 AES/EBU OUT 1 -
6 AES/EBU OUT 4 + 27 GND 48 AES/EBU OUT 1 +
7 AES/EBU OUT 2 - 28 AES/EBU OUT 6 - 49 Word Clock IN
Digital
8 AES/EBU OUT 2 + 29 AES/EBU OUT 6 + 50 Word Clock OUT
9 LTC IN 30 GND 51 NC
10 NC 31 NC 52 NC
11 NC 32 NC 53 NC
12 NC 33 GND 54 NC
13 NC 34 NC 55 NC
14 NC 35 NC 56 NC
15 NC 36 GND 57 NC
16 NC 37 NC 58 NC
17 NC 38 NC 59 NC
18 NC 39 GND 60 NC
19 NC 40 NC 61 NC
20 NC 41 NC 62 NC
Analog
21 NC 42 GND
PCX1222HR cable pinout
Pin Signal Pin Signal Pin Signal
1 NC 22 GND 43 AES/EBU IN 1 -
2 NC 23 Vidéo IN 44 AES/EBU IN 1 +
3 AES/EBU SYNC - 24 GND 45 AES/EBU OUT 3 -
4 AES/EBU SYNC + 25 AES/EBU OUT 5 - 46 AES/EBU OUT 3 +
5 AES/EBU OUT 4 - 26 AES/EBU OUT 5+ 47 AES/EBU OUT 1 -
6 AES/EBU OUT 4 + 27 GND 48 AES/EBU OUT 1 +
7 AES/EBU OUT 2 - 28 AES/EBU OUT 6 - 49 Word Clock IN
Digital
8 AES/EBU OUT 2 + 29 AES/EBU OUT 6 + 50 Word Clock OUT
9 LTC IN 30 GND 51 OUT 7 -
10 OUT 8 - 31 OUT 12 - 52 OUT 7+
11 OUT 8 + 32 OUT 12 + 53 OUT 5 -
12 OUT 6 - 33 GND 54 OUT 5 +
13 OUT 6 + 34 OUT 11 - 55 OUT 3 -
14 OUT 4 - 35 OUT 11 + 56 OUT 3 +
15 OUT 4 + 36 GND 57 OUT 1 -
16 OUT 2 - 37 OUT 10 - 58 OUT 1 +
17 OUT 2 + 38 OUT 10 + 59 NC
18 NC 39 GND 60 NC
19 NC 40 OUT 9 - 61 IN 1 -
20 IN 2 - 41 OUT 9 + 62 IN 1 +
Analog
21 IN 2 + 42 GND

D i g i g r a m
28
Your notes: