Digital Control B1DIG1 DigiRadio User Manual Operating Instructions
Digital Control Inc DigiRadio Operating Instructions
User Manual

Directional Drilling Locating System
Operator’s Manual
D
IGITAL
CONTROL
INCORPORATED
DCI Headquarters
19625 62nd Ave. S., Suite B-103
Kent, Washington 98032 USA
Tel 425 251 0559 / 800 288 3610 Fax 253 395 2800
E-mail DCI@digital-control.com www.digitrak.com
DCI Europe
Kurmainzer Strasse 56
D-97836 Bischbrunn
Germany
Tel +49(0) 9394 990 990
Fax +49(0) 9394 990 999
DCI.Europe@digital-control.com
DCI India
DTJ 1023, DLF Tower A
Jasola District Center
New Delhi 110 044, India
Tel +91(0) 11 4507 0444
Fax +91(0) 11 4507 0440
DCI.India@digital-control.com
DCI China
No. 41, Lane 500, Xingle Road
Huacao Town, Minhang District
Shanghai P.R.C. 201107
Tel +86(0) 21 6432 5186
Fax +86(0) 21 6432 5187
DCI.China@digital-control.com
DCI Australia
2/9 Frinton Street
Southport, Queensland 4215
Australia
Tel +61(0) 7 5531 4283
Fax +61(0) 7 5531 2617
DCI.Australia@digital-control.com
DCI Russia
420059 Pavlyukhina Street
104, Kazan
Russia
Tel +7 843 277 52 22
Fax +7 843 277 52 07
DCI.Russia@digital-control.com

DIGITAL CONTROL INCORPORATED
2 DigiTrak® F2® Operator’s Manual
3-2200-00-D
© 2009-2010 by Digital Control Incorporated. All rights reserved. April 2010.
68BTrademarks
The DCI logo, CableLink®, DataLog®, DigiTrak®, Eclipse®, F2®, MFD®, SST®, target-in-the-box®, Target
Steering®, and TensiTrak® are U.S. registered trademarks and DucTrak™, F Series™, FSD™,
FasTrak™, LT™, LT2™, SE™, SED™, SuperCell™, and TeleLock™ are trademarks of Digital Control
Incorporated.
69BPatents
The DigiTrak® F2® Locating System is covered by one or more of the following U.S. Patents: 5,337,002;
5,633,589; 5,990,682; 5,990,683; 6,002,258; 6,005,532; 6,008,651; 6,014,026; 6,035,951; 6,047,783;
6,057,687; 6,095,260; 6,160,401; 6,232,780; 6,250,402; 6,396,275; 6,496,008; 6,525,538; 6,593,745;
6,653,837; 6,693,429; 6,756,784; 6,768,307; 6,838,882; 6,924,645; 7,061,244; 7,080,698; 7,154,273;
7,159,672; 7,167,005; 7,176,690; 7,304,479; 7,309,990; 7,345,486. Sale of a DigiTrak® F2® receiver does
not convey a license under any patents covering the DigiTrak® transmitter or underground drill housing.
Other patents pending.
70BLimited Warranty
All products manufactured and sold by Digital Control Incorporated (DCI) are subject to the terms of a
Limited Warranty. A copy of the Limited Warranty is included at the end of this manual; it can also be
obtained by contacting DCI Customer Service, 425-251-0559 or 800-288-3610, or by connecting to DCI’s
website, www.digitrak.com.
71BImportant Notice
All statements, technical information, and recommendations related to the products of DCI are based on
information believed to be reliable, but the accuracy or completeness thereof is not warranted. Before
utilizing any DCI product, the user should determine the suitability of the product for its intended use. All
statements herein refer to DCI products as delivered by DCI and do not apply to any user customizations
not authorized by DCI nor to any third-party products. Nothing herein shall constitute any warranty by DCI
nor will anything herein be deemed to modify the terms of DCI’s existing Limited Warranty applicable to all
DCI products.
72BFCC Compliance Statement
This device complies with Part 15 of the Rules of the FCC. Operation is subject to the following two condi-
tions: (1) this device may not cause harmful interference, and (2) this device must accept any interference
received, including interference that may cause undesired operation. DCI is responsible for FCC compli-
ance in the United States: Digital Control Incorporated, 19625 62nd Ave. S., Suite B-103, Kent, WA 98032;
phone 425-251-0559 or 800-288-3610.
Changes or modifications to the DCI equipment not expressly approved and carried out by DCI will void
the user’s Limited Warranty and the FCC’s authorization to operate the equipment.
The user is cautioned to maintain a 20 cm (8 inches) spacing from the product to ensure compliance with
FCC requirements.

DIGITAL CONTROL INCORPORATED
DigiTrak® F2® Operator’s Manual 3
Table of Contents
SAFETY PRECAUTIONS AND WARNINGS ................................................................................................ 6
DEAR CUSTOMER: ...................................................................................................................................... 8
INTRODUCTION ........................................................................................................................................... 9
RECEIVER .................................................................................................................................................. 11
General Description ................................................................................................................................. 11
Power On/Off ........................................................................................................................................... 12
Installing and Removing the Battery Pack ........................................................................................... 13
Turning On the Receiver ...................................................................................................................... 13
Turning Off the Receiver ...................................................................................................................... 16
Automatic Shutdown ............................................................................................................................ 16
Trigger Switch .......................................................................................................................................... 16
Audible Tones .......................................................................................................................................... 16
Adjusting Screen Contrast ....................................................................................................................... 17
Main Menu ............................................................................................................................................... 17
Height-Above-Ground (HAG) Menu ........................................................................................................ 18
Turn On HAG ....................................................................................................................................... 19
Turn Off HAG ....................................................................................................................................... 19
Set HAG ............................................................................................................................................... 20
Telemetry Channel Menu ........................................................................................................................ 21
Calibration Menu ..................................................................................................................................... 22
1-Point Calibration (Above Ground) .................................................................................................... 23
2 Point Calibration (In Ground) ............................................................................................................ 25
Settings Menu .......................................................................................................................................... 27
Depth Units Menu ................................................................................................................................ 27
Pitch Units Menu .................................................................................................................................. 28
Roll Offset Menu .................................................................................................................................. 28
Transmitter Options Menu ................................................................................................................... 30
Target Steering Menu .............................................................................................................................. 30
Turn On Target Steering ...................................................................................................................... 31
Turn Off Target Steering ...................................................................................................................... 31
Set Target Depth.................................................................................................................................. 32
Display Screens ....................................................................................................................................... 33
Locate Mode Screen ............................................................................................................................ 33
Depth Mode Screen ............................................................................................................................. 35
Predicted Depth Display Screen .......................................................................................................... 35
Standard Receiver Display Screen Symbols ............................................ Error! Bookmark not defined.
TRANSMITTER ........................................................................................................................................... 37
Types of F2 Transmitters......................................................................................................................... 37
Batteries and Power On/Off .................................................................................................................... 38
Installing Batteries / Power On ............................................................................................................ 38
Transmitter Battery Status ................................................................................................................... 39
Sleep Mode (Automatic Shutdown) / Power Off .................................................................................. 39
Transmitter Housing Requirements ......................................................................................................... 39
Temperature Updates and Overheat Indicator ........................................................................................ 41
Transmitter Temperature Warning Tones............................................................................................ 41
Transmitter Overheat Indicator (Temp Dot) ......................................................................................... 42

DIGITAL CONTROL INCORPORATED
4 DigiTrak® F2® Operator’s Manual
Table of Contents (Continued)
REMOTE DISPLAY ..................................................................................................................................... 43
General Description ................................................................................................................................. 43
Power Options ......................................................................................................................................... 44
Connecting the DC Power Cable ......................................................................................................... 44
Installing and Removing the Battery Pack or Brace Insert .................................................................. 44
Power On/Off ........................................................................................................................................... 45
Keypad .................................................................................................................................................... 45
Audible Tones .......................................................................................................................................... 45
Adjusting Screen Contrast ....................................................................................................................... 45
Adjusting the Viewing Angle .................................................................................................................... 46
Attaching and Removing Visor ................................................................................................................ 46
Main Menu ............................................................................................................................................... 47
Contrast Adjustment ............................................................................................................................ 48
Settings Menu .......................................................................................................................................... 49
Display Screens ....................................................................................................................................... 50
Main Display Screen ............................................................................................................................ 50
Depth Display Screen .......................................................................................................................... 50
Predicted Depth Display Screen .......................................................................................................... 51
BATTERY CHARGER ................................................................................................................................. 53
General Description ................................................................................................................................. 53
AC/DC Power Setup ................................................................................................................................ 54
Charging a Battery Pack.......................................................................................................................... 54
Battery Charger LED Indicators .............................................................................................................. 54
Warnings and Precautions ...................................................................................................................... 55
Battery Pack Storage ............................................................................................................................... 56
LOCATING .................................................................................................................................................. 57
Introduction .............................................................................................................................................. 57
Locate Points (FLP & RLP) and Locate Line (LL) ................................................................................... 58
Effects of Depth, Pitch, and Topography on Distance Between FLP and RLP....................................... 59
Marking Locate Points ............................................................................................................................. 60
Display Screens ....................................................................................................................................... 61
Interference: What It Is and How to Check for It ..................................................................................... 63
Conducting a Background Noise Check .............................................................................................. 63
Suggestions for Dealing with Interference ........................................................................................... 64
Standard Method for Locating the Transmitter ........................................................................................ 65
Finding the Front Locate Point (FLP)................................................................................................... 65
Finding the Locate Line (LL) ................................................................................................................ 67
Finding the RLP to Confirm Transmitter Heading and Position ........................................................... 69
Tracking “On-the-Fly” .............................................................................................................................. 71
Off-Track Locating ................................................................................................................................... 72
THE TARGET STEERING FUNCTION ...................................................................................................... 75
Feasible Target Depth and Positioning the Receiver as a Target ......................................................... 75
Programming the Receiver for Target Steering ...................................................................................... 76
Steering to the Target .............................................................................................................................. 76
Target Steering in Interference Areas ..................................................................................................... 78

DIGITAL CONTROL INCORPORATED
DigiTrak® F2® Operator’s Manual 5
Table of Contents (Continued)
APPENDIX A: SYSTEM SPECIFICATIONS AND MAINTENANCE REQUIREMENTS ............................ 79
Power Requirements ............................................................................................................................... 79
Environmental Requirements .................................................................................................................. 79
General Transmitter Care Instructions .................................................................................................... 80
APPENDIX B: PROJECTED DEPTH VERSUS ACTUAL DEPTH AND THE FORE/AFT OFFSET .......... 81
APPENDIX C: CALCULATING DEPTH BASED ON DISTANCE BETWEEN FLP AND RLP ................... 87
APPENDIX D: REFERENCE TABLES ....................................................................................................... 89
Depth Increase in Inches (Centimeters) per 10-foot (3-meter) Rod ....................................................... 90
Depth Increase in Inches (Centimeters) per 15-foot (4.6-meter) Rod .................................................... 91
APPENDIX E: EU REQUIRED DOCUMENTATION .................................................................................. 93
LIMITED WARRANTY

DIGITAL CONTROL INCORPORATED
6 DigiTrak® F2® Operator’s Manual
Safety Precautions
and Warnings
Important Note: All operators must read and understand the following Safety Precautions and
Warnings and must review this operator’s manual before using the DigiTrak® F2® Locating System.
Serious injury and death can result if underground drilling equipment makes contact with
an underground utility such as a high-voltage electrical cable or a natural gas line.
Substantial property damage and liability can result if underground drilling equipment
makes contact with an underground utility such as a telephone, cable TV, fiber-optic,
water, or sewer line.
Work slowdowns and cost overruns can occur if drilling operators do not use the drilling
or locating equipment correctly to obtain proper performance.
Directional drilling operators MUST at all times:
• Understand the safe and proper operation of drilling and locating equipment, including the use of
ground mats and proper grounding procedures.
• Ensure that all underground utilities have been located, exposed, and marked accurately prior to
drilling.
• Wear protective safety clothing such as dielectric boots, gloves, hard-hats, high-visibility vests,
and safety glasses.
• Locate and track the transmitter in the drill head accurately and correctly during drilling.
• Comply with state and local governmental regulations (e.g., OSHA).
• Follow all other safety procedures.
The DigiTrak F2 system cannot be used to locate utilities.
Continued exposure of the transmitter to heat, due to frictional heating of the drill head, can cause
inaccurate information to be displayed and may permanently damage the transmitter. For more infor-
mation see the Transmitter section of this manual.
DCI equipment is not explosion-proof and should never be used near flammable or
explosive substances.
The battery charger provided with the DigiTrak F2 system is designed with adequate safeguards to
protect you from shock and other hazards when used as specified within this document. If you use
the battery charger in a manner not specified by this document, the protection provided may be
impaired. Do not attempt to disassemble the battery charger. It contains no user-serviceable parts.
The battery charger is not to be installed into caravans, recreational vehicles, or similar vehicles
Remove the batteries from all system components during shipping and prolonged storage; damage
caused by leakage may occur.

DIGITAL CONTROL INCORPORATED
DigiTrak® F2® Operator’s Manual 7
Safety Precautions
and Warnings (Continued)
BATTERY DISPOSAL: This symbol on equipment indicates that the equipment must not
be disposed of with your other household waste. Instead, it is your responsibility to
dispose of such equipment by handing it over to a designated collection point for the
recycling of batteries or electrical and electronic equipment. If the equipment contains a
banned substance, the label will show the pollutant (Cd = Cadmium; Hg = Mercury;
Pb = Lead) near this symbol. The separate collection and recycling of your waste
equipment at the time of disposal will help to conserve natural resources and ensure that it
is recycled in a manner that protects human health and the environment. For more
information about where you can drop off your waste equipment for recycling, please
contact your local city office, your household waste disposal service, or the shop where
you purchased the equipment.
Before each drilling run, test the DigiTrak F2 system with the transmitter inside the drill head to con-
firm that it is operating properly and is providing accurate drill head location and heading information
(see the Receiver and Locating sections) and accurate transmitter depth, pitch, and roll information.
During drilling, the depth will not be accurate unless:
• The receiver has been properly calibrated and the calibration has been checked for accuracy so
that the receiver shows the correct depth.
• The transmitter has been located correctly and accurately and the receiver is directly above the
transmitter in the drill head underground or at the front locate point.
• The receiver is kept level and the height-above-ground has been set correctly.
Always test calibration after you have stopped drilling for any length of time.
Interference can cause inaccuracies in the measurement of depth and loss of the transmitter’s pitch,
roll, or heading. You should always perform an electrical interference check prior to drilling.
• Sources of interference include but are not limited to traffic signal loops, invisible dog fences,
cable TV, power lines, fiber-trace lines, metal structures, cathodic protection, telephone lines, cell
phones, transmission towers, conductive earth, salt water, rebar, radio frequencies, and other
unknown sources of interference.
• Interference with the operation of the remote display may also occur from other sources operating
nearby on the same frequency, such as car rental agencies using their remote check-in modules,
other directional drilling locating equipment, etc.
• Background noise must be minimal and signal strength must be at least 150 points above the
background noise during all locating operations.
Carefully review this manual and be sure you always operate the DigiTrak F2 system properly to
obtain accurate depth, pitch, roll, and locate points. If you have any questions about the operation of
the system, please call DCI’s Customer Service Department at any of the phone numbers provided
on the cover, and we will do our best to assist you.

DIGITAL CONTROL INCORPORATED
8 DigiTrak® F2® Operator’s Manual
Dear Customer:
Thank you for choosing the DigiTrak® F2® Locating System. We are proud of the
equipment that we have been designing and building in Washington State since
1990. We believe in providing a unique, high-quality product and standing behind
it with superior customer service and training.
Please take the time to read this entire manual—especially the section on safety.
Also, please fill in the product registration card provided with this equipment, and
mail it to DCI headquarters or fax it to us at 253-395-2800; you can also
complete and submit the form online at our website. We will put you on the
Digital Control mailing list and send you product upgrade information and our
FasTrak™ newsletter.
Feel free to contact us at any of our global offices listed on the front cover if you
have any problems or questions. Our Customer Service Department is available
24 hours a day, 7 days a week to provide assistance.
As the horizontal directional drilling industry grows, we’re keeping our eye on the
future to develop equipment that will make your job faster and easier. Stay
current by visiting our web site on the internet at www.digitrak.com or by giving
us a call.
We welcome questions, comments, and ideas.
Digital Control Incorporated
Kent, Washington
2010

DIGITAL CONTROL INCORPORATED
DigiTrak® F2® Operator’s Manual 9
Introduction
DigiTrak F2 Locating System
The DigiTrak F2 Locating System is used during horizontal directional drilling operations to locate and
track a transmitter installed in the drill head. The system consists of a handheld receiver, a transmitter, a
remote display with battery and cable power options, a battery charger system, and three rechargeable
F Series battery packs for powering the receiver and remote.
There are six transmitter options for use with the F2 system, including 12-kHz and 19-kHz frequency
options and a cable transmitter option. See the Transmitter section for more information.
In addition to the basic locating capabilities of directional tracking and depth, the F2 system includes the
advanced features of predicted depth, off-track locating, and Target Steering to navigate the drill head
easily and accurately even when obstacles prevent walkover tracking.
This manual provides information on each F2 system component—the receiver, transmitter, remote dis-
play, and battery charger—in separate sections following this Introduction. These sections are followed by
the Locating section, which explains important locating terms and gives step-by-step locating instructions.
FX Transmitter
FXL
Transmitter
Battery
Charger
Receiver
Remote Display
Rechargeable
Battery Packs
FS Transmitter

Introduction
10 DigiTrak® F2® Operator’s Manual
The F2 system is programmed to comply with varying global operating requirements. The receiver’s
regional designation number must match that of the transmitter for proper communication (see Receiver
and Transmitter sections). Also, the receiver’s telemetry frequency designation must match that of the
remote display (see Receiver and Remote Display sections).
Appendix A presents the F2 system’s power, environmental, and maintenance requirements. Appendix B
explains how to calculate depth when the transmitter is deep (greater than 15 ft or 4.6 m) and/or at a
steep pitch (greater than ±30% or ±17°). Appendix C explains how to calculate the transmitter depth
based on the distance between the front and rear locate points and the pitch of the transmitter. Appendix
D provides calculated depth increases for 10-ft (3-m) and 15-ft (4.6-m) rods depending on pitch. Finally,
Appendix E contains a list of the radio frequency restrictions for each country in the EU and the required
declaration of conformity documents.

DIGITAL CONTROL INCORPORATED
DigiTrak® F2® Operator’s Manual 11
Receiver
F2 Receiver – Side and Back Views
General Description
The F2 receiver is a handheld unit used for locating and tracking an F2 transmitter. The receiver converts
signals from the transmitter and displays the following information: depth, pitch, roll, temperature, and
battery level. The F2 receiver can send this same information to the remote display at the drill rig.
To meet regional requirements and for proper communication, the telemetry frequency designation for the
receiver must match that for the remote display. The telemetry frequency designation is identified on the
receiver’s serial number label, which is located inside the battery compartment (see photo). It must match
one of those listed on the remote display’s serial number label located on the back of the unit (see
Remote Display section).
The receiver and transmitter must also meet specific operational requirements for different global regions.
A regional designation number is provided in the receiver’s software (see figure titled “Receiver Startup
Screen” later in this section). This number must match that stamped on the transmitter for proper
communication (see Transmitter section). In addition, the receiver must be set to the same frequency as
the transmitter (see “Settings Menu” later in this section) and be calibrated for use with the selected
transmitter (see “Calibration Menu” later in this section).
Trigger Switch
Front
Panel
Boot
Battery
Tab
Display
Screen
Handle
Grip
Serial
Number
Telemetry
Frequency
Designation
Battery
Compartment

Receiver
12 DigiTrak® F2® Operator’s Manual
Standard Receiver Display Screen Symbols
Transmitter Roll – The transmitter’s 12 roll clock positions are represented by the lines at the
edge of the circle. The dot aligns with the clock position, and the clock setting appears in the
center to indicate the roll of the transmitter. When roll offset is used, the roll position is denoted
by a hollow dot in place of the solid dot on the clock face and the letters RO at the bottom right.
Roll/Pitch Update Meter – The update meter shows the quality of data reception from the
transmitter (specifically, data rate). This feature lets you know if you are in an area of interference
or are reaching the range limit of the transmitter. On the remote display, the same symbol is used
for the telemetry update meter.
Transmitter Pitch Angle – The number next to this icon on the locating screen indicates the
transmitter pitch. It is also the menu selection icon for changing the pitch angle units between
percent and degrees.
Transmitter Signal Strength – The number next to this icon on the locate mode screen
indicates the transmitter signal strength. During a calibration failure, an up or down arrow with
this icon indicates signal strength is too high or too low, respectively.
Transmitter Temperature –
The number next to this icon shows the temperature of the
transmitter (Fahrenheit when depth units are in feet or inches, Celsius when depth units are in
meters). An up or down arrow and a change in the thermometer level will accompany a change
in temperature. The icon will display steam and flash when the transmitter becomes dangerously
hot and must be cooled immediately or it will be damaged.
Receiver Icon – Indicates the position of the receiver relative to the ground for the HAG function,
depth readings, the two-point calibration procedure, and the Target Steering function.
Ground Level – Represents the ground for the HAG function, depth readings, and the two-point
calibration procedure.
Locating Icon – Represents a bird’s-eye view of the receiver. The square at the top of this icon
is referred to as the “box” in the terms target-in-the-box and line-in-the-box locating.
Locate Target – Represents the front and rear locate points (FLP and RLP). When the locate
line appears, the locate target will become a solid circle (ball) representing the approximate
locate point. See the Locating section for more information.
Locate Line – Represents the locate line (LL). The LL is found at some location between the
front and rear locate points only after a reference point has been obtained. See the Locating
section for more information about the locate line.
R
Reference Lock – Indicates that
a reference signal has been obtained for locating the
transmitter. See the Locating section for more information.
Transmitter Battery/Drill Head – Depicts the remaining battery life of the transmitter when
alkaline batteries are used (shown fully charged here). Also used to represent the position of the
drill head relative to the receiver in the depth screen.
Receiver Battery – Depicts the remaining battery life of the receiver (shown 80% full here).
Displayed on the main menu screen. When empty, the icon will appear in the locate mode screen
and will flash signifying that it is critical to change the battery immediately.
Target Steering – Allows the Target Steering option to be turned on, off, or programmed to a
new target depth.
Globe Icon – Identifies the regional designation number that appears on the receiver startup
screen; must match that on the transmitter battery compartment.
Trigger Click Prompt – Appears on the calibration screens to indicate that a trigger click is
required.

Receiver
DigiTrak® F2® Operator’s Manual 13
Power On/Off
Installing and Removing the Battery Pack
Insert a fully charged DigiTrak F Series battery pack so that it is flush with the back of the receiver and the
tab is securely latched, as shown below. If necessary, push on the battery pack to latch the tab in place.
Inserting
Battery
Pack
Battery Pack Fully Inserted
Removing Battery Pack
To remove the battery pack, push down on the battery tab and pull it away from the unit until the tab is
released.
Check the charge on the battery pack by pushing the battery status button on the battery pack; the
LEDs will illuminate to indicate the amount of charge on the battery. See the Battery Charger section for
more information on checking, removing, and recharging a battery.
Turning On the Receiver
To turn on the F2 receiver once the battery is properly installed, hold in the trigger for 1 second, and then
release it. You will hear a short beep followed by a long beep. The first screen you will see is the warning
screen, which will appear every time you turn on the unit.
Tab
Battery
Status Button

Receiver
14 DigiTrak® F2® Operator’s Manual
Receiver Warning Screen
The self-test will automatically initiate after the checkmark is displayed in the box. The self-test is
performed every time the receiver is powered on. The following screen will display indicating a successful
self-test. If a component of the self-test fails, contact DCI Customer Service before proceeding.
Receiver Self-Test Pass Screen
The startup screen will automatically appear after the self-test, as shown below. Note the regional
designation number shown inside the globe icon ( ); this number must match that shown on the
transmitter (see Transmitter section).
Click Trigger
to Check Box
and Advance
to Self-Test

Receiver
DigiTrak® F2® Operator’s Manual 15
Receiver Startup Screen
From the startup screen, click the trigger to continue to the locate mode screen. When the receiver is not
detecting a transmitter, the screen will appear as shown below. The signal search symbol will display as
the receiver searches for the transmitter’s signal.
Receiver Locate Mode Screen (No Transmitter)
When the receiver is detecting a transmitter, the locate mode screen provides real-time data about the
transmitter’s location, temperature, pitch, roll, and signal strength. The standard receiver display screens
are discussed further under “Display Screens” later in this section. See the Locating section for detailed
instructions on locating with the F2 system.
The locate mode screen is the default receiver screen. If the receiver does not sense any trigger action
for a period of time, then the display returns to the locate mode screen.
Regional Designation
Number
(Must Match that on
Transmitter)
Model Name
Software Version
DCI’s Web Address
Customer Service
Phone Numbers
Signal Strength Will
Vary with Background
Interference Signal
Signal Search
Symbol
Serial Number
Indicates Two-
Frequency Receiver
(12 kHz and 19 kHz)

Receiver
16 DigiTrak® F2® Operator’s Manual
Turning Off the Receiver
To turn off the unit, click the trigger twice to highlight the power icon in the main menu. Then hold the
trigger in for at least 1 full second. You will hear four long tones as the unit turns off.
Automatic Shutdown
The F2 receiver will shut down if no trigger action and no transmitter signal are detected for 15 minutes
when the receiver is in locate mode.
Trigger Switch
The F2 receiver operates with a trigger switch located under the handle. The trigger is used to turn on the
unit, adjust the screen contrast, access and select menu options, and change the screen view for depth
measurements. Clicking the trigger versus holding the trigger will result in different actions.
Click – Quickly pulling and releasing the trigger (in less than 1 second). Clicking the trigger brings up the
main menu screen, and then each subsequent click advances through the menu options.
Hold – Holding the trigger in for more than 1 second. Holding the trigger executes menu options, adjusts
the screen contrast, selects a menu option, or changes the display view for depth readings.
If the receiver does not sense any trigger action within a few seconds of entering a menu, then the display
returns to the locate mode screen.
Audible Tones
The F2 receiver gives audible tones to signal power on/off, menu changes, and the pass/fail status of
actions, as summarized below. The receiver also emits tones with transmitter temperature increases (see
“Transmitter Temperature Warning Tones” in the Transmitter section).
Power On – One short beep followed by a long beep.
Power Off – Four long beeps.
Confirmation Signal – Four short beeps to confirm menu selection has been successfully executed.
Failure Signal – Two long beeps to indicate a problem with the menu item selected. A failure screen will
appear. The failure screen will display until the trigger is clicked.

Receiver
DigiTrak® F2® Operator’s Manual 17
Adjusting Screen Contrast
To make the screen lighter or darker, hold the trigger in with the
receiver held vertical and in locate mode (see photo). Release the
trigger when the screen contrast is adjusted to the desired level.
Main Menu
The main menu allows you to set the desired depth units, pitch units, roll offset, transmitter options, and
height-above-ground (HAG) distance; to select telemetry options; to calibrate the receiver to the trans-
mitter; to use the Target Steering function; and to turn off the receiver. To access the main menu, click
the trigger once from the locate mode screen. You will see six menu options, with the first one, the HAG
option, highlighted for selection.
Receiver Main Menu Screen
The main menu screen also displays the receiver battery status (in the top right corner), the transmitter
frequency setting (to the left of the battery status), and the current telemetry channel selection (channel 2
is shown in the example above). If the Target Steering menu has been programmed with a target depth,
you will see that number below the icon, as shown in the figure above. If the main menu is accessed by
accident, you can click through all the options to return to the locate mode screen or wait a few seconds
for the menu to time out and return to the locate mode screen.
To access a menu option, hold the trigger in with the option highlighted. The table below summarizes the
main menu options. Each option is described fully in the subsections following the table.
Receiver Battery Status
(Shown 80% Full)
Telemetry Channel Menu
(Channel 2 Selected)
Settings Menu
Target Steering Menu
Height-Above-Ground
(HAG) Menu
Power Off
Calibration Menu
Box around item
indicates it is high-
lighted for selection.
2'00"
Programmed Target Depth
Transmitter Frequency
Setting

Receiver
18 DigiTrak® F2® Operator’s Manual
Receiver Main Menu Options
Height-Above-Ground (HAG) Menu – Turns on, turns off, or sets the height at
which the receiver will be held during depth readings. This feature allows you to
take a depth reading without placing the receiver on the ground.
Power Off – Turns the unit off accompanied by four long tones.
Telemetry Channel Menu – Changes the telemetry setting (channels 1 through 4)
or turns off the telemetry (channel 0). The receiver must be set to the same chan-
nel as the remote.
Calibration Menu – Calibrates the receiver to the transmitter using the above-
ground (1-point) method or the below-ground (2-point) method. Calibration is
necessary prior to first-time use and before a different transmitter, receiver, or drill
head is to be used.
Settings Menu – Changes the depth units, pitch units, and transmitter options, and
activates the roll offset function, which is used when the transmitter’s roll position
must be compensated to match the drill head’s roll position.
Target Steering Menu – Sets the target depth, turns on the Target Steering func-
tion, or returns the display to standard locate mode.
Height-Above-Ground (HAG) Menu
The height-above-ground (HAG) function allows you to program a height measurement into the receiver
so that you do not have to set the receiver on the ground for a depth reading. The HAG menu has three
options: Turn On, Turn Off, and Set. Set allows you to change the current height setting. Clicking the
trigger advances through each option, and holding the trigger in selects the option displayed.
The default setting for the HAG function is off. Until you turn on or set a new HAG, the receiver must be
placed on the ground for accurate depth readings. The HAG function automatically shuts off when depth
units are changed, when Target Steering is used, and during calibration.
Before accessing the HAG menu to turn on or set the HAG, you should measure your desired HAG. To
do so, hold the receiver comfortably at your side and measure the distance from the bottom of the
receiver to the ground. The available values range from 1–3 ft, 12–36 in., or 30–90 cm. The menu will
time out if selections are not made within a few seconds.

Receiver
DigiTrak® F2® Operator’s Manual 19
Turn On HAG
When the HAG menu is accessed, the first screen that appears shows either the default HAG value (1 ft,
12 in., or 30 cm) or the value that was most recently set.
Turn On HAG Screen
To turn on the HAG function using the value displayed, hold in the trigger. You will hear the confirmation
signal (four short beeps), and a checkmark will appear next to the setting to indicate the HAG has been
successfully turned on. The receiver must be held at this height for accurate depth readings.
If you want to select a different value for the HAG setting or want to turn off the HAG function, click the
trigger. You will advance to the turn off HAG screen.
Turn Off HAG
The turn off HAG menu option shows the F2 receiver on the ground.
Turn Off HAG Screen

Receiver
20 DigiTrak® F2® Operator’s Manual
Hold the trigger in to turn off the HAG function. You will hear the confirmation signal, and a checkmark will
appear next to the receiver to indicate that the HAG has been successfully turned off. The receiver now
must be placed on the ground to obtain accurate depth readings.
If you do not want to turn the HAG function off, click the trigger to advance to the set HAG screen.
Set HAG
The set HAG option allows you to program the height that the receiver will be held above the ground. A
question mark will appear in place of the HAG value.
Set HAG Screen
Hold the trigger in to select this option, and the current or default HAG setting will display in place of the
question mark.
Click the trigger to scroll through the available height-above-ground values (1–3 ft, 12–36 in., or 30–
90 cm). Each click will advance in 1-in. (or 2-cm) increments.
Hold the trigger in when the desired HAG value is displayed. You will hear the confirmation signal, and a
checkmark will appear next to the HAG value to indicate that it has been turned on to the value displayed.
The receiver must be held at this height during locating for accurate depth measurements.

Receiver
DigiTrak® F2® Operator’s Manual 21
Telemetry Channel Menu
The telemetry channel menu has five options: no telemetry (channel 0) or telemetry channel 1, 2, 3, or 4.
The telemetry channel icon on the main menu (and in the heading above) shows the current channel
setting of 2.
When the telemetry channel menu is accessed, the screen will display as shown below, with an arrow
next to the current telemetry setting (channel 2 in this example). The receiver must be set to the same
telemetry channel as the remote for proper communication.
Receiver Telemetry Channel Menu
To change the telemetry channel setting, click the trigger to scroll through the channel options. When the
arrow is next to the desired channel, hold the trigger in, and a checkmark will appear in place of the arrow
followed by the confirmation signal.
You can verify the telemetry channel by entering the main menu screen and viewing the channel number
shown on the telemetry channel menu icon.
In addition to the receiver and remote being set to the same channel, the telemetry frequency designation
for the receiver must match that for the remote display. The telemetry frequency designation on the
receiver’s serial number label must match one of those listed on the remote display’s serial number label
located on the back of the unit (see “General Description” in Remote Display section).

Receiver
22 DigiTrak® F2® Operator’s Manual
Calibration Menu
The calibration menu allows you to calibrate the receiver to a transmitter with the transmitter above
ground (1-point calibration at a distance of 10 ft or 3 m) or below ground (2-point calibration). Calibration
is required each time a different transmitter is to be used. When you select the calibration menu, the 1PT
CAL option is highlighted for selection as shown below.
Receiver Calibration Menu
Clicking the trigger will toggle between the 1PT CAL option (the preferred method) and the 2PT CAL
option (in-ground calibration). Hold in the trigger when the desired menu item is highlighted or wait about
8–10 seconds to exit the menu.
Do not calibrate if:
You are within 10 ft (3 m) of metal structures, such as steel pipe, chain-link fence, metal siding,
construction equipment, automobiles, etc.
The receiver is over rebar or underground utilities.
The receiver is in the vicinity of excessive electrical interference as described in the Safety
Precautions and Warnings section at the beginning of this manual.
The transmitter is not turned on or the receiver is not displaying transmitter data. See the Trans-
mitter section for information on installing batteries and verifying signal.
The transmitter is not installed in the housing. See “Transmitter Housing Requirements” in the
Transmitter section.

Receiver
DigiTrak® F2® Operator’s Manual 23
1-Point Calibration (Above Ground)
The 1PT CAL procedure is performed with the transmitter turned on and in the drill head, parallel to and
level with the receiver at a distance of 10 ft (3 m), as described below. DCI does not recommend cali-
brating every day, but you should verify the receiver’s depth reading daily at several locations using a
tape measure.
NOTE: Calibration is necessary prior to first-time use and before a different transmitter, receiver, or
drill head is to be used.
The 1-point calibration menu display appears as follows:
1PT CAL Screen
The above figure shows the calibration setup with the receiver and transmitter situated parallel to and
level with each other. The flashing symbol at the top of the screen indicates that you must click the trigger
to initiate the calibration. If you wait longer than 15–20 seconds to click the trigger, the operation will end
without conducting the calibration procedure.
To calibrate:
1. The receiver must be parallel to and level with the transmitter. It is preferable to conduct the
procedure on level ground.
2. Measure 10 ft (3 m) from the center of the transmitter to the inside edge of the receiver as shown
above in the 1PT CAL screen.
3. Verify that roll and pitch values are being displayed on the receiver and that a steady signal is
being received from the transmitter.
4. Access the 1PT CAL screen and click the trigger to initiate the calibration.
5. A countdown sequence from 5 to 0 will begin on the screen.
6. If the calibration is successful, you will see a checkmark above the transmitter icon as shown
below, and you will hear the confirmation signal.
Trigger Click
Prompt (Flashes)
Displays in Metric
When Using Metric
Units

Receiver
24 DigiTrak® F2® Operator’s Manual
Successful 1PT CAL Screen
If the calibration fails, a failure screen as shown below will appear, and you will hear the failure
signal (two long beeps).
1PT CAL Failure Screen (Signal Too Low)
The failure screen will show an X above the transmitter icon followed by a symbol to indicate
failure due to low signal strength ( ), as shown, or high signal strength ( ).
NOTE: The calibration will fail when the signal from the transmitter is above 950 points or below
300 points.

Receiver
DigiTrak® F2® Operator’s Manual 25
2 Point Calibration (In Ground)
The 2PT CAL option allows you to calibrate the receiver to the transmitter when it is in the ground. This
procedure requires the use of a tape measure. Two-point calibration is rarely needed. If you must
calibrate with the transmitter in the ground, use this procedure with caution.
Position the receiver on the ground above an approximately level transmitter. (See the Locating section
for instructions on how to position the receiver directly over the transmitter.) To start the 2-point calibration
procedure, select 2PT CAL from the calibration menu. You will see the following screen.
First Point, 2PT CAL
The flashing trigger symbol at the top of the screen indicates that a trigger click is needed to obtain the
first point for the 2-point calibration. Click the trigger, and the display will count down from 5 to 0 while the
receiver records the first calibration point.
If the signal strength from the transmitter is within the tolerable range (300–950 points), a checkmark will
display on the screen and you will hear the confirmation signal, indicating that the first calibration point
has been successfully recorded. Then the second 2PT CAL screen appears.

Receiver
26 DigiTrak® F2® Operator’s Manual
Second Point, 2PT CAL
To record the second calibration point, lift the receiver 3 ft (or 1 m) directly up, keeping it level, and click
the trigger. The display will count down from 5 to 0. Do not move the receiver while the display is counting
down.
NOTE: The second point screen will display even if the first point fails. After the second point is
recorded, an Χ will appear on the screen, and you will hear the failure signal. You must click
the trigger to continue and restart the calibration procedure.
You will see the following screen and hear the confirmation signal when the calibration is complete.
Successful 2PT CAL Screen
After the 2-point calibration procedure has passed, verify the distance between the two calibration points
by taking depth measurements at the first point and the second point and then determining the difference
between the two values. The difference should be 3 ft ± 2 in. (or 1 m ± 5 cm). Repeat these
measurements several times as you continue drilling to verify that the depth remains valid as the pitch of
the transmitter changes.

Receiver
DigiTrak® F2® Operator’s Manual 27
Settings Menu
The settings menu allows you to change the depth units, pitch units, and transmitter options and to set a
roll offset, which is needed when the transmitter’s roll position must be compensated to match the drill
head’s roll position. When this menu option is selected, the following screen will appear with the depth
units option highlighted, as shown below.
Receiver Settings Menu
Click the trigger to toggle between options, and hold the trigger in when the desired option is highlighted.
Depth Units Menu
The depth units menu displays four options: 000" represents the use of inches only; 0'00" represents the
use of both feet and inches; 0.00M represents the use of metric units (meters and centimeters); and 0.00'
represents the use of feet only. An arrow points to the current setting, which is feet and inches in the
example shown below.
Depth Units Menu
Depth Units Menu
(Shown Highlighted)
Transmitter
Options Menu
Pitch Units Menu
Roll Offset Menu

Receiver
28 DigiTrak® F2® Operator’s Manual
To change the depth units setting, click the trigger to scroll the arrow through the four options. When the
arrow is next to the desired setting, hold the trigger in to select it. A checkmark will appear in place of the
arrow, and you will hear the confirmation signal.
NOTE: The temperature units are determined by the depth units selected. Celsius (°C) temperature
units will display if metric depth units are selected, and Fahrenheit (°F) temperature units will
display if English depth units (inches or feet and inches) are selected.
Pitch Units Menu
The pitch units menu displays the two available options: degrees (0.0°) and percent (0.0%). An arrow
points to the current setting, which is percent in the example shown below.
Pitch Units Menu
To change the pitch units setting, click the trigger to toggle between the two options. Hold the trigger in
when the arrow is next to the desired option. A checkmark will appear in place of the arrow, and you will
hear the confirmation signal.
Roll Offset Menu
The roll offset menu activates or disables the roll offset function, which is used when the drill head (tool)
and the housing are two separate pieces and their roll positions do not match when the tool is torqued-up
to the housing. The roll offset function is an electronic compensation to match the transmitter’s 12 o’clock
position to the tool’s 12 o’clock position.

Receiver
DigiTrak® F2® Operator’s Manual 29
Roll Offset Menu
Click the trigger to toggle between the activate and disable options. Hold the trigger in when the desired
option is highlighted.
If you select the activate roll offset option, the following screen will appear.
Activate Roll Offset
You must then physically rotate the drill head to its 12 o’clock position, as indicated by the images at the
bottom of the screen. Then click the trigger to activate the roll offset and automatically be returned to the
locate screen. If you do not click the trigger within a few seconds, you will be returned to the locate screen
with no change to the roll offset. Roll offset is denoted by a hollow dot in place of the solid dot on the
clock face and the letters “RO” next to the clock on both the receiver and remote displays.
Activate Roll Offset
(Shown Highlighted)
Disable Roll Offset
Transmitter Roll
Drill Head at
12 o'clock Position

Receiver
30 DigiTrak® F2® Operator’s Manual
Transmitter Options Menu
The transmitter options menu displays the three transmitter options: 12-kHz battery-powered transmitter,
19-kHz battery-powered transmitter, and 12-kHz cable transmitter (see Transmitter section). The current
setting, which is for the battery-powered 12-kHz transmitter in the example shown below, is highlighted
for selection.
Transmitter Options Menu
Click the trigger to toggle between the three options, and hold the trigger in when the desired option is
highlighted. A checkmark will display on the screen, and you will hear the confirmation signal.
NOTE: Calibration is necessary whenever the transmitter option is changed so that the receiver
displays depth data correctly.
Target Steering Menu
The Target Steering function allows you to place the F2 receiver in front of the drill head to use as a
steering target. See The Target Steering Function section for detailed information on determining where
to place the receiver and how to steer to it. This section gives instructions for using the Target Steering
menu once a target depth number has been determined.
The target depth number can range from 2–99 ft (0–30 m) for the foot or meter value and from 0–11 in.
(0–98 cm) for the inches or centimeters value.
The first screen of the Target Steering menu turns on Target Steering to the target depth displayed: either
the default value (2 ft or 0.50 m) or the value that was most recently set. The second screen turns off the
Target Steering function and returns you to the standard locate mode screen. The third screen allows you
to program the target depth.
Battery-Powered
12-kHz Transmitter
(Shown Highlighted)
Battery-Powered
19-kHz Transmitter
12-kHz Cable
Transmitter

Receiver
DigiTrak® F2® Operator’s Manual 31
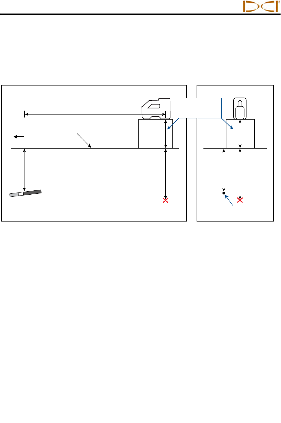
Turn On Target Steering
The turn on Target Steering screen displays the current or default target depth.
Turn On Target Steering Screen
Hold the trigger in to turn on the Target Steering function and set the target depth to the displayed value.
A checkmark will appear next to the receiver icon, and you will hear the confirmation signal.
Click the trigger to advance to the turn off Target Steering screen.
Turn Off Target Steering
The turn off Target Steering screen displays the locating target in the box in both the bird’s-eye (over-
head) and side views.
Turn Off Target Steering Screen
Bull's eye
represents a
programmed
target depth.
Bird’s-Eye
View
Side View
Locating target
represents no target
depth programmed.

Receiver
32 DigiTrak® F2® Operator’s Manual
To turn off the Target Steering function, hold the trigger in to select this option. A checkmark will appear
next to the receiver icon, and you will hear the confirmation signal. Then the display will return to the
standard locate mode screen.
To advance to the next option without turning off the Target Steering function, click the trigger.
Set Target Depth
The set target depth screen is similar to the turn on screen except that a question mark (?) appears in
place of the current target depth setting.
Set Target Depth Screen
Hold the trigger in to select the set target depth option, shown below. At this screen, you can click through
the available fields, which are the foot or meter (ft/m) setting, the inches or centimeters (in./cm) setting,
and the checkmark (used to confirm the target depth setting).
Set Target Depth Value Screen (Foot or Meter Setting Highlighted)
Underline indicates
value is highlighted
and can be changed.
Checkmark is used
to confirm the target
depth setting.
Foot or
Meter Setting
Inches or
Centimeters Setting

Receiver
DigiTrak® F2® Operator’s Manual 33
In this example, the line under the number 2 indicates that the ft/m setting is highlighted. To change this
setting, hold in the trigger until a box appears around the number 2, as shown below. Once you see the
box, click the trigger to increase (in 1-ft or 1-m increments) to the desired number. Once you reach the
desired number, hold in the trigger, and the box will turn back into an underline under the ft/m setting.
Set Target Depth Value Screen (Foot or Meter Setting Selected)
To change the in./cm setting, click the trigger to move the underline to the in./cm position, and then hold
the trigger in until a box surrounds the number. Once you see the box, click the trigger to increase in 1-in.
or 2-cm increments. Once you have the desired in./cm setting, hold in the trigger.
NOTE: If you click past 11 in. or 98 cm, then the number in the ft/m setting will automatically increase.
Also, if you click past your desired value, you can either click through the maximum values (99 ft
or 30 m), or wait about 10 seconds to exit the menu and then reenter the Target Steering menu,
to start back at the default value (2 ft or 0.50 m).
To set the displayed value as your target depth, click the trigger to move the underline underneath the
checkmark and hold the trigger in. A confirmation signal will sound.
For information about how to position the receiver ahead of the tool for target steering, see the Target
Steering Function section.
Display Screens
The basic receiver displays include the locate mode screen, the depth mode screen, and the predicted
depth screen. These are presented below. For more information regarding these screens and for detailed
locating instructions, please see the Locating section.
Locate Mode Screen
When the receiver is detecting a signal from a transmitter, the locate mode screen provides real-time data
about the transmitter’s location, temperature, pitch, roll, and signal strength. The roll/pitch meter shows
the quality of the signal from the transmitter. The locate mode screen is the default screen setting.

Receiver
34 DigiTrak® F2® Operator’s Manual
Receiver Locate Mode Screen with Transmitter in Range (Trigger Out)
When the roll offset function is used (an electronic compensation to match the transmitter’s 12 o’clock
position to the drill head’s 12 o’clock position), the roll indicator will have a hollow dot and the letters RO
for roll offset at the bottom right, as shown here. For more information on the roll offset, see “Roll Offset
Menu” above.
Roll Offset Is Activated
The roll/pitch update meter displays the quantity of roll/pitch data being received from the transmitter.
When the meter is empty, no roll/pitch data is being received, and all information will disappear on both
the receiver and remote display. Depth and predicted depth readings may still be taken, but the receiver
will assume the transmitter has a pitch of zero, as indicated by the following image appearing on the
depth or predicted depth mode screen.
Pitch Assumed Zero
2
Locating Target
(FLP or RLP)
Transmitter Signal
Strength
Roll/Pitch
Update Meter
Roll Indicator
Transmitter
Temperature
Transmitter Pitch
Receiver
+

Receiver
DigiTrak® F2® Operator’s Manual 35
Depth Mode Screen
From the locate mode screen, hold in the trigger to access the depth mode screen. This screen shows
the battery status of the transmitter. It also provides a depth reading and other data about the position of
the transmitter with respect to the receiver.
Receiver Depth Mode Screen at LL with HAG on (Trigger In)
Predicted Depth Display Screen
When the receiver is positioned at the front or rear locate point (FLP or RLP) and the trigger is held in,
you will see the predicted depth screen. The value for predicted depth and horizontal distance are only
valid if the receiver is at the FLP. See the Locating section for more information regarding the locate
points and positioning the receiver at the locate points.
Receiver Predicted Depth Screen at FLP with HAG on (Trigger in)
Height-Above-Ground
(HAG) Setting
Locate Line (LL)
Depth of Transmitter
Transmitter
Battery Status
Target-in-the-box
at FLP
Predicted Depth of
Transmitter
HAG Setting
Transmitter
Battery Status
Horizontal
Distance Between
Transmitter and
FLP
Bird's-Eye View

Receiver
36 DigiTrak® F2® Operator’s Manual
Notes

DIGITAL CONTROL INCORPORATED
DigiTrak® F2® Operator’s Manual 37
Transmitter
Types of F2 Transmitters
DCI manufactures six different transmitters for use with the F2 system: the long-range FX transmitter, in
12-kHz and 19-kHz versions; the extended long-range FXL transmitter, in 12-kHz and 19-kHz versions;
the short-range FS transmitter, which is only available with a 12-kHz signal; and the FC cable transmitter,
also only available with a 12-kHz signal. All F2 transmitters provide pitch readings in 0.1% or 0.1°
increments (from 0% to 100% or 0° to 45°). This section presents information for operating the battery-
powered F2 transmitters. For information on operating the FC cable transmitter, see the DigiTrak Multi-
Function Cable Box (MFCB) Operator's Manual.
The transmitter fits inside the drill housing and emits electromagnetic signals that the F2 receiver “hears”.
The receiver converts these signals to display the drill head location, position, and heading on the
receiver and remote display screens. Be sure the receiver is calibrated to the transmitter being used and
verify depth data before drilling.
The transmitter and receiver must have matching regional designation numbers to ensure that they
comply with local operating requirements. The transmitter’s regional designation number is located inside
the globe icon ( ) near the serial number on the FX and FXL battery compartment and on the front end
cap of the FS transmitter. This number must match that of your receiver for proper communication (see
Receiver section).
Long-Range FX Transmitter
The long-range FX transmitter provides a depth range of approximately 65 ft (19.8 m). It measures 15 in.
(38.1 cm) long and 1.25 in. (3.175 cm) in diameter. The extended long-range FXL transmitter provides a
depth range of approximately 85 ft (25.9 m). It measures 19 in. (48.26 cm) long and 1.25 in. (3.175 cm) in
diameter. The 19-kHz transmitters have the same dimensions as the 12-kHz versions, except they are
colored black rather than gray.
Extended Long-Range FXL Transmitter
Transmitter Serial
Number
Regional Designation Number
(Must Match that of Receiver)
Battery Compartment
Front End Cap with
Temp Dot and Index Slot

Transmitter
38 DigiTrak® F2® Operator’s Manual
The short-range FS transmitter provides a depth range of approximately 15 ft (4.6 m). It measures 8 in.
(20.32 cm) long and 1.00 in. (2.54 cm) in diameter.
Short-Range FS Transmitter with Closeup of Front End Cap
The FC cable transmitter provides a depth range of approximately 90 ft (27.4 m). It measures 19 in.
(48.26 cm) long and 1.25 in. (3.175 cm) in diameter. This transmitter requires a special rear-load housing
with an end plug that allows the transmitter’s cable to exit the housing. The end plug requires a com-
pression fitting to seal the transmitter from the drilling fluid. For operational information on the FC cable
transmitter, please see the DigiTrak Multi-Function Cable Box (MFCB) Operator's Manual.
FC Cable Transmitter
NOTE: The range of any transmitter is largely dependent upon the amount of interference at a job
site. The range decreases as interference increases.
Batteries and Power On/Off
The long-range FX transmitter requires two C-cell alkaline batteries or one DCI SuperCell Lithium Battery.
The extended long-range FXL requires one DCI SuperCell battery. Do not use alkaline batteries in the
FXL transmitter; they would last only a few hours. The short-range FS transmitter requires one AA
alkaline battery.
NOTE: Never use damaged or non-DCI lithium batteries. DCI SuperCell batteries are manufactured to
military specifications. The use of damaged or lower-quality lithium batteries may damage the
transmitter and/or housing and will void the DCI warranty.
Installing Batteries / Power On
The transmitter is powered on once the batteries are installed properly. To install the batteries, first
remove the battery cap by rotating it counterclockwise. Then insert the batteries positive terminal first into
the battery compartment and replace the battery cap, ensuring that it bottoms out for a proper seal. When
Regional
Designation
Number
Front End Cap
Index Slot
Temp Dot

Transmitter
DigiTrak® F2® Operator’s Manual 39
using two C-cell batteries in the FX transmitter, performance is improved by placing a spring between the
batteries, as shown below.
Install Transmitter Batteries with Battery Contact Spring
Use a receiver with a matching regional designation number and the correct transmitter option selected to
verify the signal from the transmitter. Roll, pitch, and a stable signal strength reading should be observed
on the receiver.
Transmitter Battery Status
When using alkaline batteries, the battery status symbol at the bottom of the receiver’s depth mode
screen will indicate the battery life remaining. When using a DCI SuperCell battery in the FX or FXL
transmitter, the battery status symbol will appear full until just before the battery dies.
NOTE: Because the SuperCell battery will appear full until just before it dies, you must track the hours
of use for the SuperCell battery.
Sleep Mode (Automatic Shutdown) / Power Off
F2 transmitters will go into sleep mode and stop transmitting to conserve battery power if they are
stationary for longer than 15 minutes. To “wake” the transmitter, rotate the drill string.
A small amount of charge will continue to drain from the batteries while the transmitter is in sleep mode.
To conserve battery life, do not leave batteries in the transmitter when they can easily be removed, and
always remove batteries when the transmitter is not being used.
Transmitter Housing Requirements
For maximum transmitter range and battery life, the slots in the drill housing must meet minimum length
and width requirements and be correctly positioned. DCI recommends at least three slots, each at least
1/16-inch or 0.0625 in. (1.6 mm) wide and equally spaced around the circumference of the housing. For
accuracy, slot measurements must be taken from the inside of the housing.
For both the 12-kHz and 19-kHz long-range FX transmitters (15 in./38.1 cm long), the slots must be at
least 8.5 in. (21.6 cm) long and begin at least 2 in. (5.1 cm) but not more than 3 in. (7.6 cm) from the front
of the transmitter, as shown below.
Battery Contact Spring

Transmitter
40 DigiTrak® F2® Operator’s Manual
Battery Compartment End Front End Cap
Slot Position
Slot Length
8.5 in. (21.6 cm) 2.0 in.
(5.1 cm)
FX Transmitter Housing Slot Requirements
For both the 12-kHz and 19-kHz extended long-range FXL transmitters (19 in./48.26 cm long), the slots
must be at least 13 in. (33 cm) long and begin at least 2 in. (5.1 cm) but not more than 3 in. (7.6 cm) from
the front of the transmitter, as shown below.
Battery Compartment End Front End Cap
Slot Position
Slot Length
13 in. (33 cm) 2 in.
(5.1 cm)
FXL Transmitter Housing Slot Requirements
For the short-range FS transmitter (8 in./20.32 cm long), the slots must be at least 3.75 in. (9.5 cm) long
and begin at least 1.25 in. (3.2 cm) from the front or index cap end of the transmitter, as shown below.
Battery
Compartment End Index
Cap End
Slot Position
Slot Length
3.75 in. (9.5 cm) 1.25 in.
(3.2 cm)
FS Transmitter Housing Slot Requirements
For the FC cable transmitter (19 in./48.26 cm long), the slots must be at least 9 in. (22.9 cm) long and
begin at least 2.5 in. (6.4 cm) from the front or index cap end of the transmitter, as shown below.
Wireline End Index Cap End
Slot Position
Slot Length
9 in. (22.9 cm) 2.5 in.
(6.4 cm)
FC Transmitter Housing Slot Requirements

Transmitter
DigiTrak® F2® Operator’s Manual 41
The transmitter must fit snugly in the housing. It may be necessary to wrap the transmitter with tape or O-
rings and/or use a housing adapter for larger drill housings. Contact DCI for more information.
The index slot in the front end cap of the transmitter should fit onto the anti-roll pin (key) in the housing for
proper alignment of the transmitter in the housing. When the drill head’s 12 o’clock position does not
match that of the transmitter, use the receiver’s roll offset function to display appropriate roll values. See
“Roll Offset Menu” in the Receiver section.
Temperature Updates and Overheat Indicator
F2 transmitters are equipped with an internal digital thermometer. The internal temperature of the trans-
mitter is sent to the receiver and remote display every 4.4 seconds. This temperature is displayed on the
bottom right of the receiver and remote display screens next to the transmitter temperature symbol .
NOTE: Because the digital thermometer is inside the transmitter, temperature increases due to
external drilling conditions will take time to transfer to the transmitter. Any increase in
temperature should be dealt with quickly to avoid irreversible damage.
Normal drilling temperatures range from 64°F (16°C) to 104°F (40°C). You should suspend drilling when
temperatures exceed 95°F (35°C) to permit cooling. Once the temperature reaches 118°F (48°C) the
thermometer icon will change to display steam and it will flash: . At this point, the transmitter has
become dangerously hot and must be cooled immediately or it will be damaged. The transmitter will shut
down at 176°F (80°C).
To cool the transmitter, stop drilling and/or add more drilling fluid.
Transmitter Temperature Warning Tones
The audible tones emitted by the F2 receiver and remote display to indicate increases in the transmitter
temperature are summarized in the table below.
Temperature Warning Tones
Below 61°F (16°C) No tones for temperature increases.
61–97°F (16–36°C) Double-beep sequence (beep-beep) for every 4°C increase in temperature.
104–111°F (40–44°C) Two double-beep sequences (beep-beep, beep-beep) for every 4°C increase in
temperature. NOTE: Action is required to cool the transmitter.
118–133°F (48–56°C) Three double-beep sequences (beep-beep, beep-beep, beep-beep) for every 4°C
increase in temperature. NOTE: Cooling is critical to avoid irreversible damage.
Above 140°F (60°C) Three double-beep sequences every 5 seconds on the remote display, and every
20 seconds on the receiver. NOTE: Warning signifies dangerous drilling condi-
tions; irreversible damage may have already been done.
Above 176°F (80°C) Transmitter shuts down.
180°F (82°C) FS and FC transmitter overheat indicator (temp dot) turns black (see below).
220°F (104°C) FX and FXL transmitter overheat indicator (temp dot) turns black (see below).

Transmitter
42 DigiTrak® F2® Operator’s Manual
Transmitter Overheat Indicator (Temp Dot)
The transmitter has a temperature overheat indicator (temp dot) on the front end cap. The temp dot has
an outer yellow ring with a 1/8-inch (3-mm) white dot in the center. The white dot will change color if the
transmitter is exposed to excessive heat.
Front End Cap of Transmitter Showing Temp Dot, Index Slot, and Black Temp Dot
If the temp dot changes to silver or gray, then the transmitter has been exposed to heat but not in excess
of the specifications. If the temp dot is black, then the transmitter has been exposed to temperatures in
excess of 220°F (104°C) for an FX or FXL transmitter and 180°F (82°C) for an FS or FC transmitter and
can no longer be used. The DCI warranty will be void for any transmitter that has been overheated (black
dot) or had its temp dot removed.
Avoid transmitter overheating by practicing proper drilling techniques. Abrasive soils, clogged jets, in-
adequate mud flow, and poorly mixed mud are some of the factors that can contribute significantly to the
overheating of a transmitter.
Temp Dot
I
ndex Slot at
6 o’clock Position
Black Temp
Dot Voids
Warranty

DIGITAL CONTROL INCORPORATED
DigiTrak® F2® Operator’s Manual 43
Remote Display
DigiTrak F Series Display (FSD)
General Description
The DigiTrak F Series Display (FSD) is a multifunction
display that can be used with a variety of DCI receivers. It
provides the drill rig operator with information from the
receiver about the depth, orientation, and status of the
transmitter. The FSD remote can be powered through
either a DC cable source or an F Series battery pack.
An external 13 in. (33 cm) telemetry antenna is supplied
with your DCI equipment. It mounts onto the remote dis-
play to enhance signal reception up to 1800 ft (550 m)
with line of sight to the receiver. For bore lengths greater
than this or when line of sight is compromised, contact
DCI to purchase one of the optional telemetry antennas.
To meet regional requirements and for proper communi-
cation, one of the frequency designations shown on the
remote’s serial number label (see photo to the right) must
Direction
Buttons
Execute
Button
Removable Visor
Display
Screen
Magnetic
Base
Serial Number Label on Back of FSD
Serial
Number
Telemetry
Frequency
Designations
Keypad
Antenna

Remote Display
44 DigiTrak® F2® Operator’s Manual
match that shown on the receiver. The receiver’s frequency designation is located on the serial number
label inside the receiver’s battery compartment (see “General Description” discussion in the Receiver
section).
Power Options
The FSD remote can be powered by either an F Series battery pack or a 14.4 V DC power source using
the DC power cable. If both a battery pack and the DC cable are installed, the remote will draw power
from the battery until the battery voltage is below the DC source voltage. Install the brace insert as you
would the battery when using the DC cable source (see “Installing and Removing the Battery Pack or
Brace Insert” below).
Connecting the DC Power Cable
To connect the DC power cable, remove the protec-
tive cap from the DC power port on the back of the
remote. Then align the four pin holes in the DC
cable with the four pins in the DC power port. Push
in and rotate the cable connector clockwise until the
cable is secure. Install the other end of the DC
cable into the DC power source.
DC Power Cable
Installing and Removing the Battery Pack or Brace Insert
The F Series battery pack is installed in the FSD remote’s battery compartment for battery power. When
the remote is powered by a DC cable source, the brace insert must be installed in place of the battery
pack. The brace insert is the same size as the battery pack, and it is installed and removed in the same
manner as the battery pack.
To install the battery pack or brace insert, with the tab facing up and away from the FSD remote, insert
the battery/brace insert into the battery compartment and push it in until the tab latches in place.
To remove the battery pack or brace insert, push down on the battery tab and pull it away from the
remote until the tab is released.
DC Power Cable Installed in FSD Remote
DC Power
Port
Brace
Insert
Pin Holes
Protective
Cap

Remote Display
DigiTrak® F2® Operator’s Manual 45
Power On/Off
Once you have provided power to the FSD remote, either using the battery pack or a DC power source,
then you can operate the unit. The power on and off functions are as follows.
Power On – Press the execute button for a half-second or more to turn on the FSD unit. You will
hear a tone and the main display screen will appear.
Power Off – Push and release the execute button on the front of the remote to access the main
menu screen. Push the button again to highlight the power off menu (see “Main Menu” later in this
section), and then hold the button down until the unit turns off.
Keypad
The keypad to the right of the display window is used to operate the FSD remote.
Execute Button – The execute button (curved arrow) turns on the FSD unit and selects a
highlighted menu option. It is also used for adjusting contrast and for executing menu options. It
functions like the trigger switch on the receiver.
Direction Buttons – The up/down, left/right arrow buttons are used to navigate through
menu options. The down button also can be used to access the main menu from the remote
mode (see “Main Menu” later in this section).
Audible Tones
The FSD remote has an internal speaker that emits a tone at startup and emits warning tones when the
transmitter temperature increases. See “Transmitter Temperature Warning Tones” in the Transmitter
section for a complete listing of the warning tones and what they signify.
Adjusting Screen Contrast
There are two ways to adjust the screen contrast. The easiest method is to hold in the execute button
while pushing the right arrow (to lighten the display) or the left arrow (to darken the display). The other
way is by using the contrast adjustment option in the main menu (see “Main Menu” later in this section).

Remote Display
46 DigiTrak® F2® Operator’s Manual
Adjusting the Viewing Angle
The FSD remote allows you to adjust the viewing angle through a range of 180° left/right, 90° up/down,
and 270° about the display’s center.
Up/Down – Loosen and squeeze the two knobs on the back of the remote display, then adjust the screen
as desired and tighten the knobs. If the knobs are loose, the display will hold its vertical position only until
the knobs are squeezed together or the display is vibrated. Thus, DCI recommends tightening the knobs
before drilling.
Loosen Display Knobs
Adjust Viewing Angle
Tighten Display Knobs
Left/Right – When the FSD remote’s magnetic base is secure, you can adjust the left-right viewing angle
by rotating the display about the base.
Center – With the magnetic base secure, take hold of the display and rotate it to the desired orientation.
Attaching and Removing Visor
The removable visor on the FSD remote shields the
screen from environmental conditions such as rain
and sun. The visor is held in place by a ridge on the
top of the display and channels on the sides of the
display.
To install the visor, slide the pegs on the visor along
the peg channels on the sides of the display until
the visor locks over the ridge.
To remove the visor, push the visor back over the
ridge and along the channels.
Squeeze
Knobs
Ridge
Peg Channel
Rotation for
Left/Right Viewing
Adjustment
Rotation for Center
Viewing Adjustment

Remote Display
DigiTrak® F2® Operator’s Manual 47
Main Menu
The main menu is accessed by pushing the down arrow button. It displays the menu options with the
remote mode option automatically highlighted for selection.
FSD Main Menu Screen
Use the arrow buttons to highlight an option, and press the execute button to select that option. The table
below lists the main menu options and the result of selecting each item.
FSD Main Menu Options
.
Remote Mode – Puts the FSD unit into remote radio mode. It will then display
information from the receiver, including transmitter pitch, roll, temperature, battery
status, depth, predicted depth, and Target Steering data.
Power Off – Turns off the unit with no audible signal.
Settings Menu – Opens the settings menu allowing you to change telemetry chan-
nels, pitch and depth units, and the receiver model. See “Settings Menu” below.
Contrast Adjustment – Allows you to adjust the screen contrast. See below for
instructions.
Cable Mode Option – Enables use of the FC cable transmitter. Please see the
DigiTrak Multi-Function Cable Box (MFCB) Operator's Manual
for operating
instructions.
Information – Displays system information such as the software version, serial
number, and current settings.
Remote Mode
(Shown Highlighted)
Contrast
Adjustment
Power Off
Information
Settings Menu
Description of
Highlighted Option
Cable Mode
Option

Remote Display
48 DigiTrak® F2® Operator’s Manual
Contrast Adjustment
The screen contrast can be adjusted from the main display screen by holding in the execute button on the
keypad and pressing the left or right arrow button for the desired adjustment: left for darker, right for
lighter.
You can also adjust the screen contrast by using the contrast adjustment option. When this option is
selected from the main menu, the following screen appears.
Adjust Screen Contrast
Using the left or right arrow button on the remote, select the desired action: either decrease contrast (left
arrow), increase contrast (right arrow), or the curved arrow. Adjust the contrast by pressing the remote’s
execute button after you have selected the decrease or increase contrast arrow. Each time the execute
button is pressed, the contrast will change incrementally. When the contrast is adjusted as desired, use
the left/right arrow buttons on the remote to highlight the curved arrow on the screen, and then press the
execute button on the keypad to return to the main menu.
Decrease
Contrast Arrow
(Darkens Screen)
Increase Contrast Arrow
(Lightens Screen)
Curved Arrow Saves
Contrast Setting and
Returns to Main Menu
(Shown Highlighted)

Remote Display
DigiTrak® F2® Operator’s Manual 49
Settings Menu
The settings menu, shown below, will appear after selecting the settings menu at the main menu screen.
FSD Settings Menu Screen
The table below shows the menu options as they appear on the display with descriptions of their uses.
Any changes that are made to the settings will be saved when the FSD unit is turned off. DCI
recommends that you program the FSD settings to match the settings on your receiver.
FSD Settings Menu Options
Telemetry Channel – Opens telemetry channel options: 1, 2, 3, and 4. The remote
and the receiver must be set to the same channel and must have the same
telemetry frequency designation.
Receiver Model – Allows you to program the FSD unit to work with an F2, SE,
Eclipse, or Mark Series receiver. If a receiver other than the F2 is to be used, see
the MFD/FSD Operator’s Manual.
Telemetry Frequency Designation – Opens the telemetry region options. If you
must change this setting, call DCI to determine which setting is required in your area
and to verify that it matches the receiver frequency.
Depth Units – Allows you to select distance units as either English or metric. When
English units are selected, the temperature will display in degrees Fahrenheit (°F).
When metric units are selected, the temperature will display in degrees Celsius (°C).
Pitch Units – Allows you to select pitch angle units. The options are percent (%) or
degree (°).
Exit – Exits the settings menu and returns to the main menu screen. After a setting
is changed, the exit option is automatically highlighted for selection.
Telemetry Channel
(Shown Highlighted)
Depth Units
Receiver Model
Exit
Telemetry Frequency
Designation
Function of
Highlighted Option
Pitch Units

Remote Display
50 DigiTrak® F2® Operator’s Manual
Display Screens
Main Display Screen
The main display screen is the default screen you will see after turning on the FSD remote. It shows the
transmitter pitch, roll, battery status, and temperature. The main screen also shows the FSD battery
status, receiver type, telemetry channel, telemetry update meter, and Target Steering data (if active). To
exit this screen at any time, press the down arrow to access menu options.
FSD Main Display Screen
The telemetry update meter displays the amount of signal being received. If less data is being received,
then fewer bars are shown on the meter. If the meter is decreasing or low, you should pause before
making steering decisions to ensure you have correct data. When the meter is empty, no telemetry data
is being received and all transmitter information will disappear.
If the roll offset function is set on the receiver (an electronic compensation to match the transmitter’s
12 o’clock position to the tool’s 12 o’clock position), the letters RO for roll offset will display at the bottom
right of the clock circle. For more information, see “Roll Offset Menu” in the Receiver section.
Depth Display Screen
The depth or predicted depth of the transmitter can be viewed on the remote display, but only when the
receiver is positioned at the locate line (LL) or at the front locate point (FLP) with its trigger held in. See
“Locate Points (FLP & RLP) and Locate Line (LL)” in the Locating section for information on correctly
positioning the receiver.
When the receiver is positioned at the LL with the trigger held in, the FSD display will change to show the
depth reading with arrows pointing to the ground and drill head. When the height-above-ground function
is turned on, the receiver icon is shown elevated above the ground with the HAG setting displayed. In the
figure below you can see that the HAG setting is 1'10" to indicate that the receiver is being held that
distance above the ground. For more information on the HAG settings, see “Height-Above-Ground (HAG)
Menu” in the Receiver section.
Transmitter
Temperature
Transmitter Battery
Status (Alkaline Only)
Transmitter Pitch
Receiver Type with
Telemetry Channel
FSD Battery Status
Transmitter Roll
Telemetry Update
Meter
Thermometer for
Transmitter
Temperature
Direction of
Temperature Change
Roll Offset Indicator
(Displays if Roll Offset
Is Set on Receiver)

Remote Display
DigiTrak® F2® Operator’s Manual 51
FSD Depth Display at Locate Line with HAG On
The depth will display for 10 seconds after the trigger on the receiver is released, and then the display will
return to the main display screen.
When a roll offset is set at the receiver, the letters RO will display at the bottom right of the clock circle on
the depth display, as shown above, and on the predicted depth display. For more information, see “Roll
Offset Menu” in the Receiver section.
Predicted Depth Display Screen
The predicted depth display screen appears when the receiver is positioned at the FLP or the RLP (rear
locate point) and the trigger is held in. However, the predicted depth is only valid at the FLP. The
predicted depth display will show arrows pointing to the receiver and the predicted depth point ahead of
the transmitter. For more information about the predicted depth, see the Locating section.
FSD Predicted Depth Display with HAG On
Horizontal
Distance Between
Transmitter and
FLP
Predicted Depth
HAG Setting
Depth Reading
Roll Offset
Indicator

Remote Display
52 DigiTrak® F2® Operator’s Manual
As on the depth display, when a roll offset is set at the receiver, the letters RO will display at the bottom
right of the clock circle on the FSD predicted depth display. The example shown above does not have the
RO, which indicates that a roll offset has not been set.
When the transmitter pitch information cannot be obtained at the receiver due to range restrictions or
interference, the remote will assume the transmitter has a pitch of zero for depth and predicted depth
readings. In this case, the remote will show the transmitter pitch as illustrated below.
Pitch Assumed Zero

DIGITAL CONTROL INCORPORATED
DigiTrak® F2® Operator’s Manual 53
Battery Charger
General Description
F Series Battery Charger System
The DigiTrak F Series Battery Charger (FBC) system includes AC and DC power cords, an AC adapter,
and three rechargeable lithium-ion battery packs. The battery packs are used to power the F2 receiver
and the FSD remote. Only F Series battery packs should be used in the F2 system and in the battery
charger. Using another type of battery could result in system damage and voiding of the warranty.
The battery charger can operate from AC (100–240 V, 50–60 Hz, 1500 mA max.) or DC (12 V, 5000 mA
max.) power sources, and power cords are provided for both. The AC power cord that is shipped with
your system is standard to your global area of operation.
A fully charged F Series battery pack will power an F2 receiver for
approximately 12 hours or an FSD remote for approximately 14
hours before recharging is necessary. The battery pack can be
recharged approximately 400 times before the battery life is reduced
by up to 50%.
To check the charge status of the F Series battery pack at any time,
press the battery status button below the five LEDs on the battery.
Each of the LEDs represents 20% of the battery charge. While
charging, the LEDs will flash to show the current charge level. Upon
completion of the charge cycle, all five LEDs will illuminate briefly
and then turn off.
AC Adapter
AC Power
Cord
F Series
Battery Charger
F Series
Battery Packs
DC Power
Cord
F Series Battery Pack
Tab
LEDs
Indicate
Charge
Level
Battery
Status
Button

Battery Charger
54 DigiTrak® F2® Operator’s Manual
AC/DC Power Setup
Install either the AC adapter or the DC power cord
by inserting the charger plug into the power port of
the battery charger (see photo to the right) and then
rotating it a quarter turn in either direction to lock it in
place.
If using AC power, connect the AC power cord to the
AC adapter, then plug the cord into an AC power
receptacle (wall outlet). If using the DC power cord,
plug it directly into the DC power source. Once
powered, the orange LED on the battery charger will
begin to flash and the charger will emit a series of
tones.
Charging a Battery Pack
With the battery charger connected to a power source and the orange LED flashing, insert a battery pack
into the battery charger. The battery pack will be flush with the battery charger when it is properly
inserted. The orange LED will stop flashing and turn solid, and the red LED will illuminate to indicate
active charging. Do not try to charge a non-DCI battery pack or an SE NiMH battery pack.
The battery pack is fully charged when the orange LED starts flashing again, the red LED goes off, and
the green LED starts flashing.
Battery Charger LED Indicators
The battery charger has three LEDs (red, orange, and green) that are on, off, or flashing, depending on
the charging status. The chart below summarizes the charging status indicated by the various LED
settings, including the battery’s status, where applicable, and the charge time.
LEDs Charging Status Battery Status Charge Time
Flashing Orange Power supplied to charger and not
charging a battery None installed or
fully charged N/A
Solid Red and
Orange Battery charging 4–16.8 V <3–8 hr
Flashing Red Battery or communication fault Varies Varies
Solid Green Battery Installed and receiving trickle
charge 16.6–16.8 V Approaching
full charge
Flashing Green Battery installed and fully charged 16.8–17 V N/A
Solid Red and
Green Temperature fault
(see Appendix A for environmental
operating specifications)
Installed Will not charge
Inserting Charger Plug into Power Port
Green
LED
Orange
LED
Red LED
Charger Plug
Power Port

Battery Charger
DigiTrak® F2® Operator’s Manual 55
Warnings and Precautions
DCI assumes no liability for problems that occur when you do not follow these warnings and precautions,
as well as the general precautions outlined in the Safety Precautions and Warnings section.
WARNlNG: The charger is designed with adequate safeguards to protect you from shock
and other hazards when used as specified within this manual. If you use the charger in a
manner not specified by this document, the protection provided by the charger may be
impaired. Please read this manual before using the charger.
WARNlNG: If you transport the charger in checked baggage, be sure to remove the bat-
teries from the charger before packing it.
Battery
Temperature
• The temperature of the air around the battery charger should be between
+32°F to +95°F (0°C to +35°C). Charging the battery outside this range may
increase charge time, harm battery performance, or reduce battery life.
• It is important to maintain free airflow around the charger, especially near the
top and bottom vents.
• If the battery internal temperature is below +32°F (0°C) or above 113°F
(+45°C), the charger will not deliver charge current and will indicate a tem-
perature fault.
Battery Voltage • The battery voltage should be in the range of 8 V to 16.8 V when inserted into
the charger.
• If the battery voltage is above 17 V, the charger will display a flashing red
battery fault indicator and will not charge the battery.
• If the battery voltage is between 16.8 V and 17 V, the charger will display a
charge complete status.
• If the battery voltage is between 4 V and 8 V, a small trickle charge current will
be applied to bring the battery voltage up to 8 V. If the battery voltage does not
increase to above 8 V within 2 minutes, a battery fault will be displayed and
charging discontinued.
Charge Time • The charger will fully charge a battery in less than 3 hours if the ambient tem-
perature is inside the operating ambient temperature specification.
• If the ambient temperature is above or below the operating ambient tempera-
ture range, the charger may eventually charge the battery, but the charge time
will be longer than 3 hours.
• If charging is not complete inside 8 hours, a battery fault will be displayed and
charging discontinued.
Power Input Use the supplied AC/DC adapter or the cigarette lighter adapter cable to power the
charger with DC power in the specified voltage range. Failure to do so could
damage the charger, void the warranty, and cause a safety hazard.
User Serviceability Do not disassemble the charger. It contains no user-serviceable parts.
Liquids Avoid spilling liquids on the charger. Liquids spilled onto the charger could short
circuit it. If liquids are accidentally spilled, send the charger to DCI for repair.
Battery Disposal All DCI lithium-ion batteries are classified by the federal government as non-
hazardous waste and are safe for disposal in the normal municipal waste stream.
These batteries, however, do contain recyclable materials and are accepted for
recycling by the Rechargeable Battery Recycling Corporation’s (RBRC) Battery
Recycling Program. Please call 1-800-8-BATTERY or go to the RBRC website at
www.rbrc.org for information on recycling your used battery.

Battery Charger
56 DigiTrak® F2® Operator’s Manual
Battery Pack Storage
If you plan to store the battery packs for any period of time, please follow the guidelines listed below.
Do not store the battery pack at temperatures greater than 113°F (45°C).
Do not store the battery pack in a fully discharged state.
Do not store the battery pack in the battery charger.
If the battery pack is going to be stored for an extended period of time, precharge the battery to a
charge level of 20% to 30% (two to three LEDs illuminated on the battery pack).

DIGITAL CONTROL INCORPORATED
DigiTrak® F2® Operator’s Manual 57
Locating
Locating in High-Interference Area with the F2 Receiver
Introduction
Locating with the F2 system is relatively easy and intuitive, but you must understand some locating basics
first. This section describes the locate points and locate line; the geometry of these elements with respect
to the transmitter; the display screens encountered during locating; and the proper method for marking
locate points once they are found. You are then given the standard locating procedure, including tracking
“on-the-fly,” and a method for tracking the transmitter when you cannot walk over it, called off-track
locating.
For a detailed explanation of how to track the transmitter when it is steep and deep, please read the
information provided in Appendix B: Projected Depth Versus Actual Depth and the Fore/Aft Offset.

Locating
58 DigiTrak® F2® Operator’s Manual
Locate Points (FLP & RLP) and Locate Line (LL)
The F2 receiver locates the transmitter by detecting three specific places in the transmitter’s magnetic
field: the locate points and the locate line. The locate points are indistinguishable from one another by the
receiver. They represent similar points in the transmitter’s field in front of and behind the transmitter. The
front locate point (FLP) is ahead of the transmitter, and the rear locate point (RLP) is behind the
transmitter. (See Appendix B for more information about the transmitter’s magnetic field.)
The locate line (LL) extends 90° to the left and right of the transmitter and represents the location of the
transmitter between the FLP and RLP.
The most accurate tracking requires the use of all three locations to determine the position, heading, and
depth of the transmitter. Aligning the FLP and RLP reveals the heading and left/right position of the
transmitter. The LL determines the central position and depth of the transmitter when the receiver is
properly aligned between the FLP and RLP. The full procedure for tracking is given later in this section
under “Standard Method for Locating the Transmitter.”
LL
Transmitter
FLP
RLP
Axis Line
Drill
Surface of
Ground
Drill
LL
Transmitter
FLP
RLP
Bird’s-Eye View
(Looking Down)
Side View
Geometry of FLP, RLP, and LL from Top (Bird’s-Eye) and Side Views
Note how the RLP and FLP are equal distances from the LL when the transmitter is level.
NOTE: If the transmitter pitch exceeds ±30% (or ±17°) and/or the transmitter depth exceeds 15 ft (4.6
m), the position of the locate line will be somewhat ahead of or behind the transmitter’s actual
position. In these cases, the depth displayed on the receiver is referred to as the projected
depth (see Appendix B for more information regarding this situation).

Locating
DigiTrak® F2® Operator’s Manual 59
Effects of Depth, Pitch, and Topography on Distance
Between FLP and RLP
In general, the deeper the transmitter is, the further apart the FLP and RLP will be. The distance between
the FLP and RLP with respect to the location of the LL is also a function of the transmitter pitch and
topography. (For more information, see Appendix B.)
When the transmitter pitch is negative, the FLP will be further from the LL than the RLP (see figure
below). When the transmitter pitch is positive, the RLP will be further from the LL than the FLP. If the
ground surface or topography slopes significantly, the locations of the FLP and RLP will also be affected
with respect to the LL even if the transmitter itself is level.
LL
FLP
RLP
Axis Line
Drill
Surface of
Ground
Drill
LL
Transmitter (Negative
or Downward Pitch)
FLP
RLP
Bird’s-Eye View
(Looking Down)
Side View
Transmitter (Negative
or Downward Pitch)
Effect of Pitch on Distance Between FLP, RLP, and LL
Note how the RLP and FLP are at different distances from the LL when the transmitter is at a negative
pitch (compare with figure on previous page in which the transmitter is level).
It is possible to calculate depth (for comparison to the receiver’s depth reading) using the distance
between the locate points and the pitch of the transmitter. For additional information, see Appendix C:
Calculating Depth Based on Distance Between FLP and RLP.
It is also possible to track the locate line when walkover locating is not possible, such as when surface
obstructions exist or interference occurs. For more information about this feature, called off-track locating,
see “Off-Track Locating” at the end of this section.

Locating
60 DigiTrak® F2® Operator’s Manual
Marking Locate Points
The locate points (FLP and RLP) and the locate line (LL) must be found and accurately marked during the
locating procedure. To mark a locate point after you have found it, stand with the receiver level and
directly above the locate point. Look down the vertical axis that runs through the center of the display to
project a plumb line to the ground (see figure below). The point where this plumb line hits the ground is
the location that you should mark.
Center of
Display
Front of
Receiver
Place Marker
Straight Down
on Ground
Plumb Line or
Vertical Axis
Plumb Line for Marking Locate Points
HANDLING THE RECEIVER
NOTE: It is critical that you hold the receiver correctly to obtain accurate readings. You must hold the
receiver level at all times and maintain a constant height-above-ground (HAG) distance
that matches the value set on the receiver (see “Height-Above-Ground (HAG) Menu” in the
Receiver section).

Locating
DigiTrak® F2® Operator’s Manual 61
Display Screens
The locate mode screen on the F2 receiver provides real-time data about the transmitter’s temperature,
pitch, roll, and signal strength.
Receiver Locate Mode Screen
When the F2 receiver is positioned at the locate line between the FLP and the RLP and the trigger is held
in, you will see the depth mode screen. This screen provides more detailed data about the position of the
transmitter with respect to the receiver. It also shows the battery status of the transmitter.
NOTE: The receiver and transmitter must be calibrated together, with the transmitter in the drill
housing, before accurate depth data can be displayed. See “Calibration Menu” in the Receiver
section.
Receiver Depth Mode Screen (at LL with HAG on)
2
Approximate
Locate Point
(FLP or RLP)
HAG Setting
Line-in-the-box at
Locate Line (LL)
Depth of
Transmitter
Transmitter
Battery Status
+
Locating Target
(FLP or RLP)
Transmitter Signal
Strength
Roll/Pitch Update
Meter
Roll Indicator
Transmitter
Temperature
Transmitter Pitch
Receiver

Locating
62 DigiTrak® F2® Operator’s Manual
If the HAG is turned off, the receiver will have to be set on the ground for accurate depth readings. In this
case, the picture on the depth mode display will show the receiver on the ground.
When the F2 receiver is positioned at one of the locate points and the trigger is held in, you will see the
predicted depth screen. The value for predicted depth and horizontal distance are only valid if the receiver
is at the FLP. The “R” at the top of the screen denotes that the reference signal is being taken. See
“Standard Method for Locating the Transmitter” later in this section for more information on the reference
lock and positioning the receiver at the locate points.
Receiver Predicted Depth Screen (at FLP with HAG on)
The depth screen can be accessed at any time during locating. However, depth and predicted depth data
will only be displayed when the receiver is at the locate line and locate points, respectively. The depth
screen will display as follows when the receiver is not positioned at a locate point or the locate line.
Receiver Depth Screen (when not at the LL or LP)
Target-in-the-box
at FLP
Predicted Depth of
Transmitter
HAG Setting
Transmitter
Battery Status
Distance Along
Borehole to FLP
Reference Lock
Slanted Line In-
dicates Receiver
Is Not at FLP,
RLP, or LL.
The 2'00" HAG
setting appears with
a slanted line, but it
is still a vertical
measurement.

Locating
DigiTrak® F2® Operator’s Manual 63
Interference: What It Is and How to Check for It
Before drilling (preferably before bidding on a project) the interference potential at your site should be
evaluated. Interference can reduce the transmitter’s range or cause variable readings and possibly result
in job slowdowns. Interference comes from two different types of sources: active and passive.
Active interference is also known as electrical interference or background noise and can have varying
effects upon the F2 locating equipment. Most electrical devices emit signals that can affect your ability to
locate the tool accurately or to get good pitch/roll readings. Some examples of active interference are
traffic signal loops, buried dog fences, cathodic protection, radio communications, microwave towers,
cable TV, fiber-trace lines, utility data transmissions, security systems, power lines, and phone lines, to
name a few. You can conduct a test for the presence of active interference with your F2 system; see
“Conducting a Background Noise Check” below.
Passive interference can reduce the amount of signal received from the transmitter, which results in
deeper than expected depth readings or a completely blocked signal. Some examples of passive
interference are metal objects (such as pipes, rebar, trench plate, chain-link fence, or vehicles). Two other
examples of passive interference are saltwater/salt domes and conductive earth, such as iron ore. You
cannot conduct a test for the presence of passive interference with your F2 system. Conducting a
thorough site investigation prior to drilling is the best method of identifying passive interference sources.
The first step in familiarizing yourself with the interference potential along your intended bore path. The
next step is to conduct an electrical interference/background noise check.
Conducting a Background Noise Check
With the transmitter off, power up the receiver and walk the bore path while monitoring the signal strength
on the receiver’s screen, noting any locations where it changes. A general rule is that the background
noise should be at least 150 points less than the transmitter’s signal strength when measured at the
maximum depth for that bore. In the figure below, the red flag area denotes an increase in background
noise.
One-Person Background Signal Strength Check (No Transmitter)
Intended Bore Path
Background Noise

Locating
64 DigiTrak® F2® Operator’s Manual
At the end of the bore path, have a coworker install batteries in the transmitter to power it up. With the
receiver positioned on the intended bore path, have the coworker with the transmitter step off to your side
approximately 1.5 times the maximum depth of your intended bore. You will now walk back toward the
launch end in tandem, maintaining this distance of 1.5X the max depth while periodically stopping to
change the transmitter’s pitch and roll orientation to verify the speed and accuracy of these readings on
the receiver.
Two-Person Roll/Pitch Test with Transmitter
Suggestions for Dealing with Interference
Every job site warrants an interference/background noise check no matter how remote and interference-
free your job site appears to be. If the pitch/roll information becomes erratic or is lost, move the receiver
away from the interference source while staying within range of the transmitter. Separation (use of the
HAG function) may also help when drilling under metallic objects, because the greater the separation
between the receiver and the metal objects, the better the receiver’s antenna will read the signal. Another
solution is to use a transmitter with a stronger signal strength that may be able to overcome the inter-
ference/background noise.
Intended Bore Path
1.5X Depth

Locating
DigiTrak® F2® Operator’s Manual 65
Standard Method for Locating the Transmitter
With the F2 system, you can locate the transmitter and its heading while it moves, whether standing in
front of it, behind it, or toward the side. You can also locate the transmitter facing either toward or away
from the drill rig.
The standard method described in this section guides you to the transmitter while standing out in front of
it, facing the drill rig. This is the recommended method for locating. As you continue to drill or as the bore
path curves, you may be facing the last marked locate point rather than the drill rig.
Drill
LL
FLP
RLP
Move
Forward
Drill
LL
FLP
RLP
Move
Forward
Setup for
Standard Locating Method Standard Locating Method
with a Curved Path
Depth readings may be taken at the FLP or at the LL. It is necessary to hold the trigger in to view the
depth or predicted depth and to send the depth reading to the remote display.
Finding the Front Locate Point (FLP)
The locating procedure described here assumes you are facing the drill with the transmitter below ground
and between you and the drill.
1. Start with the receiver on and in locate mode.
2. Stand out in front of the drill head at a distance of approximately one rod length.
NOTE: The FLP will be found further out in front of the drill head as the drill head gets deeper.

Locating
66 DigiTrak® F2® Operator’s Manual
3. Holding the receiver level, observe the position of the locating target ( ) relative to the receiver box
on the display. The figures below illustrate what you might see on the display and the actual position
of the receiver, transmitter, and locate points. Note that the FLP is ahead of and to the left of the
receiver, as shown in the receiver display.
RLP
FLP
LL
Receiver Locate Mode Screen
Actual Position of
Receiver and Transmitter
4. Walk in the direction indicated by the picture on the screen to center the target in the box, which is
forward and to the left in this example.
5. When the target is centered in the box, hold the trigger in for one second so the receiver can get a
“lock” on the reference signal. The “R” symbol will appear at the top of the depth screen.
WARNING: Do not hold the trigger in unless you are precisely at the FLP (target centered in box). If
you are ahead of the FLP, you will set an incorrect reference that causes a ghost locate
line. In this case, you must reference again at the FLP.
RLP
FLP
LL
Receiver Depth Mode Screen
(at FLP with HAG on)
Actual Position of
Receiver and Transmitter
Locating
“Target”
“Box”
Target-in-
the-box
+

Locating
DigiTrak® F2® Operator’s Manual 67
The depth value given at the FLP is the depth the transmitter will be at when it reaches its predicted
location if no steering adjustments are made.
NOTE: To verify that the signal is balanced through the receiver’s antenna, carefully rotate the
receiver 360° about the center of the display keeping the receiver level. The locating target
should stay centered in the box. If it does not, do not continue to use the receiver and
contact DCI’s Customer Service Department.
6. Mark the location directly below the receiver’s display screen on the ground as the FLP.
Finding the Locate Line (LL)
7. Continue to walk in the direction of the drill or the last known transmitter location. Keep the locating
target on the vertical crosshair and observe that the signal strength is increasing.
Receiver Locate Mode Screen
(FLP Behind Receiver, Which Is Moving Toward LL)
If the signal strength decreases, you may actually have just located the RLP. Position yourself further
away from and facing the drill to locate the FLP.
8. When the target reaches the bottom of the screen, the locate line should appear and the target will
change to a black ball representing the approximate locate point.
Signal Strength
Higher than
Value at FLP
Locating Target
Aligned with
Vertical Crosshair
+

Locating
68 DigiTrak® F2® Operator’s Manual
RLP
FLP
LL
Receiver Locate Mode Screen
(Approaching LL) Actual Position of
Receiver and Transmitter
NOTE: The ball is only the approximate position of the locate point. Do not rely on the alignment
of the ball with the vertical crosshair to identify the left/right position of the transmitter. The
front and rear locate points must be accurately found to determine the transmitter’s lateral
position (heading) and to take accurate depth readings.
9. Position the receiver so that the LL aligns with the horizontal crosshair.
RLP
FLP
LL
Receiver Locate Mode Screen
(at the LL)
Actual Position of
Receiver and Transmitter
Locating
Ball
Line-in-
the-box
+
+

Locating
DigiTrak® F2® Operator’s Manual 69
10. Mark the location directly below the receiver’s display screen on the ground as the LL. You can take a
depth reading here by holding in the trigger. However, to be certain you are directly above the trans-
mitter, and your depth reading is accurate, you should first find the RLP.
NOTE: If the locate line does not appear, move the receiver in a forward/aft direction over where
you think the tool is located. You will see the locating target jump from the bottom of the
screen to the top (or vice versa). Then hold in the trigger; this should re-reference the
receiver to the transmitter’s signal and bring up the locate line.
Finding the RLP to Confirm Transmitter Heading and Position
Finding the RLP will allow you to confirm the transmitter’s heading and position. Like the FLP, the RLP is
represented as a target ( ) on the receiver display. Once the RLP is found, you will connect the RLP to
the FLP with a line that represents the exact heading of the transmitter. The transmitter is located at the
point where this line intersects the LL.
Continue the locating procedure as follows:
11. From the LL, facing toward the drill or last transmitter location, walk forward keeping the target
aligned on the vertical crosshairs.
RLP
FLP
LL
Receiver Locate Mode Screen
(Approaching RLP from LL)
Actual Position of
Receiver and Transmitter
12. Position the receiver so that the locating target is centered in the box.
+

Locating
70 DigiTrak® F2® Operator’s Manual
RLP
FLP
LL
Receiver Locate Mode Screen
(at RLP)
Actual Position of
Receiver and Transmitter
13. Mark the location directly below the receiver’s display screen on the ground as the RLP.
14. Connect the RLP to the FLP with a straight line. This line represents the transmitter’s heading. The
exact position of the transmitter is located beneath where this line and the LL cross.
15. Position the receiver at the intersection of these lines with the LL passing through the center of the
box on the display and hold the trigger in to take a depth reading.
NOTE: To verify the depth reading, turn off the HAG and set the unit on the ground. Take another
depth reading. This reading should be very near the depth reading obtained with the HAG
on and the receiver lifted.
RLP
FLP
LL
Receiver Depth Mode Screen
(at LL)
Actual Position of
Receiver and Transmitter
With the LL
aligned in
the box, the
receiver
may face
toward the
RLP or FLP
during depth
readings.
+

Locating
DigiTrak® F2® Operator’s Manual 71
Tracking “On-the-Fly”
If you are running at 0% (0°) pitch over level ground, the predicted depth will be the actual depth. In this
case, all locating can be done at the FLP while the tool is moving.
Once the transmitter has been found and its heading is on line, position yourself the distance of one rod
length in front of the FLP on the intended bore path with the receiver facing the drill and sitting level on
the ground.
Drill
LL
FLP
RLP
One Rod
Length
Drill
LL
FLP
RLP
One Rod
Length
Tracking "On-the-Fly"
with a Straight Path
Tracking "On-the-Fly"
with a Curved Path
Depth readings may be taken at the FLP or at the LL. It is necessary to hold the trigger in to view the
depth or predicted depth and to send the depth reading to the remote display.
WARNING: Do not hold the trigger in unless you are precisely at the FLP (target centered in box). If you
are ahead of the FLP, you will set an incorrect reference that causes a ghost locate line. In
this case, you must reference again at the FLP.

Locating
72 DigiTrak® F2® Operator’s Manual
RLP
FLP
LL
Receiver Screen Tracking "On-the-Fly"
Actual Position of
Receiver and Transmitter
As the tool advances, the FLP should travel along the receiver’s vertical crosshairs indicating that the tool
is still on line. Once the FLP is in the box, hold the trigger in and confirm that the predicted depth reading
is as expected.
Off-Track Locating
The off-track locating technique is useful when it is not possible to walk above the transmitter due to a
surface obstruction or interference. Using the locate line’s perpendicular relationship to the transmitter, it
is possible to track the transmitter’s heading and also to determine if it is maintaining its intended depth.
The off-track locating method is only effective when the pitch of the transmitter matches the pitch of the
topography. Ideally, pitch will be 0% (0°) under flat ground.
To explain how the off-track locating method works, we will use the example of an obstruction that is on
the intended bore path, as shown in the figure below. The transmitter is about to go under the obstruction.
1. Stop drilling and find the LL of the transmitter by putting the line in the box.
2. While holding the trigger in and keeping the receiver in the same orientation, step to the side of the
tool until you reach a predetermined distance (P1) from it. Move the receiver forward and aft until you
can see the ball jump from the bottom of the screen to the top of the screen (or vice versa), then mark
this location.
+

Locating
DigiTrak® F2® Operator’s Manual 73
LL
Obstruction
Borepath
Drill
P2 P3P1
Path Around
Obstruction
Predetermined
Distances
Preparing for Off-Track Locating
3. While still holding the trigger in and keeping the receiver in the same orientation, step to the side of
the tool another predetermined distance (P2) further away from it. Move the receiver forward and aft
until you can see the ball jump from the bottom of the screen to the top of the screen (or vice versa),
then mark this location.
4. While still holding the trigger in and keeping the receiver in the same orientation, step to the side of
the tool another predetermined distance (P3) further away from it. Move the receiver forward and aft
until you can see the ball jump from the bottom of the screen to the top of the screen (or vice versa),
then mark this location.
5. After finding the three locations P1, P2, and P3 to the side of the transmitter, connect these locations
with a line. This is the locate line. Because the LL runs perpendicular (at a 90° angle) to the
transmitter, it is possible to determine the heading of the tool. By comparing the slant distance or
signal strength at the predetermined distances of P1, P2, and P3, as the tool progresses you can
verify if the drill head is moving away from or closer to the intended bore path.

Locating
74 DigiTrak® F2® Operator’s Manual
6. As drilling continues, the tool should be steered to maintain a constant slant distance at each of the
points P1, P2, and P3. If the slant distance increases, the tool is moving away; if the slant distance
decreases, the tool is moving toward the side position.
LL
Obstruction
Path Around
Obstruction
Borepath
Drill
P2 P3P1
Off-Track Locating

DIGITAL CONTROL INCORPORATED
DigiTrak® F2® Operator’s Manual 75
The Target Steering Function
The Target Steering function allows the F2 receiver to be placed out ahead of the drill head and used as
a steering target. The receiver is positioned on level ground so that it is facing in the same direction as
the drilling. To activate the Target Steering function, you must program the receiver with the desired
target depth number. The drill head can then be guided to a point directly below where the receiver has
been placed using the Target Steering screen on the remote display.
The F2 system assumes level topography for the most accurate Target Steering results. It also assumes
a conservative bend radius. Therefore, in situations with significant pitch changes, such as during the
launch/exit ends, the up/down steering information on the remote display may not be accurate. In these
situations, only the left/right steering information should be considered accurate.
Feasible Target Depth and
Positioning the Receiver as a Target
The maximum distance that the receiver can be placed out ahead of the drill head for Target Steering is
35 ft (10.7 m). Beyond 35 ft (10.7 m) the up/down distance information becomes less accurate. Over the
35-ft range, starting with the drill head approximately level, the following parameters apply:
The maximum depth change is approximately 4 ft (1.2 m).
The maximum pitch change is approximately 14%.
For the most conservative Target Steering operation, we assume that the ideal drill path is a circular arc
with a radius that accommodates the bend radius of most drill strings and products being installed. As
shown in the diagram below, the feasible steering area is limited to the shaded region bounded by the two
circular arcs.
Surface of Ground
Transmitter
Target
Feasible Target
Steering Area
Target
Depth
Horizontal Distance
35 ft (10.7 m) max.
Receiver
Depth Change
4 ft (1.2 m) max.
Target
Depth
Target
Depth Change
4 ft (1.2 m) max.
Current
Depth
Diagram of Feasible Steering Area
Maximum depth change is approximately 4 ft (1.2 m) over horizontal distance of 35 ft (10.7 m).

Target Steering
76 DigiTrak® F2® Operator’s Manual
The Target Steering procedure requires correct placement of the receiver. The receiver must be placed
out in front of the transmitter with its back end (where the battery pack is inserted) facing the drill or the
last locate points if drilling a curved path. The maximum horizontal distance from the transmitter that the
receiver should be placed is approximately 35 ft (10.7 m). Beyond this distance the up/down information
becomes less accurate.
Programming the Receiver for Target Steering
The receiver must be programmed with the desired target depth number. To program the receiver, see
the instructions under “Target Steering Menu” in the Receiver section.
The figure below shows the receiver’s locate screen with the Target Steering distance at the bottom. This
number is the horizontal distance that the receiver is from the transmitter. You will use this number to help
you position the receiver a maximum distance of 35 ft (10.7 m) ahead of the tool.
Receiver Screen with Target Depth Programmed
Steering to the Target
Once the target depth number has been entered on the receiver and the receiver has been positioned
ahead of the tool as the target, then select remote mode from the remote’s main menu (see “Main Menu”
in the Remote Display section). You will then see the Target Steering screen shown below.
Horizontal Distance
Between Transmitter
and Receiver
+

Target Steering
DigiTrak® F2® Operator’s Manual 77
Target Steering on Remote Display
The steering indicator in this case shows that the drill head is to the left and too high for the intended
path. The steering indicator should be dead center in the display if you are correctly heading to your
programmed target depth. A steering command of 4 o’clock would bring the drill head toward the target.
Note that, for quick viewing and interpretation, the pointed end of the steering indicator corresponds to the
clock position of the head. The horizontal distance from the drill head to the receiver is indicated at the
bottom left part of the display. At the bottom right, the current depth of the drill head is indicated.
A side view of the position of the receiver and of the transmitter is shown below on the left. An end view of
the same setup is shown on the right.
20’4”
4’6”
5’6”5’6”
4’6”
Transmitter
Back of
Receiver
Actual Position
of Transmitter
Target Target
Surface of
Ground
Side and End Views Showing Positions of Receiver, Transmitter, and Target
Horizontal Distance
Between Transmitter
and Receiver
Approximate
Transmitter Depth
Transmitter’s
Roll
Transmitter’s Pitch
Steering
Indicator
Center of Crosshairs
+

Target Steering
78 DigiTrak® F2® Operator’s Manual
Target Steering in Interference Areas
In areas of passive and/or active interference, it may be advisable to physically elevate the receiver
above the ground. In the example below, the receiver is placed 3 ft (or 1 m) above the ground. To
compensate, the target depth value will be set to 8'6" (2.6 m).
20’4”
4’6”
5’6”5’6”
4’6”
Transmitter
Back of
Receiver
Actual Position
of Transmitter
Target Target
Surface of
Ground
3’3’
This Height
Must Be Added
to Target Depth
Side and Back End Views of Transmitter, Target, and Raised Receiver
3-2200-00-D
Drill
Rig

DIGITAL CONTROL INCORPORATED
DigiTrak® F2® Operator’s Manual 79
Appendix A:
System Specifications and
Maintenance Requirements
The power requirements, environmental requirements, and equipment maintenance requirements for the
DigiTrak F2 Locating System are listed below.
Power Requirements
Device (Model Number) Operational Voltage Operational Current
DigiTrak F2 Receiver (F2R)
14.4 V
(nominal)
300 mA max
DigiTrak F Series Display (FSD)
14.4 V
(nominal)
220 mA max
DigiTrak F Series Battery
Charger (FBC)
Input 12 V
(nominal)
Output 16.8 V (nominal)
5000 mA max
1800 mA max
DigiTrak F Series Lithium-Ion
Battery Pack (FBP)
14.4 V
4250 mA max, 65 Wh
DigiTrak FS Transmitter
1.1–1.6 V
400 mA max
DigiTrak FX and FXL
Transmitters
2–3.6 V
750 mA max
Environmental Requirements
Device Altitude Relative Humidity Operating Temperature
DigiTrak F2 Receiver
<16,404 ft (<5000 m)
<90%
-4° to 140°F (-20° to 60°C)
DigiTrak F Series Display
<16,404 ft (<5000 m)
<90%
-4° to 140°F (-20° to 60°C)
DigiTrak FS Transmitter
<16,404 ft (<5000 m)
<100%
-4° to 180°F (-20° to 82°C)
DigiTrak FX, FXL
Transmitters
<16,404 ft (<5000 m)
<100%
-4° to 220°F (-20° to 104°C)
DigiTrak F Series Battery
Charger
<13,123 ft (<4000 m)
<99% for 0-10°C
<95% for 10-35°C
32° to 95°F (0° to 35°C)
DigiTrak F Series Lithium-
Ion Battery Pack
<13,123 ft (<4000 m)
<99% for <10°C
<95% for 10-35°C
<75% for 35-60°C
-4° to 140°F (-20° to 60°C)

Appendix A
80 DigiTrak® F2® Operator’s Manual
General Transmitter Care Instructions
Periodically clean the spring and threads inside the battery compartment as well as the spring
and threads of the battery cap to ensure a proper power connection with the batteries. An emery
cloth or wire brush can be used to remove any oxidation that has built up. Be careful not to
damage the battery cap O-ring; remove it while cleaning if necessary. After cleaning, use a
conductive lubricant on the battery cap threads to keep the battery cap from binding in the battery
compartment.
Before use, inspect the battery cap O-ring for damage that may allow water to enter the battery
compartment. Replace the 2-022 Buna-N70 type O-ring if the one installed becomes damaged.
Placing tape around the fiberglass tube of the transmitter, if space allows, will keep the fiberglass
protected from most corrosive environmental wear.
Send in the Product Registration Card for the 90-day Limited Warranty.

DIGITAL CONTROL INCORPORATED
DigiTrak® F2® Operator’s Manual 81
Appendix B:
Projected Depth Versus Actual
Depth and the Fore/Aft Offset
What Happens When the
Transmitter Is Steep and Deep
The signal field emitted by the transmitter, as shown in Figure B1, consists of a set of elliptical signals or
flux lines. The flux lines indicate the position of the transmitter. When the transmitter is level with respect
to the ground, you will find that the locate line (LL) is directly over the transmitter, and the depth displayed
on the receiver is the actual depth. You will also find that the locate points (FLP and RLP) are at equal
distances from the transmitter. The location of the LL is found at the intersection of the ground and the
horizontal component of the flux field, and the FLP and RLP are found where the vertical components of
the flux field intersect with the ground. Some of the horizontal and vertical components are identified by
short yellow lines in Figure B1.
RLP FLP
LL
Figure B1. Flux Field and Geometry of FLP, RLP, and LL (side view)

Appendix B
82 DigiTrak® F2® Operator’s Manual
Due to the shape of the transmitter’s signal field (flux lines), when it is at a pitch greater than ±30% (±17°)
and/or a depth of 15 ft (4.6 m) or more, the position of the locate line will be some distance ahead of or
behind the transmitter’s actual position. In this case, the depth displayed on the receiver becomes what is
called the projected depth. The transmitter’s distance ahead of or behind the locate line is called the
fore/aft offset.
The projected depth and fore/aft offset, shown in Figure B2, must be accounted for when the transmitter
is steep and/or deep. See the tables provided later in this appendix (Tables B1 and B2) to determine the
actual depth and fore/aft offset when you know the displayed (projected) depth and pitch of the
transmitter.
LL
LP
LP Fore/Aft Offset
Projected Depth Actual Depth
30% (17°)
Pitch
Figure B2. Projected Depth vs. Actual Depth and Fore/Aft Offset When Steep and Deep
Figure B2 above shows a transmitter positioned in a drill string that is meant to illustrate drilling at either a
positive or a negative pitch—the pitch is positive if you are drilling left to right, and it is negative if you are
drilling right to left. The transmitter’s signal field is also pitched at the same angle as the transmitter. The
locate line (LL), which is where the depth measurement is taken, is the horizontal component of the
transmitter’s signal field flux lines. That is, the LL is found where the flux lines are horizontal, as illustrated
with short horizontal yellow lines in the figure above.

Appendix B
DigiTrak® F2® Operator’s Manual 83
The locate points (FLP and RLP) are also shown in Figure B2. These points are located at the vertical
components of the signal field, as illustrated with short vertical yellow lines in the figure above. Note that
the locate points are not the same distance from the LL when the transmitter is pitched. Again, this
situation requires compensation for the projected depth and the fore/aft offset.
Using the tables provided below, you can look up the actual depth (Table B1) and the fore/aft offset
(Table B2) based on the receiver’s depth reading (projected depth) and the transmitter pitch. You can
also look up the projected depth (Table B3) if you know the required depth (actual depth) of your instal-
lation and you want to find the corresponding projected depth reading that you will see on the receiver
during drilling. The final table (Table B4) provides conversion factors for determining the projected depth
from the actual depth or the actual depth from the projected depth at various transmitter pitches.
Table B1 lists the projected or displayed depth values (shown in red) in 5 ft (1.52 m) increments in the
first column and provides values for the actual depth (shown in green) at different transmitter pitches. For
example, if you have a displayed depth of 25 ft (7.62 m) and your transmitter is at a 40% (22°) pitch, then
you can see from Table B1 that the actual depth of the transmitter is 22 ft 8 in. (6.91 m).
Table B1. Determining Actual Depth from Displayed (Projected) Depth and Pitch
Pitch→
Displayed
Depth ↓
±10%
(5.7°) ±20%
(11°) ±30%
(17°) ±40%
(22°) ±50%
(27°) ±60%
(31°) ±75%
(37°) ±90%
(42°) ±100%
(45°)
5'
(1.52 m)
5'
(1.52 m)
4' 11"
(1.50 m)
4' 9"
(1.45 m)
4' 6"
(1.37 m)
4' 4"
(1.32 m)
4' 2"
(1.27 m)
3' 10"
(1.17 m)
3' 6"
(1.07 m)
2' 6"
(0.76 m)
10'
(3.05 m)
9' 11"
(3.02 m)
9' 9"
(2.97 m)
9' 5"
(2.87 m)
9' 1"
(2.77 m)
8' 8"
(2.64 m)
8' 3"
(2.51 m)
7' 7"
(2.31 m)
7'
(2.13 m)
5'
(1.52 m)
15'
(4.57 m)
14' 11"
(4.55 m)
14' 8"
(4.47 m)
14' 2"
(4.32 m)
13' 7"
(4.14 m)
13'
(3.96 m)
12' 5"
(3.78 m)
11' 5"
(3.48 m)
10' 6"
(3.20 m)
7' 6"
(2.29 m)
20'
(6.10 m)
19' 11"
(6.07 m)
19' 6"
(5.94 m)
18' 10"
(5.74 m)
18' 1"
(5.51 m)
17' 4"
(5.28 m)
16' 6"
(5.03 m)
15' 3"
(4.65 m)
14'
(4.27 m)
10'
(3.05 m)
25'
(7.62 m)
24' 11"
(7.59 m)
24' 5"
(7.44 m)
23' 7"
(7.19 m)
22' 8"
(6.91 m)
21' 8"
(6.60 m)
20' 8"
(6.30 m)
19'
(5.79 m)
17' 6"
(5.33 m)
12' 6"
(3.81 m)
30'
(9.14 m)
29' 10"
(9.09 m)
29' 3"
(8.92 m)
28' 3"
(8.61 m)
27' 2"
(8.28 m)
26'
(7.92 m)
24' 9"
(7.54 m)
22' 10"
(6.96 m)
21'
(6.40 m)
15'
(4.57 m)
35'
(10.67 m)
34' 10"
(10.62 m)
34' 2"
(10.41 m)
33' 1"
(10.08 m)
31' 8"
(9.65 m)
30' 4"
(9.25 m)
28' 11"
(8.81 m)
26' 8"
(8.13 m)
24' 6"
(7.47 m)
17' 6"
(5.33 m)
40'
(12.19 m)
39' 10"
(12.14 m)
39'
(11.89 m)
37' 9"
(11.51 m)
36' 2"
(11.02 m)
34' 8"
(10.57 m)
33'
(10.06 m)
30' 5"
(9.27 m)
28'
(8.53 m)
20'
(6.10 m)
45'
(13.72 m)
44' 9"
(13.64 m)
43' 11"
(13.39 m)
42' 5"
(12.93 m)
40' 9"
(12.42 m)
39'
(11.89 m)
37' 2"
(11.33 m)
34' 3"
(10.44 m)
31' 7"
(9.63 m)
22' 6"
(6.86 m)
50'
(15.24 m)
49' 9"
(15.16 m)
48' 9"
(14.86 m)
47' 2"
(14.38 m)
45' 3"
(13.79 m)
43' 4"
(13.21 m)
41' 3"
(12.57 m)
38' 1"
(11.61 m)
35' 1"
(10.69 m)
25'
(7.62 m)
Table B2 lists the projected or displayed depth values in 5 ft (1.52 m) increments in the first column and
provides values for the fore/aft offset (shown in purple), rounded to the nearest inch (or cm) at different
transmitter pitches.

Appendix B
84 DigiTrak® F2® Operator’s Manual
Table B2. Determining Fore/Aft Offset from Displayed (Projected) Depth and Pitch
Pitch→
Displayed
Depth ↓
±10%
(5.7°) ±20%
(11°) ±30%
(17°) ±40%
(22°) ±50%
(27°) ±60%
(31°) ±75%
(37°) ±90%
(42°) ±100%
(45°)
5'
(1.52 m)
4"
(0.10 m)
8"
(0.20 m)
11"
(0.28 m)
1' 3"
(0.38 m)
1' 7"
(0.48 m)
1' 9"
(0.53 m)
2' 1"
(0.64 m)
2' 5"
(0.74 m)
2' 6"
(0.76 m)
10'
(3.05 m)
8"
(0.20 m)
1' 4"
(0.41 m)
1' 11"
(0.58 m)
2' 6"
(0.76 m)
3' 1"
(0.94 m)
3' 6"
(1.07 m)
4' 2"
(1.27 m)
4' 9"
(1.45 m)
5'
(1.52 m)
15'
(4.57 m)
1'
(0.30 m)
2'
(0.61 m)
2' 11"
(0.89 m)
3' 9"
(1.14 m)
4' 7"
(1.40 m)
5' 4 "
(1.63 m)
6' 3"
(1.91 m)
7' 1"
(2.16 m)
7' 6"
(2.29 m)
20'
(6.10 m)
1' 4"
(0.41 m)
2' 7"
(0.79 m)
3' 10"
(1.17 m)
5'
(1.52 m)
6' 1"
(1.85 m)
7' 1"
(2.16 m)
8' 4"
(2.54 m)
9' 6"
(2.90 m)
10'
(3.05 m)
25'
(7.62 m)
1' 8"
(0.51 m)
3' 3"
(0.99 m)
4' 10"
(1.47 m)
6' 3"
(1.91 m)
7' 7"
(2.31 m)
8' 10"
(2.69 m)
10' 5"
(3.18 m)
11' 10"
(3.61 m)
12' 6"
(3.81 m)
30'
(9.14 m)
2'
(0.61 m)
3' 11"
(1.19 m)
5' 10"
(1.78 m)
7' 6"
(2.29 m)
9' 2"
(2.79 m)
10' 7"
(3.23 m)
12' 6"
(3.81 m)
14' 2"
(4.32 m)
15'
(4.57 m)
35'
(10.67 m)
2' 4"
(0.71 m)
4' 7"
(1.40 m)
6' 9"
(2.06 m)
8' 9"
(2.67 m)
10' 8"
(3.25 m)
12' 5"
(3.78 m)
14' 8"
(4.47 m)
16' 7"
(5.05 m)
17' 6"
(5.33 m)
40'
(12.19 m)
2' 8"
(0.81 m)
5' 3"
(0.69 m)
7' 9"
(2.36 m)
10'
(3.05 m)
12' 2"
(3.71 m)
14' 2"
(4.32 m)
16' 9"
(5.11 m)
18' 11"
(5.77 m)
20'
(6.10 m)
45'
(13.72 m)
3'
(0.91 m)
5' 11"
(1.80 m)
8' 8"
(2.64 m)
11' 4"
(3.45 m)
13' 8"
(4.17 m)
15' 11"
(4.85 m)
18' 10"
(5.74 m)
21' 3"
(6.48 m)
22' 6"
(6.86 m)
50'
(15.24 m)
3' 4"
(1.02 m)
6' 7"
(2.01 m)
9' 4"
(2.84 m)
12' 7"
(3.84 m)
15' 3"
(4.65 m)
17' 8"
(5.38 m)
20' 11"
(6.38 m)
23' 8"
(7.21 m)
25'
(7.62 m)
Table B3 lists the actual depths in 5 ft (1.52 m) increments in the first column and provides projected
depth values at different transmitter pitches.
Table B3. Determining Projected Depth from Actual Depth and Pitch
Pitch→
Actual
Depth ↓
±10%
(5.7°) ±20%
(11°) ±30%
(17°) ±40%
(22°) ±50%
(27°) ±60%
(31°) ±75%
(37°) ±90%
(42°) ±100%
(45°)
5'
(1.52 m)
5'
(1.52 m)
5' 2"
(1.57 m)
5' 3"
(1.60 m)
5' 6"
(1.68 m)
5' 8"
(1.73 m)
5' 11"
(1.80 m)
6' 3"
(1.91 m)
6' 6"
(1.98 m)
7' 6"
(2.29 m)
10'
(3.05 m)
10' 1"
(3.07 m)
10' 3"
(3.12 m)
10' 7"
(3.23 m)
10' 11"
(3.33 m)
11' 4"
(3.45 m)
11' 9"
(3.58 m)
12' 5"
(3.78 m)
13'
(3.96 m)
15'
(4.57 m)
15'
(4.57 m)
15' 1"
(4.60 m)
15' 5"
(4.70 m)
15' 10"
(4.83 m)
16' 5"
(5.00 m)
17'
(5.18 m)
17' 8"
(5.38 m)
18' 7"
(5.66 m)
19' 6"
(5.94 m)
22' 6"
(6.86 m)
20'
(6.10 m)
20' 1"
(6.12 m)
20' 6"
(6.25 m)
21' 2"
(6.45 m)
21' 11"
(6.68 m)
22' 8"
(6.91 m)
23' 6"
(7.16 m)
24' 9"
(7.54 m)
26'
(7.92 m)
30'
(9.14 m)
25'
(7.62 m)
25' 2"
(7.67 m)
25' 8"
(7.82 m)
26' 5"
(8.05 m)
27' 5"
(8.36 m)
28' 4"
(8.64 m)
29' 5"
(8.97 m)
31'
(9.45 m)
32' 6"
(9.91 m)
37' 6"
(11.43 m)
30'
(9.14 m)
30' 2"
(9.19 m)
30' 9"
(9.37 m)
31' 9"
(9.68 m)
32' 10"
(10.01 m)
34'
(10.36 m)
35' 3"
(10.74 m)
37' 2"
(11.33 m)
39'
(11.89 m)
45'
(13.72 m)
35'
(10.67 m)
35' 2"
(10.72 m)
35' 11"
(10.95 m)
37'
(11.28 m)
38' 4"
(11.68 m)
36' 8"
(11.18 m)
41' 2"
(12.55 m)
43' 4"
(13.21 m)
45' 6"
(13.87 m)
52' 6"
(16.00 m)
40'
(12.19 m)
40' 2"
(12.24 m)
41'
(12.50 m)
42' 3"
(12.88 m)
43' 10"
(13.36 m)
45' 4"
(13.82 m)
47'
(14.33 m)
49' 7"
(15.11 m)
52'
(15.85 m)
60'
(18.29 m)
45'
(13.72 m)
45' 3"
(13.79 m)
46' 2"
(14.07 m)
47' 7"
(14.50 m)
49' 3"
(15.01 m)
51'
(15.54 m)
52' 2"
(15.90 m)
55' 9"
(16.99 m)
58' 6"
(17.83 m)
67' 6"
(11.43 m)
50'
(15.24 m)
50' 3"
(15.32 m)
51' 3"
(15.62 m)
52' 10"
(16.10 m)
54' 9"
(16.69 m)
56' 8"
(17.27 m)
58' 9"
(17.91 m)
61' 11"
(18.87 m)
64' 11"
(19.79 m)
75'
(22.86 m)

Appendix B
DigiTrak® F2® Operator’s Manual 85
Table B4 allows you to calculate the exact projected depth reading as well as the actual depth using a
multiplier. Values for the multiplier, or conversion factor, are provided at different transmitter pitches.
Table B4. Conversion Factors for Calculating Exact Projected Depth or Actual Depth
Pitch → ±10%
(5.7°) ±20%
(11°) ±30%
(17°) ±40%
(22°) ±50%
(27°) ±60%
(31°) ±75%
(37°) ±90%
(42°)
From Actual to
Projected Depth 1.005 1.025 1.06 1.105 1.155 1.212 1.314 1.426
From Projected
to Actual Depth
0.995 0.975 0.943 0.905 0.866 0.825 0.761 0.701
For example, referring to Table B4, if you have a required (actual) depth of 24 ft (7.32 m), you can
determine the receiver’s projected depth reading at a 30% (17°) pitch. You will use the first row of
conversion factors (From Actual to Projected Depth) to select the corresponding value for a pitch of 30%,
which is 1.06. Multiply this value by the required depth, which is 24, and you will find that your receiver’s
projected depth reading at the locate line should display as 25 ft 5 in. (7.75 m).
Using the projected depth displayed on your receiver, you can calculate the actual depth of the
transmitter using the second row of conversion factors. Select the corresponding conversion factor
associated with your pitch value, then multiply that value by the projected depth. For example, if your
pitch is 30% and your projected depth reading is 24 ft (7.32 m), then you would multiply 0.943 by 24 to
determine that the actual depth of the transmitter is 22.63 ft or 22 ft 8 in. (6.90 m).

Appendix B
86 DigiTrak® F2® Operator’s Manual
Notes

DIGITAL CONTROL INCORPORATED
DigiTrak® F2® Operator’s Manual 87
Appendix C:
Calculating Depth Based on
Distance Between FLP and RLP
It is possible to estimate the transmitter depth should the information displayed on the receiver become
unreliable. This is only possible if you know the transmitter pitch and the positions of the front locate point
(FLP) and the rear locate point (RLP) and if the ground surface is level.
To estimate the transmitter depth, first measure the distance between the FLP and the RLP. The pitch of
the transmitter must also be reliably known. Using the Depth Estimation Table below, find the divider that
most closely corresponds to the transmitter pitch. Then use the following formula to estimate the depth:
Divider
RLPandFLPbetweenDistance
Depth =
For example, if the transmitter pitch is 34% (or 18.8°) then the corresponding divider value (from the
table) is 1.50. In this example, the distance between the FLP and the RLP is 11.5 ft (3.5 m). The depth
would be:
7.66
1.50
ft 11.5
Depth ==
ft or approximately 7.7 ft (2.35 m)
Table C1. Depth Estimation Table
Pitch ( % / ° ) Divider Pitch ( % / ° ) Divider Pitch ( % / ° ) Divider
0 / 0.0 1.41 34 / 18.8 1.50 68 / 34.2 1.74
2 / 1.1 1.41 36 / 19.8 1.51 70 / 35.0 1.76
4 / 2.3 1.42 38 / 20.8 1.52 72 / 35.8 1.78
6 / 3.4 1.42 40 / 21.8 1.54 74 / 36.5 1.80
8 / 4.6 1.42 42 / 22.8 1.55 76 / 37.2 1.82
10 / 5.7 1.42 44 / 23.7 1.56 78 / 38.0 1.84
12 / 6.8 1.43 46 / 24.7 1.57 80 / 38.7 1.85
14 / 8.0 1.43 48 / 25.6 1.59 82 / 39.4 1.87
16 / 9.1 1.43 50 / 26.6 1.60 84 / 40.0 1.89
18 / 10.2 1.44 52 / 27.5 1.62 86 / 40.7 1.91
20 / 11.3 1.45 54 / 28.4 1.63 88 / 41.3 1.93
22 / 11.9 1.45 56 / 29.2 1.64 90 / 42.0 1.96
24 / 13.5 1.46 58 / 30.1 1.66 92 / 42.6 1.98
26 / 14.6 1.47 60 / 31.0 1.68 94 / 43.2 2.00
28 / 15.6 1.48 62 / 31.8 1.69 96 / 43.8 2.02
30 / 16.7 1.48 64 / 32.6 1.71 98 / 44.4 2.04
32 / 17.7 1.49 66 / 33.4 1.73 100 / 45.0 2.06

Appendix C
88 DigiTrak® F2® Operator’s Manual
Notes

DIGITAL CONTROL INCORPORATED
DigiTrak® F2® Operator’s Manual 89
Appendix D:
Reference Tables
The information and tables contained in this appendix provide further assistance for confirming the posi-
tion of the transmitter. The following information is provided:
Depth Increase in Inches (Centimeters) per 10-foot (3-meter) Rod
Depth Increase in Inches (Centimeters) per 15-foot (4.6-meter) Rod

Appendix D
90 DigiTrak® F2® Operator’s Manual
Depth Increase in Inches (Centimeters)
per 10-foot (3-meter) Rod
Percent Depth Increase Percent Depth Increase
1 1 (2) 28 32 (81)
2 2 (5) 29 33 (84)
3 4 (10) 30 34 (86)
4 5 (13) 31 36 (91)
5 6 (15) 32 37 (94)
6 7 (18) 33 38 (97)
7 8 (20) 34 39 (99)
8 10 (25) 35 40 (102)
9 11 (28) 36 41 (104)
10 12 (30) 37 42 (107)
11 13 (33) 38 43 (109)
12 14 (36) 39 44 (112)
13 15 (38) 40 45 (114)
14 17 (43) 41 46 (117)
15 18 (46) 42 46 (117)
16 19 (48) 43 47 (119)
17 20 (51) 44 48 (122)
18 21 (53) 45 49 (124)
19 22 (56) 46 50 (127)
20 24 (61) 47 51 (130)
21 25 (64) 50 54 (137)
22 26 (66) 55 58 (147)
23 27 (69) 60 62 (157)
24 28 (71) 70 69 (175)
25 29 (74) 80 75 (191)
26 30 (76) 90 80 (203)
27 31 (79) 100 85 (216)

Appendix D
DigiTrak® F2® Operator’s Manual 91
Depth Increase in Inches (Centimeters)
per 15-foot (4.6-meter) Rod
Percent Depth Increase Percent Depth Increase
1 2 (5) 28 49 (124)
2 4 (10) 29 50 (127)
3 5 (13) 30 52 (132)
4 7 (18) 31 53 (135)
5 9 (23) 32 55 (140)
6 11 (28) 33 56 (142)
7 13 (33) 34 58 (147)
8 14 (36) 35 59 (150)
9 16 (41) 36 61 (155)
10 18 (46) 37 62 (157)
11 20 (51) 38 64 (163)
12 21 (53) 39 65 (165)
13 23 (58) 40 67 (170)
14 25 (64) 41 68 (173)
15 27 (69) 42 70 (178)
16 28 (71) 43 71 (180)
17 30 (76) 44 72 (183)
18 32 (81) 45 74 (188)
19 34 (86) 46 75 (191)
20 35 (89) 47 77 (196)
21 37 (94) 50 80 (203)
22 39 (99) 55 87 (221)
23 40 (102) 60 93 (236)
24 42 (107) 70 103 (262)
25 44 (112) 80 112 (284)
26 45 (114) 90 120 (305)
27 47 (119) 100 127 (323)

Appendix D
92 DigiTrak® F2® Operator’s Manual
Notes

DIGITAL CONTROL INCORPORATED
DigiTrak® F2® Operator’s Manual 93
Appendix E:
EU Required Documentation
Declaration of Conformity for F2 System by DCI
Notice of Telemetry Use Restrictions

Appendix E
94 DigiTrak® F2® Operator’s Manual
Declaration of Conformity (DoC)

Appendix E
DigiTrak® F2® Operator’s Manual 95
Notice of Telemetry Use Restrictions
DigiTrak F2 receivers and F Series transmitters are classified as Class 2 radio equipment per
R&TTE Directive. The following restrictions apply.
Country
Allowed Frequencies (MHz)
Limitations
Austria
458.6, 458.65, 458.7, and 458.75
Belgium
458.6, 458.65, 458.7, and 458.75
Yes*
Bulgaria
458.6, 458.65, 458.7, and 458.75
Cyprus
458.6, 458.65, 458.7, and 458.75
Czech Republic
458.6, 458.65, 458.7, and 458.75
Denmark
458.6, 458.65, 458.7, and 458.75
Estonia
449.8, 449.85, 449.9, and 449.95
Yes*
Finland
458.6, 458.65, 458.7, and 458.75
France
458.6, 458.65, 458.7, and 458.75
Germany
458.6, 458.65, 458.7, and 458.75
Greece
458.6, 458.65, 458.7, and 458.75
Hungary
433.65 and 433.70
Yes*
Iceland
458.6, 458.65, 458.7, and 458.75
Ireland
458.6, 458.65, 458.7, and 458.75
Italy
458.6, 458.65, 458.7, and 458.75
Yes*
Latvia
458.6, 458.65, 458.7, and 458.75
Yes*
Liechtenstein
433.65 and 433.70
Lithuania
458.6, 458.65, 458.7, and 458.75
Yes*
Luxembourg
458.6, 458.65, 458.7, and 458.75
Yes*
Malta
458.6, 458.65, 458.7, and 458.75
Yes*
Netherlands
451.03 and 451.09
Yes*
Norway
458.6, 458.65, 458.7, and 458.75
Poland
458.6, 458.65, 458.7, and 458.75
Portugal
Telemetry use not allowed
Romania
458.6, 458.65, 458.7, and 458.75
Slovak Republic
458.6, 458.65, 458.7, and 458.75
Slovenia
458.6, 458.65, 458.7, and 458.75
Yes*
Spain
449.8, 449.85, 449.9, and 449.95
Sweden
458.6, 458.65, 458.7, and 458.75
Switzerland
433.65 and 433.70
Turkey
458.6, 458.65, 458.7, and 458.75
United Kingdom
458.6, 458.65, 458.7, and 458.75
*Individual user license required – check with your local authority.
There are no restrictions to the use of DigiTrak F Series transmitters that have been identified by DCI.
Please check with your local authorities to verify the 12-kHz and 19.2-kHz radio bands are available for
use in the region the transmitter is to be used.

Appendix E
96 DigiTrak® F2® Operator’s Manual
Notes

19625 62nd Ave. S., Suite B-103 Kent, WA 98032 USA (425) 251-0559 or (800) 288-3610 Fax (253) 395-2800
www.digitrak.com DCI@digital-control.com (E-mail)
3-2200-00-D Page 1 of 2
DIGITAL
CONTROL
I
NCORPORATED
LIMITED WARRANTY
Digital Control Incorporated ("DCI") warrants that when shipped from DCI each DCI Product will conform to DCI’s
current published specifications in existence at the time of shipment and will be free, for the warranty period (“Warranty
Period”) described below, from defects in materials and workmanship. The limited warranty described herein (“Limited
Warranty”) is not transferable, shall extend only to the first end-user (“User”) purchasing the DCI Product from either
DCI or a dealer expressly authorized by DCI to sell DCI Products (“Authorized DCI Dealer”), and is subject to the
following terms, conditions and limitations:
1. A Warranty Period of twelve (12) months shall apply to the following new DCI Products: receivers/locators, remote
displays, battery chargers and rechargeable batteries, and DataLog® modules and interfaces. A Warranty Period of
ninety (90) days shall apply to all other new DCI Products, including transmitters, accessories, and software programs
and modules. Unless otherwise stated by DCI, a Warranty Period of ninety (90) days shall apply to: (a) a used DCI
Product sold either by DCI or by an Authorized DCI Dealer who has been expressly authorized by DCI to sell such used
DCI Product; and (b) services provided by DCI, including testing, servicing, and repairing an out-of-warranty DCI
Product. The Warranty Period shall begin from the later of: (i) the date of shipment of the DCI Product from DCI, or
(ii) the date of shipment (or other delivery) of the DCI Product from an Authorized DCI Dealer to User.
2. DCI’s sole obligation under this Limited Warranty shall be limited to either repairing, replacing, or adjusting, at DCI’s
option, a covered DCI Product that has been determined by DCI, after reasonable inspection, to be defective during the
foregoing Warranty Period. All warranty inspections, repairs and adjustments must be performed either by DCI or by a
warranty claim service authorized in writing by DCI. All warranty claims must include proof of purchase, including proof
of purchase date, identifying the DCI Product by serial number.
3. The Limited Warranty shall only be effective if: (i) within fourteen (14) days of receipt of the DCI Product,
User mails a fully-completed Warranty Registration Card to DCI; (ii) User makes a reasonable inspection upon
first receipt of the DCI Product and immediately notifies DCI of any apparent defect; and (iii) User complies with
all of the Warranty Claim Procedures described below.
WHAT IS NOT COVERED
This Limited Warranty excludes all damage, including damage to any DCI Product, due to: failure to follow DCI’s user’s
manual and other DCI instructions; abuse; misuse; neglect; accident; fire; flood; Acts of God; improper applications;
connection to incorrect line voltages and improper power sources; use of incorrect fuses; overheating; contact with high
voltages or injurious substances; use of batteries or other products or components not manufactured or supplied by
DCI; or other events beyond the control of DCI. This Limited Warranty does not apply to any equipment not
manufactured or supplied by DCI nor, if applicable, to any damage or loss resulting from use of any DCI Product outside
the designated country of use. By accepting a DCI Product and not returning it for a refund within thirty (30) days of
purchase, User agrees to the terms of this Limited Warranty, including without limitation the Limitation of Remedies and
Liability described below, and agrees to carefully evaluate the suitability of the DCI Product for User’s intended use and
to thoroughly read and strictly follow all instructions supplied by DCI (including any updated DCI Product information
which may be obtained at the above DCI website). In no event shall this Limited Warranty cover any damage arising
during shipment of the DCI Product to or from DCI.
User agrees that the following will render the above Limited Warranty void: (i) alteration, removal or tampering with any
serial number, identification, instructional, or sealing labels on the DCI Product, or (ii) any unauthorized disassembly,
repair or modification of the DCI Product. In no event shall DCI be responsible for the cost of or any damage resulting
from any changes, modifications, or repairs to the DCI Product not expressly authorized in writing by DCI, and DCI shall
not be responsible for the loss of or damage to the DCI Product or any other equipment while in the possession of any
service agency not authorized by DCI.
3-2200-00-D Page 2 of 2
DCI reserves the right to make changes in design and improvements upon DCI Products from time to time, and User
understands that DCI shall have no obligation to upgrade any previously manufactured DCI Product to include any such
changes.
THE FOREGOING LIMITED WARRANTY IS DCI’S SOLE WARRANTY AND IS MADE IN PLACE OF ALL OTHER
WARRANTIES, EXPRESS OR IMPLIED, INCLUDING BUT NOT LIMITED TO THE IMPLIED WARRANTIES OF
MERCHANTABILITY AND FITNESS FOR A PARTICULAR PURPOSE AND ANY IMPLIED WARRANTY ARISING
FROM COURSE OF PERFORMANCE, COURSE OF DEALING, OR USAGE OF TRADE, ALL OF WHICH ARE
HEREBY DISCLAIMED AND EXCLUDED. If DCI has substantially complied with the warranty claim procedures
described below, such procedures shall constitute User’s sole and exclusive remedy for breach of the Limited Warranty.
LIMITATION OF REMEDIES AND LIABILITY
In no event shall DCI or anyone else involved in the creation, production, or delivery of the DCI Product be
liable for any damages arising out the use or inability to use the DCI Product, including but not limited to
indirect, special, incidental, or consequential damages, or for any cover, loss of information, profit, revenue or
use, based upon any claim by User for breach of warranty, breach of contract, negligence, strict liability, or any
other legal theory, even if DCI has been advised of the possibility of such damages. In no event shall DCI’s
liability exceed the amount User has paid for the DCI Product. To the extent that any applicable law does not
allow the exclusion or limitation of incidental, consequential or similar damages, the foregoing limitations
regarding such damages shall not apply.
This Limited Warranty gives you specific legal rights, and you may also have other rights which vary from state to state.
This Limited Warranty shall be governed by the laws of the State of Washington.
WARRANTY CLAIM PROCEDURES
1. If you are having problems with your DCI Product, you must first contact the Authorized DCI Dealer where it was
purchased. If you are unable to resolve the problem through your Authorized DCI Dealer, contact DCI’s Customer
Service Department in Kent, Washington, USA at the above telephone number between 6:00 a.m. and 6:00 p.m. Pacific
Time and ask to speak with a customer service representative. (The above “800” number is available for use only in the
USA and Canada.) Prior to returning any DCI Product to DCI for service, you must obtain a Return Merchandise
Authorization (RMA) number. Failure to obtain a RMA may result in delays or return to you of the DCI Product without
repair.
2. After contacting a DCI customer service representative by telephone, the representative will attempt to assist you in
troubleshooting while you are using the DCI Product during actual field operations. Please have all related equipment
available together with a list of all DCI Product serial numbers. It is important that field troubleshooting be conducted
because many problems do not result from a defective DCI Product, but instead are due to either operational errors or
adverse conditions occurring in the User’s drilling environment.
3. If a DCI Product problem is confirmed as a result of field troubleshooting discussions with a DCI customer service
representative, the representative will issue a RMA number authorizing the return of the DCI Product and will provide
shipping directions. You will be responsible for all shipping costs, including any insurance. If, after receiving the DCI
Product and performing diagnostic testing, DCI determines the problem is covered by the Limited Warranty, required
repairs and/or adjustments will be made, and a properly functioning DCI Product will be promptly shipped to you. If the
problem is not covered by the Limited Warranty, you will be informed of the reason and be provided an estimate of
repair costs. If you authorize DCI to service or repair the DCI Product, the work will be promptly performed and the DCI
Product will be shipped to you. You will be billed for any costs for testing, repairs and adjustments not covered by the
Limited Warranty and for shipping costs. In most cases, repairs are accomplished within 1 to 2 weeks.
4. DCI has a limited supply of loaner equipment available. If loaner equipment is required by you and is available, DCI
will attempt to ship loaner equipment to you by overnight delivery for your use while your equipment is being serviced by
DCI. DCI will make reasonable efforts to minimize your downtime on warranty claims, limited by circumstances not
within DCI’s control. If DCI provides you loaner equipment, your equipment must be received by DCI no later than the
second business day after your receipt of loaner equipment. You must return the loaner equipment by overnight delivery
for receipt by DCI no later than the second business day after your receipt of the repaired DCI Product. Any failure to
meet these deadlines will result in a rental charge for use of the loaner equipment for each extra day the return of the
loaner equipment to DCI is delayed.