Dimplex Si 11Me Users Manual Installation Instructions And Operating 5 14ME
SI 11ME to the manual 566f38d9-b255-4a78-ba64-5b9d87998194
2015-02-02
: Dimplex Dimplex-Si-11Me-Users-Manual-425964 dimplex-si-11me-users-manual-425964 dimplex pdf
Open the PDF directly: View PDF
.
Page Count: 24
- Table of contents
- Anhang / Appendix / Annexes
- 1 Maßbilder / Dimension Drawings / Schémas cotés
- 2 Diagramme / Diagrams / Diagrammes
- 2.1 Kennlinien / Characteristic Curves / Courbes caractéristiques SI 5ME
- 2.2 Kennlinien / Characteristic Curves / Courbes caractéristiques SI 7ME
- 2.3 Kennlinien / Characteristic Curves / Courbes caractéristiques SI 9ME
- 2.4 Kennlinien / Characteristic Curves / Courbes caractéristiques SI 11ME
- 2.5 Kennlinien / Characteristic Curves / Courbes caractéristiques SI 14ME
- 3 Stromlaufpläne / Circuit Diagrams / Schémas électriques
- 4 Hydraulisches Prinzipschema / Hydraulic Plumbing Diagram / Schéma hydraulique
- 5 Konformitätserklärung / Declaration of Conformity / Déclaration de conformité

Sole/Wasser-
Wärmepumpe für
Innenaufstellung
SI 5ME
SI 7ME
SI 9ME
SI 11ME
SI 14ME
Brine-to-Water
Heat Pump for
Indoor Installation
Pompe à chaleur
eau glycolée-eau
pour installation
intérieure
Montage- und
Gebrauchsanweisung
DeutschEnglishFrançais
Instructions d’installation
et d’utilisation
Installation and
Operating Instructions
Bestell-Nr. / Order no. / No de commande : 452232.66.13 FD 8705

www.dimplex.de E-1
English
Table of contents
1 Please Read Immediately .............................................................................................................E-2
1.1 Important Information..............................................................................................................................E-2
1.2 Legal Regulations and Directives ...........................................................................................................E-2
1.3 Energy-Efficient Use of the Heat Pump ..................................................................................................E-2
2 Purpose of the Heat Pump ...........................................................................................................E-3
2.1 Application ..............................................................................................................................................E-3
2.2 Operating Principle .................................................................................................................................E-3
3 Basic Device ..................................................................................................................................E-3
4 Accessories ...................................................................................................................................E-4
4.1 Brine Circuit Manifold..............................................................................................................................E-4
5 Transport........................................................................................................................................E-4
6 Set-up .............................................................................................................................................E-4
6.1 General Information................................................................................................................................E-4
6.2 Acoustic Emissions.................................................................................................................................E-4
7 Installation .....................................................................................................................................E-5
7.1 General Information................................................................................................................................E-5
7.2 Heating System Connection ...................................................................................................................E-5
7.3 Heat Source Connection.........................................................................................................................E-5
7.4 Electrical Connection ..............................................................................................................................E-5
8 Commissioning .............................................................................................................................E-6
8.1 General Information................................................................................................................................E-6
8.2 Preparation .............................................................................................................................................E-6
8.3 Start-up Procedure .................................................................................................................................E-6
9 Maintenance and Cleaning...........................................................................................................E-7
9.1 Maintenance ...........................................................................................................................................E-7
9.2 Cleaning the Heating System .................................................................................................................E-7
9.3 Cleaning the Heat Source System..........................................................................................................E-7
10 Faults / Trouble-Shooting.............................................................................................................E-7
11 Decommissioning / Disposal .......................................................................................................E-7
12 Device Information........................................................................................................................E-8
Anhang / Appendix / Annexes ............................................................................................................ A-I

E-2
English
1
1 Please Read
Immediately
1.1 Important Information
ATTENTION!
The heat pump is not secured to the wooden pallet.
ATTENTION!
The heat pump must not be tilted more than 45° (in any direction).
ATTENTION!
Do not use the holes in the panel assemblies for lifting the device!
ATTENTION!
Flush the heating system prior to connecting the heat pump.
ATTENTION!
The supplied dirt trap must be inserted in the heat source inlet of the heat
pump to protect the evaporator against the ingress of impurities.
ATTENTION!
The brine solution must contain at least a 25 % concentration of a
monoethylene glycol or propylene glycol-based antifreeze, which must
be mixed before filling.
ATTENTION!
The heat pump must be started up in accordance with the installation and
operating instructions of the heat pump controller.
ATTENTION!
We recommend the installation of a suitable corrosion protection system
to prevent the formation of deposits (e.g. rust) in the condenser of the
heat pump.
ATTENTION!
Any work on the heat pump may only be performed by authorised and
qualified after-sales service technicians.
ATTENTION!
Disconnect all electrical circuits from the power source prior to opening
the device.
1.2 Legal Regulations and
Directives
This heat pump conforms to all relevant DIN/VDE regulations
and EU directives. Refer to the EC Declaration of Conformity in
the appendix for details.
The heat pump must be connected to the power supply in com-
pliance with all relevant VDE, EN and IEC standards. Any further
connection requirements stipulated by local utility companies
must also be observed.
The heat pump is to be connected to the heat source system and
the heating system in accordance with all applicable regulations.
Persons, especially children, who are not capable of operating
the device safely due to their physical, sensory or mental abilities
or their inexperience or lack of knowledge, must not operate this
device without supervision or instruction by the person in charge.
Children must be supervised to ensure that they do not play with
the device.
1.3 Energy-Efficient Use of the
Heat Pump
By operating this heat pump you are helping to protect our envi-
ronment. Both the heating system and the heat source must be
properly designed and dimensioned to ensure efficient operation.
It is particularly important to keep water flow temperatures as low
as possible. All connected energy consumers should therefore
be suitable for low flow temperatures. Raising the heating water
temperature by 1 K corresponds to an increase in energy con-
sumption of approx.
2.5 %. Low-temperature heating systems with flow temperatures
between 30 °C and 50 °C are particularly well-suited for energy-
efficient operation.

www.dimplex.de E-3
English
3
2 Purpose of the Heat
Pump
2.1 Application
The brine-to-water heat pump is designed for use in existing or
newly built heating systems. Brine is used as the heat carrier in
the heat source system. Borehole heat exchangers, ground heat
collectors or similar systems can be used as the heat source.
2.2 Operating Principle
The heat generated by the sun, wind and rain is stored in the
ground. This heat stored in the ground is collected at a low tem-
perature by the brine circulating in the ground collector, ground
coil or similar device. A circulating pump then conveys the
“heated” brine to the evaporator of the heat pump. There the heat
is given off to the refrigerant in the refrigerating cycle. This cools
the brine so that it can once again absorb thermal energy in the
brine circuit.
The refrigerant is drawn in by the electrically driven compressor,
compressed and “pumped” to a higher temperature level. The
electrical power needed to run the compressor is not lost in this
process. Most of it is absorbed by the refrigerant.
Subsequently, the refrigerant is passed through the condenser
where it transfers its heat energy to the heating water. Depend-
ing on the set operating point (thermostat setting), the heating
water is thus heated up to a max. of 60 °C.
3 Basic Device
The basic device consists of a ready-to-use heat pump for indoor
installation, complete with sheet metal casing, control panel and
integrated controller. The refrigerating cycle contains the refriger-
ant R407C. R407C refrigerant is CFC-free, non-ozone depleting
and non-combustible.
All components required for the operation of the heat pump are
located on the control panel. An external wall temperature sensor
including fixing accessories and a dirt trap are supplied with the
heat pump. The power feed for the load current and the control
current must be installed by the customer.
The supply lead of the brine circulating pump (to be provided by
the customer) must be connected to the control panel. If re-
quired, the supply lead of the brine pump is be equipped with a
motor protection device.
The customer must provide both the collector and the brine cir-
cuit manifold.
1) Liquifier
2) Control panel
3) Evaporator
4) Compressor

E-4
English
4
4 Accessories
4.1 Brine Circuit Manifold
The brine circuit manifold merges the individual collector loops of
the heat source system into a single main pipe which is con-
nected to the heat pump. Integrated ball valves allow the individ-
ual brine circuits to be shut off for de-aeration purposes.
5 Transport
A lift truck is suited for transporting the unit on a level surface.
Carrying straps may be used if the heat pump needs to be trans-
ported on an uneven surface or carried up or down stairs. These
straps can be passed directly underneath the wooden pallet.
ATTENTION!
The heat pump is not secured to the wooden pallet.
ATTENTION!
The heat pump must not be tilted more than 45° (in any direction).
Use the holes provided in the sides of the frame to lift the unit
without the pallet. The side panel assemblies must be removed
for this purpose. Any commercially available length of pipe can
be used as a carrying aid.
ATTENTION!
Do not use the holes in the panel assemblies for lifting the device!
6Set-up
6.1 General Information
The unit may only be installed indoors in rooms with low humidity
on a level, smooth and horizontal surface. The entire base of the
frame should lie directly on the floor to ensure a good soundproof
seal. If this is not the case, additional sound insulation measures
may be necessary.
The heat pump must be installed so that maintenance work can
be carried out without hindrance. This can be ensured by main-
taining a clearance of approx. 1 m in front of and on each side of
the heat pump.
6.2 Acoustic Emissions
The heat pump operates silently due to efficient sound insulation.
To prevent noise transmission to the foundation, a suitable,
sound dampening rubber mat should be placed underneath the
base frame of the heat pump.
To prevent any sound from being transmitted to the heating sys-
tem, we recommend connecting the heat pump to the heating
system by means of hose sections.

www.dimplex.de E-5
English
7.4
7 Installation
7.1 General Information
The following connections need to be established on the heat
pump:
Flow and return flow of the brine system
Flow and return flow of the heating system
Power supply
7.2 Heating System Connection
ATTENTION!
Flush the heating system prior to connecting the heat pump.
Before connecting the heating water system to the heat pump,
the heating system must be flushed to remove any impurities,
residue from sealants, etc. Any accumulation of deposits in the
liquifier could cause the heat pump to completely break down.
Once the heating system has been installed, it must be filled, de-
aerated and pressure-tested.
The sensors which are delivered already connected and loosely
placed in the switch box must be mounted and insulated accord-
ing to the block diagram.
Minimum heating water flow rate
The minimum heating water flow rate through the heat pump
must be assured in all operating states of the heating system.
This can be accomplished, for example, by installing either a
manifold without differential pressure or an overflow valve. The
procedure for adjusting an overflow valve is described in the
Chapter Start-Up.
Antifreeze protection for installation locations
prone to frost
The antifreeze function of the heat pump controller is active
whenever the controller and the heat circulating pumps are ready
for operation. If the heat pump is taken out of service or in the
event of a power failure, the system has to be drained. The heat-
ing circuit should be operated with a suitable antifreeze if heat
pump systems are implemented in buildings where a power fail-
ure can not be detected (holiday home).
7.3 Heat Source Connection
The following procedure must be observed when connecting the
heat source:
Connect the brine pipe to the heat pump flow and return. The hy-
draulic plumbing diagram must be adhered to.
ATTENTION!
The supplied dirt trap must be inserted in the heat source inlet of the heat
pump to protect the evaporator against the ingress of impurities.
In addition, a micro bubble air separator must be installed in the
heat source system.
The brine liquid must be produced prior to charging the system.
The liquid must have an antifreeze concentration of at least 25 %
to ensure frost protection down to -14 °C.
Only monoethylene glycol or propylene glycol-based antifreeze
may be used.
The heat source system must be de-aerated and checked for
leaks.
ATTENTION!
The brine solution must contain at least a 25 % concentration of a
monoethylene glycol or propylene glycol-based antifreeze, which must
be mixed before filling.
7.4 Electrical Connection
The following electrical connections must be established on the
heat pump:
Connection of the control line to the control panel of the heat
pump via terminal X1: L/N/PE.
Connection of the mains cable to the control panel of the
heat pump via terminal X6: L/N//PE.
Connection of the brine circulating pump (to be provided by
the customer) to the control panel of the heat pump via ter-
minal X1: PE and pump contactor K5: 2/4. As an option, the
brine pump can also be directly connected (see terminal
connection plan).
All electrical components required for the operation of the heat
pump are located on the control panel.
For detailed instructions concerning the connection and function-
ing of the heat pump controller (e.g. external wall sensor included
in the scope of supply) refer to the operating manual supplied
with the controller.
An disconnecting device with a contact gap of at least 3 mm (e.g.
utility blocking contactor or power contactor) as well as a 1-pole
circuit breaker have to be provided by the customer. The re-
quired conductor cross section is to be selected according to the
power consumption of the heat pump, the technical connection
requirements of the respective utility company as well as all ap-
plicable regulations. Details on the power consumption of the
heat pump are listed on both the product information sheet and
the type plate. The connection terminals are designed for a max.
conductor cross section of 10 mm².

E-6
English
8
8 Commissioning
8.1 General Information
To ensure that start-up is performed correctly, it should only be
carried out by an after-sales service technician authorised by the
manufacturer. This may be a condition for extending the guaran-
tee (see Warranty).
8.2 Preparation
The following items need to be checked prior to start-up:
The heat pump must be fully connected, as described in
Chapter 7.
The heat source system and the heating circuit must have
been filled and checked.
The dirt trap must be inserted in the brine inlet of the heat
pump.
All valves that could impair proper flow in the brine and heat-
ing circuits must be open.
The heat pump controller must be adapted to the heating
system in accordance with the controller’s operating instruc-
tions.
8.3 Start-up Procedure
The heat pump is started up via the heat pump controller.
ATTENTION!
The heat pump must be started up in accordance with the installation and
operating instructions of the heat pump controller.
If an overflow valve is fitted to assure the minimum heating water
flow rate, the valve must be set in accordance with the require-
ments of the respective heating system. Incorrect adjustment
can lead to faulty operation and increased energy consumption.
We recommend carrying out the following procedure to correctly
adjust the overflow valve:
Close all of the heating circuits that may also be closed during
operation (depending on the type of heat pump usage) so that
the most unfavourable operating state - with respect to the water
flow rate - is achieved. This normally means the heating circuits
of the rooms on the south and west sides of the building. At least
one heating circuit must remain open (e.g. bathroom).
The overflow valve should be opened far enough to produce the
maximum temperature spread between the heating flow and re-
turn flow listed in the table below for the current heat source tem-
perature. The temperature spread should be measured as close
as possible to the heat pump. The heating element of mono en-
ergy systems should be disconnected.
Any faults occurring during operation are displayed on the heat
pump controller and can be corrected as described in the operat-
ing manual of the heat pump controller.
Heat source
temperature Max. temperature spread
between heating flow and return
flow
From To
-5° C 0° C 10 K
1° C 5° C 11 K
6° C 9° C 12 K
10° C 14° C 13 K
15° C 20° C 14 K
21° C 25° C 15 K

www.dimplex.de E-7
English
11
9 Maintenance and
Cleaning
9.1 Maintenance
The heat pump is maintenance-free. To prevent faults due to
sediment in the heat exchangers, care must be taken to ensure
that no impurities can enter either the heat source system or the
heating system. In the event that operating malfunctions due to
contamination occur nevertheless, the system should be cleaned
as described below.
9.2 Cleaning the Heating System
The ingress of oxygen into the heating water circuit may result in
the formation of oxidation products (rust), particularly if steel
components are used. This oxygen enters the heating system via
the valves, the circulating pumps and/or plastic pipes. It is there-
fore essential - in particular with respect to the piping of under-
floor heating systems - that only diffusion-proof materials are
used.
ATTENTION!
We recommend the installation of a suitable corrosion protection system
to prevent the formation of deposits (e.g. rust) in the condenser of the
heat pump.
Residue from lubricants and sealants may also contaminate the
heating water.
In the case of severe contamination leading to a reduction in the
performance of the liquifier in the heat pump, the system must be
cleaned by a heating technician.
According to today’s state of knowledge, we recommend using a
5 % phosphoric acid solution for cleaning purposes. However, if
cleaning needs to be performed more frequently, a 5 % formic
acid solution should be used.
In either case, the cleaning fluid should be at room temperature.
We recommend flushing the heat exchanger in the direction op-
posite to the normal flow direction.
To prevent acidic cleaning agents from entering the heating sys-
tem circuit, we recommend connecting the flushing device di-
rectly to the flow and return flow of the liquifier. It is important that
the system be thoroughly flushed using appropriate neutralising
agents to prevent any damage from being caused by cleaning
agent residue remaining in the system.
Acids must be used with great care and all relevant regulations of
the employers’ liability insurance associations must be adhered
to.
If in doubt, contact the manufacturer of the chemicals!
9.3 Cleaning the Heat Source
System
ATTENTION!
The supplied dirt trap must be inserted in the heat source inlet of the heat
pump to protect the evaporator against the ingress of impurities.
Clean the dirt trap’s filter screen one day after start-up and sub-
sequently in weekly intervals. If no more signs of contamination
are evident, the filter can be removed to reduce pressure drops.
10 Faults / Trouble-
Shooting
This heat pump is a quality product and is designed for trouble-
free operation. In the event that a fault should occur, it will be in-
dicated on the heat pump manager display. Simply consult the
Faults and Trouble-Shooting page in the operating instructions of
the heat pump controller.
If you cannot correct the fault yourself, please contact your after-
sales service technician.
ATTENTION!
Any work on the heat pump may only be performed by authorised and
qualified after-sales service technicians.
ATTENTION!
Disconnect all electrical circuits from the power source prior to opening
the device.
11 Decommissioning /
Disposal
Before removing the heat pump, disconnect it from the power
source and close all valves. Observe all environmentally-relevant
requirements regarding the recovery, recycling and disposal of
materials and components in accordance with all applicable
standards. Particular attention should be paid to the proper dis-
posal of refrigerants and refrigeration oils.

E-8
English
12
12 Device Information
1 Type and order code SI 5ME SI 7ME SI 9ME SI 11ME SI 14ME
2Design
2.1 Degree of protection according to EN 60 529 IP 20 IP 20 IP 20 IP 20 IP 20
2.2 Installation Location Indoors Indoors Indoors Indoors Indoors
3 Performance data
3.1 Operating temperature limits:
Heating water flow °C Up to 58 Up to 58 Up to 58 Up to 58 Up to 58
Brine (heat source) °C -5 to +25 -5 to +25 -5 to +25 -5 to +25 -5 to +25
Antifreeze Mono-ethyl-
ene glycol Mono-ethyl-
ene glycol Mono-ethyl-
ene glycol Mono-ethyl-
ene glycol Mono-ethyl-
ene glycol
Minimum brine concentration (-13 °C freezing temperature) 25% 25% 25% 25% 25%
3.2 Temperature spread of heating water (flow/return flow)
at B0 / W35 K 9.65.09.15.010.55.09.55.09.65.0
3.3 Heat output / COP at B-5 / W55 1kW / ---
1. This data indicates the size and capacity of the system. For an analysis of the economic and energy efficiency of the system, both the bivalence point and the regulation should
also be taken into consideration. The specified values, e.g. B10 / W55, have the following meaning: Heat source temperature 10 °C and heating water flow temperature 55 °C.
4.0 /
2.0 5.4 /
2.1 7.6 /
2.1 9.4 /
2.0 12.3 /
2.1
at B0 / W45 1kW / --- 4.6 /
2.7 5.7 /
2.7 8.5 /
2.8 10.0 /
2.9 14.7 /
2.9
at B0 / W50 1kW / --- 4.8 /
2.7 6.2 /
2.7 8.8 /
2.7 10.5 /
2.6 14.2 /
2.8
at B0 / W35 1kW / --- 5.0 /
4.0 4.9 /
3.8 6.5 /
3.9 6.3 /
3.7 9.3 /
4.0 8.9 /
3.8 11.0 /
4.0 10.8 /
3.9 15.0 /
4.1 14.8 /
3.9
3.4 Sound power level dB(A) 54 55 56 56 56
3.5 Heating water flow with an internal pressure differential of m³/h / Pa 0.45 /
1900 0.85 /
6500 0.6 /
3300 1.1 /
10000 0.75 /
2300 1.5 /
9200 1.0 /
4100 1.9 /
15000 1.3 /
4800 2.6 /
19200
3.6 Brine throughput with an internal pressure
differential (heat source) of m³/h / Pa 1.2 /
16000 1.2 /
16000 1.7 /
29500 1.7 /
29500 2.3 /
25000 2.0 /
20000 3.0 /
24000 2.5 /
18000 3.5 /
20000 3.5 /
20000
3.7 Refrigerant; total filling weight type / kg R407C / 1.2 R407C / 1.4 R407C / 1.7 R407C / 1.9 R407C / 2.2
4 Dimensions, connections and weight
4.1 Device dimensions without connections 2H x W x L mm
2. Note that additional space is required for pipe connections, operation and maintenance.
805 × 650 ×
462 805 × 650 ×
462 805 × 650 ×
462 805 × 650 ×
462 805 × 650 ×
462
4.2 Device connections to heating system Inch G 1¼" exter-
nal G 1¼" exter-
nal G 1¼" exter-
nal G 1¼" exter-
nal G 1¼" exter-
nal
4.3 Device connections to heat source Inch G 1¼" exter-
nal G 1¼" exter-
nal G 1¼" exter-
nal G 1¼" exter-
nal G 1¼" exter-
nal
4.4 Weight of the transportable unit(s) incl. packing kg 109 111 118 122 130
5 Electrical Connection
5.1 Nominal voltage; fuse protection V / A 230 / 16 230 / 16 230 / 20 230 / 25 230 / 32
5.2 Nominal power consumption 1 B0 W35 kW 1.26 1.30 1.68 1.70 2.30 2.35 2.75 2.77 3.70 3.76
5.3 Starting current with soft starter A 24 26 38 38 50
5.4 Nominal current B0 W35 / cos ϕA / --- 6.8 /
0.8 7.1 /
0.8 9.1 /
0.8 9.3 /
0.8 12.6 /
0.8 12.9 /
0.8 15.0 /
0.8 15.3 /
0.8 19.7 /
0.8 20.0 /
0.8
6 Complies with the European safety regulations 3
3. See CE declaration of conformity
3 3 3 3
7 Additional model features
7.1 Water in device protected against freezing 4
4. The heat circulating pump and the heat pump controller must always be ready for operation.
No No No No No
7.2 Performance levels 11111
7.3 Controller internal/external Internal Internal Internal Internal Internal

www.dimplex.de A-I
Anhang · Appendix · Annexes
Anhang / Appendix / Annexes
1 Maßbilder / Dimension Drawings / Schémas cotés................................................................... A-II
1.1 Maßbild / Dimension Drawing / Schéma coté.........................................................................................A-II
2 Diagramme / Diagrams / Diagrammes....................................................................................... A-III
2.1 Kennlinien / Characteristic Curves / Courbes caractéristiques SI 5ME .................................................A-III
2.2 Kennlinien / Characteristic Curves / Courbes caractéristiques SI 7ME .................................................A-IV
2.3 Kennlinien / Characteristic Curves / Courbes caractéristiques SI 9ME ..................................................A-V
2.4 Kennlinien / Characteristic Curves / Courbes caractéristiques SI 11ME ...............................................A-VI
2.5 Kennlinien / Characteristic Curves / Courbes caractéristiques SI 14ME ..............................................A-VII
3 Stromlaufpläne / Circuit Diagrams / Schémas électriques....................................................A-VIII
3.1 Steuerung / Control / Commande........................................................................................................A-VIII
3.2 Last / Load / Charge ..............................................................................................................................A-IX
3.3 Klemmenanschlussplan / Terminal Connection Plan / Schéma de connexion des bornes ....................A-X
3.4 Legende / Legend / Légende.................................................................................................................A-XI
4 Hydraulisches Prinzipschema / Hydraulic Plumbing Diagram / Schéma hydraulique........ A-XII
4.1 Darstellung / Schematic View / Représentation....................................................................................A-XII
4.2 Legende / Legend / Légende...............................................................................................................A-XIII
5 Konformitätserklärung / Declaration of Conformity / Déclaration de conformité ...............A-XIV

A-II
Anhang · Appendix · Annexes
1
1 Maßbilder / Dimension Drawings / Schémas cotés
1.1 Maßbild / Dimension Drawing / Schéma coté
:lUPHTXHOOH
(LQJDQJLQ:3
´$XHQJHZLQGH
+HDWVRXUFH
+HDWSXPSLQOHW
´H[WHUQDOWKUHDG
6RXUFHGHFKDOHXU
(QWUpHGDQVOD3$&
)LOHWDJHH[WpULHXU´
=XIKUXQJ(OHNWUROHLWXQJHQ
6XSSO\FDEOHV
$PHQpHOLJQHVpOHFWULTXHV
:lUPHTXHOOH
$XVJDQJDXV:3
´$XHQJHZLQGH
+HDWVRXUFH
+HDWSXPSRXWOHW
´H[WHUQDOWKUHDG
6RXUFHGHFKDOHXU
6RUWLHGHOD3$&
)LOHWDJHH[WpULHXU´
+HL]XQJVYRUODXI
$XVJDQJDXV:3
´$XHQJHZLQGH
+HDWLQJZDWHUIORZ
+HDWSXPSRXWOHW
´H[WHUQDOWKUHDG
$OOHUHDXGHFKDXIIDJH
6RUWLHGHOD3$&
)LOHWDJHH[WpULHXU´
+HL]XQJVUFNODXI
(LQJDQJLQ:3
´$XHQJHZLQGH
+HDWLQJZDWHUUHWXUQIORZ
+HDWSXPSLQOHW
´H[WHUQDOWKUHDG
5HWRXUHDXGHFKDXIIDJH
(QWUpHGDQVOD3$&
)LOHWDJHH[WpULHXU´
FDDSSUR[HQY

www.dimplex.de A-III
Anhang · Appendix · Annexes
2.1
2 Diagramme / Diagrams / Diagrammes
2.1 Kennlinien / Characteristic Curves / Courbes caractéristiques SI 5ME
+HL]OHLVWXQJLQ>N:@
+HDWLQJFDSDFLW\LQ>N:@
3XLVVDQFHGHFKDXIIDJHHQ>N:@
:DVVHUDXVWULWWVWHPSHUDWXULQ>&@
:DWHURXWOHWWHPSHUDWXUHLQ>&@
7HPSpUDWXUHGHVRUWLHGHOHDXHQ>&@
6ROHHLQWULWWVWHPSHUDWXULQ>&@Â%ULQHLQOHWWHPSHUDWXUHLQ>&@Â7HPSpUDWXUHGHQWUpHGHDXJO\FROpHHQ>&@
/HLVWXQJVDXIQDKPHLQFO3XPSHQOHLVWXQJVDQWHLO
3RZHUFRQVXPSWLRQLQFOSRZHULQSXWWRSXPS
&RQVRPPDWLRQGHSXLVVDQFH\FRPSULVSDUWGHFRQVRPPDWLRQGHODSRPSH
'UXFNYHUOXVWLQ>3D@
3UHVVXUHORVVLQ>3D@
3HUWHGHSUHVVLRQHQ>3D@
'UXFNYHUOXVWLQ>3D@
3UHVVXUHORVVLQ>3D@
3HUWHGHSUHVVLRQHQ>3D@
6ROHHLQWULWWVWHPSHUDWXULQ>&@
%ULQHLQOHWWHPSHUDWXUHLQ>&@
7HPSpUDWXUHGHQWUpHGHDXJO\FROpHHQ>&@
6ROHGXUFKIOXVVLQ>P
K@
%ULQHIORZUDWHLQ>P
K@
'pELWGHDXJO\FROpHHQ>P
K@
/HLVWXQJV]DKOLQFO3XPSHQOHLVWXQJVDQWHLO
&RHIILFLHQWRISHUIRUPDQFHLQFOSRZHULQSXWWRSXPS
&RHIILFLHQWGHSHUIRUPDQFH\FRPSULVSDUWGHFRQVRPPDWLRQGHODSRPSH
6ROHHLQWULWWVWHPSHUDWXULQ>&@
%ULQHLQOHWWHPSHUDWXUHLQ>&@
7HPSpUDWXUHGHQWUpHGHDX
J
O
\
FROpHHQ>&@
+HL]ZDVVHUGXUFKIOXVVLQ>P
K@
+HDWLQJZDWHUIORZUDWHLQ>P
K@
'pELWGHDXGHFKDXIIDJHHQ>P
K@
9HUIOVVLJHU
&RQGHQVHU
&RQGHQVHXU
9HUGDPSIHU
(YDSRUDWRU
(YDSRUDWHXU
%HGLQJXQJHQÂ&RQGLWLRQVÂ&RQGLWLRQV
+HL]ZDVVHUGXUFKVDW]
+HDWLQJZDWHUIORZUDWH
'pELWGHDXGHFKDXIIDJH
6ROHGXUFKVDW]
%ULQHIORZUDWH
'pELWGHDXJO\FROpH
P
K
P
K

A-IV
Anhang · Appendix · Annexes
2.2
2.2 Kennlinien / Characteristic Curves / Courbes caractéristiques SI 7ME
+HL]OHLVWXQJLQ>N:@
+HDWLQJFDSDFLW\LQ>N:@
3XLVVDQFHGHFKDXIIDJHHQ>N:@
:DVVHUDXVWULWWVWHPSHUDWXULQ>&@
:DWHURXWOHWWHPSHUDWXUHLQ>&@
7HPSpUDWXUHGHVRUWLHGHOHDXHQ>&@
6ROHHLQWULWWVWHPSHUDWXULQ>&@Â%ULQHLQOHWWHPSHUDWXUHLQ>&@Â7HPSpUDWXUHGHQWUpHGHDXJO\FROpHHQ>&@
/HLVWXQJVDXIQDKPHLQFO3XPSHQOHLVWXQJVDQWHLO
3RZHUFRQVXPSWLRQLQFOSRZHULQSXWWRSXPS
&RQVRPPDWLRQGHSXLVVDQFH\FRPSULVSDUWGHFRQVRPPDWLRQGHODSRPSH
'UXFNYHUOXVWLQ>3D@
3UHVVXUHORVVLQ>3D@
3HUWHGHSUHVVLRQHQ>3D@
'UXFNYHUOXVWLQ>3D@
3UHVVXUHORVVLQ>3D@
3HUWHGHSUHVVLRQHQ>3D@
6ROHHLQWULWWVWHPSHUDWXULQ>&@
%ULQHLQOHWWHPSHUDWXUHLQ>&@
7HPSpUDWXUHGHQWUpHGHDXJO\FROpHHQ>&@
6ROHGXUFKIOXVVLQ>PK@
%ULQHIORZUDWHLQ>PK@
'pELWGHDXJO\FROpHHQ>PK@
/HLVWXQJV]DKOLQFO3XPSHQOHLVWXQJVDQWHLO
&RHIILFLHQWRISHUIRUPDQFHLQFOSRZHULQSXWWRSXPS
&RHIILFLHQWGHSHUIRUPDQFH\FRPSULVSDUWGHFRQVRPPDWLRQGHODSRPSH
6ROHHLQWULWWVWHPSHUDWXULQ>&@
%ULQHLQOHWWHPSHUDWXUHLQ>&@
7HPSpUDWXUHGHQWUpHGHDXJO\FROpHHQ>&@
+HL]ZDVVHUGXUFKIOXVVLQ>PK@
+HDWLQJZDWHUIORZUDWHLQ>PK@
'pELWGHDXGHFKDXIIDJHHQ>PK@
9HUIOVVLJHU
&RQGHQVHU
&RQGHQVHXU
9HUGDPSIHU
(YDSRUDWRU
(YDSRUDWHXU
%HGLQJXQJHQÂ&RQGLWLRQVÂ&RQGLWLRQV
+HL]ZDVVHUGXUFKVDW]
+HDWLQJZDWHUIORZUDWH
'pELWGHDXGHFKDXIIDJH
6ROHGXUFKVDW]
%ULQHIORZUDWH
'pELWGHDXJO\FROpH
PK
PK

www.dimplex.de A-V
Anhang · Appendix · Annexes
2.3
2.3 Kennlinien / Characteristic Curves / Courbes caractéristiques SI 9ME
+HL]OHLVWXQJLQ>N:@
+HDWLQJFDSDFLW\LQ>N:@
3XLVVDQFHGHFKDXIIDJHHQ>N:@
:DVVHUDXVWULWWVWHPSHUDWXULQ>&@
:DWHURXWOHWWHPSHUDWXUHLQ>&@
7HPSpUDWXUHGHVRUWLHGHOHDXHQ>&@
6ROHHLQWULWWVWHPSHUDWXULQ>&@Â%ULQHLQOHWWHPSHUDWXUHLQ>&@Â7HPSpUDWXUHGHQWUpHGHDXJO\FROpHHQ>&@
/HLVWXQJVDXIQDKPHLQFO3XPSHQOHLVWXQJVDQWHLO
3RZHUFRQVXPSWLRQLQFOSRZHULQSXWWRSXPS
&RQVRPPDWLRQGHSXLVVDQFH\FRPSULVSDUWGHFRQVRPPDWLRQGHODSRPSH
'UXFNYHUOXVWLQ>3D@
3UHVVXUHORVVLQ>3D@
3HUWHGHSUHVVLRQHQ>3D@
'UXFNYHUOXVWLQ>3D@
3UHVVXUHORVVLQ>3D@
3HUWHGHSUHVVLRQHQ>3D@
6ROHHLQWULWWVWHPSHUDWXULQ>&@
%ULQHLQOHWWHPSHUDWXUHLQ>&@
7HPSpUDWXUHGHQWUpHGHDXJO\FROpHHQ>&@
6ROHGXUFKIOXVVLQ>PK@
%ULQHIORZUDWHLQ>PK@
'pELWGHDXJO\FROpHHQ>PK@
/HLVWXQJV]DKOLQFO3XPSHQOHLVWXQJVDQWHLO
&RHIILFLHQWRISHUIRUPDQFHLQFOSRZHULQSXWWRSXPS
&RHIILFLHQWGHSHUIRUPDQFH\FRPSULVSDUWGHFRQVRPPDWLRQGHODSRPSH
6ROHHLQWULWWVWHPSHUDWXULQ>&@
%ULQHLQOHWWHPSHUDWXUHLQ>&@
7HPSpUDWXUHGHQWUpHGHDX
J
O
\
FROpHHQ>&@
+HL]ZDVVHUGXUFKIOXVVLQ>PK@
+HDWLQJZDWHUIORZUDWHLQ>PK@
'pELWGHDXGHFKDXIIDJHHQ>PK@
9HUIOVVLJHU
&RQGHQVHU
&RQGHQVHXU
9HUGDPSIHU
(YDSRUDWRU
(YDSRUDWHXU
%HGLQJXQJHQÂ&RQGLWLRQVÂ&RQGLWLRQV
+HL]ZDVVHUGXUFKVDW]
+HDWLQJZDWHUIORZUDWH
'pELWGHDXGHFKDXIIDJH
6ROHGXUFKVDW]
%ULQHIORZUDWH
'pELWGHDXJO\FROpH
PK
PK

A-VI
Anhang · Appendix · Annexes
2.4
2.4 Kennlinien / Characteristic Curves / Courbes caractéristiques SI 11ME
+HL]OHLVWXQJLQ>N:@
+HDWLQJFDSDFLW\LQ>N:@
3XLVVDQFHGHFKDXIIDJHHQ>N:@
:DVVHUDXVWULWWVWHPSHUDWXULQ>&@
:DWHURXWOHWWHPSHUDWXUHLQ>&@
7HPSpUDWXUHGHVRUWLHGHOHDXHQ>&@
6ROHHLQWULWWVWHPSHUDWXULQ>&@Â%ULQHLQOHWWHPSHUDWXUHLQ>&@Â7HPSpUDWXUHGHQWUpHGHDXJO\FROpHHQ>&@
/HLVWXQJVDXIQDKPHLQFO3XPSHQOHLVWXQJVDQWHLO
3RZHUFRQVXPSWLRQLQFOSRZHULQSXWWRSXPS
&RQVRPPDWLRQGHSXLVVDQFH\FRPSULVSDUWGHFRQVRPPDWLRQGHODSRPSH
'UXFNYHUOXVWLQ>3D@
3UHVVXUHORVVLQ>3D@
3HUWHGHSUHVVLRQHQ>3D@
'UXFNYHUOXVWLQ>3D@
3UHVVXUHORVVLQ>3D@
3HUWHGHSUHVVLRQHQ>3D@
6ROHHLQWULWWVWHPSHUDWXULQ>&@
%ULQHLQOHWWHPSHUDWXUHLQ>&@
7HPSpUDWXUHGHQWUpHGHDXJO\FROpHHQ>&@
6ROHGXUFKIOXVVLQ>P
K@
%ULQHIORZUDWHLQ>P
K@
'pELWGHDXJO\FROpHHQ>P
K@
/HLVWXQJV]DKOLQFO3XPSHQOHLVWXQJVDQWHLO
&RHIILFLHQWRISHUIRUPDQFHLQFOSRZHULQSXWWRSXPS
&RHIILFLHQWGHSHUIRUPDQFH\FRPSULVSDUWGHFRQVRPPDWLRQGHODSRPSH
6ROHHLQWULWWVWHPSHUDWXULQ>&@
%ULQHLQOHWWHPSHUDWXUHLQ>&@
7HPSpUDWXUHGHQWUpHGHDXJO\FROpHHQ>&@
+HL]ZDVVHUGXUFKIOXVVLQ>P
K@
+HDWLQJZDWHUIORZUDWHLQ>P
K@
'pELWGHDXGHFKDXIIDJHHQ>P
K@
9HUIOVVLJHU
&RQGHQVHU
&RQGHQVHXU
9HUGDPSIHU
(YDSRUDWRU
(YDSRUDWHXU
%HGLQJXQJHQÂ&RQGLWLRQVÂ&RQGLWLRQV
+HL]ZDVVHUGXUFKVDW]
+HDWLQJZDWHUIORZUDWH
'pELWGHDXGHFKDXIIDJH
6ROHGXUFKVDW]
%ULQHIORZUDWH
'pELWGHDXJO\FROpH
P
K
P
K

www.dimplex.de A-VII
Anhang · Appendix · Annexes
2.5
2.5 Kennlinien / Characteristic Curves / Courbes caractéristiques SI 14ME
+HL]OHLVWXQJLQ>N:@
+HDWLQJFDSDFLW\LQ>N:@
3XLVVDQFHGHFKDXIIDJHHQ>N:@
:DVVHUDXVWULWWVWHPSHUDWXULQ>&@
:DWHURXWOHWWHPSHUDWXUHLQ>&@
7HPSpUDWXUHGHVRUWLHGHOHDXHQ>&@
6ROHHLQWULWWVWHPSHUDWXULQ>&@Â%ULQHLQOHWWHPSHUDWXUHLQ>&@Â7HPSpUDWXUHGHQWUpHGHDXJO\FROpHHQ>&@
/HLVWXQJVDXIQDKPHLQFO3XPSHQOHLVWXQJVDQWHLO
3RZHUFRQVXPSWLRQLQFOSRZHULQSXWWRSXPS
&RQVRPPDWLRQGHSXLVVDQFH\FRPSULVSDUWGHFRQVRPPDWLRQGHODSRPSH
'UXFNYHUOXVWLQ>3D@
3UHVVXUHORVVLQ>3D@
3HUWHGHSUHVVLRQHQ>3D@
'UXFNYHUOXVWLQ>3D@
3UHVVXUHORVVLQ>3D@
3HUWHGHSUHVVLRQHQ>3D@
6ROHHLQWULWWVWHPSHUDWXULQ>&@
%ULQHLQOHWWHPSHUDWXUHLQ>&@
7HPSpUDWXUHGHQWUpHGHDXJO\FROpHHQ>&@
6ROHGXUFKIOXVVLQ>P
K@
%ULQHIORZUDWHLQ>P
K@
'pELWGHDXJO\FROpHHQ>P
K@
/HLVWXQJV]DKOLQFO3XPSHQOHLVWXQJVDQWHLO
&RHIILFLHQWRISHUIRUPDQFHLQFOSRZHULQSXWWRSXPS
&RHIILFLHQWGHSHUIRUPDQFH\FRPSULVSDUWGHFRQVRPPDWLRQGHODSRPSH
6ROHHLQWULWWVWHPSHUDWXULQ>&@
%ULQHLQOHWWHPSHUDWXUHLQ>&@
7HPSpUDWXUHGHQWUpHGHDXJO\FROpHHQ>&@
+HL]ZDVVHUGXUFKIOXVVLQ>P
K@
+HDWLQJZDWHUIORZUDWHLQ>P
K@
'pELWGHDXGHFKDXIIDJHHQ>P
K@
9HUIOVVLJHU
&RQGHQVHU
&RQGHQVHXU
9HUGDPSIHU
(YDSRUDWRU
(YDSRUDWHXU
%HGLQJXQJHQÂ&RQGLWLRQVÂ&RQGLWLRQV
+HL]ZDVVHUGXUFKVDW]
+HDWLQJZDWHUIORZUDWH
'pELWGHDXGHFKDXIIDJH
6ROHGXUFKVDW]
%ULQHIORZUDWH
'pELWGHDXJO\FROpH
P
K
P
K

A-VIII
Anhang · Appendix · Annexes
3
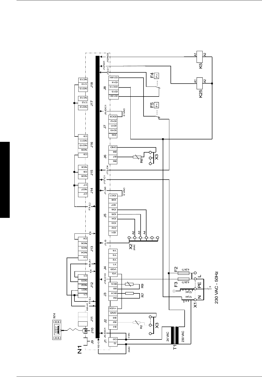
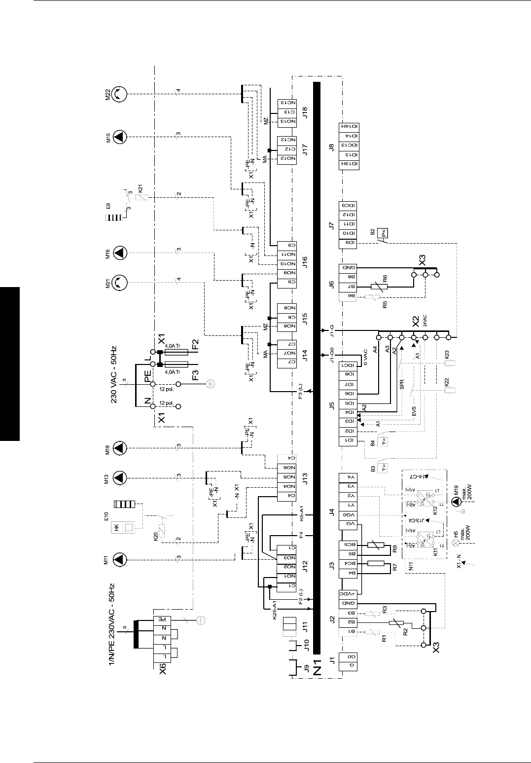
3 Stromlaufpläne / Circuit Diagrams / Schémas
électriques
3.1 Steuerung / Control / Commande

www.dimplex.de A-IX
Anhang · Appendix · Annexes
3.2
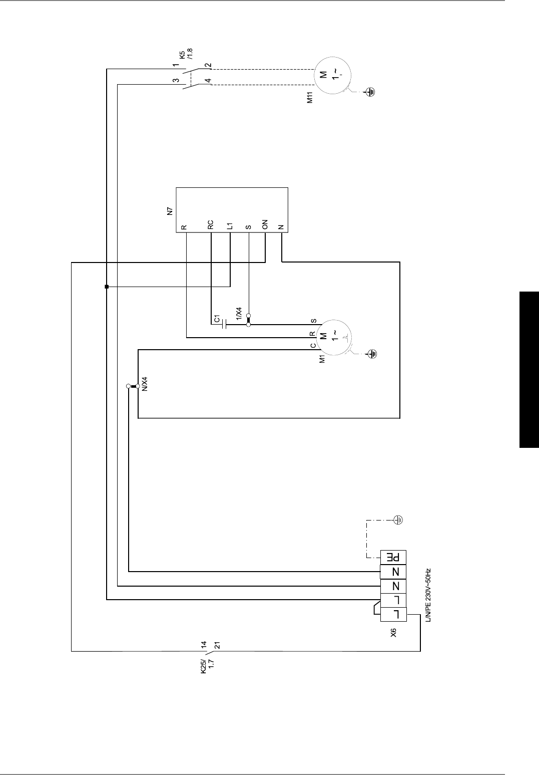
3.2 Last / Load / Charge

A-X
Anhang · Appendix · Annexes
3.3
3.3 Klemmenanschlussplan / Terminal Connection Plan / Schéma de
connexion des bornes
1HW]0DLQV5pVHDX
1HW]/DVW0DLQV/RDG
5pVHDX&KDUJH
RGHUÂRUÂRX

www.dimplex.de A-XI
Anhang · Appendix · Annexes
3.4
3.4 Legende / Legend / Légende
A1 Drahtbrücke, muss eingelegt werden, wenn kein
Sperrschütz vorhanden ist Wire jumper, must be inserted if no blocking con-
tactor is fitted Le cavalier à fil doit être inséré en absence de dis-
joncteur de blocage du fournisseur d'énergie.
A2 Drahtbrücke, muss bei Verwendung des 2ten Sper-
reinganges entfernt werden Wire jumper, must be removed if the 2nd disable
contactor is used Cavalier à fil à retirer si la 2e entrée de coupure est
utilisée
A3 Drahtbrücke, muss bei Einsatz eines Motorschutz-
kontaktes, für die Primärpumpe, entfernt werden Wire jumper, must be removed if a motor protection
contact is used for the primary pump Retirer le cavalier à fil si utilisation d’un contact de
disjoncteur de moteur, pour la pompe primaire
A4 Drahtbrücke, muss bei Einsatz eines Motorschutz-
kontaktes, für den Verdichter, entfernt werden
Offene Drahtbrücken oder Kontakte bedeuten
Sperre oder Störung
Wire jumper, must be removed when a motor pro-
tection contact is used for the compressor
Open wire jumpers or contacts mean: block or fault
Retirer le cavalier à fil si utilisation d’un contact de
disjoncteur de moteur, pour le compresseur
Cavaliers à fil ou contacts ouverts signifient cou-
pure ou panne
B2* Pressostat Niederdruck Sole Low-pressure brine controller Pressostat eau glycolée basse pression
B3* Thermostat Warmwasser Hot water thermostat Thermostat eau chaude
B4* Thermostat Schwimmbadwasser Swimming pool water thermostat Thermostat eau de piscine
C1 Betriebskondensator Verdichter Running capacitor, compressor Condensateur de service - compresseur
E10* 2. Wärmeerzeuger - Funktion ist über Regler wähl-
bar 2nd heat generator (function selectable via control-
ler) 2e générateur de chaleur (fonction réglable par le
régulateur)
F2 Lastsicherung für N1-Relaisausgänge an J12 und
J13 4,0 ATr Load fuse for N1 relay outputs at J12 and J13
4.0 slow-acting Coupe-circuit de charge pour sorties de relais en
J12 et J13 4,0 ATr
F3 Lastsicherung für N1-Relaisausgänge an J15 bis
J18 4,0 ATr Load fuse for N1 relay outputs at J15 to J18
4.0 slow-acting Coupe-circuit de charge pour sorties de relais en
J15 jusqu’à J18 4,0 ATr
F4 Pressostat Hochdruck High-pressure switch Pressostat haute pression
F5 Pressostat Niederdruck Low-pressure switch Pressostat basse pression
J1...J18 Klemmensteckverbinder an N1 Terminal connector at N1 Connecteur à bornes sur N1
K5 Schütz Primärpumpe (PUP) Contactor for primary pump (PUP) Contacteur pompe primaire (PUP)
K11* Elektron. Relais für Störfernanzeige Electron. remote fault indicator relay Relais pour télédétection de pannes
K12* Elektron. Relais f. Schwimmbadwasserumwälz-
pumpe Electron. relay for swimming pool water circulating
pump Relais pour circulateur d’eau de piscine
K20* Schütz 2. Wärmeerzeuger (Heizkessel od. elektr.
Heizstab) Contactor for 2nd heat generator (boiler or electric
heating element) Contacteur 2e générateur de chaleur (chaudière ou
cartouche chauffante électr.)
K21* Schütz elekt. Tauchheizkörper Warmwasser Contactor, electric immersion heater, hot water Contacteur thermoplongeur élect. eau chaude
K22* EVU-Sperrschütz Utility blocking contactor Contacteur de coupure du fournisseur d'énergie
K23* SPR-Hilfsrelay SPR auxiliary relay Relais auxiliaire SPR
K25 Startrelais für N7 Starting relay for N7 Relais de démarrage pour N7
M1 Verdichter Compressor Compresseur
M11* Primärpumpe Primary pump Pompe primaire
M13* Heizungsumwälzpumpe Heat circulating pump Circulateur de chauffage
M15* Heizungsumwälzpumpe 2. Heizkreis Heat circulating pump for heating circuit 2 Circulateur de chauffage pour le 2e circuit de chauf-
fage
M16* Zusatzumwälzpumpe Auxiliary circulating pump Circulateur supplémentaire
M18* Warmwasserumwälzpumpe Hot water circulating pump Circulateur d’eau chaude
M19* Schwimmbadwasserumwälzpumpe Swimming pool circulating pump Circulateur de la piscine
M21* Mischer Hauptkreis Mixer, principal circuit Mélangeur circuit principal
M22* Mischer 2. Heizkreis Mixer for heating circuit 2 Mélangeur 2e circuit de chauffage
N1 Wärmepumpenregler Heat pump controller Régulateur de pompe à chaleur
N7 Sanftanlaufsteuerung Soft start control Commande de démarrage progressif
N11* Relaisbaugruppe Relay module Module de relais
N14 Bedienteil Operating element Commande
R1* Außenfühler External sensor Sonde extérieure
R2 Rücklauffühler Return flow sensor Sonde de retour
R3* Warmwasserfühler (alternativ zum Warmwasser-
thermostat) Hot water sensor (as an alternative to the hot water
thermostat) Sonde d’eau chaude (alternative au thermostat eau
chaude)
R5* Fühler für 2ten Heizkreis Sensor for heating circuit 2 Sonde pour 2e circuit de chauffage
R6 Eingefrierschutzfühler Flow temperature limit sensor Sonde antigel
R7 Kodierwiderstand 40k2 Coding resistor 40.2 kOhm Résistance avec code des couleurs 40k2
R9 Vorlauffühler Flow sensor Sonde aller
T1 Sicherheitstrenntransformator 230/24V AC-28VA Safety isolating transformer 230/24 V AC-28 VA Transformateur sectionneur de sécurité 230/24 V
AC-28 V A
X1 Klemmenleiste Netz-Steuerung L/N/PE-230V AC-
50 Hz/Sicherungen/N- und PE-Verteiler Terminal strip mains control L/N/PE-230V AC-
50 Hz/fuses/N and PE terminal blocks Bornier commande réseau L/N/PE-230 V AC-50
Hz/fusibles/distributeur N et PE
X2 Klemmenleiste 24V AC-Verteiler Terminal strip 24V AC terminal block Bornier distributeur pour 24 V AC
X3 Klemmenleiste GND-Verteiler für Sensoren Terminal strip for GND terminal block for sensors Bornier distributeur GND pour capteurs
X4 Klemmenleiste Verdichter Terminal strip Compressor Bornier distributeur Compresseur
X6 Klemmenleiste Leistungseinspeisung L/N/PE-
230V AC-50 Hz Terminal strip for power supply L/N/PE-230V AC-
50 Hz Bornier alimentation puissance L/N/PE-230 V AC-
50 Hz
Abkürzungen: Abbreviations: Abréviations :
EVS EVU-Sperreingang Utility disable contactor Entrée de coupure fournisseur d'énergie
SPR Zusätzlicher Sperreingang Supplementary disable contactor Entrée de « coupure courant » complémentaire
MA Mischer AUF Mixer OPEN Mélangeur OUVERT
MZ Mischer ZU Mixer CLOSED Mélangeur FERME
* Bauteile sind extern beizustellen Components to be supplied from external sources Pièces à fournir par le client
- - - - - bauseits bei Bedarf anzuschließen To be connected by the customer as required à raccorder par le client au besoin
––––– werksseitig verdrahtet Wired ready for use câblé départ usine

A-XII
Anhang · Appendix · Annexes
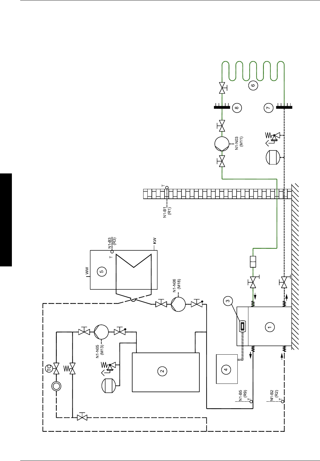
4
4 Hydraulisches Prinzipschema / Hydraulic Plumbing
Diagram / Schéma hydraulique
4.1 Darstellung / Schematic View / Représentation

www.dimplex.de A-XIII
Anhang · Appendix · Annexes
4.2
4.2 Legende / Legend / Légende
Absperrventil Shutoff valve Robinet d’arrêt
Absperrventil mit Entleerung Shutoff valve with drainage Robinet d’arrêt avec purge
Überstromventil Overflow valve Vanne de trop-plein
Sicherheitsventil Safety valve Vanne de sécurité
Umwälzpumpe Circulating pump Circulateur
Ausdehnungsgefäß Expansion vessel Vase d´expansion
Raumtemperaturgesteuertes Ventil Room temperature-controlled valve Vanne commandée par température
Absperrventil mit Rückschlagventil Shutoff valve with check valve Robinet d’arrêt avec clapet anti-retour
Wärmeverbraucher Heat consumer Consommateur de chaleur
Schmutzfänger Dirt trap Collecteur d'impuretés
Temperaturfühler Temperature sensor Sonde de température
Flexibler Anschlussschlauch Flexible connection hose Tuyau de raccord flexible
Wärmepumpe Heat pump Pompe à chaleur
Pufferspeicher Buffer tank Réservoir tampon
Wärmepumpenregler Heat pump controller Régulateur de pompe à chaleur
Elektroverteilung Electrical distribution system Distributeur courant électrique
Warmwasserspeicher Hot water cylinder Réservoir d’eau chaude
Erdreichkollektoren
Erdwärmesonden
Ground heat collectors
Borehole heat exchangers
Collecteurs géothermiques
Sondes géothermiques
Soleverteiler Brine circuit manifold Distributeur d'eau glycolée
Solesammler Brine collector Absorbeur à circulation d’eau glycolée
M11 Soleumwälzpumpe Brine circulating pump Circulateur d’eau glycolée
M13 Heizungsumwälzpumpe Heat circulating pump Circulateur de chauffage
M18 Warmwasserumwälzpumpe Hot water circulating pump Circulateur d’eau chaude
R1 Außenwandfühler External wall sensor Sonde de paroi extérieure
R2 Rücklauffühler Return flow sensor Sonde de retour
R3 Warmwasserfühler Hot water sensor Sonde d’eau chaude
R9 Vorlauffühler Flow sensor Sonde aller
KW Kaltwasser Cold water Eau froide
WW Warmwasser Domestic hot water Eau chaude

A-XIV
Anhang · Appendix · Annexes
5
5 Konformitätserklärung / Declaration of Conformity /
Déclaration de conformité

Glen Dimplex Deutschland GmbH
Geschäftsbereich Dimplex
Am Goldenen Feld 18
D-95326 Kulmbach
Irrtümer und Änderungen vorbehalten.
Subject to alterations and errors.
Sous réserve d’erreurs et modifications.
+49 (0) 9221 709 565
www.dimplex.de