Dimplex Solar St0133 Users Manual A
2015-02-02
: Dimplex Dimplex-Solar-St0133-Users-Manual-426073 dimplex-solar-st0133-users-manual-426073 dimplex pdf
Open the PDF directly: View PDF
.
Page Count: 72

Page 1 of 72
ST0133 – A 02/09
SOLAR
Technical Manual
Complete guide to Dimplex Solar

Technical manual
Page 2 of 72
ST0133 – A 02/09
SOLAR
1 Contents
1 CONTENTS 2
2 BEFORE YOU START 4
GENERAL 4
3 SOLAR THERMAL 4
3.1 INTRODUCTION 4
3.2 SOLAR RADIATION 4
3.1.1 Available solar radiation 4
3.1.2 Orientation 6
3.3 SOLAR THERMAL SYSTEM 8
3.3.1 Components of a solar thermal system 8
3.3.2 Function of a solar thermal system 10
4 DIMPLEX SOLAR PRODUCTS 11
4.1 DIMPLEX SOLAR COLLECTOR SOLC220 11
4.1.1 General description 11
4.1.2 Hydraulic collector connection 13
4.1.3 Roof fixing kits 17
4.1.4 Space requirement 22
4.1.4 Technical data 24
4.2 DIMPLEX SOLAR CONTROL UNIT SOLCU1/2/3 24
4.2.1 General description 24
4.2.2 Temperature sensors 25
4.2.3 Technical data 26
4.3 DIMPLEX SOLAR PUMP UNIT SOLPU1/2 26
4.3.1 General description 26
4.3.2 Pump connection 30
4.3.3 Technical data 31
4.4 DIMPLEX SOLAR EXPANSION VESSELS SOLEV 32
4.4.1 General description 32
4.4.2 Expansion vessel sizing 32
4.4.3 Technical data 35
4.5 DIMPLEX EXPANSION VESSEL FIXING KIT SOLVK1 35
4.5.1 General description 35
4.5.2 Technical data 36
4.6 DIMPLEX HEAT TRANSFER MEDIUM SOLHT20 36
4.6.1 General description 36
4.6.2 Technical data 37
4.7 DIMPLEX SOLAR CYLINDERS SCX 37
4.7.1 General description 37
4.7.2 Wiring integration Dimplex solar cylinders SCx 39
4.7.3 Hydraulic integration Dimplex solar cylinders SCx 42
4.7.4 Technical data 43

Technical manual
Page 3 of 72
ST0133 – A 02/09
SOLAR
4.8 DIMPLEX SOLAR ACCESSORIES 44
4.8.1 General description 44
4.8.2 Corrugated flexible pipe SOLFH10/15 45
4.8.3 Feed through tiles SOLFTT and SOLFTM 46
5 SYSTEM SIZING 47
5.1 REQUIRED INFORMATION 47
5.2 SIZING GUIDE 47
6 PIPE WORK 49
6.1 TYPE OF PIPE WORK 49
6.2 PIPE WORK SIZING 49
6.3 PIPE WORK PRESSURE DROP 50
6.4 PIPE WORK LIQUID CONTENT 50
6.5 PIPE WORK FIXATION 51
6.6 PIPE WORK INSULATION 51
7 COMMISSIONING 52
8 OPERATION 53
8.1 CONTROL UNIT 53
8.2 PUMP UNIT 55
9 MAINTENANCE 55
10 PRODUCT AND KIT LISTINGS 58
10.1 DIMPLEX SOLAR KITS 58
10.2 DIMPLEX SOLAR COMPONENTS 58
11 DIMPLEX LITERATURE STRUCTURE 60
12 APPENDIX 61
12.1 ON SITE QUESTIONNAIRE 61
12.2 ON SITE INSPECTION 62
12.3 DIMPLEX SOLAR SYSTEM DIRECT – OVERALL VIEW 65
12.4 DIMPLEX SOLAR SYSTEM INDIRECT – OVERALL VIEW 66
12.5 EXAMPLE DIMPLEX SOLAR SIMULATION REPORT 67
13 NOTES AND SKETCHES 72

Technical manual
Page 4 of 72
ST0133 – A 02/09
SOLAR
2 Before you start
General
Thank you for your interest in Dimplex Solar products. We trust this manual will give
you all the answers to the questions that you might have regarding the products. Al-
though every care was taken to ensure the content of this manual is correct we do not
accept any liability for claims resulting directly or indirectly from the application of the
information contained in this manual.
This manual is written specifically for the Dimples Solar product range. Any information
contained therein must not be applied generally to any other solar products.
Should you require any further assistance please do not hesitate to contact us.
3 Solar thermal
3.1 Introduction
The sun supplies every day a multiple of the required world wide daily energy demand
to the earth. The energy of the sun is available in various forms such as:
- direct, diffuse and reflected solar radiation
- wind
- waves
- the ground and in other forms.
Solar thermal systems convert the energy incident from the sun on an absorber surface
into sensible heat in form of hot water. Depending on the temperature required and
achieved, this hot water can be used for a whole range of applications as summarised in
Figure 1.
Figure 1 – Approximate temperature ranges of some solar thermal applications
3.2 Solar radiation
3.1.1 Available solar radiation
Solar thermal systems can only utilise the energy from the sun in form of solar radiation.
The solar radiation can be incident on the solar panels in various forms which are shown

Technical manual
Page 5 of 72
ST0133 – A 02/09
SOLAR
in Figure 2, namely direct, reflected and diffuse radiation. The various types of radiation
can occur in isolation but in most cases the radiation incident on a solar thermal collec-
tor is a combination thereof.
Figure 2 – Forms of incident solar radiation
The solar radiation available outside the earth’s atmosphere, the so called extraterres-
trial radiation, has a density of 1367 W/m². Depending on:
- the location of the solar system
- the time of day and year
- the “obstacles” in the atmosphere such as cloud cover and pollution
- and the inclination of the solar system in relation to the sun
this value varies strongly. A map of the United Kingdom and Ireland is shown in Figure
3, indicating average annual solar energy gains on the horizontal surface.
<1200 W/m²
<1000 W/m²
<600 W/m²
<200 W/m²
direct + reflected
direct
diffuse
strong
diffuse

Technical manual
Page 6 of 72
ST0133 – A 02/09
SOLAR
Figure 3 – UK and Ireland irradiation map (horizontal surface)
3.1.2 Orientation
The solar irradiance shown in Figure 3 is an average value incident on the horizontal
surface. As mentioned above, depending on the orientation and inclination of the solar
collector the incident radiation onto the collector surface can vary although it might be
in the same location.
The terminology used to describe the exact location and orientation of a solar collector
is described in Figure 4. The terms indicate:
- longitude: geographic coordinate for East/West measurement
- latitude: geographic coordinate North or South of the equator
- slope: angle between the horizontal and the collector plane
- azimuth: angle between South and the perpendicular to the collector pane (West
+90°, South =0°, East -90°)

Technical manual
Page 7 of 72
ST0133 – A 02/09
SOLAR
Figure 4 – Terminology to describe location and orientation of solar thermal panel
Figure 5 – Effect of orientation on incident radiation levels
Latitude
Longitude
S
WN
E
Zenith
Slope
Azimuth
S U N

Technical manual
Page 8 of 72
ST0133 – A 02/09
SOLAR
Although the location of the solar thermal system can be described using the longitude
and latitude of the installation, in practise the locality is being used to determine the
location of the system.
The effect of the orientation on the incident solar radiation levels can be seen from Fig-
ure 5.
3.3 Solar thermal system
3.3.1 Components of a solar thermal system
Although solar thermal systems cover a whole range of applications, see Figure 1, the
basic components used are in principle the same. A solar thermal system consists of:
- solar collector
- heat transfer medium
- pipe work
- pump and safety equipment
- heat exchanger
- storage facility
- control unit
- user
Applying the above to a domestic hot water system, the individual components are
identified in Figure 6.
Figure 6 – Solar system components overall view
heat
transfer medium
solar
collector
pipe
work
pump and safety
equipment
storage cylinder
with build in
heat exchanger
control
unit

Technical manual
Page 9 of 72
ST0133 – A 02/09
SOLAR
Each component in the solar thermal system fulfils a specific function which is described
below:
Solar thermal collector
The solar thermal collector receives the solar radiation, converts it into thermal energy
and passes it on to the heat transfer fluid.
Heat transfer fluid
The heat transfer fluid circulates through the solar collector, the pipe work and the heat
exchanger. It transfers the energy gained by the collector into the storage device. The
heat transfer fluid has additional properties such as frost protection and anti-corrosion
inhibitors to ensure a long and reliable operation of the solar thermal system.
Pipe work
The pipe work connects the various components of the solar thermal system to allow
the heat transfer medium to transport the energy from the collector to the storage de-
vice. The pipe work must be insulated and both, the pipe work and the insulation must
be of appropriate material for solar thermal applications.
Pump and safety equipment
The pump and safety equipment are combined in the pump unit. Beside the actual cir-
culation pump the pump unit contains a flow meter, flush and fill point, air separator,
non return valves, manual thermometers, isolating valves, pressure relief valve, pres-
sure gauge and the connection point for the expansion vessel.
Heat exchanger
The heat exchanger allows a hydraulic separation of systems but allows the transfer of
energy between the two systems, i.e. the solar circuit and the wholesome water. In a
domestic solar thermal hot water system the heat exchanger is usually in form of a coil
immersed in the wholesome water inside the hot water cylinder.
To ensure the solar thermal system works at its optimum efficiency, the heat exchanger
has to be sufficiently sized and positioned correctly within the hot water cylinder.
Storage facility
The storage facility is most likely to be a domestic hot water cylinder or a buffer vessel.
As the solar thermal system will not always be able to supply all of the required energy,
it is important that an auxiliary heating system is available to boost the system as and
when required.
The storage facility should be of such design that all energy sources can work inde-
pendent of each other without compromising each others efficiencies, giving solar ther-
mal the priority to allow for maximum energy gain.
Control unit
The control unit has the primary function of switching the circulation pump on and off
ensuring that the maximum amount of energy is being transferred from the solar ther-
mal collector into the storage facility.
The control unit is usually also the user interface with the system and has therefore a
display and additional functions to ease the operation, maintenance and control of the
system.

Technical manual
Page 10 of 72
ST0133 – A 02/09
SOLAR
User
The user varies from installation to installation but has a big influence on the operation
of the solar thermal system. However, the system has all components to ensure the
provision of the comfort levels that the user expects.
3.3.2 Function of a solar thermal system
Bearing in mind the function of the individual components, the function of a solar ther-
mal system is in principle very simple. Based on two measured temperatures, one in
the hottest (T1) and one in the coldest (T2) part of the system, the control unit
switches the pump either on or off depending on the temperature difference between T1
and T2 and the temperature reached in the storage device. The location of the tempera-
ture sensors is indicated in Figure 7.
Figure 7 – Location of temperature sensors in solar thermal system
If T1 is greater than T2 plus an additional temperature differential (called ΔT ‘delta T’),
the circulation pump is being switched on by the control unit to transfer the energy
from the collector into the storage device. As soon as this on condition is not given, the
pump is being switched off.
The solar control unit also ensures that the water in the cylinder is not being heated
above a set temperature which can be freely chosen and is measured by the tempera-
ture sensor T2.
T1
T2

Technical manual
Page 11 of 72
ST0133 – A 02/09
SOLAR
A more detailed description of the function of the individual components follows in
Chapter 4, Dimplex solar products.
4 Dimplex solar products
The following section details the product features and relevant technical data of the
components of the Dimplex solar offering. Where applicable a general description of the
component’s function is given.
4.1 Dimplex solar collector SOLC220
4.1.1 General description
The Dimplex solar collector SOLC220 is a solar thermal flat plate collector. A cross sec-
tional drawing of the Dimplex SOLC220 is given in Figure 8 detailing the individual col-
lector components.
Figure 8 – Flat plate collector components
Due to its construction, a flat plate collector is subject to conduction, convection and
radiation heat losses. The sum of these heat losses and the design and production qual-
ity are summarised in the thermal collector efficiency which is empirically determined
through independent third party testing and expressed in Equation 1. The heat loss
modes of a flat plate collector are shown in Figure 9.
(A) Collector cover (glass)
(B) Absorber plate (aluminium)
(C) Powder coated frame (aluminium)
(D) Manifold pipe (copper)
(E) Collector insulation (mineral wool)
(F) Meander pipe (copper)
(G) High selective absorber coating
(H) Back plate (aluminium)
(I) Secure cover fixation
(J) Continuous mounting channel

Technical manual
Page 12 of 72
ST0133 – A 02/09
SOLAR
()
G
tt
a
G
tt
aamam
2
210
−
⋅−
−
⋅−=
ηη
[1]
Where: η [-] thermal collector efficiency
η0 [-] optical collector efficiency/zero loss coefficient
a
1 [W/m²/K] linear heat loss coefficient
a
2 [W/m²/K²] squared heat loss coefficient
G [W/m²] global incident radiation
t
m [°C] collector middle temperature
t
a [°C] collector ambient temperature
Figure 9 – SOLC220 heat loss modes
The collector heat loss front (7) and collector heat loss back (8) are dependant on the
operating conditions of the solar thermal collector, i.e. primarily on the temperature
difference between the collector module and the ambient air and wind speed. Applying
equation 1 to the Dimplex SOLC220 collector the graph shown in Figure 10 can be de-
rived.
1 8
2
3
4
6
7
9
5

Technical manual
Page 13 of 72
ST0133 – A 02/09
SOLAR
Figure 10 – Thermal efficiency curve Dimplex SOLC220 flat plate collector
Figure 10 shows that the higher the temperature difference between the collector mod-
ule and the ambient is, the lower is the efficiency of the product. Due to the required
operating conditions of various applications (see Figure 1) the collector has to operate
at varying efficiencies.
In general central heating support applications are not recommended with solar thermal
except if the whole system is especially designed for the application offering all the re-
quired features such as collector orientation, storage, heating operating temperatures,
heating demand and others.
Beside the thermal efficiency of the solar collector various other parameters are of im-
portance for the correct application thereof. All of these parameters are determined in
accordance with EN12975 and some of them are detailed in Figure 25, Technical details
Dimplex SOLC220.
4.1.2 Hydraulic collector connection
The hydraulic integration of the solar thermal collector in the overall system is critical to
ensure the most efficient and reliable operation of the installation. When integrating the
collector, the following aspects have to be considered:
- installation space availability

Technical manual
Page 14 of 72
ST0133 – A 02/09
SOLAR
- collector design
- collector pressure drop
- flow rate
- required system output
Figure 11 shows the Dimplex SOLC220 collector with the pipe work attached to the ab-
sorber plate indicated.
Figure 11 – Absorber pipe work Dimplex SOLC220 collector
From Figure 11 it can be seen that the collector has 4 connections which can be used to
connect the flow and return pipes of the installation and to connect the collectors be-
tween each other. The 4 connections offer the following features:
- one collector for small or large installations
- left hand or right hand side connection of single collector installations
- up to 10 collectors directly connected together
- collectors connected in parallel to each other, thus low overall pressure drop of array
- same collector for vertical or horizontal installations
The sensor pockets to connect the collector sensor T1 from the control unit are always
on the side with the connections marked (A) and (C). It is important to ensure that all
of the pipe work within the collector is being utilised:
- for single collector installations, the flow and return pipes must be installed on con-
nections (B) and (D).
- for multiple collector installations the sensor pockets must always face outwards.
C
D
A
B

Technical manual
Page 15 of 72
ST0133 – A 02/09
SOLAR
The flow and return of the collector are connected using a 800mm long insulated corru-
gated stainless steel flexible hose (9.1). The interconnections consist of short flexible
bellows (10.1). The remaining connections are to be blanked off using the blanking
pieces (9.2). The connections components are depicted in Figure 12 using the same
references as in the installation manuals.
Figure 12 – Connection components Dimplex SOLC220 collector
An overall view of the application of the individual connection components is given in
Figure 13 (two collectors, flow left hand side, return right hand side). Note: the sensor
pockets on both collectors face outwards.
Figure 13 – Typical connection of Dimplex SOLC220 collector

Technical manual
Page 16 of 72
ST0133 – A 02/09
SOLAR
An overall view of possible collector connections is given in Figure 14 detailing also the
pressure drop at nominal low-flow and high-flow flow rates.
Figure 14 – Collector connection options, flow rates and pressure drop
2
3
4
5
6
7
No. of collectors
1
8
9
10
Flow rate
[l/min]
Pres. drop
[mbar]
1
2
150
325
2
4
150
330
3
6
150
330
4
8
160
340
5
10
160
340
6
12
170
350
7
14
185
385
8
16
195
400
9
18
200
420
210
500
10
20

Technical manual
Page 17 of 72
ST0133 – A 02/09
SOLAR
Although only the vertical collector orientation is shown, the same principles can be
applied to the horizontal collector installation. The same applies for the positioning of
the flow and return, it can be changed from left to right hand side as long as the sensor
(indicated by dot) is moved accordingly.
Note: Up to 5 collectors can also be connected single sided with the orientation of the
individual collectors as shown in Figure 14 and the sensor placed in the sensor
pocket on the collector flow.
4.1.3 Roof fixing kits
The Dimplex solar collectors SOLC220 can be installed in most situations on or near a
building. An overall view of the installation options is shown in Figure 15.
Figure 15 – Dimplex Solar collector installation options
Dimplex offers a wide range of roof fixing kits for the installation of the SOLC220 solar
collector. The available roof fixing kits are summarised in Figure 16.
Figure 16 – Dimplex solar roof fixing kits overall view
Flashing kits are available as accessory for the integrated roof kits to cover the sides, bottom
and the gap between the collectors.
A B
CE
H
G
F
D

Technical manual
Page 18 of 72
ST0133 – A 02/09
SOLAR
On roof kits
The on roof kits come as basic and extension kit. The basic kit has to be ordered for
each first collector of a collector field, the extension kit for each additional collector in
the installation.
Figure 17 – On roof mounting options
As detailed in Figure 16 the on roof kits suit various types of roof coverings. The differ-
ent mounting methods for the various tiles are shown in Figure 17 differing only in the
design of the bracket/fixation of the collector support rail to the roof structure.
In roof kits
The in roof kits are only available for vertical collector installation and vary for tile roof
coverings and slate covering only. Additional flashing kits are available to complement
the integrated roof kits, covering the pipe work on the side of the collector, the fixing
brackets at the bottom and the gap between the collectors.
The in roof kits and flashing kits are not sold as basic and extension kits but come as
complete kits for 2, 4 and 6m² installations. Should a larger collector field be installed,
further extension kits are available.
Corrugated
tile
Slate
Plain tile
Sheet metal

Technical manual
Page 19 of 72
ST0133 – A 02/09
SOLAR
Figure 18 – Dimplex SOLC220 integrated roof kit without and with flashing kit fitted
Free standing kits
The free standing kit is designed for the vertical installation of the solar collector on
even ground with a slope of 45° to 60°. For lower sloping angles shorted support struts
can be ordered, allowing the collector to slope between 30° and 40°.
As shown in Figure 24, the free standing mounting kit is usually fixed at 4 individual
points. Alternatively a U – section rail is available as accessory aiding on uneven ground
or for suspended installation.
When more than one row of solar collectors is being installed it is important to minimise
the impact of shading of one row to the other. Equation 2 can be used to calculate the
optimum row spacing to avoid shading at solar noon on the least favourable day of the
year, i.e. 21st December.
()()
s
s
mm
cp
α
αβ
sin
180sin1870
_+−°⋅
= [2]
Where: p_c [mm] pitch between collector rows
β [°] sloping angle of solar collector
αs [°] solar altitude angle
The solar altitude angle can be calculated applying Equation 3 or approximating it from
Figure 19.
)45.23sinsin45.23cos(cos90 °⋅+°⋅−°=
φφα
s [3]
Where: αs [°] solar altitude angle
φ [°] latitude of installation
Integrated roof kit
without flashings fitted
Integrated roof kit
with flashings fitted

Technical manual
Page 20 of 72
ST0133 – A 02/09
SOLAR
Figure 19 – Free standing kit row distance calculation details
In addition to the row distance the fixation of the free standing kit to the mounting sur-
face has to be considered carefully. Due to the shape of the flat plate collector consid-
erable wind forces can act on the free standing kit installation.
Ideally the free standing kit is bolted to a fixed structure. However, this is not always
practicable, especially when the roof surface must not be penetrated for water tight-
ness reasons.
Equation 4 is to be used to calculated the required mass to securely locate the free
standing kit. The required parameters can be found in Figure 20.
Note: the stated parameters are only valid for the wind speeds stated in Figure 20. It is
the responsibility of the installer/mechanical engineer to validate these figures for the
individual installation. Dimplex does not accept any liability for damage to material,
buildings or persons resulting from free standing installations not being sufficiently sup-
ported.

Technical manual
Page 21 of 72
ST0133 – A 02/09
SOLAR
colcolsptspttot mnmnm ⋅−⋅= [4]
Where: mtot [kg] minimum mass required
n
spt [-] number of supports in installation
m
spt [kg] mass for each support (see Figure 20)
n
col [-] number of collectors in installation
m
col [kg] mass of collector (SOLC220 = 34.5 kg)
Figure 20 – Free standing kit support weight calculation details
In some cases it might be required to prepare the load baring structure in advance to
accept the fittings of the Dimplex solar free standing kit. Figure 21 details the support
feet (4x for each collector) and the free standing bottom bar (2x for each collector).
Figure 21 – Fixation details Dimplex solar free standing kit
Support feet Free standing bottom ba
r

Technical manual
Page 22 of 72
ST0133 – A 02/09
SOLAR
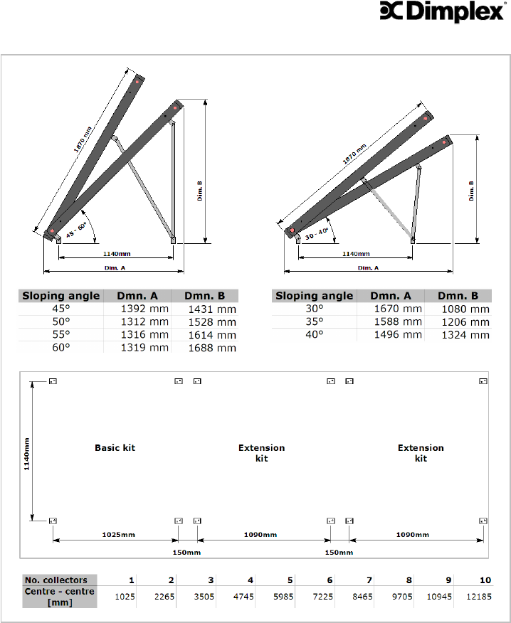
4.1.4 Space requirement
Depending on the mounting method the foot print required by the solar collector instal-
lation varies. The dimension for the on roof and free standing mounting kits do not in-
clude the space required to fit the connection pipes as these vary depending on the pipe
feed through chosen. The dimensions provided for the integrated roof kits include the
pipe work as the pipe feed through is part of the integrated roof kit.
Figure 22 – Space requirement Dimplex SOLC220 on roof installation
Figure 23 – Space requirement Dimplex SOLC200 in roof installation

Technical manual
Page 23 of 72
ST0133 – A 02/09
SOLAR
Figure 24 – Space requirement Dimplex SOLC220 free standing installation

Technical manual
Page 24 of 72
ST0133 – A 02/09
SOLAR
4.1.4 Technical data
Figure 25 summarises the key technical data of the Dimplex SOLC220 solar thermal
collector.
Figure 25 – Technical data Dimplex SOLC220 collector
4.2 Dimplex solar control unit SOLCU1/2/3
4.2.1 General description
Dimplex solar offer a range of solar control units with differing input and output options
and functionality. All control units operate on the basic principles described in chapter
3.3.2. Figure 26 shows the SOLCU1 control unit detailing the main components which
are common to all Dimplex solar control units.
Figure 26 – Dimplex solar control unit overall view
SOLCU1
Operating switch
× ON
- AUTO
Ø OFF
LCD display
- animated
- backlit
- controller operation
and system settings
Connections
- mains supply
- relay output(s)
-
sensor in
p
uts
Operating buttons
- scroll up
- SET
-
scroll down

Technical manual
Page 25 of 72
ST0133 – A 02/09
SOLAR
A detailed description of the individual operation and function of the control units can be
found in the respective installation and operating instructions.
4.2.2 Temperature sensors
All Dimplex solar control units come with three PT1000 temperature sensors which can
be extended as required. The polarity of the sensor contacts is not important.
The length of the sensors delivered with each control unit is:
- collector sensor: 1.5m
- cylinder sensors (x2): 3.0m
When extending the collector sensor, the overvoltage protection box is to be used to
protect the control unit from voltage surges caused by lightening (see Figure 27). The
overvoltage protection box is part of the pump unit delivery.
The cable used for the extension of any of the sensors should meet the following mini-
mum requirements:
- 0.75mm² up to 50m long
- 1.50mm² up to 100m long
Note: Sensor and mains cables must not be routed or ducted together. A minimum
separation of 100mm or equivalent shielding must be observed.
Figure 27 – Connection of collector temperature sensor to overvoltage protection box (included with
Dimplex solar pump unit SOLPU1/2)
From Collecto
r
To controlle
r

Technical manual
Page 26 of 72
ST0133 – A 02/09
SOLAR
4.2.3 Technical data
The main features of the Dimplex solar control units SOLCU1/2/3 are summarised in
Figure 28.
Figure 28 – Technical data overall view Dimplex solar control units SOLCU1/2/3
4.3 Dimplex solar pump unit SOLPU1/2
4.3.1 General description
The Dimplex solar pump units SOLPU1 and SOLPU2 comprise a number of features aid-
ing in the installation, commissioning, operation and maintenance of the solar thermal
installation. The components of the pump unit are depicted in Figure 29 followed by a
brief description of their function.

Technical manual
Page 27 of 72
ST0133 – A 02/09
SOLAR
Figure 29 – Components of Dimplex solar pump unit SOLPU1 and SOLPU2
Pump unit connections (1, 2, 10 and 13)
The SOLPU1 pump unit connections can be utilised in three different ways:
- 3/4” flat seal at the end of corrugated stainless steel pipe
- 3/4”F x 22mm straight connection
- 15mm reducing set
The 15mm reducing set is included in the delivery of the SOLPU1 pump unit, the ¾” flat
seal is part of the delivery of the Dimplex solar flexible hose SOLFH10/15. The ¾”F x
22mm straight connection has to be provided by the installer.
The SOLPU2 pump unit connections follow the same principle as those of the SOLPU1
except that the connection diameters are increased:
- 1” flat seal at the end of corrugated stainless steel pipe
- 1”F x 22mm or 1”F x 28mm straight connection
- 22mm reducing set
The 22mm reducing set is included in the delivery of the SOLPU2 pump unit, the 1” flat
seal should be part of a DN20 corrugated stainless steel hose. Note, the Dimplex solar
01 02 03
04
05
06
07
08
09
11
12
13
15
16
14
10

Technical manual
Page 28 of 72
ST0133 – A 02/09
SOLAR
flexible hose SOLFH10/15 is DN16 and only provides ¾” connections. Should this prod-
uct be applied to the SOLPU2 a 1” to ¾” reducer has to be provided with sufficient seal-
ing surface for the flat seal to sit against. The 1”F x 22mm or 1”F x 28mm straight con-
nection has to be provided by the installer.
6 bar pressure relief valve (3)
The 6 bar pressure relief valve is part of the safety components in the solar circuit. Its
correct application is therefore important. The discharge pipe from the relief valve must
be:
- 22mm copper pipe
- with no more than 2 bends
- terminating safely (it is recommended to end the discharge pipe in a suitable vessel
and not to discharge to drain)
Should the pressure relief valve open and discharge fluid, this is a clear sign that the
system is malfunctioning. The malfunction can be caused by:
- cold fill pressure of system too high
- expansion vessel too small
- expansion vessel pre-charge not adjusted correctly
- expansion vessel faulty
- solar collector array considerably oversized
Pressure gauge (4)
The pressure gauge indicates the current pressure inside the solar thermal loop. In a
properly designed, installed, commissioned and operated system the pressure indicated
by the pressure gauge should remain constant in all operating conditions.
Non return ball valve, temperature gauge (5 and 16)
The non return valve is critical in a solar thermal system to avoid gravity circulation at
times when the cylinder is warmer than the collector as during night time hours. The
non return valves avoid unwanted gravity circulation from the cylinder to the collector,
thus losing energy from the system. As both the flow and the return path of the
SOLPU1/2 pump units have a non return valve the circulation of flow from the collector
to the cylinder can be eliminated when the pump is switched off.
The non return valves have an integrated ball valve which can be closed by turning the
handle with the integrated manual thermometer by 90°. This allows the temporarily
isolation of certain parts of the system for maintenance purposes. The non return valves
can be opened for venting or draining purposes by turning the handles to 45°.
Circulation pump (6)
Two different circulation pumps are being utilised in the SOLPU1 and the SOLPU2 pump
station to increase the capacity of the range. The characteristic pump curves for the
pumps used are shown in Figure 30 along side the pressure drop of each pump unit.
Flush and fill point (7)
The flush and fill point allows the connection of the Dimplex solar flush and fill pump
SOLFFP110/240 for the flushing and filling of the solar loop. Should a hand pump being
used it is also to be connected at this point but not all three valves are being made use
of during the filling process.

Technical manual
Page 29 of 72
ST0133 – A 02/09
SOLAR
The centre valve of the flush and fill point is being used to adjust the flow rate if re-
quired.
Figure 30 - Pump characteristics and pump unit pressure drop SOLPU1 and SOLPU2
Expansion vessel fixing kit (8)
The expansion vessel fixing kit is not part of the scope of delivery of the pump units but
is part of the standard Dimplex solar kits and is suitable for expansion vessels of up to
24 litre contents. It simplifies the expansion vessel installation and reduces the mainte-
nance effort.
Flow meter (9)
The flow meter indicates the flow rate of the solar loop. It aids during the commission-
ing process to adjust the flow rate correctly and assists during operation, maintenance
and troubleshooting to identify eventual problems.
Air purger and related components (11, 14 and 15)
The heat transfer medium used has a high affinity to air, thus the air does not readily
separate from the medium while the medium is cold. At the beginning of the operation
of a solar thermal system therefore the heat transfer medium will release air into the
system which would without the presence of a collection and separation device eventu-
ally cause the system to stop functioning.
The air purger collects the dissolved air and it can be conveniently vented from the
manual bleed valve. The flexible bleed valve discharge tube ensures that the venting
process can be done safely.

Technical manual
Page 30 of 72
ST0133 – A 02/09
SOLAR
Insulation cover (12)
The insulation cover avoids unnecessary heat loss from the solar loop and gives the
pump unit its aesthetically pleasing appearance.
4.3.2 Pump connection
The connection of the circulation pump to the control unit has to be considered in its
application for:
- open vented hot water systems
- closed unvented hot water systems
When installing the solar thermal system in conjunction with an open vented system,
the pump can be directly wired into the control unit as shown in the control unit manual.
When using an unvented hot water system, the pump has to be wired through the twin
thermostat at the cylinder. Figure 31 shows the wiring schematic utilising the 4-way
wiring centre provided with the pump unit.
Figure 31 – Wiring of solar circulation pump to control unit utilising 4-way wiring centre
The use of a motorised two port valve is not required as long as:
- the pump unit has a non return valve in flow and return
- the circulation pump is connected using the twin thermostat mounted to the cylinder
- the cylinder is situated lower in the property than the lowest part of the solar collector
C
1
2
C
1
2
L
N
Control Unit
Solar pump
Twin tank
thermostat

Technical manual
Page 31 of 72
ST0133 – A 02/09
SOLAR
Should the above conditions not be given, the motorised two port valve has to be in-
stalled in series to the twin thermostat.
4.3.3 Technical data
Figure 32 – Technical data Dimplex solar pump unit SOLPU1 and SOLPU2

Technical manual
Page 32 of 72
ST0133 – A 02/09
SOLAR
4.4 Dimplex solar expansion vessels SOLEV
4.4.1 General description
Dimplex solar offer an extensive range of expansion vessels from 18 to 80 litres. All
expansion vessels are particularly suited for the application in solar thermal systems
with a high temperature resistant membrane which has also excellent diffusion barrier
characteristics in conjunction with the heat transfer medium used in solar thermal sys-
tems.
In solar thermal systems the expansion vessels has a number of functions to ensure the
safe and reliable operation of the system:
- absorption of additional system volume when system is heating up during normal op-
eration
- absorption of steam volume of system when installation enters stagnation
- holding of medium reserve when system temperature drops below fill temperature
4.4.2 Expansion vessel sizing
A number of parameters have to be considered when sizing the expansion vessel. The
parameters to be considered are:
- total system volume
- static height of system
- expansion coefficient of heat transfer medium
- opening pressure of pressure relief valve
- required pressure in highest system point
- number of collectors installed
- fluid content of each collector
Applying the above system parameters, Equation 5 can be used to calculate the expan-
sion vessel size VEV, the cold fill pressure of the system and the membrane pre-charge
pressure of the expansion vessel.
(
)
(
)
6.0)(
1
⋅−
+⋅⋅++
=
pcrv
rvcoleppc
EV pp
pVnVV
V [5]
Where: VEV [l] minimum expansion vessel volume
V
pc [l] pre-charge volume
V
ep [l] system expansion volume
n [-] number of collectors connected to expansion vessel
V
col [l] collector volume (SOLC220 = 1.7 litre)
p
rv [bar] relief valve pressure
p
pc [bar] cold fill pressure
Equation 6 is to be applied to determine the expansion vessel pre-charge volume Vpc.
litreVV syspc 3005.0 ≥⋅= [6]
Where: Vpc [l] pre-charge volume
V
sys [l] total system volume

Technical manual
Page 33 of 72
ST0133 – A 02/09
SOLAR
The expansion volume of the system Vep can be calculated using Equation 7.
β
⋅= sysep VV [7]
Where: Vep [l] system expansion volume
V
sys [l] total system volume
β [-] heat transfer medium expansion coefficient (0.00085)
The pressure relief valve pressure prv can as first approximation be used as 6 bar. How-
ever, to allow for some tolerance it is recommended to calculate the pressure relief
valve pressure prv in accordance with Equation 8.
)1.01( −⋅= oprv pp [8]
Where: prv [bar] relief valve pressure
p
op [l] opening pressure of relief valve (6 bar)
The last parameter to be calculated for use in Equation 5 is the cold fill pressure ppc of
the system. The cold fill pressure ppc depends on the static height hstat of the solar
thermal system and the required pressure in the highest system point pmin. The defini-
tion of the static height hstat is depicted in Figure 33.
Figure 33 – Definition of static height of solar system
The pressure in the highest system point pmin should be between 1 and 1.5 bar. The
cold fill pressure ppc can therefore be calculated as shown in Equation 9.
stat
m
bar
pc hpp ⋅+= 1.0
min [9]
Where: ppc [bar] cold fill pressure
p
min [bar] pressure in highest system point
h
stat [m] static height of system
Equation 9 concludes the calculation of parameters required for Equation 4 to calculate
the expansion vessel volume VEV. To be able to commission the expansion vessel, the
membrane pre-charge pressure pmp has to be calculated as shown in Equation 10.
hstat

Technical manual
Page 34 of 72
ST0133 – A 02/09
SOLAR
EV
pcEV
pcmp V
VV
pp −
⋅= [10]
Where: pmp [bar] membrane pressure
p
pc [bar] cold fill pressure
V
EV [l] expansion vessel volume
V
pc [l] pre-charge volume
The expansion vessel membrane pressure pmp has to be adjusted before the system is
being filled and pressurised. Once the theoretical expansion vessel volume has been
calculated, the next larger available vessel is to be chosen.
A sizing guide of the expansion vessel under the stated conditions is given in Figure 34.
Please note that the calculation should be carried out in the case that the assumptions
shown in Figure 34 do not apply.
Figure 34 – Expansion vessel sizing chart applying Equations 5 to 10

Technical manual
Page 35 of 72
ST0133 – A 02/09
SOLAR
4.4.3 Technical data
Figure 35 – Technical data Dimplex SOLEV expansion vessels
4.5 Dimplex expansion vessel fixing kit SOLVK1
4.5.1 General description
The expansion vessel fixing kit SOLVK1 aids with the installation, maintenance and de-
commissioning of the solar thermal system. The product consists of (see Figure 36):
- expansion vessel wall bracket (suitable for vessels of up to 440mm)
- 500mm corrugated stainless steel hose with ¾” flat seal connections
- quick fit connection
Figure 36 – Components Dimplex solar expansion vessel fixing kit SOLVK1
01
02
03

Technical manual
Page 36 of 72
ST0133 – A 02/09
SOLAR
It is not recommended to fit vessels larger than 24 litres using the expansion vessel
fixing kit as faulty vessels gain considerably in weight and the wall bracket would not
support the additional weight.
The 500mm corrugated stainless steel hose allows the expansion vessel to be directly
connected to the expansion vessel connection port of the Dimplex solar pump units
SOLPU1 and SOLPU2.
The quick fit connection is a combined retainer and vessel connection. The vessel con-
nection incorporates a fast acting two way valve operating always in the direction of
lower pressure. Should the vessel need maintained or replaced, the fitting eliminates
the need for the system to be drained down as it will close as soon as the vessel dis-
connects from the circuit.
Once the vessel is maintained or replaced the same fitting can be used to reconnect the
vessel to the system.
4.5.2 Technical data
Figure 37 – Technical data Dimplex expansion vessel fixing kit SOLVK1
4.6 Dimplex heat transfer medium SOLHT20
4.6.1 General description
The Dimplex solar heat transfer medium SOLHT20 is a ready to use 1.2-polypropylene
glycol fluid for solar thermal installations. The product has particularly good characteris-
tics at higher temperatures where the liquid inhibitors resolve more readily back into
the solution than solid inhibitors.
This increases the useable life of the product, reduces the acidity of the medium when
at high temperatures and ensures the frost protection function is not being lost. In addi-
tion the inhibitors will not solidify inside the solar system and block ducts with small
diameters.
The heat transfer medium is ready mixed and must not be diluted on site. When re-
placement of lost medium is required it is important to ensure that only the same me-
dium is being used.
Dimplex provide a test kit, SOLHTTK, to monitor the condition of the medium over the
course of its life.

Technical manual
Page 37 of 72
ST0133 – A 02/09
SOLAR
4.6.2 Technical data
Figure 38 – Technical data Dimplex solar heat transfer medium SOLHT20
4.7 Dimplex solar cylinders SCx
4.7.1 General description
Dimplex offer a range of direct electric and indirect heated solar cylinders from 175 litre
to 305 litre overall volume. An overall view of the products is given in Figure 39 and a
summary of the key features is given in Figure 40.
The inlet and outlet pipe routing of the cylinders is in such a way that during water draw
offs the stratification of the stored hot water is effected as little as possible, ensuring
the maximum amount possible to be drawn at high water temperatures.
In addition, the sloped outlet pipe of the cylinder minimises the required installation
height and reduces the heat losses from the unit to a minimum.
The corrugated stainless steel solar coil ensures high heat transfer rates and minimises
the risk of lime build up. The position of the solar coil ensures maximum usage of the
available cylinder volume without compromising the comfort of sufficient auxiliary vol-
ume available.

Technical manual
Page 38 of 72
ST0133 – A 02/09
SOLAR
Figure 39 – Overall view Dimplex solar SCx unvented stainless steel cylinders
SCx175/215/255/305sd
SCx175/215/255/305si
18
01
02
03
04
05
07
08
09
10
11
12
13
14
15
16
17
18
01
02
03
04
05
07
12
13
14
15
16
17
06

Technical manual
Page 39 of 72
ST0133 – A 02/09
SOLAR
Figure 40 – Key features Dimplex solar cylinders SCx
4.7.2 Wiring integration Dimplex solar cylinders SCx
There are several ways to integrate the Dimplex solar cylinders into an existing or a
new central heating system. The principle plumbing and wiring schematics are shown
for two systems in Figures 41 and 42. Please note that these illustrations do not show
all the required components to ensure a safe and reliable operation of the systems.
Figure 41 shows the integration using 2x two port motorised valves. The advantage of
this system is that the provision of space heating and the provision of domestic hot wa-
ter can be carried out independently.
Figure 42 shows the application of a three way diverter valve allowing the provision of
hot water and central heating at the same time. However, to comply with the regulative
requirements the fitting of a motorised two port valve to the cylinder is still required.

Technical manual
Page 40 of 72
ST0133 – A 02/09
SOLAR
Figure 41 – Auxiliary loop integration 2x motorised two port valve

Technical manual
Page 41 of 72
ST0133 – A 02/09
SOLAR
Figure 42 - Auxiliary loop integration 1x motorised two port valve and mid-position valve

Technical manual
Page 42 of 72
ST0133 – A 02/09
SOLAR
The integration of the solar thermal control and pump unit independent from manufac-
turer nomenclature is shown in Figure 43.
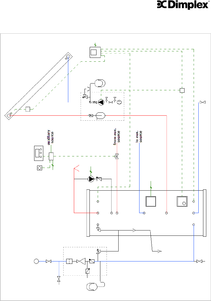
Figure 43 – Solar loop integration
4.7.3 Hydraulic integration Dimplex solar cylinders SCx
Should the cylinder range of 175 to 305 litres not be sufficient, any number of cylinders
can be connected in parallel or in series to achieve higher storage volumes. The follow-
ing should be observed when connecting the cylinders:
- each cylinder must be equipped with its own safety equipment as part of the scope of
delivery
- each cylinder must have its own save discharge in accordance with building regula-
tions
- connect the cylinders on the potable and energy supply side in series when an even
demand is required over a period of time
- connect the cylinders on the potable and energy supply side in parallel when peak
demands are expected exceeding the capacity of an individual cylinder with its supply
- when installing larger systems ensure a risk assessment is carried out in accordance
with approved code of practise L8 from the HSE
- ensure each cylinder is accessible for maintenance and replacement work as required
- ensure the hydraulic circuit from the solar loop is balanced, i.e. the correct flow rate is
achieved through each coil

Technical manual
Page 43 of 72
ST0133 – A 02/09
SOLAR
4.7.4 Technical data
Figure 44 – Technical data Dimplex solar cylinder SCx
A
L
K
M
D/N
E
F
O
J
B
C
P
I
G
H

Technical manual
Page 44 of 72
ST0133 – A 02/09
SOLAR
Figure 45 – Pressure drop Dimplex solar SCx cylinder coils
4.8 Dimplex solar accessories
4.8.1 General description
To aid in the installation, commissioning, maintenance and the realisation of more com-
plex systems Dimplex offer a range of accessories as summarised in Figure 46.
Figure 46 – Dimplex solar accessories

Technical manual
Page 45 of 72
ST0133 – A 02/09
SOLAR
4.8.2 Corrugated flexible pipe SOLFH10/15
The Dimplex solar flexible corrugated stainless steel pipe includes:
- high temperature and weather resistant insulation
- integrated 2 core sensor cable
- wall fixings
- connection fittings from the collector to the pump unit and from the pump unit to the
cylinder
- 10m or 15m length.
The SOLFH10/15 pipe work reduces the installation time considerably by reducing the
number of joints to be performed, insulation of the pipe work separately, laying the
sensor cable and ensuring the leak tightness along its installation.
The technical data of the SOLFH10/15 pipe work is summarised in Figure 47.
Figure 47 – Technical data Dimplex flexible hose SOLFH10/15
~100mm
~45mm

Technical manual
Page 46 of 72
ST0133 – A 02/09
SOLAR
4.8.3 Feed through tiles SOLFTT and SOLFTM
The Dimplex solar feed through tiles are suitable for corrugated and plain tiles, slate
roof coverings and sheet metal coverings depending on the type chosen:
- SOLFTT: corrugated and plain tile, slate roof covering
- SOLFTM: sheet metal roof covering, plain or corrugated
For each pipe feed through one tile of the appropriate type is required. The product
allows pipes and cables from 0 to 35mm to be fed securely into the roof. The feed
through tiles are suitable for plain copper tubing and for corrugated stainless steel hose.
An overall view of the two types of feed through tiles and the technical data are given in
Figure 48.
Figure 48 – Overall view feed through tiles SOLFTT and SOLFTM
SOLFTT SOLFTM

Technical manual
Page 47 of 72
ST0133 – A 02/09
SOLAR
5 System sizing
5.1 Required information
The sizing of solar thermal systems depends on a number of factors which require the
use of solar simulation software to allow reliable solar fraction predictions. The informa-
tion required to reliably specify a domestic solar thermal hot water system is shown in
Figure 49.
Figure 49 – Required information for domestic solar thermal hot water system sizing
It can be seen from Figure 49 that the suitability of solar thermal depends primarily on
the user and the local conditions.
5.2 Sizing guide

Technical manual
Page 48 of 72
ST0133 – A 02/09
SOLAR
Figure 50 – Dimplex solar initial sizing guide

Technical manual
Page 49 of 72
ST0133 – A 02/09
SOLAR
For an initial assessment the following sizing guide (Figure 50) can be used to discuss
the feasibility of solar. It is however recommended, following the completion of the siz-
ing guide to complete the On Site Questionnaire as shown in Figure 49 and Appendix
11.1 to validate the initial sizing with a detailed solar fraction simulation.
The solar fraction achieved using the sizing guide shown in Figure 50 will vary depend-
ing on the location of the installation within the UK (see Figure 3), its orientation (see
Figure 5) and the actual hot water demand.
6 Pipe work
For installation where the Dimplex solar corrugated stainless hose SOLFH10/15 is not
suitable, it is required to specify the correct pipe work for the installation.
6.1 Type of pipe work
Only full metal pipe work must be used in solar thermal installations. Plastic or compos-
ite materials are not suitable due to the high temperatures that can occur in solar ther-
mal installations and the compatibility with the heat transfer medium.
Due to its ease of use and the readily available fittings it is recommended to use copper
as pipe material. Steel pipe work can also be used when it is ensured that it always
terminates into a brass fitting before getting in contact with copper.
The joints of the pipe work must be carried out in such a way that they are suitable for
the pressure and the temperatures present in the solar thermal system. For copper pipe
work it is recommended to work with brass compression fittings with brass olives.
6.2 Pipe work sizing
The size of the pipe work depends primarily on the flow rate circulating through the pipe
work. As discussed in Chapter 4.1.2 each collector requires a specified flow rate to en-
sure optimum operation and efficiency.
Equation 11 can be used to calculate the minimum required inner pipe diameter ID_min
in mm:
w
V
ID &
⋅= 6.4
min [9]
Where: IDmin [mm] minimum required pipe diameter
4.6 [-] unit conversion factor
V [l/min] flow rate through pipe
w [m/s] flow velocity through pipe
Due to the higher viscosity of the heat transfer medium in comparison to water the flow
velocity w should not exceed 0.5 to 0.7m/s. A number of typical pipe diameters for
various collector field sizes are given in Figure 51 with a flow velocity of 0.5 and 0.7m/s.

Technical manual
Page 50 of 72
ST0133 – A 02/09
SOLAR
Figure 51 – Suitable pipe diameters for various collector field sizes
6.3 Pipe work pressure drop
To be able to determine the suitability of the circulation pump it is important to be able
to calculate the pressure drop of the pipe work. Figure 52 summarises the approximate
pressure drop Δp_pipe in 1m of pipe work at 0.5 and 0.7m/s assuming that the glycol
pressure drop is 30% higher than that of water.
Figure 52 – Pressure drop copper pipe per metre
6.4 Pipe work liquid content
To be able to reliably determine the liquid content of the system when specifying the
required amount of heat transfer medium and when sizing the expansion vessel, Figure
53 summarises the liquid content for the above selection of copper pipe.
Figure 53 – Liquid volume of copper pipe for 1 metre length

Technical manual
Page 51 of 72
ST0133 – A 02/09
SOLAR
6.5 Pipe work fixation
When fixing the pipe work to the building structure a number of points should be con-
sidered before choosing the fixation method:
- temperature of liquid carried in pipes
- sound transfer from pipe work into building structure
- thermal expansion and contraction of pipe work due to large temperature changes
- safe securing of pipe work to building structure
- fire safety
It is important that the pipe work is secured to the building structure in a safe and
proper manner. Only wall/floor fixings that are suitable for the given conditions should
be used. When routing the pipe work on the outside of the building also the aesthetic
impact of the pipe work on the building should be considered.
The recommended distance between fixation points for various copper pipe sizes are
shown in Figure 54.
Figure 54 – Distance between fixation points of copper pipe work
6.6 Pipe work insulation
Additional requirements are in place for insulation used in solar thermal installations
compared with conventional heating and hot water systems. When choosing a suitable
insulation the following should be considered:
- the heat transfer medium in the pipe work can reach +150°C
- the insulation has to be UV and weather resistant
- the insulation should be at least 100% of the inner pipe diameter (e.g. a 22mm pipe
should be insulated with at least 19mm of insulation).
The Dimplex solar connection hoses which are delivered with the various roof fixing kits
and the 10m and 15m flexible pipes SOLFH10/15 are insulated with the appropriate
material.

Technical manual
Page 52 of 72
ST0133 – A 02/09
SOLAR
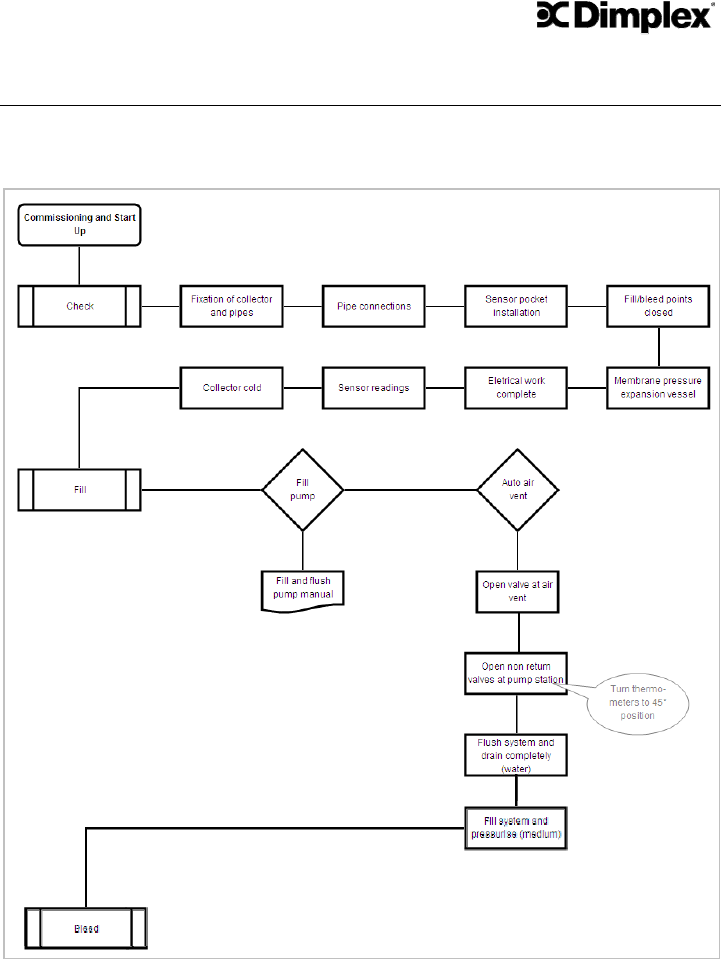
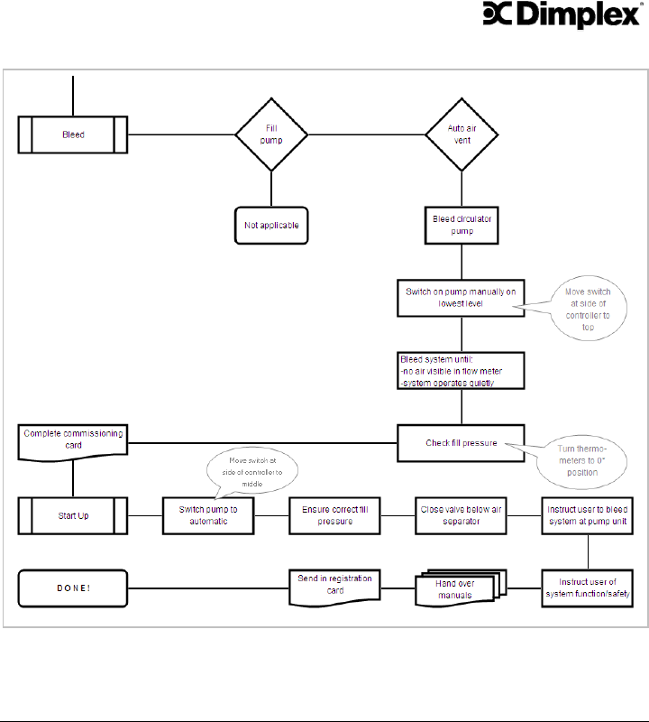
7 Commissioning
The commissioning of a Dimplex solar thermal system is a simple procedure as outlined
in Figure 55.
Figure 55 – Dimplex commissioning procedure Part 1

Technical manual
Page 53 of 72
ST0133 – A 02/09
SOLAR
Figure 55 – Dimplex commissioning procedure Part 2
8 Operation
8.1 Control unit
In general the operation of the Dimplex solar thermal system is fully automatic and
does not require any user intervention to ensure its efficient, safe and reliable operation.
However, the solar control unit offers a number of useful information that might be of
interest to the user.
In addition, the following settings and functions can be altered and activated or deacti-
vated as applicable (see Figure 56):
- cylinder temperature setting
- temperature unit °F/°C

Technical manual
Page 54 of 72
ST0133 – A 02/09
SOLAR
- holiday and frost protection function
- variable speed control of circulating pump
Figure 56 – Display information and menu structure SOLCU1

Technical manual
Page 55 of 72
ST0133 – A 02/09
SOLAR
8.2 Pump unit
As for the whole system no manual intervention is required on the pump unit when the
system is operating normally. However, the pump unit offers some useful information
detailing the operational status of the solar system (see Figure 57):
A: current flow rate: to be seen on flow meter
B: flow and return temperature: approximate values on flow and return ball valves
C: operating pressure: pressure gauge
D: air – separation: to be carried out on air purger without having to access the roof
Figure 57 – Operational information provided by Dimplex solar pump unit SOLPU1/2
9 Maintenance
The maintenance effort for the Dimplex solar system is minimal and can ideally be exe-
cuted when carrying out the mandatory checks on the unvented hot water installation.
Figure 58 details the schedule of the maintenance to be carried out.
It is recommended to check the function of the system after the 1st year of operation
and then carry out a bi-annual maintenance check. Not all steps have to be undertaken
every two years as detailed in Figure 58. All the values measured during the mainte-
nance procedure are to be recorded in the appropriate fields in the maintenance sched-
ule. The following steps are part of the system maintenance:
Check system pressure
The original system pressure can be found on the system commissioning sheet con-
tained in the on site guide. Should the pressure have reduced considerably, the cause is
to be investigated.
Check pipe work for leaks
This step is only required if the system pressure dropped considerably. Where readily
accessible joints should be checked for signs of small leaks.
A:
D:
Note: thermometers shown in
“open” position. During normal
operation the handles are to be
u
p
-ri
g
ht.
C:
B:
B:

Technical manual
Page 56 of 72
ST0133 – A 02/09
SOLAR
Check content discharge vessel
Should any heat transfer medium be deposited in the discharge vessel which was not
there from the beginning, the cause is to be established.
Check roof feed-through for leaks
The points at which the pipe work penetrates the primary and secondary protection
layer are to be inspected if accessible. No leakage must be found at these points.
Check condition of pipe insulation
As detailed in Chapter 6.6 the pipe work insulation in solar thermal systems must fulfil
certain criteria. However, damage due to system overheating, animal and mechanical
influences are always possible. Damaged insulation is to be replaced.
Check collector fixations
This work must be carried out with safe access only.
Check electrical connections
This check must only be carried out in a safe manner and by a qualified person.
Check pump function
This check can be carried out by moving the switch on the side of the control unit to its
ON position. A flow should be registered on the flow meter in the system. Remember to
return the control unit into AUTO when testing is complete.
Check sensor readings
The sensor readings can be checked in the display of the control unit by pressing the up
and down buttons. Should any doubt exist about the correct reading, the sensor should
be exchanged against another sensor in the system for reference and replaced if re-
quired.
Check frost protection and pH value of heat transfer medium
The SOLHTTK test kit is to be used to ensure the heat transfer medium retained its
properties. To access the heat transfer medium in the system slacken the bleed screw
of the circulating pump and allow 1 or 2 drops of liquid to escape to carry out the test-
ing.
Check charge pressure expansion vessel
This can only be carried out when the expansion vessel is hydraulically disconnected
from the solar loop. It must therefore not be undertaken when the system is hot or will
heat up in the foreseeable future. This check must only be carried out when any doubt
exists that the charge pressure has reduced such as reduced fill pressure, pressure fluc-
tuation between cold and hot system.
At the end of the maintenance routine it is imperative to ensure the system is back in
its automatic operation and that the user is informed of what has been undertaken.

Technical manual
Page 57 of 72
ST0133 – A 02/09
SOLAR
Figure 58 – Overall view Dimplex solar maintenance procedure

Technical manual
Page 58 of 72
ST0133 – A 02/09
SOLAR
10 Product and kit listings
The Dimplex solar product range is offered as kit or as individual components. The fol-
lowing listings detail all the kits and the individual components available.
10.1 Dimplex solar kits
The Dimplex solar kits are packaged in such a way that all the required components are
contained in the kit. Optional components are available but are not contained in the
standard kits. Furthermore, the kits are structured to allow a 1st fix and 2nd fix installa-
tion should the installation be done in stages such as in new build situations.
The cylinders are to be ordered separately as they differ in type, direct and indirect
auxiliary heating, and the size of cylinder relative to the collector area can vary. The
kits are summarised in Figure 59, the cylinders are listed in Figure 60 along side the
individual solar kit components.
Figure 59 – Dimplex solar kits overall view
10.2 Dimplex solar components
For systems larger than 6.6 m² (3 collectors) or should additional components be re-
quired the individual components can be chosen from Figure 60.

Technical manual
Page 59 of 72
ST0133 – A 02/09
SOLAR
Figure 60 – Dimplex solar components overall view

Technical manual
Page 60 of 72
ST0133 – A 02/09
SOLAR
11 Dimplex literature structure
Dimplex solar offers a range of literature to provide relevant information at all stages of
the product life cycle from planning and design, installation and maintenance to opera-
tion and troubleshooting. Figure 61 summarises the available documents and their rele-
vance at the various stages of the product’s application.
Figure 61 – Dimplex solar literature structure
Planning, sizing and
system design
Product implementation stage
Operation and trou-
bleshooting
Installation, commis-
sioning and mainte-
nance
- Technical Manual
- On Site Guide
- Installation manuals
Collector and roof kit man-
ual
Control unit manual
Pump unit manual
Exp. ves. fixing kit
Accessories
- On Site Guide
- Installation manuals
Control unit manual
Pump unit manual

Technical manual
Page 61 of 72
ST0133 – A 02/09
SOLAR
12 Appendix
12.1 On site questionnaire

Technical manual
Page 62 of 72
ST0133 – A 02/09
SOLAR
12.2 On site inspection

Technical manual
Page 63 of 72
ST0133 – A 02/09
SOLAR

Technical manual
Page 64 of 72
ST0133 – A 02/09
SOLAR

Technical manual
Page 65 of 72
ST0133 – A 02/09
SOLAR
12.3 Dimplex solar system direct – overall view

Technical manual
Page 66 of 72
ST0133 – A 02/09
SOLAR
12.4 Dimplex solar system indirect – overall view

Technical manual
Page 67 of 72
ST0133 – A 02/09
SOLAR
12.5 Example Dimplex solar simulation report

Technical manual
Page 68 of 72
ST0133 – A 02/09
SOLAR

Technical manual
Page 69 of 72
ST0133 – A 02/09
SOLAR

Technical manual
Page 70 of 72
ST0133 – A 02/09
SOLAR

Technical manual
Page 71 of 72
ST0133 – A 02/09
SOLAR

Technical manual
Page 72 of 72
ST0133 – A 02/09
SOLAR
13 Notes and sketches