Dixon Ztr 3302 Users Manual OM, 3302, 1994, ZERO TURN
ZTR 3302 DIXO1994_USen_3302_
ZTR 3302 to the manual 1cfd0c0d-dafc-412f-8adf-df9df2ce2af3
2015-02-04
: Dixon Dixon-Ztr-3302-Users-Manual-514348 dixon-ztr-3302-users-manual-514348 dixon pdf
Open the PDF directly: View PDF
.
Page Count: 8

TECHNICAL DATA
ZTR Model 3302
IMPORTANT - READ OPERATOR'S MANUAL BEFORE OPERATING OR MAKING ADJUSTMENTS
SEAT ADJUSTMENT
1. Pull or lift body retention latch P/N 3954
from transaxle backing plate, raise and
push body and seat assembly forward.
2. Loosen four seat bolts, P/N 3227 and
slide seat forward or backward to
desired position.
3. Re -tighten seat adjustment bolts P/N
3227. DO NOT operate mower without
seat adjustment bolts properly
tightened.
4. Close upper body and push retention
latch P/N 3954 over transaxle backing
plate.
DIXON INDUSTRIES, INC. A
BLOUNT COMPANY AIRPORT
INDUSTRIAL PARK
PO BOX 1569
COFFEYVILLE KS 673370945
316251 2000
FAX 316 251 4117
Page 1 of 8

REMOVING THE BODY
1. The 3302 has a two -piece polyethylene body. The upper body can be folded forward to
expose the transaxle. In some cases, it may be necessary to remove the upper body to
service the transaxle.
2. To remove upper body, remove two bolts P/N 3093 from the front of upper body hinge
located on the brake shaft P/N 9283. Disconnect seat switch P/N 4761 at plug-in.
3. Reverse above procedure to reinstall.
ADJUSTMENT OF MOWER DECK DRIVE BELT
1. This mower deck drive belt is tensioned by a spring loaded engagement idler quadrant.
2. This system is designed to maintain the proper belt tension at all times.
3. Belt tension can be adjusted by moving the engaging rod P/N 7013 into the outside hole of
engagement handle P/N 7020.
4. After belt tension is adjusted, check to assure that the mower blade will not turn freely when
the engaging rod is in the "OFF" position.
5. lf the mower blade turns freely, adjust the blade brake by loosening nut P/N3205 at
the end
of the brake rod P/N 2988.
6. After adjustment is achieved, perform the safety checks listed below.
REMOVING THE MOWER BLADE
Secure blade P/N 2483 from turning. Remove blade bolt from center of blade P/N 3268, and
blade washer P/N 6260 then remove blade P/N 2483. To reinstall, reverse above procedure.
Tighten blade bolt to 60 ft. Ibs. of torque.
WARNING: Sharp edges on blade can cause injury!
Caution should be exercised when service is required on blade.
REMOVING THE MOWER DECK
1. Loosen belt keepers P/N 7026 & 7027 located under the engine by loosening the mounting
bolts, allowing the deck drive belt to come free of the rear pulley.
2. Disconnect the wiring loom at the deck safety switch P/N 4242.
3. Remove the two clevis pins P/N 3072 from the two rear L-rods P/N 1355 and slide from slots.
4. Remove clevis pin P/N 3072 from L-rod attached to lift handle and slide from slot.
5. Remove clevis pin P/N 3072 from front deck hanger shaft P/N 1332, located at front of
mower deck on slide plates welded at battery box, and remove.
6. Lift front of mower chassis clear of deck. Roll chassis free of the deck.
7. To install, reverse the above procedure. - Page 2 of 8

MOWER BLADE OPERATION
To engage mower blades, turn engagement lever on floor slowly to the "ON" position. To
Disengage mower blades, turn lever slowly to the "OFF" position.
SAFETY CHECKS
IMPORTANT- PERFORM SAFETY CHECKS AFTER MAKING ANY REPAIRS OR ADJUSTMENTS
1. After reassembly, while seated on mower, attempt to start engine with mower deck
engaged. Engine should not start. If engine does start, return the mower to an Authorized
Dixon dealer for adjustment or repair.
2. Disengage mower deck and start engine. With the operator in the normal seated position,
engage mower deck and remove weight from seat. The engine should stop. If the engine
does not stop when operator rises from seat, return the mower to an Authorized Dixon
dealer for adjustment or repair.
3. Engage, then disengage mower blade in each cutting height. Insure that blade
disengages and comes to a stop within (5) seconds in each height position. If blade does
not disengage properly, contact your Authorized Dixon dealer.
CAUTION: DO NOT OPERATE MOWER IF ANY SAFETY FEATURE IS NOT FUNCTIONING CORRECTLY
PARKING BRAKE ADJUSTMENT
Remove the body as described above. Tighten nut on brake rod P/N 2533 located in front of
the transaxle on each side, just enough to prevent brake from slipping when engaged.
CAUTION:
Over-tightening may cause premature wear on the brake band P/N 5085
Revised 7/93 P/N
8114
Page 3 of 8

Page 4 of 8
3302 BODY ASSEMBLY

Page 5 of 8
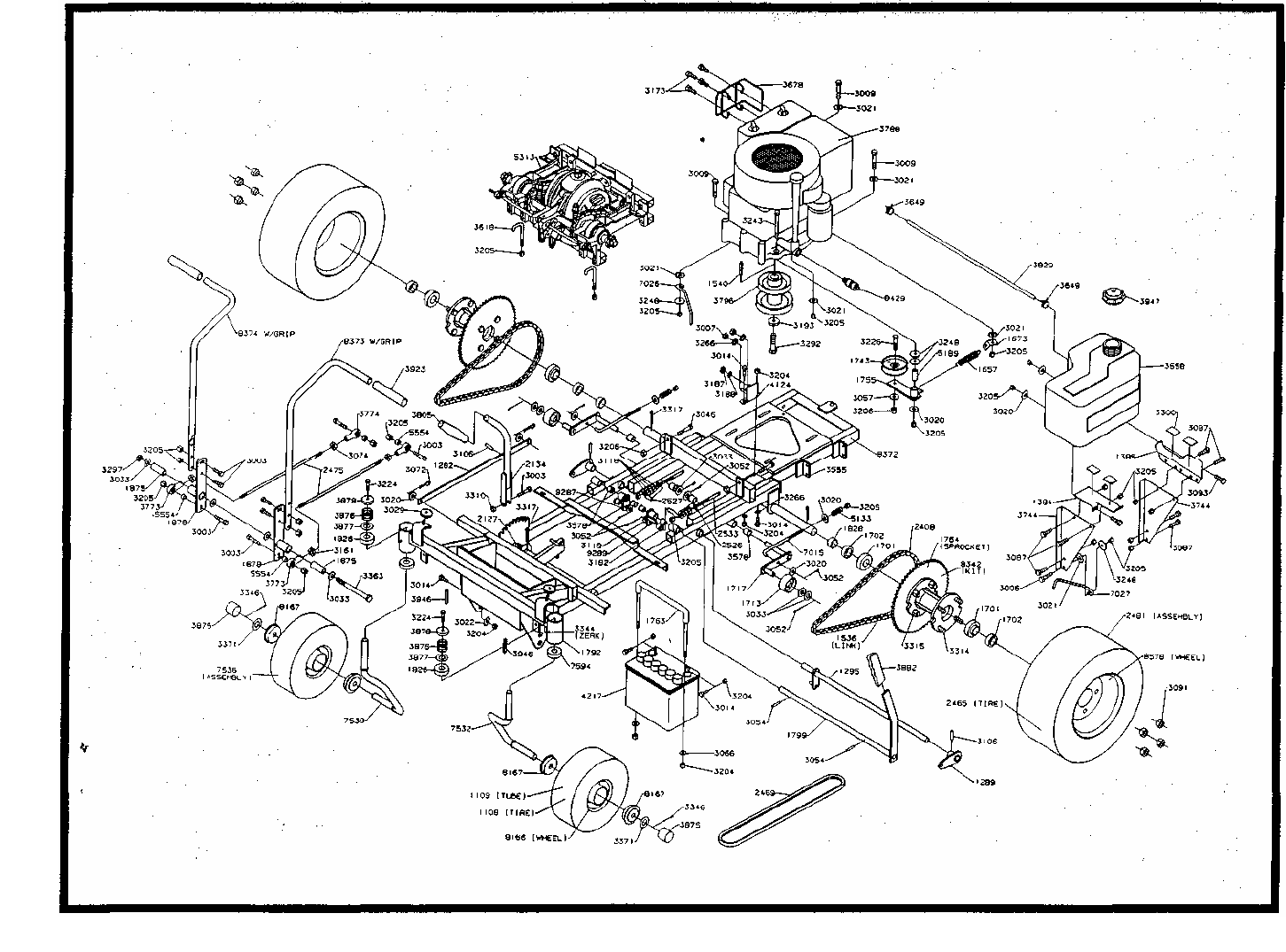
3302 CHASSIS ASSEMBLY

Page 6 of 8
3302 TRANSAXLE ASSEMBLY

3302 MOWER DECK ASSEMBLY 30"
Page 7 of 8

Page 8 of 8
3302 WIRING ASSEMBLY