1815&1938_0esfowners1 HOME STANDBY GENERATOR 01975 0 0esf3w
User Manual: HOME STANDBY GENERATOR 01975-0
Open the PDF directly: View PDF .
Page Count: 80

Questions? Help is just a moment away!
Preguntas? La ayuda es justa un momento
lejos!
Vous avez des questions? Vous n'avez pas
besoin d'aller loin pour trouver de l'aide!
Call: Home Standby Generator Helpline
Llamada: Línea Directa de Reserva de Hogar
Appelez: Ligne Directe de Secours À la
Maison - 1-800-743-4115 M-F 8-5 CT
Web: www.briggspowerproducts.com
Models 01975-0 Part No. 195362GS Rev. 3 (06/29/05)
Installation,
Start-Up and
Owner’s Manual
Manual de Instalación,
Arranque y Propietario
Manuel d'Installation,
Démarrage et Utilisateur
Home Standby Generator

2
Briggs & Stratton Power Products Home Standby Generator
Installation, Start-Up and Owner’s Manual
TABLE OF CONTENTS
TABLE OF CONTENTS . . . . . . . . . . . . . . . . . . . . . . . . . . . 2
IMPORTANT SAFETY INSTRUCTIONS . . . . . . . . . . . . 3-4
SAVE THESE INSTRUCTIONS . . . . . . . . . . . . . . . . . . . . . . 5
INTRODUCTION . . . . . . . . . . . . . . . . . . . . . . . . . . . . . . . 5
CUSTOMER RESPONSIBILITIES . . . . . . . . . . . . . . . . . . . . 5
INSTALLER RESPONSIBILITIES . . . . . . . . . . . . . . . . . . . . 5
INSTALLATION ASSISTANCE . . . . . . . . . . . . . . . . . . . . . . 5
For the Home Owner: . . . . . . . . . . . . . . . . . . . . . 5
For the Installing Dealer/Contractor: . . . . . . . . . 5
KNOW YOUR HOME STANDBY GENERATOR . . . . . . 6
KNOW YOUR CONTROL PANEL . . . . . . . . . . . . . . . . . . 7
OWNER ORIENTATION . . . . . . . . . . . . . . . . . . . . . . . . . 8
Fuel Factors . . . . . . . . . . . . . . . . . . . . . . . . . . . . . . . . . 8
Power Decrease at High Altitude or High
Temperature . . . . . . . . . . . . . . . . . . . . . 8
INSTALLATION PROCEDURES . . . . . . . . . . . . . . . . . . . . 8
Unpacking Precautions . . . . . . . . . . . . . . . . . . . . . . . . 8
Delivery Inspection . . . . . . . . . . . . . . . . . . . . . . . . . . . 8
Approved Transfer Switches . . . . . . . . . . . . . . . . . . . . 8
Shipment Contents . . . . . . . . . . . . . . . . . . . . . . . . . . . 9
Required Specialty Tools/Equipment . . . . . . . . . . . . . . 9
Lifting the Generator . . . . . . . . . . . . . . . . . . . . . . . . . . 9
Home Standby Generator Location . . . . . . . . . . . . . . 9
Generator Clearances . . . . . . . . . . . . . . . . . . . . . 9
General Location Guidelines . . . . . . . . . . . . . . . . 9
Essential Circuits . . . . . . . . . . . . . . . . . . . . . . . . . . . . 10
Essential Circuit Selection . . . . . . . . . . . . . . 10-11
Fuel Inlet Dimensions . . . . . . . . . . . . . . . . . . . . . . . . 11
Removable Roof and Access Door . . . . . . . . . . . . . 11
To remove roof: . . . . . . . . . . . . . . . . . . . . . . . . . 11
To remove access door: . . . . . . . . . . . . . . . . . . . 11
To install access door and roof: . . . . . . . . . . . . . 11
THE GASEOUS FUEL SYSTEM . . . . . . . . . . . . . . . . . 12-13
Fuel Consumption . . . . . . . . . . . . . . . . . . . . . . . . . . . 13
Fuel Pipe Sizing . . . . . . . . . . . . . . . . . . . . . . . . . . . . . 14
Fuel Comparison Chart . . . . . . . . . . . . . . . . . . . . . . 15
Size of Propane Tank Required at Various Temperatures
When Kept at Least Half Full . . . . . . . . . . . 15
WIRE CONNECTIONS . . . . . . . . . . . . . . . . . . . . . . . . . . 16
Recommended Torque Values. . . . . . . . . . . . . . . . . . . 16
Generator AC Connection System . . . . . . . . . . . . . 16
Grounding the Generator . . . . . . . . . . . . . . . . . . . . . 16
Generator Control Circuit Connection . . . . . . . . . . 16
Remote Start Switch with LED . . . . . . . . . . . . . . . . . 16
BEFORE INITIAL START-UP . . . . . . . . . . . . . . . . . . . . . . 16
Engine Oil . . . . . . . . . . . . . . . . . . . . . . . . . . . . . . . . . 16
Oil Considerations . . . . . . . . . . . . . . . . . . . . . . . 16
Battery Connection . . . . . . . . . . . . . . . . . . . . . . . . . . 17
Fuel Supply System . . . . . . . . . . . . . . . . . . . . . . . . . . 17
FUEL SYSTEM SELECTION . . . . . . . . . . . . . . . . . . . . . . . 18
INITIAL START-UP (NO LOAD) . . . . . . . . . . . . . . . . . . 18
INSTALLATION INSPECTION . . . . . . . . . . . . . . . . . . . . 18
SPECIFICATIONS . . . . . . . . . . . . . . . . . . . . . . . . . . . . . . . 19
SYSTEM OPERATION . . . . . . . . . . . . . . . . . . . . . . . . . . . . 19
Servicing The Generator . . . . . . . . . . . . . . . . . . . . . . 19
GENERATOR MAINTENANCE . . . . . . . . . . . . . . . . . . . 20
Changing Engine Oil and Filter. . . . . . . . . . . . . . . . . . 20
Changing Oil . . . . . . . . . . . . . . . . . . . . . . . . . . . . 20
Changing Oil Filter . . . . . . . . . . . . . . . . . . . . . . . 20
To Clean the Generator . . . . . . . . . . . . . . . . . . . . . . 21
When Calling the Factory . . . . . . . . . . . . . . . . . . . . . 21
STORAGE . . . . . . . . . . . . . . . . . . . . . . . . . . . . . . . . . . . . . 21
TROUBLESHOOTING . . . . . . . . . . . . . . . . . . . . . . . . . . . 22
NOTES . . . . . . . . . . . . . . . . . . . . . . . . . . . . . . . . . . . . . . . 23
SCHEMATIC . . . . . . . . . . . . . . . . . . . . . . . . . . . . . . . . . . . 24
WIRING DIAGRAM . . . . . . . . . . . . . . . . . . . . . . . . . . . . . 25
REPLACEMENT PARTS . . . . . . . . . . . . . . . . . . . . . . . . 26-32
WARRANTY . . . . . . . . . . . . . . . . . . . . . . . . . . . . . . . . . . . 33
ESPAÑOL . . . . . . . . . . . . . . . . . . . . . . . . . . . . . . . . . . 34-57
FRANÇAIS . . . . . . . . . . . . . . . . . . . . . . . . . . . . . . . . . 58-80
Copyright © 2005 Briggs & Stratton Power Products
Group, LLC. All rights reserved. No part of this material
may be reproduced or transmitted in any form by any
means without the express written permission of Briggs &
Stratton Power Products Group, LLC.

3
Briggs & Stratton Power Products Home Standby Generator
Installation, Start-Up and Owner’s Manual
IMPORTANT SAFETY
INSTRUCTIONS
The safety alert symbol ( ) is used with a signal word
(DANGER, CAUTION,WARNING), a pictorial and/or a
safety message to alert you to hazards. DANGER indicates
a hazard which, if not avoided, will result in death or serious
injury. WARNING indicates a hazard which, if not
avoided, could result in death or serious injury. CAUTION
indicates a hazard which, if not avoided, might result in
minor or moderate injury. CAUTION, when used
without the alert symbol, indicates a situation that could
result in equipment damage. Follow safety messages to
avoid or reduce the risk of injury or death.
The manufacturer cannot possibly anticipate every possible
circumstance that might involve a hazard.The warnings in
this manual, and the tags and decals affixed to the unit are,
therefore, not all-inclusive. If you use a procedure, work
method or operating technique that the manufacturer does
not specifically recommend, you must satisfy yourself that it
is safe for you and others.You must also make sure that the
procedure, work method or operating technique that you
choose does not render the generator unsafe.
NOTE: Your generator is equipped with a spark arrester
muffler.The spark arrester must be maintained in effective
working order by the owner/operator. In the State of
California, a spark arrester is required by law (Section 4442
of the California Public Resources Code). Other states may
have similar laws. Federal laws apply on federal lands.
Only qualified electricians and gaseous fuel
technicians should attempt installation of this
generator, which must strictly comply with
applicable codes, standards and regulations.
WARNING
• Operate generator ONLY outdoors.
• Keep exhaust gas from entering a confined area through
windows, doors, ventilation intakes or other openings.
Running generator gives off carbon monoxide,
an odorless, colorless, poison gas.
Breathing carbon monoxide will cause nausea,
fainting or death.
WARNING
• DO NOT dispose of battery in a fire.
• DO NOT allow any open flame, spark, heat, or lit cigarette
during and for several minutes after charging a battery.
• DO NOT open or mutilate the battery.
• Wear protective goggles, rubber apron, and rubber gloves.
• Remove watches, rings, or other metal objects.
• Use tools with insulated handles.
Storage batteries give off explosive hydrogen gas
during recharging.
Slightest spark will ignite hydrogen and cause
explosion.
Battery electrolyte fluid contains acid and is
extremely caustic.
Contact with battery contents will cause severe
chemical burns.
A battery presents a risk of electrical shock and
high short circuit current.
DANGER
• DO NOT touch hot surfaces.
• Allow equipment to cool before touching.
• The generator enclosure must be at least 5 feet from
structures having combustible walls and/or other combustible
materials.
• Keep at least 3 feet of clearance on all sides of generator
enclosure for adequate cooling, maintenance and servicing.
Running engines produce heat.Temperature of
muffler and nearby areas can reach or exceed
150°F (65°C).
Severe burns can occur on contact.
Combustible debris, such as leaves, grass, brush,
ect. can catch fire.
WARNING
SAVE THESE INSTRUCTIONS

4
Briggs & Stratton Power Products Home Standby Generator
Installation, Start-Up and Owner’s Manual
• DO NOT tamper with governed speed. Generator supplies
correct rated frequency and voltage when running at governed
speed.
• DO NOT modify generator in any way.
Excessively high operating speeds increase risk
of injury and damage to generator.
Excessively low speeds impose a heavy load.
CAUTION
• See “Essential Circuits”.
• Start generator and let engine stabilize before connecting
electrical loads.
Exceeding generators wattage/amperage capacity can
damage generator and/or electrical devices connected
to it.
CAUTION
• Use generator only for intended uses.
• If you have questions about intended use, ask dealer or
contact Briggs and Stratton.
• Operate generator only on level surfaces.
• Adequate, unobstructed flow of cooling and ventilating air is
critical to correct generator operation.
• The access door and roof must be installed whenever the unit
is running.
• DO NOT expose generator to excessive moisture, dust, dirt,
or corrosive vapors.
• Despite the safe design of the Home Standby Generator,
operating this equipment imprudently, neglecting its maintenance
or being careless can cause possible injury or death.
• Remain alert at all times while working on this equipment.
Never work on the equipment when you are physically or
mentally fatigued.
• DO NOT start engine with air cleaner or air cleaner cover
removed.
• DO NOT insert any objects through cooling slots.
• DO NOT use the generator or any of its parts as a step.
Stepping on the unit can cause stress and break parts.This
may result in dangerous operating conditions from leaking
exhaust gases, fuel leakage, oil leakage, ect..
• If connected devices overheat, turn them off and disconnect
them from generator.
• Shut off generator if:
-electrical output is lost;
-equipment sparks, smokes, or emits flames;
-unit vibrates excessively.
Improper treatment of generator can damage it and
shorten its life.
CAUTION
• Install the fuel supply system according to applicable fuel-gas
codes.
• Before placing the Home Standby Generator into service, the
fuel system lines must be properly purged and leak tested.
• After the generator is installed, you should inspect the fuel
system periodically.
• NO leakage is permitted.
• DO NOT operate engine if smell of fuel is present or other
explosive conditions exist.
• DO NOT smoke around the generator.Wipe up any oil spills
immediately. Ensure that no combustible materials are left in
the generator compartment. Keep the area near the generator
clean and free of debris.
Propane and Natural Gas are extremely
flammable and explosive.
Fire or explosion can cause severe burns or
death.
WARNING
• When using generator for backup power, notify utility
company.
• DO NOT touch bare wires or receptacles.
• DO NOT use generator with electrical cords which are worn,
frayed, bare or otherwise damaged.
• DO NOT handle generator or electrical cords while standing
in water, while barefoot, or while hands or feet are wet.
• If you must work around a unit while it is operating, stand on
an insulated dry surface to reduce shock hazard.
• DO NOT allow unqualified persons or children to operate or
service generator.
• In case of an accident caused by electrical shock, immediately
shut down the source of electrical power and contact the
local authorities. Avoid direct contact with the victim.
• Before performing any maintenance on the generator,
disconnect the battery cable indicated by a NEGATIVE,
NEG or (-) first.When finished, reconnect that cable last.
• After your Home Standby Generator is installed, the
generator may crank and start without warning any time there
is a power failure.To prevent possible injury, always set the
AUTO/OFF/MANUAL switch to OFF, remove the service
disconnect from the disconnect box AND remove the
15 Amp fuse BEFORE working on the equipment.
Generator produces powerful voltage.
Failure to properly ground generator can result
in electrocution.
Failure to isolate generator from power utility
can result in death or injury to electric utility
workers due to backfeed of electrical energy.
WARNING

5
Briggs & Stratton Power Products Home Standby Generator
Installation, Start-Up and Owner’s Manual
SAVE THESE
INSTRUCTIONS
This manual contains important instructions that should be
followed during installation and maintenance of the
generator and battery.
INTRODUCTION
Thank you for your purchase of a Briggs & Stratton Home
Standby Generator.This product is intended for use as an
optional standby system which provides an alternate source
of electric power and to serve loads such as heating,
refrigeration systems, and communication systems that, when
stopped during any power outage, could cause discomfort or
the like.This product DOES NOT qualify for emergency
standby as defined by NFPA 70 (NEC).
This manual is an important document and should be
retained by the owner after installation has been completed.
This manual contains installation, startup and adjustment
instructions for a Home Standby Generator that supplies
120/240 Volt, single phase, 60Hz devices.The Home Standby
Generator may be operated on LP or natural gas fuel.
Every effort has been made to ensure that the information in
this manual is both accurate and current. However, the
manufacturer reserves the right to change, alter or otherwise
improve the generator at any time without prior notice.
Briggs and Stratton has made every effort to provide for a
safe, streamlined and cost-effective installation. Because
each installation is unique, it is impossible to know of and
advise the trade of all conceivable procedures and methods
by which installation might be achieved. Neither could we
know of possible hazards and/or the results of each
method or procedure. For these reasons,
Only current licensed electrical and
plumbing contractors should attempt
Home Standby Generator installations.
Installations must strictly comply with
all applicable codes, industry standards
and regulations.
CUSTOMER
RESPONSIBILITIES
• Read and follow the instructions given in this manual,
especially the section regarding selecting essential circuits.
• Follow a regular schedule in maintaining, caring for and
using your Home Standby Generator, as specified in this
manual.
INSTALLER
RESPONSIBILITIES
• Read and observe the safety rules.
• Read and follow the instructions given in this manual.
IMPORTANT: If operating the generator below 10°F,
a battery warmer MUST be installed. They are available
at your local servicing dealer.
INSTALLATION
ASSISTANCE
For the Home Owner:
To help you make informed choices and communicate
effectively with your installation contractor(s),
Read and understand the
Owner Orientation Section of this manual
BEFORE contracting or starting
your Home Standby Generator installation.
To arrange for proper installation, contact the store at
which you purchased your Briggs & Stratton Home Standby
Generator, your dealer, a licensed electrician or your utility
power provider.
The Home Standby Generator Warranty is VOID
unless the generator is installed by licensed
electrical and plumbing professionals.
For the Installing Dealer/Contractor:
For most applications, this manual contains all the
information required to properly install and start the
Home Standby Generator.This manual also describes
essential circuit selection, routine operation and owner
maintenance procedures.
If you need more information, call 1-800-743-4115,
between 8:00 AM and 5:00 PM CT.
The Emission Control System for this generator is
warranted for standards set by the U.S. Environmental
Protection Agency and by the California Air Resources
Board (CARB).

6
Briggs & Stratton Power Products Home Standby Generator
Installation, Start-Up and Owner’s Manual
KNOW YOUR HOME STANDBY GENERATOR
Read this owner’s manual and safety rules before operating your generator.
Compare the illustrations with your generator to familiarize yourself with the locations of various controls and
adjustments. Save this manual for future reference.
Air Cleaner — Uses a dry type filter element and foam
precleaner to protect engine by filtering dust and debris out
of intake air..
Battery — 12 Volt DC, 33 Amp-Hour, valve regulated,
sealed battery provides power to start engine. Battery
receives trickle charge whenever generator is not running.
Control Panel — Used for various operation and
maintenance functions. See “KNOW YOUR CONTROL
PANEL” on next page.
Disconnect Box — Convenient junction box for you to
disconnect utility input.
Engine Label (stamped on top of valve cover) —
Identifies engine model and type.
Exhaust Port — High-performance muffler lowers engine
noise to comply with most residential codes.
Fuel Inlet — Attach appropriate fuel supply to generator
here.
Lifting Pocket — Provided at each corner for lifting
generator.
Oil Fill Cap/Dipstick — Check and fill engine with
recommended oil here.
Oil Drain Hose — Provided to facilitate oil changing.
Oil Filter — Filters engine oil to prolong generator life.
Unit Data Decal — Identifies unit by serial number.
Air Cleaner
Oil
Filter
Unit Data
Decal
Exhaust
Port
Oil Fill
Cap/DipStick
Fuel Inlet
Control Panel
(see page 7)
Battery
Oil Drain Hose
Engine Label
Disconnect Box
Generator is shown with roof, plastic
access door and control panel door
removed for clarity
Lifting Pocket

7
Briggs & Stratton Power Products Home Standby Generator
Installation, Start-Up and Owner’s Manual
KNOW YOUR CONTROL PANEL
Compare this Control Panel illustration with your generator to familiarize yourself with the location of these important
controls:
Circuit Breaker
LED Light
START/RUN/STOP
Switch
15 Amp Fuse
15 Amp Fuse — Protects the Home Standby Generator
DC control circuits. If the fuse has melted open or was
removed, the engine cannot crank or start. Replace the fuse
using only an identical BUSS AGC 15A fuse.
START/RUN/STOP Switch — This three-position
switch is used as follows:
•“START” position starts the generator.
•“RUN” position is the normal operating mode.Allows
you to start generator from a remote switch.
•“STOP” position turns off generator.
Circuit Breaker — Protects the system from over-
current conditions and must be in the “On” position to
supply power to the Transfer Switch.
LED Light — Indicates when generator is running or off.
Circuit Breaker START/RUN/STOP 15 Amp
Fuse

8
Briggs & Stratton Power Products Home Standby Generator
Installation, Start-Up and Owner’s Manual
OWNER ORIENTATION
This section provides the Home Standby Generator owner
with the information necessary to achieve the most
satisfactory and cost effective installation possible.
The illustrations are for typical circumstances and are
meant to familiarize you with the installation options
available with the Home Standby Generator.A thorough
understanding of these options will provide fundamental
control over the cost of installation, as well as ensure final
satisfaction and security.
Federal and local codes, appearance, noise levels, fuel types,
and distances are the factors that must be considered when
negotiating with an installation professional.As the distance
from the existing electrical service and gaseous fuel supply
increases, so must the piping and wiring materials.This is
necessary to comply with local codes, overcome electrical
voltage drops and gaseous fuel pressure drops.
The factors mentioned above will have a direct
affect on the overall price of your Home Standby
Generator installation.
NOTE: In some areas you may need to acquire electrical
permits for installing the Home Standby Generator, building
permits for installing gas lines, and permits for noise
allowances.Your installer should check your local codes
AND obtain the permits before installing the generator.
Fuel Factors
An important consideration affecting the entire installation
is the type of fuel used by your Home Standby Generator.
The generator was factory tested and adjusted using
natural gas as a fuel. Liquid propane (LP) may also be used
as fuel by installing the included conversion kit.
For proper generator performance, the following fuel
guidelines are recommended:
In engines set up to run on propane (LP) gas, commercial
grade HD5 propane with a minimum fuel energy of
2500 BTUs/ft3 with maximum propylene content of
5% and butane and heavier gas content of 2.5% and
minimum propane content of 90%.
Power Decrease at High Altitude or High
Temperature
Air density is less at high altitudes, resulting in less available
engine power. Specifically, engine power will decrease 3.5%
for each 1,000 feet (300 meters) above sea level and 1% for
each 10° F (5.6°C) above 77°F (25°C). Make sure you and
your installer consider these factors when determining
total generator load.
INSTALLATION
PROCEDURES
Unpacking Precautions
The unit is shipped bolted to its mounting pad, ready for
installation.Avoid damage from dropping, bumping, collision,
etc. Store and unpack carton with the proper side up, as
noted on the shipping carton.
Delivery Inspection
After removing the carton, carefully inspect the Home
Standby Generator for any damage that may have occurred
during shipment.
IMPORTANT: If loss or damage is noted at time of
delivery, have the person(s) making delivery note all damage
on the freight bill and affix his signature under the
consignor's memo of loss or damage. If loss or damage is
noted after delivery, separate the damaged materials and
contact the carrier for claim procedures. Missing or
damaged parts are not warranted.
Approved Transfer Switches
The Home Standby Generator should be used ONLY with
Briggs & Stratton Power Products UL approved Transfer
Switches. Connection to any other transfer switch will void
your generator warranty.
• The Home Standby Generator is equipped with an automatic
safety gas “fuel shut-off” valve.
• DO NOT operate the equipment if the “fuel shut-off” valve is
missing or inoperative.
Propane and Natural Gas are extremely
flammable and explosive.
Fire or explosion can cause severe burns or
death.
WARNING

9
Briggs & Stratton Power Products Home Standby Generator
Installation, Start-Up and Owner’s Manual
Shipment Contents
The Home Standby Generator is supplied with:
• Home Standby Generator
• Pre-attached mounting pad
• One 24” flexible hook-up hose
• Installation, start-up and owner’s manual
• Installation checklist
• Remote start switch with LED
• Oil drain tray
• Touch-up paint
• One spare 15A fuse
• LP conversion kit
• Roof hardware bag
Lifting the Generator
CAUTION! The generator weighs more than 280 pounds.
Proper tools, equipment and qualified personnel should be
used in all phases of handling and moving generator.
CAUTION! DO NOT lift unit by roof as damage to
generator will occur.
Lifting pockets are provided at each corner between the
base of the generator and its mounting pad. Retouch any
chipped paint with supplied touch-up paint.
Home Standby Generator Location
Before installing generator, consult with homeowner and
convey the following guidelines which may affect the
desired location.
Generator Clearances
The generator enclosure must be at least 5 ft. (152 cm)
from structures having combustible walls and/or other
combustible materials. Leave at least 3 ft. (92 cm) all around
the enclosure including the roof, for adequate cooling,
generator maintenance and servicing.
Place generator in a well ventilated area, which will allow
for removal of deadly exhaust gas. DO NOT install
generator where exhaust gas could accumulate and enter
inside or be drawn into a potentially occupied building.
Ensure exhaust gas is kept away from any windows, doors,
ventilation intakes or other openings that can allow exhaust
gas to collect in a confined area (Figure 1). Prevailing winds
and air currents should be taken into consideration when
positioning generator.
General Location Guidelines
• Install the unit outdoors ONLY.
• Place the unit in a prepared location that is flat and has
provisions for water drainage.
• Install the unit where air inlet and outlet openings will
not become obstructed by leaves, grass, snow, etc. If
prevailing winds will cause blowing or drifting, you may
need to construct a windbreak to protect the unit.
• Install the generator as close as possible to the Transfer
Switch to reduce the length of wiring and conduit.
• Install the generator as close as possible to the fuel
supply to reduce length of pipes.
IMPORTANT: Laws or local codes may regulate the
distance to the fuel supply.
The Home Standby Generator is shipped already attached
to its mounting pad. Unless mandated by local code, a
concrete slab is not required.
If mandated by local code, construct a concrete slab at least
3 inches thick and 6 inches longer and wider than the unit.
Attach unit to slab with 1/4” diameter (minimum) masonry
anchor bolts long enough to retain the unit.
Figure 1 — Home Standby Generator Clearances
Exhaust
Port
• Operate generator ONLY outdoors.
• Keep exhaust gas from entering a confined area through
windows, doors, ventilation intakes or other openings.
Running generator gives off carbon monoxide,
an odorless, colorless, poison gas.
Breathing carbon monoxide will cause nausea,
fainting or death.
WARNING

10
Briggs & Stratton Power Products Home Standby Generator
Installation, Start-Up and Owner’s Manual
Essential Circuits
Consult with owner to clearly identify the circuits in
building that are "essential".
It is important that you understand which circuits the
owner wants to include as "Essential Circuits". Depending
on the power consumed by these circuits, most or all of
them can be switched to the Home Standby Generator for
the duration of normal power interruption.
The wattage reference guide shown in Figure 2 will assist
the owner with their decision-making process. It provides
the wattage used by many ordinary household devices. Use
it as a guide when selecting essential circuits. Review this
information with the owner and convey any technical
considerations that might affect the cost of installation.
Essential Circuit Selection
When selecting the essential circuits that will be switched to
“Standby Power,” it is important that the sum of the combined
circuit loads does not exceed the wattage/amperage capacity
of the generator.To help you with your selection of essential
circuits, please consider the following:
Add up the total wattage of all electrical devices to be
connected at one time.This total should NOT be
greater than the generator’s wattage capacity.
The rated wattage of lights can be taken from light bulbs.
The rated wattage of tools, appliances and motors can
usually be found on a data plate or decal affixed to the
device.
If the appliance, tool or motor does not give wattage,
multiply volts times the ampere rating to determine
watts (Volts x Amps = Watts).
Some electric motors (induction types) require about
three times more watts of power for starting than for
running.This surge lasts for only a few seconds. Be sure
you allow for this high starting wattage when selecting
electrical devices that will be energized by the Home
Standby Generator:
• Figure the watts required to start the largest motor.
• Add that to the total running watts of all other
connected loads.
This Briggs & Stratton Home Standby Generator
complies with the following “stationary standby
power rating”:
The standby power rating is applicable for supplying power
for the duration of normal power interruption. NO
sustained overload capability is available for this rating.
Device
Running
Watts
Air Conditioner (12,000 Btu)*
1700
Air Conditioner (24,000 Btu)*
3800
Air Conditioner (40,000 Btu)*
6000
Battery Charger (20 Amp)
500
Circular Saw (6-1/2")
800 to 1000
Clothes Dryer (Electric)*
5750
Clothes Dryer (Gas)*
700
Clothes Washer*
1150
Coffee Maker
1750
Compressor (1 HP)*
2000
Compressor (1/2 HP)*
1400
Compressor (3/4 HP)*
1800
Curling Iron
700
Dehumidifier*
650
Electric Blanket
400
Electric Range (per element)
1500
Electric Skillet
1250
Freezer*
700
Furnace Fan (3/5 HP)*
875
Garage Door Opener*
500 to 750
Hair Dryer
1200
Hand Drill
250 to 1100
Iron
1200
Jet Pump*
800
Light Bulb
100
Microwave Oven
700 to 1000
Milk Cooler*
1100
Oil Burner on Furnace
300
Oil Fired Space Heater (140,000 Btu)
400
Oil Fired Space Heater (30,000 Btu)
150
Oil Fired Space Heater (85,000 Btu)
225
Radio
50 to 200
Refrigerator
700
Slow Cooker
200
Submersible Pump (1 HP)*
2000
Submersible Pump (1/2 HP)*
1500
Submersible Pump (1-1/2 HP)*
2800
Sump Pump*
800 to 1050
Table Saw (10")*
1750 to 2000
Television
200 to 500
Toaster
1000 to 1650
Figure 2 — Wattage Reference Guide
*Allow three (3) times listed watts for starting device

11
Briggs & Stratton Power Products Home Standby Generator
Installation, Start-Up and Owner’s Manual
This rating is applicable to installations served by a
reliable normal utility source.This rating is only applicable
to variable loads with an average load factor of 80% of
the standby rating.The standby rating is only applicable
for optional standby power where the generator set
serves as the backup to the normal utility source.
Use the “Wattage Reference Guide” provided and mark
those circuits you consider “critical” or “essential”. Make
sure you and your installer consider the generator’s
altitude above sea level and the ambient temperature range
when determining total generator load.
Disconnect Box Mounting Guidelines
The disconnect box is a NEMA Type 3R enclosure suitable
for outdoor use.
Guidelines for mounting the disconnect box include:
• The disconnect box must be installed with appropriate
hardware for conduit connections.
• Install disconnect box on a firm, sturdy supporting
structure, making sure it is level and plumb.
• NEVER install disconnect box where any corrosive
substance might drip onto enclosure.
• Protect disconnect box at all times against excessive
moisture, dust, dirt, lint, construction grit and corrosive
vapors.
The typical installation of the disconnect box is depicted in
Figure 3. Discuss layout suggestions/changes with owner
before beginning installation process.
Fuel Inlet Dimensions
Figure 4, below, depicts the location of the fuel piping
connector.
Removable Roof and Access Door
The Home Standby Generator is equipped with an
enclosure that has a removable roof and an access door for
the control panel.
To Remove Roof:
Remove the four screws and lift off.
To Remove Access Door:
1. Remove roof as described above.
2. Remove screw at top of access door.
3. Pull access door outward (away) from unit while
pulling door upward and out of base. Door will come
free of generator enclosure.
To Install Access Door and Roof:
1. Guide bottom of access door into base.
2. Push access door until it is flush with sides.
3. Replace door screw.
4. Replace roof and screws.
Figure 4 — Generator Fuel Attachment Location
3/4” NPT
Fuel Piping
Connector
4.5”
13.5”
Figure 3 — Typical Disconnect Box Mounting

12
Briggs & Stratton Power Products Home Standby Generator
Installation, Start-Up and Owner’s Manual
THE GASEOUS FUEL
SYSTEM
Consult with the Home Standby Generator owner(s) and
convey any technical considerations that might affect their
installation plans before applying these general guidelines.
The following general rules apply to gaseous fuel system
piping:
• The piping should be of a material that conforms to
federal and local codes, rigidly mounted and protected
against vibration.
• Install flexible gaseous pipe (supplied) between the Home
Standby Generator fuel inlet port and rigid piping.
• Piping must be of the correct size to maintain the
required supply pressures and volume flow under varying
conditions.
• Use an approved pipe sealant or joint compound on all
threaded fittings to reduce the possibility of leakage.
• Installed piping must be properly purged and leak tested,
in accordance with applicable codes and standards.
Consider the following factors when planning to
install the fuel supply system:
The Home Standby Generator engine is fitted with a fuel
mixer system that meets the specifications of the California
Air Resources Board for “tamper-proof” dual fuel systems.
The unit will run on natural gas or liquid propane.
• A minimum of one manual shutoff valve should be placed
in the fuel supply line and located outside the building to
facilitate servicing the generator.
• Natural gas fuel supply pressure at the generator's fuel
inlet port should be between 5 to 7 inches of water (in.
W.C.) at full load. LP fuel supply pressure should be 11 to
14 inches of water (in.W.C.) at full load.
The Home Standby Generator unit has been
factory set to run on natural gas. If you need to
change from natural gas to LP gas, the unit will need to be
reconfigured, as described on page 18.
It is recommended that the fuel connection incorporate
the following components:
• A manual fuel shut-off valve located in the interior of the
building.
• A manual fuel shut-off valve located outside the building,
just before the generator unit.
• The termination of hard piping should include a sediment
trap.
• A manometer port should be provided.
• The entire flexible gaseous pipe must be visible for periodic
inspection and must not be concealed within, contact, or run
through any wall, floor, or partition.
The supplied flexible gaseous pipe is not to be installed
underground or in contact with the ground.
CAUTION
The information provided below is to assist
gaseous fuel system technicians in planning
installations. In no wayshould this information
be interpreted to conflict with applicable fuel gas
codes. Consult with your local fuel supplier or
Fire Marshall if questions or problems arise.
• LP gas is heavier than air and will settle in low areas.
• Natural gas is lighter than air and will collect in high areas.
• The slightest spark can ignite these fuels and cause an explosion.
Propane and Natural Gas are extremely
flammable and explosive.
Fire or explosion can cause severe burns or
death.
WARNING

The manometer port permits temporary installation of a
manometer (Figure 5), to ensure that the engine receives
the correct fuel pressure to operate efficiently throughout
its operating range.
NOTE: A digital manometer, P/N 19495, is available at your
local Briggs and Stratton Power Products service center.
When the initial test runs are completed, the manometer is
removed and the port is plugged.A typical final fuel
connection assembly is shown in Figure 6.
Fuel Consumption
See Figure 7 for fuel supply requirements at half and full
load for both natural gas and LP vapor.
13
Briggs & Stratton Power Products Home Standby Generator
Installation, Start-Up and Owner’s Manual
• Before placing the Home Standby Generator into service, the
fuel system lines must be properly purged and leak tested.
• NO leakage is permitted.
Propane and Natural Gas are extremely
flammable and explosive.
Fire or explosion can cause severe burns or
death.
WARNING
Figure 6 — Completed Fuel Connections
From Fuel
Supply Line
To Home
Standby Generator
Figure 5 — Temporary Manometer Installed
Natural Gas* LP Vapor**
1/2 Load Full Load 1/2 Load Full Load
80 137 33 56
* = Natural Gas is in cubic feet per hour
** = LP Vapor is in cubic feet per hour
Figure 7 — Fuel Supply Requirements

14
Briggs & Stratton Power Products Home Standby Generator
Installation, Start-Up and Owner’s Manual
Fuel Pipe Sizing
Figures 8 and 9 provide the maximum capacity of pipe in
cubic feet of gas per hour for gas pressures of 0.5 psi or
less and a pressure drop of 0.3 in. water column. Specific
gravity of gas is shown.
Listed values compensate for a nominal amount of
restriction from bends, fittings, etc. If an unusual number of
fittings, bends, or other restrictions are used, please refer
to federal and local codes.
NPT 10ft 15ft 20ft 30ft 40ft 50ft 60ft 70ft 80ft 90ft 100ft
1/2” 168 146 115 93 79 70 63 59 55 51 48
3/4” 346 293 240 192 163 145 132 120 113 106 99
1” 653 549 446 360 307 274 250 230 211 197 187
Natural Gas (sg=0.65)
NPT 10ft 15ft 20ft 30ft 40ft 50ft 60ft 70ft 80ft 90ft 100ft
1/2” 110 96 76 61 52 46 42 38 36 33 32
3/4” 277 192 158 126 107 95 87 79 74 69 65
1” 428 360 293 236 202 180 164 151 139 129 123
Liquid Propane (LP) (sg=1.50)
Figure 8 — NATURAL GAS (NG) Pipe Size - Gas Flow Chart, in cubic feet per hour
Figure 9 — LIQUID PROPANE (LP) GAS Pipe Size - Gas Flow Chart, in cubic feet per hour

15
Briggs & Stratton Power Products Home Standby Generator
Installation, Start-Up and Owner’s Manual
Fuel Comparison Chart
* LHV (Low Heat Value) is the more realistic rating.
** Gross Heat Value does not consider heat lost in the form of water during combustion.
*** Density is given in "Cubic Feet of Gas per Gallon of Liquid".
† Weight is given in "Pounds per Gallon of Liquid".
Size of Propane Tank Required at Various Temperatures When Kept at Least
Half Full
Given the gas withdrawal rate and the lowest average winter temperature, an installer can specify the required LP storage
tank size:
Physical Properties
Propane
Natural Gas
Normal Atmospheric State
Gas
Gas
Boiling Point (in °F):
Initial
-44
-259
End
-44
-259
Heating Value:
BTU per gallon (Net LHV*)
83,340
63,310
BTU per Gallon (Gross**)
91,547
Cubic Feet (Gas)
2,516
1,000
Density***
36.39
57.75
Weight†
4.24
2.65
Octane Number:
Research
110+
110+
Motor
97
Fuel Comparison Chart
Withdrawal Rate
32°F
20°F
10°F
0°F
-10°F
-30°F
-40°F
50 CFH
115
115
115
250
250
400
600
100 CFH
250
250
250
400
500
1000
1500
150 CFH
300
400
500
500
1000
1500
2500
200 CFH
400
500
750
1000
1200
2000
2500
300 CFH
750
1000
1500
2000
2500
4000
5000
Required Propane Tank Size (Lowest Average Winter Temperature), in Gallons

16
Briggs & Stratton Power Products Home Standby Generator
Installation, Start-Up and Owner’s Manual
WIRE CONNECTIONS
Recommended Torque Values
Torque all wire connections/fasteners to values
recommended in Figure 10. Suitable for copper wire of
60°/75°C rating.
Generator AC Connection System
A single-phase, three-wire AC connection system is used in
the Home Standby Generator.The stator assembly consists
of a pair of stationary windings with two leads brought out
of each winding.The junction of leads 22 and 33 forms the
neutral lead.A complete schematic and wiring diagram can
be found on pages 24-25.
NOTE: Neutral is not bonded to ground at generator.
Grounding the Generator
Installer-supplied stranded copper wire is connected to the
generator GND lug and routed through conduit to the
Transfer Switch GND. Continue the wire through conduit
to the main distribution panel ground bus.
Generator Control Circuit
Connection
Control circuit interconnections consist of "240V AC Utility"
leads.These two leads must be routed in minimum 3/4”
conduit. Control lead functions are briefly described as follows:
• Leads deliver utility power to generator’s circuit board,
oil heater, optional battery warmer and charge the
battery.
Using installer-supplied minimum 300V, 16 AWG stranded
copper wire, connect control circuit terminals in the
control panel to the Transfer Switch.
Remote Start Switch with LED
The light on the remote start switch plate is referred to as
the LED.The LED will light indicating the generator has
started when pushing the start switch.A mounting plate is
supplied so that it can be installed at a convenient indoor
location.The owner will use it to observe the status of the
Home Standby Generator. Consult with the owner for a
convenient location.
To install the remote start switch plate:
• Mount installer-supplied electrical box to wall.
• Using installer-supplied wire, connect the remote start
switch and the “Remote Status Light” leads to the
control panel terminal strip.
NOTE: LED leads are polarity sensitive.
• Attach mounting plate to electrical box.
BEFORE INITIAL START-UP
Engine Oil
This engine is shipped from the factory filled with the
recommended oil. Before starting the engine, check oil level
and ensure that engine is serviced as described in the
engine owner’s manual.
Oil Considerations
Your Home Standby Generator is equipped with an engine
that has been pre-run at the factory and does not require
the traditional “break-in” procedure.
The generator is filled with synthetic oil (API SJ/CF 5W-
30W).This allows for generator operation in the widest
range of temperature and climate conditions.
NOTE: The use of synthetic oil DOES NOT alter the
required oil change intervals described in the engine
owner’s manual.
CAUTION
• Refer to engine manual for oil fill information.
• Damage to equipment resulting from failure to follow this
instruction will void warranty.
Any attempt to crank or start the engine before it has
been properly serviced with the recommended oil will
result in equipment failure.
CONNECTIONS: Torque Value
In Main Distribution Panel:
Refer to panel manufacturer specs
In Control Panel:
240V AC Utility 18 in-lb
Engine Start 5 in-lb
Engine Stop 5 in-lb
Remote Status 5 in-lb
Breaker 20 in-lb
Ground 35 in-lb
Circuit Breakers:
Refer to circuit breaker manufacturer specs
Figure 10 — Recommended Torque Values

17
Briggs & Stratton Power Products Home Standby Generator
Installation, Start-Up and Owner’s Manual
Battery Connection
The Home Standby Generator is supplied with a 12Volt
DC,AGM type, 33 Amp-Hour, valve regulated battery. It is a
sealed, lead-acid rechargeable battery. It is installed in the
unit and the battery cables are connected at the factory.The
unit’s 15 Amp fuse, which isolates the battery and prevents
the unit from starting, has been removed for shipping.The
battery will lose some charge charge prior to installation of
the generator. If battery voltage is below 12Volts, charge the
battery.
IMPORTANT: If battery voltage is below 5 Volts, it may
not take a charge and you will need a new battery.
Charging the Battery
If it is necessary to charge the battery, proceed as follows:
1. Pull service disconnect from disconnect box.
2. Remove the 15 Amp fuse from the control panel.
3. Disconnect the negative battery cable to the negative
battery terminal (indicated by NEGATIVE, NEG, or (-).
4. Charge battery with battery charger at 2 Amps until
battery holds 12 Volts.
NOTE: With the battery installed and utility power
available to the Automatic Transfer Switch, the battery
receives a trickle charge whenever the engine is not
running.This process may take up to 72 hours to fully
charge a battery from 5 Volts.The trickle charge cannot be
used to recharge a battery that is completely discharged.
5. Connect the negative battery cable to the negative
battery terminal (indicated by NEGATIVE, NEG, or (-).
6. Ensure hardware on both positive and negative battery
terminals is secure.
7. Reinstall the 15 Amp fuse in the control panel.
8. Reinstall service disconnect in disconnect box.
Servicing the Battery
If it is necessary to service the battery, proceed as follows:
1. Pull service disconnect from disconnect box.
2. Remove the 15 Amp fuse from the control panel.
3. Service or replace battery as required.
4. Connect the red battery cable to the battery positive
terminal (indicated by POSITIVE,POS, or (+).
5. Connect the negative battery cable to the negative
battery terminal (indicated by NEGATIVE, NEG, or (-).
6. Ensure hardware on both positive and negative battery
terminals is secure.
7. Reinstall the 15 Amp fuse in the control panel.
8. Reinstall service disconnect in disconnect box.
Fuel Supply System
Ensure that all fuel pipe connections are tight, secure and
without leaks.
Ensure that all gas line shutoff valves are OPEN and that
adequate fuel pressure is available whenever automatic
operation is desired.
• DO NOT install the 15 Amp fuse until all plumbing and wiring
has been completed and inspected.
Installing the 15A fuse could cause the engine to start.
CAUTION
• DO NOT dispose of battery in a fire.
• DO NOT allow any open flame, spark, heat, or lit cigarette
during and for several minutes after charging a battery.
• DO NOT open or mutilate the battery.
• Wear protective goggles, rubber apron, and rubber gloves.
• Remove watches, rings, or other metal objects.
• Use tools with insulated handles.
Storage batteries give off explosive hydrogen gas
during recharging.
Slightest spark will ignite hydrogen and cause
explosion.
Battery electrolyte fluid contains acid and is
extremely caustic.
Contact with battery contents will cause severe
chemical burns.
A battery presents a risk of electrical shock and
high short circuit current.
DANGER
CAUTION
• DO NOT attempt to jump start the battery.
• Damage to equipment resulting from failure to follow this
instruction will void warranty.
Failure to disconnect negative battery cable will result
in equipment failure.

18
Briggs & Stratton Power Products Home Standby Generator
Installation, Start-Up and Owner’s Manual
FUEL SYSTEM SELECTION
The engine of your Home Standby Generator is factory
calibrated to run on natural gas (NG). It may also be
operated on liquid propane (LP).
To configure the fuel system for LP use:
1. LP fuel inlet pressure must be between 11 and
14 inches water column.
2. Pull service disconnect from disconnect box.
3. Remove 15 Amp fuse from control panel.
4. Change main jet in fuel mixer following instruction
sheet provided in LP conversion kit.
5. Reinstall 15 Amp fuse in control panel.
6. Reinstall service disconnect in disconnect box.
The generator is now ready to operate using LP fuel.With
a fixed main jet for LP gas, there is no need to perform any
engine adjustments for LP operation.
INITIAL START-UP (NO LOAD)
Begin testing the generator without any electrical loads
connected, as follows:
1. Set generator’s main circuit breaker to OFF (open)
position.
2. Install 15 Amp fuse in control panel.
3. Push and hold START/RUN/STOP switch in START
position until LED comes on.
IMPORTANT: If you release the switch from the START
position before LED comes on, the generator will shut
down.
NOTE: DO NOT crank engine for more than 15 seconds,
then pause for 15 seconds to reduce heat in starter. Repeat
process until engine starts.
NOTE: When the Home Standby Generator is started for
the very first time, it will require that air in the gaseous fuel
lines be purged.This may take a few minutes.
4. Listen for unusual noises, vibration or other indications
of abnormal operation. Check for oil leaks while the
engine runs.
5. Let engine warm up for about five minutes to allow
internal temperatures to stabilize.Then, set generators
main circuit breaker to ON (or closed) position.
6. Connect an RMS AC voltmeter and a frequency meter
to check generator output at load side of circuit
breaker.Voltage should be 230-240 Volts, frequency
should be 62.0 - 62.5 Hz.
7. Check generator output between one generator
connection lug and neutral lug, then between other
generator connection lug and neutral lug. In both cases,
voltage reading should be between 115-120Volts.
8. Push and hold START/RUN/STOP switch in STOP
position until LED turns off. Engine will shut down.
INSTALLATION
INSPECTION
Before placing the Home Standby Generator into service,
inspect the entire installation carefully. Ensure that any
scratches or broken paint on the inside or outside of the
enclosure are touched up with the supplied paint.
Complete the ”Installation Checklist” as you make the
inspection. Ensure all items have been filled-in and all
signatures have been obtained. Instruct the owner to mail
the white copy to:
Briggs & Stratton Power Products
Warranty Registration
P. O. Box 1144
Milwaukee,WI 53201-1144

19
Briggs & Stratton Power Products Home Standby Generator
Installation, Start-Up and Owner’s Manual
SPECIFICATIONS
Rated Maximum Power (LP*) . . . . . . . . . . . . . . . . . .7.0 kW
Rated Maximum Load Current:
at 240 Volts . . . . . . . . . . . . . . . . . . . . . . . . . . . .29.1 Amps
at 120 Volts . . . . . . . . . . . . . . . . . . . . . . . . . . . .58.2 Amps
Rated AC Voltage . . . . . . . . . . . . . . . . . . . . . . .120/240 Volts
Rated Frequency . . . . . . . . . . . . . . . . . .60 Hz at 3600 rpm
Phase . . . . . . . . . . . . . . . . . . . . . . . . . . . . . . . . .Single Phase
Power Factor . . . . . . . . . . . . . . . . . . . . . . . . . . . . . . . . . .1.0
NG Fuel Supply Pressure . . . . . . . . . . . . . . . . . .5-7 in W.C.
LP Fuel Supply Pressure . . . . . . . . . . . . . . . . .11-14 in W.C.
Normal Operating Range -20°F (-28.8°C) to 104°F (40°C)
Output Sound Level . . .81 dB(A) at 23 ft. (7 m) at full load
Shipping Weight . . . . . . . . . . . . . . . . . . . . . . . . . . . .280 lbs.
* Natural gas rating will depend on specific fuel but typical
derating of generator is between 10 to 20% off the LP gas
rating.
SYSTEM OPERATION
To select system operation, do the following:
1. Push and hold START/RUN/STOP switch in START
position until LED comes on.
2. Refer to the transfer switch manual for proper transfer
from utility to generator.
Servicing the Generator
To service generator:
1. Remove roof by removing four screws and lifting off.
2. Remove screw at top of control panel access door.
3. Pull access door outward (away) from unit while
pulling door upward and out of base. Door will come
free of generator enclosure.
4. Pull service disconnect from disconnect box.
5. Set generator’s main circuit breaker to OFF position.
6. Remove 15A fuse from control panel.

20
Briggs & Stratton Power Products Home Standby Generator
Installation, Start-Up and Owner’s Manual
GENERATOR
MAINTENANCE
The generator warranty does not cover items that have
been subjected to operator abuse or neglect.To receive full
value from the warranty, the operator must maintain the
engine as instructed in the engine owner’s manual.
IMPORTANT: Before performing any maintenance on the
generator, be sure you follow all steps in “Servicing the
Generator” on page 19.
Generator maintenance consists of keeping the unit clean.
Operate the unit in an environment where it will not be
exposed to excessive dust, dirt, moisture or any corrosive
vapors. Cooling air louvers on the enclosure must not become
clogged with snow, leaves, or any other foreign material.
Check the cleanliness of the unit frequently and clean when
dust, dirt, oil, moisture or other foreign substances are
visible on its exterior/interior surface.
NOTE: DO NOT use direct spray from a garden hose to
clean generator.Water can enter the engine and generator
and cause problems.
Changing Engine Oil and Filter
Remove the two screws from each plastic access cover and
remove both access covers from the two sides of the
generator enclosure.
Changing Oil
1. Place oil drain tube into approved container.
2. Push in and rotate oil drain fitting 1/4 turn
counterclockwise. Slowly pull outward until oil starts
draining (Figure 11). DO NOT pull oil drain fitting off
engine.
3. When oil has drained, push oil drain fitting in and
rotate 1/4 turn clockwise until it locks in place.
4. Slide oil drain tube up into clamp on generator.
Changing Oil Filter
1. Place oil drain tray over tubing and slide it under oil
filter (Figure 12).
2. Follow instructions given in engine owner’s manual for
changing oil filter.
3. Remove oil drain tray from under oil filter and clean
up any spilled oil.
KEEP OUT OF REACH OF CHILDREN. DON'T
POLLUTE. CONSERVE RESOURCES. RETURN
USED OIL TO COLLECTION CENTERS.
To fill your engine with oil:
• Follow synthetic oil grade recommendation given in
“Engine Oil” on page 17 and oil fill instructions given in
engine owner’s manual.
Figure 11 — Oil Drain Fitting
Figure 12 — Changing Oil Filter with Oil Drain Tray
oil drain tray
• Used motor oil has been shown to cause skin cancer in
certain laboratory animals.
• Thoroughly wash exposed areas with soap and water.
Avoid prolonged or repeated skin contact with used
motor oil.
CAUTION
CAUTION
• Refer to engine manual for oil fill information.
• Damage to equipment resulting from failure to follow this
instruction will void warranty.
Any attempt to crank or start the engine before it has
been properly filled with the recommended oil will result
in equipment failure.

21
Briggs & Stratton Power Products Home Standby Generator
Installation, Start-Up and Owner’s Manual
To Clean the Generator
• Use a damp cloth to wipe exterior surfaces clean.
• Use a soft, bristle brush to loosen caked on dirt, oil, etc.
• Use a vacuum cleaner to pick up loose dirt and debris.
• Use low pressure air (not to exceed 25 psi) to blow
away dirt. Inspect cooling air slots and openings on the
generator.These openings must be kept clean and
unobstructed.
When Calling the Factory
You must have the following information at hand if it is
necessary to contact a local service center regarding
service or repair of this unit:
1. Obtain unit Model Number and Serial Number from
unit data decal. See “Know Your Home Standby
Generator” diagram for location.
2. Obtain engine Model/Type/Code numbers from engine
label. See “Know Your Home Standby Generator”
diagram for location. Please note that model number
may vary slightly from that presented herein.
STORAGE
The Briggs & Stratton Home Standby Generator is designed
for continuous backup operational duty.As such, there is no
need to take any storage precautions. However, if it
becomes necessary to take the system out of service for an
extended period, call Briggs & Stratton Technical Services at
1-800-743-4115, between 8:00 AM and 5:00 PM CT for
specific recommendations.
• DO NOT expose generator to excessive moisture, dust, dirt,
or corrosive vapors.
• DO NOT insert any objects through cooling slots.
Improper treatment of generator can damage it and
shorten its life.
CAUTION

22
Briggs & Stratton Power Products Home Standby Generator
Installation, Start-Up and Owner’s Manual
TROUBLESHOOTING
Problem Cause Correction
Engine is running, but no AC
output is available.
1. Circuit breaker open or defective.
2. Fault in generator.
3. Poor wiring connections or
defective transfer switch.
1. Reset or replace circuit breaker.
2. Contact local service facility.
3. Check and repair.
Engine runs good at no-load but
"bogs down" when loads are
connected.
1. Short circuit in a connected load.
2. Generator is overloaded.
3. Shorted generator circuit.
4. Fuel Pressure is incorrect.
5. Natural gas fuel mixture is
incorrect.
1. Disconnect shorted electrical load.
2. See "Essential Circuits".
3. Contact local service facility.
4. See "The Gaseous Fuel System".
5. See "The Gaseous Fuel System".
Engine will not start; or starts and
runs rough.
1. 15 Amp fuse missing or blown.
2. Out of fuel.
3. Battery doesn’t have enough
power to crank over generator in
cold temperatures.
4. Failed battery.
1. Install (new) 15 Amp fuse. See
“Know Your Control Panel”.
2. Open fuel valve(s); check propane
tank.
3. Install battery warmer, contact
local service facility.
4. Replace battery.
Engine shuts down during
operation.
1. Out of fuel.
2. Fault indicator blinking.
1. Check fuel valves, fill propane tank.
2. Count blinks and refer to "Fault
Detection System".
Loss of power on essential
circuits.
1. Generator circuit breaker is open.
2. Transfer switch problems.
1. Reset circuit breaker.
2. See transfer switch manual.

23
Briggs & Stratton Power Products Home Standby Generator
Installation, Start-Up and Owner’s Manual
NOTES

24
Briggs & Stratton Power Products Home Standby Generator
Installation, Start-Up and Owner’s Manual
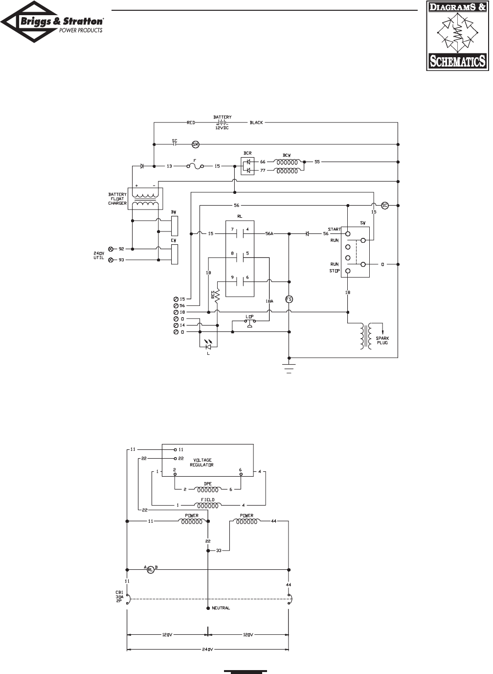
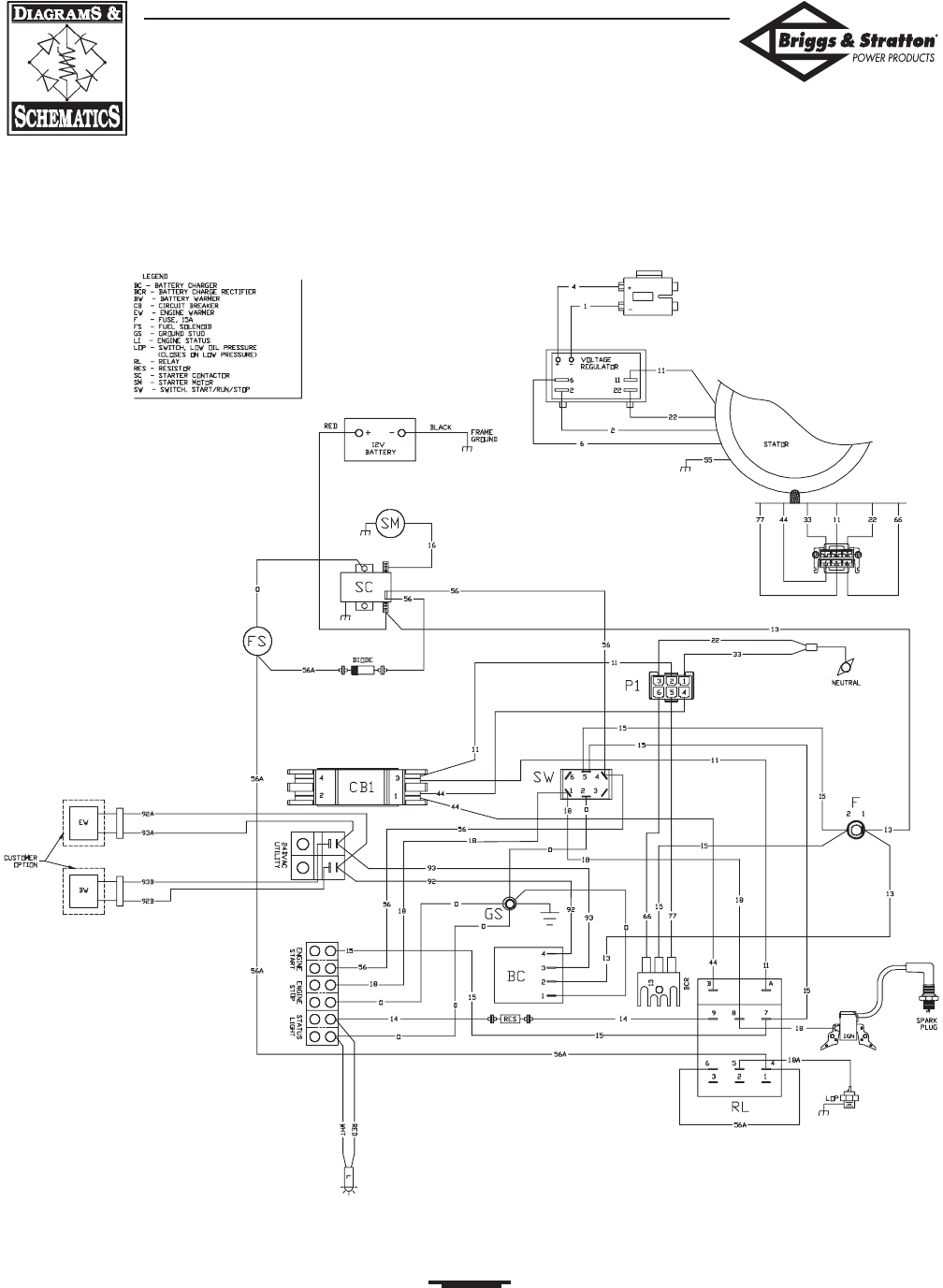
SCHEMATIC

25
Briggs & Stratton Power Products Home Standby Generator
Installation, Start-Up and Owner’s Manual
WIRING DIAGRAM

26
Briggs & Stratton Power Products Home Standby Generator
Installation, Start-Up and Owner’s Manual
EXPLODED VIEW - MAIN UNIT

27
Briggs & Stratton Power Products Home Standby Generator
Installation, Start-Up and Owner’s Manual
PARTS LIST - MAIN UNIT
Item Part # Description
1 B191860GS WELDMENT, Cradle
2 194568GS ASSY, Duct,Air Muffler
3 193536GS TRAY, Oil Drain
4 191793GS ADAPTER, Engine
5 NSP ASSY,Alternator (see page 32)
6 194728GS KIT, Hardware Mounting Adapter
7 * BOLT, Swage, 1/4 - 20 x 1/2
8 96796GS WASHER
9 193012GS SEAL, Engine Air Intake
10 75246GS SCREW, 3/8 - 16 x 1-1/4 Taptite
11 187365HGS HHCS, 5/16-24 x 9.84
12 194990GS KIT, Deflector Muffler Assy w/ Hrdwr
13 193605GS ASSY, Deflector Muffler
14 194569GS BRACKET, Muffler
15 692236 GASKET
16 83512GS SCREW, M8 1.25 x 15,Taptite
17 193064GS MUFFLER
18 698941 SCREW, Socket Head Cap
19 194159GS PIPE, Exhaust
20 195008GS KIT, Muffler Hardware
21 194209GS KIT,Vibration Mount
22 192940GS CLIP, Retainer Fuel Hose
23 * HHCS, M6 - 1.0 x 16
24 192853GS COLLAR, Inlet Air
25 186071GS VALVE, Oil Drain
26 74908GS SCREW, M5- .8 x 10 Taptite
34 192906GS COVER Bearing
35 194992GS KIT, Oil Hose w/ Clamp
48 15253621GS WIRE, Ground
49 01916 HEATER, Oil
900 § ENGINE
Items Not Illustrated
195362GS MANUAL, Owners
194089GS ASSY, Disconnect Box
190824GS FLEX HOSE
195050GS ASSY, Plate Status, Manual
MS5936 MANUAL, Engine
Optional Accessories Not Illustrated
01915 WARMER, Battery, 240 Volt
* - Items without part numbers are common fasteners and are available at local hardware stores.
§ - Contact Engine Manufacturer

28
Briggs & Stratton Power Products Home Standby Generator
Installation, Start-Up and Owner’s Manual
EXPLODED VIEW - ENCLOSURE

29
Briggs & Stratton Power Products Home Standby Generator
Installation, Start-Up and Owner’s Manual
PARTS LIST - ENCLOSURE
Item Part # Description
1 NSP PAD, Drilled, ELS
2 NSP BASE, Plate
3 195224GS PANEL, Right side
4 195226GS PANEL, Front
5 H191853GS PANEL, Left Side
6 194751GS COVER, Oil Filter Drain
7 195228GS KIT, Baffle,Air In-take w/ Seals
8 77816GS DECAL, Caution Hot Muffler
9 194793GS ASSY, Unit Cover
10 194993GS KIT,AVR Circuit Board w/ Hrdwr
11 194991GS KIT, Enclosure Hardware Bag
12 B191860GS WELDMENT, Cradle
13 * SCREW, 12-24 x 1/2 Thread Forming
14 190849GS DECAL, Logo
16 193506GS DECAL, Caution Hot Surface
17 * BOLT, Swage, 1/4 - 20 x 1/2
18 195642GS DECAL, Rainproof
48 15253621GS WIRE, Ground
* - Items without part numbers are common fasteners and are available at local hardware stores.

30
Briggs & Stratton Power Products Home Standby Generator
Installation, Start-Up and Owner’s Manual
EXPLODED VIEW - CONTROL PANEL

31
Briggs & Stratton Power Products Home Standby Generator
Installation, Start-Up and Owner’s Manual
PARTS LIST - CONTROL PANEL
Item Part # Description
1 195229GS ASSY, Control Box
2 NSP ASSY, Panel, Control
3 195225GS PANEL, Back Cover
4 B5133GS LAMP, LED
5 195555GS KIT, Battery Charge Circuit w/Clips
6 190818EGS BREAKER, Circuit, 30A
7 195212GS RELAY, Plug In
8 * SCREW, #10 x 5.8"
9 * WASHER, Shakeproof #6
10 * PPHMS, #6 - 32 x 3/8"
11 195218GS SWITCH
12 195006GS KIT, Fuse Holder w/ Fuse
13 192455GS BUSHING, Snap 5/8"
14 186173GS BUSHING, Snap 1-3/8"
15 186582GS BUSHING, Snap 7/8"
16 195007GS KIT,Wire Harness with Crimp Nut
17 * HHCS, M6 - 1.0 x 30
18 195009GS KIT, Plastic Clips
19 * SCREW, 12 -24 x 1/2 Thd Forming
20 * WASHER, Shakeproof
21 * BOLT, Swage, 1/4 - 20 x 1/2
22 193171GS WIRE-A, 6AWG, Red
23 691656 CONTACTOR, Starter
24 194659GS WIRE-A, 6AWG, Red
25 194251GS KIT, Hardware Starter Contact
26 188573AGS WIRE-A, Series w/2 Ring Lug
27 194250GS KIT, J-Bolt/Strap with Hardware
28 193347GS KIT, Battery Hardware
29 188443GS BATTERY
30 193291GS REGULATOR, Fuel
31 186151GS FITTING, Elbow, 3/4 NPT
Item Part # Description
32 186148GS HOSE, Gas, Reg. to Valve
33 186150GS FITTING, Elbow, 3/8 NPT
34 195005GS KIT, Hose, Reg to Engine w/Clamps
35 193537CGS WIRE, 18 AWG, Blue
36 192449GS FITTING, Nipple, 3/4 x 2
37 B4773GS SOLENOID, Gas Fuel
38 186345GS TERMINAL, Ground
39 186647GS DECAL,Warning, Outdoor Install
40 190992GS DECAL,Warning Electrical Shock
41 186645GS DECAL, Caution, Shock
42 65795GS RECTIFIER, Battery Charge
43 B4986GS DECAL, Ground
44 * NUT, M6 - 1.0
45 * WASHER, Lock, 1/4
46 186641GS DECAL, Operating Instructions
47 * SCREW, 10 x 32 x 1 Phillips Truss
Head
48 * WASHER, Lock, M5
49 * NUT, M5 - 0.8
50 194096GS STRIP,Terminal 6 Pole
51 * PPHS, #6-32 x 5/8
52 * WASHER, M3
53 * WASHER, Lock, M3
54 * NUT, M3 - 0.5
55 195559GS ASSY,Terminal Block
56 * PPHS, #8 - 32 x 1/4",Trilobular
57 * NUT, 1/4 - 20
58 * WASHER, Shakeproof Int. 1/4 - M6
* - Items without part numbers are common fasteners and
are available at local hardware stores.

32
Briggs & Stratton Power Products Home Standby Generator
Installation, Start-Up and Owner’s Manual
EXPLODED VIEW AND PARTS LIST - ALTERNATOR
Item Part # Description
1 186059GS ADAPTER, Mounting,Alternator
2 195430GS ROTOR
3 197304AGS STATOR
4 193336GS RBC, (with O-Ring p/n 189197GS)
5 86308KGS HHCS, M6 - 1.0 x 140 SEMS
6 66386GS ASSY, Holder, Brush
7 66849GS TAPTITE, M5 - 0.8 x 16
8 22694GS RECEPTACLE, 6 pin
9 81917GS PIN, Roll, 4mm x 10
10 193472GS HARNESS,Wire DC Charge
11 192906GS COVER, Bearing
12 74908GS SCREW, M5 - .8 x 10 Taptite

BRIGGS & STRATTON POWER PRODUCTS GROUP, LLC EQUIPMENT OWNER WARRANTY POLICY
LIMITED WARRANTY
Briggs & Stratton Power Products Group, LLC will repair or replace, free of charge, any part(s) of the equipment that is defective in material
or workmanship or both. Transportation charges on parts submitted for repair or replacement under this warranty must be borne by
purchaser. This warranty is effective for the time periods and subject to the conditions stated below. For warranty service, find the nearest
Authorized Service Dealer in our dealer locator map at www.briggspowerproducts.com.
THERE IS NO OTHER EXPRESS WARRANTY. IMPLIED WARRANTIES, INCLUDING THOSE OF MERCHANTABILITY AND FITNESS
FOR A PARTICULAR PURPOSE, ARE LIMITED TO ONE YEAR FROM PURCHASE, OR TO THE EXTENT PERMITTED BY LAW ANY
AND ALL IMPLIED WARRANTIES ARE EXCLUDED. LIABILITY FOR INCIDENTAL OR CONSEQUENTIAL DAMAGES ARE EXCLUDED
TO THE EXTENT EXCLUSION IS PERMITTED BY LAW. Some states or countries do not allow limitations on how long an implied warranty
lasts, and some states or countries do not allow the exclusion or limitation of incidental or consequential damages, so the above limitation
and exclusion may not apply to you. This warranty gives you specific legal rights and you may also have other rights which vary from state
to state or country to country.
OUR EQUIPMENT*
OUTBOARD
MOTOR PRESSURE
WASHER WATER PUMP
(Not available in the
USA)
PORTABLE
GENERATOR
WELDER LLeessss tthhaann 1100 KKWW1100 KKWW oorr ggrreeaatteerrTTrraannssffeerr sswwiittcchh
2 years
none
1 year
90 days
1 year
90 days
2 years
1 year
2 years
none
3 years or
1500 hours
none
3 years
none
WARRANTY PERIOD**
HOME STANDBY GENERATOR SYSTEM
Consumer Use
Commercial Use
* The engine and starting batteries are warranted solely by the manufacturers of those products.
** 2 years for all consumer products in the European Union. Parts only on 2nd year for consumer use of Portable Generator and
Home Standby Generator System - Less than 10 KW, outside of European Union.
The warranty period begins on the date of purchase by the first retail consumer or commercial end user, and continues for the period of time
stated in the table above. “Consumer use" means personal residential household use by a retail consumer. “Commercial use" means all other
uses, including use for commercial, income producing or rental purposes. Once equipment has experienced commercial use, it shall thereafter
be considered as commercial use for purposes of this warranty. Equipment used for prime power in place of utility are not applicable to
this warranty. Electric powered pressure washers used for commercial purposes are not warranted.
NO WARRANTY REGISTRATION IS NECESSARY TO OBTAIN WARRANTY ON BRIGGS & STRATTON PRODUCTS. SAVE YOUR
PROOF OF PURCHASE RECEIPT. IF YOU DO NOT PROVIDE PROOF OF THE INITIAL PURCHASE DATE AT THE TIME WARRANTY
SERVICE IS REQUESTED, THE MANUFACTURING DATE OF THE PRODUCT WILL BE USED TO DETERMINE THE WARRANTY
PERIOD.
ABOUT YOUR WARRANTY
We welcome warranty repair and apologize to you for being inconvenienced. Any Authorized Service Dealer may perform warranty repairs. Most
warranty repairs are handled routinely, but sometimes requests for warranty service may not be appropriate. For example, warranty service would not
apply if equipment damage occurred because of misuse, lack of routine maintenance, shipping, handling, warehousing or improper installation.
Similarly, the warranty is void if the manufacturing date or the serial number on the equipment has been removed or the equipment has been altered
or modified. During the warranty period, the Authorized Service Dealer, at its option, will repair or replace any part that, upon examination, is found to
be defective under normal use and service. This warranty will not cover the following repairs and equipment:
•Normal Wear: Outdoor Power Equipment, like all mechanical devices, needs periodic parts and service to perform well. This warranty does not
cover repair when normal use has exhausted the life of a part or the equipment.
•Installation and Maintenance: This warranty does not apply to equipment or parts that have been subjected to improper or unauthorized
installation or alteration and modification, misuse, negligence, accident, overloading, overspeeding, improper maintenance, repair or storage so as,
in our judgment, to adversely affect its performance and reliability. This warranty also does not cover normal maintenance such as adjustments,
fuel system cleaning and obstruction (due to chemical, dirt, carbon, lime, etc.).
•Other Exclusions: This warranty excludes wear items such as quick couplers, oil gauges, belts, o-rings, filters, pump packing, etc., pumps that
have been run without water supplied or damage or malfunctions resulting from accidents, abuse, modifications, alterations, or improper servicing
or freezing or chemical deterioration. Accessory parts such as guns, hoses, wands and nozzles are excluded from the product warranty. This
warranty excludes failures due to acts of God and other force majeure events beyond the manufacturers control. Also excluded is used,
reconditioned, and demonstration equipment; equipment used for prime power in place of utility power and equipment used in life support
applications.
BRIGGS & STRATTON POWER PRODUCTS GROUP, LLC
JEFFERSON, WI, USA
Effective September 1, 2004 replaces all undated Warranties and all Warranties dated before September 1, 2004

Generador de Reserva Doméstico de Briggs & Stratton Power Products
Manual de Instalación,Arranque y Propietario
34
TABLA DE CONTENIDO. . . . . . . . . . . . . . . . . . . . . . . . . . . . . . 34
INSTRUCCIONES IMPORTANTES DE SEGURIDAD . . . . . 35-36
CONSERVE ESTAS INSTRUCCIONES. . . . . . . . . . . . . . . . . . . . 37
INTRODUCCIÓN . . . . . . . . . . . . . . . . . . . . . . . . . . . . . . . . . . . . 37
RESPONSABILIDADES DEL CLIENTE . . . . . . . . . . . . . . . . . . . . 37
RESPONSABILIDADES DEL INSTALADOR. . . . . . . . . . . . . . . . 37
ASISTENCIA PARA LA INSTALACIÓN . . . . . . . . . . . . . . . . . . . 37
Para el Propietario Doméstico . . . . . . . . . . . . . . . . . . 37
Para el Agente de Ventas/Contratista. . . . . . . . . . . . . . 37
CONOZCA SU GENERADOR DE RESERVA . . . . . . . . . . . . . . 38
CONOZCA EL PANEL DE CONTROL. . . . . . . . . . . . . . . . . . . 39
ORIENTACIÓN PARA EL PROPIETARIO . . . . . . . . . . . . . . . . . 40
Factores Relacionados con el Combustible . . . . . . . . . . . . 40
Disminución de la Potencia a Temperaturas Elevadas o
en Lugares Altos . . . . . . . . . . . . . . . . . . . . . . 40
PROCEDIMIENTOS DE INSTALACIÓN . . . . . . . . . . . . . . . . . . 40
Precauciones al Momento del Desempaque . . . . . . . . . . . . 40
Inspección al Momento de la Entrega . . . . . . . . . . . . . . . . . 40
Conmutadores de Transferencia Aprobados . . . . . . . . . . . . 40
Contenido de la Caja . . . . . . . . . . . . . . . . . . . . . . . . . . . . . . 41
Herramientas/Equipos Especiales Necesarias . . . . . . . . . . . 41
Elevación del Generador . . . . . . . . . . . . . . . . . . . . . . . . . . . 41
Ubicación del Generador de Reserva . . . . . . . . . . . . . . . . . 41
Distancias Desde el Generador. . . . . . . . . . . . . . . . . . 41
Directrices Generales de Ubicación . . . . . . . . . . . . . . 41
Circuitos Fundamentales . . . . . . . . . . . . . . . . . . . . . . . . . . . 42
Selección de los Circuitos Fundamentales . . . . . . . 42-43
Directrices de Montaje del Cuadro de Desconexión. . . . . 43
Dimensiones de la Entrada de Combustible . . . . . . . . . . . . 43
Techo y Puerta de Acceso Desmontables . . . . . . . . . . . . . . 43
Para Desmontar el Techo: . . . . . . . . . . . . . . . . . . . . . . 43
Para Desmontar la Puerta de Acceso:. . . . . . . . . . . . . 43
Para Instalar la Puerta de Acceso y el Techo: . . . . . . . 43
SISTEMA DE COMBUSTIBLE GASEOSO . . . . . . . . . . . . . . . 44-45
Consumo de Combustible . . . . . . . . . . . . . . . . . . . . . . . . . . 45
Dimensiones de la Cañería de Combustible. . . . . . . . . . . . 46
Cuadro de Comparación de Combustibles. . . . . . . . . . . . . 47
Tamaño del Tanque de Propano Requerido a Distintas
Temperaturas Cuando se Mantiene con la Mitad de
su Capacidad, como Mínimo . . . . . . . . . . . . . . . . 47
CONEXIONES DE CABLES . . . . . . . . . . . . . . . . . . . . . . . . . . . . 48
Valores de Par de Apriete Recomendados . . . . . . . . . . . . . 48
Sistema de Conexión de c.a. del Generador. . . . . . . . . . . . 48
Conexión a Tierra del Sistema. . . . . . . . . . . . . . . . . . . . . . . 48
Interconexiones del Circuito de Control . . . . . . . . . . . . . . 48
Interruptor de Arranque Remoto con LED . . . . . . . . . . . . 48
ANTES DEL ARRANQUE INICIAL. . . . . . . . . . . . . . . . . . . . . . . 48
Aceite de Motor. . . . . . . . . . . . . . . . . . . . . . . . . . . . . . . . . . 48
Consideraciones Sobre el Aceite. . . . . . . . . . . . . . . . . 48
Conexión de la Batería . . . . . . . . . . . . . . . . . . . . . . . . . . . . 49
Sistema de Suministro de Combustible. . . . . . . . . . . . . . . . 49
SELECCIÓN DEL SISTEMA DE COMBUSTIBLE . . . . . . . . . . . . 50
ARRANQUE INICIAL (SIN CARGA) . . . . . . . . . . . . . . . . . . . . . 50
INSPECCIÓN POSTERIOR A LA INSTALACIÓN. . . . . . . . . . . 50
ESPECIFICACIONES . . . . . . . . . . . . . . . . . . . . . . . . . . . . . . . . . . 51
OPERACIÓN DE SISTEMA . . . . . . . . . . . . . . . . . . . . . . . . . . . . . 51
Mantenimiento del Generador . . . . . . . . . . . . . . . . . . . . . . 51
MANTENIMIENTO DEL GENERADOR. . . . . . . . . . . . . . . . . . . 52
Cambio del Aceite del Motor y del Filtro . . . . . . . . . . . . . . 52
Cambio del Aceite . . . . . . . . . . . . . . . . . . . . . . . . . . . . 52
Cambio del Filtro de Aceite. . . . . . . . . . . . . . . . . . . . . 52
Para Limpiar el Generador. . . . . . . . . . . . . . . . . . . . . . . . . . 53
Si Llama a la Fábrica . . . . . . . . . . . . . . . . . . . . . . . . . . . . . . . 53
ALMACENAMIENTO. . . . . . . . . . . . . . . . . . . . . . . . . . . . . . . . . . 53
REPARACION DE AVERIAS . . . . . . . . . . . . . . . . . . . . . . . . . . . . 54
NOTAS . . . . . . . . . . . . . . . . . . . . . . . . . . . . . . . . . . . . . . . . . . 55-56
ESQUEMA. . . . . . . . . . . . . . . . . . . . . . . . . . . . . . . . . . . . . . . . . . . 24
DIAGRAMA DE CABLEADO . . . . . . . . . . . . . . . . . . . . . . . . . . . 25
PIEZAS DE REPUESTO. . . . . . . . . . . . . . . . . . . . . . . . . . . . . . 26-32
GARANTÍA . . . . . . . . . . . . . . . . . . . . . . . . . . . . . . . . . . . . . . . . . 57
TABLA DE CONTENIDO

Generador de Reserva Doméstico de Briggs & Stratton Power Products
Manual de Instalación,Arranque y Propietario
35
INSTRUCCIONES IMPORTANTES
DE SEGURIDAD
El símbolo de alerta de seguridad ( ) es usado con una palabra
(PELIGRO,ADVERTENCIA, PRECAUCIÓN), un mensaje por
escrito o una ilustración, para alertarlo acerca de cualquier
situación de peligro que pueda existir. PELIGRO indica un riesgo
el cual, si no se evita, causará la muerte o una herida grave.
ADVERTENCIA indica un riesgo el cual, si no se evita, puede
causar la muerte o una herida grave. PRECAUCIÓN indica un
riesgo, el cual, si no se evita, puede causar heridas menores o
moderadas. PRECAUCIÓN, cuando se usa sin el símbolo de
alerta, indica una situación que podría resultar en el daño del
equipo. Siga los mensajes de seguridad para evitar o reducir los
riesgos de heridas e inclusive la muerte.
El fabricante no puede prever todas las posibles circunstancias que
pueden implicar riesgos. Por lo tanto, las advertencias que
aparecen en este manual y las etiquetas y calcomanías adheridas a
la unidad no incluyen todas las posibilidades. Si aplica un
procedimiento, método de trabajo o técnica de operación no
recomendada específicamente por el fabricante, debe estar seguro
de que se trata de una práctica segura para usted y para otras
personas.También debe asegurarse de que el procedimiento,
método de trabajo o técnica de operación que elija, no haga que
el generador se torne inseguro.
NOTA: El generador viene equipado con un silenciador del
escape con amortiguador de chispas. El operador o el propietario
debe mantener el amortiguador de chispas en perfectas
condiciones de funcionamiento. En el estado de California, el
amortiguador de chispas es un elemento requerido por la ley
(Sección 4442 del California Public Resources Code). Otros
estados pueden tener leyes similares. En los territorios federales
se aplican las leyes federales.
Únicamente los electricistas capacitados y los técnicos
especializados en combustibles gaseosos pueden
intentar instalar este sistema. Dicha instalación debe
cumplir estrictamente con los códigos, las regulaciones y
las normas correspondientes.
ADVERTENCIA
• Opere el generador SOLAMENTE al aire libre.
• Evite que los gases de escape entren en un espacio cerrado a través
de las ventanas, puertas, tomas de aire de ventilación u otras
aberturas.
Al generador funcionar, se produce monóxido de
carbono, un gas inodoro y venenoso.
El respirar el monóxido de carbono, producirá
náusea, desmayo o la muerte.
PELIGRO
• NO deseche la batería tirándola al fuego.
• NO permita ninguna llama abierta, chispa, calor, o encienda un
cigarrillo durante y por varios minutos después de haber recargado la
batería.
• NO abra ni manipule la batería.
• Lleve puestos las gafas protectoras, delantal y guantes de goma.
• No lleve relojes, anillos ni otros objetos metálicos.
• Utilice herramientas con mangos aislados.
Las baterías almacenadas producen hidrógeno
explosivo mientras estén siendo recargadas.
Una pequeña chispa puede encender el hidrógeno y
causar una explosión.
El fluido de electrolito de la batería contiene ácido y
es extremadamente cáustico.
El contacto con el fluido de la batería puede causar
quemaduras químicas severas.
Las baterías presentan un riesgo de descarga eléctrica
y de elevada corriente de cortocircuito.
PELIGRO
CONSERVE ESTAS INSTRUCCIONES
• NO toque las superficies calientes.
• Permita que el equipo se enfríe antes de tocarlo.
• La carcasa del generador debe estar situada a un mínimo de 5 pies de
toda estructura con muros combustibles y/o otras materias
combustibles.
• Mantenga al menos 3 pies de espacio libre alrededor del generador,
para la adecuada ventilación y el mantenimiento del generador.
Los motores al funcionar producen calor. La
temperatura del silenciador y de las áreas cercanas
puede alcanzar o pasar los 150ºF (65ºC).
Quemaduras severas pueden ocurrir al hacer
contacto.
Los residuos como hojas, hierba, maleza, etc. se
pueden inflamar.
ADVERTENCIA

Generador de Reserva Doméstico de Briggs & Stratton Power Products
Manual de Instalación,Arranque y Propietario
36
• Instale el sistema de suministro de combustible de acuerdo con los
códigos de gas combustible que correspondan.
• Antes de poner en servicio el generador de reserva, se deben purgar
las líneas del sistema de combustible y se debe probar si presentan
pérdidas.
• Una vez instalado el sistema, se lo debe inspeccionar en forma
periódica.
• NO se debe permitir que se produzca ninguna pérdida.
• NO haga funcionar el motor si se percibe olor a combustible o si
existe alguna otra fuente de ignición.
• NO fume cerca del generador. Limpie en forma inmediata cualquier
derrame de aceite.Asegúrese de no dejar materiales combustibles en
el compartimiento del generador. Mantenga el área próxima al
generador limpia y libre de desperdicios.
El Gas Natural y el Propano son extremadamente
inflamables y explosivos.
El fuego o una explosión pueden causar quemaduras
severas e inclusive la muerte.
ADVERTENCIA
• NO cambie ninguna velocidad determinada. El generador suministra
una frecuencia y un voltaje calificado cuando funciona a una velocidad
determinada.
• NO modifique al generador en ninguna forma.
Las velocidades de operación en exceso, aumentan
los riesgos de heridas y daños al generador.
Las velocidades bajan en exceso, imponen una carga
muy pesada.
PRECAUCIÓN
• Vea "Circuitos Fundamentales".
• Encienda su generador y deje que el motor se estabilice antes de
conectar las cargas eléctricas.
El sobrepasar la capacidad del amperaje y vataje del
generador, puede dañar al generador y los aparatos eléctricos
conectados al mismo.
PRECAUCIÓN
• Use el generador solamente con la finalidad para el cual fue diseñado.
• Si usted tiene alguna pregunta acerca de las finalidades de uso del
generador, pregúntele a su concesionario o contacte a Briggs and
Stratton.
• Opere el generador solamente en superficies niveladas.
• Para la correcta operación del generador es fundamental contar con
ventilación y una circulación de aire de refrigeración adecuada y que
no sufra obstrucciones.
• La puerta de acceso y el techo deben estar instalados siempre que la
unidad esté en funcionamiento.
• NO exponga al generador a una humedad excesiva, polvo, suciedad o
vapores corrosivos.
• A pesar del diseño seguro del generador de reserva, si se opera este
equipo en forma imprudente, si no se cumple con el mantenimiento o
si se actúa con descuido, se pueden producir lesiones o la muerte.
• Permanezca siempre alerta cuando trabaje con este equipo. Nunca
trabaje con este equipo si se siente cansado física o mentalmente.
• NUNCA encienda el motor si el filtro de aire o su cubierta han sido
retirados.
• NO inserte cualquier objeto a través de las ranuras de enfriamiento.
• NUNCA utilice el generador ni ninguna de sus piezas como escalera.
Si se sube sobre la unidad, sus piezas se pueden ver sobreexigidas y
pueden romperse. Esto puede dar como resultado condiciones de
operación peligrosas como consecuencias de la fuga de gases del
escape, pérdida de combustible, pérdida de aceite, etc.
• Si los aparatos conectados se sobrecalientan, apáguelos y
desconéctelos del generador.
• Apague el generador si:
-Se pierde la salida eléctrica;
-El equipo produce chispas, humo o emite llamas;
-La unidad vibra de una manera excesiva.
El tratamiento inadecuado del generador puede dañarlo y
acortar su vida productiva.
PRECAUCIÓN
• Cuando use un generador como poder de energía auxiliar, notifique a
la compañía de utilidades.
• NO toque los alambres pelados o receptáculos.
• NO use un generador con cables eléctricos que estén malgastados,
rotos, pelados o dañados de cualquier forma.
• NO maneje el generador o cables eléctricos mientras esté parado en
agua, descalzo o cuando las manos y los pies estén mojados.
• Si fuera necesario realizar trabajos en cercanías de la unidad mientras
está en funcionamiento, párese sobre una superficie seca y aislada para
reducir los riesgos de una descarga.
• NO permita que personas descalificadas o niños operen o sirvan al
generador.
• En caso de que se produzca un accidente causado por una descarga
eléctrica, cierre inmediatamente la fuente de energía eléctrica y
contacta administración local. Evite el contacto directo con la
víctima.
• Antes de realizar cualquier tarea de mantenimiento en el generador,
desconecte primero el cable de la batería marcado como
NEGATIVE, NEG o (-). Cuando haya terminado, vuelva a conectar
el cable en último lugar.
• Una vez que el generador de reserva está instalado, el generador puede
arrancar manualmente sin ninguna advertencia cada vez que se produce
una falla en el suministro de electricidad. Para evitar posibles lesiones,
siempre fije el interruptor AUTO/OFF/MANUAL en OFF, Yretire el
fusible de 15 Amperios ANTES de realizar trabajos en el equipo.
Los generadores producen un voltaje muy poderoso.
Si no hace tierra apropiadamente con un generador,
puede hacer que ocurra un electrocutamiento.
Si no aísla el generador de utilidades de energía,
puede hacer que los trabajadores de electricidad
sufran heridas graves e inclusive la muerte, debido a
la retroalimentación de la energía eléctrica.
ADVERTENCIA

Generador de Reserva Doméstico de Briggs & Stratton Power Products
Manual de Instalación,Arranque y Propietario
37
CONSERVE ESTAS
INSTRUCCIONES
Este manual contiene instrucciones importantes que se deben
seguir durante la instalación y el mantenimiento del generador y
de la batería.
INTRODUCCIÓN
Muchas gracias por comprar un generador de reserva Briggs &
Stratton. Este producto está pensado para utilizarlo como un
sistema de reserva opcional y proporciona una fuente alternativa
de energía eléctrica con capacidad para alimentar cargas tales
como sistemas de calefacción y refrigeración y sistemas de
telecomunicaciones, que cuando dejan de funcionar a causa de una
interrupción de la alimentación eléctrica de la red pueden
producir incomodidades o problemas. Este producto no
pertenece a la categoría de reserva de emergencia según lo
definido por la norma NFPA 70 (NEC).
Este manual contiene las instrucciones para la instalación y el arranque
de los generador de reserva que trabajan con dispositivos de 120 y
240 Voltios, con corriente monofásica a 60 Hz.
Se han tomado todos los recaudos posibles para asegurar que la
información incluida en este manual sea correcta y esté
actualizada. Sin embargo, los fabricantes se reservan el derecho de
cambiar, alterar o mejorar el sistema de cualquier otra manera y
en cualquier momento, sin previo aviso.
Briggs and Stratton ha hecho todo lo posible para lograr una
instalación segura, eficiente y rentable. Como cada instalación es
única, es imposible conocer e informar acerca de todos los
procedimientos y métodos mediante los cuales se puede realizar la
instalación.Tampoco es posible conocer los riesgos o resultados
potenciales de cada método o procedimiento. Por todo lo expuesto,
La instalación de los generador de reserva debe estar a
cargo de contratistas especializados en electricidad y
plomería, sin excepciones. Las instalaciones deben
cumplir estrictamente con todos los códigos, regulaciones
y normas industriales aplicables.
RESPONSABILIDADES DEL
CLIENTE
• Lea y cumpla las instrucciones incluidas en este manual, en
especial la sección dedicada a la seguridad y la sección
relacionada con la selección de los circuitos fundamentales.
• Siga un programa regular para mantener, cuidar y utilizar el
generador de reserva, según se especifica en este manual.
RESPONSABILIDADES DEL
INSTALADOR
• Lea y observe las reglas de seguridad que se encuentran en
este manual.
• Lea y siga las instrucciones que se encuentran en este manual.
IMPORTANTE: Si se utiliza el generador a una
temperatura inferior a -12 ºC (10 ºF), será necesario
instalar un calentador de batería. Podrá encontrar ambos
accesorios en su distribuidor local.
Asistencia para la instalación
Para el Propietario Doméstico:
Para que pueda tomar decisiones fundamentadas y lograr una
comunicación efectiva con el o los contratistas de instalación,
Lea y comprenda la sección de este manual denominada
Orientación para el Propietario ANTES de contratar o
iniciar la instalación de su Generador de Reserva.
Para coordinar y organizar una instalación adecuada, consulte al
comercio en el cual adquirió su generador de reserva Briggs &
Stratton, a su agente de ventas o a la compañía proveedora de
electricidad.
La garantía del Generador de Reserva se ANULA si la
instalación del sistema no está a cargo de profesionales
especializados en electricidad y plomería debidamente
certificados y matriculados.
Para el Agente de Ventas/Contratista que Realiza la
instalación:
Para la mayoría de las aplicaciones, el Manual de Instalación
contiene toda la información necesaria para instalar y arrancar
adecuadamente el generador de reserva.Este manual describe
también la selección de los circuitos fundamentales, la
operación de rutina y los procedimientos de mantenimiento
que debe llevar a cabo el propietario.
Si necesita más información, llame al 1-800-743-4115, entre las
8:00 AM y las 5:00 PM hora del centro.
El sistema de control de emisiones para este generador está
garantizado para las normas establecidas por la Agencia de
Protección Ambiental de EE.UU. y por el Consejo de Recursos del
Aire de California (CARB).

Generador de Reserva Doméstico de Briggs & Stratton Power Products
Manual de Instalación,Arranque y Propietario
38
CONOZCA SU GENERADOR DE RESERVA
Lea este manual del propietario y las reglas de seguridad antes de operar su generador.
Compare las ilustraciones con su Generador para familiarizarse con las ubicaciones de los diferentes controles y ajustes. Conserve este
manual para referencias futuras.
Depurador
de Aire
Filtro de
Aceite
Calcomanía de
Datos de la Unidad
Salida del
Escape
Tapón de Llenado y Varilla
de Nivel de Aceite
Entrada de Combustible
Panel de Control
(vea pagina 39)
Batería
Manguera de Drenaje de Aceite
Etiqueta del Motor
Cuadro de Desconexión
Batería - La batería sellada de 12 Voltios de c.c. y 33 Amperios/h
proporciona la energía necesaria para arrancar el motor. La
batería recibe carga lenta y continua mientras el generador no
está en funcionamiento.
Calcomanía de Datos de la Unidad - Identifica a la unidad
mediante un número de serie.
Cuadro de Desconexión - Cómodo cuadro de conexiones de
fácil instalación. Permite la conexión a la salida del generador y la
desconexión de la entrada de la red pública.
Depurador de Aire - Filtra el aire de entrada a medida que
penetra en el motor.
Entrada de Combustible - Conecte una línea de suministro de
combustible adecuada.
Etiqueta del Motor (embutido en la parte superior de la
tapa de válvulas) - Identifica el tipo y modelo del motor.
Filtro de Aceite - Filtra el aceite del motor para prolongar la
vida útil del sistema.
Manguera de Drenaje de Aceite - Provista para facilitar el
cambio de aceite.
Orificios para Horquilla Elevadora - Proporcionado en cada
esquina para levantar el generador.
Panel de Control - Se utiliza para distintas funciones de
mantenimiento, operación y prueba. Consulte la sección
"CONOZCA EL PANEL DE CONTROL", en la página siguiente.
Salida del Escape - Silenciador de alto rendimiento que
disminuye los ruidos del motor para cumplir con los códigos
necesarios para zonas residenciales.
Tapón de Llenado y Varilla de Nivel de Aceite - Permite
comprobar el nivel de aceite y llenar el motor.
El generador se muestra sin el techo, la
puerta de acceso de plástico y la puerta del
panel de control para una mayor claridad.
Orificios para Horquilla Elevadora

Generador de Reserva Doméstico de Briggs & Stratton Power Products
Manual de Instalación,Arranque y Propietario
39
Disyuntor - Protege el sistema contra las condiciones de
sobrecorriente y debe estar en la posición ON para suministrar
energía al conectador.
Fusible de 15 Amperios - Protege los circuitos de control de
c.c. del generador de reserva. Si el fusible está "quemado" (fundido
abierto) o si se ha retirado, el motor no se puede arrancar ni
arrancar manualmente en forma lenta. Reemplace el fusible
utilizando únicamente un fusible BUS AGC de 15 Amperios.
Interruptor START/RUN/STOP
(ARRANQUE/FUNCIONAMIENTO/PARADA) - Este
interruptor de tres posiciones se usa de la siguiente manera:
• La posición "START" arranca el generador.
• La posición "RUN" corresponde al modo normal
funcionamiento. Permite arrancar el generador desde un
interruptor remoto.
• La posición "STOP" para el generador.
Luz LED - Indica si el generador está en funcionamiento o
parado.
CONOZCA EL PANEL DE CONTROL
Compare esta ilustración del panel de control con su generador para familiarizarse con la ubicación de estos controles importantes:
Disyuntor
Luz LED
Interruptor
START/RUN/STOP
Fusible de
15 Amperios
Circuit Breaker Start/Run/Stop
15 Amp
Fuse

Generador de Reserva Doméstico de Briggs & Stratton Power Products
Manual de Instalación,Arranque y Propietario
40
ORIENTACIÓN PARA EL
PROPIETARIO
En esta sección se brinda al propietario del generador de reserva
la información necesaria para lograr la instalación más rentable y
satisfactoria posible.
Las ilustraciones se aplican a circunstancias típicas y están
destinadas a que usted se familiarice con las opciones de
instalación disponibles con su generador de reserva. El
entendimiento completo de dichas opciones permite tener un
control fundamental sobre el costo de la instalación y garantiza su
seguridad y satisfacción final.
Los códigos locales, la apariencia, los niveles de ruido, los tipos de
combustible y las distancias son los factores fundamentales a
tener en cuenta cuando se realiza la negociación con el
profesional que tendrá a su cargo la instalación.Al aumentar la
distancia desde el servicio eléctrico y la fuente de combustible
gaseoso, se deben prolongar también las tuberías y los cables. Ello
es necesario para cumplir con la normativa vigente y para superar
las caídas de tensión eléctrica y de presión del combustible
gaseoso.
Los factores antes mencionados tendrán un efecto
directo sobre el precio general de la instalación del
generador de reserva.
NOTA: En algunas áreas, es posible que deba obtener permisos
especiales para las instalaciones eléctricas del generador de
reserva, permisos de construcción para la instalación de las líneas
de gas y permisos para niveles de ruido admisibles. El instalador
debe verificar los códigos locales Y obtener los permisos
correspondientes antes de instalar el sistema.
Factores Relacionados con el Combustible
El tipo de combustible utilizado para hacer funcionar el generador
eléctrico es un aspecto importante que hay que tener en cuenta
ya que afecta a toda la instalación. El generador se prueba y ajusta
en fábrica para utilizar gas natural.También puede utilizar propano
líquido (PL) como combustible mediante la instalación del juego
de conversión que acompaña a la unidad.
Se recomienda respetar las siguientes directrices para obtener el
rendimiento óptimo del generador:
En motores preparados para funcionar a gas propano (PL), el
propano comercial de grado HD5 con un nivel de energía
combustible mínimo de 2500 BTU/pie cúbico con un
contenido de propileno máximo del 5% y un contenido de gas
butano o gases más pesados y un contenido mínimo de
propano de 90%.
Disminución de la Potencia a Temperaturas Elevadas o en
Lugares Altos
La densidad del aire es menor en alturas elevadas, dando como
resultado una menor energía disponible del motor.
Específicamente, la potencia del motor disminuirá un 3.5% cada
1000 pies (300 metros) por sobre el nivel del mar y un 1% cada
10° F (5.6°C) por encima de los 77°F (25°C).Tanto usted como el
instalador deben tener en cuenta estos factores cuando
determinen la carga total del generador.
PROCEDIMIENTOS DE
INSTALACIÓN
Precauciones al Momento del Desempaque
La unidad se envía abulonada a su placa de montaje, lista para
engancharla hacia arriba.Tenga cuidado a fin de evitar daños
causados por caídas, golpes, choques, etc. Guarde y desempaque la
caja ubicando el lado correcto hacia arriba, tal como se indica en
la misma.
Inspección al Momento de la Entrega
Luego de retirar la caja, inspeccione cuidadosamente el generador
de reserva para detectar cualquier daño que pudiera haber
ocurrido durante el traslado.
IMPORTANTE: Si en el momento de la entrega se detecta
alguna pérdida o daño, solicite a la persona o personas encargadas
de la entrega que dejen debida constancia en la nota de entrega y
que firmen debajo de la nota del consignador donde se informa
acerca de la pérdida o daño. Si la pérdida o el daño se detecta
después de la entrega, separe los materiales dañados y póngase en
contacto con el transportista para llevar a cabo los
procedimientos de reclamo. Las piezas perdidas o dañadas no
están garantizadas.
Conmutadores de Transferencia Aprobados
El generador de reserva doméstico debe ser utilizado
ÚNICAMENTE con los siguientes interruptores de transferencia
aprobados por UL. La conexión a cualquier interruptor de
transferencia supondrá la anulación de la garantía del generador.
• Este equipo cuenta con una válvula automática de seguridad de cierre
de combustible.
• NO haga funcionar el equipo si la válvula de cierre de combustible no
funciona o ha sido retirada.
El Gas Natural y el Propano son extremadamente
inflamables y explosivos.
El fuego o una explosión pueden causar quemaduras
severas e inclusive la muerte.
ADVERTENCIA

Generador de Reserva Doméstico de Briggs & Stratton Power Products
Manual de Instalación,Arranque y Propietario
41
Contenido de la Caja
El generador de reserva incluye lo siguiente:
• Generador de reserva de reserva con cuadro de desconexión
• Placa de montaje fijada previamente
• Un tubo de enganche flexible de 24"
• Manual de instalación, de puesta en marcha y del propietario
• Lista de verificación de la instalación
• Interruptor de arranque remoto con LED
• Bandeja de vaciado de aceite
• Pintura de contacto
• Un fusible de 15 Amperios de repuesto
• Juego de conversión a PL
• Bolsa de tornillería para el techo
Elevación del Generador
¡PRECAUCIÓN! El generador pesa más de 280 libras (127 kg).
En todas las etapas de manipulación y traslado de la unidad se
deben utilizar las herramientas y los equipos apropiados y debe
intervenir personal capacitado.
¡PRECAUCIÓN! NO levante la unidad por su parte superior
ya que se podrían producir daños.
Cada esquina del generador dispone de un orificio para horquilla
elevadora entre la base y el soporte de montaje. Retoque los
desconchones con la pintura que se suministra a tal efecto.
Ubicación del Generador de Reserva
Antes de aplicar estas pautas generales, consulte al propietario y
comuníquele cualquier factor técnico a tener en cuenta que
pudiera influir en sus decisiones y deseos.
Distancias Desde el Generador
La carcasa del generador debe estar situada a un mínimo de 152
cm (5 pies) de toda estructura con muros combustibles y/o otras
materias combustibles. Mantenga un mínimo de 92 cm (3 pies)
alrededor de la carcasa, incluido el techo, para facilitar la
ventilación y el mantenimiento del generador.
Sitúe el generador en una zona bien ventilada que permita la
eliminación de los gases de escape mortales. NO instale el
generador en lugares en los que los gases de escape se puedan
acumular o entrar en un edificio que pueda estar ocupado.
Asegúrese de que los gases de escape no puedan entrar por
ventanas, puertas, tomas de aire de ventilación u otras aberturas
en un espacio cerrado en el que puedan acumularse (Figura 13).
Tenga en cuenta los vientos y las corriente de aire
preponderantes cuando elija la ubicación del generador.
Pautas Generales para la Ubicación del Generador
• La unidad SÓLO debe instalarse en exteriores.
• Ubique la unidad en un lugar preparado, que sea plano y
cuente con sistemas de drenaje de agua.
• Instale la unidad en un lugar donde las aberturas de entrada y
salida de aire no queden obstruidas por hojas, pasto, nieve,
etc. Si los vientos preponderantes ocasionan voladuras o
arrastres, es posible que deba construir un rompevientos para
proteger la unidad.
• Instale el generador lo más cerca posible del sistema de
transferencia de energía automático para reducir la longitud
del cableado y las canalizaciones.
• Instale el generador lo más cerca posible del suministro de
combustible para reducir la longitud de los caños.
IMPORTANTE: Es posible que las leyes o los códigos locales
regulen la distancia al suministro de combustible.
El generador de reserva se envía ya unido a su placa de montaje.
A menos que los códigos locales así lo soliciten, no es necesario
construir una losa de concreto.
Si los códigos locales exigen ese requisito, construya una losa de
concreto que tenga por lo menos 3 pulgadas (7.5 cm) de espesor
y que sea 6 pulgadas (15 cm) más larga y más ancha que la unidad.
Coloque la unidad sobre la losa utilizando pernos de anclaje para
albañilería de 14" de diámetro (como mínimo), que sean lo
suficientemente largos para soportar la unidad.
Figura 13 — Distancias desde el Generador de Reserva
Salida del
Escape
• Opere el generador SOLAMENTE al aire libre.
• Evite que los gases de escape entren en un espacio cerrado a través
de las ventanas, puertas, tomas de aire de ventilación u otras
aberturas.
Al generador funcionar, se produce monóxido de
carbono, un gas inodoro y venenoso.
El respirar el monóxido de carbono, producirá
náusea, desmayo o la muerte.
PELIGRO

Generador de Reserva Doméstico de Briggs & Stratton Power Products
Manual de Instalación,Arranque y Propietario
42
Circuitos Fundamentales
Consulte con el propietario para identificar claramente los
circuitos del edificio que sean "esenciales".
Es importante comprender cuáles son los circuitos que el
propietario desea incluir como "circuitos esenciales".
Dependiendo de la energía eléctrica consumida en dichos
circuitos, será posible transferir la mayoría o todos ellos al
generador de reserva durante una interrupción normal de la
alimentación eléctrica.
La guía de referencia de potencia en vatios que se muestra en la
Figura 14 ayudará al propietario a tomar una decisión. Indica la
potencia en vatios que utilizan muchos aparatos domésticos.
Utilícela como ayuda para seleccionar los circuitos esenciales.
Revise esta información con el propietario y transmítale todas las
consideraciones técnicas que puedan afectar al coste de la
instalación.
Selección de los Circuitos Fundamentales
Al seleccionar los circuitos fundamentales que pasarán a "Energía
de Respaldo", es importante que la suma de las cargas de los
circuitos combinados no supere la capacidad de
potencia/corriente del generador.Tenga en cuenta lo siguiente
para facilitar la selección de los circuitos fundamentales:
Sume la potencia total de todos los dispositivos eléctricos que
se van a conectar al mismo tiempo. Este total NO debe ser
mayor que la capacidad de vatiaje del generador.
La potencia nominal de la iluminación puede obtenerse
observando las lamparillas. La potencia nominal de las
herramientas, los electrodomésticos y los motores, por lo
general se puede encontrar en una placa de datos o en una
calcomanía adherida a cada dispositivo.
Si el electrodoméstico, la herramienta o el motor no muestra
el valor de potencia, multiplique voltios por el valor nominal
de corriente en amperios para determinar los vatios
(Voltios x Amperios = Vatios).
Algunos motores eléctricos (los del tipo de inducción) requieren
aproximadamente tres veces más vatios de potencia para
arrancar que la que utilizan mientras están en funcionamiento.
Esta sobrecarga dura sólo unos pocos segundos.Asegúrese de
tener en cuenta este elevado valor de potencia de arranque
cuando seleccione los dispositivos eléctricos que serán
energizados utilizando el generador de reserva.
• Considere los vatios necesarios para arrancar el motor
más grande.
• Agregue ese valor a los vatios totales necesarios para el
funcionamiento de todas las otras cargas conectadas.
El generador de reserva Briggs & Stratton respeta los
siguientes "valores nominales de energía de reserva fija":
El valor nominal de energía de reserva se aplica para
proporcionar energía de emergencia para el tiempo que dure
la interrupción del servicio de energía normal. No está
disponible la capacidad de sobrecarga para este valor nominal.
Dispositivo
Vatiaje de
operación
Aire acondicionador (12000 Btu)*
1700
Aire acondicionador (24000 Btu)*
3800
Aire acondicionador (40000 Btu)*
6000
Cargador de baterías (20 amperios)
500
Sierra circular (6-1/2")
entre 800 y 1000
Secadora de ropa (eléctrica)*
5750
Secadora de ropa (a gas)*
700
Lavadora de ropa*
1150
Cafetera
1750
Compresor (1 HP)*
2000
Compresor (1/2 HP)*
1400
Compresor (3/4 HP)*
1800
Tenacillas rizadoras
700
Deshumidificador*
650
Manta eléctrica
400
Cocina eléctrica (por elemento)
1500
Sartén eléctrica
1250
Freezer*
700
Ventilador de caldera (3/5 HP)*
875
Sistema de apertura de la puerta del
garaje*
entre 500 y 750
Secador de cabello
1200
Taladro de mano
entre 250 y 1100
Plancha
1200
Bomba de chorro*
800
Lamparilla de luz
100
Horno de microondas
entre 700 y 1000
Refrigerador de leche*
1100
Quemador de aceite en una caldera
300
Calefactor de ambientes a aceite
(140000 Btu)
400
Calefactor de ambientes a aceite
(30000 Btu)
150
Calefactor de ambientes a aceite
(85000 Btu)
225
Radio
entre 50 y 200
Refrigerador
700
Aparato para cocimiento lento
200
Bomba sumergible (1 HP)*
2000
Bomba sumergible (1/2 HP)*
1500
Bomba sumergible (1-1/2 HP)*
2800
Bomba de sumidero*
entre 800 y 1050
Sierra de banco (10")*
entre 1750 y 2000
Televisor
entre 200 y 500
Tostadora
entre 1000 y 1650
Figura 14 — Guía de Referencia de Potencia
*Considere tres (3) veces el vatiaje indicado para arrancar el dispositivo

Generador de Reserva Doméstico de Briggs & Stratton Power Products
Manual de Instalación,Arranque y Propietario
43
Estos valores nominales son aplicables a instalaciones alimentadas
por una fuente de energía eléctrica normal fiable. Este valor
nominal sólo es aplicable a cargas variables con un factor de carga
medio del 80% del valor nominal de reserva. El valor nominal de
reserva sólo es aplicable para la alimentación eléctrica de reserva
opcional cuando el grupo generador sirve como reserva para la
fuente de alimentación normal de la compañía eléctrica.
Utilice la "Guía de Referencia de Potencia" provista y marque
aquellos circuitos que considere "críticos" o "fundamentales".
Tanto usted como el instalador deben tener en cuenta los rangos
de temperatura ambiente y de altitud por sobre el nivel del mar
cuando determinen la carga total del generador.
Directrices de Montaje del Cuadro de
Desconexión
El cuadro de desconexión está encerrado en una caja NEMA tipo
3R, que es adecuada para uso en interiores y a la intemperie.
Directrices de montaje del cuadro de desconexión:
• El cuadro de desconexión debe instalarse con fijaciones
adecuadas para conexiones de conductos.
• Instale el cuadro de desconexiones en una estructura de
apoyo firme y sólida, asegurándose de que esté nivelado y a
plomo. Para ello, puede colocar arandelas entre el cuadro de
desconexión y la superficie de montaje.
• NUNCA instale el cuadro de desconexión donde haya riesgo
de goteo de sustancias corrosivas en la caja.
• Proteja el cuadro de desconexión en todo momento contra el
exceso de humedad, polvo, suciedad, pelusas, arenilla y vapores
corrosivos.
La Figura 15 ilustra la instalación habitual del cuadro de
desconexión. Discuta las sugerencias y los cambios del diseño con
el propietario antes de iniciar el proceso de instalación.
Dimensiones de la Entrada de Combustible
La Figura 16 muestra la situación del conector del conducto de
combustible.
Techo y Puerta de Acceso Desmontables
El generador de reserva doméstico está equipado con una carcasa
con techo desmontable y puerta de acceso al panel de control.
Para desmontar el techo:
Retire los cuatro tornillos y levante el techo.
Para desmontar la puerta de acceso:
1. Retire el techo como se ha descrito anteriormente.
2. Retire el tornillo de la parte superior de la puerta de acceso.
3. Extraiga la puerta de acceso tirando de ella y levantándola
para separarla de la base. La puerta se separará de la carcasa
del generador.
Para instalar la puerta de acceso y el techo:
1. Inserte la parte inferior de la puerta de acceso en la base.
2. Empuje la puerta de acceso hasta empotrarla en la carcasa.
3. Vuelva a colocar el tornillo de la puerta.
4. Vuelva a colocar el tejado y sus tornillos.
Figura 16 — Ubicacione de los Accesorios del Combustible
del Generador
3/4” NPT
Conector de la tubería
de combustible
4.5”
13.5”
Figura 15 — Montaje Habitual del Cuadro de Desconexión

Generador de Reserva Doméstico de Briggs & Stratton Power Products
Manual de Instalación,Arranque y Propietario
44
SISTEMA DE COMBUSTIBLE
GASEOSO
Antes de aplicar estas pautas generales, consulte al propietario del
generador de reserva y comuníquele cualquier factor técnico a
tener en cuenta que pudiera influir en sus planes de instalación.
Las siguientes son reglas generales que se aplican a las cañerías
utilizadas en los sistemas de combustible gaseoso:
• Las tuberías deben ser de un material que cumpla los
reglamentos nacionales y locales y deben montarse
rígidamente y protegerse contra las vibraciones.
• Instale cañería de gas flexibles (provistas) entre la entrada de
combustible del generador de reserva y la cañería rígida.
• La cañería debe tener las dimensiones correctas que permitan
mantener las presiones de suministro requeridas y el volumen
de caudal en condiciones variables.
• Utilice un compuesto sellador o apto para juntas aprobado
para cañerías en todos los accesorios adaptadores roscados.
Se reducirán así las posibilidades de fugas.
• Las cañerías instaladas deben ser adecuadamente purgadas y
se debe verificar que no tengan fugas, de acuerdo con las
normas y los códigos correspondientes.
Tenga en cuenta los siguientes factores cuando planifique
la instalación del sistema de suministro de combustible:
El motor del generador de reserva está provisto de un sistema
carburador de combustible que cumple con las especificaciones
del California Air Resources Board para sistemas de combustibles
duales. La unidad puede funcionar a gas natural o propano líquido.
• Para facilitar las actividades de servicio del generador se debe
ubicar en línea y fuera del edificio, al menos una válvula de
cierre manual.
• La presión de suministro de gas natural en la entrada de
combustible del generador debe estar entre 5 y 7 pulgadas de
columna de agua con carga completa. La presión de suministro
de PL debe estar entre 11 y 14 pulgadas de columna de agua
con carga completa.
El generador de reserva viene preparado de fábrica para
funcionar a gas natural. Si necesita cambiar gas natural a PL, se
deberá reconfigurar la unidad, tal como se describe en la página 50.
Es conveniente que la conexión de combustible incorpore los
siguientes componentes:
• Una válvula de cierre manual de combustible ubicada en el
interior del edificio.
• Una válvula de cierre manual de combustible ubicada fuera del
edificio, justo antes del generador.
• Al final de la cañería rígida se debe incluir un separador de
sedimentos.
• Se debe contar también con una abertura para manómetro.
La información que se encuentra a continuación sirve para
asistir a los técnicos especializados en sistemas de
combustibles gaseosos en la planificación de las instalaciones.
En ninguna circunstancia esta información debe
interpretarse en forma contraria a los códigos aplicables a
temas de gas combustible. Consulte al proveedor de
combustible local o al supervisor del departamento de
bomberos si surgen problemas o preguntas.
• Todo el conector flexible debe mantenerse visible para realizar
inspecciones periódicas y no se lo debe ocultar dentro o en contacto
con o a través de ninguna pared, piso o división.
El cañería de gas flexibles no se debe instalar en forma
subterránea ni se debe utilizar en contacto con el suelo.
PRECAUCIÓN
• El gas PL es más pesado que el aire y se puede concentrar en áreas
bajas.
• El gas natural es más liviano que el aire y se puede concentrar en
áreas elevadas.
• Hasta la menor chispa puede hacer que estos combustibles se
enciendan y causen una explosión.
El Gas Natural y el Propano son extremadamente
inflamables y explosivos.
El fuego o una explosión pueden causar quemaduras
severas e inclusive la muerte.
ADVERTENCIA

Generador de Reserva Doméstico de Briggs & Stratton Power Products
Manual de Instalación,Arranque y Propietario
45
La abertura para el manómetro permite la instalación transitoria
de un manómetro (Figura 17) para asegurar que el motor reciba
la presión de combustible apropiada para funcionar en forma
eficiente durante todo el rango de operación.
NOTA: Puede adquirir un manómetro digital (Ref. 19495) en su
centro de servicio local.
Una vez que las operaciones de prueba iniciales están completas,
se retira el manómetro y se tapa la abertura. En la Figura 18 se
muestra un conjunto típico de conexión de combustible final.
Consumo de Combustible
Observe la Figura 19 para conocer los requerimientos de
suministro de combustible con media carga y con carga completa
tanto para gas natural como para vapor de PL.
Figura 18 — Conexiones de Combustible Completas
Figura 17 — Manómetro Instalado Transitoriamente
Desde la línea de
suministro de
combustible
Al generador de
reserva
• Antes de poner en servicio el generador de reserva, se deben purgar
las líneas del sistema de combustible y se debe probar si presentan
pérdidas.
• NO se debe permitir que se produzca ninguna pérdida.
El Gas Natural y el Propano son extremadamente
inflamables y explosivos.
El fuego o una explosión pueden causar quemaduras
severas e inclusive la muerte.
ADVERTENCIA
Gas Natural* Vapor de PL**
1/2 Carga Carga completa 1/2 Carga Carga completa
80 137 33 56
* = Gas Natural en pies cúbicos por hora
** = Vapor de PL se expresa en pies cúbicos por hora
Figura 19 — Requerimientos de Suministro de Combustible

Generador de Reserva Doméstico de Briggs & Stratton Power Products
Manual de Instalación,Arranque y Propietario
46
Dimensiones de la Cañería de Combustible
Las Figuras 20 y 21 indican la capacidad máxima de la cañería en
pies cúbicos de gas por hora para presiones de gas de 0.5 libras
por pulgada cuadrada (psi) o menos y una caída de presión de
0.3 pulgadas en columna de agua. Se muestra el peso específico
del gas.
En los valores indicados se ha tenido en cuenta una cantidad
normal de restricciones debidas a curvas, accesorios, etc. Si se
utiliza un número inusual de accesorios, curvas u otras
restricciones, consulte los reglamentos nacionales y locales.
NPT 10ft 15ft 20ft 30ft 40ft 50ft 60ft 70ft 80ft 90ft 100ft
1/2” 168 146 115 93 79 70 63 59 55 51 48
3/4” 346 293 240 192 163 145 132 120 113 106 99
1” 653 549 446 360 307 274 250 230 211 197 187
Gas Natural (peso específico = 0.65)
NPT 10ft 15ft 20ft 30ft 40ft 50ft 60ft 70ft 80ft 90ft 100ft
1/2” 110 96 76 61 52 46 42 38 36 33 32
3/4” 277 192 158 126 107 95 87 79 74 69 65
1” 428 360 293 236 202 180 164 151 139 129 123
Propano Líquido (PL) (peso específico = 1.50)
Figura 20 — Dimensiones de la Cañería de GAS NATURAL (NG) - Diagrama de Caudal de Gas, en pies cúbicos por hora
Figura 21 — Dimensiones de la Cañería de GAS PROPANO LÍQUIDO (PL) - Diagrama de Caudal de Gas, en pies cúbicos por
hora

Generador de Reserva Doméstico de Briggs & Stratton Power Products
Manual de Instalación,Arranque y Propietario
47
Cuadro de Comparación de Combustibles
* LHV (poder calorífico inferior) es el valor nominal más realista.
** El poder calorífico bruto no considera la pérdida de calor en forma de agua durante la combustión.
*** La densidad se expresa en "Pies Cúbicos de Gas por Galón de Líquido".
† El peso se indica en "Libras por Galón de Líquido".
Tamaño del Tanque de Propano Requerido a Distintas Temperaturas Cuando se Mantiene
con la Mitad de su Capacidad, Como Mínimo
Considerando la tasa de consumo de gas y la temperatura mínima promedio durante el invierno, un instalador puede especificar el
tamaño necesario del tanque de almacenamiento de PL:
Propiedades físicas
Propano
Gas natural
Estado normal a presión
atmosférica
Gas
Gas
Punto de ebullición (en °F):
Inicial
-44
-259
Final
-44
-259
Poder calorífico
BTU por galón (LHV Neto*)
83 340
63 310
BTU por galón (bruto**)
91 547
Pies cúbicos (gas)
2516
1000
Densidad***
36.39
57.75
Peso†
4.24
2.65
Número de octanos:
De investigación
110+
110+
De motor
97
Cuadro de Comparación de Combustibles
Tasa de consumo
32°F
20°F
10°F
0°F
-10°F
-30°F
-40°F
50 pies cúbicos/h
115
115
115
250
250
400
600
100 pies cúbicos/h
250
250
250
400
500
1000
1500
150 pies cúbicos/h
300
400
500
500
1000
1500
2500
200 pies cúbicos/h
400
500
750
1000
1200
2000
2500
300 pies cúbicos/h
750
1000
1500
2000
2500
4000
5000
Dimensiones Requeridas para el Tanque de Propano (Temperatura Mínima Promedio en Invierno), en Galones

Generador de Reserva Doméstico de Briggs & Stratton Power Products
Manual de Instalación,Arranque y Propietario
48
CONEXIONES DE CABLES
Valores de Par de Apriete Recomendados
Aplique el par de apriete recomendado en la Figura 22 a todas las
conexiones y los terminales de conexión de cables.Adecuado
para cable de cobre de 60º/75ºC nominales.
Sistema de Conexión de c.a. del Generador
En el generador de reserva doméstico se utiliza un sistema de
conexión monofásico de CA de tres hilos. El conjunto del estator
consta de un par de devanados estacionarios con dos terminales
que salen de cada devanado. La unión de los terminales 22 y 33
forma el terminal neutro. Las páginas 24 y 25 contienen un
esquema y un diagrama de conexiones.
NOTA: El neutro no está conectado a tierra en el generador.
Conexión a Tierra del Sistema
El instalador debe conectar un cable de cobre estándar al terminal
GND (tierra) y pasarlo a través del conducto hasta el terminal
GND del conectador. El cable debe seguir a través del conducto
hasta el bus de tierra del panel de distribución principal.
Interconexiones del Circuito de Control
Las interconexiones del circuito de control se realizan con cables
de servicio de 240 V CA.Ambos cables deben pasar a través de
un conducto de 3/4" como mínimo. La función de los cables de
control se describe brevemente a continuación.
• Además de cargar la batería, los cables suministran la energía
eléctrica de la red a la tarjeta de circuito impreso y a los
calentadores opcionales de la batería y de aceite.
Conecte los terminales del circuito de control del cuadro de
desconexión al conectador con cable de cobre trenzado 16 AWG,
de 300 V como mínimo, suministrado por el instalador.
Interruptor de Arranque Remoto con LED
El indicador luminoso de la placa del interruptor de arranque
remoto se denomina "el LED". El LED se encenderá para indicar
que el generador se ha puesto en marcha cuando se pulsa el
interruptor de arranque. Se suministra una placa de montaje que
se puede instalar en un punto interior adecuado. El propietario la
utilizará para observar el estado del generador de reserva
doméstico. Consulte con él la ubicación más adecuada.
Para instalar la placa del interruptor de arranque
remoto:
• Monte en un muro el cuadro eléctrico suministrado por el
instalador.
• Conecte los cables del interruptor de arranque remoto a la
luz de estado remoto del panel de control.
NOTA: Los cables del LED son sensibles a la polaridad.
• Fije la placa de montaje al cuadro eléctrico.
ANTES DEL ARRANQUE INICIAL
Aceite de Motor
Este motor se envía desde la fábrica lleno con el aceite
recomendado.Antes de arrancar el motor, verifique el nivel de
aceite y asegúrese de que el motor haya recibido el
mantenimiento que se describe en la manual del motor.
Consideraciones Sobre el Aceite
El generador de reserva está equipado con un motor que ha
completado el proceso de funcionamiento previo en la fábrica y
no requiere el procedimiento tradicional de "entrada forzada".
A fin de proporcionar una mayor capacidad de "respaldo", el
generador se llena con aceite sintético (API SJ/CF 5W-30W).
Esto permite la operación del sistema en un amplio rango de
condiciones climáticas y de temperatura.
NOTA: El hecho de utilizar aceite sintético NO modifica los
intervalos de cambio de aceite necesarios descritos más adelante
en la sección dedicada a mantenimiento en la manual del motor.
PRECAUCIÓN
• Consulte el manual del propietario del motor para añadir al motor
el aceite y el combustible recomendado
• El daño a la lavadora a presión, resultado de la desatención a
esta precaución, no será cubierto por la garantía.
Cualquier intento para arancar el motor antes de haberle
proporcionado el mantenimiento apropiado con el aceite
recomendado, podría ocasionar la falla del motor.
CONEXIONES: Par de Apriete
En el panel de distribución principal:
Consulte las especificaciones del fabricante del panel
En el panel de control:
Servicio de 240 V CA 18 in-lb
Arranque del motor 5 in-lb
Parada de motor 5 in-lb
Estado remoto 5 in-lb
Disyuntor 20 in-lb
Tierra 35 in-lb
Disyuntores:
Consulte las especificaciones del fabricante del disyuntor
Figura 22 — Valores de Par de Apriete Recomendados

Generador de Reserva Doméstico de Briggs & Stratton Power Products
Manual de Instalación,Arranque y Propietario
49
Conexión de la Batería
El generador de reserva doméstico se suministra con una batería
con regulación por válvulas, tipo AGM de 12 V CC, 33 Ah. Es una
batería estanca de plomo-ácido recargable. La batería se
suministra instalada en la unidad y sus cables se conectan en
fábrica. El fusible de 15 A, que aísla la batería e impide el arranque
de la unidad, se quita para el transporte. El batería que perderá
parte de su carga antes de la instalación del generador. Si la
tensión es inferior a 12 V, cargar la batería antes de la instalación.
IMPORTANTE: Si la tensión de la batería es inferior a 5 V, puede
que no admita carga y que necesite una nueva batería.
Cargar la Batería
Si es necesario realizar el cargar de la batería, proceda de la
manera siguiente:
1. Extraiga el seccionador de servicio del cuadro de
desconexión.
2. Quite el fusible de 15 A del panel de control.
3. Desconecte el cable negativo de la batería al terminal
negativo (marcado como NEGATIVE,NEG ó (-)).
4. Cargue la batería con un cargador a 2 A hasta alcanzar una
carga de 12 V.
NOTA: Con la batería instalada y tensión de la red aplicada al
interruptor automático de transferencia, la batería recibe una
carga lenta siempre que el motor no está funcionando. Mediante
este proceso, la carga de una batería con una tensión de 5 V
puede tardar hasta 72 horas. La carga lenta no se puede utilizar
para cargar una batería que se haya descargado por completo.
5. Conecte el cable negativo de la batería al terminal negativo
(marcado como NEGATIVE,NEG ó (-)).
6. Compruebe que los elementos de fijación en los terminales
negativo y positivo de la batería están perfectamente apretados.
7. Instale el fusible de 15 Amperios en el panel de control.
8. Vuelva a instalar el seccionador de servicio en el cuadro de
desconexión.
Servicio la Batería
Si es necesario realizar el servicio de la batería, proceda de la
manera siguiente:
1. Extraiga el seccionador de servicio del cuadro de
desconexión.
2. Quite el fusible de 15 A del panel de control.
3. El servicio o reemplaza batería como requerido.
4. Conectar el conductor rojo de la batería al terminal positivo
de la misma (marcado como POSITIVE, POS o(+).
5. Conecte el cable negativo de la batería al terminal negativo
(marcado como NEGATIVE,NEG ó (-)).
6. Compruebe que los elementos de fijación en los terminales
negativo y positivo de la batería están perfectamente apretados.
7. Instale el fusible de 15 Amperios en el panel de control.
8. Vuelva a instalar el seccionador de servicio en el cuadro de
desconexión.
Sistema de Suministro de Combustible
Asegúrese de que todas las conexiones de la cañería de
combustible estén ceñidas, firmes y que no presenten pérdidas.
Asegúrese de que todas las válvulas de cierre de la línea de gas
estén abiertas (OPEN) y que la presión de combustible sea la
adecuada.
• NO instale este fusible hasta que no se hayan completado e
inspeccionado todas las conexiones de cables y tuberías.
Si no se instala el fusible tal como se puede producir el
arranque del motor.
PRECAUCIÓN
• NO deseche la batería tirándola al fuego.
• NO permita ninguna llama abierta, chispa, calor, o encienda un
cigarrillo durante y por varios minutos después de haber recargado la
batería.
• NO abra ni manipule la batería.
• Lleve puestos las gafas protectoras, delantal y guantes de goma.
• No lleve relojes, anillos ni otros objetos metálicos.
• Utilice herramientas con mangos aislados.
Las baterías almacenadas producen hidrógeno
explosivo mientras estén siendo recargadas.
Una pequeña chispa puede encender el hidrógeno y
causar una explosión.
El fluido de electrolito de la batería contiene ácido y
es extremadamente cáustico.
El contacto con el fluido de la batería puede causar
quemaduras químicas severas.
Las baterías presentan un riesgo de descarga eléctrica
y de elevada corriente de cortocircuito.
PELIGRO
PRECAUCIÓN
• NO intente arrancar en puente la batería.
• El daño a la lavadora a presión, resultado de la desatención a esta
precaución, no será cubierto por la garantía.
Si no se desconecta el cable negativo de la batería, se
provocará una avería.

Generador de Reserva Doméstico de Briggs & Stratton Power Products
Manual de Instalación,Arranque y Propietario
50
SELECCIÓN DEL SISTEMA DE
COMBUSTIBLE
El motor del generador de reserva viene calibrado de fábrica para
funcionar a gas natural (NG).También puede funcionar con propano
líquido (PL).
Para configurar el sistema de combustible para uso de PL:
1. Sin embargo, la presión de entrada del combustible PL debe
estar entre las 11 y las 14 pulgadas en columna de agua.
2. Extraiga el seccionador de servicio del cuadro de
desconexión.
3. Quite el fusible de 15 A del panel de control.
4. Cambie el propulsor principal del mezclador de combustible
conforme a las indicaciones de la hoja de instrucciones (nº
de pieza 195083GS) incluida en el juego de conversión a PL.
5. Vuelva a instalar el fusible de 15 Amperios.
6. Vuelva a instalar el seccionador de servicio en el cuadro de
desconexión.
El sistema ahora está preparado para operar automáticamente
utilizando combustible PL. Con un chorro principal fijo de gas PL,
no es necesario realizar ningún ajuste del motor para la operación
con PL.
ARRANQUE INICIAL (SIN CARGA)
Comience probando el sistema sin ninguna carga eléctrica
conectada, de la siguiente manera:
1. Fije el interruptor de potencia principal del generador en la
posición OFF (abierta).
2. Instale el fusible de 15 Amperios en el panel de
control.
3. Pulse y mantenga el interruptor START/RUN/STOP en la
posición START (Arranque) hasta que se encienda el LED.
NOTA: NO intente arrancar el motor durante más de 15
segundos.Tras cada intento, haga una pausa de 15 segundos para
evitar el sobrecalentamiento del sistema de arranque. Repita el
proceso hasta que arranque el motor.
IMPORTANTE: Si suelta el botón de la posición START antes
de que se encienda el LED, en generador se parará.
NOTA: Cuando el Sistema del generador de reserva se arranca
por primera vez, es necesario purgar el aire de las líneas de
combustible gaseoso. Esto puede tardar algunos minutos.
4. Escuche si se oyen ruidos anormales o si se observa
vibración u otros indicios de funcionamiento anormal.
Compruebe si se produce alguna fuga de aceite durante el
funcionamiento del generador.
5. Deje que el motor se caliente durante aproximadamente
cinco minutos para permitir que las temperaturas internas se
estabilicen. Luego, fije el interruptor de potencia principal del
generador en la posición ON (o cerrada).
6. Conecte un voltímetro CA RMS y un medidor de frecuencia
para controlar la salida del generador en el lado de la carga
del disyuntor. La tensión debe estar entre 230 y 240Voltios y
la frecuencia entre 62.0 y 62.5 Hz.
7. Verifique la salida del generador entre una de las orejetas
terminales de conexión al generador (generator connection)
y la orejeta terminal de conexión al neutro, luego entre la
otra orejeta de conexión al generador (GENERATOR
CONNECTION) y la orejeta terminal de conexión al neutro.
En ambos casos, las lecturas de tensión deben estar entre
115 y 120 Voltios.
8. Pulse y mantenga el interruptor START/RUN/STOP en la
posición STOP (Parada) hasta que se apague el LED. El
motor se parará.
INSPECCIÓN POSTERIOR A LA
INSTALACIÓN
Antes de poner en servicio el generador de reserva, inspeccione
cuidadosamente toda la instalación.Asegúrese de retocar con la
pintura provista todos los rayones o partes de pintura
deterioradas en la parte interior y exterior del compartimiento.
A medida que realiza la inspección, vaya completando la "Lista de
verificación de la instalación".Asegúrese de que se hayan
completado todos los puntos y que se hayan obtenido todas las
firmas correspondientes. Indique al propietario que debe enviar la
copia blanca por correo a:
Briggs & Stratton Power Products
Warranty Registration
P. O. Box 1144
Milwaukee,Wisconsin 53201-1144

Generador de Reserva Doméstico de Briggs & Stratton Power Products
Manual de Instalación,Arranque y Propietario
51
ESPECIFICACIONES
Potencia Nominal Máxima . . . . . . . . . . . . . . . . . . . . . .7,000 Vatios
Corriente de Carga Nominal Máxima:
a 240 Voltios . . . . . . . . . . . . . . . . . . . . . . . . . . . . .29.1 Amperios
a 120 Voltios . . . . . . . . . . . . . . . . . . . . . . . . . . . . .58.3 Amperios
Tensión de c.a. Nominal . . . . . . . . . . . . . . . . . . . . .120/240 Voltios
Frecuencia Nominal . . . . . . . . . . . . . . . . . . . . .60 Hz at 3600 rpm
Fases . . . . . . . . . . . . . . . . . . . . . . . . . . . . . . . . . . . . . . .Monofásico
Factor de Potencia . . . . . . . . . . . . . . . . . . . . . . . . . . . . . . . . . . .1.0
Presión de Suministro de Gas Natural
como Combustible . .entre 5 y 17 Pulgadas en Columna de Agua
Presión de Suministro de PL
como Combustible .entre 11 y 14 Pulgadas en Columna de Agua
Rango Operativo Normal . . . . . .-20°F (-28.8°C) to 104°F (40°C)
Nivel de Ruido . . .81 dB(A) a 23 pies (7 m) con Carga Completa
Peso de Envío del Sistema . . . . . . . . . . . . . . . . . . . . . . . . .280 lbs.
* Los valores nominales de gas natural dependerán del
combustible específico, pero por lo general se encuentran entre el
10 y el 20% por debajo de los valores nominales para PL.
OPERACIÓN DE SISTEMA
Para seleccionar la operación de sistema, haga lo siguiente:
1. Pulse y mantenga el interruptor START/RUN/STOP en la
posición START (Arranque) hasta que se encienda el LED.
2. Consulte el manual del conectador para que se realice
correctamente la transferencia de alimentación de la red
pública a la alimentación del generador.
Mantenimiento del Generador
Para realizar el mantenimiento del generador:
1. Quite los cuatro tornillos y levante el techo para retirarlo.
2. Retire el tornillo de la parte superior del panel de control.
3. Extraiga la puerta de acceso tirando de ella y levantándola para
separarla de la base. La puerta se separará de la carcasa del
generador.
4. Extraiga el seccionador de servicio del cuadro de
desconexión.
5. Ponga el interruptor principal del generador en la posición
OFF.
6. Quite el fusible de 15 A del panel de control.

Generador de Reserva Doméstico de Briggs & Stratton Power Products
Manual de Instalación,Arranque y Propietario
52
MANTENIMIENTO DEL
GENERADOR
La garantía del generador no cubre artículos que hayan sido
sometidos al abuso o negligencia por parte del operador. Para
recibir el valor total de la garantía, el operador debe dar
mantenimiento al sistema de acuerdo con las indicaciones del
manual del propietario del motor.
IMPORTANTE: Antes de realizar cualquier operación de
mantenimiento del generador, asegúrese de seguir todos los pasos
que se detallan en la sección "Mantenimiento del Generador" de
la página 51.
El mantenimiento del generador consiste en conservar la unidad
limpia y seca. Opere y almacene la unidad en un ambiente limpio y
seco donde no será expuesta al polvo, suciedad, humedad o
vapores corrosivos. Las ranuras del aire de enfriamiento del
generador no deben estar tapadas con nieve, hojas, o cualquier
otro material extraños.
Verifique que la unidad sea limpiada con frecuencia y lávela cuando
observe polvo, suciedad, aceite, humedad u otras sustancias
extrañas en la superficie exterior.
NOTA: NO recomendamos el uso de mangueras de jardín para
limpiar el generador. El agua podría introducirse en el motor y
causar problemas.
Cambio del Aceite del Motor y del Filtro
Extraiga los dos tornillos de cada tapa de acceso de plástico y
retire ambas tapas de los dos lados de la carcasa del generador.
Cambio del Aceite
1. Coloque el tubo de vaciado de aceite en un recipiente
homologado.
2. Presione y gire el adaptador de vaciado de aceite 1/4 de
vuelta hacia la izquierda.Tire lentamente hasta que empiece a
salir el aceite (Figura 23). No separe el adaptador de vaciado
de aceite del motor.
3. Una vez vaciado todo el aceite, presione el adaptador de
vaciado de aceite y gírelo 1/4 de vuelta hacia la derecha hasta
que quede bloqueado.
4. Deslice el tubo de vaciado de aceite hacia arriba para situarlo
en el soporte del generador.
Cambio del Filtro de Aceite
1. Coloque la bandeja de vaciado de aceite sobre la tubería y
deslícela para situarla debajo del filtro de aceite (Figura 24).
2. Siga las instrucciones de cambio de aceite del manual del
propietario del motor.
3. Retire la bandeja de vaciado de aceite de debajo del filtro y
limpie bien los restos de aceite.
MANTENGA FUERA DE ALCANCE DE NIÑOS. NO
CONTAMINE. CONSERVE los RECURSOS.VUELVA
ACEITE USADO A la COLECCION CENTRA.
Para llenar el motor de aceite:
• Utilice aceite sintético del grado recomendado en la sección
"Aceite del Motor" de la página 49 y siga las instrucciones de
llenado de aceite que se indican en el manual del propietario
del motor.
Figura 23 — Adaptador de Vaciado de Aceite
Figura 24 — Cambio del Filtro de Aceite con Bandeja de
Vaciado de Aceite
Bandeja de Vaciado
de Aceite
PRECAUCIÓN
• Consulte el manual del propietario del motor para añadir al motor
el aceite y el combustible recomendado
• El daño a la lavadora a presión, resultado de la desatención a
esta precaución, no será cubierto por la garantía.
Cualquier intento para arancar el motor antes de haberle
proporcionado el mantenimiento apropiado con el aceite
recomendado, podría ocasionar la falla del motor.
• El aceite usado del motor ha sido mostrado al cancer de la piel de la
causa en ciertos animales del laboratorio.
• Completamente lavado expuso áreas con el jabón y el agua.
Evite el contacto prolongado o repetido de piel con aceite
usado de motor.
PRECAUCIÓN

Generador de Reserva Doméstico de Briggs & Stratton Power Products
Manual de Instalación,Arranque y Propietario
53
Para Limpiar el Generador
• Utilice un trapo húmedo para limpiar las superficies
exteriores.
• Puede usar un cepillo de cerdas suaves para retirar la suciedad
endurecida, aceite, etc.
• Puede usar una máquina aspiradora para eliminar suciedad y
residuos sueltos.
• Puede usar aire a baja presión (que no exceda los 25 psi) para
eliminar la suciedad. Inspeccione las ranuras para aire de
enfriamiento y la apertura del generador. Estas aperturas
deberán mantenerse limpias y despejadas.
Si Llama a la Fábrica
En caso de que sea necesario consultar al Servicio técnico de
Briggs & Stratton respecto a servicios o reparaciones de esta
unidad, usted debe tener disponible la siguiente información:
1. Obtenga el número de serie y el número de modelo de la
calcomanía de datos adherida a la unidad.Vea el diagrama
denominado "Conozca su Generador de Reserva" para
determinar la ubicación.
2. Obtenga los números de código/tipo/modelo de motor de la
etiqueta del motor.Vea el diagrama denominado "Conozca su
Generador de Reserva" para determinar la ubicación.Tenga
en cuenta que el número de modelo puede variar con
respecto al que se muestra en este documento.
ALMACENAMIENTO
El generador de reserva Briggs & Stratton está diseñado para una
operación de respaldo continuo. Como tal, no hay necesidad de
tomar precaución alguna con relación al almacenamiento. Sin
embargo, si fuera necesario mantener el sistema fuera de servicio
durante un tiempo prolongado, llame al Servicio técnico de Briggs
and Stratton al 1-800-743-4115, entre las 8:00 AM y las 5:00 PM
hora del centro, para obtener recomendaciones específicas.
• NO exponga al generador a una humedad excesiva, polvo, suciedad o
vapores corrosivos.
• NO inserte cualquier objeto a través de las ranuras de enfriamiento.
El tratamiento inadecuado del generador puede dañarlo y
acortar su vida productiva.
PRECAUCIÓN

Generador de Reserva Doméstico de Briggs & Stratton Power Products
Manual de Instalación,Arranque y Propietario
54
REPARACION DE AVERIAS
Problema Causa Corrección
El motor está funcionando pero no
hay salida de c.a. disponible.
1. El interruptor automático está abierto
o defectuoso.
2. Falla en el generador.
3. Las conexiones de cableado son
inadecuadas o el conmutador de
transferencia está defectuoso.
1. Restablezca el interruptor automático
o reemplácelo.
2. Consulte al servicio de Briggs &
Stratton.
3. Verifíquelo y repárelo.
El motor funciona cuando no tiene
carga pero "se atasca" cuando se
conectan las cargas.
1. Hay un cortocircuito en una de las
cargas conectadas.
2. El generador está sobrecargado.
3. Hay un circuito del generador en
cortocircuito.
4. La presión del combustible es
incorrecta.
5. La mezcla del gas natural (NG) es
incorrecta.
1. Desconecte la carga que está en
cortocircuito.
2. Vea la sección titulada "Circuitos
Fundamentales".
3. Consulte al servicio de Briggs &
Stratton.
4. Consulte la sección "El sistema de
combustible gaseoso".
5. Consulte la sección "El sistema de
combustible gaseoso".
El motor no arranca o arranca pero
funciona con dificultad.
1. Falta un fusible de 15 Amperios o está
fundido.
2. No hay combustible.
3. La batería no tiene suficiente poder de
acodar sobre el generador en
temperaturas frías.
4. La batería presenta una falla.
1. Instale un fusible de 15 Amperios
(nuevo).
2. Abra la o las válvulas de combustible;
verifique el tanque de propano.
3. Instale batería más tibia, consulte al
servicio de Briggs & Stratton.
4. Reemplace la batería.
El motor se apaga durante la
operación.
1. No hay combustible.
2. El indicador de fallas se enciende en
forma intermitente.
1. Verifique las válvulas de combustible,
llene el tanque de propano.
2. Cuente los parpadeos y consulte la
sección "Sistema de Detección de
Fallas".
Pérdida de potencia en los circuitos
fundamentales.
1. El interruptor automático del
generador está abierto.
2. Problemas en el interruptor de
transferencia.
1. Restablezca el interruptor automático.
2. Consulte el manual del interruptor de
transferencia.

Generador de Reserva Doméstico de Briggs & Stratton Power Products
Manual de Instalación,Arranque y Propietario
55
NOTAS

Generador de Reserva Doméstico de Briggs & Stratton Power Products
Manual de Instalación,Arranque y Propietario
56
NOTAS

POLÍTICA DE GARANTÍA PARA EL PROPIETARIO DE EQUIPOS BRIGGS & STRATTON POWER PRODUCTS GROUP, LLC
GARANTÍA LIMITADA
Briggs & Stratton Power Products Group, LLC reparará o sustituirá sin cargo alguno cualquier componente del equipo que presente defectos de
materiales y/o mano de obra. Los gastos de transporte de las piezas enviadas para reparar o sustituir conforme a los términos de esta garantía
correrán a cargo del comprador. El periodo de vigencia y las condiciones de esta garantía son los que se estipulan a continuación. Para obtener
servicio en garantía, localice el distribuidor de servicio autorizado más próximo en nuestro mapa de distribuidores, en
www.briggspowerproducts.com.
NO EXISTE NINGUNA OTRA GARANTÍA EXPLÍCITA. LAS GARANTÍAS IMPLÍCITAS, INCLUIDAS LAS DE COMERCIABILIDAD O IDONEIDAD
PARA UN FIN CONCRETO, SE LIMITAN A UN AÑO DESDE LA FECHA DE COMPRA O AL LÍMITE DE TIEMPO PERMITIDO POR LA LEY.
QUEDAN EXCLUIDAS TODAS LAS GARANTÍAS IMPLÍCITAS QUEDA EXCLUIDA LA RESPONSABILIDAD POR DAÑOS SECUNDARIOS Y
DERIVADOS HASTA EL LÍMITE PERMITIDO POR LA LEY. Algunos países o estados no permiten limitar la duración de una garantía implícita ni
excluir o limitar los daños secundarios y derivados. Por tanto, es posible que las limitaciones y exclusiones mencionadas no sean aplicables en su
caso. Esta garantía le otorga determinados derechos legales y es posible que tenga otros derechos que pueden variar de un país o estado a otro.
NUESTRO EQUIPO*
MOTOR
FUERABORDA LIMPIADORA
A PRESIÓN BOMBA DE
AGUA
(No disponible
en EE.UU.)
GENERADOR
PORTÁTIL
SOLDADORA MMeennooss ddee 1100 kkWW1100 kkWW óó mmáássCCoonneeccttaaddoorr
2 años
ninguno
1 año
90 días
1 año
90 días
2 años
1 año
2 años
ninguno
3 años ó
1.500 horas
ninguno
3 años
ninguno
PERÍODO DE GARANTÍA**
SISTEMA DE GENERADOR DE RESERVA
DOMÉSTICO
Uso del consumidor
Uso comercial
* El motor y las baterías de arranque sólo están cubiertos por la garantía de su fabricante.
** 2 años para todos los productos de consumo en la Unión Europea. Componentes sólo durante el segundo año para uso del
consumidor del generador portátil y del sistema generador doméstico - Menos de 10 kW fuera de la Unión Europea.
El período de garantía comienza en la fecha de compra del primer consumidor o usuario comercial final y se prolonga durante el tiempo especificado
en la siguiente tabla. "Uso del consumidor" significa uso doméstico personal por parte de un consumidor final. "Uso comercial" significa cualquier otro
uso, incluidos los usos con fines comerciales, de generación de ingresos o alquiler. Una vez que el equipo se haya usado con fines comerciales, se
considerará como equipo de uso comercial a efectos de esta garantía. Los equipos utilizados para suministrar energía en sustitución de un
servicio público no pueden acogerse a esta garantía. Las limpiadoras a presión con alimentación eléctrica para fines comerciales no están
cubiertas por la garantía.
NO ES NECESARIO REGISTRAR LA GARANTÍA PARA OBTENER SERVICIO DE BRIGGS & STRATTON PRODUCTS. GUARDE SU RECIBO DE
COMPRA. SI NO APORTA LA PRUEBA DE LA FECHA DE COMPRA INICIAL, SE UTILIZARÁ LA FECHA DE FABRICACIÓN DEL PRODUCTO
PARA DETERMINAR EL PERÍODO DE GARANTÍA.
ACERCA DE LA EQUIPO GARANTÍA
Esperamos que disfrute de nuestra garantía y le pedimos disculpas por las molestias causadas. Cualquier distribuidor de servicio autorizado puede llevar a cabo
reparaciones en garantía. La mayoría de las reparaciones en garantía se gestionan normalmente, pero algunas veces la solicitud de servicio en garantía puede no ser
procedente. Por ejemplo, la garantía no será válida si el equipo presenta daños debidos al mal uso, la falta de mantenimiento, el transporte, la manipulación, el
almacenamiento o la instalación inadecuados. De manera similar, la garantía quedará anulada si se ha borrado la fecha de fabricación o el número de serie del equipo, o si
el equipo ha sido alterado o modificado. Durante el período de garantía, el distribuidor de servicio autorizado podrá reparar o sustituir, a su libre elección, cualquier pieza
que, previa inspección, sea defectuosa en condiciones normales de uso y servicio. Esta garantía no cubre las reparaciones y equipos que se detallan a continuación:
•Desgaste normal: Al igual que cualquier otro aparato mecánico, los equipos de uso en exteriores necesitan piezas y mantenimiento periódicos para funcionar
correctamente. Esta garantía no cubre las reparaciones cuando el uso normal haya agotado la vida útil de una pieza concreta del equipo.
•Instalación y mantenimiento: Esta garantía no cubre los equipos ni las piezas cuya instalación sea incorrecta o no haya sido autorizada, ni aquellos que hayan sido
objeto de cualquier tipo de alteración, mal uso, negligencia, accidente, sobrecarga, exceso de velocidad o mantenimiento, reparación o almacenamiento inadecuados
que, a nuestro juicio, haya afectado negativamente a su funcionamiento y su fiabilidad. La garantía tampoco cubre el mantenimiento normal, como los ajustes y la
limpieza, o la obstrucción del sistema de combustión (debido a materias químicas, suciedad, carbón, cal, etc.).
•Otras exclusiones: También quedan excluidos de esta garantía el desgaste de los artículos tales como conectores, medidores de aceite, correas, juntas tóricas,
filtros, juntas de bombas, etc., las bombas que se hayan hecho funcionar sin agua y los daños derivados de accidentes, uso indebido, modificaciones, alteraciones,
servicio inadecuado, congelación o deterioro químico. Los accesorios tales como pistolas, mangueras, varillas y boquillas quedan excluidos de la garantía del
producto. Esta garantía excluye los fallos debidos a hechos fortuitos y a otros acontecimientos de fuerza mayor que escapan al control del fabricante. También se
excluyen los equipos usados o reacondicionados y los destinados a demostraciones; los equipos utilizados como fuente principal de energía en lugar de un servicio
público y los equipos sanitarios destinados al mantenimiento de las constantes vitales.
BRIGGS & STRATTON POWER PRODUCTS GROUP, LLC
JEFFERSON, WI, EE.UU
Fecha de entrada en vigor: 1 de Septiembre de 2004. Sustituye a todas las garantías sin fecha y a las de fecha anterior al 1 de Septiembre de 2004

Génératrice Résidentielle Briggs & Stratton Power Products
Manuel d'Installation, Démarrage et Utilisateur
58
TABLE DES MATIÈRES. . . . . . . . . . . . . . . . . . . . . . . . . . . . . . . . . 58
DIRECTIVES DE SÉCURITÉ IMPORTANTES . . . . . . . . . . . . 59-60
CONSERVEZ CES INSTRUCTIONS. . . . . . . . . . . . . . . . . . . . . . 61
INTRODUCTION . . . . . . . . . . . . . . . . . . . . . . . . . . . . . . . . . . . . 61
RESPONSABILITÉS DE L'ACHETEUR . . . . . . . . . . . . . . . . . . . . 61
RESPONSABILITÉS DE L'INSTALLATEUR . . . . . . . . . . . . . . . . . 61
AIDE À L'INSTALLATION. . . . . . . . . . . . . . . . . . . . . . . . . . . . . . 61
Au Propriétaire Résidentiel . . . . . . . . . . . . . . . . . . . . . 61
Au Détaillant/à l'Entrepreneur Procédant à
l'Installation. . . . . . . . . . . . . . . . . . . . . . . . . . 61
FAMILIARISEZ-VOUS AVEC VOTRE GÉNÉRATRICE D’ÉTAT
D’ATTENTE . . . . . . . . . . . . . . . . . . . . . . . . . . . . . . . . . . . . . . . . . 62
FAMILIARISEZ-VOUS AVEC LE TABLEAU DE COMMANDE. . 63
CONSEILS AU PROPRIÉTAIRE . . . . . . . . . . . . . . . . . . . . . . . . . . 64
Facteurs Relatifs au Combustible. . . . . . . . . . . . . . . . . . . . . 64
Baisse de Puissance à Haute Altitude ou à Température
Élevée . . . . . . . . . . . . . . . . . . . . . . . . . . . . . . 64
PROCÉDURES D'INSTALLATION . . . . . . . . . . . . . . . . . . . . . . . 64
Précautions Lors du Déballage . . . . . . . . . . . . . . . . . . . . . . 64
Vérification de la Livraison. . . . . . . . . . . . . . . . . . . . . . . . . . 64
Commutateurs de Transfert Approuvés . . . . . . . . . . . . . . . 64
Contenu de la Boîte . . . . . . . . . . . . . . . . . . . . . . . . . . . . . . . 65
Outils/Équipements Spécialisés Nécessaires . . . . . . . . . . . . 65
Soulèvement de la Génératrice . . . . . . . . . . . . . . . . . . . . . . 65
Emplacement du Génératrice d’état d’attente . . . . . . . . . . 65
Dégagement Autour de la Génératrice . . . . . . . . . . . . 65
Directives générales concernant l'emplacement . . . . . 65
Circuits Essentiels. . . . . . . . . . . . . . . . . . . . . . . . . . . . . . . . . 66
Sélection des Circuits Essentiels. . . . . . . . . . . . . . . 66-67
Directives d'assemblage du boîtier de débranchement . . . 67
Dimensions de l'orifice d'admission du combustible. . . . . . 67
Toit amovible et porte d'accès. . . . . . . . . . . . . . . . . . . . . . . 67
Pour enlever le toit: . . . . . . . . . . . . . . . . . . . . . . . . . . . 67
Pour enlever la porte d'accès: . . . . . . . . . . . . . . . . . . . 67
Pour installer la porte d'accès et le toit:. . . . . . . . . . . 67
LE SYSTÈME DE COMBUSTIBLE GAZEUX . . . . . . . . . . . . . 68-69
Consommation de Combustible . . . . . . . . . . . . . . . . . . . . . 69
Grosseur du Tuyau de Combustible . . . . . . . . . . . . . . . . . . 70
Charte de Comparaison des Combustibles . . . . . . . . . . . . 71
Dimension du Réservoir de Propane Requis Selon Diverses
Températures Lorsque Celui-ci est Maintenu au
Moins à Moitié Plein. . . . . . . . . . . . . . . . . . . . . . . 71
RACCORDS DE FILS. . . . . . . . . . . . . . . . . . . . . . . . . . . . . . . . . . 72
Couples de serrage recommandés . . . . . . . . . . . . . . . . . . . 72
Système de Branchement C.A. de la Génératrice. . . . . . . . 72
Mise à la Masse du Système. . . . . . . . . . . . . . . . . . . . . . . . . 72
Interconnexions du Circuit de Commande. . . . . . . . . . . . . 72
Commutateur de Démarrage à Distance à DEL. . . . . . . . . 72
AVANT LE DÉMARRAGE INITIAL . . . . . . . . . . . . . . . . . . . . . . . 72
Huile à Moteur . . . . . . . . . . . . . . . . . . . . . . . . . . . . . . . . . . . 72
Points Importants Concernant l'Huile. . . . . . . . . . . . . 72
Branchement de la Batterie . . . . . . . . . . . . . . . . . . . . . . . . . 73
Système d'Alimentation de Combustible. . . . . . . . . . . . . . . 73
SÉLECTION DU SYSTÈME DE COMBUSTIBLE . . . . . . . . . . . . 74
DÉMARRAGE INITIAL (SANS CHARGE) . . . . . . . . . . . . . . . . . 74
VÉRIFICATION INSTALLATION . . . . . . . . . . . . . . . . . . . . . . . . 74
CARACTÉRISTIQUES . . . . . . . . . . . . . . . . . . . . . . . . . . . . . . . . . 75
FONCTIONNEMENT DU SYSTÈME . . . . . . . . . . . . . . . . . . . . . 75
Entretien du Génératrice . . . . . . . . . . . . . . . . . . . . . . . . . . . 75
ENTRETIEN DE LA GÉNÉRATRICE. . . . . . . . . . . . . . . . . . . . . . 76
Changement d'huile à moteur et de filtre. . . . . . . . . . . . . . 76
Changement d'huile . . . . . . . . . . . . . . . . . . . . . . . . . . . 76
Changement du filtre à huile . . . . . . . . . . . . . . . . . . . . 76
Pour Nettoyer la Génératrice . . . . . . . . . . . . . . . . . . . . . . . 77
Communications avec le Fabricant . . . . . . . . . . . . . . . . . . . 77
REMISAGE . . . . . . . . . . . . . . . . . . . . . . . . . . . . . . . . . . . . . . . . . . 77
DÉPANNAGE . . . . . . . . . . . . . . . . . . . . . . . . . . . . . . . . . . . . . . . . 78
REMARQUES . . . . . . . . . . . . . . . . . . . . . . . . . . . . . . . . . . . . . . . . 79
SCHÉMA. . . . . . . . . . . . . . . . . . . . . . . . . . . . . . . . . . . . . . . . . . . . 24
SCHÉMA DE CÂBLAGE . . . . . . . . . . . . . . . . . . . . . . . . . . . . . . . 25
PIÈCES DE RECHANGE. . . . . . . . . . . . . . . . . . . . . . . . . . . . . 26-32
GARANTIE. . . . . . . . . . . . . . . . . . . . . . . . . . . . . . . . . . . . . . . . . . 80
TABLE DES MATIÈRES

Génératrice Résidentielle Briggs & Stratton Power Products
Manuel d'Installation, Démarrage et Utilisateur
59
DIRECTIVES DE SÉCURITÉ
IMPORTANTES
Le symbole indiquant un message de sécurité est accompagné
d'un mot indicateur (DANGER,ATTENTION,AVERTISSEMENT),
d'un message illustré et/ou d'un message de sécurité visant à vous
avertir des dangers. DANGER indique un danger qui, s'il n'est pas
évité, provoquera des blessures graves, voire fatales.
AVERTISSEMENT indique un danger qui, s'il n'est pas évité,
peut provoquer des blessures graves, voire fatales. ATTENTION
indique un danger qui, s'il n'est pas évité, peut provoquer des
blessures mineures ou légères. Le mot ATTENTION, lorsqu'il
est utilisé sans le symbole d'alerte, indique une situation pouvant
endommager l'équipement. Suivez les messages de sécurité pour
éviter ou réduire les risques de blessures ou de mort.
Le fabriquant ne peut anticiper toutes les circonstances
potentielles pouvant comporter un danger. Par conséquent, les
avertissements contenus dans le présent manuel, ainsi que les
plaques et les décalques apposés sur l'unité n'englobent pas toutes
les possibilités. Si vous utilisez une procédure, une méthode de
travail ou une technique d'opération non spécifiquement
recommandée par le fabricant, vous devez vous assurer qu'elle ne
compromet pas votre sécurité ni celle des autres.Vous devez
également vous assurer que la procédure, la méthode de travail
ou la technique d'opération que vous choisissez ne rende pas la
génératrice dangereuse.
REMARQUE: Votre génératrice est munie d'un silencieux pare-
étincelles. Le propriétaire/opérateur doit maintenir l'écran pare-
étincelles en bon état. Dans l'État de la Californie, un pare-
étincelles est requis par la Loi (Section 4442 du California Public
Resources Code). Il se peut que d'autres États aient des lois
semblables. Les lois fédérales s'appliquent sur les terres fédérales.
Seuls les électriciens et les techniciens en combustibles gazeux
qualifiés peuvent procéder à l'installation de ce système,
laquelle doit se conformer strictement aux codes, aux normes
et aux réglementations applicables.
AVERTISSEMENT
• Faites fonctionner le générateur SEULEMENT à l'extérieur.
• Assurez-vous que les gaz d'échappement ne puissent entrer par une
fenêtre, une porte, une prise d'aération ou une autre ouverture qui
pourrait leur permettre de s'accumuler dans un espace restreint.
• Évitez que les gaz d'échappement entrent dans un espace restreint,
par une fenêtre, une porte, une prise d'aération ou toute autre
ouverture.
Le générateur, lorsqu'il fonctionne, produit du monoxyde
de carbone, un gaz toxique inodore et incolore.
Le fait de respirer du monoxyde de carbone provoque
des nausées, des évanouissements ou peut être fatal.
DANGER
• NE jetez PAS la batterie dans le feu.
• NE laissez aucune flamme, étincelle, source de chaleur ou cigarette
allumée pendant ou plusieurs minutes suivant la charge de
l'accumulateur.
• N'ouvrez PAS ni N'endommagez la batterie.
• Portez des lunettes de protection, un tablier et des gants en caoutchouc.
• Enlevez votre montre, vos bagues et tout autre objet de métal.
• Utilisez des outils avec des poignées isolées.
Les batteries d'accumulateur produisent du gaz
hydrogène explosif lorsqu'elles se rechargent.
La plus petite étincelle enflammera l'hydrogène et
provoquera une explosion.
Le liquide d'électrolyte de l'accumulateur contient de
l'acide et est extrêmement caustique.
Le contact avec le liquide de l'accumulateur
provoquera de graves brûlures chimiques.
Toute batterie présente un risque de choc électrique
et de courant de court-circuit élevé.
DANGER
VEUILLEZ CONSERVER CES INSTRUCTIONS
• NE TOUCHEZ PAS les surfaces chaudes.
• Laissez l'équipement refroidir avant de le toucher.
• La génératrice ne doit pas se trouver à moins de 152,4 cm (5 pi) de
toute structure comportant des murs combustibles et/ou les autres
matériels combustibles.
• Laissez un dégagement d'au moins 1 m (3 pi) tout autour de l'enceinte
de la génératrice pour permettre une ventilation adéquate et un
espace suffisant pour sa maintenance et son entretien.
Les moteurs en fonctionnement produisent de la chaleur.
La température du silencieux et des endroits à proximité
peuvent atteindre, voire dépasser 150°F (65°C).
Le contact de ces pièces risque de causer de graves brûlures.
Des débris dans le combustible tels que feuilles, gazon,
broussailles,etc. peuvent s'enflammer.
AVERTISSEMENT

Génératrice Résidentielle Briggs & Stratton Power Products
Manuel d'Installation, Démarrage et Utilisateur
60
• Installez le système d'alimentation de combustible conformément aux
codes applicables aux combustibles et aux gaz.
• Avant de mettre en service le génératrice d’état d’attente, il faut
purger adéquatement les lignes d'alimentation de combustible et les
tester pour les fuites.
• Une fois le système installé, vous devez vérifier le système de
combustible sur une base régulière.
• Aucune fuite ne peut être tolérée.
• NE faites PAS fonctionner le moteur si vous sentez une odeur de
combustible ou si d'autres conditions d'explosion sont présentes.
• Abstenez-vous de fumer près de la génératrice. Essuyez
immédiatement tout déversement d'huile.Assurez-vous de ne laisser
aucun matériau combustible dans le compartiment de la génératrice.
Gardez la zone autour de la génératrice propre et sans débris.
Le gaz propane et le gaz naturel sont extrêmement
inflammables et explosifs.
Le feu ou l'explosion risque de provoquer des
blessures graves, pouvant être fatales.
AVERTISSEMENT
• Voir la section "Circuits Essentiels" à la page 66.
• Démarrez le générateur et laissez le moteur se stabiliser avant de
brancher les charges électriques.
Dépasser la capacité de puissance ou d'ampérage du
générateur risque d'endommager ce dernier et/ou les autres
appareils électriques qui y sont branchés.
ATTENTION
• NE trafiquez PAS la vitesse régulée. Le générateur produit une
fréquence nominale et une tension correctes lorsqu'il fonctionne à
une vitesse régulée.
• NE modifiez le générateur d'aucune façon.
Les vitesses de fonctionnement excessivement
élevées augmentent les risques de blessure ou
risquent d'endommager le générateur.
Les vitesses extrêmement lentes entraînent une charge
importante.
ATTENTION
• NE vous servez du générateur que pour les utilisations prévues.
• Si vous avez des questions concernant les utilisations prévues,
demandez à votre distributeur ou contactez Briggs and Stratton.
• NE faites fonctionner le générateur que sur des surfaces horizontales.
• Des débits d'air de refroidissement et d'aération adéquats sont
nécessaires au bon fonctionnement de la génératrice.
• La porte d'accès et le toit doivent être installés lorsque l'unité est en
marche.
• N'EXPOSEZ PAS le générateur à une humidité excessive, à de la
poussière, à de la saleté ou à des vapeurs corrosives.
• En dépit de la conception sécuritaire du génératrice d’état d’attente,
le fait d'opérer l'équipement de façon imprudente, de ne pas
l'entretenir ou d'être négligent peut causer des blessures et la mort.
• Demeurez alerte en tout temps lorsque vous travaillez sur cet
équipement. Ne travaillez jamais sur l'équipement si vous êtes fatigué
physiquement ou mentalement.
• NE démarrez JAMAIS le moteur sans son filtre à air ou sans le
couvercle du filtre à air.
• N'INSÉREZ aucun objet dans les fentes de refroidissement.
• N'UTILISEZ PAS la génératrice ni aucune partie de celle-ci comme
palier. Le fait de marcher sur l'unité peut causer des contraintes et
briser des pièces. Cela peut résulter en des conditions de
fonctionnement dangereuses à cause d'une fuite de gaz
d'échappement, de combustible, d'huile, etc.
• Si les appareils branchés sont en surchauffe, éteignez-les et
débranchez-les du générateur.
• Arrêtez le générateur si :
-la puissance électrique est inexistante;
-l'équipement produit des étincelles, de la fumée ou des flammes;
-l'unité vibre excessivement.
Un traitement inapproprié du générateur risque de
l'endommager et de raccourcir sa durée d'utilisation.
ATTENTION
• Lorsque vous utilisez le générateur comme source d'énergie de
secours, il est nécessaire d'aviser les services publics d'électricité.
• NE touchez PAS les fils dénudés ou les boîtiers.
• N'UTILISEZ PAS le générateur avec des cordons électriques usés,
effilochés ou dénudés, ou abîmés de quelque sorte que ce soit.
• NE manipulez PAS le générateur ou les cordons d'alimentation
lorsque vous êtes debout dans l'eau, pieds nus ou avec les mains ou
les pieds humides.
• Si vous devez travaillez autour d'une unité alors qu'elle est en marche,
placez-vous sur une surface sèche isolée afin de réduire les risques de
choc électrique.
• NE laissez PAS des personnes non qualifiées ou des enfants se servir
ou réparer le générateur.
• En cas d'accident causé par un choc électrique, procédez
immédiatement à la mise hors tension de l'alimentation électrique et
contacter des autorités locales. Évitez tout contact direct avec la
victime.
• Avant de procéder à tout entretien sur la génératrice, débranchez
tout d'abord le câble de batterie identifié par NEGATIVE,NEG ou
(-). Rebranchez le câble après avoir terminé.
• Une fois votre génératrice d’état d’attente installé, la génératrice peut
se lancer et démarrer sans avertissement lorsque survient une panne
électrique. Pour prévenir des blessures potentielles,AVANT de
travailler sur l'équipement, réglez toujours l'interrupteur
AUTO/OFF/MANUAL sur OFF, ET enlevez le fusible de 15 Ampères.
Le générateur produit une tension élevée.
NE PAS relier le générateur à la terre risque de
provoquer des électrocutions.
NE PAS isoler le générateur de l'installation électrique
risque de provoquer des blessures ou même d'être fatal
pour les ouvriers électriciens et de causer des dommages
au générateur dus à un "backfeed" d'énergie électrique.
AVERTISSEMENT

Génératrice Résidentielle Briggs & Stratton Power Products
Manuel d'Installation, Démarrage et Utilisateur
61
CONSERVEZ CES INSTRUCTIONS
Ce manuel contient d'importantes directives qu'il faut suivre lors
de l'installation et de la maintenance de la génératrice et de la
batterie.
INTRODUCTION
Merci d'avoir acheté une génératrice Briggs & Stratton Power
Products. Ce produit est conçu pour être utilisé comme
génératrice optionnelle fournissant une source d'électricité de
rechange et pour desservir des charges comme le chauffage, les
systèmes de réfrigération et les systèmes de communication qui,
lorsqu'ils sont arrêtés durant une panne d'électricité, peuvent
causer de l'inconfort ou d'autres désagréments. Ce produit ne se
qualifie pas comme génératrice d'urgence tel que défini par la
NFPA 70 (NEC).
Le présent guide contient des instructions relatives à l'installation et
au démarrage de systèmes de génération résidentiels pour les
appareils fonctionnant sous 120 et/ou 240 volts, monophasés, 60 Hz.
Tout a été fait pour s'assurer que les renseignements contenus
dans le présent guide soient exacts et à jour.Toutefois, le
fabriquant se réserve le droit de changer, de modifier ou encore
d'améliorer le système en tout temps, et ce, sans préavis.
La société Briggs & Stratton a tout fait pour fournir un
génératrice d’état d’attente dont l'installation soit sécuritaire,
facile et économique. Comme chaque installation est unique, il est
impossible de connaître et de recommander une marche à suivre
présentant toutes les méthodes et consignes d'installation
possibles. Briggs et Stratton ignore également les dangers et/ou les
résultats potentiels de chaque méthode ou procédure. C'est
pourquoi,
Seuls des entrepreneurs en électricité et en plomberie
qualifiés devraient procéder à l'installation des groupes
électrogènes.Toute installation doit être conforme à tous
codes de sécurité applicables, ainsi qu'aux normes et à la
réglementation de l'industrie.
RESPONSABILITÉS DE
L'ACHETEUR
• Vous devez lire et suivre les instructions indiquées dans ce
manuel, en particulier la section Sécurité et la section
concernant la sélection des circuits essentiels.
• Établissez un programme d'entretien, de soins et d'utilisation
régulier de votre génératrice d’état d’attente, tel qu'indiqué
dans ce manuel.
RESPONSABILITÉS DE
L'INSTALLATEUR
• Vous devez lire et respecter les règles de sécurité décrites
dans ce manuel.
• Vous devez lire et suivre les instructions indiquées dans ce
manuel.
IMPORTANT: Un chauffe-batterie doivent être installés
lorsque la génératrice est utilisée à des températures
inférieures à -12°C (10°F). Ces article sont disponibles auprès
de votre commerçant local.
AIDE À L'INSTALLATION
Au Propriétaire Résidentiel:
Afin de vous aider à faire des choix avisés et à communiquer
efficacement avec l'entrepreneur qui procédera à l'installation,
Veuillez lire avec soin la section Conseils au propriétaire
dans le présent guide avant de contracter un
entrepreneur ou de commencer l'installation de votre
génératrice d’état d’attente.
Pour assurer une installation adéquate, veuillez contacter le magasin
qui vous a vendu votre génératrice d’état d’attente Briggs &
Stratton, votre détaillant ou votre fournisseur de services
d'électricité.
Si l'installation du génératrice d’état d’attente n'est
pas effectuée par des professionnels certifiés en
électricité et en plomberie, la garantie sera
ANNULÉE.
Au Détaillant ou à l'Entrepreneur Procédant à l'Installation:
Le manuel renferme tous les renseignements nécessaires à
l'installation adéquate ainsi qu'au démarrage du génératrice
d’état d’attente pour la plupart des usages. Le présent manuel
décrit les procédures de sélection des circuits essentiels, de
fonctionnement normal et d'entretien par le propriétaire.
Si vous avez besoin de renseignements supplémentaires,
veuillez appeler au (800) 743-4115 de 8 h à 17 h HNC.
Nous garantissons que le dispositif antipollution de cette
génératrice répond aux normes établies par le U.S. Environmental
Protection Agency et le California Air Resources Board (CARB).

Génératrice Résidentielle Briggs & Stratton Power Products
Manuel d'Installation, Démarrage et Utilisateur
62
FAMILIARISEZ-VOUS AVEC VOTRE GÉNÉRATRICE D’ÉTAT D’ATTENTE
Lire ce manuel de l'utilisateur et les régles de sécurité avant de faire marcher votre générateur.
Comparez les illustrations avec votre générateur pour vous familiariser avec l'emplacement des diverses commandes et réglages. Gardez
ce manuel pour le consulter plus tard.
Filtre à Air
Filtre à
l'Huile
Décalque Apposé
sur l'Unité
Orifice
d'Échappement
Bouchon de Remplissage
et Jauge d'Huile
Orifice d'Admission du Combustible
Tableau de Commande
(voir la page 63)
Batterie
Boyau de Vidange d'Huile
Plaque du Moteur
Boîtier de Débranchement
Batterie - Batterie scellée de 12 Volts C.C., 33 Ampères-heures,
fournissant l'énergie pour démarrer le moteur. La batterie reçoit
une charge à faible débit lorsque la génératrice n'est pas en marche.
Boîtier de Débranchement - Boîte de jonction pratique pour
faciliter l'installation. Il vous permet brancher des appareils à la
sortie de la génératrice et de débrancher l'alimentation de service.
Bouchon de Remplissage et Jauge d'Huile - Vérifiez le niveau
d'huile et remplissez le moteur avec l'huile recommandée ici.
Boyau de Vidange d'Huile - Fourni afin de faciliter les
changements d'huile.
Décalque Apposé sur l'Unité - Identifie l'unité par son numéro
de série.
Filtre à Air - Utilise un élément de filtre du type sec et un pré-
filtre en mousse pour limiter le montant de saleté et de
poussières entrant dans le moteur.
Filtre à l'Huile - Filtre l'huile du moteur afin d'en prolonger la
durée de vie utile.
Orifice d'Admission du Combustible - Branchez le dispositif
d'alimentation en combustible approprié à la génératrice à cet
endroit.
Orifice d'Échappement - Silencieux haute performance qui
réduit le bruit du moteur afin de se conformer à la plupart des
codes en milieu résidentiel.
Plaque du Moteur (estampillé sur le dessus du couvercle
de soupape) - Identifie le modèle ainsi que le type de moteur.
Pochette de Levage - Fourni à chaque coin pour soulever de
génératrice.
Tableau de Commande - Utilisé pour diverses fonctions
d'essai, de fonctionnement et d'entretien.Voir "FAMILIARISEZ-
VOUS AVEC LE TABLEAU DE COMMANDE" à la page suivante.
La génératrice est illustrée sans toit, porte
d'accès en plastique et porte d'accès au
tableau de commande pour mieux voir.
Pochette de Levage

Génératrice Résidentielle Briggs & Stratton Power Products
Manuel d'Installation, Démarrage et Utilisateur
63
FAMILIARISEZ-VOUS AVEC LE TABLEAU DE COMMANDE
Comparez la présente illustration au tableau de commande de votre génératrice afin de vous familiariser avec l'emplacement des
importantes commandes suivantes:
Disjoncteur
DEL
Interrupteur
START/RUN/STOP
Fusible de
15 Ampères
Circuit Breaker Start/Run/Stop 15 Amp
Fuse
Commutateur START/RUN/STOP
(démarrage/marche/arrêt) - Le commutateur à trois positions
s'utilise comme suit :
• La position START (démarrage) permet de faire démarrer la
génératrice.
• La position RUN (marche) correspond au normal de
fonctionnement. Elle permet de faire démarrer la génératrice à
partir d'un commutateur à distance.
• La position STOP (arrêt) permet d'arrêter la génératrice.
DEL - Elle indique si la génératrice est en fonctionnement ou
non.
Disjoncteur - Protège le système des surtensions et doit être en
position ON pour alimenter le commutateur de transfert.
Fusible de 15 Ampères - Protège les circuits de commande
C.C. du génératrice d’état d’attente. Si le fusible est grillé (fondu
et ouvert) ou a été enlevé, le moteur ne peut être lancé ou
démarrer. Remplacez le fusible grillé uniquement par un fusible
BUSS AGC de 15A.

Génératrice Résidentielle Briggs & Stratton Power Products
Manuel d'Installation, Démarrage et Utilisateur
64
CONSEILS AU PROPRIÉTAIRE
La présente section présente au propriétaire du génératrice d’état
d’attente les renseignements dont il aura besoin pour que
l'installation du génératrice d’état d’attente soit la plus
satisfaisante et économique possible.
Les illustrations se rapportent à des cas typiques et ont pour but
de vous familiariser avec les différentes options d'installation de
votre génératrice d’état d’attente dont vous disposez. En
comprenant pleinement ces options, vous pourrez bien contrôler
les coûts liés à votre installation et assurer votre satisfaction finale
ainsi que votre sécurité.
Au moment de négocier avec un installateur professionnel, il faudra
tenir compte des facteurs suivants : les codes de sécurité locaux,
l'apparence, le niveaux de bruits, les types de carburant et les
distances. À mesure qu'augmente la distance entre la génératrice et
le service électrique existant ou l'alimentation en combustible
gazeux, la tuyauterie et le câblage doivent être modifiés en
conséquence. Ces modifications sont nécessaires pour se
conformer aux codes de sécurité locaux et pour surmonter les
chutes de tension et les baisses de pression du combustible gazeux.
Les facteurs mentionnés ci-dessus auront une incidence
directe sur le prix total de l'installation de votre
génératrice d’état d’attente.
REMARQUE: Dans certaines régions, vous devrez vous procurer
un permis de travail d'électricité pour installer le génératrice d’état
d’attente, un permis de construction pour l'installation des
canalisations de gaz, ainsi qu'un permis relatif au bruit.Votre
installateur est tenu de vérifier les codes locaux ET d'obtenir les
permis requis avant de procéder à l'installation du système.
Facteurs Relatifs au Combustible
Le type de combustible utilisé par votre génératrice de secours
aura une incidence importante sur l'ensemble de l'installation. La
génératrice a été testée en usine et réglée pour l'utilisation du gaz
naturel en tant que combustible. Le gaz de pétrole liquéfié (GPL)
peut également être utilisé en installant la trousse de conversion
incluse.
Pour assurer le fonctionnement approprié de la génératrice, il est
recommandé de suivre les directives suivantes relatives au
combustible:
Pour les moteur réglés sur l'utilisation du gaz de pétrole
liquéfié (GPL), le propane commercial de classe HD5, ayant
une énergie combustible minimum de 2500 Btu/pi3 à teneur
maximum de 5% de propylène et de butane et de 2,5% de gaz
plus lourds et une teneur minimum en propane de 90%,
convient.
Baisse de Puissance à Haute Altitude ou à Température
élevée
La densité de l'air étant moindre en haute altitude, la puissance du
moteur est donc réduite. En fait, la puissance du moteur sera
réduite de 3,5% pour chaque 1000 pieds (300 mètres) au-dessus
du niveau de la mer, et de 1% pour chaque 10° F (5,6°C) au-
dessus de 77°F (25°C).Votre installateur et vous-même devriez
vous assurer de tenir compte de ces facteurs au moment de
déterminer la charge totale de la génératrice.
PROCÉDURES D'INSTALLATION
Précautions Lors du Déballage
L'unité est boulonnée à son berceau de montage pour l'expédition et
est prête à être branchée. Prenez soins d'éviter les dommages causés
par une chute, un choc, une collision, etc. Entreposez et déballez la
boîte dans le bon sens, tel qu'indiqué sur le carton d'expédition.
Vérification de la Livraison
Après avoir enlevé le carton, examinez avec soin les éléments de
la génératrice pour tout dommage subi durant l'expédition.
IMPORTANT: Au moment de la livraison, si vous remarquez des
dommages ou des pièces manquantes, demandez au livreur de
noter tous les dommages sur la facture de fret et d'apposer sa
signature dans l'espace réservé à cet effet.Après la livraison, si
vous remarquez des pièces manquantes ou des dommages, mettez
les pièces endommagées de côté et communiquez avec le
transporteur pour connaître les procédures de réclamation. Les
pièces manquantes ou endommagées ne sont pas garanties.
Commutateurs de Transfert Approuvés
Le génératrice d’état d’attente doit être utilisé SEULEMENT avec
les commutateurs de transfert homologués UL suivants. Brancher
tout autre commutateur de transfert annulera la garantie sur
l'génératrice.
• Cet équipement est muni d'un robinet de sécurité pour la fermeture
automatique des gaz.
• N'opérez PAS l'équipement si le robinet de fermeture du combustible
est manquant ou ne fonctionne pas.
Le gaz propane et le gaz naturel sont extrêmement
inflammables et explosifs.
Le feu ou l'explosion risque de provoquer des
blessures graves, pouvant être fatales.
AVERTISSEMENT

Génératrice Résidentielle Briggs & Stratton Power Products
Manuel d'Installation, Démarrage et Utilisateur
65
Contenu de la Boîte
Le Génératrice d’état d’attente est Livré avec les
Éléments Suivants:
• Génératrice d’état d’attente avec boîtier de débranchement
• Berceau de montage préfixé
• Un tuyau de montage flexible de 24 po
• Manuel d'installation, de démarrage et du propriétaire
• Liste de vérification d'installation
• Commutateur de démarrage à distance à DEL
• Bac de vidange d'huile
• Peinture de retouche
• Un fusible de rechange de 15 A
• Trousse de conversion au GPL
• Sac pour le toit
Soulèvement de la Génératrice
ATTENTION! La génératrice pèse plus de 280 livres (127 kg).
Il faut utiliser des outils et de l'équipement appropriés et recourir
à un personnel qualifié pour chacune des phases de manipulation
et de déplacement de l'unité.
ATTENTION! NE soulevez PAS l'unité par son toit car cela
endommagera l'unité.
Il y a des pochettes de levage dans chaque coin, entre la base de la
génératrice et son berceau de montage. À l'aide de la peinture
pour retouche fournie, effectuez les retouches de peinture pour
toute surface écaillée.
Emplacement du Génératrice d’état
d’Attente
Avant d'appliquer les présentes directives générales, consultez le
propriétaire et faites-lui part de toute considération technique qui
pourrait influer sur ses désirs.
Dégagement Autour de la Génératrice
L'enceinte de la génératrice ne doit se trouver à moins de 152 cm
(5 pi) de toute structure comportant des murs combustibles
et/ou les autres matériels combustibles. Laissez au moins 92 cm
(3 pi) d'espace libre tout autour de génératrice, y compris au-
dessus, pour assurer une ventilation adéquate et un espace
suffisant pour sa maintenance et son entretien.
Placez la génératrice dans un endroit bien ventilé qui permet
l'élimination des gaz d'échappement mortels. N'installez PAS la
génératrice dans un endroit où les gaz d'échappement pourraient
s'accumuler et pénétrer ou être aspirés dans un édifice qui
pourrait être occupé.Assurez-vous que les gaz d'échappement ne
puissent entrer par une fenêtre, une porte, une prise d'aération
ou une autre ouverture qui pourrait leur permettre de
s'accumuler dans un espace restreint (Figure 25).Tenez aussi
compte des vents dominants et des courants d'air au moment de
choisir l'endroit où vous installerez la génératrice.
Directives Générales Concernant l'Emplacement
• Installez l'unité à l'extérieur SEULEMENT.
• Placez l'unité dans un endroit préparé à cet effet qui soit plat
et muni d'un drain pour l'écoulement des eaux.
• Installez l'unité là où les ouvertures pour l'entrée et la sortie
d'air ne seront pas obstruées par les feuilles, le gazon, la neige,
etc. Si des vents dominants causent des bourrasques ou des
amoncellements, il faut construire un brise-vent pour protéger
l'unité.
• Installez la génératrice aussi près que possible du système
automatique de transfert d'énergie afin de réduire la longueur
des fils et du conduit.
• Installez la génératrice aussi près que possible de l'alimentation
en combustible afin de réduire la longueur des tuyaux.
IMPORTANT: La loi ou les codes locaux peuvent réglementer la
distance entre le génératrice d’état d’attente et la source
d'alimentation en combustible.
Le génératrice d’état d’attente a été fixé à son berceau de
montage avant l'expédition. Sauf si stipulé par un code local,
aucune dalle en béton n'est nécessaire.
Si le code local exige une telle dalle, coulez une dalle de béton
mesurant au moins 3 pouces (7,5 cm) d'épaisseur et six pouces plus
long et plus large que l'unité elle-même. À l'aide de boulons d'ancrage
de maçonnerie de 1/4 po (0,64 cm) de diamètre (au minimum) et
suffisamment longs pour retenir l'unité, fixez l'unité à la dalle.
Figure 25 — Dégagement du Génératrice d’état d’attente
Orifice
d'échappement
• Faites fonctionner le générateur SEULEMENT à l'extérieur.
• Évitez que les gaz d'échappement entrent dans un espace restreint, par
une fenêtre, une porte, une prise d'aération ou toute autre ouverture.
Le générateur, lorsqu'il fonctionne, produit du monoxyde
de carbone, un gaz toxique inodore et incolore.
Le fait de respirer du monoxyde de carbone provoque
des nausées, des évanouissements ou peut être fatal.
DANGER

Génératrice Résidentielle Briggs & Stratton Power Products
Manuel d'Installation, Démarrage et Utilisateur
66
Circuits Essentiels
Consultez le propriétaire de l'immeuble pour en identifier
clairement les circuits "essentiels".
Il est important de bien comprendre quels circuits le propriétaire
souhaite inclure parmi les " circuits essentiels ". Selon la quantité
d'énergie consommée par ces circuits, la plupart de ceux-ci ou
tous, peuvent être commutés vers la génératrice de secours pour
la durée d'une panne de courant normale.
La Figure 26 présente un tableau de référence de puissance qui
guidera le propriétaire dans son choix. Celui-ci indique la
puissance utilisée par plusieurs appareils électroménagers
courants. Utilisez ce tableau comme guide au moment de choisir
les circuits essentiels. Révisez ces renseignements avec le
propriétaire et expliquez-lui les aspects techniques ayant une
incidence sur le coût de l'installation.
Sélection des Circuits Essentiels
Lors de la sélection des circuits essentiels qui seront commutés
vers l'alimentation de secours, il importe que la charge totale
combinée de ces circuits ne dépasse pas la capacité de puissance
ou d'intensité du courant de la génératrice.Veuillez tenir compte
des points suivants dans la sélection des circuits essentiels:
Additionnez la puissance totale de tous les appareils qui
seront branchés en même temps. Ce total NE doit PAS
dépasser la capacité de puissance de la génératrice.
La puissance nominale des lampes est indiquée sur les ampoules.
La puissance nominale des outils électriques, des appareils
électroménagers et des moteurs est habituellement indiquée sur
les plaques ou les décalques apposés sur les appareils.
Si la puissance n'est pas indiquée sur un appareil
électroménager, un outil ou un moteur, multipliez volts par
l'intensité nominale de l'appareil pour déterminer le nombre
de watts (Volts x Ampères = Watts).
Certains moteurs électriques (les moteurs à induction)
nécessitent environ trois fois plus de watts de puissance au
démarrage que lorsqu'ils sont en marche. Cette surtension ne
dure que quelques secondes. Lors de la sélection des appareils
électriques qui seront alimentés par le génératrice d’état
d’attente, assurez-vous d'allouer suffisamment de puissance
pour combler cette puissance de démarrage élevée.
• Calculez le nombre de watts nécessaires au démarrage
du plus gros moteur.
• Ajoutez le résultat au nombre de watts total de toutes
les autres charges branchées.
Le génératrice d’état d’attente de Briggs & Stratton est
conforme à la "puissance nominale de réserve
stationnaire" suivante:
La puissance nominale de réserve s'applique à la fourniture
d'électricité d'urgence pour la durée normale d'une panne de
courant. Cette puissance n'inclut aucune capacité de surcharge
permanente.
Appareil
Watts
utilisés
Conditionneur d’air (12 000 Btu)*
1 700
Conditionneur d’air (24 000 Btu)*
3 800
Conditionneur d’air (40 000 Btu)*
6 000
Chargeur de batterie (20 ampères)
500
Scie circulaire (6,5 po) (16,5 cm)
800 à 1 000
Sécheuse (électrique)*
5 750
Sécheuse (gaz)*
700
Lessiveuse*
1 150
Cafetière
1 750
Compresseur (1 HP)*
2 000
Compresseur (1/2 HP)*
1 400
Compresseur (3/4 HP)*
1 800
Fer à friser
700
Déshumidificateur*
650
Couverture électrique
400
Cuisinière électrique (par élément)
1 500
Poêle électrique
1 250
Congélateur*
700
Ventilateur de fournaise (3/5 HP)*
875
Ouvre-porte de garage*
500 à 750
Séchoir à cheveux
1 200
Perceuse à main
250 à 1 100
Fer à repasser
1 200
Pompe aspirante*
800
Ampoule électrique
100
Four à micro-ondes
700 à 1 000
Refroidisseur à lait*
1 100
Brûleur à mazout pour fournaise
300
Radiateur autonome au mazout
(140 000 Btu)
400
Radiateur autonome au mazout
(30 000 Btu)
150
Radiateur autonome au mazout
(85 000 Btu)
225
Radio
50 à 200
Réfrigérateur
700
Mijoteuse
200
Pompe submersible (1 HP)*
2 000
Pompe submersible (1/2 HP)*
1 500
Pompe submersible (1 1/2 HP)*
2 800
Pompe de puisard*
800 à 1 050
Scie d’établi (10 po)*
1 750 à 2 000
Téléviseur
200 à 500
Grille-pain
1 000 à 1 650
Figure 26 — Guide de Référence de Puissance
*Allouez trois (3) fois le nombre de watts pour le démarrage des appareils

Génératrice Résidentielle Briggs & Stratton Power Products
Manuel d'Installation, Démarrage et Utilisateur
67
Cette puissance nominale s'applique aux installations
desservies par un service électrique normalement fiable. Cette
puissance ne s'applique qu'aux charges variables avec facteur
de charge moyen de 80 % de la puissance de réserve. La
puissance de réserve ne s'applique qu'à l'alimentation de
réserve optionnelle là où la génératrice sert de source
d'énergie de réserve normale.
Utilisez le Guide de référence de puissance fourni, et indiquez les
circuits que vous considérez "critiques" ou "essentiels". L'installateur
et vous-même devez vous assurer de tenir compte de l'altitude au-
dessus du niveau de la mer et de la plage de température ambiante
lors de la détermination de la charge totale de la génératrice.
Directives d'Assemblage du Boîtier de
Débranchement
Le boîtier de débranchement se trouve dans un boîtier de type
NEMA 3R adapté pour un usage à l'intérieur et à l'extérieur.
Les directives pour l'assemblage du boîtier de débranchement
comprennent:
• Le boîtier de débranchement doit être installé avec la
quincaillerie de raccordement de conduits appropriée.
• Installez le boîtier de débranchement sur une structure de
soutien ferme et solide. Assurez-vous qu'il est au niveau et
d'aplomb. Ceci peut être accompli en insérant des rondelles
entre le boîtier de débranchement et la surface de fixation.
• N'installez JAMAIS le boîtier de débranchement dans un
endroit où une substance corrosive pourrait s'infiltrer.
• Protégez le boîtier de débranchement en tout temps contre
l'humidité, les poussières, les saletés, les peluches, le gravier et
les vapeurs corrosives.
La Figure 27 illustre une installation typique de boîtier de
débranchement. Discutez des suggestions/changements de disposition
avec le propriétaire avant d'entamer le processus d'installation.
Dimensions de l'Orifice d'Admission du
Combustible
Ci-dessous, la Figure 28 décrit l'emplacement du raccord de
tuyauterie du combustible.
Toit Amovible et Porte d'Accès
Le génératrice d’état d’attente est équipé d'une enceinte avec toit
amovible et porte d'accès au panneau électrique.
Pour enlever le toit:
Retirez les quatre vis et soulevez le toit.
Pour enlever la porte d'accès:
1. Retirez le toit de la façon décrite ci-dessus.
2. Retirez la vis en haut de la porte d'accès.
3. Tirez la porte d'accès vers l'extérieur de l'unité tout
exerçant une pression vers le haut et en l'éloignant de la
base. La porte se dégagera de l'enceinte de la génératrice.
Pour installer la porte d'accès et le toit :
1. Guidez le bas de la porte d'accès dans la base.
2. Poussez la porte d'accès jusqu'à ce qu'elle s'aligne avec les
côtés.
3. Replacez la vis de la porte.
4. Replacez le toit et les vis.
Figure 28 — Emplacement du Combustible et des Éléments
3/4” NPT
Connecteur de tuyauterie
de combustible
4.5”
13.5”
Figure 27 — Assemblage Typique d'un Boîtier de
Débranchement
Pochettes de Levage

Génératrice Résidentielle Briggs & Stratton Power Products
Manuel d'Installation, Démarrage et Utilisateur
68
LE SYSTÈME DE COMBUSTIBLE
GAZEUX
Avant d'appliquer ces consignes générales, consultez le
propriétaire du génératrice d’état d’attente et soulevez toute
considération technique qui pourrait influer sur ses plans
d'installation.
Les règles générales suivantes s'appliquent à la tuyauterie utilisée
dans les systèmes de combustible gazeux.
• La tuyauterie doit être fabriquée d'un matériau conforme aux
codes de sécurité fédéraux et locaux; elle doit être fixée
solidement et protégée contre les vibrations.
• Raccordez l'orifice d'admission de combustible du génératrice
d’état d’attente et la tuyauterie rigide à l'aide du tuyau flexible
pour combustibles (fourni).
• La tuyauterie doit être de la bonne dimension afin de
maintenir les pressions d'alimentation ainsi que le débit
volumétrique nécessaires sous diverses conditions.
• Afin de réduire la possibilité de fuites, utilisez un scellant ou
un composé approuvé pour joints de tuyauterie sur tous les
raccords à visser.
• Conformément aux codes et aux normes applicables, la
tuyauterie installée doit être adéquatement purgée et testée
pour son étanchéité.
Tenez compte des facteurs suivants lorsque vous planifiez
l'installation du système d'alimentation en combustible:
En ce qui a trait aux systèmes bi-énergie inviolables, le moteur du
génératrice d’état d’attente est conçu avec un système de
carburation du combustible qui satisfait aux spécifications de la
California Air Resources Board. L'unité fonctionnera avec le gaz
naturel ou le propane liquéfié.
• Au moins un robinet de fermeture manuelle doit être fixé sur
la ligne et situé à l'extérieur de l'édifice afin de faciliter
l'entretien de la génératrice.
• La pression de ravitaillement en gaz naturel à l'orifice
d'alimentation de combustible de la génératrice devrait se
situer entre 5 et 7 pouces d'eau (po W.C.) à pleine capacité.
La pression de ravitaillement en pétrole liquéfié devrait se
situer entre 11 et 14 pouces d'eau (po W.C.) à pleine capacité.
Le génératrice d’état d’attente a été réglé en usine pour
fonctionner au gaz naturel. Si vous devez changer le
combustible principal du gaz naturel au gaz de pétrole liquéfié, il
faudra reconfigurer l'unité en suivant les indications à la page 74.
Il est recommandé que le raccord du combustible inclut les pièces
suivantes:
• Un robinet de fermeture manuelle du carburant situé à
l'intérieur de l'édifice.
• Un robinet de fermeture manuelle du combustible situé à
l'extérieur de l'édifice, juste avant la génératrice.
• La terminaison de la tuyauterie rigide devrait inclure une
trappe à sédiments.
• Il faudrait inclure une sortie pour manomètre.
Les renseignements ci-dessous aideront les techniciens
en systèmes de combustible gazeux à concevoir les
installations. Ces renseignements ne doivent en aucun cas
être interprétés de façon à aller à l'encontre des codes
applicables aux combustibles gazeux. Si vous avez des
questions ou des problèmes, consultez votre fournisseur
de combustible local ou votre chef des pompiers.
• Le gaz de pétrole liquéfié est plus lourd que l'air et s'accumule près
du sol.
• Le gaz naturel est plus léger que l'air et s'accumule en hauteur.
• Même la plus petite étincelle peut enflammer ces combustibles et
causer une explosion.
Le gaz propane et le gaz naturel sont extrêmement
inflammables et explosifs.
Le feu ou l'explosion risque de provoquer des
blessures graves, pouvant être fatales.
AVERTISSEMENT
• Il faut que toute la longueur du connecteur flexible soit visible pour
l'inspection régulière et celui-ci ne doit être enfermé, être en contact
ou traverser un mur, un plancher ou une cloison.
Le connecteur ne doit pas être installé sous terre ou être en
contact avec la sol.
ATTENTION

Génératrice Résidentielle Briggs & Stratton Power Products
Manuel d'Installation, Démarrage et Utilisateur
69
La sortie pour manomètre permet l'installation temporaire d'un
manomètre (Figure 29), afin de s'assurer que le moteur reçoit la
pression de carburant adéquate pour fonctionner efficacement
dans l'ensemble de sa plage de fonctionnement.
REMARQUE: Un manomètre numérique, no de pièce 19495,
est disponible à votre centre de service local.
Lorsque la série initiale d'essais est complétée, le manomètre est
enlevé et la sortie bouchée. La Figure 30 présente un assemblage
typique de raccord de combustible.
Consommation de Combustible
Voir la Figure 31 pour les exigences en matière d'alimentation en
combustible à demi charge et à pleine charge pour le gaz naturel
et le gaz de pétrole liquéfié.
Figure 30 — Raccords de Combustible Complétés
Figure 29 — Manomètre Temporaire Installé
De la tuyauterie
d'alimentation en
combustible
Vers le génératrice
d’état d’attente
• Avant de mettre en service le génératrice d’état d’attente, il faut
purger adéquatement les lignes d'alimentation de combustible et les
tester pour les fuites.
• Aucune fuite ne peut être tolérée.
Le gaz propane et le gaz naturel sont extrêmement
inflammables et explosifs.
Le feu ou l'explosion risque de provoquer des
blessures graves, pouvant être fatales.
AVERTISSEMENT
Gas Naturel* Vapeur PL**
1/2 Charge Pleine charge 1/2 Charge Pleine charge
80 137 33 56
* = Gaz naturel en pieds cubes par heure (PCH)
** = Vapeur de pétrole liquéfié en pieds cubes par heure
Figure 31 — Exigences en Matière d'Alimentation en
Combustible

Génératrice Résidentielle Briggs & Stratton Power Products
Manuel d'Installation, Démarrage et Utilisateur
70
Grosseur du Tuyau de Combustible
Les Figures 32 et 33 indiquent la capacité maximum du tuyau en
pieds cubes de gaz par heure pour des pressions de gaz de 0,5 psi
ou moins et une colonne d'eau à chute de pression de 0,3 po. La
gravité spécifique des gaz y est illustrée.
Les valeurs indiquées compensent pour une quantité nominale de
restrictions causées par les lyres de dilatation, les joints, etc. Si la
tuyauterie comporte une quantité anormalement élevée de joints,
de lyres de dilatation ou d'autres restrictions, reportez-vous aux
codes fédéraux et locaux.
NPT 10ft 15ft 20ft 30ft 40ft 50ft 60ft 70ft 80ft 90ft 100ft
1/2” 168 146 115 93 79 70 63 59 55 51 48
3/4” 346 293 240 192 163 145 132 120 113 106 99
1” 653 549 446 360 307 274 250 230 211 197 187
Gaz Naturel (densité = 0,65)
NPT 10ft 15ft 20ft 30ft 40ft 50ft 60ft 70ft 80ft 90ft 100ft
1/2” 110 96 76 61 52 46 42 38 36 33 32
3/4” 277 192 158 126 107 95 87 79 74 69 65
1” 428 360 293 236 202 180 164 151 139 129 123
Gaz de Pétrole Liquéfié (GPL) (densité = 1,50)
Figure 32 — Dimensions du tuyau de GAZ NATUREL - Tableau de Débit du Gaz, en Pieds Cubes par Heure
Figure 33 — Dimensions du Tuyau de GAZ DE PÉTROLE LIQUÉFIÉ (GPL) - Tableau de Débit du Gaz, en Pieds Cubes par Heure

Génératrice Résidentielle Briggs & Stratton Power Products
Manuel d'Installation, Démarrage et Utilisateur
71
Charte de Comparaison des Combustibles
* PCI (Pouvoir calorifique inférieur) est la valeur nominale la plus réaliste.
** Le pouvoir calorifique supérieur ne tient pas compte de la perte de chaleur sous forme d'eau lors de la combustion.
*** La densité est indiquée en "Pieds cubes de gaz par gallon de liquide".
† Le poids est indiqué en "Livres par gallon de liquide".
Dimension du Réservoir de Propane Nécessaire Selon Diverses Températures Lorsque au
Moins à Moitié Plein
En tenant compte du débit de soutirage du gaz et de la température moyenne la plus froide en hiver, un installateur peut spécifier la
dimension requise du réservoir de stockage de pétrole liquéfié:
Propriétés physiques
Propane
Gaz naturel
État atmosphérique normal
Gaz
Gaz
Point d’ébullition (en °F) :
Initial
-44
-259
Final
-44
-259
Valeur calorifique :
Btu par gallon (LHV net*)
83 340
63 310
Btu par gallon (Brut**)
91 547
Pieds cubes (Gaz)
2 516
1 000
Densité***
36,39
57,75
Poids†
4,24
2,65
Indice d’octane :
Recherche
110+
110+
Moteur
97
Charte de Comparaison des Combustibles
Débit de soutirage (en pieds
cubes par heure, PCH)
32°F
(0° C)
20°F
(-6,7° C)
10°F
(-12,2° C)
0°F
(-17,8° C)
-10°F
(-23,3° C)
-30°F
(-34,4 C)
-40°F
(-40° C)
50 PCH
115
115
115
250
250
400
600
100 PCH
250
250
250
400
500
1000
1500
150 PCH
300
400
500
500
1000
1500
2500
200 PCH
400
500
750
1000
1200
2000
2500
300 PCH
750
1000
1500
2000
2500
4000
5000
Dimension Requise Pour le Réservoir de Propane (Selon la Température Moyenne la Plus Froide de l'Hiver), en Gallons

Génératrice Résidentielle Briggs & Stratton Power Products
Manuel d'Installation, Démarrage et Utilisateur
72
RACCORDS DE FILS
Couples de Serrage Recommandés
Serrez au couple tous les raccords/attaches selon les valeurs
recommandées indiquées à la Figure 34. Convenable pour le fil de
cuivre de 60°/75°C classement.
Système de Branchement C.A. de la
Génératrice
Un système de branchement C.A. monophasé à trois fils est utilisé
pour le génératrice d’état d’attente. L'assemblage du stator est
constitué d'une paire de bobines stationnaires à deux bornes
sortant de chaque bobine. La jonction des fils 22 et 33 forme le fil
neutre.Vous trouverez un schéma complet et un schéma de
câblage aux pages 24 et 25.
REMARQUE: Le neutre n'est pas raccordé à la terre au niveau
de la génératrice.
Mise à la Masse du Système
Raccordez un fil de cuivre torsadé, fourni par le fournisseur, à la
languette de contact de mise à la masse (GND) du boîtier de
débranchement et acheminez-le via le conduit jusqu'à la mise à la
masse (GND) du commutateur de transfert. Continuez le passage
du fil dans le conduit jusqu'au port de mise à la masse du panneau
de distribution principal.
Interconnexions du Circuit de Commande
Les interconnexions du circuit de commande sont formées de fils
de " 240V c.a. ". Ces deux fils doivent être acheminés par le
conduit. Ces deux fils doivent être acheminés par un conduit de
3/4 po de diamètre au minimum.Voici une brève description des
fonctions des fils de commande:
• Les fils transportent l'électricité vers la carte de circuit
imprimé de la génératrice, le chauffe-batterie et le réchauffeur
d'huile optionnels et ils chargent la batterie.
À l'aide d'un fil de cuivre torsadé d'au moins 300 V et 16 AWG, fourni
par l'installateur, raccordez les terminaux du circuit de commande du
boîtier de débranchement au commutateur de transfert.
Commutateur de démarrage à distance à
DEL
Le voyant de la plaque du commutateur de démarrage à distance
s'appelle la DEL. La DEL s'allume lorsque la génératrice a été mise
en marche au moyen du commutateur de démarrage. Une plaque
de montage est fournie pour son installation à l'intérieur dans un
endroit pratique. Il permet au propriétaire de contrôler l'état de
la génératrice. Consultez le propriétaire pour convenir d'un
endroit pratique.
Pour installer la plaque du commutateur de démarrage à
distance:
• Fixez la boîte électrique fournie par l'installateur au mur.
• À l'aide d'un câble fourni par l'installateur, branchez les fils du
commutateur de démarrage à distance au " Voyant d'état à
distance " du panneau de débranchement.
REMARQUE: Les fils du voyant DEL sont sensibles à la polarité.
• Fixez la plaque de montage à la boîte électrique.
AVANT LE DÉMARRAGE INITIAL
Huile à Moteur
Le moteur a été rempli avec l'huile recommandée avant son
expédition de l'usine.Avant de démarrer le moteur, vérifiez le
niveau d'huile et assurez-vous que le moteur a subi l'entretien
décrit dans la manuel d’Moteur.
Points importants Concernant l'Huile
Votre génératrice d’état d’attente est muni d'un moteur qui a été
testé en usine, et il n'est donc pas nécessaire d'effectuer la
procédure de rodage traditionnelle.
Afin de fournir une meilleure capacité de réserve, le système est
rempli d'huile synthétique (API SJ/CF 5W-30W). Cela permet
au système de fonctionner dans une plage élargie de températures
et de conditions climatiques.
REMARQUE: L'utilisation de l'huile synthétique NE modifie
nullement les intervalles de changement d'huile recommandés ci-
dessous dans la manuel d’Moteur.
• Reportez-vous au manuel d'utilisation du moteur au sujet de l'huile et
du combustible.
• La garantie sera annulée si des dommages à l'équipement sont
entraînés par le manquement à se conformer à cette directive.
Toute tentative de démarrer le moteur sans qu'il ait été rempli
avec l'huile recommandée entraînera une panne de
l'équipement..
ATTENTION
RACCORDS: Couple de serrage
Dans le panneau de distribution principal:
Référez-vous aux spécifications du fabriquant du panneau
Dans le tableau de commande:
240 V C.A. de service 18 in-lb
Démarrage du moteur 5 in-lb
Arrêt du moteur 5 in-lb
Voyant d'état à distance 5 in-lb
Disjoncteur 20 in-lb
Mise à la terre 35 in-lb
Coupe-circuits:
Reportez-vous aux spécifications du fabricant des coupe-circuits
Figure 34 — Couples de Serrage Recommandés

Génératrice Résidentielle Briggs & Stratton Power Products
Manuel d'Installation, Démarrage et Utilisateur
Branchement de la Batterie
Le groupe électrogène est livré avec une batterie de 12 volts
C.C., de type AGM, 33 ampères-heures, à soupape régulatrice.
C'est une batterie rechargeable scellée avec accumulateurs au
plomb. Elle est installée dans l'unité, et ses câbles sont branchés en
usine. Le fusible de 15 Ampères de l'unité, lequel isole la batterie
et empêche le démarrage de l'unité, a été enlevé pour fins
d'expédition. La batterie qui perd une partie de sa charge avant
l’installation de la génératrice. Si la tension de la batterie est
inférieure à 12 volts, rechargez-la batterie.
IMPORTANT: Si la tension de la batterie est inférieure à 5 volts,
il est possible qu’elle se ne charge pas et que vous ayez besoin
d'une autre batterie.
Rechargez la Batterie
Si vous devez faire charge de la batterie, procédez comme suit:
1. Dégagez l'interrupteur de débranchement du boîtier de
débranchement.
2. Retirez le fusible de 15 ampères du panneau électrique.
3. À l'aide de la quincaillerie fournie, débrancher le fil noir de la
batterie au terminal négative de la batterie (identifié par
NEGATIVE, NEG ou (-)).
4. Rechargez la batterie avec le chargeur de batterie à
2 ampères jusqu’à obtention de la tension de 12 volts.
REMARQUE : Alors que la batterie est installée, que tous les
câbles reliant le commutateur de transfert et le groupe
électrogène sont branchés, que l'électricité de service est fournie
au commutateur de transfert automatique et que l'unité est en
mode AUTO, la batterie reçoit une charge à faible débit si le
moteur n'est pas en marche. Ce procédé peut exiger jusqu’à
72 heures pour une recharge complète de la batterie à partir de
5 volts. Le chargeur à faible débit ne peut être utilisé pour
recharger une batterie complètement à plat.
5. À l'aide de la quincaillerie fournie, branchez le fil noir de la
batterie au terminal négative de la batterie (identifié par
NEGATIVE, NEG ou (-)).
6. Assurez-vous que la quincaillerie des terminaux positif et de
retour de la batterie sont fixés solidement.
7. Installez le fusible de 15 Ampères dans le panneau électrique.
8. Réinstallez l'interrupteur de débranchement dans le boîtier
de débranchement.
Entretien de la Batterie
Si vous devez faire l'entretien de la batterie, procédez comme suit:
1. Dégagez l'interrupteur de débranchement du boîtier de
débranchement.
2. Retirez le fusible de 15 ampères du panneau électrique.
3. Le service ou remplace la batterie comme exigé.
4. À l'aide de la quincaillerie fournie, branchez le fil rouge de la
batterie au terminal positif de la batterie (identifié par
POSITIVE, POS ou (+)).
5. À l'aide de la quincaillerie fournie, branchez le fil noir de la
batterie au terminal négative de la batterie (identifié par
NEGATIVE, NEG ou (-)).
6. Assurez-vous que la quincaillerie des terminaux positif et de
retour de la batterie sont fixés solidement.
7. Installez le fusible de 15 Ampères dans le panneau électrique.
8. Réinstallez l'interrupteur de débranchement dans le boîtier
de débranchement.
Système d'Alimentation en Combustible
Assurez-vous que tous les raccords du tuyau de combustible sont
fermement serrés et fixés et qu'il n'y a pas de fuite.
Assurez-vous que tous les robinets de fermeture de la canalisation
de gaz sont en position "OPEN" et qu'une pression de
combustible adéquate est disponible.
73
• N'installez PAS ce fusible avant que toute la plomberie et le
câblage n'aient été complétés et vérifiés.
L'installation du fusible tel que pourrait causer le démarrage
du moteur.
ATTENTION
• NE jetez PAS la batterie dans le feu.
• NE laissez aucune flamme, étincelle, source de chaleur ou cigarette
allumée pendant ou plusieurs minutes suivant la charge de
l'accumulateur.
• N'ouvrez PAS ni N'endommagez la batterie.
• Portez des lunettes de protection, un tablier et des gants en caoutchouc.
• Enlevez votre montre, vos bagues et tout autre objet de métal.
• Utilisez des outils avec des poignées isolées.
Les batteries d'accumulateur produisent du gaz
hydrogène explosif lorsqu'elles se rechargent.
La plus petite étincelle enflammera l'hydrogène et
provoquera une explosion.
Le liquide d'électrolyte de l'accumulateur contient de
l'acide et est extrêmement caustique.
Le contact avec le liquide de l'accumulateur
provoquera de graves brûlures chimiques.
Toute batterie présente un risque de choc électrique
et de courant de court-circuit élevé.
DANGER
• NE tentez PAS d’utiliser une batterie d’appoint.
• La garantie sera annulée si des dommages à l’équipement sont
entraînés par le non-respect de cette directive.
L’omission de débrancher le câble négatif de la batterie
entraînera une panne de l’équipement.
ATTENTION

Génératrice Résidentielle Briggs & Stratton Power Products
Manuel d'Installation, Démarrage et Utilisateur
74
SÉLECTION DU SYSTÈME DE
COMBUSTIBLE
Le moteur de votre génératrice d’état d’attente est calibré en
usine pour utiliser le gaz naturel (GN). Il peut également
fonctionner avec du gaz de pétrole liquéfié (GPL).Aucune
quincaillerie ni équipement supplémentaire n'est nécessaire pour
changer de combustible.
Pour configurer le système de combustible pour le gaz de
pétrole liquéfié:
1. Toutefois, la pression d'entrée du combustible de pétrole
liquéfié doit se situer entre 11 à 14 pouces d'eau.
2. Dégagez l'interrupteur de débranchement du boîtier de
débranchement.
3. Enlevez le fusible de 15 Ampères.
4. Changez le gicleur principal dans le mélangeur de
combustible en suivant la feuille de directives (numéro de
pièce 195083GS) fournie dans la trousse de conversion au
GPL.
5. Réinstallez le fusible de 15 Ampères.
6. Réinstallez l'interrupteur de débranchement dans le boîtier
de débranchement.
Le système est maintenant prêt à fonctionner automatiquement
avec du gaz de pétrole liquéfié.Avec un gicleur principal fixe pour
le gaz de pétrole liquéfié, nul besoin de régler le moteur pour qu'il
fonctionne au pétrole liquéfié.
DÉMARRAGE INITIAL (SANS
CHARGE)
Commencez des essais du système sans aucun branchement de
charges électriques, tel qu'indiqué ci-dessous:
1. Réglez le disjoncteur principal de la génératrice sur sa
position OFF (ouverte).
2. Installez le fusible de 15 Ampères dans le panneau
électrique.
3. Maintenez enfoncé le commutateur START/RUN/STOP à la
position START jusqu'à ce que la DEL s'allume.
REMARQUE: NE démarrez PAS le moteur pendant plus de
15 secondes; prenez une pause de 15 secondes pour réduire la
chaleur dans le démarreur. Recommencez le processus jusqu'à ce
que le moteur démarre.
IMPORTANT: Si vous relâchez le commutateur avant que la
DEL s'allume, la génératrice s'arrêtera.
REMARQUE: Pour le démarrage initial du génératrice d’état
d’attente, il faut purger l'air contenue dans les canalisations de
combustible. Cela peut nécessiter quelques minutes.
4. Écoutez s'il y a des bruits ou vibrations inhabituels et soyez
attentif à tout signe de fonctionnement anormal.Vérifiez s'il y
a des fuites d'huile pendant que la génératrice fonctionne.
5. Laisser le moteur se réchauffer durant cinq minutes environ
afin de permettre à sa température interne de se stabiliser.
Puis, réglez le disjoncteur principal de la génératrice à la
position ON (fermé).
6. Branchez un voltmètre C.A. précis et un fréquencemètre
pour vérifier la tension de sortie de la génératrice sur les
languettes de contact emergency/generator connection du
commutateur de transfert. La tension devrait être de 230 à
240 volts, et la fréquence devrait être de 62,0 à 62,5 Hz.
7. Vérifiez la tension de sortie de la génératrice entre une des
languettes de contact emergency/generator connection et la
languette de contact neutre, puis entre l'autre languette de
contact de la emergency/generator connection et la languette
de contact neutre. Dans les deux cas, la lecture de la tension
de sortie devrait se situer entre 115 et 120 volts.
8. Maintenez enfoncé le commutateur START/RUN/STOP à la
position STOP jusqu'à ce que la DEL s'éteigne. Le moteur
devrait s'arrêter.
VÉRIFICATION INSTALLATION
Avant de mettre en service le génératrice d’état d’attente, vérifiez
avec soins l'ensemble de l'installation.Assurez-vous de retoucher
toute éraflure ou écaillure de peinture à l'intérieur ou à
l'extérieur de l'enceinte avec la peinture de retouche fournie.
Tout en procédant à la vérification, complétez la liste de contrôle
de l'installation.Assurez-vous que tous les éléments sont cochés
et que toutes les signatures ont été obtenues. Indiquez au
propriétaire qu'il doit poster la copie blanche à:
Briggs & Stratton Power Products
Warranty Registration
P. O. Box 1144
Milwaukee,Wisconsin 53201-1144

Génératrice Résidentielle Briggs & Stratton Power Products
Manuel d'Installation, Démarrage et Utilisateur
75
CARACTÉRISTIQUES
Puissance Nominale Maximum (PL*) . . . . . . . . . . . . . .7,000 Watts
Charge Nominale Maximum:
à 240 Volts . . . . . . . . . . . . . . . . . . . . . . . . . . . . . . .29.1 Ampères
à 120 Volts . . . . . . . . . . . . . . . . . . . . . . . . . . . . . . .58,3 Ampères
Tension Nominale C.A. . . . . . . . . . . . . . . . . . . . . . . .120/240 Volts
Fréquence Nominale . . . . . . . . . . . . . . . . . . . .60 Hz à 3,600 tr/m
Phase . . . . . . . . . . . . . . . . . . . . . . . . . . . . . . . . . . . . . . .Monophasé
Facteur de Puissance . . . . . . . . . . . . . . . . . . . . . . . . . . . . . . . . . .1.0
Pression d'alimentation
en combustible (gaz naturel) . . . . . . . . . . . . . . . . . .5 à 7 po W.C.
Pression d'alimentation en combustible
(gaz de pétrole liquéfié) . . . . . . . . . . . . . . . . . . . .11 à 14 po W.C.
Plage d'Utilisation Normale . . . .-20°F (-28.8°C) to 104°F (40°C)
Niveau de bruit en sortie .81 dB(A) à 23 pi (7 m) à pleine charge
Poids du Système à l'Expédition . . . . . . . . . . . . . . . . . . . . .280 lbs.
* Le débit de gaz naturel dépend du combustible spécifique, mais
la dépréciation typique se situe entre 10 et 20% du débit du gaz
de pétrole liquéfié.
FONCTIONNEMENT DU SYSTÈME
Pour choisir fonctionnement du système, suivez la procédure
décrite ci-dessous:
1. Maintenez enfoncé le commutateur START/RUN/STOP à la
position START jusqu'à ce que la DEL s'allume.
2. Reportez-vous au manuel du commutateur de transfert pour
tout détail sur le transfert approprié du service public à la
génératrice.
Entretien du Génératrice
Pour l'entretien du génératrice:
1. Retirez le toit en dévissant les quatre vis et en le soulevant.
2. Retirez la vis en haut de la porte d'accès du tableau de
commande.
3. Tirez la porte d'accès vers l'extérieur de l'unité tout
exerçant une pression vers le haut et en l'éloignant de la
base. La porte se dégagera de l'enceinte de la génératrice.
4. Dégagez l'interrupteur de débranchement du boîtier de
débranchement.
5. Réglez le disjoncteur principal de la génératrice en position
OFF.
6. Enlevez le fusible de 15 Ampères.

Génératrice Résidentielle Briggs & Stratton Power Products
Manuel d'Installation, Démarrage et Utilisateur
76
ENTRETIEN DU GÉNÉRATEUR
La garantie de la génératrice ne couvre pas les éléments soumis à
l'abus ou à la négligence de l'opérateur. Pour obtenir la pleine
application de la garantie, il faut que l'opérateur maintienne le système
conformément aux instructions du manuel d'utilisation du moteur.
IMPORTANT: Avant d'effectuer un entretien de la génératrice,
suivez bien toutes les étapes de la section "Entretien du
génératrice" de la page 75.
L'entretien du générateur consiste à le garder propre et sec. Faire
marcher et remiser l'appareil dans un environnement propre et sec
où celui-là ne sera pas exposé à trop de poussière, de saleté,
d'humidité ou à des vapeurs corrosives. Les fentes de
refroidissement par air du générateur ne doivent pas être
bouchées par de la neige, des feuilles ou tout autre corps étranger.
Vérifiez souvent la propreté de l'appareil et nettoyez ce dernier
lorsque de la poussière, des saletés, de l'huile, de l'humidité ou
d'autres substances étrangères sont visibles sur sa surface extérieure.
REMARQUE: Nous NE RECOMMANDONS PAS d'utiliser un
tuyau d'arrosage pour nettoyer le générateur. L'eau peut entrer
dans le moteur et causer des problèmes.
Changement d'Huile à Moteur et de Filtre
Retirez les deux vis de chaque couvercle d'accès en plastique, puis
enlevez les couvercles d'accès des deux côtés de l'enceinte de la
génératrice.
Vidange de l'Huile
1. Déposez le tube de vidange d'huile dans un récipient approuvé.
2. Enfoncez et tournez le raccord de vidange d'huile d'un quart de
tour dans le sens antihoraire.Tirez lentement le raccord vers
l'extérieur jusqu'à ce que l'huile commence à s'écouler
(Figure 35). Prenez garde de NE PAS retirer complètement le
raccord.
3. Une fois l'huile vidangée, enfoncez le raccord et tournez-le
d'un quart de tour dans le sens horaire jusqu'à ce qu'il se
bloque en place.
4. Glissez le tube de vidange d'huile dans son attache sur le
générateur.
Changement du filtre à huile
1. Placez le bac de vidange d'huile sur la tuyauterie et faites-le
glisser sous le filtre à huile (Figure 36).
2. Pour changer le filtre à huile, suivez les instructions du
manuel d'utilisation du moteur.
3. Retirez le bac de vidange d'huile sous le filtre à huile et
nettoyez tout déversement d'huile.
GARDEZ HOS DE PORTÉE DES ENFANTS. NE
POLLUEZ PAS. CONSERVEZ LE SURPLUS.
RAPPORTEZ L'HUILE USAGÉE AUX CENTRES DE
RECYCLAGE.
Pour mettre de l'huile dans le moteur:
• Suivez les recommandations applicables à l'huile synthétique
données à la section " Huile à moteur " de la page 73 et les
directives de remplissage d'huile qui figurent dans le manuel
d'utilisation du moteur.
Figure 36 — Changement du Filtre à Huile avec l'Encoche en
Vidange d'Huile
l'Encoche en
Vidange d'Huile
Figure 35 — Raccord de Vidange d'Huile
• Il a été démontré que l'huile moteur usagée risque de provoquer un
cancer de la peau chez certains animaux de laboratoire.
• Rincez consciencieusement les zones exposées avec de l'eau et du
savon.
Évitez tout contact cutané prolongé ou répété avec l'huile
moteur usagée.
ATTENTION
• Reportez-vous au manuel d'utilisation du moteur au sujet de l'huile et
du combustible.
• La garantie sera annulée si des dommages à l'équipement sont
entraînés par le manquement à se conformer à cette directive.
Toute tentative de démarrer le moteur sans qu'il ait été rempli
avec l'huile recommandée entraînera une panne de
l'équipement.
ATTENTION

Génératrice Résidentielle Briggs & Stratton Power Products
Manuel d'Installation, Démarrage et Utilisateur
77
Pour Nettoyer le Générateur
• Se servir d’un chiffon humide pour essuyer et nettoyer les
surfaces extérieures.
• Une brosse douce à poils soyeux peut être utilisée pour
dégager la saleté, l’huile durcie.
• Un aspirateur peut être utilisé pour ramasser la saleté et les
débris qui ne sont pas collés.
• On peut se servir d’air comprimé à basse pression (pas plus
de 25 psi) pour enlever la saleté. Inspectez les fentes d’air de
refroidissement et les ouvertures sur le générateur. Ces
ouvertures doivent rester propres et non bouchées.
Communications avec le Fabricant
Si vous devez communiquer avec le service technique de la
société Briggs & Stratton pour l'entretien ou la réparation de
cette unité, ayez en main les renseignements suivants:
1. Notez le numéro de modèle ainsi que le numéro de série de
l'unité, lesquels sont indiqués sur le décalque apposé sur
l'unité. Consultez le schéma "Familiarisez-vous Avec Votre
Génératrice d’état d’Attente" pour déterminer leur
emplacement.
2. Notez les numéros de modèle, de type et de code du
moteur, lesquels sont indiqués sur la plaque apposée au
moteur. Consultez le schéma "Familiarisez-vous Avec Votre
Génératrice d’état d’Attente" pour déterminer leur
emplacement.Veuillez noter que le numéro de modèle peut
varier légèrement de celui illustré dans le présent document.
REMISAGE
La génératrice Briggs & Stratton est conçue pour produire une
alimentation de secours de façon continue.Ainsi, vous n'avez nul
besoin de prendre des précautions d'entreposage.Toutefois, s'il
devient nécessaire de désactiver le système durant une période
prolongée, appelez le service technique de Briggs & Stratton au
(800) 743-4115, entre 8 h et 17 h HNC, pour obtenir des
recommandations spécifiques.
• N'EXPOSEZ PAS le générateur à une humidité excessive, à de la
poussière, à de la saleté ou à des vapeurs corrosives.
• N'INSÉREZ aucun objet dans les fentes de refroidissement.
Un traitement inapproprié du générateur risque de
l'endommager et de raccourcir sa durée d'utilisation.
ATTENTION

Génératrice Résidentielle Briggs & Stratton Power Products
Manuel d'Installation, Démarrage et Utilisateur
78
DÉPANNAGE
Problème Cause Solution
Le moteur fonctionne, mais il n'y a
aucune sortie de C.A.
1. Disjoncteur ouvert ou défectueux.
2. Défaillance dans la génératrice.
3. Raccords du câblage mal effectués ou
commutateur de transfert défectueux.
1. Réarmez ou remplacez le disjoncteur.
2. Contactez le centre d'entretien Briggs
& Stratton.
3. Vérifiez et réparez.
Le moteur tourne bien sans charge
mais connaît des ratés lorsque les
charges sont branchées.
1. Court-circuit dans une des charges
branchées.
2. Surcharge de la génératrice.
3. Court-circuit sur un circuit de la
génératrice.
4. La pression de combustible est
incorrecte.
5. Le mélange de combustible (NG) est
incorrecte.
1. Débranchez la charge électrique ayant
un court-circuit.
2. Voir "Circuits Essentiels".
3. Contactez le centre d'entretien Briggs
& Stratton.
4. Consultez la section "Système de
combustible gazeux" du guide
d'installation.
5. Consultez la section "Système de
combustible gazeux" du guide
d'installation.
Le moteur ne démarre pas, ou il
démarre et a des ratés.
1. Fusible de 15 Ampères manquant ou
grillé.
2. Panne de combustible.
3. La batterie n'a pas assez de pouvoir
pour couder par-dessus le génératrice
dans les températures froides.
4. Batterie défectueuse.
1. Installez un fusible (neuf) de 15
Ampères.
2. Ouvrez la(les) vanne(s) de
combustible; vérifiez le réservoir de
gaz propane.
3. Installer la batterie plus chaude,
contactez le centre d'entretien Briggs
& Stratton
4. Remplacez la batterie.
Le moteur s'arrête lorsqu'il est en
marche.
1. Panne de combustible.
2. Le voyant de panne clignote.
1. Vérifiez les vannes de combustible;
remplissez le réservoir de gaz
propane.
2. Comptez le nombre de clignotements
et référez-vous à "Système de
Détection des Pannes".
Perte de puissance sur les circuits
essentiels.
1. Disjoncteur ouvert sur la génératrice.
2. Problèmes de commutateur de
transfert.
1. Réarmez le disjoncteur.
2. Voir le manuel du commutateur de
transfert.

Génératrice Résidentielle Briggs & Stratton Power Products
Manuel d'Installation, Démarrage et Utilisateur
79
REMARQUES

GARANTIE DU PROPRIÉTAIRE D'UN PRODUIT BRIGGS & STRATTON POWER PRODUCTS GROUP, LLC
GARANTIE LIMITÉE
Briggs & Stratton Power Products Group, LLC réparera ou remplacera, sans frais, toutes pièces d'équipement défectueuses comportant un vice
de matériau ou un défaut de fabrication ou les deux. En vertu de la présente garantie, les frais de transport des pièces soumises pour réparation
ou remplacement sont à la charge de l'acheteur. La présente garantie sera en vigueur durant les périodes stipulées ci-dessous et est assujettie
aux conditions stipulées ci-dessous. Pour obtenir des services en vertu de la garantie, veuillez consulter notre Outil de recherche d'un Service
après-vente agréé au http://www.briggspowerproducts.com afin de trouver un distributeur de service après-vente agréé dans votre région.
IL N'EXISTE AUCUNE AUTRE GARANTIE EXPRESSE. LES GARANTIES IMPLICITES, INCLUANT CELLES DE QUALITÉ MARCHANDE ET
D'ADAPTATION À UN USAGE PARTICULIER, SONT LIMITÉES À UNE PÉRIODE D'UN AN À PARTIR DE LA DATE D'ACHAT OU JUSQU'À LA
LIMITE PERMISE PAR LA LOI, TOUTE GARANTIE IMPLICITE EST EXCLUE. LA RESPONSABILITÉ POUR DOMMAGES ACCESSOIRES OU
INDIRECTS EST EXCLUE DANS LA MESURE OÙ UNE TELLE EXCLUSION EST PERMISE PAR LA LOI. Certains États/provinces ou pays
n'autorisent aucune restriction sur la durée d'une garantie implicite, et certains États/provinces ou pays n'autorisent pas l'exclusion ou la limitation
des dommages consécutifs ou indirects. Par conséquent, les restrictions et exclusions décrites ci-dessus pourraient ne pas s'appliquer dans votre
cas. La présente garantie vous accorde certains droits légaux spécifiques et vous pourriez également en avoir d'autres, qui peuvent varier d'un
État ou d'une province à l'autre et d'un pays à l'autre.
NOTRE ÉQUPEMENT*
MOTEUR
HORS-BORD NETTOYEUR À
HAUTE
PRESSION
POMPE À EAU
(Pas disponible
aux États-Unis)
GÉNÉRATRICE
PORTATIVE
SOUDEUR MMooiinnss ddee 1100 kkWW1100 kkWW oouu pplluussCommutateur
de Transfert
2 ans
aucune
1 an
90 jours
1 an
90 jours
2 ans
1 an
2 ans
aucune
3 ans ou
1500 heures
aucune
3 ans
aucune
PÉRIODE DE GARANTIE**
SYSTÈME DE GÉNÉRATRICE RÉSIDENTIELLE
Usage par un consommateur
Usage à des fins commerciales
* Le moteur et les batteries de démarrage sont garantis uniquement par les fabricants de ces produits.
** 2 ans pour tous les produits grand public de l'Union européenne. Les pièces seulement à la deuxième année pour l'usage par un
consommateur de la Génératrice portative et du Groupe électrogène - moins de 10 kW, à l'extérieur de l'Union européenne.
La période de garantie débute à la date d'achat par le premier acheteur au détail ou par le premier utilisateur commercial final, et se prolonge pour la
durée stipulée dans le tableau ci-dessus. "Usage par un consommateur" signifie utilisation domestique personnelle dans une résidence, par l'acheteur
au détail. "Usage à des fins commerciales" signifie toute autre utilisation, y compris à des fins commerciales, générant de revenus ou de location. Aux
fins de la présente garantie, dès qu'un équipement a été utilisé commercialement une fois, il est par la suite considéré comme étant d'usage à des fins
commerciales. L'équipement utilisé pour l'alimentation principale n'est pas couvert par la présente garantie. Les nettoyeurs à haute pression
électriques utilisés à des fins commerciales ne sont pas couverts par la présente garantie.
POUR EXERCER LA GARANTIE SUR TOUT PRODUIT FABRIQUÉ PAR BRIGGS & STRATTON, IL N'EST PAS NÉCESSAIRE DE L'ENREGISTRER.
CONSERVEZ LE REÇU COMME PREUVE D'ACHAT. SI, LORS D'UNE RÉCLAMATION DE GARANTIE, VOUS NE POUVEZ PROUVER LA DATE
INITIALE DE L'ACHAT, NOUS UTILISERONS LA DATE DE FABRICATION DU PRODUIT COMME DATE DE RÉFÉRENCE POUR DÉTERMINER LA
PÉRIODE DE GARANTIE.
À PROPOS DE LA ÉQUPEMENT GARANTIE
Nous acceptons de faire effectuer les réparations couvertes par la garantie et tenons à nous excuser pour tout inconvénient subi. Tout agent d'un service après-vente agréé
peut exécuter les réparations couvertes par la garantie. La plupart des réparations couvertes par la garantie sont traitées automatiquement; cependant, il arrive parfois que
les demandes de service en vertu de la garantie soient non fondées. Par exemple, la garantie ne couvre pas les dommages causés à l'équipement par une utilisation
abusive, par un manque d'entretien périodique, durant l'expédition, la manutention ou l'entreposage, ou en raison d'une installation inadéquate. De même, la garantie sera
annulée si la date de fabrication ou le numéro de série apposé à l'équipement a été enlevé ou si l'équipement a été changé ou modifié. Durant la période de garantie, le
distributeur de service après-vente agréé réparera ou remplacera, à son gré, toute pièce qui, après examen, est trouvée défectueuse à la suite d'une utilisation et d'un
entretien normaux. La présente garantie ne couvre pas les réparations et les équipements suivants:
•Usure normale: Comme tout autre dispositif mécanique, les groupes électrogènes d'extérieur nécessitent l'entretien périodiques de certaines pièces pour fonctionner
adéquatement. La présente garantie ne couvre pas les frais de réparation des pièces ou des équipements dont la durée de vie utile a été dépassée à la suite d'une
utilisation normale.
•Installation et entretien: La présente garantie ne couvre pas les équipements ou les pièces qui ont fait l'objet d'une installation ou de modifications et de changements
inadéquats ou non autorisés, d'une mauvaise utilisation, de négligence, d'un accident, d'une surcharge, d'emballement, d'entretien inadéquat, de réparation ou
d'entreposage qui, selon nous, auraient nui à la performance et à la fiabilité du produit. De plus, la garantie ne couvre pas l'entretien normal tel que le réglage, le
nettoyage du circuit d'alimentation et son obstruction (causée par l'accumulation de produits chimiques, de saletés, de calamine, de calcaire, etc.).
•Exclusions supplémentaires: La présente garantie exclut les pièces qui s'usent telles que les raccords rapides, les jauges d'huile, les courroies, les joints toriques,
les filtres, les garnitures de pompes, etc., les pompes ayant fonctionné sans alimentation en eau ou tout dommage ou tout mauvais fonctionnement résultant d'un
accident, d'une utilisation abusive, de modifications, de changements ou d'un entretien inadéquat du système, du gel ou d'une détérioration chimique. La garantie du
produit ne couvre pas les pièces accessoires telles que les pistolets, les boyaux, les lances et les buses. Cette garantie exclut toute défaillance due à une catastrophe
naturelle ou à toute autre force majeure hors du contrôle du fabricant. Est aussi exclu tout équipement usé, remis à neuf ou de démonstration, tout équipement utilisé
pour l'alimentation principale en remplacement de l'alimentation de service et tout équipement utilisé pour l'alimentation d'appareils de maintien des fonctions vitales.
BRIGGS & STRATTON POWER PRODUCTS GROUP, LLC
JEFFERSON, WI, USA
Prise d’effet au 1 er Septembre 2004, annule et remplace toutes les garanties précédentes et les garanties antérieures au 1 er Septembre 2004