P30 7ÀåA 08 Schematic Diagram
User Manual:
Open the PDF directly: View PDF
.
Page Count: 103 [warning: Documents this large are best viewed by clicking the View PDF Link!]

P30
7-1 MAIN BOARD
7-1-1 Schematic Diagrams
7-1
7 Schematic Diagrams and PCB Silkscreen
This Document can not be used without Samsung’s authorization.

7 Schematic Diagrams and PCB Silkscreen
P307-2
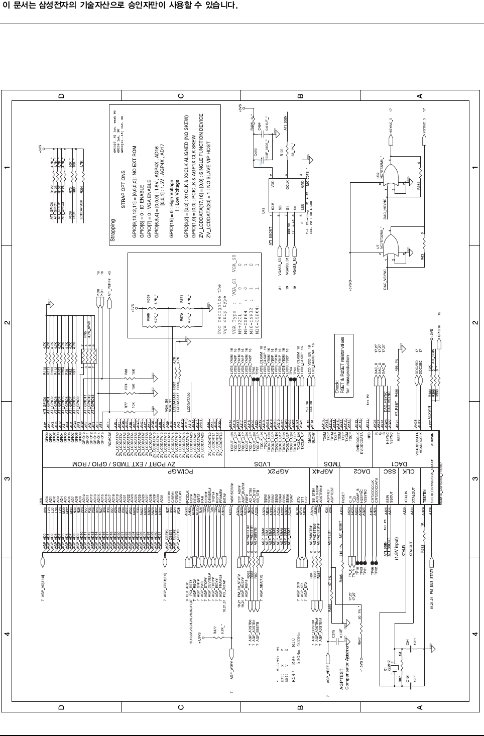
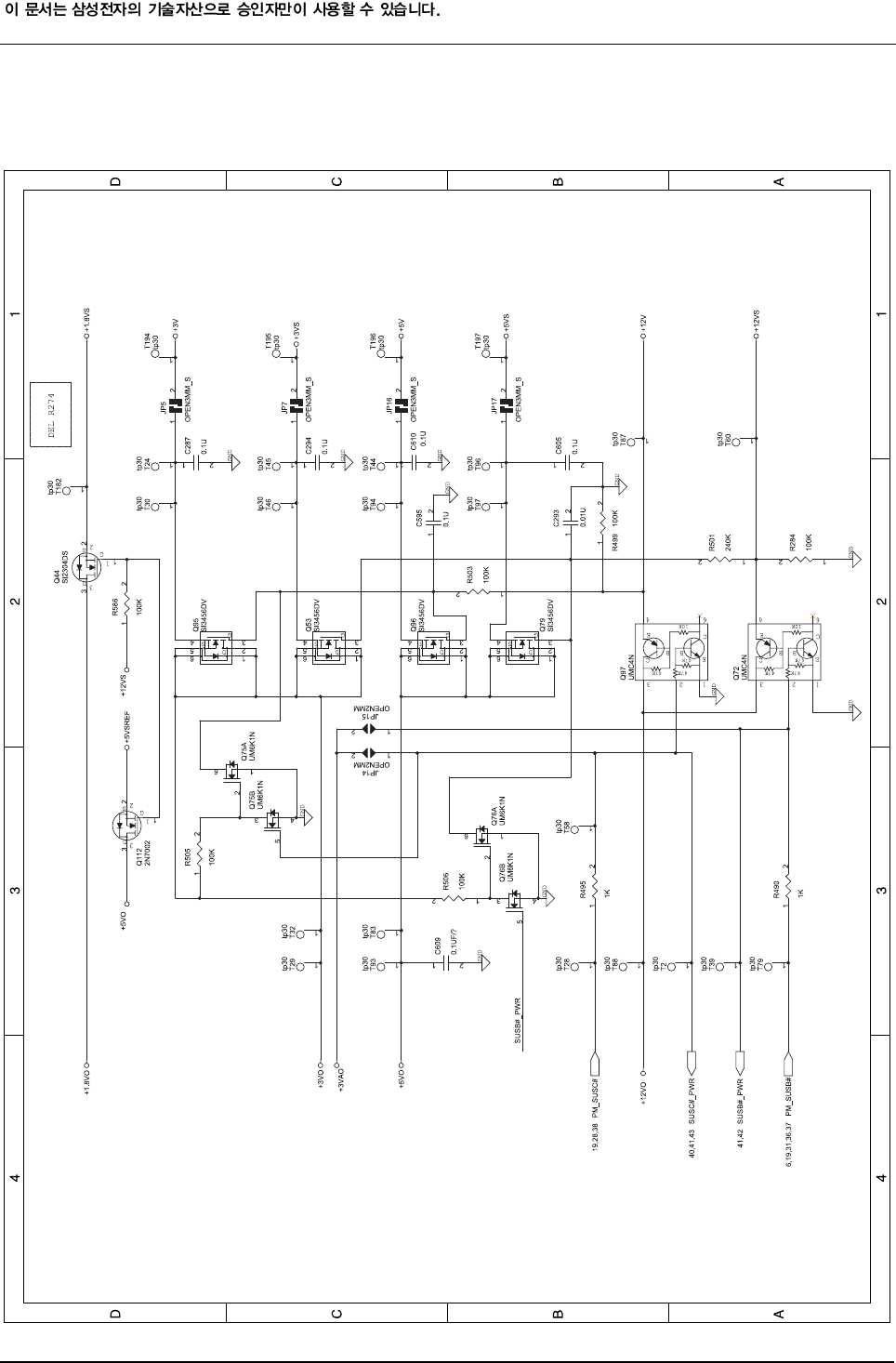
7-1-1(a) Main Board Schematic Sheet 2 of 54(Block Diagram)
This Document can not be used without Samsung’s authorization.

7 Schematic Diagrams and PCB Silkscreen
7-3P30
7-1-1(b) Main Board Schematic Sheet 3 of 54(System Info)
This Document can not be used without Samsung’s authorization.

7 Schematic Diagrams and PCB Silkscreen
P307-4
7-1-1(c) Main Board Schematic Sheet 4 of 54(Banias CPU)
This Document can not be used without Samsung’s authorization.

7 Schematic Diagrams and PCB Silkscreen
7-5P30
7-1-1(d) Main Board Schematic Sheet 5 of 54(Banias CPU)
This Document can not be used without Samsung’s authorization.

7 Schematic Diagrams and PCB Silkscreen
P307-6
7-1-1(e) Main Board Schematic Sheet 6 of 54(CPU Caps & THERMAL)
This Document can not be used without Samsung’s authorization.

7 Schematic Diagrams and PCB Silkscreen
7-7P30
7-1-1(f) Main Board Schematic Sheet 7 of 54(ODEM)
This Document can not be used without Samsung’s authorization.

7 Schematic Diagrams and PCB Silkscreen
P307-8
7-1-1(g) Main Board Schematic Sheet 8 of 54(ODEM)
This Document can not be used without Samsung’s authorization.

7 Schematic Diagrams and PCB Silkscreen
7-9P30
7-1-1(h) Main Board Schematic Sheet 9 of 54(CLOCK GEN)
This Document can not be used without Samsung’s authorization.

7 Schematic Diagrams and PCB Silkscreen
P307-10
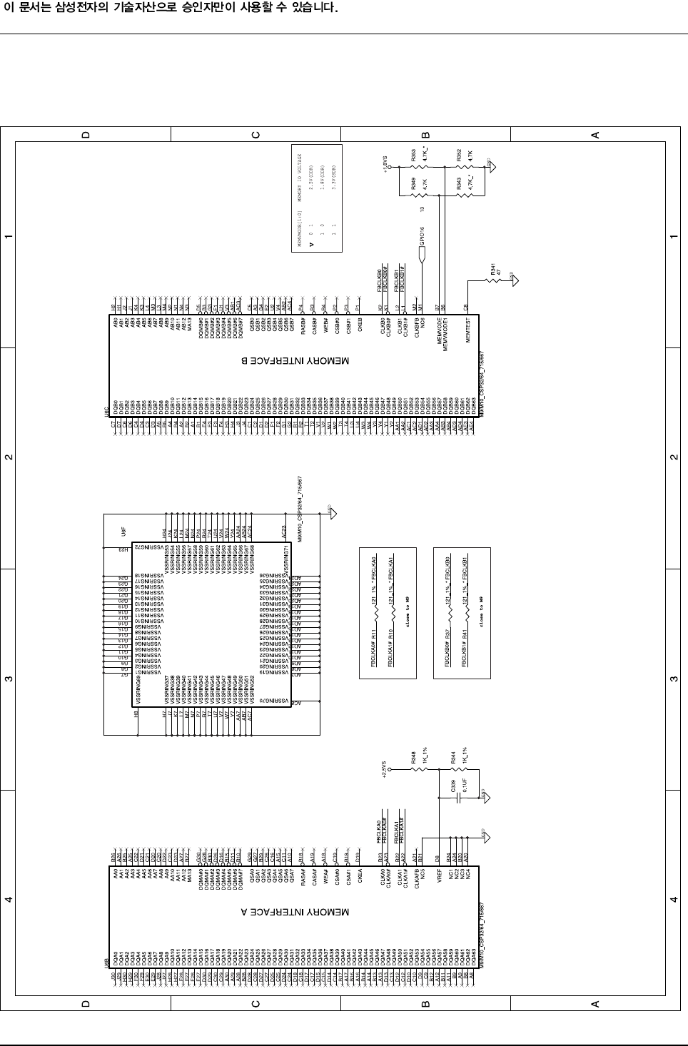
7-1-1(i) Main Board Schematic Sheet 10 of 54(DDR SODIMM Res.)
This Document can not be used without Samsung’s authorization.

7 Schematic Diagrams and PCB Silkscreen
7-11P30
7-1-1(j) Main Board Schematic Sheet 11 of 54(DDR SO-DIMM)
This Document can not be used without Samsung’s authorization.

7 Schematic Diagrams and PCB Silkscreen
P307-12
7-1-1(k) Main Board Schematic Sheet 12 of 54(DDR SO-DIMM)
This Document can not be used without Samsung’s authorization.

7 Schematic Diagrams and PCB Silkscreen
7-13P30
7-1-1(l) Main Board Schematic Sheet 13 of 54(ATI M9/M9+)
This Document can not be used without Samsung’s authorization.

7 Schematic Diagrams and PCB Silkscreen
P307-14
7-1-1(m) Main Board Schematic Sheet 14 of 54(ATI M9/M9+)
This Document can not be used without Samsung’s authorization.

7 Schematic Diagrams and PCB Silkscreen
7-15P30
7-1-1(n) Main Board Schematic Sheet 15 of 54(ATI M9/M9+)
This Document can not be used without Samsung’s authorization.

7 Schematic Diagrams and PCB Silkscreen
P307-16
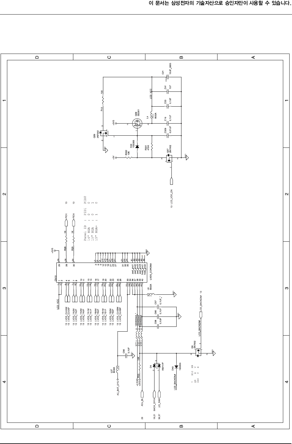
7-1-1(o) Main Board Schematic Sheet 16 of 54(LVDS & INVERTER)
This Document can not be used without Samsung’s authorization.

7 Schematic Diagrams and PCB Silkscreen
7-17P30
7-1-1(p) Main Board Schematic Sheet 17 of 54(CRT & TV OUT)
This Document can not be used without Samsung’s authorization.

7 Schematic Diagrams and PCB Silkscreen
P307-18
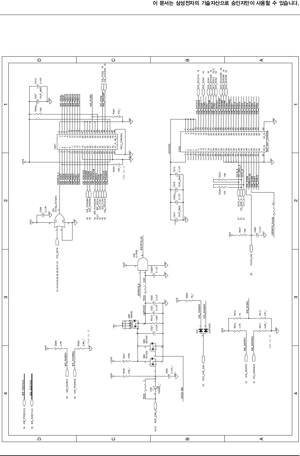
7-1-1(q) Main Board Schematic Sheet 18 of 54(ICH4: PCI, LPC, IDE)
This Document can not be used without Samsung’s authorization.

7 Schematic Diagrams and PCB Silkscreen
7-19P30
7-1-1(r) Main Board Schematic Sheet 19 of 54(ICH4: USB, CPU, PMIO)
This Document can not be used without Samsung’s authorization.

7 Schematic Diagrams and PCB Silkscreen
P307-20
7-1-1(s) Main Board Schematic Sheet 20 of 54(ICH4: POWER & Caps)
This Document can not be used without Samsung’s authorization.

7 Schematic Diagrams and PCB Silkscreen
7-21P30
7-1-1(t) Main Board Schematic Sheet 21 of 54(ICH4: Res & Straps)
This Document can not be used without Samsung’s authorization.

7 Schematic Diagrams and PCB Silkscreen
P307-22
7-1-1(u) Main Board Schematic Sheet 22 of 54(HDD & BAY CONN.)
This Document can not be used without Samsung’s authorization.

7 Schematic Diagrams and PCB Silkscreen
7-23P30
7-1-1(v) Main Board Schematic Sheet 23 of 54(USB & FWH)
This Document can not be used without Samsung’s authorization.

7 Schematic Diagrams and PCB Silkscreen
P307-24
7-1-1(w) Main Board Schematic Sheet 24 of 54(SUPER I/O PC87393)
This Document can not be used without Samsung’s authorization.

7 Schematic Diagrams and PCB Silkscreen
7-25P30
7-1-1(x) Main Board Schematic Sheet 25 of 54(IR, COM, PRT)
This Document can not be used without Samsung’s authorization.

7 Schematic Diagrams and PCB Silkscreen
P307-26
7-1-1(y) Main Board Schematic Sheet 26 of 54(KBC M38857 & PS2)
This Document can not be used without Samsung’s authorization.

7 Schematic Diagrams and PCB Silkscreen
7-27P30
7-1-1(z) Main Board Schematic Sheet 27 of 54(DOCKING)
This Document can not be used without Samsung’s authorization.

7 Schematic Diagrams and PCB Silkscreen
P307-28
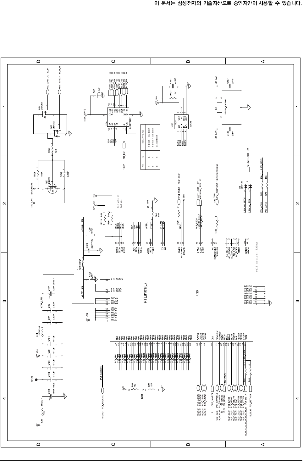
7-1-1(aa) Main Board Schematic Sheet 28 of 54(LAN REALTEK 8101)
This Document can not be used without Samsung’s authorization.

7 Schematic Diagrams and PCB Silkscreen
7-29P30
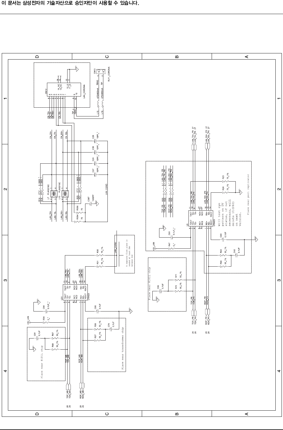
7-1-1(bb) Main Board Schematic Sheet 29 of 54(LAN I/O)
This Document can not be used without Samsung’s authorization.

7 Schematic Diagrams and PCB Silkscreen
P307-30
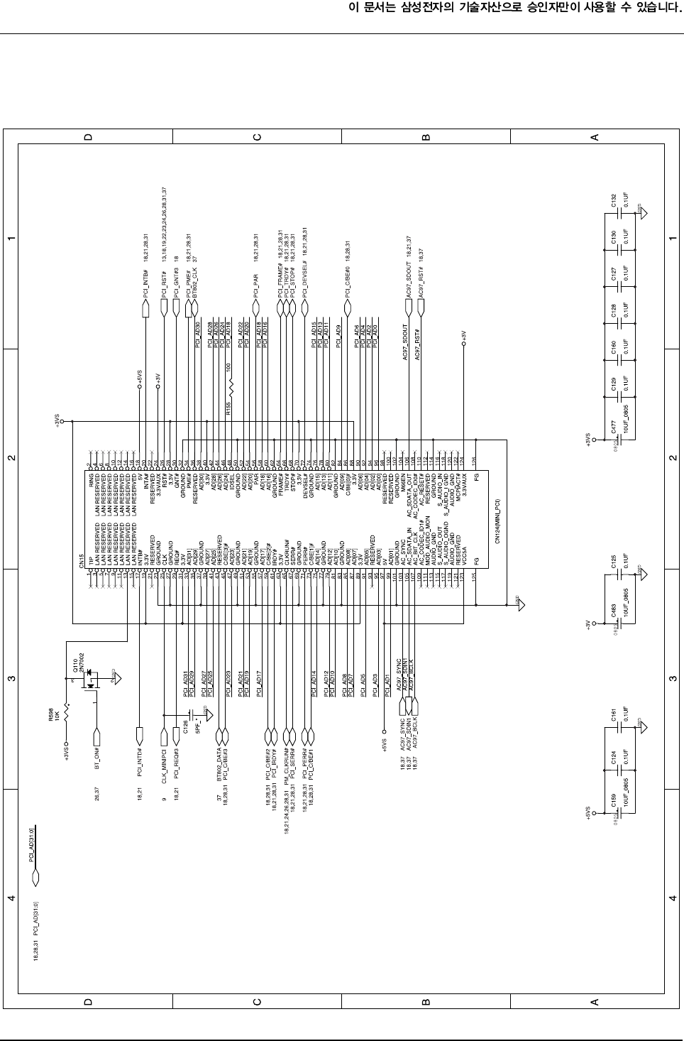
7-1-1(cc) Main Board Schematic Sheet 30 of 54(MINIPCI)
This Document can not be used without Samsung’s authorization.

7 Schematic Diagrams and PCB Silkscreen
7-31P30
7-1-1(dd) Main Board Schematic Sheet 31 of 54(RICOH R5C593)
This Document can not be used without Samsung’s authorization.

7 Schematic Diagrams and PCB Silkscreen
P307-32
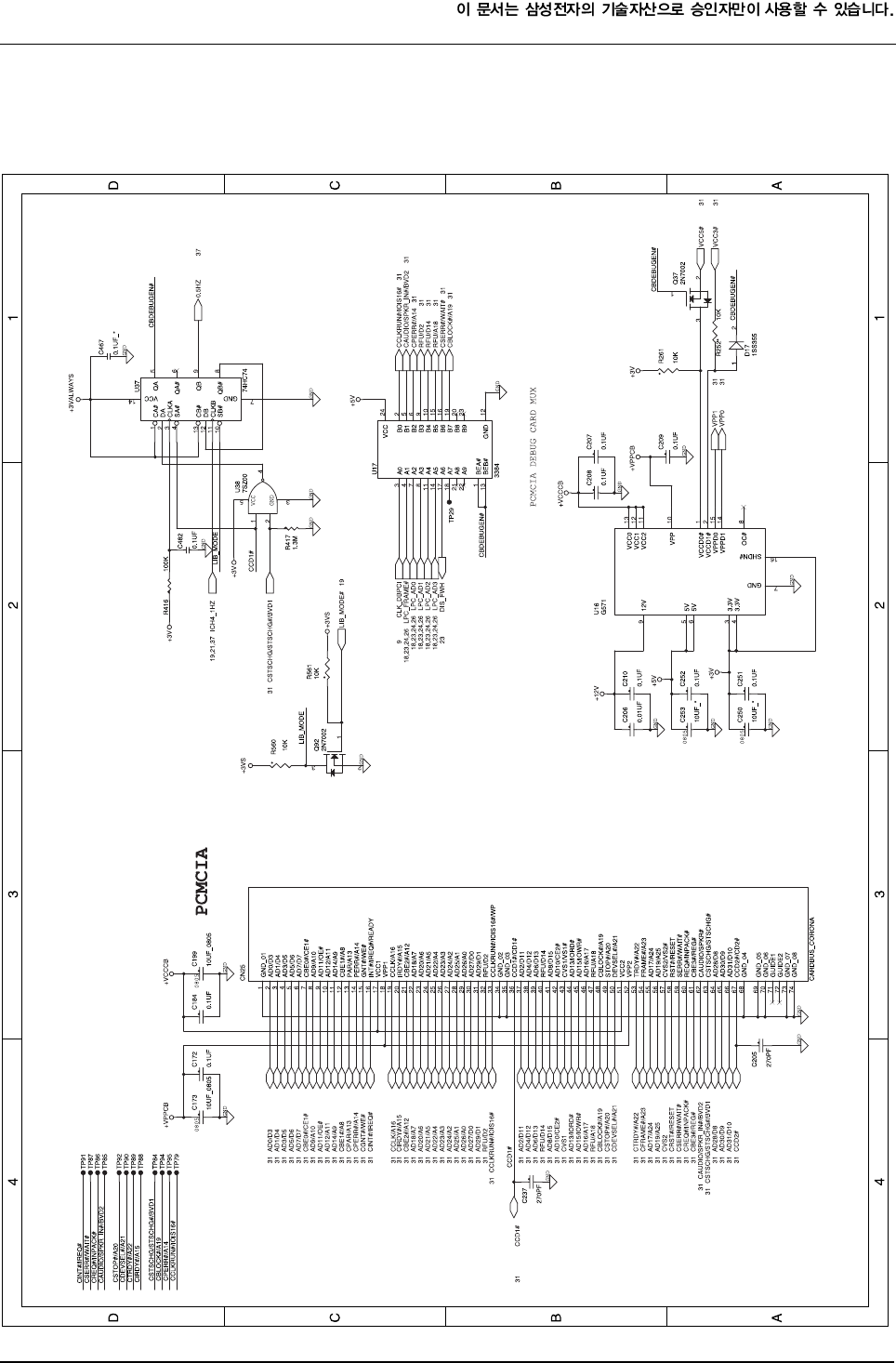
7-1-1(ee) Main Board Schematic Sheet 32 of 54(PCMCIA SOCKET)
This Document can not be used without Samsung’s authorization.

7 Schematic Diagrams and PCB Silkscreen
7-33P30
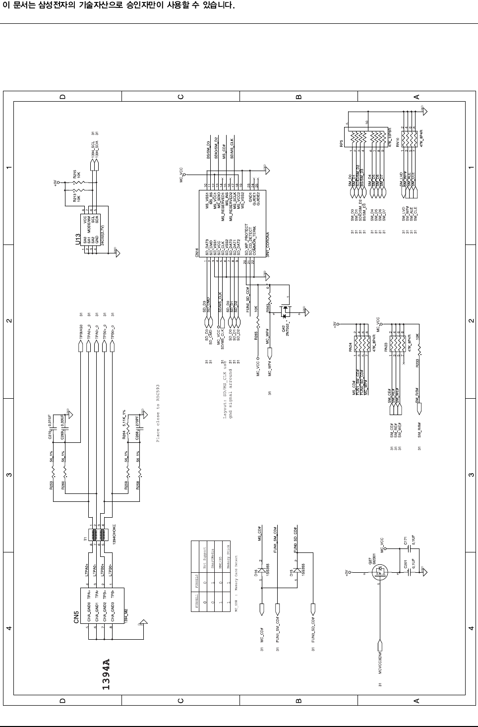
7-1-1(ff) Main Board Schematic Sheet 33 of 54(1394A, 3IN1 CONN)
This Document can not be used without Samsung’s authorization.

7 Schematic Diagrams and PCB Silkscreen
P307-34
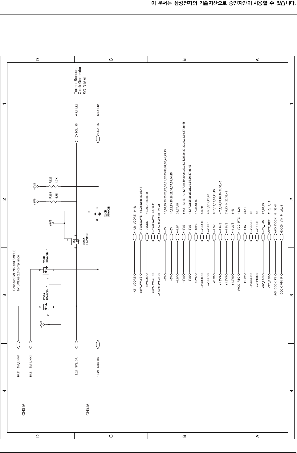
7-1-1(gg) Main Board Schematic Sheet 34 of 54(SMBUS)
This Document can not be used without Samsung’s authorization.

7 Schematic Diagrams and PCB Silkscreen
7-35P30
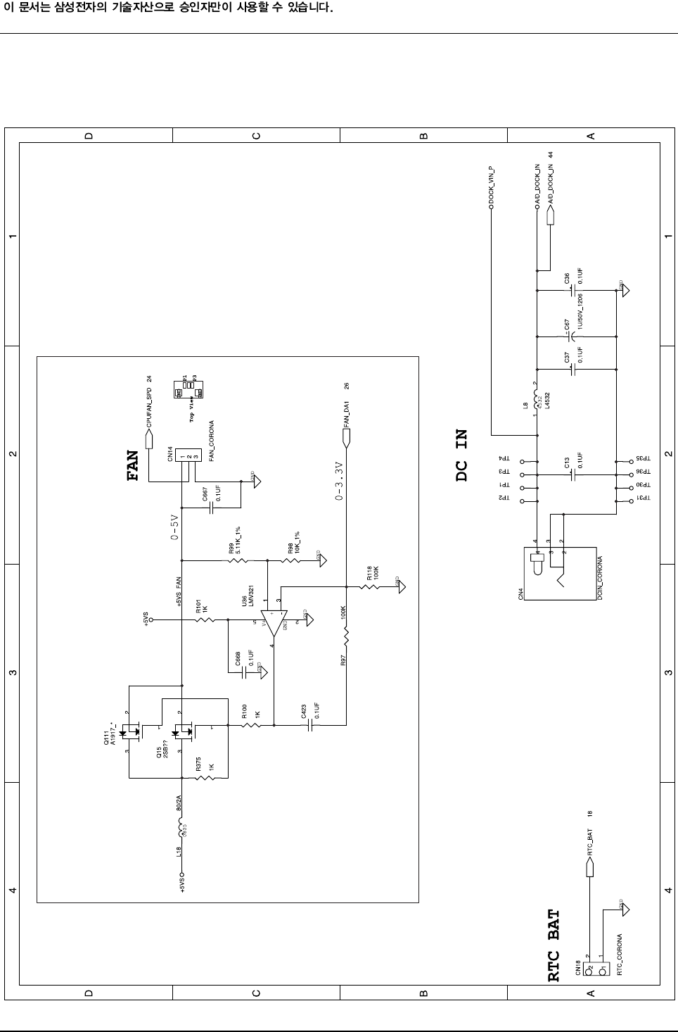
7-1-1(hh) Main Board Schematic Sheet 35 of 54(FAN, DC IN, RTC)
This Document can not be used without Samsung’s authorization.

7 Schematic Diagrams and PCB Silkscreen
P307-36
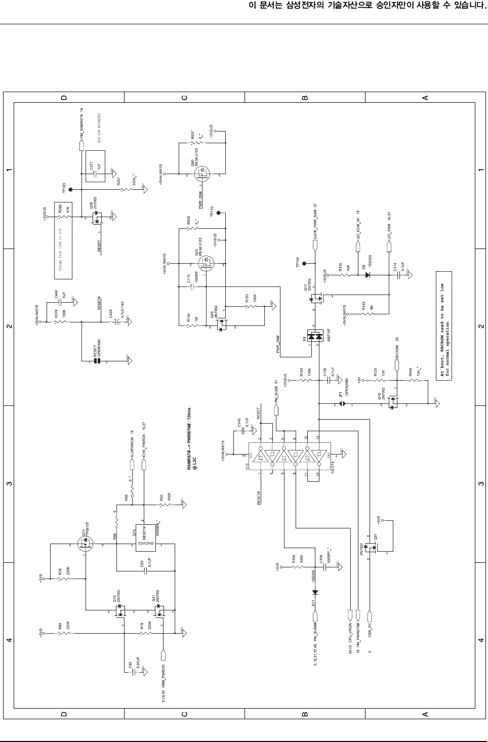
7-1-1(ii) Main Board Schematic Sheet 36 of 54(POWER ON SEQUENCE)
This Document can not be used without Samsung’s authorization.

7 Schematic Diagrams and PCB Silkscreen
7-37P30
7-1-1(jj) Main Board Schematic Sheet 37 of 54(TP, LED, AUDIO CONN)
This Document can not be used without Samsung’s authorization.

7 Schematic Diagrams and PCB Silkscreen
P307-38
7-1-1(kk) Main Board Schematic Sheet 38 of 54(DISCHARGE & HOLES)
This Document can not be used without Samsung’s authorization.

7 Schematic Diagrams and PCB Silkscreen
7-39P30
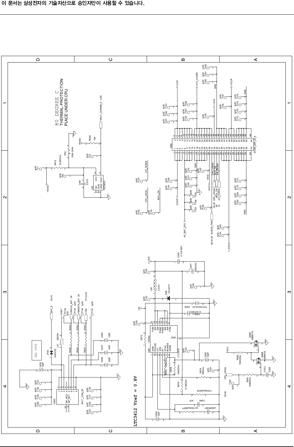
7-1-1(ll) Main Board Schematic Sheet 39 of 54(VCORE)
This Document can not be used without Samsung’s authorization.

7 Schematic Diagrams and PCB Silkscreen
P307-40
7-1-1(mm) Main Board Schematic Sheet 40 of 54(SYSTEM)
This Document can not be used without Samsung’s authorization.

7 Schematic Diagrams and PCB Silkscreen
7-41P30
7-1-1(nn) Main Board Schematic Sheet 41 of 54(1.25V & 1.8V)
This Document can not be used without Samsung’s authorization.

7 Schematic Diagrams and PCB Silkscreen
P307-42
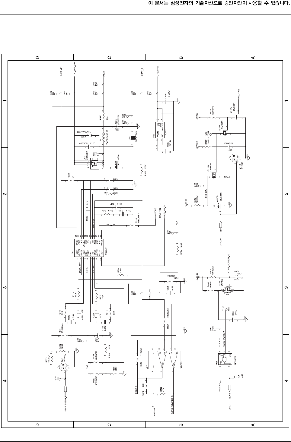
7-1-1(oo) Main Board Schematic Sheet 42 of 54(CHARGE)
This Document can not be used without Samsung’s authorization.

7 Schematic Diagrams and PCB Silkscreen
7-43P30
7-1-1(pp) Main Board Schematic Sheet 43 of 54(BAT_CONNECT)
This Document can not be used without Samsung’s authorization.

7 Schematic Diagrams and PCB Silkscreen
P307-44
7-1-1(qq) Main Board Schematic Sheet 44 of 54(BATLOW/SD#)
This Document can not be used without Samsung’s authorization.

7 Schematic Diagrams and PCB Silkscreen
7-45P30
7-1-1(rr) Main Board Schematic Sheet 45 of 54(LOAD SWITCHJ)
This Document can not be used without Samsung’s authorization.

7 Schematic Diagrams and PCB Silkscreen
P307-46
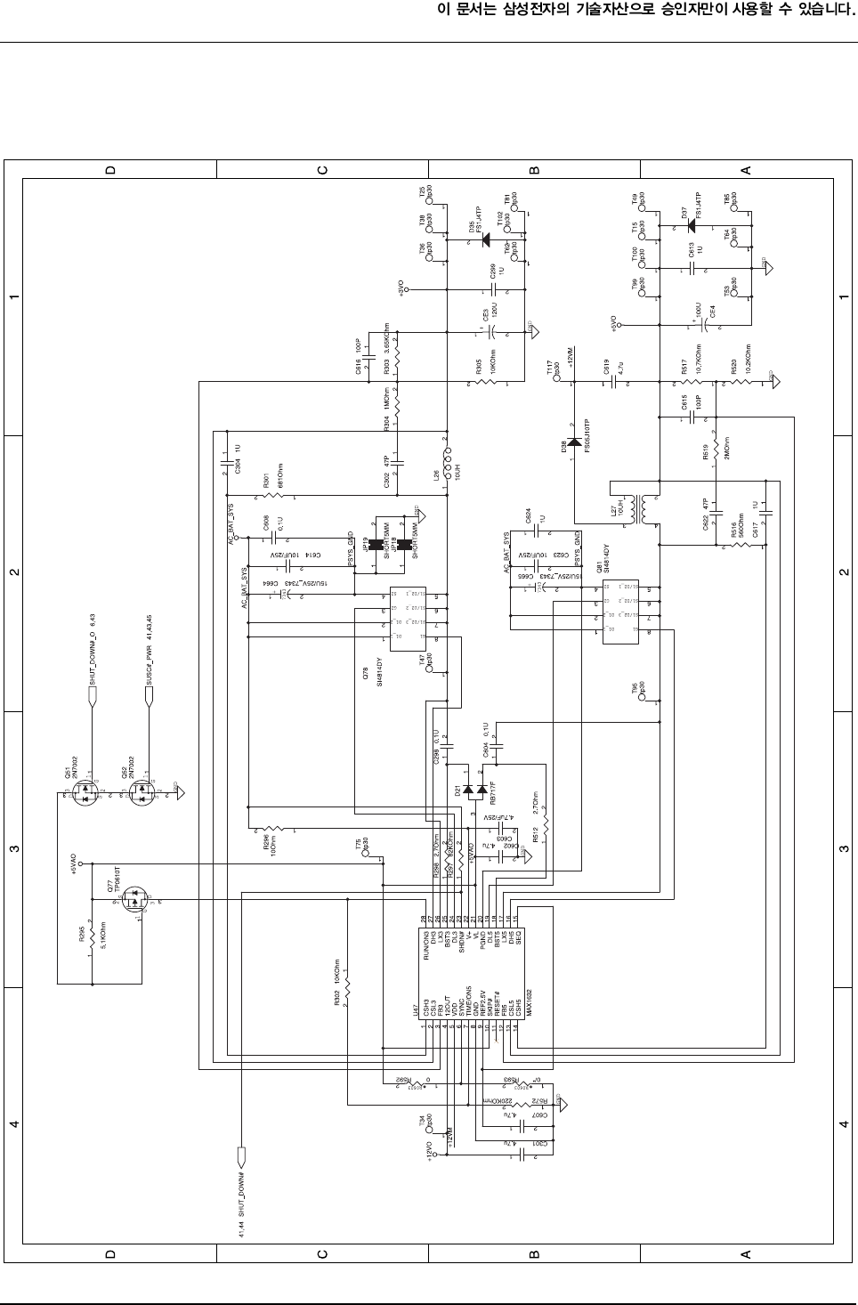
7-1-1(ss) Main Board Schematic Sheet 46 of 54(POWER BLOCK)
This Document can not be used without Samsung’s authorization.

7 Schematic Diagrams and PCB Silkscreen
7-47P30
7-1-1(tt) Main Board Schematic Sheet 47 of 54(Content)
This Document can not be used without Samsung’s authorization.

7 Schematic Diagrams and PCB Silkscreen
P307-48
7-1-1(uu) Main Board Schematic Sheet 48 of 54(AUDIO BOARD CONN.)
This Document can not be used without Samsung’s authorization.

7 Schematic Diagrams and PCB Silkscreen
7-49P30
7-1-1(vv) Main Board Schematic Sheet 49 of 54(AC97 STAC9750)
This Document can not be used without Samsung’s authorization.

7 Schematic Diagrams and PCB Silkscreen
P307-50
7-1-1(ww) Main Board Schematic Sheet 50 of 54(AMP, JACK)
This Document can not be used without Samsung’s authorization.

7 Schematic Diagrams and PCB Silkscreen
7-51P30
7-1-1(xx) Main Board Schematic Sheet 51 of 54(MIC AMP)
This Document can not be used without Samsung’s authorization.

7 Schematic Diagrams and PCB Silkscreen
P307-52
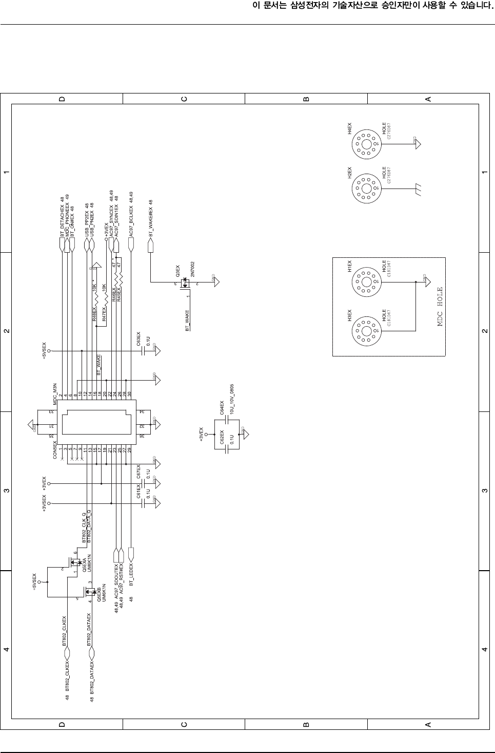
7-1-1(yy) Main Board Schematic Sheet 52 of 54(MDC, BLUETOOTH)
This Document can not be used without Samsung’s authorization.

7 Schematic Diagrams and PCB Silkscreen
7-53P30
7-1-1(zz) Main Board Schematic Sheet 53 of 54(2.5V & 1.5V)
This Document can not be used without Samsung’s authorization.

7 Schematic Diagrams and PCB Silkscreen
P307-54
7-1-1(aaa) Main Board Schematic Sheet 54 of 54(CONNECT)
This Document can not be used without Samsung’s authorization.

7 Schematic Diagrams and PCB Silkscreen
7-55P30
7-1-2 Signal Location
Signal Name Sheet Number - Location
+1.25VS 7,10,12,41
+1.2VS 8,43
+1.5VALWAYS 20,41
+1.5VS 7,8,13,14,20,38,43
+1.8V 31,41
+1.8VO 41,45
+1.8VS 4,7,8,14,15,18,20,21,38,45
+1.8VS_PROC 4
+12V 32,37,45
+12VEX 48,50
+12VM 40
+12VO 40,45
+12VS 17,22,43,45
+2.5V 8,10,11,12,16,41,43
+2.5V_LAN 28
+2.5VA_LAN 28
+2.5VREF 42,44
+2.5VS 14,15,38,43
+3V 16,18,19,23,25,26,28,30,31,
32,33,36,37,38,41,43,45
+3V_CLK 9
+3V_CLK48 9
+3V_CLKA 9
+3V_LAN 27,28,29
+3VA_LAN 28
+3VALWAYS 18,28,32,36,37,38,41
+3VAO 39,41,45
+3VEX 48,52
+3VO 39,41,45
+3VS 6,9,11,12,13,14,16,17,18,19,
20,21,22,23,24,25,26,27,30,
31,32,36,37,38,45
+3VSEX 48,49,52
+3VSUS 19,20,21,26,36,41
+5V 10,22,23,25,26,28,32,37,38,
44,45
+5VA_PMIC 51
+5VAEX 49,51
Signal Name Sheet Number - Location
+5VALWAYS 28,36,41
+5VAMP_PVDD 50
+5VAMPEX 50
+5VAO 37,40,41,42,43
+5VCHG 37,42,44
+5VDOCK 22
+5VEX 48,49
+5VLCM 37,42,44
+5VLCMEX 48,50
+5VO 39,40,43,44,45
+5VREFSUS 20
+5VS 13,17,22,25,26,27,28,30,35,
36,37,38,45
+5VS_FAN 35
+5VS_ICHREF 20
+5VS_PPT 25
+5VS_TP 37
+5VSEX 48,50,52
+5VSREF 20,45
+5VSUS 20,36
+ATI_VCORE 14,43
+P1.05PG 53
+P1.2VGND 53
+P1.5VGND 53
+P1.5VS 53,54
+P12VS 53,54
+P2.5V 53,54
+P2.5VGND 53
+P2.5VS 53,54
+P5VO 53,54
+PATI_VCORE 53,54
+PVCCP 53,54
+VCC_RTC 18,20
+VCCCB 32
+VCCP 4,5,6,8,19,20,43
+VCORE 5,6,39
+VPPCB 32
+VS_HUBVSWING 18
This Document can not be used without Samsung’s authorization.

7 Schematic Diagrams and PCB Silkscreen
P307-56
Signal Name Sheet Number - Location
0.5HZ 32,37
1.8V_PWRGD 41
1_AJK 50
1394_SCL 31,33
1394_SDA 31,33
2_AJK_L 50
2_AJK_R 50
5VREF 42
802_ON# 26,37
A/D_DOCK_IN 35,44
A/D_DOCK_PR 27
A/D_SD 44
A/D_VIN 42,44
A/D_VIN_O 42,44
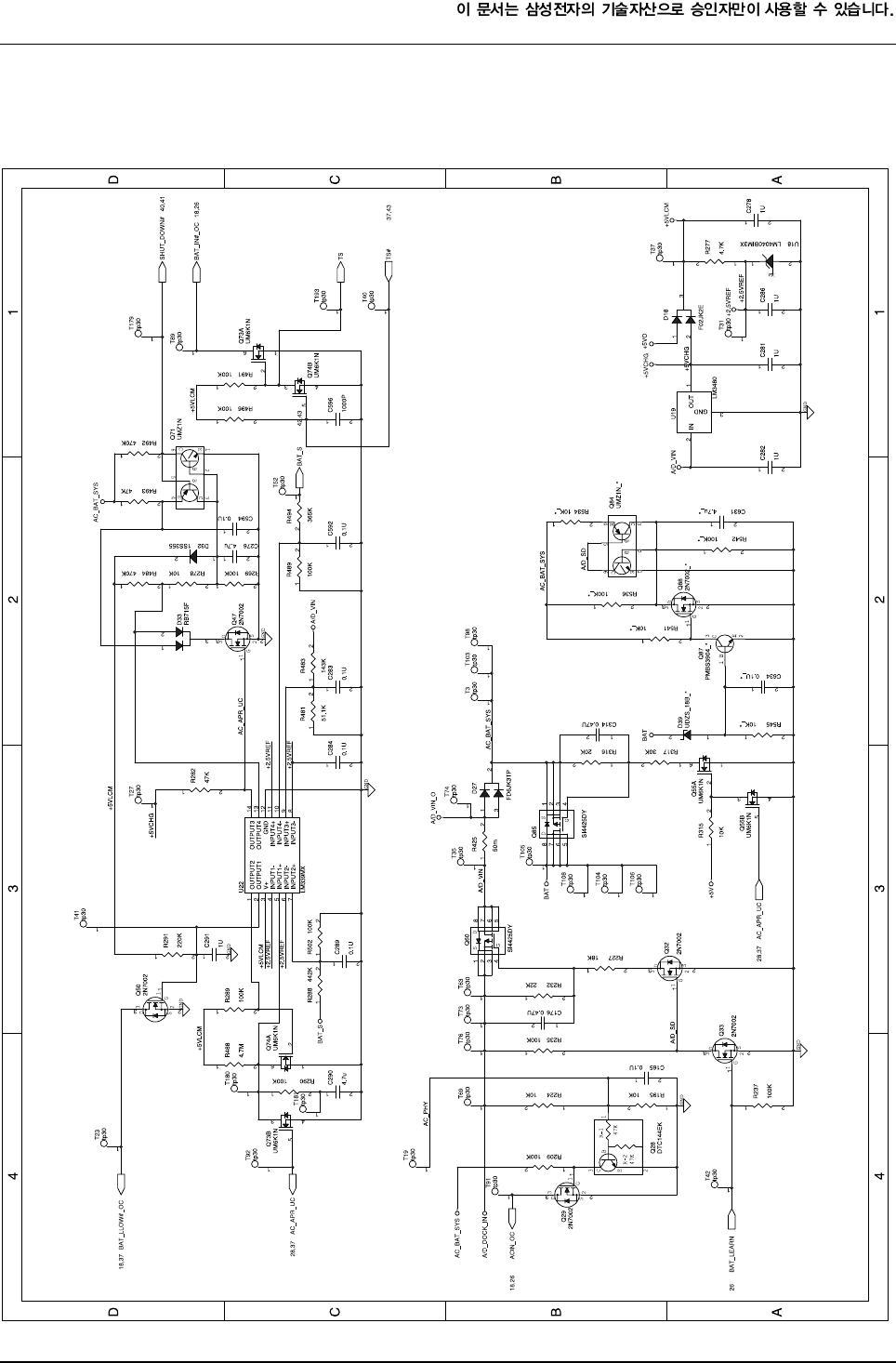
AC_APR_UC 28,37,44
AC_BAT_SYS 16,39,40,41,42,43,44
AC_BCLK_D 49
AC_PHY 44
AC97_BCLK 18,30,37
AC97_BCLKEX 48,49,52
AC97_RST# 18,30,37
AC97_RST#EX 48,49,52
AC97_SDIN0 18,37
AC97_SDIN0EX 48,49
AC97_SDIN1 18,30,37
AC97_SDIN1EX 48,52
AC97_SDOUT 18,21,30,37
AC97_SDOUTEX 48,49,52
AC97_SYNC 18,30,37
AC97_SYNCEX 48,49,52
ACIN_ICH4 18
ACIN_OC 26,44
ACT_LED# 27,28
AD0/D3 31,32
AD1/D4 31,32
AD10/CE2# 31,32
AD11/OE# 31,32
AD12/A11 31,32
Signal Name Sheet Number - Location
AD13/IORD# 31,32
AD14/A9 31,32
AD15/IOWR# 31,32
AD16/A17 31,32
AD17/A24 31,32
AD18/A7 31,32
AD19/A25 31,32
AD2/D11 31,32
AD20/A6 31,32
AD21/A5 31,32
AD22/A4 31,32
AD23/A3 31,32
AD24/A2 31,32
AD25/A1 31,32
AD26/A0 31,32
AD27/D0 31,32
AD28/D8 31,32
AD29/D1 31,32
AD3/D5 31,32
AD30/D9 31,32
AD31/D10 31,32
AD4/D12 31,32
AD5/D6 31,32
AD6/D13 31,32
AD7/D7 31,32
AD8/D15 31,32
AD9/A10 31,32
ADJ_BL 16,26
AGND_AEX 49,50,51
AGP_AD0 7,13
AGP_AD1 7,13
AGP_AD10 7,13
AGP_AD11 7,13
AGP_AD12 7,13
AGP_AD13 7,13
AGP_AD14 7,13
AGP_AD15 7,13
AGP_AD16 7,13
This Document can not be used without Samsung’s authorization.

7 Schematic Diagrams and PCB Silkscreen
7-57P30
Signal Name Sheet Number - Location
AGP_AD17 7,13
AGP_AD18 7,13
AGP_AD19 7,13
AGP_AD2 7,13
AGP_AD20 7,13
AGP_AD21 7,13
AGP_AD22 7,13
AGP_AD23 7,13
AGP_AD24 7,13
AGP_AD25 7,13
AGP_AD26 7,13
AGP_AD27 7,13
AGP_AD28 7,13
AGP_AD29 7,13
AGP_AD3 7,13
AGP_AD30 7,13
AGP_AD31 7,13
AGP_AD4 7,13
AGP_AD5 7,13
AGP_AD6 7,13
AGP_AD7 7,13
AGP_AD8 7,13
AGP_AD9 7,13
AGP_ADSTB0 7,13
AGP_ADSTB0# 7,13
AGP_ADSTB1 7,13
AGP_ADSTB1# 7,13
AGP_BUSY# 13,19,21
AGP_CBE#0 7,13
AGP_CBE#1 7,13
AGP_CBE#2 7,13
AGP_CBE#3 7,13
AGP_DEVSEL# 7,13
AGP_FRAME# 7,13
AGP_GNT# 7,13
AGP_IRDY# 7,13
AGP_PAR 7,13
AGP_PIPE# 7
Signal Name Sheet Number - Location
AGP_RBF# 7,13
AGP_REQ# 7,13
AGP_SBA0 7,13
AGP_SBA1 7,13
AGP_SBA2 7,13
AGP_SBA3 7,13
AGP_SBA4 7,13
AGP_SBA5 7,13
AGP_SBA6 7,13
AGP_SBA7 7,13
AGP_SBSTB 7,13
AGP_SBSTB# 7,13
AGP_ST0 7,13
AGP_ST1 7,13
AGP_ST2 7,13
AGP_STOP# 7,13
AGP_TRDY# 7,13
AGP_VREF 7,13
AGP_WBF# 7,13
AGPADSTB0 13
AGPADSTB0# 13
AGPADSTB1 13
AGPADSTB1# 13
AGPSBSTB 13
AGPSBSTB# 13
AGPTEST 13
AOUTL_C 50
AOUTR_C 50
AP# 26,37
ATI_GPIO0 13
ATI_GPIO1 13
ATI_GPIO11 13
ATI_GPIO12 13
ATI_GPIO13 13
ATI_GPIO2 13
ATI_GPIO3 13
ATI_GPIO4 13
ATI_GPIO5 13
This Document can not be used without Samsung’s authorization.

7 Schematic Diagrams and PCB Silkscreen
P307-58
Signal Name Sheet Number - Location
ATI_GPIO6 13
ATI_GPIO7 13
ATI_GPIO8 13
ATI_GPIO9 13
ATI_PERF# 13,43
ATI_SSIN 13
ATI_SSOUT 13
AUD_GND 50,52
AUXPWROK 19,36
AUXWIN 13
BACK_OFF# 16,19,21
BAT 42,43,44
BAT_ABNORMAL 26,37
BAT_ABNORMAL# 25,37
BAT_IN#_ICH4 18
BAT_IN#_OC 18,26,44
BAT_LEARN 26,44
BAT_LLOW#_KBC 26,37
BAT_LLOW#_OC 18,37,44
BAT_S 42,43,44
BAT_SET 42
BLUE 17
BS/SM_D3 31,33
BT_DETACH 26,37
BT_DETACHEX 48,52
BT_LED# 37
BT_LED#_EX 48
BT_LEDEX 48,52
BT_ON# 26,30,37
BT_ON#EX 48,52
BT_WAKE 52
BT_WAKE# 19,21,37
BT_WAKE#EX 48,52
BT802_CLK 30,37
BT802_CLK_Q 52
BT802_CLKEX 48,52
BT802_DATA 30,37
BT802_DATA_Q 52
Signal Name Sheet Number - Location
BT802_DATAEX 48,52
BT802_LED# 37
C_CON 17
CAP_LED# 26,37
CAUDIO/SPKR_IN#/BVD2
31,32
CB_GBRST# 31
CB_IDSEL_J 31
CB_SD# 19,31
CBDEBUGEN# 32
CBE0#/CE1# 31,32
CBE1#/A8 31,32
CBE2#/A12 31,32
CBE3#/REG# 31,32
CBLOCK#/A19 31,32
CCD1# 31,32
CCD2# 31,32
CCLK/A16 31,32
CCLKRUN#/IOIS16# 31,32
CD_GND_A 22,37
CD_GND_AEX 48,49
CDEVSEL#/A21 31,32
CD-L_A 22,37
CD-L_AEX 48,49
CD-R_A 22,37
CD-R_AEX 48,49
CFRAME#/A23 31,32
CGNT#/WE# 31,32
CHG_FULL# 37
CHG_LED# 37
CINT#/IREQ# 31,32
CIRDY#/A15 31,32
CLK_AGP 9,13
CLK_BCLK_R 9
CLK_BCLK_R# 9
CLK_CBPCI 9,31
CLK_CPU_BCLK 4,9
CLK_CPU_BCLK# 4,9
CLK_DBPCI 9,32
This Document can not be used without Samsung’s authorization.

7 Schematic Diagrams and PCB Silkscreen
7-59P30
Signal Name Sheet Number - Location
CLK_EN# 9,39
CLK_FWHPCI 9,23
CLK_HT_R 9
CLK_HT_R# 9
CLK_ICH14 9,18
CLK_ICH48 9,18
CLK_ICHHUB 9,18
CLK_ICHPCI 9,18
CLK_KBCPCI 9,26
CLK_LANPCI 9,28
CLK_MCH_BCLK 8,9
CLK_MCH_BCLK# 8,9
CLK_MCH66 7,9
CLK_MINIPCI 9,30
CLK_SIO14 9,24
CLK_SIOPCI 9,24
CLKGEN_IREF 9
CM+ 39
CN_RX- 29
CN_RX+ 29
CN_TX- 29
CN_TX+ 29
COM1_RI 25
CONS_POWER# 42
CPAR/A13 31,32
CPERR#/A14 31,32
CPS 31
CPU_VRON 36,39,43
CPUFAN_SPD 24,35
CREQ#/INPACK# 31,32
CRST#/RESET 31,32
CS_SET 39
CS+ 42
CSERR#/WAIT# 31,32
CSTOP#/A20 31,32
CSTSCHG/STSCHG#/BVD1
31,32
CTRDY#/A22 31,32
CVS1 31,32
Signal Name Sheet Number - Location
CVS2 31,32
DAC_B 13,17,27
DAC_G 13,17,27
DAC_HSYNC 13
DAC_R 13,17,27
DAC_VSYNC 13
DCLK0 7,11
DCLK0# 7,11
DCLK1 7,11
DCLK1# 7,11
DCLK2 7,11
DCLK2# 7,11
DCLK3 7,12
DCLK3# 7,12
DCLK4 7,12
DCLK4# 7,12
DCLK5 7,12
DCLK5# 7,12
DDC2BC 13,17
DDC2BC_Q 17,27
DDC2BD 13,17
DDC2BD_Q 17,27
DDCCL 17
DDCDA 17
DEPOP 50
DIS_FWH 23,32
DOCK_IN# 22,26
DOCK_VIN_P 27,34,35
DPRSLPVR 39
DPWR# 4,7
DQS#_0 7,10
DQS#_1 7,10
DQS#_2 7,10
DQS#_3 7,10
DQS#_4 7,10
DQS#_5 7,10
DQS#_6 7,10
DQS#_7 7,10
This Document can not be used without Samsung’s authorization.

7 Schematic Diagrams and PCB Silkscreen
P307-60
Signal Name Sheet Number - Location
DQS#0 10,11,12
DQS#1 10,11,12
DQS#2 10,11,12
DQS#3 10,11,12
DQS#4 10,11,12
DQS#5 10,11,12
DQS#6 10,11,12
DQS#7 10,11,12
EECS 28
EEDI 28
EEDO 28
EEP_DOUT 18,21
EESK 28
EMAIL# 26,37
EOC# 26,37,42
EOC#_KBC 26
EOC#_O 42
EXTSMI#_3A 19,24,26
FAN_DA1 26,35
FBCLKA0 15
FBCLKA0# 15
FBCLKA1 15
FBCLKA1# 15
FBCLKB0 15
FBCLKB0# 15
FBCLKB1 15
FBCLKB1# 15
FIR_SEL 19,21,24,25
FLP_DSKCHG# 24,25
FLP_INDEX# 24,25
FLP_RDATA# 24,25
FLP_TRK0# 24,25
FLP_WP# 24,25
FS0 9
FS1 9
FS2 9
FUN0_SD_CD# 31,33
FUN1_SM_CD# 31,33
Signal Name Sheet Number - Location
FWH_FGPI0 23
FWH_FGPI1 23
FWH_FGPI2 23
FWH_FGPI3 23
FWH_FGPI4 23
FWH_INIT# 19,23
FWH_WP# 19,23
GAIN1 50
GATE_PWR_SW# 36,37
GND_PS2 26
GNDEX 48,49,50,52
GPIO16 13,15
GRCOMP 7
GREEN 17
GTLREF0 4
H_A#10 4,8
H_A#11 4,8
H_A#12 4,8
H_A#13 4,8
H_A#14 4,8
H_A#15 4,8
H_A#16 4,8
H_A#17 4,8
H_A#18 4,8
H_A#19 4,8
H_A#20 4,8
H_A#21 4,8
H_A#22 4,8
H_A#23 4,8
H_A#24 4,8
H_A#25 4,8
H_A#26 4,8
H_A#27 4,8
H_A#28 4,8
H_A#29 4,8
H_A#3 4,8
H_A#30 4,8
H_A#31 4,8
This Document can not be used without Samsung’s authorization.

7 Schematic Diagrams and PCB Silkscreen
7-61P30
Signal Name Sheet Number - Location
H_A#4 4,8
H_A#5 4,8
H_A#6 4,8
H_A#7 4,8
H_A#8 4,8
H_A#9 4,8
H_A20M# 4,19
H_ADS# 4,8
H_ADSTB#0 4,8
H_ADSTB#1 4,8
H_BNR# 4,8
H_BPRI# 4,8
H_BR0# 4,8
H_COMP0 4
H_COMP1 4
H_COMP2 4
H_COMP3 4
H_CPURST# 4,8
H_CPUSLP# 4,19
H_D#0 4,8
H_D#1 4,8
H_D#10 4,8
H_D#11 4,8
H_D#12 4,8
H_D#13 4,8
H_D#14 4,8
H_D#15 4,8
H_D#16 4,8
H_D#17 4,8
H_D#18 4,8
H_D#19 4,8
H_D#2 4,8
H_D#20 4,8
H_D#21 4,8
H_D#22 4,8
H_D#23 4,8
H_D#24 4,8
H_D#25 4,8
Signal Name Sheet Number - Location
H_D#26 4,8
H_D#27 4,8
H_D#28 4,8
H_D#29 4,8
H_D#3 4,8
H_D#30 4,8
H_D#31 4,8
H_D#32 4,8
H_D#33 4,8
H_D#34 4,8
H_D#35 4,8
H_D#36 4,8
H_D#37 4,8
H_D#38 4,8
H_D#39 4,8
H_D#4 4,8
H_D#40 4,8
H_D#41 4,8
H_D#42 4,8
H_D#43 4,8
H_D#44 4,8
H_D#45 4,8
H_D#46 4,8
H_D#47 4,8
H_D#48 4,8
H_D#49 4,8
H_D#5 4,8
H_D#50 4,8
H_D#51 4,8
H_D#52 4,8
H_D#53 4,8
H_D#54 4,8
H_D#55 4,8
H_D#56 4,8
H_D#57 4,8
H_D#58 4,8
H_D#59 4,8
H_D#6 4,8
This Document can not be used without Samsung’s authorization.

7 Schematic Diagrams and PCB Silkscreen
P307-62
Signal Name Sheet Number - Location
H_D#60 4,8
H_D#61 4,8
H_D#62 4,8
H_D#63 4,8
H_D#7 4,8
H_D#8 4,8
H_D#9 4,8
H_DBSY# 4,8
H_DEFER# 4,8
H_DINV#0 4,8
H_DINV#1 4,8
H_DINV#2 4,8
H_DINV#3 4,8
H_DPSLP# 4,7,19
H_DRDY# 4,8
H_DSTBN#0 4,8
H_DSTBN#1 4,8
H_DSTBN#2 4,8
H_DSTBN#3 4,8
H_DSTBP#0 4,8
H_DSTBP#1 4,8
H_DSTBP#2 4,8
H_DSTBP#3 4,8
H_FERR# 4,19
H_HIT# 4,8
H_HITM# 4,8
H_IERR# 4
H_IGNNE# 4,19
H_INIT# 4,19
H_INTR 4,19
H_LOCK# 4,8
H_NMI 4,19
H_PROCHOT# 6,18,21
H_PROCHOT_S# 4,6
H_PWRGD 4,19
H_REQ#0 4,8
H_REQ#1 4,8
H_REQ#2 4,8
Signal Name Sheet Number - Location
H_REQ#3 4,8
H_REQ#4 4,8
H_RS#0 4,8
H_RS#1 4,8
H_RS#2 4,8
H_SMI# 4,19
H_STPCLK# 4,19
H_THRMTRIP# 6,19
H_THRMTRIP_S# 4,6
H_TRDY# 4,8
H_VID0 4,6
H_VID1 4,6
H_VID2 4,6
H_VID3 4,6
H_VID4 4,6
H_VID5 4,6
HA20GATE 19,26
HDD_LED_5S# 22,37
HLRCOMP 7
HP_ON 50
HRCOMP0 8
HRCOMP1 8
HSWNG0 8
HSWNG1 8
HSYNC 17
HSYNC_5 13,17
HSYNC_Q 17,27
HUB_HICOMP 18,21
HUB_HIREF 20
HUB_PD0 7,18
HUB_PD1 7,18
HUB_PD10 7,18
HUB_PD2 7,18
HUB_PD3 7,18
HUB_PD4 7,18
HUB_PD5 7,18
HUB_PD6 7,18
HUB_PD7 7,18
This Document can not be used without Samsung’s authorization.

7 Schematic Diagrams and PCB Silkscreen
7-63P30
Signal Name Sheet Number - Location
HUB_PD8 7,18
HUB_PD9 7,18
HUB_PSTRB 7,18
HUB_PSTRB# 7,18
HUB_VREF_MCH 7
ICH_APICD0 18
ICH_APICD1 18
ICH_GPI3 18,21
ICH_GPI4 18,21
ICH_GPI5 18,21
ICH_SPKR 18,21,37
ICH_SPKREX 48,49
ICH4_1HZ 19,21,32,37
ICH4_PWROK 19,36,37
ICHG_OUT 42
ICHG_SET 42
IDE_PCSEL 22
IDE_PDA0 18,22
IDE_PDA1 18,22
IDE_PDA2 18,22
IDE_PDASP# 18,22
IDE_PDCS1# 18,22
IDE_PDCS3# 18,22
IDE_PDD0 18,22
IDE_PDD1 18,22
IDE_PDD10 18,22
IDE_PDD11 18,22
IDE_PDD12 18,22
IDE_PDD13 18,22
IDE_PDD14 18,22
IDE_PDD15 18,22
IDE_PDD2 18,22
IDE_PDD3 18,22
IDE_PDD4 18,22
IDE_PDD5 18,22
IDE_PDD6 18,22
IDE_PDD7 18,22
IDE_PDD8 18,22
Signal Name Sheet Number - Location
IDE_PDD9 18,22
IDE_PDDACK# 18,22
IDE_PDDREQ 18,22
IDE_PDIOR# 18,22
IDE_PDIOW# 18,22
IDE_PIORDY 18,22
IDE_SCSEL 22
IDE_SDA0 18,22
IDE_SDA1 18,22
IDE_SDA2 18,22
IDE_SDASP# 22
IDE_SDCS1# 18,22
IDE_SDCS3# 18,22
IDE_SDD0 18,22
IDE_SDD1 18,22
IDE_SDD10 18,22
IDE_SDD11 18,22
IDE_SDD12 18,22
IDE_SDD13 18,22
IDE_SDD14 18,22
IDE_SDD15 18,22
IDE_SDD2 18,22
IDE_SDD3 18,22
IDE_SDD4 18,22
IDE_SDD5 18,22
IDE_SDD6 18,22
IDE_SDD7 18,22
IDE_SDD8 18,22
IDE_SDD9 18,22
IDE_SDDACK# 18,22
IDE_SDDREQ 18,22
IDE_SDIOR# 18,22
IDE_SDIOW# 18,22
IDE_SIORDY 18,22
IDERST#_5 22
IDERST#_5S 22
INT_IRQ14 18,21,22
INT_IRQ15 18,21,22
This Document can not be used without Samsung’s authorization.

7 Schematic Diagrams and PCB Silkscreen
P307-64
Signal Name Sheet Number - Location
INT_SERIRQ 18,21,24,26,31
INTCLK_5S 26,37
INTDATA_5S 26,37
INTERNET# 26,37
IR_LEDA 25
IR_RXD 24,25
IR_TXD 24,25
ISO# 28
KBC_EXTSMI 26
KBC_GA20 26
KBC_SPKMUTE 27
KBCP5V_ON 27
KBCPURST_3Q 26
KBCRSM 26,36
KBDCLK_5S 26,27
KBDCPURST 19,26
KBDDATA_5S 26,27
KBDSCI_3A 19,21,26
KBSCI_3Q 26
KEYDETECT1 19,26
KEYDETECT2 19,26
KSI0 26
KSI1 26
KSI2 26
KSI3 26
KSI4 26
KSI5 26
KSI6 26
KSI7 26
KSO0 26
KSO1 26
KSO10 26
KSO11 26
KSO12 26
KSO13 26
KSO14 26
KSO15 26
KSO2 26
Signal Name Sheet Number - Location
KSO3 26
KSO4 26
KSO5 26
KSO6 26
KSO7 26
KSO8 26
KSO9 26
LAN_CGND 29
LAN_IDSEL 28
LAN_RST 19
LAN_RST# 28
LAN_RX- 29
LAN_RX-_PR 27,29
LAN_RX+ 29
LAN_RX+_PR 27,29
LAN_TX- 29
LAN_TX-_PR 27,29
LAN_TX+ 29
LAN_TX+_PR 27,29
LCD_BACKEN# 13,16
LCD_VCC 16
LCD_VDD_EN 13,16
LCDDATA16 13
LCDDATA17 13
LCDDATA20 13
LIB_MODE 32
LIB_MODE# 19,32
LID_ICH#_3A 18,36
LID_SW# 16,36,37
LINE_IN_L 27,37
LINE_IN_LEX 48,49
LINE_IN_R 27,37
LINE_IN_REX 48,49
LINE_OUT_L 49
LINE_OUT_R 49
LINK_LED# 27,28
LINK10_LED# 28
LINK100_LED# 27,28
This Document can not be used without Samsung’s authorization.

7 Schematic Diagrams and PCB Silkscreen
7-65P30
Signal Name Sheet Number - Location
LPC_AD0 18,23,24,26,32
LPC_AD1 18,23,24,26,32
LPC_AD2 18,23,24,26,32
LPC_AD3 18,23,24,26,32
LPC_DRQ#0 18,21,24
LPC_DRQ#1 18,21
LPC_FRAME# 18,23,24,26,32
LPT_ACK# 24,25,27
LPT_AFD# 24,25,27
LPT_BUSY 24,25,27
LPT_ERR# 24,25,27
LPT_INIT# 24,25,27
LPT_PD0 24,25,27
LPT_PD1 24,25,27
LPT_PD2 24,25,27
LPT_PD3 24,25,27
LPT_PD4 24,25,27
LPT_PD5 24,25,27
LPT_PD6 24,25,27
LPT_PD7 24,25,27
LPT_PE 24,25,27
LPT_SLCT 24,25,27
LPT_SLIN# 24,25,27
LPT_STB# 24,25,27
LTPA0- 33
LTPA0+ 33
LTPB0- 33
LTPB0+ 33
LVDDR 14
LVDDR_1 14
LVDS_CLKAM 13,16
LVDS_CLKAP 13,16
LVDS_CLKBM 13,16
LVDS_CLKBP 13,16
LVDS_YA0M 13,16
LVDS_YA0P 13,16
LVDS_YA1M 13,16
LVDS_YA1P 13,16
Signal Name Sheet Number - Location
LVDS_YA2M 13,16
LVDS_YA2P 13,16
LVDS_YB0M 13,16
LVDS_YB0P 13,16
LVDS_YB1M 13,16
LVDS_YB1P 13,16
LVDS_YB2M 13,16
LVDS_YB2P 13,16
M_A0 7,10,11
M_A1 7,10,11
M_A10 7,10,11
M_A11 7,10,11
M_A12 7,10,11
M_A2 7,10,11
M_A3 7,10,11
M_A4 7,10,11
M_A5 7,10,11
M_A6 7,10,11
M_A7 7,10,11
M_A8 7,10,11
M_A9 7,10,11
M_BS#0 7,10,11
M_BS#1 7,10,11
M_BSA#0 10,12
M_BSA#1 10,12
M_CAS# 7,10,11
M_RAS# 7,10,11
M_RCVIN## 7
M_RCVOUT# 7
M_WE# 7,10,11
M7_R2SET 13
M7_RSET 13
MAA0 10,12
MAA1 10,12
MAA10 10,12
MAA11 10,12
MAA12 10,12
MAA2 10,12
This Document can not be used without Samsung’s authorization.

7 Schematic Diagrams and PCB Silkscreen
P307-66
Signal Name Sheet Number - Location
MAA3 10,12
MAA4 10,12
MAA5 10,12
MAA6 10,12
MAA7 10,12
MAA8 10,12
MAA9 10,12
MC_CD# 31,33
MC_VCC 33
MC_WP# 31,33
MCH_GTLREF 8
MCH_OK 39,43
MCH_TEST# 7
MCVCC3EN# 31,33
MD_0 7,10
MD_1 7,10
MD_10 7,10
MD_11 7,10
MD_12 7,10
MD_13 7,10
MD_14 7,10
MD_15 7,10
MD_16 7,10
MD_17 7,10
MD_18 7,10
MD_19 7,10
MD_2 7,10
MD_20 7,10
MD_21 7,10
MD_22 7,10
MD_23 7,10
MD_24 7,10
MD_25 7,10
MD_26 7,10
MD_27 7,10
MD_28 7,10
MD_29 7,10
MD_3 7,10
Signal Name Sheet Number - Location
MD_30 7,10
MD_31 7,10
MD_32 7,10
MD_33 7,10
MD_34 7,10
MD_35 7,10
MD_36 7,10
MD_37 7,10
MD_38 7,10
MD_39 7,10
MD_4 7,10
MD_40 7,10
MD_41 7,10
MD_42 7,10
MD_43 7,10
MD_44 7,10
MD_45 7,10
MD_46 7,10
MD_47 7,10
MD_48 7,10
MD_49 7,10
MD_5 7,10
MD_50 7,10
MD_51 7,10
MD_52 7,10
MD_53 7,10
MD_54 7,10
MD_55 7,10
MD_56 7,10
MD_57 7,10
MD_58 7,10
MD_59 7,10
MD_6 7,10
MD_60 7,10
MD_61 7,10
MD_62 7,10
MD_63 7,10
MD_7 7,10
This Document can not be used without Samsung’s authorization.

7 Schematic Diagrams and PCB Silkscreen
7-67P30
Signal Name Sheet Number - Location
MD_8 7,10
MD_9 7,10
MD0 10,11,12
MD1 10,11,12
MD10 10,11,12
MD11 10,11,12
MD12 10,11,12
MD13 10,11,12
MD14 10,11,12
MD15 10,11,12
MD16 10,11,12
MD17 10,11,12
MD18 10,11,12
MD19 10,11,12
MD2 10,11,12
MD20 10,11,12
MD21 10,11,12
MD22 10,11,12
MD23 10,11,12
MD24 10,11,12
MD25 10,11,12
MD26 10,11,12
MD27 10,11,12
MD28 10,11,12
MD29 10,11,12
MD3 10,11,12
MD30 10,11,12
MD31 10,11,12
MD32 10,11,12
MD33 10,11,12
MD34 10,11,12
MD35 10,11,12
MD36 10,11,12
MD37 10,11,12
MD38 10,11,12
MD39 10,11,12
MD4 10,11,12
MD40 10,11,12
Signal Name Sheet Number - Location
MD41 10,11,12
MD42 10,11,12
MD43 10,11,12
MD44 10,11,12
MD45 10,11,12
MD46 10,11,12
MD47 10,11,12
MD48 10,11,12
MD49 10,11,12
MD5 10,11,12
MD50 10,11,12
MD51 10,11,12
MD52 10,11,12
MD53 10,11,12
MD54 10,11,12
MD55 10,11,12
MD56 10,11,12
MD57 10,11,12
MD58 10,11,12
MD59 10,11,12
MD6 10,11,12
MD60 10,11,12
MD61 10,11,12
MD62 10,11,12
MD63 10,11,12
MD7 10,11,12
MD8 10,11,12
MD9 10,11,12
MDC_PHONEEX 49,52
MIC_AEX 49,51
MIC_INEX 50,51
MOUSECLK_5S 26,27
MOUSEDATA_5S 26,27
MS_CD# 33
NUM_LED# 26,37
OP_SD# 26,27,37
OP_SD#EX 48,50
OS#_OC 6,36
This Document can not be used without Samsung’s authorization.

7 Schematic Diagrams and PCB Silkscreen
P307-68
Signal Name Sheet Number - Location
OS#_OC_C 6
OUTL_A 27,37
OUTL_AEX 49,50
OUTR_A 27,37
OUTR_AEX 49,50
PAC_BAT_SYS 53
PATI_PERF# 53,54
PCB_VID0 31
PCB_VID1 31
PCB_VID2 31
PCI_AD0 18,28,30,31
PCI_AD1 18,28,30,31
PCI_AD10 18,28,30,31
PCI_AD11 18,28,30,31
PCI_AD12 18,28,30,31
PCI_AD13 18,28,30,31
PCI_AD14 18,28,30,31
PCI_AD15 18,28,30,31
PCI_AD16 18,28,30,31
PCI_AD17 18,28,30,31
PCI_AD18 18,28,30,31
PCI_AD19 18,28,30,31
PCI_AD2 18,28,30,31
PCI_AD20 18,28,30,31
PCI_AD21 18,28,30,31
PCI_AD22 18,28,30,31
PCI_AD23 18,28,30,31
PCI_AD24 18,28,30,31
PCI_AD25 18,28,30,31
PCI_AD26 18,28,30,31
PCI_AD27 18,28,30,31
PCI_AD28 18,28,30,31
PCI_AD29 18,28,30,31
PCI_AD3 18,28,30,31
PCI_AD30 18,28,30,31
PCI_AD31 18,28,30,31
PCI_AD4 18,28,30,31
PCI_AD5 18,28,30,31
Signal Name Sheet Number - Location
PCI_AD6 18,28,30,31
PCI_AD7 18,28,30,31
PCI_AD8 18,28,30,31
PCI_AD9 18,28,30,31
PCI_C/BE#0 18,28,30,31
PCI_C/BE#1 18,28,30,31
PCI_C/BE#2 18,28,30,31
PCI_C/BE#3 18,28,30,31
PCI_DEVSEL# 18,21,28,30,31
PCI_FRAME# 18,21,28,30,31
PCI_GNT#0 18,28
PCI_GNT#1 18,31
PCI_GNT#3 18,30
PCI_GNTA# 18,21
PCI_INTA# 13,18,21,31
PCI_INTB# 18,21,28,30,31
PCI_INTC# 18,21,31
PCI_INTD# 18,21,30
PCI_IRDY# 18,21,28,30,31
PCI_LOCK# 18,21
PCI_PAR 18,21,28,30,31
PCI_PERR# 18,21,28,30,31
PCI_PME# 18,21,28,30,31
PCI_REQ#0 18,21,28
PCI_REQ#1 18,21,31
PCI_REQ#2 18,21
PCI_REQ#3 18,21,30
PCI_REQ#4 18,21
PCI_RST# 13,18,19,22,23,24,26,28,30,
31,37
PCI_RST#_ICH 7,18
PCI_RSTNS# 19,26,28,31
PCI_SERR# 18,21,28,30,31
PCI_STOP# 18,21,28,30,31
PCI_TRDY# 18,21,28,30,31
PCPU_GND 39
PCPU_VRON 53,54
PGND 53,54
This Document can not be used without Samsung’s authorization.

7 Schematic Diagrams and PCB Silkscreen
7-69P30
Signal Name Sheet Number - Location
PID0 13,16
PID1 13,16
PM_BATLOW# 18,21
PM_C3_STAT# 13,19,21
PM_CLKRUN# 18,21,24,26,28,30,31
PM_DPRSLPVR 19,21,39
PM_PSI# 4,39
PM_PWRBTN# 19,39
PM_RI# 19,21,25
PM_RSMRST# 19,36
PM_STPCPU# 9,19,39
PM_STPPCI# 9,19
PM_SUS_STAT# 13,19,21,24
PM_SUSA# 9,19
PM_SUSB 36,37
PM_SUSB# 6,19,31,36,37,45
PM_SUSB#EX 48,49,50
PM_SUSC# 19,28,38,45
PM_THRM# 6,19,21
PM_VGATE 19
PMCH_OK 53,54
PON_1.2 53
PON_2.5 53
PON_ATI_VCORE 5
PORT_LINE_OUT_LEX 48,50
PORT_LINE_OUT_REX 48,50
PR_HP_ON 27,37
PR_HP_ONEX 48,50
PR_IN# 19,27,28
PR_IN#_ICH4 19
PR_PWR_EN# 26,27
PS2_PWR 26
PSUSC#_PWR 53,54
PSYS_GND 40
PVREF5 53
PWR_LED# 37
PWR_ON# 36
RDN 28
Signal Name Sheet Number - Location
RDN_MB 28,29
RDN_PR 28,29
RDP 28
RDP_MB 28,29
RDP_PR 28,29
RED 17
RESET 36
RESET# 36
RFU/A18 31,32
RFU/D14 31,32
RFU/D2 31,32
RI_CB# 25,31
RING 29
RING_J 29
RTC_BAT 18,35
RTC_RST# 18
RTC_VBIAS 18,20
RTC_X1 18
RTC_X2 18
RTSET 28
SCASA# 10,12
SCKE0 7,10,11
SCKE1 7,10,11
SCKE2 7,10,12
SCKE3 7,10,12
SCL_3A 18,21,34
SCL_3S 6,9,11,12,34
SCROLL_LED# 26,37
SCS0# 7,10,11
SCS1# 7,10,11
SCS2# 7,10,12
SCS3# 7,10,12
SD/MS_CLK 31,33
SD_CMD 31,33
SD_D0 31,33
SD_D1 31,33
SD_D2 31,33
SD_D3 31,33
This Document can not be used without Samsung’s authorization.

7 Schematic Diagrams and PCB Silkscreen
P307-70
Signal Name Sheet Number - Location
SDA_3A 18,21,34
SDA_3S 6,9,11,12,34
SDIO/SM_D2 31,33
SER_CTSA# 24,25
SER_DCDA# 24,25
SER_DSRA# 24,25
SER_DTRA# 24,25
SER_RIA# 24,25
SER_RTSA# 24,25
SER_SINA 24,25
SER_SOUTA 24,25
SET_PCIRSTNS# 19,26
SHUT_DOWN# 40,41,44
SHUT_DOWN#_O 6,40,43
SLP_S4# 19
SLP_S5# 19
SM_ALE 31,33
SM_CE# 31,33
SM_CLE 31,33
SM_D0 31,33
SM_D1 31,33
SM_D4 31,33
SM_D5 31,33
SM_D6 31,33
SM_D7 31,33
SM_LINK0 18,21,34
SM_LINK1 18,21,34
SM_LVD 31,33
SM_R/B# 31,33
SM_RE# 31,33
SM_WE# 31,33
SM_WP# 31,33
SMCLK_BAT 26,43
SMDATA_BAT 26,43
SMRCOMP 7
SMVREF 7
SPDIF 27
SPDIF_OUT 27,37
Signal Name Sheet Number - Location
SPDIF_OUTEX 48,49
SPKL- 50
SPKL+ 50
SPKL+_DC 50
SPKR- 50
SPKR+ 50
SPKR+_DC 50
SPKRCB 31,37
SPKRCBEX 48,49
SRASA# 10,12
STPCPU# 39
SUS_CLK 19
SUSA# 19
SUSB#_PWR 41,42,45
SUSC#_PWR 40,41,43,45
SUSC_DIS 38
SWEA# 10,12
TDN 28
TDN_MB 28,29
TDN_PR 28,29
TDP 28
TDP_MB 28,29
TDP_PR 28,29
THERMDA 4,6
THERMDC 4,6
TIP 29
TIP_J 29
TPA0-_0 31,33
TPA0-_1 27,31
TPA0+_0 31,33
TPA0+_1 27,31
TPB0-_0 31,33
TPB0-_1 27,31
TPB0+_0 31,33
TPB0+_1 27,31
TPBIAS0 31,33
TPBIAS1 27,31
TPVDD 14
This Document can not be used without Samsung’s authorization.

7 Schematic Diagrams and PCB Silkscreen
7-71P30
Signal Name Sheet Number - Location
TS 37,43,44
TS# 37,43,44
TV_C 13,17,27
TV_Y 13,17,27
USB_OC#0 19,21,23
USB_OC#1 19,21,23
USB_OC#2 19,21
USB_OC#3 19,21
USB_OC#4 19,21,23
USB_OC#5 19,21,23
USB_PN0 19,23
USB_PN1 19,23
USB_PN2 19,37
USB_PN2EX 48,52
USB_PN3 19,37
USB_PN4 19,27
USB_PN5 19,27
USB_PP0 19,23
USB_PP1 19,23
USB_PP2 19,37
USB_PP2EX 48,52
USB_PP3 19,37
USB_PP4 19,27
USB_PP5 19,27
USB5V_0 23
USB5V_1 23
USB5V_4 23,27
USB5V_5 23,27
USBP0-_5 23
USBP0+_5 23
USBP5-_1 23
USBP5+_1 23
VCC3# 31,32
VCC5# 31,32
VCCGA 8
VCCSENSE 4
VCTRL 28
VGA_S0 13
Signal Name Sheet Number - Location
VGA_S1 13
VGASS_S0 13,19
VGASS_S1 13,19
VGASS_SD 13,31
VPP0 31,32
VPP1 31,32
VR_PWRGD 39
VR_VID0 6,39
VR_VID1 6,39
VR_VID2 6,39
VR_VID3 6,39
VR_VID4 6,39
VR_VID5 6,39
VREFOUTEX 49,50,51
VRM_PWRGD 9,19,36,39
VRON 39
VSSSENSE 4
VSYNC 17
VSYNC_5 13,17
VSYNC_Q 17,27
VTT_PWRGD# 9
VTT_REF 7,10,11,12,34
WATCHDOG 26
WIRELESS# 26,37
X1_1394 31
X1_LAN 28
X2_1394 31
X2_LAN 28
XCNF1 24
XCNF2 24
XCTS1# 25,27
XDCD1# 25,27
XDSR1# 25,27
XDTR1# 25,27
XI_CODEC 49
XIDE_EN#_3 19,21,22
XIN_CLKGEN 9
XO_CODEC 49
This Document can not be used without Samsung’s authorization.

7 Schematic Diagrams and PCB Silkscreen
P307-72
Signal Name Sheet Number - Location
XOUT_CLKGEN 9
XRI1# 25,27
XRTS1# 25,27
XSIN1 25,27
Signal Name Sheet Number - Location
XSOUT1 25,27
XTALIN 13
XTALOUT 13
Y_CON 17
This Document can not be used without Samsung’s authorization.

7 Schematic Diagrams and PCB Silkscreen
7-73P30
7-1-3 Symbol Location
Part Reference
Sheet
470/450mA B10EX 50
80/2A B11EX 49
80/2A B12EX 49
80/2A B13EX 50
80/2A B14EX 50
80/2A B15EX 51
80/2A B16EX 49
80/2A B17EX 49
80/2A_* B18EX 51
80/2A B19EX 49
470/450mA B1EX 50
470/450mA B2EX 50
470/450mA B3EX 50
470/450mA B4EX 50
470/450mA B5EX 50
470/450mA B6EX 50
470/450mA B7EX 50
470/450mA B8EX 50
470/450mA B9EX 50
82PF C1 17
47PF C10 17
0.01UF C100 8
12PF C101 13
470PF_* C102 7
0.1UF C103 28
220UF/2V_SP C104 6
0.1UF C105 28
0.1UF C106 19
0.01UF C107 7
0.1UF C109 28
1000P C10EX 50
82PF C11 17
0.01UF C110 7
0.1UF C111 7
10PF C112 9
0.1UF C113 25
0.1UF C114 36
1000PF C115 36
Part Reference
Sheet
0.1UF C116 9
0.1UF C117 9
0.47UF/16V C118 25
0.01UF C119 8
100U_10V_TAN C11EX 50
82PF C12 17
0.1UF C120 21
0.1UF C121 20
10PF C122 9
4.7UF/16V C123 25
0.1UF C124 30
0.1UF C125 30
5PF_* C126 30
0.1UF C127 30
0.1UF C128 30
0.1UF C129 30
100U_10V_TAN C12EX 50
0.1UF C13 35
0.1UF C130 30
0.01UF C131 20
0.1UF C132 30
10UF_0805 C133 9
0.01UF C134 20
0.1UF C135 9
0.1UF C136 36
0.01UF C137 9
470PF C138 25
0.1UF C139 9
1U_10V_X7R C13EX 49
0.22U/X7R C14 25
10UF_0805 C140 9
0.1UF C141 9
0.1UF C142 8
0.1UF C143 9
0.01UF C144 18
0.1UF C145 36
0.1UF C146 12
0.1UF C147 8
This Document can not be used without Samsung’s authorization.

7 Schematic Diagrams and PCB Silkscreen
P307-74
Part Reference
Sheet
0.01UF C148 8
0.1UF C149 12
1U_10V_X7R C14EX 49
0.1UF C15 23
0.1UF C150 8
0.1UF C151 8
0.01UF C152 8
10UF_0805 C153 12
150UF/4V_POS C154 8
0.1UF C155 9
0.01UF C156 9
0.1UF C157 9
1000PF_* C158 36
10UF_0805 C159 30
1U_10V_X7R C15EX 49
0.1UF C16 16
0.1UF C160 30
0.1UF C161 30
10UF_0805 C162 31
150UF/4V_POS C163 11
10UF_0805 C164 12
0.1U C165 44
5PF C166 18
5PF_* C167 31
0.1UF C168 31
0.1UF C169 31
1U_10V_X7R C16EX 49
0.22U/X7R C17 25
0.1UF C170 31
0.1UF C171 33
0.1UF C172 32
10UF_0805 C173 32
0.047UF C174 18
1UF C175 18
0.47U C176 44
10UF_0805 C177 12
5PF C178 18
0.01UF C179 12
Part Reference
Sheet
1U_10V_X7R C17EX 49
0.1UF C18 25
0.1UF C180 12
0.1UF C181 11
0.01UF C182 11
0.1UF C183 12
0.1UF C184 32
0.1UF C185 12
1UF C186 10
0.1UF C187 20
0.01UF C188 12
0.1UF C189 12
0.1U C18EX 49
10UF/16V C19 23
0.1UF C190 12
0.01UF C191 11
10UF_0805 C192 12
0.1UF C193 12
0.1UF C194 12
0.01UF C195 11
0.1UF C196 12
0.1UF C197 11
0.1UF C198 12
10UF_0805 C199 32
1U_10V_X7R C19EX 49
1000P C1EX 50
82PF C2 17
10UF/16V C20 23
0.1UF C200 31
0.1UF C201 33
0.1UF C202 10
0.1UF C203 11
0.1UF C204 31
270PF C205 32
0.01UF C206 32
0.1UF C207 32
0.1UF C208 32
0.1UF C209 32
This Document can not be used without Samsung’s authorization.

7 Schematic Diagrams and PCB Silkscreen
7-75P30
Part Reference
Sheet
0.1U C20EX 49
10UF_0805 C21 16
0.1UF C210 32
0.1UF C211 31
0.01UF C212 31
5PF_* C213 31
0.1UF C214 31
0.1UF C215 31
0.1UF C216 12
0.1UF C217 11
0.01UF C218 12
0.1UF C219 11
0.1U C21EX 49
0.1UF C22 25
0.1UF C220 12
0.01UF C221 11
0.1UF C222 12
0.01UF C223 10
0.1UF C224 11
0.01UF C225 12
0.01UF C226 11
0.1UF C227 11
0.1UF C228 12
0.01UF C229 11
0.1U C22EX 49
0.1UF C23 16
0.1UF C230 11
0.01UF C231 12
0.1UF C232 12
10UF_0805 C233 11
0.01UF C234 12
0.1UF C235 12
10UF_0805 C236 11
270PF C237 32
0.01UF C238 31
0.1UF C239 12
10U_10V_0805 C23EX 50
10PF_* C24 29
Part Reference
Sheet
0.01UF C240 12
0.01UF C241 12
0.1UF C242 12
10UF_0805 C243 31
22PF C244 31
0.1UF C245 31
0.01UF C246 31
0.01UF C247 31
0.01UF C248 31
0.1UF C249 12
1U_10V_X7R C24EX 50
0.1UF C25 37
10UF_* C250 32
0.1UF C251 32
0.1UF C252 32
10UF_* C253 32
0.1UF C254 31
0.01UF C255 12
0.01UF C256 12
0.1UF C257 12
0.01UF C258 12
10UF_0805 C259 12
0.47U C25EX 50
0.1UF C26 37
0.01UF C260 12
0.1UF C261 12
0.01UF C262 12
10UF_0805 C263 12
10UF_0805 C264 12
10UF_0805 C265 12
10UF_0805 C266 31
0.1UF C267 31
270PF C268 33
0.33UF C269 33
0.47U C26EX 50
10PF_* C27 29
0.01UF C270 33
0.33UF C271 27
This Document can not be used without Samsung’s authorization.

7 Schematic Diagrams and PCB Silkscreen
P307-76
Part Reference
Sheet
0.01UF C272 27
270PF C273 27
22PF C274 31
0.01UF C275 12
4.7u C276 44
1UF C277 36
1U C278 44
0.022UF/25V C279 41
0.47U C27EX 50
0.1UF C28 27
150UF/4V_POS C280 12
1U C281 44
1U C282 44
0.1U C283 44
0.1U C284 44
10UF/6.3V C285 41
1U C286 44
0.1U C287 45
10UF/6.3V C288 41
0.1U C289 44
1U C28EX 49
10PF_* C29 29
4.7u C290 44
1U C291 44
104P C292 41
0.01U C293 45
0.1U C294 45
0.1UF C295 37
0.1UF C296 22
0.1UF C297 37
0.1U C298 40
1U C299 40
0.1U C29EX 49
1000P C2EX 50
22PF C3 17
10UF_0805 C30 6
1000PF_* C300 37
4.7u C301 40
Part Reference
Sheet
47P C302 40
1U C304 40
0.1U C305 42
1U C306 42
10UF_0805 C307 22
47P C308 42
0.01U C309 42
820P C30EX 49
10UF_0805 C31 6
0.01U C310 42
47P C311 42
10UF/25V C312 42
0.1UF C313 22
0.47U C314 44
47P C315 42
0.1U C316 42
0.1U C317 42
1U C318 42
0.01U C319 42
10P C31EX 49
2200PF C32 6
150PF C320 25
150PF C321 25
0.1UF C322 26
0.22U/X7R C323 25
0.01UF C324 4
4.7UF/16V C325 23
10UF_0805 C326 4
10UF_0805 C327 4
0.01UF C328 4
0.01UF C329 16
22P C32EX 49
10UF_0805 C33 6
0.1UF C330 23
0.047UF C331 25
0.1UF C332 25
0.1UF C333 23
4.7UF/16V C334 23
This Document can not be used without Samsung’s authorization.

7 Schematic Diagrams and PCB Silkscreen
7-77P30
Part Reference
Sheet
10UF/16V C335 27
10UF/16V C336 27
10UF_0805 C337 14
0.1UF C338 14
0.1UF C339 15
820P C33EX 49
10UF_0805 C34 6
0.01UF C340 14
0.1UF C341 14
0.01UF C342 14
0.1UF C343 14
0.01UF C344 14
0.1UF C345 14
0.01UF C346 14
0.1UF C347 14
0.1UF C348 14
1U C34EX 49
10UF_0805 C35 6
220UF/2V_SP_9mOhm C351 6
10UF_0805 C352 6
10UF_0805 C353 6
10UF_0805 C354 6
10UF_0805 C355 14
0.01UF C356 14
0.01UF C357 14
0.1UF C358 6
0.01UF C359 6
0.1U C35EX 49
0.1UF C36 35
0.1UF C360 6
0.1UF C361 14
0.01UF C362 14
0.1UF C363 14
10UF_0805 C364 14
10UF_0805 C365 14
0.1UF C366 24
0.1UF C367 14
0.1UF C368 14
Part Reference
Sheet
10UF_0805 C369 14
22P C36EX 49
0.1UF C37 35
0.1UF C370 14
0.1UF C371 14
220UF/2V_SP_9mOhm C372 6
0.1UF C373 14
150UF/4V_POS C374 6
0.1UF C375 13
10UF_0805 C376 14
0.01UF C377 14
0.01UF C378 6
0.1UF C379 14
1U_10V_X7R C37EX 49
10PF_* C38 29
0.1UF C383 14
0.1UF C384 14
10UF_0805 C385 14
0.1UF C386 14
1500PF C387 29
150UF/4V_POS C388 8
220UF/2V_SP_9mOhm C389 6
1U_10V_X7R C38EX 49
10UF_0805 C39 6
10UF_0805 C390 6
10UF_0805 C391 6
10UF_0805 C392 6
10UF_0805 C393 23
10PF_* C394 24
0.1UF C396 14
0.01UF C397 14
0.1UF C398 8
10UF_0805 C399 14
1U_10V_X7R C39EX 50
1000P C3EX 50
0.1UF C4 23
10UF_0805 C40 6
0.1UF C400 8
This Document can not be used without Samsung’s authorization.

7 Schematic Diagrams and PCB Silkscreen
P307-78
Part Reference
Sheet
0.01UF C401 8
0.1UF C402 14
0.1UF C403 24
0.1UF C404 14
10UF_0805 C405 14
10UF_0805 C406 14
10UF_0805_* C407 28
0.01UF C408 14
0.01UF C409 14
0.1U C40EX 49
1UF C41 16
10PF_* C410 24
10UF_0805 C411 28
0.1UF C412 8
0.1UF C413 8
10UF_0805 C414 14
0.1UF C415 14
10UF_0805 C416 14
0.1UF C417 14
0.1UF C418 14
10UF_0805 C419 14
0.1U C41EX 49
0.1UF C42 29
0.1UF C420 14
0.1UF C421 28
0.1UF C423 35
22UF/10V C424 28
0.1UF C425 14
10UF_0805_* C426 8
10UF_0805 C427 24
10UF_0805 C428 6
4.7UF/16V C429 36
0.1U C42EX 50
0.1UF C43 29
10UF_0805 C430 6
0.01UF C431 14
0.01UF C432 14
0.1UF C433 14
Part Reference
Sheet
0.1UF C434 14
0.01UF C435 4
0.01UF C436 4
0.01UF C437 8
0.1UF C438 8
10UF_0805 C439 14
10U_10V_0805 C43EX 50
0.1UF C44 6
10UF_0805 C440 4
10UF_0805 C441 4
27PF C442 28
10UF_0805 C443 6
0.1UF C444 14
10UF_0805 C445 6
1UF C446 36
0.1UF C447 14
0.01UF C448 14
220PF C449 8
2.2U_16V C44EX 50
0.1UF C45 37
0.01UF C450 8
0.01UF C451 8
0.1UF C452 24
0.01UF C453 8
0.1UF C454 28
10UF_0805 C455 6
0.1UF C456 7
27PF C457 28
4.7u C458 41
10UF_0805 C459 14
0.1U C45EX 49
10PF C46 37
0.01UF C460 8
10UF_0805 C461 6
0.1UF C462 14
10UF_0805 C463 14
0.015UF C464 8
0.047UF C465 8
This Document can not be used without Samsung’s authorization.

7 Schematic Diagrams and PCB Silkscreen
7-79P30
Part Reference
Sheet
1UF C466 8
0.1UF_* C467 32
0.1UF C468 20
0.01UF C469 8
1U C46EX 51
0.1UF C47 37
10UF_0805 C470 8
0.1UF C471 20
0.01UF C472 8
0.1UF C473 8
0.1UF C474 8
0.01UF C475 8
0.01UF C476 19
10UF_0805 C477 30
220UF/2V_SP_9mOhm C478 6
220U/2V_7343_9mOhm C479 39
220P C47EX 51
0.1UF C48 37
0.01UF C480 8
0.01U C481 43
0.1UF C482 32
10UF_0805 C483 30
220PF C484 8
150UF/4V_POS C485 8
10UF_0805 C486 8
0.01UF C487 8
0.022UF C488 8
10UF_0805_* C489 20
1U C48EX 51
10PF C49 37
10UF_0805_* C490 13
0.1UF C491 28
0.1UF C492 20
0.1UF C493 20
0.01UF_* C494 13
0.1UF C495 7
0.1UF C496 20
0.1UF C497 20
Part Reference
Sheet
0.1UF C498 20
0.1UF C499 8
100P_* C49EX 51
1000P C4EX 50
47PF C5 17
10PF C50 37
10UF_0805_* C500 8
0.1UF C501 7
0.1UF C502 8
0.01UF C503 8
0.01UF C504 8
1UF C505 20
0.01UF C506 8
0.1UF C507 8
0.1UF C508 8
0.1UF C509 8
0.1U C50EX 51
10PF C51 37
0.1UF C510 20
10UF_0805_* C511 8
10U/25V/X5R_1210 C512 39
10U/25V/X5R_1210 C513 39
10PF C514 9
10PF C515 9
10PF C516 9
10PF C517 9
0.1UF C518 20
0.1UF C519 20
10U_10V_0805 C51EX 51
10PF C52 37
22UF/10V C520 20
0.1UF C521 20
0.01UF C522 20
0.1UF C523 8
10U/25V/X5R_1210 C524 39
0.1UF C525 20
0.1UF C526 18
0.01UF C527 9
This Document can not be used without Samsung’s authorization.

7 Schematic Diagrams and PCB Silkscreen
P307-80
Part Reference
Sheet
0.01UF C528 20
0.1UF C529 9
220P C52EX 51
10PF C53 37
10UF_0805 C530 9
10PF C531 9
10PF_* C532 18
0.1UF C533 20
10UF_0805 C534 20
10U/25V/X5R_1210 C535 39
1U/25V/Y5V_0805 C536 39
102P C537 39
102P C538 39
0.1UF C539 20
1U_10V_X7R C53EX 50
10PF C54 37
10UF_0805 C540 20
0.1UF C541 19
1U/25V/Y5V_0805 C542 39
0.1UF C543 20
0.1UF C544 20
0.1UF C545 20
10PF C546 9
0.1UF C547 20
1UF C548 20
0.1UF C549 20
1U_10V_X7R C54EX 50
0.1UF C55 37
10UF_0805 C550 20
0.1UF C551 20
0.1UF C552 18
0.1UF C553 20
0.1UF C554 20
4.7U/16V/Y5V_1206 C555 39
0.1UF C556 20
104P_* C557 39
104P_* C558 39
4.7U/16V/Y5V_1206 C559 39
Part Reference
Sheet
0.1U C55EX 48
0.1UF C56 16
10PF C560 9
10PF C561 9
10PF C562 9
10PF C563 9
10PF C564 9
10PF C565 9
10PF C566 9
10PF C567 9
10PF C568 9
10PF C569 9
0.1U C56EX 48
0.1UF_* C57 16
10PF C570 9
1UF C571 20
100P C572 39
104P C573 39
474P/25V/0805_Y5V C574 39
102P C575 39
102P C576 39
104P C577 39
0.1UF C578 11
47P C579 39
0.1U C57EX 48
0.1UF C58 16
472P C580 39
470P C581 39
0.1UF C582 11
0.01UF C583 11
0.1UF C584 12
10UF_0805 C585 11
0.01UF C586 11
0.1UF C587 11
0.01UF C588 11
10UF_0805 C589 11
10U_10V_0805 C58EX 49
0.1UF C59 6
This Document can not be used without Samsung’s authorization.

7 Schematic Diagrams and PCB Silkscreen
7-81P30
Part Reference
Sheet
10UF_0805 C590 31
10UF/6.3V C591 41
0.1U C592 44
10UF/6.3V C593 41
0.1U C594 44
0.1U C595 45
1000P C596 44
5PF C597 26
0.1UF C598 26
5PF C599 26
0.1U C59EX 48
1000P C5EX 50
22PF C6 17
0.1UF C60 16
0.1UF C600 26
10PF_* C601 26
4.7u C602 40
4.7uF/25V C603 40
0.1U C604 40
0.1U C605 45
0.1UF C606 22
4.7u C607 40
0.1U C608 40
0.1UF/? C609 45
22P_* C60EX 49
0.1UF_* C61 29
0.1U C610 45
10UF_0805 C611 22
0.1UF C612 22
1U C613 40
10UF/25V C614 40
100P C615 40
100P C616 40
1U C617 40
10UF_0805 C618 22
4.7u C619 40
0.1U C61EX 52
10UF_0805 C62 6
Part Reference
Sheet
0.1UF C620 22
0.1UF C621 22
47P C622 40
10UF/25V C623 40
1U C624 40
4.7u C625 42
0.1UF C626 22
0.1UF C627 22
0.1UF C628 22
15UF/25V C629 42
0.1U C62EX 52
10UF_0805 C63 6
0.1UF_* C630 22
4.7u_* C631 44
104P C632 43
0.1U_* C634 44
100P C635 43
100P C636 43
100P C637 43
10UF_0805 C638 14
0.01UF C639 14
0.1U C63EX 52
0.1UF C64 6
0.1UF C641 14
0.1UF C642 14
1UF C643 37
104P C644 43
0.1UF/25V C645 43
0.1UF/25V C646 43
100U/2V C647 43
PO/150U/6.3V C648 43
47P C649 43
10U_10V_0805 C64EX 52
0.01UF C65 6
102P C650 43
2200P C651 43
15PF C654 17
0.01U C655 43
This Document can not be used without Samsung’s authorization.

7 Schematic Diagrams and PCB Silkscreen
P307-82
Part Reference
Sheet
15PF C656 17
15PF C657 17
1U C658 42
15U/25V_7343 C659 39
10U_10V_0805 C65EX 49
0.1UF C66 6
15U/25V_7343 C660 39
10U/25V/X5R_1210 C661 39
15U/25V_7343 C662 39
15U/25V_7343 C663 39
15U/25V_7343 C664 40
15U/25V_7343 C665 40
15U/25V_7343 C666 42
0.1UF C667 35
0.1UF C668 35
0.1U C66EX 49
1U/50V_1206 C67 35
0.1U C67EX 52
0.01UF C68 6
10U_10V_0805_* C68EX 51
10UF_0805 C69 6
0.1U_* C69EX 51
1000P C6EX 50
47PF C7 17
0.1UF C70 23
150P_* C70EX 51
0.1UF C71 6
0.1U_* C71EX 51
10PF_* C72 23
0.1U_* C72EX 51
10UF_0805 C73 6
150P_* C73EX 51
0.1UF C74 29
0.1U_* C74EX 51
10UF_0805 C75 6
0.1U C75EX 50
100UF/6.3V_POS C76 14
10U_10V_0805 C76EX 51
Part Reference
Sheet
10UF_0805 C77 6
0.1U C77EX 48
10UF_0805 C78 6
10UF_0805 C79 6
1000P C7EX 50
22PF C8 17
0.1UF C80 23
0.1UF C81 23
10UF_0805 C82 6
10UF_0805 C83 6
0.1UF_* C84 29
0.1UF C85 29
0.1UF C86 28
0.1UF C87 28
0.1UF C88 28
0.1UF C89 24
0.1U C8EX 49
47PF C9 17
0.1UF C90 8
0.1UF C91 29
0.01UF C92 36
0.1UF C93 36
12PF C94 13
0.1UF C95 29
0.01UF C96 8
0.1UF C97 28
150uF/4V_POS_* C98 8
0.1UF C99 28
0.1U C9EX 49
100U/2V CE1 41
47U/6.3V/EL CE2 41
120U CE3 40
100U CE4 40
OPEN1MM CLRCMOS 18
PS2_CORONA CN1 26
LVDS_CORONA CN10 16
IO_CON_CORONA CN11 37
LAN_CORONA CN12 29
This Document can not be used without Samsung’s authorization.

7 Schematic Diagrams and PCB Silkscreen
7-83P30
Part Reference
Sheet
RJ11_CORONA CN13 29
FAN_CORONA CN14 35
CN124(MINI_PCI) CN15 30
3IN1_CORONA CN16 33
DDR_SO_DIMM-2-REV_5.2MM CN17 12
RTC_CORONA CN18 35
AUDIO_CORONA CN19 37
LPT_CORONA CN2 25
FP_CON_CORONA CN20 37
KBC_M2 CN21 26
2ND_BAY_CORONA CN22 22
BATT_CON_8P CN23 43
PR_CORONA CN24 27
CARDBUS_CORONA CN25 32
DDR_SO_DIMM-1_4MM CN26 11
HDD_CORONA CN27 22
TV_OUT_CORONA CN3 17
DCIN_CORONA CN4 35
1394_M2 CN5 33
CRT_CORONA CN6 17
COM_CORONA CN7 25
USB_CORONA CN8 23
BTOB_60P_25_F CN9 43
PHONE_JACK_CORONA CON1EX 50
PHONE_JACK_CORONA CON2EX 50
MIC_CON_CORONA CON3EX 50
SPK_CON_CORONA CON4EX 50
MDC_M3N CON5EX 52
AUDIO__BD_CON_CORONA CON6EX 48
150PF_8P4C CP1 26
0.1UF_8P4C CP10 12
0.1UF_8P4C CP11 12
0.1UF_8P4C CP12 12
0.1UF_8P4C CP13 12
150P_* CP1EX 50
150PF_8P4C CP2 25
150PF_8P4C CP3 25
150PF_8P4C CP4 25
Part Reference
Sheet
150PF_8P4C CP5 25
150PF_8P4C CP6 25
150PF_8P4C CP7 25
0.1UF_8P4C CP8 12
0.1UF_8P4C CP9 12
1SS355 D1 25
1SS355 D11 36
EC31QS04 D12 39
RB717F D13 31
RB715F D14 18
1SS355 D15 33
1SS355 D16 33
1SS355 D17 32
F02JK2E D18 44
F01J2E D19 41
BAV99 D2 17
F01J2E D20 41
RB717F D21 40
DAP202K D22 22
EC31QS04 D23 42
1SS355 D24 16
BAV99 D25 17
BAV99 D26 17
FD6JK3TP D27 44
F01J4L D28 20
F01J4L D29 20
RB715F D3 25
EC31QS04 D30 39
RB717F D31 39
1SS355 D32 44
RB715F D33 44
FS1J4TP D35 40
1SS355_* D36 22
FS1J4TP D37 40
FS05J10TP D38 40
UDZS_18B_* D39 44
DAN202K D3EX 49
RB717F D4 16
This Document can not be used without Samsung’s authorization.

7 Schematic Diagrams and PCB Silkscreen
P307-84
Part Reference
Sheet
1SS355_* D40 16
1SS355 D41 18
1SS355 D42 18
1SS355 D43 19
1SS355 D44 26
1SS355 D46 37
1SS355 D47 37
FS1J4TP D48 43
1SS355_* D49 25
DAP202K D4EX 50
RB717F_* D5 37
1SS355 D50 37
RB717F D6 28
1SS355 D8 36
RB715F D9 36
FUSE F1 26
FUSE F2 27
FUSE F3 27
FUSE F4 27
HOLE H1 38
HOLE H10 38
HOLE H11 38
HOLE H12 38
HOLE H13 38
HOLE H14 38
HOLE H15 38
HOLE H16 38
HOLE H17 38
HOLE H18 38
HOLE H1EX 52
HOLE H2 38
HOLE H2EX 52
HOLE H3 38
HOLE H3EX 52
HOLE H4 38
HOLE H4EX 52
HOLE H5 38
HOLE H6 38
Part Reference
Sheet
HOLE H7 38
HOLE H8 38
HOLE H9 38
OPEN2MM JP1 36
SHORT5MM JP10 39
SHORT5MM JP11 39
OPEN1MM JP12 39
OPEN3MM_S JP13 41
OPEN2MM JP14 45
OPEN2MM JP15 45
OPEN3MM_S JP16 45
OPEN3MM_S JP17 45
SHORT5MM JP18 40
SHORT5MM JP19 40
OPEN3MM_S JP2 41
SHORT2 JP20 43
OPEN3MM_S JP3 41
OPEN3MM_S JP4 41
OPEN3MM_S JP5 45
OPEN1MM JP6 41
OPEN3MM_S JP7 45
SHORT5MM JP8 42
OPEN1MM JP9 41
1.8UH L1 17
PLW3216C L10 29
120/400mA_* L11 16
120/400mA L12 16
120/400mA L13 16
120/400mA L14 28
470/450mA L15 29
470/450mA L16 29
120/400mA L17 28
80/2A L18 35
0.56uH L19 39
1.8UH L2 17
0.56uH L20 39
80/2A L21 9
120/400mA L22 9
This Document can not be used without Samsung’s authorization.

7 Schematic Diagrams and PCB Silkscreen
7-85P30
Part Reference
Sheet
120/400mA L23 31
120/400mA L24 31
47uH L25 41
10UH L26 40
10UH L27 40
TMP/22UH/3.6A L28 42
80/2A L29 26
75Ohm/100M L3 17
75Ohm/100M L30 17
75Ohm/100M L31 17
80/2A L32 23
160 OHM/100MHZ L33 23
160 OHM/100MHZ L34 23
120/400mA L35 14
80/2A L36 23
80/2A L37 16
120/400mA L38 14
80/2A_* L39 28
80/2A L4 16
120/400mA L40 14
120/400mA L41 14
120/400mA L42 14
120/400mA L43 14
120/400mA L44 14
120/400mA L45 9
120/400mA L46 9
680/4A L47 43
3.3UH L48 43
80/2A L5 23
80/2A L6 23
PLW3216C L7 29
L4532 L8 35
80/2A L9 16
120/150mA LN1 26
0.1U PC709 53
10UF/25V PC785 53
0.1U PC786 53
1000P PC787 53
Part Reference
Sheet
6800P PC788 53
10UF/6.3V PC789 53
0.1U PC792 53
0.01U PC793 53
10UF/25V PC794 53
3300P PC795 53
0.1U PC796 53
680P PC797 53
0.1U PC798 53
47P PC800 53
0.1U PC801 53
4.7uF/25V PC802 53
0.1U_* PC803 53
0.1U PC804 53
0.1U PC805 53
2200P PC806 53
0.1U/? PC807 53
0.1U PC808 53
0.1U PC809 53
0.01U PC810 53
10UF/25V PC811 53
2200P PC812 53
4700P PC813 53
0.01U PC814 53
0.01U PC815 53
0.01U PC816 53
0.01U PC817 53
0.01U PC818 53
15U/25V_7343 PC819 53
15U/25V_7343 PC820 53
10UF/6.3V PC821 53
15U/25V_7343 PC822 53
120U PCE6 53
100U/2V PCE7 53
100U/2V PCE8 53
100U/2V PCE9 53
BTOB_60P_25_M PCN34 54
1SS355 PD68 53
This Document can not be used without Samsung’s authorization.

7 Schematic Diagrams and PCB Silkscreen
P307-86
Part Reference
Sheet
1SS355 PD69 53
1SS355 PD70 53
SHORT5MM PJP25 53
SHORT5MM PJP27 53
SHORT5MM PJP31 53
4.7UH/7A_CDRH125 PL75 53
4.7UH/7A_CDRH125 PL76 53
3.3UH PL77 53
JP-C236D169 PP1 54
UM6K1N PQ65A 53
UM6K1N PQ65B 53
MMBT3904-7 PQ66 53
2N7002 PQ67 53
SI4814DY PQ90 53
RSS090N03 PQ91 53
SI4814DY PQ92 53
UM6K1N PQ93A 53
UM6K1N PQ93B 53
UM6K1N PQ94A 53
UM6K1N PQ94B 53
SI3456DV PQ95 53
RSS090N03 PQ96 53
SI4416DY PQ97 53
2N7002 PQ98 53
2N7002 PQ99 53
10KOhm PR736 53
10KOhm PR814 53
19.6KOhm PR815 53
330Ohm PR817 53
8.2KOhm PR818 53
330Ohm PR819 53
24.3KOhm PR820 53
10KOhm PR821 53
10KOhm PR822 53
2.7Ohm PR824 53
2.7KOhm PR825 53
1.8KOhm PR826 53
10K PR827 53
Part Reference
Sheet
20mOHM PR828 53
100KOhm PR831 53
20KOhm PR832 53
4.75KOhm PR833 53
100KOhm PR834 53
2.7KOhm PR835 53
6.2KOhm PR836 53
680Ohm PR837 53
7.68KOhm PR840 53
100KOhm PR841 53
100KOhm PR842 53
100KOhm PR843 53
100KOhm PR844 53
100KOhm PR845 53
100KOhm PR846 53
28KOhm PR847 53
100KOhm PR848 53
tp30 PT114 53
tp30 PT115 53
tp30 PT116 53
tp30 PT117 53
tp30 PT118 53
tp30 PT119 53
tp30 PT120 53
tp30 PT121 53
tp30 PT122 53
tp30 PT123 53
tp30 PT124 53
tp30 PT125 53
tp30 PT126 53
tp30 PT127 53
tp30 PT128 53
tp30 PT129 53
tp30 PT130 53
tp30 PT131 53
tp30 PT132 53
tp30 PT133 53
tp30 PT134 53
This Document can not be used without Samsung’s authorization.

7 Schematic Diagrams and PCB Silkscreen
7-87P30
Part Reference
Sheet
tp30 PT135 53
tp30 PT136 53
tp30 PT137 53
tp30 PT138 53
tp30 PT139 53
tp30 PT140 53
tp30 PT141 53
tp30 PT142 53
tp30 PT143 53
tp30 PT144 53
tp30 PT145 53
tp30 PT146 53
tp30 PT147 53
tp30 PT148 53
tp30 PT149 53
TPS5130 PU59 53
RN5VD09CATV PU61 53
2N7002 Q1 25
2N3904 Q10 6
2N7002 Q100 42
2N7002 Q103 37
2N7002 Q106 37
2N7002 Q107 37
2N7002 Q108 37
2N7002 Q109 6
2N7002 Q11 36
2N7002 Q110 30
2SB1132_SOT89 Q111 35
2N7002 Q112 45
TP0610T Q12 36
2N7002 Q13 36
MAX809_* Q14 36
SST2907A_* Q15 35
2N7002 Q17 36
2N7002 Q19 36
2N7002 Q1EX 50
2N7002 Q2 17
SI2301 Q20 28
Part Reference
Sheet
2N3904 Q21 19
2N3904 Q22 19
2N7002 Q23 28
2N7002 Q24 28
IRLML5103 Q25 36
2N7002 Q26 36
SI2301 Q27 33
DTC144EK Q28 44
2N7002 Q29 44
2N7002 Q2EX 50
2N7002 Q3 17
UM6K1N Q30A 34
UM6K1N Q30B 34
UM6K1N_* Q31A 34
UM6K1N_* Q31B 34
2N7002 Q32 44
2N7002 Q33 44
2N7002_* Q34 38
2N7002_* Q35 38
UM6K1N_* Q36A 38
UM6K1N_* Q36B 38
2N7002 Q37 32
2N7002 Q38 36
2N7002 Q39 37
2N7002 Q3EX 52
2N7002 Q4 25
2N7002 Q40 37
2N7002 Q41 37
2N7002 Q42 33
2N7002 Q43 26
SI2304DS Q44 45
2N7002 Q45 41
2N7002 Q46 41
2N7002 Q47 44
UM6K1N Q48A 26
UM6K1N Q48B 26
2N7002 Q49 26
UM6K1N Q4EXA 50
This Document can not be used without Samsung’s authorization.

7 Schematic Diagrams and PCB Silkscreen
P307-88
Part Reference
Sheet
UM6K1N Q4EXB 50
2N7002 Q5 17
2N7002 Q50 44
2N7002 Q51 40
2N7002 Q52 40
SI3456DV Q53 45
SI4425DY Q54 42
UM6K1N Q55A 44
UM6K1N Q55B 44
2N7002 Q56 17
2N7002 Q57 16
SI2301 Q58 16
2N7002 Q59 16
UM6K1N Q5EXA 52
UM6K1N Q5EXB 52
SI4425DY Q60 44
IRF7821 Q61 39
IRF7821 Q62 39
2N3904_* Q63 9
IRF7832 Q64 39
IRF7832 Q66 39
UM6K1N_* Q68A 38
UM6K1N_* Q68B 38
UM6K1N_* Q69A 38
UM6K1N_* Q69B 38
UM6K1N Q6A 27
UM6K1N Q6B 27
UM6K1N Q6EXA 48
UM6K1N Q6EXB 48
SI4425DY Q7 27
2N7002 Q70 37
UMZ1N Q71 44
UMC4N Q72 45
UM6K1N Q73A 44
UM6K1N Q73B 44
UM6K1N Q74A 44
UM6K1N Q74B 44
UM6K1N Q75A 45
Part Reference
Sheet
UM6K1N Q75B 45
UM6K1N Q76A 45
UM6K1N Q76B 45
TP0610T Q77 40
SI4814DY Q78 40
SI3456DV Q79 45
NDS0610 Q7EX 50
2N3904_* Q8 6
SI3456 Q80 22
SI4814DY Q81 40
2N7002_* Q82 42
2N7002 Q83 22
UMZ1N_* Q84 44
SI4425DY Q85 44
2N7002 Q86 22
PMBS3904_* Q87 44
2N7002_* Q88 44
2N7002 Q89 27
UM6K1N Q8EXA 50
UM6K1N Q8EXB 50
2N7002 Q9 16
IRLML5103 Q90 36
2N7002 Q91 36
2N7002 Q92 32
2N7002 Q93 37
2N7002 Q94 37
SI3456DV Q95 45
SI3456DV Q96 45
UMC4N Q97 45
UM6K1N Q98A 43
UM6K1N Q98B 43
2N7002 Q99 37
47K R1 25
121_1%_* R10 15
1K R100 35
1K R101 35
4.7K R103 13
4.7K R104 13
This Document can not be used without Samsung’s authorization.

Part Reference
Sheet
56.2_1%_* R105 7
0 R106 28
4.7K_* R107 13
4.7K R108 13
22 R10EX 50
121_1%_* R11 15
4.7K R110 13
4.7K R111 13
4.7K R112 13
5.6K R113 28
1K_* R114 4
150_1% R115 7
150_1% R116 7
0 R117 4
100K R118 35
3m_R2512 R119 39
22 R11EX 50
100 R12 16
3m_R2512 R120 39
10K R121 19
4.7K_* R122 13
4.7K_* R123 13
4.7K_* R124 13
10K R125 36
0 R126 7
47K R127 19
100K R128 28
330 R129 19
0_0805 R12EX 50
10K_* R13 23
1.3K R130 19
33_1%_* R131 13
30.1_1% R132 7
1M R133 36
1M R134 36
10K R135 36
1K_* R136 21
10K R137 28
Part Reference
Sheet
33 R138 9
33_* R139 9
22K_1 R13EX 49
0_0805_* R14 29
33 R140 9
33 R141 9
33 R142 9
1K_* R143 9
1K R144 9
33 R145 9
33 R146 9
33 R147 9
33 R148 9
10_* R149 21
11K_1 R14EX 49
100K R15 27
56 R150 18
4.7K_1%_* R151 7
33 R152 9
100K R153 36
2.7_1206 R154 25
100 R155 30
150_1% R156 20
0_* R157 19
150_1% R158 20
8.2K_* R159 21
22K_1 R15EX 49
100K R16 27
150_1% R160 18
20K_* R161 21
10K_* R162 21
100K R163 36
330 R164 19
10K_* R165 21
0 R166 9
10K R167 9
150_1% R168 18
8.2K_* R169 21
7 Schematic Diagrams and PCB Silkscreen
7-87P30
This Document can not be used without Samsung’s authorization.

Part Reference
Sheet
10K R16EX 49
1K_* R17 4
0 R171 19
8.2K_* R172 21
1K R173 9
33 R174 9
33 R175 9
33 R176 9
33 R177 9
33 R178 9
33 R179 9
30K_1 R17EX 50
0_0805_* R18 29
33 R180 9
33 R181 9
33 R182 9
33 R183 9
33 R184 9
56 R185 19
0 R186 9
10K R187 21
100K R188 36
56 R189 19
20K_1 R18EX 50
10K R19 6
0 R190 19
4.7K R191 21
0_* R192 19
100K R193 19
0_* R194 19
10K R195 44
10 R196 10
10 R197 10
10 R198 10
10 R199 10
10K R19EX 50
1K R1EX 50
10K R2 23
Part Reference
Sheet
0 R20 6
10 R200 10
10 R201 10
10 R202 10
0 R203 31
100K R204 31
10K_* R205 31
10K R206 31
10K_* R207 31
10 R208 10
100K R209 44
0_* R20EX 50
0_0805_* R21 29
4.7K_* R210 21
10K R211 19
4.7K R212 21
10K R213 33
10M R214 18
10K R215 33
10K R216 31
10M R217 18
100 R218 31
10K_* R219 31
22 R21EX 49
100K R22 27
10K R220 31
10K R221 31
180K R222 18
0 R223 31
10K R224 44
4.7K R225 34
0_* R226 31
18K R227 44
100K R228 31
4.7K R229 34
20K_1 R22EX 50
75_1% R23 29
0 R230 31
7 Schematic Diagrams and PCB Silkscreen
P307-88
This Document can not be used without Samsung’s authorization.

Part Reference
Sheet
100K R231 31
22K R232 44
10K R233 33
1K R234 18
100K R235 44
22 R236 31
100K R237 44
0 R238 31
56 R239 10
1M R23EX 49
75_1% R24 29
56 R240 10
56 R241 10
56 R242 10
10K_1% R243 10
56 R244 10
56 R245 10
56 R246 10
56 R247 10
0 R248 31
10K_1% R249 31
30K_1 R24EX 50
0_0805_* R25 29
330_* R250 38
10K_1% R251 10
10K R252 32
56_1% R253 33
56_1% R254 27
56_1% R255 27
56_1% R256 27
56_1% R257 27
56_1% R258 33
56_1% R259 33
100K R25EX 50
56 R26 4
56_1% R260 33
10K R261 32
330_* R262 38
Part Reference
Sheet
5.11K_1% R263 27
5.11K_1% R264 33
10K R265 33
47K R266 36
330K_* R267 36
330_* R268 38
100K R269 44
1K R26EX 49
100K R27 37
100K R270 41
470 R271 37
470 R272 37
4.7K R273 42
470 R275 37
100KOhm R276 41
4.7K R277 44
10K R278 44
10K R279 26
100K R27EX 50
1K R28 16
100K R280 41
10K R281 26
47K R282 44
10K R283 26
100K R284 45
10K R285 26
10K R286 26
10K R287 26
442K R288 44
100K R289 44
100K R28EX 50
1K R29 16
100K R290 44
220K R291 44
100K R292 41
10K_* R293 22
0_* R294 37
5.1KOhm R295 40
7 Schematic Diagrams and PCB Silkscreen
7-87P30
This Document can not be used without Samsung’s authorization.

Part Reference
Sheet
10Ohm R296 40
82KOhm R297 40
2.7Ohm R298 40
10K_1%_* R299 37
1K R2EX 50
54.9_1% R3 4
75_1% R30 29
30K_1%_* R300 37
681Ohm R301 40
10KOhm R302 40
3.65KOhm R303 40
1MOhm R304 40
10KOhm R305 40
5.6K_* R306 22
470_* R307 22
4.7K R308 22
10K R309 22
1K R30EX 49
75_1% R31 29
8.2K R310 42
8.2K R311 42
150K R312 42
150K R313 42
49.9K R314 42
10K R315 44
20K R316 44
30K R317 44
47KOhm R318 42
100K R319 42
10K R31EX 49
49.9_1% R32 4
8.2K R320 42
150K R321 42
10 R322 42
0_0805 R323 26
1K/100mA R324 25
4.7K R325 17
4.7K R326 25
Part Reference
Sheet
33 R327 17
33 R328 17
33 R329 17
10K R32EX 49
0_* R33 29
10K R330 23
470K R331 16
10K R332 16
10K R333 23
10K R334 23
0_0805_* R335 23
0_0805_* R336 23
0_0805_* R337 23
0_0805_* R338 23
10K_* R339 23
2.2K R33EX 51
0_* R34 29
10K R340 27
47 R341 15
100 R342 23
4.7K_* R343 15
1K_1% R344 15
56 R345 6
56 R346 6
1K_* R347 4
1K_1% R348 15
4.7K R349 15
0_* R35 29
0_0805 R350 4
10K R351 24
4.7K R352 15
4.7K_* R353 15
75 R354 29
47_1% R355 13
75 R356 29
0_* R357 27
10K R358 27
75Ohm/100M R359 27
7 Schematic Diagrams and PCB Silkscreen
P307-88
This Document can not be used without Samsung’s authorization.

Part Reference
Sheet
75K R35EX 51
0_* R36 29
75Ohm/100M R360 27
75Ohm/100M R361 27
0 R362 13
0 R363 13
0 R364 13
0 R365 24
0 R366 13
0 R367 13
40.2_1% R368 7
1K R369 7
2.2M R36EX 50
121_1%_* R37 15
1K_* R370 7
0 R371 14
1K_* R372 7
1K_* R373 7
1K R374 7
1K R375 35
10K_* R376 24
8.2K_* R377 13
100K R378 36
54.9_1% R379 4
100K R37EX 50
330 R38 6
27.4_1% R380 4
301_1% R381 8
150_1% R382 8
10K R383 41
2.4K R384 41
301_1% R385 8
150_1% R386 8
4.7K R387 13
1K_1% R388 7
1K_1% R389 7
10K_1 R38EX 49
330_* R39 6
Part Reference
Sheet
4.7K R390 13
4.7K R391 13
1K R392 13
75_1% R393 17
75_1% R394 17
75_1% R395 17
75_1% R396 17
75_1% R397 17
0_* R398 13
0_* R399 13
30K_1 R39EX 49
30K_1 R3EX 49
27.4_1% R4 4
49.9_1% R40 4
10K R400 13
27.4_1% R401 8
49.9_1% R402 8
100_1% R403 8
1K_* R404 21
715_1% R405 13
499_1% R406 13
0 R407 8
36.5_1% R408 7
0 R40EX 51
121_1%_* R41 15
8.2K R410 18
18.2_1% R411 19
33.2KOhm R412 43
330 R413 4
0 R414 6
0 R415 6
100K R416 32
1.3M R417 32
47 R418 18
10K_* R419 21
1K R41EX 48
100K OHM R42 43
47 R420 18
7 Schematic Diagrams and PCB Silkscreen
7-93P30
This Document can not be used without Samsung’s authorization.

Part Reference
Sheet
10K R421 28
0 R422 7
1K R423 20
10K R424 43
50m R425 44
1K_* R426 9
1K_* R427 21
0_* R428 13
1K R429 9
2.2K R42EX 51
50_1% R43 29
1K_* R430 8
1K R431 20
10K R432 18
0 R433 7
49.9_1% R434 9
49.9_1% R435 9
49.9_1% R436 9
49.9_1% R437 9
0 R438 18
10K R439 9
56K R43EX 51
50_1% R44 29
10K_* R440 21
0 R441 9
1K R442 9
475_1% R443 9
10K R444 18
100K R445 19
36.5_1% R446 21
56K/1% R447 39
1K_* R448 21
0 R449 39
10K_* R44EX 50
54.9_1%_* R45 4
0 R450 39
0 R451 39
0 R452 39
Part Reference
Sheet
130K/1% R453 39
1K_* R454 21
100K R455 18
100K/1% R456 39
20K_* R457 9
8.2K R458 19
2.7 R459 39
47 R45EX 52
27.4_1% R46 4
100K/1% R460 39
2.7 R461 39
1.2K/1% R462 39
10_R0805 R463 39
100K R464 39
1K R465 39
1K R466 39
348Ohm R467 39
348Ohm R468 39
4.7K R469 39
47_* R46EX 52
0_* R47 29
1M R470 39
0 R471 39
1K R472 39
1K/1% R473 39
270Ohm R474 39
1K/1% R475 39
1K R476 39
330_* R477 38
330_* R478 38
330_* R479 38
10K R47EX 52
150 R48 4
330_* R480 38
51.1K R481 44
47K_* R482 38
143K R483 44
470K R484 44
7 Schematic Diagrams and PCB Silkscreen
P307-94
This Document can not be used without Samsung’s authorization.

Part Reference
Sheet
100KOhm R485 41
100KOhm R486 41
0Ohm R487 41
4.7M R488 44
100K R489 44
10K_* R48EX 52
680 R49 4
1K R490 45
100K R491 44
470K R492 44
47K R493 44
365K R494 44
1K R495 45
100K R496 44
4.7K R497 26
4.7K R498 26
100K R499 45
75K_* R49EX 51
15K_1 R4EX 49
1K_1% R5 4
10K_* R50 25
10K R500 26
240K R501 45
100K R502 44
100K R503 45
1M_* R504 26
100K R505 45
100K R506 45
10K R507 26
100K R508 26
10K_* R509 36
10K_* R50EX 51
54.9_1%_* R51 4
4.7K R510 22
5.6K_* R511 22
2.7Ohm R512 40
1K R513 22
470_* R514 22
Part Reference
Sheet
560Ohm R516 40
10.7KOhm R517 40
100K R518 22
2MOhm R519 40
10K_* R51EX 51
10K R52 23
10.2KOhm R520 40
100K R521 22
47K R522 42
47K R523 42
100K R524 42
13K R525 42
100K R526 22
10K R527 22
0_* R528 22
100K R529 42
75K_* R52EX 51
10K R53 16
5.49KOhm R530 42
60.4K R531 42
100K R532 42
56.2K_* R533 42
10K_* R534 44
0 R535 22
100K_* R536 44
10K R537 22
10K R538 22
10K_* R539 22
0 R53EX 50
0_* R54 29
50m R540 42
10K_* R541 44
100K_* R542 44
0Ohm R543 43
0Ohm R544 43
10K_* R545 44
0Ohm R546 43
50_1%_* R547 13
7 Schematic Diagrams and PCB Silkscreen
7-95P30
This Document can not be used without Samsung’s authorization.

Part Reference
Sheet
0 R548 14
100_* R549 14
100K R54EX 50
10K R55 23
100_* R550 14
0 R551 14
0_* R552 14
0_* R553 14
10K R554 27
8.2K R555 18
10K R556 19
0_* R557 36
0_* R558 36
100K R559 37
100K R55EX 50
39.2_1% R56 4
10K R560 32
10K R561 32
0_* R563 33
1K_* R564 22
220 R565 37
5.1M R566 37
100K_* R567 37
4.7K_* R568 13
4.7K_* R569 13
1K R56EX 50
50_1% R57 29
4.7K_* R570 13
4.7K_* R571 13
220KOhm R572 40
10Ohm R573 43
100KOhm R574 43
100KOhm R575 43
57.6KOhm R576 43
22.1KOhm R577 43
115KOhm R578 43
1MOhm R579 43
20K_1 R57EX 49
Part Reference
Sheet
50_1% R58 29
100KOhm R580 43
100KOhm R581 43
0 R582 37
10K R583 24
47K R584 42
510K R585 42
100K R586 45
5.11KOhm R587 42
100K R588 42
0 R589 14
20K_1 R58EX 49
54.9_1%_* R59 4
0_* R590 14
0 R591 18
0 R592 40
0/* R593 40
10K R594 37
10K R596 26
10K R597 37
10K R598 30
39K R599 42
20K_1 R59EX 49
30K_1 R5EX 49
2K_1% R6 4
0 R60 13
560K R600 42
20K_1 R60EX 49
10K_* R61 24
56 R62 4
0 R63 13
0 R64 13
54.9_1%_* R65 4
10K_* R66 24
50_1% R67 29
50_1% R68 29
1K R69 28
0_0805 R6EX 50
7 Schematic Diagrams and PCB Silkscreen
P307-96
This Document can not be used without Samsung’s authorization.

Part Reference
Sheet
33 R7 17
100 R70 28
50_1% R71 29
50_1% R72 29
10K_* R73 13
10K R74 13
15K R75 28
4.7K R76 13
10K R77 13
220K R78 36
220K R79 36
4.7K R8 17
220K R80 36
0_* R81 28
0 R82 28
100_* R83 28
5.6K R84 28
10K_* R85 24
27.4_1% R86 8
1M R87 13
10K R88 13
10K_* R89 13
10K R8EX 50
100K R9 17
0 R90 28
4.7K R91 13
4.7K R92 13
100K R93 36
0 R94 36
0_* R95 36
5.6K_* R96 28
100K R97 35
10K_1% R98 35
5.11K_1% R99 35
0 R9EX 50
OPEN1MM RESET 36
33_8P4R RN1 25
47K_8P4R RN10 33
Part Reference
Sheet
56_16P8R RN11 10
56_16P8R RN12 10
56_16P8R RN13 10
56_16P8R RN14 10
56_16P8R RN15 10
56_16P8R RN16 10
56_16P8R RN17 10
56_16P8R RN18 10
56_16P8R RN19 10
33_8P4R RN2 25
56_16P8R RN20 10
56_16P8R RN21 10
56_16P8R RN22 10
47K_8P4R RN23 33
47K_8P4R RN24 33
10K_8P4R RN25 26
10K_8P4R RN26 26
10K_8P4R RN27 26
1K/50mA_8P4R RN28 25
1K/50mA_8P4R RN29 25
10K_8P4R RN3 26
1K/50mA_8P4R RN30 25
1K/50mA_8P4R RN31 25
10K_8P4R RN32 23
10_16P8R RN33 10
10_16P8R RN34 10
10_16P8R RN35 10
10_16P8R RN36 10
10_16P8R RN37 10
10_16P8R RN38 10
10_16P8R RN39 10
10K_8P4R_* RN4 25
10_16P8R RN40 10
10_16P8R RN41 10
10_16P8R RN42 10
4.7K_8P4R RN5 13
0_8P4R RN6 6
10K_8P4R RN7 21
7 Schematic Diagrams and PCB Silkscreen
7-97P30
This Document can not be used without Samsung’s authorization.

Part Reference
Sheet
10K_8P4R RN8 21
10_8P4R RN9 10
4.7K_10P8R RP1 25
2.7K_10P8R RP2 25
8.2K_10P8R RP3 21
8.2K_10P8R RP4 21
47K_10P8R RP5 33
10K_10P8R RP6 26
10K_10P8R RP7 26
8.2K_10P8R RP8 21
10K_10P8R RP9 21
1394CHOKE T1 33
tp30 T10 39
tp30 T100 40
tp30 T101 42
tp30 T102 40
tp30 T103 44
tp30 T104 44
tp30 T105 44
tp30 T106 44
tp30 T107 42
tp30 T108 44
tp30 T109 39
tp30 T11 42
tp30 T110 39
tp30 T111 39
tp30 T112 39
tp30 T113 39
tp30 T114 39
tp30 T115 39
tp30 T116 39
tp30 T117 40
tp30 T118 41
tp30 T119 41
tp30 T12 39
tp30 T120 41
tp30 T121 41
tp30 T122 41
Part Reference
Sheet
tp30 T123 41
tp30 T124 41
tp30 T125 42
tp30 T126 42
tp30 T127 42
tp30 T128 43
tp30 T129 43
tp30 T13 39
tp30 T130 43
tp30 T131 43
tp30 T132 43
tp30 T133 43
tp30 T134 43
tp30 T135 43
tp30 T136 43
tp30 T137 43
tp30 T138 43
tp30 T139 43
tp30 T14 39
tp30 T140 43
tp30 T141 43
tp30 T142 43
tp30 T143 43
tp30 T144 43
tp30 T145 43
tp30 T146 43
tp30 T147 43
tp30 T148 43
tp30 T149 43
tp30 T15 40
tp30 T150 43
tp30 T151 43
tp30 T152 43
tp30 T153 43
tp30 T154 43
tp30 T155 43
tp30 T156 43
tp30 T157 43
7 Schematic Diagrams and PCB Silkscreen
P307-98
This Document can not be used without Samsung’s authorization.

Part Reference
Sheet
tp30 T158 43
tp30 T159 43
tp30 T16 42
tp30 T160 43
tp30 T161 43
tp30 T162 43
tp30 T163 43
tp30 T164 43
tp30 T165 43
tp30 T166 43
tp30 T167 43
tp30 T168 43
tp30 T169 43
tp30 T17 39
tp30 T170 43
tp30 T171 43
tp30 T172 43
tp30 T173 43
tp30 T174 43
tp30 T175 43
tp30 T176 43
tp30 T177 43
tp30 T178 43
tp30 T179 44
tp30 T18 39
tp30 T180 44
tp30 T181 44
tp30 T182 45
tp30 T187 43
tp30 T188 41
tp30 T189 41
tp30 T19 44
tp30 T190 41
tp30 T191 43
tp30 T192 43
tp30 T193 44
tp30 T194 45
tp30 T195 45
Part Reference
Sheet
tp30 T196 45
tp30 T197 45
tp30 T2 45
tp30 T20 39
tp30 T21 39
tp30 T22 39
tp30 T23 44
tp30 T24 45
tp30 T25 40
tp30 T26 42
tp30 T27 44
tp30 T28 45
tp30 T29 45
tp30 T3 44
tp30 T30 45
tp30 T31 44
tp30 T32 45
tp30 T33 39
tp30 T34 40
tp30 T35 44
tp30 T36 40
tp30 T37 44
tp30 T38 40
tp30 T39 45
tp30 T4 41
tp30 T40 44
tp30 T41 44
tp30 T42 44
tp30 T43 42
tp30 T44 45
tp30 T45 45
tp30 T46 45
tp30 T47 40
tp30 T48 42
tp30 T49 40
tp30 T5 39
tp30 T50 42
tp30 T51 42
7 Schematic Diagrams and PCB Silkscreen
7-99P30
This Document can not be used without Samsung’s authorization.

Part Reference
Sheet
tp30 T52 44
tp30 T53 40
tp30 T54 39
tp30 T55 39
tp30 T56 39
tp30 T57 39
tp30 T58 45
tp30 T59 39
tp30 T6 39
tp30 T60 45
tp30 T61 42
tp30 T62 40
tp30 T63 44
tp30 T64 40
tp30 T65 43
tp30 T66 39
tp30 T67 39
tp30 T68 39
tp30 T69 44
tp30 T7 39
tp30 T70 41
tp30 T71 43
tp30 T72 43
tp30 T73 44
tp30 T74 44
tp30 T75 40
tp30 T76 44
tp30 T77 39
tp30 T78 39
tp30 T79 45
tp30 T8 39
tp30 T80 39
tp30 T81 40
tp30 T82 42
tp30 T83 45
tp30 T84 41
tp30 T85 40
tp30 T86 42
Part Reference
Sheet
tp30 T87 45
tp30 T88 45
tp30 T89 44
tp30 T9 39
tp30 T90 42
tp30 T91 44
tp30 T92 44
tp30 T93 45
tp30 T94 45
tp30 T95 40
tp30 T96 45
tp30 T97 45
tp30 T98 44
tp30 T99 40
TP TP1 35
TP TP10 13
TP TP100 18
TP TP101 18
TP TP102 28
TP TP103 36
TP TP104 36
TP TP105 37
TP TP106 37
TP TP107 37
TP TP108 4
TP TP109 4
TP TP11 18
TP TP110 36
TP TP111 37
TP TP12 28
TP TP13 8
TP TP14 9
TP TP16 19
TP TP17 19
TP TP18 8
TP TP19 8
TP TP2 35
TP TP20 7
7 Schematic Diagrams and PCB Silkscreen
P307-100
This Document can not be used without Samsung’s authorization.

Part Reference
Sheet
TP TP21 7
TP TP22 7
TP TP23 7
TP TP24 7
TP TP25 7
TP TP26 19
TP TP27 31
TP TP28 31
TP TP29 32
TP TP3 35
TP TP30 35
TP TP31 35
TP TP32 26
TP TP35 35
TP TP36 35
TP TP37 4
TP TP38 23
TP TP39 23
TP TP4 35
TP TP40 23
TP TP41 24
TP TP42 24
TP TP43 24
TP TP44 24
TP TP45 24
TP TP46 24
TP TP47 24
TP TP48 4
TP TP49 4
TP TP5 4
TP TP50 4
TP TP51 4
TP TP52 4
TP TP53 4
TP TP54 4
TP TP55 4
TP TP56 4
TP TP57 4
Part Reference
Sheet
TP TP58 4
TP TP59 4
TP TP6 7
TP TP60 13
TP TP61 13
TP TP62 13
TP TP63 13
TP TP64 13
TP TP65 13
TP TP66 13
TP TP67 13
TP TP68 18
TP TP69 18
TP TP7 24
TP TP70 19
TP TP71 19
TP TP72 7
TP TP73 9
TP TP74 8
TP TP75 8
TP TP76 8
TP TP77 7
TP TP78 8
TP TP79 32
TP TP8 28
TP TP80 7
TP TP81 7
TP TP82 9
TP TP83 7
TP TP84 32
TP TP85 32
TP TP86 32
TP TP87 32
TP TP88 32
TP TP89 32
TP TP9 28
TP TP90 32
TP TP91 32
7 Schematic Diagrams and PCB Silkscreen
7-101P30
This Document can not be used without Samsung’s authorization.

Part Reference
Sheet
TP TP92 32
TP TP93 31
TP TP94 32
TP TP95 32
TP TP96 26
TP TP98 19
TP TP99 10
AAT4626-1 U1 23
ICH4 U10A 18
ICH4 U10B 18
ICH4 U10C 19
ICH4 U10D 20
ICH4 U10E 20
ICS950810 U11 9
74LV14 U12 36
24C02(2.7V) U13 33
R5C593-CSP277_0 U14A 31
R5C593-CSP277_0 U14B 31
LMV321 U15 10
G571 U16 32
3384 U17 32
LM4040BIM3X U18 44
LM3480 U19 44
SIGMATEL_9750TLC5 U1EX 49
MAX3243CDBR U2 25
MIC37101 U20 41
RT9173 U21 41
LM339MX U22 44
MAX1836 U23 41
7ST32_SOT23-5 U24 22
SI9183DT-AD U25 37
NC7SZ32 U26 42
LMV393 U27 42
MB3878 U28 42
AAT4626-1 U29 23
TPA0212_TSSOP24_227G U2EX 50
MAX6657 U3 6
FWH32_PLCC32 U30 23
Part Reference
Sheet
LF8423 U31 29
NC7ST32M5_* U32 13
PC87393 U33 24
74CBT3257 U34 28
RTL8101(L) U35 28
LMV321 U36 35
74HC74 U37 32
7SZ00 U38 32
SI9183DT U39 41
MAX4490_SC70-5P U3EX 51
93C46 U40 28
NC7SZ32M5 U41 19
PST9013 U42 43
MK1707S_* U43 13
74LVC08 U44A 18
74LVC08 U44B 19
74LVC08 U44C 19
74LVC08 U44D 19
MAX1987 U45 39
M38857M8-A02HP U46 26
MAX1632 U47 40
U-7S08 U48 22
LTC3412 U49 43
BANIAS U4A 4
BANIAS U4B 4
BANIAS U4C 4
BANIAS U4D 5
BANIAS U4E 5
SI9183DT-AD U4EX 49
LF8423 U5 29
U-7S08 U50 37
LMV331 U51 42
NJM2100_* U5EX 51
M9/M10_CSP32/64_715/667 U6A 13
M9/M10_CSP32/64_715/667 U6B 15
M9/M10_CSP32/64_715/667 U6C 15
M9/M10_CSP32/64_715/667 U6D 14
M9/M10_CSP32/64_715/667 U6E 14
7 Schematic Diagrams and PCB Silkscreen
P307-102
This Document can not be used without Samsung’s authorization.

Part Reference
Sheet
M9/M10_CSP32/64_715/667 U6F 15
NC7ST32M5_* U7 13
MCH_M U8A 7
MCH_M U8B 8
MCH_M U8C 8
MCH_M U8D 8
HSDL-3602 U9 25
Part Reference
Sheet
27MHZ X1 13
XTAL-32KHz X2 18
XTAL-24.576M_30PPM X3 31
25MHz_CXSY-4 X4 28
14MHz_8X4.5 X5 9
RESOR-8MHz X6 26
XTAL-24.576MHz Y1EX 49
7 Schematic Diagrams and PCB Silkscreen
7-103P30
This Document can not be used without Samsung’s authorization.