220CW8 09060811536845
User Manual: 220CW8
Open the PDF directly: View PDF
.
Page Count: 82

22” TFT LCD COLOR MONITOR
ServiceService
ServiceService
ServiceService
Service Manual
TABLE OF CONTENTS
Description
Important Safety Notice .............................................
Technical Data & Power Management .......................
Connection to PC .......................................................
OSD Menu Control Level Structure ...........................
Advanced OSD Adjustment .......................................
OSD Attention Signal .................................................
Safety and troubleshooting information ....................
Definition of Pixel Defects ..........................................
...........
Wiring Diagram ..........................................................
Mechanical Instructions .............................................
F/W Upload Instructions ............................................
DDC Instructions ........................................................
DDC DATA .................................................................
Block Diagram ...........................................................
Safety Instructions, Warnings and Notes ........
Page
2
3~4
5
6
7
8
9
10~11
12
13~16
17~18
19~21
22~23
24
25
Description
Scaler Board Schematic Diagram ..............................
Power Board Schematic Diagram ..............................
Button Board Schematic Diagram .............................
USB Board Schematic Diagram .............................
Scaler Board Layout Side View .................................
Power Board Layout Side View .................................
Button Board Layout Side View .................................
USB Board Layout Side View .................................
Exploded View ...........................................................
Recommended Parts List ..........................................
Spare Parts List .........................................................
Different Parts List .....................................................
General Trouble Shooting Guide ...............................
General Product Specification ...................................
Safety Check Process ...............................................
Page
26~31
32~33
34
35
36~37
38~39
40
41
42
43~48
49~51
52
53~67
68~81
82
SAFETY NOTICE
ANY PERSON ATTEMPTING TO SERVICE THIS CHASSIS MUST FAMILIARIZE HIMSELF WITH THE CHASSIS
AND BE AWARE OF THE NECESSARY SAFETY PRECAUTIONS TO BE USED WHEN SERVICING ELECTRONIC
EQUIPMENT CONTAINING HIGH VOLTAGES.
CAUTION: USE A SEPARATE ISOLATION TRANSFORMER FOR THIS UNIT WHEN SERVICING.
REFER TO BACK COVER FOR IMPORTANT SAFETY GUIDELINE.
Subject to modification Dec. 6th. 2007 EN :
220CW8FB/00
220CW8FB/69
220CW8FB/93
http://www.wjel.net

2220CW8 LCD
Proper service and repair is important to the safe, reliable
operation of all Philips Consumer Electronics Company**
Equipment. The service procedures recommended by Philips
and described in this service manual are effective methods of
performing service operations. Some of these service
operations require the use of tools specially designed for the
purpose. The special tools should be used when and as
recommended.
It is important to note that this manual contains various
CAUTIONS and NOTICES which should be carefully read in
order to minimize the risk of personal injury to service
personnel. The possibility exists that improper service
methods may damage the equipment. It is also important to
understand that these CAUTIONS and NOTICES ARE NOT
EXHAUSTIVE. Philips could not possibly know, evaluate and
advise the service trade of all conceivable ways in which
service might be done or of the possible hazardous
consequences of each way. Consequently, Philips has not
undertaken any such broad evaluation. Accordingly , a
servicer who uses a service procedure or tool which is not
recommended by Philips must first satisfy himself thoroughly
that neither his safety nor the safe operation of the equipment
will be jeopardized by the service method selected.
* * Hereafter throughout this manual, Philips Consumer
Electronics Company will be referred to as Philips.
Critical components having special safety characteristics are
identified with a by the Ref. No.in the parts list and
enclosed within a broken line*
(where several critical components are grouped in one
area) along with the safety symbol on the schematics or
exploded views.
Use of substitute replacement parts which do not have the
same specified safety characteristics may create shock, fire,
or other hazards.
Under no circumstances should the original design be
modified or altered without written permission from Philips.
Philips assumes no liability , express or implied, arising out of
any unauthorized modification of design.
Servicer assumes all liability .
* Broken Line
WARNING
Important Safety Notice
FOR PRODUCTS CONTAINING LASER :
DANGER - In visible laser radiation when open.
AVOID DIRECT EXPOSURE TO BEAM.
CAUTION - Use of controls or adjustments or
performance of procedures other than
those specified herein may result in
hazardous radiation exposure.
CAUTION - The use of optical instruments with this
Product will increase eye hazard.
TO ENSURE THE CONTINUED RELIABILITY OF THIS
PRODUCT, USE ONLY ORIGINAL MANUFACTURER'S
REPLACEMENT PARTS, WHICH ARE LISTED WITH
THEIR PART NUMBERS IN THE PARTS LIST SECTION
OF THIS SERVICE MANUAL.
Take care during handling the LCD module with backlight
unit
- Must mount the module using mounting holes
four corners.
- Do not press on the panel, edge of the frame
electric shock as this will result in damage to the screen.
- Do not scratch or press on the panel with any sharp
such as pencil or pen as this may result in
panel.
- Protect the module from the ESD as it may damage
electronic circuit (C-MOS).
- Make certain that treatment persons body are
through wrist band.
- Do not leave the module in high temperature and in
of high humidity for a long time.
- Avoid contact with water as it may a short circuit
the module.
- If the surface of panel become dirty, please wipe it
a soft material.( Cleaning with a dirty or
damage the panel.)
arranged in
strongly or
objects,
damage to the
the
grounded
areas
within
off with
rough cloth may
http://www.wjel.net

220CW8 LCD
Technical Data 3
1. General Specification
1.1 Panel characteristic
Panel source
Screen type
Screen dimensions
Resolution
Outside dimensions
Pixel pitch (mm)
Color pixel arrangement
Display surface
Color depth
Backlight
Active area (mm)
View angle (CR>10)
Contrast ratio
White luminance
Color gamut
Response time
Resolution
Outside dimensions
Pixel pitch (mm)
Color pixel arrangement
Display surface
Color depth
Backlight
Active area (mm)
View angle (CR>10)
Contrast ratio
White luminance
Color gamut
Response time
CMO M220Z1-L03
LPL LM220WE1-TLD1
1.2 Scanning frequencies
Horizontal scan range
Vertical scan range
1.3 Video
Video dot rate
Input impedance
(Analog signal input)
- video
- Sync
: LPL
: TN+film
: 22 inches (diagonal) 16:10
LM220WE1-TLD1
:CMO M220Z1-L03
: 30 - 93 K Hz (automatic)
: 56 - 76 Hz (automatic)
: < 205 MHz (Over 165 MHz,
Warning message will show up)
:75ohm
: 2.2K ohm
: 1680 X 1050 (WXGA+)
: 493.7 (W) X 320.1 (H) X 16.5 (D)
: 0.282 x 0.282
: R. G. B. Vertical Stripe
: Hard-coating (3H), Non-glare type
: 16.7M colors
: 4 lamps
: 473.76 (H) x 296.1(V)
: >= 170 (H) / 160(V) (typical)
:>=1000:1
: >= 300 nits (7.0mA)
:>=72%
:5ms
: 1680 X 1050 (WXGA+)
: 493.7 (W) X 320.1 (H) X 16.5 (D)
: 0.282 x 0.282
: R. G. B. Vertical Stripe
: Hard-coating (3H), Non-glare type
: 16.7M colors
: 4 lamps
: 473.76 (H) x 296.1(V)
: >= 170 (H) / 160(V) (typical)
:>=1000:1
: >= 300 nits (7.0mA)
:>=72%
:5ms
: 700 mVpp
: Analog R/G/B separate inputs
Separate horizontal and vertical /
Composite (H+V) TTL level,
Sync On Green (SOG) sync
0.3Vp-p Negative
: Signal TMDS link
(3 channels : Rx0 & Rx1 & RX2-/+)
: Both Analog and Digital input.
It can be switching via OSD option.
: 513.8 mm
: 416.2 mm
: 213.6 mm
: 565 mm
: 174 mm
: 472 mm
: 5 Kg (Including I/F cable 240g)
:-5°+2/-0°(forward )
+25°+0/-3°(backward )
: nil
: nil
: nil
:AC90-264V,
:50/60 2Hz
: < 50W maximum
:40
: 0 to 35 degree C
: 85% (max.)
: 0 - 3658 m
: 600 - 1100 mBAR
: -20 to 60 degree C
: 95% max
: 0 - 12192 m
: 300 - 1100 mBAR
: 50,000 Hrs
+
: 567 mm
: 189 mm
: 480 mm
0 to degree C
(Recommend at 5 to 35 degree C,
Humidity less then 60%)
Input signal levels
Sync. input signals
Input impedance (Digital)
Video interface
1.5 Physical characteristics
Unit dimensions
- Width
- Height
- Depth
Packed unit dimensions
Weight (monitor only)
Title angel
Swivel angel
Height adjustment
Portrait display
AC input: - voltage
- frequency
Power consumption
Ambient temperature
Operating
- Temperature
- Humidity
- Altitude
- Air pressure
Storage
System MTBF
- Width
- Height
- Depth
Packed unit dimensions
(China only)
- Width
- Height
- Depth
- Temperature
- Humidity
- Altitude
- Air pressure
http://www.wjel.net

4220CW8 LCD
Automatic Power Saving
Data Storage
Factory preset mode:
If you have VESA / DPMS compliance display card or software
installed in your PC, the monitor can automatically reduce
power consumption when power saving function active. And if
an input from keyboard, mouse or other devices is detected,
the monitor will automatically wake up. The following table
shows the power consumption and signaling of this automatic
power saving feature:
This monitor must comply with the Microsoft On Now
specification, with two power management states, as defined
by the VESA DPMS document. And must appropriately display
the DPMS states. Also comply with Environmental Protection
Agency (EPA) Energy Star and TCO03 power management
standard strictly.
ENERGY STAR is a U.S. Registered mark. AS AN ENERGY
STAR PARTNER, PHILIPS HAS DETERMINED THAT THIS
PRODUCT MEETS THE ENERGY STAR GUIDELINES OF
ENERGY EFFICIENCY.
This monitor has 18 factory-preset modes as indicated in the
following table:
Technical Data
2. Pin Assignment
2.1 PC analog video input with D - sub connector.
Connector type of analog signal cable :
D - Sub male with DDC2B pin assignment.
Blue connector with thumb-operated jackscrews.
Pin assignment :
2.2 PC digital video input with DVI-D connector.
Connector type of DVI-D signal cable :
DVI-D male with DDC2B pin assignment.
White connector with thumb-operated jackscrews.
Pin assignment :
PIN
No.
SIGNAL PIN
No.
SIGNAL PIN
No.
SIGNAL
1 Red 6 Red GND 11 Sense (GND)
2 Green/ SOG 7 Green GND 12 Bi-directional
data
3 Blue 8 Blue GND 13 H/H+V sync
4 Sense (GND) 9 DDC +3.3V or
+5V
14 V-sync
5CableDetect
(GND)
10 Logic GND 15 Data clock
Pin
No.
Description Pin
No.
Description Pin
No.
Description
1 T.M.D.S. data2- 9 T.M.D.S. data1- 17 T.M.D.S. data0-
2 T.M.D.S. data2+ 10 T.M.D.S. data1+ 18 T.M.D.S. data0+
3 T.M.D.S. data2
shield
11 T.M.D.S. data1
shield
19 T.M.D.S. data0
shield
4 No Connect 12 No Connect 20 No Connect
5 No Connect 13 No Connect 21 No Connect
6 DDC clock 14 +5V Power 22 T.M.D.S clock
shield
7 DDC data 15 Ground (for
+5V)
23 T.M.D.S. clock+
8 No Connect 16 Hot plug detect 24 T.M.D.S. clock-
Mode HSYNC VSYNC Video Pwr-cons. Indication Rec. time
Power-On On On active < 50 W Green LED --
Off Off Off blanked < 1 W Amber LED < 3 s
DC Power Off N/A < 1 W LED Off
Item H.Freq. (KHz) Mode Resolution V.Freq. (Hz) BW(MHz)
1 31.469 IBM VGA 10H 640x350 70.086
2 31.469 IBM VGA 3H 720x400 70.087
3 31.469 IBM VGA 12H 640x480 59.94
4 35 MACINTOSH 640x480 67
5 37.5 VESA 640x480 75
6 35.156 VESA 800x600 56.25
7 37.879 VESA 800x600 60.317
8 46.875 VESA 800x600 75
9 48.363 VESA 1024x768 60.004
10 60.023 VESA 1024x768 75.029
11 63.981 VESA 1280x1024 60.02
12 79.976 VESA 1280x1024 75.025
13 55.469 VESA-reduced
blanking mode
1440x900 59.901 88.75
14 55.935 VESA 1440x900 59.887 106.5
15 70.635 VESA 1440x900 74.984 136.75
16 66.587 CVT 2.3MA-R 1920x1080 60.0 (for DVI-
D
138.5
17 65.29 CVT1.76MW 1680x1050 60 146
18 CVT1.76MW-R 1680x1050 60 119
http://www.wjel.net

220CW8 LCD
Connection to PC 5
1. Connection to PC
c. Accessory Pack
Please follow the steps to connect your LCD Monitor to PC.
a. Assembly LCD Monitor with base
b. Connect to PC
(1) Turn off your computer and unplug its power cable.
(2) Connect the monitor signal cable to the video connector
on the back of your computer.
(3) Plug the power cord of your computer and your monitor
Into a nearby outlet.
(4) Turn on your computer and monitor. If the monitor
Displays an image, installation is complete.
Port definition:
(1) USB downstream port
(2) AC power input
(3) DVI-D input(Available for selected countries)
(4) VGA input
(5) USB upstream port
(6) Kensington anti-thief lock
Set your Monitor at 1680*1050@60Hz for best performance.
It is also strongly recommended to use DVI input(may require
the optional DVI cable) for the true digital enjoyment.
2. Function key definition
3. Description of the On Screen Display
UP DOWN
MENU
(1) To switch monitor’s power on and off
(2) To access OSD menu
(3) To adjust the OSD menu
(4) To adjust brightness of the display
(5) To change the signal input source
(6) Automatically adjust the horizontal position, vertical position,
phase and clock Settings/Return to previous OSD level
(7) SmartImage. There are five modes to be selected: Office
Work, Image Viewing, Entertainment, Economy and Off.
On-Screen Display(OSD) is a feature in all Philips LCD
monitors. It allows and end user to adjust screen performance
or select functions of the monitors directly through an on-screen
instruction window. A user friendly on screen display interface is
shown as below:
Basic and simple instruction on the control keys.
According to the above OSD structure, users can :
press or buttons to move the cursor,
press button to confirm the choice or change,
press button to adjust the value,UP DOWN
MENU
AUTO
or
press button to save the changes.
press button to automatically adjust the horizontal
position, vertical position, phase and clock setting.
Power cord VGA cable EDFU CD
DVI cable (Optional)
5
6
5
http://www.wjel.net

6220CW8 LCD
4. The OSD tree
Below is an overall view of the structure of the On-Screen
Display. You can use this as a reference when you want to
work your way around the different adjustments later on.
4.1 Available for EU/AP/CN Model
OSD Menu Control Structure
Note:
sRGB is a standard for ensuring correct exchange of colors
between different devices(e. g. Digital cameras, monitor,
printers, scanners, etc.)
Using a standard unified color space, sRGB will help
represent pictures taken by an sRGB compatible device
correctly on your sRGB enabled Philips monitor. In that way,
the colors are calibrated and you can rely on the correctness
of the colors shown on your screen.
Important with the use of sRGB is that the brightness and
contrast of your monitor is fixed to a predefined setting as
well as the color gamut. Therefore it is important to select the
sRGB setting in the monitor’s OSD.
To do so, open the OSD by pressing the OK button on the
side of your monitor. More the down button to go to color and
press OK again. Use the right button to go to sRGB. Then
move the down button and press OK again to exit the OSD.
After this, please do not change the brightness or contrast
setting of your monitor. If you change either of these, the
monitor will exit the sRGB mode and go to a color
temperature setting of 6500K.
Brightness
Contrast
Factory
Color Temperature(5000K,
6500K, 7500K, 8200K, 9300K,
sRGB
User Define(Red, Green, Blue)
English
Español
Français
Deutsch
Italiano
Português
PycckИЙ
Simplified Chinese
Horizontal
Vertical
Transparency(Off, 1/4, 2/4, 3/4, 4/4)
OSD Time Out(5s, 10s, 20s, 30s,
Phase
Clock
H. Position
V. Position
Smart Response(On/Off)
SmartContrast(On/Off)
Reset(Yes/No)
Resolution notification(On/Off)
Information
Auto
VGA
DVI
Setup
Input
Picture
Color
Language
OSD Settings
Main Menu (1st Level) Sub Menu (2nd Level)
http://www.wjel.net

220CW8 LCD
Advanced OSD Adjustment 7
Advanced OSD Adjustment
MENU
MENU
MENU
1. Front control panel
2. To Lock/Unlock OSD function
The OSD function can be locked by pressing button
for more than 10 seconds, the screen shows following
windows for 3 seconds.
Every time when you press any button, this message
appears on the screen automatically.
Locked OSD function can be released by pressing
button for more than 10 seconds. While press button
for OSD unlocked purpose, the screen will keep showing
OSD MAIN MENU LOCKED until OSD function unlocked and
screen automatically shows following window for 3 seconds.
3. Access Factory Mode
To hold and buttons, you can saw the LED
light flashing at this time. Then release the button and
Keep pressing the button. The monitor will power on
and LED light give out orange light. Press to bring up
OSD menu for confirmation as below:
If this message appeared, means monitor already entered
the factory mode.
AUTO POWER
AUTO
POWER
MENU
4. Entering Burn-in mode and others
If you access into factory mode, press
then press to confirm, OSD menu will
convert into another format as below:
Move the cursor by button, and press the
to change the burn-in mode from to .
Leave factory mode by simply power off the monitor.
* If you only want to enter burn in mode, please don’t change
any other setting items as above listed.
* Unfortunately, if some settings has been changed by
unknown reasons or wrong operation. Please refer to the
chapter of “W/B Adjustment” to guide the operator how to
restore the default settings or do adjustment.
Appendix:
Explanation of above listed selections.
MENU-PICTURE-
FACTORY, MENU
MENU
Warning
or
button YES NO
UP
DOWN
Model Name BIOS Revision BIOS issued date
Selection Description
Burn in On/Off Enter Aging Mode
Auto Color Auto Color Adjustment
Con Contrast Adjustment
Bri Brightness Adjustment
Gain ADC Gain Value Adjustment
(Auto adjustment by H/W when implement Auto Color function)
Offset ADC Offset Value Adjustment
(Auto adjustment by H/W when implement Auto Color function)
sRGB sRGB Color Temperature Gain Value Adjustment
9300K 9300K Color Temperature Gain Value Adjustment
6500K 6500K Color Temperature Gain Value Adjustment
Color Update Save All of Color Temperature Gain Value
Factory Reset Memory Recall to Factory Default Settings
MONITOR CONTROLS LOCKED
ATTENTION
MONITOR CONTROLS UNLOCKED
ATTENTION
HUDSON 220CW8 V0.28 2007-07-16
NT68670 BZ1A0725123456
LPL_LM220WX1
Auto Color
Color Reset
Gain R200 G189 B191
Offset R125 G111 B111
Power On Timer:
03
Power On Timer Reset
Burn In NO
Reset
SSC 4
Exit
http://www.wjel.net

8220CW8 LCD
Clock & Phase Adjustment
MENU
More Settings
MENU
Clock Phase
Phase
Clock
MENU
OSD Attention signal
1. CHECK CABLE CONNECTION
Due to the different quality of video signal generated from
graphics cards. It is necessary to adjust CLOCK and PHASE
functions for the optimal video display of LCD monitor. So
maybe some flicker appeared as Fig.1 & 2.
Fig.1 Fig.2
Following steps will guide you to make correct adjustment of
CLOCK and PHASE:
a. Restart your computer.
b. Press to bring up OSD menu after the OS
(Operation System) boot up.
c. Press or to select the option of
and then
press to bring up its submenu as shown in Fig.3.
d. Select the or adjustment items in submenu
and press or to adjust.
(If the phenomenon as Fig.1, you should adjust “ ”)
(If the phenomenon as Fig.2, you should adjust “ ”)
e. Quit OSD by press button to save the settings.
Fig.3
However, CLOCK and PHASE functions are only available
while analog video signal is supplied. Operating unit under
digital signal state, the video clock information can be
obtained from graphics cards directly. Therefor, it is
unnecessary to adjust these functions.
The monitor will detect various display situation
automatically. When the monitor detects the problems, the
screen will show the different warning signals to remind you
what is happen to your monitor.
This screen appears if there is no video signal input. Please
check that the signal cable is properly connected to the video
card of PC and make sure PC is on.
UP DOWN
UP DOWN
OSD Attention Signals
2. AUTO ADJUSTMENT
AUTO
3. USE 1680X1050 FOR BEST RESULT
4. NO VIDEO INPUT
5. VGA(D-SUB)
This screen appears when you touch the button. It will
disappear when the monitor is properly adjusted.
This message appears at the top of the OSD window when
the video mode input is not the recommended 1680*1050.
Other modes may result in some picture distortion. Please
adjust the video mode to 1680*1050 at 60Hz for best display
quality.
When you select video input between AUTO, VGA or DVI
signal via INPUT function of OSD menu, if the DVI function
you are selecting is not available, following message will
appear on the screen.
When you select VGA function, if it’s not available, following
message will appear on the screen.
062 100
Auto Adjustment
CHECK CABLE CONNECTION
ATTENTION
NO VIDEO INPUT
ATTENTION
VGA(D-SUB)
ATTENTION
USE 1680X1050@60HZ
FOR BEST RESULT
ATTENTION
http://www.wjel.net

220CW8 LCD
Safety and Troubleshooting Information 9
Safety precautions and maintenance
WARNING: Use of controls, adjustments or
procedures other than those specified in this
documentation may result in exposure to shock,
electrical hazards and/or mechanical hazards.
Read and follow these instructions when connecting and using
your computer monitor:
a. To protect your display from possible damage, do not put
excessive pressure on the LCD panel. When moving your
monitor, grasp the frame to lift; do not lift the monitor by
placing your hand or fingers on the LCD panel.
b. Unplug the monitor if you are not going to use it for an
extensive period of time.
c. Unplug the monitor if you need to clean it with a slightly
damp cloth. The screen may be wiped with a dry cloth when
the power is off. However, never use alcohol, solvents or
ammonia-based liquids.
d. Consult a service technician if the monitor does not operate
normally when you have followed the instructions in this
manual.
e. The casing cover should be opened only by qualified service
personnel.
f. Keep the monitor out of direct sunlight and away from stoves
or any other heat source.
g. Remove any object that could fall into the vents or prevent
proper cooling of the monitor’s electronics.
h. Do not block the ventilation holes on the cabinet.
i. Keep the monitor dry. To avoid electric shock, do not expose
it to rain or excessive moisture.
j. When positioning the monitor, make sure the power plug and
outlet are easily accessible.
k. If turning off the monitor by detaching the power cable or DC
power cord, wait for 6 seconds before attaching the power
cable or DC power cord for normal operation.
l. To avoid the risk of shock or permanent damage to the set,
do not expose the monitor to rain or excessive moisture.
m. IMPORTANT: Always activate a screen saver program during
your application. If a still image in high contrast remains on
the screen for an extended period of time, it may leave an
'after-image' or 'ghost image' on front of the screen. This is a
well-known phenomenon that is caused by the shortcomings
inherent in LCD technology. In most cases, the afterimage
will disappear gradually over a period of time after the power
has been switched off. Be aware, that the afterimage
symptom cannot be repaired and is not covered under
warranty.
o. Warning for lifting monitor - Do not use the area underneath
the logo cover to grip or lift the monitor. Placing weight on the
logo cover can cause it to break away from the body and
cause the monitor to fall. When lifting the monitor, place one
hand under the monitor's frame.
* Consult a service technician if the monitor does not operate
normally when the operating instructions given in this manual
have been followed.
Installation Locations
Trouble Shooting
Avoid exposure to heat and extreme cold.
Do not store or use the LCD monitor in locations exposed to
heat, direct sunlight or extreme cold.
Avoid moving the LCD monitor between locations with large
temperature differences. Choose a site that falls within the
following temperature and humidity ranges.
Temperature: 0-35°C 32-95°F
Humidity: 20-80% RH
Do not subject the LCD monitor to severe vibration or high
impact conditions. Do not place the LCD monitor in the trunk of
a car.
Take care not to mishandle this product by either knocking or
dropping it during operation or transportation.
Do not store or use the LCD monitor in locations where there is
a high level of humidity or in dusty environments. Do not allow
water or other liquids to spill on or into the LCD monitor.
This page deals with problems that can be corrected by the
user. If the problem still persists after you have tried these
solutions, contact your nearest Philips dealer.
Having this problem Check these items
No Picture
(Power LED not lit)
a. Make sure the power cord is plugged into the power
outlet and into the back of the monitor.
b. First, ensure that the power button on the front of the
monitor is in the OFF position, then press it to the ON
position.
No Picture
(Power LED is amber or
yellow)
a. Make sure the computer is turned on.
b. Make sure the signal cable is properly connected to
your computer.
c. Check to see if the monitor cable has bent pins.
d. The Energy Saving feature may be activated.
Screen says a. Make sure the monitor cable is properly connected
to your computer.
(Also refer to the Quick Set-Up Guide).
b. Check to see if the monitor cable has bent pins.
c. Make sure the computer is turned on.
Screen says a. Make sure the monitor cable is properly connected to
your computer. (Also refer to the Quick Set-Up Guide).
b. Check to see if the monitor cable has bent pins.
c. Make sure the computer is turned on.
AUTO button not working
properly
a. The Auto Function is designed for use on standard
Macintosh or IBM-compatible PCs running Microsoft
Windows.
b. It may not work properly if using nonstandard PC or
video card.
Display position is
incorrect
a. Press the Auto button.
b. Adjust the image position using the
Phase/Clock of More Settings in OSD Main Controls.
Image vibrates on the
screen
a. Check that the signal cable is properly connected
to the graphics board or PC.
Vertical flicker appears
a. Press the Auto button.
b. Eliminate the vertical bars using the Phase/Clock
of More Settings in OSD Main Controls.
Horizontal flicker appears
a. Press the Auto button.
b. Eliminate the vertical bars using the Phase/Clock
of More Settings in OSD Main Controls.
Common Problems
Imaging Problems
http://www.wjel.net

10 220CW8 LCD
Definition of Pixel Defects
Definition of Pixel Defects
This section explains the different types of pixel defects and
defines acceptable defect levels of each type. In order to
quality for repair or replacement under warranty, the number
of pixel defects on a TFT LCD panel must exceed these
acceptable levels.
1. Definition of Pixels and Sub-pixels
A pixel, or picture element, is composed of three sub pixels
in the primary colors of red, green and blue. Many pixels
together form an image. When all sub pixels of a pixel are lit,
the three colored sub pixels together appear as a single
white pixel. When all are dark, the three colored sub pixels
together appear as a single black pixel. Other combinations
of lit and dark sub pixels appear as single pixels of other
colors.
2. Types of Pixel Defects
Pixel and sub pixel defects appear on the screen in different
ways. There are two categories of pixel defects and several
types of sub pixel defects within each category.
Bright Dot Defects
Black Dot Defects
Bright dot defects appear as pixels or sub pixels that are
always lit or 'on'. That is, a bright dot is a sub-pixel that
stands out on the screen when the monitor displays a dark
pattern. There are the types of bright dot defects:
One lit red, green or blue sub pixel
Two adjacent lit sub pixels:
- Red + Blue = Purple
- Red + Green = Yellow
- Green + Blue = Cyan (Light Blue)
Three adjacent lit sub pixels
(one white pixel)
Black dot defects appear as pixels or sub pixels that are
always dark or 'off'. That is, a dark dot is a sub-pixel that
stands out on the screen when the monitor displays a light
pattern. These are the types of black dot defects:
One dark sub pixel
Two or three adjacent
dark sub pixels
A red or blue bright dot must be more than 50
percent brighter than neighboring dots while a
green bright dot is 30 percent brighter than
neighboring dots.
subpixel subpixel subpixel
RGB
RGB
Pixel
R
G
B
P
YC
W
The screen is too bright
or
too dark
Adjust the contrast and brightness on On-Screen
Display.(The backlight of the LCD monitor has a fixed life
span. When the screen becomes dark or begins to flicked,
please contact your sales representative).
An after-image appears
If an image remains on the screen for an extended
period of time, it may be imprinted in the screen
and leave an after-image. This usually disappears
after a few hours.
An after-image remains
after
the power has been
turned off
This is characteristic of liquid crystal and is not
caused by a malfunction or deterioration of the
liquid crystal. The after-image will disappear after
aperoidoftime.
Green, red, blue, dark,
and
white dots remains
The remaining dots are normal characteristic of
the liquid crystal used in today’s technology.
For further assistance, refer to the Consumer Information Centers list
and contact your local Philips distributor.
http://www.wjel.net

220CW8 LCD
Definition of pixel defects 11
3. Proximity of Pixel Defects
Because pixel and sub pixels defects of the same type that
are near to one another may be more noticeable, Philips also
specifies tolerances for the proximity of pixel defects.
Perfect Panel - ISO 13406-2 Class II compliant do-defect-
free-display.
BRIGHT DOT DEFECTS ACCEPTABLE LEVEL
MODEL 220CW8
1 lit subpixel 3
2 adjacent lit subpixels 1
3 adjacent lit subpixels (one white pixel) 0
Distance between two bright dot defects* 15mm
Bright dot defects within 20 mm circle 0
Total bright dot defects of all types 3
BLACK DOT DEFECTS ACCEPTABLE LEVEL
MODEL 220CW8
1 dark subpixel 5
2 adjacent dark subpixels 2
3 adjacent dark subpixels 1
Distance between two black dot defects* 15mm
Black dot defects within 20 mm circle* 1
Total black dot defects of all types 5
TOTAL DOT DEFECTS ACCEPTABLE LEVEL
MODEL 220CW8
Total bright or black dot defects of all types 5
Note:
* 1 or 2 adjacent sub pixel defects = 1 dot defect
http://www.wjel.net

14 220CW8 LCD Mechnical instructions
Fig. 7
7. Disconnect the B/B and USB/B cable and take off all the
tapes.
Fig. 8
8. Remove 3pcs screws from USB/B and take off it.
Fig. 9
9. Remove 3pcs screws from left side of panel.
Fig. 10
10. Remove 3pcs screws from right side of panel.
Fig. 11
11. Remove 2pcs screws from down side of panel.
Fig. 12
12. Separate panel and bezel as picture show.
http://www.wjel.net

220CW8 LCD
Mechnical instructions 15
Fig. 13
13.Remove3pcsscrewsfromB/Bandtakeoffitfrombezel.
Fig. 14
14.Remove2pcsscrewsfromleftsidepanel.
Fig. 15
15. Remove 2pcs screws from right side panel.
Fig. 16
16. Remove 1pcs screws from P/B shielding.
Fig. 17
17.Takeoff4pcslampcablefromP/B.
Fig. 18
17. Disconnect the LVDS cable..
http://www.wjel.net

220CW8 LCD
Electrical instruction 17
F/W upload instruction
Configuration and procedure (ISP Tool)
"ISP Tool " software is provided by NOVATEK to upgrade the
firmware of Scaler IC. It is a windows-based program, which
cannot be run in MS-DOS.
System and equipment requirements:
1. An i486 (or above) personal computer or compatible.
2. Microsoft operation system Windows 98/2000/XP.
3. ISP software " EasyUSB Writer ".
(Need to install, it can not be performed directly.Double press
“EasyUSB WriterV3.0.exe” to start installing,then chose the path
that you want to install ,then it will perform automatically.)
4. Firmware uploading tool, as shown in Fig1.
Fig.1
* Connect the firmware uploading tool as Fig.1 shown.
* Before the servicer perform the ISP Tool program, the
Communicating connection must be well done.
* When the connection fixed, power on the monitor.
Setup and perform the ISP Tool program
1. Save the software in your PC, and create a shortcut
on the desktop.
2. Double click the ISP Tool. exe icon at the desktop then
appears window as shown in Fig. 2.
Fig. 2
3. Press the “Load File” button then select the path that save
hex file ,then chose file type as “Bank Switch(128K,256K)” as
shown in Fig. 3.
Fig. 3
4. Double press the “H00” file or “H01 file” ,then it acquires the
hex file automatically, and a message will be showed in
the dialog box to notice the operator. At this moment, please
verify the checksum of the hex file with the firmware control
table to make sure the suitable file will be used. Mentioned
firmware control table will be provided by suppliers shown in
Fig. 4.
Fig. 4
5. Press the “ISP ON” button ,then the dialog box will has the
information “ISP ON” ,else has the information “ISP Fail”.If the
information is “ISP Fail” ,check the connectivity ,then try it again as
shown in Fig. 5.
Fig. 5
http://www.wjel.net

18 220CW8 LCD Electrical instructions
6. Press “ ”button of the toolbox. Program will perform the
loading process automatically. When the loading process
completed, and the dialog box appeared the message of
Programing Success. If Program perform fail ,resume step 5.
Auto DDC instructions
General
DDC Data Re-programming
Additional information
System and equipment requirements
Install and setup TVI-TOOL program
In case the DDC data memory IC or main EEPROM which
storage all factory settings were replaced due to a defect, the
serial numbers have to be re-programmed.
It is advised to re-soldered DDC IC and main EEPROM from the
old board onto the new board if circuit board have been
replaced, in this case the DDC data does not need to be re-
programmed.
* According to the design concept of this product, DDC data will
be divided into two parts to deposit in different place:
DDC data of VGA interface are saved in scaler IC.
DDC data of DVI interface are saved in EEPROM(IC 24C02).
Additional information about DDC (Display Data Channel) may
be obtained from Video Electronics Standards Association
(VESA). Extended Display Identification Data(EDID) information
may be also obtained from VESA.
1. An i486 (or above) personal computer or compatible.
2. Microsoft operation system Windows 98/2000/XP.
3. Installation software of " TVI Tool ".
4. Executive program " TVI Tool. exe ".
5. ISP tool kit, as shown in Fig1.
Including: a. Alignment fixture x 1
b. Printer cable (LPT type) x 1
c. D-sub to D-sub cable x 1
d. Analog to DVI adapter x 1
e. DVI to DVI cable x 1
Fig. 1
Step 1: Double press the “TVI-TOOL_234.exe”.
Step 2: In Company text box key in any word as shown in the
Fig.2.
Fig. 2
http://www.wjel.net

220CW8 LCD
Electrical instruction 19
Step 3: Closing the path that you want to install, then chose the
shortcut folder ,press “Install” button ,and it will perform
automatically.
Fig.3
Re-programming Analog DDC IC
Step 1: After initialize the alignment fixture, connecting all
cables. Be using VGA port from monitor.
Step 2: Connect the power code of monitor and power on it.
Step 3: Double check the TVI_TOOL icon
to run the TV_TOOL.exe.
Step 4: Click the OPEN icon at the main menu
to open the DDC files.
Fig. 4
Step 5: In the “Detailed Timings” BLOCK2 key in the monitor
serial number.
Fig. 5
Step 6: Press “WRITE TO IC ” button in the tool bar ,when the
DDC data download into the DDC IC, a dialog box will be
appeared automatically as shown in below photos.
Fig. 6
Step 7: Power off the monitor.
http://www.wjel.net

20 220CW8 LCD Electrical instructions
Re-programming Digital DDC IC
Step 1: After initialize the alignment fixture, connecting all
cables.Be using DVI port from monitor.
Step 2: Connect the power code of monitor and power on it.
Step 3: Double check the TVI_TOOL icon
to run the TV_TOOL.exe.
Step 4: Click the OPEN icon at the main menu
to open the DDC files.
Fig. 7
Step 5: In the “Detailed Timings” BLOCK2 key in the monitor
serial number.
Fig. 8
Step 6: Press “WRITE TO IC ” button in the tool bar ,when the
DDC data download into the DDC IC, a dialog box will be
appeared automatically as shown in below photos.
Fig. 9
Step 7: power off the monitor.
* If the operator don't want to key in the serial number, he or
she can Keep the option as blank.
Press the icon to execute the download
by program itself.
And select the icon to check the EDID
contents.
Toolbar function introduction
1. Open a DDC file
2.Save DDC file
3.WritetoIC
4. Read from IC
5.Get a exsample
6. DDC report
7. Exit the program
WRITE TO IC
READ TO IC
User Interface of DDC programming
Fig. 10
http://www.wjel.net

220CW8 LCD 21
Electronic Instruction
Re-programming of writing HDCP KEY
Step 1: Please install the software of isp HDCP key Version1.13
,the tool is the same with isping EDID.
Step 2: Opening the software.
Step 3: Pressing the button of “OPEN FILE”, as follows:
Step 4: Choosing the HDCP KEY that you save:
button of ”ISP HDCP”.
Step 5: If the Flash Rom of monitor is 2MB, please
choose”3F000”,but if it is 1MB please choose 1F000(if you
choose amiss ,the monitor maybe shut down) ,then press
the
Step 6: The software will write HDCP KEY into monitor.
Step 7: If the software write HDCP KEY into monitor
successfully ,the message will be display ,as follow , if the
software write HDCP KEY into monitor unsuccessfully
,please check the cable ,and restart from step5 .
http://www.wjel.net

22 220CW8 LCD DDC Data
DDC DATA
THE DISPLAY DATA CHANNEL (DDC_2B) CONTENT INCLUDING:
(Analog mode)
-------------------------------------------------------------------------------------
128 BYTES OF EDID CODE :
012 345 678 9
----------------------------------------------------------------------
0|00FFFFFFFFFFFF00410C
10|1AC0010101 0119110103
20|002F1E782E93 45A3554A
30|982715 5054BFEF80B300
40|950F81CA8180 9500814F
50|A940D1C021399030621A
60|274068 B03600DA281100
70|001C000000 FF00425A31
80|30373235 31 3233343536
90|000000FC00 5068696C69
100|70732032 323043570000
110 | 00 FD 00 38 4C 1E 5D 11 70 0A
120|20323030 5753 0029
___________________________________________________
(08-09) ID Manufacturer Name = PHL
(10-11) Product ID Code (Non-Alphanumerical) =
C01A - (49178)
(12-15) Last 5 Digits of Serial Number = NOT SPECIFIED
(16) Week of Manufacture = 25
(17) Year of Manufacture = 2007
(10-17) Complete Serial Number = NOT SPECIFIED
(18) EDID Structure Version Number = 1
(19) EDID Structure Revision Number = 3
(20) VIDEO INPUT DEFINITION : =
Analog signal, 0.700V/0.300V (1.000 Vp-p)
(21) Maximum Horizontal Image Size = 470mm
(22) Maximum Vertical Image Size = 300mm
(23) Display Gamma = 2.20
(24) DPMS Supported Feature: = Active Off.
Display type = RGB color display
(25-34) CHROMA INFO:
Red x = 0.639 Green x = 0.289
Blue x = 0.153 White x = 0.313
Red y = 0.333 Green y = 0.597
Blue y = 0.082 White y = 0.329
(35) ESTABLISHED TIMING I:
720 x 400 @ 70Hz (VGA, IBM)
640 x 480 @ 60Hz (VESA)
640 x 480 @ 67Hz (MAC II, Apple)
640 x 480 @ 72Hz (VESA)
640 x 480 @ 75Hz (VESA)
800 x 600 @ 56Hz (VESA)
800 x 600 @ 60Hz (VESA)
(36) ESTABLISHED TIMING II:
800 x 600 @ 72Hz (VESA)
800 x 600 @ 75Hz (VESA)
832 x 624 @ 75Hz (MAC II, Apple)
1024 x 768 @ 60Hz (VESA)
1024 x 768 @ 70Hz (VESA)
1024 x 768 @ 75Hz (VESA)
1280 x 1024 @ 75Hz (VESA)
(37) Manufacturer's Reserved Timing:
1152 x 870 @ 75Hz (MAC II, Apple)
(38-53) Standard Timing Identification:
#1: 1680 x 1050 @ 60Hz
#2: 1440 x 900 @ 75Hz
#3: 1280 x 720 @ 70Hz
#4: 1280 x 1024 @ 60Hz
#5: 1440 x 900 @ 60Hz
#6: 1280 x 960 @ 75Hz
#7: 1600 x 1200 @ 60Hz
#8: 1920 x 1080 @ 60Hz
(54-71) Detail Timing Description #1:
1680x1050 Pixel Clock=146.2MHz
------------------------------------------------------------------------------
Horizontal Image Size=474mm
Vertical Image Size=296mm
Refresh Mode:
Non-Interlaced Normal display, no stereo
HORIZONTAL:
Active Time = 1680 pixels
Blanking Time = 560 pixels
Sync Offset = 104 pixels
Sync Pulse Width = 176 pixels
Border = 0 pixels
Frequency = 65.3 kHz
VERTICAL:
Active Time = 1050 lines
Blanking Time = 39 lines
SyncOffset=3lines
Sync Pulse Width=6lines
Border=0lines
Frequency = 60.0 Hz
Sync configuration: Digital separate, V(+), H(-)
(72-89) Monitor Description:
------------------------------------------------------------------------------
Monitor S/N: BZ10725123456
(90-107) Monitor Description:
------------------------------------------------------------------------------
Monitor Name: Philips 220CW
(108-125) Monitor Description:
-----------------------------------------------------------------------------
Monitor Range Limits:
Vertical Frequency (min) = 56Hz
Vertical Frequency (max) = 76Hz
Horizontal Frequency (min) = 30KHz
Horizontal Frequency (max) = 93KHz
Maximum Supported Pixel Clock = 170MHz
(127) Checksum OK.
http://www.wjel.net

220CW8 LCD
DDC Data 23
DDC DATA
THE DISPLAY DATA CHANNEL (DDC_2B) CONTENT INCLUDING:
(Digital mode)
-------------------------------------------------------------------------------------
128 BYTES OF EDID CODE :
012 345 6789
-----------------------------------------------------------------------
0|00FFFFFFFFFFFF00410C
10|1AC0010101 0119 110103
20|802F1E782E 9345 A3554A
30|982715 5054 BFEF80B300
40|950F81CA81 8095 00814F
50|A940D1C0213990 30621A
60|274068B0 3600DA281100
70|001C000000 FF00425A31
80|30373235 31 3233343536
90|000000FC00 5068696C69
100|70732032 32 3043570000
110 | 00 FD 00 38 4C 1E 5D 11 70 0A
120|2032 30305753 00A9
___________________________________________________
(08-09) ID Manufacturer Name = PHL
(10-11) Product ID Code (Non-Alphanumerical) =
C01A - (49178)
(12-15) Last 5 Digits of Serial Number = NOT SPECIFIED
(16) Week of Manufacture = 25
(17) Year of Manufacture = 2007
(10-17) Complete Serial Number = NOT SPECIFIED
(18) EDID Structure Version Number = 1
(19) EDID Structure Revision Number = 3
(20) VIDEO INPUT DEFINITION : =
Digital signal, 0.700V/0.300V (1.000 Vp-p)
(21) Maximum Horizontal Image Size = 470mm
(22) Maximum Vertical Image Size = 300mm
(23) Display Gamma = 2.20
(24) DPMS Supported Feature: = Active Off.
Display type = RGB color display
(25-34) CHROMA INFO:
Red x = 0.639 Green x = 0.289
Blue x = 0.153 White x = 0.313
Red y = 0.333 Green y = 0.597
Blue y = 0.082 White y = 0.329
(35) ESTABLISHED TIMING I:
720 x 400 @ 70Hz (VGA, IBM)
640 x 480 @ 60Hz (VESA)
640 x 480 @ 67Hz (MAC II, Apple)
640 x 480 @ 72Hz (VESA)
640 x 480 @ 75Hz (VESA)
800 x 600 @ 56Hz (VESA)
800 x 600 @ 60Hz (VESA)
(36) ESTABLISHED TIMING II:
800 x 600 @ 72Hz (VESA)
800 x 600 @ 75Hz (VESA)
832 x 624 @ 75Hz (MAC II, Apple)
1024 x 768 @ 60Hz (VESA)
1024 x 768 @ 70Hz (VESA)
1024 x 768 @ 75Hz (VESA)
1280 x 1024 @ 75Hz (VESA)
(37) Manufacturer's Reserved Timing:
1152 x 870 @ 75Hz (MAC II, Apple)
(38-53) Standard Timing Identification:
#1: 1680 x 1050 @ 60Hz
#2: 1440 x 900 @ 75Hz
#3: 1280 x 720 @ 70Hz
#4: 1280 x 1024 @ 60Hz
#5: 1440 x 900 @ 60Hz
#6: 1280 x 960 @ 75Hz
#7: 1600 x 1200 @ 60Hz
#8: 1920 x 1080 @ 60Hz
(54-71) Detail Timing Description #1:
1680x1050 Pixel Clock=146.2MHz
--------------------------------------------------------------------------------
Horizontal Image Size=474mm
Vertical Image Size=296mm
Refresh Mode:
Non-Interlaced Normal display, no stereo
HORIZONTAL:
Active Time = 1680 pixels
Blanking Time = 560 pixels
Sync Offset = 104 pixels
Sync Pulse Width = 176 pixels
Border = 0 pixels
Frequency = 65.3 kHz
VERTICAL:
Active Time = 1050 lines
Blanking Time = 39 lines
Sync Offset = 3 lines
Sync Pulse Width = 6 lines
Border = 0 lines
Frequency = 60.0 Hz
Sync configuration: Digital separate, V(+), H(-)
(72-89) Monitor Description:
--------------------------------------------------------------------------------
Monitor S/N: BZ10725123456
(90-107) Monitor Description:
--------------------------------------------------------------------------------
Monitor Name: Philips 220CW
(108-125) Monitor Description:
--------------------------------------------------------------------------------
Monitor Range Limits:
Vertical Frequency (min) = 56Hz
Vertical Frequency (max) = 76Hz
Horizontal Frequency (min) = 30KHz
Horizontal Frequency (max) = 93KHz
Maximum Supported Pixel Clock = 170MHz
(127) Checksum OK.
http://www.wjel.net

24 220CW8 LCD Safety Instruction, Warnings and Notes
Safety instruction, warnings and notes
index of this chapter:
1 Safety Instructions
2 Warnings
3 Notes
1 Safety Instructions
Safety regulations require that during a repair:
a. Connect the set to the AC Power via an isolation transformer
(> 800 VA).
b. Replace safety components, indicated by the symbol ,
only by components identical to the original ones. Any other
component substitution (other than original type) may
increase risk of fire or electrical shock hazard.
Safety regulations require that after a repair, the set must be
returned in its original condition. Pay in particular attention to
the following points:
a. Route the wire trees correctly and fix them with the mounted
cable clamps.
b. Check the insulation of the AC Power lead for external
damage.
c. Check the strain relief of the AC Power cord for proper
function.
d. Check the electrical DC resistance between the AC Power
plug and the secondary side (only for sets which have a AC
Power isolated power supply):
* Unplug the AC Power cord and connect a wire between the
two pins of the AC Power plug.
* Set the AC Power switch to the "on" position (keep the AC
Power cord unplugged!).
* Measure the resistance value between the pins of the AC
Power plug and the metal shielding of the tuner or the aerial
connection on the set. The reading should be between 4.5
Mohm and 12 Mohm.
* Switch "off" the set, and remove the wire between the two
Pins of the AC Power plug.
e. Check the cabinet for defects, to avoid touching of any inner
parts by the customer.
2 Warnings
a. All ICs and many other semiconductors are susceptible to
electrostatic discharges (ESD ). Careless handling during
repair can reduce life drastically. Make sure that, during
repair,
you are connected with the same potential as the mass of the
set by a wristband with resistance. Keep components and
tools also at this same potential.
b. Be careful during measurements in the high voltage section.
c. Never replace modules or other components while the unit
is switched "on".
d. When you align the set, use plastic rather than metal tools.
This will prevent any short circuits and the danger of a circuit
becoming unstable.
3 Notes
3.1 General
Measure the voltages and waveforms with regard to the
chassis ground or hot ground, depending on the tested area of
circuitry. The voltages and waveforms shown in the diagrams
are indicative.
The semiconductors indicated in the circuit diagram and in the
parts lists, are interchangeable per position with the
semiconductors in the unit, irrespective of the type indication on
3.2 Schematic Notes
All resistor values are in ohms and the value multiplier is often
used to indicate the decimal point location (e.g. 2K2 indicates
2.2 Kohm).
Resistor values with no multiplier may be indicated with either
an "E" or an "R" (e.g. 220E or 220R indicates 220 ohm).
All capacitor values are given in micro-farads ( X10 ),
nano-farads (n= X10 ), or pico-farads (p= X10 ).
Capacitor values may also use the value multiplier as the
decimal point indication (e.g. 2p2 indicates 2.2 pF).
An "asterisk" (*) indicates component usage varies. Refer to the
diversity tables for the correct values.
The correct component values are listed in the Electrical
Replacement Parts List. Therefore, always check this list when
there is any doubt.
3.3 Lead Free Solder
Philips CE is going to produce lead-free sets (PBF) from
1.1.2005 onwards.
Lead-free sets will be indicated by the PHILIPS-lead-free logo
on the Printed Wiring Boards (PWB):
This sign normally has a diameter of 6 mm, but if there is less
space on a board also 3 mm is possible.
In case of doubt wether the board is lead-free or not (or with
mixed technologies), you can use the following method:
* Always use the highest temperature to solder, when using
SAC305 (see also instructions below).
* De-solder thoroughly (clean solder joints to avoid mix of
two alloys).
: For BGA-ICs, you must use the correct temperature
profile, which is coupled to the 12NC. For an overview of these
profiles, visit the website
You will find this and more technical information within the
"Magazine", chapter "Workshop information".
For additional questions please contact your local repair desk.
Due to lead-free technology some rules have to be respected
by the workshop during a repair:
Use only lead-free soldering tin Philips SAC305 with order code
0622 149 00106. If lead-free solder paste is required, please
contact the manufacturer of your soldering equipment.
In general, use of solder paste within workshops should be
avoided because paste is not easy to store and to handle.
Use only adequate solder tools applicable for lead-free
soldering tin. The solder tool must be able
- To reach at least a solder-tip temperature of 400 degree C.
- To stabilise the adjusted temperature at the solder-tip.
- To exchange solder-tips for different applications.
-6
-9 -12
Caution
http://www.atyourservice.ce.philips.com/
http://www.wjel.net

220CW8 LCD
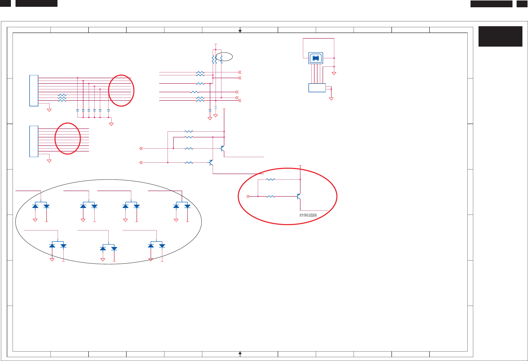
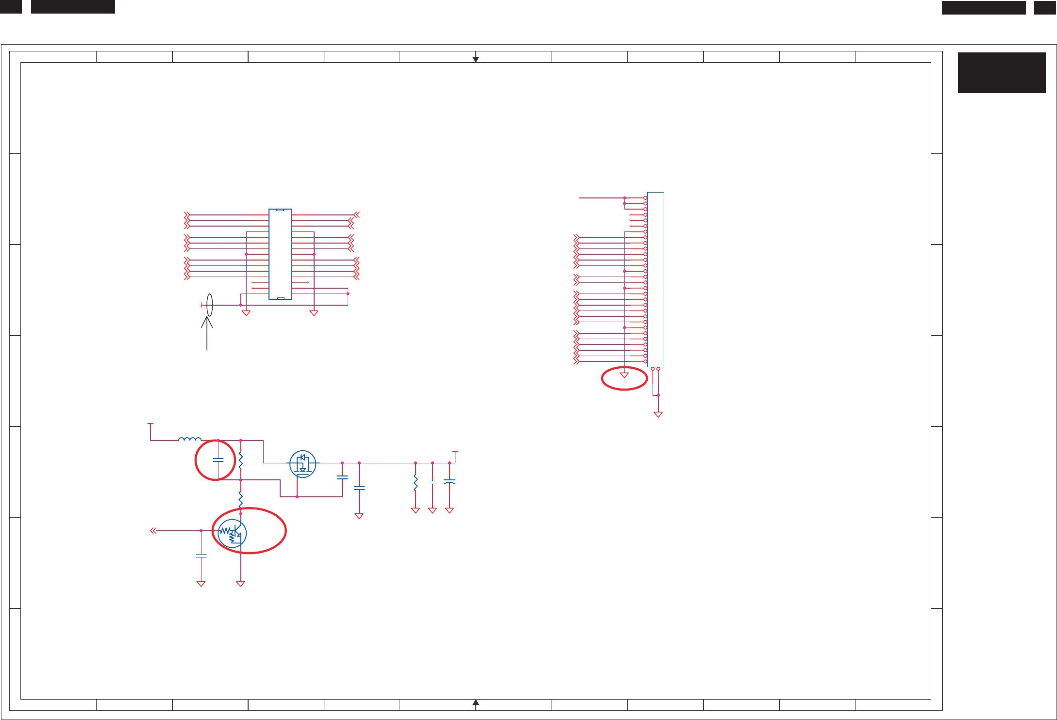
Block Diagram 25
S-A3
220CW8 LCD
25
VGA
I/P
SCALAR NT68670H
+5V
LVDS
R1
R1-
G1
G1-
B1
VGA-SCL
VGA-SDA
HS
VS
VGA-DET
B1-
RX0-
DVI
I/P
RX1+
RX2-
RX2+
DVI-SDA
DVI-SCL
RX1-
RX0+
VGA-5V
DVI-5V
X'TAL
DVI-DET
12M Hz
AD1
AD0
PWR
MENU
SAMRT
Key
24LC02 24LC02 24LC16
VGA-SDA
VGA-SCL
DVI-SDA
DVI-SCL
SCL
SDA
NC
VGA-5V DVI-5V
LDO
Inverter/Power B oard
+5V
LCD-ON
VGA_3V3
DVDD
ADC_VAA
MCU_VDD
CVDD1V8
+5V
Panel
Voltage
Control
LCD_VDD
Panel
BL-ON
BL-Brightness
USB A TO USB B Translate
CN8
USB A
USB B
Key/B
http://www.wjel.net

220CW8 LCD
Schematic Diagram(Scaler Board - VGA Input) 26
S-A3
220CW8 LCD
26
S-A1
1
1
2
2
3
3
4
4
5
5
6
6
7
7
8
8
9
9
10
10
11
11
12
12
A A
BB
C C
DD
E E
F F
G G
HS
G1
B1
B1
VS
G1
R1
R1
VS
Rx
Rx
HS
VS-1
HS-1
GNDB
GNDR
GNDG
GNDB
GNDG
GNDR
VGA-5V
+5V
+5V
+5V
GND_A
GND_A
GND_A
GND_A
GND_A
GND_A
GND_A
GND_A
GND_A
GND_A
GND_A
GND_A
GND_A
GND_A
GND_A
GND_A
GND_A
GND_A
MCU-VDD
MCU-VDD
GND_A
VGA-5V +5V
VGA-DET 4
GI1 4
VGA-SCL4
RI1 4
VGA-SDA4
BI1 4
VSIN 4
HSIN 4
RI1- 4
GI1- 4
BI1- 4
Tx4
Rx 4
WP_13,4
CH201209T-300
D-SUB1
CH201209T-300
3
BAV99
CH201209T-300
12/04 2006 Modify
070308
D33
ZD5V6/NC
D33
ZD5V6/NC
1 2
4.7K/6
R13
4.7K/6
R13
D5
BAV99/NC
D5
BAV99/NC
1
3
2
C1
0.1uF/6/NC
C1
0.1uF/6/NC
100/6/NC
R12
100/6/NC
R12
R14
75/6/1%
R14
R14
75/6/1%
R14
D4
ZD5V6/NC
D4
ZD5V6/NC
1 2
0/6L4 0/6L4
1 2
R10
75/6/1%
R10
R10
75/6/1%
R10
0/6L3 0/6L3
1 2
U1
24C02/NC
U1
24C02/NC
GND 4
VCC
8A0 1
A1 2
A2 3
WP
7
SCL
6
SDA
5
L1 0/6L1 L1 0/6L1 1 2
D3
BAV99/NC
D3
BAV99/NC
1
3
2
100/6R11 100/6R11
4.7K/6
R6
4.7K/6
R6
L5 0/6L5 L5 0/6L5
1 2
R4
75/6/1%
R4
R4
75/6/1%
R4
100/6/NC
R5
100/6/NC
R5
100/6/NCR2 100/6/NCR2
D8
ZD5V6/NC
D8
ZD5V6/NC
1 2
R132 100/6R132 100/6
D7
ZD5V6/NC
D7
ZD5V6/NC
1 2
C4
22pF/6
C4C4
22pF/6
C4
L6 0/6L6 L6 0/6L6
1 2
100/6/NCR3 100/6/NCR3
CN1D-SUB-Female
CN1
CN1D-SUB-Female
CN1
11
22
33
44
55
66
77
88
99
10 10
11
11
12
12
13
13
14
14
15
15
G1 16
G2 17
D6
ZD5V6/NC
D6
ZD5V6/NC
1 2
R16
2.2K/6
R16
R16
2.2K/6
R16
10K/6/NC
R1
10K/6/NC
R1
D32
ZD5V6/NC
D32
ZD5V6/NC
1 2
C2
120pF/6
C2C2
120pF/6
C2
D1
BAT54C-GS08/NC
D1
BAT54C-GS08/NC
3
1
2
R19
2.2K/6
R19
R19
2.2K/6
R19
L2 0/6L2 L2 0/6L2 1 2
1K/6R8 1K/6R8
D2
BAV99/NC
D2
BAV99/NC
1
3
2
R131 100/6R131 100/6
100/6R9 100/6R9
C1 B4
C2 E8
C4 E8
CN1 B3
D1 A4
D2 A7
D3 B7
D4 B2
D5 C7
D6 C2
D7 D7
D8 E7
D32 C6
D33 C6
L1 A8
L2 B8
L3 B8
L4 C8
L5 C8
L6 D9
R1 A5
R2 A5
R3 A5
R4 A7
R5 B2
R6 B2
R8 B5
R9 B5
R10 B7
R11 C3
R12 C2
R13 C2
R14 C7
R16 E7
R19 E7
R131 E8
R132 E8
U1 A5
http://www.wjel.net

220CW8 LCD
Schematic Diagram(Scaler Board - DVI input) 27
S-A3
220CW8 LCD
27
S-A2
1
1
2
2
3
3
4
4
5
5
6
6
7
7
8
8
9
9
10
10
11
11
12
12
A A
BB
C C
DD
E E
F F
G G
DVI-5V
GND_A
GND_A
GND_A
GND_A
GND_A
GND_A
GND_A
GND_A
GND_A
GND_A
GND_AGND_A
GND_A
GND_A
MCU-VDD MCU-VDD
DVI-5V +5V
+5V
RXC- 4
RXC+ 4
RX2+ 4
RX0+ 4
RX2- 4
RX1+ 4
RX1- 4
DVI-DET 4
RX0- 4
DVI-HPD 4
WP_1
2,4
DVI-SCL 4DVI-SDA 4
DVI Input
12/04 2006 Modify
070308
2007 5/8 Modify
NC
NC
0
5220
NC
NC
2Q8
NO.
7K43
U2
U2
AO3400
24C02
R147
R146
NC
4
1
PARTS
NONE U2
R149
2007 5/8 Modify
D
G
2
3
S
1
10/6R23 10/6R23
10/6
R27 10/6
R27
10/6R35 10/6R35
R147 0/6/NCR147 0/6/NC
D36
EGA10603V05A1-B/NC
D36
EGA10603V05A1-B/NC
1 2
R146
4.7K/6
R146
4.7K/6
U2
24C02
U2
24C02
GND 4
VCC
8A0 1
A1 2
A2 3
WP
7
SCL
6
SDA
5
D10
EGA10603V05A1-B/NC
D10
EGA10603V05A1-B/NC
1 2
1K/6R31 1K/6R31
100/6R22 100/6R22
10/6R33 10/6R33
D9
BAT54C-GS08
D9
BAT54C-GS08
3
1
2
D16
EGA10603V05A1-B/NC
D16
EGA10603V05A1-B/NC
1 2
4.7K/6
R26
4.7K/6
R26
D11
EGA10603V05A1-B/NC
D11
EGA10603V05A1-B/NC
1 2
10/6
R32 10/6
R32
C5
0.1uF/6
C5
0.1uF/6
10/6R24 10/6R24
D35
EGA10603V05A1-B/NC
D35
EGA10603V05A1-B/NC
1 2
1K/6R34 1K/6R34
D17
EGA10603V05A1-B/NC
D17
EGA10603V05A1-B/NC
1 2
D12
EGA10603V05A1-B/NC
D12
EGA10603V05A1-B/NC
1 2
100/6R21 100/6R21
D34
EGA10603V05A1-B/NC
D34
EGA10603V05A1-B/NC
1 2
CN2
DVI-D-Female
CN2
DVI-D-Female
TX2- 1
TX2+ 2
TX2/4 Shld 3
TX4- 4
TX4+ 5
DDC CLK 6
DDC DATA 7
AVS 8
TX1- 9
TX1+ 10
TX1/3 Shld 11
TX3- 12
TX3+ 13
+5V 14
GND 15
HP Detect 16
TX0- 17
TX0+ 18
TX0/5 Shld 19
TX5- 20
TX5+ 21
TXC Shld 22
TXC+ 23
TXC- 24
SHELL1
25
SHELL2
26
AR C1
AG C2
AB C3
AHS C4
AGND C5
NC C6
28
28 27
27
Q8
2N7002E
Q8
2N7002E
10/6R36 10/6R36
4.7K/6
R25
4.7K/6
R25
10/6R28 10/6R28
D18
EGA10603V05A1-B/NC
D18
EGA10603V05A1-B/NC
1 2
10K/6R20 10K/6R20
D14
EGA10603V05A1-B/NC
D14
EGA10603V05A1-B/NC
1 2
D19
EGA10603V05A1-B/NC
D19
EGA10603V05A1-B/NC
1 2
D13
EGA10603V05A1-B/NC
D13
EGA10603V05A1-B/NC
1 2
D15
EGA10603V05A1-B/NC
D15
EGA10603V05A1-B/NC
1 2
1K/6R30 1K/6R30
C5 A6
CN2 B1
D9 A6
D10 B2
D11 B3
D12 B3
D13 B4
D14 C6
D15 C6
D16 D2
D17 D3
D18 D3
D19 D4
D34 D4
D35 D4
D36 B5
D36 D5
Q8 B8
R20 A6
R21 A7
R22 A7
R23 B4
R24 B4
R25 B6
R26 B6
R27 B4
R28 C4
R30 C3
R31 C2
R32 B5
R32 C5
R33 B5
R33 C5
R34 C3
R35 B5
R35 C5
R36 B5
R36 C5
R146 B8
R147 C8
U2 A8
U2 D8
http://www.wjel.net

220CW8 LCD
Schematic Diagram(Scaler Board - Scaler Nt68670) 28
S-A3
220CW8 LCD
28
S-A3
1
1
2
2
3
3
4
4
5
5
6
6
7
7
8
8
9
9
10
10
11
11
12
12
A A
BB
C C
DD
E E
F F
G G
DPLL
PVCC
WP
5V-DETECT
Rx
SDA
SCL
Tx
RX2+
SCL
RX1+
Rx
RX2-
BYPASS-VS
5V-DETECT
RX0+
SDA
RX0-
RX1-
Tx
SDA
RXC-
BYPASS-HS
RXC+
WP
HDCP_SCL
DPLL
PVCC
BL-PWM
SPI_CK
SPI_SI
SPI_CE
SPI_SO
WP_1
WP_1
SCL
WP_1
HDCP_SCL
HDCP_SDA
HDCP_SDA
BL-PWM
ADC_VAA
DVDD
CVDD1V8 VGA_3V3
VGA_3V3
GND_A
ADC_VAA
DVDD
GND_A
GND_A
CVDD1V8
VGA_3V3
GND_A
MCU-VDD
GND_A
GND_A
GND_A
+5V
GND_A
GND_A
+5V
MCU-VDD
GND_AGND_A
MCU-VDD
GND_A
MCU-VDD
GND_A
CVDD1V8
GND_A
GND_AA
GND_A
GND_AGND_AA
VGA_3V3
GND_A
GND_A
GND_A
CVDD1V8
GND_A
MCU-VDD
GND_A
MCU-VDD
GND_A
CVDD1V8
DVDD
HSIN2
VSIN2
BI12
RI1
2
RI1-
2
BI1-2
RX2+
3
RXC-
3
RX1-3
RX0-
3
RX2-3
RXC+
3
RX0+3
RX1+3
GI12
GI1-2
SCL
SDA
SCL
DVI-SDA3
VGA-SCL2
VGA-SDA2
Rx
2
Tx2
IRQn
IRQn
BYPASS-VS
BYPASS-HS
LCD-ON 6
AD15
AD0
5
PWR 5
VGA-DET 2
DVI-DET 3
DVI-HPD 3
BYPASS-HS
BYPASS-VS
LEDG1 5
LEDA1 5
BL-ON 7
RSGB1P/T0P/R2 6
RSBB1M/T3M/G3 6
RSBB1P/T3P/G2 6
RSBB2M/TCLK1M/G5 6
RSBB3P/T2P/G6 6
RSBB3M/T2M/G7 6
RSGB1M/T0M/R3 6
RSBB2P/TCLK1P/G4 6
RSCLKBP/T1P/R0 6
RSCLKBM/T1M/R1 6
RSRA2P/T5P/B6/RSGB0P 6
RSRA1P/T6P/B4/RSBB0P 6
RSRA3P/T4P/G0/RSRB0P 6
RSGA2P/T7P/B0 6
RSGA3P/TCLK2P/B2 6
RSRA2M/T5M/B7/RSGB0M 6
RSRA3M/T4M/G1/RSRB0M 6
RSGA2M/T7M/B1 6
RSGA3M/TCLK2M/B3 6
RSRA1M/T6M/B5/RSBB0M 6
SDA
BL-BRIGHT 7
LED_SMART 5
MENU1 5
SMART 5
WP_1 2,3
DVI-SCL3
4
For Debug Use
NT68670
OPTION
Layout
GND
12/04 2006 Modify
12/04 2006 Modify
SMART FUNCTION
PIN
NT68670
OPTION
PARTS
6NC
NC
NC
R144/pin119
7
0.1u
4
R59/pin51
OD
R62/pin128
0R
100R
R145/pin109
NT68670
NC
NO.
8
3
9
NT68665U3
2
0R5
0R
NONE OD
C67/pin51
1
NC
R58/pin51
NC 0R
PLL_GND GND C16,C17 ,
PLL_VDD L 100M/1K
070308
SMART
FUNCTION ON/OFF
070308
070308
DVDD change to
CVDD1V8(960412)
NT68670
OPTION 070505
070507
2007 5/8 Modify
C21
0.1uF/6
C21
0.1uF/6
100/6R53 100/6R53
75/6/1%
R44 75/6/1%
R44
R149 220/6/NCR149 220/6/NC
Y1 12MHZY1 12MHZ
12
U6
AT24C08/NC
U6
AT24C08/NC
A0
1
A1
2
A2
3
GND
4
VCC 8
WP 7
SDA 5
SCL 6
100/6 1%R45 100/6 1%R45
R61
15K/6
R61
15K/6
R66 100K/6R66 100K/6
C32
22pF/6
C32
22pF/6
JP2
CON4/NC
JP2
CON4/NC
11
22
33
44
R58
0/6
R58
0/6
0.047uF/6C23 0.047uF/6C23
C13
120pF/6
C13
C13
120pF/6
C13
C18
0.1uF/6/NC
C18
C18
0.1uF/6/NC
C18
75/6/1%R47 75/6/1%R47
C34
0.1uF/6
C34
0.1uF/6
C33
22pF/6
C33
22pF/6
0.047uF/6C28 0.047uF/6C28
C12
1uF/8
C12
C12
1uF/8
C12
C7
0.1uF/6
C7
C7
0.1uF/6
C7
L7
100M/1K/8
L7
L7
100M/1K/8
L7
1 2
R50 10K/6R50 10K/6
12
C67
0.1uF/6
C67
0.1uF/6
100/6R39 100/6R39
22/6/NCR63 22/6/NCR63
R137
1K/6
R137
1K/6
C14
0.1uF/6
C14
C14
0.1uF/6
C14
R144
0/6
R144
0/6
22/6/NCR64 22/6/NCR64
C83
0.1uF/6
C83
0.1uF/6
R136
4.7k/NC
R136
4.7k/NC
C17
330uF/16V
C17
C17
330uF/16V
C17
12
R59 0/6/NCR59 0/6/NC JP1
CON4/NC
JP1
CON4/NC
11
22
33
44
0.047uF/6C25 0.047uF/6C25
C11
0.1uF/6
C11
C11
0.1uF/6
C11
C20
0.1uF/6
C20
C20
0.1uF/6
C20
RSTn1 TPAD30RSTn1 TPAD30
1
100/6 1%
R48 100/6 1%
R48
R135
4.7k/NC
R135
4.7k/NC
C15
0.1uF/6
C15
C15
0.1uF/6
C15
R51 10K/6
R51 10K/6
12
100/6
R55 100/6
R55
390/6 1%
R43 390/6 1%
R43
U3
NT68670
U3
NT68670
RSTB
1
MCU_VCC
2
MCU_GND
3
RX2+
4
RX2-
5
AVCC 6
RX1+
7
RX1-
8
AGND 9
RX0+
10
RX0-
11
AGND 12
RXC+
13
RXC-
14
AVCC 15
REXT
16
PVCC 17
PGND 18
BIN1+
19
BIN1-
20
SOG1I
21
GIN1+
22
GIN1-
23
RIN1+
24
RIN1-
25
ADC_VAA 26
ADC_GNDA 27
PC2 28
PD6
29
PB3/ADC3/INTE1
30
P31/TXD
31
P30/RXD
32
PB2/ADC2/INTE0
33
PB7/DDC_SDA1*
34
PB6/DDC_SCL1*
35
PA3/PWM5
36
PA4/PWM6*
37
PA5/PWM7*
38
PA6/PWM8*
39
PA7/PWM9*
40
HSYNCI1
41
TOUTP/VSYNCI1
42
PLL_GND 43
TCLK
44
PLL_VDD 45
PB5/DVI_SDA0
46
PB4/DVI_SCL0
47
RSTn/PD5
48
SDA/P35
49
SCL/P34
50
IRQn
51
CVDD 52
DVDD 53
RSBA1P/V0 54
RSBA1M/V1 55
RSBA2P/V2 56
RSBA2M/V3 57
RSBA3P/V4 58
RSBA3M/V5 59
RSCLKAP/V6 60
RSCLKAM/V7 61
RSGA1P/VCKI 62
RSGA1M 63
DGND/CGND 64
PC6 102
DGND/CGND 101
RSRB3M/DHS 100
RSRB3P/DVS 99
RSRB2M/DDE 98
RSRB2P/DCLK 97
RSRB1M/TTL_POL 96
RSRB1P 95
RSGB3M/R7 94
RSGB3P/R6 93
RSGB2M/R5 92
RSGB2P/R4 91
DVDD 90
SP 89
RSGB1M/T0M/R3 88
RSGB1P/T0P/R2 87
RSCLKBM/T1M/R1 86
RSCLKBP/T1P/R0 85
RSBB3M/T2M/G7 84
RSBB3P/T2P/G6 83
RSBB2M/TCLK1M/G5 82
RSBB2P/TCLK1P/G4 81
RSBB1M/T3M/G3 80
RSBB1P/T3P/G2 79
DGND/CGND 78
RSRA3M/T4M/G1/RSRB0M 77
RSRA3P/T4P/G0/RSRB0P 76
RSRA2M/T5M/B7/GSGB0M 75
RSRA2P/T5P/B6/RSGB0P 74
RSRA1M/T6M/B5/RSGB0M 73
RSRA1P/T6P/B4/RSBB0P 72
RSGA3M/TCLK2M/B3 71
RSGA3P/TCLK2P/B2 70
RSGA2M/T7M/B1 69
RSGA2P/T7P/B0 68
PA1/PWM3
67 PA2/PWM4
66 PA0/PWM2
65
OSCI
127
OSCO
128
PB0/ADC0
126 PB1/ADC1
125
PC5 124
PC4/PWM1 123
PC3/PWM0 122
PC1* 121
PC0* 120
NC(VSNCI)
119
PWMB/GPO8 118
PWMA/GPO7 117
GPO6 116
CVDD 115
INT_HSO/GPO5 114
INT_VSO/GPO4 113
GPO3/AD1 112
GPO2/AD0 111
GPO1 110
NC(HSYNCI)
109
PD4
108 PD3
107 PD2
106 PD1
105 PD0
104
PC7 103
C69
0.1u/NC
C69
0.1u/NC
0.047uF/6C22 0.047uF/6C22
R145
0/6
R145
0/6
10K/NC
R82
10K/NC
R82
10K/NC
R83
10K/NC
R83
C9
0.1uF/6/NC
C9
C9
0.1uF/6/NC
C9
U11
PM25LV010/NC
U11
PM25LV010/NC
CE
1
SO
2
WP
3
GND
4SI 5
SCK 6
HOLD 7
VCC 8
100/6R54 100/6R54
IC2
AT24C16
IC2
AT24C16
A0
1
A1
2
A2
3
GND
4
VCC 8
WP 7
SDA 5
SCL 6
0.047uF/6
C27 0.047uF/6
C27
0.047uF/6C26 0.047uF/6C26
C16
10uF/6.3V/Y5V/0805
C16
C16
10uF/6.3V/Y5V/0805
C16
R65 1M/6R65 1M/6
75/6/1%R41 75/6/1%R41
0.047uF/6
C24 0.047uF/6
C24
10/6R49 10/6R49
L8
CX201209813/8
L8
L8
CX201209813/8
L8
1 2
C6
0.1uF/6
C6
C6
0.1uF/6
C6
C8
0.1uF/6/NC
C8
C8
0.1uF/6/NC
C8
C19
0.1uF/6
C19
C19
0.1uF/6
C19
10K/NC
R148
10K/NC
R148
C31 0.1uF/6C31 0.1uF/6
100/6
R52 100/6
R52
C10
0.1uF/6/NC
C10
C10
0.1uF/6/NC
C10
100/6 1%
R42 100/6 1%
R42
R57
10K/6
R57
10K/6
R62 100/6/NCR62 100/6/NC
C82 10pF/6/NCC82 10pF/6/NC
R38 470/6 1%R38 470/6 1%
+
C29 47uF/10V
+
C29 47uF/10V
1
2
C6 A1 R39 B10
C7 A1 R41 C2
C8 A1 R42 C2
C9 A1 R43 C2
C10 A2 R44 C2
C11 A2 R45 C2
C12 A3 R47 C2
C13 A3 R48 C2
C14 A3 R49 C9
C15 A4 R50 D1
C16 B2 R51 D1
C17 B2 R52 D3
C18 B1 R53 D3
C19 B1 R54 D3
C20 B1 R55 D3
C21 B10 R57 D11
C22 C3 R58 E2
C23 C3 R59 E2
C24 C3 R61 D11
C25 C3 R62 E3
C26 C3 R63 A9
C27 C3 R64 A9
C28 C3 R65 E1
C29 C2 R66 F3
C31 D2 R82 A9
C32 F1 R83 A9
C33 F1 R135 F2
C34 F3 R136 F3
C67 E2 R137 C9
C69 F3 R144 F5
C82 E3 R145 F5
C83 F5 R148 A8
IC2 B9 R149 F6
JP1 E9 RSTn1 E3
JP2 E9 U11 G2
L7 A4 U3 B4
L8 A5 U6 A7
R38 B3 Y1 E1
http://www.wjel.net

220CW8 LCD
Schematic Diagram(Scaler Board - USB KEY) 29
S-A3
220CW8 LCD
29
S-A4
1
1
2
2
3
3
4
4
5
5
6
6
7
7
8
8
9
9
10
10
11
11
12
12
A A
BB
C C
DD
E E
F F
G G
LEDG
LEDA
SEL
PWR1 PWR
MENU
UP
DOWN
SEL PWR1
LEDA-
LEDG- LEDG
LEDA
USB_5V
DN
DP
MENU
LED_S
LED_S
LEDG-
LED_S-
PWR1
PWR1
LEDA-
UP
UP
DOWN
SMART-
SEL
DOWN
SEL
LED_S-
SMART-
AD0
MENU1
DOWN
MENU
SMART-
MENU
UP SMART- LED_S
MCU-VDD
MCU-VDD
GND_A
GND_A
GND_A MCU-VDDGND_A MCU-VDDMCU-VDD
GND_A
GND_A
GND_A MCU-VDD
GND_A
MCU-VDD
GND_A
GND_A
GND_A
GND_A GND_A GND_AMCU-VDD MCU-VDD MCU-VDD
AD1 4
PWR 4
LEDG1
4
LEDA14
LED_SMART
4
MENU1 4
AD0 4
SMART 4
SMART IMAGE FUNCTION
070306
070306
070306
070306
0704030
33/6R94 33/6R94
C72
0.1uF/6
C72
0.1uF/6
R143
10K/6
R143
10K/6
C73
0.1uF/6
C73
0.1uF/6
C84
100P/6
C84
100P/6
R72 10K/6R72 10K/6
D37
BAV99/NC
D37
BAV99/NC
1
3
2
C74
0.1uF/6
C74
0.1uF/6
R90 4.7K/6R90 4.7K/6
Q6
MMST3906
Q6
MMST3906
3 1
2
R7
4.7K/6
R7
4.7K/6
1K/61K/6
1 2
R15
4.7K/6
R15
4.7K/6
CN3
4501-10-10P-R/NC
CN3
4501-10-10P-R/NC
11
22
33
44
55
66
77
88
99
10 10
R77 10K/6R77 10K/6
D23
BAV99/NC
D23
BAV99/NC
1
3
2
33/6R17 33/6R17
R18
1K/6
R18
1K/6
12
D24
BAV99/NC
D24
BAV99/NC
1
3
2
C85
100P/6
C85
100P/6
D25
BAV99/NC
D25
BAV99/NC
1
3
2
C70
0.1uF/6
C70
0.1uF/6
D21
BAV99/NC
D21
BAV99/NC
1
3
2
R73 10K/6R73 10K/6
R81 10K/6R81 10K/6
CN7
7101-E10N
CN7
7101-E10N
11
22
33
44
55
66
77
88
99
10 10
CN8
3703-05
CN8
3703-05
11
22
33
44
55
66
77
Q1
MMST3906
Q1
MMST3906
3 1
2
82/6R93 82/6R93
R95 4.7K/6R95 4.7K/6
1K/61K/6 12
R141 4.7K/6/NCR141 4.7K/6/NC
Q2
MMST3906
Q2
MMST3906
3 1
2
1K/61K/6 12
D22
BAV99/NC
D22
BAV99/NC
1
3
2
C71
0.1uF/6
C71
0.1uF/6
12
34
CN9 USB-B
12
34
CN9 USB-B
1
2
3
4
6
5
R142 4.7K/6/NCR142 4.7K/6/NC
C75
0.1uF/6
C75
0.1uF/6
D20
BAV99/NC
D20
BAV99/NC
1
3
2
C70 B2
C71 B2
C72 B2
C73 B3
C74 B3
C75 B3
C84 B6
C85 B6
CN3 A1
CN7 B1
CN8 B8
CN9 A8
D20 D1
D21 D2
D22 D3
D23 E1
D24 E3
D25 E4
D37 D5
Q1 C6
Q2 C6
Q6 D9
R7 D7
R15 D7
R17 B2
R18 B5
R72 A6
R73 A6
R74 A5
R75 A5
R77 B5
R79 B5
R81 B5
R90 B5
R90 C5
R93 B2
R94 B2
R95 B5
R95 C5
R141 B5
R141 C5
R142 B5
R142 C5
R143 A6
http://www.wjel.net

220CW8 LCD
Schematic Diagram(Scaler Board - Panel Output) 30
S-A3
220CW8 LCD
30
S-A5
1
1
2
2
3
3
4
4
5
5
6
6
7
7
8
8
9
9
10
10
11
11
12
12
A A
BB
C C
DD
E E
F F
G G
LCD-VDD
GND_A
LCD-VDD
+5V
GND_A
GND_A
GND_A
GND_A
LCD-VDD
GND_A
GND_A
GND_A
GND_A
GND_A
RSGB1M/T0M/R34
RSCLKBM/T1M/R1
4
RSBB3M/T2M/G74
RSRA3M/T4M/G1/RSRB0M4
RSRA2M/T5M/B7/RSGB0M4
RSRA1M/T6M/B5/RSBB0M
4
RSGA3M/TCLK2M/B34
RSBB2M/TCLK1M/G54 RSBB2P/TCLK1P/G4 4
RSBB1P/T3P/G2 4
RSRA3P/T4P/G0/RSRB0P 4
RSRA2P/T5P/B6/RSGB0P 4
RSRA1P/T6P/B4/RSBB0P 4
RSGA3P/TCLK2P/B2 4
RSCLKBP/T1P/R0 4
RSGB1M/T0M/R34
RSGB1P/T0P/R2 4
RSBB3P/T2P/G6 4
RSGB1P/T0P/R24
RSCLKBM/T1M/R14
RSCLKBP/T1P/R04
RSBB3M/T2M/G74
RSBB3P/T2P/G64
RSBB1M/T3M/G34
RSBB2M/TCLK1M/G54
RSBB2P/TCLK1P/G44
RSBB1M/T3M/G34
RSBB1P/T3P/G24
RSRA3M/T4M/G1/RSRB0M4
RSRA3P/T4P/G0/RSRB0P4
RSRA2M/T5M/B7/RSGB0M4
RSRA2P/T5P/B6/RSGB0P4
RSRA1M/T6M/B5/RSBB0M4
RSRA1P/T6P/B4/RSBB0P4
RSGA3M/TCLK2M/B34
RSGA3P/TCLK2P/B24
RSGA2M/T7M/B14
RSGA2M/T7M/B14
RSGA2P/T7P/B0 4
RSGA2P/T7P/B04
LCD-ON4
Max 2.0A
2005.06.13 modify
MMST3906 Change to DTC144EUA
(070308)
070709
For Panel T1
+
C41
330uF/16V
+
C41
330uF/16V
12
C38
2200pF/6
C38
2200pF/6
C37
4.7UF/6
C37
4.7UF/6
CN4
1841 30P/NC
CN4
1841 30P/NC
1
1
3
3
5
5
7
7
9
9
11
11
13
13
15
15
17
17
19
19
21
21
23
23
25
25
27
27
29
29
22
44
66
88
10 10
12 12
14 14
16 16
18 18
20 20
22 22
24 24
26 26
28 28
30 30
C39 0.1uF/6C39 0.1uF/6
C40
0.1uF/6
C40
0.1uF/6
Q4
DTC144EUA
Q4
DTC144EUA
2
31
CN6
FFC 30PIN PH=1.0 (MS240430)
CN6
FFC 30PIN PH=1.0 (MS240430)
1
12
23
34
4
6
6
8
8
10
10
12
12
14
14
16
16
18
18
20
20
22
22
24
24
26
26
28
28
30
30
7
7
9
9
11
11
13
13
15
15
17
17
19
19
21
21
23
23
25
25
27
27
29
29
5
5
GND2
31 GND1
32
R101
2.2K/6
R101
2.2K/6
R133
1K/6
R133
1K/6
1 2
L9
CX201209813/8
L9
CX201209813/8
1 2
R100
10K/6
R100
10K/6
C80
0.1uF/6/NC
C80
0.1uF/6/NC
Q3
AO3415
Q3
AO3415
3
2
1
C37 E3
C38 E5
C39 E6
C40 E5
C41 E6
C80 F3
CN4 B4
CN6 B9
L9 D3
Q3 E4
Q4 E3
R100 E3
R101 E3
R133 E6
http://www.wjel.net

220CW8 LCD
Schematic Diagram(Scaler Board - Power) 31
S-A3
220CW8 LCD
31
S-A6
1
1
2
2
3
3
4
4
5
5
6
6
7
7
8
8
9
9
10
10
11
11
12
12
A A
BB
C C
DD
E E
F F
G G
VGA-DVI-5V
+5V
+1V8
VGA_3V3
GND_A
CVDD1V8
GND_A
+5V
GND_A
GND_A
VGA_3V3
GND_AGND_A
GND_A
GND_A
MCU-VDD
GND_A
VGA_3V3
VGA-DVI-5V
GND_A
DVI-5V
VGA_3V3
GND_A
VGA-5V
ADC_VAA
+5V DVDD
BL-ON 4
BL-BRIGHT 4
2
3
1
L19,C68 CLOSE CN5
070430
070503
070503
NC
5
NA
2 R71
NO.
R0
3
D31
NT68670
NA
ADD
R76
0R
4
1
PARTS
NT68665
NT68665
R70
L17
ADD
ADD
ADD 070731
ADD 070731
070801
Q5
MMST3906
Q5
MMST3906
3 1
2
R710/6/NC R710/6/NC
R105
2.05K/6 1%
R105
2.05K/6 1%
R76
0/6
R76
0/6
R70 0/6R70 0/6
L17
CX201209813/8
L17
CX201209813/8
CN5
CONN 3x2-R
CN5
CONN 3x2-R
2
3 4
1
6
5
L13
CX201209813/8
L13
CX201209813/8
R68
4.7K/6/NC
R68
4.7K/6/NC
D39
BAT54C-GS08/NC
D39
BAT54C-GS08/NC
L14
CX201209813/8
L14
CX201209813/8
R106
1K/6
R106
1K/6
R67
4.7K/6/NC
R67
4.7K/6/NC
U7
AIC1117/SOT223
U7
AIC1117/SOT223
ADJ/GND
1
VOUT 2
VIN
3
VOUT 4
+
C68
330uF/16V
+
C68
330uF/16V
12
R115
150/6 1%
R115
150/6 1%
D30
ML25PT
D30
ML25PT
2 1
+
C44
330uF/16V
+
C44
330uF/16V
12
+
C51
100uF/16V
+
C51
100uF/16V
12
D38
1SS355/NC
D38
1SS355/NC
2 1
C64
0.1uF/6
C64
0.1uF/6
R114
330/6 1%
R114
330/6 1%
C81
0.1uF/6
C81
0.1uF/6
+
C52
100uF/16V
+
C52
100uF/16V
12
L18
CX201209813/8
L18
CX201209813/8
R107 10K/6R107 10K/6
U5
AIC1084/TO252
U5
AIC1084/TO252
ADJ/GND
1
VOUT 2
VIN
3
VOUT 4
C46
120pF/6/NC
C46
120pF/6/NC
C47
1uF/8
C47
1uF/8
L15
CX201209813/8
L15
CX201209813/8
Q7
MMST3906/NC
Q7
MMST3906/NC
31
2
D29
ML25PT
D29
ML25PT
2 1
R108
3.24K/6 1%
R108
3.24K/6 1%
D28
BAT54C-GS08
D28
BAT54C-GS08
R69 20/6/NCR69 20/6/NC
D31
SSM12L
D31
SSM12L
21
+
C45
330uF/16V
+
C45
330uF/16V
12
R104
1K/6/NC
R104
1K/6/NC
C65
0.1uF/6
C65
0.1uF/6
R103
0/6
R103
0/6
C44 D3
C45 D5
C46 B5
C47 B3
C51 C2
C52 C4
C64 D5
C65 B5
C65 C5
C68 A1
C81 A1
CN5 A2
D28 D1
D29 B2
D30 B2
D31 D2
D38 A7
D39 B8
L13 D2
L14 D6
L15 D6
L17 A8
L18 B5
Q5 A4
Q7 A7
R67 B7
R68 B7
R69 A8
R70 B8
R71 D2
R76 D2
R103 A4
R104 A5
R105 D4
R106 A4
R107 B3
R108 D4
R114 C4
R115 C3
U5 D4
U7 B3
http://www.wjel.net

220CW8 LCD
Schematic Diagram(Power Board) 32
S-A3
220CW8 LCD
32
P-A
R4
105K
C26
223
C7
105
C18
105
R16
0 ohm
C24
470uF/25V
C28
224
Vin
GND
R26
1K
R27
1K
C3
14K
R13 N.C
R21
39K
1
2.3
8
5
4
6.7
T1
VCC
R25
100K
C2
473
R15
1.5M
C29 225(1206)
C1
473
R1
130K
S1
1
G1
2
S2
3
G2
4
D1 8
D1 7
D2 6
D2 5
U3
SP8K3
C25
223
C27
224
S1
1
G1
2
S2
3
G2
4
D1 8
D1 7
D2 6
D2 5
U2
SP8K3
C30 225(1206)
R11 10K
BRC
9
BRS
10
DBRT
11
ABRT
12
ENSYNC
13
LOK
14
PRR 15
BTR 16
SI
1
LI
2
LV
3
COMP
4
AG
5
FT
6
LCS
7
LCC
8
UGR 17
OUTR 18
VCCR 19
LGR 20
PRL 22
PGR 21
PGL 28
LGL 27
VCCL 26
OUTL 25
UGL 24
BTL 23
U1
MP1038
R9
10K
R3
N.C
R10
10K C6
103
IC_VCC
IC_VCC
R17
10K
G
D
S
Q2
RK7002
C23
104
D14
4148
C19
105
C20
105
R28
1K
R29
1K
R22
39K
R30
1K
R31
1K
R23
39K
R32
1K
R33
1K
R24
39K
LI
LI LI
FB4
FB3
FB2
C14
223
FB1
C15
223
C16
223
C17
223
LV1
LV2
LV3
LV4
C22
102
R18
1M
R7
22K
1
2
CN1
LV4
1
2
CN2
LV3
1
2
CN3
LV2
1
2
CN4
LV1
C31
5p/3KV
FB1
FB4
C32
5p/3KV
C34
5p/3KV
FB2
FB3
C33
5p/3KV
C4
104
D1
BAV99
D2
BAV99
D3
BAV99
D4
BAV99
D6
BAV99
D5
BAV99
D8
BAV99
D7
BAV99
C21
472
R8 10K
R20
10.5K
ON/OFF
R5
100K
R2
100K(1/8W)
G
DS
Q1
RK7002
C5
103
R6 N.C
D15
N.C
R34
20K
C9
103
R35
20K
C10
103
R36
20K
C11
103
R37
20K
C12
103
D10
BAV70 D12
BAV70
D11
BAV70 D13
BAV70
DBRT
R12
300 ohm
C8
103
C35
224
C36
N.C
C37
N.C
D16
4148
LI
R42 10K
C39
104
C38
472
R44
20K
R38
28K
R43
56K
R39
20K
2
4
1
3
6
5
JP10
C41
N.C
C42
N.C
1
1
2
2
3
3
4
4
5
5
6
6
7
7
8
8
9
9
10
10
11
11
12
12
AA
BB
C C
D D
EE
FF
G G
C1 C2 FB3 E10
C2 C2 FB3 C11
C3 C3 FB4 F10
C4 C3 FB4 D11
C5 B4 JP10 E4
C6 B4 L1 B2
C7 A5 L1 E4
C8 B2 L1 E5
C9 E8 LV1 D2
C10 F8 LV1 B11
C11 E10 LV2 E2
C12 F10 LV2 B11
C14 D2 LV3 F2
C15 E2 LV3 C11
C16 F2 LV4 D11
C17 G2 Q1 B3
C18 C4 Q2 F3
C19 D9 R1 B4
C20 D9 R2 A3
C21 C4 R3 C3
C22 F4 R4 C3
C23 G4 R5 B4
C24 A6 R6 B4
C25 B7 R7 B4
C26 C7 R8 D5
C27 C7 R9 B3
C28 D7 R10 B3
C29 B8 R12 B1
C30 B8 R12 C2
C31 B10 R13 B8
C32 B10 R15 E4
C33 C10 R16 E4
C34 D10 R17 F4
C35 B7 R18 G4
C36 C8 R20 E5
C37 D8 R21 E6
C38 E6 R22 F6
C39 F5 R23 E8
C41 C10 R24 F8
C42 C10 R25 G5
CN1 B11 R26 E6
CN2 C11 R27 F6
CN3 C11 R28 F6
CN4 D11 R29 G6
D2 E2 R30 E9
D3 F2 R31 F9
D5 E7 R32 F9
D6 F7 R33 G9
D7 E9 R34 E8
D8 F9 R35 F8
D10 E7 R36 E10
D11 F7 R37 F10
D12 E9 R38 E5
D13 F9 R39 E5
D14 G5 R42 D5
D15 B5 R43 E5
D16 B2 R44 D5
D16 D2 T1 B9
FB1 E7 U1 B5
FB1 B11 U2 C7
FB2 F7 U3 C7
FB2 C11
http://www.wjel.net

220CW8 LCD
Schematic Diagram(Power Board) 33
220CW8 LCD
33
P-B
CX101
0.33uF/250V
C114
150uF/480V
C121
473
+
C241
1500uF/10V
L240
0.78uH +
C243
470uF/10V
C230
NC
5.2V/3.5A
EARTH
R230
1.5K
R231
0
R234
6.4K
R235
5.9k
R140
JUMP
R124
91K
R128
180K
L120
33uH
R136
1K
R134
100ohm
R129
15K
R101
1M
R102
1M
+
C242
470uF/35V
IC230
KAZ431A
D121
N.C
BD101
D2SB60A
TH101
SCK-086
Q110
D110
HER108
D120
1N4937
R130
15K
R132
15K
R241
1K
R242
1K
R139
5.6K
R233
43ohm
R232
2K
C231
472
F101
T 2AL/250V
VCC
6
NC
7
Out 5
LUVP 1
Latch/PI
2
Vstr 8
GND
4
CS/FB 3
U101
FAN7602
R127
3.3M
R126
3.3M
R125
3.3M
R121
3.3M
R122
3.3M
R123
3.3M
C122
331
ZD120
1N4748A
C124
N.C
+C123
22uF/50V
R133
15K
R135
N.C
R137
0.43ohm/2W(S)
CY101
102/250V
+5.2V
C120
NC
1
4
2
3
LF101
L
N
FG
CN100
CY102
102/250V
CY103
222/250V
T101
EFD-30
D240
SR1060
R240
10,1/2W,J(S)
C240
102M/500V
C260
102M/500V
D260
STPR10200
+
C261
680uF/28V
F240
T5A/250V
VCC
VCC
R112
51K,2W,J(S)
C115
222K/1KV
ZD110
N.C
VA101
TVR10681
VA102
N.C
1
4
2
3
LF102
UU-10.5H
TH102
SCK-086
R138
4.7K
INVERTER
1
2
3
4
5
6
7
8
CN201
+5.2V
ON/OFF
ADJ
2
1
4
5
9.10
8
6.7
R260
4.7ohm,1/2W,J(S)
C262
105
ZD260
P6KE12A
R263
2.2ohm
3
4
PC201B
LTV817B
1
2
PC201A
LTV817B
R261
10K
1
1
2
2
3
3
4
4
5
5
6
6
7
7
8
8
9
9
10
10
11
11
12
12
AA
BB
C C
D D
EE
FF
G G
BD101 B2 R122 B3
C114 B3 R123 C3
C115 B6 R124 E3
C120 C6 R125 B4
C121 D4 R126 B4
C122 D5 R127 C4
C123 F6 R128 D4
C124 F5 R129 B5
C230 E11 R130 B5
C231 E10 R132 C5
C240 D8 R133 C5
C240 D8 R134 C5
C242 D8 R135 C5
C260 A7 R136 C5
C261 B9 R137 C6
C262 B8 R138 C6
CN100 F1 R139 D6
CN201 E9 R140 E6
CY101 E2 R230 C10
CY102 E2 R231 C10
CY103 F7 R232 E10
D110 B6 R233 E10
D120 D6 R234 E11
D121 C5 R235 E11
D240 C7 R240 D7
D260 B7 R241 D10
F101 E1 R242 D10
F240 C11 R260 B7
IC230 E10 R261 C11
L120 D6 R263 C10
L240 C9 TH101 E1
LF101 D2 TH102 E2
LF102 C1 U101 E5
PC201 E6 VA101 D1
PC201 E10 VA102 C2
R101 C1 ZD110 B5
R102 C2 ZD120 F6
R112 A6 ZD260 B10
R121 B3
http://www.wjel.net

220CW8 LCD
Schematic Diagram(Button Board) 34
220CW8 LCD
34
B-1
1
1
2
2
3
3
4
4
5
5
6
6
7
7
8
8
9
9
10
10
11
11
12
12
A A
BB
C C
DD
E E
F F
G G
LEFT
GREEN
AMBER
PWR
RIGHT
SMART
SEL
MENU
LED_S-
LED1
LED2
Front View
RIGHTLEFT MENU
POWER
SEL
SMART
SW1SW2SW3SW4SW6 SW5
SW3 SW METALDOME
SW4 SW METALDOME
SW6 SW METALDOME
CON1
7101-E10N
1
2
3
4
6
8
7
5
11 12
9
10
SW2 SW METALDOME
GREEN
AMBER
3
12
4
LED1 KPTB-1612
BLUE
12
LED2 KPT-1608PBC
SW5 SW METALDOME
SW1 SW METALDOME
CON1 C2
LED1 E5
LED2 E5
SW1 D5
SW2 D5
SW3 D5
SW4 D5
SW5 D5
SW6 D5
http://www.wjel.net

220CW8 LCD
Layout Side View (Scaler Board) 36
220CW8 LCD
36
S-A
C1 D4 L17 B4
C2 D4 L18 B2
C4 C4 Q1 E3
C5 C4 Q2 E3
C6 B2 Q3 D2
C7 C3 Q4 E2
C8 C2 Q5 B2
C9 C2 Q6 E3
C10 C4 Q7 A4
C11 C4 Q8 D3
C12 C4 R1 D4
C13 C4 R2 D4
C14 C4 R3 D4
C15 B3 R4 C4
C16 D3 R5 D4
C17 D3 R6 D4
C18 D3 R7 D3
C19 B2 R8 C4
C20 C3 R9 D4
C21 D2 R10 C4
C22 C4 R11 D4
C23 C4 R12 D4
C24 C4 R13 D4
C25 C4 R15 D3
C26 C4 R16 D4
C27 C4 R17 E3
C28 C4 R18 E3
C29 B4 R19 C4
C31 B4 R19 D4
C32 B4 R20 C4
C33 B3 R21 B4
C34 B4 R22 B4
C37 D1 R23 B4
C38 D1 R24 B4
C39 C2 R25 B4
C40 D1 R26 B4
C41 D2 R27 B4
C44 A3 R28 B4
C45 A4 R30 B4
C46 B2 R30 C4
C47 B2 R31 B4
C51 B2 R32 B4
C52 B2 R33 B4
C64 B4 R34 B4
C65 B4 R35 B4
C65 B3 R36 B4
C67 D3 R39 D2
C68 A2 R41 C4
C69 B2 R42 C4
C70 E2 R43 C4
C71 E2 R44 C4
C72 E2 R45 C4
C73 E2 R47 C4
C74 E3 R48 C4
C75 E3 R49 B3
C80 E2 R50 D3
C81 A2 R51 C3
C82 D3 R52 C4
C83 B2 R53 C4
C84 E3 R54 D3
C85 D3 R55 C3
C141 D3 R57 C4
CN1 C4 R58 D3
CN2 A5 R59 C3
CN3 E2 R61 C4
CN4 B2 R62 D3
CN5 A2 R63 D3
CN6 B2 R64 D3
CN7 E3 R66 B4
CN8 E4 R67 A4
CN9 E4 R68 A4
D1 D4 R69 A4
D3 C4 R70 A4
D4 C4 R71 A3
http://www.wjel.net

220CW8 LCD
Layout Side View (Power Board) 38
220CW8 LCD
38
P-A
BD101 B2 HS201 E3
C24 C3 IC230 E4
C31 D1 J2 C2
C32 E1 J3 D3
C33 B1 J4 D3
C34 B1 J5 D3
C41 D1 J6 C3
C42 B1 J7 C2
C114 C2 J8 C3
C115 D4 J10 D3
C120 D3 J11 B2
C128 C4 J15 C2
C240 E4 J101 C3
C241 E5 J102 C4
C242 D5 J103 A3
C243 E5 J201 E4
C260 E3 J202 D5
C261 D3 J203 E5
CN1 E1 J240 E5
CN2 F1 L120 D4
CN3 A1 LF101 B4
CN4 A1 LF102 B3
CN100 A3 PC201 D4
CN201 D5 PG101 A4
CX101 B3 Q110 C3
CY101 A3 R2 D3
CY102 A4 R112 D4
CY103 D3 R137 D3
D110 C3 R140 D5
D120 D4 R240 E4
D240 E5 R260 E3
D260 E3 R263 E5
EL101 A2 T1 C1
EL102 A3 T101 D3
EL103 A3 TH101 B3
EL104 C2 TH102 B4
EL105 C2 UA101 B3
EL106 D4 UA102 B3
EL107 E4 ZD110 C3
F240 D5 ZD120 D4
HS101 D3 ZD260 E5
http://www.wjel.net

220CW8 LCD
Layout Side View (Power Board) 39
220CW8 LCD
39
P-B
C1 A2 R9 A2
C2 A2 R10 B2
C3 B2 R11 B2
C4 A2 R12 A2
C5 A3 R12 A2
C6 A2 R13 C1
C7 B2 R15 B2
C8 A2 R16 B2
C9 E1 R17 B2
C10 E1 R18 C2
C11 E1 R20 A2
C12 E1 R21 E1
C14 C2 R22 D1
C15 A2 R23 F1
C16 D1 R24 E1
C17 D1 R25 D2
C18 B2 R26 E1
C19 B2 R27 E1
C20 C2 R28 D1
C21 B1 R29 D1
C22 C2 R30 F1
C23 C2 R31 F1
C25 B1 R32 E1
C26 B2 R33 E1
C27 B2 R34 E1
C28 B1 R35 E1
C29 C1 R36 E1
C30 C1 R37 E1
C35 A2 R38 A1
C36 C2 R39 A2
C37 C2 R39 A2
C38 A2 R42 A1
C39 C2 R43 A2
C121 C3 R44 B2
C122 C3 R101 D3
C124 C4 R102 D3
C230 B4 R121 D3
C231 A4 R122 D3
C262 A3 R123 D3
D2 A2 R124 C3
D3 D1 R125 D3
D4 D1 R126 D3
D5 E1 R127 D3
D6 D1 R128 C3
D7 F1 R129 D4
D8 E1 R130 D4
D10 E1 R132 D4
D11 E1 R133 C4
D12 E1 R134 B3
D13 E1 R135 B3
D14 D2 R136 C4
D15 A2 R138 B3
D15 C2 R139 C4
D16 A1 R230 A4
D121 B3 R231 B4
J1 C2 R232 B4
J9 B3 R233 A4
J12 E1 R234 A4
J13 B2 R235 B4
J14 A2 R241 A5
J16 C2 R242 A5
Q1 A2 R261 A4
Q2 C2 U1 B1
R4 A2 U2 C2
R5 A3 U3 C2
R6 A2 U101 C4
R7 A2 ZD121 B4
R8 B1
http://www.wjel.net

220CW8 LCD
Exploded View 42
220CW8 LCD
42
U-A
ITEM PART NO DESCRIPTION QTY
1 34WBZRLB0G4 WBZR-C1L LCD BEZEL SUB ASSY GP 1
AA220WE1208 LCD(TFT) 22" LM220WE1-TLD1 (WSXGA) GP 1
AA0220Z1105 LCD 22" M220Z1-L03(1680X1050,WSXGA)" GP 1
3 10WBZRBB020 W9ZR BUTTON/B ASSY(WBZR-C1L)GP 1
4 FCWBZR04016 POWER MYLAR WBZR-X1L(FCWBZR04,REV3A)GP 1
5
10WBZRMB068
10WBZRMB076 W9ZR M/B ASSY(WBZR-C1L,NT68670HTFG)GP 1
6 AS56B46SA00 PI 90~264 55W 4L(150*160)055-1PI01 G 1
7 36WBZRPS054 WBZR-C1L PCB SHIELDING ASSY GP 1
8 EAWBZR07013 LCD COVER WBZR-C1L(EAWBZR07,REV3A)GP 1
9 EBWBZR02012 HINGE COVER WBZR-C1L(EBWBZR02,REV3A)GP 1
10 EBWBZR04015 CABLE F-COVER WBZR-C1L(EBWBZR04, R3A) 1
11 37WBZRSU018 WBZR-C1L STAND SUB ASSY GP 1
12 38WBZRBS025 WBZR-X1L BASE SUB ASSY GP 1
13 MM30040BBJ4 SCREW M3.0*4.0-B(NI)GP 13
14 MM30050BJ21 SCREW M3.0*5.0-B BLACK GP 4
15 MM30040IBJ9 SCREW M3.0*4.0-I(NI) GP 2
16 DEFC1899001 CABLE FFC MB-LCD(30P,189MM)WBZR PTI GP 1
17 MM40080BCI5 SCREW M4.0*8-B(NI,NYLOK)GP 4
18 MBLI1004018 IO NUT LI1(MBLI1004,REV3A)GP 4
19 MF40080PBJ6 SCREW F4.0*8-P(NI)GP 1
20 10WBZRUB002 W9ZR USB/B ASSY GP 1
2
http://www.wjel.net

220CW8 LCD 43
Recommended Spare Part List
RSPL FOR 220CW8FB/69(WBZR-C1L)
1 P/N: 1WBZRCPL0A7(LPL PANEL)
PHILIPS P/N Techview P/N Description Q'ty Location Remark
LCD panel 996510007910 AA220WE1208 LCD(TFT) 22" LM220WE1-TLD1 (WSXGA) GP 1 Item 2 in exploded view LPL PANEL
MB-LCD cable
For LG panel 996510007909 DEFC1899001 CABLE FFC MB-LCD(30P,189MM)WBZR PTI GP 1 Item 16 in exploded view
Button-MB cable DEFC5409008 CABLE FFC MB-BB(10P/10P,540MM)WBZR GP 1
Power-MB cable DD0W7VPB000 CABLE MB-POWER/B(6P/6P,100MM)W7V GP 1
IC 996510007923 AJ68670^F10 IC(128P)NT68670HTFG(165MHZ,QFP128L) GP 1 U3 SCALER IC
IC 996510007622
AKE10800018 IC EEPROM(8P)24BC16-SI(2048*8,SOIC8) GP 1 IC2 Timing table ,HDCP
KEY MEMORY
IC 996500044124
AKE10800R01 IC EEPROM(8P) BR24L16F-WE2(2K*8,SOP8)GP 1 IC2 Timing table ,HDCP
KEY MEMORY
IC 996510007623 AKE1A800003 IC(8P) EEPROM 24BC02-SI(256*8,SOIC8)GP 1 U2 DVI EDID MEMORY
IC 996500044122 AKE1A800R04 IC EEPROM(8P,5V) BR24L02F(2K*1,SOP) GP 1 U2 DVI EDID MEMORY
IC 996500044123 AKE1A800Y11 IC EEPROM(8P,5V) 24LC02BT(2K*1,SOP) GP 1 U2 DVI EDID MEMORY
IC 996500044125
AKE3A8S0Y10 IC EEPROM(8P)24LC16BT-I(2K*8,100KHZ) GP 1 IC2 Timing table ,HDCP
KEY MEMORY
IC 996500045091 AL001084021 IC(3P) AIC1084PE(TO-252) GP 1 U5 3.3V REGULATOR
IC 996500045092 AL001084099 IC(3P)SMD AP1084DLA(T0-252) GP 1 U5 3.3V REGULATOR
IC 996510007624 AL001117086 IC(3P) AIC1117PY(SOT-223) GP 1 U7 1.8V REGULATOR
IC 996510007625 AL1117EL100 IC(3P) ATC AP1117EL-13(SOT-223) GP 1 U7 1.8V REGULATOR
IC 996500045102 ALAT1084D01 IC(3P)SMD AT1084(T0-252)GP 1 U5 3.3V REGULATOR
IC 996500045103 ALAT1117201 IC(3P) AT1117(SOT-223) GP 1 U7 1.8V REGULATOR
TRANSISTOR 996510007626 BA001440Z87 TRANSISTOR SMD PDTC144EU (50V,30MA)GP 1 Q8
TRANSISTOR 996500044115 BA001440ZB8 TR CHDTC144EUPT(50V,30MA)SOT-323 GP 4 Q1,Q2,Q5,Q6
TRANSISTOR 996510007627 BA001520Z05 TR CHDTC152EUPT(50V,70MA)SOT-323 GP 4 Q1,Q2,Q5,Q6
TRANSISTOR 996500044110 BA039060Z10 TR,SMD PMBS3906(40V,200MA) GP 1 Q3
TRANSISTOR 996510002084 BA039060Z28 TRANSISTOR,SMD SST3906(40V,200MA) GP 1 Q4
TRANSISTOR 996510007629 BAM34150Z08 TR MOSFET AO3415(-20V,-4A)SOT-23 GP 1 Q4
TRANSISTOR 996500045107 BAN70020Z13 TR MOSFET 2N7002E-T1-E3 (60V,250MA) GP 1 Q4
Stand 996510007911 37WBZRSU018 WBZR-C1L STAND SUB ASSY GP 1 Item 11 in exploded view
DVI&D-SUB to shielding MBLI1004018 IO NUT LI1(MBLI1004,REV3A)GP 4 Item 18 in exploded view
PCBAs to metal shielding MF30060BJ28 SCREW F3.0*6-B(BNI)GP 7
Panel to L/R bracket MM30040BBJ4 SCREW M3.0*4.0-B(NI)GP 9 Item 13 in exploded view
Hinge cover 996510007912 EBWBZR02012 HINGE COVER WBZR-C1L(EBWBZR02,REV3A)GP 1 Item 9 in exploded view
Base 38WBZRBS025 WBZR-X1L BASE SUB ASSY GP 1 Item 12 in exploded view
Inverter board 996510007914 AS56B46SA00 PI 90~264 55W 4L(150*160)055-1PI01 G 1 Item 6 in exploded view
Main board 996510007916 10WBZRMB076 W9ZR M/B ASSY(WBZR-C1L,NT68670HTFG)GP 1 Item 5 in exploded view 21W9ZRMB025
Bios AZWBZRBL105 WBZR SW BIOS(NT68670HTFG,LM220WE1-TLD1 1
Button board 996510007917 10WBZRBB020 WBZR BUTTON/B ASSY(WBZR-C1L) GP 1 Item 3 in exploded view 23W9ZRBB013
USB board 996510007674 10WBZRUB002 W9ZR USB/B ASSY NEW GP 1 Item 20 in exploded view 23W9ZRUB004
Front bezel assembly 996510007918 34WBZRLB0G4 WBZR-C1L LCD BEZEL SUB ASSY GP 1 Item 1 in exploded view
Back cover assembly 996510007919 EAWBZR07013 LCD COVER WBZR-C1L(EAWBZR07,REV3A)GP 1 Item 8 in exploded view
VGA cable 996510002083 DDL7ZIPC002 CABLE MB-VGA(15/15P,1.8M)BLACK L7ZI GP 1
Power cord 996500044132 DM333181703 PWR CORD B 1.8M SP-60/13A SINGAPORE GP 1
Manual HGWBZR05016 QSG+CD WBZR-C1L(HGWBZR05,R3A) GP 1
LCD film JXWBC001018 LCD FILM 495*325 WBC-B1(JXWBC001,R3A)GP 1
EPE bag HAWBZR01015 EPE BAG WBZR(HAWBZR01,R3A)GP 1
Carton 996510007920 HFWBZR20014 CARTON WBZR-C1L(HFWBZR20,R3A)WW_GP 1
Cushion 996510007921 HBWBZR05011 END CAP-L WBZR-C1L(HBWBZR05,REV3A)GP 1
Cushion 996510007922 HBWBZR06018 END CAP-R WBZR-C1L(HBWBZR06,REV3A)GP 1
Electronic
Components:
Part Name
Packing Material:
Mechanical
Components:
PCBA:
Cabinets:
Accessories:
http://www.wjel.net

44 220CW8 LCD Recommended Spare Part List
RSPL FOR 220CW8FB/93(WBZR-C1L)
1 P/N: 1WBZRCPL0B5(LPL PANEL)
PHILIPS P/N Techview P/N Description Q'ty Location Remark
LCD panel 996510007910 AA220WE1208 LCD(TFT) 22" LM220WE1-TLD1 (WSXGA) GP 1 Item 2 in exploded view LPL PANEL
MB-LCD cable
For LG panel 996510007909 DEFC1899001 CABLE FFC MB-LCD(30P,189MM)WBZR PTI GP 1 Item 16 in exploded view
Button-MB cable DEFC5409008 CABLE FFC MB-BB(10P/10P,540MM)WBZR GP 1
Power-MB cable DD0W7VPB000 CABLE MB-POWER/B(6P/6P,100MM)W7V GP 1
IC 996510007923 AJ68670^F10 IC(128P)NT68670HTFG(165MHZ,QFP128L) GP 1 U3 SCALER IC
IC 996510007622 AKE10800018 IC EEPROM(8P)24BC16-SI(2048*8,SOIC8) GP 1 IC2 Timing table ,HDCP
KEY MEMORY
IC 996500044124 AKE10800R01 IC EEPROM(8P) BR24L16F-WE2(2K*8,SOP8)GP 1 IC2 Timing table ,HDCP
KEY MEMORY
IC 996510007623 AKE1A800003 IC(8P) EEPROM 24BC02-SI(256*8,SOIC8)GP 1 U2 DVI EDID MEMORY
IC 996500044122 AKE1A800R04 IC EEPROM(8P,5V) BR24L02F(2K*1,SOP) GP 1 U2 DVI EDID MEMORY
IC 996500044123 AKE1A800Y11 IC EEPROM(8P,5V) 24LC02BT(2K*1,SOP) GP 1 U2 DVI EDID MEMORY
IC 996500044125
AKE3A8S0Y10 IC EEPROM(8P)24LC16BT-I(2K*8,100KHZ) GP 1 IC2 Timing table ,HDCP
KEY MEMORY
IC 996500045091 AL001084021 IC(3P) AIC1084PE(TO-252) GP 1 U5 3.3V REGULATOR
IC 996500045092 AL001084099 IC(3P)SMD AP1084DLA(T0-252) GP 1 U5 3.3V REGULATOR
IC 996510007624 AL001117086 IC(3P) AIC1117PY(SOT-223) GP 1 U7 1.8V REGULATOR
IC 996510007625 AL1117EL100 IC(3P) ATC AP1117EL-13(SOT-223) GP 1 U7 1.8V REGULATOR
IC 996500045102 ALAT1084D01 IC(3P)SMD AT1084(T0-252)GP 1 U5 3.3V REGULATOR
IC 996500045103 ALAT1117201 IC(3P) AT1117(SOT-223) GP 1 U7 1.8V REGULATOR
TRANSISTOR 996510007626 BA001440Z87 TRANSISTOR SMD PDTC144EU (50V,30MA)GP 1 Q8
TRANSISTOR 996500044115 BA001440ZB8 TR CHDTC144EUPT(50V,30MA)SOT-323 GP 4 Q1,Q2,Q5,Q6
996510007627 BA001520Z05 TR CHDTC152EUPT(50V,70MA)SOT-323 GP 4 Q1,Q2,Q5,Q6
996500044110 BA039060Z10 TR,SMD PMBS3906(40V,200MA) GP 1 Q3
TRANSISTOR 996510002084 BA039060Z28 TRANSISTOR,SMD SST3906(40V,200MA) GP 1 Q4
TRANSISTOR 996510007629 BAM34150Z08 TR MOSFET AO3415(-20V,-4A)SOT-23 GP 1 Q4
TRANSISTOR 996500045107 BAN70020Z13 TR MOSFET 2N7002E-T1-E3 (60V,250MA) GP 1 Q4
Stand 996510007911 37WBZRSU018 WBZR-C1L STAND SUB ASSY GP 1 Item 11 in exploded view
DVI&D-SUB to shielding MBLI1004018 IO NUT LI1(MBLI1004,REV3A)GP 4 Item 18 in exploded view
PCBAs to metal shielding MF30060BJ28 SCREW F3.0*6-B(BNI)GP 7 Item 13 in exploded view
Panel to L/R bracket MM30040BBJ4 SCREW M3.0*4.0-B(NI)GP 9 Item 9 in exploded view
Hinge cover 996510007912 EBWBZR02012 HINGE COVER WBZR-C1L(EBWBZR02,REV3A)GP 1 Item 12 in exploded view
Base 38WBZRBS025 WBZR-X1L BASE SUB ASSY GP 1
Inverter board 996510007914 AS56B46SA00 PI 90~264 55W 4L(150*160)055-1PI01 G 1 Item 6 in exploded view
Main board 996510007916 10WBZRMB076 W9ZR M/B ASSY(WBZR-C1L,NT68670HTFG)GP 1 Item 5 in exploded view 21W9ZRMB025
Bios AZWBZRBL105 WBZR SW BIOS(NT68670HTFG,LM220WE1-TLD1 1
Button board 996510007917 10WBZRBB020 WBZR BUTTON/B ASSY(WBZR-C1L) GP 1 Item 3 in exploded view 23W9ZRBB013
USB board 996510007674 10WBZRUB002 W9ZR USB/B ASSY NEW GP 1 Item 20 in exploded view 23W9ZRUB004
Front bezel assembly 996510007918 34WBZRLB0G4 WBZR-C1L LCD BEZEL SUB ASSY GP 1 Item 1 in exploded view
Back cover assembly 996510007919 EAWBZR07013 LCD COVER WBZR-C1L(EAWBZR07,REV3A)GP 1 Item 8 in exploded view
VGA cable 996510002083 DDL7ZIPC002 CABLE MB-VGA(15/15P,1.8M)BLACK L7ZI GP 1
Power cord 996500044139 DM333181S01 POWER CORD B 1.8M SP-506/10A (CHN) GP 1
Manual HGWBZR05016 QSG+CD WBZR-C1L(HGWBZR05,R3A) GP 1
LCD film JXWBC001018 LCD FILM 495*325 WBC-B1(JXWBC001,R3A)GP 1
EPE bag HAWBZR01015 EPE BAG WBZR(HAWBZR01,R3A)GP 1
Carton 996510007920 HFWBZR20014 CARTON WBZR-C1L(HFWBZR20,R3A)WW_GP 1
Cushion 996510007921 HBWBZR05011 END CAP-L WBZR-C1L(HBWBZR05,REV3A)GP 1
Cushion 996510007922 HBWBZR06018 END CAP-R WBZR-C1L(HBWBZR06,REV3A)GP 1
Electronic
Components:
Part Name
Packing Material:
Mechanical
Components:
PCBA:
Cabinets:
Accessories:
http://www.wjel.net

220CW8 LCD 45
Recommended Spare Part List
RSPL FOR 220CW8FB/00(WBZR-C1L)
1 P/N: 1WBZRCPL092(LPL PANEL)
PHILIPS P/N Techview P/N Description Q'ty Location Remark
LCD panel 996510007910 AA220WE1208 LCD(TFT) 22" LM220WE1-TLD1 (WSXGA) GP 1 Item 2 in exploded view LPL PANEL
MB-LCD cable
For LG panel 996510007909 DEFC1899001 CABLE FFC MB-LCD(30P,189MM)WBZR PTI GP 1 Item 16 in exploded view
Button-MB cable DEFC5409008 CABLE FFC MB-BB(10P/10P,540MM)WBZR GP 1
Power-MB cable DD0W7VPB000 CABLE MB-POWER/B(6P/6P,100MM)W7V GP 1
IC 996510007923 AJ68670^F10 IC(128P)NT68670HTFG(165MHZ,QFP128L) GP 1 U3 SCALER IC
IC 996510007622
AKE10800018 IC EEPROM(8P)24BC16-SI(2048*8,SOIC8) GP 1 IC2 Timing table ,HDCP
KEY MEMORY
IC 996500044124
AKE10800R01 IC EEPROM(8P) BR24L16F-WE2(2K*8,SOP8)GP 1 IC2 Timing table ,HDCP
KEY MEMORY
IC 996510007623 AKE1A800003 IC(8P) EEPROM 24BC02-SI(256*8,SOIC8)GP 1 U2 DVI EDID MEMORY
IC 996500044122 AKE1A800R04 IC EEPROM(8P,5V) BR24L02F(2K*1,SOP) GP 1 U2 DVI EDID MEMORY
IC 996500044123 AKE1A800Y11 IC EEPROM(8P,5V) 24LC02BT(2K*1,SOP) GP 1 U2 DVI EDID MEMORY
IC 996500044125
AKE3A8S0Y10 IC EEPROM(8P)24LC16BT-I(2K*8,100KHZ) GP 1 IC2 Timing table ,HDCP
KEY MEMORY
IC 996500045091 AL001084021 IC(3P) AIC1084PE(TO-252) GP 1 U5 3.3V REGULATOR
IC 996500045092 AL001084099 IC(3P)SMD AP1084DLA(T0-252) GP 1 U5 3.3V REGULATOR
IC 996510007624 AL001117086 IC(3P) AIC1117PY(SOT-223) GP 1 U7 1.8V REGULATOR
IC 996510007625 AL1117EL100 IC(3P) ATC AP1117EL-13(SOT-223) GP 1 U7 1.8V REGULATOR
IC 996500045102 ALAT1084D01 IC(3P)SMD AT1084(T0-252)GP 1 U5 3.3V REGULATOR
IC 996500045103 ALAT1117201 IC(3P) AT1117(SOT-223) GP 1 U7 1.8V REGULATOR
TRANSISTOR 996510007626 BA001440Z87 TRANSISTOR SMD PDTC144EU (50V,30MA)GP 1 Q8
TRANSISTOR 996500044115 BA001440ZB8 TR CHDTC144EUPT(50V,30MA)SOT-323 GP 4 Q1,Q2,Q5,Q6
TRANSISTOR 996510007627 BA001520Z05 TR CHDTC152EUPT(50V,70MA)SOT-323 GP 4 Q1,Q2,Q5,Q6
TRANSISTOR 996500044110 BA039060Z10 TR,SMD PMBS3906(40V,200MA) GP 1 Q3
TRANSISTOR 996510002084 BA039060Z28 TRANSISTOR,SMD SST3906(40V,200MA) GP 1 Q4
TRANSISTOR 996510007629 BAM34150Z08 TR MOSFET AO3415(-20V,-4A)SOT-23 GP 1 Q4
TRANSISTOR 996500045107 BAN70020Z13 TR MOSFET 2N7002E-T1-E3 (60V,250MA) GP 1 Q4
Stand 996510007911 37WBZRSU018 WBZR-C1L STAND SUB ASSY GP 1 Item 11 in exploded view
DVI&D-SUB to shielding MBLI1004018 IO NUT LI1(MBLI1004,REV3A)GP 4 Item 18 in exploded view
PCBAs to metal shielding MF30060BJ28 SCREW F3.0*6-B(BNI)GP 7
Panel to L/R bracket MM30040BBJ4 SCREW M3.0*4.0-B(NI)GP 9 Item 13 in exploded view
Hinge cover 996510007912 EBWBZR02012 HINGE COVER WBZR-C1L(EBWBZR02,REV3A)GP 1 Item 9 in exploded view
Base 996510007913 38WBZRBS025 WBZR-X1L BASE SUB ASSY GP 1 Item 12 in exploded view
Inverter board 996510007914 AS56B46SA00 PI 90~264 55W 4L(150*160)055-1PI01 G 1 Item 6 in exploded view
Main board 996510007916 10WBZRMB076 W9ZR M/B ASSY(WBZR-C1L,NT68670HTFG)GP 1 Item 5 in exploded view 21W9ZRMB025
Bios AZWBZRBL105 WBZR SW BIOS(NT68670HTFG,LM220WE1-TLD1 1
Button board 996510007917 10WBZRBB020 WBZR BUTTON/B ASSY(WBZR-C1L) GP 1 Item 3 in exploded view 23W9ZRBB013
USB board 996510007674 10WBZRUB002 W9ZR USB/B ASSY NEW GP 1 Item 20 in exploded view 23W9ZRUB004
Front bezel assembly 996510007918 34WBZRLB0G4 WBZR-C1L LCD BEZEL SUB ASSY GP 1 Item 1 in exploded view
Back cover assembly 996510007919 EAWBZR07013 LCD COVER WBZR-C1L(EAWBZR07,REV3A)GP 1 Item 8 in exploded view
VGA cable 996510002083 DDL7ZIPC002 CABLE MB-VGA(15/15P,1.8M)BLACK L7ZI GP 1
Power cord 996500044139 DM333181801 PWR CORD B 1.8M SP-023/16A CT-12 EUR GP 1
Manual HGWBZR05016 QSG+CD WBZR-C1L(HGWBZR05,R3A) GP 1
LCD film JXWBC001018 LCD FILM 495*325 WBC-B1(JXWBC001,R3A)GP 1
EPE bag HAWBZR01015 EPE BAG WBZR(HAWBZR01,R3A)GP 1
Carton 996510007920 HFWBZR20014 CARTON WBZR-C1L(HFWBZR20,R3A)WW_GP 1
Cushion 996510007921 HBWBZR05011 END CAP-L WBZR-C1L(HBWBZR05,REV3A)GP 1
Cushion 996510007922 HBWBZR06018 END CAP-R WBZR-C1L(HBWBZR06,REV3A)GP 1
Electronic
Components:
Part Name
Packing Material:
Mechanical
Components:
PCBA:
Cabinets:
Accessories:
http://www.wjel.net

46 220CW8 LCD Recommended Spare Part List
RSPL FOR 220CW8FB/69(WBZR-C1M)
1 P/N: 1WBZRCPL0G6(CMO PANEL)
PHILIPS P/N Techview P/N Description Q'ty Location Remark
LCD panel 996510005568 AA0220Z1105 LCD 22" M220Z1-L03(1680X1050,WSXGA)" GP 1 Item 2 in exploded view CMO PANEL
MB-LCD cable
For LG panel 996510007909 DEFC1759012 CABLE FFC LVDS(30P,175MM/75+20+80)PTI 1 Item 16 in exploded view
USB/B-MB cable DDW9ZRUB005 CABLE MB-USB/B(5P/5P,390M)W9ZR GP 1
Power-MB cable DD0W7VPB000 CABLE MB-POWER/B(6P/6P,100MM)W7V GP 1
IC 996510007923 AJ68670^F10 IC(128P)NT68670HTFG(165MHZ,QFP128L) GP 1 U3 SCALER IC
IC 996510007622 AKE10800018 IC EEPROM(8P)24BC16-SI(2048*8,SOIC8) GP 1 IC2 Timing table ,HDCP
KEY MEMORY
IC 996500044124 AKE10800R01 IC EEPROM(8P) BR24L16F-WE2(2K*8,SOP8)GP 1 IC2 Timing table ,HDCP
KEY MEMORY
IC 996510007623 AKE1A800003 IC(8P) EEPROM 24BC02-SI(256*8,SOIC8)GP 1 U2 DVI EDID MEMORY
IC 996500044122 AKE1A800R04 IC EEPROM(8P,5V) BR24L02F(2K*1,SOP) GP 1 U2 DVI EDID MEMORY
IC 996500044123 AKE1A800Y11 IC EEPROM(8P,5V) 24LC02BT(2K*1,SOP) GP 1 U2 DVI EDID MEMORY
IC 996500044125 AKE3A8S0Y10 IC EEPROM(8P)24LC16BT-I(2K*8,100KHZ) GP 1 IC2 Timing table ,HDCP
KEY MEMORY
IC 996500045091 AL001084021 IC(3P) AIC1084PE(TO-252) GP 1 U5 3.3V REGULATOR
IC 996500045092 AL001084099 IC(3P)SMD AP1084DLA(T0-252) GP 1 U5 3.3V REGULATOR
IC 996510007624 AL001117086 IC(3P) AIC1117PY(SOT-223) GP 1 U7 1.8V REGULATOR
IC 996510007625 AL1117EL100 IC(3P) ATC AP1117EL-13(SOT-223) GP 1 U7 1.8V REGULATOR
IC 996500045102 ALAT1084D01 IC(3P)SMD AT1084(T0-252)GP 1 U5 3.3V REGULATOR
IC 996500045103 ALAT1117201 IC(3P) AT1117(SOT-223) GP 1 U7 1.8V REGULATOR
TRANSISTOR 996510007626 BA001440Z87 TRANSISTOR SMD PDTC144EU (50V,30MA)GP 1 Q8
TRANSISTOR 996500044115 BA001440ZB8 TR CHDTC144EUPT(50V,30MA)SOT-323 GP 4 Q1,Q2,Q5,Q6
996510007627 BA001520Z05 TR CHDTC152EUPT(50V,70MA)SOT-323 GP 4 Q1,Q2,Q5,Q6
996500044110 BA039060Z10 TR,SMD PMBS3906(40V,200MA) GP 1 Q3
TRANSISTOR 996510002084 BA039060Z28 TRANSISTOR,SMD SST3906(40V,200MA) GP 1 Q4
TRANSISTOR 996510007629 BAM34150Z08 TR MOSFET AO3415(-20V,-4A)SOT-23 GP 1 Q4
TRANSISTOR 996500045107 BAN70020Z13 TR MOSFET 2N7002E-T1-E3 (60V,250MA) GP 1 Q4
Stand 996510007911 37WBZRSU018 WBZR-C1L STAND SUB ASSY GP 1 Item 11 in exploded view
DVI&D-SUB to shielding MBLI1004018 IO NUT LI1(MBLI1004,REV3A)GP 4 Item 18 in exploded view
PCBAs to metal shielding MM30040BBJ4 SCREW M3.0*4.0-B(NI)GP 7 Item 13 in exploded view
Panel to Shielding MM30050BJ21 SCREW M3.0*5.0-B BLACK GP 4 Item 9 in exploded view
Hinge cover 996510007912 EBWBZR02012 HINGE COVER WBZR-C1L(EBWBZR02,REV3A)GP 1 Item 12 in exploded view
Base 996510009024 38WBZRBS025 WBZR-X1L BASE SUB ASSY GP 1
Power board 996510007914 AS56B46SA00 PI 90~264 55W 4L(150*160)055-1PI01 G 1 Item 6 in exploded view
Main board 996510007915 10WBZRMB068 W9ZR M/B ASSY(WBZR-C1L,NT68670HTFG)GP 1 Item 5 in exploded view 21W9ZRMB025
Bios AZWBZRBM101 WBZR SW BIOS(NT68670HTFG,M220Z1-L03) 1
Button board 996510007917 10WBZRBB020 WBZR BUTTON/B ASSY(WBZR-C1L) GP 1 Item 3 in exploded view 23W9ZRBB013
USB board 996510007674 10WBZRUB002 W9ZR USB/B ASSY NEW GP 1 Item 20 in exploded view 23W9ZRUB004
Front bezel assembly 34WBZRLB0L3 WBZR-C1L LCD BEZEL SUB ASSY GP WW 1 Item 1 in exploded view
Back cover assembly 996510007919 EAWBZR07013 LCD COVER WBZR-C1L(EAWBZR07,REV3A)GP 1 Item 8 in exploded view
VGA cable 996510009713 DDVFA8BGB02 CABLE VGA(15/15P M/M 1.8M 6)B W/C 1
USB cable 996510007678 DD0W0EUB005 CABLE USB(TYPE A-B,1.8M) BLACK W0E GP 1
Power cord 996500044132 DM333181703 PWR CORD B 1.8M SP-60/13A SINGAPORE GP 1
Manual HGWBZR05016 QSG+CD WBZR-C1L(HGWBZR05,R3A) GP 1
LCD film JXWBC002014 EPE FILM 495*325 WBC-B1(JXWBC002,R3A)GP 1
EPE bag 996520000242 HAWBZR01015 EPE BAG WBZR(HAWBZR01,R3A)GP 1
Carton 996510007920 HFWBZR20014 CARTON WBZR-C1L_220CW8(HFWBZR20,R3A)WWGP1
Cushion HBWBZR13014 END CAP-L WBZR-C1L(HBWBZR13,R3A)WW GP 1
Cushion HBWBZR14011 END CAP-R WBZR-C1L(HBWBZR14,R3A)WW GP 1
Electronic
Components:
Part Name
Packing Material:
Mechanical
Components:
PCBA:
Cabinets:
Accessories:
http://www.wjel.net

220CW8 LCD 47
Recommended Spare Part List
RSPL FOR 220CW8FB/93(WBZR-C1M)
1 P/N: 1WBZRCPL0E0(CMO PANEL)
PHILIPS P/N Techview P/N Description Q'ty Location Remark
LCD panel 996510005568 AA0220Z1105 LCD 22" M220Z1-L03(1680X1050,WSXGA)" GP 1 Item 2 in exploded view CMO PANEL
MB-LCD cable
For LG panel 996510007909 DEFC1759012 CABLE FFC LVDS(30P,175MM/75+20+80)PTI 1 Item 16 in exploded view
USB/B-MB cable DDW9ZRUB005 CABLE MB-USB/B(5P/5P,390M)W9ZR GP 1
Power-MB cable DD0W7VPB000 CABLE MB-POWER/B(6P/6P,100MM)W7V GP 1
IC 996510007923 AJ68670^F10 IC(128P)NT68670HTFG(165MHZ,QFP128L) GP 1 U3 SCALER IC
IC 996510007622 AKE10800018 IC EEPROM(8P)24BC16-SI(2048*8,SOIC8) GP 1 IC2 Timing table ,HDCP
KEY MEMORY
IC 996500044124 AKE10800R01 IC EEPROM(8P) BR24L16F-WE2(2K*8,SOP8)GP 1 IC2 Timing table ,HDCP
KEY MEMORY
IC 996510007623 AKE1A800003 IC(8P) EEPROM 24BC02-SI(256*8,SOIC8)GP 1 U2 DVI EDID MEMORY
IC 996500044122 AKE1A800R04 IC EEPROM(8P,5V) BR24L02F(2K*1,SOP) GP 1 U2 DVI EDID MEMORY
IC 996500044123 AKE1A800Y11 IC EEPROM(8P,5V) 24LC02BT(2K*1,SOP) GP 1 U2 DVI EDID MEMORY
IC 996500044125 AKE3A8S0Y10 IC EEPROM(8P)24LC16BT-I(2K*8,100KHZ) GP 1 IC2 Timing table ,HDCP
KEY MEMORY
IC 996500045091 AL001084021 IC(3P) AIC1084PE(TO-252) GP 1 U5 3.3V REGULATOR
IC 996500045092 AL001084099 IC(3P)SMD AP1084DLA(T0-252) GP 1 U5 3.3V REGULATOR
IC 996510007624 AL001117086 IC(3P) AIC1117PY(SOT-223) GP 1 U7 1.8V REGULATOR
IC 996510007625 AL1117EL100 IC(3P) ATC AP1117EL-13(SOT-223) GP 1 U7 1.8V REGULATOR
IC 996500045102 ALAT1084D01 IC(3P)SMD AT1084(T0-252)GP 1 U5 3.3V REGULATOR
IC 996500045103 ALAT1117201 IC(3P) AT1117(SOT-223) GP 1 U7 1.8V REGULATOR
TRANSISTOR 996510007626 BA001440Z87 TRANSISTOR SMD PDTC144EU (50V,30MA)GP 1 Q8
TRANSISTOR 996500044115 BA001440ZB8 TR CHDTC144EUPT(50V,30MA)SOT-323 GP 4 Q1,Q2,Q5,Q6
996510007627 BA001520Z05 TR CHDTC152EUPT(50V,70MA)SOT-323 GP 4 Q1,Q2,Q5,Q6
996500044110 BA039060Z10 TR,SMD PMBS3906(40V,200MA) GP 1 Q3
TRANSISTOR 996510002084 BA039060Z28 TRANSISTOR,SMD SST3906(40V,200MA) GP 1 Q4
TRANSISTOR 996510007629 BAM34150Z08 TR MOSFET AO3415(-20V,-4A)SOT-23 GP 1 Q4
TRANSISTOR 996500045107 BAN70020Z13 TR MOSFET 2N7002E-T1-E3 (60V,250MA) GP 1 Q4
Stand 996510007911 37WBZRSU018 WBZR-C1L STAND SUB ASSY GP 1 Item 11 in exploded view
DVI&D-SUB to shielding MBLI1004018 IO NUT LI1(MBLI1004,REV3A)GP 4 Item 18 in exploded view
PCBAs to metal shielding MM30040BBJ4 SCREW M3.0*4.0-B(NI)GP 7 Item 13 in exploded view
Panel to Shielding MM30050BJ21 SCREW M3.0*5.0-B BLACK GP 4 Item 9 in exploded view
Hinge cover 996510007912 EBWBZR02012 HINGE COVER WBZR-C1L(EBWBZR02,REV3A)GP 1 Item 12 in exploded view
Base 996510009024 38WBZRBS025 WBZR-X1L BASE SUB ASSY GP 1
Power board 996510007914 AS56B46SA00 PI 90~264 55W 4L(150*160)055-1PI01 G 1 Item 6 in exploded view
Main board 996510007915 10WBZRMB068 W9ZR M/B ASSY(WBZR-C1L,NT68670HTFG)GP 1 Item 5 in exploded view 21W9ZRMB025
Bios AZWBZRBM101 WBZR SW BIOS(NT68670HTFG,M220Z1-L03) 1
Button board 996510007917 10WBZRBB020 WBZR BUTTON/B ASSY(WBZR-C1L) GP 1 Item 3 in exploded view 23W9ZRBB013
USB board 996510007674 10WBZRUB002 W9ZR USB/B ASSY NEW GP 1 Item 20 in exploded view 23W9ZRUB004
Front bezel assembly 996510007918 34WBZRLB0G4 WBZR-C1L LCD BEZEL SUB ASSY GP 1 Item 1 in exploded view
Back cover assembly 996510007919 EAWBZR07013 LCD COVER WBZR-C1L(EAWBZR07,REV3A)GP 1 Item 8 in exploded view
VGA cable 996510009713 DDVFA8BGB02 CABLE VGA(15/15P M/M 1.8M 6)B W/C 1
USB cable 996510007678 DD0W0EUB005 CABLE USB(TYPE A-B,1.8M) BLACK W0E GP 1
Power cord 996500044139 DM333181S01 POWER CORD B 1.8M SP-506/10A (CHN) GP 1
Manual HGWBZR05016 QSG+CD WBZR-C1L(HGWBZR05,R3A) GP 1
LCD film JXWBC002014 EPE FILM 495*325 WBC-B1(JXWBC002,R3A)GP 1
EPE bag 996520000242 HAWBZR01015 EPE BAG WBZR(HAWBZR01,R3A)GP 1
Carton HFWBZR22017 CARTON WBZR-C1L_220CW8(HFWBZR22,R3A)CNGP1
Cushion 996510007921 HBWBZR05011 END CAP-L WBZR-C1L(HBWBZR05,REV3A)GP 1
Cushion 996510007922 HBWBZR06018 END CAP-R WBZR-C1L(HBWBZR06,REV3A)GP 1
Electronic
Components:
Part Name
Packing Material:
Mechanical
Components:
PCBA:
Cabinets:
Accessories:
http://www.wjel.net

48 220CW8 LCD Recommended Spare Part List
RSPL FOR 220CW8FB/00(WBZR-C1M)
1 P/N: 1WBZRCPL0F8(CMO PANEL)
PHILIPS P/N Techview P/N Description Q'ty Location Remark
LCD panel 996510005568 AA0220Z1105 LCD 22" M220Z1-L03(1680X1050,WSXGA)" GP 1 Item 2 in exploded view CMO PANEL
MB-LCD cable
For LG panel 996510007909 DEFC1759012 CABLE FFC LVDS(30P,175MM/75+20+80)PTI 1 Item 16 in exploded view
USB/B-MB cable DDW9ZRUB005 CABLE MB-USB/B(5P/5P,390M)W9ZR GP 1
Power-MB cable DD0W7VPB000 CABLE MB-POWER/B(6P/6P,100MM)W7V GP 1
IC 996510007923 AJ68670^F10 IC(128P)NT68670HTFG(165MHZ,QFP128L) GP 1 U3 SCALER IC
IC 996510007622 AKE10800018 IC EEPROM(8P)24BC16-SI(2048*8,SOIC8) GP 1 IC2 Timing table ,HDCP
KEY MEMORY
IC 996500044124 AKE10800R01 IC EEPROM(8P) BR24L16F-WE2(2K*8,SOP8)GP 1 IC2 Timing table ,HDCP
KEY MEMORY
IC 996510007623 AKE1A800003 IC(8P) EEPROM 24BC02-SI(256*8,SOIC8)GP 1 U2 DVI EDID MEMORY
IC 996500044122 AKE1A800R04 IC EEPROM(8P,5V) BR24L02F(2K*1,SOP) GP 1 U2 DVI EDID MEMORY
IC 996500044123 AKE1A800Y11 IC EEPROM(8P,5V) 24LC02BT(2K*1,SOP) GP 1 U2 DVI EDID MEMORY
IC 996500044125 AKE3A8S0Y10 IC EEPROM(8P)24LC16BT-I(2K*8,100KHZ) GP 1 IC2 Timing table ,HDCP
KEY MEMORY
IC 996500045091 AL001084021 IC(3P) AIC1084PE(TO-252) GP 1 U5 3.3V REGULATOR
IC 996500045092 AL001084099 IC(3P)SMD AP1084DLA(T0-252) GP 1 U5 3.3V REGULATOR
IC 996510007624 AL001117086 IC(3P) AIC1117PY(SOT-223) GP 1 U7 1.8V REGULATOR
IC 996510007625 AL1117EL100 IC(3P) ATC AP1117EL-13(SOT-223) GP 1 U7 1.8V REGULATOR
IC 996500045102 ALAT1084D01 IC(3P)SMD AT1084(T0-252)GP 1 U5 3.3V REGULATOR
IC 996500045103 ALAT1117201 IC(3P) AT1117(SOT-223) GP 1 U7 1.8V REGULATOR
TRANSISTOR 996510007626 BA001440Z87 TRANSISTOR SMD PDTC144EU (50V,30MA)GP 1 Q8
TRANSISTOR 996500044115 BA001440ZB8 TR CHDTC144EUPT(50V,30MA)SOT-323 GP 4 Q1,Q2,Q5,Q6
996510007627 BA001520Z05 TR CHDTC152EUPT(50V,70MA)SOT-323 GP 4 Q1,Q2,Q5,Q6
996500044110 BA039060Z10 TR,SMD PMBS3906(40V,200MA) GP 1 Q3
TRANSISTOR 996510002084 BA039060Z28 TRANSISTOR,SMD SST3906(40V,200MA) GP 1 Q4
TRANSISTOR 996510007629 BAM34150Z08 TR MOSFET AO3415(-20V,-4A)SOT-23 GP 1 Q4
TRANSISTOR 996500045107 BAN70020Z13 TR MOSFET 2N7002E-T1-E3 (60V,250MA) GP 1 Q4
Stand 996510007911 37WBZRSU018 WBZR-C1L STAND SUB ASSY GP 1 Item 11 in exploded view
DVI&D-SUB to shielding MBLI1004018 IO NUT LI1(MBLI1004,REV3A)GP 4 Item 18 in exploded view
PCBAs to metal shielding MM30040BBJ4 SCREW M3.0*4.0-B(NI)GP 7 Item 13 in exploded view
Panel to Shielding MM30050BJ21 SCREW M3.0*5.0-B BLACK GP 4 Item 9 in exploded view
Hinge cover 996510007912 EBWBZR02012 HINGE COVER WBZR-C1L(EBWBZR02,REV3A)GP 1 Item 12 in exploded view
Base 996510009024 38WBZRBS025 WBZR-X1L BASE SUB ASSY GP 1
Power board 996510007914 AS56B46SA00 PI 90~264 55W 4L(150*160)055-1PI01 G 1 Item 6 in exploded view
Main board 996510007915 10WBZRMB068 W9ZR M/B ASSY(WBZR-C1L,NT68670HTFG)GP 1 Item 5 in exploded view 21W9ZRMB025
Bios AZWBZRBM101 WBZR SW BIOS(NT68670HTFG,M220Z1-L03) 1
Button board 996510007917 10WBZRBB020 WBZR BUTTON/B ASSY(WBZR-C1L) GP 1 Item 3 in exploded view 23W9ZRBB013
USB board 996510007674 10WBZRUB002 W9ZR USB/B ASSY NEW GP 1 Item 20 in exploded view 23W9ZRUB004
Front bezel assembly 34WBZRLB0L3 WBZR-C1L LCD BEZEL SUB ASSY GP WW 1 Item 1 in exploded view
Back cover assembly 996510007919 EAWBZR07013 LCD COVER WBZR-C1L(EAWBZR07,REV3A)GP 1 Item 8 in exploded view
VGA cable 996510009713 DDVFA8BGB02 CABLE VGA(15/15P M/M 1.8M 6)B W/C 1
USB cable 996510007678 DD0W0EUB005 CABLE USB(TYPE A-B,1.8M) BLACK W0E GP 1
Power cord 996500044109 DM333181801 PWR CORD B 1.8M SP-023/16A CT-12 EUR GP 1
Manual HGWBZR05016 QSG+CD WBZR-C1L(HGWBZR05,R3A) GP 1
LCD film JXWBC002014 EPE FILM 495*325 WBC-B1(JXWBC002,R3A)GP 1
EPE bag 996520000242 HAWBZR01015 EPE BAG WBZR(HAWBZR01,R3A)GP 1
Carton 996510007920 HFWBZR20014 CARTON WBZR-C1L_220CW8(HFWBZR20,R3A)WWGP1
Cushion HBWBZR13014 END CAP-L WBZR-C1L(HBWBZR13,R3A)WW GP 1
Cushion HBWBZR14011 END CAP-R WBZR-C1L(HBWBZR14,R3A)WW GP 1
Electronic
Components:
Part Name
Packing Material:
Mechanical
Components:
PCBA:
Cabinets:
Accessories:
http://www.wjel.net

220CW8 LCD 49
Spare Part List
W9ZR M/B ASSY(WBZR-C1L,NT68670HTFG)GP
21W9ZRMB025 WBZR-C1L M/B Schematic(NT68670HTFG)
C
W9ZR MB S/S ASSY(WBZR-C1L,NT68670HTFG)GP
PCB M/B W9ZR(2L,98*90,REV C)NT68665 GP
DAM991NA031 W9ZR PCB M/B(Gerber file & Board File)
CN6 CONN SMD FFC 30P 1R FS(P1.0,H2.24) GP
CN6 CONN SMD FFC 30P 1R FS(P1.0,H2.0)GP
CN8 CONN SMD HEADER 5P 1R MS(P1.0,H2.95)GP
C4 CAP CHIP 22P 50V(+-5%,NPO,0603) GP
C32 CAP CHIP 22P 50V(+-5%,NPO,0603) GP
C33 CAP CHIP 22P 50V(+-5%,NPO,0603) GP
C84 CAP CHIP 100P 50V(+-5%,NPO,0603) GP
C85 CAP CHIP 100P 50V(+-5%,NPO,0603) GP
C2 CAP CHIP 120P 50V(+-5%,NPO,0603) GP
C13 CAP CHIP 120P 50V(+-5%,NPO,0603) GP
C38 CAP CHIP 2200P 50V(+-10%,X7R,0603)GP
C22 CAP CHIP 0.047UF 16V(+-10%,X7R,0603) GP
C23 CAP CHIP 0.047UF 16V(+-10%,X7R,0603) GP
C24 CAP CHIP 0.047UF 16V(+-10%,X7R,0603) GP
C25 CAP CHIP 0.047UF 16V(+-10%,X7R,0603) GP
C26 CAP CHIP 0.047UF 16V(+-10%,X7R,0603) GP
C27 CAP CHIP 0.047UF 16V(+-10%,X7R,0603) GP
C28 CAP CHIP 0.047UF 16V(+-10%,X7R,0603) GP
C5 CAP CHIP 0.1U,25V(+80-20%,Y5V,0603) GP
C6 CAP CHIP 0.1U,25V(+80-20%,Y5V,0603) GP
C7 CAP CHIP 0.1U,25V(+80-20%,Y5V,0603) GP
C11 CAP CHIP 0.1U,25V(+80-20%,Y5V,0603) GP
C14 CAP CHIP 0.1U,25V(+80-20%,Y5V,0603) GP
C15 CAP CHIP 0.1U,25V(+80-20%,Y5V,0603) GP
C19 CAP CHIP 0.1U,25V(+80-20%,Y5V,0603) GP
C20 CAP CHIP 0.1U,25V(+80-20%,Y5V,0603) GP
C21 CAP CHIP 0.1U,25V(+80-20%,Y5V,0603) GP
C31 CAP CHIP 0.1U,25V(+80-20%,Y5V,0603) GP
C34 CAP CHIP 0.1U,25V(+80-20%,Y5V,0603) GP
C39 CAP CHIP 0.1U,25V(+80-20%,Y5V,0603) GP
C40 CAP CHIP 0.1U,25V(+80-20%,Y5V,0603) GP
C64 CAP CHIP 0.1U,25V(+80-20%,Y5V,0603) GP
C65 CAP CHIP 0.1U,25V(+80-20%,Y5V,0603) GP
C67 CAP CHIP 0.1U,25V(+80-20%,Y5V,0603) GP
C70 CAP CHIP 0.1U,25V(+80-20%,Y5V,0603) GP
C71 CAP CHIP 0.1U,25V(+80-20%,Y5V,0603) GP
C72 CAP CHIP 0.1U,25V(+80-20%,Y5V,0603) GP
C73 CAP CHIP 0.1U,25V(+80-20%,Y5V,0603) GP
C74 CAP CHIP 0.1U,25V(+80-20%,Y5V,0603) GP
C75 CAP CHIP 0.1U,25V(+80-20%,Y5V,0603) GP
C81 CAP CHIP 0.1U,25V(+80-20%,Y5V,0603) GP
C83 CAP CHIP 0.1U,25V(+80-20%,Y5V,0603) GP
C12 CAP CHIP 1U 25V(+-10%,X7R,0805)GP
C47 CAP CHIP 1U 25V(+-10%,X7R,0805)GP
C37 CAP CHIP 4.7U 10V(+80%-20%,Y5V,0603)GP
C16 CAP CHIP 10U 6.3V(+80%-20%,Y5V,0805) GP
D9 DIODE SMD SS1030CPT(30V,0.2A,SHTKY) GP
D28 DIODE SMD SS1030CPT(30V,0.2A,SHTKY) GP
D9 DIODE SMD BAT54C(30V,200MA,SCHOTTKY)GP
D28 DIODE SMD BAT54C(30V,200MA,SCHOTTKY)GP
D29 DIODE SMD ML25PT (600V,2A) GP
D30 DIODE SMD ML25PT (600V,2A) GP
L1 RES CHIP 0 1/10W+-5%(0603) GP
L2 RES CHIP 0 1/10W+-5%(0603) GP
L3 RES CHIP 0 1/10W+-5%(0603) GP
L4 RES CHIP 0 1/10W+-5%(0603) GP
L5 RES CHIP 0 1/10W+-5%(0603) GP
L6 RES CHIP 0 1/10W+-5%(0603) GP
R58 RES CHIP 0 1/10W+-5%(0603) GP
>> MAIN BOARD ASSY
R70 RES CHIP 0 1/10W+-5%(0603) GP
R76 RES CHIP 0 1/10W+-5%(0603) GP
R103 RES CHIP 0 1/10W+-5%(0603) GP
R144 RES CHIP 0 1/10W+-5%(0603) GP
R145 RES CHIP 0 1/10W+-5%(0603) GP
L7 EMI FILT CHIP FBMA-11-201209-102 GP
L8 EMI FILT CHIP FBMA-11-201209-121A40 GP
L9 EMI FILT CHIP FBMA-11-201209-121A40 GP
L13 EMI FILT CHIP FBMA-11-201209-121A40 GP
L14 EMI FILT CHIP FBMA-11-201209-121A40 GP
L15 EMI FILT CHIP FBMA-11-201209-121A40 GP
L17 EMI FILT CHIP FBMA-11-201209-121A40 GP
L18 EMI FILT CHIP FBMA-11-201209-121A40 GP
Q8 TR MOSFET 2N7002E-T1-E3 (60V,250MA) GP
Q1 TR,SMD PMBS3906(40V,200MA) GP
Q2 TR,SMD PMBS3906(40V,200MA) GP
Q5 TR,SMD PMBS3906(40V,200MA) GP
Q6 TR,SMD PMBS3906(40V,200MA) GP
Q1 TRANSISTOR,SMD SST3906(40V,200MA) GP
Q2 TRANSISTOR,SMD SST3906(40V,200MA) GP
Q5 TRANSISTOR,SMD SST3906(40V,200MA) GP
Q6 TRANSISTOR,SMD SST3906(40V,200MA) GP
Q3 TR MOSFET AO3415(-20V,-4A)SOT-23 GP
Q4 TRANSISTOR SMD PDTC144EU (50V,30MA)GP
Q4 TR CHDTC144EUPT(50V,30MA)SOT-323 GP
Q4 TR CHDTC152EUPT(50V,70MA)SOT-323 GP
R23 RES CHIP 10 1/10W +-5%(0603)GP
R24 RES CHIP 10 1/10W +-5%(0603)GP
R27 RES CHIP 10 1/10W +-5%(0603)GP
R28 RES CHIP 10 1/10W +-5%(0603)GP
R32 RES CHIP 10 1/10W +-5%(0603)GP
R33 RES CHIP 10 1/10W +-5%(0603)GP
R35 RES CHIP 10 1/10W +-5%(0603)GP
R36 RES CHIP 10 1/10W +-5%(0603)GP
R49 RES CHIP 10 1/10W +-5%(0603)GP
R65 RES CHIP 1M 1/10W +-5% (1608) GP
R4 RES CHIP 75 1/10W +-1%(0603) GP
R10 RES CHIP 75 1/10W +-1%(0603) GP
R14 RES CHIP 75 1/10W +-1%(0603) GP
R41 RES CHIP 75 1/10W +-1%(0603) GP
R44 RES CHIP 75 1/10W +-1%(0603) GP
R47 RES CHIP 75 1/10W +-1%(0603) GP
R9 RES CHIP 100 1/10W +-5%(0603) GP
R11 RES CHIP 100 1/10W +-5%(0603) GP
R21 RES CHIP 100 1/10W +-5%(0603) GP
R22 RES CHIP 100 1/10W +-5%(0603) GP
R39 RES CHIP 100 1/10W +-5%(0603) GP
R52 RES CHIP 100 1/10W +-5%(0603) GP
R53 RES CHIP 100 1/10W +-5%(0603) GP
R54 RES CHIP 100 1/10W +-5%(0603) GP
R55 RES CHIP 100 1/10W +-5%(0603) GP
R131 RES CHIP 100 1/10W +-5%(0603) GP
R132 RES CHIP 100 1/10W +-5%(0603) GP
R42 RES CHIP 100 1/10W+-1%(0603)GP
R45 RES CHIP 100 1/10W+-1%(0603)GP
R48 RES CHIP 100 1/10W+-1%(0603)GP
R105 RES CHIP 2.05K 1/10W +-1%(0603) GP
R115 RES CHIP 150,1/10W,+-1%(0603) GP
R108 RES CHIP 3.24K 1/10W +-1%(0603) GP
R114 RES CHIP 330 1/10W +-1%(0603) GP
R93 RES CHIP 82,1/10W,+-5%(0603) GP
R43 RES CHIP 390 1/10W+-1%(0603) GP
R38 RES CHIP 470 1/10W +-1%(0603) GP
R8 RES CHIP 1K 1/10W +-5%(0603) GP
R18 RES CHIP 1K 1/10W +-5%(0603) GP
http://www.wjel.net

50 220CW8 LCD Spare Part List
R30 RES CHIP 1K 1/10W +-5%(0603) GP
R31 RES CHIP 1K 1/10W +-5%(0603) GP
R34 RES CHIP 1K 1/10W +-5%(0603) GP
R74 RES CHIP 1K 1/10W +-5%(0603) GP
R75 RES CHIP 1K 1/10W +-5%(0603) GP
R79 RES CHIP 1K 1/10W +-5%(0603) GP
R106 RES CHIP 1K 1/10W +-5%(0603) GP
R133 RES CHIP 1K 1/10W +-5%(0603) GP
R137 RES CHIP 1K 1/10W +-5%(0603) GP
R16 RES CHIP 2.2K 1/10W +-5%(0603) GP
R19 RES CHIP 2.2K 1/10W +-5%(0603) GP
R101 RES CHIP 2.2K 1/10W +-5%(0603) GP
R6 RES CHIP 4.7K 1/10W +-5%(0603) GP
R7 RES CHIP 4.7K 1/10W +-5%(0603) GP
R13 RES CHIP 4.7K 1/10W +-5%(0603) GP
R15 RES CHIP 4.7K 1/10W +-5%(0603) GP
R25 RES CHIP 4.7K 1/10W +-5%(0603) GP
R26 RES CHIP 4.7K 1/10W +-5%(0603) GP
R90 RES CHIP 4.7K 1/10W +-5%(0603) GP
R95 RES CHIP 4.7K 1/10W +-5%(0603) GP
R146 RES CHIP 4.7K 1/10W +-5%(0603) GP
R20 RES CHIP 10K 1/10W +-5%(0603) GP
R50 RES CHIP 10K 1/10W +-5%(0603) GP
R51 RES CHIP 10K 1/10W +-5%(0603) GP
R57 RES CHIP 10K 1/10W +-5%(0603) GP
R72 RES CHIP 10K 1/10W +-5%(0603) GP
R73 RES CHIP 10K 1/10W +-5%(0603) GP
R77 RES CHIP 10K 1/10W +-5%(0603) GP
R81 RES CHIP 10K 1/10W +-5%(0603) GP
R100 RES CHIP 10K 1/10W +-5%(0603) GP
R107 RES CHIP 10K 1/10W +-5%(0603) GP
R143 RES CHIP 10K 1/10W +-5%(0603) GP
R61 RES CHIP 15K 1/10W +-5%(0603) GP
R66 RES CHIP 100K 1/10W +-5%(0603) GP
IC2 IC EEPROM(8P)24BC16-SI(2048*8,SOIC8) GP
IC2 IC EEPROM(8P) BR24L16F-WE2(2K*8,SOP8)GP
IC2 IC EEPROM(8P)24LC16BT-I(2K*8,100KHZ) GP
U2 IC(8P) EEPROM AF24BC02-SI(256*8,SOIC8)GP
U2 IC EEPROM(8P,5V) BR24L02F(2K*1,SOP) GP
U2 IC EEPROM(8P,5V) 24LC02BT(2K*1,SOP) GP
U5 IC(3P) AIC1084PE(TO-252) GP
U5 IC(3P)SMD AP1084DLA(T0-252) GP
U5 IC(3P)SMD AT1084(T0-252)GP
U7 IC(3P) AIC1117PY(SOT-223) GP
U7 IC(3P) ATC AP1117EL-13(SOT-223) GP
U7 IC(3P) AT1117(SOT-223) GP
U3 IC(128P)NT68670HTFG(165MHZ,QFP128L) GP
D31 DIODE SSM12LLPT(20V,1A,VF:0.27V)SMA GP
R17 RES CHIP 33 1/10W +-5%(0603) GP
R94 RES CHIP 33 1/10W +-5%(0603) GP
D4 DIODE SMD ZENER MMGZ5232BPT(5.6V) GP
D6 DIODE SMD ZENER MMGZ5232BPT(5.6V) GP
C29 CAP EC 47U 10V(+-20%,105C,5*11,2K)OSTGP
C29 CAP EC 47U 10V(+-20%,105C,5*11,2000H)GP
C51 CAP EC 100U 16V(+-20%,105C,6*11,3KHR) GP
C52 CAP EC 100U 16V(+-20%,105C,6*11,3KHR) GP
C17 CAP EC 330U 16V(+-20%,105C,8*11,LESR)GP
C41 CAP EC 330U 16V(+-20%,105C,8*11,LESR)GP
C44 CAP EC 330U 16V(+-20%,105C,8*11,LESR)GP
C45 CAP EC 330U 16V(+-20%,105C,8*11,LESR)GP
C68 CAP EC 330U 16V(+-20%,105C,8*11,LESR)GP
C17 CAP EC 330U 16V(+-20%,105C,8*12,2K)OSTGP
C41 CAP EC 330U 16V(+-20%,105C,8*12,2K)OSTGP
C44 CAP EC 330U 16V(+-20%,105C,8*12,2K)OSTGP
C45 CAP EC 330U 16V(+-20%,105C,8*12,2K)OSTGP
C68 CAP EC 330U 16V(+-20%,105C,8*12,2K)OSTGP
CN1 CONN D-SUB 15P 3R FR(P1.15,H12.55) GP
CN1 CONN D-SUB 15P 3R FR(P1.15,H12.55) GP
CN1 CONN D-SUB 15P 3R FR(P1.15,H12.55)TEK GP
CN2 CONN DIP DVI 24P 3R FR(P1.905,H9.91) GP
CN2 CONN DIP DVI 24P3R FR(P1.905,H10.04)GP
CN5 CONN DIP HEADER 6P 2R MR(P2.5,H6.0) GP
CN7 CONN DIP HEADER 10P 2R FR(P1.0,H3.0)GP
CN9 CONN DIP USB B-T 4P 2R MR(P2.5,H11.3) GP
Y1 XTAL DIP 12MHZ(+-30PPM,HC-49/S TYPE) GP
PI 90~264 55W 4L(150*160)055-1PI01 GP
>> BUTTON BOARD ASSY
WBZR BUTTON/B ASSY(WBZR-C1L) GP
23WBZRBB014 WBZR BUTTON/B Schematic(WBZR-C1L,A3
PCB BUTTON/B WBZR TB(2L,110*10,REVA) GP
DAWBZRTB118 WBZR PCB BUTTON/B(Gerber file & Board
LED2 LED(SMD) BLUE (KPT-1608PBW-A) GP
LED1 LED(SMD) Y/G(KPTB-1612YSGC) GP
BUTTON/B MYLAR WBZR-C1L(FCWBZR07,R3A) GP
BUTTON/B MYLAR WBZR-C1L
METAL DOME SWITCH WBZR(FCWBZR08,3A)GP
CABLE FFC MB-BB(10P/10P,546MM)WBZR GP
>> POWER BOARD ASSY
W9ZR USB/B ASSY NEW GP
23W9ZRUB012 W9ZR USB/B Schematic(C3A)
PCB W9ZR TRANSITION USB/B(2L,45*17,R.C)G
DAW9ZRBB038 W9ZR TRANSITION USB/B(Gerber file & B
o
CN1 CONN DIP USB A-T D-4P 2R MR(P2,H15.35)GP
CN2 CONN SMD HEADER 5P 1R MS(P1.0,H2.95)GP
R1 EMI FIL FBMA-11-160808-601A10T(600,1A)GP
R2 EMI FIL FBMA-11-160808-601A10T(600,1A)GP
>> USB BOARD ASSY
http://www.wjel.net

220CW8 LCD 51
Spare Part List
WBZR-C1L LCD MODULE ASSY GP WW
WBZR-C1L LCD BEZEL SUB ASSY GP WW
WBZR-C1L LCD BEZEL SUB ASSY WW
LCD BEZEL WW WBZR-C1L(EAWBZR14,REV3A)GP
LCD BEZEL WW WBZR-C1L
CONTROL BUTTON WBZR-C1L(EBWBZR01,R3A)GP
CONTROL BUTTON WBZR-C1L
ENERGY START STICKER W0ZR(HCW0ZR04,3A)GP
ENERGY START STICKER
WBZR-C1L PCB SHIELDING ASSY GP
PCB SHIELDING
PCB SHIELD WBZR-C1L(FAWBZR06,REV3A)GP
PCB SHIELD WBZR-C1L
SHIELDING MYLAR WBZR(FCWBZR06,REV3A) GP
SHIELDING MYLAR WBZR
WBZR-C1L STAND SUB ASSY GP
WBZR-C1L STAND SUB ASSY
HINGE ASSY WBZR-C1L(FAWBZR07,REV3A)GP
HINGE ASSY WBZR-C1L
PLATE-FOR-FIX PHILIPS-22W
PLATE-L PHILIPS-22W
PLATE-R PHILIPS-22W
SHAFT SPILIPS-22W
WASHER-KSW1-0012-00 KSW1-0012-00
WASHER-6*4.72-T=1.0 KSW0-0020-00
WASHER-KSW5-0013-00 KSW5-0013-00
WASHER 12*4.17*6.0
NUT-M6*1.0 WUCAI
OIE-LCD KSO1-0005-00
CABLE R-COVER WBZR-C1L(EBWBZR05,R3A)GP
CABLE R-COVER WBZR-C1L
CLIP WBZR-C1L(EBWBZR03,REV3A)GP
CLIP WBZR-C1L
SCREW M4.0*8-B(NI,NYLOK)GP
SCREW M3.0*4.0-B(NI)GP
SCREW F3.0*6-B(BNI)GP
SCREW F2*2.5-I(NI) GP
SCREW M4.0*8.0-B(NI,WASHER)GP
LCD COVER WBZR-C1L(EAWBZR07,REV3A)GP
LCD COVER WBZR-C1L
INVERTER SHIELD WBZR-C1L(FBWBZR03,R3A)GP
INVERTER SHIELD WBZR-C1L
HINGE COVER WBZR-C1L(EBWBZR02,REV3A)GP
HINGE COVER WBZR-C1L
SCREW F4.0*10-P(NI)GP
CABLE MB-POWER/B(6P/6P,100MM)W7V GP
CABLE MB-USB/B(5P/5P,390M)W9ZR GP
IO NUT LI1(MBLI1004,REV3A)GP
IO NUT LI1
SCREW M3.0*5.0-B BLACK GP
POWER MYLAR WBZR-X1L(FCWBZR04,REV3A)GP
POWER MYLAR WBZR-X1L
SCREW M3.0*4.0-I(NI) GP
SCREW M4.0*8.0-F (BNI,NYLOK,3CR)GP
>> LCD MODULE ASSY
WBZR-C1L PACKING(220CW8FB/00,EU/AP)GP
WBZR-X1L BASE SUB ASSY GP
BASE-GLOSSY WBZR-X1L(EAWBZR11,REV3A)GP
RUBBER-A FOOT W9ZR(GAW9ZR01,R3A) GP
RUBBER-A FOOT W9ZR
RUBBER FOOT WBZR-C1L(GAWBZR04,R3A)GP
RUBBER FOOT WBZR-C1L
W9ZR SMART ACCESSORY ASSY(T705)GP
CLIP W9ZR(EBW9ZR08,REV3A)GP
CLIP W9ZR
PEN HOLDER W9ZR(EBW9ZR09,REV3A)GP
PEN HOLDER W9ZR
PHONE HOLDER W9ZR(EBW9ZR10,REV3A)GP
PHONE HOLDER W9ZR
PHONE HOUSING WBZR(EBW9ZR11,REV3A)GP
PHONE HOUSING W9ZR
SMART ACCESSORY QSG W9ZR(HDW9ZR01,R3A)GP
RUBBER PHILIPS W9ZR(GAW9ZR03,R3A) GP
RUBBER PHILIPS W9ZR
END CAP-L WBZR-C1L(HBWBZR13,R3A)WW GP
END CAP-L WBZR-C1L
END CAP-R WBZR-C1L(HBWBZR14,R3A)WW GP
END CAP-R WBZR-C1L
TRAVEL CARD L7ZI(HCL7ZI04,REV3A) GP
TRAVEL CARD
CABLE F-COVER WBZR-C1L(EBWBZR04,R3A)GP
CABLE F-COVER WBZR-C1L
RATING WBZR-C1L(HCWBZR11,R3C) GP
RATING LABEL
CARTON LABEL W0ZR(HCW0ZR03,REV3A)GP
CARTON LABEL
QSG+CD(220CW8)WBZR-C1L(HGWBZR05,R3A) GP
CARTON WBZR-C1L_220CW8(HFWBZR20,R3A)WWGP
CARTON
SPACE PLATE1135X949WBZR(HFWBZR03,R3A)GP
SPACE PLATE
SPACE PLATE1135X477WBZR(HFWBZR04,R3A)GP
SPACE PLATE
PAPER BOARD1135*954WBZR(HFWBZR07,R3A)GP
PAPER BOARD
PAPER BOARD1135*482WBZR(HFWBZR08,R3A)GP
PAPER BOARD
HANDLE UPPER W9C-B1(JXW9C001,REV3A)GP
HANDLE UPPER
HANDLE DOWN W9C-B1(JXW9C002,REV3A)GP
HANDLE DOWN
EPE FILM 495*325 WBC-B1(JXWBC002,R3A)GP
EPE FILM
CABLE VGA(15/15P M/M 1.8M 6)B W/C
PWR CORD B 1.8M SP-023/16A CT-12 EUR GP
HI-POT LABEL L70L(HCL70021,REV3A)GP
HI-POT LABEL
CABLE USB(TYPE A-B,1.8M) BLACK W0E GP
TYPE L7ZI-A1(JXL7ZI04,REV3A)(72MM) GP
TYPE
LABEL SMARTASS_POS1 W9ZR(HCW9ZR03,R3A)GP
LABEL SMARTASS_POS1
LABEL SMARTASS_POS2 W9ZR(HCW9ZR04,R3A)GP
LABEL SMARTASS_POS2
EPE BAG WBZR(HAWBZR01,R3A)GP
EPE BAG
>> PACKING ASSY
WBZR-C1L PANEL KIT ASSY(LG,5MS)GP
LCD(TFT) 22" LM220WE1-TLD1 (WSXGA) GP
WBZR SW BIOS(NT68670HTFG,LM220WE1-TLD1
WBZR SW EDID(NT68670HTFG,LM220WE1-TLD1
CABLE FFC MB-LCD(30P,189MM)WBZR PTI GP
AL FOIL L7G(FCL7G001,REV3A)HAN GP
AL FOIL
GASKET 65*10*7 WBZR(GBWBZR01,REV3A)GP
GASKET 65*10*7 WBZR
GASKET 35*10*7 WBZR(GBWBZR02,REV3A)GP
GASKET 35*10*7 WBZR
>> PANEL KIT ASSY
http://www.wjel.net

52 220CW8 LCD Different Part List
Item Part Number Part Description 2nd source
24WBZRLA0M5 WBZR-C1L LCD MODULE ASSY GP WW V V
24WBZRLA0E1 WBZR-C1L LCD MODULE ASSY GP V
24WBZRLA0R8 WBZR-C1M LCD MODULE ASSY(WW) GP V
24WBZRLA0R8 WBZR-C1M LCD MODULE ASSY(WW) GP V
24WBZRLA0S6 WBZR-C1M LCD MODULE ASSY GP V
28WBZRPK0M5 WBZR-C1L PACKING(220CW8FB/00,EU/AP)GP V V
28WBZRPK0N3 WBZR-C1L PACKING(220CW8FB/69,AP)GP V V
28WBZRPK0L7 WBZR-C1L PACKING(220CW8FB/93,CN)GP V V
2AWBZRPTL34 WBZR-C1L PANEL KIT ASSY(LG,5MS)GP V V V
2AWBZRPTM40 WBZR-C1L PANEL KIT ASSY(CMO,5MS)GP V V V
220CW8FB/00(WBZR-C1M)
220CW8FB/69(WBZR-C1M)
220CW8FB/93(WBZR-C1M)
3
2
1
220CW8FB/93(WBZR-C1L)
220CW8FB/69(WBZR-C1L)
220CW8FB/00(WBZR-C1L)
22 inch monitor different parts list
http://www.wjel.net

No display, but LED is ON
or LED is amber (yellow)
1
General Trouble Shooting Guide
Monitor drives
(inf file)
2
Screen size not correct3
Picture too large or small4
Unstable picture /
Picture flickers 5
OutofH/VSync. 6
Picture too bright 7
Picture too dim 8
No power / LED is off 9
Missing color10
OSD main menu locked11
Jitter / Video Noise 12
Power management
function is not active 13
220CW8 LCD 53
http://www.wjel.net

54 220CW8 LCD
No display, but LED is ON
or LED is amber (yellow)
1
LED Amber or Green?
Continued
Check point:
1. Click your mouse or type some word with your keyboard to wake up computer
from saving status.
2. Check that your video cable is plugged in and does not have bent pins.
Note:
Do not set screen saver – at “14” minutes.
It will cause “ no display” problem as above mentioned.
Action: Change timer setting of screen saver or disable screen saver.
General Trouble Shooting Guide
http://www.wjel.net

1
LED Amber or Green?
Make sure of the state of the
computer (turn on). Press the
keyboard or operate the mouse.
Is picture display
normally?
END
Power off the monitor
and then restart PC
It is need to check
and repair the monitor
Is picture display
normally?
END
Make sure the correct signal is input.
Is the ATTENTION
picture displayed?
Check contrast level is not
minimized. (Press contrast
button, increase value to 100)
Is picture displayed
normally?
END
1. Check video cable for bent
pins, reseat it.
2. Change resolution (It may
cause by PC.)
3. LCD monitor can not
display Vertical Frequency
settingat76Hz&85Hz
Is picture displayed
normally?
1. Make sure the correct signal is input.
2. Press the keyboard or operate the mouse.
3. Make sure of the range of the input
frequency and then set the computer.
It is need to check and
repair the monitor
Is picture displayed
normally?
END
END
1. Try system with
another monitor.
2. Try monitor with
another system.
It is need to check and
repair the monitor.
Amber
YES
For example:
ATTENTION
CHECK SIGNAL CABLE
ATTENTION
NO SIGNAL INPUT
Green
Continued
No
No Yes Yes
YesNo
Yes
No
Yes Yes No
Yes
No
unsuccessful
OK
General Trouble Shooting Guide 220CW8 LCD 55
http://www.wjel.net

56 220CW8 LCD
2
Monitor drivers (inf file)
FOR WINDOWS 95/98/2000/ME OR LATER
Philips’s monitors build in VESA DDC2B feature to support Plug & Play requirement for Windows 95/98/2000/Me. You can install the
information file(.inf) in order to select your Philips monitor from “Monitor” dialog box in Windows 95/98/2000/Me to activate Plug &
Play application. The installation procedure based on Windows 95 OEM Release 2, 98, Me and 2000 is specified as follows, (in case
of connecting the monitor to the PC compliant with VESA standard with the designated signal cable, the PC reads display pixels,
frequency and color feature of this monitor to optimize the picture for the monitor automatically.)
DDC: Abbreviation for Display Data Channel
** Windows NT 4.0 does not require driver (inf file) for monitor.**
1. Start Windows 95
2. Click the ‘Start’ button,
point to ‘setting’, and
then click ‘control panel’.
3. Double click the
‘display’ lcon.
4. Choose the ‘setting’ tab then
click ‘advanced…’
5. Choose ‘monitor’ button,
point to ‘change…’ then click
‘have disk…’.
6. Click ‘browse…’ button then
choose the appropriate drive
F:(CD-ROM Drive) then click
‘ok’ button.
7. Click the ‘ok’ button then
choose your monitor model
and click the ‘ok’.
8. Click ‘close’ button.
For Windows 98
For Windows 98 drivers, our monitors are listed under
2 manufactures name “Philips”, and “Philips
Consumer Electronics Co.” Please select “Philips”
when you would like to set up your monitor in
Windows setting, if you can not find the right model
name just as the label indication on the back of set.
For those set that have been issued since the release
of Window 98, drivers can be found in CD-ROM
under the directory path of “\pc\driver\” or it may be
downloaded at http://www.philips.com. Once you
have installed the new driver, Windows will add a
new manufacture name “Philips Business
Electronics” in your system.
1. Start Windows 98
2. Click the ‘Start’ button, point
to ‘setting’, and then clock
‘control panel’.
3. Double click the
‘display’ lcon.
4. Choose the ‘setting’ tab then
click ‘advanced…’
5. Choose ‘monitor’ button,
point to ‘change…’
then click ‘next’.
6. Choose ‘display a list of all
the drivers in a specify
location, so you can select
the driver you want’, then
click ‘next’ and then click
‘have disk…’
7. Click ‘browse…’ button then
choose the appropriate drive
F: (RD-ROM Drive)
then click ‘ok” button.
8. Click the ‘ok’ button then
choose your monitor model
and click the ‘next’ button.
9. Click ‘finish’ button then click
‘close’ button.
1. Start Window Me
2. Click the ‘start’ button, point
to ‘setting’ , and then click
‘control panel’.
3. Double click the
‘display’ lcon.
4. Choose the ‘setting’ tab then
click ‘advanced…’.
5. Choose ‘monitor’ button, then
click ‘change…’ button.
6. Choose ‘specify the location
of the driver (advanced)’ and
click the ‘next’ button.
7. Choose ‘display a list of all
the drivers in a specific
location, so you can select
the driver you want’, then
click ‘next’ and then click
‘have disk…’.
8. Click ‘browse…’ button then
choose the appropriate drive
F: (CD-ROM Drive)
then click ‘ok’ button.
9. Click the ‘ok’ button then
choose your monitor model
and click the ‘next’ button.
10. Click ‘finish’ button then
click ‘close’ button.
For Window Me
For Windows 2000
1. Start Windows 2000
2. Click the ‘start’ button, point
to ‘setting’, and then click
‘control panel’.
3. Double click the
‘display’ lcon.
4. Choose the ‘setting’ tab then
click ‘advanced…’.
5. Choose ‘monitor;
-If the ‘properties’ button is
inactive, it means your
monitor is properly configured.
Please stop installation.
-If the ‘properties’ button is
active, click ‘properties’ button.
6. Click ‘driver’ and then click on
‘update driver…’ then click on
the ‘next’ button.
7. Choose ‘display a list of the
known drivers for this device
so that I can choose a specific
driver’ then click ‘next’ and
then click ‘have disk…’.
8. Click ‘browse…’ button then
choose the appropriate drive
F: (CD-ROM Drive).
9. Click the ‘open’ button then
click the ‘ok’ button.
10. Choose your monitor model
and click the ‘next’ button.
11. Click ‘finish’ button and then
click the ‘close’ button. If you
can see the ‘digital signature
not found’ window then click
the ‘yes’ button.
For Windows 95
For Windows 95 drivers, your
monitor is listed under
manufacture name “Philips
Business Electronics Co.”.
General Trouble Shooting Guide
http://www.wjel.net

General Trouble Shooting Guide 220CW8 LCD 57
3
Screen Size Not Correct
Adjust Horizontal/Vertical/Shape Via the monitor "On Screen
Display" or "Front Control Knob: Auto function key".
Is the Screen Size
displayed correct?
*Reset the monitor via OSD manipulation
(Select Reset to Factory settings).
* Try the monitor with another computer
(Video card could be defective.)
Is picture displayed
normally?
END
Consult a service
center, the monitor
may be defective.
END
YES
No
YES
No
Reset monitor via OSD menu manipulation.
Change monitor timing to work at the recommended resolution.
OK
Please contact your
dealer/reseller for
more information.
4
END
YES
NO
Picture is too large or small
http://www.wjel.net

58 220CW8 LCD
6
Unstable picture/picture
flickers
Vertical/Horizontal flicker appears,
Push the AUTO button. Eliminate the Vertical/Horizontal bars
using the Phase Adjustment in the first window.
OK
Please contact your
dealer/reseller for
more information.
YES NO
END
General Trouble Shooting Guide
http://www.wjel.net

7
Out of H/V Sync.
1. Turn off monitor
2. Disconnect signal cable
3. Turn on monitor
In the self test?
(warning signal¡K)
It is need to check and
repair the monitor
Check video cable for bent
pins, reseat to system
video and power system.
Trytogointothe
DOS prompt.
"H/V sync. Out of
presetting timing range"
or "Sync. Problem"?
1. Try system with
another monitor
2. Try monitor with
another system
Monitor related?
Make sure that the video
system doesn't select a
driver that is outside the
monitor H/V scan range out
of presetting timing range
while going into windows.
Run windows by using
basic VGA mode
(example 640*480)
1. Try system with
another monitor
2. Try monitor with
another system
Monitor related?
It is need to check and
repair the monitor
It is need to check and
repair the monitor
Video system problem
YES
NO
YES
NO
YES
"H/V sync. Out of
presetting timing range"
or "Sync. Problem"?
YES
NO
END
YES
END
NO
General Trouble Shooting Guide 220CW8 LCD 59
http://www.wjel.net

60 220CW8 LCD
8
Picture is too bright
Adjust brightness and/or contrast via
the monitor "On Screen Display"
or "Front Control Knob"
Is picture displayed
normally?
* Reset the monitor via OSD manipulation.
(Select Reset to factory settings¡ )
* (or change the color temperature settings
to be 9300 color coordination from OSD menu.
* Try the monitor with another computer
(video card could be defective.)
Is picture displayed
normally?
It is need to check and
repair the monitor
YES
END
NO
END
YES NO
General Trouble Shooting Guide
http://www.wjel.net

9
Picture is too dim
Adjust brightness and/or contrast
via the monitor "On Screen Display"
or "Front Control Knob".
Is picture displayed
normally?
Is an external Anti-Glare screen
(like protective cover, touch
screen...etc) being used?
Remove any external
Anti-Glare screen
Is picture displayed
normally?
* Reset the monitor via OSD manipulation.
(select Reset to factory settings)
* (or change the color temperature settings to
be 9300 color coordination from OSD menu)
* Try the monitor with another computer
(video card could be defective)
Is picture displayed
normally?
It is need to
check and repair
the monitor
Note:
1. Sun light passing through a window is much brighter than monitor
luminance (luminance is the measurable quantity which most closely
corresponds to brightness), therefore the two worst places for a
monitor is directly facing the window or directly behind the window.
Position the monitor away from these two areas.
END
END
YES
YES
NO
NO
END
YES NO
General Trouble Shooting Guide 220CW8 LCD 61
http://www.wjel.net

62 220CW8 LCD
10
NOPOWER/LEDisoff
Is cabinet of
monitor damaged
by being dropped?
1. Is the correct AC power
cord connected?
2. Is AC power outlet active?
3. Is the power button in the
ON position?
Power off the monitor
and then on
Power LED on?
The monitor may have
become faulty due to
excessive shock
It is need to check and
repair the monitor
Power LED on?
Insure that unit is plugged into a
known good power source
(move a good radio to plug into
the power source to test it)
It is need to check
and repair the monitor
END
YES
YES
YES
END
NO YES
YES
YES
NO
NO
General Trouble Shooting Guide
http://www.wjel.net

11
Missing Color
1. Turn off monitor
2. Disconnect video cable
3. Turn on monitor
Colors on warning
signal OK?
Check video cable for bent
pins, reseat it
Signal cable pins OK?
1. Try system with
another monitor.
2. Try monitor with
another system.
3. Try changing in
the application.
Is picture displayed
normally?
It is need to check and
repair the monitor.
Cyan Color means that the red sub pixel is missing.
YES
YES
YES
END
NO
There are 2 easy ways to determine the Missing color problem.
1. View an image that is supposed to be "White".
If one of the colors (RGB) is not functioning.
White can not be produced.
2. View an image that supposed to contain Red, Green and Blue.
Color problems will be apparent when one or more of these
colors can not be displayed.
Normal White:
Magenta or Purple Color means that the green sub pixel is missing.
Yellow Color means that the blue sub pixel is missing.
RED ++
GREEN BLUE =WHITE
RED ++
GREEN BLUE =Yellow
RED ++
GREEN BLUE =Magenta
RED ++
GREEN BLUE =Cyan
General Trouble Shooting Guide 220CW8 LCD 63
http://www.wjel.net

66 220CW8 LCD
13
Jitter / Video Noise
Turn on monitor with a
display or image for 30
minutes (due to drift).
Jitter or Noise still present?
Try moving the monitor to
another location to see if
problem goes away
Jitter or Noise disappear
Environment problem
1. Try system with
another monitor
2. Try monitor with
another system
Jitter or Noise disappear
Video system problem
Monitor related?
Power off any monitor that
is within 2 or 3 feet away
Remove any unshielded
speakers away from the
monitor
Make sure there are no
flourescent light fixtures
close to the monitor
Try to keep monitor away from
large metal structures, power
poles, fans and metal carts
Check for other devices
that may be causing
magnetic interference
Is picture displayed
normally?
It is need to check and
repair the monitor
YES
END
NO
YES
END
YES
END
END
YES
NO
NO
NO
General Trouble Shooting Guide
http://www.wjel.net

14
Power management
function is not active
Verify the PC is compliant with VESA. In case all of the
video signals of PC are not off, power management
function is not active normally. (Repeat to power on and
off power management.) There are accelerator boards
not complied with VESA.
OK
Consult a service
center, the monitor
may be defective
NO
YES
END
General Trouble Shooting Guide 220CW8 LCD 67
http://www.wjel.net

General Product Specification
Specification for TVI WBZR-C1L/C1M
Philips Hudson 8 – 220CW8
22’’W TFT LCD Monitor,
30 - 93 kHz, 56 - 76 Hz, Dual input
Table of Contents
1. PRODUCT SPECIFICATION
1.1 Relationship
1.2 Product Data
2. MECHANICAL SPECIFICATION
2.1.1 Monitor Housing
2.1.2 VESA mounting holes
2.1.3 Kensington Slot
2.2 Tilt / Swivel base of the monitor
2.3 Dimensions of monitor
2.4 Dimensions of pallet and quantity
3. LCD SPECIFICATION
3.1 LCD specification
4. COSMETICS APPEARANCE
4.1 GAP definition
4.2 Panel Offset
4.3 Horizontal tilt
5. CONNECTORS
5.1 Video Connection
5.2 PIN Assignment
5.2.1 15 pin mini D-Sub connector
5.2.2 DVI-D connector
6. OSD
6.1 Control of OSD
6.2 Adjustment Parameters
7. ELECTRICAL SPECIFICATION
7.1 Power Specification
7.1.1 AC-DC converter
7.1.2 Power Management
7.2 Standard Test conditions
7.3 Test equipment
7.4 Video Generator test sequence
7.5 Analog input
7.6 Optical response time
7.7 Protection circuit
7.8 DDC
7.8.1 DDC Details
7.9 Timings
7.10 Audio Specification
68 220CW8 LCD
http://www.wjel.net

8. DISPLAY PERFORMANCE
8.1 Picture performance
8.2 Geometric defects
8.3 Picture stability during warm up
8.4 Scratches
8.5 Viewing angle
8.6 Jitter
8.7 Missing Pixels / missing subpixel
8.8 Newton Ring
8.9 Luminance Output
8.9.1 Luminance Output
8.9.2 Brightness
8.9.3 Brightness Uniformity
8.10 White Uniformity
8.11 Contrast ratio
8.12 White color adjustment
8.13 Distance between TFT LCD monitor and CRT/TFT monitor
9. ENVIRONMENT
9.1 Environmental conditions
10. REGULATORY STANDARDS
10.1 Safety approvals
10.2 Power management
10.3 Certificates, Reports for the production start
11. RELIABILITY
11.1 Reliability of the monitor
12. CUSTOMIZATION
12.1 Identity Customization
12.2 EAN /SAP Identification
12.3 Plastic
12.4 Definition of serial number
12.5 Definition of the barcode label
12.6 Accessories
13. ECR-HANDLING
69220CW8 LCD
http://www.wjel.net

1. PRODUCT SPECIFICATION
1.1 Relationship
Supplier: TVI Model: WBZR-C1L/C1M
Customer: Philips Model: Hudson 8 -220CW8
• Monitor No: HWC8220Q
• Monitor ID:
220CW8FB/00
220CW8FB/69
220CW8FB/93
• EAN No.:
CTN UPC/EAN
220CW8FB/00 EAN: 87 12581 35153 3
• Site Code: CJ (TVE); CU (QCG)
1.2 Product Data
22” W TFT LCD monitor
Horizontal frequency 30 - 93 KHz
Vertical frequency 56 – 76 Hz
Screen diagonal 22 Inch
Viewing Angle(CR>10)(H/V) 160/160 °
Max. opening horizontal picture size TBD mm
Max. opening vertical picture size TBD mm
Max. active horizontal picture size 473.76 mm
Max. active vertical picture size 296.1 mm
2. MECHANICAL SPECIFICATION
2.1.1 Monitor Housing
The front bezel and the back cabinet are based on TVI OEM tooling and Philips design chin.
2.1.2 VESA mounting holes
According to VESA FPMPMI standard.
Holes 100 mm x 100 mm (M 4.0, 0.7 pitch threaded) in the rear center for ARM.
2.1.3 Kensington Slot
The monitor is equipped with a 7 mm x 3 mm slot.
2.2 Tilt of the monitor
Forward -5 ° +2/- 0
Backward +25 °+0/- 3 °
2.3 Dimensions of monitor
The monitor has the following dimensions:
Unit dimension : 513.8mm (W) * 416.2mm (H) * 213.6mm (D)
Packed unit dimension : 565mm (W) * 174.0mm (H) * 472.0mm (D) for WW
: 567.0mm (W) * 189mm (H) * 480.0mm (D) for China
Net weight : 5 Kg (Including I/F cable 240 g)
70 220CW8 LCD
http://www.wjel.net

Gross weight : 5.3 Kg for WW
: 5.3 Kg for China
3. LCD SPECIFICATION
3.1 LCD specification
CMO LPL
Panel M220Z1-L03 LM220WE1-TLD1
Resolution 1680x1050 1680x1050
Active area (HxV) 473.76(H) x 296.1 473.76(H) x 296.1
Outside
dimensions(WxHxD)
493.7x 320.1 x 16.5 493.7x 320.1 x 16.5 (Not for
Audio model)
Pitch (mm) 0.282 x 0.282 0.282 x 0.282
Display surface Non-glare type Non-glare type
Color depth 16.7M colors 16.7M colors
Backlight 4 CCFL 4 CCFL
Viewing angle 170:H/ 160:V 160 for H/V
Contrast ratio 1000:1 (Typ); 700:1 (Min) 1000:1 (Typ); 600:1 (Min)
White luminance 300nit (Typ); 250nit (Min) 300nit (Typ); 250nit (Min)
Color gamut 72% 72%
Gate IC TBC TBC
Source IC TBC TBC
Response time 5ms 5ms
4 COSMETICS APPEARANCE
4.1 GAP definition
The gap between LCD and front bezel must be <= 1.0mm
4.2 Panel Offset
Panel Offset: Panel disposition tolerance inside the front bezel must be <=1.0mm
4.3 Horizontal tilt
Horizontal tilt between front bezel & LCD shall be <= 1.0mm
5. CONNECTORS
5.1 Video Connection
The monitor is equipped with a 15 pin mini D-SUB connector.
5.2 PIN Assignment
5.2.1 15 pin mini D-Sub connector
The PIN assignment of the 15 pin mini D-SUB connector / cable is as follows:
71 220CW8 LCD
http://www.wjel.net

PIN No. SIGNAL
1 Red
2 Green/ SOG
3 Blue
4 Sense (GND)
5 Cable Detect (GND)
6 Red GND
7 Green GND
8 Blue GND
9 DDC +3.3V or +5V
10 Logic GND
11 Sense (GND)
12 Bi-directional data
13 H/H+V sync
14 V-sync
15 Data clock
5.2.2 DVI-D connector
The PIN assignment of the 24 pin DVI-D connector / cable is as follows:
Pin No. Description
1 T.M.D.S. data2-
2 T.M.D.S. data2+
3 T.M.D.S. data2 shield
4 No Connect
5 No Connect
6 DDC clock
7 DDC data
8 No Connect
9 T.M.D.S. data1-
10 T.M.D.S. data1+
11 T.M.D.S. data1 shield
12 No Connect
13 No Connect
14 +5V Power
15 Ground (for +5V)
16 Hot plug detect
17 T.M.D.S. data0-
18 T.M.D.S. data0+
19 T.M.D.S. data0 shield
20 No Connect
21 No Connect
22 T.M.D.S clock shield
23 T.M.D.S. clock+
24 T.M.D.S. clock-
72 220CW8 LCD
http://www.wjel.net

6. OSD
6.1 Control of OSD
The positions and functions of the buttons are defined as below.
6.2 Adjustment Parameters
Hot-key definition
Key Key Press Time OSD
Timeout EDFU
implement Service
menu
Monitor Controls Lock OK(Menu) 6 sec (lock/unlock) 3 sec V V
Factory Mode AUTO+OK+Power
On Keep pressin
g
when
power on V
Demo mode for smart
image Smart Image Key 3 sec (Enter/Quit) V V
DDC/CI On/OFF for VISTA UP+DOWN 6 sec (lock/unlock) 3 sec V V
73 220CW8 LCD
OSD Tree
1st LEVEL 2nd LEVEL 3rd LEVEL
Brightness
Contrast
Picture
Factory
Color Temperature 5000K, 6500K, 7500K,
8200K, 9300K, 11500K
sRGB
Color
User Define Red, Green, Blue
English
Español
Français
Deutsch
Italiano
Português
PycckNN
Language
Horizontal
Vertical
Transparency Off, 1/4, 2/4, 3/4, 4/4
OSD Settings
OSD Time Out 5s, 10s, 20s, 30s, 60s
Phase
Clock
H.Position
V.Position
Smart Response On/Off
SmartContrast On/Off
Reset Yes/No
Resolution notification On/Off
Setup
Information
Auto
VGA
Input
DVI
Simplified Chinese
http://www.wjel.net

7. ELECTRICAL SPECIFICATION
7.1 Power Specification
7.1.1 AC-DC converter
Input voltage 90- 264V
Frequency range 50/ 60 ± 2 Hz
Inrush current Shall be less than the ratings of critical components
(including fuse, rectifiers and surge limiting device)
for all conditions of line in voltage.
Maximum power
consumption: <50W (Max) / <45W (Typ.)
7.1.2 Power Management
Mode HSYNC VSYNC Video Pwr-cons. Indication Rec. time
Power-On On On active < 50 W Green LED --
Off Off Off blanked < 1 W Amber LED < 3 s
DC Power Off N/A < 1 W LED Off
7.2 Standard Test conditions
Unless otherwise specified, this specification is defined under the following conditions.
(1) Input signal : As defined in Timing table, 1680 x 1050
non-interlaced mode (1680X1050@60Hz 146.25MHz), signal sources must
have 75 ohm output impedance.
(2) Luminance setting : controls to be set to 300 nits with full screen 100 % duty cycle white signal
(3) Warm up: more than 30 minutes after power on with signal supplied.
(4) Ambient light: 400 – 600 lux.
(5) Ambient temperature: 20 ± 5 °C
7.3 Test equipment
Personal computer with Windows 98/2000/XP
Luminance meter Minolta CA110
Videogenerator: Chroma 2000, 2135, 2250 or equivalent
Colour analyzer: Minolta or Chroma
10 times magnifier
Ruler / Template
Thickness gauge
Watt / Power Meter
7.4 Video Generator test sequence
Will be defined by TVI or its subcontracted quality providers.
7.5 Analog input
Analog input R,G,B level: 0 - 850 mV max.
Polarity: positive, negative
Impedance: 75 Ω ± 1%
Sync: HV separate sync, composite sync,
7.6 Optical response time
74 220CW8 LCD
http://www.wjel.net

Video Bandwidth: 205 MHz (dot rate)
Typical rise time(CMO) 5 ms
7.7 Protection circuit
The monitor will not be damaged by:
missing vertical or horizontal sync pulse
improper vertical or horizontal sync pulse (picture must be black at improper signals,
unsynchronized pictures are not allowed)
7.8 DDC
The monitor can support DDC 2 B and DDC-CI according to the latest VESA standard.
7.8.1 DDC Details
1 User visible strings on .inf file Philips 220CW (22inch WIDE LCD MONITOR 220CW8)
2 Manufacturer ID ( EDID data) PHL
MSB(byte 12): C0
3 Product ID, "xxxx" 4 codes LSB (byte 11): 1A
4 maximum resolution 1680x1050
5 Horizontal Frequency Range 30~93 KHz
6 Vertical Frequency Range 56~76Hz
7 Monitor Name (13 characteries max.) Philips 220CW
7.9 Timings
Factory preset modes : 18
Preset modes : 48
User modes : 10
Note: 1. Screen displays perfect picture at 18 factory-preset modes.
2. Screen displays visible picture with OSD warning when input modes are the 48 preset modes.
Factory preset modes (18 modes)
Item H.Freq. (KHz) Mode Resolution V.Freq. (Hz) BW(MHz)
1 31.469 IBM VGA 10H 640x350 70.086
2 31.469 IBM VGA 3H 720x400 70.087
3 31.469 IBM VGA 12H 640x480 59.94
4 35 MACINTOSH 640x480 67
5 37.861 VESA 640x480 72.809
6 37.5 VESA 640x480 75
7 43.269 VESA 640x480 85.008
8 35.156 VESA 800x600 56.25
9 37.879 VESA 800x600 60.317
10 48.077 VESA 800x600 72.188
11 46.875 VESA 800x600 75
12 53.674 VESA 800x600 85.061
13 49.7 MACINTOSH 832x624 75
14 56.4 - 960x720 75
15 44.75 - 960x720 60
16 48.363 VESA 1024x768 60.004
75220CW8 LCD
http://www.wjel.net

17 56.476 VESA 1024x768 70.069
18 60.023 VESA 1024x768 75.029
19 61.08 IBM XGA-2 1024x768 75.781
20 68.677 VESA 1024x768 84.997
21 CVT 2.3MA 1280 x768 60
22 60.289 CVT 2.3MA 1280 x768 75
23 54.1 1152x864 60
24 63.851 VESA 1152x864 70.012
25 67.5 VESA 1152x864 75
26 68.7 MACINTOSH 1152x870 75
27 61.845 SUN WS 1152x900 66.004
28 71.81 SUN WS 1152x900 76.15
29 60 VESA 1280x960 60
30 75 VESA 1280x960 75
31 63.981 VESA 1280x1024 60.02
32 71.691 SUN WS 1280x1024 67.189
33 76 DOS/V 1280x1024 72
34 79.976 VESA 1280x1024 75.025
35 81.13 SUN WS 1280x1024 76.11
36 91.1 VESA 1280x1024 85
37 44.772 - 1280x720 60
38 52.5 - 1280x720 70
39 64 CVT-reduced
blanking
1400x1050 60 101
40 80 CVT 1400x1050 75 121.75
41 91.1 CVT 1400x1050 85 156
42 55.469 VESA-reduced
blanking mode
1440x900 59.901 88.75
43 55.935 VESA 1440x900 59.887 106.5
44 70.635 VESA 1440x900 74.984 136.75
45 75 VESA 1600x1200 60 161
46 66.587 CVT 2.3MA-R 1920x1080 60.0 (for DVI-D 138.5
47 65.29 CVT1.76MW 1680x1050 60 146
48 CVT1.76MW-R 1680x1050 60 119
Remark, Timing with light blue are factory mode.
7.10 Audio Specification
N/A
8. DISPLAY PERFORMANCE
8.1 Picture performance
Optical performance test must be done in a dark room.
Note: Test under standard test conditions unless otherwise specified
Active Image Size (all modes)
8.2 Geometric defects
No vertical or/and horizontal line defect.
76 220CW8 LCD
http://www.wjel.net

No cross line defect.
8.3 Picture stability during warm up
During 10 - 30 minutes warm up time from cold condition of the monitor
at ambient temperature (25°C ± 5°C) the decrease of brightness must be less than 6 Fl.
8.4 Scratches
No scratches and foreign particles visible.
8.5 Viewing angle
Typical(10:1)
Horizental (Right + Left) 160°
Vertical (Up + Down) 160°
8.6 Jitter
No jitter visible in each condition. In case of problem a limit sample has to be defined.
8.7 Missing Pixels / missing subpixel
BRIGHT DOT DEFECTS ACCEPTABLE LEVEL
MODEL
220CW8
1 lit sub-pixel 3
2 adjacent lit sub-pixels 1
3 adjacent lit sub-pixels (one white pixel) 0
Distance between two bright dots 15mm
Bright dot defects within 20 mm circle 0
Total bright dot defects of all type 3
BLACK DOT DEFECTS ACCEPTABLE LEVEL
MODEL
220CW8
1 dark sub-pixel 5
2 adjacent dark sub-pixels 2
3 adjacent dark sub-pixels (one white pixel) 1
Distance between two black dots 15mm
Black dot defects within 20 mm circle* 1
Total black dot defects of all type 5
TOTAL DOT DEFECTS ACCEPTABLE LEVEL
MODEL
220CW8
Total bright or black dot defects of all type 5
8.8 Newton Ring
No Newton Rings visible.
8.9 Luminance Output
8.9.1 Luminance Output
77 220CW8 LCD
http://www.wjel.net

Test resolution: 1680 x 1050 at 60 Hz
Test condition: video input (RGB) = maximum white
8.9.2 Brightness
To follow Panel specification. sRGB = 80 ± 10 nits.
8.9.3 Brightness uniformity
Set contrast at 100% and turn the brightness to get average above 300 nits at centre of the screen.
Apply the Fig 1, it should comply with the following formula:
B_min
X 100%>75%
B_max
Where B_max = Maximum brightness
B_min = Minimum brightness
8.10 White Uniformity
Definition of White Variation (δW):
Measure the luminance of gray level 255 at 9 points
δW = Maximum [L(1), L(2) …… L(9)] / Minimum [L(1), L(2) …… L(9)]
Spec : =< 1.33 (In all ranges)
8.11 Contrast ratio
The contrast ration can be calculated by following expression.
Contrast Ratio (CR) = L255 / L0
L255 : Luminance of gray level 255
L0 : Luminance of gray level 0
Typical value: 1000:1
8.12 White color adjustment
There are three factory preset white color 9300K, 6500K, sRGB.
Apply full gray 64 pattern, with brightness in 100 % position and the contrast control at 50 % position.
The 1931 CIE Chromaticity (color triangle) diagram (x,y) coordinate for the screen center should be:
78 220CW8 LCD
9
2
4 5 6
7 8
1 3 10%
50%
90%
10%
50%
90%
http://www.wjel.net

Product specification:
CIE coordinates (x,y)
x = 0.270 ± 0.02 11500K
y = 0.281 ± 0.02
FGA
x = 0.283 ± 0.02 9300K
y = 0.297 ± 0.02
x = 0.291 ± 0.02 8200K
y = 0.306 ± 0.02
FGA
x = 0.298 ± 0.02 7500K
y = 0.314 ± 0.02
FGA
x = 0.313 ± 0.02 6500K/sRGB
y = 0.329 ± 0.02
x = 0.313 ± 0.02 sRGB
y = 0.329 ± 0.02
x = 0.345 ± 0.02 5000K
y = 0.357 ± 0.02
FGA
Production alignment spec :
CIE coordinates (x,y)
x = 0.270 ± 0.005 11500K
y = 0.281 ± 0.005
FGA
x = 0.283 ± 0.005 9300K
y = 0.297 ± 0.005
x = 0.291 ± 0.005 8200K
y = 0.306 ± 0.005
FGA
x = 0.298 ± 0.005 7500K
y = 0.314 ± 0.005
FGA
x = 0.313 ± 0.005 6500K/sRGB
y = 0.329 ± 0.005
x = 0.313 ± 0.005 sRGB
y = 0.329 ± 0.005
x = 0.345 ± 0.005 5000K
y = 0.357 ± 0.005
FGA
Quality Inspection specification:
CIE coordinates (x,y)
x = 0.283 ± 0.015 9300K
y = 0.297 ± 0.015
x = 0.313 ± 0.015 6500K/sRGB
y = 0.329 ± 0.015
x = 0.313 ± 0.015 sRGB
y = 0.329 ± 0.015
79220CW8 LCD
http://www.wjel.net

8.13 Distance between TFT LCD monitor and CRT/TFT monitor
Conducted with different modes or frequencies. No interference in a distance down to 25 cm.
9. ENVIRONMENT
9.1 Environmental characteristics
The following sections define the interference and susceptibility condition limits that might occur between
external environment and the display device.
Operating:
- Temperature : 0 to 35 degree C
- Humidity : 80% max
- Altitude : 0-3658m
- Air pressure : 600-1100 mBAR
Storage:
- Temperature : -20 to 60 degree C
- Humidity : 95% max
- Altitude : 0-12192m
- Air pressure : 300-1100 mBAR
Note: recommend at 5 to 35°C, Humidity less than 60 %
10. REGULATORY STANDARDS
Note: All certificates must be raised under the name of Philips
10.1 Safety approvals
; CB report
; CE
; TUV GS
; TCO’03
10.2 Power management
; Energy Star
10.3 Certificates, Reports for the production start
When the first production of the monitor starts the following documents must be sent to Philips by mail. All
reports must be raised under “Philips” and have to show W0ZR model name .
;CB report
;CE
;FCC
;Service manual
11 RELIABILITY
11.1 Reliability of the monitor
80 220CW8 LCD
http://www.wjel.net

The MTBF of the monitor has to be greater than 50.000 hours. The MTBF shall be calculated according to
the MIL Standard HBDK 217 E/F. The report about the calculation detail shall be provided on component
level before mass- production by TVI. The calculation shall be performed for a primary test/preset mode
under ambient temperature of 25°C.
12. CUSTOMIZATION
12.1 Identity Customization
Refer to SKU
12.2 EAN /SAP Identification
Refer to SKU
12.3 Plastic
The plastic material of the monitor must be PC-ABS (Front/ back) ABS-HB (base).
Plastic type and color is released as follows:
Refer to MakeUp sheet/ Graphic sheet
12.4 Definition of serial number
Refer to Philips’ definition
12.5 Definition of the barcode label
Refer to Philips’ definition
12.6 Accessories
Refer to SKU
13. ECR-HANDLING
Not any change without approved ECR.
Every ECR to the golden “ samples” must be approved by PHILIPS, Even ECR for minor changes must be
released by PHILIPS.
For the ECR procedure the vendor has to send an ECR formular, necessary spec updates, datasheets and a
photo documentation. On based on documents, PHILIPS has to decide if samples are necessary till release
to changes. The vendor also has to proof be certificates and test reports, that the change has no effect on
safety, EMI and TCO03.
After testing, PHILIPS has to release or reject the change request.
81220CW8 LCD
http://www.wjel.net

Safety Check Process
Safety Checks
After the original service problem has been corrected, a complete safety check
should be made. Be sure to check over the entire set, not just the areas where
you have worked. Some previous service may have left an unsafe condition,
which could be unknowingly passed on to your customer. Be sure to check all
of the following:
Fire and Shock Hazard
1. Be sure all components are positioned in such a way as to avoid the
possibility of adjacent component shorts. This is especially important on those
chassis which are transported to and form the service shop.
2. Never release a repaired unit unless all protective devices such as
insulators, barries, covers, strain reliefs, and other hardware have been
installed in accordance with the original design.
3. Soldering and wiring must be inspected to locate possible cold solder joints,
solder splashes, sharp solder points, frayed leads, pinched leads, or damaged
insulation(including the accord). Be certain to remove loose solder balls and all
other loose foreign particles.
4. Check across-the-line components and other components for physical
evidence of damage or deteriortion and replace if necessary. Follow original
layout, lead length and dress.
5. No lead or component should touch a receiving tube or a resistor rated at
1watt or more. Lead tension around protruding metal surfaces or edges must
be avoided.
6. Critical components having special safety characteristics are identified with
ans bythe Ref.No in the parts list and enclosed within a broken line *( Where
several critical components are grouped in one area) along with the safety
symbols on the schematic diagrams and/or exploded views.
7.When servicing any unit, always use a separate isolation transformer for the
chassis failure to use a separate isolation transformer may expose you to
possible shock hazard, and may cause damage to servicing instruments.
8. Many electronic products use a polarized ac line cord(one wide pin on the
plug). Defeating this safety feature may create a potential hazard to the
service and the user. Extension cords which do not incorporate the polarizing
feature should never be used.
9. After reassembly of the unit, always perform an leakage test or resistance
test from the line cord to all exposed metal parts of the cabinets. Also check all
metal control shafts(with knobs removed), antenna terminals, handles, screws,
etc. To be sure the unit may be safety operated without danger of electrical
shock.
* Broken line
Implosion
1. All picture tubes used in current model receivers are equipped with an
intergral implosion system care should always be used, and safety glasses
worn, whenever handling any picture tube. Avoid scratching or other wise
damaging the picture tube during installation.
2. Use only replacement tubes specified by the manufacturer.
X-radiation
1. Be sure procedures and instructions to all your service personal cover the
subject of X-radiation. Potential sources of X-rays in TV receivers are the
picture tube and the high voltage circuits. The basic precaution which must be
exercised is to keep the high voltage at the factory recommended level.
2. To avoid possible exposure to X-radiation and electrical shock, only the
manufacturer’s specified anode connectors must be used.
3. It is essential that the service technician has an accurate HV meter available
at all times. The calibration of this meter should be checked periodically against
a reference standard.
4. When the HV circuitry isoperating properly there is no possibility of an X-
radiation problem. High voltage should always be kept at the manufacture,
rated value-no higher- for optimum performance. Every time a color set is
serviced, the brightness should be run up and while monitoring the HV with a
meter to be certain that the HV is requation correctly and does not exceed the
specified value. We suggest that you and your technicians review test
procedures so that HV requation are always checked as a standard servicing
procedure, and the reason for this prudent routine is cleanly understood by
everyone. It is important ot use an accurate and reliable HV meter. It is
recommended that the HV recorded on each customer’s invoice, which will
demonstrate a proper concern for the customer’s safety.
5. When troubleshooting and making test measurements in a receiver with a
problem of excessive high voltage, reduce the line voltage by means of a variac
to bring the HV into acceptable limits while troubleshooting. Do not operate the
chassis loner than necessary to locate the cause of the excessive HV.
6. New picture tubes are specifically designed to withstand higher operating
voltages without creating undesirable X-radiation. It is strongly recommended
that any shop test fixture which is to be used with the new higher voltage
chassis be equipped with one of the new type tubes designed for this service.
Addition of a permanently connected HV meter to the shop test fixture is
advisable. The CRT types used in these new sets should never be replaced
with any other types, as this may result in excessive X-radiation.
7. It is essential to use the specified picture tube to avoid a possible X-radiation
problem.
8. Most TV receivers contain come types of emergency” Hold Down” circuit to
prevent HV from rising to excessive levels in the presence of a failure mode.
These various circuits should be understood by all technicians servicing them,
especially since many hold down circuits are inoperative as long as the
receiver performs normally.
Leakage Current Cold Check
1. Unplug the ac line cord and connect a jumper between the two prongs of the
plug.
2. Turn on the power switch.
3. Measure the resistance value between the jumpered ac plug and all exposed
cabinet parts of the receiver, such as screw heads, antennas, and control
shafts. When the exposed metallic part has a return path to the chassis, the
reading should be between 1 megohm and 5.2 megohms. When the exposed
metal does not have a return path to the chassis, the reading must be infinity.
Remove the jumper from the ac line cord.
Leakage Current Hot Check
1. Do not use an isolation transformer for this test. Plug the completely
reassembled receiver directly into the ac outlet.
2. Connect a 1.5k, 10w resistor paralleled by a 0.15uf capacitor between each
exposed metallic cabinet part and a good earth ground such as a water pipe, as
shown above.
3. Use an ac voltmeter with at least 5000 ohms volt sensitivity to measure the
potential across the resistor.
4. The potential at any point should not exceed 0.75 volts. A leakage current
tester may be used to make this test; leakage current must not exceed a
possibility of shock hazard. The receiver should be repaired and rechecked
before returning it to the customer.
5. Repeat the above procedure with the ac plug reversed.(note: an ac adapter
is necessary when a polarized plug is used. Do not defeat the polarizing
feature of the plug.)
Picture Tube Replacement
The primary source of X-radiation in this television receiver is the picture tube.
The picture tube utilized in this chassis is specially constructed to limit X-
radiation emissions. For continued X-radiation protection, the replacement
tube must be the same types as the original, including suffix letter, or a Philips
approved tube.
Parts Replacement
Many electrical and mechanical parts in Philips television sets have special
safety related characteristics. These characteristics are often not evident from
visual inspection nor can the protection afforded by them necessarily be
obtained by using replacement components r=ated for higher voltage, wattage,
etc. The use of a substitute part which does not have the same safety
characteristics as the Philips recommended replacement part should in this
service manual may create shock, fire, or other hazards.
WARNING: Before removing the back cover, turn the unit OFF and short the HIGH VOLTAGE to the ground.
To
INSTRUMENTS
EXPOSED
METAL PARTS
1500 ohm, 10W
0.15uF
WATER
PIPE
EARTH
GROUND
http://www.wjel.net








